
International Research Journal of Engineering and Technology (IRJET) e-ISSN: 2395-0056
Volume: 12 Issue: 10 | Oct 2025 www.irjet.net p-ISSN: 2395-0072
![]()

International Research Journal of Engineering and Technology (IRJET) e-ISSN: 2395-0056
Volume: 12 Issue: 10 | Oct 2025 www.irjet.net p-ISSN: 2395-0072
VIDYA SHREE M1 , PRIYANKA S M2
1M. Tech student, Power System Analysis, Dept. of Electrical and Electronics Engineering, University BDT Collage of Engineering, Davangere, Karnataka, India.
2Professor, Department of Electrical and Electronics Engineering, University BDT Collage of Engineering, Davangere, Karnataka, India.
Abstract - This paper presents a solar power generation system (SPGS) integrated with anintelligentpowersmoothing mechanism based on an ANN controller. The proposed system comprises a PV array, a battery storage unit, a boost power converter (BPC), and a dual-input buck-boost DC-AC inverter (DIBBDAI). The ANN controller continuously monitors variations in solar irradiance and dynamically regulates power flow to maintain a stable output, while optimizing the charge-discharge cycles of battery unit. Thisallowsthesystem to mitigate sudden power fluctuations and maintain steady energy delivery to the grid. The control strategy ensures that the power supplied to the utility is consistent bycompensating for rapid changes in solar input through battery intervention. A detailed simulation modelis developedinMATLAB/Simulink to evaluate system’s response under different operating scenarios. The simulation outcomes demonstrate that employing ANN-based control leads to noticeable improvements in power quality, minimizes THD, and provides stable dynamic performance. This method strengthens the operational reliability and overall efficiency of solar energy systems when integrated into smart grid networks.
Key Words: Solar PV Array, Boost converter, Battery, Grid, Inverter, ANN controller.
The increasing necessity to address climate change and lessenrelianceonfossilfuelshasdrivenaglobaltransition towardtheadoptionofrenewableenergysources.Among several renewable sources, solar photovoltaic (PV) [1-2] systems have gained widespread adoption due to their scalability, declining installation costs, and minimal environmental footprint. As nations aim to meet sustainability targets, the integration of solar energy into existingpowersystemshasincreasedrapidly,bringingboth opportunities and challenges to modern energy infrastructure. Despite their advantages, solar PV systems areinherentlyintermittentinnature,astheirenergyoutput isdirectlyaffectedbyenvironmentalconditionssuchassolar irradiance,temperature,andweatherpatterns[3-4].These variationscancausefrequentandunpredictablechangesin theoutputpower,whichinturnposeoperationalchallenges to grid operators [5] [6]. A high level of PV system integration withinpower distribution networkscancause
fluctuations in grid voltage and frequency, ultimately affectingpowerqualityandsystemstability.
OneofthemostcriticalissuesinsolarPVintegrationisthe smoothingofoutputpower[7].Powerfluctuationsresulting fromrapidirradiancechanges,suchascloudmovementor shading,canproducesharptransientsthatnegativelyimpact theoperationofsensitiveelectricalequipmentandstability of the utility grid [8] [9]. To address this, various power smoothing techniques have been explored in literatures. Theseincludecurtailmentofmaximumpowerpointtracking (MPPT)[10],filteringtechniques,andintegrationofstorage battery[11].
BESS have emerged as a promising solution for compensating power fluctuations in PV systems [12]. Batteriescanrapidlyabsorborsupplyenergybasedonthe variationinsolaroutput,thus servingasdynamic buffers. Their ability to charge and discharge within short time intervalsmakesthemidealforsmoothingbothupwardand downward transients in power output. Various configurationshavebeenproposedforintegratingBESSwith PV arrays, primarily classified into AC and DC coupling methods [13]. While AC coupling provides independent controlofPVandstorageunits,itinvolvesamorecomplex structurewithmultipleconverters.Incontrast,DCcoupling offersasimplerandmorecompactarchitecture,whereboth thePVarrayandbatteryshareacommonpowerconverter interface [14]. To effectively manage energy flow in such configurations, control strategies play a key role. Proportional-integral(PI)controllershavebeenemployedto regulatepowerflow,maintaingridcompliance,andensure maximumpowerextractionthroughMPPTalgorithms[1516].Thesecontrollersarefavouredfortheirsimplicityand ease of implementation. However, they exhibit limited performance under nonlinear, time-varying, or unpredictableconditions,astheyrelyonfixedparameters that do not adapt to changing dynamics in the PV system [17].

International Research Journal of Engineering and Technology (IRJET) e-ISSN: 2395-0056
Volume: 12 Issue: 10 | Oct 2025 www.irjet.net

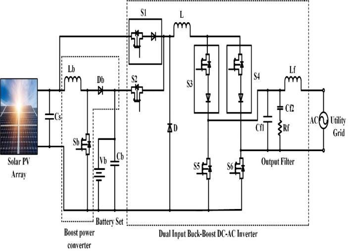
AsdemonstratedinFig.1,theproposedsystemconsistsofa solarpanelarray,batteryunit,BPC,andDIBBDAI.TheBPC managesbatterychargingbyutilizingsurplusenergyfrom thesolararray,whiletheDIBBDAIenablestwo-waypower exchange between PV source and utility grid. The overall system operation is intelligently controlled by an ANN, whichprocessesreal-timeinputssuchassolarirradiance, battery SOC, and load requirements to generate suitable control responses. The power smoothing mechanism operatesbycomparingtheinstantaneousPVoutputpower witha referenceorfiltered value,typicallydetermined by moving average or low-pass filtering techniques. When a significantdeviationisdetected,theANNcontrollerinstructs the battery to either absorb or inject power to counteract fluctuation.Thisprocessisdesignedtomaintaintheoutput powerwithinaregulatedrange,therebyenhancingpower quality and reducing stress on the grid infrastructure. Additionally, the ANN controller manages the battery operation to prevent overcharging or deep discharge, maintainingtheSOCwithinsafeoperatinglimitstoprolong batterylife.

Figure.2 circuitimplementationofsolarenergysystem
ThearchitectureoftheSPGSisdisplayedinFig.2.Itadoptsa DC-coupled configuration consisting of a solar PV array, a battery set, a BPC, and a DIBBDAI. This structure enables
p-ISSN: 2395-0072
bothenergygenerationanddynamicpowerbalancingwith minimalconversionlossesandimprovedsystemresponse.
ThesolarPVformstheprimaryenergysourceofproposed SPGS.ItconvertssunlightintoDCpowerusingthePVeffect. The array output is directly inclined by environmental factors such as solar irradiance and temperature. In this system, a mono-crystalline PV module is used, with each module is used, with each module rated at 213 W. Each module has an open-circuit voltage of 36.3 V and a shortcircuitcurrentof7.84 A.Threesuchmodulesareconnected inseries,resultinginatotalarrayvoltagesuitablefordirect interface with the inverter and boost converter. The electricalbehaviourofaPVmoduleisgovernedbysinglediodemodel,whereoutputcurrentisexpressedas:

(1)
Tooperateatitspeakperformance,thePVarrayneedsto function at the MPP, which varies dynamically with irradianceandtemperature.ThepoweratMPPisgivenby:

……..(2)


Where and are voltage and current at MPP, respectively. For modules used, the voltage at MPP is approximately30–31 V,andthecurrentatMPPisabout8 A per module. This results in efficient operation when irradianceisaround700–1000 W/m².ThePVarray'srolein theSPGSistosupplyreal-timepowertotheinverterforgrid connection and also to charge the battery when excess energyisavailable.TheconverterconnectedtoPVmodule ensures continuous MPPT operation using algorithms to trackandmaintainoperationattheoptimalpoint[18-21].
The BESS in SPGS plays a vital role in ensuring power balanceandmitigatingfluctuationscausedbyvariabilityin solarirradiance.Thebatteryactsasadynamicbufferthat absorbsorsuppliesenergybasedondifferencebetweenthe PV output and grid demand. In this system, the battery is configuredaswithanominalvoltageof12 V,resultingina totalbatterybankvoltageof12 V.
To maintain battery health and longevity, the SOC is regulated within a safe operating window. The SOC is allowed to vary between 30% and 90%, where 30% representsthelowerthresholdtoavoiddeepdischarge,and 90%preventsovercharging. Duringsystemoperation,the batterytypicallyremainsatareferenceSOCofaround60% in standby mode. When the power output from PV array increases rapidly beyond a certain limit (denoted as P1), extraenergyisdivertedtobatteryforstoragethroughthe BPC. Conversely, if there is a sudden drop in solar output

International Research Journal of Engineering and Technology (IRJET) e-ISSN: 2395-0056
Volume: 12 Issue: 10 | Oct 2025 www.irjet.net
(i.e.,thePVpowerdecreasesbelowthedefinedthresholdof −P1),thebatterydischargesandsupplementstheinverter inputtomaintainconsistentACpowerdeliverytothegrid.
Thedesignensuresthatthebatteryisneitherexcessively chargednordrainedbydeactivatingcharging/discharging operations when SOC reaches 90% or 30%, respectively. Thisapproachminimizesbatterywearwhilemaximizingits contributiontooutputpowersmoothing.
TheBPCwhichispositionedbetweenPVarrayandbattery storage. Its primary function is to regulate charging of batterybyadjustingpowerflowbasedontheavailabilityof excess solar energy and dynamic state of the system [22]. The BPC operates only when the variation in solar power exceeds a pre-set threshold (P1), thereby preventing unnecessaryswitchingactivityandreducingthefrequency ofcharge-dischargecyclesinthebattery.
TheBPCalsoservesasaMPPTunitforPVarraywhenthe battery charging is active. This is achieved using the P&O method,whichperturbsPVvoltageandobservesresulting changeinpowertoconvergetoMPP.TheBPCoperatesin continuousconductionmode(CCM)toensuresmoothand stablecurrentflowwithreducedripple,whichisessential forefficientandsafebatterycharging.

TherelationshipbetweenPVarrayvoltage andbattery voltage ) during charging via the BPC is given by the followingfundamentalboostconverterequation:


………(3)

Here, representsadutycycleofBPC’spowerswitch Thisequationhighlightshowdutyratiocontrolstheoutput voltageandthereforeregulateschargingprocess.Ahigher dutycycleresultsinagreatervoltagegain,whichisuseful whenPVvoltageissignificantlylowerthanbatteryvoltage.
Toensuresafeandcontrolledenergytransfer,theconverter includes an inductor (used to store and release energy duringswitching),andadiodethatenforcesunidirectional flowfromPVtobattery.ThesystemdisablestheBPCwhen power fluctuation from the PV array is within acceptable bounds, or when the battery’s SOC reaches its upper or lower limit. By activating the BPC only during significant fluctuations, the system minimizes converter losses and extendsbatterylifewhilemaintainingpowerqualityatthe gridinterface.
D. Dual-Input Buck-Boost DC-AC Inverter (DIBBDAI)
The DIBBDAI serves as the central power conversion interface in the proposed SPGS. It is responsible for
p-ISSN: 2395-0072
converting DC power sourced either from PV array or the battery into a grid-compatible AC output. Unlike conventionalinverterdesigns,theDIBBDAIisengineeredto handle inputs from two separate DC sources but operates using only one input at a time. This ensures a simplified topologywithreducedswitchingcomponentsandimproved efficiency.
TheDIBBDAIiscomposedofsixpowerswitches(denotedas S1to S6), an inductor L, and a low-pass output filter consisting of two capacitors and a dampingresistor theinductorvalueischosen as , providing sufficient energy storage during switching cycles. The inverter delivers power to a singlephaseACgridratedat110 V,60 Hz.Switchingdecisionsare based on grid polarity and source conditions to ensure propermodeselectionandsynchronizedsinusoidaloutput



When the source voltage (either from PV or battery) is greater than grid voltage, the inverter operates in buck mode.Theinductorcurrentinthiscasefollowsthedynamics of:



Here, istheinstantaneousgridvoltage,and isthe voltagefromactiveDCsource.Buckoperationisachievedby pulse-widthmodulatingtheappropriateswitches(e.g.,S1,S3 ,S6inpositivecycles).
Conversely,whentheDCsourcevoltageislowerthangrid voltage,theinvertertransitionsintoboostmode,increasing thevoltagelevelbeforeinversion.Theinductorcurrentin thiscaseisgovernedby:


Dependingonthepolarityofthegrid,switchesS3andS4are activatedusingPWMcontrolwhileS5andS6followthegrid waveform for proper commutation. Only one PWMcontrolled switch is active at a time to reduce switching losses.
The DIBBDAI also addresses the issue of leakage current, which commonly arises in transformer less PV inverter systemsduetoparasiticcapacitancebetweenPVarrayand ground [23]. This is mitigated through synchronized switchingofS5andS6,ensuringthatduringeachhalfcycle, either the VAN or VBN terminal voltage remains zero, thereby minimizing common-mode voltage and leakage

International Research Journal of Engineering and Technology (IRJET) e-ISSN: 2395-0056
Volume: 12 Issue: 10 | Oct 2025 www.irjet.net
current.Insimulations,a60 nFcapacitoranda5 Ωresistor are used to model the stray capacitance and ground impedance,respectively,andtheresultingleakagecurrentis observedtoremainminimal,especiallyduringthepositive halfcycle.TheDIBBDAIallowsdirectDC-ACconversionfrom eitherthePVorthebatterywithhighefficiency
TheSmoothingOperationisthekeyfunctionalfeatureofthe proposed SPGS, designed to address rapid power fluctuations commonly caused by changes in solar irradiance.Thesefluctuations,iftransmitteddirectlytothe grid,candegradepowerquality,causefrequencyorvoltage instability,andeventriggerprotectivedevices.




Thesmoothingmechanismisactivatedwheninstantaneous variation in output power of PV exceeds a predefined threshold,denotedas .Thisthresholdisselectedbasedon grid code requirements or the allowable ramp rate in the distributionsystem.WhenthechangeinPVpower(Δ )is withintheacceptablerange( ),thebattery remains inactive and PV array directly supplies power to grid through the inverter using MPPT. However, when ,theexcesspoweristemporarilyabsorbedbythe batterythroughtheBPC,andtheoutputpowerisgradually increasedalongapredefinedslope

Similarly, when the PV power suddenly drops and ,thebatterybeginsdischargingthroughthe inverter to compensate for the deficit. In this case, the inverter maintains the output power at a gradually decreasing ratetoavoidsudden dipsatthegrid interface. Theoutputpower isallowedtodivergeslightlyfromthe actualPVpower byamargin ,afterwhichtheinverter returnstoMPPTmodeoncesystembalanceisrestoredand thebatteryreturnstoitsreferenceSOC.


TheSOCofthebatteryismonitoredcontinuouslytoprevent overcharging or deep discharge. The system restricts chargingabove90%SOCanddischargingbelow30%SOCto prolongbatterylife.Undernormaloperation,thebatteryis maintained near 60% SOC to ensure that it has sufficient roomforbothcharginganddischargingwhenfluctuations occur. When SOC limits are reached, the smoothing operationistemporarilydisabled,andtheinverterresumes directPV-to-gridMPPToperationwithnosupportfromthe battery.
p-ISSN: 2395-0072

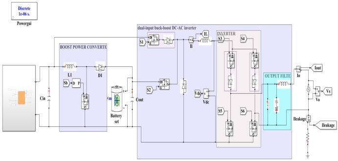
ThecontrolsystemimplementedinMATLAB,aspresented infig.3,governsthepowerflowandoutputcurrentshaping inSPGSusinganANNcontroller.Thecontrollermanagesthe inverteroutputbydynamicallyadjustingcurrentamplitude, ensuringMPPT,andsupportinggrid-friendlyoperations.The systemreplacestheconventionalPIcontrollerwithaneural networkblockthatintelligentlyhandlesnonlineardynamics andrapidirradiancechanges.

Theprocessbeginswiththereal-timeacquisitionofPVarray voltage ( ) and current ( ). These are sent into the MPPT block, which calculates the reference DC voltage ( ) and the power variation (Δ ) using P&O technique.Thisoutputisforwardedtoacomparisonblock that evaluates whether the PV power variation exceeds a specifiedthreshold,triggeringthesmoothingfunctionwhen necessary.Theresultfromthiscomparisonisdenotedas , representing the amplitude gradient direction: positive, negative,orzero.







This signal is integrated to create a linearly changing controlreference,whichsetsthedesiredamplitudelevelfor the inverter output current. This is where the neural networkblockcomesintooperation.TheANNtakesmultiple inputsincluding , , ,Δ ,and andgenerates acurrentamplitudecontrolsignal.TheANNistrainedoffline usingavarietyofsolarprofilestolearnsystemdynamicsand output optimized responses, even under rapidly changing conditions
This reference signal is then compared with measured outputcurrent .Thecurrentpassesthroughanabsolute valueblockand,inboostmode,alsothroughalow-passfilter to suppress high-frequency components. Two current controllersareimplementedoneforbuckmodeandanother forboostmodedependingontheoperatingcondition.These controllersoutputmodulationsignalsusedinPWMBlock1 (buck)andPWMBlock2(boost).

Simultaneously, a feedforward control signal is added to improvePWMresponse.Thebuck-modefeedforwardsignal isdefinedas: ,where ………(8)




International Research Journal of Engineering and Technology (IRJET) e-ISSN: 2395-0056
Volume: 12 Issue: 10 | Oct 2025 www.irjet.net
Inboostmode,thefeedforwardsignalbecomes:

……….(9)
Thesefeedforwardsignalsreducecontroldelayandimprove trackingaccuracy.ThelogicsignalsSpandSb,derivedfrom ComparisonBlock2,determinethepolarityofgridvoltage andwhethertheinvertershouldoperate in buck or boost mode.Basedonthese,theLogicProcessingBlockselectsthe properswitches(S1toS6)tooperateinthedesiredmode.

Figure.4 InternalstructureoftheANNcontroller
TheANNcontrollerimplementedinthisworkservesasthe core intelligent unit for regulating inverter output and achieving smooth power delivery under varying solar conditions.UnlikeconventionallinearcontrollerssuchasPI orPID,whichoperateonfixedgainsandstruggletoadapt underdynamicandnonlinearsystembehaviour,theANNis designedtolearncomplexpatternsbetweensysteminputs andthedesiredcontrolresponse.Itgeneratesanamplitude referencesignalfortheinverteroutputcurrentbyevaluating real-timeelectricalparameterssuchasPVvoltage,current, powervariation,andarampsignalindicatingwhetherthe systemshouldgraduallyincreaseordecrease power.This reference signal ensures that the inverter delivers a controlledandsinusoidal currenttothegrid. Theinternal structureoftheANN,includingitsinputparameters,hidden layerconfiguration,andoutputsignalmapping,isdepicted inFigure4.
TheANNstructureusedinthissystemisaneuralnetworkis trained by using the Levenberg–Marquardt (LM) optimization algorithm. This algorithm offers fast convergence and high accuracy, making it well-suited for power electronic applications where quick adaptation is necessary. Once deployed in the control loop, the ANN replacestheconventionalerror-basedregulationblockand actsasanintelligentpredictorthatcontinuouslymapsinput dynamicstoidealmodulationbehaviour.
ByintegratingtheANNintothecontroltopology,thesystem benefitsfromreal-timeadaptability,reducedresponsedelay, and improved power quality. The neural controller eliminatestheneedformanualtuning,makingthesystem moreresilienttoenvironmentaluncertainties.Itminimizes THD, improves settling time during transients, and
p-ISSN: 2395-0072
maintains smoother battery charge-discharge cycles by preventingunnecessaryswitching.
ToevaluatetheperformanceofANN-basedcontrolsystem,a detailed simulation was conducted in MATLAB/Simulink under various solar irradiance profiles and dynamic operatingconditions.Theresultswerecomparedagainsta conventionalPIcontroller-basedimplementationtoassess improvements in output quality, transient response, and powersmoothingeffectiveness

Figure5presentsaSimulinkdiagramofaproposedpower smoothingfunctionalitywithanANNController.Thissystem combines utilize the ANN controller to improve the performance. The power smoothing function aims to mitigatefluctuationsinpoweroutput.
At constant irradiation: (a) (b)



International Research Journal of Engineering and Technology (IRJET) e-ISSN: 2395-0056
Volume: 12 Issue: 10 | Oct 2025 www.irjet.net p-ISSN: 2395-0072

Fig.6:SimulationresultsoftheDIBBDAIundersteady stateusingANNController(a)gridvoltage,(b)output current,(c)inductorcurrent
Figure 6 shows the DIBBDAI simulation results under steady-state, maintaining a 100 V output. Figure 6(b) confirmstheinverter’soutputcurrentisasmoothsinewave in phase with the grid voltage. Figure 6(c) presents the inductorcurrent(L),whichalignswiththeoutputcurrent during buck mode. In boost mode, L deviates due to the influenceofthedynamicfactor(1−D),whereDistheduty cycle.Thisresultsina nonlinearrelationshipbetweenthe inductorcurrentandtheinverter’soutputcurrent

Fig.7: THDvaluesForOUTPUTCURRENT(Io)
Figure7 depicts theTHDof theoutputcurrent(Io)under steadyirradiance,indicatingthelevelofharmonicspresent incurrentwaveformproducedbytheinverter

Figure.8 I_lekagecurrent
Figure 8 presents simulation results related to leakage current behaviour in the DIBBDAI, demonstrating its performanceunderoperatingconditions
At variable irradiation:



Fig.9:SimulationresultsoftheDIBBDAIunderDynamic state,(a)Dclinkvoltage(Vdc)(b)outputcurrent,(c) inductorLcurrent.
Figure 9 illustrates the output performance of DIBBDAI undervaryingsolarirradiance.In9(a),theinputDCvoltage isvariedfrom20 Vto36 Vwhilemaintainingconstantinput powertoassessdynamicresponse.Figure9(b)showsthat the output current remains stable, demonstrating strong voltageregulation.Figure9(c)indicatesanincreaseinpeak inductorcurrent(L)withhigherinputvoltage.Thisriseis duetotheshorterenergytransferperiodduringboostmode operation.

Fig.10 THDvaluesForOUTPUTCURRENT(Io)

International Research Journal of Engineering and Technology (IRJET) e-ISSN: 2395-0056
Volume: 12 Issue: 10 | Oct 2025 www.irjet.net p-ISSN: 2395-0072

Figure10presentstheTHDvaluesoftheoutputcurrent undervaryingirradianceconditions,illustratingthelevelof harmonic distortion observed in the inverter’s output waveform.

Figure 11: I_lekagecurrent&Outputcurrent
Figure 11 illustrates leakage current behaviour, when subjected to variable solar irradiance, highlighting its performanceunderdynamicenvironmentalconditions.
Thecomparisontable.1showcasestheTHDvaluesobtained from comparing the conventional PI controller with the proposedANNcontrollerundertwodistinctmodes:constant irradianceandvariableirradiation.Uponexamination,the THDvaluesindicatealowerdistortionlevelintheproposed ANNcontrol,aligningwithIEEEstandardsstipulatingTHD values below 5 percent. Specifically, in the constant irradiancemode,theTHDvalueisrecordedat4.65%,while inthevariableirradiancemode,itstandsat4.74%.
This paper has presented an advanced solar power generationsystemintegratedwithaneuralnetwork-based intelligentcontrolstrategyforenhancedpowersmoothing and grid interfacing. The system employs a PV array and batteryconfigurationmanagedbyaBPCandaDIBBDAIto enable efficient power conversion under variable environmental conditions.Thenoveltyofthiswork lies in replacementofPIcontrollerwithanANNtrainedusingthe LMalgorithm.TheANNdynamicallyregulatestheinverter outputcurrentamplitudebasedonreal-timesysteminputs,
therebyimprovingtransientresponseandreducingsteadystate error. Simulation results validated and demonstrate that the ANN controller offers superior performance over traditionalcontroltechniques,particularlyinreducingTHD, improvingsettlingtime,andmaintainingsmoothercurrent waveformsduringsolarfluctuations.Theproposedmethod also minimizes battery cycling and switching losses by activating the smoothing function only when necessary. Overall,theintegrationofintelligentlearning-basedcontrol with a compact, single-stage power conversion structure providesareliable,efficient,andscalablesolutionforsmart grid-connectedrenewableenergysystems.
[1]Z.Liang,R.Guo,J.Li,andA.Q.Huang,‘‘Ahigh-efficiency PV module integrated DC/DC converter for PV energy harvestinFREEDMsystems,’’IEEETrans.PowerElectron., vol.26,no.3,pp.897–909,Mar.2011.
[2] Z. Li, K. W. Chan, J. Hu, and J. M. Guerrero, ‘‘Adaptive droop control using adaptive virtual impedance for microgrids with variable PV outputs and load demands,’’ IEEE Trans. Ind. Electron., vol. 68, no. 10, pp. 9630–9640, Oct.2021.
[3]S.K.Bhuyan,P.K.Hota,B.Panda:PowerQualityAnalysis ofaGrid-ConnectedSolar/Wind/HydrogenEnergyHybrid Generation System. Int J Power Electron Drive Syst,9(1)(2018),pp.377-389.
[4] M. Sechilariu, B. Wang, and F. Locment, ‘‘Building integrated photovoltaic system with energy storage and smartgridcommunication,’’IEEETrans.Ind.Electron.,vol. 60,no.4,pp.1607–1618,Apr.2013.
[5]Y.ToghaniHolari,S.A.Taher,andM.Mehrasa,‘‘Power manage ment using robust control strategy in hybrid microgridforbothgridconnectedandislandingmodes,’’J. EnergyStorage,vol.39,Jul.2021.
[6]M.Mokhtar,M.I.Marei,andA.A.El-Sattar,‘‘Anadaptive droopcontrolschemeforDCmicrogridsintegratingsliding modevoltageandcurrentcontrolledboostconverters,’’IEEE Trans.SmartGrid,vol.10,no.2,pp.1685–1693,Mar.2019.
[7] W. Liang, Y. Liu, and Y. Shen, ‘‘Active power control integrated with reactive power compensation of battery energy stored quasi-Z source inverter PV power system operating in VSG mode,’’ IEEE J. Emerg. Sel. Topics Power Electron.,earlyaccess,Dec.22,2021.
[8] M.V.Manoj Kumar,M.K.Mishra,and C.Kumar: A gridconnecteddualvoltagesourceinverterwithpowerquality improvement features. IEEE Trans Sustainable Energy,6(2)(2015),pp.482-490.