Sven-Bertil Kronkvist








Obs! Experimentkopplingarna och de efterföljande mätövningarna har placerats i anslutning till "Hur man kopplar och mäter " för att visa läsaren sambandet mellan dessa avsnitt. Sidnumren indikerar var i boken de finns.













































































































































![]()








Obs! Experimentkopplingarna och de efterföljande mätövningarna har placerats i anslutning till "Hur man kopplar och mäter " för att visa läsaren sambandet mellan dessa avsnitt. Sidnumren indikerar var i boken de finns.













































































































































Grunder och avancerat
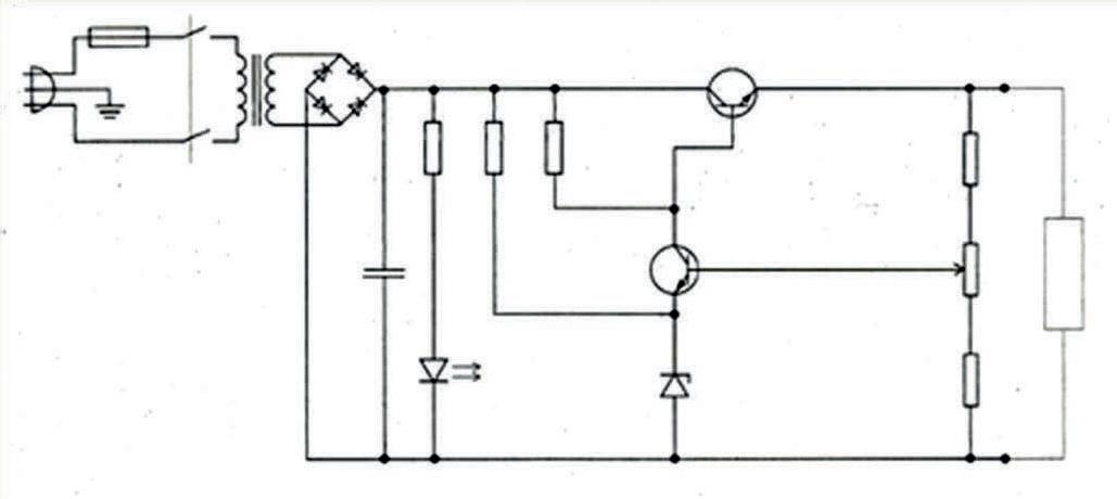
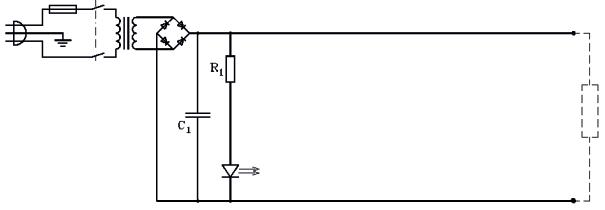
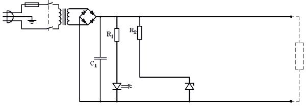
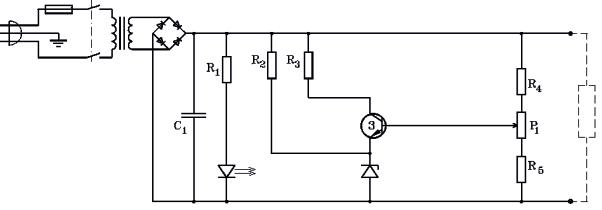
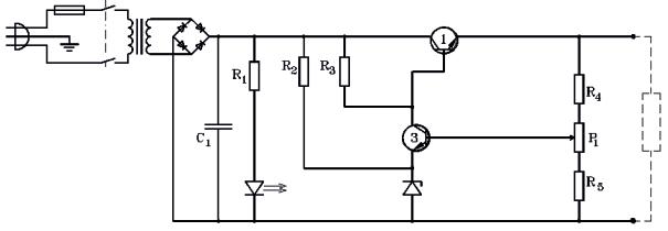
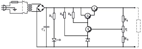
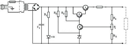
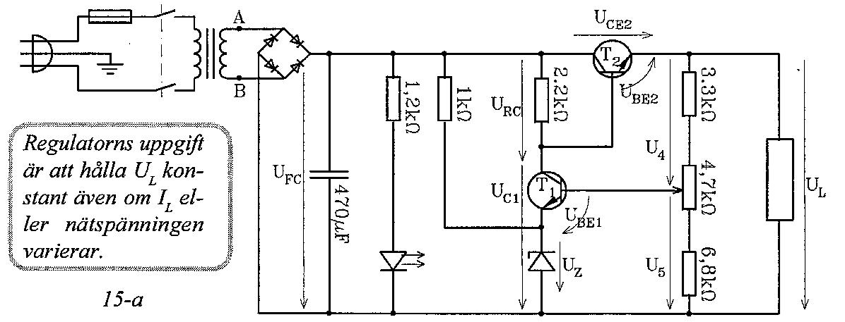
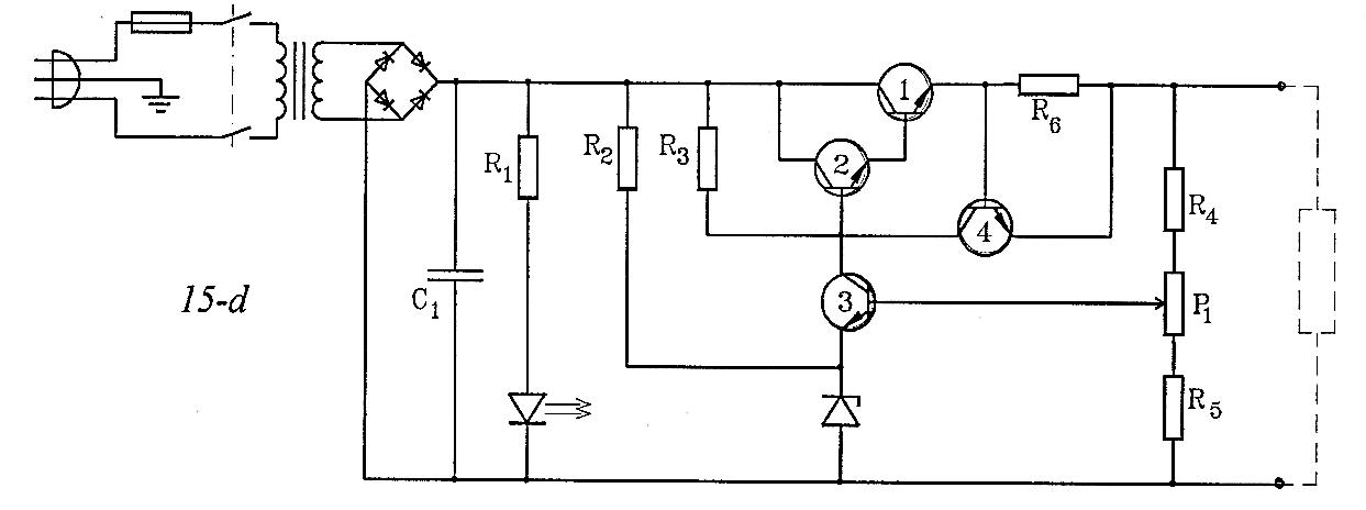
Gemensamt för all elektronisk utrustning är att den måste försörjas med likspänning och likström. Detta görs på olika sätt beroende på vad det är för sorts elektronikutrustning.
Ett bra sätt att börja elektronikstudier är
därför att lära sig hur detta går till och om de komponenter som ingår i strömförsörjningskretsar.
När detta är klart följer en introduktion i förstärkarteknik, samt mät- och automationselektronik.
Ellära tillsammans med mätteknik är grunden för elektronik. Därför börjar den här boken med en uppdatering av kunskaper i dessa ämnen.
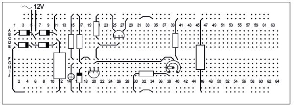
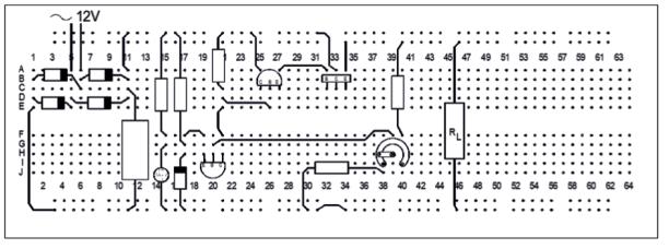
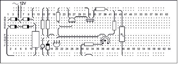
Det fungerar att enbart läsa teoriavsnitten, men det är både roligt och givande ur inlärningssynpunkt att koppla och mäta på de kretsar som presenteras. För detta används ett kopplingsdäck för lödfria för-bindelser och standardkomponenter. www.revma.se ISBN 978-91-7773-552-6