
















































STEERING & SUSPENSION

![]()





















































It’s no wonder that our MEYLE steering and suspension parts are groundbreaking, as our development process incorporates both extensive expert knowledge and decades of experience, resulting in innovative solutions that speak for themselves.




LEARN MORE
Since we wrapped up our last edition, I’ve been meeting more of the aftermarket community, both in person and virtually.
One standout opportunity was the chance to join Laser Tools’ 50th anniversary celebration, which took place late in March.
It was an excellent day, and chatting with the team about how tools are evolving to meet the ever-growing complexity of today’s vehicles brought me back to my younger days as an enthusiastic but very much amateur mechanic working on my own vehicles.
The trigger was seeing the Gunson Colortune in the company’s display suite (Gunson became part of Laser Tools’ parent company, Tool Connection, around 20 years ago). It’s a fantastically simple tool, but at the time, it was invaluable for adjusting the fuel mixture in carburettor-fuelled engines.
It is still available today, but, of course, now most vehicles require a
far more sophisticated approach to achieve similar results. And Laser Tools has had to keep up with this evolution, something it has done well, remaining a successful business for five decades.
On pages 10 and 11 in this issue, I report on the anniversary and a conversation I had with the company’s Technical Director about how Laser has maintained its success throughout the period, keeping up with the everchanging demands of the vehicle parc and those maintaining it.
Another highlight of the last few weeks was a conversation with Barry Lawson of Lawson Autotech. Barry’s business has gone from treading water just a few years ago to significant growth, winning a Top Garage award, and even launching an event to bring together aftermarket businesses in his native Scotland and the north of England. It’s a fascinating story and an inspiration to other independent garages looking to kick-start their growth, which you will find on pages 16 and 17.
Looking ahead, this issue also
Editor
Chris Callander
chris@aftermarket.co.uk
+44 (0) 1732 671123
Head of Sales
Angela Lyus
angela@aftermarket.co.uk
+44 (0) 7823 736 629
Managing Director
Ryan Fuller
ryan.fuller@dfamedia.co.uk
Marketing Manager
Hope Jepson
hope.jepson@dfamedia.co.uk
Production Design
Anthony Wi en
production@aftermarket.co.uk
+44 (0) 7851 612799
Finance Department
accounts@dfamedia.co.uk
+44 (0) 1732 370 340




includes a preview of the upcoming UK Garage & Bodyshop Event, which starts on page 24. This promises to be a great opportunity for the aftermarket sector to come together and see what’s new, and in our preview, we also outline a selection of the highlights to be found on the exhibition floor. And, of course, the Aftermarket team will be there, on stand K58, and I’ll be touring the exhibits. If you’d like to meet up over the two days, please get in touch via chris@aftermarket.co.uk.

That’s just a taster of what we have in the following pages; there’s plenty more news, views and technical features. I hope you enjoy the issue.
Chris Callander Editor
Published by DFA Media Group
192 High Street Tonbridge Kent TN9 1BE
+44 (0)1732 370340


ISSN 2516-9149
Aftermarket is published 10 times a year and is sent free of charge to applicants meeting the publisher’s criteria. All others may subscribe at £60 per anum, £120 Europe and £150 rest of the world. While every care is taken to provide accurate information, the publisher cannot accept responsibility for any errors or ommisions, no matter how caused. All rights reserved. No part of the publication may be reproduced or transmitted in any form or by any means without prior consent of the publisher. The views of contributors do not necessarily represent the views of the publisher.









BookMyGarage has published its first industry report, drawing on its own platform data alongside garage market insights to provide a data-led view of how UK motorists are booking MOTs, servicing and repairs and what this means for garages.
The BookMyGarage 2025 Aftermarket Insights Industry Report combines data from millions of real booking interactions with surveys of garage owners and motorists, delivering a snapshot of trends and changing consumer behaviour as well as workshop demand across the UK aftermarket.
Alongside its demonstration of the £134m worth of work generated for garage partners by the platform, the report highlighted several interesting findings.
On the topic of MOT pricing, 62% of garage owners who responded said they
wanted to see an increase in the cost of an MOT, with over two-thirds favouring a price between £55 and £65.
While 64% of the drivers surveyed had not used a mobile mechanic before, 68% said they would consider it in the future.
The analysis of pricing also highlighted some interesting trends. While some standard repairs, such as clutch and brake replacements, saw their average costs rise in line with inflation over the last 12 month, there were some which were lower than last year.
Other areas covered by the report include trends in the age and types of vehicles booked on the platform, and the business outlook and challenges of its garage partners. The status of EV bookings and garage capacity to take on this work is also covered, as is the platform’s users’ search patterns, which show, for example, that drivers are

increasingly prioritising convenience with ‘distance’ being the primary motivator for drivers searching on the platform rather than price.

the platform rather than price.

Commenting on the launch of the report, Karen Rotberg, Co Founder of BookMyGarage, said. “This report marks an important milestone for us. For the first time, we’re sharing our platform data and garage market insight to help the industry better understand how driver behaviour is evolving - and where the real opportunities lie for garages.”
The full report is available to view and download at bookmygarage.com/forgarages/industry-report/
At its annual Autocentre of the Year awards, held on 26 March at the Concorde Centre in Manchester, Servicesure recognised the UK’s highest-performing independent garages, with Liverpool-based Ashwell Motors named Best Overall Garage.
The awards underline the continued evolution of the independent sector, as garages invest in new technologies, expand fleet relationships and raise operational standards to meet changing vehicle parc demands.
The 2026 Customer Service Award

went to EAC Telford, as did the EV Garage of the Year award. The Fleet
Compressed air solutions specialist Champion is heading on tour, with a roadshow that will bring its compressors direct to customers across the UK and Northern Ireland, as well as the Republic of Ireland, France, Belgium and the Netherlands.
Customers can request a visit from a purpose-built vehicle carrying the
company’s equipment anytime between March and August 2026.
The vehicle will include the Champion FM11, which the company says is one of the most compact compressors on the market, with low noise levels, allowing installation at the point of use. Also demonstrated will be the small and compact Hydrovane HV01 compressor,
Garage of the Year was Magnet Autos , and Supplier of the Year was awarded to YUASA.
The Regional Garage of the Year winners were: North West: Ashwell Motors, North East: Charlie Taylor Garage Services, Midlands: Elite Vehicle Repairs, South West: Cleevely Electric Vehicles, South East: Swanley Garage Services, Scotland: Balmoral and Crown, and Wales: GP Motors.
All regional winners were considered for the overall title, with Ashwell Motors selected as Best Overall Garage.

which is suited to light industrial and workshop applications where the compressed air outlet needs to be situated close to the application.

Tickets for the conference and networking event for independent garage owners, The Blend 2026, are now on sale, with early bird tickets available at a reduced rate until the end of May.
The event will take place at the Eastside Rooms in Birmingham on Saturday, 10 October 2026, building on the momentum of last year’s conference, which welcomed more than 500 delegates.
The event’s organisers are promising an even more ambitious event for 2026, with a multi-track conference programme running alongside a busy exhibition of leading trade suppliers. Designed to give garage owners greater flexibility, the schedule will include a range of breakout sessions, allowing attendees to focus on the areas most relevant to their businesses.
Open to all independent garages, the event’s focus remains firmly on peer-led learning, with real-world insights from garages that are actively improving e ciency, strengthening customer relationships, and adapting to new technologies.
The daytime conference will lead into the evening awards dinner, a highlight of the event calendar. The evening includes a three-course meal, The Blend Awards, and a charity auction in support of Ben. The 2025 event raised more than £44,000 for the automotive industry charity, with organisers aiming to build on that total this year.
Hosting the evening will be Rory Sutherland, the behavioural science and marketing expert known for his work on consumer psychology. His insights are expected to o er valuable perspective for garages looking to enhance customer experience, perceived value, and profitability.
Tickets are currently available at www.theblend.events/ tickets for an early bird rate of £150 + VAT for the conference and evening event. All surplus proceeds are donated to Ben to support its work across the automotive industry.

















Unless you have been living under a rock, you will be well aware that the new SERMI scheme has officially gone live in the UK, something Aftermarket reported online (tinyurl.com/344jehw6) on 1 April, as it came into play.
While the scheme had the backing of 22 manufacturers on the go-live date, we noted at the time that some brands were not supporting it, notably Volkswagen Group brands.
Having been in touch exclusively with a representative of the Volkswagen Group in the UK, Aftermarket can reveal that there are currently no plans for the group’s brands to join the scheme.
A spokesperson for the Volkswagen Group told Aftermarket magazine: “We would like to clarify that the introduction of SERMI in the UK is not mandatory for either vehicle manufacturers (OEMs)

or independent operators. As SERMI’s launch in the UK is on a voluntary basis, it does not fall under any UK legislative framework.
“Volkswagen Group brands already operate a well-established, accessible and comprehensive process for qualifying operators and technicians to obtain the security-related information they require to carry out their business
Jayar Car Parts has confirmed its acquisition of Independent Motor Factors (IMF) – increasing its branch network to 70 and becoming one of the largest independent motor factors in England.
Having already held a share in IMF both parties have agreed to a complete takeover. Initially, IMF will continue to operate as usual as a subsidiary of Jayar, maintaining all existing staff, supplier relationships and day-to-day operations. Jayar’s long-term strategy
for the IMF brand and its 22 branches will be shared in due course.
Jayar says its immediate priority is to retain and support all IMF staff, with teams within both companies integral to future success.
Jayar Car Parts General Manager, Tom Curtis, said: “The acquisition of IMF marks a significant milestone in Jayar’s proud 50-year history. It also highlights our ambition to grow as a business, strengthen our presence across England, and provide even greater
The automotive industry charity Ben has announced that bookings are now open for Ben Ball 2026, its flagship event, proudly supported by its headline sponsor, Autotrader.
On Tuesday, 15 December, Ben Ball is returning to London for another extraordinary night of connection and celebration, where over 600 people will gather at the iconic London Hilton on Park Lane for one of the most
anticipated nights in the automotive industry calendar. In the heart of the capital, Ben Ball 2026 promises to be an unforgettable experience, bringing the automotive community together.
New table packages and exclusive sponsorship opportunities provide businesses with the chance to host valued clients, reward their teams, and showcase their brand to influential industry leaders.
activities. At this time, Volkswagen Group brands have no plans to change the mechanism through which independent operators access this information.
“Accordingly, SERMI accreditation will not replace or alter the existing access rights held by current users.”
Key to this statement is that it reflects the Volkswagen Group’s position “at this time”, so there is scope for this decision to be reviewed. Indeed, there have been calls from within the industry for SERMI to be made mandatory, as it is in the EU, which would force the Group to change its position.
Of course, not all independent garages need to sign up to SERMI, notably those that are not involved in the repair of security-related systems. But those that do, and work exclusively with Volkswagen Group brands, will not need to make any changes – for the time being.

support to our customers and suppliers.
“Retaining and investing in the talented teams at IMF is a priority, and we look forward to combining our expertise so we can continue to deliver the quality service our customers are accustomed to.”
And every sponsorship package, ticket or table sold helps fund Ben’s work. The need for Ben’s health and wellbeing support has never been greater, and events like Ben Ball play a critical role in ensuring no one in the industry who is struggling or in crisis faces this alone.
To book or find out more about sponsorship opportunities, visit: www.ben.org.uk/benball.
There’s still time to submit entries for the five categories that make up the Top Awards: Top Technician, Top Garage, Top Apprentice, Top Service Advisor, and the Ben Workplace & Wellbeing Award. But be quick, as the 15 May deadline is fast approaching.
The 2026 edition once again benefits from the support of its headline sponsors. Snapon, Varta, Delphi, JLM Liquid Tools, and GarageHive all return following last year’s programme, underlining their continued commitment to the sector. They are joined by Topdon UK, which comes on board as a headline sponsor for the first time.
Importantly, the value of taking part in the Top Awards extends well beyond the winners’ podium. Hundreds of entrants every year use the process as a benchmark for improvement, building confidence and supporting career progression. For those who reach the finals, the recognition, connections and opportunities that follow can prove transformative.
If doing the job properly matters to you, and recognition for that effort is important, the Top Awards are for you.
And don‘t put off entering because you mistakenly think you’re not good enough, because the only way you’ll find out is if you try. And once you have a go, as even if you don’t win, the structured, multi-stage format provides a valuable audit of both technical ability and business performance, offering you a clear view
of where you stand and how you can improve.
Troy Smith, 2025 Top Apprentice finalist, admitted he originally didn’t expect to go far but urged peers to take the leap: “It’s been a good challenge. You’ve got people around you who are really experienced, and all the judges are not there to scare you at all. They’re there to help you through it... it’s definitely worth doing, 100%.”
Semi-finalists in the Top Garage and Top Apprentice categories will complete online assessments between
19 June and 4 August, while the UK’s top ten technicians will gather at Delphi Academy in Warwick on 3 October for an in-person assessment featuring ten 20-minute live fault-finding tasks.
The competition culminates on Saturday 14 November at Delphi Academy, where finalists will take on their ultimate practical and business challenges in a bid for the title.
To enter, or to encourage an outstanding technician or apprentice, visit: aftermarketonline.net/ competition/

With Laser Tools recently celebrating its 50th anniversary, Aftermarket’s Editor, Chris Callander, spoke with the company’s Technical Director, Mark Softley, about how the world of automotive tools has changed in the years since the company was formed.
As part of celebrations to mark its 50th anniversary, Laser Tools has launched Future 50, an initiative designed to support aspiring young mechanics in their first steps into the automotive aftermarket, and has also introduced 50 new specialedition tools.
Future 50 o ers garages the opportunity to nominate their existing apprentices for the new initiative.
The chosen Future 50 each receive a Laser Tools Apprentice Tool Kit, complete with a range of high-quality products, and have the chance to win one of three pairs of VIP racing tickets to a British Touring Car Championship race at Brands Hatch on 11th October, with advice, training and accreditation opportunities also to be announced.
The 50 new tools, each complete with a 50-year warranty, were unveiled during a special episode of the ‘Laser Live’ videocast broadcast on Laser Tools’ dedicated YouTube channel in March this year, and are featured in a special edition of Tool Saver, Laser Tools’ dedicated parts catalogue.
Laser Tools started as a business in 1976, when its founder, the late Martin Smith, began selling automotive tools from a market stall in Leamington. From those humble origins, it has grown to become one of the most respected brands in the automotive sector.
Over the past five decades, cars, and in turn the tools needed to maintain them, have become increasingly complex. So I spoke to Mark Softley, Technical Director at Laser Tools, to find out in more depth how the landscape has changed in terms
Keeping up has never been simple
of the tools technicians need and their expectations of tool manufacturers.
Chris Callander: Mark, how has the role of specialist tools evolved over the past 50 years as vehicle technology has become more complex?
Mark Softly: Fifty years ago, cars like the Ford Escort ruled our city, and you didn’t need any special tools to work on them. Today, almost every make and even individual models require special service tools (SSTs). Around that time, we also started to see some vehicles using special fixings like Torx-headed bolts and screws, and now they are everywhere. Then, as engines became more advanced and emissions rules tightened, timing jobs went from ‘line up the marks and pop a pin in’ to using digital gauges to measure exact angles. Developments in every area of the vehicle have led to ever-increasing numbers of SSTs being required.
Chris: So, looking back over the past five decades, what would you say have been the most significant turning points in the automotive aftermarket?
Mark: At Laser Tools, we focus primarily on the mechanical aspects of the vehicle. While automotive electronics have advanced at an extraordinary pace, especially considering that fifty years ago most cars had virtually none, the mechanical side has had to evolve alongside them. In fact, many electronic innovations have directly reshaped mechanical design. Closedloop fuel injection, OBD-II, ABS, ADAS and electrification are all milestones that have had a knock-on e ect on the mechanical side of the vehicle as a whole. New tooling is required, from a special screwdriver to adjust a camera angle to electronically-defined engine timing kits and ADAS targets, etc.
Keeping up has never been simple, and

for Laser Tools, it’s an ongoing mission. Electric vehicles (EVs) aren’t the end of the story; they’re just the next chapter in how vehicles keep changing.
Chris: And how are these developments shaping the types of tools workshops now require?
Mark: Even with electrification, cars haven’t stopped needing mechanical systems. EVs still have brakes, suspension, and all the usual chassis components, etc. Electronics need sensors or cameras to feed back data, and those sensors need to be set up and even adjusted. That’s where tools, and often SSTs, come in.
Chris: Alongside the evolution of vehicles, how have the needs and expectations of independent workshops changed over time when it comes to tools and equipment?
Mark: Independents really don’t have it easy. They are almost always the last to learn about new systems, procedures, and protocols, and OEMs often share far less information than they should. A new camshaft design, such as COD, can require an entirely new process or methodology, yet independents often only discover this when the vehicle is already on the ramp for service or repair. They will then come to us asking, ‘Do you
make a tool for this?’ followed quickly by, ‘And how do we use it?’.
These questions spark our research and lead to solutions that benefit everyone. Independents rely on us to know what tools they need and how those tools should be used. Fifty years ago, the expectation was very different: Independents already knew what they needed and how to do the job, because the systems and processes had barely changed in decades.
Chris: What do today’s technicians value most in a tool, and how has this shifted compared with previous generations?
Mark: Time is money, so saving time ultimately saves money. When we develop a solution that significantly reduces labour time but comes at a higher cost, customers have to weigh the cost–benefit ratio. If the time saved justifies the investment, then it is a nobrainer.
Quality and ease of use also matter. Fifty years ago, there were fewer choices; today, the options are vast. OEM tools are expensive, and our customers want SSTs that perform the job effectively but at a lower price. That means we must design cost effective solutions that still deliver reliable performance. Cost is always a consideration. You may find

tools elsewhere that look similar for less, but cheaper tools often lack the quality required. Quality does cost more. It’s worth remembering that if a tool fails, you lose not only the money you spent on it but also valuable time, and most of our customers understand that well.
Chris: How do you see the growth of EVs changing tooling requirements and workshop competencies?
Mark: The tool bag will not get smaller, but it is changing. While the internal combustion engine may gradually fade from the mainstream, it is being replaced by new systems that still require maintenance and occasional repair. Even
though the average EV needs far less routine servicing, it is not maintenance free. Anything with moving parts will experience wear over time.
Another key driver of demand is health and safety. Increasingly, we’re being asked to supply tools that are directly or indirectly led by safety concerns.
At its core, our role hasn’t changed: we provide the tools needed to get the job done. As the industry evolves, we may need to broaden our portfolio and step into areas we may have previously overlooked, but the fundamental purpose remains the same.
lasertools.co.uk

BookMyGarage, the online comparison site for MOTs, servicing and repairs, explained to Aftermarket magazine how it is using its technology to help the Baylis Group support its customers in the e cient and dedicated management of recalls.
Baylis Group wanted to minimise the impact on its customers and employees and ease the impact on call centres when a recall is announced. The company also wanted to give customers the option of a one-stop-shop, adding items like MOT or servicing at preferential rates. So, it turned to BookMyGarage for a solution.
A customised version of BookMyGarage’s technology enables a ected customers to self-serve and book recall appointments 24/7, with slots reserved exclusively for recalled vehicles, whilst also allowing them to book an annual service, MOT, or repair at the same time for added convenience.
Giving users interactive customer support, an AI-powered avatar interactively answers safety-related questions instantly, reducing call volumes and freeing up dealership sta . This integrated approach is designed to deliver a seamless, e cient experience for both customers and dealerships by combining BookMyGarage’s platform with the latest AI capabilities.
Baylis Group operates across Gloucestershire, Herefordshire, Worcestershire and South Wales. The new system has been designed to ensure motorists can quickly secure appointments and receive reassurance, reducing any anxiety.
The solution has been designed for scalability, allowing BookMyGarage to support other dealer groups facing similar challenges. Beyond operational e ciency, the engaging digital experience helps strengthen long-term customer relationships.

Jessica Ruddick, Chief Marketing O cer at BookMyGarage, commented: “We’re delighted to partner with Baylis Group on this critical initiative. Our technology is already widely used across the industry and adapting it for recall management has been a natural step. Safety recalls can be a stressful time for many drivers, and we’re proud to help ease that pressure while supporting dealerships with a cost-e ective, customer-focused solution.”
Baylis Group Director Julian Bawdon added: “In anticipation of motorists in our
We can put motorists’ minds at rest and free up our employees’ time
areas receiving recall letters, we wanted to ensure we are best placed to deliver the most expedient service possible. By working with BookMyGarage to set up a dedicated website with online bookings direct into our workshops’ diaries, we can put motorists’ minds at rest and free up our employees’ time to ensure the day-to-day running of our aftersales departments continues to run smoothly. We have received over 1,000 bookings since launching just over a month ago, so the online booking solution has helped hugely in managing this process. It was a natural choice to team up with BookMyGarage since the company delivers a perfect combination of digital and aftermarket expertise.”
BookMyGarage is ready to roll out this recall booking solution to other dealer partners nationwide.
bookmygarage.com




Following the recent increases in energy network costs, Ofgen’s Jemma Baker outlines some of the things to consider if your energy contract is due to be renewed.
The price you pay for energy for your business can vary across suppliers and the type and size of your business, but covers a range of costs, including the wholesale energy cost (the cost to buy energy), network costs (the infrastructure to transport energy), and environmental costs (government decarbonisation schemes). Typically, wholesale costs are about 40% of your electricity bill and 60% of your gas bill, but exact percentages vary.
In April 2025, network costs increased to upgrade energy infrastructure. Wholesale energy costs are volatile and will continue to be a ected by the situation in the Middle East.
Our understanding is that the majority of businesses are not currently exposed to immediate price increases, as contract lengths are starting to return to 3 to 5 years in length.
However, if your fixed price contract is coming to an end, you will need to
negotiate a new contract with your supplier.
If your current contract is coming to an end, talk to your supplier about what options are available. If you have an energy broker, they can do this for you.
Ask suppliers what contracts are available and consider both short and long-term options. It may be better for you to temporarily stay on deemed or out of contract rates if the current longerterm contract o ers are high.
There are several things to be aware of, though. When considering your contract options, you should be aware that suppliers may require security deposits due to the higher risk of businesses defaulting on payments. Also, energy suppliers are not obliged to o er businesses a contract, and o ers may be harder to find. You certainly shouldn’t feel pressured into signing a contract, and there is no cooling-o period, so do check the terms and fees beforehand. Plus, if you discuss a contract over the phone, you should ask for it in writing before agreeing to it.
Your supplier must treat you fairly and bill you accurately based on your meter readings. To ensure you are only paying
for what you use, submit regular meter readings or get a smart meter. It is also important that you keep your contact details up to date so that you receive your bills.
If you are having problems managing your bill, you should talk to your supplier or your energy broker. Your supplier can also o er you advice on reducing your bill.
Managing energy for your business is just one of many competing demands. There is support available to help you, though. You can contact reputable energy brokers who can talk to suppliers for you, or trade bodies, consumer groups and charities who can o er detailed advice and support, and the Energy Ombudsman for small businesses can help if you get into a dispute with your supplier and you cannot resolve your complaint. If your dispute is with your energy broker, they will provide details of their redress scheme provider to contact.
Finally, you could be eligible for financial assistance or schemes that help you reduce energy costs, and a good place to start your search would be tinyurl.com/4ce6 p7.
tinyurl.com/2vjkpyzt
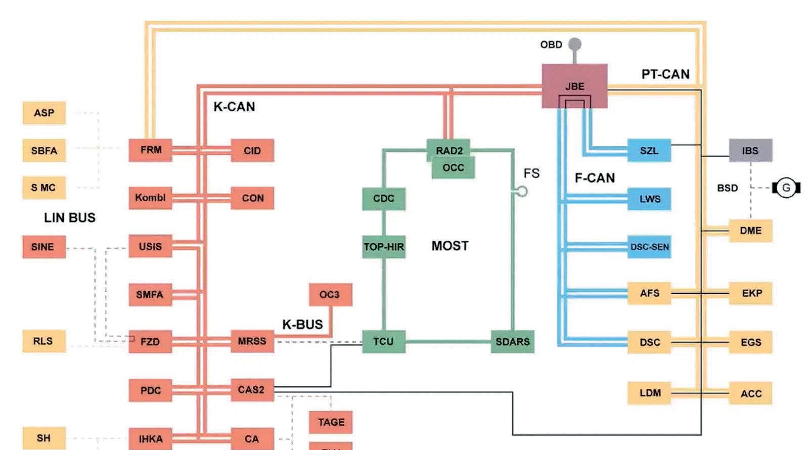
CAN Bus can be tricky to diagnose, but by following five steps, you can make the process much easier, as Darren Quinn, from Mechanic Mindset, explains.
When diagnosing a CAN Bus issue, it’s important to cover the basics; a ‘complex’ issue causing various problems with wipers, speed indicators, and warning lights could be caused by a simple blown 5-amp ABS fuse. Hence, in CAN bus diagnostics, starting with the basics and systematically eliminating common issues is an essential approach to problem-solving.
To effectively diagnose CAN Bus issues, you need to understand your vehicle’s network topology. Understanding this is like knowing the road map of your car’s communication system. Your car’s different parts, like the engine, transmission, and even the wipers, need to talk to each other, just like friends using different languages. These friends communicate through a special box in your car called the ‘gateway’.
When you know this network map, you can perform ‘function tests’ to check if
everything is working as it should. For example, think about your car’s speed. This information needs to travel from the wheel speed sensor to ABS, then to various parts like the speedo, radio, the wipers, and more. The gateway helps translate this information into a language that each network understands.
Sometimes, a test as simple as activating the turn signal indicator can feedback whether the CAN bus networks are communicating. The turn signal switch sends a message on the CAN bus, which is shared with all networks via the gateway. The body control module receives this message and activates the exterior lights. The instrument cluster receives this message and displays the green indicator light.
Understanding the network map helps you know where to look and what to test.
Performing a full OBD (On-Board Diagnostics) scan is a crucial step in. It can help identify if there are any network problems. If your scan tool can

communicate with various modules, it’s a good sign that the CAN network is functioning properly. However, if modules are missing or not responding, it might be an indication of a CAN Bus needing further investigation.
Understanding your vehicle’s network topology and how it connects through the OBD connector is essential. Some vehicles have all CAN networks ending at the OBD plug, which can be handy for testing. But in some cases, only one network is available through the OBD plug. If you can communicate with all modules via the OBD, it suggests the network connected to the OBD plug is likely in good shape.
When modules are missing or not responding, it’s crucial to check power supplies, grounds, and fuses before diving into more complex CAN Bus network troubleshooting. This step helps rule out common electrical issues that might affect the network’s operation.
Before reaching for the oscilloscope, use a multimeter to perform some initial checks.
Important multimeter checks include:
l Resistance check: With the battery disconnected, measure the resistance between the CAN High and CAN Low wires. The goal is to find a total resistance of 60 ohms. This doesn’t give you the complete picture of the network’s health, it’s more like checking the two ends of a bridge to make sure they’re connected.
l Continuity check: This means ensuring that there’s a good electrical path between points. You can check for continuity between ground, power supply, or even between the two wires in the CAN Bus network.
l Voltage check: For a high-speed CAN
network, you’d typically see around 2.6V on CAN high and about 2.4V on CAN low with the ignition switched on. However, these values may vary depending on the number of modules and network activity. If the voltages on both CAN high and CAN low are the same, it could indicate a short circuit (which should have been confirmed by your resistance check). If both voltages are at 0V, it might suggest a short to ground. If the voltages don’t look right, you could be dealing with an open circuit or a resistive short circuit.
By using the multimeter for these checks, you can quickly identify basic issues such as open circuits, shorts, or abnormal resistances.
Oscilloscope diagnosis
When you’ve confirmed a network issue and the basics are covered, it’s time to bring out the oscilloscope. An oscilloscope provides a more in-depth analysis of the CAN Bus signals. Here’s what it helps you achieve:
● Visualising CAN Bus signals: CAN Bus communication involves electrical signals transmitted as voltage levels on the CAN high and CAN low wires. An oscilloscope allows you to visually represent these voltage signals over time, which provides a clear and detailed view of how data is being transmitted and received on the network.
● Identification of faults: An oscilloscope can help you spot anomalies in the CAN Bus signals. It can reveal issues like short circuits, open circuits, voltage spikes, or noise in the network. By examining the waveform, you can identify irregularities which are essential for troubleshooting network issues.
● Detection of intermittent faults: Many CAN Bus problems are intermittent, occurring sporadically. The oscilloscope is invaluable for spotting these and helping to pinpoint the root causes.
● Resistive fault detection: Sometimes, issues are related to resistive faults, such as high resistance in connectors or wires. An oscilloscope

Understanding the network map is essential for CAN bus diagnostics.
Always start by checking the basics
can reveal voltage drops or fluctuations that may indicate resistive problems in the network.
● Di erentiating high-speed and lowspeed networks: CAN Bus networks can operate at di erent speeds. An oscilloscope enables you to distinguish between high-speed and low-speed networks by analysing the waveform characteristics. This information is vital for diagnosing the correct part of the network.
An oscilloscope is a powerful diagnostic tool for CAN Bus issues, o ering real-time visibility into the network’s electrical signals. It helps you identify problems, locate faults, and ensure that the CAN Bus communication adheres to the required standards.
Find and isolate CAN Bus faults Diagnosing a network issue is a process of elimination. Start by revisiting any available evidence, such as previous repair history, accident damage, or other work on the vehicle. This information can provide valuable clues for where to begin the diagnosis. If no specific leads are available, you may
have to methodically test the network from one end of the car to the other, prioritising the easiest access points. The first step in the diagnostic process is to individually disconnect modules from the CAN bus network. This straightforward procedure can help identify if a specific module is responsible for the issue. It’s a relatively simple test, though some modules might be challenging to access. If the problem persists even after disconnecting modules, it indicates a problem with the wiring. The next step involves locating connectors in the wiring loom, ideally a midpoint in the network, and disconnecting them to determine if the fault lies on one side of the car or the other. In cases where there aren’t any connectors, you might need to trace, cut, and repair wires. Some vehicles use splice points and non-standard joints that can be challenging to locate, so having the workshop data and wiring diagrams available is very important.
Sometimes the most complex issues have surprisingly simple solutions. Always start by checking the basics, like fuses and connectors, as these can often be the source of CAN Bus problems. And don’t forget to document your findings, as this can help you track down and resolve issues more e ciently. www.mechanicmindset.com
In this month’s Garage Focus, Chris Callander spoke with Barry Lawson of Lawson Autotech about how his business went from “plodding along” to claiming a Top Garage accolade and then inspiring others to follow suit.
All across the UK, there are garages with an incredibly similar story. Technically, they are very capable and working extremely hard, but they are simply not moving forward in the way they would like.
That was certainly the case for Lawson Autotech, based in the Scottish town of Larbert.
When I caught up with Barry Lawson, he was refreshingly open about the journey the business has been on. It is a story that begins not with rapid growth or a clear strategy, but with a long period of simply keeping things going.
Lawson Autotech was established in 1983 by Barry’s father. By the time Barry joined in 2001, it was a wellestablished local garage, but like many similar businesses, it was operating on experience and routine rather than any defined plan.
For years, the business “plodded along”, as Barry put it. There had once been a larger team, but over time, numbers had reduced, and by the time Barry began to take a more active role, it had effectively become a two-man operation again.
Looking back, he admits that period was characterised by a lack of direction.
“There was no real vision,” Barry said. “We were doing a good job for customers, but we weren’t really moving forward.”
The turning point was not a single dramatic event, but a gradual realisation that something was not right.
Barry describes a moment familiar to many garage owners: working long hours, putting everything into the business, and then looking at what was left at the end

of the year.
“It was a wake-up call,” he explained. “We were working flat out, but what we had left to share between us just didn’t reflect the effort going in.”
The value of talking to others
A key shift came in 2018, when the business joined the DPF Network, a national network of independent DPF specialists.
That decision exposed Barry to a much wider peer group, and, crucially, to businesses that were achieving far more.
“It was an eye-opener,” he added. “You start speaking to other garages across the UK, and you realise what’s actually possible.”
This is a point Barry returned to repeatedly. For him, one of the biggest barriers in the independent sector is not technical capability, but isolation.
Many owners simply do not talk to others in the trade in any meaningful way. And when they do, they do not always act
on what they hear.
“There’s a difference between asking for advice and just moaning about a problem,” he continued. “If you’re going to ask, you’ve got to be prepared to listen, and then actually do something as a result.”
That willingness to listen and, if needed, accept some uncomfortable truths became a defining feature of Lawson Autotech’s transformation.
The next step in the journey came in 2019, when Barry attended the Top Garage Awards for the first time.
Initially, it was simply a day out with others from the DPF Network. But the experience had a lasting impact.
Hearing the stories of other finalists and seeing what high-performing garages looked like in practice provided a clearer benchmark.
“It gave me something to aim for,” Barry said. “You look at it and think, if
they can do it, why can’t we?”
From that point, the awards became more than just an event. It became a target.
What followed was not an overnight transformation, but a structured effort to improve; entering the competition, falling short, learning from the experience, and going again.
Barry used each attempt as a learning exercise, identifying weaknesses and gradually implementing improvements. And it worked when, at the third attempt, Lawson Autotech came out on top as the winner of the 7-9 employee category at the 2025 Top Garage Awards.
the foundations for growth
A significant part of the business’s improvement came down to structure and recognising personal limitations.
Barry is candid about the fact that one of the biggest changes had to happen in himself.
“You’ve got to admit where you’re weak,” he explained. “Then either learn how to improve, or bring in people who are strong in those areas.”
That thinking led to Laura Guild joining the business in 2020. With experience from managing larger teams, Laura introduced processes and operational discipline that had previously been lacking. And, over time, that allowed the business to grow from two people to a team of ten.
Of course, with growth came

new challenges. Managing people, maintaining standards and ensuring consistency required a different approach.
This is where standard operating procedures (SOPs) became critical.
“When you’re small, you think you can just tell people what to do,” Barry admitted. “But as you grow, that doesn’t work. It has to be written down. It has to be consistent.”
For many garage owners, this is a key barrier to growth. What works for a twoor three-person operation does not scale. Without clear processes, growth quickly creates confusion.
One of the most interesting developments since then has been Barry’s decision to give something back to the sector that helped shape his own journey.
Earlier in 2025, Lawson Autotech

launched its own industry event, the Thistle Auto Revival conference.
The idea is simple: bring garage owners together, create a space for open discussion, and share practical experiences that others can learn from. The first event attracted over 100 attendees, with a strong mix of Scottish and English businesses making the trip.
For Barry, it represents something of a full-circle moment. Having once been inspired by conversations at industry events, he is now creating those opportunities for others.
“It’s about showing people that they’re not alone,” he added. “And that they can do this too.”
Thanks to the success of the first event, plans for the next event have recently been released, taking place in Alloa on 6 February 2027.
What makes Lawson Autotech’s story particularly valuable is that it is not built on a single breakthrough idea or piece of technology.
Instead, it is the result of a series of relatively straightforward but often overlooked decisions: Talking to other businesses and learning from them, being honest about weaknesses, putting structure and processes in place, building the right team, and, perhaps most importantly, taking action.
None of these steps are unique. All are within reach of most independent garages. The difference, as Barry’s experience shows, lies in actually doing them.
And it demonstrates that for those willing to take that step, the potential is there.
Filtration and thermal management solutions specialist UFI is supplying original equipment engine oil filtration modules for the Renault Trafic and Renault Master commercial vehicles equipped with the 2.0-litre Blue dCi engine.
The oil module houses the filter and heat exchanger in its diecast aluminium body. This allows filtration to be carried out by a cartridge equipped with cellulose media from the FormulaUFI. CELL family, while thermal management is achieved by the exchanger.
The supplied filter cartridge is also available to the aftermarket in the UFI (part number 25.267.00) and SOFIMA (part number S 5267 PE) spare parts catalogues. And thanks to the module’s design, its replacement is particularly easy.
The filter itself features several innovations, including the internal seal between the two sides of the filter, the ‘dirty’
www.ufifilters.com

Carlyle Tools has announced two new additions to its specialist tools range, catering to both cars and light vans: the CSACTS34 Self-Adjusting Clutch (SAC) Tool Set and the CUNIVCAT Universal Clutch Alignment Tool.
The CSACTS34 Self-Adjusting Clutch Tool Set has been designed for the installation, centring, holding, and removal of self-adjusting clutch (SAC) systems. Supplied with both 3-star and 4-star plates, it is compatible with almost all SAC clutches featuring 3- and 4-hole pitch configurations. The set is suitable for a wide range of vehicle makes and models, including Audi, Volkswagen, Ford, Mercedes, BMW, Alfa Romeo, Fiat, and Lancia. Engineered for durability with robust nylon components and a steel main shaft, the new CUNIVCAT Universal Clutch Alignment Tool has been designed to service approximately 90% of cars and light commercial vehicles up to 5 tonnes.
Both the CSACTS34 and CUNIVCAT are backed by a one-year warranty.
side where the lubricant to be filtered arrives, and the ‘clean’ side downstream of the filter media. This required specific development work to define its geometry and the material needed.
The filter also meets particularly stringent capacity and service-life requirements, requiring optimisation of the choice of filter media and geometry. The result is 99% efficient for particles larger than 40 microns, while its retention capacity allows for a replacement interval of 40,000km.

LKQ Euro Car Parts is introducing Starline’s BlackStar-coated discs to UK workshops, which it says will provide technicians with highly durable, corrosion-resistant braking products that can reduce installation time.
The electrophoretic BlackStar coating on the friction face burns off during braking, while it remains on the top hat and outer rim, providing a durable layer of protection against corrosion and eliminating the need for cleaning before installation.
The coating is designed to withstand over 120 hours of salt spray exposure, supporting a longer service life in demanding conditions such as the cold, wet UK winters. Plus, the range combines corrosion-resistant brake discs with ECE-R90approved brake pads and is supported by a 24-month / 24,000mile warranty that also includes wear-and-tear cover.
Where applicable, the pads include OE-matched chamfers and fitting accessories to support straightforward installation and consistent braking performance.

Laser Tools has launched a new brake & clutch pressure bleed kit (9315), which can be powered from 230V mains, a 12V vehicle supply or its detachable 21V rechargeable battery.
The kit includes 16 precision-machined aluminium brake cylinder adaptors, plus master cylinder caps included for common European and Japanese vehicles. The kit is easily adjustable from 0–50 psi (0–3.5 bar) for safe, repeatable bleeding, and it draws fluid directly from bottles to simplify refilling and reduce contamination risk. It also includes two bleed bottles for the simultaneous servicing of two axles.

The kit will auto shut-off when empty and is safe for DOT 3, 4, 4+ and DOT 5.1 brake fluids, along with being CE & RoHS approved.
Plus it is compatible with the Laser Tools’ existing range of master cylinder adaptor caps for expanded vehicle coverage.
The latest expansion from First Line is led by the transmission category, with 35 new drive shafts added to improve availability across popular applications.

Among them is a Borg & Beck drive shaft, suitable for the Citroën Berlingo.
Within steering and suspension, highlights include a suspension arm for Ford Tourneo and Transit models, alongside the a tie rod end for the BMW 7 Series.
Cooling is bolstered by thermostat kits suitable for Ford Focus, Kuga, Puma and Transit engines, as well as a water pump, covering a wide range of BMW applications.
The friction category sees new Borg & Beck brake pads for Dacia, Mercedes, Nissan and Renault models, and a wheel cylinder for Toyota models. Other Borg & Beck additions include a brake hose suitable for Renault Kangoo models and a turbo hose for Seat and Volkswagen models.
Finally, a new wheel bearing kit suitable for the Lexus GX and a variety of Toyota models has been added.
tinyurl.com/59fbdewp www.firstlineltd.com
ZF Aftermarket has strengthened its commercial vehicle offering with a new range of steering pumps.
This latest addition to the company’s portfolio focuses on delivering consistent steering precision while supporting long service life across a wide range of heavy-duty applications.
Developed for trucks, buses and other commercial vehicles, the new range supports the increasing need for components that can withstand demanding operating conditions while maintaining performance over time.
Steering pumps play a central role in ensuring smooth and responsive vehicle handling, particularly in commercial applications where load, mileage and operating environments place significant stress on components.

The new range is now available to order through ZF Aftermarket’s distribution network, with further information available via local ZF or WABCO representatives and the ZF Aftermarket website.
The latest tool promotion from Sealey, which runs until 30 June, features a wide selection of seasonal highlights alongside more than 200 brand-new additions.

Available in green (AP1080HVG) or grey (AP1080GR), new heavy-duty tool cabinets combine a spacious top chest with a mobile roll cabinet. Twelve drawers and a cupboard help keep tools organised, accessible and protected in demanding workshop environments, backed by a 5 Year Guarantee.
Lightweight and cordless, the new Rechargeable Hot Stapler Repair Kit (SDL16) features an inbuilt LED for low-light areas, heats up to 500°C for strong plastic repairs, and includes a versatile selection of staples.
To celebrate the launch, SEALEY is offering customers the chance to win a powerful garden tool kit worth over £690. This prize includes a selection of cordless tools from the company’s 20V one-battery platform, along with essential PPE.



































To ensure your company name is “in the mix” when customers are looking to buy, contact: angela@aftermarket.co.uk for details of the promotional packages available.














If you are attending the UK Garage & Bodyshop Event on 3-4 June, and why wouldn’t you, make sure to stop by stand K58 to speak to the Aftermarket team.
On the Aftermarket stand, you’ll be able to pick up the latest issue, sign up for a free subscription and have a proper chat about what matters in your workshop. We will also be talking about Top Awards, so if you have ever thought about entering, or just want to know what it is all about, come and have a chat.
Once you have done that, there is plenty more to see in the show. At its core, this year’s event is about giving workshops practical takeaways. That comes through strongly in the Workshop Theatre, where the focus is firmly on realworld topics – diagnostics, repairs, MOT, EV work and ADAS. The idea is simple: you should be able to sit in on a session and walk away with something you can use the next time a vehicle rolls onto the ramp.
For those running the business side, the Business Management Theatre is worth your time. This is where the conversation shifts to profitability, staffing, marketing and how to keep the whole operation moving in the right direction. sector.
One of the more interesting additions this year is the IAAF Garage Den. Think of it as a chance for suppliers and garages to work together on ideas that could actually make a difference in the workshop. It will be worth a look just to see what comes out of that collaboration.
The new Bodyshop Village has also been introduced as a dedicated space for collision repair, bringing together tools, materials and live demonstrations in one place. With support from LKQ Euro Car Parts, the aim is to give repairers the chance to see how new techniques and products actually work, rather than just hearing about them.
The event has not forgotten the bigger issue hanging over the industry either: skills. The Ignite Arena returns with a more interactive format, designed to connect new entrants with the trade and show what a career in the aftermarket can look like. And for garage owners struggling to recruit, it is a chance to see how others are approaching the same problem and maybe pick up a few ideas.
If all that sounds a bit too sensible, there is still room for something a bit
different. The Hot Wings Challenge returns, bringing a less polished, more honest take on industry debate. As the questions get tougher and the wings get hotter, the conversation tends to cut through the usual PR lines and get closer to what people actually think. It is informal, a bit chaotic, but often where the most genuine insights come out.
Beyond the headline features, the real value of the show is in being able to see and try things for yourself. On the following pages, we outline some of the highlights you’ll find on the exhibition floor. And there is so much more than we can squeeze into a few columns.
So, click the link below to secure your free ticket and don’t forget to pop along to stand K58 to say hi. In addition to sharing what Aftermarket magazine has to offer, we want to hear from you. What do you want to see more of in the magazine? What are the real challenges you are dealing with day to day? Have you got a great story to tell about your garage? Come along and tell us. tinyurl.com/5n7y2z6u





On stand B28, Autotech Group will be showcasing a mix of safety-focused training and smart workshop technology.
Autotech Training will be featuring the Laser EVIP 2, designed to safely immobilise electric vehicles via the Type 2 charge socket, helping protect technicians working on live systems.
Alongside this, Autotech Connect will demonstrate its voice-to-text reporting and on-demand technical information, as well as remote support tools that connect technicians with expert guidance in real time – supporting faster diagnostics, reduced downtime and improved workshop efficiency.
The comparison site for MOTs, servicing and repairs, BookMyGarage will be exhibiting on stand G30, showing how garages can win more local work by being visible online at the moment motorists are ready to book.
Visitors can see live demonstrations of the platform in action – including visibility of online demand in their area – highlighting the potential and showcasing the seamless booking journey that today’s motorists expect.
BookMyGarage’s Rochelle Davey will also be hosting a speaker session titled “How Garages Lose Business Without Anyone Realising” in the Business Management Theatre at 12.30 on the Thursday of the event. The session will use real world insights to explore the hidden ways garages miss out on work and share simple, actionable steps to drive sustainable growth.
Additives brand Cataclean will be showcasing its full product line on stand B38, including its flagship 8-in-1 fuel and
exhaust system cleaner, which restores performance, reduces emissions and offers garages an upselling opportunity. The company will also share insights into its IAAF Garage Den collaboration, supporting Courtwood Car Services with complex engine maintenance and emission challenges
Visitors to the stand will also have the opportunity to meet the Cataclean Plato Racing team, with drivers Dan Rowbottom and Adam Morgan hosting a live Q&A session.
Visitors to stand J30 will be able to see Comma Oil’s full range of oils and lubricants, including the newest products such as ECO-RFE 0W-20, which is delivering improved efficiency for Renault and Mazda hybrid, petrol and diesel engines, and ECO-SFP 5W-30, a high-performance synthetic oil developed for Stellantis (PSA and FCA Group) petrol and diesel vehicles requiring the latest FPW 9.55535-03 specification.
Also on show will be Comma’s Bag in Box range, presented as a smarter way to store and pour oil.

Comma’s Bag in Box range will be on show.
Core Diagnostics will showcase its cloud-based ADAS calibration system at stand J10
Designed for both unassisted and remote ADAS calibrations, Cloud Link ADAS Pro is said to be the first ADAS calibration tool that enables independent
verification of vehicle and frame alignment. Using a remote, cloud-based connection, the remote technicians at Core Diagnostics’ Technical Centre can ensure that the set-up pre-conditions are met, so the calibration is carried out to OEM standards of accuracy.
Power transmission solutions manufacturer Dayco will be on stand K48 with products including its widely used high tenacity or ‘white’ timing belt, which incorporates a PTFE coating on its toothed surface, and the wet belt, a drive belt that runs in oil within the engine, to power either the primary drive system and/or the fuel/oil pump.
The company’s Technical Manager, Glenn Goldstone, will also tackle issues such as the importance of following the correct installation process during belt replacement, best practices for water pumps, and misconceptions about belt-in-oil technology in one of the event’s official seminars.
Making its debut at the event on stand K52, Delphi will showcase its latest developments in braking, steering and suspension, fuel management, diagnostics and training. It will also be updating visitors on its participation in the IAAF ‘Garage Den’ initiative, collaborating with Shaikly Motor Company to help drive quality and brake safety awareness across the sector.
The company’s popular Tech Van will also be at the show, offering hands-on demonstrations throughout the event. And visitors will be able to take part in Delphi’s ‘Spin the Wheel’ competition, with prizes and giveaways up for grabs across the two days.
Meanwhile, Aliya Lam, UK Country Director at Delphi, takes to the stage in the Business Management Theatre on Wednesday to discuss the importance
of quality in the aftermarket and how it directly translates into cost savings for workshops.

On stand H02, independent garage owners will get a firsthand look at the digital tools driving workshop growth from Garage Services Online (GSO).
GSO will demonstrate how garages can turn online visibility into confirmed bookings, alongside the digital infrastructure that attracts business and converts enquiries into profitable work.
Visitors to the stand will also see how high-performing websites, combined with search engine optimisation, attract high-value enquiries, and learn how the RampUp booking widget captures those leads directly, with full control for the garage.
The latest advances in diagnostics, ADAS calibration and EV testing from HELLA will be on show on stand A30, with the o cial UK launch of the CSC-
Tool PRO and the first appearance of the mega macs PLUS.
The new Hella Gutmann CSCTool PRO has been designed to bring precision and e ciency to ADAS calibration with a fully digital, rotatable 86-inch industrial Ultra HD screen and a 3D camera. The system streamlines the calibration process and supports accurate alignment, while an automated chassis pre-check verifies axle geometry before work begins.
The mega macs PLUS is a Windowsbased diagnostic interface designed for technicians who prefer a tabletstyle platform, without leaving the Windows environment.
The company’s Technical and Training Manager, Steve Fox, will also deliver a seminar on the growing challenge of Secure Gateway Access on Wednesday at 11:00.

The Hella Gutmann CSC-Tool PRO brings a new level of precision and e ciency to ADAS calibration.
The JLM stand, K40, promises to be a hive of activity this year with new product launches, giveaways, and show deals over both days. Visitors will be able to find out about JLM’s professional DPF cleaning solutions from industry experts AJ Fleetcare,

and see the latest additives for AdBlue, GPFs and emissions reduction. Plus, there will be the opportunity to learn more about how JLM Liquid Tools can add value to garage businesses and help keep customers on the road.
Visitors are also encouraged to pick up an exclusive goody pack that includes a limited-edition JLM gift.
With a dedicated presence for LKQ Euro Car Parts on stand D20, and as a headline partner on the Modern Garage stand alongside Messe Frankfurt, LKQ will be showcasing the strength of its full UK aftermarket ecosystem.
This year’s presence puts a spotlight on how LKQ is supporting the future of the independent aftermarket – from EV and sustainable repair solutions to expanded powertrain and product ranges.
A major highlight will be the opportunity for visitors to experience LKQ Electriq, giving visitors a firsthand look at dismantled high-voltage batteries and the realities of EV repair, and LKQ SYNETIQ showcasing one of the UK’s largest genuine used parts propositions.
Visitors will find MAHLE inside the hall on stand F50 and at the main entrance, where they can explore its dedicated Workshop Equipment demonstration van.
On the stand display will be core workshop equipment, including


air conditioning service machines, advanced ADAS calibration systems and the latest TechPRO diagnostic platform.
The demonstration van is there to show MAHLE’s new ‘man and van’ concept, a dedicated vehicle and technical specialist, which MAHLE will be using to provide on-site product demonstrations directly to customers, helping generate demand and drive sales without adding complexity for distribution partners.
The NAPA Auto Parts team will be at stand H40, showcasing the latest range of products available across its stores. From advanced tools to highperformance automotive components, garages will discover solutions from a host of market-leading brands. Attendees will also have the opportunity to experience NAPA Auto Parts 360, the digital platform designed to streamline operations and provide seamless access to parts, and tools.
Visitors can also learn more about the company’s extensive range of garage equipment solutions, explore professional tool offerings from the Carlyle Tools team, and find out about the training opportunities available and the exclusive garage networks programme.
partnership

Visitors to stand E38 can explore Pro-Align’s full range of workshop equipment.
A major highlight will be the company’s long-standing partnership
with Hunter Engineering. As the original and official UK partner for over 30 years, Pro-Align has earned a strong reputation for outstanding support, technical expertise, and industryleading service. Visitors can also enjoy live demonstrations of the SmartWeight Pro wheel balancer and TCX54 tyre changer, used to deliver precision, efficiency, and consistently reliable results.
The Motor Ombudsman will be exhibiting on stand F60 in the Partner Village.
During the show, members of the organisation’s Dispute Resolution and Business Services teams will be on hand to discuss the many benefits of being accredited to its Chartered Trading Standards Institute (CTSI)-approved Service and Repair Code, and to provide information and guidance on best practice for resolving consumer disputes fairly and quickly without having to resort to legal action.
In addition, The Motor Ombudsman will also be debuting a new campaign and assets for garages focused on tyre safety.
UFI, the advanced filtration and thermal management specialist, will showcase its latest original equipment and aftermarket filtration technologies for passenger cars and light commercial vehicles for the first time, located on stand IP03 within the IAAF Pavilion.
With over 50 years of expertise as an original equipment supplier to the world’s leading vehicle manufacturers, UFI brings the same level of innovation and quality to its aftermarket range, ensuring toptier solutions for independent service networks and spare parts distributors.
Visitors to stand H20 will be able to see WD-40’s Specialist Range, engage in product demos and take part in the interactive ‘Plinko Power’ game, with
prizes to be won on the day. They can also receive a free Specialist Degreaser product sample and speak with the team, who will be on hand to answer questions about the full range of products.
The Specialist Range includes lubricants, greases and cleaners, and the recently introduced WD-40 Specialist Dry Lubricant, a quick-drying, highperformance spray formulated to support automotive applications such as hinges, seat runners, cables, and other moving parts.
Yuasa will be exhibiting on stand M35 where it will be showcasing its comprehensive automotive battery range, alongside its GYT250 battery testers and Yu-Fit+ battery management and programming tool.
There will be a punchbag challenge running throughout the event, with vouchers up for grabs for the hardest hitters – so visitors can test their strength as well as explore the latest products.
Yuasa’s Training Manager, Ian Newham, will also be hosting a speaking session in The Workshop Theatre at 2:25 on Thursday, where he’ll share expert insights and practical guidance for technicians.
ZF Aftermarket will showcase a range of digital workshop tools, training initiatives and product developments for the independent aftermarket on stand A10, focusing on solutions designed to help workshops operate more efficiently while keeping pace with increasingly complex vehicle technology.
Highlights will include ZF [pro] Manager, the company’s digital workshop management platform and ZF [pro] Diagnostics, the diagnostics solution developed to give workshops deeper access to vehicle systems and protected OEM data.
Adding a touch of excitement to the stand, workshops will get a free entry into a prize draw for a McLaren-branded e-scooter, if they sign up to ZF [pro]Tech at the show.



















Built to keep workshops efficient, confident, and air-suspension ready.


Powered by Arnott, Air Suspension Academy delivers free, hands-on training based on real installs, backed by the same experts who design and support Arnott parts.


+44 203 3186124 | info@airsuspensionacademy.com | arnottsuspension.com/air-suspension-academy/

















































































The full-service diagnostics provider Repairify has expanded its ADAS product portfolio in response to workshops’ need for expanded vehicle coverage and more accessible solutions.
The rapid expansion of Chinese electric vehicle manufacturers into the European market is creating new challenges for workshops and bodyshops, particularly when it comes to Advanced Driver Assistance Systems (ADAS) calibration coverage. Brands such as BYD, MG, and Geely are becoming increasingly common on UK and European roads, placing fresh demands on workshops to support a broader and more diverse range of ADAS systems.
Responding to this shift, Repairify has added the asTech Digital ADAS Pro+ v2 to its ADAS portfolio.

The asTech Digital ADAS Pro+ v2
has been developed to expand vehicle coverage and enhance integration with Repairify’s All in One diagnostics platform. The product has been designed to provide workshops and bodyshops with a more accessible ADAS calibration option without compromising accuracy, reliability, or support.
Competitively priced, the solution o ers broad ADAS coverage, with particular strength across an increasing number of Chinese and emerging vehicle platforms.


enter the market at an increasing pace, workshops are under increasing pressure to deliver accurate, compliant calibrations for vehicles they may not have previously encountered. According to Repairify, the asTech Digital ADAS Pro+ v2 addresses this challenge directly, o ering technicians a solution that keeps pace with modern ADAS demands while remaining practical and fully supported.
Repairify says that expanding the ADAS product line gives customers a clear choice depending on their operational needs. The company’s existing product, asTech Digital ADAS, remains positioned as a premium requirements evolve and new brands remains positioned as a premium
The launch reflects the growing complexity of ADAS technology and its adoption across a wider range of manufacturers. As calibration requirements evolve and new brands







solution for high-volume environments, offering fast setup, keystoning flexibility, and a calibration process designed for speed and ease of use. This new addition to the company’s range is designed as a cost-effective entry point for workshops that require extensive vehicle coverage and consistent, high-quality calibration. Featuring a large 75-inch 4K display, the asTech Digital ADAS Pro+ v2 has been designed to integrate with Repairify’s All in One device, making it easier to use across the company’s diagnostics platform.
Commenting on the launch, Phil Peace, Managing Director International at Repairify, said: “The asTech Digital ADAS Pro+ v2 allows us to offer a broader ADAS solution range without confusing the market. Bodyshops can now come to us for both a premium, fast-to-deploy system and a more affordable option that delivers excellent coverage, particularly for newer and emerging vehicle manufacturers. What’s more, both products sit within the same Repairify platform and are fully supported by our expert technical teams.”
Repairify will continue to provide full technical support for both ADAS solutions through its existing service infrastructure. The business’s support teams are fully trained on the new product and equipped to assist customers with setup, calibration accuracy, and ongoing use, ensuring bodyshops can implement the new technology with confidence.
Martin Pinnell-Brown, Technical Director at Repairify, added: “ADAS calibration is becoming increasingly complex, and workshops need solutions that are backed by real expertise. Whichever product a customer chooses, they receive the same level of diagnostic insight, technical support, and practical guidance from Repairify.”
The expansion of Repairify’s ADAS portfolio has reinforced its commitment to providing scalable, supported solutions that balance cost, usability, and coverage, helping bodyshops keep pace with evolving vehicle technology while maintaining safety and compliance.

Repairify has announced a major expansion of its mobile operations division.
Officially launched in April 2025, the mobile operation has rapidly scaled to operate nationally. Amidst this early growth, Repairify has confirmed plans to double its mobile fleet in order to significantly increase coverage and operational capacity.
The expansion reflects the increasing demand for on-site diagnostic and calibration support. By integrating mobile services into its wider portfolio, Repairify is able to provide customers with a seamless end-to-end solution, combining remote diagnostics expertise with physical, on-site intervention where required.
Each mobile van is equipped with dealer-level diagnostic tools, calibration equipment, targets, and mats, enabling technicians to carry out complex ADAS calibrations and vehicle diagnostics directly at customer premises. This capability supports bodyshops that may not
have the required equipment in-house, reducing delays and improving repair throughput.
Commenting on the expansion plans, Anthony McGinty, Mobile Operations Manager at Repairify, said: “We launched our mobile offering to increase our capacity to support customers wherever they need us. If a vehicle has a problem and it needs to be resolved quickly, we provide that support on-site as well as remotely. The demand has grown rapidly, and enhancing our fleet will allow us to maintain our commitment to same-day or next-day service wherever possible.”
Phil Peace, Managing Director at Repairify, added: “Expanding our mobile fleet is a strategic step that strengthens our overall service infrastructure and helps us give our customers greater flexibility. By growing the operation in line with customer demand, we are well positioned to deliver profitable, sustainable growth without compromising on service quality or technical expertise.”

As self-driving vehicles edge closer to UK roads, Autotech Training is urging the automotive sector to prioritise Advanced Driver Assistance Systems training as the essential foundation for safely supporting the next generation of autonomous vehicles.
Under the Automated Vehicles Act 2024, the UK has established a legal framework covering safety, liability and insurance for automated vehicles, paving the way for the first limited deployments which are expected later this year. However, while public focus often centres on driverless taxis and buses, industry adoption is accelerating first in highutilisation, specialist environments.
Industry leading the first wave
Airports are already emerging as a key proving ground for autonomous vehicle deployment. Teesside International Airport has begun piloting autonomous passenger shuttles and baggage-handling systems as part of a phased rollout of driverless systems across its operations.
Autonomous vehicles are also being introduced within port and container terminals, and automated shuttle services are being piloted to connect business parks, university campuses and transport interchanges. Local authorities are also exploring driverless shuttle links between regional transport hubs, including airport-
to-harbour connections in Scotland. These environments offer predictable routes, managed operating domains and measurable efficiency gains, making them well suited to early-stage deployment before wider adoption in private vehicle ownership.
The trajectory mirrors the evolution of electric vehicles. A decade ago, EVs accounted for just over 1% of the UK car parc. Growth was initially driven not only by private motorists, but by fleet operators, delivery companies and public sector organisations able to deploy vehicles within predictable operating patterns and controlled charging infrastructure.
Today, there are more than one million electric vehicles on British roads. That expansion was enabled by regulatory clarity, infrastructure investment and, critically, a workforce retrained to manage high-voltage systems safely and competently. The lesson for autonomy is clear: technological progress alone does not determine adoption. Skills readiness
across the service and repair network is equally decisive.
Industry projections suggest that by 2035, up to 40% of new car sales could feature self-driving capabilities, with the sector potentially supporting 38,000 jobs and contributing £42 billion to the UK economy. However, the transition to autonomy will not be defined solely by AI and software. It will depend heavily on the integrity, calibration and maintenance of the physical sensor stack that enables automated decision-making.
Autonomous vehicles rely on a complex integration of cameras, radar and, in many cases, LiDAR, alongside ultrasonic sensors and high-precision GNSS inputs. These components feed advanced control units that interpret the vehicle’s environment in real time. Even minor misalignment following routine repairs, windscreen replacement, suspension work or minor collision damage can compromise system accuracy. In higher levels of automation, where vehicles assume dynamic driving tasks, the tolerance for calibration error becomes even smaller.
This is where Advanced Driver Assistance Systems (ADAS) training becomes critical. While the term ‘autonomous vehicle’ suggests a step change from current systems, the technological backbone is an evolution of ADAS technologies already fitted to millions of vehicles. Adaptive cruise control, lane keeping assistance, automated emergency braking and blind spot monitoring all rely on the same core sensing and calibration principles that underpin higher levels of automation.
IMI-accredited ADAS training equips technicians with the competence to identify system configurations, understand manufacturer-specific calibration requirements and carry out both static and dynamic calibration procedures using approved equipment. It also addresses functional safety considerations, diagnostic pathways and post-repair validation processes.
Crucially, many within the industry do not yet recognise that repairing autonomous vehicles will, in practical

terms, require advanced ADAS competence. Bodyshops, glass technicians and mechanical workshops will encounter increasingly sophisticated sensor arrays integrated into bumpers, windscreens, mirrors and roof modules. Without structured, accredited training, there is a risk of inconsistent repair standards at precisely the moment when regulatory scrutiny and public safety expectations are increasing.
Building the skills for autonomy
Autotech Training believes the UK has a clear opportunity to prepare proactively. Training provision needs to scale in parallel with vehicle deployment to

ensure that technicians can diagnose faults accurately, recalibrate systems to manufacturer tolerances and document compliance in line with emerging regulatory requirements.
The road to autonomy will run not only through legislation and infrastructure, but through workshops across the country. Just as EV adoption is driving widespread upskilling in high-voltage safety and diagnostics, the rise of autonomous vehicles is demanding a technically competent workforce trained in advanced sensor calibration and system validation.
Autotech Training continues to expand its IMI-accredited ADAS courses to support technicians, bodyshops and fleet operators preparing for this transition. With deployment timelines now defined and industry uptake accelerating, the message is clear: autonomy may be software-driven, but safety remains firmly in the hands of skilled, properly trained professionals.
www.autotechtraining.co.uk











Changes to the MOT test, which took e ect on 1 April 2026, highlight how vehicle safety regulation is evolving and, according to Iain Molloy, Managing Director of A1 ADAS Group, they should prompt workshops to prepare for future driver assistance checks.
On 1 April, MOT testing introduced several updates designed to reflect the changing nature of the car parc. New requirements include specific visual safety checks for electric and hybrid vehicles, covering high-voltage cabling, battery mounting and charging ports. New MOT bays are also required to install lifting equipment with a minimum safe working load of two tonnes to accommodate heavier modern vehicles, particularly EVs.
At the same time, the DVSA is continuing to trial and develop the use

of photographic evidence during MOT testing as part of e orts to tackle socalled “ghost MOTs”, where certificates are issued without a vehicle being properly inspected.
While these changes focus on immediate safety and compliance issues, Iain believes they highlight a broader shift in how roadworthiness testing will need to evolve as vehicle technology advances.
In Iain Molloy’s view, the question is no longer whether ADAS will eventually become part of the MOT conversation, but how that could realistically work in practice.
“ADAS systems are now responsible for preventing a significant number of collisions on the road,” Iain said. “Features like automatic emergency braking, lane assist and driver monitoring aren’t theoretical safety aids anymore. They intervene in real-world situations every day.
“But the key point is that they only
deliver that safety benefit when they’re functioning correctly.”
ADAS systems can be significantly out of calibration without displaying a dashboard warning light, meaning drivers may be unaware that systems designed to intervene during an emergency are no longer operating as intended.
“As the car parc becomes increasingly reliant on these technologies, the question naturally arises about whether roadworthiness tests should also consider them,” Iain added.
However, while the safety argument for ADAS checks is strong, the practical realities of MOT testing make the issue far from straightforward.
“ADAS doesn’t behave like traditional MOT items,” Iain explained. “You can visually inspect brakes, tyres or suspension components and get a good sense of their condition. With ADAS, that simply isn’t the case.
“A visual walkaround tells you nothing. And while a warning light may appear when a system is seriously compromised,
subtle misalignment can leave a vehicle looking perfectly healthy on the dashboard while performing well below the manufacturer’s intended safety parameters.”
One of the most significant barriers to incorporating ADAS calibration into the MOT is the environment required to perform the work correctly. Calibration procedures typically require level floors, controlled lighting and precise distances for targets and equipment.
“Many MOT stations simply don’t have the space to carry out ADAS calibration,” Iain pointed out. “Even many full-service workshops struggle to meet the physical requirements, so expecting every MOT station to do it during a standard test simply isn’t realistic.”
Skills and training present another challenge. While the number of workshops offering ADAS services is increasing, the pool of technicians formally qualified in calibration procedures remains relatively small compared with the growing demand.
“If the MOT suddenly required ADAS calibration as part of the process, the industry would immediately face a significant capacity issue,” Iain added.
According to Iain, the solution is unlikely to involve performing full ADAS calibrations inside MOT test bays. Instead, he believes a more workable approach would have the MOT act as a verification point rather than the place where calibration is carried out.
“One option would be for the MOT to record ADAS fault status and verify that calibration has been completed by a qualified centre,” Iain explained. “That could potentially be supported by a national database of calibration records, allowing testers to confirm whether a vehicle’s systems have been checked within an appropriate timeframe.”
Such an approach would acknowledge the safety importance of ADAS without placing unrealistic demands on MOT stations.
“There’s no doubt these systems are becoming a fundamental part of vehicle safety,” Iain continued. “Ignoring them entirely in roadworthiness testing

will become harder to justify as more vehicles rely on them.”
At the same time, he cautions against introducing superficial checks that give motorists a false sense of reassurance.
“A simple tick-box exercise doesn’t improve safety,” Iain argued. “If ADAS is ever included in the MOT, it has to be done in a way that genuinely reflects how these systems operate and how they should be maintained.”
With MOT reform underway, Iain believes workshops should already be considering how ADAS will fit into their future operations.
“Now is the time for workshops to look at where ADAS sits within their business,” Iain warned. “That may mean forging strong working partnerships with ADAS specialists offering mobile calibration services or investigating what ADAS capabilities they can realistically bring in-house.”
“One thing is clear,” he concluded. “Doing nothing isn’t a long-term option. ADAS will have to become part of the roadworthiness conversation. The challenge is making sure the solution is practical for the industry while genuinely improving safety on the road.”
a1adassolutions.co.uk

Chris Clarkson, Global Technical & Procurement Officer at Duckhams, explains the challenges that lower viscosity oils pose for oil formulators and outlines why choosing the correct oil is vital to ensure adequate vehicle protection.
Lower viscosity oils offer fuel economy benefits. They have been developed to meet legislative requirements and OEM enhancements aimed at improving vehicle efficiency. Indirectly, they also offer emissions benefits. It’s simple mechanics – the thinner the oil is, the less drag there is. Less fuel is required to propel the vehicle, and fewer emissions are produced during fuel manufacturing. Lower viscosity oils are particularly common in hybrid vehicles, which account for an increasing share of the vehicle parc. A lower viscosity oil will pump more quickly on startup, as there is less resistance to flow. This is valuable in hybrids, where combustion engines more frequently start and stop as vehicles switch between battery and engine power.
However, lower viscosity oils require highly complex chemistry.
Reducing viscosity requires
formulating an oil with enhanced technology/additives and base oils to ensure engines are properly protected. Even though oils like 0W20 and even 0W8 are thinner, they are more difficult and more expensive to make. Thinner does not equal cheaper. In fact, it’s quite the opposite. Lower viscosity means higher cost for oil manufacturers – and therefore mechanics and motorists. Manufacturers must blend oils that deliver all the protection engines need through a thinner film barrier.
Volatility is a key concern, as the thinner an oil is, the more volatile it is. That means the potential for higher consumption in high-temperature applications, which is why higherperformance base oils are required to combat this increased volatility. These more expensive raw materials and increased research requirements drive up the cost of lower viscosity oils. Without these higher-value base stocks, oil would

be consumed faster, and drivers would have to top up their oil more frequently.
Low viscosity oils are becoming more common, but they are not right for every vehicle.
With the ageing vehicle parc and millions of vehicles over 10 years old on our roads, they won’t suit most vehicles coming through workshops for some time yet. Workshops need to carry a variety of viscosity grades to meet demand.
Mechanics must follow OEM recommendations.
The latest, most sophisticated lower viscosity oils might be tempting as an upsell, but they could actually damage customers’ vehicles if misapplied. Using a thinner oil than recommended risks increased wear and damage to engine parts, the last thing any motorist or mechanic wants. When an engine heats up, the oil heats up and becomes thinner, so when an OEM recommends a product for their vehicle, it takes that into account. Using an oil which is too thin risks damage when it heats up to operational temperature and no longer provides the protection the engine needs.
Technicians should be particularly careful with classic vehicles, as low viscosity oil can increase the risk of leaks, and modern base oils may not be compatible with seals used in older vehicles.
If in doubt, always refer to the vehicle handbook and OEM recommendation to ensure you use the correct oil.
Registration lookup tools like Duckhams Find My Oil can also help to identify the correct product and provide vehicle protection you can rely on.
duckhams.com/find-my-oil

















































































































































































• PatFluid Bag range designed specifically for vehicles with flexible pouch DPF additive dosing systems.
• The new Bag range is pre-filled with PatFluid additive ensuring easy and quick replacement.
• This complements our current offering of the PatFluid 1L, 5L and Transfer Kits for vehicles with tank reservoirs.
• New PatFluid® Tank Range starting with two parts for when replacements are required.
PatFluid is our aftermarket replacement for DPF additives which are used by various passenger car and van manufacturers.
• Aids DPF regeneration by lowering the combustion temperature of soot trapped in the filter.
• Quality product sold for over fifteen years.
• Cost-effective & highly reliable.
For more info, please see our website, or contact us.

























































































































































With motorists feeling the pinch, keeping their cars for longer and increasingly delaying maintenance tasks, the role of additives is becoming increasingly important. To help explain how oil additives in particular can help with extending component life and holding off costly repairs, Lubricant and additive specialist JLM Lubricants outlines four of its key products.
You could be heading down a slippery slope if you choose bargain bucket oil additives, or indeed any cheap additives. They are not worth staking your hardwon reputation on. And with research from brands, including Castrol, showing that customers report expecting to pay more for the additives their technician recommends, you should be on even firmer ground choosing premium brands – especially those with a loyal trade following.
With motorists keeping their cars on the road longer, technicians who, whenever possible, champion additives over parts and repairs will be the ones who keep customers coming back. There’s also the added income opportunity of selling premium-quality
additives for customers to use between workshop visits.
JLM Lubricants has built a strong trade following in 40+ countries, thanks in part to the brand’s overarching aim to support the professional technician with products that fit in with the “lean” philosophy of “right first time, on time, every time”, and the sustainability advantages of being able to reduce the use of replacement parts if an additive ticks the box.
Additives are not just for fuels
Additives are mostly associated with fuel treatments, but it’s just as important to look after the oil system.
A flushing additive such as Engine Oil Flush cleans dirty engines quickly and effectively, improving engine performance and reducing fuel

consumption. And the JLM option is safe for wet belt engines.
Reducing smoke from the exhaust caused by burnt oil is possible with additives, including JLM’s Stop Smoke Oil Treatment, which, as well as reducing exhaust smoke, also helps with engine wear and oil consumption. It can also improve engine performance. It has been specially developed for older engines with worn parts, and it can be used in petrol, diesel, LPG, and CNG engines that emit blue/grey exhaust smoke.
Wear protection additives can have long-term cost benefits by extending component life. JLM’s Bortec Oil Additive is a next-generation, ashless, boron ester based friction reducer and antioxidant, suitable for any standard motor oil. It forms a protective layer of boron nitride under pressure and heat, protecting all engine parts. It is also safe for use in wet belt engines, and it provides immediate anti-wear protection at startup.
If worn engine seals are causing oil leaks, then Oil Stop Leak does exactly what you would expect: it stops and prevents oil leakages by reviving deteriorated seals. As well as delaying the need to replace them, reviving the seals also reduces engine noise and lowers oil consumption. The product can be used for all petrol, diesel, hybrid, and LPG cars.
These are just four of the many additive options available to the aftermarket trade. Incorporating top-quality professional additives into your business will help to keep your customers on the road for less and add valuable revenue to your business.
www.jlmlubricants.com




























Engine Oil Manufacturer Smith & Allan has paused sales of its Momentum C3 SWTL 5W-30 engine oil following a VLS investigation regarding claims against the Stellantis FPW 9.55535/03 specification.
As we reported previously in Aftermarket magazine, in 2025 the Verification of Lubricant Specifications (UK) Ltd (VLS), an independent and impartial body that investigates lubricant product complaints, announced a market-wide investigation into engine oils making claims against the Stellantis FPW 9.55535/03 specification.
The Stellantis FPW9.55535/03 5W 30 engine oil specification is mandated for a broad range of modern Stellantis vehicles, particularly those with DV5R, DW10F and DW12RU diesel engines, as well as 1.2L PureTech (EB2) petrol engines. It applies to many Peugeot, Citroën, DS, Fiat, Vauxhall, Opel, and Jeep passenger and light commercial vehicle models.
The specification is designed for engines with wet belts to prevent premature wear, degradation, and debris formation that can clog oil strainers. Stellantis introduced it in 2023/2024 as a mandatory requirement for many vehicles to address reliability issues with wet timing belt systems and with engines fitted with external dry belts. Problems can arise if service intervals are not adhered to.
Case VLS010244 concerned the allegation that the Stellantis specification FPW9.55535/03 was being claimed for Smith & Allan Momentum C3 SWTL 5W30, despite no widely available approved market general technology being available to support this specification claim.
VLS accepted the case and wrote to Smith & Allan, asking for the technical evidence on which the claim was based. In response, Smith & Allan stated that the claim was made on a ‘suitable for use’ basis and no formal approval was claimed. The company agreed to pause

The claim was made on a ‘suitable for use’ basis
sales of the product and withdraw it from their catalogue pending the formal approval of the market general package against the Stellantis specification.
Based on their response, VLS was content to close the investigation, subject to a six-month review, in line with its stated process.
Darren Frogson, VLS Chairman, said: “We thank Smith & Allan for their cooperation in this case and for taking positive, proactive action to pause product sales until general market technology becomes available.
As part of our market-wide
investigation into engine oils claiming to meet this Stellantis specification, we have found that the majority of claims are valid. However, in some cases, claims have been removed, or products have been withdrawn.
With the lubricants sector navigating rapid change, we must have a robust, anonymous process that holds lubricant producers and marketers to account and protects end users. Workshops must have confidence that the products they select are suitable for use in the application and can deliver what they claim.”
VLS is an independent organisation that provides a credible and trusted means to verify lubricant specifications, brings transparency to the lubricant marketplace, and protects and educates end-users.
ukla-vls.org.uk
Automotive aftermarket manufacturer Apec has announced the launch of a comprehensive new lubricants range, featuring engine oils and antifreeze/coolants designed to meet the demands of today’s diverse vehicle parc.
Developed in partnership with leading lubricant manufacturer Valvoline, the range uses high-quality base oils and advanced additive technology to deliver reliable performance and longlasting protection. The formulations are engineered for modern engine and driveline systems, providing excellent wear protection, strong thermal stability and improved fuel e ciency.
Manufactured in ISO 9001 and IATF 16949 certified facilities, Apec lubricants are fully compliant with BER and European Engine Lubricant Quality Management System standards (EELQMS), ensuring consistent quality and performance. Every product is also backed by a 100% manufacturer’s warranty, giving workshops and motor factors complete confidence.
The portfolio covers a wide range of workshop requirements, including automotive engine oils, gear and transmission oils, hydraulic fluids, general service fluids, and antifreeze and coolants. Available in 1L, 5L and 20L formats, the range provides flexible solutions for workshops.
Packaging has been designed with easy-pour spouts to help minimise spillages, while QR codes on each



product link directly to technical data sheets (TDS), safety data sheets (SDS) and additional online resources, giving technicians quick access to key product information.
In addition, a bespoke Apec Oil Lookup is available via the Apec website, featuring vehicle registration lookup to




make it quick and easy to find the right product every time.
Apec Lubricants are exclusively available from Alliance Automotive Logistics, who stock a range of lubricant brands including Apec, NAPA, Fahren and Valvoline.
apecautomotive.co.uk
































































As the proportion of electric vehicles increases, the service landscape is also changing. But regardless of the powertrain, cabin filters are a constant, and, as MANN-FILTER explains, an opportunity for workshops to deliver visible value, maintain customer comfort and stay relevant in an evolving aftermarket.
Cabin air filters are often overlooked in routine vehicle maintenance. They actually play a critical role in comfort, health and vehicle protection. As modern cars become better sealed and urban air quality challenges increase, the cabin filter has evolved from a nice-to-have to a service item that drivers notice immediately, especially when overdue.
A cabin filter cleans the air entering the passenger compartment through the heating, ventilation, and air conditioning (HVAC) system. Depending on the filter type, it can help reduce exposure to dust, pollen, soot, tyre and brake wear particles, and other airborne contaminants, including odours and certain gases, improving perceived air quality in traffic-heavy environments. Because cabin filters are consumable parts, they gradually load with particles and become restricted. And when a cabin filter is neglected, the symptoms are familiar: musty smells, fogging windows and reduced airflow from the vents. Drivers assume these issues are caused by the HVAC system, when the root cause can simply be a clogged filter.
Regular replacement helps maintain cleaner air and comfort, supports consistent HVAC performance, and reduces the risk of odours and moisturerelated issues. Plus, for allergy sufferers, a well-functioning filter can reduce pollen inside the vehicle during peak seasons.
A practical entry point for EV servicing
The shift to electric vehicles (EVs) is changing the service landscape. EVs

typically require less routine powertrain maintenance than IC engine vehicles –no oil changes, no fuel filters and fewer traditional service items. That makes it even more important for independent workshops to focus on the maintenance areas that remain essential.
Cabin filters are a highly relevant service opportunity because they are universal across drivetrains. EVs still rely on HVAC systems for heating, cooling, defogging, and passenger comfort; hence, they still need cabin filtration. For workshops, replacement is usually a lowbarrier job that does not involve highvoltage work, specialised certifications or complex tooling. And because it is directly linked to customer experience, value is easy to communicate – EV drivers often pay close attention to cabin comfort, noise and air quality.
Cabin filter service can therefore be one of the simplest ways for aftermarket garages to stay connected to EV customers, build trust and create repeat visits, also opening the door to additional services such as tyres, brakes, suspension, thermal system checks and air conditioning service (where permitted and appropriately trained).
For workshops, cabin filters are a really transparent upsell item. Showing the old filter next to a new one provides visible proof and builds credibility. Replacement is typically quick, and customers often notice the improvement immediately.
In short, the cabin filter may be a small component, but its impact is immediate and increasingly relevant – especially as the vehicle parc continues to electrify.
www.mann-hummel.com
A blocked or worn fuel filter can restrict fuel flow, whether it’s petrol or diesel, and reduce engine performance in several ways. Comline reveals the issues that can arise.
Afuel filter keeps dirt, rust and water out of the fuel system, protecting key parts – like injectors and pumps – while maintaining performance. Over time, it wears out, so acting early based on the warning signs presented can help to avoid engine issues later on.
Rough idling or stalling: An inconsistent fuel supply can cause an engine to idle unevenly or stall. This is often one of the earliest signs that the filter is no longer working e ectively.
Engine hesitation or power loss: If a vehicle struggles to accelerate or feels sluggish under load, restricted fuel flow may be the cause. A clogged filter limits the amount of fuel reaching the engine, reducing performance as a result.
Hard starting or failure to start: Di culty starting the engine – or a complete inability – can indicate poor fuel delivery. In many cases, a heavily blocked filter can be the root cause.
Check engine light: Fuel pressure issues caused by a failing filter can trigger the dashboard warning light. While this can point to a range of faults, the fuel filter should not be overlooked during diagnosis.
Poor fuel economy: Ine cient fuel supply forces the engine to work harder – often resulting in increased fuel consumption. Over time, this can make a dent in motorists’ wallets due to higher running costs.
Don’t compromise on fuel filtration
The message from Comline is simple: it is essential to replace a worn fuel filter. It is also imperative to replace it with a part that provides ample protection, stopping contaminants reaching sensitive engine parts.
Keep an eye out for the warning signs and use a quality replacement.

Comline Business Line Manager – Filtration, Toni Spiridon, commented: “Fuel filters play a vital role in engine performance, e ciency and longevity – but can be overlooked. We encourage workshop technicians to keep an eye out for the warning signs and use a quality replacement. This can make a significant di erence to both performance and reliability – and keep the customer happy.”
tinyurl.com/46t9bfph




Aftermarket turbocharger supplier, The Turbo Guy, has launched a new tradeonly turbo brand, called Kiiro, which the company says will provide further choice and simplicity to the UK aftermarket.
Complementing its growing remanufactured turbo portfolio, Kiiro will be sold exclusively via The Turbo Guy’s network of motor factors and parts distributors. Recognising the need for transparency and cost efficiency in the market, the Kiiro brand features zero surcharges to motor factors, to help them improve cash flow and simplify administration. In addition, all Kiiro turbos come with a 12-month noquibble warranty as standard, and there is no old core exchange required.
In launching the new brand, The Turbo Guy says that distributors will benefit from straightforward pricing, cleaner invoicing and easier stock management, whilst workshops will gain fast access to high-quality stock. In the first few months,
there will be a range of 20 SKUs for Kiiro, covering fast-moving volume car and van applications, including PSA, VW, and Ford Transit models. The product range is then expected to double during the remainder of 2026.
A distinctive brand Delivering OE-matching performance, Kiiro turbos are supplied in a distinctive yellow box and are ready to fit. The brand name is a nod to the Japanese word for yellow, whilst also denoting premium quality.
Commenting on the launch, Allan Mitchell, founder and Managing Director, said: “Speaking with our customers, we recognised an opportunity to create more choice in the market, whilst building on
our reputation for high-quality turbos. The Kiiro brand represents premium quality but at a budget price point. By removing surcharges, old core tracking, credit notes and associated administration, and adding a no-quibble warranty, we are helping factors to streamline their business.
“Our message is simple: no hassle, just quality turbos with the backup that the trade expects, so factors can sell with confidence and focus on looking after their customers. Alongside our remanufactured offer, the launch of Kiiro is a welcome boost to our mission to become the turbo supplier of choice for the UK aftermarket.”
www.theturboguy.com


As turbocharger technology continues to evolve alongside modern engine platforms, insufficient lubrication remains a significant cause of failures seen in workshops and, according to turbocharger specialist Melett, should not be overlooked.
The issue of insufficient lubrication is rarely isolated to the turbocharger itself but instead linked to oil supply problems elsewhere in the engine system.
Tom Wright, Group Product Manager at Melett, explained: “The causes of insufficient lubrication can be missed during routine servicing. Poor oil filter maintenance, low oil levels in the sump, and the use of unsuitable oil grades all remain frequent contributors.
In addition, incorrect or damaged oil inlet gaskets that restrict oil flow, carbon build-up within oil feed pipes, worn oil pumps, and blockages from siliconebased sealants on oil gaskets can significantly compromise oil delivery to the turbocharger.”
Another critical and preventable issue is the failure to correctly prime a replacement turbocharger before installation. “Even a few seconds of turbo operation without oil can be enough to cause irreversible damage to the bearing system,” Tom warned.
Preventing insufficient lubrication
Preventing lubrication-related turbocharger failure starts with
ensuring unrestricted, clean oil flow to the unit. Melett advises technicians to thoroughly inspect and replace oil feed pipes to remove carbon deposits or sludge. Using fresh oil and new filters that meet the engine manufacturer’s specifications is essential, as is avoiding the use of silicone sealants on oil system components.
Correct operating procedures also play a vital role. Allowing the engine to warm up properly before heavy loads and observing appropriate cooldown periods at the end of a journey helps protect the turbocharger from insufficient lubrication and heatrelated oil degradation, particularly on modern downsized and high-boost engines.
Before replacing a faulty turbo, garage workshops should ensure the root cause has been fully diagnosed. Although symptoms such as oil leaks, unusual turbo noise, or reduced performance can suggest lubrication issues, workshops may not always be able to identify the underlying problem – and this is where a specialist turbo repairer can provide invaluable support.
Tom added: “Once a turbo is dismantled by a specialist, the
signs of lubrication failure are often unmistakable. Excessive wear on thrust and journal bearings, discolouration, scoring, or material transfer on bearing surfaces all indicate that lubrication has been compromised.”
He stressed the importance of pinpointing the cause: “Insufficient lubrication can destroy bearings in seconds. Replacing the turbo without fixing the oil supply issue almost guarantees the same failure will happen again.”
Tom concluded: “Correct lubrication is fundamental to turbo life. By following proper installation procedures, adhering to service schedules and taking a preventative approach, technicians can significantly reduce the risk of repeat turbo failures – and specialist support can make all the difference when diagnosing the true cause.”
If the cause of a turbo failure isn’t clear, Melett can work with trusted, independent turbo repair specialists who can quickly perform accurate inspections to pinpoint the root cause and prevent repeat failures.




Nissens Automotive outlines the steps needed to ensure a successful turbocharger replacement and long term engine performance.
Due to the central role a turbo plays in ensuring the engine meets its design performance, in terms of both its power delivery and emissions levels, meticulously following the correct replacement process is paramount to achieving a successful repair.
The first step in any turbo repairs should be to check whether the vehicle manufacturer (VM) has issued a service bulletin with special procedures for turbo replacement, as this could save valuable time and avoid future problems.
As turbo failure can be caused by multiple factors, associated components should be replaced as needed to prevent reoccurrence: oil feed/drain lines, oil and air filters, hose clamps, seals and O-rings, and (if required) the intercooler, crankcase ventilation, EGR valve, and charge air hoses and pipes.
Because most turbo breakdowns are consequential to other system failures, it is important to troubleshoot thoroughly before installing the new turbo. Symptoms should be confirmed (lack of power, excessive smoke, abnormal noise, high oil consumption), and root causes eliminated first.
On-board diagnostics should be run, and parts around the turbo should be
inspected, especially the intercooler. Replace the intercooler if it’s in poor condition, but, regardless of appearance, replace it if the turbo has seized.
It is also important to check the exhaust manifold, pipes/hoses around the turbo, crankcase pressure and ventilation, air intake system, and exhaust system (EGR valve, DPF and/or catalyst). And make sure to replace any parts showing damage, cracks, restriction or contamination, or if there is any doubt about their condition.
After removing the old turbo, discard old gaskets and clean flange surfaces before fitting new seals. Replace the oil and air filters and refill with the correct VM specification oil.
Turbos are fragile, so handle them with care. Do not lift them by the actuator, rods or hoses, and do not change actuator settings or calibration.
Before installation, remove protective caps and prevent any impurities from entering the turbo. Pre-lubricate them by injecting clean oil into the feed, then spin the compressor wheel by hand several times before the initial start.
To avoid restricting flow, gasket alignment (centre holes and flange) should be checked. Then fit the turbo, before reconnecting the exhaust using new O-rings, gaskets and hose clamps.
For tightening torques, refer to the VM’s specifications.
For electronic actuators, check wiring and connector condition (insulation, breakage, moisture). If issues are found, replace the wiring/connection; otherwise, reconnect carefully.
Lubrication is crucial, so ensure correct oil channel connections. Best practice is to install new oil feed and drain lines.
If reusing lines, clean them thoroughly and ensure there are no restrictions, bends, or abrasions. Then refit heat shields to prevent oil coking/carbonising near heat sources.
Perform a pressure test to confirm leak-proof intake connections. Start the engine and let it idle for three minutes, then inspect for air, oil and exhaust leaks. Check exhaust back pressure and verify oil flow at idle (e.g., measure feed line oil pressure per VM guidance or check drain line flow). Then stop the engine and confirm the oil level.
Then it is a case of resetting stored faults, road testing and confirming the expected boost and power.
A wide range of technical insights, including for turbochargers, can be found on the Nissens website below



















































































































































































































































Our round-up of the latest industry appointments. Send your people and recruitment news to the editor: chris@aftermarket.co.uk
German spare part manufacturer MEYLE has appointed Karl Varley as Head of Sales UK and Ireland as part of its commitment to driving growth and strengthening partnerships across the regions.
Kirsten Rothe, Vice President Sales Europe at MEYLE, commented: “Karl brings a strong combination of technical understanding, commercial experience and deep knowledge of the market and is ideally positioned to lead the UK and Ireland sales team and continue building our presence in the region.”
Karl brings more than 15 years of experience in the sector
The battery and battery accessories manufacturer, Banner, has appointed Gemma Hall as Finance Manager. Reporting directly to Country Manager, Lee Quinney, Gemma assumes responsibility for all aspects of Banner’s UK finance operation. Having held a position as Commercial Accountant for the last 21 years, Gemma has extensive experience in all aspects of accountancy and financial management . She will oversee and manage all day-to-day accounting processes, whilst taking ownership of statutory accounts, managing local and group reporting systems, and assisting with all relevant and required external and internal audits.

to the position, including over three years with MEYLE as an Account Manager. In his new role, he will focus on driving further growth, developing the sales team, strengthening key customer partnerships, pursuing new opportunities and helping to lead the brand across the UK and Ireland.

WAI has announced the promotion of Marc Roder to International Sales Director, further strengthening its leadership team as the business continues its expansion across the UK, Europe and the rest of the world.

Marc will drive WAI’s international sales strategy, whilst continuing to lead and develop the sales performance across the UK. With more than 15 years’ experience in the industry, he will work closely with international buying groups, independent distributors and specialist partners to drive growth, strengthen relationships and maximise commercial opportunities.
Commenting on Gemma’s appointment, Lee Quinney said: “The whole team at Banner is delighted to welcome Gemma into the fold. She has a proven track record in the arena of commercial accounting, and we are confident she will prove instrumental in supporting Banner’s ongoing development here in the UK.”
Marc commented: “I’m delighted to step into this new role at such an exciting time for the business. My focus will be on leading the team to deliver sustainable growth across our international markets. This role is about developing clear sales strategies, driving cross-functional collaboration and ensuring we continue to deliver value for our customers.”
Kumho Tyre has further strengthened its UK sales team with the appointment of Luke Emery as Area Sales Manager, covering the South East of England.
Luke joins Kumho with more than 22 years of experience in the tyre industry, having built a strong career across both passenger car and motorsport sectors. His appointment forms part of Kumho’s ongoing investment in strengthening its UK team.
Richard Lyons, Managing Director at Kumho Tyre (UK), commented: “We are delighted to welcome Luke to the

Kumho team. His appointment reflects our commitment to building a talented, future-focused team that can support our customers and continue driving the growth of the Kumho brand across the UK.
Luke added: “Having worked at Kumho in the past, I’m delighted to return at such an exciting time for the brand.”

We're a charity built by this industry to bring the next generation of talent into it — supporting apprentices, helping employers take them on, and making automotive repair visible to young people who've never considered it as a career.
When you become an AutoRaise member, you're part of that mission. And we'll help you shout about it.


Your membership includes: Your AutoRaise Member badge and digital assets for your website, email and social media


Full access to the Member Toolkit with modules covering recruitment, funding, onboarding, mentoring, HR and more Access to the AutoRaise member community forum ,
Ready-made social media templates — post, tag us, and we'll amplify you to our network























Solutions to all of the puzzles on this page can be found in the Features/Tea Break section of Aftermarket online, see the link below. But no peeking until you’ve put your word and numeracy skills to the test first. Good luck! https://aftermarketonline.net/category/tea-break/

Sudoku



Across 1 - Short negligee (8) 5 - Encourage in wrongdoing (4) 9 - Pertaining to the voice (5) 10 - Contradiction in terms (7) 11 - Food shop (12) 14 - Deep anger (3) 15 - Walk heavily and firmly (5) 16 - Sticky substance (3) 17 - Bubbling (12) 20 - Traditional example (7) 22 - Golf clubs (5)
- Portion of medicine (4)
- How a crab moves (8)
- Bay (4)
- Knife (7)
- Narcissism (4-8)
- Cheek (slang) (3)
- Remains somewhere (5)
- Science of classification (8)
- Regardless of (12)
- Decrease; lessen (5)
- Prevented from speaking (8)
- Venetian boat (7)
- Froths (5)
- Pass (anag) (4)
- 22nd Greek letter (3)









3-4 June 2026
NEC, Birmingham


5,000+ ATTENDEES

200+ SUPPLIERS



100+ HOURS OF EDUCATIONAL CONTENT




The national event for garages and workshops, getting your business up to speed in two days




















