









BEHEERSEN











BEHEERSEN
Jouw betrouwbare expert in en rond de cleanroom
Met de diensten van CWS Cleanrooms verlopen jouw cleanroomprocessen op een betrouwbare, efficiënte en duurzame manier. Achter elk van onze services staat een team van toonaangevende experts uit de branche kolaar die hun kennis en ervaring met zich meebrengen. Vertrouw op ons als uw Full-Service Provider – wij zorgen voor uw individuele behoeften en implementeren de beste oplossingen op het gebied van: Textiel, Cleaning, Verbruiksartikelen, On-Site Services & Training.
Nu contact opnemen!
Contact Nederland: +31 402621692 cleanrooms.nl@cws.com
Contact België: +32 33554903 cleanrooms.be@cws.com cws.com/cleanrooms
Beste lezers,
Het is met veel plezier dat ik je welkom heet bij de tweede editie van VCCN Contamination Control Magazine in 2024. Kennis delen ten behoeve van kritische omgevingen is waar we sterk in zijn bij VCCN. Door onze cursussen, bijeenkomsten én publicaties heb je altijd toegang tot de nieuwste informatie en ontwikkelingen in ons vakgebied. Ik vind het mooi om te zien hoe relevante onderwerpen via deze verschillende kanalen worden belicht.
Zo lees je in deze editie meer over hoe gedrag in cleanrooms en operatiekamers een essentieel, maar vaak onderschat aspect van contamination control is. Iets wat ook een terugkerend thema was op het Nationaal Symposium Contamination Control begin juni in Apeldoorn. Verder bespreken we de belangrijke rol van duurzaamheid en patiëntveiligheid in operatiekamers. Hoe kunnen we onze processen optimaliseren om zowel milieuvriendelijk te zijn als de hoogste normen van patiëntveiligheid te handhaven?
Een ander hoogtepunt is 2ndSCIN, een baanbrekende technologie die de toekomst van cleanliness-critical automation zal transformeren. Deze innovatie belooft aanzienlijke verbeteringen in efficiëntie en betrouwbaarheid, en we onderzoeken hoe deze technologie kan worden toegepast in diverse sectoren.
Tot slot besteden we aandacht aan het beheersen van kve’s in koude WFI generatie systemen. Sinds 2017 is productie van water voor injectie (WFI) met membranen goedgekeurd door de Europese autoriteiten. Voorwaarde zijn twee membraanbarrières en een verhoogde controle van de microbiologische niveaus van het systeem. Ligt de weg nu open voor een brede toepassing van WFI generatie o.b.v. membraanfiltratie?
Ik wens iedereen veel leesplezier met de diversiteit aan interessante artikelen. Daarnaast wens ik u alvast een hele fijne zomer toe met mooier weer dan we tot nu toe gehad hebben.
Veel leesplezier.
BEHEERSEN VAN
KVE’S IN KOUDE WFI
GENERATIE SYSTEMEN
Traditiegetrouw zijn de Water for Injection (WFI) systemen in Europa gebaseerd op thermische distillatie. De Europese Pharmacopeia (EP) eiste tot 2017 WFI generatie met thermische distillatie. Hoewel de United States Pharmacopeia (USP) al tientallen jaren WFI generatie op basis van membranen toestaat, is het grootste deel van de WFI systemen nog steeds gebaseerd op thermische distillatie omdat maar weinig bedrijven enkel voor de Amerikaanse markt produceren [1].
Door: Shlomo Sackstein: CEO Biopuremax Ltd Harm van den Oever: Manager Design & Engineering bij Kuijpers
2NDSCIN - OPLOSSING VOOR CLEANLINESS
KRITISCHE AUTOMATISERINGSTECHNOLOGIE
In geautomatiseerde productielijnen wordt contaminatie vaak veroorzaakt door wrijving van bewegende elementen. Een goede manier om de uitstoot van deeltjes te voorkomen is om de bewegende elementen, bijv. robots, in te pakken in een zogenaamd machinepak.
Door: Dr.-Ing. Dipl.-Phys. Udo Gommel
DUURZAAMHEID & PATIËNTVEILIGHEID IN OK’S
De CO2 voetafdruk van een operatiekamer (OK) is enorm vergeleken met andere afdelingen van het ziekenhuis. Om het energieverbruik te verminderen en de CO2 voetafdruk te verkleinen kunnen verschillende maatregelen worden genomen. Wanneer we alle maatregelen samen in een geïntegreerde chirurgische omgeving nemen, kan een reductie van 50% van de CO2 voetafdruk het resultaat zijn. Ook worden door de reductie de exploitatiekosten van een OK complex verlaagd omdat minder energie nodig is voor het ventilatiesysteem. Uiteraard mag hierbij patiëntveiligheid niet uit het oog worden gelaten.
Door: R.J.R. Noor MSc.
ALLES WAT JE MOET WETEN OVER MENSELIJK GEDRAG IN CLEANROOMS
Personeel kan ingewikkelde handelingen uitvoeren die met mechanisatie moeilijk te repliceren zijn. Maar mensen genereren en verspreiden vervuilende deeltjes. Dit artikel bespreekt hoe dit kan gebeuren en hoe dit voorkomen kan worden
Door: Koos Agricola, Brookhuis Technology
4 VOORWOORD
6 BEHEERSEN VAN KVE’S IN KOUDE WFI GENERATIE SYSTEMEN
Door: Shlomo Sackstein: CEO Biopuremax Ltd
Harm van den Oever: Manager Design & Engineering bij Kuijpers
12 2NDSCIN - ENABLER FOR CLEANLINESSCRITICAL AUTOMATION TECHNOLOGY
Door: Dr.-Ing. Dipl.-Phys. Udo Gommel
20 DUURZAAMHEID & PATIËNTVEILIGHEID IN OK’S
Door: Remko Noor MSc.
30 ALLES WAT JE MOET WETEN OVER MENSELIJK GEDRAG IN CLEANROOMS
Door: Koos Agricola, Brookhuis Technology
36 KENNIS DELEN VOOR DE SCHONE ZAAK
Door: Jos Bijman, Kennismanager VCCN
42 CURSUS UITGELICHT OPERATIEKAMER GEDRAG CURSUS
43 EEN DAG UIT HET LEVEN VAN... Eric Groenendaal
44 AGENDA CURSUSSEN 2024
45 EVEN VOORSTELLEN
45 COLOFON
Traditiegetrouw zijn de Water for Injection (WFI) systemen in Europa gebaseerd op thermische distillatie. De Europese Pharmacopeia (EP) eiste tot 2017 WFI generatie met thermische distillatie. Hoewel de United States Pharmacopeia (USP) al tientallen jaren WFI generatie op basis van membranen toestaat, is het grootste deel van de WFI systemen nog steeds gebaseerd op thermische distillatie omdat maar weinig bedrijven enkel voor de Amerikaanse markt produceren [1]. Thermische distillatie is een bewezen technologie, maar kost veel energie. Na de laatste update van de EP, die in 2017 van kracht werd, ligt de weg open voor een brede toepassing van WFI generatie o.b.v. membraanfiltratie. De EP spreekt van:
Sinds 2017 is productie van water voor injectie (WFI) met membranen goedgekeurd door de Europese autoriteiten. Voorwaarde zijn twee membraanbarrières en een verhoogde controle van de microbiologische niveaus van het systeem. ‘Elke niet-distillatietechnologie voor de generatie van WFI moet van gelijkwaardige kwaliteit zijn als die welke door middel van distillatie wordt geproduceerd, waarbij gelijkwaardige kwaliteit niet alleen betekent dat aan de specificatie wordt voldaan, maar ook rekening houdt met de robuustheid van de productiemethode’ [2].
Door: Shlomo Sackstein: CEO Biopuremax Ltd
Harm van den Oever: Manager Design & Engineering bij Kuijpers
De robuustheid van waterproductie met RO membranen is hoog, omdat de filtergrootte van een RO membraan ver onder de grootte van een bacterie ligt. Echter onvolkomenheden in het membraan of afdichtingen kunnen er toe leiden dat bacteriën lekken van de concentraat - naar de productwater zijde [3]. Voor Purified Water (PW) zal dit lage aantal kolonievormende eenheden (KVE) meestal geen Out of Specification (OOS) resultaten veroorzaken. WFI heeft een veel lagere KVE limiet waarbij wel een OOS kan ontstaan.
Met andere woorden om besmetting van het productwater te voorkomen is het cruciaal om het microbiële niveau van het RO voedingswater tot een minimum te beperken. De technische uitdaging is niet alleen om minimale bacterieniveaus te bereiken, maar ook om onderhoud en uitvaltijd tot een minimum te beperken. Gewoonlijk worden voor de voorbehan-
deling van PW en WFI water ontharders gebruikt die gebaseerd zijn op ionenwisselaars (kunsthars). Als chloorverwijdering nodig is, wordt een Actief Kool Filter (ACF) geïnstalleerd of een doseerstation met natriumbiosulfiet (SBS). Harsen en koolfilters zijn echter groeihaarden voor micro-organismen. De bacterieniveaus moeten gedurende de voorbehandeling en RO filtratie juist áfnemen om de lage bacterieniveaus te bereiken die nodig zijn om op betrouwbare wijze aan de WFI specificatie te voldoen. Controle van het systeem is essentieel. Zelfs wanneer de kwaliteit van de WFI wordt bereikt tijdens de laatste productiestap, wijzen toenemende bacterieniveaus in de voorgaande delen van het systeem op mogelijke toekomstige overschrijdingen van de specificaties [4]. Bacterievrij RO voedingswater vereist daarom een andere voorbehandeling.
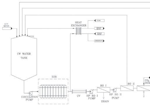
Er zijn vier casestudies uitgevoerd naar microbiële waarden in bestaande koude WFI systemen. Alle vier cases worden behandeld met Reversed Osmose (RO) geproduceerd WFI en Elektrolytic Scale Reduction (ESR) en Hydro Optic Disinfection (HOD) als voorbehandeling. De ESR-HOD voorbehandeling werkt zonder (hars)media en zonder chemicaliën. In de voorbehandeling is sprake van
een Constante Bacteriële Reductie (CBR) doordat het water voortdurend wordt gedesinfecteerd met chloor (ontstaan tijdens de electrolyse in de ESR) en hoge doses UV-straling van de HOD. In case 1-3 wordt aangetoond dat er met de combinaties ESR-HOD-RO-RO-CDI (Continuous De-ionization) en ESR-HODRO-CDI-UF (Ultra Filtration) op betrouwbare wijze WFI wordt geproduceerd.
In case 4 bleek dat een ongecontroleerde microbiologische besmetting in de RO toevoer zich in het RO-concentraatcompartiment nestelde en zich verspreidde naar het productwater. De ontstane Pseudomonas-biofilm kon na detectie eenvoudig worden verwijderd, omdat het hele systeem mediavrij is en volledig van roestvrij staal (SS) is vervaardigd. Sommige systemen in de casestudie's werden ter plaatse geïnspecteerd door de Amerikaanse Food and Drug Administration (FDA), terwijl andere extern werden geïnspecteerd door het Europees Geneesmiddelenbureau (EMA). Alle inspecties verliepen glansrijk zonder opmerkingen/ verzoeken/waarschuwingen.
Mediavrije voorbehandeling
De ESR-HOD voorbehandeling van RO voedingswater pakt besmettingen op een efficiëntere wijze aan. Er zijn geen media nodig voor ontharding en geen actieve kool voor chloorverwijdering. Deze innovatieve ESR-HOD methode elimineert de bacteriële niveaus gaandeweg tijdens de voorbehandeling en voorkomt ophoping van bacteriën zoals in ontharders en koolstoffilters.
Elektrolytic scale reduction (ESR)
De ESR is een roestvrijstalen pijp/reactor. Hierin wordt een elektrische stroom door het water gestuurd. Door elektrolyse vallen sommige watermoleculen uiteen in H+ en OH- ionen [5]. De hoge concentratie OH- ionen aan één kant van de reactor zal kalk doen neerslaan op de wand van de roestvrijstalen pijp [13]. Op deze manier
wordt de RO installatie beschermd tegen hardheidskalk. Een belangrijk bij-effect van de ESR is het ontstaan van een weinig vrij chloor afkomstig uit de omzetting van chloride ionen die standaard in het leidingwater aanwezig zijn. Dit vrije chloor werkt desinfecterend en reduceert de bacteriën uit het voedingswater tot aan de HOD.
EN VERMINDERT
CONTINU HET
BACTERIE NIVEAU
VAN HET WATER
DAT ER DOORHEEN
UV DOSERINGEN.
Hydro-optic disinfection (HOD) Vrij chloor kan worden verwijderd door het gebruik van UV straling met een hoge intensiteit [6] [7]. De HOD is een zeer krachtig apparaat dat de doseringsniveaus kan genereren die nodig zijn om de vrije chloormoleculen in het toevoerwater af te breken. De HOD desinfecteert en vermindert continu het bacterieniveau van het water dat er doorheen stroomt dankzij de zeer hoge UV doseringen.
Zowel de ESR als de HOD hebben geen bewegende delen en werken zonder chemicaliën of regeneratie. Wanneer een systeem continu bacteriën reduceert zonder dat er sanitisatie of reiniging nodig is, wordt dit ook wel Continue Bacteriële Reductie (CBR) genoemd. Na stilstand of onderhoud kan de ESR-HOD-combinatie met heet water worden ontsmet omdat beiden zijn gemaakt van heet water bestendige materialen: roestvrij staal en kwarts.
Heet water sanitisatie (HWS) en RO-Elektro Deïonisatie (RO-EDI) RO en EDI zijn de standaard geworden voor farmaceutische waterproductie. Heet water sanitisatie van RO en EDI installaties wordt toegepast voor het beheersen van kritische microbiële waarden [8]. Het is niet gebruikelijk om gelijktijdig met de RO/EDI installatie ook ontharders en/of
Figuur 1: Casestudie 1, WFI generatie met ESR-HOD-RO-Degasser-CDIkoolstoffilters te ontsmetten. Dit kan er namelijk toe leiden dat microdeeltjes en endotoxine van de media loskomen en de kwetsbare membranen verstoppen.
De ESR-HOD voorbehandeling gemaakt van roestvrijstaal kan echter zonder problemen in z’n geheel met de generatie units in korte tijd worden ontsmet met HWS.
Een ander voordeel van HWS is dat het veel effectiever is dan chemische ontsmettingsmiddelen [3].
CASESTUDIE 1:
KOUDE WFI DOUBLE
PASS RO VAN 1000 L/U
Casestudie 1 is een combinatie van ESR (Electrolytic Scale Reduction) en HOD (UV chloor neutralisatie) als voorbehandeling met een double pass RO en CDI als laatste stap (fig. 1). WFI generatie is 1000 liter per uur. Het principeschema wordt in figuur 1 gegeven.
Het systeem in casestudie 1 is een roestvrijstalen unit zoals te zien is in figuur 2. Heet water sanitisatie (HWS) wordt automatisch uitgevoerd in het weekend met een minimum van 80 °C gedurende 60 minuten.
Tijdens de Performance Qualification (PQ) werden alle chemische parameters
gehaald. Uit de resultaten was te zien dat de microbiologische groei geleidelijk afnam naarmate het water verder door het systeem stroomde. De enige uitzondering hierop vormden de resultaten van het RO-systeem na de HOD. De niveaus overschreden de waarschuwingslimiet en actielimiet in drie gevallen tijdens de twintig dagen bemonstering. De resultaten waren te wijten aan een vervuilde bemonsteringsklep. Dit is opgelost door heet water sanitisatie. Het WFI-product had op dag 13 één waarde boven de limiet. Dit werd op dezelfde manier opgelost. In het gehele productiesysteem werden
geen verdere Out of Specification (OOS) gevallen gedetecteerd ook al was de PQ meer dan een jaar geleden voltooid.
500L/UUR KOUDE WFI
DOUBLE PASS RO
Casestudie 2 betreft eenzelfde systeem als bij casestudie 1 maar met een WFI generatie van 500 liter per uur (figuur 3). Heet water sanitisatie (HWS) wordt automatisch uitgevoerd in het weekend gedurende 60 minuten.
Tijdens de PQ werden alle chemische parameters gehaald. Ook hier werd een doorgaande gestage afname van de microbiologische groei gemeten naarmate het water vanaf het voedingswatervat door het systeem stroomde. Kenmerkend voor deze studie is de slechte kwaliteit leidingwater op het terrein. Vergeleken met casestudie 1 verschillen de microbiële waarden een factor 3 in ordegrootte. Toch vertonen de RO 1, RO 2 en CDI zeer lage niveaus van microbiële groei. Afgezien van het voedingswater werden er verder geen Out of Specification gevallen in het productiesysteem gedetecteerd ook al was de PQ meer dan twee jaar geleden voltooid.
CASESTUDIE 3: 500 L/UUR KOUDE WFI
ENKELVOUDIGE RO
Casestudie 3 is een combinatie van ESR (Electrolytic Scale Reduction) en HOD (UV chloor neutralisatie) als voorbehandeling met single pass RO, CDI en UF als productie. Zie figuur 4. WFI generatie is 500 liter per uur. Er is geen opslagtank voor WFI en het productwater wordt door de fabriek gecirculeerd en teruggevoerd naar de voedingswater breektank (fig.5). Heet water sanitisatie (HWS) wordt automatisch uitgevoerd in het weekend gedurende 60 minuten.
De totale hoeveelheid geproduceerd water van 500 l/h is beschikbaar voor alle gebruikers, maar het gelijktijdig gebruik is beperkt. Dit type systeem is perfect voor kleinere R&D of scale-up installaties. Uitbreiding van het systeem kan eenvoudig met toevoeging van een WFI opslagtank zonder wijziging van het productiesysteem.
Tijdens de PQ werden alle chemische parameters gehaald. De microbiologische niveaus zijn extreem laag omdat
het systeem het water continu door alle onderdelen laat circuleren: ESR, HOD, RO, CDI en UF. Deze situatie is perfect voor de gebruikers in de fabriek. Opgemerkt moet worden dat tijdens de PQ periode, 4 weken lang geen HWS is toegepast. Daarmee is aangetoond dat er sprake is van een Constante Bacteriële Reductie (CBR) doordat het water voortdurend wordt gedesinfecteerd met chloor (ontstaan tijdens de electrolyse in de ESR) en hoge doses UV-straling van de HOD. Er werden geen andere Out of Specifiation gevallen gedetecteerd in het productie-
systeem, ook al was de PQ meer dan vier jaar geleden voltooid.
4:
KOUDE WFI 500 L/UUR
DUBBEL PASSERENDE RO
Casestudie 4 is eenzelfde systeem als casestudie 1, maar met een WFI generatie van 500 liter per uur, zie figuur 5. Heet water sanitisatie (HWS) wordt automatisch uitgevoerd in het weekend gedurende 60 minuten.
Deze locatie wordt gevoed met water uit een plaatselijke waterbron, die niet goed wordt onderhouden. Het voedingswater is vaak verontreinigd met een hoog totaal aantal KVE en Pseudomonas.
De resultaten voor alle chemische parameters werden altijd gehaald. Na de PQ ontstonden er echter problemen.
Het watersysteem werd twee dagen offline gehaald voor reiniging. Filters en RO membranen werden verwijderd en de filter/RO behuizingen werden handmatig gereinigd. Een 2% natronloog oplossing werd gedurende 60 minuten bij 45 °C gecirculeerd. Daarna werd het systeem gespoeld en kreeg een HWS behandeling.
De resultaten waren gedurende drie weken bevredigend wat betreft de Pseudomonas, maar er werden nog steeds hoge totalen KVE’s gemeten. Dit viel samen met hogere KVE waarden in het
Figuur 4: Opstelling Casestudie 32[1] A Bevilaqua, Soli TC., ‘Survey of Pharmaceutical System Users on the Use of Non-distillation system for Production of WFI’, Pharmaceutical Engineering. Nov / Dec 2011; 31 (6).
[2] Press Release, 154th Session held in Strasbourg, France, European Pharmacopoeia Commission adopts revised monograph on Water for Injections allowing production by non-distillation technologies, March 2016
[3] Theodore H. Meltzer, ‘Pharmaceutical Water Systems’, page 169, 113, 493, 1997
[4] Shlomo Sackstein, ‘Microbiological Study of a New Design of PW/WFI’, Pharmind, Wissenschaft und Technik, Pharm. Ind. 79, Nr. 10, 1-4 (2017)
voedingswater. Hoewel het niveau aan de uitgang van de HOD altijd nul was, ontstond er toch groei in de RO-installatie.
Zelfs het voorheen steriele permeaat van vertoonde tekenen van microbiële groei. Tijdens deze besmettingen zijn er geen Out of Specification gevallen in het productwater geconstateerd maar dat zou waarschijnlijk niet lang meer duren. Daarom werd het systeem voor vijf werkdagen stopgezet en werden de volgende acties ondernomen:
1. Systeem werd gereinigd zoals voorheen.
2. De HWS werd opgevoerd van één keer per week naar twee keer per week.
3. Filters werden elke twee weken vervangen i.p.v. elke 4-6 weken.
4. Chloor werd toegevoegd aan de voedingswatertank, 0,2-0,4 ppm.
Hierna was het systeem stabiel en is het nog steeds sinds deze interventie van meer dan twee jaar geleden.
De laatste update van de EP, die in 2017 van kracht werd, opent de deuren voor koude WFI generatie. Uit de casestudies blijkt dat
een RO gebaseerd systeem betrouwbaar WFI kan produceren, zelfs in geval van problematisch voedingswater. Koude WFI generatie bespaart een aanzienlijk bedrag aan energie -, investerings - en onderhoudskosten en tevens vloeroppervlak. Bijkomend voordeel van een media- en chemicaliën vrije voorbehandeling is een substantiële afname van de onderhoudskosten en de hoeveelheid spoelwater. Ook bij systemen die nog niet aan vervanging toe zijn kan de investering in koude WFI generatie en distributie zich snel terugbetalen. Koude WFI generatie draagt naast de economische voordelen bij aan de verduurzaming van farmaceutische productie faciliteiten.
[5] Nissan Cohen, Shlomo Sackstein ‘Chemical and Media-Free Pretreatment for Biopharma RO’, Pharmaceutical Engineering, Vol 34, No 4, July/August 2014
[6] Barry Collins, Gary Zoccolante, ‘Dechlorination in Pharmaceutical Water Systems’, Pharmaceutical Engineering, February 2007, Volume 4, Issue 3
[7] Uri Levy, Ph.D. and Ori Demb, ‘Queries Regarding Short-Wavelength Dechlorination’ Internal Documentation, Atlantium, October 12, 2010
[8] ISPE, chapter 5, ‘Final Treatment Options: Non-Compendial Waters, Compendial Purified Water, and Compendial Highly Purified Water’, Second Edition, Sep 2011.
[9] Dit artikel is een samenvatting van een veel uitgebreider artikel dat te vinden is op de site van Biopuremax.
In geautomatiseerde productielijnen wordt contaminatie vaak veroorzaakt door wrijving van bewegende elementen. Een goede manier om de uitstoot van deeltjes te voorkomen is om de bewegende elementen, bijv. robots, in te pakken in een zogenaamd machinepak.
Dit artikel is afkomstig van Fraunhofer Institute for Manufacturing Engineering and Automation IPA afdeling ‘Ultraclean Technology and Micromanufacturing’. Meer informatie over dit onderzoek is te vinden op www.ipa.fraunhofer.de/2ndSCIN.
ONTWIKKELING CLEANLINESS
Om aan de strenge reinheidseisen te voldoen, begon het ‘stofvrije en schone’ werk al bij de komst van de elektronicaproductie in de jaren 1950. Cleanroomtechnologie is ontwikkeld om ongewenste deeltjesachtige verontreinigingen in een ruimte, uit de buurt van te beschermen componenten te houden door middel van gefilterde schone lucht in combinatie met een gerichte stroming.
Precisie, nauwkeurigheid, robuustheid, betrouwbaarheid, perfectie, dat zijn de eisen waaraan elke hoogtechnologische toepassing vandaag de dag moet voldoen. Het kan gaan om optische producten van zeer hoge kwaliteit, camera's of displays met een hoge resolutie, brand- en explosieveilige batterijen voor elektrische auto's, farmaceutische producten die veilig zijn voor actieve ingrediënten, kunstmatige gewrichten en implantaten voor mensen, of ‘gewoon’ ultrasnelle processors voor computergebaseerde toepassingen met behulp van EUV-technologie [1]. Ze hebben allemaal één ding gemeen: hoge tot extreme eisen aan reinheid en de afwezigheid van verontreiniging in productie- en fabricageprocessen.
In 1960 gebruikte de natuurkundige Willis Whitfield een luchtstroom met lage turbulentie om zijn werk met radioactief materiaal te bevorderen. Met dit principe van gerichte luchtstroom legde hij de basis voor moderne cleanroomtechnologie, die in de jaren die volgden snel werd toegepast op andere reinheidskritische workflows en processen [2]. Sindsdien heeft cleanroomtechnologie zijn weg gevonden naar een groot aantal productiestappen en heeft het talloze hightech-toepassingen mogelijk gemaakt. Nadat de zuiverheid van de lucht in de ruimte controleerbaar werd door middel van cleanroomtechnologie [3, 4], werden ook pogingen ondernomen om de verontreiniging die tijdens het eigenlijke productieproces werd gegenereerd, te scheiden. Mensen worden beschouwd als een hoge en zeer variabele bron van besmetting [5, 6], wat leidt tot onberekenbaar kwaliteitsverlies. Bedrijven die onder schone omstandigheden produceren, maken daarom steeds vaker gebruik van machines. Hoewel hun besmettingsgedrag niet altijd onder het niveau van de mens ligt, zijn hun emissieniveaus beheersbaar en meetbaar [7]. In geautomatiseerde productielijnen wordt contaminatie vaak veroorzaakt door wrijving van bewegende elementen [8, 9].
De optimalisatie van automatiseringssystemen en robots zelf is zeer complex [10, 11]. Een tijd- en kostenefficiënter alternatief is om ze in te pakken in een zogenaamd ‘machinepak’ [12]. Verontreinigingen die tijdens hun werking door automatiseringscomponenten worden uitgestoten, blijven in het pak en voorkomen contaminatie van de productieomgeving [13].
Door: Dr.-Ing. Dipl.-Phys. Udo GommelHet idee van het op maat gemaakte machinepak is vergelijkbaar met 's ochtends aankleden voor de kledingkast. Een menselijk lichaam is altijd hetzelfde, maar afhankelijk van de geplande activiteit en omgeving kies je de juiste kleding. Hetzelfde doel moet worden bereikt door middel van het op maat gemaakte, voor cleanrooms geschikte machinepak: de best aangepaste Machinepakken voor de betreffende cleanroom productieomgeving worden altijd gebruikt voor dezelfde automatiseringsoplossing. Dit bespaart ontwikkelingskosten voor fabrikanten van apparatuur en vermindert het aantal varianten, complexiteit, opslag- en validatiekosten. Het algemene doel is om standaard automatiseringsoplossingen die al op de markt zijn, te upgraden voor gebruik onder gecontroleerde reinheids omstandigheden. De upgrade door middel van toepassingsspecifieke, op maat gemaakte machinepakken elimineert de noodzaak van kostbare en tijdrovende nieuwe ontwerpen op het gebied van reinheid [12]. Op deze manier kan het dilemma van het niet beschikbaar zijn van voldoende automatiseringsoplossingen die voldoen aan de reinheidseisen met relatief minimale inspanning worden vermeden. Lagere aanschaf- en onderhoudskosten en een verkorte eerste inbedrijfstellingsfase zijn andere positieve gevolgen.
ONDERHOUDS -
ZIJN ANDERE
POSITIEVE
GEVOLGEN.
Het idee van de behuizing van een robotsysteem is niet nieuw. Het doel van deze beschermende robothoezen die tot nu toe op de markt verkrijgbaar zijn, is echter niet om de productieomgeving te beschermen tegen contaminatie. Ze worden gebruikt om de omhulde robots te beschermen tegen schadelijke invloeden van buitenaf, zoals warmteinbreng, vervuiling, vocht of chemisch agressieve atmosferen [14]. Het doel van dit artikel is echter om de hoge reinheid van de productieomgeving buiten de behuizing te waarborgen. Er moet dus een volledige heroverweging plaatsvinden. De huidige systemen voldoen bij lange na niet aan de hoge reinheidseisen die rechtstreeks voortvloeien uit de reinheidsspecificaties van de te vervaardigen producten. De uitstoot van
deeltjes in de gecontroleerde schone productieomgeving moet zo laag mogelijk zijn en materiaaldampen en chemische verontreinigingen uit robotbehuizingen mogen bepaalde processpecifieke limieten niet overschrijden. Bovendien moet het elektrostatisch ontladingsvermogen van de gebruikte materiaalcombinaties bekend zijn om de tribo-elektrisch geïnduceerde ladingen af te kunnen voeren. Bovendien moet de metabolische capaciteit voor potentieel aanhangende micro-organismen zo laag mogelijk zijn. In life science-toepassingen is sterilisatie van de oppervlakken van de productieapparatuur tijdens bedrijf bijzonder belangrijk om ervoor te zorgen dat er geen kruisbesmetting van werkzame stoffen optreedt.
Dit maakt duidelijk dat een machinepak niet alleen geschikt moet zijn voor cleanrooms in de zin van ISO 14644-14 [15], maar ook een aantal andere aspecten van cleanroomcompatibiliteit moet combineren (conform ISO 14644-15 [16], VDI 2083 Sheet 9.1 [17] en VDI 2083 Sheet 17 [18]).
Ook aan de mechanische eigenschappen van het machinepak worden hoge eisen gesteld:
1. Bijna onbeperkte bewegingsvrijheid van de robot eronder.
VOLDOEN NIET
VOLDOENDE AAN DE KRITISCHE
2. Werkgerelateerde veiligheid: Het machinepak mag niet leiden tot een aantasting van het prestatieniveau (volgens ISO 13849-1 [19]).
3. Materiaalmoeheid vermijden/ minimaliseren: Anders leidt de materiaalmoeheid tot scheuren in het machinepak, in combinatie met een verhoogd zelfcontaminerend gedrag van de behuizing en deeltjesemissie van de robot die onder de behuizing werkt en door de scheuren in de behuizing gaat.
4. Het aanbrengen en verwijderen van het machinepak vindt plaats met zo min mogelijk vervuiling in 2-3 uur: Vermijdt kostenintensieve onderbreking van de productie.
De tot nu toe beschikbare machinepakken voldoen niet voldoende aan de kritische reinheids- en mechanische eisen. Stijve behuizingen die niet met scharnierarmrobots kunnen worden gebruikt, zijn bijvoorbeeld problematisch, zodat in plaats daarvan vaak luchtondoordringbare platen of folies worden gebruikt. Als deze vellen/folies voldoende flexibel zijn om
de robotbewegingen vrijwel onbeperkt te kunnen uitvoeren, hebben ze last van een te hoge VOS-uitstoot van weekmakers. Zonder deze componenten wordt het plaat-/foliemateriaal voortijdig broos en gebarsten. Dit veroorzaakt een verhoogde deeltjesemissie en drukverlies tussen de binnen- en buitenatmosfeer.
Als de wanddikte van het omhullende materiaal wordt vergroot om de scheurbestendigheid te verbeteren en tegelijkertijd de luchtdoorlatendheid te verminderen, neemt het gewicht toe en wordt de behuizing stijver. Dit brengt op zijn beurt een mechanisch zeer stabiele, complexe en foutgevoelige onderconstructie met zich mee, meestal gemaakt van zwaar metaal. Hoge stilstandtijden en productiestilstanden met daaruit voortvloeiende kosten voor verontreinigde producten zijn het gevolg, zodat dergelijke systemen tot nu toe alleen gebruikt worden als tijdelijke oplossing.
Over het algemeen stellen productie- en procesplanners de reinheidseisen waaraan moet worden voldaan te hoog (overspecificatie) om een bepaald niveau van reinheid te bereiken. Dit leidt tot onnodig lange ontwikkeltijden voor de equipment engineers. Als daarentegen de reinheidseisen door onwetendheid te laag worden gesteld, voldoen de systemen later niet
aan de beoogde reinheidseisen en resulteert dit in een te hoog afkeurpercentage.
Dit probleem kan worden omzeild door de nieuwe aanpak met machinepakken. Geïnspireerd door de menselijke huid, bestaat het systeem uit een luchtdoorlatend, flexibel en meerlaags textiel dat de hierboven beschreven problemen oplost.
De innovatieve aanpak is gebaseerd op de veronderstelling dat in principe alle apparatuur kan worden omsloten door middel van een op maat gemaakt machinepak, zelfs als deze oorspronkelijk reinheids gerelateerde tekortkomingen heeft.
Zo is de automatiseringsoplossing voor elke toepassing op maat aangekleed op het gebied van reinheid.
De innovatieaanpak wordt hieronder beschreven en toegelicht aan de hand van de belangrijkste onderwerpen van de nieuwe conceptie van het machinepak, sensorintegratie, databeheer, data-analyse en een prototypische implementatie.
Concept van het cleanliness gerelateerde machinepak
Bij de selectie van materialen worden alleen materialen gebruikt die geschikt zijn voor cleanliness en die vooraf al zijn getest op hun deeltjesemissiegedrag en hun chemisch emissiespectrum, dat onder de detectiegrens ligt door middel van een TD-GC-MS (Thermal Desorption-Gas Chromatography-Mass Spectrometry),
Figuur 1: Werkingsprincipe van een textiellaag (links) en een laagcombinatie (rechts) samen met de geïntegreerde sensoren (geel) van het voor cleanliness geschikte machinepak.
Afbeelding: Fraunhofer IPA
voor productiedoeleinden. Het machinepak is geconstrueerd als een textiellagensysteem, met afstandhouders in de tussenlagen om specifiek gas- en luchtstromen op te bouwen met instelbare drukgradiënten binnen een dergelijke laag (zie figuur 1).
Als verschillende lagen worden gecombineerd om meerlaagse systemen te vormen, kunnen complexe fluïdische uitdagingen worden overwonnen. Als zowel aan de robotzijde als aan de productiezijde hoge reinheidseisen worden gesteld, wordt een onderdruk uitgeoefend op de binnenlaag. Verschillende vloeistofdoorlaatbaarheidsgraden van het textiel maken een gerichte luchtstroomgeleiding en -richting mogelijk. Het doel is altijd om het product, dat gevoelig is voor contaminatie, maximaal te beschermen. Het gebruikte textiel is ook wasbaar, steriliseerbaar en zeer flexibel.
Sensorintegratie en databeheer
Voor bijvoorbeeld gebruik in GMP ruimtes of in de halfgeleiderindustrie is een volledige documentatie van de parameters voor cleanliness en geschiktheid voor cleanrooms vereist. Hiervoor wordt
een grote verscheidenheid aan sensoren (debiet, deeltjes, drukbehoud, VOC, vochtigheid, temperatuur, enz.) geïmplementeerd in de op maat gemaakte machinepakken.
De uitdagingen van de hardwareimplementatie van de sensoren zijn legio. Zowel de energievoorziening van de sensoren als het permanent uitlezen van de verzamelde gegevens moeten worden gewaarborgd. De geïnstalleerde kabelbomen mogen echter geen negatieve invloed hebben op de beweging en precisie van de automatiseringsoplossing en mogen de meetresultaten van de sensor niet vervalsen. Daarom werden sensorknooppunten geïnstalleerd die naar behoefte flexibel kunnen worden uitgebreid. In het voorbeeld in figuur 2 registreert elk sensorknooppunt de relatieve vochtigheid, de omgevingstemperatuur en twee deeltjesgroottewaarden van de luchtverontreiniging.
Afbeelding:
Continue gegevensverzameling via geschikte, bekabelde interfaces, in combinatie met intelligente en voorgecalculeerde evaluatie van de meetwaarden met behulp van AI-algoritmen, maakt een naadloze bewaking mogelijk. Een eenvoudige en effectieve vorm van datainterpretatie wordt geboden door een zogenaamd dashboard. Zoals te zien is in figuur 3, wordt voor elke geregistreerde meetwaarde een apart diagram gegenereerd, dat de gegevens op een tijdsafhankelijke manier visualiseert. Het 3D-model laat zien waar de sensorknooppunten zich
Figuur 2: Verdeling van sensorknooppunten aan de hand van het voorbeeld van een robotarm. Afbeelding: Fraunhofer IPA Figuur 3: Dashboard voor een robot. De grafieken tonen de ontwikkeling in de tijd van deeltjesverontreiniging, temperatuur en relatieve vochtigheid op de sensorknooppunten.bevinden. Een signaalsysteem maakt het mogelijk om de status in één oogopslag te evalueren.
Data analyse
De analyse van drukverliezen, veranderende contaminatiewaarden, temperatuurschommelingen, tijdelijke veranderingen in de N2 -/H2O2 -concentratie enz. maakt het mogelijk om zeer nauwkeurige conclusies te trekken over de toestand van de automatiseringscomponent en dus over de verdere operationele mogelijkheden ervan.
De meetwaarden van alle geïnstalleerde en geïntegreerde sensoren worden statistisch geëvalueerd om een maximum aan geldige meetresultaten te verkrijgen.
Vooral in de EUV-lithografie van de halfgeleiderindustrie, die momenteel de hoogste reinheidseisen in de industriële omgeving heeft, kan een voortijdige en vooral ongeplande storing, in combinatie met een verhoogde vervuiling van de kritische halfgeleidercomponenten en -systemen, leiden tot hoge kosten.
Onderhoudsstrategie
De data-analyse levert waardevolle informatie op over aankomende onderhoudstaken, bijvoorbeeld als een verhoogde deeltjesemissie wijst op progressieve slijtage. De slijtagedetectie, evaluatie en interpretatie van de onderhoudsstrategie verloopt aanzienlijk sneller door middel van geïntegreerde deeltjessensoren in vergelijking met klassieke, tribologische methoden en is bovendien mogelijk tijdens doorlopend, regelmatig gebruik, zonder een mechanische opening van de robot [20].
Voor reguliere onderhoudstaken aan automatiserings- en robotica-oplossingen worden vaak mobiele, tentachtige, tijdelijke cleanroom-omgevingen gebruikt, die binnen enkele minuten kunnen worden opgezet. Onder deze beschermingssystemen, die met onderdruk werken, kan het
op maat gemaakte cleanroom-geschikte machinepak worden geopend om onderhoudswerkzaamheden uit te voeren. Om kruisbesmetting te voorkomen, wordt het eerder gebruikte maatpak na afloop van de onderhoudswerkzaamheden opgestuurd voor industriële reiniging. Om niet te hoeven wachten tot de reiniging is voltooid, wordt optioneel gebruik gemaakt van een wissel van het machinepak. Deze combinatie garandeert contaminatievrij onderhoud binnen enkele uren.
Voor gebruik in de halfgeleiderindustrie met de hoogste reinheidseisen is een machinepak-ontwerp ontwikkeld dat voldoet aan de geschiktheid voor gebruik in luchtzuiverheidsklasse 1, d.w.z. de luchtzuiverheidsklasse met de strengste reinheidseisen, volgens ISO 14644-14. In dit geval kan het machinepak de geschiktheid voor gebruik met een factor 1.000 tot 10.000 verbeteren. Figuur 4 toont een voorbeeld van deze implementatie.
Verder bevinden branchespecifieke varianten van het cleanroom- en cleanliness-
geschikte machinepak zich al in de prototype-realisatiefase, onder andere voor de farmaceutische - en de lucht- en ruimtevaartindustrie. Nadat bijvoorbeeld een satelliet of planetair verkenningsapparaat in een baan om de aarde is gebracht, is er geen mogelijkheid tot nabewerking. Dit vereist de best mogelijke garantie van de afwezigheid van kruisbesmetting in deeltjes-, chemische en biologische termen.
Samengevat is het ontwerp van het cleanroom-compatibele machinepak gebaseerd op de onderstaande belangrijke technische kenmerken van het op maat gemaakte machinepak geschikt voor cleanrooms.
Cleanliness specifications:
• Nul deeltjes en ontgassing:
- geschikt voor ISO-klassen 1 t/m 9 volgens ISO 14644-1 [21];
- Geschikt voor ISO-klasse 9 volgens ISO 14644-8 [22];
• Toepassing in verschillende industrieën: farmaceutica, voedselproductie, medische technologie, halfgeleiderindustrie, elektronica, optica, enz.;
• Voor life science-toepassingen: GMP-conform ontwerp maakt sterilisatie van de robot en de beschermkap mogelijk;
• ESD-geschikte materialen en materiaalcombinaties;
• Laag microbicide gedrag van de gebruikte materialen.
Op maat gemaakt machinepak:
• Individueel aanpasbaar ‘reinheidsgerelateerd maatpak’;
• Constructief ontwerp: meerlaagse structuur van textiel, stroomrichting en drukverschillen instelbaar;
• Gebruik van materialen die geschikt zijn voor cleanrooms;
• Hoge slijtvastheid;
• Laag chemisch emissiespectrum;
• Elektrostatisch dissipatief;
• Steriliseerbaar en wasbaar;
• Kan worden gebruikt voor roterende en scharnierende armbewegingen;
• Korte insteltijd: enkele uren;
• Bijna onbeperkte bewegingen mogelijk;
• Toepasbaar op een breed scala aan automatiseringen componenten;
• Lage inherente stijfheid van het materiaal van het machinepak om een minimaal beperkt bewegingsbereik te garanderen.
Luchtstroom technologie:
• Zeer flexibele ventilatie-units voor negatieve/positieve druktoevoer;
• Zeer efficiënte filtratie (deeltjes, chemisch, biologisch);
• Overstroming van de meerlagige constructie, d.m.v. N2, ultra zuiver gecomprimeerde lucht, enz.;
• Desinfectie/sterilisatie van de robots/ automatiseringssystemen door middel van van H2O2;
• Meerlaagse structuur maakt de gelijktijdige aan- en afvoer van verschillende gassen en luchtkwaliteiten binnen de apparatuurspecifieke machinepak;
• Gebruik van textiellaagbegrenzingen met, aangepast aan de toepassing, verschillende gradaties van permeabiliteit.
Kunstmatige intelligentie (AI):
• Structuur: Uitgerust met sensoren voor continue data-acquisitie;
• Sensortechniek voor verontreinigingen: deeltjes, chemische verontreinigingen, ESD-eigenschappen, biocontaminatie;
• Sensoren voor bedrijfsparameters: temperatuur, vochtigheid, gas, debiet, luchtdruk;
• Monitoring: continue evaluatie van de werkelijke staat: intactheid, zuiverheidseigenschappen, staat van de ruimte;
• Op AI gebaseerde data-analyse: prognose tool, predictief onderhoud voor:
- ontwikkeling van de emissie van deeltjes in de tijd;
• Beoordeling van het risico op contaminatie, slijtage:
- ontwikkeling van de chemische emissie in de tijd;
• Beoordeling van het contaminatie risico, leeftijd.
VOORUITZICHTEN
De vraag naar automatiseringsoplossingen die geoptimaliseerd zijn voor cleanliness en het voorkomen van kruisbesmetting is groot. Nu al kan aan deze vraag niet langer worden voldaan door bestaande en tijdrovende apparatuurontwikkelingen. Een oplossing wordt geboden door op maat gemaakte machinepakken, die geschikt zijn voor cleanliness, die in korte tijd, van slechts enkele weken, kunnen worden geoptimaliseerd en gerealiseerd voor de specifieke toepassing met specifieke cleanlinesseisen. De oplossing combineert de verdere ontwikkeling van cleanroomtechnologie, mini- omgevingen, innovatieve ventilatieconcepten, materiaalonderzoek, textieltechnologie, AI-integratie, sensornetwerken en intelligente data-analyze.
Innovatief is de meerlaagse structuur van het textiel, die wordt gebruikt bij verschillende drukken, gassoorten en stromingsrichtingen. Het voorkomt kruisbesmetting en beschermt zowel de producten die tijdens de productie moeten worden vervaardigd als de automatiseringsoplossing zelf.
Ook de data-verzameling is een noviteit. Op basis van, op cleanliness gerichte, geminiaturiseerde sensorsystemen leiden tot het monitoren van noodzakelijke aanpassingen van de bedrijfsmodus.
De metingen en analyses die onder ultraschone omstandigheden in referentielaboratoria werden uitgevoerd, evenals de eerste prototypes van de machinepakken in een industriële omgeving, bewijzen de validiteit van de reinheidsspecificaties. In de toekomst zullen verdere veldtests worden uitgevoerd in een breed scala van industriële segmenten om de geschiktheid voor het bereiken van de ambitieuze doelstellingen aan te tonen.
De CO2 voetafdruk van een operatiekamer (OK) is enorm vergeleken met andere afdelingen van het ziekenhuis. Om het energieverbruik te verminderen en de CO2 voetafdruk te verkleinen kunnen verschillende maatregelen worden genomen. Wanneer we alle maatregelen samen in een geïntegreerde chirurgische omgeving nemen, kan een reductie van 50% van de CO2 voetafdruk het resultaat zijn.
Ook worden door de reductie de exploitatiekosten van een OK complex verlaagd omdat minder energie nodig is voor het ventilatiesysteem. Uiteraard mag hierbij patiëntveiligheid niet uit het oog worden gelaten.
Deze uitstoot is tegengesteld aan het hoofddoel van een ziekenhuis. Volgens de algemeen directeur van de WHO, de heer Tedros Adhanom Ghebreyesus, is een ziekenhuis er om mensen te beschermen.
“Zorgfaciliteiten vormen het operationele hart van de dienstverlening, het beschermen van de gezondheid, het behandelen van patiënten en het redden van levens. Toch zijn voorzieningen in de gezondheidszorg ook een bron van koolstofemissies, die bijdragen aan de klimaatverandering. De faciliteiten in de gezondheidszorg in de wereld stoten CO2 uit door het gebruik van aanzienlijke hulpbronnen en energieverslindende apparatuur. Dit is misschien ironisch - als medische professionals is het onze plicht om ‘ten eerste geen kwaad te doen’. Plaatsen van genezing moeten het voortouw nemen en niet bijdragen aan de ziektelast.”
Door: Remko Noor MSc.
In 2015 werd in Parijs een overeenkomst ondertekend door bijna 200 deelnemers aan de klimaatconferentie. Tot de deelnemers behoren de meeste landen van de wereld die met de overeenkomst een belangrijke stap maken om de gevolgen van klimaatverandering te beperken. De maximale temperatuurstijging dient < 1,5 K te zijn om extreme weersomstandigheden en stijging van de zeespiegel te voorkomen. Deze maatregelen moeten resulteren in een vermindering van de CO2 uitstoot met 50% in 2050 wereldwijd. Om dat doel te bereiken moeten door iedereen een aantal stappen gezet worden. In Nederland zijn alle ziekenhuizen samen verantwoordelijk voor een CO2 voetafdruk van ongeveer 7% van de totale uitstoot van het land.
Ziekenhuizen zouden pioniers moeten zijn op het gebied van duurzaamheid, maar het tegenovergestelde is de realiteit. Ziekenhuizen wachten lang met het terugdringen van hun energieverbruik en de vraag is of alle ziekenhuizen in 2050 aan hun verplichting zullen voldoen. In 2050 moeten alle ziekenhuizen geen CO2 -uitstoot hebben. In 2030 zou de reductie van ieder ziekenhuis 55% moeten zijn vergeleken met de uitstoot in 1990. Om deze doelen te bereiken moeten ziekenhuizen een aantal stappen zetten. Wel moet bij elke reductie de patiëntveiligheid gegarandeerd zijn.
Het terugdringen van het gebruik van fossiele brandstoffen is een manier om de CO2 -reductie te realiseren. Daarnaast is het minderen in consumptie een manier om te reduceren. Elk ziekenhuis zou moeten kijken naar het totale gebruik van disposables, energie en fossiele brandstoffen en op basis daarvan een geïntegreerde routekaart opstellen richting nul-uitstoot van CO2. Vanuit de overheid wordt dit ook gefaciliteerd en door middel van bijvoorbeeld de Milieu Thermometer Zorg worden handvatten gegeven om de doelen te bereiken.
Het energieverbruik van medische ruimten en medische apparatuur is hoog vergeleken met de reguliere apparatuur en kamers in een ziekenhuis. De huidige medische apparatuur heeft al een laag energieverbruik vergeleken met consumentenapparatuur zoals koelkasten. De technische ontwikkeling gaat door, maar de richtlijnen en wetten veranderen maar traag of niet. Wanneer de richtlijnen worden gewijzigd en innovaties een kans krijgen, kan een deel van het energieverbruik worden verminderd en de CO2uitstoot worden verlaagd met eenvoudige maatregelen en op natuurlijke momenten. Met de volgende eenvoudige maatregelen kan het energieverbruik al worden verminderd:
• Gebruik LED-verlichting;
• Beperk het standaard verlichtingsniveau.
• Gebruik aanwezigheidsdetectie voor de aansturing van verlichting, binnenklimaat en medische apparatuur.
• Minder obstakels in het operatiegebied waardoor de verstoring van de luchtstroom wordt verminderd en de effectiviteit wordt vergroot.
• Verruim de beperkingen van de relatieve vochtigheid van 50 - 65% naar 35 - 80%.
• Gebruik warmteterugwinningssystemen in het luchtbehandelingssysteem.
• Verminder ventilatievoud.
• Verminder circulatievoud.
PATIËNTVEILIGHEID
Met de duurzame oplossingen zal het energieverbruik omlaag gaan. Niet duidelijk is of daarmee andere belangrijke factoren ook afnemen. Duurzame oplossingen zijn belangrijk, maar het belangrijkste aspect in een OK is patiëntveiligheid. Wanneer er energie nodig is voor de behandeling van de patiënt is reductie van die systemen niet belangrijk. Het gevolg is dat de meest cruciale systemen in een OK, 24 uur per dag en 7 dagen per week aan staan. Maar alleen tijdens de operatie moet de veiligheid van de patiënt worden gegarandeerd. Voor en na een operatie is de patiëntveiligheid in de OK niet belangrijk omdat dan andere handelingen zoals schoonmaak worden uitgevoerd.
In veel OK’s staat alle apparatuur aan en is niemand geïnteresseerd in het terugdringen van het energieverbruik, lijkt het wel. Wanneer er in een OK-team over duurzaamheid wordt gesproken, gaan de meeste discussies over het gebruik van herbruikbaar materiaal of disposables. Ondertussen wordt er veel energie gebruikt voor de bestrijding van microbiologische verontreinigingen. Om een patiëntveilige en duurzame omgeving te creëren kunnen beide aspecten worden samengevoegd. Wanneer andere beademingssystemen worden gebruikt en bestaande systemen met andere beperkingen worden gebruikt, wordt de patiëntveiligheid gegarandeerd, worden Post Operatieve Wond Infecties (POWI’s) voorkomen en zal het energieverbruik afnemen.
POWI
Om POWI’s te voorkomen worden er in een OK verschillende maatregelen genomen. Reiniging en desinfectie zijn belangrijk voor het verminderen van het aantal micro-organismen op oppervlakken. Voor het verwijderen van aerogene verontreiniging is een hoeveelheid lucht en een luchtverdeling nodig. De hoeveelheid lucht en de verdeling van de lucht zijn de belangrijkste zaken bij de bestrijding van aerogene vervuiling. Alleen een enorme hoeveelheid lucht is niet de oplossing voor het creëren van een veilige operatieomgeving. De verdeling van de lucht is minstens zo belangrijk voor het creëren van een veilige operatieomgeving.
DUURZAME OPLOSSINGEN
De ventilatie in de OK wordt gebruikt ter voorkoming van besmetting die de kamer binnenkomt en het afvoeren van besmetting die in de kamer ontstaat. Door het gebruik van lucht met een lage snelheid ontstaat een ultra-schoon operatiegebied. De grootte van het gebied is gebaseerd op de wijze van verdeling van de lucht en de effectiviteit is gebaseerd op de hoeveelheid lucht. Door beide aspecten te combineren kan een optimaal resultaat worden gecreëerd.
Het gebruik van lucht is vanwege de gemakkelijke manier van transport en lucht heeft geen negatieve invloed op de totale
omgeving zoals water dat wel doet. Water creëert een natte omgeving die niet geschikt is voor operaties. Maar lucht is een verkeerd medium voor het transport van energie. De soortelijke warmtecapaciteit van lucht is 1 kJ/kg.K, terwijl de soortelijke warmtecapaciteit van water 4,187 kJ/kg.K is.
Voor beperken van contaminatie is lucht belangrijk en voor energietransport moet gebruik worden gemaakt van een ander medium. Het minimaliseren van de luchtstroom zal helpen de doelstellingen van CO2 -reductie te bereiken als de patiëntveiligheid op een constant of beter niveau blijft.
In Nederland is een Laminair Air Flow (LAF)-systeem de standaard in OK’s met een ultra-schoon operatiegebied. Het systeem heet een LAF-systeem, maar in gebruik zal het een Uni Directional Flow (UDF)-systeem zijn met enige turbulentie vanwege de apparatuur en mensen die in de OK aanwezig zijn. Een standaard OK is ongeveer 50 m2 groot en heeft een hoogte van 3 meter. Het LAF-systeem heeft een afmeting van 3,4 x 3,4 m, wat neerkomt op 11,56 m2. De luchtstroom op de operatietafel bedraagt meer dan 12.450 m3/h met een snelheid van 0,3 m/s. De afvoer bevindt zich voor 65% net boven vloerniveau en voor 35% net onder het verlaagd plafond.
vermindering van lucht met 40%. Om erachter te komen welk patiëntveiligheidsniveau aanwezig is bij een TcAF-systeem is een stresstest uitgevoerd in een OK in Zweden, waar het TcAFsysteem is geïnstalleerd volgens de specificaties van de fabrikant.
De testen zijn uitgevoerd voordat de nieuwe FMS richtlijn en het NOV standpunt waren uitgebracht. Om die reden is in dit onderzoek gekeken naar de eisen in de WIP richtlijn uit 2014 voor een OK voor orthopedische chirurgie. Dit betekent dat er een OK-complex klasse 1 met een OK prestatieniveau 1 met UDF gerealiseerd moet worden.
Bij classificatie van het ventilatiesysteem zijn metingen “In Rust” uitgevoerd op basis van deeltjesmetingen. De validatie en classificatie is gebaseerd op VCCN-richtlijn 7 ‘Methode voor het testen en classificeren van operatiekamers en opdekruimten’, gedateerd juni 2017. Omdat de meetmethode is gebaseerd op 2 verschillende reinheidszones in de OK, kan deze richtlijn niet worden gebruikt voor andere systemen dan een LAF-systeem. Voor het bepalen van de mate van bescherming en hersteltijd dient de gelijkwaardigheid aangetoond te worden door middel van een alternatieve meetmethode voor het TcAF ventilatiesystemen.
Om de gelijkwaardigheid aan te tonen en ziekenhuizen een gevoel te geven bij het TcAF ventilatie systeem zijn een aantal vragen gesteld. Deze vragen over het TcAF ventilatiesysteem zijn:
• Welke grenzen heeft een TcAF ventilatiesysteem?
• Voldoet een TcAF-systeem aan de Nederlandse richtlijnen?
Om te bepalen welk effect het TcAF ventilatiesysteem op de OK geeft, zijn metingen uitgevoerd in een OK met een TcAF ventilatiesysteem. Deze metingen moeten voldoen aan de uitgangspunten en eisen zoals beschreven in dit artikel om de effectiviteit van het TcAF-systeem aan te tonen.
De belangrijkste eisen zoals vastgelegd door de leverancier van TcAF en in de WIP-richtlijn “Luchtbehandeling in operatiekamers en kleedruimtes in operatiekamer klasse 1”, d.d. november 2014 zijn als volgt verwoord:
• OK complex: klasse 1
Sinds 2016 is een aantal OK’s in Nederland uitgerust met een Temperature controlled Air Flow (TcAF) systeem. Dit systeem functioneert met een centraal plenum met 8 airshowers en 12 externe airshowers verdeeld over de oppervlakte van de OK. De luchtstroom bedraagt ongeveer 7.000 m3/h met een gemiddelde snelheid van 0,3 m/s op de operatietafel. De afzuiging bevindt zich voor 100% net boven vloerniveau. Dit systeem is relatief nieuw en ziekenhuizen willen weten of de patiëntveiligheid op hetzelfde niveau is gegarandeerd als een LAF-systeem. De twijfel van ziekenhuizen is gebaseerd op de
• Prestatieniveau: 1
• ISO klasse: 5
• Hersteltijd centrum steriel gebied: ≤ 3 minuten
• Beschermingsgraad centrumsteriel gebied: ≥ 3 (factor 1000)
• Beschermingsgraad periferie: ≥ 2 (factor 100)
• Luchtsnelheid op tafel niveau: ≥ 0,25 m/s
• Temperatuurverschil: ≥ 1,5 K
• Afzuiging: 100 % laag
MEETMETHODE
De metingen zijn uitgevoerd in een OK in Zweden omdat in Nederland nog te beperkt OK’s waren uitgerust met het TcAF ventilatiesysteem. De OK bevindt zich op de 5e verdieping van een gebouw en bevindt zich aan twee buitengevels. Beide buitenmuren zijn voorzien van 90% dubbele beglazing en een voorzetraam. Overdag was het uitzonderlijk warm in Zweden. De buitentemperatuur was overdag gemiddeld 27 °C. De zon heeft de hele dag rechtstreeks op de gevel gestraald, waardoor de externe warmtebelasting een bijdrage heeft geleverd aan de totale warmtelast in de OK.
De OK-toegang is voorzien van een airlock met dubbele draaideuren. Alle lucht in de OK is HEPA-gefilterd en de OK heeft een oppervlakte van 54 m2. Het luchtdebiet in het midden van de OK was 2.760 m3/h en de externe airshowers hebben een debiet van 3.145 m3/h. Tijdens alle metingen was er sprake van overdruk in de OK als de deuren gesloten waren.
Tijdens alle metingen zijn op vijf posities deeltjesmetingen uitgevoerd en op twee posities microbiologische metingen. Om de gelijkwaardigheid van het systeem en de robuustheid ervan aan te tonen is de volgende meetopstelling gebruikt, zie figuur 1.
Om te bepalen of het TcAF-systeem geschikt is voor de operaties worden diverse gesimuleerde ingrepen uitgevoerd. Tijdens 4 gesimuleerde operaties zijn deeltjes- en microbiologische metingen gedaan. De volgende gesimuleerde operaties zijn uitgevoerd:
• Operatie 1: Knieoperatie
• Operatie 2: Open buikoperatie
• Operatie 3: Keizersnede
• Operatie 4: Traumaoperatie aan het bovenbeen
Tijdens alle metingen "In bedrijf" waren de personen op de OK gekleed in OK-kleding en voorzien van mutsen en mondkapjes. De mensen in het steriele gebied waren steriel gekleed. Niemand in de OK was volledig gescrubd en de patiënt werd bedekt zoals bij een echte operatie. Het gedrag op de OK verloopt niet geheel volgens protocol tijdens alle operaties. Loopsnelheid en posities waar personen verblijven verschillen van een reguliere operatie. Tijdens een reguliere ingreep is de loopsnelheid lager en het gedrag rustiger. Alle "In bedrijf" operaties hebben een minimale duur van 50 minuten gehad.
Figuur 1: OK met meetopstelling
De rode cirkels zijn de airshowers. De paarse sterren geven de posities van de deeltjestellers aan en de groene sterren geven de posities van deeltjestellers aan in combinatie met microbiologische metingen.
De start van de metingen zal zijn met een chirurgische ingreep met beperkte warmtelast en deeltjesbelasting. Bij de volgende chirurgische ingreep zal het aantal mensen en apparatuur worden vergroot. De laatste ingreep simuleert de maximale warmtelast en de maximale belasting qua verontreiniging. Gedurende de dag zullen de deeltjestellers het aantal deeltjes ≥ 0,5 µm en ≥ 5,0 µm registreren. Tijdens de chirurgische ingrepen worden de microbiologische meting uitgevoerd conform de Zweedse richtlijn. Volgens de Zweedse norm is het maximale aantal KVE ≤ 10 kve/m3 in de OK en ≤ 5 kve/m3 in het steriele gebied.
1. Knie operatie
De eerste ingreep was een omvangrijke knieoperatie. Tijdens de procedure waren 5 personen en 1 patiënt aanwezig in de OK. De opstelling van personen en meetpunten in de OK tijdens de procedure is weergegeven in figuur 2.
In het midden van de OK staat een OK-tafel met daarop een patiënt. Daarnaast zijn er twee instrumententafels. Rechts van het bed staat een scopietoren en aan het uiteinde van de OK-tafel staat een anesthesieapparaat. De chirurgische ingreep duurde 52 minuten en tijdens de ingreep waren er 6 deuropeningen. Bij één deuropening was de airlock volledig geopend. De overige deuropeningen zijn met de werking van de airlock doordat maar één zijde open was.
De deeltjestellers zijn gedurende het gehele traject operationeel geweest. Bij alle metingen worden de deeltjes met een grootte ≥ 0,5 µm en ≥ 5,0 µm geteld. Tijdens de procedure werden tien aegar platen in twee posities gebruikt. De resultaten van de metingen van procedure 1 is weergegeven in tabel 1.:
2. Open buikoperatie
De tweede procedure was een open buikprocedure. Tijdens de procedure zijn er 7 personen en 1 patiënt aanwezig in de OK. De opstelling van personen en meetpunten op de OK tijdens de operatie is weergegeven in figuur 3.
In het midden van de OK staat een OK-tafel met daarop een patiënt. Daarnaast zijn er twee instrumententafels. Rechts van het bed bevindt zich een afzuigunit en aan het uiteinde van de OKtafel bevindt zich een anesthesieapparaat. De procedure duurde 53 minuten, met twaalf deuropeningen. Bij vier deuropeningen werd de airlock volledig geopend. De overige deuropeningen zijn met de werking van de airlock doordat maar één zijde open was.
De deeltjestellers zijn gedurende het gehele traject operationeel geweest. Bij alle metingen worden de deeltjes met een grootte ≥ 0,5 µm en ≥ 5,0 µm geteld. Tijdens de procedure werden tien aegar platen in twee posities gebruikt. De resultaten van de metingen van procedure 2 zijn gegeven in tabel 2.
3. Keizersnede
De derde chirurgische ingreep was een keizerssnede. Tijdens de procedure waren er negen personen en één patiënt aanwezig in de OK. De opstelling van personen en meetpunten op de OK tijdens de operatie is weergegeven in figuur 4.
In het midden van de OK staat een OK-tafel met daarop een patiënt. Daarnaast zijn er twee instrumententafels. Rechts van het bed bevindt zich een afzuigunit en een Bair-huger. Aan het eind van de tafel staat een anesthesieapparaat. De operatie duurde 52 minuten met acht deuropeningen. Alle deuropeningen zijn met de werking van de airlock doordat maar één zijde open was.
De deeltjestellers zijn gedurende het gehele traject operationeel geweest. Bij alle metingen worden de deeltjes met een grootte ≥ 0,5 µm en ≥ 5,0 µm geteld. Tijdens de procedure werden tien aegar platen in twee posities gebruikt. De resultaten van de metingen van procedure 3 zijn gegeven in tabel 3.
4. Trauma ingreep aan het bovenbeen
De vierde ingreep was een trauma ingreep aan het bovenbeen. Tijdens de procedure zijn dertien personen en één patiënt aanwezig op de OK. Tijdens de operatie werd de C-boog in de OK gebracht en opgesteld. Ook werd er tijdens de procedure veel beweging uitgevoerd. De opstelling van personen en meetpunten in de OK tijdens de operatie is gegeven in figuur 5.
Figuur 6: Impressie OK tijdens de ingreep.
In het midden van de OK staat een OK-tafel met daarop een patiënt. Daarnaast zijn er twee instrumententafels. Rechts van het bed bevindt zich een afzuigunit en een Bair-huger. Aan het eind van de tafel staat een anesthesieapparaat. Tijdens de operatie werd de C-boog binnengebracht en gepositioneerd. De operatie duurde 50 minuten, met 36 deuropeningen. De airlock is bij zes deuropeningen volledig geopend. De overige deuropeningen zijn met de werking van de airlock doordat maar één zijde open was.
5: Opzet chirurgische procedure 4.
De deeltjestellers zijn gedurende het gehele traject operationeel geweest. Bij alle metingen worden de deeltjes met een grootte ≥ 0,5 µm en ≥ 5,0 µm geteld. Tijdens de procedure werden tien aegar platen in twee posities gebruikt. De resultaten van de metingen van procedure 4 zijn gegeven in tabel 4.
De conclusie is dat het TcAF-systeem een goed ventilatiesysteem is om het steriele veld te beschermen. Het TcAF ventilatiesysteem kan een ultra-schoon gebied realiseren in een OK wat geschikt is voor orthopedische ingrepen. Het systeem blijft bij alle metingen binnen de gestelde microbiologische eisen conform de Zweedse richtlijn. Ook blijft het niveau van deeltjes erg laag ten opzichte van de uitstoot van deeltjes van een persoon met rustige werkzaamheden in een iet gecontroleerde omgeving.
Het systeem is robuust en verstoringen hebben een minimale impact op de functionaliteit. De functionaliteit is ook beschikbaar wanneer de warmtebelasting toeneemt en bij extreem gedrag van mensen. Het systeem kan echter niet voldoen aan alle eisen zoals gesteld in de Nederlandse richtlijnen omdat deze uitgaan van 2 reinheidszones in één ruimte terwijl bij een TcAF systeem maar één reinheidszone aanwezig is in de ruimte.
Met een TcAF ventilatiesysteem wordt hetzelfde niveau van patientveiligheid gegarandeerd als met een LAF ventilatiesysteem door de leverancier. Met een reductie van het luchtdebiet en een andere luchtverdeling wordt een hoog niveau van patiëntveiligheid gerealiseerd. Met het TcAF-systeem wordt het luchtvervoerdebiet met 40% verminderd.
De metingen geven een goed beeld van de functionaliteit en robuustheid van het TcAF ventilatiesysteem. Protocollen en gedrag tijdens een echte chirurgische ingreep verschillen van de gesimuleerde chirurgische ingrepen. Wel worden alle noodzakelijke voorzorgsmaatregelen genomen en gaat de medische staf zoveel mogelijk volgens de protocollen te werk.
De deeltjes en kve geven een goed overzicht van de luchtkwaliteit tijdens chirurgische ingrepen. De metingen geven geen verband tussen deeltjes en kve. De verschillende soorten chirurgische ingrepen geven geen verschil in effectiviteit van het ventilatiesysteem. Elke chirurgische ingreep geeft hetzelfde overzicht van de functionaliteit van het ventilatiesysteem. Bij de chirurgische ingreep 4 is de stand van de lamp en de C-boog zichtbaar in de deeltjestellingen. Omdat de lamp zich bijna boven het wondgebied bevindt en de C-boog nabij het wondgebied staat, worden er meer deeltjes in dat gebied geteld.
Bij chirurgische ingreep 4 is het aantal kve hoger dan bij de andere ingrepen vanwege het aantal mensen en het gedrag van de mensen. De OK stond vol met mensen en apparatuur en de mensen bewogen zich snel en niet volgens het protocol en de juiste manier van gedrag in een OK.
DISCUSSIE
Patiëntveiligheid is belangrijk in een OK. Met een geïntegreerde OK oplossing kan een ziekenhuis zijn doelstellingen op het gebied van patiëntveiligheid en het verkleinen van de CO2 voetafdruk in één keer bereiken. De CO2 voetafdruk van een OK is enorm vergeleken met andere afdelingen van het ziekenhuis. Om het energieverbruik te verminderen en de CO2 voetafdruk te verkleinen kunnen verschillende maatregelen worden genomen. Wanneer we alle maatregelen samen in een geïntegreerde chirurgische omgeving nemen, kan een reductie van 50% van de CO2 voetafdruk het resultaat zijn. Ook worden door de reductie de exploitatiekosten van een OK complex verlaagd omdat minder energie nodig is voor het ventilatiesysteem.
CPS 6000 touch screen systeem voor het bewaken van over- en onderdruk in ruimten.
Features:
• Touch screen grafisch kleuren display
• Interne en externe Modbus
• Individuele alarmen
• Eenvoudige installatie & configuratie
• Meerdere display ’s te combineren
• Individuele vertragingstijden in te stellen
• Beveiligd met pass-word
• Meerdere opnemers via Modbus te koppelen.
Toepassingen:
• Operatie kamers
• Patiënten kamers
• Isolatie kamers
• Apotheken
• Cleanrooms
• Laboratoria
• Filter bewaking
• Ruimte druk
62xx verschildruk transmitter
• vrij instelbaar bereik
• hoge nauwkeurigheid
• auto-zero optioneel
• analoge uitgangen
• Modbus
• optioneel display
• volt en mA uitgang
PBSC MD-Hi
Desinfectie hatch met geïntegreerde
Bioquell waterstofperoxide generator
Bioquell ProteQ
Waterstofperoxide generator voor desinfectie van laboratoria en cleanrooms
Tecnilab-BMI levert reeds meer dan 20 jaar producten en diensten op het gebied van desinfectie oplossingen in de vorm van ruimte desinfectie en/of apparatuur desinfectie. Ook benieuwd wat Tecnilab-BMI voor u kan betekenen? Kijk dan op www.tecnilab-bmi.nl
PBSC MD-Ci
Desinfectie kamer met geïntegreerde
Bioquell waterstofperoxide generator
Bioquell L-4
Waterstofperoxide generator voor desinfectie van equipment en ruimten
Vind o.a. Bioquell en PBSC producten exclusief bij Tecnilab-BMI. We help you move forward. www.tecnilab-bmi.nl
Personeel kan ingewikkelde handelingen uitvoeren die met mechanisatie moeilijk te repliceren zijn. Maar mensen genereren en verspreiden vervuilende deeltjes. Dit artikel bespreekt hoe dit kan gebeuren en hoe dit voorkomen kan worden
In een gereinigde cleanroom zonder draaiende apparatuur bepaalt de cleanroom-installatie, die bestaat uit de cleanroomschil, luchtbehandeling, het filtratie- en circulatiesysteem en de zuiverheid van de buitenlucht, de resulterende luchtzuiverheid in rusttoestand. Er zal geen deeltjesdepositie van macrodeeltjes zijn. In bedrijfstoestand neemt de deeltjesconcentratie in de lucht toe met de verhouding tussen de totale sterkte van de bron en het effectieve luchttoevoervolume. De effectieve luchttoevoer is het luchttoevoervolume maal het ventilatierendement. Waarbij het ventilatierendement de verhouding is tussen de lokaal verwijderde deeljtes en de totaal deeltjes. Het luchttoevoervolume en de grootte van de ruimte bepalen de verwijderingsefficiëntie van deeltjes.
In de meeste cleanrooms wordt de sterkte van de contaminatie bepaald door het personeel. Over het algemeen bepalen de gemiddelde cleanroominhoud per persoon, de gekozen kleding en de omkleedprocedure de resulterende bronsterkte voor het deeltjesgroottebereik van 0,1 µm tot zichtbare deeltjes. Vervolgens bepaalt de toevoer van schone lucht de zuiverheid van de lucht en de deeltjesdepositiesnelheid.
Na enige tijd zal door deeltjesdepositie het aantal oppervlaktedeeltjes toenemen en kan een kleine fractie opnieuw in de lucht zweven en bijdragen aan de depositie van deeltjes. Het reinigingsprogramma moet de oppervlakteconcentraties voldoende laag houden.
Het beheren van een cleanroom wordt beschreven in ISO 14644-5. De huidige norm is in 2004 gepubliceerd. Een nieuwe versie is in voorbereiding. Het ontwerp van de commissie is al beoordeeld door de 24 deelnemende landen van het ISO Technical Committee 209.
MENSELIJKE CONTAMINATIE
Een persoon stoot meer dan een miljard deeltjes per 24 uur af. Dit gebeurt niet gelijkmatig, maar in uitbarstingen, afhankelijk van de levensstijl en activiteiten van de persoon. De emissie kan variëren van 100.000 tot 10.000.000 deeltjes ≥ 0,5 μm per minuut.
Het aantal uitgestoten deeltjes is omgekeerd evenredig met de deeltjesgrootte, wat betekent dat het product van het aantal deeltjes en de deeltjesgrootte constant is per waargenomen periode.
Bovendien hangt het niveau af van de persoon en zijn activiteit. Het aantal afgestoten deeltjes kan worden verminderd door cleanroomkleding te dragen met een goede barrièrefunctie. Richtlijnen voor de selectie van cleanroomkleding
en andere verbruiksartikelen voor cleanrooms worden beschreven in de nieuwe norm ISO 14644-18.
Een persoon neemt ook deeltjes op van verschillende oppervlakken en uit de omringende lucht (buiten de cleanroom) op de straatkleding. Tijdens het aantrekken van cleanroomkleding kan een fractie van deze deeltjes worden overgebracht naar de buitenkant van het kledingstuk door contactoverdracht en afzetting. De barrièrefunctie van cleanroomkleding neemt toe voor grotere deeltjes, maar er kunnen nog steeds bijna zichtbare deeltjes worden uitgestoten.
De impact van de kleding die onder de cleanroomkleding wordt gedragen, kan worden verminderd door het gebruik van gereinigde cleanroom- onderkleding. Als alternatief kan regelmatig gereinigde werkkleding voor binnenshuis, van niet-natuurlijke vezels, de kruiscontaminatie beperken die wordt waargenomen met straatkleding.
Voor evaluatiedoeleinden kan tabel 1 worden gebruikt. Er wordt een schatting van de bronsterkte gemaakt voor cleanroomjas met kap en overschoen (of cleanroomschoenen), cleanroomoverall met capuchon en cleanroomschoenen, cleanroomoverall met capuchon, laarzen, mondkapje en bril (volledig cleanroompak) en een combinatie van cleanroompak met onderkleding.
De verwachte werkelijke emissie zal ergens binnen een bereik van +50% van de gegeven getallen liggen.
Personeel stoot niet alleen deeltjes uit (en microben-dragende deeltjes), maar verspreidt ook deeltjes op oppervlakken.
Door loop- en armbewegingen kunnen oppervlaktedeeltjes weer opgenomen worden in de lucht.
Als het personeel de impact van hun acties niet begrijpt, dragen ze bij aan contaminatie door verstoring van luchtstro -
men en deeltjesoverdracht door contact te maken met onreine contactoppervlakken en kritieke oppervlakken.
De gevolgen van menselijke activiteit met betrekking tot contactoverdracht en opnieuw gaan zweven kunnen worden verminderd door oppervlakken schoon te houden door regelmatig te reinigen.
De meeste werkzaamheden in een cleanroom wordt uitgevoerd door personeel, tenzij de eisen zodanig streng zijn dat mensen van de kritieke locatie gescheiden moeten worden. Scheidingsinrichtingen worden beschreven in ISO 14644-7. Dit document wordt momenteel herzien.
De belangrijkste activiteiten die door mensen worden uitgevoerd zijn:
1. In- en uitrijden van de cleanroom
2. Reiniging
3. Aan- en afvoeren van goederen
4. Uitvoeren van werkprocessen
5. Onderhoud
De impact van menselijke activiteiten kan worden beheerst door de richtlijnen van ISO 14644-5 te implementeren. In de nieuwe versie wordt aanbevolen om verschillende controleprogramma in bedrijf op te zetten.
Voor het ontwerp van een beheerprogramma moet een risicobeoordeling worden uitgevoerd. Voor een goede uitvoering moet het personeel worden opgeleid. De doeltreffendheid van de beheerprogramma moet worden gecontroleerd. Waar nodig moet het programma worden verbeterd.
Voor het verlaten en betreden van de cleanroom zijn belangrijke aspecten het aantal personen, het aantal shifts, lockers voor persoonlijke goederen, mogelijkheid om handen te wassen, cleanroomkleding, gebruiksfrequentie van cleanroomkleding, opslagruimte voor cleanroomkleding, omkleedprocedure etc.
De manier waarop de cleanroom wordt verlaten is ook belangrijk, evenals hoe de in- en uitgang worden gescheiden, fysiek of in de tijd. Om de beoogde in- en uitgang uit te kunnen voeren, moet het
apparatuur, gereedschappen, onderdelen en materialen, hun grootte, aantal en de reinheid van het oppervlak. Misschien is ruimte nodig voor uitpakken, handmatige reiniging en reinheidsinspectie. Soms maakt een schoonmaakproces deel uit van het instapprogramma. De beoogde in- en uitgang van goederen is belangrijke input voor het ontwerp en de bouw van een cleanroom.
lang mogelijk worden afgeschermd, enz. De operator mag de schone luchtstroom, die het kritieke oppervlak bescherm, niet verstoren.
beheerprogramma vóór het ontwerp van de cleanroom worden opgesteld en dus in de eisen worden opgenomen. Voor het ontwerp, de bouw en de opstart is vorig jaar een nieuwe norm ISO 14644-4 gepubliceerd.
Reiniging
Het reinigen van oppervlakken is erg belangrijk bij het beheersen van contaminatie. De reiniging kan worden onderverdeeld in het reinigen van grote oppervlakken (vloeren, muren, deuren, ramen en plafonds) wat meestal wordt uitgevoerd door professionele schoonmakers en in het reinigen van apparatuur, gereedschappen, werkoppervlakken en inkomende goederen, wat voornamelijk door personeel wordt gedaan. In geval van microbiologische besmetting kunnen desinfectieprocessen worden toegevoegd. Idealiter worden de beoogde reinigingsprocessen en de benodigde faciliteiten bepaald voordat een cleanroom wordt ingericht. Voor de selectie van reinigingsprocessen wordt een leidraad gegeven in ISO 14644-13:2017. Voor het binnenkomen van goederen in de cleanroom is het belangrijk te weten wat de beoogde goederen zijn, zoals
Vaak staat het personeel tijdens werkprocessen in nauw contact met kritieke gebieden in de buurt van kritieke oppervlakken. Werkprocessen moeten zo worden ontworpen dat de afstand tussen de operator en het kritieke oppervlak maximaal is, zonder dat er bewegingen boven het kritieke oppervlak plaatsvindt. Contact moet worden vermeden of de juiste tooling moet worden ontwikkeld. Gereedschap en onderdelen moeten zo
Preventieve en correctieve onderhoudsmaatregelen moeten zodanig worden beschreven dat de verontreiniging tot een minimum wordt beperkt. Dit betekent dat reiniging een onderdeel moet zijn van het onderhoudsproces. Bij voorkeur wordt gebruik gemaakt van gereinigde() cleanroom tooling. Anders moet er een reinigingsprogramma zijn voor gereedschap en reserveonderdelen.
VAN HET PERSONEEL
Voor de implementatie en uitvoering van het beheerprogramma moet worden gezorgd voor een goede opleiding van het personeel. Een dergelijke opleiding moet niet beperkt blijven tot het aan-
Reiniging van de cleanroom is onderdeel van het beheerprogramma.
leren van procedures, maar ook tot het begrijpen van besmettingsmechanismen en het uitleggen van de noodzaak van procedures.
Tijdens opfriscursussen moet de initiële opleiding niet worden herhaald, maar worden opgefrist door discussies en oefeningen over het bewustzijn van de impact van menselijk gedrag. Online training kan voor gevorderden nuttig zijn.
MONITORING
Alle activiteiten in een cleanroom moeten worden beschreven in procedures. Er moet worden toegezien op de juiste uitvoering en doeltreffendheid van deze procedures.
Naast deeljtesmonitoring moeten ook de resultaten van kwaliteit en opbrengst van de uitgevoerde processen worden meegenomen in de evaluatie van monitoringsgegevens. Verkregen gegevens kunnen worden gebruikt om de reinigingsefficiëntie en deeltjesdepositiesnelheden te bepalen.
De lay-out, airconditioning, geselecteerde kleding, kledinggebruik, omkleedprocedure en de uitvoering en reiniging zijn allemaal bepalend voor het beperken van de uitstoot van deeltjes. Deeltjes die in de cleanroom vrijkomen, worden vervolgens onderdeel van het systeem dat de luchtzuiverheid en de deeltjesdepositiesnel-
Een duidelijke omkleedprocedure is van belang.
heid bepaalt. Reductie van deze deeltjes maakt een reductie van het toevoerluchtvolume mogelijk en dit zal het energieverbruik verminderen.
Het wordt aanbevolen om het maximaal benodigde personeel in de cleanroom en de bijbehorende procedures te bepalen voordat u de cleanroom inricht. Kies de kledingstukken zo afsluitend mogelijk om de uitstoot van deeltjes te beperken. Zorg voor voldoende ruimte voor het aantrekken van cleanroomkleding om kruisbesmetting door andere mensen die de cleanroom betreden te beperken. Als de contaminatie door personeel moet worden verminderd, gebruik de cleanroomkleding dan niet te vaak. Bij elk gebruik raken de kledingstukken meer vervuild, waardoor de kruisbesmetting
IN DE KLEEDKAMER KAN
van binnen naar buiten en de omgeving toeneemt.
Luchthoeveelheid in de kleedkamer
In de kleedkamer kan de persoon die zich omkleedt in cleanroomkleding als een kritisch oppervlak worden beschouwd.
Een persoon zonder cleanroomkleding zal een hoge deeltjesuitstoot hebben en daardoor zal de luchtzuiverheid afnemen. Dit inzicht zal helpen bij het bepalen van de vereiste luchttoevoer en luchtcirculatie.
De luchtcirculatie bepaalt de verwijderingsefficiëntie en het is aan te raden om deze hetzelfde of beter te maken dan in de cleanroom, afhankelijk van het aantal personen dat de kleedkamer passeert.
Verder moet de kleedkamer vaker worden schoongemaakt dan de cleanroom.
Aan de hand van de gegevens in tabel 1 en de werkelijke of overwogen luchttoevoer over het gebied per persoon kan de verwachte toename van de concentratie van deeltjes in de lucht (C5) van ≥ 5 μm worden berekend. Om te beginnen kan de volgende formule worden gebruikt:
C 5 = (2 • S5) / Q waarbij S5 het uitgestoten aantal deeltjes ≥ 5 μm per minuut is (bronsterkte) en Q de toevoer van schone lucht over het opper-
vlak van de persoon in m3/min. Met een goed ventilatierendement kan dit met 20 tot 40% worden verminderd.
ISO 14644-17:2021 beschrijft een relatie tussen de concentratie van luchtgedragen
deeltjes ≥ 5 μm (C 5) en de deeltjesdepositiesnelheid van deeltjes ≥ 5 μm (R 5) die door luchtstroom kunnen worden verwijderd met behulp van de formule: R 5 = 81,2 • C 5 0,773
Deeltjes ≥ 50 μm kunnen niet door luchtstroom worden verwijderd en zetten zich af op omliggende oppervlakken. De ver-
wachte deeltjesdepositiesnelheid van deeltjes ≥ 50 μm (R 50) kan worden bepaald door het uitgestoten aantal deeltjes ≥ 50 μm per minuut (S50) gedeeld door het gebied dat door de persoon wordt beïnvloed in m2 A p. A p zal ongeveer 4 tot 8 m2 zijn, afhankelijk van de grootte van de kleedkamer.
De totale deeltjesdepositie bepaalt de deeltjesconcentratie op het oppervlak. Deze berekening kan worden gebruikt om de reinigingsfrequentie te bepalen, maar ook om een inschatting te maken van de keuze van schoenen en kleding die de cleanroom gebruikt zullen worden.
In dit voorbeeld wordt de impact berekend van de emissie van deeltjes ≥ 5 μm en deeltjes ≥ 50 μm door personeel. Het volgende is bekend:
Deeltjesemissie door persoon: S5 = 500.000 deeltjes per minuut en S50 = 50.000 deeltjes per minuut;
De kleedruimte per persoon is 4 m2 en de hoogte van de ruimte is 2,5 m.
De luchttoevoer Q is 30 m3/h per m2;
De luchttoevoer per persoon is 4 • 30/60 = 2 m3 per minuut.
De luchtverversingssnelheid is 30 / 2,5 = 12 per uur (circulatievoud).
De deeltjesconcentratie in de lucht neemt toe met: C 5 = 2 • S5 / Q = 2 • 500.000 / 2 = 500.000 deeltjes ≥ 5 μm per m3
De deeltjes met deeltjesdepositiesnelheid met deeltjes ≥ 5 μm na binnenkomst totdat de verandering is voltooid, is R 5 = 81.2 • C 5 0.773 = 2.065.000 deeltjes ≥ 5 μ per m2 per uur of 34.400 per m2 per minuut per persoon.
De impact op de oppervlaktereinheid van de kleedkamervloer gedurende 5 minuten zal zijn: 34.400 • 5/4 = 43.000 deeltjes ≥ 5 μm per m2 per binnenkomst per persoon.
De deeltjes met een deeltjesdepositiesnelheid ≥ 50 μm na binnenkomst totdat de verandering is voltooid, is: R50 = S50 / Ap = 50.000 / 4 = 12.500 deeltjes ≥ 50 μm per m2 per minuut per persoon.
De impact op de oppervlaktereinheid van de kleedkamervloer gedurende 5 minuten zal zijn: 12.500 • 5 / 4 = 15.600 deeltjes ≥ 50 μm per m2 per binnenkomst per persoon.
De afzetting van deeltjes in de kleedkamer zal toenemen met het aantal personen en het aantal binnenkomsten. In het geval dat dezelfde ruimte wordt gebruikt voor het uitkleden, zal de afzetting veel hoger worden.
De impact kan worden verminderd door de reinigingsfrequentie te verhogen.
Overdracht via schoenen kan worden verminderd door schone kleverige matten te gebruiken.
Wanneer mensen de cleanroom verlaten en zich uitkleden, kan er een explosie van deeltjes ontstaan. Daarom moeten inen uitgangen fysiek of in de tijd worden gescheiden.
Het personeel moet worden opgeleid om de wijzigingsprocedure en de in- en uittredeprocedure regelmatig uit te voeren. Handen wassen en het gebruik van handschoenen moeten in deze training worden opgenomen.
Real-time monitoring van de luchtzuiverheid en de deeltjesdepositiesnelheid tonen de impact van verandering door personeel. Met behulp van de verkregen gegevens zullen eenvoudige berekeningen laten zien hoeveel deeltjes er in de cleanroom zullen worden vervoerd. Het verwijderen van oppervlaktedeeltjes is echter niet eenvoudig, zelfs een luchtdouche zal slechts een klein deel verwijderen, afhankelijk van de verblijftijd en -omstandigheden. Tijdens werkzaamheden in de cleanroom komt een fractie van de oppervlaktedeeltjes vrij.
Personeel is belangrijk en moeilijk te vervangen door mechanisatie. Als kritieke deeltjes echter kleiner zijn dan 5 μm, moet er een scheiding zijn tussen personeel en kwetsbare product- en procesoppervlakken.
Zolang enige contaminatie door macrodeeltjes wordt geaccepteerd, kunnen goede faciliteiten, procedures en training de negatieve impact van het personeel voldoende beperken. Verbeterd beheer zal de deeltjesdepositiesnelheid verminderen en daardoor de kans op oppervlakteverontreiniging. Verbetering van de werking van de cleanroom vermindert het benodigde luchttoevoervolume om het vereiste luchtzuiverheidsniveau te bereiken. Dit vermindert de benodigde hoeveelheid energie.
De missie van VCCN: Sharing the knowledge is de afgelopen periode verder ingevuld met de organisatie van een excursie naar SRON, en het Nationaal Symposium Contamination Control. Twee succesvolle evenementen voor onze leden.
Op 31 mei jl verzamelde een groep enthousiaste leden van VCCN zich voor een inspirerende excursie naar het nieuwe gebouw van SRON (Netherlands Institute for Space Research) in Leiden. De excursie bood een unieke gelegenheid om een kijkje te nemen achter de schermen van dit state-of-the-art onderzoekscentrum, dat recentelijk haar deuren heeft geopend.
Tijdens de excursie kregen de deelnemers een reeks boeiende presentaties. Elk van hen gaf een beknopte uitleg over diverse aspecten van het nieuwe gebouw van SRON.
Jan Geralt Bij de Vaate, Head of Instrument Science, gaf een inkijk in de werkzaamheden van SRON en hoe het gebouw hiervoor dienst doet. Met de groeiende behoefte aan geavanceerd ruimte-onderzoek en de noodzaak om samenwerkings-
verbanden te versterken, was de verhuizing naar een modern en goed uitgerust gebouw een logische stap.
Laurence van Benthem, Projectarchitect bij Ector Hoogstad Architecten, ging vervolgens in op het ontwerp van het gebouw. De architectonische visie en de praktische overwegingen hebben geleid tot een met duurzaamheid en flexibiliteit die voldoet aan de strenge eisen voor de cleanrooms en een omgeving waar wetenschappelijk werk plaats kan vinden. Frank van Rijn, Deerns, en tot voor kort werkzaam bij SRON, is betrokken geweest bij de realisatie van de nieuwbouw in Leiden. Dit proces startte al in 2008. Het gehele proces met alle beslismomenten werd toegelicht. Met name hoe tot de indeling van het gebouw werd gekomen werd toegelicht, zoals de verschillende laboratoria, kantoren en gemeenschap -
pelijke ruimtes, die allemaal zijn ontworpen om samenwerking en innovatie te stimuleren. Er is speciale aandacht besteed aan de technische infrastructuur om te voldoen aan de hoge eisen van ruimteonderzoek.
Facilitair Manager Hans Bosman ging verder in op het beheer van de gebouw en specifiek de cleanroom en technische ruimten.
Uiteraard mocht de rondleiding langs de cleanrooms, laboratoria, gemeenschappelijke en technische ruimten niet ontbreken. De excursie naar SRON bood een waardevolle inkijk in een van de belangrijkste onderzoeksinstituten van Nederland. VCCN is SRON zeer erkentelijk voor de organisatie en de mogelijkheid dat onze leden in staat zijn gesteld het gebouw en de diverse ruimten te bekijken en hiervan te kunnen leren.
SRON bood VCCN leden een kijkje in de cleanrooms en technische ruimten van het nieuwe gebouw in Leiden waar wetenschappelijk ruimte-onderzoek plaats heeft.
Het Nationaal Symposium Contamination Control georganiseerd door de Vereniging Contamination Control Nederland (VCCN) op 5 juni 2024 was een groot succes. Het symposium bracht bijna 190 experts en professionals samen om de nieuwste ontwikkelingen en uitdagingen op het gebied van contaminatie control te bespreken, aangevuld met een bedrijvenmarkt met 23 deelnemende organsiaties.
Het programma bestond uit twee lezingprogramma’s met als thema Cleanroom Technology respectievelijk Healthcare. Belangrijke conclusie bij beide thema’s is:
Het is het proces wat de reinheidsklasse bepaald en daarmee ook de installatieen bouwkundige voorzieningen en het beheerprogramma die benodigd zijn.
Dit werd aangevuld met het belangrijke thema energiebesparing.
CLEANROOM TECHNOLOGY VOOR CONTAMINATION CONTROL
Cleanroom Technology
Het denken vanuit het proces was ook de het onderwerp van de eerste lezing in de programmalijn Cleanroom Technology. Bij contamination control draait het om de
Paneldiscussie tijdens VCCN Contamination Control Congres 2023.
beheersbaarheid van het proces. Mark van de Mortel (Deerns) geeft aan: “Vanuit deze gedachte wordt bij industrial engineering voor een zo efficiënt mogelijke productiefaciliteit dan ook primair gekeken naar dit proces, secundair naar de logistiek en als laatste pas naar de benodigde installaties. Als de specificaties voor het proces bekend zijn is de keuze en uitvoering van de bouw volgens Michiel van Kooten van
Cleanroom Combination Groep een integraal proces. Hierbij zijn diverse factoren van toepassing zoals: cleanroomsysteem, bouwmethodiek, flexibiliteit, duurzaamheid, reinigbaarheid etc.
En als er dan een cleanroom nodig is, zo claimde Derek Vissers (Kropman Contamination Control), zorg dan dat je deze ontwerpt volgens de laatste inzichten. Hiervoor zijn normen beschikbaar uit de ISO 14644 serie zoals deel 4 die tools geeft om te kunnen rekenen aan bronsterkte van de emissies en inzicht in het minimaliseren van de bronsterkte door apparatuur en de mens zoveel als mogelijk buiten de cleanroom te houden. Deel 16 geeft aanvullend daarop diverse maatregelen die leiden tot energiebesparing.
Toch blijft energiebesparing in een cleanroom lastig zegt Peter van Casteren (Philips) in zijn lezing. Ondanks de mogelijkheden gaan bedrijven vaak uit van bewezen concepten met grotere luchthoeveelheden. Van Casteren gaf aan de hand van het praktijkvoorbeeld High Tech Campus voorbeelden hoe het wel zou
Thema van de programmalijn Cleanroom Technology is: Het proces centraal.ONTWERP.
kunnen. Belangrijke factoren zijn dataanalyse, aanpak en organisatie. Computational Fluid Dynamics (CFD) is een van de hulpmiddelen die kan helpen bij een optimaal cleanroom ontwerp. Deze software is al langer beschikbaar voor de ontwerpfase maar in combinatie met BIM komen er nu ook toepassingen om CFD in te zetten in de gebruiksfase. Hierbij wordt de daadwerkelijke situatie in beeld gebracht. Eric Terry van Actiflow liet hiervan een toepassing zien hoe bij een operatiekamer de luchthoeveelheid in de klasse B-zone, na het uitvoeren van CFD-simulaties met meerdere verlaagde debieten, de eigenaar besloot om de totale hoeveelheid debiet in deze zone met bijna 40% te verminderen. Met deze technologie kunnen in de gebruiksfase veranderingen in de opstelling in de schone zone vooraf bekeken worden in relatie tot de reinheidseisen.
Tiago Brasser van Equans diepte het inzetten van digitale technieken nog verder uit. Door vanaf het begin van het ontwerp al vast te leggen in 3D Digitaal Technisch
Dossier zal de commissioning inclusief de validatie ook vastgelegd in dit digitale dossier. Het dossier wordt ook doorgezet naar de beheerfase.
In de beheerfase van een cleanroom is het bewaken van de cleanroomclassificatie van belang. Hiermee worden de gestelde reinheidseisen in de gaten gehouden. Een van de middelen om dit te doen is het monitoren van de luchtgedragen deeltjes.
Hiervoor is TR 14644-21 ontwikkeld. Mede auteur André van Tongeren, werkzaam bij Apleona, gaf een toelichting op dit Technisch Rapport en de toepassing hiervan.
Het voorkomen van wondinfecties bij operaties vraagt om aandacht voor de luchtbehandeling in de operatiekamer. De laatste tijd zijn met het uitkomen van nieuwe richtlijnen van FMS/SRI, NOV en VCCN gericht op de prestatie-eisen en het meten hiervan, nieuwe inzichten en informatie over beschikbaar. Tijdens het NSCC’24 gingen de sprekers in op de
CFD kan ook in de gebruiksfase toegepast worden om de classificatie in beeld te brengen bij wijzigingen in de ruimte.
samenhang tussen en de interpretatie van de nieuw uitgekomen richtlijnen.
In de healthcare, en dan met name in de OK, is het proces de patiënt waarbij de specificaties van de luchtreinheid gericht is op de gezondheid van deze patiënt en specifiek het voorkomen van infecties. Vanuit dit gegeven dienen de operatiekamers ontworpen, gebouwd en onderhouden te worden.
Milan Cuylits van het OLV gaf inzicht in het complexe proces hiervan. Hij benadrukte de verschillende keuzes die gemaakt moesten worden, zoals de bouwvorm en het luchtsuppletiesysteem, en hoe deze beslissingen invloed hadden op de uiteindelijke validatie en classificatie van de operatiekamers. Hoe ga je om met een richtlijnen die uitgaan van een OK met 2 zones, terwijl het gekozen luchttoevoersysteem 1 zone betreft.
De orthopedisch chirurg heeft een belangrijke stem in het opstellen van de luchtreinheidseisen, vandaar ook het aanvullende standpunt van de NOV. Orthopedisch chirurg Joris Ploegmakers van UMC Groningen gaf hier een toelichting op door het delen van de gevolgen van postoperatieve wondinfecties. Ondanks dat het luchttoevoersysteem één van de factoren is waardoor infecties ontstaan is het wel zaak de eisen hiervoor zo hoog mogelijk te stellen. Andere factoren zijn bijv. de patiënt, de instrumenten of het OK-personeel. Hier vindt het nodige onderzoek naar plaats. Bijv. in het Alrijne ziekenhuis. Gerda Lelieveld en Myriam Derks van dit Ziekenhuis presenteerden hun onderzoek naar de oorzaken van postoperatieve wondinfecties (POWI). Ze benadrukten het belang van infectiepreventie en de noodzaak van nauwgezette monitoring en traceerbaarheid om de ziektelast te verminderen.
VCCN richtlijn 7, Meetmethode OK classificatie, gaat uit van 1 methode, bedoeld voor een OK opgedeeld in 2 zones. Voor een ander luchttoevoersystemen met bijv. 1 zone voldoet deze meetmethode niet. Op dit moment wordt RL7 herzien en voorzitter van de projectgroep, Frans Saurwalt gaf hierop een toelichting. Hij benadrukte de verbeteringen in de tekst en structuur van de richtlijn en de aanpassingen aan de actuele SRI(FMS) Richtlijn. Saurwalt legde ook uit hoe de nieuwe richtlijn aansluit bij het NOV verenigingsstandpunt en het IGJ-toetsingskader.
In de nieuwe RL7 is ook een classificatie meetmethode opgenomen geschikt voor meerdere type inblaassystemen. Remko Noor van D2 Ontwikkeling is betrokken geweest bij het bepalen van de nieuwe methode en deelde de conclusies met de zaal. Hierbij gaat het om de hersteltijdmetingen en ook het aantal emmissiebronnen en warmtelasten rond de OK tafel.
De classificatie meetmethode is onder andere gebaseerd op de CEN meetmethode. Echter de nieuwe Europese richtlijn laat op zich wachten omdat consensus ontbreekt. Dit was voor de Scandinavische landen de reden om zelf een richtlijn op te stellen. Kim Hagström, voorzitter van R3 Nordic, ging inhoudelijk in op deze richtlijn. Besproken werden de criteria voor het ontwerp, de realisatie en de kwaliteitsborging
van ventilatiesystemen in ziekenhuizen, met aandacht voor zowel hygiënische als duurzame aspecten.
Naast de nieuwe SRI/FMS richtlijn voor Luchtbehandeling in operatiekamers en behandelkamers heeft SRI begin dit jaar ook een nieuwe richtlijn Isolatie gepubliceerd. Marcel Isken, werkzaam bij het Canisius-Wilhelmina Ziekenhuis, legde uit hoe de tot standkoming van een dergelijke richtlijn gaat en ging daarnaast inhoudelijk in op het veilig isoleren van patiënten zonder extra kosten en besmettingsrisico's.
Er is onderzoek gedaan naar een classificatie meetmethode die zowel geschikt is voor UDAF (links) als voor niet-UDAF (rechts) luchtinblaassystemen. (bron: Jos Lans)
25 t/m 26. 9. 2024
Op zoek naar contaminatievrije productie?
Cleanzone is de enige plek waar u de allerbeste toepassingen voor cleanrooms voor alle industrieën vindt. www.cleanzone.messefrankfurt.com info@netherlands.messefrankfurt.com Tel. +31 70 262 9071
Gedrag en discipline van medewerkers vormen twee belangrijke aspecten in het beheersen van luchtgedragen contaminaties in operatiekamers en daarmee het voorkomen van wondinfecties bij patiënten. Als je werkzaam bent in een OK complex is het belangrijk om je bewust te zijn van jouw invloed op de luchtkwaliteit en het beperken van verspreiding van micro-organismen. In de VCCN Operatiekamer Gedrag Cursus maak je kennis met de eisen die gesteld worden in de verschillende klassen operatiekamers. Door het volgen van deze basis cursus begrijp je waarom deze eisen noodzakelijk zijn en hoe jij kan bijdragen aan het creëren van een veilige omgeving.
ALGEMENE INFORMATIE
• Je hebt geen specifieke vooropleiding nodig;
• De cursus is Nederlandstalig;
• Je krijgt les van zeer ervaren docenten;
• Het betreft 1 lesdag van 9.00 uur tot circa 16.00 uur;
• De groep bestaat uit minimaal 10 en maximaal 25 deelnemers om de interactie tussen docent en cursisten te kunnen bewerkstelligen.
• Bekijk voor alle beschikbare data de cursusagenda op www.vccn.nl
VOOR WIE?
Je bent werkzaam op een OK complex of voert werkzaamheden uit in een operatiekamer of OK complex. Je wilt je kennis op het gebied van OK complexen vergroten en aan het ziekenhuis laten weten dat je een cursus met goed gevolg hebt doorlopen.
Tijdens de cursus komen de volgende onderwerpen aan de orde:
• Risico’s in een operatiekamer
• Deeltjes & micro-organisme
• Opbouw OK complex & eisen
• De mens als bron van contaminatie:
- Kleding
- Gedrag & discipline voor en tijdens aanwezigheid op OK complex
• Werken op een OK complex
• Reiniging & desinfectie
• Procedures & protocollen
Je sluit de Operatiekamer Gedrag Cursus af met een toets. Bij een positief resultaat ontvang je een certificaat. Door het tonen van je certificaat weet de verantwoordelijke voor een OK complex dat je kennis hebt genomen van de eisen en de verplichtingen ten aanzien van de toegang tot en het verblijf in een OK complex.
Voor meer informatie over deze of andere VCCN cursussen bel 088 401 06 50 of mail naar cursus@vccn.nl
Medewerker Techniek en Beheer van het Franciscus Zieken
HOE ZIET JOUW GEMIDDELDE WERKDAG ERUIT?
Als medewerker Techniek en Beheer van het Franciscus Ziekenhuis hou ik mij bezig met het Gebouw Beheersysteem van het ziekenhuis. Hieronder valt het monitoren, bewaken en aansturen van ketelhuis tot Operatiekamers en cleanrooms. Doordat dit nauw aansluit op de classificatie en validatie van de cleanrooms en de OK`s zit dit eveneens in mijn takenpakket.
Waar ik vroeger meer zelf met de uitvoering bezig was is het nu meer op regiebasis. Een werkdag is nooit hetzelfde. Het ene moment overleg ik met de adviseur over grote aanpassingen op de CSA, dan wel bezig met de begeleiding van onderaannemers of ik ga in overleg met Infectiepreventie.
WAAR BEN JE HET MEESTE TROTS OP BINNEN JE WERK?
De vrijheid die ik krijg van mijn werkgever om mijn kennis te ontwikkelen waardoor ik als volwaardig gesprekspartner met eindgebruikers, adviseurs als leveranciers tot een goede installatie kom die bijdraagt aan de kwaliteit van de zorg.
WELKE KENNIS IS ONMISBAAR VOOR JOUW
FUNCTIE EN HOE HOUD JE DIT OP PEIL?
Dat is kennis van regelgeving, normen en richtlijnen alsmede ontwikkelingen en innovaties in het vakgebied. Ik lees hiervoor onder andere het VCCN Contamination Control Magazine, TVVL magazine, CACR en Installatie totaal. Ook bezoek ik diverse symposia in ons vakgebied bij, zoals van VCCN, STIP maar ook van G100 en bodemenergie. En volg ik regelmatig relevante cursussen en bezoek beurzen. Om te zorgen dat ik vanuit meerdere invalshoeken, bijv. eindgebruiker en installateur, kennis vergaar neem ik bijv. ook actief deel aan de VCCN projectgroep 4 die RL7 herziet.
ALS JE EEN DING ZOU MOGEN VERANDEREN BINNEN
DE CLEANROOM INDUSTRIE, WAT ZOU DIT DAN ZIJN?
Ik denk dan aan de zorgsector en vooral aan de manier waarop de installaties geïnstalleerd worden. In het algemeen wordt er namelijk geen rekening gehouden met de verplichte validatie. Hierdoor zijn er tijdens de validatie vaak werkzaamheden nodig die je eigenlijk niet wil hebben in een cleanroom. Als hier betere oplossingen voor worden gemaakt tijdens de bouw dan heb je in de toekomst een beter te onderhouden installatie met een validatie rapport die goed reproduceerbaar is.
WAAR ZOU DE CLEANROOM INDUSTRIE ZICH
MEER OP MOETEN FOCUSSEN EN WAAROM?
Door goed naar elkaar te luisteren en niet in hokjes te denken zijn er mooie oplossingen mogelijk voor complexe uitdagingen. Want door zonder vooroordelen samen te werken met andere sectoren, bijv. bij het opstellen van richtlijnen, komt dit iedereen ten goede.
Opfris Cleanroom Gedrag Cursus
Woerden
Cleanroom Gedrag Cursus GMP
Woerden
Cleanroom Techniek Cursus
Woerden
Cleanroom Behaviour Course
Woerden
Cleanroom Gedrag Cursus GMP
Eindhoven
Contamination Control Cursus
Woerden
Opleiding Cleanroom Testen en Certificeren - Belangstellenden en Associate
Woerden
Opleiding Cleanroom Testen en Certificeren - Professional
Woerden
Cleanroom Reiniging Cursus
Woerden
Cleanroom Gedrag Cursus GMP
Woerden
Cleanroom Schoonmaak Cursus
Woerden
Data onder voorbehoud Bezoek voor meer informatie www.vccn.nl
CP Services B.V.
CP Services is een merkonafhankelijke servicedienst verlener op het gebied van cleanrooms, laboratoria en procesinstallaties.
Wij voeren procesmodificaties, onderhoud, kalibratie van sensoren en validatie van ruimten/installaties uit op een hoog kwaliteits- en documentatieniveau. Dit is met name belangrijk voor onze opdrachtgevers binnen de farmacie, gezondheidszorg, food en semiconductor industrie voor een schone, betrouwbare en veilige omgeving c.q. installatie.
In onze cleanroom- en trainingsfaciliteit leiden we medewerkers op, kalibreren we diverse sensoren en doen we onder andere onderzoek naar energie besparingsmaatregelen voor onze klanten. Wilt u meer weten, zie: www.cpservices.nl of kom langs bij ons in Lijnden!
ECM Europe BV Oost-Om 54 5422 VZ Gemert www.ecmbv.nl
Schoonmaakbedrijf Heuvelman B.V. Meridiaan 30 2801 DA Gouda www.heuvelmanschoonmaak.nl
Labs31 Van Nelleweg 1 3044 BC Rotterdam www.Labs31.com
DamVent Benelux BV De Star 27 j 1601 MH Enkhuizen www.damventbenelux.eu
CP Services B.V. Frankfurtstraat 16 1175 RH Lijnden www.cpservices.nl
Cleanroom-BCS
Habraken 2330 5507 TL Veldhoven www.cleanroom-bcs.com
Kuros Biosciences B.V. Professor Bronkhorstlaan 10 building 48 3723 MB Bilthoven www.kurosbio.com
OPHTEC BV
Schweitzerlaan 15 9728 NR Groningen www.ophtec.com
Match Cleaning B.V. Uilenwaard 29 5236 WB ‘s-Hertogenbosch
Ik ben 35 jaar oud, afkomstig uit Slowakije.
Afgelopen 7 jaar heb ik gewerkt in GMP/GDP omgeving, met name secondaire verpakking en temperatuur geconditioneerde opslag. Ik heb ervaring met het creëren van processen en ondersteunende documentatie, quality assurance en kwalificatie van apparatuur.
Begin dit jaar ben ik in de ‘wereld van de super schone’ gestapt, als Commissioning Engineer bij Kropman Contamination Control en ik kijk ernaar uit mijn kennis in de technische richting uit te breiden.
persoonlijke leden
Wij zijn Romy Venema, Mathijs Dost en Nadine Schulingkamp. Wij zijn als (klinisch) farmaceutisch analist werkzaam bij het Martini Ziekenhuis in Groningen. Hier hebben wij binnen het laboratorium van de apotheek het aandachtsgebied farmaceutische microbiologie. We houden ons bezig met het valideren van onder andere nieuwe medicijnen en schoonmaakmiddelen die gebruikt worden in de cleanroom. Tevens doen wij de inkeur van de gebruikte media binnen het bereidingenblok. Ook zijn wij verantwoordelijk voor het uitvoeren van ruimtemonitoring in rust. Maar het meest houden wij ons bezig met het aflezen van voedingsbodems en bouillon. Naast de microbiologie worden er binnen ons lab ook grondstoffen gekeurd die gebruikt worden bij de bereiding van de medicatie, de bereide medicatie wordt gecontroleerd op bijvoorbeeld zuiverheid en gehalte en er worden bloedspiegels geanalyseerd.
Jaargang 37
editie 2-2024
C2MGZN is een uitgave van VCCN, Vereniging
Contamination Control
Nederland
REDACTIE
Philip van Beek
Arthur Lettinga
Jos Bijman
Femke van Egmond
REDACTIE COÖRDINATIE
Verenigingsbureau VCCN
T 088 - 401 06 10 f.vanegmond@vccn.nl
ADVERTENTIEVERKOOP
Korenmolenlaan 4, 3447 GG Woerden
LIDMAATSCHAP VCCN
FOTOVERANTWOORDING
Archief VCCN
Kijk voor advertentietarieven op www.vccn.nl/c2mgzn of mail naar info@vccn.nl
Persoonlijk lidmaatschap € 50,- per jaar (incl. btw)
Bedrijfslidmaatschap € 225,- per jaar (excl. btw)
VORMGEVING EN REALISATIE
Studio Campo
VERANTWOORDING
COPYRIGHTS
De realisatie van Contamination Control Magazine is zorgvuldig voorbereid, gepland en uitgevoerd. Desondanks kan VCCN geen verantwoordelijkheid aanvaarden voor eventuele onjuistheden.
Niets uit deze uitgave mag worden verveelvoudigd en/of openbaar worden gemaakt door middel van druk, microfilm of op welke andere wijze dan ook, zonder schriftelijke toestemming van de uitgever.
november 2024 | Congrescentrum 1931, Den Bosch
Reserveer woensdag 6 november 2024 in je agenda voor het VCCN Contamination Control Congres 2024. Ben jij werkzaam op het gebied van contamination control binnen healthcare, microelektronica, farma, food of space, dan wil je dit event niet missen!
In drie parallelle lezingenprogramma’s ligt de focus op het delen van kennis tussen verschillende sectoren. Ben je nieuw binnen het mooie vakgebied van contamination control? Volg dan de presentaties in de lezingenlijn over ontwerp, realisatie en beheer van een cleanroom. Natuurlijk kun je elkaar ontmoeten op de bedrijvenmarkt, waar je meer leert over de nieuwste technieken en diensten.
• 3 lezingenlijnen
Aanmelden kan al via:
• 200 bezoekers
• 25+ bedrijven
• 15+ sprekers WE SHARE THE KNOWLEDGE!