Skip to main content

Helms Bay Landing Book REV2

Page 1


HELM'S BAY LANDING

20350 SUMMERLIN ROAD

FORT MYERS, FLORIDA 33908

PROJECT# 240065

2301NW33rdCt.Unit112,PompanoBeach,FL33069 (561)990-2590|TollFree:1-877-514-2377 TYPEMFGPARTNUMBER

2301 NW 33rd Ct. Unit 112, Pompano Beach, FL 33069 (561)990-2590 | Toll Free : 1-877-514-2377 TYPE MFG

2301NW33rdCt.Unit112,PompanoBeach,FL33069 (561)990-2590|TollFree:1-877-514-2377

2301NW33rdCt.Unit112,PompanoBeach,FL33069 (561)990-2590|TollFree:1-877-514-2377

2301 NW 33rd Ct. Unit 112, Pompano Beach, FL 33069 (561)990-2590 | Toll Free : 1-877-514-2377

NELO-6RTWMPW

P4536D-3000K-X

FL5324D-F-MCT-09

CFW523E5-L12-W1-1

HELM BAY LANDING TYPE A ALT

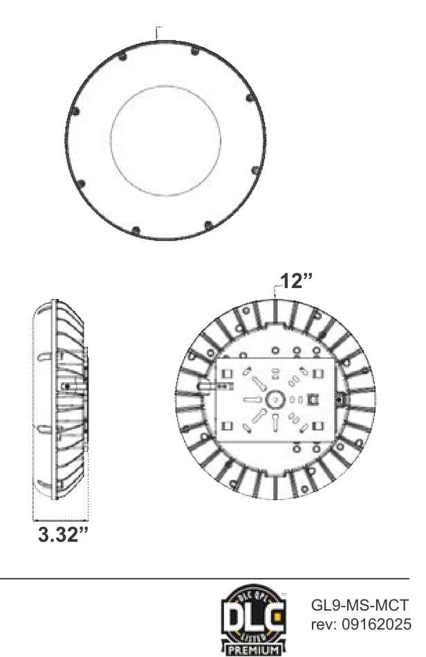
ELO LED Surface Mount Luminaire with Selectable Lumens & CCT

Source: 7W to 16W LED 700lm to 1550lm

PRODUCT DESCRIPTION

ELO LED luminaires are a thin 5/8" surface mounted luminaire with two tunable switches; Selectable Lumens allows the end user to determine the wattage input & Selectable CCT changes the color temperature appearance. Luminaires are available in 4", 6" or 8" sizes and mounts easily over a standard or fire rated junction boxes.

FEATURES

Selectable Lumen switch changes output from 700lm to 1550lm

Five color temperatures in each fixture (2700K / 3000K / 3500K / 4000K / 5000K)

120-277VAC input; 0-10V dimming

Available in three sizes (4", 6" or 8") cETLus Listed for Wet Locations

5-Year Limited Warranty

SPECIFICATION

Construction: Dead front (non-metallic) polycarbonate luminaire with integral driver and two switches (Selectable Lumens & CCT). Gasket included for airtight and wet location listing without additional caulking.

Mounting: Steel bracket can be used to surface mount onto a junction box. EVA foam gasket provided for wet location applications.

ELECTRICAL

Input Voltage: 120-277VAC

Lumens / Wattage:

PRODUCT IMAGES & DIMENSIONS

Selectable Lumens

Three position sliding switch

Selectable CCT

Aperture

NELOSW-4RTW

NELOSW-6RTW

NELOSW-8RTW

Lumens 700lm / 900lm / 1150lm 950lm / 1250lm / 1550lm 1050lm / 1350lm / 1550lm

Wattage 7W / 9W / 13W 8W / 11W / 15W 10W / 13W / 16W

Color Temperature: Selectable CCT: 2700K / 3000K / 3500K / 4000K / 5000K (Note: Preset to 3000K)

Color Rendering Index: 90+ CRI

Operating Temperature: -25°C to 40°C

Lifetime: >50,000 hours (L70)

Dimming: 0-10V

Click Here or check complete dimmer list at www.NoraLighting.com in the “Compatibility” page under “Resources” tab

OPTIONAL ACCESSORIES

NEPK-23LEDUNV: 23W Emergency with Remote Test Switch

NEPKA-20/23LEDRTS: Ribbon Test Switch for NEPK-23LEDUNV

Emergency: Luminaire is compatible with NEPK-2 3LEDUNV (ordered separately). Remote mounted battery operates luminaire for 90 minute emergency operation with a fully charged battery. Emergency includes remote test switch, ribbon test switch accessory (NEPKA-20/23LEDRTS) ordered separately.

LABELS AND LISTINGS

cETLus Listed for Wet Locations

FCC certified

5-Year Limited Warranty

Certified to the high efficacy requirements of California Title 24 JA8-2025

Suitable for use in closets when installed in accordance to NEC Section 410.16 (A)(1) and 410.16 (C)(1)

ELO LED Surface Mount Luminaire with Selectable Lumens & CCT

Size / Lumens / Wattage / Finish

NELOSW-4RTWMPWLE4 = 4" ELO with Selectable Lumens & CCT, Up to 1150lm / 13W, White Finish

NELOSW-6RTWMPWLE4 = 6" ELO with Selectable Lumens & CCT, Up to 1550lm / 15W, White Finish

NELOSW-8RTWMPWLE4 = 8" ELO with Selectable Lumens & CCT, Up to 1550lm / 16W, White Finish Diameter

Diameter: Aperture:

NELOSW-4RTW 5-1/4" 4-1/4"

NELOSW-6RTW 7" 6"

NELOSW-8RTW 8-7/8" 7-7/8"

Example: NELOSW-8RTWMPWLE4 = 8" ELO LED Surface Mount Luminaire with Selectable Lumens & CCT, White finish

6505 Gayhart Street, Commerce, CA 90040 TEL 323.767.2600 | www.noralighting.com

e-mail: nora@noralighting.com © 2026 Nora Lighting, Inc. All rights reserved. Specifications subject to change without notice.

Optional Accessories

Description NEPK-23LEDUNV = 23W Emergency LED Driver w/ Remote Test Switch

NEPKA-20/23LEDRTS = Ribbon Test Switch for NEPK-23LEDUNV

TYPE A SPEC LONS HELM BAY LANDING

ORDERINGINFORMATION Leadtimeswillvarydependingonoptionsselected Consultwithyoursalesrepresentative Example: LONS35/50LOSARLSSMVOLTEZ1

LDN8

LDN8 8"round 27/ 2700K 50 5000lumens LOS Downlight AR Clear LSS Semi-specular TRW Whitepaintedflange MVOLT Multi-volt

30/ 3000K 60 6000lumens LW8 Wallwash WR* White LD Mattediffuse TRBL Blackpainted flange 120 120V

35/ 3500K 80 8000lumens BR* Black LS Specular FCPC Custompaintedflangeonly

277V TCPC; Custom FRALTBD RALpaintedflangeonly 40/ 4000K 100 10000lumens paintedtrim

120 12000lumens TRALTBD* RALpainted 150 15000lumens trim 200 20000Iumens Driver

GZlO 0-lOVdriverdimsto10% (blank) NoEmergencyNeeded (blank) NoControlInputNeeded HAO* Highambientoption(40°()

GZl 0-lOVdriverdimsto1% EL Battery pack(lOW constant power), SSAIR Wirelessstandalone embeddedcontrolbySensorSwitch CP* ChicagoPlenum

EZl 0-lOVeldoLEDdriverwith non-T20compliant,integraltestswitch NPP16D nlight"networkpower/relaypackwith0-lOVdimming RRL RELOC0-readyluminaireconnectors ELR Batterypack(lOWconstantpower), fornon-eldoLEDdrivers(GZlO,GZl). enableasimpleandconsistent smoothandflicker-free non-T20compliant,remotetestswitch NPP16DER nlight"network power/relaypackwith0-lOVdimming factoryinstalledoptionacrossall deepdimmingperformance ELSD Self-diagnosticbatterypack(lOW fornon-eldoLEDdrivers(GZlO,GZl).ERcontrolsfixtures ABLluminairebrands.RefertoRRL downto1% constantpower),non-T20compliant, onemergencycircuit. forcompletenomenclature. integraltestswitch NPS80EZ nlight0dimmingpackcontrols0-lOVeldoLEDdrivers AvailableonlyinRRLA,RRLB, ELRSD Self-diagnosticbatterypack(lOW (EZl). RRLAE,andRRLC12S. constantpower), non-T20compliant, NPSBOEZER nlight0dimmingpackcontrols0-lOVeldoLEDdrivers BAA BuyAmerica(n)Actand/orBuild remotetestswitch (EZl).ERcontrolsfixturesonemergencycircuit. AmericaBuyAmericaQualified

ElOWCP Batterypack(lOWconstantpower),T20 NBO nlight"' LumenCompensation 90CRI HighCRI(90+) compliant,integraltestswitch NLTAIR2 nlight"Airenabled SF* Singlefuse

ElOWCPR Batterypack(lOWconstantpower),T20 NLTAIRER2 nlight0AIRDimmingPackWirelessControls.Controls compliant,remotetestswitch fixturesonemergencycircuit,notavailablewithbattery

ElOWRSTAR Emergencybatterypack, lOWwith packoptions remotetestswitchandIotaSTAR NLTAIREM2 nlight"AIRDimmingPackWirelessControls. UL924 technology EmergencyOperation,viapowerinterruptdetection. Availablewithbatterypackoptions.

*OptionValueOrderingRestrictions

Optionvalue

Restriction

LDNB MarkedSpacinQfor8000lumensandabove.

WR BR Notavailablewithfinishes.

347V 347Vis3'x3'x6" overheadmarkedspacinQ. 347VonlvavailablewithEZldriveroptions.Suppliedwithstep-downtransformer.NotavailablewithemerQencvoptions. SF VoltaQe-specific120 277V. TRW TRBL OnlvavailablewithARfinish. NPP16D,NPP16DER, Specifyvoltage.ERforusewithgeneratorsupplyEMpower.Willrequireanemergencyhotfeedandnormalhotfeed.SeeUL924SequenceofOperationtable. NPS80EZ NPSBOEZER

NBO Fixturebeoins at80%liahtlevel.MustbesoecifiedwithNPSBOEZorNPSBOEZER.OnlvavailablewithEZldrivers. NLTAIR2 NLTAIRER2 NotavailablewithCP NPSBOEZ NPSBOEZER NPP16D NPP16DERorNBO ootions. Notrecommendedformetalceilinainstallations. Reloc•Ootions RefertoRRLsoecificationsheetonacuitvbrands.comforfurtherdetails.

RRLAE Commercialfixturesshoulddisconnectthe TSPL beforeunoluaoinatheRRLsoitdoesnotaointodischaraemode. RRLC12S RRLC12SootionistobeusedwiththeOnePassOCU OCS OD OFCandODfor0-24Vintearatedsinale-circuitor0-lOVlowvoltaaecontrols aoolications. Notavailablewithintearaldimminosensors. TRALTBD FRALTBD RALTBDfororicinaonlv.ReolacewithaoolicableRALnumberandfinishwhenreadvtoorder.SeetheRALBROCHUREforavailablecolorootions. TCPC FCPC CPCootionsfororicinaonlv.CustomcolorchinneedstobesentintovourCustomerResolution soecialistbeforeordercanbeorocessed.ClickHEREformoredetails

Accessories: Orderasseparatecatalognumber.

EACISSM375 Compactinterruptible emergencyACpowersystem

EACISSM125 CompactinterruptibleemergencyACpowersystem

GRA810JZ SCAB Oversizedtrimringwith10" outsidediameter SlopedCeilingAdapter.Degreeofslopemustbespecified (SD, lOD, 15D,20D,25D,30D).Ex:SCABlOD·

HELM BAY LANDING

NELOSW

ELO LED Surface Mount Luminaire with Selectable Lumens & CCT Accessories

1-1/2

23W Emergency LED Driver with Remote Test Switch

NEPK-23LEDUNV

120-277V Emergency battery operates luminaire for 90 minute emergency operation with a fully charged battery. Requires 24 hours to charge the battery.

Ribbon Test Switch for NEPK-23LEDUNV

NEPKA-20/23LEDRTS

Ribbon test switch replaces remote test switch included with emergency driver. Double sided tape is pre-installed.

Type Project Catalog No. Notes

HELM BAY LANDING TYPE AE

ELO LED Surface Mount Luminaire with Selectable Lumens & CCT

Source: 7W to 16W LED 700lm to 1550lm

PRODUCT DESCRIPTION

ELO LED luminaires are a thin 5/8" surface mounted luminaire with two tunable switches; Selectable Lumens allows the end user to determine the wattage input & Selectable CCT changes the color temperature appearance. Luminaires are available in 4", 6" or 8" sizes and mounts easily over a standard or fire rated junction boxes.

FEATURES

Selectable Lumen switch changes output from 700lm to 1550lm

Five color temperatures in each fixture (2700K / 3000K / 3500K / 4000K / 5000K)

120-277VAC input; 0-10V dimming

Available in three sizes (4", 6" or 8") cETLus Listed for Wet Locations

5-Year Limited Warranty

SPECIFICATION

Construction: Dead front (non-metallic) polycarbonate luminaire with integral driver and two switches (Selectable Lumens & CCT). Gasket included for airtight and wet location listing without additional caulking.

Mounting: Steel bracket can be used to surface mount onto a junction box. EVA foam gasket provided for wet location applications.

ELECTRICAL

Input Voltage: 120-277VAC

Lumens / Wattage:

PRODUCT IMAGES & DIMENSIONS

Selectable Lumens

Three position sliding switch

Selectable CCT

Aperture

NELOSW-4RTW

NELOSW-6RTW

NELOSW-8RTW

Lumens 700lm / 900lm / 1150lm 950lm / 1250lm / 1550lm 1050lm / 1350lm / 1550lm

Wattage 7W / 9W / 13W 8W / 11W / 15W 10W / 13W / 16W

Color Temperature: Selectable CCT: 2700K / 3000K / 3500K / 4000K / 5000K (Note: Preset to 3000K)

Color Rendering Index: 90+ CRI

Operating Temperature: -25°C to 40°C

Lifetime: >50,000 hours (L70)

Dimming: 0-10V

Click Here or check complete dimmer list at www.NoraLighting.com in the “Compatibility” page under “Resources” tab

OPTIONAL ACCESSORIES

NEPK-23LEDUNV: 23W Emergency with Remote Test Switch

NEPKA-20/23LEDRTS: Ribbon Test Switch for NEPK-23LEDUNV

Emergency: Luminaire is compatible with NEPK-2 3LEDUNV (ordered separately). Remote mounted battery operates luminaire for 90 minute emergency operation with a fully charged battery. Emergency includes remote test switch, ribbon test switch accessory (NEPKA-20/23LEDRTS) ordered separately.

LABELS AND LISTINGS

cETLus Listed for Wet Locations

FCC certified

5-Year Limited Warranty

Certified to the high efficacy requirements of California Title 24 JA8-2025

Suitable for use in closets when installed in accordance to NEC Section 410.16 (A)(1) and 410.16 (C)(1)

ELO LED Surface Mount Luminaire with Selectable Lumens & CCT

Size / Lumens / Wattage / Finish

NELOSW-4RTWMPWLE4 = 4" ELO with Selectable Lumens & CCT, Up to 1150lm / 13W, White Finish

NELOSW-6RTWMPWLE4 = 6" ELO with Selectable Lumens & CCT, Up to 1550lm / 15W, White Finish

NELOSW-8RTWMPWLE4 = 8" ELO with Selectable Lumens & CCT, Up to 1550lm / 16W, White Finish Diameter

Diameter: Aperture:

NELOSW-4RTW 5-1/4" 4-1/4"

NELOSW-6RTW 7" 6"

NELOSW-8RTW 8-7/8" 7-7/8"

Example: NELOSW-8RTWMPWLE4 = 8" ELO LED Surface Mount Luminaire with Selectable Lumens & CCT, White finish

6505 Gayhart Street, Commerce, CA 90040 TEL 323.767.2600 | www.noralighting.com

e-mail: nora@noralighting.com © 2026 Nora Lighting, Inc. All rights reserved. Specifications subject to change without notice.

Optional Accessories

Description NEPK-23LEDUNV = 23W Emergency LED Driver w/ Remote Test Switch

NEPKA-20/23LEDRTS = Ribbon Test Switch for NEPK-23LEDUNV

TYPEAE SPEC LONS HELM BAY LANDING

GZlO 0-lOVdriverdimsto10% (blank)

GZl 0-lOVdriverdimsto 1%

(lOWconstantpower),

SensorSwitch CP* ChicagoPlenum

EZl 0-lOVeldoLEDdriverwith non-T20compliant,integraltestswitch NPP16D nlight"networkpower/relaypackwith0-lOVdimming RRL RELOC0-readyluminaireconnectors ELR Batterypack (lOWconstantpower), fornon-eldoLEDdrivers (GZlO,GZl). enableasimpleandconsistent smoothandflicker-free non-T20compliant, remotetestswitch NPP16DER nlight"networkpower/relaypackwith0-lOVdimming factoryinstalledoptionacrossall deepdimmingperformance ELSD Self-diagnosticbatterypack (lOW fornon-eldoLEDdrivers (GZlO,GZl).ERcontrolsfixtures ABLluminairebrands.RefertoRRL downto1% constantpower),non-T20compliant, onemergencycircuit. forcompletenomenclature. integraltestswitch NPS80EZ nlight0 dimmingpackcontrols0-lOVeldoLEDdrivers AvailableonlyinRRLA,RRLB,

ELRSD Self-diagnosticbatterypack (lOW (EZl). RRLAE,andRRLC12S. constantpower), non-T20compliant, NPSBOEZER nlight0 dimmingpackcontrols0-lOVeldoLEDdrivers BAA BuyAmerica(n)Actand/orBuild remotetestswitch (EZl).ERcontrolsfixturesonemergencycircuit. AmericaBuyAmerica Qualified ElOWCP Batterypack (lOWconstantpower),T20 NBO nlight"' LumenCompensation 90CRI HighCRI (90+) compliant,integraltestswitch NLTAIR2 nlight"Airenabled SF* Singlefuse

ElOWCPR Batterypack (lOWconstantpower),T20 NLTAIRER2 nlight0AIRDimmingPackWirelessControls.Controls compliant,remotetestswitch fixturesonemergencycircuit,notavailablewithbattery ElOWRSTAR Emergencybatterypack,lOWwith packoptions remotetestswitchandIotaSTAR

NLTAIREM2 nlight"AIRDimmingPackWirelessControls.UL924 technology EmergencyOperation,viapowerinterruptdetection. Availablewithbatterypackoptions.

*OptionValueOrderingRestrictions

Optionvalue Restriction

LDNB MarkedSpacinQfor8000lumensandabove. WR BR Notavailablewithfinishes. 347V 347Vis3'x3'x6"overheadmarkedspacinQ. 347VonlvavailablewithEZldriveroptions.Suppliedwithstep-downtransformer.NotavailablewithemerQencvoptions. Sf VoltaQe-specific120 277V TRW TRBL OnlvavailablewithARfinish. NPP16D,NPP16DER, Specify voltage.ERforusewithgeneratorsupplyEMpower.Willrequireanemergencyhotfeedandnormalhotfeed.SeeUL924SequenceofOperationtable. NPS80EZ NPSBOEZER

NBO Fixturebeainsat80%liahtlevel.MustbesoecifiedwithNPS80EZorNPSBOEZER.OnlvavailablewithEZldrivers. NLTAIR2 NLTAIRER2 NotavailablewithCPNPS80EZ NPS80EZER NPP16D NPP16DERorNBOootions.Notrecommendedformetalceilinoinstallations. Reloc•Ootions RefertoRRLsoecificationsheetonacuitvbrands.comforfurtherdetails.

RRLAE CommercialfixturesshoulddisconnecttheTSPLbeforeunoluooinotheRRLsoitdoesnotoointodischaroemode. RRLC125 RRLC12SootionistobeusedwiththeOnePassOCU OCS OD Of(andODfor0-24Vinteoratedsinole-circuitor0-lOVlowvoltaoecontrolsaoolications.Notavailablewithinteoraldimminosensors. TRALTBD fRALTBD RALTBDfororicinoonlv.ReolacewithaoolicableRALnumberandfinishwhenreadvtoorder.SeetheRALBROCHUREforavailablecolorootions. TCPC FCPC CPCootionsfororicinoonlv.CustomcolorchinneedstobesentintovourCustomerResolutionsoecialistbeforeordercanbeorocessed.ClickHEREformoredetails

Accessories: Orderasseparatecatalognumber.

EACISSM375 CompactinterruptibleemergencyACpowersystem

EACISSM125 CompactinterruptibleemergencyACpowersystem

GRA810JZ

SCA8 Oversizedtrimringwith10" outsidediameter

SlopedCeilingAdapter.Degreeofslopemustbespecified (5D,lOD, 15D,20D,25D, 30D).Ex:SCABlOD·

HELM BAY LANDING TYPE

NELOSW

ELO LED Surface Mount Luminaire with Selectable Lumens & CCT Accessories

1-1/2

23W Emergency LED Driver with Remote Test Switch

NEPK-23LEDUNV

120-277V Emergency battery operates luminaire for 90 minute emergency operation with a fully charged battery. Requires 24 hours to charge the battery.

Ribbon Test Switch for NEPK-23LEDUNV

NEPKA-20/23LEDRTS

Ribbon test switch replaces remote test switch included with emergency driver. Double sided tape is pre-installed.

Type Project Catalog No. Notes

TYPE AG SPEC HELM BAY LANDING

Gardco SoftView LED parking garage luminaires feature edge lit technology, providing visual comfort with minimal glare to enhance the user experience. An added uplight feature reduces the cave effect for an increased sense of security. SoftView features multiple optical distributions, lumen packages and mounting options providing you with the ideal solution for your garage lighting and low bay needs. Optional emergency battery backup available for path of egress lighting and is integral to the luminaire.

48OV)

Project:

Location:

contact factory)

BL2oa,,.s,o,1s Bi-levelset at20% dimming Mwa,11s MicrowaveSensor FS39 DoubleFuseCanadian Pack. ColdRated SpecialColor BLBT3·" & 101s Bi-levelwithmotionsensor, L2' PIR Sensor.#2 lens doublepole(2O8V. (-2O°Cto+4O°C / (mustsupply Bluetoothprogramming, 24OV.or48OV) -4°Fto+1O4°F) colorchip, L3' PIRSensor, #3lens set at20%dimming Surge Protection ER100" UL924Listed requiresfactory L7' PIRSensor, #7lens Emergencyrelay quote) (Allsensingis factory blank SP1SurgeProtector tobypassWIAP customizable, contact factory11 ) 10kV /10kA (standard) wirelessdimming

WIAPasa,,.,s WirelessInteract (includes LW' Low (7"-15" mounting SP2 SurgeProtector sensor,integral SRdriverandSR receptacle- height)sensor, white 2OkV /1OkA (option) do NOT selectSRDR) HW' colorhousing High (15"-40' mounting height) sensor, white colorhousing

1. T3A not available with AO6. AO7. AO8. AO9, A1O orA11 configurations due to thermal and fit restrictions.

2. TRN not available with combination of both OLEA and EM options due to fit restrictions; TRNis available with eachindividually (either DLEA or EM).

3. Choose only 1 Dimming Controls option: eitherDLEA or SRDR or BL2O or BLBT orWIAP.

4. O-1OV dimming driver standard.

5. BL2O must becombined withMWMicrowaveSensor.BLBT must becombinedwith Sensing optionL2, L3 orL7. WIAP must becombined with Sensing optionLW or HW. Chooseonly 1: eitherBL2O-MW orBLBT-L# orWIAP-xW.

6. DLEA luminairehasO-lOVdimmingwiresexitingtheluminairefordimmingcontrolsby others.

7. MW available with 12OV. 2O8V. 24OV. 277V. UNV or 347V only.

8. Available with 12OV. 2O8V. 24OV. 277V or UNV only.

9. Must specify applicable specific input voltage, not available withUNV or HVU.

10. Choose either Emergency option EM or EC cold. EM only available withAO1.AO2. AO3 orAO6 and EC cold only available withAO1. AO2. AO3. AO4. AO6 orAO7due to thermal restrictions. EC cold not availablewith OLEA orBL2O-MW or BLBT-L# due to fit restrictions; EM isavailable with OLEA or BL2O-MW or BLBT-L# (does fit).

11. Must contact factory priortoordering - these items are ETO Specials.

12. Extended lead times apply. Contact factory for details.

13. AO9.A1O, A11 eachhave 2 drivers thereforedue to fit restrictions not available with 347V. 48OV. HVU. BL2O-MW. or BLBT.

1 of 7

14. SRDR or WIAP not available with Emergency options EM or EC cold due to thermal and fit restrictions.

15. ER1OO suitable for usein 4OC ambient withAO1, AO2. AO3.AO4. AO6 orAO7 (72W max.); suitable for usein 35C ambient withAO5 orAO8 (9OW max.); not available above9OW: noAO9. A1O orA11. ER1OO must beinstalledin conjunction with aUL 1008 device (such as a transfer switch at the electrical panel) and only for use with Wireless Interact dimming sensor (WIAP-xW). ER1OO is12OV-277V. ForPl Detection withTRNTrunnionETO Special, must be wired at factory.

16. When ordering SRDR. controller (by others) tobe plugged into socket must be SR compatible (seeSpecifications for more details). Consult factory for lead time.

17. Failureto properly select the'"BAC"suffix could result in youreceivingproduct that is not BAA compliant product with no recourse for an RMA or refund. This BAC designation hereunder does not address (i) the applicability of, or availability of a waiverunder. theTradeAgreements Act, or (ii) the ·BuyAmerica" domestic content requirements imposed on states, localities, and other non-federal entities as a condition of receiving funds administeredby the Department ofTransportation or other federal agencies.

SPECIFICATIONS

HOUSING

Heavydutysealeddiecastaluminumhousing Corrosionreistantpowdercoat

ELECTRICAL

QuadTap(QT)-120-277V

OperatingTemperature:-40oC(-40oF)-45oC(113oF)

OPTICALSYSTEM

ICcurrentcontrolledLEDcircuits

50,000Hours@L70 CRI>80

MOUNTING

-Supportspendantmounting

CODECOMPLIANCE

ULListedforWetLocations -DLCPremiumListed

WARRANTY 5Year

ORDERINGINFORMATION

OPTIONS(FactoryInstalled)

OCS-Plug-inMotionSensor

EM-EmergencyBattery

LED SURFACE MOUNT

VAPOR TIGHT -HIGH OUTPUT

CSVT VaporTight LED Strip Light

lookingforContractorSelectreadilyavailable configurations?ClickheretovisitContractorSelect• specsheetorgotowww.contractorselect.com

Options

STSL

IE7WCP

E7W

A+Capableoptionsindicated ,.,,.,, bythiscolorbackground.

4,000lumens*

S,000lumens*

6000LM 6,000lumens*

AL03 Switchablelumens,3000LM/4000LM/SOOOLM L96 96" 6000LM 6,000lumens* 8000LM 8,000lumens* lOOOOLM 10,000lumens* 12000LM 12,000lumens* AL04 Switchablelumens,6000LM,8000LM,andlOOOOLM

Stainlesssteellatches

Emergencybatterypack,?Ji,CATitle20Noncompliant*

7WEmergencybatterypack,constantpower,CertifiedinCA Title20MAEDBS,UserselectableSelf-Diagnostic,ACActivate withIntegralTestSwitch*

ll@' lOWEmergencybatterypack,constantpower,CertifiedinCA

Title20MAEDBS,UserselectableSelf-Diagnostic,ACActivate withIntegralTestSwitch*

WLFEND2 Wetlocationfitting(fittingsoutbothends)*

Individualcontrols*

SBORlO

SBORlOD3V

SBORlOP

360'integrallowmountmotionsensor(standardon/offoperation)

360'integrallowmountmotionsensorwithdimming(lowtrimsetat30%)

360'integrallowmountmotionsensorwithphotocell

nlightWirelessControls*

NLTAIR2RSBORlO nlight(wireless)gen2lowmountoccupancy&daylight.se!llli

NOTE:*indicatesoptionchosenhasorderingrestrictions. Pleasereferenceorderingrestrictionschart.

*ODtionValueOrderinq Restrictions

Optionvalue Restriction

35K,40K,SOK NotavailablewithALOlumenoackaaes.

3000LM,4000LM,SOOOLM,6000LM, NotavailablewithSWW3.

8000LM,lOOOOLM,12000LM

CSVTSTSLLATCH RequirestwoforL96

IE7WCP,E7W,ElOW Notavailablewith347V.

IndividualControls NotavailablewithWLFEND2option.

Accessories:Orderasseparatecatalognumber.

CSVTSTSLLATCH Stainlesssteellatchkit(Setof10)*

CSVTRMBA Anglemountbracket(QTYof2)(316stainlesssteel)

CSVTRMBU RigidmountU-boltbracket(QTYof2)(316stainlesssteel)

CSVTRMBK Rigidmountbracket(QTYof2)(316stainlesssteel)

MHCH36SS 36"stainlesssteelchain(QTYof2)

CSVTSMB Replacementstandardmountingbrackets(QTYof2)(301stainlesssteel) nliahtWirelessControls NotavailablewithWLFEND2ootion. WLFEND2 Notavailablewithcordsetorsensoroption�

HowtoEstimateDeliveredlumensin EmergencyMode

Usetheformulabelowtoestimatethedeliveredlumensinemergencymode

Deliveredlumens=1.25xPxlPW

P=Outputpowerofemergencydriver.P=10WforIElOWCPHE

LPW=lumenperwattratingoftheluminaire.Thisinformationisavailableonthe ABLluminairespecsheet.TheLPWratingisalsoavailableatPesian!iahtConsortium

HELM BAYLANDING

LU){RITE®

LR25260 LED48/VT/3CCT/3WO/UNV/HO

LR25260+EM LED48/VT/3CCT/3WO/UNV/HO+EM

LR25260+EM+MSLED48/VT/3CCT/3WO/UNV/HO+EM+MS

LR25260+MS LED48/VT/3CCT/3WO/UNV/HO+MS

LR25263 LED96/VT/3CCT/3WO/UNV/HO

LR25263+EM LED96/VT/3CCT/3WO/UNV/HO+EM

LR25260+EM+MS LED48/VT/3CCT/3WO/UNV/HO+EM+MS

PHOTOMETRIC

LED48/VT/3CCT/3WO/UNV/HO+MS 4000K

+ luxrite.com

TYPE B SPEC

1!11

DesignSelectoptionsindicated • bythiscolorbackground.

•• 11•:11.•i,-...·, '1"·'·

Nominal

lSOOLM 1,500lumens SEF Standardefficiencyt

2000LM 2,000lumens HEF Premiumefficiencyt

2500LM 2,500lumens

3500LM 3,500lumens

4500LM 4,500lumens

SOOOLM 5,000lumens

2250LM 2,250lumens

3000LM 3,000lumens

3750LM 3,750lumens

52SOLM 5,250lumens

6750LM 6,750lumens

7500LM 7,500lumens

3000LM 3,000lumens

4000LM 4,000lumens

SOOOLM 5,000lumens

7000LM 7,000lumens

9000LM 9,000lumens

lOOOOLM 10,000lumens

6000LM 6,000lumens

8000LM 8,000lumens

lOOOOLM 10,000lumens

14000LM 14,000lumens

18000LM 18,000lumens

20000LM 20,000lumens

Louver

(Blank) Lesslouver L/Lens Lesslens

SBLW Straightbladelouver,whitet FDL Flatdiffuset

SBLMB Straightbladelouver,matteblackt RDL Rounddiffuse*

SBLGV Straightbladelouver,galvanizedt J{QL Wide diffuse*

SBLSKGY Straightbladelouver,smokegrayt

Narrowt

WD Wide*

AD2 Aisle,24° offcenter* 240 240V*

Options

ElOW lOWEmergen�batteHriack,constant PLR Plug-inwiring,seepage9forordering power,Certifie inCA Ite20MAEDBS,User information selectableSelf-Dia�nostic,ACActivatewith PLR1G Plug-inwiring,singlecircuit,Ground IntegralTestSwitc Ll.lli.Kl* PLR1LVG Plug-inwirini,sin9lecircuit, E10WSTAR Emerlencybatterypack,Enabledwith low-voltage Immm,Ground* STAR RRL RELOC•-readyluminaire.Seepage10for BGTD Generatortransferdevice,notavailable orderinginformation withElOW* SPD Suieprotectiondevice,providesupto

0(5 Sfi '18/3RelocselectableOnePasscable 6k protection* ( xturewillbeardrylocationlabel)* BAA BuyAmerica(n)Actand/orBuildAmerica HA Highambient,foruseinambient BuyAmericaQualified temperaturesuptoso•c* nlight"Wireless: EPNKO Decorativeendplate,noknockout*

OUTCTR Wiringleadspulledthroughbackcenter

NLTAIR2RES7 nlightAIRGeneration2enabledPIR integraloccupancfisensorwithautomatic offixture* dimmingphotoceI*

OUTEND Wiringleadspulledthroughendoffixture*

Noreflectors 30K 3000K Reflectorsfor 35K 3500K additionaljlare 40K 4000K reduction SOK SOOOK

alight•Wired· NlOO

nlight•withoutlumen management nlight•withoutlumen managementForusewith generatorsupplyEMpower*

nlight0 nES7PIRintegral occupancysensor*

nlight•nESPDT7dual technologyintegraloccupancy control* nlight"nES7ADCXPIR integraloccupancysensor witMautomaticdimming photocell*

eFinish

WH White

GALVW Galvanized withwhitelens endcaps

GALVB Galvanized withblacklens endcaps

MB Matteblack

SKGYW Smokegray withwhitelens endcaps

SKGYB Smokegray withblacklens endcaps

NLTAIR2RES7EM nlightAIRGeneration2enabledPIR �* integraloccupancfisensorwithautomatic

CSlW 6'Staightbladeplug,120Vt dimmingphotoceIandUL924Emergency

CS3W NEMAtwist-lockplug,120V* operation,viapowerinterruptdetection*

NESPDT7ADCX nlight•nESPDT7dual technologyintegraloccupancy sensorwithautomat1C dimmingphotocell*

Individualcontrols:*

NLTAIR2RES7PDT nli�htAIRGeneration2enableddual

CS7W Staightbladeplug,277Vt tee nolo.9yintegraloccupancysensorwith

CS11W NEMAtwist-lockplug,277V* automaticdimmingphotocellt

CS25W NEMAtwist-lockplug,347V*

NLTAIR2RES7PDTEM nli�htAIRGeneration2enableddual

CS97W NEMAtwist-lockplug,480V* tee nolo.9yintegraloccupancysensorwith CS93W 600VSEOOWwhitecord,noplug(no automaticdimmin.9photocellandUL924 Emergencloperation,viapowerinterrupt voltagerequired}* detection

CS6WG16STOWDSD 6'whitecord,16/5,noplug,includes NLTAIR2RIO Nosensorcontrol* lowvoltagedimmingwires(novoltage required)*

NLTAIR2RIOEM Nosensor,ControlInputfunctiononlyand UL924Emergencyoperation,viapower interruptdetection*

�.L.ITHDN/A .L/liHT/NU

COMMERCIALINDOOR: 1AcuityWay,Decatur,GA30035 Phone:800-705-SERV(7378) TechSupport-lighting@Acuitybrands.com www.lithonia.com

MSD7 PIRintegraloccupancysensor

MSDPDT7 PDT7dualtechnologyintegral

MSD7ADC occupancycontrol PIRintegraloccupancysensor withautomaticdimming controlphotocell

MSDPDT7ADC PDTintegraloccupancysensor withautomaticdimming controlphotocell

See Accessories and footnotes on next page

LED48/LINEAR/3CCT/3WO/UNV/D/HO

LR 25185+EM LED48/LINEAR/3CCT/3WO/UNV/D/HO+EM

LR 25185+MS LED48/LINEAR/3CCT/3WO/UNV/D/HO+MS

LR 25185+EM+MS LED48/LINEAR/3CCT/3WO/UNV/D/HO+EM+MS

3500K-139

4000K-140

5000K-141

3500K-136

4000K-137 50,000

5000K-138

3500K-133

4000K-134

5000K-138

3500K-139

4000K-140

5000K-141

3500K-136

4000K-137 50,000 90 MINS

5000K-138

3500K-133

4000K-134

5000K-138

3500K-139

4000K-140

5000K-141

3500K-136

4000K-137 50,000 Bl-LEVEL

5000K-138

3500K-133

4000K-134

5000K-138

3500K-139

4000K-140

5000K-141

3500K-136

4000K-137 50,000 90 MINS Bl-LEVEL

5000K-138

3500K-133

4000K-134

5000K-138

TYPE BE SPEC

DesignSelectoptionsindicated • bythiscolorbackground.

Leadtimeswillvarydependinqonoptionsselected.Consultwithyoursalesrepresentative.

lSOOLM 1,500lumens

2000LM 2,000lumens HEF Premiumefficiencyt

2SOOLM 2,500lumens

3SOOLM 3,500lumens

4SOOLM 4,500lumens

SOOOLM 5,000lumens

22SOLM 2,250lumens

3000LM 3,000lumens

37SOLM 3,750lumens

52SOLM 5,250lumens

6750LM 6,750lumens

7500LM 7,500lumens

3000LM 3,000lumens

4000LM 4,000lumens

5000LM 5,000lumens

7000LM 7,000lumens

9000LM 9,000lumens

lOOOOLM 10,000lumens

6000LM 6,000lumens

8000LM 8,000lumens

lOOOOLM 10,000lumens

14000LM 14,000lumens

18000LM 18,000lumens

20000LM

WD Widet

AD2 Aisle,24'offcentert

Options

ElOW lOWEmergencybatte11riack,constant PLR

* PLRlLVG Plug-inwirini,sin9lecircuit, E10WSTAR Emerlencybatterypack,Enabledwith low-voltage Immm ,Ground* STAR RRL RELOC•-readyluminaire.Seepage10for BGTD Generatortransferdevice,notavailable orderinginformation withElOW* SPD Suieprotectiondevice,providesupto ocs 5fi '18/3RelocselectableOnePasscable 6k protection* ( xturewillbeardrylocationlabel)* BAA BuyAmerica(n)Actand/orBuildAmerica HA Highambient,foruseinambient BuyAmericaQualified temperaturesupto50°(* nlight"Wireless:

EPNKO Decorativeendplate,noknockout*

OUTCTR Wiringleadspulledthroughbackcenter

NLTAIR2RES7 nlightAIRGeneration2enabledPIR integraloccupancfisensorwithautomatic offixture* dimmingphotoceI*

Wired: N100

OUTEND Wiringleadspulledthroughendoffixture* NLTAIR2RES7EM nlightAIRGeneration2enabledPIR �* integraloccupancfisensorwithautomatic

CSlW 6'Slaightbladeplug,120vt dimmingphotoceIandUL924Emergency

CS3W NEMAtwist-lockplug,120V* operation,viapowerinterruptdetection*

NLTAIR2RES7PDT nli�htAIRGeneration2enableddual

CS7W Slaightbladeplug,277Vt tee nolo_gyintegraloccupancysensorwith

CS11W NEMAtwist-lockplug,277V* automatlCdimmingphotocellt

nlight•withoutlumen management nlight•withoutlumen managementForusewith generatorsupplyEMpower* nlight0 nES7PIRintegral occupancysensor* nlight•nESPDT7dual technologyintegraloccupancy control* nlight"nES7ADCXPIR integraloccupancysensor witMautomaticdimming photocell* NESPDT7ADCX nlight•nESPDT7dual technologyintegraloccupancy sensorwithautomat1C dimmingphotocell* Individualcontrols:* MSD7 PIRintegraloccupancysensor MSDPDT7 PDT7dualtechnologyintegral

Galvanized withwhitelens endcaps GALVB Galvanized withblacklens endcaps

Matteblack SKGYW Smokegray withwhitelens endcaps

CS97W NEMAtwist-lockplug,480V* tee nolo_gyintegraloccupancysensorwith

CS25W NEMAtwist-lockplug,347V* NLTAIR2RES7PDTEM nli�htAIRGeneration2enableddual

CS93W 600VSEOOWwhitecord,noplug(no automat1Cdimmin_gphotocellandUL924 Emergencloperation,viapowerinterrupt voltagerequired)* detection

CS6WG16STOWDSD 6'whitecord,16/5,noplug,includes NLTAIR2RIO Nosensorcontrol* lowvoltagedimmingwires(novoltage required)*

NLTAIR2RIOEM Nosensor,ControlInputfunctiononlyand Ul924Emergencyoperation,viapower interruptdetection*

MSD7ADC occupancycontrol PIRintegraloccupancysensor withautomaticdimming controlphotocell

MSDPDT7ADC PDTintegraloccupancysensor withautomaticdimming controlphotocell

SKGYB Smokegray withblacklens endcaps SeeAccessories and footnotes on next page

LED48/LINEAR/3CCT/3WO/UNV/D/HO

LR 25185+EM LED48/LINEAR/3CCT/3WO/UNV/D/HO+EM

LR 25185+MS LED48/LINEAR/3CCT/3WO/UNV/D/HO+MS

LR 25185+EM+MS LED48/LINEAR/3CCT/3WO/UNV/D/HO+EM+MS

3500K-139

4000K-140

5000K-141

3500K-136

4000K-137 50,000

5000K-138

3500K-133

4000K-134

5000K-138

3500K-139

4000K-140

5000K-141

3500K-136

4000K-137 50,000 90 MINS

5000K-138

3500K-133

4000K-134

5000K-138

3500K-139

4000K-140

5000K-141

3500K-136

4000K-137 50,000 Bl-LEVEL

5000K-138

3500K-133

4000K-134

5000K-138

3500K-139

4000K-140

5000K-141

3500K-136

4000K-137 50,000 90 MINS Bl-LEVEL

5000K-138

3500K-133

4000K-134

5000K-138

BLANK

TYPE BG SPEC HELM BAY LANDING

Gardco SoftView LED parking garage luminaires feature edge lit technology, providing visual comfort with minimal glare to enhance the user experience. An added uplight feature reduces the cave effect for an increased sense of security. SoftView features multiple optical distributions, lumen packages and mounting options providing you with the ideal solution for your garage lighting and low bay needs. Optional emergency battery backup available for path of egress lighting and is integral to the luminaire.

BL2oa,,.s ,o 1a Bi-levelsetat20% dimming Mwa,11a MicrowaveSensor FS39 DoubleFuseCanadian

Project:

Location:

Cat.No:

contactfactory)

ColdRated SpecialColor BLBT3·"·& ,o., Bi-levelwithmotionsensor, L2' PIRSensor. #2 lens doublepole(2O8V. (-2O°Cto+4O°C / (mustsupply Bluetoothprogramming, 24OV.or48OV) -4°Fto+1O4°F) colorchip, L3' PIRSensor, #3lens setat20%dimming SurgeProtection ER100" UL924Listed requires factory L7' PIRSensor, #7lens Emergency relay quote) (Allsensingis factory blank SP1SurgeProtector tobypassWIAP customizable, contactfactory11 ) 10kV /10kA (standard) wirelessdimming

WIAPa,s.a.,,.,s WirelessInteract (includes LW' Low (7"-15" mounting SP2 SurgeProtector sensor,integral SRdriverandSRreceptacle- height)sensor, white 2OkV / 1OkA (option) do NOTselect SRDR) HW' colorhousing High (15"-40' mounting height) sensor, white colorhousing

1. T3A not available with AO6. AO7. AO8. AO9 A1O or A11 configurations due to thermal and fit restrictions.

2. TRN not available withcombinationof bothDLEA and EM options due to fit restrictions; TRN is available with each individually (either DLEA or EM).

3. Choose only 1 Dimming Controls option: eitherDLEA or SRDR or BL2O or BLBT orWIAP.

4. O-1OV dimming driverstandard.

5. BL20 must be combined with MW Microwave Sensor. BLBT must be combined with Sensing optionL2, L3orL7.WIAP must be combined with Sensing optionLW or HW. Choose only 1: either BL2O-MW orBLBT-L# orWIAP-xW.

6. DLEA luminairehasO-lOV dimming wires exitingtheluminairefordimmingcontrols byothers.

7. MW available with 12OV. 2O8V. 24OV. 277V. UNV or 347V only.

8. Available with 12OV. 208V. 24OV. 277V or UNV only.

9. Must specifyapplicablespecific input voltage, not availablewithUNV or HVU.

10. Choose either Emergency option EM or EC cold. EM only available with AO1. AO2. A03 or AO6 and EC cold only available withAO1. AO2. AO3. AO4. AO6 or AO7due to thermal restrictions. EC cold not available withDLEA or BL2O-MW or BLBT-L# due to fit restrictions; EM is available withDLEA or BL2O-MW or BLBT-L# (does fit).

11. Must contact factory prior to ordering - these items are ETO Specials.

12. Extended lead times apply.Contact factory for details.

13. AO9. A1O, A11 eachhave 2 drivers therefore due to fit restrictions not available with 347V. 480V. HVU. BL20-MW. or BLBT.

page 1 of 7

14. SRDR orWIAP not available with Emergency options EM or EC cold due to thermal and fit restrictions.

15. ER1OO suitable for use in 4OC ambient withAO1, AO2. A03. AO4. AO6 orAO7 (72W max.); suitable for use in 35C ambient withA05 or AO8 (90W max.); not available above90W: noAO9. A1O or A11. ER1OO must be installed in conjunction withaUL 1008 device (such as a transfer switchat the electrical panel) and only for use with Wireless Interact dimming sensor (WIAP-xW). ER1OO is120V-277V. ForPl Detection withTRNTrunnionETO Special, must be wired at factory.

16. When ordering SRDR. controller (by others) to be plugged into socket must be SR compatible (seeSpecifications for more details). Consult factory for lead time.

17. Failure to properly select the '"BAC" suffix could result in you receiving product that is not BAA compliant product with no recourse for an RMA or refund. This BAC designationhereunder does not address (i) the applicability of, or availability ofa waiver under. theTrade Agreements Act, or (ii) the ·Buy America" domestic content requirements imposed on states, localities, and other non-federal entities as a condition of receiving funds administered by theDepartment ofTransportation or other federal agencies.

SPECIFICATIONS

HOUSING

Heavydutysealeddiecastaluminumhousing Corrosionreistantpowdercoat

ELECTRICAL

QuadTap(QT)-120-277V

OperatingTemperature:-40oC(-40oF)-45oC(113oF)

OPTICALSYSTEM

ICcurrentcontrolledLEDcircuits

50,000Hours@L70 CRI>80

MOUNTING

-Supportspendantmounting

CODECOMPLIANCE

ULListedforWetLocations -DLCPremiumListed

WARRANTY 5Year

ORDERINGINFORMATION

OPTIONS(FactoryInstalled)

OCS-Plug-inMotionSensor

EM-EmergencyBattery

Gardco SoftView LED parking garage luminaires feature edge lit technology, providing visual comfort with minimal glare to enhance the user experience. An added uplight feature reduces the cave effect for an increased sense of security. SoftView features multiple optical distributions, lumen packages and mounting options providing you with the ideal solution for your garage lighting and low bay needs. Optional emergency battery backup available for path of egress lighting and is integral to the luminaire.

,s,o 1a Bi-levelsetat20%dimming MWS,7 13 MicrowaveSensor

·"·&

Fuse

13 Bi-levelwithmotionsensor, L2' PIRSensor.#2lens doublepole(208V. Bluetoothprogramming, 240V.or480V) L3' PIRSensor,#3lens setat20%dimming SurgeProtection ER100" L7' PIRSensor,#7lens (Allsensingisfactory blank SP1SurgeProtector tobypassWIAP wirelessdimming sensor,integral customizablecontactfactory11 ) 10kV/10kA(standard)

WIAPas.a.,,,s WirelessInteract(includes LW' Low(7"-15"mounting SP2 SurgeProtector SRdriverandSRreceptacle- height)sensor,white 20kV/10kA(option) doNOTselectSRDR) HW' colorhousing High(15"-40'mounting height)sensor,white colorhousing

1. T3AnotavailablewithA06.A07.A08.A09 A10orA11configurationsduetothermal andfitrestrictions.

2. TRNnotavailablewithcombinationofbothDLEAandEMoptionsduetofit restrictions;TRNisavailablewitheachindividually(eitherDLEAorEM).

3. Chooseonly1DimmingControlsoption:eitherDLEAorSRDRorBL20orBLBTorWIAP.

4. 0-10Vdimmingdriverstandard.

5. BL20mustbecombinedwithMWMicrowaveSensor.BLBTmustbecombinedwith SensingoptionL2,L3orL7.WIAPmustbecombinedwithSensingoptionLWorHW. Chooseonly1:eitherBL20-MWorBLBT-L#orWIAP-xW.

6. DLEAluminairehas0-lOVdimmingwiresexitingtheluminairefordimmingcontrolsbyothers.

7. MWavailablewith120V.208V.240V.277V.UNVor347Vonly.

8. Availablewith120V.208V.240V.277VorUNVonly.

9. Mustspecifyapplicablespecificinputvoltage,notavailablewithUNVorHVU.

10.ChooseeitherEmergencyoptionEMorECcold.EMonlyavailablewithA01.A02.A03 orA06andECcoldonlyavailablewithA01.A02.A03.A04.A06orA07duetothermal restrictions.ECcoldnotavailablewithDLEAorBL20-MWorBLBT-L#duetofit restrictions;EMisavailablewithOLEAorBL20-MWorBLBT-L#(doesfit).

11. Mustcontactfactorypriortoordering-theseitemsareETOSpecials.

12.Extendedleadtimesapply.Contactfactoryfordetails.

13.A09.A10,A11eachhave2driversthereforeduetofitrestrictionsnotavailablewith 347V.480V.HVU.BL20-MW.orBLBT.

05/24 page1of7

Project:

14.SRDRorWIAPnotavailablewithEmergencyoptionsEMorECcoldduetothermaland fitrestrictions.

15.ER100suitableforusein40CambientwithA01,A02.A03.A04.A06orA07(72Wmax.); suitableforusein35CambientwithA05orA08(90Wmax.);notavailableabove90W: noA09.A10orAll.ER100mustbeinstalledinconjunctionwithaUL1008device(such asatransferswitchattheelectricalpanel)andonlyforusewithWirelessInteract dimmingsensor(WIAP-xW). ER100is120V-277V.ForPlDetectionwithTRNTrunnionETOSpecial,mustbewiredatfactory.

16.WhenorderingSRDR.controller(byothers)tobepluggedintosocketmustbeSR compatible(seeSpecificationsformoredetails).Consultfactoryforleadtime.

17. Failuretoproperlyselectthe'"BAC"suffixcouldresultinyoureceivingproduct thatisnotBAAcompliantproductwithnorecourseforanRMAorrefund.ThisBAC designationhereunderdoesnotaddress(i)theapplicabilityof,oravailabilityofa waiverunder.theTradeAgreementsAct,or(ii)the·suyAmerica"domesticcontent requirementsimposedonstates,localities,andothernon-federalentitiesasa conditionofreceivingfundsadministeredbytheDepartmentofTransportationor otherfederalagencies.

SPECIFICATIONS

HOUSING

Heavydutysealeddiecastaluminumhousing Corrosionreistantpowdercoat

ELECTRICAL

QuadTap(QT)-120-277V

OperatingTemperature:-40oC(-40oF)-45oC(113oF)

OPTICALSYSTEM

ICcurrentcontrolledLEDcircuits

50,000Hours@L70 CRI>80

MOUNTING

-Supportspendantmounting

CODECOMPLIANCE

ULListedforWetLocations -DLCPremiumListed

WARRANTY 5Year

ORDERINGINFORMATION

OPTIONS(FactoryInstalled)

OCS-Plug-inMotionSensor

EM-EmergencyBattery

Modulyte LED 4", 6" & 8" downlights provide the optimal balance of field flexibility, performance, and commercial appeal. Light engines are designed to be installed without need of frames making Modulyte flexible to accommodate new construction, remodel, and retrofit applications. Field selectable correlated color temperature and lumens in addition to field installable optics including wall wash allow Modulyte to adapt to a variety of applications such as office, institution, healthcare, retail, and public.

Complete luminaire =Frame (optional) + Engine/Trim + Accessories (optional)

Project:

only. MayalsobefieldinstalledwithM_RLWaccessorywithDLstylelightengine/trim.

4. SelecteitherselectableorfixedoptionsforbothlumensandCRI/CCT. MustbeconsistentwithselectableorfixedforbothlumensandCRI/CCT.

5. The4000,4500,and50001m fluxaremarkedspacings. Refertopage7 fordetails.

6. AvailableonlywithM6andMS.

7. The347V(3) andLC(Chicago plenum) optionsnotavailablewithEM6RandEM6Iemergencyoptions.

8. StockReadylightenginesinclude factory-installedgasketandare AirSealincompliancewithASTME283. Allotherconfigurationsrequireair-tite(Anoptiontobeselectedfor factory-installedgasket.

9. FactoryinstalledBodineBSL06SWbatterypackforremotemounttestswitch. Ceilingmountingplateincluded.MayalsobefieldinstalledwithMLEM6accessory.

10. FactoryinstalledBodineBSL066Wbatterypeckformountingtestswitchintegrallytotrim.

11. 30001mmaximum fluxforbothsizes.MustorderCACKorCASKaccessorywhencylindersarependantmounted. CylindersnotavailableforusewithEMoptionsoraccessories.

HELM BAY LANDING

Nt14-RDC

4" M4 Round LED Recessed Downlight

Source: 15W LED 11001m

PRODUCTDESCRIPTION

4"M4RoundLEDdownlightareidealforremodelor newconstructionsinresidentialandlightcommercial applications.ICAir-Tightratedluminairesrequirenohousing, makinginstallationeasy.

FEATURES

Nohousingrequired-ICAirtightrated

Easyinstallationforremodelornewconstruction applications

Squaretrimavailableforanalternativeappearance

Quickdisconnectallowsforextendedlengths 2700Kor3000K@90+CRI

TriacorELVdimming

5-yearlimitedwarranty cETLusListedforWetLocations

SPECIFICATION

Construction:Die-castaluminumtrimswithapowdercoatedfinish.Optionalfieldchangeablesquaretrimis available.

AirFlowRestriction:Luminairehasfactoryinstalled gaskettorestrictairflowfromroomintoceilingplenumto <2CFM(cubicfeetperminute)inaccordancewithASTM283 airtightrequirements.

Clearance:ICratedluminairesareratedfordirectcontact withinsulation(notsprayfoaminsulation),nominimum clearanceisrequired.

JunctionBox:Prewiredjunctionboxincludesquick connecttoLEOfixturesforeaseofinstallation.Junction boxincludesfour½"tradesizeknockoutsandsnapon coverwith7"quickconnectwire.Luminaireincludes6½" quickconnectwire.

Maximum length between luminaireand driveris40'. For longer remote driverremote run length, consult factory.

Nounting:Nohousingisrequired,twotensionssteel springclipssecureluminairetoceiling.Accommodates ceilingthicknessupto¼".Newconstructionframe-insare available,seemountingaccessories.

ELECTRICAL

InputVoltage:120V

Lumens/Wattage:1100Im/15W

ColorTemperature:2700Kor3000K

ColorRenderingIndex:90+CRI

BeamSpread:37° NarrowFlood

OperatingTemperature:0°Cto25°C

Lifetime:50,000hours@L70

Dimming:Dimmabledownto10%withTriacorELV �orcheckcompletedimmerlistat www.NoraLighting.cominthe'Compatibility'pageunder 'Resources'tab

OPTIONALTRINACCESSORIES

NM4-SDT:SquareBaffleTrimforNM4-RDC,BlackorWhite

OPTIONALACCESSORIES

NFC-R375:NewConstructionFrame-Inwithcollar

NM2-EW-4:4'QuickConnectLinkableExtensionCable

NM2-EW-1010'QuickConnectLinkableExtensionCable

NEPK-23LEDUNV:23WEmergencywithRemoteTestSwitch

NEPKA-20/23LEORTSRibbonTestSwitchforNEPK-23LEDUNV

Emergency:LuminaireiscompatiblewithNEPK-23LEDUNV (orderedseparately).Remotemountedbatteryoperates luminairefor90minuteemergencyoperationwithafully chargedbattery.Emergencyincludesremotetestswitch, ribbontestswitchaccessory(NEPKA-20/23LEORTS)ordered separately.

LABELSANDLISTINGS

cETLusListedforWetLocations

5-YearLimitedWarranty FCCcompliant

CertifiedtothehighefficacyrequirementsofCalifornia Title24JA8-2025

Type Project

Notes

PRODUCTINAGESANDDINENSIONS

SquareBaffleTrim

4" 114 Round Can-less LED Recessed Downlight

ColorTemperature Finish

Optional 11ounting Accessories

AccessoryType

NFC�=NewConstructionFrame-Inwithcollar

NM4-RDC27=2700K BB=Black l1PW=White

Square Trim Accessory

Description

Nll't-SOTB=SquareBaffleTrim,BlackFinish

Nl14-SDTl1PW=SquareBaffleTrim,WhiteFinish

Example:Nl14-RDC3011PW=4"M4RoundCan-lessLEORecessed Oownlight,llOOlm

NM2-EW-4=4'QuickConnectExtensionCable

Nl12-EW-10=10'QuickConnectExtensionCable

NEPK-23LEDUNY=23WEmergencyLEODriverw/RemoteTestSwitch

NEPKA-20/23LEDRTS=RibbonTestSwitchforNEPK-23LEOUNV

Modulyte LED 4", 6" & 8" downlights provide the optimal balance of field flexibility, performance, and commercial appeal. Light engines are designed to be installed without need of frames making Modulyte flexible to accommodate new construction, remodel, and retrofit applications. Field selectable correlated color temperature and lumens in addition to field installable optics including wall wash allow ModuLyte to adapt to a variety of applications such as office, institution, healthcare, retail, and public.

Complete luminaire =Frame (optional) + Engine/Trim + Accessories (optional)

Project:

wide(W)beamonly. MayalsobefieldinstalledwithM_RLWaccessorywithDLstylelightengine/trim.

4. SelecteitherselectableorfixedoptionsforbothlumensandCRI/CCT. MustbeconsistentwithselectableorfixedforbothlumensandCRI/CCT.

5. The4000,4500,and50001mfluxaremarkedspacings.Refertopage7fordetails.

6. AvailableonlywithM6andMS.

7. The347V(3)andLC (Chicagoplenum)optionsnotavailablewithEM6RandEM6Iemergencyoptions.

8. StockReadylightenginesincludefactory-installedgasketandareAirSealincompliancewithASTME283. Allotherconfigurationsrequireair-tite(Anoptiontobeselectedforfactory-installedgasket.

9. FactoryinstalledBodineBSL06SWbatterypackforremotemounttestswitch. Ceilingmountingplateincluded.MayalsobefieldinstalledwithMLEM6accessory.

10. FactoryinstalledBodineBSL066Wbatterypeckformountingtestswitchintegrallytotrim.

11. 30001mmaximumfluxforbothsizes.MustorderCACKorCASKaccessorywhencylindersarependantmounted. CylindersnotavailableforusewithEMoptionsoraccessories.

HELM BAYLANDING

Nt14-RDC

4" M4 Round LED Recessed Downlight

Source: 15W LED 11001m

PRODUCTDESCRIPTION

4"M4RoundLEDdownlightareidealforremodelor newconstructionsinresidentialandlightcommercial applications.ICAir-Tightratedluminairesrequirenohousing, makinginstallationeasy.

FEATURES

Nohousingrequired-ICAirtightrated

Easyinstallationforremodelornewconstruction applications

Squaretrimavailableforanalternativeappearance

Quickdisconnectallowsforextendedlengths 2700Kor3000K@90+CRI

TriacorELVdimming

5-yearlimitedwarranty

cETLusListedforWetLocations

SPECIFICATION

Construction:Die-castaluminumtrimswithapowdercoatedfinish.Optionalfieldchangeablesquaretrimis available.

AirFlowRestriction:Luminairehasfactoryinstalled gaskettorestrictairflowfromroomintoceilingplenumto <2CFM(cubicfeetperminute)inaccordancewithASTM283 airtightrequirements.

Clearance:ICratedluminairesareratedfordirectcontact withinsulation(notsprayfoaminsulation),nominimum clearanceisrequired.

JunctionBox:Prewiredjunctionboxincludesquick connecttoLEOfixturesforeaseofinstallation.Junction boxincludesfour½"tradesizeknockoutsandsnapon coverwith7"quickconnectwire.Luminaireincludes6½" quickconnectwire.

Maximum length between luminaire and driveris40'. For longer remote driverremote run length, consult factory.

Nounting:Nohousingisrequired,twotensionssteel springclipssecureluminairetoceiling.Accommodates ceilingthicknessupto¼".Newconstructionframe-insare available,seemountingaccessories.

4"

114 Round Can-less LED Recessed Downlight

Finish

BB= Black

l1PW=White

Square Trim Accessory

Description

Nll't-SOTB= SquareBaffleTrim, Black Finish

Nl14-SOTl1PW= Square Baffle Trim, White Finish

ELECTRICAL

InputVoltage:120V

Lumens/Wattage:1100Im/15W

ColorTemperature:2700Kor3000K

ColorRenderingIndex:90+CRI

BeamSpread:37° NarrowFlood

OperatingTemperature:0°Cto25°C

Lifetime:50,000hours@L70

Dimming:Dimmabledownto10%withTriacorELV

�orcheckcompletedimmerlistat www.NoraLighting.cominthe'Compatibility'pageunder 'Resources'tab

OPTIONALTRINACCESSORIES

NM4-SDTSquareBaffleTrimforNM4-RDC,BlackorWhite

OPTIONALACCESSORIES

NFC-R375:NewConstructionFrame-Inwithcollar

NM2-EW-44'QuickConnectLinkableExtensionCable

NM2-EW-1010'QuickConnectLinkableExtensionCable

NEPK-23LEDUNV:23WEmergencywithRemoteTestSwitch NEPKA-20/23LEORTSRibbonTestSwitchforNEPK-23LEDUNV

Emergency:LuminaireiscompatiblewithNEPK-23LEDUNV (orderedseparately).Remotemountedbatteryoperates luminairefor90minuteemergencyoperationwithafully chargedbattery.Emergencyincludesremotetestswitch, ribbontestswitchaccessory(NEPKA-20/23LEORTS)ordered separately.

LABELSANDLISTINGS

cETLusListedforWetLocations

5-YearLimitedWarranty

FCCcompliant

CertifiedtothehighefficacyrequirementsofCalifornia Title24JA8-2025

Type

Project

Catalog No.

Notes

PerformanceData

SquareBaffleTrim

Optional 11ounting Accessories

Accessory Type

FC-R = New Construction Frame-In withcollar

Nl12-EW-4=4' Quick Connect Extension Cable NM2-EW-10= 10' Quick Connect Extension

NEPK-23LEOUH =23WEmergency LEO Driverw/RemoteTestSwitch

NEPKA-20/23LEORTS = Ribbon Test Switch for NEPK-23LEOUNV

TYPE EX SPEC

DESCRIPTION

SLX Series LED exit is a steel unit suitable for commercial, institutional, and multi-housing applications. With the new advanced standard features and industry leading innovations, they are now the most universal, energy friendly, easiest to stock and install, and safest Exits in their class.

SPECIFICATIONFEATURES

Electrical -General Features

- Field selected red and greensign capability standard on all units (units shipped red, field convert to green with supplied parts)

- Dual Voltage Input 120/277 VAC,60Hz

-AC Only

- Optional 2C (Two circuit, FTBR) available in 120/277 VAC in standard and emergency operation

- Self Powered

- Sure-Lites EZ Key patented external battery disconnect feature

- prevents unnecessary battery drainage, saves on installation time

- Solid-state Voltage Limited Charger

- Brownout Circuit

- Low-Voltage Disconnect

- Test Switch/Power Indicator Light

- Standard 24 hour recharge time (max)

- Eagle Eye™ Self-Diagnostic Standard

Housing Construction

- 20-gauge steel housing

- Universal pattern knockouts on rear for direct mounting to junction box

- Knockouts for chevron directional indicators

- Canopy allows ceiling or end Mounting

- Universal styles offer complete installation flexibility with canopy, backplate, and two stencil faces

Battery (Self Powered Only)

- Sealed Nickel Cadmium

- Maintenance-Free, Long-Life

- Full Recharge Time, 24 hrs. (max)

Code Compliance

- UL 924 Listed

- UL Damp Location (0-40C

- Life Safety NFPA 101

- NEC/OSHA

- Most State and Local Codes

- NOM Certified

- UL Listed for 2C (FTBR)

[117mm]

HELM BAY LANDING

Warranty

- Exit -5 year

- Battery: 5-Year pro-rata

Lamp Data

- AC LED: Red and green LED lamps provide uniform diffused illumination

- DC: Red and green LED DC lamps (Brighter in emergency mode)

SLX SERIES

STEELEXIT

SURFACEMOUNT LEDLAMPS EXITLIGHTING

ENERGYDATA

Maximumpowerconsumption underallchargeconditions:

ACOnly,120V•Red

Amps:0.07

Watts:0.98

PowerFactor:0.12

ACOnly,120V•Green

Amps:0.07

Watts:1.02

PowerFactor:0.13

ACOnly,277V•Red

Amps:0.07

Watts:1.04

PowerFactor:0.06

ACOnly,277V•Green Amps:0.07

Watts:1.12

PowerFactor:0.06

SelfPowered,120V•Red Amps:0.07

Watts:0.98

PowerFactor:0.12

SelfPowered,120V-Green Amps:0.07

Watts:1.00

PowerFactor:0.13

SelfPowered,277V-Red Amps:0.07

Watts:1.03

PowerFactor:0.06

SelfPowered,277V-Green Amps:0.07

Watts:1.09

PowerFactor:0.05

HELM BAYLANDING

NX-813-LED/NX-814-LED/NX-815-LED

Recessed Adjustable LED Edge-Lit Exit Sign

Source: 5W LED

PRODUCTDESCRIPTION

Architecturalacrylicedge-litsignforapplicationsrequiringarecessedinstallationwherethewiringcompartmentisconcealed withinagalvanizedsteelhousing.Usesincluded,butarenotlimitedtomuseums,galleries,officebuildinglobbies,etc. Incorporates25+yearLEDsource.AC,2-Circuit,andBatteryBackupconfigurationsareavailablewithlettersineithergreenorred color.

BODY

Galvanizedsteelhousingwithdie-castcoverplateandacrylicpanel.

FACE

Edge-litExitisavailableineither singleordoubleface.Acrylicfacehasroundedandfinishededgeforattractiveappearance.Red orgreen6'letteringinsidefacewithadhesivemountedchevronsincluded.Facecanbeadjustedinthefieldfrom0° to90° for wall,ceiling,orslopedapplications.

l'IOUNTING

Two13-¾"to24-½"adjustablebarhangerswithcaptivenailsareincludedonhousing.Barhangersareparalleltojunctionbox,but canberepositioned90° perpendiculartojunctionboxifdesired.AT-Barnotchallowforeasyinstallationinasuspendedceiling.

ELECTRICAL

Voltage:Dual120/277VAC(0.038A/0.017A)

LEDWattage:3Wnormal/5Wemergencyoperation EmergencyCircuit(NX-814-LED):2ndcircuitforinputfromexternalEPSorotheralternativeemergencypowersourceor generator

Battery(NX-815-LED):ReplaceableNiCadbatteryprovides90minutesofilluminationduringemergencyoperation Testing:Highcharge/readyoperationindicatorlightwithtestbuttonandautomaticreset CircuitProtection:Isolatedsurge/shortcircuitprotection(Disconnectfordeepdischarge)

LifeExpectancy:25Yearswithnochangeinilluminationlevel

LABELSANDLISTINGS

5-YearLimitedWarranty ULListed

NEC

NFPA State&Municipal CertifiedtotheenergyefficiencystandardsofCaliforniaTitle20

Recessed AdjustableLED Edge-Lit Exit Sign

Operation LetterColor

NX-813-LEO=AConly !!=Red

NX-814-1.ED=2-Circuit G=Green

NX-815-lEII=BatteryBackup

Face(s)IAcrylic HousingColor C=SingleFace I ClearAcrylic �=Aluminum II.=SingleFace I MirroredAcrylic B=Black 211=DoubleFace I MirroredAcrylic W=White

Example:NX-813-LEDRCA=AConlyExitSign,RedLetters,Single Face/ClearAcrylic,AluminumHousing

Type

Project

Catalog No.

Notes

PRODUCTll'IAGESANDDll'IENSIONS

Optional Accessories

Description

NEXC-6=ReplacementGreenChevrons

NEXC-11=ReplacementRedChevrons

TYPE EX SPEC HELM BAY LANDING

ORDERING INFORMATION

S=Open Face for Signage (single face, White housing only)

Housing Finish

Blank=White

options

2C=Two Circuit Option (SLX6 only)

SD=SelfDiagnostics Standard (SLX7 only) I

AP SERIES EXITS WITH SQUARE HEADS COMBO

[Options for non-EXIT signs)

Signage Options (Color)

Blank=EXIT sign

R=Red letter, Red LED

G=Green letter, Green LED

B=Blue letter, White LED

Notes:

1 Consult factory for additional custom signage options.

2 Blue Letters, White LED does not have the "SD" option.

3 Units ordered with "Salida" signage (e.g., SLX6SR2) will use a steel stencil

Signage Options (Common Signs)

Blank=EXIT sign

1=•AREA OF RESCUE"

2 =•SALIDA"

3 =•STAIRS"

4=•AREA OF REFUGE"

5 =•IN USE"

6=•NOT AN EXIT"

7 =(WHEEL CHAIR SYMBOL)

8=•X-RAY ON"

9 =•LASER IN USE"

10=·Do NOT ENTER· �----- AvailableAccessories (Order Separately) -----�

Protection Devices

WG10=Wall mount wire guard

WGS11=Ceiling or End mount wire guard

VS1=Polycarbonate that outlines the word "Salida", while all other signage options will be open-face.

Vandal Shield

VS1WP=Polycarbonate Vandal Shield, WeatherProof

TECHNICAL DATA

Lamps

SLX Series Exits use energy efficient, long life LED's to provide uniform diffuse illumination of the exit face. These red and green LEDs require no maintenance and consume less than one watt, on average.

Housing Construction

Exit housing is constructed of durable 20-gauge cold rolled steel with corrosion resistant polyester powder coat paint finish. All exits can be mounted and wired through knockouts located on the top and side. Surface mount back panel has knockouts for direct mounting to junction box. The mounting canopy is made of impact resistant thermoplastic with complementary finish. Stencil face exits are supplied with knockout chevron directional indicators for easy conversion to directional exits. Exit stencil and backplate install in channels in the exit housing to eliminate light leaks.

Lens

Lenses for the SLX Series Exits are made from durable, impact resistant polycarbonate. All exit faces are designed with full 3/4" stroke snap-out or snap-in chevron directional indicators to insure maximum visibility and compliance with the latest codes. Units come with red lenses installed and green lenses included for field selectable red or green signs.

Sure-Lites EZ Key External Battery

Disconnect (Self Powered Only)

Patented technology that allows installers to externally control the battery connection. Better than line latching, allows installers to choose when the battery is connected so that it stays fresh longer. Allows battery to be disconnected after installation but before building is occupied, enabling emergency circuit to be shut down for power savings.

Brownout Circuit (Self Powered Only)

The brownout circuit on Sure-Lites' exits monitors the flow of AC current to the exit and activates the emergency lighting system when a predetermined reduction of AC power occurs. This dip in voltage will cause most ballasted fixtures to extinguish causing loss of normal lighting even though a total power failure has not occurred.

Solid-State Transfer (Self Powered Only)

The SLX Series Exit incorporates solid-state switching which eliminates corroded and pitted contacts or mechanical failures associated with relays. The switching circuit is designed to detect a loss of AC voltage and automatically energizes the lamps using DC power. Upon restoration of AC power, the DC power will be disconnected and the charger will automatically recharge the battery.

Low Voltage Disconnect (Self Powered Only)

When the battery's terminal voltage falls, the low-voltage circuitry disconnects the lighting load. The disconnect remains in effect until normal utility power is restored, preventing deep battery discharge.

Test Switch/Power Indicator Light (Self Powered Only)

A test switch located on the side of the exit permits the activation of the emergency circuit for a complete operational systems check. The Power Indicator Light provides visual assurance that the AC power is on.

Sealed Nickel Cadmium Battery (Self Powered Only)

Sure-Lites sealed nickel cadmium batteries are maintenance-free with a life expectancy of 15 years. The sealed rechargeable nickel cadmium battery offers high discharge rates and stable performance over a wide range of temperatures,

without notice.

Pendant Kit

PK18PKWH=18" Pendant Kit, White

PK18PKHTWH=18" Hang True Pendant Kit, White

PK18PKBK=18"Pendant Kit, Black

PK18PKHTBK=18" Hang True Pendant Kit, Black

from 0-40° C. The specially designed re-sealable vent automatically controls cell pressure, assuring safety and reliability. This battery is best suited for harsh ambient temperatures because the electrolyte is not active in the electrochemica process.

u2C" (AC Only)

he "2C" Option enables the Exits to operate per the requirements of UL 924 when connected simultaneously to both normal and emergency power circuits (two circuit operation-UL Category FTBR-Emergency Lighting and Power Equipment). The "2C" Option alters the standard Exit such that it complies with and is UL Listed under the FTBR Category. This option should only be used for exits which are intended to be connected simultaneously to normal and emergency power circuits, but cannot support two hot inputs. Only one of the normal or emergency circuits can be powered. If both are powered simultaneously, it will make the Exit inoperable. Both circuits have universal 120/277 VAC standard.

Eagle Eye™ Self Diagnostics Standard on SLX7

The self-diagnostic unit will automatically perform all tests required by UL924, and NFPA 101. The system indicates the status of the exit at all times using the LED indicator near the test switch on the side of the unit. A 90 minute battery power (emergency mode) simulation test will occur randomly once every 12 months. A 30 second battery power simulation test will occur every 30 days.

Warranty

All Sure-Lites' products are backed by a firm one-year warranty against defects in material and workmanship. Maintenance-free, long-life, sealed nickel cadmium batteries carry a fifteenyear pro-rata warranty.

BLANK

FEATURES&SPECIFICATIONS

INTENDEDUSE-IdealforwetlocationareasrequiringexitsignsforAConlyorbatteryback-uppowerthatare subjecttosaturationwithnon-mechanicallydeliveredwater. Certainairbornecontaminantscandiminish theintegrityofaaylicand/orpolycarbonate. ClickhereforAcrylic-Polycarbonate Compatibilitytable forsuitableuses.

CONSTRUCTION - White, compact, contemporary design.Engineering-gradethermoplastichousing is impact-resistant, scratch-resistant andcorrosion-proof. Universal directional Chevron inserts are easily removedandreinserted.UL94V-Oflamerating.UV-stableresinresistsdiscolorationfromnaturalandman-made lightsources.Rugged,heavy-duty,polycarbonateclearhousinglens.Housingalsoavailableinblackorgray. Letters6"highwith3/4"stroke,with100ft.viewingdistancerating,baseduponUL924standards.

OPTICS -Lowenergyconsumption-fewerthan5watts.ThetypicallifeoftheexitLEDlampis5years, basedon24/7operation.

ELECTRICAL-Dualvoltageinputcapacity(120/277V).

Battery:(ELOption)-Sealed,maintenancefreenickel-cadmiumbatterydelivers90minutesratedcapacity. Testswitchprovidesmanualactivationof30-seconddiagnostictestingforon-demandvisualinspection. Self-diagnostictesting(SDOptionOnly)for30secondsevery30days,30minutesevery180daysanda90-minute annualtest.DiagnosticevaluationofLEDlightsource,chargingandbatterycondition.

INSTALLATION-Universalmountingcanopyfortoporendmount.Backmountstandardforsinglefaceonly. Junctionboxholepatternfor4"octagonmounting.Flexibleconduitentry.

LISTINGS -ULlisted.Wetlocationlisted.Standardcoldtemperaturerating-4°Fto122°F(-20°Cto50°C). MeetsUL924,NFPA101(currentLifeSafetyCode)andNFPA70-NEC,MeetsallapplicableFCCTitle47,Part15, SubpartBrequirements.

WARRANTY-5-yearlimitedwarranty.(Batteryisprorated.)Thisistheonlywarrantyprovidedandno otherstatementsinthisspecificationsheetcreateanywarrantyofanykind.Allotherexpressandimplied warrantiesaredisclaimed.Completewarrantytermslocatedat:www.acuitybrands.com/suooort/warranty/ terms-and-conditions

Note:Actualperformancemaydifferasaresultofend-userenvironmentandapplication. Allvaluesaredesignortypicalvalues,measuredunderlaboratoryconditionsat25°C. Specificationssubjecttochangewithoutnotice.

tExitSignsCertifiedintheCATitle20ApplianceEfficiencyDatabase.

Length: 12-1/2(31.8)

Depth: 2-1/2(6.4)

Height: 8-1/8(20.6)

Weight: 4.1lbs(1.9kg) Alldimensionsareinches(centimeters) unlessotherwiseindicated.

HELM BAY LANDING

NX-617-LED

Wet Location LED Exit Sign with Battery Backup and Self-Diagnostics

Source: 2.2W

Type Project

Catalog No.

Notes

PRODUCTDESCRIPTION

LEDexitsignwithbatterybackupforilluminationduring powerloss.LuminaireispoweredbyLEDsourcesfor maximumlifewithoutmaintenance.Idealforegresslighting wheresplashing,non-corrosiveliquids,anddrippingmay occur.

FEATURES

UniversalMounting-Wall,Ceiling,orSideMounting ULListedandmeetsorexceedsUL924,NFPA70and NFPA101LifeSafetyCoderequirements

Self-DiagnosticTesting

Polycarbonateplasticenclosurewithflameretardant andwetlocationrated

Push-To-TestSwitch

HightemperaturemaintenancefreeNiCadbattery 120/277VACinput

6"Lettersand¼"stroke

Coldweatheroptionincludesheatingpadtomaintain operatingtemperature

ELECTRICAL

Voltage:120/277VAC60Hzinput

Wattage:2.2W

Battery:3.6VReplaceable400mAhNiCadbattery

RechargeTime:24hours

OperatingTemperature:

Standard:0°Cto50°C

ColdWeatherOption:-25°Cto50°C

FACE

Impactresistantpolycarbonatewhitefaceplatewith flameretardantandinternalgasketforwetlocation rating.Optionaldualfaceplateincluded.Fullyilluminated 6"letterswith¼"strokeandfieldselectabledirectional chevronsincluded.

EIIERGENCY

Duringlossofpower.NiCadbatterywilloperateLEDexit signfor90minutes.Batteryrequires24hourstorecharge whenpowerisrestored.

IIOUNTING

Mountinghardwareincludedforceiling,wall,orsidemount applications.Listedforinstallationsindoor,outdoororwet locations.

BROWNOUTCIRCUIT

BrownoutcircuitmonitorstheflowofACcurrenttotheunit andtriggerstheexitlightonceasetreductionofACpower occurs.Thisdipinthevoltagewillcausemanyfixturesto extinguishcausinglossofnormallightingeventhougha totalpowerfailurehasnotoccurred.

SHORTCIRCUITPROTECTION

Overloadmonitoringsystemisasolid-statecircuitwhich monitorstheloadanddisconnectsfromthebatteryshould anoverloadorshortcircuitoccur.Theoverloadcurrent protectioneliminatestheneedforfusesorcircuitbreakers fortheDCload.

TESTING

Luminaireincludesmanualtestbuttonformanual verificationthetransfercircuitandbatteryoperate correctly.Luminairealsoperformsself-testsand diagnosticsonbattery,chargingboard,transfercircuit, andexitsign.

Ifafailureisdetected,anindicatorLEDwillblinkreduntil faultiscorrected.AsolidgreenindicatorLEDindicatesno faultsandblinkedgreenindicatesatestisinprogress.

COLDWEATHEROPTION

Exitsigncanbeusedincoldweatherlocationswith heatingpadaccessory,mustspecify-CCsuffix.Whenexit signreachesalowtemperatureaheatingpadwillkeepthe batterywithinoperatingtemperature,allowingtheexitsign toworkintemperaturesdownto-25°C.

LABELSANDLISTINGS

5-YearLimitedWarranty

UL924ListedforWetLocations

NFPA70&NFPA101LifeSafetyCode

CaliforniaEnergyCommission(CEC)Compliant

Title20Compliant

V1suAL COMFORT&Co.

3JVR52MBKI: Jovie 52 Ceiling Fan inMidnight Black withMidnight Black/AmericanWalnut Reversible Blades

Collection: Jovie 52

AC Motor

Compatible with MC93MBK slope ceiling canopy kit.

UPC #:014817624427

Finish: Midnight Black (MBK)

Blade Finish: Midnight Black/American Walnut reversible blades Blade Finish 2: Undefined Backplate/

Dimensions:

Diameter: Weight:

Number Of Speeds:

Reverse Switch:

Rev. Switch Location:

Motor Size:

Diameter of Housing:

Capacitor Value: Lead Wire Length:

Uplight Included:

Features:

• This product may be mounted on a sloped ceiling

• Dual finished blades included

• Hard wire wall control included.

• This product complies with TSCA Title VI

Material List:

3 Blade - Plywood - Midnight Black/American Walnut reversible blades

1 Body - Steel - Midnight Black

Safety Listing:

Safety Listed for Damp Locations

Instruction Sheets:

English (3JVR52XXX-CUL-ENG)

French (3JVR52XXX-CUL-CF)

3JVR52MBK:Jovie52CeilingFaninMidnightBlack withMidnightBlack/AmericanWalnutReversible Blades

Collection: Jovie52

ACMotor

CompatiblewithMC93MBKslopeceilingcanopykit.

UPC#:014817624427

Finish: MidnightBlack(MBK)

BladeFinish: MidnightBlack/AmericanWalnutreversibleblades

BladeFinish2: Undefined

Backplate/CanopyDetails:

BladeDetails:

Dimensions:

Diameter: 52"

Weight: 14.4lbs.

NumberOfSpeeds: 4

ReverseSwitch: Manual

Rev.SwitchLocation: SwitchHousing

MotorSize: 153X15

DiameterofHousing: 8.3

CapacitorValue: 4.25uF/350V/105C

LeadWireLength: 78inches

UplightIncluded: No

RemoteIncluded: None

RemoteGroup(s):

Features:

Thisproductmaybemountedonaslopedceiling

Dualfinishedbladesincluded

Hardwirewallcontrolincluded.

ThisproductcomplieswithTSCATitleVI

MaterialList:

3Blade-Plywood-MidnightBlack/AmericanWalnutreversibleblades

1Body-Steel-MidnightBlack

SafetyListing:

SafetyListedforDampLocations

InstructionSheets:

English(3JVR52XXX-CUL-ENG)

French(3JVR52XXX-CUL-CF)

Type L-1

Type L-1

ARTERIORS

GLAZE MULTIPOINT FLUSH MOUNT

Workshop/APO

GAD CO

Ivory Stained Crackle, Ceramic

APPEARANCE

Materials

Finishes

Finish Will Vary

Top Coat/Sealant

DIMENSIONS

Overall

Globe

Shade

Canopy

WIRING

Wire Rating

Cord

Socket

Suggested Bulb Type

Maximum Wattage

Voltage

A highly flexible solution for spaces of all kinds, the Glaze multipoint flushmount features two adjustable, pivoting arms with four frosted glass lights with stained ivory crackle ceramic shades. The design offers users the ability to customize the blackened steel fixture's layout to the space, casting light where it is needed. This flush mount is an excellent option for transitional spaces like foyers and hallways, also bringing drama to areas with lower ceilings. Finish will vary.

Ceramic, Steel, Glass

Ivory St11n,•d CrxklE., Blackened Steel, Opal

Yes

Yes

W:45 in x D:29 in x H:ll in

Dia:6.0 in

Dia:9.0 in

Dia:5.0 in x H:l in

Damp

l FT, Black/White, SVT

4, Type A - E26

Gl6.5

25.0

ll0-l20 V

CERTIFICATIONS & COMPLIANCY

Certifications

Compliancy

SHIPPING

Product Weight

Gross Weightl

Shipping Boxl

CONTRACT

Contract Suitability

Mexico, United States, Canada RoHS, UUETL 19.2 lbs

lbs W:24.0 in x D:44.5 in x H:28.0 in

Contract Suitable As Is

REPLACEMENTPARTS

GADFC03CER

GADFC03GLS

applicableStemandCanopyFinish Options.Notavailablein995-Raw Copper,996-WeatheredCopperor

IMPORTANT:(1)NaturalMetalshavealongerestimatedmanufacturingtime,pleasecheckthewebsiteforexactleadtime.TherearenoreturnsacceptedonNaturalMetals (2)Notapplicableif996-WeatheredCopper,998-WeatheredBrassor999-Oil-RubbedCopperisselectedinSectionD,interiorfinishwillbethesame,selectNA(3) FixturesconfiguredwithGU24socketarenon-returnable

applicableStemandCanopyFinish Options.Notavailablein995-Raw Copper,996-WeatheredCopperor

IMPORTANT:(1)NaturalMetalshavealongerestimatedmanufacturingtime,pleasecheckthewebsiteforexactleadtime.TherearenoreturnsacceptedonNaturalMetals (2)Notapplicableif996-WeatheredCopper,998-WeatheredBrassor999-Oil-RubbedCopperisselectedinSectionD,interiorfinishwillbethesame,selectNA(3) FixturesconfiguredwithGU24socketarenon-returnable

COLLINS PENDANT

with

Intersecting ovals of faux travertine resin give a kinetic feel to our Collins pendant. Encircling a single frosted bulb, and suspended on an English bronze canopy, this earring-inspired fixture can be displayed on its own or in multiples for extra impact. Finish will vary.

APPEARANCE

Materials

Finishes

Finish Will Vary

Resin, Steel

Faux Travertine, English Bronze Yes

Top Coat/Sealant Yes

DIMENSIONS

Overall

Canopy

Maximum Hanging Height as Sold

Minimum Hanging Height as Sold

Pendant

WIRING

Wire Rating

Cord

Dia: 10.0 in x H: 23in

Dia: 5.0 in x H: l in 53in

23in

Dia: 10.0 in x H: 17 in Damp 10 FT, Clear/Silver, SVT

Socket l, Type A - E26

Suggested Bulb Type Gl6.5

Maximum Wattage 60.0

Voltage 110-120 V

CERTIFICATIONS & COMPLIANCY

Certifications

Compliancy

SHIPPING

Product Weight

Gross Weight l

Shipping Box l

CONTRACT

Contract Suitability

COMPONENTS

Mexico, United States, Canada UUETL 13.0 lbs 16.3lbs W: 14.0 in x D: 15.0 in x H: 24.0 in

Contract Suitable As Is

Pipe or Chain Included (1) 4", (l) 6", (2) 12" Pipes

ADDITIONAL PARTS AVAILABLE

PIPE-588

REPLACEMENT PARTS

CANOPY-714 (l) 4", (l) 6", (l) 12"

Faux Travertine Resin

HELM BAY LANDING ARTERIORS

COLLINS PENDANT

P,i,eked with (1)4-,(1)6-, (2)12·

Intersectingovals of faux travertine resin give a kinetic feel to our Collins pendant. Encircling a single frosted bulb, and suspended on an English bronze canopy, this earring-inspired fixture can be displayed on its own or in multiples for extra impact. Finish will vary.

APPEARANCE

Materials

Finishes

Finish Will Vary

Resin, Steel

Faux Travertine, English Bronze Yes

Top Coat/Sealant Yes

DIMENSIONS

Overall Canopy

Maximum Hanging Height as Sold

Minimum Hanging Height as Sold

Pendant

WIRING

Wire Rating

Cord

Dia: 10.0 in x H: 23in

Dia: 5.0 in x H: l in 53in

23in

Dia: 10.0 in x H: 17 in Damp 10 FT, Clear/Silver, SVT

Socket l, Type A - E26

Suggested Bulb Type Gl6.5

Maximum Wattage 60.0

Voltage 110-120 V

CERTIFICATIONS & COMPLIANCY

Certifications

Compliancy

SHIPPING

Product Weight

Gross Weight l

Shipping Box l

CONTRACT

Contract Suitability

COMPONENTS

Mexico, United States, Canada UUETL 13.0 lbs 16.3lbs W: 14.0 in x D: 15.0 in x H: 24.0 in

Contract Suitable As Is

Pipe or Chain Included (1) 4", (l) 6", (2) 12" Pipes

ADDITIONAL PARTS AVAILABLE

PIPE-588

REPLACEMENT PARTS

CANOPY-714 (l) 4", (l) 6", (l) 12"

Faux Travertine Resin

alora mood

016-1/8"

P. 1.855.855.8926

CANADA:19054 28TH Avenue Surrey - BCV3Z 6M3

USA: 3035E. Lone Mountain Rd - Las Vegas, NV, 89081

BONDI PD631416

FIXTURE DIMENSIONS

LAMP TYPE

MAXWATTAGE

BULB QTY

BULBS INCLUDED VOLTAGE

MATERIAL

WIRELENGTH

MINIMUM HANG HEIGHT

SLOPED CEILING ADAPTABLE

ILLUMINATION DIRECTION

LOCATION

CANOPY DIMENSIONS

PAINT FINISH

D16-1/8" x H9-3/8"

E26

60W 1 No

120V

Steel + Rattan

72" Max

12"

Yes

Omni-directional Damp

D4-5/8" x H5/8"

BGOl; MBOl;

[ D - Diameter, L - Length, W - Width, H - Height, E - Extension J

AVAILABLE FINISHES:

PD631416BGOP

Brushed Gold/Matte Opal

Matte Black/Matte Opal

*For complete warranty terms, please visit:www.aloralighting.com/warranty

HELM BAYLANDING alora mood

016-1/8"

P. 1.855.855.8926

CANADA:19054 28TH Avenue Surrey - BCV3Z 6M3

USA: 3035E. Lone Mountain Rd - Las Vegas, NV, 89081

BONDI PD631416

FIXTURE DIMENSIONS

LAMP TYPE

MAXWATTAGE

BULB QTY

BULBS INCLUDED

VOLTAGE

MATERIAL

WIRELENGTH

MINIMUM HANG HEIGHT

SLOPED CEILING ADAPTABLE

ILLUMINATION DIRECTION

LOCATION

CANOPY DIMENSIONS

PAINT FINISH

D16-1/8" x H9-3/8"

E26

60W 1 No

120V

Steel + Rattan

72" Max

12" Yes

Omni-directional Damp

D4-5/8" x H5/8"

BGOl; MBOl;

[ D - Diameter, L - Length, W - Width, H - Height, E - Extension J

AVAILABLE FINISHES:

PD631416BGOP

Brushed Gold/Matte Opal

Matte Black/Matte Opal

*For complete warranty terms, please visit:www.aloralighting.com/warranty

TYPE LT-05 SPEC HELM BAY LANDING

IVER

B2019-PBR

Inspired by folk art, this statement sconce has been carved from turned wood. The interplay of geometric forms creates a pop of interest while the petite proportions lend Iver versatility in various spaces. An off-white linen shade complements the overall natural, playful desig ethos.

*Due to the one-of-a-kind nature of the medium, exact colors and patterns may vary slightly from the image shown.

FINISHES

PATINA BRASS

Coastal Suitable Finish (EPM): No

DIMENSIONS

Height: 18.75"

Width/Diameter: 6"

Canopy/Backplate: 4.75"

Product Weight: 2.4Ib

Extension: 6.5"

Top to Center: 11.5"

Canopy/Backplate Shape: Round

Sloped Ceiling Compatible: No

Living Finish: No

Uplight Only: No

Shade

Shade 1: Textile

Shade 1 Finish: Off White Linen

Shade 1 Top Width: 3.75"

Shade 1 Bottom L/W: O" / 6"

Shade 1 Height: 7.5"

ELECTRICAL

Bulb 1

Bulb Included: No

Socket: E12 Candelabra Base

Bulb Type: B11

Max Wattage: 8

Bulb Quantity: 1

Wire Length: 7"

Gem Box Required (2"x3"): No

Dark Sky: No

SHIPPING

Carton 1: 16" x 7" x 13"

Carton 1 Weight: 4Ib

Shipping Method: Ground

Country of Origin: VN

HELM BAYLANDING TYPELT-05

IVER

B2019-PBR

Inspired by folk art, this statement sconce has been carved from turned wood. The interplay of geometric forms creates a pop of interest while the petite proportions lend Iver versatility in various spaces. An off-white linen shade complements the overall natural, playful desig ethos.

*Due to the one-of-a-kind nature of the medium, exact colors and patterns may vary slightly from the image shown.

FINISHES

PATINA BRASS

Coastal Suitable Finish (EPM): No

DIMENSIONS

Height: 18.75"

Width/Diameter: 6"

Canopy/Backplate: 4.75"

Product Weight: 2.4Ib

Extension: 6.5"

Top to Center: 11.5"

Canopy/Backplate Shape: Round

Sloped Ceiling Compatible: No

Living Finish: No

Uplight Only: No

Shade

Shade 1: Textile

Shade 1 Finish: Off White Linen

Shade 1 Top Width: 3.75"

Shade 1 Bottom L/W: O" / 6"

Shade 1 Height: 7.5"

ELECTRICAL

Bulb 1

Bulb Included: No

Socket: E12 Candelabra Base

Bulb Type: B11

Max Wattage: 8

Bulb Quantity: 1

Wire Length: 7"

Gem Box Required (2"x3"): No

Dark Sky: No

SHIPPING

Carton 1: 16" x 7" x 13"

Carton 1 Weight: 4Ib

Shipping Method: Ground

Country of Origin: VN

FAZEKAS PENDANT

H 21

Ivory, Faux Vellum

Our ivory faux vellum stretches over a strong-lined frame of English bronze-plated steel. Suspended from a natural rope-wrapped pipe,its echoing form evokes the movement of a dance. Open at the bottom to let the lightpermeate. Certified for damp locations and intended for interior use. Finish will vary.

APPEARANCE

Materials

Finishes Finish WillVary Faux Vellum, Steel, Rope rory Engl sn Brnnze,Natural

Top Coat/Sealant

DIMENSIONS

Overall

Canopy

Maximum Hanging

Height as Sold

Minimum Hanging

Height as Sold

Pendant

WIRING

Wire Rating

Cord

Socket

Suggested Bulb Type

Maximum Wattage

Voltage

Yes

Yes

Dia: 26.0 in x H: 23in

Dia: S.0 in x H: l in 53in 23in

Dia: 26.0 in x H: 78 in

CERTIFICATIONS & COMPLIANCY

Certifications

Compliancy

SHIPPING

Middle East,European Union, United Kingdom,Australia, Mexico, United States,Canada RoHS,UUETL,CB

Shipping Requirements Truck Ship

Product Weight

Gross Weight l

Shipping Box l CONTRACT

Contract Suitability

COMPONENTS

Contract Suitable As Is

Pipe or Chain Included (7)4",(l)6",(2)12" Pipes

ADDITIONAL PARTS AVAILABLE

PIPE-605

REPLACEMENT PARTS

PIPE-605 (1)4",(1)6",(1)12"

HELM BAY LANDING ARTERIORS

FAZEKAS PENDANT

21

Our ivory faux vellum stretches over a strong-lined frame of English bronze-plated steel. Suspended from a natural rope-wrapped pipe,its echoing form evokes the movement of a dance. Open at the bottom to let the lightpermeate. Certified for damp locations and intended for interior use. Finish will vary.

APPEARANCE

Materials

Finishes Finish WillVary Faux Vellum, Steel, Rope rory Engl sn Brnnze,Natural

Top Coat/Sealant

DIMENSIONS

Overall

Canopy

Maximum Hanging

Height as Sold

Minimum Hanging

Height as Sold

Pendant

WIRING

Wire Rating

Cord

Socket

Suggested Bulb Type

Maximum Wattage

Voltage

Yes

Yes

Dia: 26.0 in x H: 23in

Dia: S.0 in x H: l in 53in 23in

Dia: 26.0 in x H: 78 in

CERTIFICATIONS & COMPLIANCY

Certifications

Compliancy

SHIPPING

Middle East,European Union, United Kingdom,Australia, Mexico, United States,Canada RoHS,UUETL,CB

Shipping Requirements Truck Ship

Product Weight

Gross Weight l

Shipping Box l CONTRACT

Contract Suitability

COMPONENTS

Contract Suitable As Is

Pipe or Chain Included (7)4",(l)6",(2)12" Pipes

ADDITIONAL PARTS AVAILABLE

PIPE-605

REPLACEMENT PARTS

PIPE-605 (1)4",(1)6",(1)12"

H
Ivory, Faux Vellum

MARSHA LARGE CHAN DELIER

89023

H 26 IN, Dia 36.00 IN

Black Microfiber, Frosted Acrylic

Contract Suitable As Is

Clean, sophisticated and practical, this six-light chandelier has a sleek, narrow silhouette perfect for hanging over an island in the kitchen or over a table that wants to be the center of attention. Constructed in steel with matte black microfiber and antique brass-finished accents. Acrylic diffusers at the top and bottom filter the light Black cloth cord.

APPEARANCE

Material

Material Type

Finish

Top Coat/Sealant

Link

DIMENSIONS

Chandelier

Minimum Hanging

Height

Maximum Hanging

Height

Canopy

WIRING

Rating

Cord

Socket

Maximum Watt

Brass, Microfiber, Steel Stainless

Antique Brass, Black, Matte Black true

Voltage Welded

H: 6.5 IN, Dia: 36.00 IN 261N

681N

H: 7.5 IN, Dia: 6.00 IN

Indoor Only

70 FT, Black, SVT 6, Type A- E26 Keyless 40 770-720 V

CERTIFICATIONS

Certifications

COMPLIANCY

UL/ETL

CB

RoHS

SHIPPING

Product Weight

Gross Weight 7

Shipping Box 7

ADDITIONAL INFO

Features

REPLACEMENT PARTS

Mexico

European Union, United Arab Emirates, United States, Canada

Replacement Part 7 Yes Yes true 27 LBS 37 LBS

H: 9 IN, L: 39 IN, W: 39 IN

Assembly Required

CANOPY-233

Replacement Part 7 Dim 7" x 6" Dia

CONTRACT

Contract Suitable true

The Tersusisanexampleofthesimplestformunlockingamyriadofdesign possibilities. Thelongreaching lightpattern castonthe wallcoupled with thenumerous finishesandmaterials offeredmakesthe Tersus wellversedfor allkindsofcompositionsandapplications.

Tersus sconce

Dimensions: 10.75" x 7.25" x2.75"

Materials:solidwood,polymer,metaloption,stoneoption

Product weight:2 lb (5 lbmarble)

Light source: integrated LED

Light output: 1130 Lumens (source)

Light color: 2700K, 3000K, or3500K

Color accuracy: 90+ CRI

Power usage: 13 W

Dimmable (see driver below)

Wood grain and stone will vary

Specifications subject to change

MATERIAL & FINISH OPTIONS

Tersus sconce part# 03;,]3

'

Wood Body

walnut (CM-001)

dark stained walnut (CM-002)

maple (CM-005)

white washed oak (CM-095)

Optional Face Material

brushed aluminum (CM-012)

brushedrose gold (CM-046)

brushedbrass (CM-047)

carrara marble (CM-078)

none (leave blank)

Lamping

2700 KLED

3000 KLED

3500 KLED

Driver

AC Input Voltage Range: 120-277 V 120 V input: TRIAC, ELV &0-10 Vdimmable

240 & 277V input: only0-10 Vdimmable

walnut, carrara marble
walnut, brushedrose gold
dark stained walnut
walnut (CM-001)
darkstainedwalnut (CM-002)

HELM BAYLANDING

The Tersusisanexampleofthesimplestformunlockingamyriadofdesign possibilities. Thelongreaching lightpattern castonthe wallcoupled with thenumerous finishesandmaterials offeredmakesthe Tersus wellversedfor allkindsofcompositionsandapplications.

Tersus sconce

Dimensions: 10.75" x 7.25" x2.75"

Materials:solidwood,polymer,metaloption,stoneoption

Product weight:2 lb (5 lbmarble)

Light source: integrated LED

Light output: 1130 Lumens (source)

Light color: 2700K, 3000K, or3500K

Color accuracy: 90+ CRI

Power usage: 13 W

Dimmable (see driver below)

Wood grain and stone will vary

Specifications subject to change

MATERIAL & FINISH OPTIONS

Tersus sconce part# 03;,]3

'

Wood Body walnut (CM-001)

dark stained walnut (CM-002)

maple (CM-005)

white washed oak (CM-095)

Optional Face Material

brushed aluminum (CM-012)

brushedrose gold (CM-046)

brushedbrass (CM-047)

carrara marble (CM-078)

none (leave blank)

Lamping

2700 KLED

3000 KLED

3500 KLED

Driver

AC Input Voltage Range: 120-277 V 120 V input: TRIAC, ELV &0-10 Vdimmable 240 & 277V input: only0-10 Vdimmable

walnut, carrara marble
walnut, brushedrose gold
dark stained walnut
walnut (CM-001)
darkstainedwalnut (CM-002)

TYPELT-09 SPEC HELM BAY LANDING

ARTERIORS

SAVION SCONCE

49673 White, Alabaster

Gorgeous polished white onyx creates a warm filtered light and adds natural sophistication to any space. The bulb beneath accentuates the stone's organic veins and features brilliantly as it rests perfectly in the frame. The fixture mounts directlyfrom a steel frame finished in bronze. Approved for use in covered outdoor areas. Onyx will vary naturally in tone and texture.

APPEARANCE

Materials

Finishes

Finish Will Vary Alabaster, Alabaster, Steel White, White, Bronze Yes

Top Coat/Sealant No

DIMENSIONS

Overall

Backplate

Center of Mount from Bottom

WIRING

Wire Rating

Cord

Socket

Suggested Bulb Type

Maximum Wattage

Voltage

W:ll.5 in x D:4 in x H:10 in

W:5 in x D:0.5 in x H:5 in

H:4.Sin

Indoor Only

l FT, Black/White, SVT

l, Type B - El2

T6

60.0

110-120 V

CERTIFICATIONS & COMPLIANCY

Certifications

Compliancy

SHIPPING

Product Weight

Gross Weight l

Shipping Box l

ADDITIONAL INFO

Features

CONTRACT

Contract Suitability

Middle East, European Union, United Kingdom, Mexico, United States, Canada

RoHS, UUETL, CB

6.5 lbs

7.5 lbs

W:12.6 in x D:13.8 in x H:8.1 in

ADA

Contract Suitable As Is

ARTERIORS

SAVION SCONCE

49673 White, Alabaster

Gorgeous polished white onyx creates a warm filtered light and adds natural sophistication to any space. The bulb beneath accentuates the stone's organic veins and features brilliantly as it rests perfectly in the frame. The fixture mounts directlyfrom a steel frame finished in bronze. Approved for use in covered outdoor areas. Onyx will vary naturally in tone and texture.

APPEARANCE

Materials

Finishes

Finish Will Vary Alabaster, Alabaster, Steel White, White, Bronze Yes

Top Coat/Sealant No

DIMENSIONS

Overall

Backplate

Center of Mount from Bottom

WIRING

Wire Rating

Cord

Socket

Suggested Bulb Type

Maximum Wattage

Voltage

W:ll.5 in x D:4 in x H:10 in

W:5 in x D:0.5 in x H:5 in

H:4.Sin

Indoor Only

l FT, Black/White, SVT

l, Type B - El2

T6

60.0

110-120 V

CERTIFICATIONS

& COMPLIANCY

Certifications

Compliancy

SHIPPING

Product Weight

Gross Weight l

Shipping Box l

ADDITIONAL INFO

Features

CONTRACT

Contract Suitability

Middle East, European Union, United Kingdom, Mexico, United States, Canada

RoHS, UUETL, CB

6.5 lbs

7.5 lbs

W:12.6 in x D:13.8 in x H:8.1 in

ADA

Contract Suitable As Is

WAC LIGHTING

Dot

Ceiling Mount Model &Size

9"

Fixture Type:

Catalog Number:

Project:

Location:

Delivered Lumens 1070

Example: FM-WS7809F-35-BK

•For 277V special order, add an "F" before the finish: FM-W57809F-35-SS

For custom requests please contact customs@waclighting.com

DESCRIPTION

Optimal diffuser amplifies the rightness on this durable waterproof outdoor flush mount.

FEATURES

• Lightweight, injection-molded, UV-rated acrylic diffuser enhances brightness, safety lock prevents slippage

• 277V option available for 9", 12" & 1S" sizes (special order)

• Built in color temperature adjustability. Switch from 2700K/3000K/3500K

• Compact 3CCT switch installs within the junction box

• Option to pre-select color temperature or adjust in the field

• 0-10V dimming option (LDS065M010AFE-LO1) available (special order), unit dimensions: 3.4" x 1.2" x 0.5''

• ACLED driverless technology

• 5 year warranty

SPECIFICATIONS

Color Temp:

Input:

CRI

Dimming:

Rated Life:

Mounting:

Standards: Construction

2700K,3000K,3500K 120 VAC,S0/60Hz 90 ELV: 100-10%, TRIAC: 100-10% 50,000 Hours

Can be mounted on ceiling or wall in all orientations ETL, cETL, Title 24JAB Compliant, ADA, Wet Location Listed Weather-resistant 316 stainless steel body with thick acrylic shade

FINISHES:
Black Stainless Steel

WAC LIGHTING

Dot

Ceiling Mount

&Size

Fixture Type:

Catalog Number:

Project:

Location:

Delivered Lumens 1070

Example: FM-WS7809F-35-BK

•For 277V special order, add an "F" before the finish: FM-W57809F-35-SS

For custom requests please contact customs@waclighting.com

DESCRIPTION

Optimal diffuser amplifies the rightness on this durable waterproof outdoor flush mount.

FEATURES

• Lightweight, injection-molded, UV-rated acrylic diffuser enhances brightness, safety lock prevents slippage

• 277V option available for 9", 12" & 1S" sizes (special order)

• Built in color temperature adjustability. Switch from 2700K/3000K/3500K

• Compact 3CCT switch installs within the junction box

• Option to pre-select color temperature or adjust in the field

• 0-10V dimming option (LDS065M010AFE-LO1) available (special order), unit dimensions: 3.4" x 1.2" x 0.5''

• ACLED driverless technology

• 5 year warranty

SPECIFICATIONS

Color Temp:

Input:

CRI

Dimming:

Rated Life:

Mounting:

Standards: Construction

2700K,3000K,3500K 120 VAC,S0/60Hz 90 ELV: 100-10%, TRIAC: 100-10% 50,000 Hours

Can be mounted on ceiling or wall in all orientations ETL, cETL, Title 24JAB Compliant, ADA, Wet Location Listed Weather-resistant 316 stainless steel body with thick acrylic shade

FINISHES:
Black Stainless Steel

DESCRIPTION

Flexible, customizable, uniform illumination, with the lowest profile. Linear Alpine delivers seamless line of light and performance with premium light quality without the need for additional diffused covers or accessories. Strong 3M adhesive bond for easy installation.

FEATURES

• Damp Location listed •ntle 24Compliant

• UUcUL listed

• Available inconvenientspools upto100ft

• Cut and securely reconnect with ease

• May be cut every 2 inches

• Good color rendering

• 50,000 hour rated life

• 5 year product warranty

• Closet Rated options (T24-GE1 &T24-GE2)

FixtureType:

Catalog Number:

Project:

Location:

SPECIFICATIONS

Construction:

Cutting Interval: Input: Lumens:

CRI:

McAdams Steps: Color Temp: Rated Life:

Operating Temp: Flexible Light Strip 2" 24VDC 100/200/300 Im/ft 90 3 2700K, 3000K, 3500K, 4000K 50,000 Hours -4°F to 104°F (-20°c to 40°C)

Standards: UL, cUL, Damp LocationListed,Title 24 Compliant

MaxRun:

of

(Comes std. with PS)

Example: T24-GE3-24-27WT

BLANK

BLANK

PROJECT NAME

Beam Direct Series •

This linear down light fixture can fulfill a number of lighting needs. It is available in 2 foot, 4 foot, 6 foot and 8 foot lengths and in white, black, or silver finishes It can be surface, wall*, recessed* and pendant mounted. Mix and match fixture lengthswith L, X, Y, and T shaped connectors.

Specifications-4 Foot

CRI >80

Light Source Integrated LED

Dimmable 0-l0v

Color Temperature

3000K-3500K- 4000K-S000K

Wattage 40W

LPW 770

Voltage 720-277v

Product 47.32" L X 2.76" W X 3.35" H

Dimensions

Shipping 48.62" L X 2.99" W X 3.74" H

Dimensions

Finish Black, White and Silver

*Hardware purchased separately.

Ratings & cULus, Damp Location, DLC vS.l

Certifications

Beam Angle Wide

Linkable 600 watt maximum

Mounting Options Surface, Suspended, Wall*, T-Bar*, Recessed*

Operating -20° C to 40° C (-4° F to 704° F)

Temperature

Lumens 4400-4800

Lens Polycarbonate Frosted

Product Weight 6.67 lbs.

Shipping Weight 7.72 lbs

Warranty 5 Years

HELM BAY LANDING

NLINSW

L-Line LED Direct Linear with Selectable Lumens & CCT

Source: lOW to 82W LED

Project Catalog No. 2400lm to 9700lm

PRODUCT DESCRIPTION

L-Lineseries offersacleanandmodernappearance with asleekextrudedaluminumhousing. Symmetrical light distribution will evenly illuminatesurfaceswithadiffused lens, makingthe L-Line idealforcommercial, retail, healthcareandeducationapplications.Available insurface orpendantmountingoptions. Seriescanbeconnectedwith seamlessluminous L XorTconnectors.

FEATURES

Two integralswitchestochangethelumen outputand colortemperature

SelectableCCTswitchchangescolortemperaturefrom 3000K/3500K/4000K

Surface mountorpendantmountingkitsavailable 120-277V inputand0-lOV dimming

Luminaires canbe connected together orindividually installed

Remote orintegral emergency options

SPECIFICATION

Construction:One pieceextrudedaluminumhousingwith solidendcaps. Includesdiffusedpolycarbonatelensfor symmetricallightdistribution.

TunableSwitches: Eachluminaire includestwoswitches onthetopofthe driverenclosure. Selectable Lumenswitch changesthelumen outputandwattage. SeletableCCTswitch changesthecolortemperature.

ltounting: Luminaires include an extruded slotforsurface mountingorpendantmounting. Junctionboxcoveris availableforsurface mountingapplications. Whenpendant mounting, itis recommended to use twohangingpoints (NLIN-CC) perfixture. Power mounting kitincludestwo hangingpoints.

ELECTRICAL

InputVoltage:120-277V

Lumens/Wattage: See chartbelow

ColorTemperature: SelectableCCT(3000K/3500K/4000K)

Color RenderingIndex: 80+CRI

BeamSpread: 110° Wide Flood

OperatingTemperature:

NLINSW-2 =O'Cto30'C

NLINSW-4=O'Cto 30'C

NLINSW-8 =O'Cto 30'C

NLINSW-X =O'Cto 27'C

NLINSW-T =O'Cto 27°C

NLINSW-L =O'Cto 27'C

Dimming: 0-lOV dimmingdownto 10%

ltaximumRun Length: 80'(60' with pendant mounted EM)

ltOUNTING KITS & ACCESSORIES

A variety ofmountingkitsandaccessorieson pages2 and3.

Remote Emergency: Luminaire iscompatible with NEPK20LEDUNV(orderedseparately). Batteryoperatesluminaireat 20Wfor90minutesduringpowerlossonfullcharge.

IntegralEmergency(FactoryInstalled)

4'and8'Linearluminairescanbespecified with an emergency battery withintegral testswitch. Battery operatesfor90minutes during power lossonfullcharge. Note: Integralemergency unitsarenotcompatible withX, L, T. 60'Maximumrunlengthwhenpendantmounted.

LABELSANDLISTINGS

cULusListedforDampLocation

5-YearLimited Warranty

FCCCompliant

Function 2' 4' 8'

50% output 1200lm /lOW 24251m /20W

NLINSW-PCC=Pendant Power Kitfor Emergency

(included

NUN-JBC·PLATE-B=Junction BoxCover Plate!black only)

NEPK-20LEOUNV = 20W Emergency Battery w/RemoteTest Switch

NLINSW·LENS/ltl= 41'Continuous Lenslfield cuttable -special order)

NLINSW-LENS/82=82'Continuous LensIfieldcuttable -special order)

Information

Mount Options

BLANK

PROJECT NAME

Beam Direct Series •

This linear down light fixture can fulfill a number of lighting needs. It is available in 2 foot, 4 foot, 6 foot and 8 foot lengths and in white, black, or silver finishes It can be surface, wall*, recessed* and pendant mounted. Mix and match fixture lengthswith L, X, Y, and T shaped connectors.

Specifications-4 Foot

CRI >80

Light Source Integrated LED

Dimmable 0-l0v

Color Temperature

3000K-3500K- 4000K-S000K

Wattage 40W

LPW 770

Voltage 720-277v

Product 47.32" L X 2.76" W X 3.35" H

Dimensions

Shipping 48.62" L X 2.99" W X 3.74" H

Dimensions

Finish Black, White and Silver

*Hardware purchased separately.

Ratings & cULus, Damp Location, DLC vS.l

Certifications

Beam Angle Wide

Linkable 600 watt maximum

Mounting Options Surface, Suspended, Wall*, T-Bar*, Recessed*

Operating -20° C to 40° C (-4° F to 704° F)

Temperature

Lumens 4400-4800

Lens Polycarbonate Frosted

Product Weight 6.67 lbs.

Shipping Weight 7.72 lbs

Warranty 5 Years

HELM BAY LANDING

NLINSW

L-Line LED Direct Linear with Selectable Lumens & CCT

Source: lOW to 82W LED 2400lm to 9700lm

PRODUCT DESCRIPTION

L-Lineseriesoffersacleanandmodernappearance with asleekextrudedaluminumhousing. Symmetricallight distributionwillevenly illuminatesurfaceswithadiffused lens,makingthe L-Lineidealforcommercial,retail, healthcareandeducationapplications.Availableinsurface orpendantmountingoptions. Seriescanbeconnectedwith seamlessluminousL XorTconnectors.

FEATURES

Twointegralswitchestochangethelumenoutputand colortemperature

SelectableCCTswitchchangescolortemperaturefrom 3000K/3500K/4000K

Surfacemountorpendantmountingkitsavailable 120-277Vinputand 0-lOVdimming

Luminairescanbeconnectedtogetherorindividually installed

Remoteorintegralemergencyoptions

SPECIFICATION

Construction:Onepieceextrudedaluminumhousingwith solidendcaps.Includesdiffusedpolycarbonatelensfor symmetricallightdistribution.

TunableSwitches: Eachluminaire includestwoswitches onthetopofthedriverenclosure. SelectableLumenswitch changesthelumenoutputandwattage. SeletableCCTswitch changesthecolortemperature.

ltounting: Luminairesincludean extrudedslotforsurface mountingorpendantmounting.Junctionboxcoveris availableforsurfacemountingapplications. When pendant mounting,itisrecommendedtousetwohangingpoints (NLIN-CC)perfixture. Power mountingkitincludestwo hangingpoints.

ELECTRICAL

InputVoltage:120-277V

Lumens/Wattage: Seechartbelow

ColorTemperature: SelectableCCT(3000K/3500K/4000K)

ColorRenderingIndex: 80+CRI

BeamSpread: 110° Wide Flood

OperatingTemperature:

NLINSW-2=O'Cto30'C

NLINSW-4=O'Cto30'C

NLINSW-8=O'Cto30'C

NLINSW-X=O'Cto 27'C

NLINSW-T=O'Cto 27°C

NLINSW-L=O'Cto 27'C

Dimming: 0-lOVdimmingdownto10%

ltaximumRunLength: 80'(60'withpendantmountedEM)

ltOUNTINGKITS&ACCESSORIES

Avariety ofmountingkitsandaccessoriesonpages2 and3.

RemoteEmergency:LuminaireiscompatiblewithNEPK20LEDUNV(orderedseparately). Batteryoperatesluminaireat 20Wfor90minutesduringpowerlossonfullcharge.

IntegralEmergency(FactoryInstalled) 4'and8'Linearluminairescanbespecified withan emergencybattery withintegraltestswitch. Battery operatesfor90minutesduringpowerlossonfullcharge. Note: IntegralemergencyunitsarenotcompatiblewithX,L,T. 60'Maximumrunlengthwhenpendantmounted.

LABELSANDLISTINGS

cULusListedforDampLocation

5-YearLimited Warranty FCCCompliant

Function 2' 4' 8'

50%output 1200lm/lOW 24251m/20W 48751m/40W

75%output 1800lm/15W 3600lm/30W 7300lm/60W

100%output 2400lm/21W 4850lm/42W 9750lm/82W

Lumensshown ot4000K

L-Line LED Direct Linear with Selectable Lumens & CCT -Mountingkitsarerequired

l!!J!!!W-8�8'(actuallength:92.375")

NUNSW·X=X-Connector

NUNSW·L=L-Connector

NUNSW-T=T-Connector Option

(3000K/3500K/4000K) W= White

Type

Project

Catalog No.

Notes

PRODUCTlltAGES&DlltENSIONS

SelectableLumens

/NLINSW-4/

L-Connector

Kits

NLIN-PCC=PendantPower&AircraftMountingKit

NUN-CC=AircraftMountingKit

NLINSW-PCC=Pendant Power KitforEmergency

NUN-JBC=SurfaceMount Kit(includedwhiteplate)

NUN-JBC·PLATE-B=JunctionBoxCoverPlate(blackonly)

NEPK-20LEDUNV=20WEmergencyBatteryw/RemoteTestSwitch

NLINSW-LENS/ltl=41'ContinuousLens(fieldcuttable-specialorder)

NLINSW-LENS/82 =82'ContinuousLens(fieldcuttable-specialorder)

BLANK

0,GARDCO

Site and Area

OptiForm

OP.F.-S Small

Gardco OptiForm site and area luminaires are available in three sizes: small, mediumand large. Featuring the latest in LED technology. OptiForm achieves

Project: up to 192 lumens per watt. Eleven optical distributions areavailable. suitable for a range of outdoor lighting applications. OptForm features a unique mounting systemwith a two-piece housing for hassle-free installation. Mounting options include a standardarm. mast arm. andwall mount bracket. Service Tag is a standard feature with every OptiForm luminaire, providing maintenance or upgrade assistance throughout the life of the product.

Ordering guide

DimmingControls

Thefollowingoptionsinclude0-10VDriver

none 0-10Vdimmingdriver

DLEAS,I0 Dimmingleadsexternally accessible(controlsbyothers)

FAWSS,610 Fieldadjustablewattageselector

BL60'·7 Bi-levelwithmotionsensor L2 PIRsensor,#2lens(Required ifBL50isselected) L3 PIRsensor,#3lens(Required ifBL50isselected)

ThefollowingoptionsIncludeSR/DALIDriver WIAPsensoroptions

WIAPS,813 WirelessInteract LB Low(7'-15'mountingheight) (includesSRdriveandSRreceptacle) sensor,blackcolorhousing, wirelessInteract,integral SRDRs,a13 SRdriverconnectedtoZhagasocket(D4i) LW Low(7'-15'mountingheight)

DynaDimmer:Automatic ProfileDimming sensor,whitecolorhousing HB' High(15'-40'mounting cssos,13 Security50%dimming.7hours height)sensor,blackcolor

CMsos,13 Median50%dimming,8hours housing

cs3os,13 Security30%dimming,7hours CM3os,13 Median30%dimming,8hours

1. Extendedleadtimeapplies.Consultfactoryfordetails.

HW' High(15'-40'mounting height)sensor,whitecolor housing

2. Mountstoasquarepolewithknockoutfor4-5"ODroundpole.

3. Mountstoahorizontal2-3/8"ODx5"Longtenon.

4. Mustbeorderedwithmountingaccessory.Photocelloption(TR7) mustbeselectedwithmountingaccessory.SeePage2foroptions.

5. Notavailablewithotherdimmingcontroloptions(mutuallyexclusive).

6. Notavailablewithmotionsensor(physicalrestriction).

7. Mustbespecifiedwithamotionsensorlens(L2).

8. NotavailablewithPCB,TR5.

9. MustbespecifiedwithamotionsensorLW,LB.

10. NotavailablewithTR7,TLP.

11. Mustspecifyinputvoltage.

12. NotavailableinHVU[347-480V].

Location: Cat.No:

FS211 Doublefusa(208,240,or480V)

pc8,,.,2 Photocontrolbuttonconnectedto

0-10Vdriver

TRS NEMATwist-lock5-pinreceptacle connectedto0-10Vdriver

TR7'3 7-pintwistlockreceptacleconnected toD4icompliantdriver

TLPTII3 7-pintwistlockreceptacleconnected

Customerspecified toD4icompliantdriverw/3-pin oc Specialoptional photocell colororRAL, consultfactory

EHS Housingmachinedtoacceptexternal SC Specialcolor housesideshieldforfieldinstall. (mustsupply MustbecombinedwithOPF-S-EHS-1 colorchip, accessory. requires factoryquote)

BAC11s Meetstherequirementsofthe BuyAmericanActof1933 (BAA)

13. NotavailablewithlumenpackagesP01,P02inUNV[120-277]andwithlumenpackages A01-A03,P01-P05inHVU[347-480].

14. NotavailableforlumenpackagesP04-P09.

16. NotavailablewithDynadimmer,SRDR,FAWS,FS1,FS2,DLEA,BL50 (physicalrestriction).

16. PrecisionPlusOptics(P01-P09)availableonlywithT2M,T3M,T4M,andT5M opticaldistributionsandarenon-rotatable.

17. OPF-RMBaccessoryrecommendedforretrofitapplications.

18. Failuretoproperlyselectthe"BAC"suffixcouldresultinyoureceivingproductthatis notBAAcompliantproductwithnorecourseforanRMAorrefund.ThisBACdesignation hereunderdoesnotaddress(i)theapplicabilityof,oravailabilityofawaiverunder,the TradeAgreementsAct,or(ii)the"BuyAmerica"domesticcontentrequirementsimposed onstates,localities,andothernon-federalentitiesasaconditionofreceivingfunds administeredbytheDepartmentofTransportationorotherfederalagencies.

Autofront

VIENTO AREA LUMINARE

PROJECT INFORMATION

Project Name

1.

FEATURES

• LumenpackagesrangingfromSOOOLto 65000L.

Outstandingphotometricperformanceresults inexcellentuniformity, optimalpolespacing andlowerpowerdensity.

• Lowprofilearchitecturaldesignoffersa contemporaryappearancewithexcellentlight output.

Enhancedfootcandlesdeliveredutilizing multipleopticaloptions.

• Fullcut-offopticswithzerouplight.

CONTROLS

• Programmablesmartsensorandtwist-lock receptaclecontroloptionsavailable.

APPLICATIONS

• AreaLighting

• RetailSpaces

• StreetLighting

APPROVALS

• ETL Listed

• AutoDealerships&SalesLots

• Parks&Recreation Areas

• Safety& Security

• Complieswith UL1598andCSAC22.2

• Suitableforwet locations

• 3G VibrationRated

• IP66Rated

• BAACompliant

• RoHSCompliant

• ATALTestedwww.ata-labs.com

• SelectmodelsDLCPremium.ForacompletelistofDLCPremiumproductsvisit: www.xtralight.com,/Qk;or�Ql.designlights.org

ELECTRICAL

• Thermalmanagementachievedwithaonepiecedie-castaluminumhasintegralheatsink finsandahingedelectricalcompartment. Thermosetpowdercoat, availableinbronze, whiteorcustomcolors (consultfactory)

• IP66, precisionmolded, polycarbonate opticsprovidingimpactresistanceand UV stabilization.

Upgradeddoortoprovidebetterprotection fromwaterintrusion.

MOUNTING

• Integralarmwithkeyholeslotfacilitatesquick andeasyinstallation.

Adjustableslipfitter, roundpoleadaptor, universalpoleadaptor, andothermounting optionsavailableas accessories.

• Voltage:120-277Vor347-480VACinput

• Driver: Class1, constantcurrent, calibratedto lumenpackage (0-lOVdimmingstandard)

• SurgeProtection: 20kAstandard.

• Operatingtemperature:-40°Cto +50°C(-40°F to +122°F)

WARRANTY

• BackedbyXtralight'slimited5-yearwarranty.

SAMPLE CATALOG NUMBER: VNTL-SSOOOL-SOK-DIM-SSN-BZ

O�TICS ORIENTATION

2M Type II

Medium

3M Type Ill

Medium

4M Type IV

Medium

SS3 Type V Square

[M Normal (forward)

HS

5 IR Smart Sensor, 20'H/40'D

5 IR Smart Sensor, 40'H/100'D BS35 Bluetooth Smart Sensor, 20'H/40'D

BS75 Bluetooth Smart Sensor, 40'H/100'D CAS Casambi Controlled AUT Autani Controlled SYN Synapse Controlled SWX Sensorworx Controlled CUS Custom Sensor (Factory Installed)

BLANK

HELM BAYLANDING

VIENTO AREA

VNT

ACCESSORIES (SOLD SEPARATELY)

VNT-ASF .. I_________ FINISH

BZ Bronze WH White CC CustomColor

VNT-RPAIL

-----

VNT•WB FINISH

BZ Bronze WH White CC CustomColor FINISH

BZ Bronze WH White CC CustomColor

VNT-TWB ... I_______ FINISH

BZ Bronze WH White CC CustomColor

EPA RATINGS

LUMINARE

EPA calculated with the following:

DESCRIPTION

• AdjustableSlipFitter

• Mustselect(ASF)intheorderlogicunder theOptionssection.

• 180° rangeofmotionin10° increments.

• EPA:0.127sq.ft.-6.0 LB

• Vientomustnotbetiltedmorethan20° whenusingASF

DESCRIPTION

• RoundPoleAdaptor

• AllowsuptofourVientofixturesto bemountedtoonepole.

• 3"to5"Diameter

EPA:0.03sq.ft.-0.75LB

DESCRIPTION

• WallBracket

DESCRIPTION

• TenonWallBracketHorizontal Mount 8"SquarePlate-23/8"OD

• Mustbeorderedwiththe AdjustableSlipFitter(ASF) accessory.

httQs:Uwww.xtralight.com • (800)678-6960 •customerservice@XLM.com Xtralight"reservestherighttochangespecificationswithoutnotice.

( I Miiti I

4" square pole (Single, Two At 90, Two At 180, Three At 90, Four At 90)
4" round pole (Three At 120)
VNT-SSA (Dual SSA)

No Specification

Type PA Pole

POLESPECIFICATIONS

NO.COMPONENT MAT'LDESIGNATION

1.POLESHAFT6063-T6

2.BASEPLATEA356-T6

3.ANCHORBOLTSF1554GR.55

4.GALVANIZEDHARDWAREA153

FINISHSPECIFICATIONS

POLESSHALLHAVEAPOLYESTERPOWDERCOATFINISHINASTANDARDCOLOR.

0,GARDCO

Site and Area

OptiForm

OP.F.-S Small

Gardco OptiForm site and area luminaires areavailableinthreesizes: small, mediumandlarge. Featuringthelatestin LEDtechnology, OptiFormachieves

Location:

Cat.No:

Type: Lamps: Notes:

Project: upto 192 lumensperwatt. Elevenopticaldistributionsareavailable. suitablefor arangeofoutdoorlightingapplications. OptFormfeaturesauniquemounting systemwithatwo-piecehousingforhassle-freeinstallation. Mountingoptions includeastandardarm. mastarm. andwallmountbracket. ServiceTagisa standardfeaturewithevery OptiFormluminaire, providingmaintenanceor upgradeassistancethroughoutthelifeoftheproduct.

Ordering guide

DimmingControls

ThefollowingoptionsInclude0-10VDriver

none 0-10Vdimmingdriver

DLEAs,10 Dimmingleadsexternally accessible(controlsbyothers)

FAWSS,6 10 Fieldadjustablewattageselector

BL60'·7 Bi-levelwithmotionsensor

PIRsensor,#2lens(Required ifBL50isselected) L3 PIRsensor,#3lens(Required ifBL50isselected)

ThefollowingoptionsIncludeSR/DALIDriver WIAPsensoroptions

WIAPs.t,13 WirelessInteract LB Low(7"-15"mountingheight) (includesSRdriveandSRreceptacle) sensor,blackcolorhousing, wirelessInteract,integral SRDR6,a13 SRdriverconnectedtoZhagasocket(D4i) LW Low(7'-15'mountingheight)

DynaDimmer:Automatic ProfileDimming sensor,whitecolorhousing HB' High(15"-40"mounting

CS5Q6,13 Security50%dimming,7hours height)sensor,blackcolor

CM5Q6,13 Median50%dimming.8hours housing

CS3Q6,13 Security30%dimming,7hours

CM3Q6,13 Median30%dimming,8hours HW'High(15'-40'mounting height)sensor,whitecolor housing

1. Extendedleadtimeapplies.Consultfactoryfordetails.

2. Mountstoasquarepolewithknockoutfor4-5"ODroundpole.

3. Mountstoahorizontal2-3/8"ODx5"Longtenon.

4. Mustbeorderedwithmountingaccessory.Photocelloption(TR7) mustbeselectedwithmountingaccessory.SeePage2foroptions.

5. Notavailablewithotherdimmingcontroloptions(mutuallyexclusive).

6. Notavailablewithmotionsensor(physicalrestriction).

7. Mustbespecifiedwithamotionsensorlens(L2).

8. NotavailablewithPCB.TR5.

9. MustbespecifiedwithamotionsensorLW,LB.

10. NotavailablewithTR7,TLP.

11. Mustspecifyinputvoltage.

12. NotavailableinHVU[347-480V].

FS211 Doublefuse(208.240.or480V)

pc8,,.,2 Photocontrolbuttonconnected

0-10Vdriver

TRS NEMATwist-lock5-pinreceptacle connectedto0-10Vdriver

TR7'3 7-pintwistlockreceptacleconnected toD4icompliantdriver

TLPTII3 7-pintwistlockreceptacleconnected Customerspecified toD4icompliantdriverw/3-pin oc Specialoptional photocell colororRAL, consultfactory

EHS Housingmachinedtoacceptexternal SC Specialcolor housesideshieldforfieldinstall. (mustsupply MustbecombinedwithOPF-S-EHS-1 colorchip, accessory. requires factoryquote)

BAC11a Meetstherequirementsofthe BuyAmericanActof1933 (BAA)

13. NotavailablewithlumenpackagesP01.P02inUNV[120-277]andwithlumenpackages A01-A03.P01-P05inHVU[347-480].

14. NotavailableforlumenpackagesP04-P09.

16. NotavailablewithOynadimmer.SRDR.FAWS.FS1.FS2.DLEA.BL50 (physicalrestriction).

16. PrecisionPlusOptics(P01-P09)availableonlywithT2M.T3M.T4M.andT5M opticaldistributionsandarenon-rotatable.

17. OPF-RMBaccessoryrecommendedforretrofitapplications.

18. Failuretoproperlyselectthe"BAC"suffixcouldresultinyoureceivingproductthatis notBAAcompliantproductwithnorecourseforanRMAorrefund.ThisBACdesignation hereunderdoesnotaddress(i)theapplicabilityof.oravailabilityofawaiverunder,the TradeAgreementsAct,or(ii)the"BuyAmerica"domesticcontentrequirementsimposed onstates,localities,andothernon-federalentitiesasaconditionofreceivingfunds administeredbytheDepartmentofTransportationorotherfederalagencies.

VIENTO AREA LUMINARE

Project

APPLICATIONS

• AreaLighting

• Retail Spaces

• Street Lighting

APPROVALS

• ETLListed

• AutoDealerships& SalesLots

• Parks&RecreationAreas

• Safety& Security

• Complieswith UL1598 andCSAC22.2

• Suitableforwet locations

• 3G VibrationRated

• IP66Rated

• BAACompliant

• RoHSCompliant

• ATALTestedwww.ata-labs.com

• Selectmodels DLCPremium.ForacompletelistofDLCPremiumproductsvisit: www.xtralight.com,/Qk;or�Ql.designlights.org

FEATURES

• Lumenpackages ranging fromSOOOLto 65000L.

Outstandingphotometricperformanceresults inexcellentuniformity, optimalpolespacing andlowerpowerdensity.

• Lowprofilearchitecturaldesignoffersa contemporaryappearancewith excellentlight output.

Enhancedfootcandlesdeliveredutilizing multipleopticaloptions.

• Fullcut-offopticswithzerouplight.

CONTROLS

• Programmablesmart sensorandtwist-lock receptaclecontroloptionsavailable.

ORDER LOGIC

SIZE MODEL

DRIVER

• Thermalmanagement achievedwithaonepiecedie-castaluminumhasintegralheat sink finsandahingedelectricalcompartment. Thermosetpowdercoat, availableinbronze, whiteorcustomcolors (consult factory)

• IP66, precisionmolded, polycarbonate opticsprovidingimpactresistanceand UV stabilization.

Upgradeddoortoprovidebetterprotection fromwaterintrusion.

MOUNTING

• Integralarmwithkeyhole slotfacilitatesquick andeasyinstallation.

ELECTRICAL

• Voltage:120-277Vor 347-480VACinput

• Driver: Class1, constantcurrent, calibratedto lumenpackage (0-lOVdimming standard)

• SurgeProtection: 20kAstandard.

• Operatingtemperature: -40°Cto +50°C (-40°F to +122°F)

WARRANTY

• BackedbyXtralight'slimited5-yearwarranty. Adjustable slipfitter, roundpoleadaptor, universal poleadaptor, andothermounting optionsavailableas accessories.

SAMPLE CATALOG NUMBER: VNTL-SSOOOL-SOK-DIM-SSN-BZ

OPTICS

ORIENTATION

CONTROLS

S Small 2OOOOL9 M Medium

3OK 3000K 4OK 4000K SOK SOOOK

DIM Dim0-lOV, 120-277V DIMO2 Dim0-lOV, 120-277V HVD to off Dim 0-lOV, 347-480V

2M Type II

Medium

3M Type Ill

Medium

Type IV

Medium

SS3 Type V Square

H Normal BZ Bronze (forward) WH White L Left cc• Custom R Right Color

No Fixture Controls

IS35 IR Smart Sensor, 20'H/40'D IS75 IR Smart Sensor, 40'H/100'D

BS35 Bluetooth Smart Sensor, 20'H/40'D

BS75 Bluetooth Smart Sensor, 40'H/100'D

CAS Casambi Controlled AUT Autani Controlled SYN Synapse Controlled SWX Sensorworx Controlled CUS Custom Sensor (Factory Installed)

1. Custom CCT available from 2700K - 6500K.

2. Somemodels may not be available with DIMO (Dim to off).

BLANK

HELM BAYLANDING

VIENTO AREA LUMINARE

VNT

ACCESSORIES (SOLD SEPARATELY)

VNT-ASF .. I_________ FINISH

BZ Bronze WH White CC CustomColor

VNT-RPAIL

-----

VNT•WB FINISH

BZ Bronze WH White CC CustomColor FINISH

BZ Bronze WH White CC CustomColor

VNT-TWB ... I_______ FINISH

BZ Bronze WH White CC CustomColor

EPA RATINGS

EPA calculated with the following:

DESCRIPTION

• AdjustableSlipFitter

• Mustselect(ASF)intheorderlogicunder theOptionssection.

• 180° rangeofmotionin10° increments.

• EPA:0.127sq.ft.-6.0LB

• Vientomustnotbetiltedmorethan20° whenusingASF

DESCRIPTION

• RoundPoleAdaptor

• AllowsuptofourVientofixturesto bemountedtoonepole.

• 3"to5"Diameter

EPA:0.03sq.ft.-0.75LB

DESCRIPTION

• WallBracket

DESCRIPTION

• TenonWallBracketHorizontal Mount 8"SquarePlate-23/8"OD

• Mustbeorderedwiththe AdjustableSlipFitter(ASF) accessory.

httQs:Uwww.xtralight.com • (800)678-6960 •customerservice@XLM.com Xtralight"reservestherighttochangespecificationswithoutnotice.

( I Miiti I

4" square pole (Single, Two At 90, Two At 180, Three At 90, Four At 90)
4" round pole (Three At 120)
VNT-SSA (Dual SSA)

No Specification

Type PB Pole

POLESPECIFICATIONS

NO.COMPONENT MAT'LDESIGNATION

1.POLESHAFT6063-T6

2.BASEPLATEA356-T6

3.ANCHORBOLTSF1554GR.55

4.GALVANIZEDHARDWAREA153

FINISHSPECIFICATIONS

POLESSHALLHAVEAPOLYESTERPOWDERCOATFINISHINASTANDARDCOLOR.

Metalux

ST1, ST2

Single or Dual Lens LED Striplight

,fJ Interactive Menu

• Energy and Performance Data page2

• Photometric Data page2

•Product Warranty

Top Product Features

• Ideal for replacing two or four lamp fluorescent strips

Typical Applications

Product Certification

Product Features

• Superior performance with lumens up to 9000 lumens and115 lm/W

• Unique single or dual lens tube design

• Full length and standard width die formed channel: 1.8" and 3.5"

Simple install and maintenance for life of

Ideal for new construction or retrofit

Add-on length as needed regardless of application or layout

Save over 40% energy over existing LFLstrips

One for one replacement of 2 or 4-lamp LFLstrips

Certified and guaranteed performance

Accessories (Order Separately)

HBAYC-CHAIN/SET/U=(2) V-Hook Hangers forST2only, 36" ChainSets w/S·Hooks

SCF=FixedStemSet (Specify Length)

SCS=SwivelStemSet (Specify Length)

SCA=Adjustable48'StemSet

TOGGLE=Single Toggle No. 2 (Specify Length)

Y-T0GGLE-_-2PK=(2) Hoggle Cable Kits (Specify 10 or 30 for lengthin feet)

EBPLED7W=User Installed, Remote Mount, 7 Watt LED Emergency Battery Pack

EBPLED14W=User Installed, Remote Mount, 14Watt LED Emergency Battery Pack

WG-SNX/SN-2FT-B-PK=2ft Wire Guard forSTl orST2

WG-SNX/SN-4FT-B=4ft WireGuard forSTl orST2, Use (2) WGfor 8ST2

Product Specifications

Construction

Die formed post painted white steel construction

Continuous row mount aligner included. U-bracket aligner type on ST2 models only

Snap and lock tool-less channel cover for easy maintenance

Powder coated white finish for a clean exterior

Two channel widths: STl - 1.8" wide and ST2 - 3.6"

Available sizes: 2ft, 4ft and 8ft lengths

Electrical

120-277V electronic non-dimming driver, FCC part

15 Class B

L70 at 50,000 rated life-hours (TM-21), or up to 20 years at 7 hrs/day

4000K CCT LEDs

>80 CRI LEDs

Optics

Classic single (ST1) or double (ST2) fluorescent tube exterior

Impact resistant, UV-stabilized frosted polycarbonate lens

Standard LED blended optics for wide area coverage up to 15' mounting

Emergency Battery Pack Option

Field installed remote mount UNV battery pack available, 7 and 14 watts, ships separately

Batteries provide 90 minutes of backup power Factory installed battery pack not available

Installation

Surface or suspended mountcapable

ST1 can be chain mounted using standard AYC chain-set

ST2 uses HBAYC hanger or toggle mounting kits

Channel and end knockouts (7/8") for conduit entry and continuous row

Wire nuts and aligner included

Compliance

UL/cUL listed for damp location

Rated for OF (-20C) to 104F (40C) ambient operating temperatures

RoHS compliant

LED complies with IESNA LM-79 and LM-80

Suitable for use in closet storage spaces when installed in accordance with NFPA-70 and NEC 410.16 spacing requirements

Limited Warranty

• Five-yearlimitedwarranty

HELM BAY LANDING TYPES

LED48/LINEAR/3CCT/3WO/UNV/D/HO

LR 25185+EM LED48/LINEAR/3CCT/3WO/UNV/D/HO+EM

LR 25185+MS LED48/LINEAR/3CCT/3WO/UNV/D/HO+MS

LR 25185+EM+MS LED48/LINEAR/3CCT/3WO/UNV/D/HO+EM+MS

+ luxrite.com

3500K-139

4000K-140

5000K-141

3500K-136

4000K-137 50,000

5000K-138

3500K-133

4000K-134

5000K-138

3500K-139

4000K-140

5000K-141

3500K-136

4000K-137 50,000 90 MINS

5000K-138

3500K-133

4000K-134

5000K-138

3500K-139

4000K-140

5000K-141

3500K-136

4000K-137 50,000 Bl-LEVEL

5000K-138

3500K-133

4000K-134

5000K-138

3500K-139

4000K-140

5000K-141

3500K-136

4000K-137 50,000 90 MINS Bl-LEVEL

5000K-138

3500K-133

4000K-134

5000K-138

Metalux

ST1, ST2

Single or Dual Lens LED Striplight

,fJ Interactive Menu

• Energy and Performance Data page2

• Photometric Data page2

•Product Warranty

Top Product Features

• Ideal for replacing two or four lamp fluorescent strips

Typical Applications

Product Certification

Product Features

• Superior performance with lumens up to 9000 lumens and115 lm/W

• Unique single or dual lens tube design

• Full length and standard width die formed channel: 1.8" and 3.5"

and maintenance for life of product

Ideal for new construction or retrofit

Add-on length as needed regardless of application or layout

Save over 40% energy over existing LFLstrips

One for one replacement of 2 or 4-lamp LFLstrips

Certified and guaranteed performance

TYPE SE SPEC HELM BAY LANDING

Accessories (Order Separately)

HBAYC·CHAIN/SET/U=(2) V-Hook Hangers for ST2only, 36" Chain Sets w/S·Hooks

SCF=Fixed Stem Set (Specify Length)

SCS=Swivel Stem Set (Specify Length)

SCA=Adjustable48" Stem Set

TOGGLE=SingleToggle No. 2 (Specify Length)

Y·TOGGLE-_-2PK=(2) Hoggle Cable Kits (Specify 10 or 30 for lengthin feet)

EBPLED7W=User Installed, Remote Mount, 7 Watt LED Emergency Battery Pack

EBPLED14W=User Installed, Remote Mount, 14 Watt LED Emergency Battery Pack

WG·SNX/SN-2FT-B·PK=2ft Wire Guard for STl or ST2

WG-SNX/SN-4FT-B=4ft WireGuard for STl or ST2, Use(2) WGfor 8ST2

Product Specifications

Construction

Die formed post painted white steel construction

Continuous row mount aligner included. U-bracket aligner type on ST2 models only

Snap and lock tool-less channel cover for easy maintenance

Powder coated white finish for a clean exterior

Two channel widths: STl - 1.8" wide and ST2 - 3.6"

Available sizes: 2ft, 4ft and 8ft lengths

Electrical

120-277V electronic non-dimming driver, FCC part

15 Class B

L70 at 50,000 rated life-hours (TM-21), or up to 20 years at 7 hrs/day

4000K CCT LEDs

>80 CRI LEDs

Optics

Classic single (ST1) or double (ST2) fluorescent tube exterior

Impact resistant, UV-stabilized frosted polycarbonate lens

Standard LED blended optics for wide area coverage up to 15' mounting

Emergency Battery Pack Option

Field installed remote mount UNV battery pack available, 7 and 14 watts, ships separately

Batteries provide 90 minutes of backup power Factory installed battery pack not available

Installation

Surface or suspended mountcapable

ST1 can be chain mounted using standard AYC chain-set

ST2 uses HBAYC hanger or toggle mounting kits

Channel and end knockouts (7/8") for conduit entry and continuous row

Wire nuts and aligner included

Compliance

UL/cUL listed for damp location

Rated for OF (-20C) to 104F (40C) ambient operating temperatures

RoHS compliant

LED complies with IESNA LM-79 and LM-80

Suitable for use in closet storage spaces when installed in accordance with NFPA-70 and NEC 410.16 spacing requirements

Limited Warranty

• Five-year limited warranty

LED48/LINEAR/3CCT/3WO/UNV/D/HO

LR 25185+EM LED48/LINEAR/3CCT/3WO/UNV/D/HO+EM

LR 25185+MS LED48/LINEAR/3CCT/3WO/UNV/D/HO+MS

LR 25185+EM+MS LED48/LINEAR/3CCT/3WO/UNV/D/HO+EM+MS

3500K-139

4000K-140

5000K-141

3500K-136

4000K-137 50,000

5000K-138

3500K-133

4000K-134

5000K-138

3500K-139

4000K-140

5000K-141

3500K-136

4000K-137 50,000 90 MINS

5000K-138

3500K-133

4000K-134

5000K-138

3500K-139

4000K-140

5000K-141

3500K-136

4000K-137 50,000 Bl-LEVEL

5000K-138

3500K-133

4000K-134

5000K-138

3500K-139

4000K-140

5000K-141

3500K-136

4000K-137 50,000 90 MINS Bl-LEVEL

5000K-138

3500K-133

4000K-134

5000K-138

BLANK

NO SPEC

TCP's Select Series Stair Lighter features a lightweight aluminum body while maintaining a durable construction, a classic 4FT length, and up to 7,425 lumen light output. With an efficiency of up to 135 lumens per watt, the Stair Lighter is designed to deliver a robust performance while maximizing energy savings.

TCP's Select Series Stair Lighter is wattage selectable, color selectable and includes a bi-level dimming microwave motion sensor standard. Other available add-ons, such as the factoryinstalled battery backup, ensure your stairwells are always bright.

Reasons to choose the Select Series Stair Lighter from TCP

• Wattage selectable 35/45/55W

• Color Selectable 35/40/50K

• Optional battery backup

Ideal Applications

• Commercial settings

• Stairways

• Bi-level dimming microwave motion sensor

• Surface or pendant mounting

• Industrial settings

• Warehouses

BLANK

Specifications

Input Line Voltage

Input Line Frequency (Hz)

Wattage (W)

35W/45W/55W

Lumens (L) 4725L/6075L/7425L

Lumens per Watt (LPW) 135 LPW (80 CRI)

CCT ..............................3500K/4000K/5000K Selectable

Rated

Ratings cULus, Damp location rated, DLC 5.1 Premium Controls 0-lOV dimming (standard)

Features

• Lightweight, quick-install construction

• Standard frosted lens for glare control

• No shadows; smooth, even lighting

• Damp location roted

• 0-lOV smooth, no-flicker dimming

• Operating temperature: -4°F to l22°F

• Sharkward bi-level dimming microwave motion sensor included

• Long 50,000 hour roted life

• Bi-level dimming microwave motion sensor included standard, battery backup optional

Installation

Pendant mount or surface installation: Before installation, please consult your local ordinances and building codes.

VIENTO AREA LUMINARE

PROJECT INFORMATION

Project Name Type

APPLICATIONS

• AreaLighting

• Retail Spaces

• Street Lighting

APPROVALS

• ETLListed

• AutoDealerships & Sales Lots

• Parks &RecreationAreas

• Safety& Security

• Complieswith UL1598andCSA C22.2

• Suitableforwetlocations

• 3G VibrationRated

• IP66Rated

• BAA Compliant

• RoHSCompliant

• ATALTestedwww.ata-labs.com

• Selectmodels DLCPremium.ForacompletelistofDLCPremium productsvisit: www.xtralight.com,/Qk;or�Ql.designlights.org

FEATURES

• Lumenpackages ranging fromSOOOLto 65000L.

Outstandingphotometricperformanceresults inexcellentuniformity, optimalpolespacing andlowerpowerdensity.

• Lowprofile architecturaldesignoffersa contemporaryappearancewithexcellentlight output.

Enhancedfootcandlesdeliveredutilizing multipleopticaloptions.

• Fullcut-offopticswithzerouplight.

CONTROLS

• Programmable smart sensorandtwist-lock receptaclecontroloptionsavailable. ORDER

DRIVER

30K 3000K 40K 4000K SOK SOOOK

1. Custom CCT available from 2700K - 6500K.

DIM Dim0-lOV, 120-277V DIM02 Dim0-lOV, 120-277V HVD to off Dim 0-lOV, 347-480V 2.

• Thermalmanagementachievedwithaonepiecedie-castaluminumhasintegralheat sink finsandahingedelectricalcompartment. Thermosetpowdercoat, availableinbronze, whiteorcustomcolors (consult factory)

• IP66, precisionmolded, polycarbonate opticsprovidingimpactresistance and UV stabilization.

Upgradeddoortoprovidebetterprotection fromwaterintrusion.

MOUNTING

• Integralarmwithkeyholeslotfacilitatesquick andeasyinstallation.

ELECTRICAL

• Voltage:120-277Vor 347-480VACinput

• Driver: Class1, constantcurrent, calibratedto lumenpackage (0-lOVdimmingstandard)

• SurgeProtection: 20kAstandard.

• Operatingtemperature: -40°Cto +50°

WARRANTY

• BackedbyXtralight'slimited 5-yearwarranty. Adjustableslipfitter, roundpole adaptor, universalpole adaptor, andothermounting optionsavailable as accessories.

SAMPLE CATALOG NUMBER: VNTL-SSOOOL-SOK-DIM-SSN-BZ

OPTICS ORIENTATION

2M Type II Medium � Type Ill Medium

4M Type

Fixture Controls IS35 IR Smart Sensor, 20'H/40'D IS75 IR Smart Sensor, 40'H/100'D

BS35 Bluetooth Smart Sensor, 20'H/40'D

BS75 Bluetooth Smart Sensor, 40'H/100'D CAS Casambi Controlled AUT Autani Controlled SYN Synapse Controlled SWX Sensorworx Controlled CUS Custom Sensor (Factory Installed)

BLANK

HELM BAY LANDING

VIENTO AREA LUMINARE

ACCESSORIES (SOLD SEPARATELY)

DIMMINGCONTROL

MS5559

Scheduled Dimming, Standard Voltage

Scheduled Dimming, High Voltage

Constant All-Night Dimming, Standard Voltage

Constant All-Night Dimming, High Voltage

SHORTINGCAP

MS1827 Shorting Cap

PHOTOCELLSTANDARDON/OFF

MS0192 120/277

MS5088 480v

DESCRIPTION

• Sholder-to-Sholder Adaptor

• EPA: 0.90 sq. ft. - 27 LB

DESCRIPTION

• Tenon Mount Adaptor

DESCRIPTION

• Universal PoleMount Adaptor

DESCRIPTION

Dimming Control

• Standard Voltage: 105-305 VAC

• High Voltage: 312-530 VAC Frequency: 50/60 Hz

DESCRIPTION

Shorting Cap

• Shorting cap required if noother controls are being used in fixture receptacle.

No Specification

Type SA Pole

25' AFG Concrete

VIENTO AREA LUMINARE

S

FEATURES

• Lumenpackages ranging fromSOOOLto 65000L.

Outstandingphotometricperformanceresults inexcellentuniformity, optimalpolespacing andlowerpowerdensity.

• Lowprofile architecturaldesignoffersa contemporaryappearancewithexcellentlight output.

Enhancedfootcandlesdeliveredutilizing multipleopticaloptions.

• Fullcut-offopticswithzerouplight.

CONTROLS

• Programmable smart sensorandtwist-lock receptaclecontroloptionsavailable. ORDER

30K 3000K 40K 4000K SOK SOOOK

DRIVER DIM Dim0-lOV, 120-277V DIM02 Dim0-lOV, 120-277V HVD to off Dim 0-lOV, 347-480V

1. Custom CCT available from 2700K - 6500K.

PROJECT INFORMATION

Project Name Type

Catalog# Date

APPLICATIONS

• AreaLighting • AutoDealerships & Sales Lots

• Retail Spaces

• Street Lighting

APPROVALS

• ETLListed

• Parks &RecreationAreas

• Safety& Security

• Complieswith UL1598andCSA C22.2

• Suitableforwetlocations

• 3G VibrationRated

• IP66Rated

• BAA Compliant

• RoHSCompliant

• ATALTestedwww.ata-labs.com

• Selectmodels DLCPremium.ForacompletelistofDLCPremium productsvisit: www.xtralight.com,/Qk;or�Ql.designlights.org

ELECTRICAL

• Thermalmanagementachievedwithaonepiecedie-castaluminumhasintegralheat sink finsandahingedelectricalcompartment. Thermosetpowdercoat, availableinbronze, whiteorcustomcolors (consult factory)

• IP66, precisionmolded, polycarbonate opticsprovidingimpactresistance and UV stabilization.

Upgradeddoortoprovidebetterprotection fromwaterintrusion.

MOUNTING

• Integralarmwithkeyholeslotfacilitatesquick andeasyinstallation.

• Voltage:120-277Vor 347-480VACinput

• Driver: Class1, constantcurrent, calibratedto lumenpackage (0-lOVdimmingstandard)

• SurgeProtection: 20kAstandard.

• Operatingtemperature: -40°Cto +50°C (-40

WARRANTY

• BackedbyXtralight'slimited 5-yearwarranty. Adjustableslipfitter, roundpole adaptor, universalpole adaptor, andothermounting optionsavailable as accessories.

SAMPLE CATALOG NUMBER: VNTL-SSOOOL-SOK-DIM-SSN-BZ

OPTICS ORIENTATION

� Type II

Medium

3M Type Ill

Medium

4M Type IV

SS

Medium

Fixture Controls IS35 IR Smart Sensor, 20'H/40'D IS75 IR Smart Sensor, 40'H/100'D

BS35 Bluetooth Smart Sensor, 20'H/40'D

BS75 Bluetooth Smart Sensor, 40'H/100'D CAS Casambi Controlled AUT Autani Controlled SYN Synapse Controlled SWX Sensorworx Controlled CUS Custom Sensor (Factory Installed)

BLANK

HELM BAYLANDING

VIENTO AREA LUMINARE

DIMMINGCONTROL

MS5559

Scheduled Dimming, Standard Voltage

Scheduled Dimming, High Voltage

Constant All-Night Dimming, Standard Voltage

Constant All-Night Dimming, High Voltage

SHORTINGCAP

MS1827 Shorting Cap

PHOTOCELLSTANDARDON/OFF

MS0192 120/277

MS5088 480v

DESCRIPTION

• Sholder-to-Sholder Adaptor

DESCRIPTION

• Tenon Mount Adaptor

DESCRIPTION

• Universal PoleMount Adaptor

DESCRIPTION

• Standard Voltage: 105-305 VAC

• High Voltage: 312-530 VAC Frequency: 50/60 Hz

DESCRIPTION

Shorting Cap

• Shorting cap required if noother controls are being used in fixture receptacle.

No Specification

Type SB Pole

25' AFG Concrete

VIENTO AREA LUMINARE

PROJECT INFORMATION

Project Name Type

FEATURES

• Lumenpackages ranging fromSOOOLto 65000L.

Outstandingphotometricperformanceresults inexcellentuniformity, optimalpolespacing andlowerpowerdensity.

• Lowprofile architecturaldesignoffersa contemporaryappearancewithexcellentlight output.

Enhancedfootcandlesdeliveredutilizing multipleopticaloptions.

• Fullcut-offopticswithzerouplight.

CONTROLS

• Programmable smart sensorandtwist-lock receptaclecontroloptionsavailable.

1. Custom CCT

2700K - 6500K. DRIVER DIM Dim0-lOV, 120-277V DIM02 Dim0-lOV, 120-277V HVD to off Dim 0-lOV, 347-480V 2.

30K 3000K 40K 4000K SOK SOOOK

APPLICATIONS

• AreaLighting

• Retail Spaces

• Street Lighting

APPROVALS

• ETLListed

• AutoDealerships & Sales Lots

• Parks &RecreationAreas

• Safety& Security

• Complieswith UL1598andCSA C22.2

• Suitableforwetlocations

• 3G VibrationRated

• IP66Rated

• BAA Compliant

• RoHSCompliant

• ATALTestedwww.ata-labs.com

• Selectmodels DLCPremium.ForacompletelistofDLCPremium productsvisit: www.xtralight.com,/Qk;or�Ql.designlights.org

ELECTRICAL

• Thermalmanagementachievedwithaonepiecedie-castaluminumhasintegralheat sink finsandahingedelectricalcompartment. Thermosetpowdercoat, availableinbronze, whiteorcustomcolors (consult factory)

• IP66, precisionmolded, polycarbonate opticsprovidingimpactresistance and UV stabilization.

Upgradeddoortoprovidebetterprotection fromwaterintrusion.

• Voltage:120-277Vor 347-480VACinput

• Driver: Class1, constantcurrent, calibratedto lumenpackage (0-lOVdimmingstandard)

• SurgeProtection: 20kAstandard.

• Operatingtemperature: -40°Cto +50°C (-40

MOUNTING WARRANTY

• Integralarmwithkeyholeslotfacilitatesquick andeasyinstallation.

• BackedbyXtralight'slimited 5-yearwarranty. Adjustableslipfitter, roundpole adaptor, universalpole adaptor, andothermounting optionsavailable as accessories.

SAMPLE CATALOG NUMBER: VNTL-SSOOOL-SOK-DIM-SSN-BZ

OPTICS ORIENTATION

� Type II

Medium

3M Type Ill

Medium

4M Type IV

Medium

Fixture Controls IS35 IR Smart Sensor, 20'H/40'D IS75 IR Smart Sensor, 40'H/100'D

BS35 Bluetooth Smart Sensor, 20'H/40'D

BS75 Bluetooth Smart Sensor, 40'H/100'D CAS Casambi Controlled AUT Autani Controlled SYN Synapse Controlled SWX Sensorworx Controlled CUS Custom Sensor (Factory Installed)

BLANK

HELM BAYLANDING

VIENTO AREA LUMINARE

DIMMINGCONTROL

MS5559

Scheduled Dimming, Standard Voltage

Scheduled Dimming, High Voltage

Constant All-Night Dimming, Standard Voltage

Constant All-Night Dimming, High Voltage

SHORTINGCAP

MS1827 Shorting Cap

PHOTOCELLSTANDARDON/OFF

MS0192 120/277

MS5088 480v

DESCRIPTION

• Sholder-to-Sholder Adaptor

• Tenon Mount Adaptor

DESCRIPTION

• Universal Pole Mount Adaptor

DESCRIPTION Dimming

• Standard Voltage: 105-305 VAC

• High Voltage: 312-530 VAC Frequency: 50/60 Hz

DESCRIPTION

Shorting Cap

• Shorting cap required if no other controls are being used in fixture receptacle.

No Specification

Type SC Pole

25' AFG Concrete

VIENTO AREA LUMINARE

PROJECT INFORMATION

Project

APPLICATIONS

• AreaLighting

• Retail Spaces

• Street Lighting

APPROVALS

• ETLListed

• AutoDealerships& SalesLots

• Parks& RecreationAreas

• Safety& Security

• Complieswith UL1598 andCSA C22.2

• Suitableforwet locations

• 3G Vibration Rated

• IP66 Rated

• BAA Compliant

• RoHSCompliant

• ATALTestedwww.ata-labs.com

• Selectmodels DLCPremium.ForacompletelistofDLCPremiumproductsvisit: www.xtralight.com,/Qk;or�Ql.designlights.org

FEATURES

• Lumenpackages ranging fromSOOOLto 65000L.

Outstandingphotometricperformanceresults inexcellentuniformity, optimalpolespacing andlowerpowerdensity.

• Lowprofile architecturaldesignoffersa contemporaryappearancewith excellentlight output.

Enhancedfootcandlesdeliveredutilizing multipleopticaloptions.

• Fullcut-offopticswithzerouplight.

CONTROLS

• Programmablesmart sensorandtwist-lock receptaclecontroloptionsavailable. ORDER

DRIVER

30K 3000K 40K 4000K SOK SOOOK

DIM Dim0-lOV, 120-277V DIM02 Dim 0-lOV, 120-277V HVD to off Dim 0-lOV, 347-480V

• Thermalmanagementachievedwithaonepiecedie-castaluminumhasintegralheat sink finsandahingedelectricalcompartment. Thermosetpowdercoat, availableinbronze, whiteorcustomcolors (consult factory)

• IP66, precisionmolded,polycarbonate opticsprovidingimpactresistance and UV stabilization.

Upgradeddoortoprovidebetterprotection fromwaterintrusion.

MOUNTING

• Integralarmwithkeyholeslotfacilitatesquick andeasyinstallation.

ELECTRICAL

• Voltage:120-277Vor347-480VACinput

• Driver: Class1, constantcurrent, calibratedto lumenpackage (0-lOVdimmingstandard)

• SurgeProtection: 20kAstandard.

• Operatingtemperature: -40°Cto +50°C(-40°F to +122°F)

WARRANTY

• BackedbyXtralight'slimited5-yearwarranty. Adjustableslipfitter, roundpole adaptor, universalpole adaptor, andothermounting optionsavailableas accessories.

SAMPLE CATALOG NUMBER: VNTL-SSOOOL-SOK-DIM-SSN-BZ

OPTICS

2M Type II

Medium

3M Type Ill

Medium Type IV

Medium

SS3 Type V Square

ORIENTATION

H Normal (forward) L Left R Right BZ Bronze WH White cc• Custom Color

CONTROLS

X NoFixture Controls

IS35 IR Smart Sensor, 20'H/40'D

IS75 IR Smart Sensor, 40'H/100'D

BS35 Bluetooth Smart Sensor, 20'H/40'D

BS75 Bluetooth Smart Sensor, 40'H/100'D

CAS Casambi Controlled AUT Autani Controlled

SYN Synapse Controlled SWX Sensorworx Controlled CUS Custom Sensor (Factory Installed)

1. Custom CCT availablefrom 2700K - 6500K.

BLANK

HELM BAYLANDING

VIENTO AREA LUMINARE

DIMMINGCONTROL

MS5559

Scheduled Dimming, Standard Voltage

Scheduled Dimming, High Voltage

Constant All-Night Dimming, Standard Voltage

Constant All-Night Dimming, High Voltage

SHORTINGCAP

MS1827 Shorting Cap

PHOTOCELLSTANDARDON/OFF

MS0192 120/277

MS5088 480v

DESCRIPTION

• Sholder-to-Sholder Adaptor

DESCRIPTION

• Tenon Mount Adaptor

DESCRIPTION

• Universal PoleMount Adaptor

DESCRIPTION

• Standard Voltage: 105-305 VAC

• High Voltage: 312-530 VAC Frequency: 50/60 Hz

DESCRIPTION

Shorting Cap

• Shorting cap required if noother controls are being used in fixture receptacle.

No Specification

Type SD Pole

25' AFG Concrete

Specifications

Luminaire

Width: 13-314" Weight: (34.9cm)

Depth:

Height: 10" (25.4 cm) 6-3/8" (16.2cm) 12I6s (5.4kg)

D-Series Size1 LED Wall Luminaire

(one

20( 20LEDs (two 1000 engines)'

Back Box (BBW, ELCW)

Width: 13-3/4" BBW (34.9cm) Weight:

Depth: 4" ELCW (10.2cm) Weight:

Height: 6-3/8" (16.2cm) For 3/4" NPTside-entry conduit(BBWonly)

(4.5kg) Catalog

The D-Series Wall luminaire is a stylish, fully integrated LED solution for building-mount applications. It features a sleek, modern design and is carefully engineered to provide long-lasting, energy-efficient lighting with a variety of optical and control options for customized performance. With an expected service life of over 20 years of nighttime use and up to 74% in energy savings over comparable 250W metal halide luminaires, the D-Series Wall is a reliable, low-maintenance lighting solution that produces sites that are exceptionally illuminated.

MVOLT' Shippedincluded

Shippedinstalled SF Singlefuse(120,277

separately 11

Vandalguard

3 Singlefuse(SF)

DSXWHSLI House-sideshield(oneper lightengine)

DSXWBSW

DSSXD Sandstone

DDBTXD Textureddarkbronze

DBLBXD Texturedblack

DNATXD Texturednaturalaluminum

Shippedinstalled PE Photoelectriccell,buttontype 6 DMG 0-lOvdimmingwirespulledoutsidefixture(for usewithanexternalcontrol,orderedseparately) PIR 180° motion/ambientlightsensor,<15'mtg

PIRlFC3V Motion/ambientsensor,8-15'mountingheigh� ambientsensorenabledatlfc

PIRHlFC3V Motion/ambientsensor,15-30'mountingheight, ambientsensorenabledatlfc 1 7

ELCW Emergencybatterybackup(includesexternal componentenclosure),CATitle20Noncompliant'·'

DWHGXD Texturedwhite

DSSTXD Texturedsandstone

VIENTO WALL PACK

PROJECT INFORMATION

Project Name

Catalog# Date

APPLICATIONS

• ExteriorLighting

• Safety& Security

APPROVALS

• Walkways

• AccentLighting

ETLListed Complies with UL1598 andCSA C22.2

• Suitable for wetlocations

IP66 Rated BAA Compliant

RoHS Compliant

• ATALTestedwww.ata-labs.com

• Selectmodels DLC Qualified. For acomplete listofDLC Qualified products visit: www.xtralight.com/dlcorqpl.designlights.org

FEATURES

• Lumen packagesrangingfrom3000Lto lS000L.

• Uniformlightdistribution,idealforbuilding facades, entry ways, sidewalks andgeneral security or accentlighting.

• LED provides asignificant energy savings over HID.

• Designedfor ease ofinstallation.

CONSTRUCTION

• Two-piece die-cast aluminumwith integral heat sinkfins.

• Powdercoatfinish with customcolors are available (consult factory)

• Silicone gasketis included to prevent leakage and provide weather-tight protection.

• IP66, precision molded, polycarbonate optics providingimpactresistance and UV stabilization.

ELECTRICAL

Voltage: 120-277Vor347-480V AC input

Driver:Class 2, constantcurrent, calibratedto lumen packages (0-l0Vdimmingstandard)

• Operatingtemperature: -40°Cto +50°C (-40°F to +122°F)1 2 CONTROLS MOUNTING WARRANTY

• Smartsensor andbutton photocellcontrol options available.

• Designedto be surface mountedon a wall.

• Backedby Xtralight's limited 5-year warranty.

Specifications Luminaire

Width: 13-314" Weight: (34.9cm)

Depth:

Height: 10" (25.4 cm) 6-3/8" (16.2cm) 12I6s (5.4kg)

i·ttffii1i·lffil-ii,&UI-I,■

DSXWl LED

DSXWlLED 10( 10LEDs 350 (one 530 engine)

700 20( 20LEDs (two 1000 engines) 1

(1A) 1

D-Series Size1 LED Wall Luminaire

Back Box (BBW, ELCW)

Width: 13-3/4" BBW (34.9cm) Weight:

Depth: 4" ELCW (10.2cm) Weight:

Height: 6-3/8" (16.2cm)

For3/4" NPTside-entry conduit(BBWonly)

Slbs (2.3kg) 10I6s (4.5kg)

Catalog Number

Notes Type Hit the Tabkey ormouse over the page to see all interactive elements.

Introduction

The D-Series Wall luminaire is a stylish, fully integrated LED solution for building-mount applications. It features a sleek, modern design and is carefully engineered to provide long-lasting, energy-efficient lighting with a variety of optical and control options for customized performance. With an expected service life of over 20 years of nighttime use and up to 74% in energy savings over comparable 250W metal halide luminaires, the D-Series Wall is a reliable, low-maintenance lighting solution that produces sites that are exceptionally illuminated.

OtherOptions

Shippedinstalled

SF Singlefuse(120,277or347V)3 1'

DF Doublefuse(208,240or480V)'·10

HS House-sideshield11

SPD Separatesurgeprotection"

Accessories

Orderedandshippedseparately.

DSXWHSU House-sideshield(oneper lightengine)

DSXWBSWU Bird·detenentspikes

DSXWlVGU Vandalguardaccessory

Shippedseparately 11 BSW Bird-deterrentspikes VG Vandalguard DDL Diffuseddroplens

T2S TypeIIShort

T2M TypeIIMedium

TlS TypeIllShort

TJM�ypeIllMedium

T4M TypeIVMedium

TFTM ForwardThrow Medium

Shippedincluded (blank).J,urface mounting bracket

BBW Surfacemounted backbox (forconduit entry)s

Shippedinstalled PE Photoelectriccell,buttontype 6

DMG 0-lOvdimmingwirespulledoutsidefixture(for usewithanexternalcontrol,orderedseparately)

PlR 180° motion/ambientlightsensor,<15'mtght1 7 PIRH 180° motion/ambientlightsensor,15-30'mtght 1 7

PIRlFCJV Motion/ambientsensor,8-15'mountingheigh� ambientsensorenabledatlfc 1 7

PIRHlFCJV Motion/ambientsensor,15-30'mountingheight, ambientsensorenabledatlfc 1 7 L W Emergencybatterybackup(includesexternal componentenclosure),CATitle20Noncompliant'·'

Sandstone

Textureddarkbronze

Texturedblack

Texturednaturalaluminum

1 20C1000isnotavailablewithPIR,PIRH,PIR1FC3VorPIRH1FC3V.

2 MVOLTdriveroperatesonanylinevoltagefrom120-277V(50/60Hz).

3 Singlefuse(SF)requires120,277or347voltageoption.Doublefuse(DF)requires208,240or480voltageoption.

4 Onlyavailablewith20C,700mAor100DmA.NotavailablewithPIRorPIRH.

5 Backboxshipsinstalledonfixture.Cannotbefieldinstalled.Cannotbeorderedasanaccessory.

DWHGXD Texturedwhite

DSSTXD Texturedsandstone

6 Photocontrol(PE)requires12D,2D8,240,277or347voltageoption.Notavailablewithmotion/ambientlightsensors (PIR orPIRH).

7 ReferenceMotionSensortableonpage3.

8 Coldweather(-20C)rated.Notcompatiblewithconduitentryapplications.NotavailablewithBBWmountingoption.Notavailablewithfusing.Notavailablewith347or480 voltageoptions.Emergencycomponentslocatedinbackboxhousing.EmergencymodeIESfileslocatedonproductpageatwwwlitboniacom

9 NotavailablewithSPD.

10 NotavailablewithELCW.

11 Alsoavailableasaseparateaccessory;seeAccessoriesinformation.

12 NotavailablewithELCW.

Darkbronze

VIENTO WALL PACK

PROJECT INFORMATION

Project Name

Catalog#

APPLICATIONS

• ExteriorLighting

• Safety& Security

APPROVALS

• Walkways

• AccentLighting

ETLListed Complies with UL1598 andCSA C22.2

• Suitable for wetlocations

IP66 Rated BAA Compliant

RoHS Compliant

• ATALTestedwww.ata-labs.com

• Selectmodels DLC Qualified. For acomplete listofDLC Qualified products visit: www.xtralight.com/dlcorqpl.designlights.org

FEATURES

• Lumen packagesrangingfrom3000Lto lS000L.

• Uniformlightdistribution,idealforbuilding facades, entry ways, sidewalks andgeneral security or accentlighting.

• LED provides asignificant energy savings over HID.

• Designedfor ease ofinstallation.

CONTROLS

• Smartsensor andbutton photocellcontrol options available.

CONSTRUCTION

• Two-piece die-cast aluminumwith integral heat sinkfins.

• Powdercoatfinish with customcolors are available (consult factory)

• Silicone gasketis includedto prevent leakage and provide weather-tight protection.

• IP66, precision molded, polycarbonate optics providingimpactresistance and UV stabilization.

MOUNTING

• Designedto be surface mountedon a wall.

ELECTRICAL

Voltage: 120-277Vor347-480V AC input

Driver:Class 2, constantcurrent, calibratedto lumen packages (0-l0Vdimmingstandard)

• Operatingtemperature: -40°Cto +50°C (-40°F to +122°F)1 2

WARRANTY

• Backedby Xtralight's limited 5-year warranty.

Gardco GeoForm cylinder small LED wall sconce features a compact geometric design thatwill complement a range ofarchitectural styles. GeoForm is available with two light engines: highly efficient precision plus optics which feature type 2, 3, and 4 distributions, aswell as light effects opticswhich offerwallwash, spot, and pencil beam distributions. GeoFormwith light effects may be inverted forawet location uplight option. Emergency battery backup option provides path-of-egress illumination and multiple control options further enhance energy savings.

Project:

Location:

(0-lOV (10kVkAsurge EM1,s Emergency BK Black dimming protection Battery Pack WH White driver standard) (0-40°C) standard) SP2 Surge BZ Bronze BAC' Meetsthe DLEA2 Dimming Protector requirements DG DarkGray Leads 20kV/10kA oftheBuy MG MediumGray Externally (option) AmericanAct Accessible FS1 Single Fuse of1933 (BAA) Customerspecified (controlsby (120. 277. or others) 347VAC) oc Specifyoptional FAWS' Field colororRAL, FS2 Double Fuse contactfactory Adjustable (208V,240V, Wattage or480V) SC SpecialColor Selector (mustsupplycolor PCB' Photocontrol chip,requires Button factoryquote) (120-277V)

5.Failuretoproperlyselectthe ·BAc· suffixcouldresultinyoureceivingproductthatis notBAAcompliantproductwithnorecourseforanRMAorrefund. ThisBACdesignation hereunderdoesnotaddress (i) theapplicabilityof,oravailabilityofawaiverunder,the TradeAgreementsAct, or (ii) the "BuyAmerica• domesticcontentrequirementsimposed onstates, localities,andothernon-federalentitiesasaconditionofreceivingfunds administeredbythe DepartmentofTransportationorotherfederalagencies.

6. ConsultSignifytoconfirmwhetherspecificaccessoriesareBAA-compliant.

HELM BAY LANDING TUBEARCHITECTURAL

LED Wall Mounts

PRODUCT DESCRIPTION

The latest energy efficientLED technology in an appealing cylindricalprofile

FixtureType:

Catalog Number:

Project:

Location:

SPECIFICATIONS

Input: Universal voltage 120V- 277VAC, 50/60Hz

Electronic low voltage (ELV): 100%- 5% delivers accent and wall wash lighting. Comes in various light distribution

Dimming: and beam angle options.

FEATURES

High performance exterior ratedLED wall mount light Fixture can install upside down to alter light distribution

Solidaluminum construction 5 year warranty

ORDERING NUMBER

Straight up or down N Straight up or down Straight upor down

Away from the wall

Light Source:

Finish:

Standards:

0-lOV: 100%-1%

High output 3 Step Mac Adam Ellipse COB

Rated life of 60,000 hours at L70

Electrostatically powder coated, white, black, bronze and graphite

IP65 rated, ETL &cETL wet location listed,

Energy Star• 2.2 rated Title 24JA8-2016 Compliant

OperatingTemp:-13

ITEM

l OVLW-l 2X6-l 2W-MBK-A-40K-FRAME 22GAUGE l

2 OVLW-l 2X6-l 2W-MBK-A-40K-END CAP 22GAUGE 2

3 OVLW-l 2X6-l 2W-MBK-A-40K-BACKPLATE 22GAUGE l

4 OVLW-l 2X6-l 2W-MBK-A-40K-LED BRACKET 22GAUGE 2

5 OVLW-l 2X6-12W-MBK-A-40K-ACRYLIC ACRYLIC l

6 EspenTECH_120277V_SKU 808076 DRIVER l

7 AltalLED PN1012 RevD LED 2

EVERGREEN LIGHTIN

1:5 WEIGHT: SHEET 1 OF 6

HELM BAY LANDING

WAC LIGHTING

Edgey

Outdoor Wall Sconce

Model &Size

S-W17310 10" Color Temp 3000K 3500K 000

Example: WS-W17310-40-WT Finish AL Brushed Aluminum Black WT White For custom requests please contact customs@waclighting.com

DESCRIPTION

Precision, framed. A sleek design with sophisticated up and downward illumination.

FEATURES

• Top and bottom illumination

• Built in color temperature adjustability. Switch from 3000K/3S00K/4000K

• Slide-on canopy with minimal hardware

• Option to pre-select color temperature or adjust in the field

• ACLED driverless technology

• 5 year warranty

SPECIFICATIONS

Color Temp: Input: CRI

Dimming:

Rated Life: Mounting:

Standards: Construction

Fixture Type:

Catalog Number:

Project:

Location:

3000K,3500K,4000K 120 VAC,50/60Hz 90

ELV: 100-5% , TRIAC: 100-5%

60,000 Hours

Can be mounted on wall vertically or upside down ETL, cETL, ADA, Wet Location Listed Aluminum body with glass diffuser

FINISHES:
Black Brushed Aluminum LINE DRAWING 4¾"

PERFORMANCE

PRODUCT

INSERT+3

� L:.:J

Part number

Lampholder: Wattage: Finishing: Degree of protection: CRI: Kelvin:

Optic: IESNA Type: Luminaire lumen output [Im]: L: B: Lifetime: cULus:

Voltage: Min. ambient temperature [°C]: Max. ambient temperature [°C]: Description

Recessed wall steplight series. Fixtures consist of:

/ Iron gray/ Textured

- Multi-step powder-coat painting process, optimized against UV rays and corrosion.

-Copper-free (<1%) precision die-cast aluminum housing and ring/faceplate.

-Custom molded, anti-aginggasket(s).

- Stainless steel externalhardware.

- Frosted, tempered, flat glass diffuser.

-Custom MCPCButilized to maximize heat dissipation and promote long LED life.

-Type111 light distribution.

- Inputvoltage: 120-277 V (50 / 60 Hz), integral 0-10V dimmingdriver.

- Pre-wired factory sealed cable for external electrical connection included.

- Stainless steel recessed rough-in kit to be ordered separately.

- Suitable for concrete or hollow wall applications.

- The luminaire may be configured with numerousoptions and multiple standard finishes. Not alloptions are available in all configurations.Consult factoryfor more information about specification sheet details to build your light.

-Contact factory for any Buy American Act (BM) or Build AmericaBuyAmerica Act (BABAA) requirements.

- 5-year warranty.

PERFORMANCE mlLIGHTING INSERT+3 �� � L:.:J

Part number

Lampholder: Wattage: 071982 LED 29W

Finishing: Degree of protection: Iron gray/ Textured IP66 CRI: Kelvin: Optic: IESNA Type: Luminaire lumen output [Im]: L: B:

Lifetime: cULus:

Voltage: Min. ambient temperature [°C]: Max. ambient temperature [°C]:

Description

Recessed wall steplight series. Fixtures consist of:

- Multi-step powder-coat painting process, optimized against UV rays and corrosion.

-Copper-free (<1%) precision die-cast aluminum housing and ring/faceplate.

-Custom molded, anti-aginggasket(s).

- Stainless steel externalhardware.

- Frosted, tempered, flat glass diffuser.

-Custom MCPCButilized to maximize heat dissipation and promote long LED life.

-Type111 light distribution.

- Inputvoltage: 120-277 V (50 / 60 Hz), integral 0-10V dimmingdriver.

- Pre-wired factory sealed cable for external electrical connection included.

- Stainless steel recessed rough-in kit to be ordered separately.

- Suitable for concrete or hollow wall applications.

- The luminaire may be configured with numerousoptions and multiple standard finishes. Not alloptions are available in all configurations.Consult factoryfor more information about specification sheet details to build your light.

-Contact factory for any Buy American Act (BM) or Build AmericaBuyAmerica Act (BABAA) requirements.

- 5-year warranty.

PRODUCT CODE 071982 PROJECT TYPE

Photometricdata Technicaldrawings

1i Interactive Menu

• Ordering Information page2

• Product Specifications page2

• Optical Configurations page3

• Energy and Performance Data page4

• Control Options page6

Quick Facts

• Choice of thirteen high-efficiency, patented AccuLED Optics

• Downward and inverted wall mounting configurations

• Eight lumen packages from 3,215 up to17,056

• Efficacies up to 154 lumens per watt

Dimensional Details

Net Weight: 17.0lbs(7.7kgs)

GWCwith CBPoptioninstalled (Thru-Branch Back Box accessory MA1059XX)

McGraw-Edison

GWC Galleon Wall

Wall Mount Luminaire

Product Features

Product Certifications

1i Connected Systems

• Wavelinx PRO Wireless

• Wavelinx LITE Wireless

GWCwithaccessoryBB/GWCXXBackBoxinstalled

[164mm]

TYPE WSE SPEC HELM BAY LANDING

McGraw-Edison

Ordering Information

SAMPLE NUMBER: GWC-SA2C-740-U-T4FT-GM

GWC=GalleonWall

SA1=1Square

BAA-GWC=GalleonWall,BuyAmericanActSA2=2Squares' Compliant33

TAA-GWC=GalleonWall,Trade AgreementsActCompliant 33

BABA-GWC=GalleonWall,BuyAmerica BuildAmerica41

A=615mA B=800mA C=lOOOmA D=1200mA' Z=Configured 39

722=70CRI,2200K

727=70CRI,2700K

730=70CRI,3000K

735=70CRI,3500K

740=70CRI,4000K

750=70CRI,5000K

760=70CRI,6000K

827=80CRI,2700K

U=120-277V 1=120V 2=208V 3=240V 4=277V 8=480V'·' 9=347V'

830=80CRI,3000K AMB=Amber,590nm 3 4 DV=277-480VDuraVolt Drivers1 1 35

F=SingleFused(120,277or347V.MustSpecifyVoltage)

FF=DoubleFused(208,240or480V.MustSpecifyVoltage)

10K=10kVSurgeModule

20K=Series20kVUL1449SurgeProtectiveDevice

2L=Two-CircuitLightEngine36

DIM=External0-lOVDimmingLeads'· 10

CBP=BatteryPackwithBackBox,ColdWeatherRated2·'·,,, 3,

CBP·CEC=Battery PackwithBackBox,ColdWeatherRated,CECcompliant'·'·"

BB=ShippedwithBackBoxAccessory"

L90=0pticsRotated90"Left

R90=0pticsRotated90"Right HSS=FactoryInstalledHouseSideShield"

GRSBK=FactoryInstalledGlareShield,BK'·"

GRSWH=FactoryInstalledGlareShield,WH'·"

UPL=UplightHousing"

HA=SO"CHighAmbient"

LCF=LightSquareTrimPlatePaintedtoMatchHousing"

CE=CE MarkingandSmallTerminalBlock"

AHD145=After HoursDim,5Hours"

AHD245=After HoursDim,6Hours"

AHD255=After HoursDim,7Hours"

AHD355=After HoursDim,8Hours"

DALl=DALIDriver11

D4=DALID4iPowerBusOn"

D40FF=DALI D4iPowerBusoff"

NOTES:

T2=TypeII

TJ=TypeIll

T4FT=TypeIVForwardThrow

T4W=TypeIVWide

SL2=TypeIIw/SpillControl

SL3=TypeIllw/SpillControl

SL4=TypeIVw/SpillControl

SLL=90"SpillLightEliminatorLeft

SLR=90"SpillLightEliminatorRight RW=RectangularWideTypeI

SNQ=TypeVSquareNarrow

SMQ=TypeVSquareMedium

SWQ=TypeVSquareWide

BPC=ButtonTypePhotocontrol(120,208,240or277V.MustSpecifyVoltage)

PR=NEMA3-PINTwistlockPhotocontrolReceptacle

PR7=NEMA7-PINTwistlockPhotocontro1Receptacle15

FADC=FieldAdjustableDimmingController 31

SPB1=DimmingOccupancySensorwithBluetoothInterface,<8'Mounting19•32

SPB2=DimmingOccupancySensorwithBluetoothInterface, 8'-20'Mounting19• 32

SPB4=Dimming OccupancySensorwithBluetoothInterface, 21'-40'Mounting"·"

Z4=Zhaga4-pinreceptacle•

MS·LXX=MotionSensorforOn/OffOperation17•11•19 MS/DIM·LXX=Motion SensortorDimmingOperation"·"·"

WPS2XX=Wavelinx Pro,SRDriver,DimmingMotionandDaylight,WAC Programmable,7'-15'Mounting 21,io,n

WPS4XX=Wavelinx Pro,SRDriver,DimmingMotionandDaylight,WAC Programmable,15'-40'Mounting"·"·"

WLS2XX=Wavelinx Lite,SRDriver,DimmingMotionandDaylight,Bluetooth Programmable,7'-15'Mounting"·" WLS4XX=Wavelinx Lite,SRDriver,DimmingMotionandDaylight,Bluetooth Programmable,15'-40'Mounting3o,,o

1. DesignlightConsortium®Qualified.Refertowww.designlights.org,QualifiedProductsListunderFamilyModelsfordetails.

2. TwolightsquareswithCBPoptionslimitedto25"C.CBPnotavailableincombinationwithsensoroptionsat1200mA.

3. Narrow-band590nm+/-5nmforwildlifeandobservatoryuse.ChoosedrivecurrentA;suppliedatSOOmAdrivecurrentonly.Exact

25.RequiresPR7.

26.NotforusewithT4FT,T4WorSL4optics.

27.Setof4pcs.OncesetrequiredperLightSquare. luminairewattageavailableinIESfiles.Availablewith5WQ,5MQ,SL2,SL3andSL4distributions.CanbeusedwithHSSoption.

4. NotavailablewithHAoption.

AP=Grey BZ=Bronze BK=Black

DP=DarkPlatinum GM=GraphiteMetallic WH=White

OA/RA101l=PhotocontrolShortingCap OA/RA1016=NEMAPhotocontrol-Multi-Tap 105-285V

OA/RA1201=NEMAPhotocontrol-347V OA/RA1027=NEMAPhotocontrol-480V MA1252=10kVCircuitModuleReplacement MA1059XX=Thru-branchBackBox(MustSpecify Color)

BB/GWCXX=Back LS/HSS=FieldBox(MustSpecifyColorl, InstalledHouseSideShield·"

LS/GRSBK·2PK=Glare Shield,Black"·"

LS/GRSWH·2PK=Glare Shield,White"·"

LS/PFS=PerimeterShield,Black"

FSIR·lOO=Wireless ConfigurationTooltor OccupancySensor17

WOLC-7P-10A=Wavelinx OutdoorControl Module(7-pin)"·"

28.Cannotbeusedinconjunctionwithadditionalphotocontrolorothercontrolssystems(BPC,PR,PR7,MS,LWR).

29.WACGatewayrequiredtoenablefield-configurability:OrderWAC-PoEandWPOE-120(1OVtoPoEinjector)powersupplyIf

5. Coastalconstructionfinishsaltspraytestedtoover5,000·hoursperASTMB117,withascriberatingof9perASTMD1654. needed.

6. Requiretheuseofastepdowntransformer.Notavailableincombinationwithsensoroptionsat1200mA.

7. 480Vnottobeusedwithungroundedorimpedancegroundedsystems.

8. DuraVottdriversfeatureaddedprotectionfrompowerqualityissuessuchaslossofneutral,transientsandvoltagefluctuations.

30.ReplaceXXwithsensorcolor(WH,BZ,orBK).

31.Specify120Vor277V.

32.Smartdevicewithmobileapplicationrequiredtochangesystemdefauhs.Seecontrolssectionfordetails. Visit�.comld.ucmlitformoreinformation.

9. Cannotbeusedwithothercontroloptions.

1O.Lowvoltagecontrolleadsextended18.fromfixture.

11.Notavailablein1200mA.WhenusedwithCBPorHAoptions,onlyavailablewithsinglelightsquare.

12.Notavailablein1200mA,UPLorCBPoptions.Availablewithsinglelightsquare.

13.NotavailablewithHA,CBP.PRorPR7options.

14.Operatesasinglelightsquareonly.Operatesat-20"Cto+40"C.Backboxisnon-IPrated.

15.Compatiblewithstandard3-PINphotocontrols,5-PINor7-PINANSIcontrols.

16.RequirestheuseofBPCphotocontrolorthePR7orPRphotocontrolreceptaclewithphotocontrolaccessory.SeeAfterHours Dimsupplementalguideforadditionalinformation.

17.TheFSIR-100configurationtoolisrequiredtoadjustparameterssuchashighandlowmodes,sensitivity,timedelayandcutoff.

33.OnlyproductconfigurationswiththesedesignatedprefixesarebuihtobecompliantwiththeBuyAmericanActof1933(BAA) orTradeAgreementsActof1979(TAA),respectively.PleaserefertoDOMESTICPREFERENCESwebsiteformoreinformation. Componentsshippedseparatelymaybeseparatelyanalyzedunderdomesticpreferencerequirements.

34.ForBAAorTAArequirements,Accessoriessoldseparatelywillbeseparatelyanalyzedunderdomesticpreferencerequirements.

Consultfactoryforfurtherinformation.

35.Notavailablein1squareconfigurationat800mAorbelow.NotavailablewithanycontroloptionexceptSPB.

36.2LnotavailablewithFF,AHDorDALIoptions.Controlsand/orbatterypacksoperateonlyoneofthetwocircuitswhen2Lis specified.2Lwithcontrolsoptionsnotavailablewith347Vor480V.

37.NotavailablewithCBPorCBP-CECoptions.

38.CannotbeusedwithPR7orothermotionresponsecontroloptions.

39.Customerspecificspecificationsutilizesstandardproductswithsmalladjustmentstomeetuniquerequirementssuchas packaging,labels,wattageadjustments,etc. ConsultyourlightingrepresentativeatCooperLightingSolutionsformoreinformation.

18.ReplaceLXXwithLOB(<8'mounting),L20(8'-20'mounting)orL40W(21'-40'mounting.)

19.lncludesintegralphotosensor.

20.Whitesensorshippedonallhousingcoloroptions.

21.NotavailablewithHSSorGRSoptions.

22.Notforusewith5NQ,SMQ,5WQorRWoptics.ThelightsquaretrimplateispaintedblackwhentheHSSoptionisselected.

23.CEisnotavailablewiththe1200,DALI,LWR,MS,MS/DIM,BPC,PRorPR7options.Availablein120-2nVonly.

24.Onerequiredforeachlightsquare.

Product Specifications

Construction

Driverenclosurethermallyisolatedfromoptics foroptimalthermalperformance

Die-castaluminumheatsinks

IP66ratedhousing

1.5Gvibrationrated

VandalresistantwithIKlOimpactratedhousingand optics

Optics

Patented,high-efficiencyinjection-moldedAccuLED Opticstechnology

13opticaldistributions

Electrical

LEDdriverassemblymountedforeaseof maintenance

Standardwith0-1OVdimming

Optional1OkVor20kVsurgemodule

Suitableforoperationin-40'Cto40'Cambient environments;Optional50'Chighambient(HA) configuration

40.Controlssystemisnotavailablewithphotocontrolreceptacles(PR PR7)orothercontrolssystems(FADC,SPBx).

41.OnlyproductconfigurationswiththeseprefixesarebuilttobecompliantwiththeBuyAmericanActof1933(BAA)orthe

BuildAmericaBuyAmericaAct(BABA).BABAistheminimumGovernmentcompliancerequirementfortheBuildAmerica BuyAmericastandardswhichispartoftheInfrastructureandInvestmentJobsAct(IIJA).PleaserefertotheOOMf.STlC_ eREEERENCESwebsiteorconsulttheCLSDomesticPreferencesteamformoreinformation.Componentsshippedseparately maybeseparatelyanalyzedunderdomesticpreferencerequirements.

Luminaireavailablewiththefieldadjustable dimmingcontroller(FADC)tomanuallyadjust wattageandreducethetotallumenoutputandlight levels.Comespre-settothehighestpositionatthe lumenoutputselected

Mounting

Gasketedandzincplatedrigidsteelmounting attachment

'Hook-N-Lock'mechanismforeasyinstallation

Finish

HousingfinishedinsuperdurableTGICpolyester powdercoatpaint,2.5milnominalthickness Heatsinkispowdercoatedblack

RALandcustomcolormatchesavailable CoastalConstruction(CC)optionavailable

Compliance

IDACertifiedfor3000KCCTandwarmeronly. ThisCooperproductismanufacturedintheUSand meetstheBABAcostofcomponentsrule.Toverify aconfiguredproductwithspecificaccessories

andoptionsmeetsBABADomesticPreference Requirements;submitthiscatalognumberto CooperLightingQuotationteamforvalidationbyour Engineeringand Manufacturingteams. OurBABA designationisbasedontheminimumcompliance requirementforBABA. IndividualGovernment Agenciesmayhavemorestringentcompliance standards.

PleaserefertotheDOMESTICPREFERENCES websiteorconsulttheCLSDomesticPreferences teamformoreinformation.Componentsshipped separatelymaybeseparatelyanalyzedunder domesticpreferencerequirements

Typical Applications

• ExteriorWall,Walkway

Warranty

Fiveyearlimitedwarranty,consultwebsitefor details.wwwcooperlightjngcom/legal PS500046EN page

ORDERINGINFORMATION

EXAMPLE: AKT60401-III-BK

IAKT I I I I

NOTE:

1. PIRSensor isnotavailablefor15W,20W and24W. PIRSensorkitsissold separately andfieldinstalledfor 30W and42W. PIR Sensorispre-installedinthefixturefor 60W,80W and120W. Mountingheightis40ft(12m}max.

2. Emergencybatterybackupisnotavailablefor 15W/20W/24W.ItisEmergencybatterybackupkitssoldseparatelyandfield installedfor 30W and42W.The Emergencybatterybackupisbuiltinthefixturehousingfor 60W/80W/120W.Ambientworking temperaturefor Emergencybatterybackupis 32°Fto 95°F(0°Cto 35°C}.

3. Black finishisstandard. Custom color isavailablefor a premium setup fee. Consult customer service for additionalinformation.

/\F)<.

Edge Round LED Surface Mount Disc Light

EGRF

Series

Features

This ultra low profile design provides a dramatic look and features an edge-lit light panel construction. Products can be used in various applications including corridors, closets, bath, showers, hallway, kitchen and anywhere general lighting is needed.

Indoor use only - Wall or ceiling mount.

Outdoor use only - Covered ceiling mount.

Construction

Edge-lit technology housing is injection molded with aluminum backplate. Snap-in bracket.

Mounts to standard junction box (not included).

Power supply connections must be made inside junction box.

Finish

Choose fromf;,.,hiteJsatin nickel, or black finish.

Diffuser

White acrylic.

Electrical

Direct wired with a constant current low voltage electronic LED driver rated at 120 VAC. The driver is dimmable down to 10% of full scale with a 2-wire (Triac) or electronic low voltage (ELY) dimmer switch.

Lamping

Fixture includes a LED modules capable of producing:

12W = 1200 source lumens, 720 delivered lumens

15W = 1500 source lumens, 1000 delivered lumens

22W = 2200 source lumens, 1690 delivered lumens

Adjustable Choice 3000K, 4000K, 5000K (CCT).

Rated 24/7, working temperature: -20°C - 45°C for 50,000 Hrs. 90 CRI.

Certification

cETLus listed

ENERGY STAR® Qualified

Title 24/JA8 Compliant

Wet location rated for indoor use. Outdoor wet location rated for covered ceiling mount applications ONLY (not recommended for any other outdoor use).

Suitable for use in clothes closets when installed in accordance with the NEC 410.16 spacing requirements.

Options - Sold Separately

Retrofit Kit for 4" and 6" ceiling cans.

Battery back-up (EGRF-8B08) for 8" models. Spacer Pan (EGRF-BB08PAN) for 8" models.

Warranty

Limited warranty: This fixture is free from defects in materials and workmanship for a period of 5 years from date-of-purchase.

Specifications and dimensions subject to changewithout notice.

Ordering Information:

Satin Nickel White EGRF06LAJD1SN

Accessory Kit

Project: Helm's Bay Landing

Fixture Type: EGRF06LAJD1WH

Location: Kitchen/Bathrooms/Closets 3in CCl EGRF-BB08 Battery

HELM BAY LANDING TYPE UA ALT

NELO

ELO LED Surface Mount Luminaire with Selectable CCT

Source: 12W to 24W LED 850lm to 1750lm

PRODUCT DESCRIPTION

ELO LED luminaires are a thin 3/4" surface mounted luminaire with selectable color temperature. Luminaires are available in 4", 6", 8" or 12" sizes and mounts easily over a standard or fire rated junction boxes.

FEATURES

Five color temperatures in each fixture (2700K / 3000K / 3500K / 4000K / 5000K)

120VAC input; Triac or ELV dimming

Available in four sizes (4", 6", 8" or 12")

Decorative rings easily attach to fixture

cETLus Listed for Wet Locations

5-Year Limited Warranty

SPECIFICATION

Construction: Dead front (non-metallic) polycarbonate luminaire with integral driver and color temperature switch. Gasket included for airtight and wet location listing without additional caulking.

Mounting: Steel bracket can be used to surface mount onto a junction box. EVA foam gasket provided for wet location applications.

Decorative Ring: Decorative accessory changes the finish of the luminaire. Available in black or brushed nickel finish.

ELECTRICAL

Input Voltage: 120VAC

Lumens / Wattage: NELO-4RTW NELO-6RTW NELO-8RTW NELO-12RTW

Lumens 850lm 1050lm 1400lm 1750lm Wattage 12W 15W 18W 24W

Color Temperature: Selectable CCT: 2700K / 3000K / 3500K / 4000K / 5000K (Note: Preset to 3000K)

Color Rendering Index: 90+ CRI

Operating Temperature: -25°C to 40°C

Lifetime: >50,000 hours (L70)

Dimming: Triac (Leading Edge) or ELV (Trailing Edge)

Click Here or check complete dimmer list at www.NoraLighting.com in the “Compatibility” page under “Resources” tab

OPTIONAL ACCESSORIES

NELO-XR: Decorative ring to change the finish of luminaire. Available in 4", 6", 8" and 12" sizes in black or brushed nickel finish.

NSEM-6WDW: Surface mount enclosure with emergency driver and integral test switch for NELO-6RTWMPW.

NSEM-6NDW: Decorative surface mount enclosure without an emergency driver for NELO-6RTWMPW. Used to match the appearance of NSEM-6WDW.

LABELS AND LISTINGS

cETLus Listed for Wet Locations

FCC certified

5-Year Limited Warranty

Certified to the high efficacy requirements of California Title 24 JA8-2025

Suitable for use in closets when installed in accordance to NEC Section 410.16 (A)(1) and 410.16 (C)(1)

ELO LED Surface Mount Luminaire with Selectable CCT

Size / Lumens / Wattage / Finish

NELO-4RTWMPW = 4" ELO with Selectable CCT, 850lm / 12W, White Finish

NELO-6RTWMPW = 6" ELO with Selectable CCT, 1050lm / 15W, White Finish

NELO-8RTWMPW = 8" ELO with Selectable CCT, 1400lm / 18W, White Finish

NELO-12RTWMPW = 12" ELO with Selectable CCT, 1750lm / 24W, White Finish

Example: NELO-12RTWMPW = 12" ELO LED Surface Mount Luminaire with Selectable CCT, 1750lm / 24W, White finish

6505 Gayhart Street, Commerce, CA 90040 TEL 323.767.2600 | www.noralighting.com | e-mail: nora@noralighting.com © 2026 Nora Lighting, Inc. All rights reserved. Specifications subject to change without notice.

PRODUCT IMAGES & DIMENSIONS

Selectable CCT

Five position sliding switch 27K / 30K / 35K / 40K / 50K

Aperture

Diameter

Diameter: Aperture:

NELO-4RTW 5-1/2" 4-1/2"

NELO-6RTW 7" 6"

NELO-8RTW 8-7/8" 7-3/4"

NELO-12RTW 12-1/4 11"

NSEM-6WDW Surface Mount Enclosure with Emergency Driver for 6" only

Decorative Ring

Optional Accessories

Description Finish

NELO-4R = Decorative Ring for 4" ELO

NELO-6R = Decorative Ring for 6" ELO

NELO-8R = Decorative Ring for 8" ELO

NELO-12R = Decorative Ring for 12" ELO

NSEM-6WDW = Surface mount enclosure with Emergency Driver for 6"

NSEM-6NDW = Decorative enclosure without Emergency for 6"

AF><.

Stealth LED Linear Pendant

STHP Series

Features

Sleek contemporary styling linear pendant. Includes a 6 ft. adjustable cable. For use in kitchen, dining, foyers or anywhere general lighting is needed. Provides lighting in residential, commercial and hospitality applications. This fixture mounts to a standardjunction box (not included).

Construction

Full metal construction. Standard mounting holes and hardware are included. Power supply connections must be made inside ajunction box (not included).

Finish

Black or Satin Nickel.

Diffuser

White acrylic diffuser.

Electrical

D1 Driver

Direct wired with a constant current low voltage electronic LED driver rated at 120 VAC. The driver is dimmable with a 2-wire (Triac) or electronic low voltage (ELV) dimmer switch.

D2 Driver

Direct wired with a constant current low voltage electronic LED driver rated for 120-277 VAC. LED driver is dimmable 0-10V DC.

LED

Integrated LED modules capable of producing:

20W = 1200 delivered lumens

23W = 1475 delivered lumens

Adjustable CCT - 3000K/3500K/4000K

Rated for 50,000 Hrs. 90 CRI.

Certification

All fixtures are cETLus listed for indoor damp locations. Title 24/JAB Compliant.

Warranty

Limited warranty: This fixture is free from defects in materials and workmanship for a period of 5 years from date of purchase.

Specifications and dimensions subjectto change without notice.

Project CATCHLIGHT CROSS1NGS

Fixture Type� Selection by 10

location: Kitchen Island 3in

Ordering Information:

Black

P4524D P4536D P4548D Pendant

Features

Housing UP and Down Light

Finish Option: -06 White, -09 Silver, -22 Gold, -23 Light Gold, -30 Oil Rubbed Bronze Pendant Mount by 6 Feet Hanging cable Canopy Size: 18.1”L x 4.3”W x 1.0”H

Optical

Shade: High Transmission Acrylic Create Excellent Light Distribution and Uniformity LED: High Efficiency, High CRI, Binned and Mixed to Reach Uniform Light

Electrical

High Power Factor, Low THD

Lamp

LED Type: Built-in (Color Temperature Option – 3000K, 4000K)

Certifications

ETL/cETL Listed

Warranty

5 Years Warranty on Driver and LED Module

LED Type

~

Hanging Cable Length (H1): 6’, Adjustable

AF><.

Barlow LED Vanity BARV Series

Features

Decorative vanity with a frosted acrylic diffuser. Ideal use for general lighting in indoor residential, commercial, and hospitality applications. Fixture can be mounted horizontally or vertically to a 2" x 4" junction box (not included) or a 4" x 4" box (not included) with included cover plate (shown on SN*).

Construction

Fabricated metal housing. Standard mounting holes and hardware are included. Power supply connections must be made inside a junction box (not included).

Finish

Black, polished chrome, satin brass or satin nickel finish.

Diffuser

Frosted acrylic diffuser.

Electrical

Input 120 VAC 60 Hz.

Compatible with residential TRIAC and ELV dimmers.

LED

Integrated LED modules capable of producing:

18" - 20W = 1800 source lumens, 1000 delivered lumens 24" - 22W = 2600 source lumens, 1125 delivered lumens 36" - 30W = 3800 source lumens, 1634 delivered lumens 3000K (CCT). Rated for 50,000 Hrs., 90 CRI.

Certification

All fixtures are cETLus listed for indoor damp locations.

ADA

Title 24/JA8 Compliant

Warranty

Limited warranty: This fixture is free from defects in materials and workmanship for a period of 5 year from date of purchase.

Specifications and dimensions subjectto change without notice.

Ordering Information:

Project CATCHLIGHT

FOO.Ure Type: Seleetion by ID

Location: Vanity

Satin Nickel
*Shown with cover plate attached

Features

Housing

Die-formed Cold-rolled Steel

Finish Option: -30 Oil Rubbed Bronze, -05 Black, -06 White, -09 Silver

The Fixture Can be Mounted Vertically.

Angle Adjustable Linear Bar

Optical

Shade: High Transmission Acrylic Create Excellent Light Distribution and Uniformity LED: High Efficiency, High CRI, Binned and Mixed to Reach Uniform Light

Electrical

High Power Factor, Low THD

Lamp

LED Module: Multiple Color Temperature Type (MCT, Adjustable, 3000K/3500K/4000K)

Certification

ETL/cETL Listed, Damp Rated

Warranty

5 Years Warranty on Driver and LED Module

LED Type

S. Figueroa St., Gardena, CA90248 Fax: (310) 324-4020 change without notice.

www.sunparkelectronics.com

HELM BAY LANDING TYPE

Motor/Blade Finish SKU #

White | White Plywood Blades

- Motor | 148 X 15mm

- RPM: High 215 Low 70

- 4960 CFM | 22 W | Efficiency = 230 CFM / Watt

- 4.5" Downrod Included

Blade

- 3-Blade | 52" Sweep

- Material: Highly-Compressed Plywood

- 11° Pitch

Light Kit

- LED Light Board

- 22 W 2116 Lumens

- Dimming: 5 Levels of Dimming

- Color Temperature:

2700K Warm Light | 3500K Neutral Light | 4000K Cool Light

- Lens: Glass

Control

- Wall Control (Standard)

- Remote (Optional*)

- Pull Chain (Optional*)

Location

- Indoor / Outdoor (Damp Rated)

Certification

- ETL Listed

- Energy Star Certified

Warranty

- Fan Motor: Three-Year Limited Warranty

- LED Light Kit: Three-Year Limited Warranty

- Fan Blade: Three-Year Limited Warranty

- Other: Three-Year Limited Warranty

Measurements

- Dimensions (in.): 15.1 H (to lowest point) x 8.8 W (housing) x 11.1 H (top of blade)

- Product Weight (lbs.): 11.7 N.W. | 15.7 G.W.

- Box (in.): 24 L X 10.8 W X 12 H

Shipping

- Container Loading: 20GP 550 pcs | 40GP 1125 pcs |

SANTANA

3-Blade | 52" | Wall Control

DC MOTOR 120V

INTEGRATED LED LIGHT KIT

Dimensions

15.1" 8.8"11.1" Height (lowest point)

(housing)

(top of blade)

Fan Control Features and Options

- Simple and intuitive design with standard layout.

- Multi-functional fan speed control with fan forward/reverse, light brightness adjustment, and fan/light on/off.

- Hardwired Wall Control (Standard)

• Single Live Wire No Neutral Needed

• Push Button or Knob design available

- Remote (Optional*)

- Pull Chain (Optional*)

* Optional controls at an additional cost

Pro!ect CATCHLIGHT CROSSINGS

Fixture Type: ORE-161P-MB

location: Dining Room

8" Width/Length 16"

16"

2lbs

Body Material Metal

Finish/Color Black Type of Finish Painted

Light Qty 1 Light Base E26 Light Max Watt 100 Light Inc No

Second Finish/Color White Second Type of Finish Painted

Rated For Dry Location Voltage 120V

Approval cUL or equivalent Warranty 1Year Limited Install Position Ceiling Extension Length 72

Turn static files into dynamic content formats.

Create a flipbook
Helms Bay Landing Book REV2 by unionlightingusa - Issuu