STORE 2023 Ttake - La Morona

Page 1

TTOOLY TTOOLY TTOOLY TTOOLY PINZE S.r.l UTENSILERIA_MACCHINE UTENSILI FERRAMENTA_ANTINFORTUNISTICA
A Abbigliamento da lavoro 84 Abrasivi compatti 18 Abrasivi frese MD 17 Accessori per ambienti di lavoro 88 Aspiratori 71 Aspiratori industriali 72 Assorbenti industriali 66 - 69 Attrezzature per sollevamento 90 B Banchi da lavoro 54 Blu skin 95 C Calzature di sicurezza 80 Caricabatterie e avviatori 32 Carrelli e borse portautensili 51 Chimici spray 58 - 60 Compressori 34 D Distributori automatici 55 E Elettroutensili 35 F Fluidi da taglio 7 Frese a tazza 26 G Gruppi elettrogeni 31 I Idropulitrici 74 Igienizzazione 76 L Lame a nastro 15 Lubrificanti industriali 62 - 65 Lubrorefrigeranti 14 M Macchine multienergy 33 Molle a gas 16 Morse da banco 22 N Nastri adesivi e imballaggio 92 - 94 O Occhiali di sicurezza 82 P Pompe a pressione 61 Pulizia mani 78 R Ruote industriali 56 S Saldatura 28 - 30 Sistemi di bloccaggio 24 Strumenti di misura 20 T Torce 86 U Utensili da taglio a fissaggio meccanico 10 - 13 Utensili da taglio per asportazione truciolo 3 - 6; 8 Utensili manuali cesoie 48 Utensili manuali chiavi a T 53 Utensili manuali chiavi di manovra 42; 52 Utensili manuali forbici 49 Utensili manuali giratubi 43 Utensili manuali giraviti 40 Utensili manuali kit bussole e accessori 39 Utensili manuali martelli 50 Utensili manuali pinze 44 - 47 Utensili manuali varie 41 Utensili pneumatici 36 - 38 V Vasche lavapezzi 70

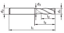
Frese in metallo duro standard TA1400 a 2 tagli per cave, rivestite Nano TiAlN, elica 30°.

Frese in metallo duro standard TA1407 a 4 tagli per finiture, rivestite Nano TiAlN, elica 30°.

3 S.r.l UTENSILERIA_MACCHINE UTENSILI FERRAMENTA_ANTINFORTUNISTICA HA VA 36° 7° 7° 38° 36° 38° 37° MK TiAlN Toll. h6 90° 120° HA VA 36° 7° 7° 38° 36° 38° 37° MK TiAlN Toll. h6 90° 120° HA VA 36° 7° 7° 38° 36° 38° 37° MK TiAlN Toll. h6 90° 120° HA VA 36° 7° 7° 38° 36° 38° 37° MK TiAlN Toll. h6 90° 120° VA 36° 7° 7° 38° 36° 38° 37° MK TiAlN Toll. h6 90° 120° VA 36° 7° 7° 38° 36° 38° 37° MK TiAlN Toll. h6 90° 120° 3xD 5xD DIN 1897 DIN 338 >10xD DIN 340 DIN 345 DIN 333 DIN 1269/1 DIN 1870/1 118° TiN NERO BLACK LUCIDO NON RIVESTITO R Toll. h8 DIN 6537K 140° Nano TiAIN M.D. UN Toll. m7 Toll. h10 HPC 4 45° Uncoated BRIGHT FINISH HSS HSS Co 3xD 5xD DIN 1897 DIN 338 >10xD DIN 340 DIN 345 DIN 333 DIN 1269/1 DIN 1870/1 118° TiN NERO BLACK LUCIDO NON RIVESTITO T-TiAIN R Toll. h8 DIN 6537K 140° UN Toll. m7 Toll. h10 HPC 4 45° Uncoated BRIGHT FINISH HSS HSS Co 2 3xD 5xD DIN 1897 DIN 338 >10xD DIN 340 DIN 345 DIN 333 DIN 1269/1 DIN 1870/1 118° TiN NERO BLACK LUCIDO NON RIVESTITO T-TiAIN R Toll. h8 DIN 6537K 140° UN Toll. m7 HPC 4 45° Uncoated BRIGHT FINISH HSS HSS Co Toll. e8 30° 9° 3xD 5xD DIN 1897 DIN 338 >10xD DIN 340 DIN 345 DIN 333 DIN 1269/1 DIN 1870/1 118° TiN NERO BLACK LUCIDO NON RIVESTITO T-TiAIN R Toll. h8 DIN 6537K 140° Nano TiAIN M.D. UN Toll. m7 Toll. h10 HPC 4 45° Uncoated BRIGHT FINISH HSS HSS Co 3xD 5xD DIN 1897 DIN 338 >10xD DIN 340 DIN 345 DIN 333 DIN 1269/1 DIN 1870/1 118° TiN NERO BLACK LUCIDO NON RIVESTITO T-TiAIN Toll. h8 DIN 6537K 140° Nano TiAIN M.D. UN Toll. h10 HPC 4 45° Uncoated BRIGHT FINISH HSS Co ST HA VA 36° 7° 7° 38° 36° 38° 37° MK TiAlN Toll. h6 90° 120° 3xD 5xD DIN 1897 DIN 338 >10xD DIN 340 DIN 345 DIN 333 DIN 1269/1 DIN 1870/1 118° TiN NERO BLACK LUCIDO NON RIVESTITO T-TiAIN R Toll. h8 DIN 6537K 140° Nano TiAIN M.D. UN Toll. m7 Toll. h10 HPC 4 45° Uncoated BRIGHT FINISH HSS HSS Co 4 3xD 5xD DIN 1897 DIN 338 >10xD DIN 340 DIN 345 DIN 333 DIN 1269/1 DIN 1870/1 118° TiN NERO BLACK LUCIDO NON RIVESTITO T-TiAIN R Toll. h8 DIN 6537K 140° Nano TiAIN M.D. UN Toll. m7 Toll. h10 HPC 4 45° Uncoated BRIGHT FINISH HSS HSS Co Toll. e8 30° 9° 3xD 5xD DIN 1897 DIN 338 >10xD DIN 340 DIN 345 DIN 333 DIN 1269/1 DIN 1870/1 118° TiN NERO BLACK LUCIDO NON RIVESTITO T-TiAIN R Toll. h8 DIN 6537K 140° Nano TiAIN M.D. UN Toll. m7 Toll. h10 HPC 4 45° Uncoated BRIGHT FINISH HSS HSS Co 3xD 5xD DIN 1897 DIN 338 >10xD DIN 340 DIN 345 DIN 333 DIN 1269/1 DIN 1870/1 118° TiN NERO BLACK LUCIDO NON RIVESTITO T-TiAIN R Toll. h8 DIN 6537K 140° Nano TiAIN M.D. UN Toll. m7 Toll. h10 HPC 4 45° Uncoated BRIGHT FINISH HSS HSS Co ST HA VA 36° 7° 7° 38° 36° 38° 37° MK TiAlN Toll. h6 90° 120° HA VA 36° 7° 7° 38° 36° 38° 37° MK TiAlN Toll. h6 90° 120° HA VA 36° 7° 7° 38° 36° 38° 37° MK TiAlN Toll. h6 90° 120° HA VA 36° 7° 7° 38° 36° 38° 37° MK TiAlN Toll. h6 90° 120° 3xD 5xD DIN 1897 DIN 338 >10xD DIN 340 DIN 345 DIN 333 DIN 1269/1 DIN 1870/1 118° TiN NERO BLACK LUCIDO NON RIVESTITO T-TiAIN R Toll. h8 DIN 6537K 140° Nano TiAIN M.D. UN Toll. m7 Toll. h10 HPC 4 45° Uncoated BRIGHT FINISH HSS HSS Co
Codice Listino € Netto € TA1400110100200 32,74 18,66 TA1400110100300 32,01 18,24 TA1400110100400 31,49 17,95 TA1400110100500 31,49 17,95 TA1400110100600 30,72 17,51 TA1400110100700 51,19 29,18 TA1400110100800 40,97 23,36 TA1400110100900 71,66 40,85 TA1400110101000 60,16 34,29 TA1400110101100 79,34 45,23 TA1400110101200 85,77 48,89 TA1400110101400 116,50 66,40 TA1400110101600 171,51 97,76 TA1400110101800 215,02 122,56 TA1400110102000 225,28 128,41 Codice Listino € Netto € TA1407110100200 23,29 13,27 TA1407110100300 23,29 13,27 TA1407110100400 25,61 14,60 TA1407110100500 25,61 14,60 TA1407110100600 41,46 23,63 TA1407110100700 33,54 19,12 TA1407110100800 58,87 33,56 TA1407110100900 55,05 31,38 TA1407110101000 85,77 48,89 TA1407110101100 122,89 70,05 TA1407110101200 111,35 63,47 TA1407110101400 148,47 84,63 TA1407110101600 189,44 107,98 TA1407110101800 250,89 143,01 TA1407110102000 296,97 169,27 d1/ e8 d2/ h6 l1 l2 l3 2 4 40 6 9,4 3 4 50 8 12,9 4 6 50 11 16,4 5 6 50 13 19,9 6 6 50 13 20 7 8 60 16 23,1 8 8 60 19 27 9 10 70 19 29,1 10 10 70 22 30 11 12 75 22 29,1 12 12 75 26 39 14 14 75 26 40 16 16 75 26 43 18 18 100 32 52 20 20 100 30 50 d1/ e8 d2/ h6 l1 l2 l3 2 2 32 8 10 3 3 38 12 15 4 4 40 12 16 5 5 50 15 20 6 6 57 16 21 7 8 60 16 23,9 8 8 68 22 32 9 10 70 22 38,4 10 10 72 25 32 11 12 83 26 27,6 12 12 83 28 38 14 14 83 28 38 16 16 92 35 44 18 18 92 35 44 20 20 104 40 54
Leggi il QR code per consultare i parametri di taglio e i consigli di utilizzo. Leggi il QR code per consultare i parametri di taglio e i consigli di utilizzo.
ASPORTAZIONE TRUCIOLO

Frese in metallo duro TA1422 e TA9998 ad alte prestazioni, passo differenziato, 3 taglienti, per cave ad alti avanzamenti.

ASPORTAZIONE TRUCIOLO

PER ACCIAI E ACCIAI INOX

PER ALLUMINIO

Leggi il QR code per consultare i parametri di taglio e i consigli di utilizzo.

Leggi il QR code per consultare i parametri di taglio e i consigli di utilizzo.

4 PREZZI IVA esclusa
HA VA 36° 7° 7° 38° 36° 38° 37° MK TiAlN Toll. h6 90° 120° 3xD 5xD DIN 1897 DIN 338 >10xD DIN 340 DIN 345 DIN 333 DIN 1269/1 DIN 1870/1 TiN NERO BLACK LUCIDO NON RIVESTITO T-TiAIN R Toll. h8 DIN 6537K 140° Nano TiAIN UN Toll. m7 Toll. h10 HPC 4 45° Uncoated BRIGHT FINISH HSS HSS Co 3 3xD 5xD DIN 1897 DIN 338 >10xD DIN 340 DIN 345 DIN 333 DIN 1269/1 DIN 1870/1 TiN NERO BLACK LUCIDO NON RIVESTITO T-TiAIN Toll. h8 DIN 6537K 140° Nano TiAIN M.D. UN Toll. m7 Toll. h10 HPC 45° Uncoated BRIGHT FINISH HSS Co Toll. e8 41° 43° 45° 7° 5xD DIN 338 >10xD DIN 340 DIN 345 DIN 333 DIN 1269/1 DIN 1870/1 118° TiN NERO BLACK LUCIDO NON RIVESTITO T-TiAIN R Toll. h8 DIN 6537K 140° Nano TiAIN M.D. UN Toll. m7 Toll. h10 HPC 4 45° Uncoated BRIGHT FINISH HSS HSS Co 5xD DIN 338 >10xD DIN 340 DIN 345 DIN 333 DIN 1269/1 DIN 1870/1 118° TiN NERO BLACK LUCIDO NON RIVESTITO T-TiAIN R Toll. h8 DIN 6537K 140° Nano TiAIN M.D. UN Toll. m7 Toll. h10 HPC 4 45° Uncoated BRIGHT FINISH HSS HSS Co 3xD 5xD DIN 1897 DIN 338 >10xD DIN 340 DIN 345 DIN 333 DIN 1269/1 DIN 1870/1 118° NERO BLACK LUCIDO NON RIVESTITO T-TiAIN R Toll. h8 DIN 6537K 140° Nano TiAIN M.D. UN Toll. m7 Toll. h10 HPC 4 45° Uncoated BRIGHT FINISH HSS HSS Co HP HA VA 36° 7° 7° 38° 36° 38° 37° MK TiAlN Toll. h6 90° 120° HA VA 36° 7° 7° 38° 36° 38° 37° MK TiAlN Toll. h6 90° 120° HA VA 36° 7° 7° 38° 36° 38° 37° MK TiAlN Toll. h6 90° 120° HA VA 36° 7° 7° 38° 36° 38° 37° MK TiAlN Toll. h6 90° 120° HA VA 36° 7° 7° 38° 36° 38° 37° MK TiAlN Toll. h6 90° 120° HA VA 36° 7° 7° 38° 36° 38° 37° MK TiAlN Toll. h6 90° 120° 5xD DIN 338 >10xD DIN 340 DIN 345 DIN 333 DIN 1269/1 DIN 1870/1 118° NERO BLACK LUCIDO NON RIVESTITO T-TiAIN R DIN 6537K 140° Nano TiAIN M.D. Toll. m7 Toll. h10 HPC 4 45° Uncoated BRIGHT FINISH HSS HSS Co 3 3xD 5xD DIN 1897 DIN 338 >10xD DIN 340 DIN 345 DIN 333 DIN 1269/1 DIN 1870/1 TiN NERO BLACK LUCIDO NON RIVESTITO T-TiAIN Toll. h8 DIN 6537K Nano TiAIN M.D. UN Toll. m7 HPC 45° Uncoated BRIGHT FINISH HSS Co Toll. e8 LAPPATURA fine fine LAPPED 39° 40° 41° 10° 3xD 5xD DIN 338 >10xD DIN 340 DIN 345 DIN 333 DIN 1269/1 DIN 1870/1 118° NERO BLACK LUCIDO NON RIVESTITO T-TiAIN R DIN 6537K 140° Nano TiAIN M.D. UN Toll. m7 Toll. h10 HPC 4 45° Uncoated BRIGHT FINISH HSS HSS Co 3xD 5xD DIN 1897 DIN 338 >10xD DIN 340 DIN 345 DIN 333 DIN 1269/1 DIN 1870/1 118° NERO BLACK LUCIDO NON RIVESTITO R Toll. h8 DIN 6537K 140° Nano TiAIN UN Toll. m7 Toll. h10 HPC 4 45° Uncoated BRIGHT FINISH HSS HSS Co HP ALU HA VA 36° 7° 7° 38° 36° 38° 37° MK TiAlN Toll. h6 90° 120° HA VA 36° 7° 7° 38° 36° 38° 37° MK TiAlN Toll. h6 90° 120° HA VA 36° 7° 7° 38° 36° 38° 37° MK TiAlN Toll. h6 90° 120° HA VA 36° 7° 7° 38° 36° 38° 37° MK TiAlN Toll. h6 90° 120° HA VA 36° 7° 7° 38° 36° 38° 37° MK TiAlN Toll. h6 90° 120° HA VA 36° 7° 7° 38° 36° 38° 37° MK TiAlN Toll. h6 90° 120°
Codice Listino € Netto € TA1422110100300 32,11 18,30 TA1422110100400 32,11 18,30 TA1422110100500 32,11 18,30 TA1422110100600 41,95 23,91 TA1422110100800 59,88 34,13 TA1422110100900 77,15 43,98 TA1422110101000 89,49 51,01 TA1422110101200 115,24 65,69 TA1422110101600 200,01 114,01 TA1422110102000 317,23 180,82 Codice Listino € Netto € TA9998110700300 35,80 20,40 TA9998110700400 35,80 20,40 TA9998110700500 35,80 20,40 TA9998110700600 35,80 20,40 TA9998110700800 46,92 26,74 - -TA9998110701000 67,77 38,63 TA9998110701200 95,57 54,48 TA9998110701600 161,61 92,12 TA9998110702000 260,65 148,57 d1 d2 l1 l2 l3 3,00 6,00 57 8 15 4,00 6,00 57 11 18 5,00 6,00 57 13 18 6,00 6,00 57 13 21 8,00 8,00 63 19 27 9,00 10,00 72 19 32 10,00 10,00 72 22 32 12,00 12,00 83 26 38 16,00 16,00 92 32 42 20,00 20,00 104 38 52

Punta a gradino TA1059, PM-HSS, DIN338, per trapani. Foro passante, superficie nitrurata, 3 codoli piatti. Foratura rapida, meno bava all’uscita del foro, non servono pre-fori, possibilità di forare anche su superfici tonde. Ideale per la foratura di lamiere. Ottime prestazioni anche su grandi diametri.

Serie punte a gradino TA1059, in cassetta metallica.

5 S.r.l UTENSILERIA_MACCHINE UTENSILI FERRAMENTA_ANTINFORTUNISTICA ASPORTAZIONE TRUCIOLO
Codice Ø (mm) Listino € Netto € TA1059090100100 1 2,95 1,77 TA1059090100150 1,5 2,95 1,77 TA1059090100200 2 3,13 1,88 TA1059090100250 2,5 3,47 2,08 TA1059090100300 3 3,73 2,24 TA1059090100320 3,2 3,65 2,19 TA1059090100330 3,3 3,73 2,24 TA1059090100350 3,5 3,82 2,29 TA1059090100400 4 4,25 2,55 TA1059090100410 4,1 4,51 2,71 TA1059090100420 4,2 4,51 2,71 TA1059090100450 4,5 4,60 2,76 TA1059090100490 4,9 4,86 2,92 TA1059090100500 5 5,56 3,33 TA1059090100510 5,1 6,16 3,70 TA1059090100520 5,2 6,16 3,70 TA1059090100550 5,5 6,42 3,85 Codice Composizione Ø (mm) Q.tà Listino € Netto € TA10590901KIT01 1-10 x 0,5 19 pz 157,54 94,52 TA10590901KIT02 1-13 x 0,5 25 pz 295,14 177,08 Codice Ø (mm) Listino € Netto € TA1059090100600 6 7,29 4,38 TA1059090100650 6,5 7,90 4,74 TA1059090100680 6,8 8,33 5,00 TA1059090100700 7 8,42 5,05 TA1059090100750 7,5 9,45 5,67 TA1059090100800 8 10,76 6,46 TA1059090100850 8,5 11,11 6,67 TA1059090100900 9 12,50 7,50 TA1059090100950 9,5 13,02 7,81 TA1059090101000 10 15,37 9,22 TA1059090101020 10,2 16,49 9,90 TA1059090101050 10,5 16,84 10,11 TA1059090101100 11 19,53 11,72 TA1059090101150 11,5 20,14 12,08 TA1059090101200 12 22,83 13,70 TA1059090101250 12,5 25,96 15,57 TA1059090101300 13 26,74 16,04 NEW

Serie di punte in HSS TA1055, serie corta, DIN 338, in cassetta metallica. Serie di punte elicoidali in HSS-Co TA1057, con affilatura autocentrante, serie corta, DIN 338, in cassetta di plastica.

Serie di punte in HSS TA1070, lucide, serie corta, DIN 338 Premium, rivestite TiN, 5xD, in cassetta metallica.

Serie di 6 svasatori a 90° TA1230, a 3 taglienti, in HSS, DIN 335C, non rivestiti, codolo cilindrico. Composto da 1 pz. per tipo Ø 8,3 – 10,4 – 12,4 – 16,5 – 20,5 – 25.

6 PREZZI IVA esclusa ASPORTAZIONE TRUCIOLO
Codice Dimensioni Q.tà punte Listino € Netto € TA10550909KIT01 Ø 1-10 x 0,5 mm 19 106,39 58,51 TA10550909KIT02 Ø 1-13 x 0,5 mm 25 212,81 117,05 Codice Dimensioni Q.tà punte Listino € Netto € TA10700709KIT01 Ø 1-10 x 0,5 mm 19 153,47 84,41 TA10700709KIT02 Ø 1-13 x 0,5 mm 25 295,47 162,51 Codice Listino € Netto € TA12301409KIT01 195,31 107,42 Codice Dimensioni Q.tà punte Listino € Netto € TA10570901KIT01 Ø 1-10 x 0,5 mm 19 143,20 78,76 TA10570901KIT02 Ø 1-13 x 0,5 mm 25 278,74 153,31 HSS-Co SENZA rivestimento rivestite TiN

TAGLIO TOP, fluido da taglio intero fortemente additivato EP, indicato per la filettatura dei materiali più tenaci: metalli ferrosi, acciai temprati e inox, superleghe.

TOOL VEGA, fluido da taglio intero a base di esteri sintetici, additivato EP, ideale per la filettatura di metalli ferrosi e non, acciai generici e alluminio.

TAGLIO UNI, fluido da taglio universale per operazioni di filettatura e maschiatura, utilizzabile su tutti i tipi di materiali; formato 400 ml.

TAGLIO PLUS, olio denso da utilizzare per l’esecuzione di forature, filettature e maschiature in manuale. Appositamente sviluppato per tutti i metalli ferrosi, consente di svolgere operazioni manuali anche estremamente gravose nelle quali sia richiesto un film di lubrificazione ad elevata viscosità, fortemente tenace, privo di olio minerale e con forte additivazione E.P., sia sintetica che zolfo attiva.

7 S.r.l UTENSILERIA_MACCHINE UTENSILI FERRAMENTA_ANTINFORTUNISTICA
Codice Formato Listino € Netto € CH7990110100500 500 ml 16,70 13,86 CH7990110105000 5 lt 102,29 84,90 Codice Formato Listino € Netto € CH7990110101001 1 kg 32,61 27,07 CH7990110101005 5 kg 147,69 122,58 Codice Formato Listino € Netto € CH7950110100500 500 ml 20,45 16,98 CH7950110105000 5 lt 102,97 85,46 Codice Listino € Netto € CH7900110100000 8,47 7,03 IDEALE PER ACCIAIO INOX PER OPERAZIONI MANUALI GRAVOSE FLUIDI TAGLIO

Maschi a macchina, per fori passanti, tolleranza 6H, per filettatura metrica ISO destra.

Leggi il QR code per consultare i parametri di taglio e i consigli di utilizzo.

Leggi il QR code per consultare i parametri di taglio e i consigli di utilizzo.

Leggi il QR code per consultare i parametri di taglio e i consigli di utilizzo.

Leggi il QR code per consultare i parametri di taglio e i consigli di utilizzo.

8 PREZZI IVA esclusa
M U ISO 2 6H HSS-E VAP 60° DIN 371 Form B M U ISO 2 6H HSS-E VAP 60° DIN 371 Form B M U ISO 2 6H HSS-E VAP 60° DIN 371 Form B M U ISO 2 6H HSS-E VAP 60° DIN 371 Form B M U ISO 2 6H HSS-E VAP 60° DIN 371 Form B M U ISO 2 6H HSS-E VAP 60° DIN 371 Form B M U ISO 2 6H HSS-E VAP 60° DIN 371 Form B M U ISO 2 6H HSS-E VAP 60° DIN 371 Form B M U ISO 2 6H HSS-E VAP 60° DIN 371 Form B M U ISO 2 6H HSS-E VAP 60° DIN 371 Form B M U ISO 2 6H VAP M U ISO 2 6H HSS-E VAP 60° DIN 371 Form B M U ISO 2 6H HSS-E VAP 60° DIN 371 Form B M U ISO 2 6H HSS-E VAP 60° DIN 371 Form B M U ISO 2 6H HSS-E VAP 60° DIN 371 Form B M U ISO 2 6H HSS-E VAP 60° DIN 371 Form B VA DIN 376 DIN 376
ASPORTAZIONE TRUCIOLO
Codice Listino € Netto € TA1100130300300 15,60 8,58 TA1100130300400 15,95 8,77 TA1100130300500 15,95 8,77 TA1100130300600 16,16 8,89 TA1100130300800 18,80 10,34 TA1100130301000 22,45 12,35 Codice Listino € Netto € TA1101130301200 33,50 18,43 TA1101130301400 49,42 27,18 TA1101130301600 49,42 27,18 TA1101130301800 137,45 75,60 TA1101130302000 78,75 43,31 TA1101130302200 178,57 98,21 TA1101130302400 182,08 100,14 TA1101130302700 227,88 125,33 TA1101130303000 291,31 160,22 Codice Listino € Netto € TA1454130900300 28,89 15,89 TA1454130900400 28,89 15,89 TA1454130900500 30,16 16,59 TA1454130900600 30,16 16,59 TA1454130900800 38,72 21,30 TA1454130901000 46,74 25,71 Codice Listino € Netto € TA1455130901200 62,45 34,35 TA1455130901400 99,87 54,93 TA1455130901600 95,71 52,64 TA1455130901800 152,13 83,67 TA1455130902000 146,67 80,67 TA1455130902200 172,50 94,87 TA1455130902400 199,33 109,63 - -- -Ø Passo l1 l2 d2 Q Pr. M3 0,50 56 11 3,5 2,7 2,5 M4 0,70 63 13 4,5 3,4 3,3 M5 0,80 70 15 6,0 4,9 4,2 M6 1,00 80 17 6,0 4,9 5,0 M8 1,25 90 20 8,0 6,2 6,8 M10 1,50 100 22 10,0 8,0 8,5 Ø Passo l1 l2 d2 Q Pr. M12 1,75 110 24 9 7 10,2 M14 2,00 110 26 11 9 12,0 M16 2,00 110 27 12 9 14,0 M18 2,50 125 30 14 11 15,5 M20 2,50 140 32 16 12 17,5 M22 2,50 140 32 18 14,5 19,5 M24 3,00 160 36 18 14,5 21,0 M27 3,00 160 36 20 16 24,0 M30 3,50 180 40 22 18 26,5

ASPORTAZIONE TRUCIOLO

Maschi a macchina, elica 40°, per fori ciechi, tolleranza 6H, rastremati, per filettatura metrica ISO destra.

Leggi il QR code per consultare i parametri di taglio e i consigli di utilizzo.

Leggi il QR code per consultare i parametri di taglio e i consigli di utilizzo.

Leggi il QR code per consultare i parametri di taglio e i consigli di utilizzo.

Leggi il QR code per consultare i parametri di taglio e i consigli di utilizzo.

9 S.r.l
UTENSILERIA_MACCHINE UTENSILI FERRAMENTA_ANTINFORTUNISTICA
M U ISO 2 6H HSS-E VAP 60° DIN 371 Form B M U ISO 2 6H HSS-E VAP 60° DIN 371 Form B M U ISO 2 6H HSS-E VAP 60° DIN 371 Form B M U ISO 2 6H HSS-E VAP 60° DIN 371 Form B M U ISO 2 6H HSS-E VAP 60° DIN 371 Form B M U ISO 2 6H HSS-E VAP 60° DIN 371 Form B 40° Form C 3xD 5xD DIN 1897 DIN 338 >10xD DIN 340 DIN 345 DIN 333 DIN 1269/1 DIN 1870/1 118° TiN NERO BLACK LUCIDO NON RIVESTITO T-TiAIN R Toll. h8 DIN 6537K 140° Nano TiAIN M.D. UN Toll. m7 Toll. h10 HPC 4 45° Uncoated BRIGHT FINISH HSS HSS Co DIN 376 M U ISO 2 6H HSS-E VAP 60° DIN 371 Form B M U ISO 2 6H HSS-E VAP 60° DIN 371 Form B M U ISO 2 6H HSS-E VAP 60° DIN 371 Form B M U ISO 2 6H HSS-E VAP 60° DIN 371 Form B M U ISO 2 6H HSS-E VAP 60° DIN 371 Form B 3xD 5xD DIN 1897 DIN 338 >10xD DIN 340 DIN 345 DIN 333 DIN 1269/1 DIN 1870/1 118° TiN NERO BLACK LUCIDO NON RIVESTITO T-TiAIN R Toll. h8 DIN 6537K 140° Nano TiAIN M.D. UN Toll. m7 Toll. h10 HPC 4 45° Uncoated BRIGHT FINISH HSS HSS Co Form C 40° VA M U ISO 2 6H HSS-E VAP 60° DIN 371 Form B M U ISO 2 6H HSS-E VAP 60° DIN 371 Form B M U ISO 2 6H HSS-E VAP 60° DIN 371 Form B M U ISO 2 6H HSS-E VAP 60° DIN 371 Form B M U ISO 2 6H HSS-E VAP 60° DIN 371 Form B M U ISO 2 6H HSS-E VAP 60° DIN 371 Form B M U ISO 2 6H HSS-E VAP 60° DIN 371 Form B 40° Form C 3xD 5xD DIN 1897 DIN 338 >10xD DIN 340 DIN 345 DIN 333 DIN 1269/1 DIN 1870/1 118° TiN NERO BLACK LUCIDO NON RIVESTITO T-TiAIN R Toll. h8 DIN 6537K 140° Nano TiAIN M.D. UN Toll. m7 Toll. h10 HPC 4 45° Uncoated BRIGHT FINISH HSS HSS Co M U ISO 2 6H HSS-E VAP 60° DIN 371 Form B M U ISO 2 6H HSS-E VAP 60° DIN 371 Form B M U ISO 2 6H HSS-E VAP 60° DIN 371 Form B M U ISO 2 6H HSS-E VAP 60° DIN 371 Form B Form C 3xD 5xD DIN 1897 DIN 338 >10xD DIN 340 DIN 345 DIN 333 DIN 1269/1 DIN 1870/1 118° TiN NERO BLACK LUCIDO NON RIVESTITO T-TiAIN R Toll. h8 DIN 6537K 140° Nano TiAIN M.D. UN Toll. m7 Toll. h10 HPC 4 45° Uncoated BRIGHT FINISH HSS HSS Co DIN 376 40° M U ISO 2 6H HSS-E VAP 60° DIN 371 Form B VA M U ISO 2 6H HSS-E VAP 60° DIN 371 Form B
Codice Listino € Netto € TA1140130300300 19,46 11,68 TA1140130300400 19,46 11,68 TA1140130300500 20,47 12,28 TA1140130300600 21,13 12,68 TA1140130300800 24,78 14,87 TA1140130301000 28,50 17,10 Codice Listino € Netto € TA1141130301200 32,49 19,50 TA1141130301400 91,19 54,72 TA1141130301600 47,75 28,65 TA1141130301800 139,36 83,62 TA1141130302000 72,05 43,23 TA1141130302200 234,35 140,61 TA1141130302400 192,54 115,52 TA1141130302700 283,77 170,26 TA1141130303000 342,05 205,23 Codice Listino € Netto € TA1464130900300 28,89 16,47 TA1464130900400 28,89 16,47 TA1464130900500 30,16 17,19 TA1464130900600 30,16 17,19 TA1464130900800 38,79 22,11 TA1464130901000 46,88 26,72 Codice Listino € Netto € TA1465130901200 62,45 35,60 TA1465130901400 69,24 39,47 TA1465130901600 95,97 54,70 TA1465130901800 127,32 72,57 TA1465130902000 146,67 83,60 TA1465130902200 180,73 103,02 TA1465130902400 210,86 120,19 - -- -Ø Passo l1 l2 d2 Q Pr. M3 0,50 56 11 3,5 2,7 2,5 M4 0,70 63 13 4,5 3,4 3,3 M5 0,80 70 15 6,0 4,9 4,2 M6 1,00 80 17 6,0 4,9 5,0 M8 1,25 90 20 8,0 6,2 6,8 M10 1,50 100 22 10,0 8,0 8,5 Ø Passo l1 l2 d2 Q Pr. M12 1,75 110 24 9 7 10,2 M14 2,00 110 26 11 9 12,0 M16 2,00 110 27 12 9 14,0 M18 2,50 125 30 14 11 15,5 M20 2,50 140 32 16 12 17,5 M22 2,50 140 32 18 14,5 19,5 M24 3,00 160 36 18 14,5 21,0 M27 3,00 160 36 20 16 24,0 M30 3,50 180 40 22 18 26,5

Utensile di tornitura esterna PDJN R/L TA5020, ad inserti negativi, con bloccaggio a leva tipo P, stelo in acciaio.

Utensile di tornitura esterna PCLN R/L TA5011, ad inserti negativi, con bloccaggio a leva tipo P, stelo in acciaio.

Utensile di tornitura interna A..PDUN R/L TA6020, ad inserti negativi, con lubrificazione interna, bloccaggio a leva tipo P, stelo in acciaio.

Utensile di tornitura interna A..PCLN R/L TA6010, ad inserti negativi, con lubrificazione interna, bloccaggio a leva tipo P, stelo in acciaio.

10 PREZZI IVA esclusa UTENSILI DA TAGLIO A FISSAGGIO MECCANICO
30° max Codice ISO h = h1 b Listino € Netto € TA50200108R/L1611 PDJN R/L 1616 H11 16 16 197,61 114,61 TA50200108R/L2011 PDJN R/L 2020 K11 20 20 209,02 121,23 TA50200108R/L2015 PDJN R/L 2020 K15 20 20 190,57 110,53 TA50200108R/L2511 PDJN R/L 2525 M11 25 25 192,66 111,74 TA50200108R/L2515 PDJN R/L 2525 M15 25 25 192,66 111,74 TA50200108R/L3215 PDJN R/L 3232 P15 32 32 251,81 146,05 Codice ISO ØDmin Ød Listino € Netto € TA60200108R/L2011 A20Q PDUN R/L 11 27 120 404,53 234,63 TA60200108R/L2511 A25R PDUN R/L 11 32 25 449,04 260,44 TA60200108R/L3211 A32S PDUN R/L 11 40 32 533,67 309,53 TA60200108R/L3215 A32S PDUN R/L 15 40 32 474,71 275,33 TA60200108R/L4015 A40T PDUN R/L 15 50 40 575,71 333,91 TA60200108R/L5015 A50U PDUN R/L 15 63 50 848,44 492,09 Codice ISO h = h1 b Listino € Netto € TA50110108R/L2012 PCLN R/L 2020 K12 20 20 171,36 99,39 TA50110108R/L2512 PCLN R/L 2525 M12 25 25 178,78 103,69 TA50110108R/L2516 PCLN R/L 2525 M16 25 25 185,82 107,77 TA50110108R/L2519 PCLN R/L 2525 M19 25 25 185,82 107,77 TA50110108R/L3212 PCLN R/L 3232 P12 32 32 235,27 136,45 TA50110108R/L3216 PCLN R/L 3232 P16 32 32 235,27 136,45 TA50110108R/L3219 PCLN R/L 3232 P19 32 32 235,27 136,45 TA50110108R/L4019 PCLN R/L 4040 S19 40 40 357,37 207,27 Codice ISO ØDmin Ød Listino € Netto € TA60100108R/L2512 A25R PCLN R/L 12 32 25 361,74 209,81 TA60100108R/L3212 A32S PCLN R/L 12 40 32 432,87 251,07 TA60100108R/L4012 A40T PCLN R/L 12 50 40 519,22 301,15 TA60100108R/L4016 A40T PCLN R/L 16 50 40 575,71 333,91 TA60100108R/L5012 A50U PCLN R/L 12 63 50 775,40 449,73 TA60100108R/L5016 A50U PCLN R/L 16 63 50 806,22 467,60 TA60100108R/L5019 A50U PCLN R/L 19 63 50 848,44 492,09

Inserto di tornitura negativa CNMG…SM TT120/TT130; rompitruciolo per sgrossature ad alte profondità di taglio e alti avanzamenti; adatto anche per lavorazioni con taglio interrotto; TT120 qualità specifica per la lavorazione di acciai e acciai bonificati, per taglio continuo medio ad alte velocità; TT130 qualità specifica per sgrossatura, taglio interrotto e medie lavorazioni di acciai e acciai inox.

rompitruciolo specifico per acciaio inox e super leghe con taglio dolce e bassi sforzi di taglio; TT230 qualità specifica per lavorazioni di acciaio inox a media velocità, utilizzabile anche su super leghe; eccellenti prestazioni per lavorazioni nelle lavorazioni a bassa velocità.

Inserto di tornitura negativa CNMG…MM TT120; rompitruciolo per medie lavorazioni con ottimo controllo del truciolo; TT120 qualità specifica per la lavorazione di acciai e acciai bonificati, per taglio continuo medio ad alte velocità

Inserto di tornitura negativa CNMG…MX TT230; rompitruciolo specifico per acciaio inox e super leghe con taglio dolce e bassi sforzi di taglio; TT230 qualità specifica per lavorazioni di acciaio inox a media velocità, utilizzabile anche su super leghe; eccellenti prestazioni per lavorazioni nelle lavorazioni a bassa velocità.

Inserto di tornitura negativa DNMG…MM TT120 / TT130; rompitruciolo per medie lavorazioni con ottimo controllo del truciolo; TT120 qualità specifica per taglio continuo di acciai e acciai bonificati a velocità di taglio medio alte; TT130 qualità sepcifica per sgrossatura, taglio interrotto e medie lavorazioni di acciai e acciai inox.

11 S.r.l UTENSILERIA_MACCHINE UTENSILI FERRAMENTA_ANTINFORTUNISTICA UTENSILI DA TAGLIO A FISSAGGIO MECCANICO
Codice Inserto Qualità Listino € Netto € TA1999080900004 CNMG 120408 SM TT120 15,92 9,08 TA1999080900005 CNMG 120412 SM TT120 15,92 9,08 TA1999080900008 CNMG 160612 SM TT120 25,42 14,49 TA1999080900009 CNMG 160616 SM TT120 25,42 14,49 TA1999080900011 CNMG 190612 SM TT120 35,45 20,20 TA1999080900012 CNMG 190616 SM TT120 35,45 20,20 TA1999080900014 CNMG 120408 SM TT130 15,92 9,08 TA1999080900015 CNMG 120412 SM TT130 15,92 9,08 TA1999080900017 CNMG 160612 SM TT130 25,42 14,49 TA1999080900018 CNMG 160616 SM TT130 25,42 14,49 TA1999080900019 CNMG 190612 SM TT130 35,45 20,20 TA1999080900020 CNMG 190616 SM TT130 35,45 20,20 Codice Inserto Qualità Listino € Netto € TA1999080900027 CNMG 120404 MM TT120 15,92 9,08 TA1999080900028 CNMG 120408 MM TT120 15,92 9,08 TA1999080900030 CNMG 160608 MM TT120 25,42 14,49 TA1999080900031 CNMG 160612 MM TT120 25,42 14,49 Codice Inserto Qualità Listino € Netto € TA1999080900092 DNMG 150604 MM TT120 17,23 9,82 TA1999080900093 DNMG 150608 MM TT120 17,23 9,82 TA1999080900094 DNMG 150612 MM TT120 17,23 9,82 TA1999080900095 DNMG 150608 MM TT130 17,23 9,82 Codice Inserto Qualità Listino € Netto € TA1999080900106 DNMG 150608 MX TT235 17,23 9,82 Codice Inserto Qualità Listino € Netto € TA1999080900064 CNMG 120408 MX TT230 15,92 9,08 Inserto di tornitura negativa DNMG…MX TT230;

Fresa a manicotto superpositiva TA4513, per spianature a 45°, con fori di refrigerazione; universale per la lavorazione di tutti i tipi di materiali; adatta all’utilizzo degli inserti SE.. 13T3..

Inserto SEHT 13T3 AGFN AL TF10, rettificato e lappato per la lavorazione di alluminio, leghe di alluminio e rame

Inserto SEKT 13T3 AGSN SM TF525, adatto alla lavorazione di acciai, acciai bonificati e legati a velocità di taglio medio-alte

Inserto SEKT 13T3 AGSN SM TF140, adatto alla lavorazione di acciai, acciai inox a velocità di taglio medio-basse; prima scelta per lavorazioni instabili

12 PREZZI IVA esclusa
Codice Dimensioni Listino € Netto € TA45130604M0500 Ø 50, 4 denti, attacco d.22 299,30 179,58 TA45130604M0630 Ø 63, 5 denti, attacco d.22 353,04 211,82 TA45130604M0800 Ø 80, 6 denti, attacco d.27 422,84 253,70 TA45130604M1000 Ø 100, 7 denti, attacco d.32 499,90 299,94 TA45130604M1250 Ø 125, 8 denti, attacco d.40 584,06 350,44 TA45130604M1600 * Ø 160, 10 denti, attacco d.40 1071,29 642,77 Codice Dimensioni Listino € Netto € TA45130604F0500 Ø 50, 5 denti, attacco d.22 365,55 219,33 TA45130604F0630 Ø 63, 6 denti, attacco d.22 438,89 263,34 TA45130604F0800 Ø 80, 8 denti, attacco d.27 521,37 312,82 TA45130604F1000 Ø 100, 10 denti, attacco d.32 619,89 371,94 TA45130604F1250 Ø 125, 12 denti, attacco d.40 727,38 436,43 TA45130604F1600 * Ø 160, 16 denti, attacco d.40 1338,31 802,99
UTENSILI DA TAGLIO A FISSAGGIO MECCANICO
*SENZA
Codice Listino € Netto € TA1999080900573 22,47 12,81 Codice Listino € Netto € TA1999080900571 22,47 12,81 Codice Listino € Netto € TA1999080900565 19,98 11,39
*SENZA FORI DI REFRIGERAZIONE
FORI DI REFRIGERAZIONE
FRESE PASSO STANDARD FRESE PASSO FINE Leggi il QR code per consultare i parametri di taglio e i consigli di utilizzo. Leggi il QR code per consultare i parametri di taglio e i consigli di utilizzo.

Inserti di fresatura SPMT…, generici, adatti a lavorazioni di acciaio, acciaio inox e ghisa.

Inserti di fresatura SPGT…, specifici per lavorazioni di alluminio.

13 S.r.l UTENSILERIA_MACCHINE UTENSILI FERRAMENTA_ANTINFORTUNISTICA
DA TAGLIO A FISSAGGIO MECCANICO
UTENSILI
Fresa per spallamenti retti 89,50° TA9409, con fori di refrigerazione, 4 taglienti utili, inserto SP...09.. altezza 9mm. Fresa per spallamenti retti 89,50° TA9406, con fori di refrigerazione, 4 taglienti utili, inserto SP...06... altezza 6mm.
Codice D Gambo Denti Listino € Netto € TA94060406W1006 Ø10 16 1 116,44 69,86 TA94060406W1206 Ø12 16 1 116,44 69,86 TA94060406W1606 Ø16 16 2 154,13 92,48 TA94060406W2006 Ø20 20 3 200,77 120,46 TA94060406W2506 Ø25 25 4 243,70 146,22 TA94060406W3206 Ø32 32 5 275,98 165,59 Codice D Manicotto Denti Listino € Netto € TA94090406M4009 Ø40 16 4 270,57 162,34 TA94090406M5009 Ø50 22 5 299,30 179,58 TA94090406M6309 Ø63 22 6 338,68 203,21 TA94090406M8009 Ø80 27 7 365,55 219,33 TA94090406M1009 Ø100 32 8 458,67 275,20 Codice ISO Qualità Listino € Netto € TA1999080500987 SPMT 060304 SM TF525 14,79 9,32 TA1999080500988 SPMT 09T308 SM TF525 18,88 11,90 Codice ISO Qualità Listino € Netto € TA1999080500990 SPGT 060304 AL TF10 28,33 17,85 TA1999080500991 SPGT 09T308 AL TF10 30,29 19,08
PER ALLUMINIO

LUB DET, detergente per vasche di macchine utensili; favorisce le operazioni di lavaggio e sanitizzazione delle vasche e dei circuiti delle macchine utensili, consentendo di ridurre al minimo il carico microbiologico residuo; da utilizzare prima della sostituzione dei fluidi lubrorefrigeranti; formato 30 kg.

LUB KLEAN, alghicida, microbicida, funghicida. Specifico per decontaminare le emulsioni e le acque degradate, oltre che per prevenire il loro inquinamento da microflora batterica e muffe. Viene impiegato principalmente per le operazioni di lavaggio e sanitizzazione, che consentono di ridurre al minimo il carico microbiologico residuo; tale operazioni possono essere eseguite senza interrompere il ciclo produttivo. Formato 5 kg.

LUB THREE, fluido lubrorefrigerante solubile esente da dietanolammina, dall’aspetto opalescente. Idoneo per lavorazioni di asportazione truciolo da medio gravose a gravose e rettifica. Indice rifrattometrico pari a 2,0.

LUB NO-SCHIUMA, antischiuma siliconico; abbatte la schiuma nei lubrorefrigeranti e nelle soluzioni alcaline e forma un sottilissimo film antiadesivo e scivolante su qualunque tipo di superficie; per la sua particolare composizione, si disperde finemente nelle soluzioni acquose, interferendo nella formazione delle schiume. Viene impiegato specificatamente nell’industria meccanica ed elettromeccanica per il trattamento delle emulsioni e delle soluzioni alcaline o come distaccante e scivolante; formato 5 kg.

Rifrattometro per il controllo della concentrazione delle emulsioni lubrorefrigeranti; scala di misura 0-32%, precisione ±0,2%, dimensioni 30x40x160 mm.

Miscelatore volumetrico automatico per fluidi di processo. Garantisce una corretta miscelazione di lubrorefrigeranti e liquidi detergenti; adatto a tutte le lavorazioni meccaniche di asportazione truciolo con centri di lavoro, torni CNC, ecc. Valori di dosaggio: da 1% a 10%.

14 PREZZI IVA esclusa
Codice Listino € Netto € CH7505100100030 254,81 178,37 LAVAGGIO VASCHE ANTI BATTERICO Codice Listino € Netto € CH7501100100005 206,66 144,66
Codice Listino € Netto € CH5000140600001 178,53 103,60 Codice Listino € Netto € CH5110140700001 1.357,00 854,00 NEW Codice Listino € Netto € CH7504100100005 128,44 89,90 Codice Formato Listino € Netto € CH7003090100005 5 lt 53,57 37,50 CH7003090100030 30 lt 299,95 209,00
ANTI SCHIUMA
ESENTI DA BORO E BATTERICIDI DONATORI DI FORMALDEIDE
LUBROREFRIGERANTI

LAME BIFLEX M42 per segatrici a nastro. Lame in bi-metallo caratterizzate da una buona flessibilità del dorso ed un’elevata resistenza all’usura del dente in acciaio super rapido. Ottime prestazioni, per impieghi generici.

LAME BIMETALLICHE FLEX M42

Lame bimetalliche FLEX M42 per segatrici a nastro, ideali per tagli di piccole o medie sezioni sia piene che interrotte di: acciai da costruzione, acciai medio legati, acciai al carbonio; acciai da bonifica, acciai da lavorazione, acciai inossidabili; materiali non ferrosi; ghise, rame, ottone; particolarmente indicate per seghetti a nastro manuali; 27x0,90 mm.

LAME BIMETALLICHE TOP M42

Lame per segatrici a nastro con corpo in acciaio al carbonio e tagliente in acciaio HSS M42, arricchito al cobalto. Lame molto versatili idonee al taglio di sezioni piene ed interrotte di metalli fino a 45 HRC.

15 S.r.l UTENSILERIA_MACCHINE UTENSILI FERRAMENTA_ANTINFORTUNISTICA LAME NASTRO
Codice Listino € Netto €/mt Saldatura € LA4200010127... 16,77 9,80 4,15 Codice Altezza Nastro Listino € Netto €/mt Saldatura € LA42B00101... 13/19/27mm 14,13 8,90 4,15 LA42B001013... 34mm 17,73 10,55 6,20 Codice Altezza Nastro Listino € Netto €/mt Saldatura € LA4201010127... 27x0,90mm 18,71 10,85 4,15 LA4201010134... 34x1,10mm 23,90 13,85 6,20 LA4201010141... 41x1,30mm 33,06 18,95 8,10

NON VI MOLLA!

LE MOLLE A GAS sono la soluzione migliore per compensare in modo totale o parziale il peso di parti in movimento. Versatili, si adattano a molteplici utilizzi garantendo comodità e praticità, permettono di essere posizionate in spazi molto ristretti e conferiscono maggior valore ai prodotti.

Siamo in grado di fornire una soluzione personalizzata per ogni esigenza, basandoci sui dati tecnici richiesti: spinta, corsa utile, attacco, ecc.

PREZZI A RICHIESTA

MOLLE A GAS

Fresa rotativa a raggio a doppio taglio, in carburo di tungsteno sinterizzato, di elevata qualità e durata. La geometria speciale a taglienti invertiti e il punto d’intersezione tra le due forme dei taglienti permettono un’azione di taglio omogenea su tutte le facce e un rapido taglio del materiale. Ø testa 12,8mm; lunghezza testa 25mm; gambo 6mm; lunghezza di taglio 16mm; angolo cono 20°.

Fresa rotativa combinata in carburo di tungsteno sinterizzato. La speciale geometria del dente conferisce al prodotto un’elevata qualità e versatilità per molteplici lavorazioni e materiali. Ø testa 12,8mm; lunghezza testa 20mm; gambo 6mm.

Fresa rotativa con raggio ad angolo in carburo di tungsteno sinterizzato, con raggio di taglio in testa al cilindro per un miglior controllo della fresa. Forza di taglio incrementale all’inizio dell’utilizzo della fresa; possibilità di riprodurre un raggio sul pezzo lavorato; riduzione della scheggiatura della fresa nei punti d’intersezione.

Set di 10 pz. misti di frese rotative in metallo duro, gambo 3, taglio Z6.

17 S.r.l UTENSILERIA_MACCHINE UTENSILI FERRAMENTA_ANTINFORTUNISTICA ABRASIVI FRESE MD
Frese rotative in metallo duro TA8111 cilindriche, con denti frontali, taglio Z6, gambo 6 mm. Frese rotative in metallo duro TA8200 a testa sferica, taglio Z6, gambo 6 mm. Frese rotative in metallo duro TA8600 a fiamma, taglio Z6, gambo 6 mm. Set di 5 pz. misti di frese rotative in metallo duro, gambo 6, taglio Z6.
Codice Listino € Netto € AB890012030006R 116,66 56,00 Codice Listino € Netto € AB890012030006C 82,16 39,44 Codice Listino € Netto € AB99K3120300000 347,51 166,80 Codice Listino € Netto € AB99K2120300000 223,49 107,27 Codice Ø testa (mm) lung. testa (mm) gambo (mm) Listino € Netto € AB89001203033RA 3 14 3 20,96 10,06 AB89001203066RA 6 18 6 35,94 17,25 AB89001203068RA 8 19 6 47,08 22,60 AB89001203061RA 10 19 6 50,62 24,30 AB89001203062RA 12 25 6 78,97 37,91 AB89001203065RA 15 25 6 99,57 47,80 Codice Ø (mm) Listino € Netto € AB81111203606Z6 6 34,25 16,44 AB81111203608Z6 8 44,82 21,51 AB81111203609Z6 9,6 48,13 23,10 AB81111203612Z6 12,7 75,20 36,09 AB81111203616Z6 16 94,80 45,50 Codice Ø (mm) Listino € Netto € AB82001203606Z6 6 36,23 17,39 AB82001203608Z6 8 44,39 21,31 AB82001203609Z6 9,6 48,81 23,43 AB82001203612Z6 12,7 76,71 36,82 AB82001203616Z6 16 96,46 46,30 Codice Ø (mm) Listino € Netto € AB86001203606Z6 6 37,83 18,16 AB86001203608Z6 8 45,97 22,07 AB86001203609Z6 9,6 50,89 24,43 AB86001203612Z6 12,7 69,21 33,22 AB86001203616Z6 16 96,29 46,22

Dischi con supporto in fibra TT-RED, composti da fibre in nylon non tessute impregnate con abrasivo ceramicato in grana grossa. Il materiale ceramico permette una lavorazione uniforme e pulita, riducendo il rischio di intasamento. Ideali per: scrostatura pezzi metallici, rimozione di bave, saldature e vernici, pulitura delle superfici metalliche. Utilizzabili anche su legno, plastica e materiali compositi.

Dischi su gambo con supporto in fibra TT-RED, composti da fibre in nylon non tessute impregnate con abrasivo ceramicato in grana grossa. Il materiale ceramico permette una lavorazione uniforme e pulita, riducendo il rischio di intasamento. Ideali per: scrostatura pezzi metallici, rimozione di bave, saldature e vernici, pulitura delle superfici metalliche. Utilizzabili anche su legno, plastica e materiali compositi. Gambo 6mm.

Disco C&S con gambo, composto da una rete di fibre in nylon impregnate con abrasivo al carburo di silicio. Molto resistente, ideale per operazioni di decapaggio e pulitura su qualsiasi materiale; gambo 6/8 mm.

Dischi in Trizact™ con velcro bianco. Ideali per la finitura di precisione e la lucidatura su metalli non ferrosi e leghe. Il supporto velcrato ne facilita il montaggio su macchine portatili. Ø 115 mm.

Disco C&S con supporto in fibra, composto da una rete di fibre in nylon impregnate con abrasivo al carburo di silicio. Molto resistente, ideale per operazioni di decapaggio e pulitura su qualsiasi materiale; foro 22 mm.

Ruota lamellare C&S con foro chiavetta, composta da una rete di fibre in nylon impregnate con abrasivo al carburo di silicio. Molto resistente, ideale per operazioni di decapaggio e pulitura su qualsiasi materiale; foro 19 mm.

18 PREZZI IVA esclusa ABRASIVI COMPATTI
Codice Ø x L x F (mm) Listino € Netto € AB9300404015022 115x13x22 27,96 13,42 AB9300404012022 125x13x22 32,13 15,42 Codice Ø x L x G (mm) Listino € Netto € AB9300404010013 100x13x6 20,31 9,75 AB9300404010026 100x26x6 37,98 18,23 Codice Ø (mm) Listino € Netto € AB8030110401519 100x50 49,29 23,66 AB8030110401119 100x100 89,08 42,76 Codice Ø (mm) Listino € Netto € AB8040110411132 115x13 15,48 7,43 AB8040110418132 180x13 21,06 10,11 Codice Grana Listino € Netto € AB9300401015006 A6 4,23 2,03 AB9300401015016 A16 4,23 2,03 AB9300401015030 A30 4,23 2,03 AB9300401015045 A45 4,23 2,03 AB9300401015065 A65 4,23 2,03 AB9300401015080 A80 4,23 2,03 AB9300401015100 A100 4,23 2,03 AB9300401015160 A160 4,23 2,03 Codice Ø (mm) gambo (mm) Listino € Netto € AB8010110450136 50x13 6 7,02 3,37 AB8010110450266 50x26 6 8,98 4,31 AB8010110410136 100x13 6 14,96 7,18 AB8010110410266 100x26 6 24,65 11,83 AB8010110415138 150x13 8 24,72 11,87 AB8010110415268 150x26 8 44,52 21,37

Disco compatto ad alta densità, composto da una combinazione di tessuti abrasivi ad altissima densità, con supporto in fibra di vetro; particolarmente indicato per finiture su acciaio inox e come finitura dopo l’impiego di dischi lamellari o dischi fibrati; utilizzabile anche per la preparazione di superfici per trattamenti galvanici o di verniciatura; durezze: soft, medium, hard. Ø 115x15x22 mm.

Disco compatto, costituito da fibre di nylon con alta concentrazione di abrasivi; adatto alla pulitura di residui di saldatura su acciaio inox, sbavature da taglio laser e rimozione di difetti su superfici delicate; per pulitura e finitura su filetti e lavorazioni speciali su leghe di alluminio, titanio e altri materiali compositi; durezze: soft, medium, hard.

Rotoli antispreco in TNT, particolarmente indicati per la rimozione di ossidazioni e per operazioni di pulizia in generale su tutti i tipi di metallo, plastica e fibre di vetro; dimensioni H 120 mm x L 10 mt.

Mole per satinatrici manuali in tessuto abrasivo; utilizzabili per le riprese di satinatura su manufatti in acciaio inox; grane disponibili: ultra fine, molto fine, fine, media, grossa; foro 19; max RPM 5.700.

Mole per satinatrici manuali in misto tela abrasiva; utilizzabili per le riprese di satinatura su manufatti in acciaio inox; grane disponibili: 40-6080-120; foro 19; max RPM 5.700.

dimensioni H 120 x L 280 mm.

19 S.r.l UTENSILERIA_MACCHINE UTENSILI FERRAMENTA_ANTINFORTUNISTICA ABRASIVI COMPATTI
Codice
AB7000010411515 F(320) 22,17 10,86 AB7000104115151 F(320) 21,69 10,63 AB7000104115154 M(120) 24,15 11,83 AB7000104115156 C(80) 23,56 11,55 Codice Grana Listino € Netto € AB7500110312002 Media 83,06 39,87 AB7500110312003 Fine 66,99 32,15 AB7500110312004 Molto fine 66,99 32,15 Codice Ø (mm) Grana Listino € Netto € AB7000104760600 76x6 F(320) 8,56 4,19 AB7000104150300 150x3 M(120) 28,56 14,00 AB7000104150601 150x6 F(320) 29,48 14,45 Codice Grana Listino € Netto € AB7030110311004 Molto fine 36,54 17,54 AB7030110311003 Fine 36,54 17,54 AB7030110311002 Media 34,62 16,62 AB7030110311001 Grossa 34,62 16,62 Codice Grana Listino € Netto € AB7020110311040 40 59,49 28,55 AB7020110311060 60 59,49 28,55 AB7020110311080 80 59,49 28,55 AB7020110311120 120 59,49 28,55 Codice Grana Listino € Netto € AB7600110312282 Media 2,99 1,44 AB7600110312283 Fine 2,62 1,26 AB7600110312284 Molto fine 2,62 1,26
Grana Listino € Netto €

Calibro a corsoio con orologio. In acciaio inox. Quadrante girevole con vite di bloccaggio. Scala cromata opaca. Risoluzione 0,01.

Calibro a corsoio digitale con cassa in metallo, becchi e punte con inserti in metallo duro. Bloccaggio a vite. Accensione e spegnimento con pulsante. Conversione mm/pollici; risoluzione 0,01.

Calibro a corsoio monoblocco cromato, di precisione, con bloccaggio a vite, risoluzione 0,05.

Calibro a corsoio digitale versione economica, con bloccaggio a vite, accensione e spegnimento con pulsante, conversione mm/pollici, risoluzione 0,01.

Tastatore a leva. Corpo in acciaio cromato opaco. Attacco a codolo a coda di rondine. Movimento di precisione montato su rubini. Perno del tastatore montato su sfere. Codolo di presa Ø 8 mm.

Comparatore analogico di precisione ECO, cassa metallica, Ø 58 mm, risoluzione 0,01.

20 PREZZI IVA esclusa STRUMENTI MISURA
Codice Campo di misura Listino € Netto € SM1050010101150 0-150 mm 92,43 55,46 SM1050010101200 0-200 mm 138,65 81,80 SM1050010101300 0-300 mm 223,38 131,79 Codice Campo di misura Listino € Netto € SM1400010100150 0-150 mm 50,07 29,54 SM1400010100200 0-200 mm 69,33 40,90 SM1400010100300 0-300 mm 127,10 74,99 Codice Campo di misura Listino € Netto € SM2000010100150 0-150 mm 73,18 45,37 SM2000010100200 0-200 mm 103,99 64,47 SM2000010100300 0-300 mm 169,46 105,07 Codice Campo di misura Listino € Netto € SM2600010100150 0-150 mm 44,29 26,57 Codice Campo di misura Listino € Netto € SM4030030108001 0,8 mm 107,84 66,86
Codice Campo di misura Listino € Netto € SM400001010010N 0-10 mm 28,89 20,22

Supporto portacomparatore snodato magnetico. Aste totalmente snodabili e orientabili con bloccaggio centralizzato e regolazione micrometrica. Base magnetica con superfici di appoggio piana e a “V” rettificate. Attacco comparatore Ø 8 mm.

Micrometro digitale IP65, resistente alla polvere e all’acqua. Misurazione assoluta/incrementale in qualunque posizione. Tamburo graduato cromato opaco. Frizione sensitiva. Nottolino di bloccaggio. Arco con guanciali termoisolanti. Stelo ø 6,5 mm. Superfici di contatto riportate in metallo duro. Tasti: on/off – zero/abs – mm/pollici – unit. Risoluzione 0,001.

Kit supporto magnetico snodato porta comparatore (forza trazione 80 kg, raggio d’azione 340 mm), completo di comparatore di precisione (Ø 58 mm, corsa 10 mm, risoluzione 0,01, scala circolare 0÷50÷100).

Spessimetro, con lame in acciaio temprato e guaina in metallo.

21 S.r.l UTENSILERIA_MACCHINE UTENSILI FERRAMENTA_ANTINFORTUNISTICA STRUMENTI MISURA
Codice Campo di misura Listino € Netto € SM3100020100025 0-25 mm 192,57 119,40 SM3100020102550 25-50 mm 238,79 148,10 SM3100020105075 50-75 mm 288,86 179,00
Codice Listino € Netto € SM40000101KT001 315,43 189,00 Codice Listino € Netto € SM4000010100060 92,43 55,46 Codice Ø gambo Listino € Netto € SM4030030100004 10 mm 24,26 14,07 SM4030030100010 10 mm 25,18 15,11
Codice Lame Listino € Netto € SM9800008010013 13 pz 4,62 3,24 SM9800008010020 20 pz 6,87 4,80

STRONG VICE, Morsa parallela in acciaio forgiato, specifica per lavorazioni pesanti; costruita interamente in acciaio forgiato; doppia guida prismatica; ganasce fisse zigrinate, temprate a induzione e rettificate; registrabile.

UNIVERSAL VICE, Morsa parallela in acciaio forgiato, con base tonda; ganasce zigrinate e temprate; superficie rettificata; incudine temprate; viti di registrazione; parti di scorrimento temprate e rettificate; doppia guida prismatica.

Base girevole per morse da banco parallele Coppia ganasce stringitubo per morse da banco parallele

22 PREZZI IVA esclusa MORSE DA BANCO
Codice Larghezza ganasce Apertura max Peso Listino € Netto € UT00100500115GI 115 mm 150 mm 11 kg 283,16 155,74 UT00100500135GI 135 mm 185 mm 17 kg 400,60 220,33 UT00100500150GI 150 mm 200 mm 26 kg 511,33 281,23 Codice Larghezza ganasce Apertura max Peso Listino € Netto € UT001005000100T 100 mm 125 mm 7 kg 213,28 117,31 UT001005000125T 125 mm 150 mm 11 kg 248,70 136,78 UT001005000150T 150 mm 200 mm 17 kg 360,50 198,28 UT001005000175T 175 mm 220 mm 26 kg 498,67 274,27 Codice Ø (mm) Listino € Netto € UT00100500125BG 125 mm 80,15 44,08 UT00100500150BG 150 mm 99,91 54,95 Codice Ø (mm) Listino € Netto € UT00100500125CG 125 mm 39,59 21,77 UT00100500150CG 150 mm 58,22 32,02 Codice Larghezza ganasce Apertura max Peso Listino € Netto € UT00100500135GF 135 mm 185 mm 17 kg 418,28 230,05 UT00100500150GF 150 mm 200 mm 26 kg 566,59 311,63 Ganasce fisse Ganasce stringitubi fisse

ECO VICE, Morsa parallela, costruita interamente con piatti d’acciaio; ganasce in acciaio zigrinate e temprate a induzione; ottimo rapporto qualità/prezzo.

STEEL VICE, Morsa parallela in acciaio; per lavorazioni medio-pesanti; ganasce in acciaio e rettificate; ampio piano di lavoro ad incudine temperato.

DRILL VICE, Morsa da trapano in ghisa speciale; ganasce temprate e rettificate.

23 S.r.l UTENSILERIA_MACCHINE UTENSILI FERRAMENTA_ANTINFORTUNISTICA MORSE DA BANCO
Codice Larghezza ganasce Apertura max Peso Listino € Netto € UT001005000080E 80 mm 100 mm 4 kg 106,01 58,30 UT001005000110E 110 mm 120 mm 7 kg 128,57 70,71 UT001005000130E 130 mm 140 mm 11 kg 158,79 87,33 UT001005000150E 150 mm 155 mm 15,5 kg 220,57 121,31 Codice Larghezza ganasce Apertura max Peso Listino € Netto € UT0010050000600 60 mm 70 mm 2,5 kg 119,93 65,96 UT0010050000800 80 mm 85 mm 4 kg 143,05 78,68 UT0010050001000 100 mm 110 mm 9 kg 236,42 130,03 UT0010050001200 120 mm 150 mm 16 kg 309,93 170,46 UT0010050001500 150 mm 180 mm 24 kg 412,87 227,08 Codice Larghezza ganasce Apertura max Peso Listino € Netto € UT001005000120A 120 mm 130 mm 16 kg 521,47 286,81 UT001005000150A 150 mm 175 mm 24 kg 800,49 440,27

Bloccaggio verticale, base piatta, portata 90 kg, Bloccaggio: verticale; Base: piatta flangiata; Braccio: regolabile; Materiale: acciaio; Impugnatura: poliuretano rosso, resistente a oli, grassi, agenti chimici; Peso: 170 gr.

Bloccaggio verticale, base piatta, portata 150 kg, Bloccaggio: verticale; Base: piatta flangiata; Braccio: regolabile; Materiale: acciaio; Impugnatura: poliuretano rosso, resistente a oli, grassi, agenti chimici; Peso: 240 gr.

Bloccaggio verticale, base piatta, portata 230 kg, Bloccaggio: verticale; Base: piatta flangiata; Braccio: regolabile; Materiale: acciaio; Impugnatura: poliuretano rosso, resistente a oli, grassi, agenti chimici; Peso: 355 gr.

Bloccaggio verticale, base piatta, portata 350 kg, Bloccaggio: verticale; Base: piatta flangiata; Braccio: regolabile; Materiale: acciaio; Impugnatura: poliuretano rosso, resistente a oli, grassi, agenti chimici; Peso: 635 gr.

Bloccaggio orizzontale, base piatta, portata 80 kg, Bloccaggio: orizzontale; Base: piatta flangiata; Braccio: regolabile; Materiale: acciaio; Impugnatura: poliuretano rosso, resistente a oli, grassi, agenti chimici; Peso: 88 gr.

24 PREZZI IVA esclusa SISTEMI DI BLOCCAGGIO
Codice Portata Apertura braccio Apertura impugnatura Altezza braccio da base Lunghezza braccio Listino € Netto € UT0040010100090 90 kg 100° 60° 22,7 mm 33 mm 22,87 13,72 Codice Portata Apertura braccio Apertura impugnatura Altezza braccio da base Lunghezza braccio Listino € Netto € UT0040010100150 150 kg 108° 70° 31 mm 44 mm 28,15 16,89 Codice Portata Apertura braccio Apertura impugnatura Altezza braccio da base Lunghezza braccio Listino € Netto € UT0040010100230 230 kg 100° 60° 31,8 mm 71,4 mm 35,08 21,05 Codice Portata Apertura braccio Apertura impugnatura Altezza braccio da base Lunghezza braccio Listino € Netto € UT0040010100350 350 kg 105° 58° 44 mm 85,1 mm 41,77 25,06 Codice Portata Apertura braccio Apertura impugnatura Altezza braccio da base Lunghezza braccio Listino € Netto € UT0040010100090 80 kg 94° 76° 19 mm 38,4 mm 24,04 14,42
NEW

Bloccaggio orizzontale, base piatta, portata 150 kg, Bloccaggio: orizzontale; Base: piatta flangiata; Braccio: regolabile; Materiale: acciaio; Impugnatura: poliuretano rosso, resistente a oli, grassi, agenti chimici; Peso: 220 gr.

Bloccaggio orizzontale, base piatta, portata 250 kg, Bloccaggio: orizzontale; Base: piatta flangiata; Braccio: regolabile; Materiale: acciaio; Impugnatura: poliuretano rosso, resistente a oli, grassi, agenti chimici; Peso: 430 gr.

Bloccaggio a tirante, base piatta, portata 170 kg, Bloccaggio: a tirante; Base: piatta flangiata; Braccio: regolabile; Versione: orizzontale; Materiale: acciaio; Impugnatura: poliuretano rosso, resistente a oli, grassi, agenti chimici; Peso: 70 gr.

Bloccaggio a tirante, base piatta, portata 320 kg, Bloccaggio: a tirante; Base: piatta flangiata; Braccio: regolabile; Versione: orizzontale; Materiale: acciaio; Impugnatura: poliuretano rosso, resistente a oli, grassi, agenti chimici; Peso: 225 gr.

Bloccaggio a tirante, base piatta, portata 920 kg, Bloccaggio: a tirante; Base: piatta flangiata; Braccio: regolabile; Versione: orizzontale; Materiale: acciaio; Impugnatura: poliuretano rosso, resistente a oli, grassi, agenti chimici; Peso: 680 gr.

25 S.r.l UTENSILERIA_MACCHINE UTENSILI FERRAMENTA_ANTINFORTUNISTICA SISTEMI DI BLOCCAGGIO
Codice Portata Apertura braccio Apertura impugnatura Altezza braccio da base Lunghezza braccio Listino € Netto € UT0040010200150 150 kg 94° 76° 25,5 mm 62,5 mm 28,79 17,28 Codice Portata Apertura braccio Apertura impugnatura Altezza braccio da base Lunghezza braccio Listino € Netto € UT0040010200250 250 kg 94° 76° 34 mm 78,2 mm 38,30 22,98 Codice Portata Tiraggio min/max Filettatura tirante Listino € Netto € UT0040010300170 170 kg 12,5 / 20,5 mm M4 x 0,7 27,25 16,35 Codice Portata Tiraggio min/max Filettatura tirante Listino € Netto € UT0040010300320 320 kg 25,5 / 37,5 mm M5 x 0,8 43,70 26,22 Codice Portata Tiraggio min/max Filettatura tirante Listino € Netto € UT0040010300920 920 kg 19,5 / 38,5 mm M8 x 1,25 64,14 38,48
NEW

Fresa a tazza T.C.T. con denti in metallo duro, ideale per la foratura di precisioni di acciaio inox, acciai altamente legati e ghise dure; Ø anello da 15 a 200 mm; dente 2,5 mm; H utile di taglio 8 mm; H utile corpo 14 mm.

acciaio, ottone, ghisa, bronzo; migliore evacuazione del truciolo e refrigerazione del dente, Ø anello da 8 a 150 mm; durezza dente 64/65 HRC; H utile di taglio 8 mm; H utile corpo 12 mm.

espulsione del dischetto di risulta. Corpo rettificato in acciaio super rapido HSS M35; ottime performance anche su materiali abrasivi e acciaio inox, grazie all’elevato tenore di cobalto; ideale anche per utilizzo con macchine stazionarie. H utile di taglio 15 mm; profondità utile 18 mm.

Kit composto da 7 frese a tazza HSS-E eccentriche, Ø 18, 22, 25, 30, 35, 38, 50), in valigetta.

26 PREZZI IVA esclusa FRESE TAZZA
Codice Ø (mm) Listino € Netto € LA3900202000016 16 56,89 34,13 LA3900202000018 18 56,89 34,13 LA3900202000019 19 56,89 34,13 LA3900202000020 20 56,89 34,13 LA3900202000021 21 56,89 34,13 LA3900202000022 22 56,89 34,13 LA3900202000025 25 63,04 37,82 LA3900202000030 30 73,34 44,00 LA3900202000032 32 84,57 50,74 LA3900202000035 35 84,57 50,74 LA3900202000040 40 97,78 58,67 Codice Ø (mm) Listino € Netto € LA350020200018E 18 26,90 16,14 LA350020200020E 20 29,83 17,90 LA350020200022E 22 32,89 19,73 LA350020200025E 25 37,35 22,41 LA350020200026E 26 38,88 23,33 LA350020200028E 28 41,81 25,09 LA350020200030E 30 44,74 26,84 LA350020200032E 32 47,80 28,68 LA350020200035E 35 52,26 31,36 LA350020200041E 40 62,72 37,63 LA350020200045E 45 68,71 41,23 LA350020200050E 50 76,10 45,66 LA350020200060E 60 113,45 68,07 Codice Listino € Netto € LA35002020007KT 327,52 196,51 Codice Ø (mm) Listino € Netto € LA3600202000016 16 21,83 13,10 LA3600202000018 18 22,47 13,48 LA3600202000019 19 22,76 13,65 LA3600202000020 20 23,18 13,91 LA3600202000021 21 24,11 14,47 LA3600202000022 22 25,27 15,16 LA3600202000025 25 28,71 17,23 LA3600202000030 30 34,52 20,71 LA3600202000032 32 36,82 22,09 LA3600202000035 35 40,33 24,20 LA3600202000040 40 47,51 28,51 ECCENTRICA

Allargafori a gradino per eseguire ed allargare a misura fori su lamiere in metallo, leghe leggere o laminati in plastica. Corpo in acciaio HSS fresato e rettificato, finitura lucida, parte terminale conica, punta del profilo affilato, marcatura laser dei diametri di riferimento. Non rivestito.

Seghe a tazza bimetalliche HSS – M42 cobalto 8% per realizzare fori su lamiere metalliche, inox, ferro, acciaio, ottone, ghisa, bronzo; H utile di taglio su lamiere 5 mm; H utile corpo 30 mm; Ø tazza < 30 mm; foro filettato 1/2”; Ø tazza > 32 mm; foro filettato 5/8”; cartella 1,5 mm.

Albero completo di punta per seghe bimetalliche, con trascinatori e ghiera filettata sinistra per un’ottima aderenza al fondello della fresa; eccezionale stabilità, zero vibrazioni

Alberi completi di punta per seghe bimetalliche

27 S.r.l UTENSILERIA_MACCHINE UTENSILI FERRAMENTA_ANTINFORTUNISTICA
Codice Ø (mm) Listino € Netto € LA1500020100020 20 16,03 9,62 LA1500020100022 22 16,17 9,70 LA1500020100025 25 16,72 10,03 LA1500020100027 27 16,86 10,12 LA1500020100030 30 17,56 10,54 LA1500020100032 32 17,98 10,79 LA1500020100035 35 18,95 11,37 LA1500020100040 40 20,91 12,54 LA1500020100043 43 21,88 13,13 LA1500020100046 46 22,30 13,38 LA1500020100051 51 22,58 13,55 LA1500020100054 54 27,32 16,39 LA1500020100060 60 27,32 16,39 LA1500020100064 64 29,69 17,81 LA1500020100068 68 30,38 18,23 LA1500020100073 73 32,33 19,40 LA1500020100079 79 33,59 20,15 Codice Ø (mm) Listino € Netto € LA3011202000011 4-12 41,81 25,09 LA3011202000012 6-20 80,83 48,50 LA3011202000013 6-30 119,86 71,91 LA3011202000014 8-38 156,09 93,66 Codice Forma attacco Ø Seghe (mm) Trascinatori Gambo Listino € Netto € LA3011202000011 esagonale pieno 32-250 si 11,2 37,63 22,58 Codice Forma attacco Ø Seghe (mm) Trascinatori Gambo Listino € Netto € LA1501020203011 esagonale forato 14-30 no 11,2 15,82 9,49 LA1501020202510 esagonale pieno 32-250 si 10 25,43 15,26 LA1501020202511 esagonale pieno 32-250 si 11,2 25,43 15,26 COBALTO
TAZZA
8% FRESE

JET 190 TIG, Saldatrice con tecnologia ad inverter (MMA-TIG). Leggera, compatta ed affidabile. Adatta per elettrodi rutilici, basici, inox, ghisa. Con funzione TIG LIFT selezionabile tramite l’apposito interruttore. Adatta all’impiego con motogeneratori; con display LCD. Fattore di servizio: 20%-150A. Potenza assorbita max: 7 KVA. Elettrodi utilizzabili: ø 1,64mm. Dimensioni: 410x200x350mm. Peso: 6 kg. Accessori inclusi: maschera a mano, martospazzola, cavo con pinza massa, cavo con pinza portaelettrodo; fornita in valigetta.

JET MIG 180, Saldatrice per saldatura MIG-MAGMOG (GAS-NOGAS). Adatta per filo di acciaio, acciaio inox, alluminio e filo animato. Fattore di servizio: 15%-160A – 60%-92A. Potenza assorbita max: 3,6 KVA. Dimensioni: 585x345x340 mm. Peso: 34,7 kg. Accessori inclusi: maschera a mano, cavo con pinza di massa, torcia (3 mt), riduttore di pressione, tubo gas, bobina filo Ø 0,8 (1kg) .

JET PULSE, Saldatrice con tecnologia ad inverter, per saldatura TIG DC, con innesco ad alta frequenza (HF) e funzione arco pulsato. La funzione HF facilita l’innesco dell’arco. La saldatrice è dotata anche delle funzioni TIG 2T/4T. Dotata delle funzioni HOT START, ARC FORCE, ANTI STICK. Fattore di servizio: MMA 40%-160ATIG 30%-200A. Potenza assorbita max: TIG 6 KVA - MMA 6,5 KVA. Classe di isolamento: H. Dimensioni: 440x230x330 mm. Peso: 11,1 kg. Accessori inclusi: pinza massa, torcia TIG, con pulsante elettrovalvola, riduttore GAS, tubo gas.

MULTI PRO 200, Saldatrice a filo, MIG – MAG – TIG –MMA con controllo a microprocessore per la saldatura. Indicata per applicazioni in carpenteria e in carrozzeria, per la saldatura di lamiere zincate ad alta resistenza HSS, inox ed alluminio. Con funzione TIG LIFT selezionabile tramite l’apposito interruttore. Adatta all’impiego con motogeneratori; con display LCD. Fattore di servizio: MMA 30%-200A – TIG 30%-200A– MIG 30%-200A. Potenza assorbita max: 10 KVA (MMA) – 6,5 KVA (TIG) – 8,5 KVA (MIG). Elettrodi utilizzabili: ø 1,6-4mm (MMA) – 1,6-3,2mm (TIG). Dimensioni: 630x240x440mm. Peso: 18,9 kg. Accessori inclusi: cavo con pinza massa, cavo torcia MIG, cavo con pinza portaelettrodo.

WELD PLASMA COMP, Saldatrice per il taglio al plasma. Taglia tutti i metalli, anche particolarmente duri, che conducono elettricità: ferro, inox, alluminio, ottone, rame. Arco di taglio dolce e stabile; taglia fino a 10 mm. Dotata di compressore integrato, con torce Safety System. Adatta all’impiego con motogeneratori (tolleranza ingresso +/-30%). Fattore di servizio: 15%-40A. Potenza assorbita max: 3,2 KVA. Grado di protezione: IP 21S. Dimensioni: 600x350x420 mm. Peso: 24 kg. Accessori inclusi: pinza massa, torcia plasma.

ALU MIG 250, Saldatrice inverter a filo, MIG – MAG – FLUX – MMA – TIG DC-LIFT con controllo a microprocessore. Grande versatilità nell’uso con molti tipi di materiali: acciaio, acciaio inox, acciai ad alta resistenza HSS, alluminio e leghe. Adatta all’impiego con motogeneratori. Dotata di display LCD, di 2 ruote pivottanti anteriori e 2 ruote fisse posteriori per essere trasportata facilmente. Fattore di servizio: 60%-250A. Potenza assorbita max: 11,6 KVA (MMA) – 8,3 KVA (TIG) –10,5 KVA (MIG). Elettrodi utilizzabili: ø 1,6-6mm.

Dimensioni: 907x367x747mm. Peso: 51 kg. Accessori inclusi: maschera a mano, martospazzola, cavo con pinza massa, cavo torcia MIG, regolatore gas.

28 PREZZI IVA esclusa SALDATURA
Codice Listino € Netto € SA0030030010190 375,90 233,00 Codice Listino € Netto € SA00300300200MP 1.524,00 944,00 Codice Listino € Netto € SA001003005180M 906,00 544,00 Codice Listino € Netto € SA00100300500PL 1.797,00 1.114,00 Codice Listino € Netto € SA00100300501DC 1.224,00 759,00 Codice Listino € Netto € SA0030030030250 2.355,00 1.460,00
taglio
PLASMA
Leggi il QR code per guardare il video tutorial Leggi il QR code per guardare il video tutorial

210 TIG AC/DC, Saldatrice inverter per saldatura TIG, TIG PULSATO e MMA in corrente continua ed alternata AC/DC con innesco ad alta frequenza HF o LIFT ARC, controllata a microprocessore. Dotata delle funzioni: HOT START, ARC FORCE, ANTI STICK e MEMORIZZAZIONE PROGRAMMI. Particolarmente indicata per saldare spessori sottili dove è necessario un basso riscaldamento del pezzo; adatta a saldare in tutte le posizioni. Fattore di servizio: MMA 35%160A - TIG 35%-210A. Potenza assorbita max: MMA

6 KVA - TIG 5,5 KVA. Elettrodi utilizzabili: Ø 1,6-4 mm.

Dimensioni: 570x320x600 mm. Peso: 28 kg. Accessori inclusi: pinza di massa, torcia TIG.

BASIC 400, saldatrice per saldatura TIG, MMA, MIG-TIG, con controllo elettronico. Consente la saldatura ad elettrodo rivestito (MMA) ed a filo (MIG-MAG) con l’utilizzo di filo standard e tubolare, di acciaio, acciaio inox, alluminio e rame. Tutte le funzioni sono poste sul trainafilo che costituisce parte di completamento dell’impianto. Fattore di servizio: 100%-250A; 60%-306A; 40%-400A. Potenza assorbita max: 17,6 KVA. Dimensioni: 950x520x830 mm. Peso: 94 kg. Le sue caratteristiche, la rendono particolarmente indicata per la cantieristica navale. Conforme alle norme EN60974-1 e EN60974-10. Accessori inclusi: trainafilo a 4 rulli standard, prolunga con cavo coaxiale 4mt 50mm2 raffreddato ad aria, cavo massa con pinza 4mt 50mm2, torcia MIG raffreddata ad aria 300A 4mt.

MULTI SYNERGIC 500, saldatrice inverter sinergica multifunzione, per saldatura MIGMAG, MMA e TIG LIFT. Ad elevata potenza, consente di lavorare negli ambienti più gravosi dell’industria pesante. Nella versione raffreddata ad aria, permette di lavorare fino a 100 metri di distanza. Fattore di servizio: 100%-350A; 60%-430A; 40%-450A. Potenza assorbita max: 12,4 KVA. Dimensioni: 630x300x435 mm. Peso: 48 kg. Conforme alle norme EN60974-1 e EN60974-10. Accessori inclusi: trainafilo HI-TECH a 4 rulli, carrello di supporto, sistema di raffreddamento 400V, kit raffreddamento ad acqua per trainafilo, kit ruote Ø 80mm, prolunga 5mt 70mm² raffreddata ad acqua, cavo massa con pinza 4mt 70mm², torcia MIG raffreddata ad acqua 500A 4mt.

29 S.r.l UTENSILERIA_MACCHINE UTENSILI FERRAMENTA_ANTINFORTUNISTICA SALDATURA
Codice Listino € Netto € SA00400100040BK 5.544,38 3.881,00 Codice Listino € Netto € SA0040010050MSK 15.114,85 10.580,00 Codice Listino € Netto € SA0030030010210 2.901,00 1.799,00

TENDE DI SALDATURA, conformi alla Norma Europea DIN EN ISO 25980:2015-01 (ex EN-1598). Completamente orlate sui quattro lati, 7 occhielli forati in PVC su un lato, bottoni a pressione su due lati, 7 ganci metallici di sospensione inclusi. Ideali per la protezione contro le luci di saldatura nocive (saldatura ad arco). Resistenza alla temperatura fino a 80°C circa.

SCHERMI DI SALDATURA, completi di tenda, con telaio zincato. Disponibili nella versione LIGHT SCREEN: leggero, ideale per utilizzo frequente in spazi di lavoro ristretti. MULTI SCREEN: struttura robusta con 4 ruote Ø 50mm (due con freno), ideale per utilizzo in condizioni di lavoro difficili, con anelli di sospensione in plastica.

Coperte di saldatura ALU BASIC, in panno di fibra di vetro (a filamento), con rivestimento in PU su un lato. Leggere (460 gr/m2), adatte per utilizzo in verticale, per saldature leggere e lavorazioni a temperature non elevate. Resistenti alla temperatura fino a 550°C.

Coperte di saldatura STRONG, in panno di fibra di vetro (testurizzata), con pesante rivestimento in PU e grafite su due lati. Struttura molto pesante e resistente (1.100 gr/ m2). Adatte per utilizzo in orizzontale, per saldature pesanti e lavorazioni a temperature elevate. Resistenti alla temperatura fino a 900°C massimo.

30 PREZZI IVA esclusa SALDATURA
Codice Colore Dimensioni HxL cm. Listino € Netto € SA001004001614O Orange-CE 160x140 69,00 33,12 SA001004001814O Orange-CE 180x140 72,00 34,56 SA001004002014O Orange-CE 200x140 77,97 37,43 Codice Colore Dimensioni HxL cm. Listino € Netto € SA001004002020O Orange-CE 200x200 224,53 107,78 SA001004002020G Green-9 200x200 224,53 107,78 Codice Colore Dimensioni HxL cm. Listino € Netto € SA001004001614G Green-9 160x140 69,00 33,12 SA001004001814G Green-9 180x140 72,00 34,56 SA001004002014G Green-9 200x140 77,97 37,43 Codice Colore Dimensioni HxL cm. Listino € Netto € SA001004002021O Orange-CE 200x215 600,45 288,22 SA001004002021G Green-9 200x215 600,45 288,22 Codice Dimensioni HxL cm. Listino € Netto € SA001004001020B 100x200 72,83 34,96 SA001004002020B 200x200 127,47 61,19 Codice Dimensioni HxL cm. Listino € Netto € SA001004001020S 100x200 131,70 63,22 SA001004002020S 200x200 285,60 137,09 Light screen Multi screen

Gruppo elettrogeno portatile 3 kVA. Gruppo elettrogeno portatile con serbatoio da 3 litri, motore Briggs & Stratton XR750 a benzina 3000 giri/min, 1 cilindro, 4.3 HP, 163 cm3, avviamento a strappo con fune, raffreddamento ad aria. Arresto automatico per basso livello di olio. Generatore CA-50Hz, tipo sincrono, potenza max monofase

3kVA - 230V, fattore di potenza cos ф 0,8. Classe isolamento:

H; Grado di protezione: IP 23; Temperatura ambiente: 40°C; Altitudine di riferimento: 1000 mt; Potenza acustica: 97 Lwa (72 dB a 7 mt).

Gruppo elettrogeno portatile 5 kVA. Gruppo elettrogeno portatile con serbatoio da 5 litri, motore Briggs & Stratton XR1450 a benzina 3000 giri/min, 1 cilindro, 8.3 HP, 306 cm3, avviamento a strappo con fune, raffreddamento ad aria. Arresto automatico per basso livello di olio. Generatore CA-50Hz, tipo sincrono, potenza max monofase

5kVA - 230V, fattore di potenza cos ф 0,8. Classe isolamento:

H; Grado di protezione: IP 23; Temperatura ambiente: 40°C; Altitudine di riferimento: 1000 mt; Potenza acustica: 98 Lwa (73 dB a 7 mt).

31 S.r.l UTENSILERIA_MACCHINE UTENSILI FERRAMENTA_ANTINFORTUNISTICA GRUPPI ELETTROGENI
Codice Potenza (kVA) Serbatoio (lt) Motore (giri/min) Dimensioni (mm) Peso (kg) Listino € Netto € IM0050010010003 3 3,1 3000 610 x 360 x 410 38 1.712,00 942,00 Codice Potenza (kVA) Serbatoio (lt) Motore (giri/min) Dimensioni (mm) Peso (kg) Listino € Netto € IM0050010010005 5 5,3 3000 770 x 480 x 625 62 2.384,00 1.311,00

PRO CHARGER, caricabatterie semiprofessionale 12/24V, con tre regolazioni, ideale per la carica di batterie da 75/300 Ah, ed avviatore per uso non professionale. Potenza assorbita: 1,1KW (carica) – 6,2 KW (avviamento). Corrente effettiva 24V: 47A (carica) – 250A (avviamento). Corrente effettiva 12V: 63A (carica) – 285A (avviamento). Dimensioni: 320x215x620 mm. Peso: 18 kg

PRO CHARGER 1000, caricabatteria professionale 1 PH 12/24V, ideale per batterie da 160/180 Ah ed avviatore professionale con telecomando. Con 8 regolazioni di carica. Potenza assorbita: 2,7 kW (carica) – 12 kW (avviamento). Corrente effettiva 12V: 88A (carica) – 600A (avviamento). Corrente effettiva 24V: 90A (carica) – 570A (avviamento). Dimensioni: 450x300x835 mm. Peso: 33 kg.

TOP CHARGER 1200, caricabatterie ventilato professionale 1PH, 12/24V, con microprocessore, ideale per la carica di batterie Pb, PbCalcio, Gel; dotato di fine carica. Avviatore con protezione per centraline elettroniche. Potenza assorbita: 1,6KW (carica) – 4,6KW (avviamento). Corrente effettiva 24V: 70A (carica) – 350A (avviamento). Corrente effettiva 12V: 70A (carica) – 410A (avviamento). Dimensioni: 320x240x710 mm. Peso: 22 kg.

32 PREZZI IVA esclusa CARICABATTERIE AVVIATORI
Codice Listino € Netto € SA001003005002T 498,00 299,00 Codice Listino € Netto € SA001003005008T 852,00 511,00 Codice Listino € Netto € SA001003005006T 1.014,00 609,00
TOP QUALITY

Macchina MULTIENERGY, motorizzata Diesel, 10.2 HP. Compressore: 2 stadi, 2 cilindri. Serbatoio aria: 100 litri. Aria erogata: 900 l/min. Pressione max: 10-12 bar. Motore: Hatz. Generatore monofase/trifase: 220V / 380V – 6.5kVA / 7.5kVA. Avviamento elettrico. Dotata di stabilizzatore AVR. Dimensioni: 1350x550x1050 mm.

Macchina MULTIENERGY, motorizzata Benzina, 14 HP. Compressore: 2 stadi, 2 cilindri. Serbatoio aria: 100 litri. Aria erogata: 900 l/min. Pressione max: 10-12 bar. Motore: Kohler-Honda. Generatore monofase/trifase: 220V / 380V –6.5kVA / 7.5 kVA. Avviamento elettrico / manuale. Dotata di stabilizzatore AVR.

Macchina MULTIENERGY, con solida struttura fonoisolante, motorizzata

Diesel, 10.2 HP. Compressore: 2 stadi, 2 cilindri. Serbatoio aria: 100 litri.

Aria erogata: 900 l/min. Pressione max: 10-12 bar. Motore: Hatz. Generatore monofase/trifase: 220V / 380V – 6.5kVA / 7.5 kVA. Avviamento elettrico. Dotata di stabilizzatore AVR. Dimensioni: 1270x700x1050 mm.

Macchina MULTIENERGY, dotata di potente motore Diesel, 17 HP con raffreddamento a liquido. Costruita su un solido telaio schermato da pannelli fonoassorbenti che riducono il rumore fino a 78 dB (A). Compressore: 2 stadi, 2 cilindri. Serbatoio aria: 80 litri. Aria erogata: 1000 l/min. Pressione max: 12 bar. Motore: Lombardini-Kohler. Generatore monofase/trifase: 220V / 380V6.5kVA / 9.0 kVA. Avviamento elettrico. Dotata di stabilizzatore AVR. Dimensioni: 1160x647x1620 mm.

33 S.r.l UTENSILERIA_MACCHINE UTENSILI FERRAMENTA_ANTINFORTUNISTICA MACCHINE MULTIENERGY
Codice Listino € Netto € UT0020050100100 15.651,00 9.391,00 Codice Listino € Netto € UT002005010010F 21.552,00 12.931,00 Codice Listino € Netto € UT0020050170080 26.604,00 15.962,00
Dimensioni: 1350x550x1050 mm. Codice Listino € Netto € UT0020050140100 11.570,00 6.942,00

SERIE UTILITY, compressori a pistone a secco, portatili. Motore brushless, 2 cilindri, serbatoio da 5 litri in alluminio.

FUNZIONAMENTO A CORRENTE E A BATTERIA

*compatibile con batterie:

34 PREZZI IVA esclusa COMPRESSORI
Codice Alimentazione Presa aria Rumorosità Pressione max Netto € AC200/05 230V - 50Hz 125 l/min 79 dB(A) 9 bar 259,00 Codice Alimentazione Presa aria Rumorosità Pressione max Netto € DC100/05 * 230V - 50Hz + Battery pack 18V 68 l/min 69 dB(A) 8 bar 329,00

M12 BPD-202C Trapano con percussione 12V, 38Nm, 2 velocità, lunghezza 190 mm, peso 1,5 kg. In dotazione: 2 batterie 12V da 2.0 Ah, 1 caricabatterie, 1 valigetta.

M18 BPD-202C Trapano con percussione 18V, 60 Nm, 2 velocità, lunghezza 198 mm, peso 2,1 kg. In dotazione: 2 batterie 18V da 2.0 Ah, 1 caricabatterie, 1 valigetta.

M18 BLHX-502X Tassellatore 18V, motore senza spazzole, 2.3 J, foro max 26 mm, antivibrazione, peso 3,5 kg. In dotazione: 2 batterie 18V da 5.0 Ah, 1 caricabatterie rapido, 1 valigetta Heavy Duty impilabile.

M12 BPRT-201X Rivettatrice compatta 12V, 9000 N, rivetti in rame, alluminio, acciaio e inox da 2.4, 3.2, 4.0 e 4.8 mm, peso 2,1 kg. In dotazione: 1 batteria 12V da 2.0 Ah, 1 caricabatterie, 1 valigetta Heavy Duty impilabile.

Kit 18V brushless M18 CBLPP2A-402C composto da M18 CBLPD Trapano con percussione 18V, motore senza spazzole, 60 Nm, 2 velocità, lunghezza 165 mm, peso 1,8 kg. M18 CBLID Avvitatore ad impulsi 18V compatto, motore senza spazzole, attacco ¼” HEX, 180 Nm coppia max, 1 velocità. In dotazione: 2 batterie 18V da 4.0 Ah, 1 caricabatterie, 1 valigetta.

Kit 18V brushless M18 FPP2BG-502X composto da M18 CBLPD Trapano con percussione 18V, motore senza spazzole, 60 Nm, 2 velocità, lunghezza 165 mm, peso 1,8 kg. M18 FSAG125X Smerigliatrice angolare con interruttore a slitta, motore senza spazzole, tecnologia FUEL™, Ø disco 125 mm, profondità di taglio max 33 mm, peso 2,7 kg. In dotazione: 2 batterie 18V da 5.0 Ah, 1 caricabatterie rapido, 1 valigetta Heavy Duty impilabile.

35 S.r.l UTENSILERIA_MACCHINE UTENSILI FERRAMENTA_ANTINFORTUNISTICA
Codice Netto € 4933441940 169,00 Codice Netto € 4933478892 589,00 Codice Netto € 4933464536 429,00 Codice Netto € 4933443515 259,00 Codice Netto € 4933464405 409,00 Codice Netto € 4933492522 599,00 ELETTROUTENSILI

Smerigliatrice pneumatica dritta – 6 mm. Velocità libera: 25.000 giri/min. Attacco

quadro: 6 mm / 3 mm. Attacco aria: 1/4” NPT. Ø interno tubo: 10 mm. Consumo aria: 113 l/ min. Lunghezza: 161 mm. Peso: 0,4 kg. Potenza: 0,2 Kw. Rumorosità: 84 dBA. Pressione aria raccomandata: 6,2 bar.

Smerigliatrice pneumatica dritta prolungata –6 mm. Velocità libera: 25.000 giri/min. Attacco quadro: 6 mm / 3 mm. Attacco aria: 1/4” NPT. Ø interno tubo: 10 mm. Consumo aria: 113 l/min. Lunghezza: 256 mm. Peso: 0,7 kg. Potenza: 0,2 Kw. Rumorosità: 84 dBA.

Smerigliatrice pneumatica angolare – 6 mm. Velocità libera: 20.000 giri/min. Attacco quadro: 6 mm / 3 mm. Attacco aria: 1/4” NPT. Ø interno tubo: 10 mm. Consumo aria: 113 l/ min. Lunghezza: 165 mm. Peso: 0,5 kg. Potenza: 0,2 Kw. Rumorosità: 84 dBA. Pressione aria raccomandata: 6,2 bar.

Smerigliatrice pneumatica dritta prolungata, 6 mm 1HP. Velocità libera: 20.000 giri/min.

Attacco quadro: 6 mm / 3mm. Attacco

aria: 1/4” NPT. Ø interno tubo aria: 10 mm.

Consumo aria: 150 l/min. Lunghezza totale: 330 mm. Peso: 1,2 kg - Potenza. 1HP / 0,7 Kw.

Rumorosità: 89 dBA.

Smerigliatrice pneumatica angolare a disco. Velocità libera: 12.000 giri/min. Diametro disco: 125 mm. Filettatura mandrino: M14 x 2,0. Attacco aria: 1/4” NPT. Ø interno tubo aria: 10 mm. Consumo aria: 105 l/min. Lunghezza totale: 253 mm. Peso: 1,6 kg. Rumorosità: 86 dBA.

Levigatrice pneumatica orbitale – 5 mm. Velocità libera: 12.000 giri/min. Ø orbitale: 5 mm. Ø platorello: 125 mm. Attacco filettato: 5/16”. Attacco aria: 1/4” NPT. Ø interno tubo: 10 mm. Consumo aria: 57 l/min. Lunghezza: 187 mm. Peso: 0,6 kg. Rumorosità: 76 dBA.

Seghetto pneumatico. Corsa al minuto: 9.000.

Corsa: 10 mm. Attacco aria: 1/4” NPT. Ø interno tubo aria: 10 mm. Consumo aria: 113 l/min. Lunghezza: 235 mm. Peso: 0,5 kg.

Cricchetto pneumatico. Velocità libera: 200 giri/ min. Coppia massima: 68 Nm. Attacco quadro: 1/2”. Attacco aria: 1/4” NPT. Ø interno tubo: 10 mm. Consumo aria: 113 l/min. Lunghezza: 265 mm. Peso: 1,1 kg. Pressione aria raccomandata: 6,2 bar.

Penna automatica antivibrazioni, per incisioni.

Vibrazioni: < 2 m/sec2 Livello sonoro: 65

Db. Consumo: 0,6 l/min. Lunghezza: 132 mm. Peso: 0,16 kg

36 PREZZI IVA esclusa UTENSILI PNEUMATICI
Codice Listino € Netto € UT0020040100060 132,00 79,00 Codice Listino € Netto € UT00200401006P1 304,00 182,00 Codice Listino € Netto € UT0020040600014 210,00 126,00 Codice Listino € Netto € UT002004010006P 182,00 109,00 Codice Listino € Netto € UT0020040100125 443,00 266,00 Codice
€ UT0020040200012 132,00 79,00 Codice Listino € Netto € UT002004010006A 176,00 106,00 Codice Listino € Netto € UT0020040100050 321,00 193,00 Codice Listino € Netto € UT0030010000065 420,00 269,00
Listino € Netto
NEW

Trapano pneumatico – 10 mm. Capacità mandrino: 10 mm. Attacco filettato: 3/8”. Attacco aria: 1/4” NPT. Ø interno tubo: 10 mm. Consumo aria: 113 l/min. Lunghezza: 195 mm. Peso: 1 kg. Pressione aria raccomandata: 6,2 bar.

Trapano pneumatico – 13mm. Capacità mandrino: 13 mm. Attacco filettato:

3/8”. Attacco aria: 1/4” NPT. Ø interno tubo: 10 mm. Consumo aria: 113 l/min.

Lunghezza: 219 mm. Peso: 1,3 kg. Pressione aria raccomandata: 6,2 bar.

Nm. Velocità libera: 7000 giri/min. Ingresso aria: 1/4”. Lunghezza: 341 mm. Peso: 1,8 kg.

Pressione utilizzo: 6,3 bar. Ø interno tubo: 10 mm. Vibrazioni: 43,5 m/s2. Pressione sonora: 97 dB(A).

Martello pneumatico. Colpi al minuto: 2.600. Corsa pistone: 73 mm. Ø pistone: 10,2 mm. Attacco aria: 1/4” NPT. Ø interno tubo: 10 mm. Consumo aria: 113 l/min. Lunghezza: 211 mm. Peso: 2,2 kg. Pressione aria raccomandata: 6,2 bar.

Maschiatrice pneumatica per filettature precise. Velocità: 400 giri/min. Capacità: M3-M12. Consumo aria: 500 l/m. Attacco

mandrino: B12. Attacco aria: 1/4”. Lunghezza: 280 mm. Peso: 1,8 kg.

37 S.r.l UTENSILERIA_MACCHINE UTENSILI FERRAMENTA_ANTINFORTUNISTICA UTENSILI PNEUMATICI
Codice Tipologia Velocità libera Listino € Netto € UT0020040300010 reversibile 2000 giri/min 189,00 113,00 UT0020040400010 non reversibile 2200 giri/min 196,00 118,00 Codice Tipologia Velocità libera Listino € Netto € UT0020040300013 reversibile 800 giri/min 196,00 149,00 UT0020040400013 non reversibile 500 giri/min 287,00 172,00 Codice Listino € Netto € UT0020040010012 706,00 424,00 Codice Listino € Netto € UT0020040500010 264,00 158,00 Codice Listino € Netto € UT0030010000400 1.419,60 865,00 NEW

RACING 100 PLUS, avvitatore portatile pneumatico ad impulsi, con attacco quadro 1”, masse battenti a doppio martello, tre regolazioni di potenza, impugnatura ergonomica, con anello di ritegno e OR. Capacità bullone: M18/M36; Coppia max: 3.428 Nm; Coppia raccomandata: 520-2.120 Nm; Pressione esercizio: 6,3 bar - 5.000 giri/min; Entrata aria: 1/2” NPT; Ø interno tubo alimentazione: 13 mm; Pressione sonora: 98 dBA; Vibrazioni: 16,4 m/s2; Lunghezza: 275 mm (albero corto); 416 mm (albero lungo); Peso: 7,4 kg (albero corto); 8,3 kg (albero lungo).

340 NEW, avvitatore portatile pneumatico ad impulsi, con attacco quadro 3/4”, albero corto, masse battenti a doppio martello, design ergonomico ed evoluta fluidodinamicità, con anello di ritegno e OR. Capacità bullone: M14/M24; Coppia max: 2.050 Nm; Coppia raccomandata: 270-1.630 Nm; Pressione esercizio: 6,3 bar - 5.000 giri/min; Entrata aria: 3/8” NPT; Ø interno tubo alimentazione: 13 mm; Pressione sonora: 97 dBA; Vibrazioni: 10,2 m/s2; Lunghezza: 220 mm; Peso: 3,4 kg.

RACING 340 PLUS, avvitatore portatile pneumatico ad impulsi, con attacco quadro 3/4”, albero corto, masse battenti a doppio martello, controllo F/R ad una mano, design ergonomico bilanciato, con anello di ritegno e OR. Capacità bullone: M12/ M22; Coppia max: 1.765 Nm; Coppia raccomandata: 270-1.500 Nm; Pressione esercizio: 6,3 bar - 6.000 giri/min; Entrata aria: 3/8” NPT; Ø interno tubo alimentazione: 13 mm; Pressione sonora: 97 dBA; Vibrazioni: 7,3 m/s2; Lunghezza: 222 mm; Peso: 3,7 kg.

120 PRO, avvitatore portatile pneumatico ad impulsi, con attacco quadro 1/2”, albero corto, masse battenti a doppio martello, invertitore ergonomico a switch posteriore, regolazione di potenza controllata, corpo motore in materiale composito.

Capacità bullone: M10/M18; Coppia max: 1355

Nm; Coppia raccomandata: 70-800 Nm; Pressione esercizio: 6,3 bar - 8500 giri/min; Entrata

aria: 1/4” NPT; Ø interno tubo: 10 mm; Pressione

sonora: 96 dBA; Vibrazioni: 8,9 m/s2; Lunghezza: 195 mm; Peso: 2,1 kg.

RACING 120 PLUS, avvitatore portatile pneumatico ad impulsi, con attacco quadro 1/2”, albero corto, masse battenti a doppio martello, regolazione di potenza controllata, impugnatura ergonomica, con anello di ritegno e OR. Capacità bullone: M8/M16; Coppia max: 624 Nm; Coppia raccomandata: 40-350 Nm; Pressione esercizio: 6,3 bar - 12.000 giri/min; Entrata aria: 1/4” NPT; Ø interno tubo alimentazione: 10 mm; Pressione sonora: 89 dBA; Vibrazioni: 7,7 m/s2; Lunghezza: 157 mm; Peso: 1,2 kg.

COMPACT RACING 120 PLUS, avvitatore portatile pneumatico ad impulsi, ultra compatto, con attacco quadro 1/2”, albero corto, massa battente Jumbo, design ergonomico ed evoluta fluidodinamicità, con anello di ritegno e OR. Capacità bullone: M10/M16; Coppia max: 880 Nm; Coppia raccomandata: 45-575 Nm; Pressione esercizio:

6,3 bar - 9.000 giri/min; Entrata aria: 1/4” NPT; Ø interno tubo alimentazione: 10 mm; Pressione sonora: 92 dBA; Vibrazioni: 7,4 m/s2; Lunghezza: 110 mm; Peso: 1,3 kg.

38 PREZZI IVA esclusa UTENSILI PNEUMATICI
Codice Albero Listino € Netto € UT002004000001C corto 1.869,00 1.121,00 UT0020040000010 lungo 2.031,00 1.219,00 Codice Listino € Netto € UT002004000120P 323,00 139,00 Codice Listino € Netto € UT002004000340N 1.078,00 647,00 Codice Listino € Netto € UT0020040000120 338,00 203,00 Codice Listino € Netto € UT0020040000340 1.149,00 689,00 Codice Listino € Netto € UT002004001200C 338,00 203,00 ULTRA compatto ULTRA COMPATTO
NEW
1.355 Nm
39 S.r.l UTENSILERIA_MACCHINE UTENSILI FERRAMENTA_ANTINFORTUNISTICA UTENSILI MANUALI KIT BUSSOLE ACCESSORI Codice Listino € Netto € UM00503700173KT 424,00 169,00
172 pezzi
5037 KT Assortimento bussole ed accessori, in valigetta di plastica. Composto da 172 pz. da 1/2” – 1/4” – 3/8”.

5022 Giravite per viti con intaglio, lama in acciaio al Cromo Vanadio di qualità, finitura satinata, punta nera, impugnatura ergonomica tricomponente.

5022 KT07 - Serie di 7 giraviti per viti con intaglio e impronta a croce PHILLIPS, lama in acciaio Cromo Vanadio, finitura satinata, manico ergonomico tricomponente. Misure: 3x804x100-5,5x125-6,5x150PH1-PH2-PH3.

5022 R Giravite reversibile per viti con intaglio e impronta a croce PHILLIPS e POZIDRIV, lama in acciaio al Cromo Vanadio di qualità, finitura satinata, punta nera, impugnatura ergonomica tricomponente.

5022 PH Giravite per viti con impronta a croce PHILLIPS, lama in acciaio al Cromo Vanadio di qualità, finitura satinata, punta nera, impugnatura ergonomica tricomponente.

5090 - Portainserti magnetico con impugnatura, lama in acciaio Cromo Vanadio, finitura satinata, manico ergonomico tricomponente.

5033 KT11 - Set portainserti magnetico con inserti, composto da 10 inserti per viti con intaglio (0,8x5,5-1x6), impronta a croce PHILLIPS (PH1-PH2-PH3), impronta a croce POZIDRIV (PZ1-PZ2), impronta TORX (TX20-TX25-TX30), con 1 portainserti magnetico 1/4”-6,3mm

40 PREZZI IVA esclusa UTENSILI MANUALI GIRAVITI
Codice Listino € Netto € UM005033000KT11 18,07 11,74 Codice Misura Listino € Netto € UM0050900001463 D. 6,3mm inserti 1/4” 11,20 7,28 Codice Misura Listino € Netto € UM0050220402575 0,4x2,5x75mm 4,89 2,05 UM0050221208175 1,2x8x175mm 10,76 4,54 Codice Misura Listino € Netto € UM00502200060PH 0x60mm 4,94 2,08 Codice Misura Listino € Netto € UM005022000000R 6 mm (intaglio) - 0-1-2-3 mm (PH-PZ) 9,57 4,60
Codice Listino € Netto € UM005022000KT07 42,99 25,79

5021 Giravite cercafase tascabile, Lama fissa in acciaio temprato, impugnatura bicomponente, con clip da taschino. Per tensione 220-250Volt, isolamento a 1000Volt, collaudato VDE, EN 0680

5067 KT06 Assortimento cacciaspine, in acciaio al cromo vanadio, esecuzione cromata, 6 pz.

5028 KT07 Serie chiavi maschio esagonale piegate, con impugnatura, Acciaio speciale al Cromo Vanadio, finitura satinata, punta nera. Per viti con esagono incassato, impugnatura ergonomica in materiale bicomponente. incassato, consentono operazioni con inclinazioni fino a 25° rispetto all’asse della vite, supporto in plastica.

41 S.r.l CCHINE UTENSILI TUNISTICA UTENSILI MANUALI VARIE
Codice Misura Listino € Netto € UM0050210531140 0,5x31 mm 4,64 3,25 Codice Composizione Ø Peso Listino € Netto € UM0050670100KT6 2-3-4-5-6-8 mm 420 gr 82,91 45,90 Codice Listino € Netto € UM005028000KT07 2,5-3-4-5-6-8-10 mm 26,94 12,40 Codice Listino € Netto € UM005028000KT09 1,5-2-2,5-3-4-5-6-8-10 mm 27,82 16,90 UM006080000140P 1/4” 90 mm 2,07 1,00 UM006080000120P 1/2” 132 mm 11,87 5,71 UM006080000332P 3/32” 56 mm 0,75 0,36 UM006080000316P 3/16” 80 mm 1,70 0,82 UM006080000380P 3/8” 105 mm 6,59 3,17 UM006080000564P 5/64” 50 mm 0,57 0,27 UM006080000532P 5/32” 70 mm 1,13 0,54 UM006080000516P 5/16” 100 mm 5,28 2,54 UM006080000764P 7/64” 57 mm 0,75 0,36 UM006080000732P 7/32” 85 mm 2,07 1,00 UM006080000964P 9/64” 64 mm 0,88 0,42 Codice Descrizione Listino € Netto € UM0060800000KT1 Serie 13 pz. (1 pz per misura) 6080/P 34,99 16,85
42 PREZZI IVA esclusa UTENSILI MANUALI CHIAVI MANOVRA
tipo corto, in acciaio al cromo vanadio, esecuzione cromata, testa inclinata e piegata a 15°.
Codice Pezzi Misure Supporto Listino € Netto € UM006085000KT08 8 8-10-11-12-13-14-17-19 mm plastica rigida 48,95 31,33 UM00608500KT12S 12 6-7-8-9-10-11-12-13-14-17-19-22 mm plastica rigida 72,60 46,46 UM006085000KT12 12 6-7-8-9-10-11-12-13-14-17-19-22 mm busta nylon 72,60 46,46 UM006085000KT17 17 6-7-8-9-10-11-12-13-14-15-16-17-1819-20-21-22 mm busta nylon 116,00 74,24 UM006085000KT09 9 6-8-10-11-12-13-14-17-19 mm senza supporto 52,50 26,25 UM006085000KT26 26 6-7-8-9-10-11-12-13-14-15-16-17-1819-20-21-22-23-24-25-26-27-28-2930-32 mm senza supporto 266,76 133,40 Codice Pezzi Misure Supporto Listino € Netto € UM006052000KT8S 8 6x7-8x9-10x11-12x13-16x17-18x1920x22-21x23 mm plastica rigida 47,55 30,43 UM006052000KT8B 8 6x7-8x9-10x11-12x13-14x15-16x1718x19-20x22 mm busta nylon 41,70 26,69 UM00605200KT12S 12 6x7-8x9-10x11-12x13-16x17-18x1920x22-21x23-24x26-24x27-25x2830x32 mm plastica rigida 111,60 71,42 UM006052000KT12 12 6x7-8x9-10x11-12x13-14x15-16x1718x19-20x22-24x27-25x28-30x32 mm busta nylon 103,40 66,18 NEW NEW
in acciaio al cromo vanadio, esecuzione cromata. Serie da 8 - 12 pezzi.

Pinza regolabile autobloccante con ganasce concave, esecuzione nichelata, presa sicura di materiale tondo, piatto e sagomato, vite di regolazione e leva interna di rilascio a scatto, DIN ISO 5743.

* manici senza rivestimento

Pinza regolabile autobloccante con ganasce a collo di cigno, esecuzione nichelata, presa sicura di materiale piatto e sagomato, vite di regolazione e leva interna di rilascio a scatto, DIN ISO 5743, per il serraggio di pezzi e profili voluminosi con spessore fino a 40mm.

re, forma svedese, impugnatura con profilo a doppia T, ganasce piegate a 90°, dentatura temperata ad induzione, ghiera con dispositivo anticaduta, DIN ISO 5234.

43 S.r.l CCHINE UTENSILI A_ANTINFORTUNISTICA UTENSILI MANUALI GIRATUBI
Codice (mm) Listino € Netto € UM0060020000270 270 61,32 39,24 UM0060020000335 335 62,83 40,21 UM0060020000430 430 82,06 52,52 UM0060020000550 550 135,27 86,57 UM0060020000700 700 221,45 139,51 Codice (mm) Listino € Netto € UM0060010090325 325 55,62 36,15 UM0060010090415 415 74,06 47,40 UM0060010090540 540 113,88 72,88 UM0060010090685 685 231,95 148,45 UM0060010090750 750 317,03 202,90 Codice (mm) Listino € Netto € UM00400100R0180 180 27,36 14,39 UM00400100R0250 240 29,22 18,99 UM00400100R0300 300 43,88 28,52 UM00400100SR255 * 240 35,26 22,92 UM00400100SR305 * 300 49,20 31,98 Codice (mm) Listino € Netto € UM00400100A0180 180 32,44 21,10 UM00400100A0250 250 34,44 22,38 UM00400100A0300 300 60,77 39,50 Codice (mm) Listino € Netto € UM00400200A0280 280 53,22 34,06

Pinza universale, manici ergonomici, testa pulita, taglienti durezza 60 HRC, per il taglio di fili metallici a bassa ed alta resistenza, becchi con superficie di contatto zigrinata per la presa di materiale piano e tondo e per tubi filettati, DIN ISO 5746, per impiego universale; disponibile nelle versioni con manici rivestiti in materiale bicomponente, manici isolati 1000V VDE e manici rivestiti in resina sintetica.

manici ergonomici, testa pulita, taglienti durezza 64 HRC, per il taglio di fili metallici a bassa ed alta resistenza, becchi con 4 punti di contatto per una presa sicura, taglienti allungati per tagli precisi, DIN disponibile nelle versioni con manici rivestiti in materiale bicomponente e con manici rivestiti in resina sintetica.

Pinza per meccanica, a becchi mezzotondi diritti e tronchese, manici ergonomici, testa pulita, taglienti durezza 60 HRC, becchi mezzotondi diritti, lunghi, con interni zigrinati e tronchese, DIN ISO 5745, per lavori di precisione e taglio di fili; disponibile nelle versioni con manici rivestiti in materiale bicomponente e con manici isolati 1000V VDE.

Pinza per meccanica, a becchi mezzotondi piegati e tronchese, manici ergonomici, testa pulita, taglienti durezza 60 HRC, becchi mezzotondi piegati a 40°, lunghi, con interni zigrinati e tronchese, DIN ISO 5745, per lavori di precisione e taglio di fili con ottima visuale dello spazio di lavoro; disponibile nelle versioni con manici rivestiti in materiale bicomponente e con manici isolati 1000V VDE.

* manici isolati 1000V, VDE

* manici isolati 1000V, VDE

44 PREZZI IVA esclusa UTENSILI MANUALI PINZE
sfaccettatura per un migliore accesso, DIN ISO 5746, per impiego universale.
Codice (mm) Listino € Netto € UM00200100BH160 160 28,33 17,56 UM00200100BH180 180 30,08 18,65 UM00200100BH200 200 44,46 27,57 UM00200100PH160 * 160 22,80 14,14 UM00200100PH200 * 200 32,72 20,29 UM002001000H180 ** 180 37,93 26,55 UM002001000H200 ** 200 44,46 31,12 Codice (mm) Listino € Netto € UM00100100LB160 160 26,54 17,78 UM00100100LB200 200 34,61 23,19 UM00100100LV160* 160 39,62 26,55 Codice (mm) Listino € Netto € UM001002000L451 160 30,66 22,99 UM001002000L452 200 40,57 30,43 UM00100200LV451* 160 42,26 31,70 Codice (mm) Listino € Netto € UM00200300PH180 180 27,88 19,51 UM002003000B180* 180 31,44 16,66 Codice (mm) Listino € Netto € UM002002000B200 200 38,83 27,18 * manici rivestiti in resina sintetica (pvc) ** manici isolati a 1000V, VDE 1000V 1000V 1000V

DIN ISO 5745, per lavori di presa e montaggio in spazi ristretti.

Pinza per anelli di sicurezza esterni, con becchi piegati a 90°, rivestiti in resina sintetica (pvc), testa bonderizzata nera, per il montaggio di anelli di sicurezza esterni (DIN 471 e DIN 983) su alberi da Ø 3 – 140mm, punte piegate a 90° resistenti antiscivolo, DIN ISO 5254 B.

Pinza per anelli di sicurezza esterni, testa bonderizzata nera, per il montaggio di anelli di sicurezza esterni (DIN 471 e DIN 983) su alberi da Ø 3 – 140mm, punte diritte resistenti antiscivolo, DIN ISO 5254 A.

45 S.r.l UTENSILERIA_MACCHINE UTENSILI TUNISTICA UTENSILI MANUALI PINZE
Codice (mm) Listino € Netto € UM001003000L160 160 27,19 20,39 Codice (mm) Ø foro (mm) Listino € Netto € UM0030020SI0813 135 8-13 22,66 14,50 UM0030020SI1025 135 12-25 22,93 14,68 UM0030020SI1960 180 19-60 25,10 16,06 UM0030020SI4010 225 40-100 31,24 19,68 UM0030020SI8514 320 85-140 47,45 29,89 Codice (mm) Ø albero (mm) Listino € Netto € UM0030010EP0310 135 8-13 29,49 18,58 UM0030010EP1025 135 12-25 26,64 16,78 UM0030010EP1960 180 19-60 28,70 18,08 UM0030010EP4010 225 40-100 35,23 22,19 UM0030010EP8514 320 85-140 54,01 34,02 Codice (mm) Ø albero (mm) Listino € Netto € UM0030010SE0310 135 8-13 31,24 19,68 UM0030010SE1025 135 12-25 26,37 16,61 UM0030010SE1960 180 19-60 26,51 16,70 UM0030010SE4010 225 40-100 33,44 21,07 UM0030010SE8514 320 85-140 52,12 32,83 Codice (mm) Ø foro (mm) Listino € Netto € UM0030020IP0813 135 8-13 24,72 15,57 UM0030020IP1025 135 12-25 25,37 15,98 UM0030020IP1960 180 19-60 27,53 17,35 UM0030020IP4010 225 40-100 34,99 22,04 UM0030020IP8514 320 85-140 48,55 30,58

bicomponente isolati a 1000 Volt, collaudati VDE, taglienti durezza 62 HRC, DIN ISO 5749, per impiego universale.

manici ergonomici, testa bonderizzata, taglienti durezza 64 HRC, per il taglio di fili metallici a bassa resistenza e filo armonico, con molla di apertura, DIN ISO 5749, punte taglienti resistenti per utilizzi gravosi e duraturi; disponibile nelle versioni con manici rivestiti in resina sintetica, manici in materiale bicomponente e manici isolati 1000V, VDE.

Manici ergonomici, Testa pulita, per conduttori unipolari, a più fili, a fili sottili con isolamento in resina sintetica o gomma. Ø massimo cavi 5mm, sezione 10 mm². Molla, vite di regolazione zigrinata e controdado

* manici isolati 1000V, VDE ** manici in materiale bicomponente

Pinza spellafili automatica, ideale per l’incisione della guaina dei cavi in materiale plastico, con regolazione automatica.

46 PREZZI IVA esclusa UTENSILI MANUALI PINZE
Codice (mm) Listino € Netto € UM0050020MF0160 160 35,94 21,93 UM0050020MF0200 200 45,60 27,82 UM00500200F0160 * 160 52,77 33,77 UM0050020MB0160 ** 160 43,66 26,20 UM0050020MB0200 ** 200 54,26 32,56 Codice (mm) Listino € Netto € UM00500400M0200 210 83,70 62,78 Codice (mm) Listino € Netto € UM00500100D0160 160 43,05 27,55 Codice (mm) Listino € Netto € UM00500500M0160 160 39,06 19,75
Codice ø filo (mm) (mm) Listino € Netto € UM00500500A0170 0,2 ÷ 6 170 35,17 22,51
1000V 1000V

Tronchese a doppia leva, snodo innovativo e duraturo con doppia leva di precisione assistita, taglienti durezza 64 HRC, tagliente robusto e duraturo per il taglio sicuro e preciso di fili metallici a bassa ed alta resistenza e per filo armonico, molla e fermo di chiusura integrati per lavori con una sola mano, DIN ISO 5743.

Troncabulloni, testa intercambiabile bonderizzata nera, manici a leva con angolazione ergonomica in acciaio tubolare, capacità di taglio fino a durezza 44 HRC, durezza taglienti 62 HRC, impugnature robuste e maneggevoli, lama in acciaio al cromo vanadio ad alte prestazioni, DIN ISO 5743.

Tagliacavo in acciaio speciale, testa lucida, impugnatura isolata, ideale per il taglio di cavi di rame e alluminio.

47 S.r.l UTENSILERIA_MACCHINE UTENSILI FERRAMENTA_ANTINFORTUNISTICA UTENSILI MANUALI PINZE
Codice (mm) Listino € Netto € UM0070010010220 220 22,52 14,64 UM0070010010250 250 24,34 15,82 UM0070010010280 280 26,54 19,11 Codice (mm) Listino € Netto € UM0070020020460 460 118,24 66,22 UM0070020020620 620 139,39 80,85 UM0070020020780 780 195,97 113,66 UM0070020020900 900 269,34 156,22 Codice (mm) Cap. taglio ø Listino € Netto € UM0050480100600 600 120 mm 166,10 89,69 UM0050480100900 900 240 mm 179,22 96,78 Codice (mm) Listino € Netto € UM00500300B0200 200 74,23 48,25

Cesoia a doppia leva, tagliente diritto, lame in acciaio al carbonio, taglio diritto, impugnatura plastificata, esecuzione brunita, adatta al taglio di lamiere.

UTENSILI MANUALI CESOIE

Cesoia modello Italia, con lame in acciaio al carbonio, impugnatura plastificata, esecuzione brunita.

Cesoia a doppia leva, tagliente destro lame in acciaio al carbonio, taglio destro, impugnatura plastificata, esecuzione brunita, adatta al taglio di lamiere.

Cesoia a doppia leva, tagliente sinistro, lame in acciaio al carbonio, taglio sinistro, impugnatura plastificata, esecuzione brunita, adatta al taglio di lamiere.

Cesoia a doppia leva, tagliente passante destro, lame in acciaio al carbonio, taglio passante destro, impugnatura plastificata, esecuzione brunita, adatta al taglio di lamiere.

Cesoia a doppia leva, tagliente passante sinistro, lame in acciaio al carbonio, taglio passante sinistro, impugnatura plastificata, esecuzione brunita, adatta al taglio di lamiere.

48 PREZZI IVA esclusa
Codice (mm) Peso (gr) Listino € Netto € UM007004001250D 250 480 31,94 19,16 Codice (mm) Peso (gr) Listino € Netto € UM00700400125DX 250 480 31,94 19,16 Codice (mm) Peso (gr) Listino € Netto € UM00700400125SX 250 480 31,94 19,16 Codice (mm) Peso (gr) Listino € Netto € UM00700400126PD 260 550 44,50 26,70 Codice (mm) Peso (gr) Listino € Netto € UM00700400126PS 260 550 44,50 26,70 Codice (mm) Peso (gr) Listino € Netto € UM0070030010022 220 350 25,48 15,29 UM0070030010024 240 460 27,42 16,45 UM0070030010026 260 485 30,33 18,20 UM0070030010028 280 685 34,09 20,46
TAGLIO DIRITTO TAGLIO DESTRO TAGLIO SINISTRO TAGLIO PASSANTE DESTRO TAGLIO PASSANTE SINISTRO

Forbici per elettricista SVolta, per uso professionale, con lame e corpo in acciaio altamente tecnologico inox Mo-Va, durezza 58-60HRC. Lame microdentate finissime, 0.25mm, impugnature ergonomiche in nylon con una percentuale del 30% di fibra di vetro, doppia presa antiscivolo su entrambi gli anelli per una maggiore forza, appoggiadito antiscivolo, con fessura sulla lama per la pulizia di parti in plastica nelle scatole elettriche. Movimento scorrevole per un taglio netto su cavi con diametro 50 mm2, taglio netto su cavi in rame con spessore fino a 0.5mm, funzione di crimpaggio integrata: può crimpare terminali da 0.5-4 mm2, elevate performance pro-grip antiusura.

Forbici per elettricista, con lame in acciaio inox, spessore 3mm, durezza 50-52HRC. Impugnature ergonomiche in bimateriale (nylon + TPR). Lama microdentata finissima; doppia presa per una maggiore forza. Forbici specifiche per elettricisti.

Forbici Multiuso, con lame in acciaio inox, durezza 50-52HRC e rivestimento al titanio. Una lama microdentata antiscivolo e una lama a rasoio; impugnature ergonomiche in bimateriale, soft touch. Forbici ideali per il taglio di gomma, cartone, cuoio, stoffa,ecc.

49 S.r.l UTENSILERIA_MACCHINE UTENSILI FERRAMENTA_ANTINFORTUNISTICA
Codice Lunghezza (mm) Listino € Netto € SP000100500017 160 16,33 9,90 Codice Lunghezza (mm) Listino € Netto € SP000100500016 145 32,50 19,50 Codice Lunghezza (mm) Listino € Netto € SP000100500018 140 6,47 3,90 SP000100500019 165 7,08 4,40 SP000100500020 205 8,38 5,50 SP000100500021 230 10,30 6,50 UTENSILI MANUALI FORBICI
Leggi il QR code per guardare il video tutorial
TOP QUALITY
50 PREZZI IVA esclusa UTENSILI MANUALI MARTELLI
5080 Mazzetta per muratori e minatori. Doppia testa piana quadra in acciaio temperato, esecuzione verniciata, manico in legno. UNI 7777 - DIN 6475.
Codice Ø (mm) (mm) Peso (gr) Listino € Netto € UM0050780000030 30 310 305 20,14 12,28 UM0050780000050 50 320 445 24,87 15,17 UM0050780000060 60 320 575 25,51 16,58 Codice Ø (mm) (mm) Peso (gr) Listino € Netto € UM0050760000022 22 260 135 26,16 17,53 UM0050760000028 28 280 245 29,30 19,63 UM0050760000035 35 310 400 34,77 23,30 UM0050760000042 42 310 625 43,60 29,21 UM0050760000050 50 320 905 59,69 39,99 UM0050760000060 60 380 1450 76,66 51,36 Codice Ø (mm) (mm) Peso (gr) Listino € Netto € UM0050800001000 1000 260 1150 23,05 13,83 UM0050800001250 1250 260 1390 25,23 15,14 UM0050800001500 1500 280 1690 30,15 18,09 UM0050800002000 2000 300 2250 35,10 21,06 Codice Gr. (mm) Peso (gr) Listino € Netto € UM0050820000100 100 265 180 9,77 6,06 UM0050820000200 200 280 255 9,94 6,16 UM0050820000300 300 300 410 12,68 7,86 UM0050820000400 400 310 510 14,20 8,80 UM0050820000500 500 320 600 15,35 9,51 UM0050820000600 600 330 700 17,81 11,04 UM0050820000800 800 350 960 20,75 12,87 UM0050820001000 1.000 360 1.150 22,54 13,98
5076 Mazzuola con tasselli intercambiabili in materiale plastico (poliuretano), corpo in acciaio al carbonio e manico in legno. UNI 7784.

3 RIPIANI

CARRELLO PORTAUTENSILI A 3 RIPIANI, VUOTO

Struttura in lamiera d’acciaio, con 3 piani di appoggio; 2 ruote fisse e 2 piroettanti (diametro 100mm); maniglia esterna in ferro. Colore: struttura grigio, ripiani arancione. Disponibile nelle versioni Standard e Large.

Borsa portautensili in tessuto tecnico ad alta resistenza, barra in metallo con impugnatura in spugna, tasche interne ed esterne, tappetino poggia ginocchio; dimensioni 420x240x300mm; peso 2000gr.

Borsa portautensili in tessuto rinforzato, impermeabile, con tracolla confortevole, removibile e regolabile. Tasche interne ed esterne multiple con coperture; sistema di cerniere in metallo; manici robusti; angoli rinforzati per mantenere sempre il corpo in posizione verticale. Dimensioni 46Ox27Ox37Omm; peso 1100gr.

Zaino per impieghi gravosi, in tessuto impermeabile di altissima qualità; fondo rinforzato e chiusure speciali in metallo. 22 diversi scomparti, tra cui uno scomparto specifico con supporto per PC, tablet e laptop. Morbido supporto per la schiena; manici robusti regolabili, in tessuto imbottito. Dimensioni 390x170x490mm; peso 1000gr.

Valigia in alluminio per elettricista, con bordi arrotondati, due pannelli portautensili con tasche, fondo termoformato con vaschetta portaminuteria; dimensioni 48x39x20cm; peso 7200gr.

Valigia in ABS antiurto professionale, due pannelli portautensili con tasche, fondo con divisori removibili, ruote con cuscinetti a sfera, maniglia telescopica, serratura con combinazione a tra cifre; dimensioni 43,9x31,2x20cm; peso 4000gr.

51 S.r.l UTENSILERIA_MACCHINE UTENSILI FERRAMENTA_ANTINFORTUNISTICA
Codice Dimensioni (mm) Dimensioni ripiani (mm) Peso (kg) Portata (kg) Listino € Netto € SP000100500003P 820x435x790 435x820 19,9 210 330,00 149,00 SP00010050003PL 1000x600x825 600x885 28,2 210 420,00 189,00 Codice Listino € Netto € SP000100500014 114,00 55,90 Codice Listino € Netto € SP000100500022 113,10 62,20 Codice Listino € Netto € SP000100500023 99,45 54,70 Codice Listino € Netto € SP000100500012 314,40 163,00 Codice Listino € Netto € SP000100500010 613,90 319,00
PER ELETTRICISTA NEW NEW CARRELLI E BORSE PORTAUTENSILI

CHIAVE COMBINATA 285 X PERFETTA SU ESAGONI NUOVI, EFFICACE SU ESAGONI DANNEGGIATI.

Forchetta inclinata

Angolo di 15° rispetto all’asse della chiave.

30%

Sezione a doppia T Massima resistenza alla flessione.

30% PIÙ LUNGA DI UNA NORMALE CHIAVE 285

Questo permette di applicare una coppia del 30% superiore rispetto alla chiave standard.

Profili speciali

Il profilo interno di forchetta ed anello, è studiato per manovrare esagoni nuovi e lavorare con efficacia anche su esagoni molto danneggiati.

Occhio disassato

Per dadi e bulloni incassati in posizioni di difficile accesso.

52 PREZZI IVA esclusa
UTENSILI MANUALI CHIAVI MANOVRA
285 X/SE12 Serie di 12 chiavi combinate, 285 X/8-9-10-11-12-13-14-15-16-17-1819 mm. 285 X/B8
Codice mm. Pezzi Listino € Netto € U02850950 8÷19 mm 8 115,00 79,00 Codice mm. Pezzi Listino € Netto € U02850951 8÷19 mm 12 161,00 113,00 NEW NEW NEW
Serie di 8 chiavi combinate, 285 X/8-10-11-12-13-14-17-19 mm. Fornita in busta in tessuto in alta resistenza.

280 T/SE7

Serie di 7 chiavi a T con maschio esagonale 280

mm.

210 mm di lunghezza

1 4

Chiave 280 TQ con portainserti e portabussole. Chiave a T portainserti. Doppio portainserti esagonale magnetico da 1/4”. Capacità massima del portainserti: inserto per viti esagonali incassate misura 6 mm oppure viti Torx misura T40. Estremità con quadro portabussole da 1/4”. Acciaio speciale altamente legato al cromo vanadio.

Esecuzione cromata.

280 HG/SE6 Serie di 6 chiavi maschio esagonale con impugnatura 280 HG/2,5-3-4-5-6-8 mm.

53 S.r.l UTENSILERIA_MACCHINE UTENSILI FERRAMENTA_ANTINFORTUNISTICA
UTENSILI MANUALI CHIAVI A T Codice Pezzi Listino € Netto € U02800903 7 119,00 83,50 Codice Pezzi Listino € Netto € U02801460 6 79,00 55,00
NEW Codice Listino € Netto € U02800800 37,00 25,90
magnetico da 1/4”
da 1/4” per bussole
Portainserti
Attacco quadro
T/2-2,5-3-4-5-6-8

1,9mt

Banco da lavoro COMPACT, con piano superiore e ripiano inferiore in ferro zincato resistente agli acidi ed alla corrosione, snello ma resistente. Lunghezza piano 1,5/1,9 mt. Possibilità di aggiungere cassetto con guide a sfera ad estrazione totale, senza serratura. Colore Blu, RAL5015.

54 PREZZI IVA esclusa 850 700
Codice Descrizione Listino € Netto € AI01002000015NS COMPACT - 1,5 mt. - senza cassetto 705,00 329,00 AI01002000019NS COMPACT - 1,9 mt. - senza cassetto 960,00 419,00 AI01002000000CS CASSETTO universale per banco COMPACT 135,00 63,00 1,5mt
BANCHI DA LAVORO

CONTROLLO E MONITORAGGIO

DA REMOTO DEL MACCHINARIO E DELLE

ATTREZZATURE EROGATE

RIDUZIONE DEI TEMPI DI PRELIEVO, PER L’AUMENTO DELLA

PRODUTTIVITÀ DEI LAVORATORI

POSSIBILITÀ DI GESTIRE FINO A 6 DIFFERENTI CONFIGURAZIONI PER PIANO

DISPONIBILITÀ DI OLTRE 400

ARTICOLI NELLE DIVERSE CATEGORIE

FUNZIONE

DI RESTITUZIONE

RIDUZIONE DEI CONSUMI DEL 30%, DEI COSTI DI TRASPORTO E DI MAGAZZINO

T-tooly, distributore automatico per DPI. Il distributore automatico per DPI T-tooly Ttake con touch screen 7” o 10” facilita la distribuzione delle attrezzature di sicurezza in azienda: con l’interfaccia semplice ed intuitiva, garantisce infatti numerosi vantaggi per la logistica aziendale interna. L’utente può prelevare liberamente con il proprio badge aziendale ed il distributore tiene traccia delle transazioni.

Leggi il QR code per guardare il video tutorial.

55 S.r.l UTENSILERIA_MACCHINE UTENSILI FERRAMENTA_ANTINFORTUNISTICA DISTRIBUTORI AUTOMATICI Codice Schermo Scomparti Capacità max Dimensioni (cm) Peso (kg) Netto € IM00400100100TT 7” 96 432 71 x 75 x 183h 200 a richiesta IM00400100200TT 10” 96 432 71 x 75 x 183h 200 a richiesta

Ruota con nucleo in lamiera stampata e zincata, con supporto rotante a piastra; anello in gomma piena nera a profilo trapezoidale; gruppo rotante realizzato con doppia corona di sfere. Codolo non incluso.

Ruota con nucleo in lamiera stampata e zincata, con supporto fisso a piastra; anello in gomma piena nera a profilo trapezoidale. Codolo non incluso.

Ruota con nucleo in lamiera stampata e zincata, con supporto rotante a piastra e freno totale anteriore; anello in gomma piena nera a profilo trapezoidale; gruppo rotante realizzato con doppia corona di sfere. Codolo non incluso.

56 PREZZI IVA esclusa
Codice Ø (mm) Portata (kg) Mozzo Listino € Netto € RU0010109431233 80 50 con cuscinetto a rullini 11,75 8,23 RU0010109431234 100 70 con cuscinetto a rullini 12,65 8,86 RU0010109431235 125L 100 con cuscinetto a rullini 15,50 10,85 RU0010109354323 125 110 con cuscinetto a rullini 16,95 11,87 RU0010109354314 140 140 con cuscinetto a rullini 18,54 12,98 RU0010109354325 150 150 con cuscinetto a rullini 20,83 14,58 RU0010109354316 150 S 140 con cuscinetto a rullini 20,71 14,49 RU0010109996825 150LL 140 con cuscinetto a rullini 19,92 13,94 RU0010109354326 160 160 con cuscinetto a rullini 22,49 15,74 RU0010109996316 180 180 con cuscinetto a rullini 31,45 22,01 RU0010109431247 200 220 con cuscinetto a rullini 33,37 23,36 RU0010109354329 250 300 con cuscinetto a rullini 89,66 62,76 RU0010109354330 280 350 con cuscinetto a rullini 101,40 70,98 Codice Ø (mm) Portata (kg) Mozzo Listino € Netto € RU0010109354221 80 50 con cuscinetto a rullini 8,35 5,84 RU0010109354222 100 70 con cuscinetto a rullini 9,25 6,47 RU0010109354223 125 110 con cuscinetto a rullini 12,65 8,86 RU0010109354212 125 L 100 con cuscinetto a rullini 11,83 8,28 RU0010109354214 140 140 con cuscinetto a rullini 13,76 9,63 RU0010109354225 150 150 con cuscinetto a rullini 16,03 11,22 RU0010109354216 150 S 140 con cuscinetto a rullini 15,14 10,60 RU0010109996827 150LL 140 con cuscinetto a rullini 14,64 10,25 RU0010109354226 160 160 con cuscinetto a rullini 17,70 12,39 RU0010109996315 180 180 con cuscinetto a rullini 23,04 16,13 RU0010109354228 200 220 con cuscinetto a rullini 25,30 17,71 RU0010109354229 250 225 con cuscinetto a rullini 64,93 45,45 RU0010109354230 280 300 con cuscinetto a rullini 76,77 53,74 Codice Ø (mm) Portata (kg) Mozzo Listino € Netto € RU0010109431249 80 50 con cuscinetto a rullini 19,85 13,90 RU0010109431250 100 70 con cuscinetto a rullini 20,20 14,14 RU0010109431251 125L 100 con cuscinetto a rullini 24,34 17,03 RU0010109354622 125 110 con cuscinetto a rullini 26,73 18,71 RU0010109354623 140 140 con cuscinetto a rullini 32,18 22,52 RU0010109354624 150 150 con cuscinetto a rullini 34,63 24,24 RU0010109354609 150 S 140 con cuscinetto a rullini 33,68 23,58 RU0010109996826 150LL 140 con cuscinetto a rullini 28,13 19,69 RU0010109354625 160 160 con cuscinetto a rullini 37,67 26,37 RU0010109996317 180 180 con cuscinetto a rullini 38,74 27,12 RU0010109431259 200 220 con cuscinetto a rullini 43,12 30,18 RU0010109354628 250 300 con cuscinetto a rullini 132,69 92,88 RU0010109354629 280 350 con cuscinetto a rullini 145,25 101,67
RUOTE INDUSTRIALI

Ruota con nucleo in ghisa, con supporto rotante a piastra in lamiera stampata e zincata, serie media, rivestimento in poliuretano colato con durezza 92 ± 2 Shore A; gruppo rotante realizzato con doppia corona di sfere. Dado autobloccante al mozzo. Mozzo con cuscinetti a sfere.

Ruota con nucleo in ghisa, con supporto rotante a piastra in lamiera stampata e zincata, serie media, con freno totale anteriore, rivestimento in poliuretano colato con durezza 92 ± 2 Shore A; gruppo rotante realizzato con doppia corona di sfere. Dado autobloccante al mozzo. Mozzo con cuscinetti a sfere.

Ruota con nucleo in ghisa, con supporto fisso a piastra in lamiera stampata e zincata, serie media, rivestimento in poliuretano colato con durezza 92 ± 2 Shore A; gruppo rotante realizzato con doppia corona di sfere Dado autobloccante al mozzo. Mozzo con cuscinetti a sfere.

57 S.r.l UTENSILERIA_MACCHINE UTENSILI FERRAMENTA_ANTINFORTUNISTICA
Codice Ø (mm) Portata (kg) Listino € Netto € RU0010309362769 80 150 36,17 23,51 RU0010309362772 100 180 37,04 24,08 RU0010309362774 125 200 42,51 27,63 RU0010309362779 150 220 53,89 35,03 RU0010309362780 175 300 88,46 57,50 RU0010309362782 200 300 95,39 62,00 RU0010309362783 250 750 177,79 115,57 Codice Ø (mm) Portata (kg) Listino € Netto € RU0010309362806 80 150 31,23 20,30 RU0010309362809 100 180 33,50 21,78 RU0010309362811 125 200 40,38 26,25 RU0010309362816 150 220 50,83 33,04 RU0010309362817 175 300 69,15 44,95 RU0010309362819 200 300 81,96 53,27 RU0010309362820 250 750 153,20 99,58 Codice Ø (mm) Portata (kg) Listino € Netto € RU0010309362788 80 150 42,78 27,81 RU0010309362790 100 180 43,03 27,97 RU0010309362792 125 200 49,36 32,08 RU0010309362797 150 220 62,88 40,87 RU0010309362798 175 300 116,92 76,00 RU0010309362801 200 300 123,83 80,49 RU0010309362802 250 750 220,68 143,44 RUOTE INDUSTRIALI

PULI ELEK, pulitore per lo sgrassaggio rapido e senza residui di apparecchiature elettriche ed elettroniche; 400 ml.

CHIMICI SPRAY

GRASSO SPRAY, grasso infusibile universale, lubrificante, polivalente, esente da punto di goccia; 400 ml.

IPER SBLOK, sbloccante rapido iperattivo, con effetto lubrificante e protettivo; 400 ml.

STOP COLLA, solvente sgrassante in grado di dissolvere resine siliconiche, residui di etichette, adesivi, oli e grassi. Non attacca metalli, plastiche e gomme. È anche un ottimo detergente per inchiostri; 400 ml.

LUBRI RAME, grasso lubrificante anti grippante al rame, resistente ad alte temperature (fino a 1200°C); 400 ml.

LUBRI SEK, lubrificante secco al PTFE. Ideale per una lubrificazione di lunga durata, resistente all’abrasione, all’azione di liquidi ed alla polvere. Non trattiene polvere e sporco; non contiene silicone, né oli; 400 ml.

GRASSO BIANCO, lubrificante con elevato grado di purezza FU, utilizzabile soprattutto negli impianti alimentari, farmaceutici e tessili; 400 ml.

LUBRI SIL, fluido lubrificante ad alta viscosità, senza solventi, con azione distaccante, lubrificante e impermeabilizzante; 400 ml.

LUBRI KAT, lubrificante per catene ad alto potere adesivo, resistente ad alte temperature fino a 130150°C. Può essere utilizzato su qualsiasi tipo di catena, cuscinetti e particolari in cui la lubrificazione è resa difficoltosa dall’espulsione del materiale lubrificante normale, a causa della notevole velocità. 400 ml.

58 PREZZI IVA esclusa
Codice Listino € Netto € CH9050010100000 8,74 5,59 Codice Listino € Netto € CH9030010100000 13,90 8,89 Codice Listino € Netto € CH9010010100000 10,79 6,90 Codice Listino € Netto € CH9310010100000 9,48 6,07 Codice Listino € Netto € CH9120010100000 11,71 7,50 Codice Listino € Netto € CH9280010100000 13,20 8,45 Codice Listino € Netto € CH9300010100000 10,53 6,74 Codice Listino € Netto € CH9100010100000 14,63 9,36 Codice Listino € Netto € CH9210010100000 14,12 9,05

GAS RIL, rilevatore di fughe gas; individua rapidamente le perdite di gas, quali: azoto, ossigeno, aria compressa e anidride carbonica. 400 ml.

ZINCO TEK, zincante protettivo chiaro; crea un rivestimento ideale per proteggere tutte le superfici ferrose dalla corrosione, per ripristinare la zincatura compromessa dall’azione degli agenti atmosferici e per rivestire parti zincate danneggiate dalle operazioni di saldatura; 400 ml.

MULTI COLLA, colla multiuso a base di elastomeri termoplastici e resine sintetiche in soluzione solvente, indicata per l’incollaggio di tutti i tipi di materiali; 400 ml.

ANTI SALD, antiadesivo per saldature, senza silicone. Evita l’adesione di scorie e gocce di saldatura su qualsiasi supporto; adatto a saldature autogene, elettriche e a base di gas inerti; 400 ml.

DISTAK SIL, lucidante e distaccante a base di agenti siliconici puri. Molto efficace come distaccante per stampi di materie plastiche e come brillantante per superfici in pelle, finta pelle e materiali plastici; 400 ml.

SPRAY INOX, rivestimento protettivo a base di acciaio inossidabile per metalli ferrosi; consente il ripristino della patina inox compromessa dalle operazioni di saldatura, la rifinitura delle superfici di acciaio inox danneggiate dall’azione degli agenti atmosferici, la protezione dall’ossidazione dei materiali ferrosi sottoposti alle alte temperature. 400 ml.

ANTI S, antislittante per cinghie. Aumenta la coesione tra le cinghie e le pulegge, senza vetrificare, ed incrementa la capacità di trazione. Impregnando la cinghia, elimina ogni tipo di rumore o cigolio, permettendo un funzionamento silenzioso. 400 ml.

PROTEKT, protettivo semi-oleoso antiossidante; protegge tutti i metalli e le superfici pregiate dall’umidità e dall’ossidazione. Previene la corrosione provocata dalle impronte digitali e ravviva le superfici finite; 400 ml.

59 S.r.l UTENSILERIA_MACCHINE UTENSILI FERRAMENTA_ANTINFORTUNISTICA
Codice Listino € Netto € CH9190010100000 10,84 6,94 Codice Listino € Netto € CH9330010200005 13,75 7,55 Codice Colore Listino € Netto € CH9180010100000 chiaro 13,20 8,45 CH9185010100000 chiaro brillante 10,79 6,90 Codice Listino € Netto € CH9350010200000 8,95 4,90 CHIMICI SPRAY NON INFIAMMABILE
Codice Listino € Netto € CH9220010100000 8,64 5,53 Codice Listino € Netto € CH9090010100000 16,94 10,84 Codice Listino € Netto € CH9170010100000 9,21 5,90 Codice Listino € Netto € CH9000010100000 8,95 5,49

FUNZIONI

SBLOCCANTE

aggredisce la ruggine e le ossidazioni favorendo il rapido sbloccaggio di bulloni, viti, dadi, serrature, cerniere, cuscinetti, stampi, utensili pneumatici, attrezzature, ecc.

PENETRANTE

agisce in modo estremamente rapido perché ha un elevatissimo potere penetrante che gli consente di raggiungere rapidamente le zone che necessitano della sua azione.

SGRASSANTE

sgrassa le superfici eliminando l’unto e lo sporco più tenace.

le parti trattate assumono uno splendido aspetto brillante.

DETERGENTE

lo speciale additivo contenuto in MULTI SPRAY 6x6 ha un forte potere disgregante anche sulle formazioni di sporco non di origine oleomorchiosa (polvere sedimentata, leggere incrostazioni).

forma una sottile pellicola che protegge, a lungo nel tempo, i metalli dall’ossidazione.

LUBRIFICANTE

assicura una lubrificazione repellente alla polvere. Non contiene siliconi.

la pellicola lasciata da MULTI SPRAY 6x6 protegge i particolari trattati dall’umidità, prevenendo i problemi da essa causati (per esempio i cortocircuiti).

MULTI SPRAY 6x6, spray multifunzione, con moderna formulazione contenente un solvente di origine bio; 8 diverse funzioni in un unico prodotto: sbloccante, penetrante, sgrassante, detergente, protettiva, lucidante, lubrificante, idrorepellente. Trova applicazione nelle industrie meccaniche, tessili, siderurgiche, manutenzione automezzi, nelle officine e nei reparti di manutenzione in genere.

60 PREZZI IVA esclusa
8
CHIMICI SPRAY
IDROREPELLENTE Codice Formato Listino € Netto € CH9150010100660 400 ml 12,02 7,69 CH9150010100665 5 lt 122,58 73,55
LUCIDANTE PROTETTIVA

PER ACIDI

Pompe a pressione con guarnizione EPDM ideale per i prodotti alcalini più usati e con guarnizione VITON resistente ad agenti chimici, acidi e liquidi aggressivi. Pratica impugnatura a fungo per pressurizzazione, dispositivo brevettato di arresto dell’erogazione e getto continuo, ugello regolabile in ottone per nebulizzazione a getto concentrato. Pescante con sistema a 360° per garantire la massima prestazione in qualsiasi posizione, cilindro metallico in Aisi, asta pompante in ferro zincato, canna in EVA. Pompa completa di canna Long Spray rigida diritta, estensione 25 cm, con ugello in ottone e valvola di sfiato automatico a 3 bar. Capacità totale: 2 litri; capacità operativa: 1,8 litri; pressione max: 3 bar; dimensioni: 39x30x46,3 cm; peso: 5,28 kg.

PER PRODOTTI ALCALINI

61 S.r.l UTENSILERIA_MACCHINE UTENSILI FERRAMENTA_ANTINFORTUNISTICA POMPE A PRESSIONE
Codice Guarnizione Listino € Netto € CH520001008002E EPDM 24,95 13,72 CH520001008002V VITON 28,28 14,99

IDROIL olio idraulico, olio di alta qualità per comandi idraulici, caratterizzato da una notevole resistenza alla corrosione e all’ossidazione, oltre ad una pronta demulsività ed elevata riluttanza alla formazione di schiuma. Possiede un’ottima resistenza all’invecchiamento anche in presenza di alte temperature e mantiene per lungo tempo inalterate le sue caratteristiche.

IDROIL PLUS olio idraulico ad alta viscosità, olio per comandi idraulici di qualità superiore, ottenuto mediante la miscelazione di basi selette altamente raffinate ed additivi chimici che garantiscono spiccate caratteristiche di resistenza all’ossidazione, prevenzione antiruggine, proprietà antiusura e antischiuma. Una speciale additivazione conferisce a quest’olio un indice di viscosità altissimo, rendendolo di tipo “multigrado” e ottenendo una variazione di viscosità minima al variare della temperatura. IDROIL PLUS è indispensabile nelle applicazioni sottoposte ad escursioni termiche elevate, quali macchine da cantiere e movimento terra, macchine agricole forestali, in alta montagna, ecc.

VAP OIL olio per sistemi di lubrificazione centralizzata, olio minerale caratterizzato da una ottima resistenza all’ossidazione e da eccellente stabilità chimica; appositamente studiato per sistemi di lubrificazione centralizzata. É un fluido indicato per la lubrificazione a nebbia d’olio. Possiede inoltre un basso punto di scorrimento, ottima demulsività e resistenza all’idrolisi.

62 PREZZI IVA esclusa
Codice Viscosità Formato (lt) Listino € Netto € GL0010100100321 ISO VG 32 1 16,08 10,13 GL0010100100325 5 64,55 40,66 GL0010100103225 25 295,60 186,23 GL0010100100461 ISO VG 46 1 16,08 10,13 GL0010100100465 5 64,55 40,66 GL0010100104625 25 295,60 186,23 GL0010100100681 ISO VG 68 1 16,08 10,13 GL0010100100685 5 64,55 40,66 GL0010100106825 25 300,08 189,05 GL0010100101001 ISO VG 100 1 16,08 10,13 GL0010100101005 5 64,55 40,66 GL0010100110025 25 300,08 189,05 Codice Viscosità Formato (lt) Listino € Netto € GL0010100110221 ISO VG 22 1 16,98 10,70 GL0010100110225 5 69,00 43,47 GL0010100112225 25 312,87 197,11 GL0010100110461 ISO VG 46 1 16,98 10,70 GL0010100110465 5 71,43 45,00 GL0010100114625 25 333,69 210,23 GL0010100110681 ISO VG 68 1 16,98 10,70 GL0010100110685 5 71,77 45,21 GL0010100116825 25 333,69 210,23 Codice Viscosità Formato (lt) Listino € Netto € GL0010100140151 ISO VG 15 1 17,63 11,11 GL0010100140155 5 71,88 45,28 GL0010100141525 25 333,89 210,35 LUBRIFICANTI INDUSTRIALI
TOP QUALITY

LUBRIFICANTI INDUSTRIALI

EP OIL olio E.P. per ingranaggi industriali, olio costituito da basi di qualità superiore ed additivi, per la lubrificazione di riduttori ad ingranaggi fortemente caricati. Quest’olio contiene una serie di additivi selezionati con proprietà E.P., contro la corrosione, l’ossidazione e la separazione dell’acqua e dell’aria. La sua additivazione, a base di zolfo, garantisce un’elevata resistenza ai carichi esasperati di tutti gli ingranaggi industriali. L’ottimo potere antischiuma e la sua ottima demulsività assicurano un’eccellente lubrificazione anche in ambienti dove la contaminazione da acqua è possibile.

SLIDE OIL olio per guide, olio specificamente formulato per la lubrificazione delle guide di scorrimento delle macchine utensili. Lubrifica perfettamente gli accoppiamenti guidaslitta delle macchine utensili impedendo il fenomeno di impuntamento denominato “stick-slip” che avviene alle basse velocità di traslazione quando, non potendosi formare un velo idrodinamico d’olio fra le superfici, si ha un contatto di metallo con metallo. Possiede forti proprietà antiusura, antischiuma ed antiossidanti, oltre ad un elevato indice di viscosità.

LIGHT TR OIL olio motore multigrado semisintetico 10W/40, olio ad alte prestazioni di tipo semisintetico, formulato con additivi da sintesi di nuovissima concezione che, rispetto agli oli minerali tradizionali, offre prestazioni superiori in termini di stabilità termica, caratteristiche viscosimetriche e fluidità alle basse temperature. Garantisce inoltre il massimo livello di protezione contro l’usura, l’ossidazione e la formazione di morchie e depositi. Ideale per motori a benzina funzionanti sia con benzina verde che super, GPL e diesel, aspirati e turbocompressi, anche su autovetture funzionanti con marmitta catalitica.

MIX OIL olio miscela totalmente sintetico per motori a 2 tempi. È adatto per essere utilizzato nelle condizioni di esercizio più severe. Assicura ottime prestazioni con perfetta miscibilità in tutti i motori, anche con miscelatore separato. Infatti, anche in presenza di benzina verde, il prodotto ha una perfetta miscibilità garantendo un’ideale lubrificazione di tutto il motore ed eliminando anche fumosità allo scarico. Protegge contro l’usura, contro l’incollamento delle fasce, evita la formazione di lacche, ed è dotato di eccellenti proprietà anti grippanti, che consentono un allungamento della vita di tutti gli organi del motore.

63 S.r.l UTENSILERIA_MACCHINE UTENSILI FERRAMENTA_ANTINFORTUNISTICA
Codice Viscosità Formato (lt) Listino € Netto € GL0010100130321 ISO VG 32 1 16,98 10,70 GL0010100130325 5 69,00 43,47 GL0010100133225 25 308,19 194,16 GL0010100130681 ISO VG 68 1 17,28 10,88 GL0010100130685 5 70,30 44,29 GL0010100136825 25 319,91 201,54 GL0010100132201 ISO VG 220 1 21,44 13,51 GL0010100132205 5 89,50 56,38 GL0010100132225 25 422,61 266,24 Codice Formato (lt) Listino € Netto € GL0010100170401 1 16,70 10,52 GL0010100170405 5 67,41 42,47 GL0010100174025 25 296,24 186,63 Codice Formato (lt) Listino € Netto € GL0010100310001 100 52,50 33,08
Codice Viscosità Formato (lt) Listino € Netto € GL0010100121501 ISO VG 150 1 19,88 12,53 GL0010100121505 5 81,89 51,60 GL0010100121525 25 379,97 239,38 GL0010100122201 ISO VG 220 1 21,27 13,40 GL0010100122205 5 88,85 55,97 GL0010100122225 25 412,41 259,82 GL0010100123201 ISO VG 320 1 22,20 13,98 GL0010100123205 5 93,39 58,83 GL0010100123225 25 434,78 273,91

TOP QUALITY

STOP FREEZE liquido concentrato antigelo, liquido sintetico anticongelante a base di glicole monoetilenico che si distingue per l’assenza nel suo pacchetto inibitore di ammine nitriti e fosfati. Le sue caratteristiche protettive si esplicano verso tutti i metalli che costituiscono le varie parti del circuito di raffreddamento, in modo particolare verso l’alluminio, il suo impiego riduce i rischi di ebollizione anche dopo difficili salite a pieno carico.

STOP FREEZE soddisfa le seguenti richieste dei costruttori di autoveicoli: FIAT 9.55523/41, Porsche/VW/Audi/Seat/Skoda TL 774 C, Mercedes DBL 7700, MAN 324, GM US 6277 M, Volvo (Reg. N° 260), Ford WSS-M97B44-C, Chrysler MS 9176, BMW N 600 69.0, GM US 6277 M, Ford ESD M 97 B49-A, Opel GM QL 130100.

LITH GREASE grasso al litio, grasso formulato con oli di base seletti ed addensati a base di sapone di litio di tipo multifunzionale per autotrazione ed industria. Contiene speciali additivi per resistere alle basse temperature ed alle sollecitazioni di tipo meccanico, anche intense, e prolungate nel tempo. Notevole resistenza all’ossidazione, al dilavamento ed alla corrosione. Consistenza NLGI 2.

LITH EP GREASE grasso al litio E.P., grasso di qualità superiore, dall’aspetto pomatoso / semifilante, di colore chiaro. Additivato E.P. (Estreme Pressioni), è dotato di eccellente stabilità meccanica, ottima resistenza all’ossidazione, all’invecchiamento ed all’azione dilavante dell’acqua, è utilizzabile in un ampio intervallo di esercizio (da -20°C a +120°C ). Consistenza NLGI 2.

BIMOL GREASE grasso al bisolfuro di molibdeno, grasso multifunzionale, a base di saponi di litio additivati con bisolfuro di molibdeno, particolarmente adatto per la lubrificazione di organi sottoposti a gravose condizioni di servizio. Ottima protezione antiusura, mantenimento del potere lubrificante, elevata stabilità nel tempo delle proprietà lubrificanti, efficace resistenza all’azione dilavante dell’acqua, ampio intervallo delle temperature di esercizio, notevole stabilità meccanica ed ottimo potere lubrificante, elevata resistenza ai carichi elevati e alle vibrazioni. Consistenza NLGI 2.

64 PREZZI IVA esclusa LUBRIFICANTI INDUSTRIALI
Codice Formato (kg) Listino € Netto € GL0010100330001 1 10,88 6,85 GL0010100330005 5 41,55 26,18 GL0010100330030 30 217,33 136,92 Codice Formato (kg) Listino € Netto € GL0010100200209 0,8 22,77 14,34 GL0010100200204 5 118,94 74,93 GL0010100202023 23 492,53 310,29 Codice Formato (kg) Listino € Netto € GL0010100210209 0,8 24,20 15,24 GL0010100210204 5 113,21 71,32 GL0010100212023 23 475,19 299,37 Codice Formato (kg) Listino € Netto € GL0010100220209 0,8 29,76 18,75 GL0010100220204 5 115,81 72,96 GL0010100222023 23 499,34 314,58

VASELINE grasso di vaselina, petrolato farmaceutico di colore bianco/neve, di particolare morbidezza. Indicato, per le sue doti di morbidezza, ad un’ampia gamma di applicazioni in numerosi settori: cosmetico, farmaceutico, enologia, industria della carta, della gomma, delle materie plastiche.

PURE GREASE grasso alimentare, grasso lubrificante all’alluminio complesso, ideale per il settore alimentare, resistente alle alte e basse temperature ed all’azione dilavante dell’acqua, con eccellenti proprietà E.P. (Estreme Pressioni), antiruggine e antiusura. È caratterizzato da una buona pompabilità e da un’elevata stabilità nei sistemi di lubrificazione centralizzata. Gradazione NLGI 2.

COMPLEX LITH GREASE grasso al litio complesso, grasso al litio di nuova generazione a base di saponi di litio complessi, con ottime proprietà antiruggine e molto resistente alle alte temperature, al dilavamento dell’acqua, all’azione di taglio meccanica. Idoneo a tutte le applicazioni che richiedono un grasso con ottimo potere lubrificante, in condizioni di alti carichi (ad esempio cuscinetti mozzi, ruote di veicoli pesanti operanti in gravose condizioni di esercizio). Particolarmente indicato per la lubrificazione di cuscinetti volventi operanti su macchine di colata (rulli, cesoie, torrette gira siviere), laminatoi a caldo (vie a rulli, gabbie di laminazione, ASPI), piani di raffreddamento e forni di riscaldo di industrie siderurgiche.

MID-SINT GREASE grasso semisintetico, grasso filante, dall’aspetto liscio, brillante, eccezionalmente adesivo. Altissimo grado di idrorepellenza; eccezionale adesività che evita l’asportazione meccanica degli organi lubrificati, anche quando operano con abbondante presenza d’acqua. Consistenza NLGI 2.

COPPER GREASE grasso al rame, grasso composto da particelle ultrafini di rame lamellare e speciali inibitori di corrosione. L’appropriata scelta dei componenti consente di esaltare al massimo l’azione sinergica, ottenendo così un prodotto molto versatile e dotato di eccezionali caratteristiche antigrippanti, anticorrosive, antiruggine, antiadesive, lubrificanti, nelle più svariate condizioni d’impiego ed in un ampio intervallo di temperature (da -30°C a 1100°C). Consistenza NGLI 2.

65 S.r.l UTENSILERIA_MACCHINE UTENSILI FERRAMENTA_ANTINFORTUNISTICA LUBRIFICANTI INDUSTRIALI
Codice Formato (kg) Listino € Netto € GL0010100230009 0,8 29,76 18,75 GL0010100230004 5 115,81 72,96 GL0010100230023 23 293,83 185,11 Codice Formato (kg) Listino € Netto € GL0010100250209 1 56,96 35,88 GL0010100250204 5 266,35 167,80 GL0010100252023 20 917,00 577,71 Codice Formato (kg) Listino € Netto € GL0010100270209 0,8 36,67 23,10 GL0010100270204 5 149,30 94,06 GL0010100272023 22 610,60 384,68 Codice Formato (kg) Listino € Netto € GL0010100280209 0,8 55,75 35,12 GL0010100280204 5 235,34 148,26 GL0010100282023 23 1.034,31 651,62 Codice Viscosità Formato (kg) Listino € Netto € GL0010100260209 ISO VG 320 0,8 34,74 21,89 GL0010100260204 5 157,13 98,99 GL0010100262023 23 674,49 424,93

ASS-UNI, assorbente granulare universale per oli, grassi, idrocarburi e prodotti chimici, conforme alla Normativa Europea per l’impiego su pavimentazioni stradali EU CEN TS 15366:2010. Ecologico, a base di componenti naturali, privo di sostanze tossiche e non infiammabile. Antisdrucciolo, non rilascia nel tempo la sostanza assorbita e non lascia residui. La sua struttura multicellulare a celle aperte conferisce un enorme potere assorbente rendendolo il prodotto ideale per sversamenti di piccola e media entità durante il ciclo produttivo. Assorbimento olio 130%; peso specifico 4,5-5,5.

ASS-OIL, assorbente antisdrucciolo, sepiolite. Ideale per assorbire ed adsorbire rapidamente, con la massima sicurezza per gli operatori, sostanze chimiche allo stato liquido, umidità e odori sgradevoli. Non è esplosivo, né comburente, ed è insolubile.

ASS-VEGA, assorbente universale vegetale. Assorbente granulare ad altissimo potere assorbente, ideale per l’assorbimento di ogni tipo di liquido: olio, acqua, solventi, inchiostro, acidi deboli e basi, grassi, ecc. Totalmente ecocompatibile, non contiene silicone, silice, argille o additivi nocivi; non è tossico ed è biologicamente e chimicamente inerte.

Polimero molecolare super assorbente, con struttura molecolare reticolata che consente di assorbire acqua, tramite pressione osmotica, in misura pari a 400/600 volte il suo peso. Il prodotto assorbe e incapsula velocemente le soluzioni acquose e i liquidi dispersi, rigonfiando e creando una soluzione gelatinosa compatta, facilmente asportabile.

66 PREZZI IVA esclusa ASSORBENTI INDUSTRIALI
Codice Formato (kg) Dim. granuli (mm) Listino € Netto € CH9600070900080 8 2,00 – 4,8 31,25 16,25 CH9600070900120 12 0,80 – 2,00 fine 46,91 24,39 Codice Formato (kg) Dim. granuli (mm) Listino € Netto € CH9620070100200 20 0,60 – 1,80 41,15 21,40 CH962007010020F 20 0,25 – 0,60 41,15 21,40 Codice Formato (gr) Listino € Netto € ASP100070100400 400 20,87 12,52 ASP100070100800 800 37,18 22,50 Codice Formato (kg) Listino € Netto € CH9660070100006 6,5 52,64 31,58
NEW
VEGETALE

Fogli assorbenti SOLO OLIO antistatici, adatti per assorbire sostanze infiammabili, questi fogli dissipano l’energia statica per ridurre la formazione di scintille. Sono costituiti da uno spesso strato (380 gr/mq) di soffice tessuto assorbente (melt blown) trattato con una specifica soluzione che permette di disperdere la carica statica accumulata. Adatti durante il rifornimento del carburante e in tutti i luoghi chiusi o aperti dove siano presenti vapori infiammabili, il loro utilizzo è possibile anche su corsi d’acqua perchè sono idrofobi.

Cuscini assorbenti universali colore GRIGIO, ideali per assorbire grandi quantità di liquidi con semplicità. L’involucro di polipropilene conferisce robustezza e resistenza agli strappi, permettendo ripetute applicazioni in sicurezza. I cuscini sono disponibili in varie dimensioni per essere posizionati in spazi angusti per arginare perdite da tubature e macchinari. Sono adatti all’incenerimento con basso contenuto di ceneri.

Rotoli assorbenti SOLO OLIO. Adatti per l’assorbimento di idrocarburi, alcol e solventi in zone estese, questi rotoli sono ideali per l’attività a lato di macchinari con perdite di oli emulsionati, superfici esterne, bacini e corsi d’acqua. Spessore doppio per garantire la massima assorbenza.

Manicotti universali, costituiti in melt blown, adatti per situazioni di emergenza in cui è necessario contenere, arginare e assorbire liquidi potenzialmente inquinanti. Limitano la diffusione alle zone circostanti di oli e inquinanti, e in caso di grossi sversamenti possono essere collocati in serie di due o tre.

67 S.r.l UTENSILERIA_MACCHINE UTENSILI FERRAMENTA_ANTINFORTUNISTICA ASSORBENTI INDUSTRIALI
Codice Dimensioni Pz. per conf. Capacità assorbimento Listino € Netto €/ conf. ASF100010105040 50x40 cm 100 144 lt/conf. 274,00 140,00 ASF100010110080 100x80 cm 50 288 lt/conf. 545,50 280,00 Codice Dimensioni Pz. per conf. Capacità assorbimento Listino € Netto €/ conf. ASC200020102020 20x20 cm 24 74 lt/conf. 274,08 145,00 ASC200020104020 40x20 cm 16 92 lt/conf. 272,48 144,00 ASC200020104040 40x40 cm 10 98 lt/conf. 243,50 129,00 Codice Dimensioni Pz. per conf. Capacità assorbimento Listino € Netto €/ conf. ASM200020100860 8x60 cm 32 96 lt/conf. 192,00 101,76 ASM200020100812 8x120 cm 24 144 lt/conf. 279,60 142,60 ASM200020100824 8x240 cm 12 144 lt/conf. 279,60 142,60 Codice Dimensioni Capacità assorbimento Listino € Netto €/ conf. ASR10001014040D 40x40 cm 116 lt/conf. 194,58 99,20 ASR10001015040D 50x40 cm 145 lt/conf. 243,20 124,00 ASR10001018040D 80x40 cm 232 lt/conf. 389,10 198,50 ASR10001011040D 100x40 cm 290 lt/conf. 486,39 248,00
PER SOSTANZE INFIAMMABILI

Sacchi assorbenti autoespandenti, costituiti da polimero super assorbente con struttura molecolare reticolata, per il rapido assorbimento di grandi quantità di liquidi a base acquosa. Il prodotto assorbe e incapsula velocemente i liquidi dispersi, rigonfiando e creando una soluzione gelatinosa compatta, facilmente asportabile. Capacità di assorbimento fino al 600% del loro peso.

Strofinacci assorbenti in microfibra di polipropilene, calandrati termicamente. Soffici, super assorbenti, resistenti ai solventi, puliscono e assorbono i liquidi senza rilasciare fibre. Ideali per la pulizia di superfici delicate in ambienti di lavoro: settore automobilistico, manutenzione industriale, settore elettronico, ecc. Forniti in bobine pretagliate ogni 40 cm.

Kit antisversamento SOLO OLIO, ideali per assorbire tutti i prodotti derivanti da idrocarburi, anche in presenza di acqua. Assortimenti diversi, forniti in fusti cilindrici a bocca larga omologati ONU, a chiusura stagna, con coperchio. Capacità assorbimento: 43 litri.

Kit antisversamento UNIVERSALI, ideali per assorbire la maggior parte dei liquidi industriali, liquidi organici ed inorganici, idrocarburi, solventi, ecc. Assortimenti diversi, forniti in contenitori carrellati. Capacità assorbimento: 65 litri.

Kit antisversamento per ACIDO SOLFORICO, specifici per assorbire liquidi aggressivi, tossici e caustici, in particolare per chi opera con batterie ed accumulatori. Assortimenti diversi, forniti in contenitori portatili. Capacità assorbimento: 4,60 litri.

68 PREZZI IVA esclusa ASSORBENTI INDUSTRIALI
Codice Dimensioni Pz. per conf. Listino € Netto €/ conf. ASS300030102514 25x145 cm 5 130,35 78,21 Codice Dimensioni (Ø x cm) Contenuto Listino € Netto € ASK400040100016 32 x 52 15 fogli standard 50x40cm, 3 manicotti Ø8x60cm, 2 manicotti Ø8x120cm, 2 cuscini 20x20cm, 2 sacchi per scarti, 1 paio guanti, 1 paio occhiali 221,79 128,64 Codice Dimensioni (cm) Contenuto Listino € Netto € ASK410040100012 60x40x32 30 fogli grigi 50x40cm, 3 manicotti Ø8x120cm, 3 manicotti Ø8x60cm, 1 sacco oleoassorbente in granuli, 3 sacchi per scarti, 1 paio guanti, 1 mascherina 437,39 253,69 Codice Dimensioni (cm) Contenuto Listino € Netto € ASK430040100005 36x26,8x7,3 1 sacco assorbente neutralizzante ASS-ACID PLUS 2,5kg, 4 sacchi per scarti, 1 paio guanti, 1 paio occhiali, 1 mascherina, 1 paletta e scopino 127,81 74,13 Codice Dimensioni Listino € Netto € AS01008010040ST 40x200 cm x mt 171,00 99,18 SUPER
DIVERSI ASSORTIMENTI DISPONIBILI DIVERSI ASSORTIMENTI DISPONIBILI DIVERSI ASSORTIMENTI DISPONIBILI
ASSORBENTE

STOP ALLO SPRECO

RECYCLE UNIT, riciclatore di assorbente mobile in polietilene ad alta densità (PEHD), utilizzabile in caso di problemi di sversamento, dotato di setaccio, pala, scopa e contenitore per la raccolta dell’assorbente riutilizzabile (non impregnato). Consente di separare l’assorbente sporco dall’assorbente riutilizzabile. Funziona unicamente con le ricariche di assorbente VEGA POWDER, permettendo un assorbimento istantaneo. Ha una capacità di 50 lt. max (2 ricariche).

L’assorbente universale VEGA POWDER è naturale, a base di fibre di cotone. Assorbe 8 volte di più rispetto agli assorbenti tradizionali, non lascia alcun residuo di grasso, garantisce un assorbimento istantaneo ed è riutilizzabile fino a completa saturazione; quando satura, la polvere forma dei grumi. VEGA POWDER non rilascia il prodotto assorbito, non è abrasivo, non contiene silice ed è biodegradabile. Efficace su qualsiasi tipo di superficie: cemento, resina, asfalto, vernice, smalto, ecc.

RICICLABILE RIUTILIZZABILE

69 S.r.l UTENSILERIA_MACCHINE UTENSILI FERRAMENTA_ANTINFORTUNISTICA ASSORBENTI INDUSTRIALI
Codice Prodotto Formato Listino € Netto € IM0000300200050 RECYCLE UNIT (senza assorbente) L570xl689xH1090 mm 1.334,00 693,00 IM000030020025S Vega Powder (assorbente) 25 lt 130,50 78,90
Leggi il QR code per guardare il video tutorial.

MOBILE WASH, vasca lavapezzi multiuso elettrica, a sgrassatura biologica, riscaldata a 38°C. Dotata di vaschetta di immersione integrata e filtro 50 μm per una maggiore durata della soluzione ed una limitazione dei residui. Blocco elettrico intercambiabile, scarico semplificato; perfettamente ergonomica e maneggevole, facilmente trasportabile grazie alle 4 ruote in poliuretano (2 con freno). Pulisce i pezzi senza l’utilizzo di solventi, rispettando l’ambiente e la salute degli operatori. Capacità 40 lt. Dimensioni 82x53x105mm (LxPxH).

* specifico per metalli sensibili

70 PREZZI IVA esclusa VASCHE LAVAPEZZI
BLUE LIQUID, soluzione detergente per vasche lavapezzi; formato 20 lt. BLUE TABLET, pastiglie detergenti per vasche lavapezzi; confezione da 4 pz.
ELETTRICA Codice Listino € Netto € IM0000300200040 2.879,00 1.453,00 Codice Listino € Netto € IM000030020020L 223,30 116,20 IM000030030020L* 225,60 122,00 Codice Listino € Netto € IM000030020004T 154,64 89,70 SGRASSATURA BIOLOGICA SENZA SOLVENTI ELETTRICA

DUSTY 150: Aspirapolvere a sviluppo verticale, silenzioso e maneggevole, dalle ottime prestazioni. Dimensioni ridotte, ma grande capacità (sacchetto carta da 12 lt). Ideale per pulizie in aree di piccole e medie dimensioni. Capacità serbatoio14 lt, potenza max 1000 W, portata aria 45 lt/s, 1 motore, peso 6 kg, dimensioni 320x320x520 mm.

WETTY 221: Aspiratore solidi-liquidi capacità serbatoio 22 lt; potenza max 1150 W; portata aria 53 lt/s; 1 motore; peso 8,8 kg.; dimensioni 410 x 410 x 560 mm, filtro cartuccia HEPA opzionale, sacchetto carta opzionale.

WETTY 351: Aspiratore solidi-liquidi caratterizzato da robusto serbatoio in acciaio inox e dotato di kit antistatico, filtro tela in dotazione, filtro cartuccia HEPA opzionale; capacità serbatoio 36 lt; potenza max 1150 W; portata aria 53 lt/s; 1 motore; peso 10,4 kg; dimensioni 410 x 410 x 760 mm.

WETTY 501: Aspiratore solidi-liquidi carrellato, di buona capienza e grande potenza, dotato di kit antistatico e serbatoio in acciaio inox, filtro tela in dotazione; capacità serbatoio 50 lt; potenza max 1350 W; portata aria 58 lt/s; 1 motore; peso 14 kg; dimensioni 500 x 500 x 840 mm.

WETTY 802: Aspiratore solidi-liquidi carrellato, di grande capacità, dotato di serbatoio in acciaio inox e kit antistatico, capacità serbatoio 80 lt; potenza max 2300 W; portata aria 100 lt/s; 2 motori; peso 21,3 kg; dimensioni 610 x 520 x 920 mm.

WETTY 803 B: Aspiratore solidi-liquidi carrellato, di grandi prestazioni, dotato di serbatoio in acciaio inox e kit antistatico, ha la possibilità di utilizzare accessori da Ø 40 per portate elevate, possibilità di utilizzare un singolo motore, due o tre contemporaneamente, involucro con capacità di basculamento e con gancio di bloccaggio; capacità serbatoio 80 lt; potenza max 3450 W; portata aria 150 lt/s; 3 motori; peso 26 kg; dimensioni 610 x 520 x 920 mm.

71 S.r.l UTENSILERIA_MACCHINE UTENSILI FERRAMENTA_ANTINFORTUNISTICA ASPIRATORI
Codice Listino € Netto € IM000010200W221 510,00 227,00 Codice Listino € Netto € IM000010200W802 1.012,00 450,00 Codice Listino € Netto € IM000010200D150 360,00 160,00 Codice Listino € Netto € IM000010200W501 725,00 323,00 Codice Listino € Netto € IM000010200W351 616,00 274,00 Codice Listino € Netto € IM000010200W803 1.300,00 579,00 3 MOTORI

DUST PRO 200, aspiratore industriale per la pulizia e la movimentazione di piccole e medie quantità di materiale. 230V; dotato di 2 potenti motori by-pass monofase 1.100W; superficie filtrante: 20.000 cm2; portata aria max: 360 m3; filtro: Tasche/Star Ø 420; capacità contenitore: 40 lt; contenitore a sgancio. Fornito completo di kit accessori.

DUST PRO 300, aspiratore industriale per molteplici applicazioni, dalle officine meccaniche ai laboratori, dall’industria alimentare all’industria edile. 230V; dotato di 3 potenti motori by-pass monofase 1.100W; superficie filtrante: 20.000 cm2; portata aria max: 540 m3; filtro: Tasche/Star Ø 460; efficienza filtro: CAT L; capacità contenitore: 65/100 lt; contenitore a sgancio rapido. Fornito completo di kit accessori.

OIL VACUUM 60, aspiratore industriale monofase in acciaio per oli e trucioli; compatto e maneggevole, dotato di 4 ruote di cui 2 pivottanti. 230V; dotato di motore by-pass 1.100W; superficie filtrante: 2.000 cm2; portata aria max: 180 m3; filtro: Bag Ø 400; efficienza filtro: 100 micron; capacità liquidi: 65 lt; capacità solidi: 10 lt; bidone di contenimento ribaltabile a 90°; bocchettone: Ø40mm; cestello raccolta trucioli estraibile. Fornito completo di kit accessori.

OIL VACUUM 100 PUMP, aspiratore industriale monofase in acciaio per oli e trucioli, ideale per la manutenzione e la pulizia di macchine utensili di piccole e medie dimensioni; compatto e maneggevole, dotato di 4 ruote di cui 2 pivottanti. 230V; dotato di 2 motori indipendenti by-pass 1.100W; superficie filtrante: 1.200 cm2; portata aria max: 360 m3; filtro: PPL; efficienza filtro: 100 micron + 300 micron per filtrazione fine; capacità liquidi: 90 lt; capacità solidi: 30 lt; cestello raccolta trucioli estraibile; bocchettone: Ø 50mm; dotato di pompa indipendente per lo scarico del liquido raccolto (100 lt/min). Fornito completo di kit accessori.

72 PREZZI IVA esclusa
Codice Listino € Netto € IM00001040DP200 2.587,00 1.216,00 Codice Listino € Netto € IM00001040DP300 3.553,00 1.669,00 Codice Listino € Netto € IM00001040OV100 5.632,00 2.647,00 Codice Listino € Netto € IM00001040OV060 2.278,00 1.071,00 ASPIRATORI INDUSTRIALI
TOP QUALITY

OIL VACUUM 200, potente benna aspirante per oli e trucioli, ideale per la manutenzione e la pulizia di macchine utensili di medie e grandi dimensioni; dotata di 4 ruote anti traccia di cui 2 pivottanti. 230V; dotata di 3 motori monofase by-pass a tre stadi 1.100W; superficie filtrante: 14.000 cm2; portata aria max: 540 m3; filtro: Star Teflon M; efficienza filtro: 1 micron + 300 micron per filtrazione fine; capacità liquidi: 200 lt; capacità solidi: 30 lt; bocchettone: Ø 80mm; cestello raccolta trucioli estraibile. Fornita completa di kit accessori.

CHIP VACUUM 200, potente benna aspirante ribaltabile, ideale per l’aspirazione di cospicue quantità di trucioli (asciutti e bagnati); dotata di 4 ruote anti traccia di cui 2 pivottanti. 230V; dotata di 3 motori monofase by-pass 1.100W; superficie filtrante: 14.000 cm2; portata aria max: 540 m3; filtro: Star L; efficienza filtro: 3 micron; capacità totale: 200 lt; bocchettone: Ø 80mm; vasca contenimento trucioli con sistema di scarico a ribaltamento brevettato, guidato a 90°. Fornita completa di kit accessori.

MIST FILTER 500, aspiratore industriale per nebbie d’olio, ideale per l’aspirazione degli inquinanti di qualsiasi tipo di macchina utensile. Facile installazione direttamente sulla cabina della macchina utensile. Fornito con post-filtro certificato H13 che consente un elevatissimo livello di filtrazione finale (99,97%). Portata aria: 500 mc/h; potenza: 0,18 kW; rumorosità 62 db; superficie filtrante: 2.300/20.000 cm2

73 S.r.l UTENSILERIA_MACCHINE UTENSILI FERRAMENTA_ANTINFORTUNISTICA
Codice Listino € Netto € IM00001040OV200 10.507,00 4.938,00 Codice Listino € Netto € IM00001040CP200 7.991,00 3.756,00 Codice Listino € Netto € IM00001040MF500 3.298,00 1.549,00 ASPIRATORI INDUSTRIALI PER
NEBBIE D’OLIO

Idropulitrice ELETTRA 175. Ad acqua fredda, struttura verticale pratica ed ergonomica, costruita interamente in metallo. Dotata di dispositivi “easy-start” e “total-stop”; protezione termica del motore, pompa con testata in ottone, avvolgitubo collocato nella parte inferiore con garanzia di eccezionale stabilità della macchina anche durante l’utilizzo, vano posteriore per collocare il cavo elettrico, aspirazione detergente in bassa pressione dal serbatoio interno. Per uso semiprofessionale. Accessori in dotazione standard: pistola con protezione, lancia angolata con ugello regolabile, lancia angolata con ugetto rotante, idrospazzola fissa e kit avvolgitubo con tubo gomma mandata 12 mt.

ACQUA FREDDA

Idropulitrice NETTUNO 140/160. Ad acqua fredda, struttura verticale pratica ed ergonomica, costruita interamente in metallo. Dotata di dispositivi “easy-start” e “total-stop”; protezione termica del motore, maniglia supplementare per il sollevamento, avvolgitubo posteriore e pratici alloggiamenti per gli accessori. Per uso domestico. Accessori in dotazione standard: pistola con protezione, lancia senza testina ugello, testina ugello regolabile, lancia schiumogena, kit tubo gomma mandata, testina ugello rotante e idrospazzola fissa.

Idropulitrice SCILLA 200. Ad acqua fredda, struttura con robuste carenature in materiale plastico stampato ad iniezione. Dotata di dispositivi “easy-start” e “total-stop”; protezione termica del motore, manico con supporti cavo alimentazione e tubo mandata, ruote di grandi dimensioni (Ø 220mm), serbatoio detergente estraibile con livello visibile esternamente, valvola di regolazione professionale integrata e manometro, motopompa con testata in ottone e pistoni in acciaio inox. Per uso semiprofessionale gravoso. Accessori in dotazione standard: pistola con protezione, kit lancia angolata con ugello regolabile, filtro ingresso acqua in plastica e kit tubo gomma mandata 10 mt.

74 PREZZI IVA esclusa IDROPULITRICI
Codice Volt Bar Giri motore Portata max (l/h) Potenza assorbita (kW) Listino € Netto € IM000010300175E 230 150 2800 510 2,4 999,00 499,00 Codice Volt Bar Giri motore Portata max (l/h) Potenza assorbita (kW) Listino € Netto € IM000010300140N 230 140 2800 410 1,7 811,00 357,00 IM000010300160N 230 160 2800 480 2,3 826,00 388,00
Codice Volt Bar Giri motore Portata max (l/h) Potenza assorbita (kW) Listino € Netto € IM000010300200S 230 150 2800 280÷600 2,9 1.331,00 665,00

ACQUA CALDA

Idropulitrice OCEANO 150 Ad acqua calda, con elettropompa a 3 pistoni assiali disposta in orizzontale con pompa in basso, costruita interamente in metallo e testata in ottone. Dotata di dispositivi “easystart” e “total-stop”; protezione amperometrica del motore, serbatoio gasolio e detergente integrati, manometro pressione, aspirazione acqua diretta con detergente in bassa pressione, termostato per regolazione temperatura, partenza ritardata del bruciatore. Per uso semiprofessionale.

Accessori in dotazione standard: pistola con protezione, lancia angolata con testina detergente senza ugello, ugello con getto a lama 15° attacco ¼”, kit tubo gomma mandata da 8 mt.

Idropulitrice TRITON 150. Ad acqua calda, con elettropompa a 3 pistoni assiali disposta in verticale con pompa in basso e struttura interamente in metallo. Dotata di dispositivi “easystart” e “total-stop”; testa pompa in ottone, serbatoio diesel da 4lt con filtro riempimento e tappo, caldaia verticale con serpentina in acciaio, motore ausiliario per ventilazione gruppo caldaia, partenza ritardata del bruciatore, valvola di sicurezza, protezione termica della caldaia, doppio interruttore, motore ad induzione con protezione termica. Per uso semiprofessionale. Accessori in dotazione standard: pistola con protezione, lancia angolata con protezione senza ugello, ugello con getto a lama 15° attacco 1/4” MEG, kit tubo mandata 8 mt R1 1/4”, lancia schiumogena e filtro ingresso acqua in plastica.

IDRO DET Sgrassante concentrato a triplice effetto per idropulitrici a caldo, ideale per rimuovere sporchi pesanti da particolari meccanici e macchinari, sgrassare superfici metalliche, pulire e brillantare parti verniciate; formato 5 kg.

Idropulitrice POSEIDON 140/200. Ad acqua calda, con serbatoio gasolio 15 lt (versione 140) e 18 lt (versione 200). Dotato di galleggiante di livello e filtri riempimento. Con dispositivi “easystart” e “total-stop” temporizzato; aspirazione detergente in bassa pressione con regolazione, motore a 4 poli, valvola di sicurezza per protezione caldaia, interruttore rotativo per accensione, termostato di regolazione temperatura, spia “mancanza gasolio”. Per uso professionale. Accessori in dotazione standard: pistola con Swivel, lancia angolata con testina detergente senza ugello, ugello con getto a lama 15° (versione 140) e 25° (versione 200) attacco 1/4” MEG e kit tubo gomma mandata 10 mt.

75 S.r.l UTENSILERIA_MACCHINE UTENSILI FERRAMENTA_ANTINFORTUNISTICA IDROPULITRICI
Codice Volt Bar Giri motore Portata max (l/h) Potenza assorbita (kW) Listino € Netto € IM00001030140PS 230 150 1400 280÷600 3 3.780,00 1.890,00 IM00001030200PS 400 210 1400 350÷900 6,5 4.999,00 2.499,00 Codice Volt Bar Giri motore Portata max (l/h) Potenza assorbita (kW) Listino € Netto € IM000010300150T 230 150 2800 480 2,3 1.989,00 994,00 Codice Listino € Netto € CH9480030100005 43,40 28,20
Codice Volt Bar Giri motore Portata max (l/h) Potenza assorbita (kW) Listino € Netto € IM000010300150O 230 150 2800 540 2,7 2.875,00 1.236,00

CLOR DET, sgrassante clorinato alcalino, ad azione igienizzante, non schiumogeno. CLOR DET è un detergente liquido con cloro, adatto per tutti i trattamenti di pulizia manuale, dove sia necessario ottenere una corretta azione lavante unita ad un effetto decontaminante e deodorante. Il prodotto è in grado di liberare un tenore in cloro elevato idoneo anche per situazioni di sporco e contaminazione microbica elevata. CLOR DET si utilizza in concentrazioni variabili dall’1% al 10% in funzione della tipologia e del grado di sporco presente. Il prodotto svolge un’azione detergente e igienizzante su superfici dure, attrezzature, bidoni dei rifiuti, celle frigorifere, pavimenti, pareti e superfici in acciaio inox, servizi igienici, canalette di scolo, ecc.

IGIENIZZAZIONE
ETIL DET, soluzione idroalcolica liquida, a base di alcool etilico al 70% v/v. Ideale per detergere ed igienizzare tutte le superifici. Per uso professionale e industriale. MULTI SAN, soluzione alcolica idrosolubile detergente, ad azione igienizzante e sanitizzante, per tutte le superfici e per le mani. Con glicerina, senza profumi né coloranti. Per uso professionale e industriale. IGIENI DET, detergente, deodorante, igienizzante. Diluibile in acqua, appositamente formulato per igienizzare e deodorare tutte le superfici lavabili; disponibile nella gradevole profumazione di pino.
Codice Formato Listino € Netto € CH9020020200005 5 lt 84,00 48,72 Codice Formato Listino € Netto € CH9430030100005 5 kg 30,56 22,92 Codice Formato Listino € Netto € CH9410040100050 5 lt 20,19 12,31 Codice Formato Listino € Netto € CH9410040200010 1 lt + 4 trigger 15,92 11,46 CH9410040200050 5 lt 68,98 49,66 CH9410040200400 400 ml SPRAY 13,31 7,99
IDROALCOLICA AL 80% V/V NON SCHIUMOGENO PER TUTTE LE SUPERFICI
SOLUZIONE

FULL DET, sgrassatore e detergente concentrato per sporchi difficili. Ad altissima concentrazione, è in grado di solubilizzare ed emulsionare ogni tipo di sporco, in particolare lo sporco di origine minerale: morchia, catrame, fluidi da taglio, lubrificanti.nNon contiene solventi e componenti nocivi per l’operatore.

PER CASCHI E SCARPE

IGIENI SHOES & HELMET, spray innovativo a forte azione igienizzante per il trattamento di scarpe e caschi. Elimina efficacemente gli odori sgradevoli e ne ritarda la formazione, evitando la proliferazione batterica. Formato 400 ml.

IGIENI CLIMA, igienizzante per impianti di condizionamento di auto, uffici, ristoranti, e industria in generale. Al profumo di brezza marina, IGIENI CLIMA permette un efficace trattamento di pulizia e sanificazione; formulato per limitare la contaminazione batterica che si annida negli impianti di condizionamento, grazie ad un’azione igienizzante, detergente e deodorante. Formato 400 ml.

VISIERA DI PROTEZIONE PROFESSIONALE, ad altissima trasparenza, resistente all’urto e agli agenti chimici. Struttura di sostegno di design, progettata per garantire stabilità in condizioni di esercizio. Comfort garantito da una fascia regolabile per una migliore vestibilità.

77 S.r.l UTENSILERIA_MACCHINE UTENSILI FERRAMENTA_ANTINFORTUNISTICA
IGIENIZZAZIONE
Codice Formato Listino € Netto € CH9410030110005 5 lt 42,75 29,93 CH9410030110025 25 lt 211,50 148,05 Codice Formato Listino € Netto € CH9430030100004 400 ml 9,80 5,90 Codice Listino € Netto € UT0020060100002 28,20 12,90
Codice Formato Listino € Netto € CH9200010100000 400 ml 15,45 9,90 PER IMPIANTI CONDIZIONAMENTO E ABITACOLI AUTO

IPER MANI, liquido lavamani superconcentrato; dermocompatibile, il prodotto è stato formulato per l’impiego specifico negli ambienti di lavoro in cui il tipo di sporco, depositato sull’epidermide durante le lavorazioni risulta particolarmente tenace.

MANI CREAM, crema lavamani con effetto abrasivo. Ideale per detergere le mani da sporco, grasso ed unto. Rimuove lo sporco più tenace,lasciando le mani morbide. Il prodotto è privo di microplastiche, e composto esclusivamente da microgranuli abrasivi di natura vegetale.

MANI OFFICE, sapone liquido a pH neutro con tensioattivi dolci emollienti che svolgono un’azione delicata e detergente, lasciando le mani morbide, protette e gradevolmente profumate, rispettando il naturale equilibrio della pelle.

MANI BAR: crema barriera mani, protegge le mani con un guanto invisibile, 400 ml.

Leggi il QR code per guardare il video tutorial.

78 PREZZI IVA esclusa PLASTIC FREE PULIZIA MANI Codice Formato (kg) Listino € Netto € CH9020020100005 5 41,32 31,82 CH9020020100030 30 207,50 159,78 Codice Formato Listino € Netto € CH9030020100001 1 lt 5,17 4,05 CH9030020100005 5 kg 22,71 17,49 Codice Formato (kg) Listino € Netto € CH9040020100000 5 37,72 29,05 Codice Listino € Netto € CH9060020100000 9,39 7,23

A BASE ALCOOL 65-75%

MANI SAN PLUS, gel lavamani igienizzante a base alcool. Consente di rimuovere e tenere lontani germi e batteri presenti sulle mani. Facile e veloce da applicare, agisce in pochi secondi. Pratico in ogni situazione in cui si desidera igienizzare e lavare le mani, in mancanza di acqua.

PLASTIC FREE

VULCANO è un detergente in pasta a base di roccia lavica, ad alto potere pulente. Agisce in profondità, proteggendo le pelli delicate ed evitando screpolature. Particolarmente indicato per rimuovere dalle mani lo sporco più tenace (olio, grasso, vernice, ecc.). Non ottura i lavandini perché si scioglie a contatto con l’acqua; non contiene solventi, né silice ed è esente da microplastiche.

SCRAT, pasta lavamani ai gusci di nocciola. Rimuove dalle mani i residui di grasso, vernice, macchie di ogni genere, elimina tutti gli odori sgradevoli, NON CONTIENE SOLVENTI E SILICE, lascia le mani pulite e morbide. La pasta lavamani SCRAT è prodotta con materie di prima qualità ed è ottenuta con i più moderni processi di lavorazione, il suo effetto abrasivo deriva da gusci di nocciola finemente triturati. Disponibile nei formati da 1 kg. e da 4 kg.

79 S.r.l UTENSILERIA_MACCHINE UTENSILI FERRAMENTA_ANTINFORTUNISTICA PULIZIA MANI
Codice Formato (ml) Listino € Netto € CH900002010100F 100 6,93 2,90 CH900002010500P 500 10,89 4,90 Codice Formato (kg) Listino € Netto € CH9060020700010 1 6,20 4,71 CH9060020700040 4 20,40 15,10 Codice Formato (kg) Listino € Netto € CH9060020700001 1 5,10 3,88 CH9060020700004 4 17,25 12,77

Calzatura TECHNO FLEX. Calzatura TECHNO FLEX. S3-ESD SRC –versione MID certificata CR. Certificazione: UNI EN ISO 20345:2012. Tomaia: tessuto in poliestere con lavorazione jacquard; idrorepellente, traspirante, resistente al taglio, anti-sfilo, con puntalino anti-abrasione. Forma: anatomica. Fodera: tessuto PLASMAFEEL. Soletta: Techsoft termoformata Fusstatic estraibile, antibatterica ed assorbente con supporto dell’arco plantare. Suola: poliuretano PU/TPU. Puntale: Power Cap fibra di vetro (200J) – atermico. Lamina: composito Texon EnigmaZero HT2. Misure disponibili: dal 39 al 46.

MASSIMA COMODITÀ

FLESSIBILITÀ ESTREMA DESIGN RICERCATO VERSATILE

Calzatura SPEED-UP. S1P SRC. Certificazione: UNI EN ISO 20345:2012. Tomaia: tessuto tridimensionale, traspirante e resistente. Puntalino in pelle bycast antiabrasione. Fodera: tessuto PLASMAFEEL.

Soletta: Techsoft estraibile, traspirante, antibatterica ed assorbente.

Suola: poliuretano termoplastico PU/TPU. Puntale: Power Cap fibra di vetro (200J). Lamina: composito Texon EnigmaZero HT2. Misure disponibili: dal 39 al 46.

Calzatura ZAFFIRO. S3 SRC - DGUV 112-191. Certificazione: UNI EN ISO 20345:2012. Tomaia: pelle scamosciata idrorepellente e traspirante con puntalino antiabrasione. Fodera: tessuto PLASMAFEEL. Soletta: Techsoft termoformata Fusstatic estraibile, antibatterica ed assorbente. Suola: poliuretano bidensità PU/PU. Puntale: Power Cap fibra di vetro (200J). Lamina: composito Texon EnigmaZero HT2. Misure disponibili: dal 39 al 46.

Calzatura RIDE-ON. S3 SRC. Certificazione: UNI EN ISO 20345:2012. Tomaia: tessuto idrorepellente, traspirante e puntalino in pelle antiabrasione. Fodera: tessuto PLASMAFEEL. Soletta: Techsoft estraibile, traspirante, antibatterica ed assorbente. Suola: poliuretano termoplastico PU/TPU. Puntale: Power Cap fibra di vetro (200J).

Lamina: composito Texon EnigmaZero HT2. Misure disponibili: dal 39 al 46.

80 PREZZI IVA esclusa
CALZATURE SICUREZZA
Codice Modello Listino € Netto € ANTEC0010100039/40... basso 105,10 65,10 ANTECM01010039/40... alto 115,70 71,70 Codice Listino € Netto € ANSPE0010100039/40... 123,00 73,80 Codice Listino € Netto € ANRID0010100039/40... 121,10 72,70 Codice Modello Listino € Netto € ANZAF0010100039/40... basso 105,80 60,30 ANZAFM010100039/40... alto 109,00 62,30

Calzatura GRANITO. S3-ESD SRC. Certificazione: UNI EN ISO 20345:2012. Tomaia: microfibra effetto nabuck idrorepellente e traspirante.

Fodera: tessuto PLASMAFEEL. Soletta: Techsoft estraibile, traspirante, antibatterica ed assorbente con supporto dell’arco plantare. Suola: poliuretano bidensità PU/PU. Puntale: Power Cap fibra di vetro (200J).

Lamina: composito Texon EnigmaZero HT2. Misure disponibili: dal 39 al 46.

Calzatura TITANIO. S1P SRC. Certificazione: UNI EN ISO 20345:2012. Tomaia: pelle scamosciata traspirante con inserti in tessuto. Fodera: tessuto PLASMAFEEL. Soletta: termoformata Fusstatic estraibile, antibatterica ed assorbente. Suola: poliuretano bidensità PU/PU. Puntale: Power Cap fibra di vetro (200J). Lamina: composito Perforazione Zero. Misure disponibili: dal 39 al 46.

Calzatura RUTILIO. S3 HRO. Certificazione: UNI EN ISO 20345:2012.

Tomaia: pelle traspirante idrorepellente. Fodera: tessuto PLASMAFEEL.

Soletta: termoformata Fusstatic estraibile, antibatterica ed assorbente.

Suola: poliuretano-gomma PU/gomma. Puntale: Power Cap fibra di vetro (200J). Lamina: composito Texon EnigmaZero HT2. Misure disponibili: dal 39 al 46.

Calzatura UNICA. 3 HRO SRC. Certificazione: UNI EN ISO 20345:2012. Tomaia: pelle fiore traspirante idrorepellente. Fodera: Tessuto PLASMAFEEL. Soletta: termoformata Fusstatic estraibile, antibatterica ed assorbente. Suola: poliuretano-gomma PU/gomma.

Puntale: Power Cap fibra di vetro (200J). Lamina: composito Texon EnigmaZero HT2. Misure disponibili: dal 39 al 46.

81 S.r.l UTENSILERIA_MACCHINE UTENSILI FERRAMENTA_ANTINFORTUNISTICA CALZATURE SICUREZZA
Codice Modello Listino € Netto € ANGRA0010100039/40... basso 101,60 61,00 ANGRAM010100039/40... alto 105,90 63,50 Codice Listino € Netto € ANRUT0010100039/40... 130,60 74,40 Codice Listino € Netto € ANUNIM010100039/40... 130,50 71,70 Codice Listino € Netto € ANTIT0010100039/40... 88,90 55,10
ROBUSTA
RESISTENTE
EXTRA TRASPIRABILITÀ
SPECIFICA PER SALDATURA
AI TRUCIOLI

Occhiali EVO-POLAR con lenti polarizzate in policarbonato grigio, filtro UV400, classe ottica 1. Montatura confortevole, ergonomica e resistente. Trattamento superficiale della montatura soft-touch per garantire il massimo comfort a contatto con la pelle. Grado di protezione: F. Resistenza alla temperatura: T (da -5° a +55°). Codice filtro: 5 - 3,1. Regolamento: UE 2016/425. Certificazione: CE EN 166 - EN 172.

Occhiali EVO-PLUS con lenti in policarbonato trasparente, PC controimpatto ad alta visibilità, con trattamento antiappannante e antigraffio, classe ottica 1. Montatura confortevole, estremamente avvolgente ed ergonomica. Astine in materiale bicomponente. Grado di protezione: F. Resistenza alla temperatura: T (da -5° a +55°). Codice filtro: 2C - 1,2. Regolamento: UE 2016/425. Certificazione: CE EN 166 - EN 170.

Occhiali EVO-SUN con lenti in policarbonato grigio, PC controimpatto, con trattamento antiappannante e antigraffio, classe ottica 1. Montatura confortevole, estremamente avvolgente ed ergonomica. Astine in materiale bicomponente. Grado di protezione: F. Resistenza alla temperatura: T (da -5° a +55°). Codice filtro: 5 - 3,1. Regolamento: UE 2016/425. Certificazione: CE EN 166 - EN 172.

Occhiali EVO-HD con lenti in policarbonato giallo, PC controimpatto ad alta visibilità, con trattamento antiappannante e antigraffio certificati, classe ottica 1. Montatura confortevole, estremamente avvolgente ed ergonomica. Astine in materiale bicomponente. Grado di protezione: F. Resistenza alla temperatura: T (da -5° a +55°). Codice filtro: 2C - 1,2. Regolamento: UE 2016/425. Certificazione: CE EN 166 - EN 170.

Occhiali UV-ECO, con lenti antigraffio e antiappannanti, filtro PC UV400 trasparente/solare, montatura confortevole, completamente avvolgente e resistente, grado di protezione F; settori di utilizzo: edilizia e costruzioni, industria generica, industria metalmeccanica; CE EN 166 + EN 170.

82 PREZZI IVA esclusa OCCHIALI SICUREZZA
Codice Listino € Netto € AN0010100POLEY2 58,70 28,18 Codice Listino € Netto € AN00101EPTREY02 13,35 6,94 Codice Listino € Netto € AN00101000SUNHW 13,35 6,94 Codice Listino € Netto € AN00101EPYEY001 13,35 6,94 POLARIZZATI ALTA VISIBILITÀ Codice Lenti Listino € Netto € AN00101ECTRSG03 trasparenti 4,65 2,79 AN00101ECSUSG03 solari grige 4,65 2,79
GAMMA RINNOVATA

Occhiali WELD-PLUS, con filtro per saldatura a gas PC DIN 5, montatura confortevole ed ergonomica, astine di colore verde scuro trasparenti per avere migliore luminosità in ambienti oscuri, e con piccole prese d’aria per permettere un piccolo ricambio di aria in condizioni di forti esposizioni a fonti di calore; grado di protezione F, resistenza alla temperatura da -5°C a +55°C; settori di utilizzo: industria generica e industria metallurgica, utilizzabili specificatamente durante lavori di saldatura a gas e tecniche affini; CE EN 166 + EN 169.

Occhiali EVO-LIGHT con lenti in policarbonato antigraffio, con trattamento antiappannante. Montatura confortevole, completamente avvolgente e resistente, astine con protezione laterale. Grado di protezione: S. Regolamento: UE 2016/425. Certificazione: CE EN 166.

Occhiali COVER-PLUS, con lenti antigraffio e antiappannanti, filtro PC UV controimpatto trasparente, montatura confortevole, ergonomica e resistente, completamente avvolgente. L’occhiale può essere indossato sopra qualunque occhiale da vista Dotato di astine blu trasparente per attenuare il riflesso delle stanghette degli occhiali all’interno. Grado di protezione F; settori di utilizzo: edilizia e costruzioni, industria generica, industria metalmeccanica, sanità; CE EN 166 + EN 170.

Occhiali EVO-FOCUS graduati monofocali, indicati per soggetti con problemi di presbiopia. Lenti in policarbonato antigraffio, con trattamento antiappannante. Montatura confortevole, completamente avvolgente e resistente, astine con protezione laterale. Grado di protezione: S. Regolamento: UE 2016/425. Certificazione: CE EN 166.

83 S.r.l UTENSILERIA_MACCHINE UTENSILI FERRAMENTA_ANTINFORTUNISTICA OCCHIALI SICUREZZA
Codice Listino € Netto € AN00101FLD5HW01 14,66 8,35 Codice Listino € Netto € AN0010100RET001 23,35 12,96
Codice Listino € Netto € AN0010100DOTRSG 10,75 5,59 NEW
GAMMA RINNOVATA
PER SALDATURA
GRADUATI Codice Graduazione Listino € Netto € AN0010100REC001 +1 27,90 16,18 AN0010100REC015 +1,5 27,90 16,18 AN0010100REC002 +2 27,90 16,18 AN0010100REC025 +2,5 27,90 16,18 AN0010100REC003 +3 27,90 16,18

Polo manica corta STYLE, 80% poliestere, 20% cotone, 170 gr/mq. Apertura con bottoni e occhielli, collo in costina, fettuccia interno collo a contrasto, carrè davanti, tagli sagomati, piping a contrasto, cuciture a contrasto, inserti in tessuto traspirante. Taglie da XS a 3XL. Colori disponibili: blu e grigio. Certificazione: CE UNI EN ISO 13688.

ABBIGLIAMENTO DA LAVORO

Giubbino REGULAR Giubbino, 98% cotone, 2% elastan, 250 gr/mq. Abbottonatura nascosta con zip e bottoni a pressione, taschino porta penne e porta cellulare, polsini con bottoni a pressione, inserti in costina su giromaniche posteriore, salvareni, tessuto stretch, reflex termosaldato, dettagli reflex. Taglie da XS a 3XL. Colori disponibili: blu, grigio, nero. Certificazioni: CE UNI EN ISO 13688.

Felpa REGULAR Felpa, 80% cotone, 20% poliestere, 300 gr/mq. Apertura con zip, tasche laterali, collo, polsini e fondo in costina, dettagli reflex, reflex termosaldato. Taglie da XS a 3XL. Colori disponibili: blu, grigio, nero. Certificazioni: CE UNI EN ISO 13688.

Bomber REGULAR Bomber, 100% poliestere spalmanto PVC, 270 gr/mq. Interno in pile 100% poliestere, 230 gr/mq. Apertura con zip, polsini e fondo in costina, taschino porta penne e porta cellulare su manica destra, tasche frontali chiuse con zip, taschini interni chiusi con zip, tasca porta cellulare interna chiusa con pattina e velcro, dettagli reflex, reflex termosaldato. Taglie da XS a 3XL. Colori disponibili: blu e grigio. Certificazioni: CE UNI EN ISO 13688.

84 PREZZI IVA esclusa
Codice Taglia Listino € Netto € AL0300600R0XS0B/G XS 86,40 47,52 AL0300600R00S0B/G S 86,40 47,52 AL0300600R00M0B/G M 86,40 47,52 AL0300600R00L0B/G L 86,40 47,52 AL0300600R0XL0B/G XL 86,40 47,52 AL0300600R2XL0B/G 2XL 86,40 47,52 AL0300600R3XL0B/G 3XL 86,40 47,52 Codice Taglia Listino € Netto € AL0300500R0XS0B/G/N XS 77,10 42,41 AL0300500R00S0B/G/N S 77,10 42,41 AL0300500R00M0B/G/N M 77,10 42,41 AL0300500R00L0B/G/N L 77,10 42,41 AL0300500R0XL0B/G/N XL 77,10 42,41 AL0300500R2XL0B/G/N 2XL 77,10 42,41 AL0300500R3XL0B/G/N 3XL 77,10 42,41 Codice Taglia Listino € Netto € AL0300200R0XS0B/G/N XS 61,50 33,83 AL0300200R00S0B/G/N S 61,50 33,83 AL0300200R00M0B/G/N M 61,50 33,83 AL0300200R00L0B/G/N L 61,50 33,83 AL0300200R0XL0B/G/N XL 61,50 33,83 AL0300200R2XL0B/G/N 2XL 61,50 33,83 AL0300200R3XL0B/G/N 3XL 61,50 33,83
Codice Taglia Listino € Netto € AL0100200S0XS0B/G XS 41,85 23,05 AL0100200S00S0B/G S 41,85 23,05 AL0100200S00M0B/G M 41,85 23,05 AL0100200S00L0B/G L 41,85 23,05 AL0100200S0XL0B/G XL 41,85 23,05 AL0100200S2XL0B/G 2XL 41,85 23,05 AL0100200S3XL0B/G 3XL 41,85 23,05

ABBIGLIAMENTO DA LAVORO

Giubbino EASY Giubbino, 98% cotone, 2% elastan, 240 gr/mq. Abbottonatura nascosta con bottoni a pressione, taschini chiusi con pattina e bottoni a pressione, tasca porta penne su taschino destro, tasche frontali, predisposizione per porta badge staccabile su taschino destro, elastico sui polsi, elastico sui fianchi, salvareni, dettagli reflex, tessuto a contrasto. Taglie da XS a 3XL. Colori disponibili: blu e grigio. Certificazione: CE UNI EN ISO 13688.

Giubbino softshell STYLE, 96% poliestere, 4% elastan, 320 gr/mq. Apertura con zip, interno cappuccio in rete traspirante, zip a contrasto, tasche chiuse da zip, travette di rinforzo a contrasto, tiretti zip gommati, tessuto stretch con stampa rifrangente, inserti in tessuto reflex elasticizzati. Taglie da XS a 3XL. Colori disponibili: blu e nero. Certificazione: CE UNI EN ISO 13688.

Pantaloni EASY Pantaloni, 98% cotone, 2% elastan, 240 gr/mq. Apertura con zip e bottone, passanti in vita, elastico sui fianchi, tasche davanti, tasche laterali chiuse con pattina e bottoni a pressione, tasca posteriore chiusa con pattina e bottoni a pressione, tasca porta metro, porta martello, predisposizione per porta badge staccabile su tasca laterale destra, tessuto stretch, tessuto doppio su zona ginocchia, dettagli reflex, tessuto in contrasto. Taglie da XXS a 3XL. Colori disponibili: blu e grigio. Certificazione: CE UNI EN ISO 13688.

85 S.r.l UTENSILERIA_MACCHINE UTENSILI FERRAMENTA_ANTINFORTUNISTICA
Codice Taglia Listino € Netto € AL0200100EXXS0B/G XXS 56,70 30,62 AL0200100E0XS0B/G XS 56,70 30,62 AL0200100E00S0B/G S 56,70 30,62 AL0200100E00M0B/G M 56,70 30,62 AL0200100E00L0B/G L 56,70 30,62 AL0200100E0XL0B/G XL 56,70 30,62 AL0200100E2XL0B/G 2XL 56,70 30,62 AL0200100E3XL0B/G 3XL 56,70 30,62 Codice Taglia Listino € Netto € AL0200400E0XS0B/G XS 61,50 33,21 AL0200400E00S0B/G S 61,50 33,21 AL0200400E00M0B/G M 61,50 33,21 AL0200400E00L0B/G L 61,50 33,21 AL0200400E0XL0B/G XL 61,50 33,21 AL0200400E2XL0B/G 2XL 61,50 33,21 AL0200400E3XL0B/G 3XL 61,50 33,21
Codice Taglia Listino € Netto € AL0100500S0XS0B/N XS 101,40 54,76 AL0100500S00S0B/N S 101,40 54,76 AL0100500S00M0B/N M 101,40 54,76 AL0100500S00L0B/N L 101,40 54,76 AL0100500S0XL0B/N XL 101,40 54,76 AL0100500S2XL0B/N 2XL 101,40 54,76 AL0100500S3XL0B/N 3XL 101,40 54,76

Torcia da ispezione reclinabile, per uso individuale, dotata di batterie Li-ion ricaricabili. Può illuminare con luce diffusa in modo uniforme e due stadi di intensità (flood), oppure in profondità (spot) con lente riflettore. Con gancio e magnete integrati nel corpo della torcia, per consentire diverse soluzioni di fissaggio. Autonomia: 3 h (300 lumen), 2 h (600 lumen). IP54.

Torcia da ispezione orientabile, per uso individuale, dotata di batterie Li-ion ricaricabili tramite USB. Può illuminare con luce diffusa in modo uniforme e due stadi di intensità (flood), oppure in profondità (spot) con lente riflettore. Asta sottile e reclinabile per illuminare in spazi angusti. Dotata di gancio e magnete integrati nel corpo, per consentire diverse soluzioni di fissaggio. Autonomia: 2 h. IP30.

Torcia da ispezione e power bank. Power Bank robusto ed affidabile con torcia da ispezione incorporata che può illuminare con luce focalizzata da 300 lumen. Dotato di batteria Li-ion ricaricabile, è utilizzabile in qualsiasi situazione. Autonomia: 40 h. IPX4. IP5X.

Faretto da cantiere, modulabile a cinque stadi di luminosità, con batterie Li-ion ricaricabili; con interruttore multifunzione, può fungere anche da powerbank. Può essere posizionato a terra grazie alla staffa reclinabile oppure appoggiato su supporti metallici, grazie al magnete integrato. Robusta maniglia per un facile trasporto. IP54. La versione 4500 lumen, è regolabile a distanza tramite tecnologia Bluetooth.

Faretto compatto. Caratterizzato da una potente emissione di luminosità, con batteria Li-ion ricaricabile tramite Magnetic Charge System che lo rende impermeabile anche quando le porte sono scoperte (IP54). Modulabile a cinque stadi di luminosità. Può essere posizionato in diversi modi, utilizzando la base di supporto, il gancio e il magnete integrato. Dotato di tecnologia Cooling per un funzionamento duratura senza surriscaldamento. Autonomia: 15 h. IP54. IPX4.

86 PREZZI IVA esclusa TORCE
Codice Lumen Listino € Netto € IL0010010302000 300 34,90 25,13 Codice Lumen Listino € Netto € IL0010010100061 600 84,90 61,13 Codice Lumen Listino € Netto € IL0010010100030 300 74,90 53,93 IL0010010100060 600 99,90 71,93 Codice Lumen Listino € Netto € IL0010010200025 2500 149,00 107,28 IL0010010200045 4500 199,00 143,28 Codice Lumen Listino € Netto € IL001001040000C 1000 99,90 71,93
IP5X.

Mini faretto da cantiere. Tascabile, con batteria Li-ion ricaricabile. Può illuminare con luce diffusa in modo uniforme, oppure con luce focalizzata in caso di utilizzo come torcia manuale. Può essere posizionato in diversi modi, utilizzando la base di supporto, il gancio e il magnete integrato. Ideale per illuminare in spazi ristretti o per illuminare piccole aree. Autonomia: 3 h. IPX4. IP5X.

Torcia tascabile da ispezione, a led, con certificazione ATEX zona EX 0/20. Resistente ad acqua e polvere (IP66), idonea ai gruppi gas e polveri a più alto rischio (IIC/IIIC), idonea all’utilizzo in presenza di polveri non conduttive e conduttive, utilizzabile fino alla classe di temperatura T4 per i gas e T135°C per le polveri. Alimentazione: 2xAAA alcalina.

Torcia tascabile da ispezione, a led, con certificazione ATEX zona EX 0/20, con Magnetic Switch per un semplice utilizzo con guanti e protezioni. Resistente ad acqua e polvere (IP66), idonea ai gruppi gas e polveri a più alto rischio (IIC/IIIC), idonea all’utilizzo in presenza di polveri non conduttive e conduttive, utilizzabile fino alla classe di temperatura T4 per i gas e T135°C per le polveri. Con sistema di focalizzazione Advanced Focus System brevettato. Alimentazione: 3xAA alcalina.

Torcia frontale da ispezione, a led, con certificazione ATEX zona EX 0/20, con Magnetic Switch per un semplice utilizzo con guanti e protezioni. Resistente ad acqua e polvere (IP66), idonea ai gruppi gas e polveri a più alto rischio (IIC/IIIC), idonea all’utilizzo in presenza di polveri non conduttive e conduttive, utilizzabile fino alla classe di temperatura T4 per i gas e T135°C per le polveri. Luce posteriore di posizione. Alimentazione: 3xAA alcalina.

87 S.r.l UTENSILERIA_MACCHINE UTENSILI FERRAMENTA_ANTINFORTUNISTICA TORCE
Codice Lumen Listino € Netto € IL001001030230A 200/60 79,90 57,53 Codice Lumen Listino € Netto € IL001001030220A 50/- 39,90 28,73 Codice Lumen Listino € Netto € IL00100103023FA 180/50 89,90 64,73
Codice Lumen Listino € Netto € IL001001040000T 200 49,90 35,93

Buste impermeabili adesive Buste ideali per esporre informazioni in aree esterne o interne con elevato tasso di umidità e dove i documenti possono entrare in contatto con spruzzi d’acqua. La chiusura ermetica a pressione protegge il contenuto da pioggia, umidità e sporco. Fissaggio con 4 (A4) o 6 (A3) pad adesivi, inclusi nella confezione, che possono essere rimossi senza lasciare residui. Testata secondo lo standard IPX5 (protezione contro i getti d‘acqua provenienti da tutte le direzioni). Dotate di stabilizzatore UV (garantito 2 anni) e resistenti alle intemperie, antigraffio, con effetto antiriflesso. Resistente al calore fino a ca. 60° C. Utilizzabili sia in formato verticale che orizzontale. Sostituzione veloce degli inserti. Può contenere due fogli da 160 g/m2 inclusi nella confezione. È possibile creare inserti personalizzati con il software gratuito online DURAPRINT®. Confezioni da 5 pz.

Buste impermeabili magnetiche Buste ideali per esporre informazioni in aree esterne o interne con elevato tasso di umidità e dove i documenti possono entrare in contatto con spruzzi d’acqua. La chiusura ermetica a pressione protegge il contenuto da pioggia, umidità e sporco. Fissaggio magnetico grazie a alle due bande magnetiche presenti sul retro dotate di elevata forza di attrazione (0,95 N/m² per banda magnetica). Testata secondo lo standard IPX5 (protezione contro i getti d‘acqua provenienti da tutte le direzioni). Dotate di stabilizzatore UV (garantito 2 anni) e resistenti alle intemperie, antigraffio, con effetto antiriflesso. Resistenti al calore fino a ca. 60° C. Utilizzabili sia in formato verticale che orizzontale. Sostituzione veloce degli inserti. Può contenere due fogli da 160 g/m2 inclusi nella confezione. È possibile creare inserti personalizzati con il software gratuito online DURAPRINT® Confezioni da 5 pz.

Buste impermeabili con fascette d’aggancio Buste ideali per esporre informazioni in aree esterne o interne con elevato tasso di umidità e dove i documenti possono entrare in contatto con spruzzi d’acqua. La chiusura ermetica a pressione protegge il contenuto da pioggia, umidità e sporco. Fissaggio con due 2 fascette, incluse nella confezione. Testata secondo lo standard IPX5 (protezione contro i getti d‘acqua provenienti da tutte le direzioni). Dotate di stabilizzatore UV (garantito 2 anni) e resistente alle intemperie, antigraffio, con effetto antiriflesso. Resistente al calore fino a ca. 60° C. Utilizzabili sia in formato verticale che orizzontale. Sostituzione veloce degli inserti. Possono contenere due fogli da 160 g/m2 inclusi nella confezione. È possibile creare inserti personalizzati con il software gratuito online DURAPRINT®. Confezioni da 5 pz.

Buste per identificazione con bande adesive Buste identificative dotate di due bande adesive sul retro. Aderiscono perfettamente su qualsiasi superficie, come contenitori in plastica, legno e cartonati. Realizzate con retro di colore blu e pellicola frontale trasparente in polipropilene estremamente resistente. Adatte all’uso con pistole scanner per barcode, resistenti agli strappi e all’usura. Facile sostituzione degli inserti. È possibile creare inserti personalizzati con il software gratuito online DURAPRINT®. Confezioni da 50 pz.

88 PREZZI IVA esclusa
Codice Formato utile Dimensioni esterne (L x H) Colore Netto € 5016-19 A4 247x325mm trasparente 27,90 5017-19 A3 335x445mm trasparente 42,50
Codice Formato utile Dimensioni esterne (L x H) Colore Netto € 5027-19 A4 262x340mm trasparente 21,26 5028-19 A3 350x460mm trasparente 32,90
Codice Formato utile Dimensioni esterne (L x H) Colore Netto € 5018-19 A4 247x325mm trasparente 34,90 5019-19 A3 335x445mm trasparente 52,96 Codice Formato utile (LxH) Dimensioni esterne (LxH) Netto € 1759-07 100x38mm 113x53mm 57,24 1762-07 150x67mm 163x83mm 73,40 1763-07 A6 orizzontale 163x120mm 77,66 1794-07 210x74mm 223x81,5mm 89,43 1795-07 A5 orizzontale 223x163mm 93,80 1796-07 297x74mm 311x81,5mm 96,80 1797-07 A4 verticale 233x313mm 118,75 1798-07 A4 orizzontale 311x225mm 118,75 ACCESSORI
AMBIENTI DI LAVORO
PER

ACCESSORI PER AMBIENTI DI LAVORO

Buste per identificazione con aletta pieghevole di aggancio Buste identificative con aletta pieghevole adatte per l’identificazione di pallet e cartoni. Possono essere inserite tra i cartoni impilati oppure fissate ai singoli pallet. Realizzate con retro di colore blu in plastica estremamente resistente. Adatte all’uso con pistole scanner per barcode, resistenti agli strappi e all’usura. Facile sostituzione degli inserti. È possibile creare inserti personalizzati con il software gratuito online DURAPRINT®. Larghezza aletta: 24 mm / Sporgenza: 55 mm. Confezioni da 50 pz.

Buste per identificazione con fascia a strappo per il fissaggio al piede del pallet Buste identificative per l’identificazione immediata dei pallet. Agganciabili al piede del pallet tramite fascia con chiusura a strappo. Tutti e quattro i lati della fascia possono essere etichettati. Con lunetta che facilita l’inserimento e la sostituzione dell’inserto. Realizzate con retro colorato e pellicola frontale trasparente in polipropilene estremamente resistente. Adatte all’uso con pistole scanner per barcode, resistenti agli strappi e all’usura. È possibile creare inserti personalizzati con il software gratuito online DURAPRINT®. Confezioni da 50 pz.

Buste per identificazione con filo metallico di aggancio BBuste identificative con filo metallico zincato, flessibile, per un fissaggio facile e sicuro. Applicabili a contenitori per stoccaggio e trasporto, grigliati metallici, paretali e casse di legno. Realizzate con retro colorato e pellicola frontale trasparente in polipropilene estremamente resistente. Dotate di aletta di chiusura che protegge i documenti da sporco e umidità. Adatte all’uso con pistole scanner per barcode e valide per documenti ufficiali. Facile sostituzione dell’inserto, resistenti agli strappi e all’usura. È possibile creare inserti personalizzati con il software gratuito online DURAPRINT® Confezioni da 50 pz.

Bidone DURABIN® ECO 60L rettangolare Bidone in plastica per la raccolta differenziata di rifiuti e materiale riciclabile. Capacità 60 litri. Dotato di robuste maniglie per un facile trasporto. Prese sul fondo che ne facilitano lo svuotamento. Dotato di fessure per fissare i sacchi dell’immondizia. Realizzato con almeno l’80% di plastica riciclata, certificato “Blue Angel”. Dimensioni: 590 x 600 x 282 mm (LxHxP).

Coperchio ECO per DURABIN® 60L rettangolare Coperchio dotato di fessure per agevolarne la rimozione. Realizzato con almeno l’80% di plastica riciclata, certificato “Blue Angel”. Dimensioni: 501 x 58 x 272 mm (LxHxP).

89 S.r.l UTENSILERIA_MACCHINE UTENSILI FERRAMENTA_ANTINFORTUNISTICA
Codice Formato utile Dimensioni esterne (LxH) Colore Netto € 1721-07 A6 orizzontale 163x120mm blu 32,57 1722-04 A5 orizzontale 230x259mm giallo 35,27 1722-07 A5 orizzontale 230x259mm blu 35,27 1723-04 A4 orizzontale 317x321mm giallo 64,05 1723-07 A4 orizzontale 317x321mm blu 64,05
Codice Formato utile Dimensioni esterne (LxH) Colore Netto € 1752-04 A5 orizzontale 223x218mm filo 329x226mm giallo 111,65 1752-07 A5 orizzontale 223x218mm filo 329x226mm blu 111,65 1753-04 A4 verticale 223x368mm filo 329x376mm giallo 148,45 1753-07 A4 verticale 223x368mm filo 329x376mm blu 148,45 1754-04 A4 orizzontale 311x280mm filo 329x288mm giallo 148,45 1754-07 A4 orizzontale 311x280mm filo 329x288mm blu 148,45
Codice Formato utile Dimensioni esterne (LxH) Colore Netto € 1724-04 140x65/90x65mm 596x75mm giallo 8,40 1724-07 140x65/90x65mm 596x75mm blu 8,40 Codice Colore Netto € 1800503050 grigio 28,12 1800503221 nero 28,12
Codice Colore Netto € 1800504050 grigio 8,40 1800504221 nero 8,40

Sollevatori idraulici da fossa: Stelo in acciaio speciale rettificato e cromato; ruote di grandi dimensioni montate su cuscinetti per la massima manovrabilità; valvola di protezione contro i sovraccarichi; comando di discesa a velocità controllata “uomo presente”.

BASIC

SPECIAL-RED

Sollevatori idraulici a bottiglia: Portata da 3 a 50 ton; struttura sovradimensionata in acciaio ad alta resistenza; base d’appoggio di grandi dimensioni a garanzia della massima stabilità; valvola di protezione contro i sovraccarichi incorporata; i modelli più pesanti sono dotati di maniglia per agevolare il trasporto; avvicinamento al punto di sollevamento rapido e preciso grazie alla vite incorporata (escluso art. portata 3000 Kg. e 50000 Kg.).

Sollevatori idraulici a carrello, linea BASIC: leva di comando; piattello in ghisa; comando discesa a pedale; ruote posteriori pivottanti.

Sollevatori idraulici a carrello, linea SPECIAL-RED: Doppi rulli anteriori basculanti; ruote posteriori pivottanti, in poliuretano; comando di discesa a pedale; particolarmente indicati per intervenire in fase di soccorsi stradali.

90 PREZZI IVA esclusa ATTREZZATURE SOLLEVAMENTO
Codice Portata (Kg) Listino € Netto € SO0010010002F01 250 584,65 362,48 SO0010010004F02 400 680,51 421,92 Codice Portata (Kg) Listino € Netto € SO0010010001C02 1200 613,05 380,09 SO0010010002C02 1200 849,75 526,85 Codice Portata (Kg) Listino € Netto € SO0010010002C04 2000 1.565,77 970,78 SO0010010002C05 2000 1.195,34 741,11 Codice Portata (Kg) Altezza aperto (mm) Listino € Netto € SO0010010003B01 3000 325 136,10 84,38 SO0010010005B01 5000 485 164,51 101,99 SO0010010010B01 10000 515 209,48 129,88 SO0010010015B01 15000 515 273,39 169,50 SO0010010025B01 25000 575 471,03 292,04 SO0010010030B01 30000 585 546,78 339,00 SO0010010050B01 50000 430 1.468,72 910,61

Presse idrauliche con pompa a mano, a due velocità: stelo cilindro in acciaio speciale; gestione delle due velocità tramite volantino posto sulla pompa; massima versatilità.

Gru idrauliche a carrello pieghevoli: stelo rettificato e cromato; braccio allungabile in quattro posizioni; ruote posteriori girevoli; gancio girevole a 360°; pompa idraulica a due velocità; comando discesa a velocità controllata.

Curvatubi idraulici: piastra superiore scorrevole; piastra inferiore a lettura costante; curvature a freddo senza riempimento tubi gas e acqua.

Martinetti idraulici per carrozzeria: assortimento composto da pompa, tubo in gomma 1,8mt, pistone, tubi prolunga 100-500mm, raccordi per prolunghe, tappi terminali.

Cilindri idraulici a semplice effetto: con pistone forato.

91 S.r.l UTENSILERIA_MACCHINE UTENSILI FERRAMENTA_ANTINFORTUNISTICA ATTREZZATURE SOLLEVAMENTO
Codice TON Listino € Netto € SO001001001PR01 10 1.969,11 1.220,85 SO001001001PR03 20 2.570,49 1.593,70 Codice TON Ritorno Listino € Netto € SO001001001CP01 12 a molla 1.069,88 663,33 Codice Matrici Listino € Netto € SO0010010032CI1 3/8”-1/2”-3/4”-1”-1”1/4-1”1/2-2” 1.859,28 1.152,75 SO0010010033CI2 3/8”-1/2”-3/4”-1”-1”1/4-1”1/2-2”-2”1/2-3” 2.971,77 1.842,50 Codice Portata (Kg) Listino € Netto € SO0010010005G06 500 1.267,53 785,87 SO0010010001G07 1000 1.783,53 1.105,79 Codice TON Listino € Netto € SO0010010002M01 20 1.931,47 1.197,51

Nastro adesivo antiscivolo, ideale per tutte le superfici piane lisce e sdrucciolevoli con pericolo di caduta o scivolamenti, quali scale, passerelle, rampe, veicoli, ecc. e dove il transito di persone è frequente. Supporto: 10 C PVC; adesivo: acrilico; spessore: 0,70,8mm; grana 60; resistenza alla temperatura: -5°C/+50°C.

Colori disponibili: nero, trasparente.

Nastro adesivo antiscivolo bicolore, ideale per tutte le superfici piane lisce e sdrucciolevoli con pericolo di caduta o scivolamenti, lisce e sdrucciolevoli con pericolo di caduta o scivolamenti. Particolarmente indicato nelle industrie, magazzini, aree di lavoro, fabbriche, ecc. Supporto: 10 C PVC; adesivo: acrilico; spessore: 0,7-0,8mm; grana 60; resistenza alla temperatura: -5°C/+50°C.

Colori disponibili: giallo/nero, rosso/bianco.

Nastro adesivo antiscivolo per zone buie, ideale per tutte le zone buie con pericolo di caduta o scivolamenti. In situazioni di luce spenta o aree scure, il nastro è indicato per illuminare chiusure di scale, contorni di porte, passerelle, scale, vie di entrata/uscita, ecc. Particolarmente indicato nelle industrie, magazzini, aree di lavoro, fabbriche, ecc. Supporto: 10 C PVC; adesivo: acrilico; spessore: 0,70,8mm; grana 60; resistenza alla temperatura: -5°C/+50°C.

Colori disponibili: fluorescente, luminescente, riflettente.

Nastro adesivo riflettente in PMMA, certificato C E11 104R-001059, con omologazione di classe C a norma UN ECE-104. Specifico per la segnalazione di camion e altri veicoli quali rimorchi, macchine agricole, caravan, ecc. Marchio di certificazione stampato sul nastro. Tipo supporto: PMMA; spessore: 0,39mm; resistenza alla temperatura: -20°C/+60°C.

Colori disponibili: rosso, giallo, bianco.

92 PREZZI IVA esclusa NASTRI ADESIVI IMBALLAGGIO
Codice Misura (mm) Colore Listino € Netto € IMB10060005500N 5x50 Nero 15,83 7,60 IMB10060015500N 15x50 Nero 42,63 20,46 IMB10060005500T 5x50 Trasparente 16,42 7,88 IMB10060015500T 15x50 Trasparente 44,52 21,37 Codice Misura (mm) Colore Listino € Netto € IMB1006001050GN 10x50 Nero-Giallo 31,50 15,12 IMB1006001050RB 10x50 Bianco-Rosso 31,50 15,12 Codice Misura (mm) Colore Listino € Netto € IMB1006000550FL 5x50 Fluorescente 51,49 24,72 IMB1006000550LU 5x50 Nero - banda luminescente 40,99 19,68 IMB1006000550RI 5x50 Nero - banda riflettente 33,52 16,09 Codice Misura (mm) Colore Listino € Netto € IMB1007002550RC 25x50 Bianco 160,36 76,97 IMB1007002550GC 25x50 Giallo 160,36 76,97 IMB1007002550BC 25x50 Rosso 160,36 76,97
TOP QUALITY

TOP QUALITY

Nastro adesivo riflettente in PVC, ideale per utilizzo su veicoli in generale, trattori, rimorchi, contenitori, pilastri, colonne, garage, avvertenze di sicurezza, recinzioni, bacheche, ecc. Tipo supporto: PVC; spessore: 0,39mm; temperatura di applicazione: 10/28°C; resistenza alla temperatura: -20°C/+60°C.

Colori disponibili: rosso, giallo, bianco, fluorescente.

Nastro adesivo riflettente bicolore in PVC, ideale per utilizzo su veicoli in generale, trattori, rimorchi, contenitori, pilastri, colonne, garage, avvertenze di sicurezza, recinzioni, bacheche, ecc. Tipo supporto: PVC; spessore: 0,39mm; temperatura di applicazione: 10/28°C; resistenza alla temperatura: -20°C/+60°C.

Colori disponibili: giallo/nero, rosso/bianco, bianco/blu (freccia), rosso/bianco (freccia), giallo/nero (freccia).

Nastro americano, extra-forte, in tessuto politenato. Altamente adesivo e particolarmente resistente, è ideale per fissare, riparare, proteggere e assemblare qualsiasi tipo di materiale: metallo, vetro, legno, plastica, ecc. Garantisce risultati dura- turi nel tempo; estremamente resistente alle forti trazioni e impermeabile all’acqua. Adesivo: caucciù naturale; spessore: 0,43mm; resistenza alla trazione: 718±10% (N/100mm); stiramento a rottura: 12%; resistenza alla temperatura: -5°C/+80°C.

Colori disponibili: nero, argento.

93 S.r.l UTENSILERIA_MACCHINE UTENSILI FERRAMENTA_ANTINFORTUNISTICA NASTRI ADESIVI IMBALLAGGIO
Codice Misura (mm) Colore Listino € Netto € IMB10070033500R 33x50 Rosso 53,13 25,50 IMB10070033500G 33x50 Giallo 53,13 25,50 IMB10070033500B 33x50 Bianco 53,13 25,50 IMB10070033500F 33x50 Fluorescente 53,13 25,50 Codice Misura (mm) Colore Listino € Netto € IMB1007003350GN 33x50 Giallo / nero 56,07 26,91 IMB1007003350RB 33x50 Rosso / bianco 56,07 26,91 IMB1007003350BF 33x50 Blu / bianco (freccia) 56,07 26,91 IMB1007003350RF 33x50 Giallo / nero (freccia) 56,07 26,91 IMB1007003350GF 33x50 Rosso / bianco (freccia) 56,07 26,91 Codice Misura (mm) Colore Listino € Netto € IMB10080010500N 10x50 Nero 11,97 5,75 IMB10080025500N 25x50 Nero 21,59 10,36 IMB10080050500N 50x50 Nero 39,27 18,85 IMB10080010500A 10x50 Argento 11,97 5,75 IMB10080025500A 25x50 Argento 21,59 10,36 IMB10080050500A 50x50 Argento 39,27 18,85
EXTRA FORTE

LE SUPERFICI PER RIPARAZIONI DEFINITIVE

STRONG REPAIR, nastro riparatore in fibra di vetro. Resistente alle alte temperature fino a 450°C.

STRONG REPAIR è una maglia in fibra di vetro di alta qualità con una resina speciale che, attivandosi con l’acqua, consente la riparazione definitiva e duratura di qualsiasi materiale (legno, plastica, metallo, pvc, ecc.). Resistente all’acqua, all’alta pressione e alla temperatura (da +450°C a -45°C), STRONG REPAIR indurisce rapidamente come il ferro, garantendo delle riparazioni estremamente forti.

Il suo utilizzo è molto semplice: dopo avere preventivamente pulito le superfici da trattare, immergere il nastro nell’acqua e avvolgere immediatamente con fermezza le parti.

94 PREZZI IVA esclusa NASTRI ADESIVI IMBALLAGGIO
Codice Misura Listino € Netto € TA1230140900830 5x200 cm 41,90 20,15
RESISTENTE ALLE ALTE TEMPERATURE PER TUTTE
Leggi il QR code per guardare il video tutorial

BLUSKIN: benda protettiva di primo soccorso, unica, specifica per tagli o abrasioni di mani e braccia nel settore industriale. Può essere utilizzata immediatamente dopo il trattamento iniziale della ferita; possiede un’eccellente resistenza ad acqua, grasso e sporco. Si taglia senza l’ausilio di forbici, aderisce solo su se stessa, non si appiccica a pelle e capelli, non impedisce i movimenti. Rimozione semplice e indolore; ideale come protezione di medicazioni già esistenti. Formato 50mm

95 S.r.l UTENSILERIA_MACCHINE UTENSILI FERRAMENTA_ANTINFORTUNISTICA
Codice Listino € Netto € CH8900101000005 16,97 11,90
x4,5mt.
AUTOADESIVA FLESSIBILE TRASPIRANTE
BLU SKIN
Leggi il QR code per guardare il video tutorial.

IL NOSTRO MARCHIO PRIVATO.

UTENSILI

V alidità fino al 30 Aprile 2024. Le immagini rip r odotte nel p r esente catalogo sono puramente indicative. L ’azienda si riserva in ogni momento di modifica r e le caratteristiche tecniche dei p r odotti. www.ttake.it ARREDAMENTO INDUSTRIALE E CONTENITORI
MANUALI CHIMICI CLEANING NASTRI ADESIVI E IMBALLAGGIO
UTENSILI
ANTINFORTUNISTICA
PNEUMATICA
TRUCIOLO
ASSORBENTI INDUSTRIALI
ASPORTAZIONE
SALDATURA
DA TAGLIO A FISSAGGIO MECCANICO
MACCHINE UTENSILI ABRASIVI
ATTREZZATURE PER
MISURA
ATTREZZATURE PER OFFICINA STRUMENTI DI
ATTREZZATURE PER SOLLEVAMENTO
La Morona Srl Via Leonardo da Vinci, 253/255 20090 Trezzano sul Naviglio (MI) Tel: 02.48402638/48 - Fax: 02.4451974 info@lamorona.com - www.lamorona.com S.r.l UTENSILERIA_MACCHINE UTENSILI FERRAMENTA_ANTINFORTUNISTICA

Turn static files into dynamic content formats.

Create a flipbook
Issuu converts static files into: digital portfolios, online yearbooks, online catalogs, digital photo albums and more. Sign up and create your flipbook.
STORE 2023 Ttake - La Morona by Techno Trade Group Srl - Issuu