

Cavitation Abrasive Surface Finishing for Additively Manufactured Ti-6Al-4V
Vanessa Bradshaw¹, Nick Engstrom¹, Dwayne Arola¹,², Daniel Sanders²,³, Ramulu Mamidala¹,²

1 Materials Science & Engineering, University of Washington, Seattle, 2 Mechanical Engineering, University of Washington, Seattle, 3 Sugino Machine Ltd, Wixom, MI
Abstract
Laser powder bed fusion (LPBF) produces metal components such as Ti-6Al-4V with surface defects that degrade fatigue performance. Cavitation Abrasive Surface Finishing (CASF) significantly improved surface texture and reduced stress concentration factors across all surface conditions, with the lowest values observed for vertical surfaces. Preliminary fatigue testing showed a substantial improvement in fatigue life for CASF-treated specimens, though failures continued to initiate at surface-connected defects. These results demonstrate the potential for CASF to mitigate defect-driven fatigue failure with further optimization.
Introduction
Laser Powder Bed Fusion
LPBF is an additive manufacturing (AM) process which fuses metal powder layer by layer to produce solid metal parts. Due to the manufacturing process, parts produced via LPBF commonly have undesirable surface properties resulting from the presence of unfused metal particles on the surface.




Cavitation Abrasive Surface Finishing
CASF is a process that combines high-pressure water jets, cavitation bubbles, and abrasive particles to improve the surface finish of complex additively manufactured (AM) parts without the use of hazardous chemicals.
2. CASF process
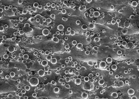
Vertical
Upskin
Downskin
Figure 1. As-built surfaces of Ti-6Al-4V specimens produced via LPBF in the vertical, upskin, and downskin orientation
Figure
Methods
Analysis
• Optical Profilometry
LPBF Ti-6Al-4V parts were printed at UW using the EOS M290
Manufacturing Treatment Treatment via CASF as fatigue specimens were rotated

10 mm
Figure 3. ASTM E466 standard specimen geometry for axial force controlled fatigue tests of metallic materials
Programmatic Approach
Pre-Processing
Notch Processing
Notch Analysis
Results

Figure 5. Fatigue life diagram comparing the number cycles to failure for as-built (AB), AB + HIP, and HIP + CASF treated samples.elements of the program developed for identifying Kt
• Contact Profilometry
• Surface Stress Concentration (Kt) Estimation
• Fatigue Testing (ASTM E466)

Figure 6. Estimated endurance limits at N = 107 cycles for various sample surface conditions identifying Kt
Figure 4. Flow chart demonstrating the processing elements of the program developed for identifying Kt


As-Built + HIP





10. Stress concentration factor of as-built and CASF treated surfaces with respect to processing time
Figure
HIP + CASF Treatment
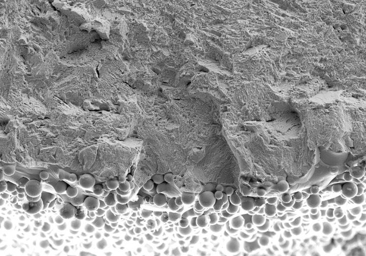
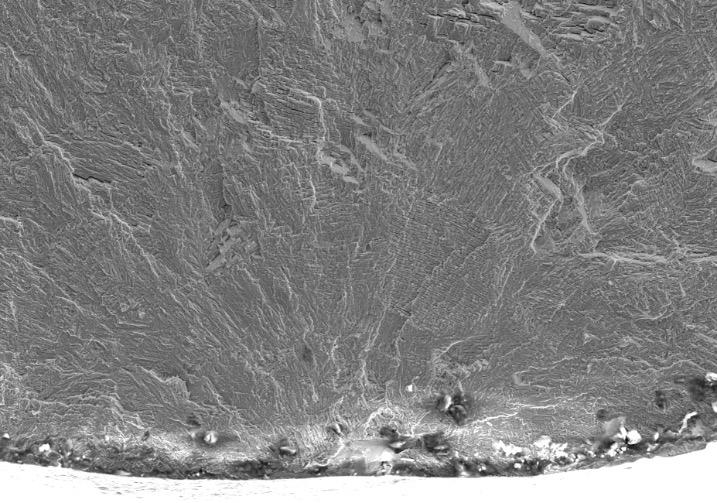
Figure 7. Fracture surface of an as-built, no HIP fatigue specimen tested at a stress amplitude of 325 MPa
Figure 8. Fracture surface of an as-built, HIP fatigue specimen tested at a stress amplitude of 325 MPa
Figure 9. Fracture surface of a HIP, CASF treated fatigue specimen tested at a stress amplitude of 325 MPa








Figure
300 μm
Figure 10. Stress concentration factor of as-built and CASF treated surfaces with respect to processing time