6

Page 1

УДК 62(075.3)

Б61

Рекомендовано Міністерством освіти і науки України (наказ Міністерства освіти і науки України від 08.03.2023 № 254)

Видано за рахунок державних коштів.

Продаж заборонено.

Біленко О. В., Пелагейченко М. Л.

Б61 Технології : підручник для 6 класу закладів загальної середньої освіти / О. В. Біленко, М. Л. Пелагейченко. — Тернопіль : Астон, 2023. — 240 с. : іл.

ISBN 978-966-308-878-5

Підручник укладено відповідно до чинного Державного стандарту

базової середньої освіти та модельної навчальноїпрограми «Технології.

5–6 класи» (автори Терещук А. І., Абрамова О. В., Гащак В. М., Павич Н. М.).

Видання містить навчальний матеріал, який сприятиме розкриттю та розвитку творчого потенціалу особистості, здатності застосовувати знання

на практиці та розв’язувати практичні завдання в побуті через засвоєння основ дизайну, технологій і декоративно-ужиткового мистецтва. Підручник допоможе учням не лише в опануванні змісту предмета, а й у підготовці до життя в суспільстві, формуванні системного та критичного мислення, гуманізму й відповідальності.

Для учнів, учителів, методистів, батьків.

Питання для обговорення

Запам’ятай

Сторінками історії

Створено в Україні

Це цікаво

Перлини мудрості

Дізнайся більше

онлайн

УДК 62(075.3)

УМОВНІ ПОЗНАЧЕННЯ

Новітні досягнення

науки, техніки та технології

Артгалерея

Перевір себе та поміркуй

Твоя проєктна діяльність

Робота в парах або групах

Ідеї для натхнення та втілення

ISBN 978-966-308-878-5 © Біленко О. В., Пелагейченко М. Л., 2023 © ТзОВ «Видавництво Астон», 2023

2

ВСТУП .......................................................................5

Розділ 1.

ОСНОВИ

ДИЗАЙНУ

ТА КОНСТРУЮВАННЯ

1. Творчий задум. Винахід. Метод мозкового штурму .....10

2. Виробниче та навчальне проєктування .......................16

3. Основи маркетингового дослідження в проєкті ...........20

4. Конструювання етапів проєктування. Вимоги до об’єктів технологічної діяльності ..............25

5. Інформаційні джерела та їх достовірність ...................32

6. Проблеми сталого розвитку: вплив технологій на довкілля. Відповідальне споживання ...................38

7. Художнє конструювання виробу.

Метод комбінування і метод біоформ..........................44

8. Графічні зображення: технічний рисунок, кресленик, ескіз. Деталь ..........................................54

9. Вартість і собівартість об’єкта проєктування.

Реклама виробу .......................................................61

10. Презентація проєкту ..............................................69

Розділ 2. ОСНОВИ ТЕХНОЛОГІЙ

ТА КОНСТРУКЦІЙНИХ МАТЕРІАЛІВ

11. Конструкційні матеріали.

Матеріали з вторинної сировини

12. Дизайн-проєкт. Технологічний процес виготовлення виробу. Розмічання. З’єднання деталей ......................87

13. Повторне використання, перероблення

та ремонт виробів ....................................................114

14. Традиційні види та технології

декоративно-ужиткового мистецтва України ..............132

Розділ 3. МІЙ ПОБУТ

15. Інтер’єр оселі .........................................................170

16. Побутова техніка

17. Догляд за житлом.

Мийні засоби для різних поверхонь у побуті

3 ЗМІСТ
...............................74
....................................................188
..............214 Додаток «МІЙ ТВОРЧИЙ ПРОЄКТ» ..............................229

Любий шестикласнику! Люба шестикласнице!

Ми дуже раді, що ти тримаєш у руках цей підручник, на кожній сторінці якого на тебе чекають цікаві відкриття, вражаючі відомості та шляхи до пізнання нового.

Предмет «Технології» надає кожному можливість розкрити свої здібності та зрозуміти власні уподобання. Безперечно, для цього слід докласти зусиль! Від тебе знадобиться повне занурення у творчий пошук цікавих ідей щодо створення оригінальних виробів, дослідження технологій, аналізу різноманітних матеріалів.

Роботу над новим матеріалом розпочинай із розмірковувань над проблемними питаннями. Можливо, перш ніж знайти відповідь у підручнику, варто провести власне дослідження, запропонувати своє розв’язання проблеми. Також можна створити невелику групу з однокласників / однокласниць для обговорення

проблемних ситуацій.

За допомогою завдань і запитань до кожного параграфа ти маєш змогу перевірити рівень своїх знань і засвоєння інформації. Співпрацюй з учителем / учителькою, якщо не можеш зрозуміти якогось поняття, терміна чи певного явища.

Пам’ятай, що не варто боятися помилок і неправильних суджень. Отримуй задоволення від самого процесу навчання. Побачивши недоліки у своїх знаннях чи вміннях, працюй над їх усуненням. Обирай власний темп роботи над навчальним матеріалом, який буде оптимальним саме для тебе. Ніколи не порівнюй себе з іншими. Ти особлива й унікальна особистість!

Продовжуй пізнавати світ, аналізуй предмети, які тебе оточують, виявляй ініціативу щодо пошуку нової інформації, намагайся ширше дивитися на технології виготовлення виробів та їх застосування.

У підручнику є теми інформаційних, дослідницьких і пошукових проєктів. Працюючи над ними, ти зможеш розширити власний світогляд і долучитися до самостійних досліджень із найнесподіванішими результатами. Обов’язково розповідай друзям, батькам і знайомим про свої досягнення в проєктній діяль-

ності

Сподіваємося, що цей підручник надасть тобі натхнення й наснаги в навчанні та творчості. Бажаємо успіхів!

Автори

4
.

На початку навчального року слід продумати напрямки своєї проєктної діяльності. Цей етап називають плануванням. Планування є важливою частиною процесу навчання, адже пов’язане з постановкою певних цілій і завдань.

Планування — визначений порядок дій, потрібних для досягнення поставленої мети.

Під час планування необхідно визначити, у якому напрямку ти будеш проводити дослідження та шукати потрібну інформацію. У своєму виборі спирайся на власні пізнавальні інтереси, захоплення, хобі. Однак пам’ятай, що важливо розширювати горизонти своїх уподобань.

Мій дім (удосконалення кухонного приладдя, меблів, озеленення квартири)

Дозвілля (виготовлення іграшок, головоломок, подарунків, сувенірів)

Одяг (пошиття одягу для себе, костюмів для вистав тощо)

Кулінарія (удосконалення відомих рецептів, приготування оригінальних страв, розроблення сніданку школяра)

Школа (озеленення школи, ремонт меблів, класні куточки, обладнання для кабінетів)

Тварини (створення виробів для подорожей із домашніми улюбленцями)

Спорт (виготовлення інвентаря для ігор, шашок, шахів тощо)

5
ВСТУП
Напрямки проєктної діяльності

Розглядаючи різноманітні

об’єкти, став запитання, шукай на них відповіді, проводь дослідження

, обговорюй

однокласниками результати своїх «відкриттів

виконання творчих проєктів!

Як це збудовано?

». Плануй

З яких матеріалів це зроблено?

Як опанувати виготовлення таких речей?

Що нагадує форма цього

об’єкта?

Як навчитися стильно вдягатись?

Як зробити такі іграшки?

Як виростити такі кімнатні рослини?

Як це приготувати?

6
з

Під час роботи над проєктами потрібно дотримуватися правил безпеки.

Якщо ти працюєш за комп’ютером і шукаєш інформацію для проєкту, пам’ятай про те, що:

1) працювати на клавіатурі слід чистими сухими руками, не натискуючи на клавіші без потреби чи навмання;

2) екран дисплея має бути очищений від пилу, адже пил спричинює появу шкідливих впливів під час роботи за дисплеєм;

3) не можна перекривати вентиляційні отвори на системному блоці та моніторі;

4) відстань від екрану до очей має дорівнювати 60—70 см (відстань витягнутої руки);

5) заборонено пересувати комп’ютери та монітори;

6) дисплей має бути розвернений від вікон під кутом, не меншим за 90°, для запобігання потраплянню на екран прямих сонячних променів та уникнення відблиску, що значно ускладнює читання інформації з екрана дисплея;

7) у разі відчуття втоми чи болю потрібно негайно повідомити про це вчителя / вчительку.

Робота за комп’ютером (пошук інформації для проєкту)

Перлини мудрості

Планування без дій — це мрія, дії без планування — це жахіття.

Японське прислів’я

7

Якщо виготовляєш виріб у шкільній майстерні, дотримуйся таких правил:

1) подбай про наявність спецодягу на занятті;

2) дбайливо стався до устаткування, інструментів, матеріалів;

3) утримуй робоче місце в чистоті;

4) готуючи до роботи свій інструмент і приладдя, упевнись у їхній справності;

5) виявивши несправність обладнання, повідом про це вчителя / вчительку;

6) у випадку поранення під час роботи негайно звернися до вчителя / вчительки по допомогу;

7) після роботи зніми спецодяг і вимий руки.

Робота в шкільній майстерні

Перевір себе та поміркуй

1. Чому потрібно планувати свою проєктну діяльність?

2. Яка мета планування тематики проєктів?

3. Яка можлива тематика проєктів?

4. Що сприяє появі інтересу до досліджень і розроблення проєктів?

5. Запропонуй власну тематику проєктів.

6. Розроби план роботи над проєктами.

7. Обґрунтуй доцільність роботи над запланованими проєктами.

Твоя проєктна діяльність Теми інформаційних, дослідницьких, пошукових проєктів

1. Найкращі проєкти учнів нашої школи.

2. Естетичні проблеми інтер’єру нашої школи.

3. Корисні речі для підлітків як ідея проєкту.

4. Можливості нашої шкільної майстерні.

8

Розділ 1. ОСНОВИ ДИЗАЙНУ

ТА КОНСТРУЮВАННЯ

Ти знатимеш:

• методи роботи дизайнера;

• основи маркетологічних досліджень;

• особливості роботи з інформаційними джерелами;

• принципи відповідального споживання;

• етапи технічного конструювання.

Ти вмітимеш:

• досліджувати споживацькі вподобання;

• застосовувати методи творчого пошуку;

• розробляти дизайн-проєкт;

• здійснювати художнє конструювання виробу;

• проводити аналіз, випробування

та вдосконалення конструкції;

• складати бізнес-план і створювати рекламу власного виробу;

• готувати та проводити презентації своїх виробів.

1. Творчий задум. Винахід.

Метод мозкового штурму

Як створюють нові вироби?

Чи може учень / учениця 6 класу здійснити винахід?

Створення будь-якого художнього об’єкта починається з появи творчого задуму. Це перший етап творчого процесу дизайнера. Творчий задум слід розглядати як намір, бажання створювати, що має образно-емоційну форму. Дизайнер саме у своїй творчій уяві бачить форму, конструкцію, окремі деталі майбутнього виробу.

Творчий задум — це уявлення про об’єкт створення до початку роботи над ним.

Для того щоб виник творчий задум, необхідно зануритись у проблему, здійснити певні дослідження, проаналізувати інформацію. Також можливі обговорення й тривалі роздуми. Результатом цих зусиль може бути винахід.

Винахід (англ. invention, нім. erfindung) — рішення, що є новим, корисним і може бути практично застосоване.

Винахід є результатом інтелектуальної діяльності в

будь-якій технології. Це може бути, наприклад, пристрій або речовина, які раніше не існували, а зараз дають позитивний ефект у застосуванні.

Історія людства – це постійний прогрес технологій, який супроводжують нові відкриття та винаходи. Чимало речей, які здаються нам звичайними, колись було винайдено. А був час, коли їх не існувало.

Перлини мудрості

Плани — це просто добрі наміри, якщо вони одразу ж не переростають у важку працю.

Пітер Друкер, американський учений і письменник австрійського походження

10

Рік і назва винаходу

Винахідник / винахідниця

Зображення винаходу

1510 рік

Переносний годинник

Петер Генляйн

Фортепіано Бартоломео Крістофорі

1709 рік

Газована вода Джозеф Прістлі

1767 рік

1813 рік Циркулярна

пилка

1836 рік Швацька

машина

Сара «Табіта» Беббіт

Йозеф

Мадершпергер

1843 рік

Пристрій для виготовлення морозива

Ненсі Джонсон

11

Рік і назва винаходу Винахідник

1849 рік

Англійська

шпилька

1853 рік Гасова лампа

/ винахідниця

Волтер Хант

Зображення винаходу

1893 рік

Обігрівач в автомобілі

Ігнатій Лукасевич, Ян Зех

1893 рік Кіноапарат

Маргарет Вілкокс

1899 рік Поршневий

шприц

1902 рік Склоочисник для автомобіля

Йосип Тимченко

Летиція Мамфорд Гір

Мері Андерсон

1908 рік

Висувний

повідок для собак

Мері А. Делані

12

Рік і назва винаходу

Винахідник / винахідниця

Зображення винаходу

1931 рік Гелікоптер

Ігор Сікорський

1956 рік

Рідкий коректор

1970-ті роки Визначення

номера телефону

й очікування виклику

Бетт Грем

Ширлі Джексон

Винахідник Мартін Купер (1928 р. нар.), який

народився в сім’ї емігрантів з України, 3 квітня

1973 року здійснив перший в історії дзвінок стільниковим телефоном.

Цей телефонний дзвінок здійснив революцію у сфері мобільних комунікацій, закріпивши за М. Купером звання «батька мобільного телефону».

Ефективним засобом активізації творчості та появи нових задумів є метод мозкового штурму.

Метод мозкового штурму (англ. brainstorming) — колективний

спосіб пошуку нових ідей і розв’язань поставленої проблеми.

Мета мозкового штурму – отримати за короткий проміжок часу якомога більше пропозицій для виконання завдання.

Перлини мудрості

Самі ми можемо зробити так мало, зате скільки ми можемо

зробити всі разом!

Хелен Келлер, американська письменниця

13
Це цікаво

Сторінками історії

Метод мозкового штурму на межі 30–40-х років ХХ ст. запропонував Алекс Осборн (США), який працював у галузі реклами. Він помітив, що зазвичай у колективі багато людей намагаються утримуватися від висловлення своїх думок через побоювання помилитися

чи викликати негативну реакцію керівника або глузування над своєю пропозицією. Алекс Осборн відокремив етап генерування ідей від процесу їх обговорення та оцінювання.

Етапи проведення мозкового штурму

1.

Визначення проблемної ситуації. Формулювання проблемного питання

2. Пропонування варіантів розв’язання проблеми. Фіксація всіх пропозицій

3.

Аналіз варіантів розв’язання проблеми. Відбір найкращих ідей

Рис. 1.2. Мозковий штурм

Головні принципи мозкового штурму:

 у жодному разі не можна критикувати авторів ідей,

навіть, на перший погляд, абсурдних і нереальних;  серед учасників мозкового штурму має бути створено невимушену, вільну, розкуту атмосферу.

14

Висновок фахівців: мозковий штурм підвищує як

кількість, так і якість ідей.

Артгалерея

Перевір себе та поміркуй

1. Як з’являється творчий задум?

2. Яке рішення проблеми є винаходом?

3. Які винаходи в історії людства тебе найбільше вразили? Чому?

4. У чому суть методу мозкового штурму?

5. Які основні етапи проведення мозкового штурму?

6. Обґрунтуй доцільність застосування методу мозкового штурму.

7. Запропонуй тему для мозкового штурму.

8. Оціни оригінальність ідей після проведення мозкового штурму.

Твоя проєктна діяльність

Теми дослідницьких, інформаційних, пошукових проєктів

1. Винаходи, яким понад 1000 років.

2. Винаходи, яким понад 100 років.

3. Винаходи ХХІ століття.

4. Винахідники та винахідниці нашої країни.

5. Мої творчі задуми, які ще не було реалізовано.

Робота в парах або групах

За допомогою мозкового штурму визначте проблемні ситуації

для розроблення проєктів на уроках технологій.

15
Огюст Роден «Мислитель». 1880–1882 Ілля Рєпін. «Запорожці пишуть листа турецькому султанові». 1880–1891

2.

Виробниче

та навчальне проєктування

З яких етапів складається проєктування?

З чого розпочинають проєктування?

Процес складання опису, необхідного для створення об’єкта, що не існував раніше, шляхом його деталізації, доповнення, розрахунків називають проєктуванням. Особливістю проєктування є те, що робота відбувається з об’єктом, якого ще немає. Воно взаємопов’язане з проведенням досліджень.

Проєктування — процес розроблення та створення проєкту.

Проєктування можна розглядати як:

 завершальну фазу досліджень;

 початкову фазу виробництва.

Дослідження — процес вироблення нових знань, один із видів пізнавальної діяльності людини. Етапи проведення дослідження

1. Виділення наявної проблеми

2. Визначення мети і завдань

3. Добір методів і засобів досягнення поставленої мети

4. Планування процесу роботи

5. Дослідницька діяльність

6. Оцінка результатів

7. Висновки

Перлини мудрості

Успіх повністю залежить від проведеної підготовки. Без неї на вас неминуче чекає невдача. Конфуцій, давньокитайський мислитель і філософ

16

Етапи проєктування в умовах

виробництва

1. Проведення досліджень проблеми. Обґрунтування вимог до об’єкта проєктування

2. Складання технічних завдань проєкту

3. Здійснення художньо-конструкторського пошуку

4. Створення ескізного проєкту

На уроках технологій ми здійснюємо навчальне проєктування, яке дещо відрізняється від виробничого.

Стадії навчального проєктування

1. Формулювання

проблемної ситуації.

Вибір об’єкта проєктування

2. Збір інформації. Проведення досліджень

3. Визначення вимог до об’єкта проєктування. Формулювання завдань проєкту

4. Пошук ідей для розв’язання проблеми та створення виробу

5. Розроблення графічного зображення. Визначення технологічної послідовності виготовлення виробу

6. Здійснення технологічних операцій. Виготовлення виробу

7. Оцінювання отриманих результатів роботи над проєктом

8. Презентація

Процес навчального проєктування також можна представити таким чином:

5. Складання конструкторської документації Пошуково

Операційнодіяльнісний

Рефлексивнооцінний

17
або
дослідницький етап
етап
етап

Проблема

Розв’язання проблеми

Оцінка

результату

Як бачимо, проєктування розпочинається з визначення проблемної ситуації. Проблема може стосуватися потреби

удосконаленні об’єкта, наданні йому додаткових функцій, зміні його естетичного вигляду, неможливості його використання в певних умовах тощо.

Після проведення досліджень проблеми, збирання й аналізування інформації про можливість її розв’язання потрібно сформулювати проєктне завдання.

Проєктне завдання — це огляд майбутнього проєкту.

Питання для розробки проєктного завдання

Навіщо працювати

над цим проєктом?

Яка мета проєкту?

Які очікувані результати проєкту?

Які терміни виконання проєкту?

Проєктне завдання

Для формулювання мети проєкту можна скористатися системою SMART.

Вимоги до цілей проєкту за системою SMART

Specific– конкретні

Measurable – вимірні

Achievable – досяжні

Realistic – реалістичні

Time-bound– обмежені за часом

Перлини мудрості

Ніхто з нас не розумніший за всіх нас разом.

Кен Бланшар, американський експерт і автор книг з менеджменту

18
в

Альфред Зейферт.

«Гіпатія (давньогрецька науковиця та винахідниця)». 1901

Джон Лоулор. Скульптурна

група «Інженерія» (м Лондон, Велика Британія). 1875

Артгалерея

Джузеппе де Рібера.

«Філософ (Архімед)». 1629–1631

Перевір себе та поміркуй

1. Чим відрізняється проєктування від дослідження?

2. Які основні етапи проведення дослідження?

3. Які особливості виробничого проєктування?

4. З яких основних стадій складається навчальне проєктування?

5. З чого складається проєктне завдання?

6. Заплануй проведення досліджень з теми проєкту.

7. Доведи важливість проведення самостійних досліджень під час роботи над проєктом.

8. Проаналізуй, чи можна змінити послідовність стадій навчального проєктування.

Твоя проєктна діяльність

Теми дослідницьких, інформаційних, пошукових проєктів

1. Мої досягнення в проєктуванні.

2. Найкращі проєкти учнів нашої школи.

3. Пошук ідей виробів, потрібних учням для активного дозвілля.

4. Дослідження корисності їжі в шкільній їдальні.

Робота в парах або групах Складіть проєктне завдання для запланованого проєкту.

Сформулюйте цілі проєкту.

19

3. Основи маркетингового дослідження

в проєкті

Що таке маркетинг?

Як дізнатися, чи є потреба в об’єкті, який збираємося виготовляти?

Чи є можливість дізнатися про вподобання людей щодо виробів із деревини?

Маркетингові дослідження сьогодні є невід’ємною ча-

стиною проєктування об’єктів, що мають комерційну спрямованість. Недоцільно розробляти виріб, який не матиме попиту й не задовольнить потреб своїх споживачів. Маркетингові дослідження — це збирання й аналіз отриманої інформації, а також представлення даних, що стосуються споживчої поведінки, потреб, думок людей.

Дотримання певних принципів проведення маркетингових досліджень надасть одержаній інформації ефективності й допоможе дійти правильних висновків.

Принцип об’єктивності (розгляд інформації з усіх можливих боків і точок зору)

Принципи

маркетингових досліджень

Принцип точності (достовірність інформації)

Принцип ретельності (якісний аналіз інформації)

Одним з ефективних методів проведення маркетингових досліджень є інтерв’ю.

Інтерв’ю — метод маркетингового дослідження, що базується на особистій бесіді респондента з інтерв’юером, під час якої передбачається отримання відповідей на заздалегідь підготовлені запитання.

20

Респондент — особа, яка відповідає на запитання інтерв’юера

й виступає в ролі джерела інформації.

Інтерв’юер — особа, яка здійснює збирання первинної

інформації методом інтерв’ю.

Завданням інтерв’юера є мотивування респондента до відвертої розмови. Для отримання необхідної інформації інтерв’юер має проявляти певний набір особистих якостей.

Наполегливість

Уміння говорити зрозуміло

Сумлінність

Увага до співрозмовника

Якості інтерв’юера

Товариськість

Здатність до адаптації

Спостережливість Терпіння

Певний культурний рівень

Проводячи інтерв’ю, потрібно уникати:

 висловлювання власної точки зору з досліджуваної проблеми;

 оцінювання відповідей респондентів на запитання;

 повчання;

 суперечки.

Послідовність дій інтерв’юера

Придумати

запитання

Поставити запитання

Записати відповіді

Проаналізувати відповіді

За формою проведення інтерв’ю може бути прямим (особистим) та опосередкованим (наприклад, за телефоном).

Перлини мудрості

Люди купують не те, що ви створюєте, а те, чому ви це створюєте.

Саймон Сайнек, американський маркетолог

21

Рис. 1.3. Пряме інтерв’ю

Рис. 1.4. Опосередковане інтерв’ю Рекомендації до проведення інтерв’ю

1. Запитання можна підкріплювати відповідними демонстраційними матеріалами: фотографіями, малюнками, ескізами, виробами, зразками матеріалів тощо.

2. У разі опитування за телефоном запитання не мають бути складними для сприйняття на слух.

3. Найкраща форма інтерв’ю – спокійна, невимушена розмова.

Залежно від мети проведення та спрямованості розрізняють глибинне (тривале) та фокусоване (короткочасне) інтерв’ю.

22

глибинного та

фокусованого інтерв’ю

Глибинне інтерв’ю Фокусоване інтерв’ю

Отримання якнайповнішої

інформації про внутрішні

спонукання, мотиви, схильності, характеристики

респондента протягом бесіди

Спрямоване отримання відомостей про конкретну проблему, ситуацію чи явище

маркетологи світу

Гай Кавасакі

Маркетолог Canva

(платформи

для графічного

дизайну),

Apple

Computer, Mercedes Benz

Енн Хендлі

Контентдиректорка компанії

MarketingProfs

(освітня

платформа для маркетологів)

Ніл Патель Співзасновник

Neil Patel

Digital, творець KISSmetrics, Quick Sprout, Crazy Egg і

Hello Bar

Ясмін Біна Засновниця брендингового

агентства Concept Bureau

Ларрі Кім Генеральний

директор MobileMonkey, засновник

і директор WordStream (платформа для онлайнуправління рекламою)

Джілл Конрат

Відома спікерка

й авторка

книжок

з маркетингу

23
Цілі
Легендарні

До інтерв’ю маркетологи зазвичай вдаються під час створення нового продукту або розроблення стратегії просування для вже наявного, вивчаючи попит, вподобання та побажання споживачів.

У деяких випадках доцільно наперед ознайомити респондентів із предметом бесіди. Послідовність і формулювання обов’язкових запитань інтерв’ю можна змінювати, але щодо кожного потрібно одержати інформацію.

Перевір себе та поміркуй

1. З якою метою проводять маркетингові дослідження?

2. Які основні принципи проведення маркетингових досліджень?

3. У чому особливість інтерв’ю як метода маркетингового дослідження?

4. Якими якостями має володіти інтерв’юер? Чому?

5. Чим відрізняється глибинне інтерв’ю від фокусованого?

6. Порівняй інтерв’ю з іншими відомими тобі методами маркетингових досліджень.

7. Вияви недоліки і переваги метода інтерв’ю стосовно цілей твого проєкту.

8. Запропонуй шляхи пошуку респондентів для твоїх інтерв’ю.

Твоя проєктна діяльність

Теми дослідницьких, інформаційних, пошукових проєктів

1. Вибір методу маркетингового дослідження для запланованого творчого проєкту.

2. Як стати професійним інтерв’юером / інтерв’юеркою?

3. Проведення інтерв’ю з учителем / учителькою нашої школи.

4. Кращі інтерв’юери та інтерв’юерки світу.

5. Професія «маркетолог».

6. Маркетологи та маркетологині нашого краю.

Робота в парах або групах Продумайте запитання для інтерв’ю, щоб з’ясувати потреби в запланованому для виготовлення виробі та дізнатися про естетичні вподобання людей стосовно обраного об’єкта дослідження.

Перлини мудрості

Не варто боятися експериментів і творчих моментів у маркетингу.

Майк Вольп, директор з маркетингу компанії HubSpot

24

4.

Конструювання етапів проєктування.

Вимоги до об’єктів технологічної діяльності

Чи може змінюватися послідовність дій під час проєктування

об’єкта? Від чого це залежить?

Які вимоги потрібно враховувати в процесі створення об’єкта

технологічної діяльності?

Кожному етапу проєктної діяльності притаманний певний набір елементів, який може змінюватися чи розміщуватись у різній послідовності залежно від поставленої проблеми, завдань проєкту, особливостей його мети й умов виконання.

Важливо розуміти сутність кожного етапу виконання проєкту.

На першому етапі, пошуково-дослідницькому, відбува-

ється запуск проєкту, занурення в проблемну ситуацію: проводяться необхідні дослідження, пошук і аналіз інформації, з’являється творчий задум розв’язання проблеми.

На другому етапі, операційно-діяльнісному, відбувається практична реалізація задуму проєкту.

На третьому етапі, рефлексивно-оцінному, здійснюють оцінювання отриманих результатів роботи над проєктом і проводять презентацію виконаної роботи. Етапи роботи над проєктом

Пошуково-дослідницький етап Ключові слова: пошук, проблемна ситуація, аналіз, дослідження, творчий задум, обговорення.

Операційно-діяльнісний етап Ключові слова: реалізація, виконання операцій, виготовлення, трудові дії, технологія.

Рефлексивно-оцінний етап Ключові слова: рефлексія, оцінювання, випробування, результат, презентація.

Під час планування проєктної діяльності з кожного етапу обираємо потрібні елементи й конкретизуємо їх.

25

Пошуково

Пошук інформації

Застосування методів активізації творчості

Занурення в проблемну ситуацію

Планування роботи над проєктом

Усвідомлення проблемної сфери

Прогнозування результатів

Аналіз об’єктів проєктування Генерування ідей

Пізнавальні екскурсії Створення графічного зображення об’єкта Аналіз екологічної складової проєкту Вибір технології виготовлення виробу

дослідження

Умовні ситуації

Умовна ситуація № 1

Необхідно створити виріб, який матиме попит у покупців, а отже, комерційний успіх

(зароблені гроші мають

піти на потреби притулку

для бездомних тварин)

Структура першого етапу проєкту

 проведення маркетингового дослідження;

 пошук виробу, який мав би комерційний успіх;

 аналіз наявних аналогічних виробів;

 пошук задуму розв’язання проблеми;

 аналіз можливості вдосконалення виробу;

 виконання графічного

зображення виробу

Жюль Ренар, французький письменник

26
-
дослідницький етап
Маркетингові
Перлини мудрості
Проєкт — це чернетка майбутнього.

Умовні ситуації

Умовна ситуація № 2 Необхідно підтримати

однокласника / однокласницю, що захворів / захворіла

Структура першого етапу проєкту

 аналіз інтересів і вподобань

учня / учениці, що хворіє;

 генерування ідей;

 пошук задуму

для виготовлення подарунка;

 пошук інформації

про технологію виготовлення

виробу;

 планування створення виробу

Умовна ситуація № 3 Потрібно підготувати

декорації для шкільної театральної вистави

 ознайомлення зі змістом

театральної п’єси;

 екскурсія до місцевого театру;

 пошук ідей для виготовлення

театральних декорацій;

 вибір потрібних виробів;

 аналіз інформації

про виготовлення запланованих

виробів;

 оформлення технічної

документації для виготовлення

виробів

Механізм запуску проєкту

Мені цікаво…

Я бачив / бачила…

Мені потрібно…

Для мене важливо…

Я співчуваю…

Я хвилююся за…

Мене вразило…

Мені порадили…

Проблемна ситуація

Ідеї

Думки

Задум

Тема

проєкту

Мета

проєкту

Завдання

проєкту

27

Виконання технологічних операцій

Ознайомлення з технологіями обробки матеріалів

Набуття навичок роботи з інструментами

та пристроями

Корегування власної діяльності

Опрацювання ідей творчого задуму Виготовлення виробу

Виконання навчальних вправ Відпрацювання прийомів роботи з конструкційним матеріалом Практична реалізація задуму проєкту Оздоблення та опорядження виробу

Самоконтроль власної діяльності

Оцінка результатів проєкту

Перевірка якості виготовленого виробу

Аналіз успіхів і помилок

Самооцінка проєкту

Створення реклами об’єкта проєктування

Випробування проєкту

Участь у виставці творчих робіт Планування наступних проєктів Оформлення результатів проєкту Презентація результатів проєктної діяльності

Рефлексія

28
-
етап
Операційно
діяльнісний
Рефлексивнооцінний етап

Проблемна ситуація Ілюстрація

Удома дуже багато книжок.

Скласти їх немає де.

Незручно користуватися

серветницею.

Найкращий друг / подруга переїжджає жити в інше місце.

Потрібно зробити йому / їй

подарунок на пам’ять.

У місті відкрився новий готель.

Необхідно прикрасити стіни його приміщень.

На столі безлад. Куди скласти

олівці, ручки, фломастери?

У нашій школі відбудеться турнір

із шахів серед школярів. Чим

пригостити гостей після змагань?

Які страви приготувати?

У класі планують обговорення

твору «Маленький принц»

Антуана де Сент-Екзюпері.

Які вироби можна виготовити, щоб обговорення було цікавим і його учасники отримали

подарунки на добру згадку?

29

Вимоги до об’єктів технологічної діяльності

Залежно від мети та завдань проєкту визначаємо вимо-

ги до об’єктів технологічної діяльності, яких не має бути забагато. Деякі вимоги є головними. Їх дотримання безпосередньо впливає на досягнення потрібних результатів проєктної діяльності.

Екологічність

Сучасний

дизайн виробу

Експлуатаційні

властивості

виробу

Економічна складова

Об’єкт проєктування

Безпечність у використанні

Оригінальність форми об’єкта

Зручність

у користуванні

Нестандартна конструкція

виробу

Привабливість

об’єкта

Артгалерея

Віктор Присталенко.

«У лабораторії».

1966

Пауль Фрідріх Меєргейм.

«Будівництво локомотива».

1880

30

«Архітектор біля проєктувальної

дошки». Рисунок з норвезького

журналу Teknisk Ukeblad. 1893

Карл Ларссон «Майстерня».

1950

Перевір себе та поміркуй

1. Яка суть пошуково-дослідницького етапу проєктної діяльності?

2. Що відбувається на операційно-діяльнісному етапі виконання проєкту?

3. Яка мета рефлексивно-оцінного етапу проєктної діяльності?

4. Як пов’язані проблемна ситуація та послідовність дій під час проєктування виробу?

5. Які існують вимоги до об’єкта технологічної діяльності?

6. Доведи важливість початку роботи над проєктом з розгляду проблемної ситуації.

7. Визнач проблемні ситуації, які потребують твого розв’язання.

8. Поясни судження: «Об’єкт проєктування не відповідає вимогам».

Твоя проєктна діяльність

Теми дослідницьких, інформаційних,

пошукових проєктів

1. Екологічні проблеми мого міста / села, або пошуки шляхів покращення життя в ньому.

2. Мій творчий щоденник «Ідеї виготовлення виробів: щоденні нотатки».

3. Виріб моєї мрії: фантастика чи реальність?

4. Проблеми, які мене турбують: пошук тем проєктів.

Робота в парах або групах

Визначте етапи проєктної діяльності для проблемних ситуацій. Конкретизуйте кожну стадію проєкту, враховуючи його тематичну спрямованість.

31 Артгалерея

5. Інформаційні джерела та їх достовірність

Які бувають джерела інформації?

Чи всій інформації варто довіряти?

Як перевірити інформацію, подану в інтернеті?

У процесі розроблення та виконання власного проєкту

тобі знадобиться різноманітна інформація.

Інформація — це відомості про осіб, предмети, факти, події, явища та процеси незалежно від форми їх подання.

Для неї важливі актуальність, достовірність, повнота.

Джерелами інформації можуть бути:

 реальне середовище, у якому живе людина;

 віртуальне середовище (соцмережі й месенджери);

 люди, які завдяки своїй діяльності чи повноважен-

ням мають необхідні відомості;

 офіційні документи;

 ЗМІ – засоби масової інформації (преса, радіо, телебачення);

 книги (зокрема підручники, довідники, енциклопедії);

 інтернет-ресурси – вебсайти (онлайн-ЗМІ, інтернетсторінки, інтернет-портали тощо).

Артгалерея

Бібліотека Ескоріалу (м. Мадрид, Іспанія)

Австрійська національна бібліотека (м. Відень)

Створено в Україні

В Україні майже 40 000 бібліотек, з них 18 000 — публічні (загальнодоступні).

32

Документи є одними з найнадійніших джерел інформації, але тільки за умови, що їх можна перевірити.

Артгалерея

Національна бібліотека Франції (м Париж)

Міська бібліотека Штутгарта (Німеччина)

Інформаційні джерела також можуть бути компетентні та некомпетентні.

Компетентні джерела інформації — ті, які фахово обізнані, досвідчені чи вповноважені щодо певних питань і проблем або спеціалізуються на відповідній темі чи галузі. Найпоширенішими джерелами інформації є представники офіційних органів влади. Державні установи насамперед зобов’язані забезпечувати громадян найточнішою та об’єктивною інформацією. Але неправдиві (фейкові) відомості можуть потрапити навіть у державну сферу. Тому будь-яка інформація потребує перевірки й уточнення.

Всесвітня мережа та розміщена в ній інформація, її достовірність і захист

Інтернет містить чимало інформації, яка стосується практично всіх галузей життя. За потреби там можна знайти будь-що – наукові факти, історичні відомості, найсвіжіші новини, кулінарні рецепти, корисні поради, рекомендації щодо творчої діяльності, навчальні матеріали тощо.

Перлини мудрості

Інтернет — найбільша у світі бібліотека, тільки всі книги розкидано по підлозі.

Джон Аллен Паулос, американський математик і письменник

33

Артгалерея

Евінг Педдок. «У Лондонському метро». 2000-ті рр.

в інтернеті має право будьхто. А отже, пошук у Всесвітній мережі, яку часто називають Глобальною

Оприлюднювати інформацію

системою, може привести до виявлення відомостей, авторство яких іноді складно або й неможливо визначити. Адже деколи повідомлення

інформаційною

розмі

щують без зазначення імені автора чи під псевдонімом (нікнеймом). Тому в процесі добору інформації потрібно чітко розуміти й усвідомлювати, з яких джерел ти її отримуєш і наскільки вона достовірна.

Недостовірна інформація — та, що не відповідає дійсності, містить неправдиві, помилкові, неповні чи спотворені відомості про події та явища.

Достовірна інформація — істинна, реальна, позасумнівна, отримана з надійних джерел. Це факти й відомості, які за потреби можна перевірити й підтвердити.

Перлини мудрості

Зазвичай найбільшого успіху досягає той, хто має у своєму розпорядженні кращу інформацію.

Бенджамін Дізраелі, визначний британський

державний і політичний діяч, письменник-романіст

34

Достовірними

).

зазвичай уважають відомості, опубліковані з покликанням на джерело (тоді їх можна перевірити

Але також потребує з’ясування достовірність самого джерела інформації та особа її автора (якщо його зазначено). Якщо інтернет-ресурс має свідоцтво про реєстрацію

ЗМІ, він несе відповідальність за будь-які опубліковані

дані. Такі сайти намагаються не подавати неперевірених фактів і висвітлювати реальні процеси та явища, що відбу-

ваються в навколишньому світі. Також варті довіри офіційні інформаційні агенції.

Артгалерея

Мар’я Міло. «Той єдиний момент». 2015 р

Осмислення, аналіз і перевірка одержуваної інформації

має значення для вміння здійснювати індивідуальний

інформаційний захист.

Це цікаво 30 листопада — Міжнародний день захисту інформації.

Перлини мудрості

Сучасному світові дуже важливо зрозуміти одну річ: наявність

інформації не гарантує її достовірності.

Річард Гір, американський актор

Інформація в чистому вигляді — це не знання. Справжнє джерело знань — це досвід.

Альберт Ейнштейн, визначний фізик ХХ ст.

35

Артгалерея

Ван І-Гуан. «Кольорове фото».

2004

Роман Блажко, Віктор Гончаренко. Пам’ятник студенту (м Харків, Україна). 2010

Інформація буває головна і другорядна, актуальна й застаріла, очевидна і прихована, достатня й надмірна.

Приховану (підтекстову) інформацію не втілюють у сло-

вах, її лише мають на увазі. Вона виникає завдяки здатності слів, словосполучень і речень в окремих випадках містити в собі прихований зміст.

Це цікаво 2 квітня — Міжнародний день перевірки фактів.

Правила перевірки інформації зі Всесвітньої мережі на достовірність

Інтернет, як і будь-яка інша технологія, має допомагати людині в розв’язанні конкретних проблем і виконанні певних завдань.

Наскільки правильно ти сприйматимеш отриману чи знайдену інформацію, залежатиме від того, чи є в тебе навички аналітичної роботи з нею, чи маєш ти критичне мислення, чи можеш оцінити достовірність відомостей і фактів та убезпечити себе в інформаційному просторі.

Це цікаво 7 лютого — Міжнародний день безпечного інтернету.

36

Щоб

визначити достовірність інформації в інтернеті, потрібно:

1) з’ясувати рівень авторитетності й

популярності

ресурсу, на якому розміщено інформацію, ознайомитися з відгуками про нього (сайти, що пройшли перевірку на достовірність, можна знайти в різних офіційних переліках і добірках);

2) визначити надійність джерела;

3) перевірити фактичний матеріал;

4) знайти схожі повідомлення з тієї ж теми, порівняти відомості з різних джерел, проаналізувати інформацію та дійти висновку, чи можна їй довіряти.

Дізнайся більше онлайн

Перейди за покликанням https://cutt.ly/U6shs0I або

QR-кодом і переглянь відео про правила перевірки інформації.

Перевір себе та поміркуй

1. Які інформаційні джерела є компетентними?

2. Як розрізнити достовірні та недостовірні джерела?

3. Що таке очевидна та прихована, головна та другорядна інформація?

4. Як можна перевірити достовірність інформації, наведеної в інтернеті?

5. Поясни, чому потрібно завжди перевіряти інформацію.

6. Запропонуй перевірені тобою інформайційні джерела.

7. Визнач і проаналізуй причини створення неправдивої інформації.

8. Запропонуй шляхи пошуку інформації для свого проєкту та способи її перевірки.

Твоя проєктна діяльність

Теми дослідницьких, інформаційних, пошукових

1. Сучасні бібліотеки світу, їхні ресурси та можливості.

2. Найвідоміші бібліотеки України.

проєктів

3. Очевидна та прихована інформація: приклади з різних джерел.

4. Захист інформації в інтернеті.

Перлини мудрості

Шукайте знання та інформацію. Що більше ви знаєте, то менше у вас страху.

Робін Шарма, канадський оратор і письменник

37

6. Проблеми сталого розвитку:

вплив технологій на довкілля.

Відповідальне споживання

Що таке екологія?

Які екологічні проблеми та шляхи їх розв’язання тобі відомі?

Протягом тисячоліть людина була частиною природи та

брала від неї все необхідне для свого існування: їжу, матеріал для житла й одягу, паливо тощо. Але що далі заходив людський рід у розвитку технічного прогресу, то більше споживав ресурсів і серйознішої шкоди завдавав довкіллю.

Зараз питання екології постало перед жителями нашої планети надзвичайно гостро. Глобальні проблеми загрожують змінити Землю до невпізнання й завдати невиправної

шкоди рослинам, тваринам і здоров’ю та добробуту людей. Дізнайся більше онлайн

Перейди за покликанням https://cutt.ly/C6shIV3 або QR-кодом і переглянь відео про екологічні катастрофи сучасності.

Люди самі спричиняють погіршення якості свого життя. Чимало природних ресурсів уже знищено, десятки видів тварин і рослин зникли, проте ще є можливість зберегти те, що залишилося.

Для цього важливо відповідально ставитися до різних

галузей життя та піклуватися про те, що залишиться в

спадок наступним поколінням.

З екологічними проблемами тісно пов’язана проблема

сталого розвитку – необхідність забезпечувати гармонійне поєднання економічного й технологічного розвитку з

турботою про довкілля.

Сталий розвиток (англ. sustainable development), також стійкий розвиток, гармонійний розвиток, збалансований розвиток — загальна ідея щодо необхідності встановлення балансу між задоволенням сучасних потреб людства і захистом інтересів майбутніх поколінь, зокрема забезпечення їхньої потреби в безпечному та здоровому довкіллі.

38

Отже, сталий розвиток дає змогу задовольнити потреби сучасного покоління без шкоди для майбутніх поколінь.

Це процес економічних і соціальних змін, за якого

природні ресурси, напрямки науково-технічного розвитку, розвиток особистості тощо узгоджені та взаємопов’язані й

надають можливості для задоволення людських потреб і прагнень.

Рис. 1.5. Триєдина основа сталого розвитку Виділяють такі критерії сталого розвитку:

1. Відновлювані природні ресурси (такі як земля, ліси) мають не зменшуватися, а принаймні відтворюватися.

2. Невідновлювані природні ресурси (корисні копалини) потрібно вичерпувати якнайповільніше, із перспективою заміни на інші джерела енергії – сонячної, вітру, відпливів тощо.

3. Відходи варто звести до мінімуму завдяки впровадженню маловідходних і ресурсозберігальних технологій.

4. Забруднення довкілля в майбутньому не має перевищувати сучасного рівня.

Перлини мудрості

Природа — не місце для відвідування. Це домівка.

Гері Шерман Снайдер, американський поет, есеїст, філософ, еколог

39

Шляхи досягнення сталого розвитку

Перший підхід – стратегія «тотального очищення», що пов’язує сталий розвиток людства з екологічно чистою енергетикою, безвідходними технологіями, замкнутими циклами виробництва. Однак впровадити це неможливо й

дуже витратно. Тому цей підхід є недосяжним ідеалом.

Другий підхід – стратегія обмеженого споживання.

Вона ґрунтується на тому, що людство споживає надто багато природних ресурсів і саме це зумовлює виснаження та руйнування довкілля.

На сьогодні всі розвинені держави висловили своє прагнення йти шляхом сталого розвитку.

У 2000 році світова спільнота визначила орієнтири глобального розвитку – Цілі

Тисячоліття, які мають бути основою для досягнення згуртованості в усьому світі.

До Цілей сталого розвитку Організація об’єднаних націй (ООН) відносить 17 кроків.

Глобальні цілі сталого розвитку

Перлини мудрості

Земля не належить нам: ми належимо Землі.

Марлі Метлін, американська акторка

40
Розвитку

Серед них, зокрема, є такі:

 Мета № 3: Забезпечення здорового способу життя та сприяння благополуччю населення всіх вікових категорій.

 Мета № 9: Побудова стійкої інфраструктури, сприяння сталому розвиткові індустріалізації та впровадженню інновацій.

 Мета № 12: Упровадження принципів сталого споживання та виробництва продукції.

 Мета № 17: Активізація та посилення глобального партнерства в інтересах сталого розвитку.

Україна, приєднавшись до Декларації Тисячоліття ООН разом з іншими 189 країнами світу, також узяла на себе зобов’язання досягти визначених цілей.

Дізнайся більше онлайн

Перейди за покликанням https://cutt.ly/i6shBmF або

QR-кодом і переглянь відео про участь України в досягненні

цілей сталого розвитку.

Як бачимо, 12-м пунктом у списку 17 глобальних цілей, визначених ООН, є відповідальне споживання.

Відповідальне (розумне, стійке) споживання — поняття, яке передбачає економне використання природних ресурсів для

задоволення лише необхідних потреб.

Кожен з нас більшою чи меншою мірою націлений на споживання. У кожної людини є безліч речей, без яких життя здається неможливим. До того ж промисловості

потрібно постійно розширювати збут своїх виробів.

Тому за допомогою реклами нас переконують, що старі (неважливо, придатні чи ні) речі потрібно викидати та купувати нові. Це стосується автомобілів і мобільних телефонів, побутової техніки, одягу, взуття, меблів тощо.

Перлини мудрості

Людина була й завжди залишається дитям природи, і те, що

споріднює її з природою, вона має використовувати для залучення до багатств духовної культури. Василь Сухомлинський, видатний український педагог і мислитель

41

Таким чином, постійно зростають обсяги виробництва, з’являються нові фабрики та заводи. Усі вони повинні ма-

ти очисні споруди, їхні основні технології та форми

діяльності необхідно регулярно оновлювати, щоб

мінімізувати шкідливі викиди.

Це потребує чималих

фінансових витрат, на які йти не завжди хочуть. У

результаті забруднюється атмосфера, гинуть ліси та водойми, а в людей виникають серйозні захворювання.

Дізнайся більше онлайн Перейди за покликанням https://cutt.ly/D6sn4Gt або

QR-кодом і переглянь відео про відповідальне споживання.

Принципи

відповідального споживання

1. Звести до мінімуму накопичення природних і будь-яких інших ресурсів.

2. Зменшити кількість відходів за рахунок повторного використання.

3. Практикувати роздільний збір сміття й розвивати економіку замкнутого циклу.

4. Використовувати поновлювані ресурси.

5. Виготовляти вироби з великим терміном використання.

6. Ділитися досвідом із майбутніми поколіннями.

Артгалерея

Український та вірменський кінорежисер, сценарист, композитор, художник Сергій Параджанов (1924–1990) започаткував в українському мистецтві жанр колажу. Його роботи з елементів уживаних речей випереджали свій час, відображуючи актуальні зараз принципи відповідального споживання та екоарту (екологічного мистецтва).

42
Колажі Сергія Параджанова

Ваніс Букхольц, 13-річний бізнесмен із Каліфорнії в 7 років відкрив підприємство з утилізації сміття My ReCycler і став наймолодшим екопідприємцем в історії. Ганяючи містом на велосипеді з причепом, хлопець збирав сміття й відвозив його додому для сортування, розкладаючи на категорії: скло, метал, пластмаса. У міру накопичення вторинної сировини вантажівка відвозила

її на сміттєпереробний завод. За 5 років підприємство зібрало 3,5 тонни сміття.

Ідеї відповідального споживання активно підтримують відомі виробничі компанії та знаменитості різного рівня в усьому світі.

Перевір

1. Як впливають технології на довкілля?

2. Що таке сталий розвиток?

3. Які його критерії та шляхи досягнення?

4. Які цілі сталого розвитку визначено ООН?

5. Що таке відповідальне споживання?

себе та поміркуй

6. Які приклади відповідального споживання тобі відомі?

7. Чи дотримуєшся ти принципів відповідального споживання? Яких саме?

8. Доведи, що в наш час існує проблема безвідповідального споживання.

9. Дай оцінку екологічним наслідкам діяльності людини у вашій місцевості.

10. Запропонуй теми екологічних проєктів, які можна реалізувати на уроках технологій.

Твоя проєктна діяльність Теми дослідницьких, інформаційних, пошукових проєктів

1. Екологічні проблеми в моїй місцевості.

2. Міжнародний досвід сталого розвитку.

2. Ідеї сталого розвитку в Україні.

3. Як розуміють відповідальне споживання мої ровесники?

4. Що я можу зробити для впровадження відповідального споживання?

Перлини мудрості

Наш обов’язок — передати здорову Землю майбутнім поколінням.

Сільвія Долсон, натуралістка, фотографиня та письменниця

43 Це цікаво

7. Художнє конструювання виробу.

Метод комбінування і метод біоформ

Чи можна в наш час придумати щось нове й незвичне?

Що таке художнє конструювання?

Як дизайнер створює нові об’єкти?

Художнє конструювання – особливий вид художньої діяльності зі створення об’єктів, які мають насамперед естетичні властивості. Процес створення нових виробів потребує творчого підходу. У своїй професійній діяльності

дизайнери, а також конструктори, інженери, модельєри застосовують різні методи конструювання виробів. Одним з них є метод комбінування.

Метод комбінування — визначення властивостей, функцій, конструкційних особливостей елементів виробів і комбінування їх у різних варіантах.

Значення поняття «комбінувати»

Комбінувати

Поєднувати Вигадувати комбінації

Будувати Об’єднувати

Суміщати

Предмети, які оточують нас щодня, завдяки наполегливій творчій роботі фахівців і фахівчинь перетворюються, змінюють свої властивості, набувають додаткових можливостей, стають більш практичними та привабливими. Метод комбінування надає безліч ідей для пошуку нових конструкцій виробу, нового бачення його призначення, нових можливостей у користуванні.

Перлини мудрості

Навряд чи є вища насолода, ніж насолода творити.

Микола Гоголь, український письменник

44

Етапи методу

1.

Визначити

елементи виробів

або окремі вироби

2. Здійснити

комбінування виробів або їхніх елементів

3. Проаналізувати отримані варіанти

4. Обрати варіант виробу

для проєктування

Сторінками історії

30 березня 1858 року Хайман Ліпман (1817–1893) отримав патент на олівець із гумкою. Він поєднав два предмети й одержав один об’єкт із новими функціями. Відтоді 30 березня вважають Національним днем олівця в США.

45
комбінування

Дизайнерські ідеї

Перлини мудрості

Дизайн — це план впорядкування елементів найкращим чином для досягнення певної мети.

Чарльз Імз, американський дизайнер, архітектор і режисер

46

Робота в парах або групах

Запропонуйте ідеї щодо виготовлення брелока для ключів, використовуючи метод комбінування.

Об’єкт проєктування: брелок

Вироби для комбінування з об’єктом проєктування

Моделі-аналоги

У процесі пошуку ідей для створення об’єкта можна провести дослідження аналогічних виробів. Проаналізувавши їхні властивості, оцінивши позитивні і негативні риси, вивчивши конструктивні особливості, дизайнер створює об’єкт, який вбирає в себе елементи розглянутих моделейаналогів. Такий метод дає змогу врахувати недоліки попередніх аналогів і запобігти їх появі під час створення нового виробу.

Модель-аналог — виріб, подібний або схожий до об’єкта проєктування.

Послідовність дослідження моделей-аналогів

1. Пошук зображень виробів, подібних до об’єкта.

2. Визначення критеріїв аналізу виробів.

3. Аналіз виробів.

4. Оцінне судження про кожен аналогічний виріб.

5. Пропонування ідей зі створення власного виробу з урахуванням проведеного аналізу аналогічних виробів.

Перлини мудрості

Винаходити самому прекрасно, але те, що знайдено іншими, знати й цінувати — не менше, ніж творити. Йоганн Вольфганг Гете, німецький письменник, науковець, державний діяч, театральний режисер і критик

47

Об’єкт проєктування: підставка для канцелярського

приладдя (органайзер).

Критерії

для аналізу: зручність у

користуванні; ком

пактність.

Моделі-аналоги Питання для аналізу Ідея власного виробу

Наскільки зручно буде

користуватися?

Чи не забагато відділень?

Чи не надто він великий?

Чи зручно буде шукати потрібне приладдя?

Чи не замало відділень?

Чи не будуть олівці

змішуватися

з фломастерами?

Метод біоформ Біоформи — це форми об’єктів природи, які людина намагається запозичити для створення виробів.

Будь-яке створіння, на яке ми натрапляємо в природі, є довершеним шедевром, що вражає доцільністю, надійністю, міцністю та різноманітністю форм і конструкцій. Людина завжди отримувала натхнення від спостереження й аналізу об’єктів природи, результатом якого було створення виробів із застосуванням біоформ.

Перлини мудрості Творіння природи досконаліші від витворів мистецтва.

Марк Туллій Цицерон, давньоримський оратор, філософ і літератор

48

Сфери застосування біоформ

Біоформа

Архітектура

Дизайн

Техніка

Виставковий центр «Лотос» у м. Чанчжоу (Китай)

Будівля Motisons Tower у м. Джайпур (Індія)

Музей мистецтва та науки

в Сінгапурі

Рис. 1.6. Біоформи в архітектурі

Послідовність застосування методу біоформ

1. Збір зображень об’єктів природи.

2. Аналіз особливостей природних об’єктів.

3. Перенесення форм і конструкцій об’єктів природи на об’єкт проєктування.

4. Конструювання виробу.

та конструкції.

49
Обґрунтування вибору форми

Сторінками історії

Ідея застосування знань про живу природу для створення технічних виробів належить відомому італійському діячеві доби Відродження Леонардо да Вінчі, який намагався побудувати літальний апарат, вивчаючи техніку руху птахів і летюче насіння рослин.

Винахід Леонардо да Вінчі — літальний апарат із крилами

Перлини мудрості Природа так про все подбала, що всюди знаходиш, чого вчитися. Леонардо да Вінчі, італійський митець, винахідник, учений і письменник

Артгалерея

Видатний іспанський архітектор Антоніо Гауді розробив і втілив у життя проєкти споруд незвичайних форм, зокрема запозичених із

живої та неживої природи.

Наприклад, у 1900–1914 рр. він створив унікальний архітектурний

комплекс — парк Гуель, споруди якого не лише імітують різноманітні природні форми, від морських зміїв до пташиних гнізд і стовбурів дерев, а й буквально вростають у природний ландшафт. Цей парк досі називають не інакше як «природа, застигла в камені».

Парк Гуель (м. Барселона, Іспанія)

50

Природні форми є невичерпним джерелом ідей для дизайнерів і конструкторів. Аналіз їхніх робіт сприяє розвитку фантазії та творчого мислення.

Матеріал для аналізу й досліджень

Колекція меблів «Mutation Series (Серія мутацій)»

бельгійського дизайнера Маартена Де Сюле Форма дивану та стільців створює враження, що вони нібито виникли внаслідок мутації клітин, хімічної реакції або під впливом якогось вірусу.

Рис. 1.7. Біоформи в дизайні

51

Монстера

Об’єкт проєктування:

СТІЛЕЦЬ

Гібіскус

Клен

Рис. 1.8. Біоформи в дизайні меблів

Це цікаво У 2012 році студія всесвітньо відомої британської архітекторки, скульпторки, дизайнерки, художниці іракського походження Захи Хадід створила дивовижний предмет меблів під назвою «Рідкий льодовиковий стіл». Цей виріб виготовлено з прозорого акрилового скла за спеціальною технологією, що створює ефект застиглих струменів води та закарбовує два її стани: твердий (лід) і рідкий.

А італійський дизайнер та архітектор Алессандро Мендіні, також скориставшись методом біоформ, створив оригінальний скляний стіл з опорою у вигляді гуски.

52

Заха Хадід «Рідкий льодовиковий стіл»

Алессандро Мендіні «Столик-гуска»

Перевір

1. У чому полягає суть методу комбінування?

2. З яких етапів складається метод комбінування?

3. З якою метою аналізують моделі-аналоги?

4. Які особливості використання методу біоформ?

5. Яка послідовність застосування методу біоформ?

6. Порівняй метод біоформ з іншими відомими тобі методами конструювання виробів. Визнач переваги і недоліки цього метода.

7. Обґрунтуй доцільність або недоцільність використання методу комбінування для обраного об’єкта проєктування.

8. Проаналізуй можливість поєднання методу комбінування і методу біоформ.

Твоя проєктна діяльність

Теми дослідницьких, інформаційних, пошукових проєктів

1. Створення банку об’єктів з біоформами.

2. Об’єкти природи: мої дослідження форм, конструкцій, текстур.

3. Як стати дизайнером / дизайнеркою?

4. Креативні ідеї дизайнерів нашого міста / села: записи після прогулянки вулицями, парками тощо.

5. Мій альбом ескізів до виробів: світ майбутнього.

Перлини мудрості

Немає нічого більш винахідливого, ніж природа.

Марк Туллій Цицерон, давньоримський політичний діяч, оратор, філософ і літератор

53 Це цікаво
себе та поміркуй

8.

Графічні зображення

: технічний рисунок,

кресленик, ескіз

. Деталь

Яке графічне зображення слід зробити, щоб можна було легко уявити форму виробу?

Як обрати вид графічного зображення в процесі проєктування виробу?

Створення графічних зображень є необхідною частиною

процесу проєктування виробу. Дизайнер має не лише уявити свій витвір у думках, а й уміти зобразити його олівцем або за допомогою програмних засобів. Йому потрібно бачити запланований для виготовлення об’єкт в усіх деталях. Тому творча праця дизайнера передбачає виконання технічного рисунку.

Технічний рисунок дає змогу відразу побачити переваги і недоліки нових конструкційних удосконалень, сприяє заміні окремих елементів об’єкта й додаванню нових, роботі з формою та розмірами. Важливо те, що технічний рисунок активізує творчу думку.

Технічний рисунок — це наочне об’ємне зображення об’єкта

з дотриманням його конструктивної форми та розмірів.

Технічний рисунок зазвичай виконують без застосування креслярських інструментів, в окомірному масштабі.

Головне, щоб такий рисунок ясно розкривав технічну ідею

об’єкта.

Рис. 1.9. Технічні рисунки

Створити графічне зображення можна також за допо-

могою таких програмних засобів, як Inkscape, LibreOffice Draw, Adobe Illustrator, CorelDRAW.

54

Рис. 1.10. Створення зображення в комп’ютерній графіці Перевагами застосування програмних засобів дизайнери та конструктори вважають:

 універсальність;

 гнучкість;

 надійність;

 швидкість;

 якість.

Після створення технічного рисунку розробляють кресленик виробу. Наявність кресленика є обов’язковою вимогою для різних галузей, пов’язаних зі створенням нових

об’єктів. На етапі створення кресленика вносять основні виправлення та зміни, які впливають на характеристики й кінцевий зовнішній вигляд об’єкта.

Кресленик — це графічний документ, який містить зображення

виробу та необхідні відомості для його виготовлення й контролю якості.

Перлини мудрості

Кінцева, ясна функція людини — працювати, бачити, і не тільки

собі на користь... Побудувати стіну, спорудити будинок, греблю і…

долучитися до ясності ліній та форм, що виникають на кресленику.

Джон Стейнбек, американський письменник

55

Кресленик можна розглядати як технічну інформацію, графічно подану на певному носієві. Процес створення кресленика може відбуватися на папері або з використанням професійного програмного забезпечення та комп’ютера.

У конструкторській документації також існує поняття

«ескіз», що має певні відмінності від кресленика. Якщо

під час виконання кресленика застостовують креслярські

інструменти (лінійку, циркуль, кутник), то під час створення ескізу вони не потрібні. Ескіз може бути попереднім етапом створення кресленика.

Ескіз — графічне зображення, виконане від руки в окомірному масштабі.

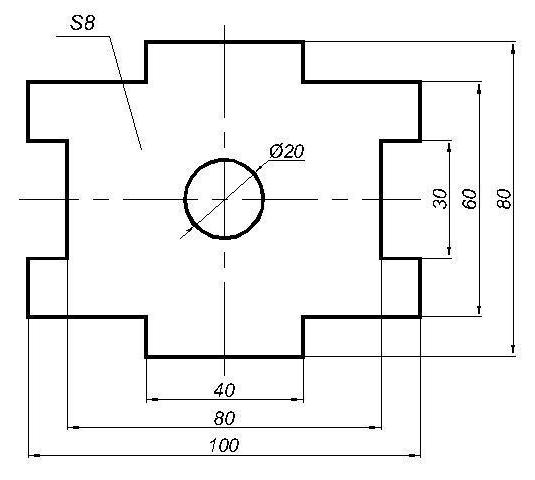
Робота в парах або групах Проаналізуйте наведений нижче кресленик.

Використовуючи подані запитання, проведіть додаткові дослідження. Обговоріть отримані результати.

Об’єкт

для аналізу: кресленик

Запитання

для проведення аналізу

та додаткових досліджень

Чи передає кресленик інформацію про конструкцію виробу?

Чи можна зрозуміти розміри всіх частин виробу?

Які одиниці виміру використовують у кресленику?

Яких відомостей бракує?

Що означають записи S8 і Ø20?

Зображення об’єктів на креслениках виконують за правилами проєціювання.

Проєціювання — це уявний процес побудови зображень предметів на площині.

56

Проєціювання нагадує утворення тіні предмета.

Рис. 1.11. Тіні предметів

За проєціювання зображення об’єкта утворюється уявними проєціюючими променями, які проходять через точки фігури, що проєціюють, до перетину з площиною проєціювання.

проєціюючі промені

площина проєкцій проєкція

Рис. 1.12. Проєціювання на одну площину

Проєкція — зображення предмета на площині проєціювання.

Проєціюючі промені — уявні прямі, що проходять через точки

об’єкта, що проєціюють, до перетину з площиною проєкцій.

57

Здійснили проєціювання. Об’єкти різні, однак проєкція однакова. Яким чином розв’язати цю проблему?

Ми бачимо невизначеність форми об’єкта за однією

проєкцією. Для розв’язання цієї проблеми

потрібна

ще одна площина проєкції. Проєкцію предмета на горизонтальну площину проєкцій називають горизонтальною проєкцією (Н). Проєкцію предмета на фронтальну (вертикальну) площину проєкцій називають фронтальною проєкцією (V).

Рис. 1.13. Горизонтальна та вертикальна проєкції

58

Утворені дві проєкції об’єктів розташовано в просторі в різних площинах. Тепер обидві площини проєкцій суміщають в одну. Для цього їх горизонтальну площину повертають так, щоб вона збіглася з фронтальною.

Основні конструктивні елементи виробів можуть бути у вигляді деталей і складальних одиниць.

Деталь — неподільне однорідне тіло, матеріал, форми та

розміри якого зумовлені його функціональним призначенням.

Складальна одиниця — об’єкт, що складається з кількох

деталей, з’єднаних і зібраних у єдине ціле.

Деталь є невеликою частиною виробу, становить одне ціле й не може бути розібраною без руйнувань на більш прості складові частини. Матеріал для виготовлення деталі має бути однорідним.

Рис. 1.14. Деталі табурета Деталь є складовою частиною будь-якого технічного пристрою. Наприклад, машини створюють із багатьох деталей. Однак слід зауважити, що самих видів деталей може бути відносно небагато, але деякі з них можуть повторюватися. Деталі поділяють на типові і спеціальні.

59

Деталі

Типові, або загального призначення

застосовують незалежно

від призначення машини (болти, гайки, зубчасті

колеса, підшипники)

Спеціальні

застосовують

у певному типі машин (лопатки, колінвали, турбіни, поршні)

Перевір себе та поміркуй

1. Що таке технічний рисунок?

2. Чим відрізняється кресленик від ескізу?

3. Які програмні засоби можна використовувати для створення графічного зображення виробу?

4. Як здійснюють проєціювання на одну площину?

5. Чому для деяких об’єктів недостатньо здійснити проєціювання на одну площину?

6. Чим відрізняється деталь від складальної одиниці?

7. Обґрунтуй використання того чи іншого виду графічного зображення для проєктування певного об’єкта.

8. Доведи важливість створення графічного зображення виробу перед процесом його виготовлення.

Твоя проєктна діяльність Теми дослідницьких, інформаційних, пошукових проєктів

1. Альбом технічних рисунків: моя творчість.

2. Графічні зображення виробів: пошук оригінальних ідей.

3. Дослідження типових деталей.

4. Пошук найкращого програмного засобу для створення графічного

зображення: мій вибір.

60

9. Вартість і собівартість

об’єкта проєктування. Реклама

виробу

Чи важливо знати про витрати на виготовлення об’єкта проєктування?

Як можна здійснити реалізацію проєктного виробу?

Що слід зробити, щоби про мій виріб дізналося багато людей?

Розробляючи виріб, необхідно знати, які матеріальні

витрати очікують на тих, хто його створює. Якщо знехтувати економічною складовою проєкту, можливі такі негативні сценарії:

Сценарій № 1

Заплановано використати певний матеріал

для виготовлення виробу

Сценарій № 2

Виготовили виріб. Були певні витрати

на його виготовлення

Сценарій № 3

Передбачається складна конструкція виробу

з багатьох деталей

Не змогли придбати

матеріал. Занадто висока

його вартість

Складно продати виріб

через його занадто високу

вартість. Продати

дешевше невигідно

На виготовлення виробу

йде занадто багато часу. Прибуток

від виготовлення виробу

за цей час економічно недоцільний

Витрати на виготовлення виробу виражають у грошовій формі. Необхідно врахувати всі витрати, що були в процесі

створення певного об’єкта.

Витрати — обсяг ресурсів, використаних у процесі господарської діяльності за певний проміжок часу.

61

У підрахунку всіх витрат, пов’язаних не лише з

виготовленням об’єкта, а й з іншими видатками, використовують поняття «собівартість».

Собівартість — виражені в грошовій формі поточні витрати на виготовлення та реалізацію об’єкта.

Складники собівартості об’єкта проєктування

Витрати

на сировину

та матеріали

Використання

техніки

та обладнання

Витрати

на паливо

й електроенергію

Витрати, пов’язані

зі зберіганням

та реалізацією товару

Придбання інструментів

Собівартість

об’єкта проєктування

Оплата послуг працівників

і податкові відрахування

Оренда

й обслуговування виробничих приміщень

Собівартість і вартість – різні поняття. Вартість продукту формується в результаті ринкової взаємодії, тобто взаємодії попиту й пропозиції на ринку.

Вартість — цінність товару в грошовій формі.

Розраховуючи економічну складову проєкту, планують отримання прибутку. Таким чином, усі витрати на виготовлення та реалізацію виробу не мають перевищувати його ринкової вартості.

Перлини мудрості

Якщо ви вважаєте, що можете, ви зможете. Але якщо ви думаєте, що не можете, то ви й не зможете.

Мері Кей Еш, американська підприємниця й засновниця компанії Mary Kay Cosmetics, Inc., розробниця філософії бізнесу

62

Прибуток — позитивна різниця між доходами і витратами.

Збиток — негативна різниця між доходами і витратами.

Собівартість

Вартість

Збиток

Собівартість

Вартість

Прибуток

Собівартість

Вартість =

Немає прибутку, немає збитку

Щоб зменшити витрати на виготовлення виробу, можна:

 вибрати інший матеріал для виготовлення;

 змінити конструкцію виробу.

Робота в парах або групах

Проаналізуйте об’єкти та їхню вартість. Прокоментуйте цю інформацію. Визначте, що впливає на вартість.

63
>
<

Об’єкт продажу

Інформація про об’єкт

Марк Ротко. Картина «Білий центр

(жовте, рожеве та фіолетове

на рожевому)». 1950 рік.

17 травня 2007 року продано

на аукціоні «Сотбіс»

за 72,84 млн доларів США

IKEA

Табурет

із місцем

для зберігання речей

Вартість: 2 329 грн

Mouawad

Клатч «1001 Nights (1001 ніч)»

Матеріал: золото, діаманти

Оцінено в 3,8 млн доларів США

і у 2010 році занесено

до «Книги рекордів Гіннеса»

як найдорожчу сумку світу

Louis Vuitton

Рюкзак

із великою кількістю

телефонних кабелів

Вартість: 26 000 доларів США

Louis Vuitton

Сумка: модель Tribute

Колаж із різних сумок Louis Vuitton

Вартість: 42 000 доларів США

Hermes, дизайнер П’єр Гарді

Сумка: модель Chaine d’Arcre

Усього було випущено

три моделі

Вартість: 2 000 000 доларів США

64

Під час розроблення проєкту необхідно зазначити, чи будуть виготовлений виріб продавати, і продумати, яким чином. Можливі варіанти – ярмарок, виставка-продаж, інтернет (соціальні мережі). Також можливо, що твій проєкт не матиме комерційної спрямованості, а стане частиною благодійної кампанії або соціальної акції.

Для того щоб виріб користувався попитом, розробляють його рекламу.

Реклама — це форма комунікації, яку здійснюють для

привернення уваги до об’єкта рекламування.

Завдання реклами:

 надати споживачеві інформацію про новий виріб і

його основні якості;

 поінформувати споживача про умови реалізації товару;

 переконати споживача в перевагах певного виробу перед наявними аналогами.

Місця та способи розміщення й поширення реклами:

 радіо FM;

 телебачення;

 транспорт;

 поштові відправлення;

 інтернет (зокрема соціальні мережі). Вимоги до реклами

Яскрава Приваблива

Реклама

Інформативна Оригінальна

Об’єкт, який рекламують, має викликати захоплення та схиляти до покупки. Реклама має вплинути на покупця так, щоб він обрав саме той товар, який просувають.

Перлини мудрості

Легше написати десять правильних сонетів, ніж хороше рекламне оголошення.

Олдос Гакслі, англійський письменник ХХ ст.

65

Сторінками історії

● До винаходу друкарського верстата (тобто до 1440 року) реклама існувала у вигляді усних оголошень. Люди стояли перед вітринами своїх крамниць і кричали на всю вулицю про товари.

● Перша друкована реклама з’явилася в Англії в 1477 р. Це була реклама молитовної книги.

● 1900 року в Америці було створено перший у світі рекламний бігборд. Саме цього року американці вирішили розміщувати бігборди вздовж доріг та автомагістралей.

● У 1938 році прибуток від реклами на радіо в США перевищив прибуток від реклами в друкованих виданнях.

З рекламною метою можна проводити різні заходи:

 демонстрації товарів;

 пресконференції;

 зустрічі з потенційними споживачами;

 дегустації;

 безкоштовне розповсюдження сувенірної продукції з рекламою виробів або послуг;

 змагання, лотереї, конкурси, ігри тощо.

Це цікаво

● Щороку компанії всього світу витрачають на рекламу понад 500 млрд доларів.

● Чимало дослідників стверджують, що реклама є найвизначнішою та найвпливовішою формою мистецтва у світі.

● У рекламі будь-якого наручного годинника стрілки зазвичай встановлюють на 10 год 10 хв. Це роблять для того, щоб стрілки не закривали назву бренду. А ще таке розташування стрілок нагадує усмішку, налаштовуючи людей на позитивний настрій і викликаючи довіру.

● Дослідники встановили, що навіть за багаторазового показу рекламного оголошення в людини не виникає «ефекту набридливості», а навпаки, формується позитивне ставлення до товару, який рекламують.

Перлини мудрості

Ключ до успіху бізнесу — в інноваціях, які, своєю чергою, народжуються креативністю.

Джеймс Гуднайт, американський науковець і підприємець

66

Наймолодші

успішні підприємці світу

● Школярка Тейлор Мокс з 9 років є власницею прибуткового пекарського

бізнесу. Вона виготовляє кекси та печиво на замовлення, і робить це так добре, що серед її клієнтів є навіть великі компанії. Успіх прийшов до

дівчинки після перемоги в місцевому

кулінарному конкурсі.

● У 9 років Мозая Бріджес уже заснував компанію з виробництва краваток-метеликів. Перші замовлення він отримував через соцмережі, а згодом відкрив інтернет-магазин. Шити Мозаю навчила бабуся. Свою першу колекцію з 20 метеликів хлопчик пошив сам, а потім до справи приєдналися мама й інші члени родини.

Придбати вироби Мозаї можна як на сайті, так і в магазинах практично

всюди в США. Також хлопець підписав річну угоду з NBA (Національною баскетбольною асоціацією) і виготовляє краватки-метелики для гравців усіх її команд.

● 10-річна Хейлі Скотт, що майже від народження має порушення слуху, разом із сестрами розробила дизайн прикрас для слухових апаратів, які за підтримки батьків було виготовлено

відповідно до її ескізів. Протягом кількох років дівчинці вдалося розробити, виготовити та продати чимало таких прикрас для дітей і дорослих. Для своїх виробів Хейлі використовує

найрізноманітніші матеріали, а поширює продукцію через сайт власної компанії та в центрах для людей із порушеннями слуху.

● Бреннан Аграноф розпочав свій бізнес у 13 років, налагодивши виробництво та продаж яскравих шкарпеток зі смішними малюнками-принтами. Зі стартовим капіталом йому допомогли батьки. А за п'ять років підліток уже започаткував власний проєкт, у колекції якого — близько

700 видів оригінальних шкарпеток.

67 Це цікаво

Щоб налагодити виробництво певних виробів, необхідно скласти план підприємницької діяльності, де потрібно

визначити, яким чином можна отримати прибуток і яким він буде.

Бізнес-план — це докладний опис підприємницької діяльності з розрахунками та перспективою на найближчі кілька років.

Головне завдання бізнес-плану – переконати потенційних партнерів, що це цікавий і прибутковий проєкт, який окупить вкладені кошти та зусилля.

Зазвичай бізнес-план складають на 3—5 років наперед. Але можна й на 1 рік, адже чимало важливих для підприємництва обставин може швидко змінюватися.

Він має містити опис товару чи послуги, аналіз ринку, план виробництва, організаційну структуру компанії, маркетингову стратегію для просування продукції та фінансовий план, у якому наведено всі основні розрахунки.

Перевір себе та поміркуй

1. З чого складаються витрати на виготовлення виробу?

2. Що таке собівартість виробу?

3. Від чого залежить вартість виробу?

4. Які основні завдання реклами?

5. Для чого складають бізнес-план?

6. Обґрунтуй доцільність використання реклами для власних виробів.

7. Запропонуй бізнес-план для продажу виробів, виготовлених у шкільній майстерні.

Твоя проєктна діяльність

Теми дослідницьких, інформаційних, пошукових проєктів

1. Вартість сувенірів у нашій місцевості.

2. Реклама в житті учнівства щоденник спостережень.

3. Як продати власні вироби?

4. Мій бізнес-план.

5. Найкраща реклама мого міста.

Перлини мудрості

Єдиною перешкодою для здійснення наших планів на завтра можуть бути наші сьогоднішні сумніви.

Франклін Рузвельт, 32-й президент США

68

10. Презентація проєкту

Що таке презентація проєкту? Для чого вона потрібна?

Що може зробити її ефективною?

Успішний проєкт – це п’ять «П»:

1. Проблема

2. Проєктування (планування)

3. Пошук інформації

4. Продукт

5. Презентація

Презентація — це спосіб подання інформації про об’єкт у

зручній для одержувача формі.

У нашому випадку це завершальний етап проєктної

діяльності – представлення виконаного проєкту або його захист. А також це чудова можливість ознайомити інших з ідеєю, способом виконання робіт, виробом чи іншими результатами твоєї праці.

Рис. 1.15. Усна презентація проєктів

До презентації потрібно підготуватися заздалегідь. Насамперед необхідно скласти план свого виступу або й записати весь його тест. У тексті усного виступу має бути повідомлено тему, мету, завдання, ключові та цікаві моменти

69

проєкту, охарактеризовано отриманий у результаті продукт

і представлено висновки.

Виступ має проходити у формі вільної, але логічної роз-

повіді – короткої, проте змістовної.

Під час усної презентації користуйся спеціальними прийомами.

Розповідай цікаво та захопливо (впливай на настрій слухачів)

Додай у виступ елементи бесіди (використовуй запитання до слухачів)

Здивуй аудиторію (повідом про цікаві факти, оригінальні

ідеї, нові способи виконання)

Не затягуй презентацію

(стеж за часом)

Застосовуй гумор

(доречні жарти, кумедні приклади)

Використовуй наочні матеріали

(великі аркуші паперу, ілюстрації, фотографії тощо)

Після виступу слід бути готовим відповісти на запитання слухачів, які можуть у них виникнути.

Рис. 1.16. Презентації проєктів із застосуванням паперових наочних матеріалів

70
презентації
Прийоми усної

У сьогоденні найбільш популярні мультимедійні, або

електронні, презентації

. Вони містять слайди – зображення в поєднанні з текстом, іноді в супроводі додаткових

ефектів: анімації, аудіо чи відео.

У мультимедійній презентації кількість тексту має бути мінімальна. Її завдання – наочно підтвердити та доповнити інформацію, яку доповідають усно, а не продублювати текст виступу на екрані.

Слайдові презентації можна виконати в програмах Microsoft PowerPoint, Canva, Crello тощо.

Слайди можна розмістити

в потрібній послідовності

відповідно до тексту

виступу

Зміна слайдів

утримує увагу аудиторії

та викликає інтерес

до змісту доповіді

Переваги

мультимедійної

презентації

Слайд завжди нагадає, про що потрібно

говорити, навіть якщо

ти забудеш текст

або розгубишся

Презентацію можна

надіслати електронною поштою або розмістити

в інтернеті та переглянути

в будь-який час

Електронна, чи мультимедійна, презентація проєкту має складатися з 10—20 слайдів, які варто виконати в єдиному стилі.

Шрифти й розміри літер і цифр мають бути зручними для читання та розбірливими навіть для тих, хто сидить за останніми партами. Фон слайдів і текст краще виконати в контрастних кольорах – також для зручності зорового сприймання.

71

Рис

1.17.

проєктів із

засобів Якщо результатом проєкту є готовий продукт (страва, предмет побуту чи одягу тощо), то можна влаштувати його демонстрацію. Тоді у виступі варто розповісти про історію виробу, способи виготовлення, варіанти моделей або рецептів. Можна організувати дегустацію або запропонувати присутнім особисто випробувати виріб у користуванні й оцінити його.

Презентацію проєкту також можна провести у формі майстер-класу, вікторини, гри, ярмарку, свята, вистави тощо.

Перевір себе та поміркуй

1. Які бувають форми презентації проєктів?

2. Що потрібно врахувати в усному виступі?

3. У чому плюси та мінуси різних форм презентації?

4. Обґрунтуй необхідність ретельної підготовки до презентації.

5. Склади план майбутньої презентації свого проєкту.

6. Аргументуй вибір форми та засобів своєї презентації.

Твоя проєктна діяльність Теми дослідницьких, інформаційних,

пошукових

проєктів

1. Дослідження ефективності різних форм презентації.

2. Наочні матеріали, засоби та прийоми, необхідні для презентації.

3. Використання шаблонів у створенні мультимедійних презентацій.

4. Онлайн-ресурси для створення електронних презентацій.

Робота в парах або групах Проаналізуйте різні програми для мультимедійних презентацій. Порівняйте їхні можливості та визначте переваги кожної.

72
. Презентації застосуванням електронних

Розділ 2. ОСНОВИ ТЕХНОЛОГІЙ

ТА КОНСТРУКЦІЙНИХ

МАТЕРІАЛІВ

Ти знатимеш:

• сучасні технології створення й використання

конструкційних матеріалів;

• прийоми роботи з інструментами для розмічання, вимірювання та з’єднання деталей;

• особливості матеріалів, інструментів, технік і технологій, які використовують в основних видах декоративно-ужиткового мистецтва.

Ти вмітимеш

:

• конструювати технологічний процес виготовлення виробу та розробляти технологічну карту;

• експериментувати з добором конструкційних матеріалів та їх комбінуванням для виготовлення запланованого виробу;

• аргументовано й доцільно замінювати природні матеріали вторинними матеріальними ресурсами;

• визначати ефективність використання матеріальних і часових ресурсів;

• застосовувати технології виготовлення

виробів

з уживаних речей (повторного використання, перероблення, ремонту);

• виготовляти й оздоблювати вироби традиційними техніками та технологіями декоративноужиткового мистецтва.

Конструкційні матеріали.

Матеріали з вторинної сировини

Нас оточує багато предметів, виготовлених з різних матеріалів. Вибір того чи іншого конструкційного матеріалу – результат цілеспрямованих досліджень дизайнерів, конструкторів та інженерів.

Конструкційні матеріали — матеріали, що застосовують для виготовлення конструкцій.

Конструкція — будова, взаємне розташування частин будьякого об’єкта.

Вимоги до конструкційного матеріалу:

 наявність певної структури;

 здатність працювати в умовах експлуатації;

 придатність для виготовлення будь-яких виробів.

Речовини, що мають рідку чи пастоподібну консистенцію, до конструкційних матеріалів не належать.

Конструкційні матеріали бувають природного і штучного походження. У разі створення нових конструкційних матеріалів орієнтуються на комплекс властивостей, очікуючи отримати те, що надасть виробам нових якостей.

Технологічність

Пластичність

Оптимальні властивості

конструкційних

матеріалів

Міцність

Ударна в’язкість, в’язкість руйнування

Теплостійкість

74
11.

Конструкційні матеріали

Однорідні матеріали Композиційні матеріали

Металеві матеріали

Метали Сплави

Неметалеві матеріали

Прості речовини

Складні речовини

Чорні сплави

Кольорові сплави

Полімери Аморфні речовини

Метали є одними з найпоширеніших матеріалів, які цивілізоване людство використовує протягом практично всієї своєї історії. Сировину для них видобувають із землі в процесі видобутку корисних копалин.

Різновиди металевих конструкційних матеріалів

Сталь Чавун Мідь Алюміній

Перлини мудрості

Мотивація до праці — частина мотивації до життя. Ееро Воутілайнен, сучасний фінський психолог, письменник, фахівець з управління

75

Значне поширення має такий конструкційний матеріал, як деревина. Вона має малу об’ємну вагу за порівняно високої міцності. Деревину легко обробляти різальними ін -

струментами , добре склеювати різними клеями, скріплювати цвяхами та шурупами, фарбувати, лакувати, полірувати . Вона також має високу пружність, добре поглинає звуки.

Деревину як природний конструкційний матеріал

отримують зі стовбурів дерев унаслідок розпилювання їх на частини. Цінність різних видів деревини полягає в їхній міцності, довговічності та неповторності малюнку.

Вид деревини Текстура

Сосна

Ялина

Береза

Липа

Дуб

Застосування

Виготовлення вікон, дверей, підлоги: будівництво

кораблів, вагонів, мостів

Виготовлення музичних інструментів, меблів, вікон

Виготовлення меблів, посуду, лиж

Виготовлення посуду, олівців, виробів із художнім

різьбленням

Виготовлення меблів, паркету; облицювання

цінних виробів; використання в конструкціях мостів

Для кожного народу характерне використання певних

порід деревини. Наприклад, в Україні особливу роль відіграє смерека (ялина європейська). Це дерево росте в Карпа-

тах на висоті від 700 до 1600 м. У деяких смерек товщина

76

стовбура сягає 1,5 м, а заввишки вони бувають 40—60 м.

Займає смерека понад 40 % площі всіх карпатських лісів і посідає третє місце за запасами (після сосни й дуба) в Україні.

Увесь побут гірських жителів тісно пов’язаний із цим деревом. Його деревина здавна була основним матеріалом

для будівництва житлових і громадських споруд, а також виготовлення предметів побуту.

Деревину смереки цінують за її м’якість, легкість, рівномірний білий колір, який із часом не тьмяніє. Вона має дрібні волокна та рівномірний приріст за діаметром, що забезпечує добрі резонансні

властивості (здатність збільшувати силу та довжину звуку). Саме тому цю деревину використовують для виготовлення деяких традиційних музичних інструментів, зокрема трембіт

Рис. 2.1. Смереки і трембіти з їх деревини

Японії для виготовлення мініатюрних скульптур нецке, які є своєрідною візитівкою цієї країни, часто використовують м’який і зручний для різьблення кипарисовик, твердий і довговічний самшит японський, а також персімону (деревина якої має жовтуватий колір і чорну серцевину), прунусу та сакуру.

Перлини мудрості

Природа дає достатньо, щоб задовольнити природні потреби. Сенека, давньоримський філософ

77
.
У

Рис. 2.2. Самшит і нецке з його деревини

З особливою повагою ставляться до деревини скандинавські народи. Для виготовлення побутових виробів вони часто використовують сосну.

Народи Африки створюють різноманітні вироби з ебенового дерева (гебану), яке має дуже щільну чорну деревину, що тоне у воді.

Рис. 2.3. Сосна і виріб (стілець) з її деревини

Рис. 2.4. Ебенове дерево і вироби (столові прибори) з його деревини

Використовуючи природні матеріали, варто пам’ятати, що їх запаси не безмежні. Незважаючи на те що ліси є поновлюваним ресурсом, швидкість їх вирубування занадто висока і не покривається швидкістю відтворення. Щороку знищують величезні площі листяних і хвойних лісів. Тропічні ліси, у яких мешкає понад 50 % відомих на Землі видів тварин, раніше покривали 14 % планети, а за-

78

раз – лише 6 %. За останні 200 років площа лісів у світі зменшилася

щонайменше

вдвічі (щороку знищують

14 млн га лісу). Економно використовуючи деревину, ми таким чином зберігаємо ліси – «легені» нашої планети.

Дуже часто як конструкційний матеріал використовують тканину. Не лише для пошиття одягу, а й для виготовлення вітрил, оздоблення

інтер’єру, виробництва спортивного взуття, туристичного спорядження тощо.

Сировиною для виготовлення тканини можуть бути рослини, продукція тваринництва, а також відходи нафтохімічної та газопереробної галузей промисловості.

Текстильні волокна бувають:

• рослинного походження: бавовна, льон.

• тваринного походження: вовна, шовк.

• хімічного походження: капрон, лавсан.

«Фарбування тканини».

Мініатюра з фламанд-

ського трактату «Про властивості речей». 1482

«Виготовлення лляного одягу»

«Вовняний

цех»

Мініатюри з німецького рукописного трактату «Tacuinum Sanitatis (Дотик здоров’я)». XV ст

Конструкційні матеріали – це результат праці багатьох людей. Адже кожна заготовка, перш ніж потрапити до нас, пройшла тривалий шлях виготовлення, обробки, транспортування тощо.

Перлини мудрості

Усе найкраще в природі належить усім разом.

Гай Петроній Арбітр, давньоримський письменник

79
Артгалерея

Робота в парах або групах

Проведіть дослідження запропонованих об’єктів.

Визначте, чому було використано саме ці конструкційні матеріали.

Інформація для проведення досліджень

Метал (сталь)

Склад: залізо — не менше 45 %, вуглець — від 0,02 до 2,14 %, домішки (кремній, марганець, сірка, фосфор, гази)

Гарбор-Брідж (м Сідней, Австралія)

Об’єкт: Міст зі сталі

Метал (чавун)

Склад: залізо, вуглець — від 2,14 до 6 %, домішки (кремній, марганець, фосфор, сірка)

Бібліотека Святої Женев’єви (м. Париж, Франція)

Об’єкт: Чавунні колони

Комод, 1520 рік Державний музей (м. Амстердам, Нідерланди)

80
Деревина (дуб)

Деревина (смерека)

У кінці ХІХ – на поч. ХХ ст. тут проживали Палій і Параска Харуки. До них часто приходили Іван Франко, Михайло Коцюбинський, Володимир Гнатюк, які відпочивали в Криворівні та збирали етнографічні матеріали. У

1964 р. цю хату-ґражду було використано для знімання кінофільму «Тіні забутих предків».

Музей «Хата-ґражда»

гуцульської господарки (с. Криворівня, Івано-Франківська обл.)

Тканина (вовна)

Майстриня-ткаля Ольга Пілюгіна (с Решетилівка, Полтавська обл.).

Об’єкт: Гобелен

традиційні матеріали не задовольняють вимогам дизайнерів або йдеться про необхідність зменшити вартість

виробів, для їх створення використовують і сучасні конструкційні матеріали, зокрема отримувані штучним шляхом із двох і більше різнорідних складників.

До складу композиційних матеріалів можуть входити різноманітні компоненти. Результатом є отримання нового комплексу властивостей.

Найпоширеніші

композиційні матеріали: склопластик, гетинакс, текстоліт, деревостружкова плита, фанера.

Перлини мудрості

Усе можна зробити краще, ніж робили досі. Генрі Форд, конструктор автомобілів, засновник корпорації «Форд Мотор»

81
Коли

У виборі конструкційного

матеріалу для виготовлення виробу особливу увагу звертають на його властивості. Мож-

на визначити три групи властивостей: механічні, технологічні, експлуатаційні.

Які механічні властивості матеріалу?

Чи задовольняють вони вимогам до об’єкта?

Міцність, пружність, пластичність, твердість, ударна в’язкість

Що можна

сказати

про його технологічні властивості?

Оброблюваність різальним

інструментом, ливарні властивості, деформувальність, зварюваність

Які експлуатаційні властивості

матеріалу?

У яких умовах буде експлуатуватися мій виріб?

Зносостійкість, корозійна стійкість, жаростійкість, жароміцність, холодостійкість

Важливим чинником в ухваленні рішення щодо вибору матеріалу є економічна складова. Занадто дорогий матеріал (цінні породи деревини, високоякісний метал, рідкісні тканини тощо) ставить під сумнів доцільність виконання проєкту через його високу вартість.

Також, обираючи матеріал, потрібно враховувати екологічний чинник. Є матеріали екологічні і неекологічні.

Неекологічні матеріали — ті, для виробництва яких використовують технології, що згубно впливають на навколишнє середовище й потребують значних витрат енергії, сприяють забрудненню та унеможливлюють саморозкладання.

82
Вибір матеріалу для виготовлення виробу

Економічний і екологічний аналіз

Яка вартість матеріалу?

Яке співвідношення вартості та якості?

Чи можна замінити його

на матеріал меншої вартості?

Наскільки використання обраного матеріалу призводить до екологічних проблем?

Чи є альтернатива обраному матеріалу?

Чи можна замінити його

на більш екологічний матеріал?

CD-диск –переносний

оптичний диск для зберігання

інформації

Рис. 2.5. Вироби з уживаних CD-дисків

83
вибору матеріалу
Вибір матеріалу

Аналізуючи варіанти

вибору матеріалу для виготовлення об’єкта проєктування, можна розглянути можливість

використання вторинної

сировини (уживаних СD-дисків, мішковини, картону, пластику тощо).

Створено в Україні

Перший прообраз сучасного CD-диска в середині 60-х років ХХ століття розробив аспірант Київського інституту кібернетики В’ячеслав Петров.

Причиною

використання вторинної сировини може бути екологічність матеріалу або економічна доцільність.

Мішковина – груба

міцна тканина, яку виробляють із товстої пряжі

полотняним переплетенням ниток

Рис. 2.6. Вироби з мішковини

84

Картон – листовий матеріал рослинного походження, вид щільного паперу

Рис. 2.7. Вироби з картону Новітні досягнення науки, техніки та технології Конструкційні матеріали майбутнього, які можна використовувати вже сьогодні

Пінометал — міцний і легкий матеріал із набагато нижчою теплопровідністю, ніж у металу, з якого він виготовлений. Спінюють алюміній, сталь, латунь, титан і різні сплави. Виробляють такі матеріали з 1990-х років, але з удосконаленням технології вони набувають

дедалі більше неймовірних властивостей.

85

Новітні досягнення науки, техніки та технології

Наприклад, деякі зразки можуть зупиняти бронебійні кулі, стискатися до 80 % свого розміру під впливом ваги або триматися на поверхні води.

Металеву піну застосовують в авіа- та машинобудуванні, для теплоізоляції та виробництва легких і ударостійких деталей. Її легко обробляти, розрізати, склеювати зі склом та іншими матеріалами, а отже, можна використовувати й у декоративних цілях.

«Розумна» тканина — виготовлена із застосуванням найновіших технологій. Уже сьогодні існують тканини з титановим або алюмінієвим напиленням, зі світлодіодними екранами, з полімерними чіпами, броньовані тканини (що витримують надзвичайні навантаження), водостійкі, пилозахисні, лікувальні тощо.

Перші різновиди з’явилися ще на початку 1990-х років, і відтоді тканини з новими властивостями винаходять постійно.

Перевір себе та поміркуй

1. Яким вимогам має відповідати конструкційний матеріал?

2. Які властивості очікують отримати, створюючи нові конструкційні матеріали?

3. Які конструкційні матеріали використовують найчастіше?

4. Як здійснюють вибір матеріалу для об’єктів проєктування?

5. Які переваги використання вторинної сировини?

6. Склади перелік неекологічних матеріалів.

7. Розроби алгоритм дій, за яким ти обиратимеш матеріал для виготовлення виробів.

Твоя проєктна діяльність

Теми дослідницьких, інформаційних, пошукових проєктів

1. Дослідження процесів створення різних сплавів із металу.

2. Дослідження процесу отримання пиломатеріалів і листових деревинних матеріалів.

3. Визначення конструкційних матеріалів, які оточують нас у школі.

4. Використання матеріалів із вторинної сировини у власному проєкті.

5. Створення банку ідей виробів із вторинної сировини.

86

12. Дизайн-проєкт. Технологічний процес

виготовлення виробу.

Розмічання. З

’єднання

деталей

Перед визначенням і розглядом поняття «дизайн-проєкт» нагадаємо, що дизайн – це сукупність дій із конструювання виробів.

Метою дизайну є:

 створення нових, естетично привабливих форм об’єктів;

 задоволення матеріальних і духовних потреб людини;

 гармонізація предметного світу.

Технологічний підхід до проєктування забезпечує відповідність передбачуваного реальному результату. Складання дизайн-проєкту забезпечить досконале знання того, який вигляд матиме об’єкт проєктування.

Дизайн-проєкт — це пакет документів, який детально відображає задум майбутнього об’єкта.

У пакет дизайн-проєкту дизайнери включають кресленики, візуалізацію, специфікацію, пояснювальну записку.

Інакше кажучи, дизайн-проєкт – це інструкція для тих, хто буде створювати об’єкт. Тому завдання автора / авторки проєкту – скласти документ таким чином, щоб за його допомогою можна було реалізувати задумане.

Під час розроблення проєкту запитай себе:

 Чи визначено технологію створення об’єкта проєктування?

 Чи достатня кількість графічних зображень об’єкта?

 Наскільки чітко визначено послідовність реалізації задуму проєкту?

 Чи зрозуміло, які потрібні інструменти, пристосування, матеріали?

Перед початком виготовлення виробу необхідно детально описати його технологічний процес. Слід зрозуміти, які технологічні операції та в якій послідовності потрібно буде здійснити, які інструменти й пристосування для цього знадобляться.

87

Технологічний процес — це послідовність технологічних операцій, необхідних для зміни форми, розмірів і властивостей матеріалу, які потрібно виконати, щоб із сировини отримати готовий продукт.

Технологічний процес виготовлення виробів із деревини

на підприємстві передбачає такі операції:

 сушіння деревних матеріалів;

 розкрій деревних матеріалів на заготовки;

 обробка заготовок для надання їм необхідної форми

та розмірів відповідно до графічного зображення;

 склеювання заготовок;

 складання та обробка деталей;

 опорядження готового виробу

Операції виготовлення виробів із деревини можна розглядати як підготовчі, обробні та опоряджувальні, що характерно також для технологій виготовлення виробів з інших матеріалів. Операції виготовлення

Підготовчі

Вибір

заготовки

Обробні Пиляння. Стругання. Свердління отворів. Збирання виробу

Опоряджувальні Зачищення

поверхонь деталей. Лакування або фарбування

Артгалерея

88
.
виробів
із деревини
Фредерік Колсто «Юний тесля». 1886 Едвард Генрі Поттаст «Сільський тесля». 1899 Едвард Амбле Онслоу «Молодий учень». 1903 . Розмічання

Для того щоб у спрощеному вигляді описати технологічний процес виготовлення виробу, складають технологічну карту, яка має форму таблиці.

Технологічна карта — це послідовність виконання операцій,

графічне зображення заготовки, що змінюється, застосовуване

обладнання, інструменти та пристосування.

Зразок оформлення технологічної карти

Послідовність

Номер

операції

виконання операцій

1. Обрати заготовку

Ескіз Інструменти, пристосування

Олівець, лінійка, кутник

2. …

Також можна використовувати операційні й маршрутні карти, які є спрощеними варіантами технологічної.

Операційна карта — зазначення послідовності виконання операцій та інструментів (без графічного зображення).

Маршрутна карта — зазначення лише послідовності виконання операцій.

Розмічання

Одним із найважливіших етапів роботи з виготовлення виробу, від правильного виконання якого залежить його якість, а також витрати матеріалу та робочого часу, є розмічання.

Розмічання — операція з перенесення на матеріал розмірів і контурів майбутнього виробу.

Перлини мудрості

Справжній скарб для людей — уміння працювати.

Езоп, давньогрецький байкар

89

Починають розмічання з вибору бази – лінії чи площини, від якої відкладатимуть розміри. Якщо є оброблені

поверхні, то як бази приймають їх. У симетричних деталей за основи зручно приймати осі симетрії, центральні лінії. Їх наносять насамперед.

Базова лінія — проведена на заготовці вихідна лінія, від якої проводять розмічання.

Базова сторона — найбільш рівна сторона заготовки, від якої ведуть розмічання та подальшу обробку.

однакових деталей або деталей, що мають криволінійний контур, здійснюють за допомогою шаблонів.

Розмічання великої кількості

Шаблон — спеціальна деталь, розміри та контур якої такі ж, як у потрібного виробу.

Інструменти

Назва інструмента

Рулетка

для розмічання та вимірювання

(робота з деревиною)

Зображення Призначення

Вимірювання

та розмічання заготовок

Лінійка

Креслярський

косинець

Вимірювання

та розмічання

розмірів

і проведення рівних ліній

Проведення

перпендикулярних і паралельних ліній

90

Назва інструмента

Кутник

столярний

Зображення

Призначення

Нанесення

прямих кутів під час розмічання

Ерунок

Малка

Циркуль розмічальний

Штангенциркуль

Шило

Розмічання кутів

і проведення

паралельних ліній

під кутами

45° і 135°

Нанесення ліній, які можуть

розташовуватися

під різними кутами щодо кромки

Розмічання

кіл

Вимірювання

внутрішніх

і зовнішніх

розмірів деталей

та заготовок, їхньої товщини

Нанесення рисок, наколювання

центрів і місць для шурупів

91

Інструменти

для

розмічання та вимірювання

(робота з тонколистовим металом)

Назва інструмента

Зображення Призначення

Металева лінійка Вимірювання

та розмічання

розмірів

Кутник Побудова

та контроль кутів; відновлення

перпендикулярів

Рисувалка Нанесення ліній (рисок) на розмічувану

поверхню

Розмічальний

циркуль

Побудова кіл, дуг; перенесення розмірів

з лінійки на заготовки

Кернер Побудова центрів

кіл або отворів; розмічання

заготовок

за попередньо проведеними

лініями розмітки

перед подальшим оброблянням

Перлини мудрості

Хто працю любить, той наш брат.

Леся Українка, українська письменниця, перекладачка, культурна діячка ХІХ–ХХ ст.

92

Доменіко Фетті.

«Замислений Архімед». 1620

Юджин Вонг. «Інструменти теслі». 2014

Артгалерея

Моріс Кантен де Латур. «Портрет

Емілі дю Шатле, французької

математикині та

фізикині». 1745

Під час розмічання важливо враховувати припуск на обробку. Його розмір відповідає різниці габаритів деталі та заготовки. Значення припусків впливає на ефективність і якість обробки, оскільки вони компенсують похибки робочих операцій

Припуск на обробку — додаткова частина матеріалу заготовки, що підлягає видаленню.

Дії перед виконанням розмічання

Проаналізувати графічне зображення виробу, його характеристики та розміри

Розробити план розмічання

Вибрати необхідний інструмент для розмічання

Визначити припуски на обробку

Підготувати поверхню заготовки для розмічання

93
.

Технологічні операції

Перед виконанням технологічних операцій

необхідно

дізнатися про інструменти, якими їх виконують, опанувати прийоми роботи з ними та ознайомитися з правилами безпечної праці.

Призначення інструмента

Дослідження

інструментів

для виконання технологічних

операцій

Будова інструмента

Прийоми роботи

з інструментом

Правила безпечної праці

Розглянемо декілька основних інструментів, які використовують для здійснення технологічних операцій із деревиною, металом і дротом.

Інструменти для роботи з деревиною

Технологічна

операція

Пиляння (процес різання, який

здійснюють багаторізцевими інструментами)

Лучкова

пилка

по дереву

Інструменти

Широка

ножівка

по дереву

Вузька

ножівка

94

Технологічна

операція

Електрична

дискова пилка

Рубанок Стругання

(процес обробки

матеріалів

різанням

зі зняттям

стружки, який

здійснюють

за відносного

зворотно-

поступального

руху

інструмента)

Свердління

(утворення

зняттям

стружки отворів

у суцільному

матеріалі

за допомогою

різального

інструмента –свердла)

Електричний рубанок

Інструменти

Коловорот

Ручний дриль

Електродриль

95

Інструменти для роботи з металом

Технологічна

операція

Різання металу (поділ

металевої

заготовки)

Опилювання (знімання шару

металу

за допомогою

напилка)

Ручні ножиці

Інструменти

Гнуття

(

надання

заготовці

вигнутої форми

за заданим

контуром)

Рубання (обробка металу

зубилом

за допомогою

молотка)

Ножівка

по металу

Напилки

Надфілі

Киянка

Зубило

96

Технологічна

операція

Крейцмейсель

Інструменти

Відрізання

Залежно

від товщини

та властивостей

дроту:

1) відрізаємо

кусачками;

Слюсарний молоток

2) відрізаємо

пасатижами;

3) надпилюємо

дріт

ребром напилка

та зламуємо його;

4) використовуємо

зубило і слюсарний молоток

Випрямлення

(усування нерівностей дроту)

Спосіб

виправлення залежить від властивостей та розмірів дроту:

1) між цвяхами, вбитими в дошку;

2) киянкою на плиті;

3) протягуванням навколо металевого стрижня

(

Гнуття

надання дроту певної форми)

Залежно

від форми, яку потрібно отримати, використовуємо:

1) круглогубці;

2) пасатижі, плоскогубці

97
Основні операції під час роботи з дротом

Інструменти для роботи з дротом

Назва інструмента

Пасатижі

Ілюстрація Призначення

Різання м’якого

дроту,

ущільнення місця

з’єднання дротів, згинання дроту

Кусачки Перерізання

дроту. Для того

щоб збільшити

зусилля, застосовують

принцип важеля

Кусачки торцеві

Відрізання дроту Круглогубці Захоплення

дроту, металевої

жили, прутка та виконання рівномірного

вигину. Основне призначення –

згинання дроту

Приклад дослідження інструмента

Призначення інструмента:

здійснення обпилювання.

Мета обпилювання:

 надання необхідної форми;

 надання необхідних розмірів;

 отримання заданої

Напилок

98
.
шорсткості поверхні

Будова інструмента:

а – носок; б – робоча частина; в – ділянка без насічок; г – хвостовик; д – ребро.

Прийоми роботи з інструментом

Положення корпуса вважають правильним, якщо між

плечовою і ліктьовою частинами зігнутої в лікті правої руки з напилком, встановленим на губки лещат (вихідне положення), утворюється кут 90°. При цьому корпус то-

го, хто працює, має бути прямим і розвернутим під кутом 45° до лінії осі лещат.

Правила безпечної праці

1. Заготовку має бути міцно затиснуто в лещатах.

2. Не можна працювати напилком із розколотою ручкою. Ручку має бути добре насаджено на хвостовик напилка.

3. Не можна торкатися ручкою інструмента деталі, закріпленої в лещатах, адже це порушує міцність її насадки

4. Не можна охоплювати носок напилка лівою рукою.

5. Заборонено здувати стружки та видаляти їх голими руками.

99
.

З’єднання деталей

Після виготовлення деталей для отримання виробу їх необхідно з’єднати. Вибір способу з’єднання залежить від конструкційного матеріалу та вимог до об’єкта. Наприклад, слід зрозуміти, чи буде необхідність у розбиранні та повторному з’єднанні деталей.

Види з’єднання

Нероз’ємні

(розбирання неможливе

без руйнування елементів, які з ' єднують)

Роз’ємні

(з’єднання допускає

розбирання та повторне збирання деталей)

Існує чимало способів з’єднання деталей. Кожен з них заслуговує на особливу увагу та вивчення. Під час створення різних виробів на уроках технологій перед тобою не раз стоятиме вибір найдоцільнішого

Поширеними способами з’єднання деталей із деревини є з’єднання за допомогою цвяхів, клею, шурупів.

Сторінками історії

● Протягом століть цвяхи виготовляли з найрізноманітніших матеріалів — кісток тварин, деревини, бронзи, міді та заліза.

● Металеві цвяхи з’явилися приблизно 5000 років тому, коли люди навчилися працювати з металом, — у бронзову добу. Їх знаходять на місцях розкопок Месопотамії, Стародавнього Єгипту та Риму. Виготовляли їх зазвичай двома способами: литтям або куванням. Вони були чотиригранної форми, оскільки це було зручніше та значно простіше. Найскладнішими у виготовленні вважали цвяхи для підковування коней, оскільки вони, по-перше, мали бути маленькими, а по-друге — не мали загинатися й доходити до тіла тварини.

Стародавні цвяхи

100
способу.

Сторінками історії

● Коли в I ст. до н. е. на території сучасної Шотландії внаслідок

облоги було залишено стародавній римський замок, його захисники, щоб не залишити нічого загарбникам, закопали всі цінності на глибині

понад 3 м. Під час розкопок скарб вразив усіх: там виявилося 7 тонн чудових цвяхів, яких не торкнувся час, — на них не було жодної плями іржі.

● До початку XIX ст. цвяхи кували вручну, тому їх виробництво було трудомісткою та важкою справою. Згідно з історичними документами, лише в Британії в XVII ст. виготовленням цвяхів займалося майже 60 тисяч ремісників.

● Цвяхи коштували дуже дорого, і навіть чимало злочинців воліли красти не вироби з дорогоцінних металів, а саме цвяхи, тому що попит на них був завжди.

● Ціна на цвяхи значно впала на початку XIX ст., коли з’явилися верстати для їх виробництва. Уважають, що перший такий пристрій вигадав і зібрав відомий американський винахідник, інженер-механік і фізик, володар 21 американського та 19 англійських патентів Джейкоб Перкінс. У 1790 р., коли йому було лише 24 роки, він створив верстат, який розрізав металевий дріт на рівні відрізки, один кінець кожного шматочка заточував, а на протилежному формував капелюшок.

Перлини мудрості

Явлення людському племені цвяха анітрохи не поступається за своїм значенням винаходу колеса, а, може, навіть перевершує його. Джей Вілсон, канадський науковець

Новітні досягнення науки, техніки та технології

Зараз цвяхи виготовляють не лише із заліза, а й з латуні та міді, дехто вдягає їх в «одяг» із полімерів — до цього зазвичай вдаються у виробництві дорогих елітних меблів, щоб згодом іржа не псувала коштовні матеріали.

А в Японії виготовили цвях зі склопластику, який не поступається своєму залізному побратиму за міцністю, а за естетичністю значно виграє, адже його можна пофарбувати в будь-який колір разом із матеріалом, у який він забитий.

Наведені далі таблиці «Інформація для дослідження» є основою твоєї самостійної пізнавальної діяльності. Не задовольняйся лише цією інформацією. Проводь додаткові

дослідження!

101

Робота в парах або групах

Проаналізуйте інформацію про особливості різних видів з’єднання. Обґрунтуйте пропозицію використати той чи інший спосіб для з’єднання деталей власного виробу. Визначте питання для додаткових досліджень і проведіть їх.

Інформація для дослідження № 1

З’єднання цвяхами

Інструмент: молоток

Цвяхи

Правильне тримання молотка

Будова цвяха: а) головка, б) стрижень, в) вістря.

1) правильне

виконання дії;

2) неправильне

виконання дії 1) 2)

Питання для

додаткових досліджень

Слід дізнатися… Необхідно зрозуміти…

Це цікаво

● Сучасний цвяховий верстат може «видавати» до 700 цвяхів за 1 хвилину.

● Загалом у світі виробляють близько 4 мільйонів тонн цвяхів на рік.

● Лідером серед країн-виробників цих популярних кріпильних виробів є

Китай, який щороку випускає приблизно півтора мільйона тонн цвяхів.

● Найчастіше в промисловості та побуті використовують звичайні будівельні цвяхи, хоча загалом їх існує понад 300 різних видів.

102

З’єднання

клеєм

Інформація для дослідження № 2

Визначення

для аналізу

Під склеюванням розуміють з’єднання однорідних або різнорідних матеріалів за допомогою клею – матеріалу, що має високу

з’єднувальну здатність і після затвердіння

міцно утримує склеювані поверхні.

Використання

пензля

для нанесення

клею

Переваги

застосування

клею ПВА

Питання

для додаткових досліджень

 клейові з’єднання мають хорошу еластичність і добре витримують ударні

навантаження;

 після висихання стає прозорим;

 нетоксичний

Слід дізнатися…

Необхідно зрозуміти…

Сторінками історії

● Клейкі властивості деяких речовин і можливість з’єднання ними певних предметів відомі доволі давно. Певним доказом цього є той факт, що слово «клей» багатьма мовами звучить і пишеться однаково. Латинське «lutum» і німецьке «Leim» або «Lehm», англійське «glue» та словацьке «glej», українське «клей» і грецьке «glia» або «gleba» явно натякають на схожі дії, що з'явилися приблизно одночасно на різних територіях.

● Насправді клей — давній супутник людини. Його поява належить до періоду неоліту (9,5 тис. років до н. е.). Кочівники та мисливці виготовляли клей з відвару кісток і сухожилок. Приморські племена отримували клейку речовину з розвареної риб'ячої луски. Крім того, для склеювання широко застосовували природні смоли рослинного походження. ● У гробниці єгипетського фараона Тутанхамона знайдено бджолиний віск, тваринний клей і смоли, що використовували для склеювання.

103

Сторінками історії

● З’єднувальні властивості асфальту в давнину застосовували для усунення недоліків у глиняному посуді, закупорювання сосудів, ізоляції днищ кораблів від води.

● Спочатку клей використовували тільки для виготовлення різних невеликих предметів — побутового начиння, прикрас із різних матеріалів (у Стародавньому Єгипті це були деревина, слонова кістка, глина тощо). Пізніше його почали застосовувати й у будівництві.

● Першу промислову фабрику з виробництва клею було відкрито в

Нідерландах у 1690 році. А перший патент на клей (на основі риб'ячого жиру) видали в Англії в 1754 році.

● До ХХ ст. як клейкі речовини переважно використовували натуральні

продукти та їх похідні. ХХ століття відкрило еру синтетичних клеїв.

● Клейка стрічка відома в усьому світі завдяки своїй міцності, довговічній якості, простоті використання та водонепроникності. На п олях битв у Другій світовій війні часто доводилося лагодити машини, зброю й навіть бойові поранення будь-якої миті. Не всі матеріали підлягали використанню в умовах високої вологості та бруду. Тому було створено міцну водонепроникну стрічку, яка допомагала військовим у незапланованому, але необхідному ремонті.

● 1942 року хімік Гаррі Кувер (США) намагався створити прозорий пластик для прицілів, які мали використовувати на війні. Під час своїх випробувань та експериментів він випадково винайшов речовину, у сьогоденні відому як суперклей.

Це цікаво

Багато хто бачив, як ящірки гекони пересуваються по стіні й не падають. Це їм вдається завдяки крихітним липким волоскам на нижній частині лапок — набагато сильнішим, аніж сучасні клеї.

Кожен квадратний міліметр уміщує 14000 або більше цих волосків, даючи змогу тваринкам без зусиль чіплятися за стіни. Дослідники та розробники клеїв намагаються створити схожий синтетичний клейкий засіб так само міцний і довговічний.

Перлини мудрості

Найскладніше — почати діяти, усе решта залежить лише від наполегливості.

Амелія Мері Ергарт, американська авіаторка, ораторка, письменниця, журналістка ХХ ст.

104

З’єднання

шурупами

Інформація для дослідження № 3

Шуруп Кріпильна деталь, що складається з головки та стрижня з гвинтовою нарізкою

Інструмент: викрутка

Інструмент для відкручування і закручування шурупів та інших деталей із нарізкою, на головці яких є шліц

Шліци Головки шурупів мають шліци (прямі або хрестоподібні канавки) для викрутки.

Прямий шліц Хрестоподібні шліци Інформація

для власних експериментів

З’єднання шурупами є міцнішим, ніж з’єднання цвяхами.

Питання для додаткових досліджень

Яким чином… Які недоліки…

Як обрати…

105

Сторінками історії

Першим винахідником шурупа з прорізом у головці та викрутки для нього вважають Леонардо Да Вінчі. Це цікаво

Японський дизайнер Юма Кано розробив шуруп із шліцем у вигляді смайлика та спеціальну викрутку до нього.

Новітні досягнення науки, техніки та технології Японські вчені винайшли нарізку, що зникає, завдяки використанню полімерного матеріалу з пам'яттю. Якщо головка такого шурупа відламається, його достатньо нагріти: нарізка зникне, і шуруп можна буде не викручувати, а просто витягти, наприклад, пасатижами.

Інформація

для дослідження № 4

Заклепкове

з ' єднання

Заклепка

Процес

здійснення

заклепкового

з’єднання

Етапи

з’єднання

листів

заклепками

 листи накладають один на одного;

 фіксують;

 позначають центри отворів;

 отвори пробивають пробійником або

висвердлюють одночасно в обох заготовках;

 у пробиті отвори відразу вставляють

заклепки й розплющують молотком;

 за допомогою обтискання надають

остаточної форми верхній головці

106

Типи

заклепок

 з напівкруглою

головкою;

 з потайною головкою;

 з напівпотайною головкою;

 з напівкруглою

Переваги

з’єднання

Недоліки

заклепкових

з’єднань

Матеріал

заклепок

Ілюстрація

для вивчення

низькою головкою;

 з пласкою головкою

Дозволяє з’єднувати частини конструкцій із матеріалів, які не піддаються зварюванню

Трудомісткість процесу Недостатня герметичність з’єднання

Заклепки виготовляють із сталі, алюмінію, міді, латуні.

Питання для

додаткових досліджень

Для чого… Як здійснити… Де можна…

Інформація для дослідження № 5

Фальцювання Операція отримання нероз’ємних з’єднань за допомогою фальцевих швів

Досліджуємо

види фальцевих швів:

 одинарний

лежачий;

 одинарний

стоячий;

 подвійний

лежачий;

 подвійний

стоячий

107

Інструменти

для

фальцювання

Вчимо

іноземну мову

Аналізуємо

фотографії

Спеціальні опорні (сталеві косинці, брускиоправки), ударні інструменти (молотки, киянки), спеціальні оправки (фальцмейселі)

нім. Falzen – «згинати»

Вивчаємо

процес створення фальцевого

шва

Приклади

застосування

Питання для

додаткових досліджень

Де знайти…

Яким чином…

Навіщо…

108

З’єднання

дроту

Інформація для дослідження № 6

Об’єкти для дослідження

з’єднання

дроту

Процес

з’єднання дроту

Питання для додаткових досліджень

Як зробити…

Що допоможе…

Який…

Сторінками історії

● Дротом людина користувалася вже 5000 років тому. За даними археологів, шумери в Південній Месопотамії (сучасна територія на півдні Ірану) у 2600 р. до н. е. використовували його в побуті.

● У давнину дріт застосовували як основу для прикрас. Вироби із золотого, мідного та бронзового дроту прикрашали шиї фараонів у Стародавньому Єгипті та правителів етрусків — найдавнішої цивілізації, що передувала Давньоримській імперії.

● Перший верстат для виготовлення дроту створили в 1568 році в Англії. До того часу виробництво здійснювали суто вручну.

109

Ниткове

з’єднання

Інформація для дослідження № 7

З’єднання текстильних матеріалів

З’єднання двох або кількох шарів матеріалу скріплювальними стібками, що складаються

з однієї, двох і більше ниток

Заклепувальне

з’єднання

Зміцнення відповідальних вузлів

та як декоративний елемент

Склеювання

Текстильна застібка

(липучка)

Застібка, яка діє за принципом реп’яха

Питання для додаткових досліджень

Чи є… Наскільки надійно…

Що потрібно…

110

Артгалерея

Карл Ларссон. «У теслярській майстерні». 1899

Карл Ларссон. «Швачка». 1911

Хуан Планелла-і-Родрігес.

«Маленька ткаля».

1882

Адлер Едмунд.

«Юний майстер (ремонт возика)». 1950

Жан-Ежен Буланд.

«Наставник і учень». 1888

з інструментами, потрібно завжди пам’ятати про правила безпеки. Від їх дотримання залежить безпека не лише того, хто працює, а й навколишніх.

Працюючи

1. Не користуйся інструментами, правила поводження з якими не вивчено.

2. Використовуй інструмент лише за призначенням.

3. Не працюй несправними та тупими інструментами.

4. Під час роботи правильно тримай інструмент.

5. Утримуй робоче місце в чистоті та порядку.

6. Розкладай і зберігай інструменти та обладнання в правильному порядку.

7. Не розмовляй під час роботи.

8. Виконуй роботу уважно, не відволікайся сторонніми справами.

111

виготовлення

виробів

• Дослідження властивостей конструкційних матеріалів.

• Виконання економічних

підрахунків для визначення вартості матеріалів.

• Обґрунтування здійсненого вибору конструкційного

матеріалу Деревина

• Визначення необхідних інструментів і пристосувань для здійснення розмічання (лінійка, кутник, олівець).

• Набування вмінь користуватися інструментами для розмічання (кутником).

• Здійснення розмічання

• Визначення необхідних обробних операцій (пиляння, стругання).

• Вивчення будови

інструментів

(ножівка, рубанок).

• Набування вмінь безпечно користуватися інструментами.

• Пошук надійного

способу

з’єднання деталей виробу.

• Виконання запланованих операцій

• Дослідження видів опорядження виробів із деревини.

• Вибір опорядження для виробу (покриття виробу лаком).

• Здійснення опорядження з дотриманням правил безпеки

• Випробування виробу в умовах експлуатації.

• Визначення недоліків виготовленого виробу.

• Аналіз помилок, яких припустилися під час виготовлення виробу.

• Усунення недоліків виробу.

• Самооцінювання результату діяльності з виготовлення виробу

Стелаж для квітів

112
Спрощена схема технологічного процесу
Вибір конструкційного матеріалу
Розмічання
Виконання обробних операцій
Опорядження виробу
Випробування готового виробу

1. З чого складається дизайн-проєкт?

2. Що таке технологічний процес?

3. Для чого розробляють технологічну карту?

4. Яка мета здійснення розмічання?

5. Які інструменти використовують для розмічання заготовок з деревини; з металу?

6. Що таке припуск на обробку?

7. Як здійснюють з’єднання деталей виробу?

8. Запропонуй алгоритм вибору інструментів для розмічання.

9. Порадь способи перевірки надійності з’єднання деталей виробу.

10. Обґрунтуй доцільність використання шаблонів для розмічання.

Твоя проєктна діяльність

Теми дослідницьких, інформаційних, пошукових проєктів

1. Технологічні карти виробів: моя колекція.

2. Дослідження ефективності використання різних інструментів для розмічання.

3. Пошук надійного способу з’єднання деталей виробу.

4. Дослідження прийомів користування кутником.

5. Пошук сучасних інструментів для виготовлення запланованого виробу.

113 Артгалерея
Вільям Хемслі. «Юний ляльковий майстер». 1890 Ернст Шмітц. «У майстерні». 1895 Перевір себе та поміркуй

13. Повторне

використання, перероблення

та ремонт

виробів

Що таке відповідальне споживання й у чому його значення?

Які способи оброблення й перероблення матеріалів і речей тобі

відомі?

Що таке ресайклінг?

Як відомо, сьогодні наша планета потерпає від переспоживання та надмірної кількості сміття, що призводить до екологічних катастроф. Один з напрямків її порятунку має назву Zero Waste («зеро вейст», або «нуль відходів»).

Zero Waste («нуль відходів») — це рух за збереження всіх ресурсів шляхом відповідального виробництва, споживання, повторного використання й відновлення всіх предметів, паковання та матеріалів.

Основний принцип цього руху: нічого з того, що

небезпечно для довкілля чи здоров’я людини, не має бути

спалено, закопано, скинуто у воду чи викинуто в атмосферу.

Сторінками історії

● Громадський рух за зменшення кількості сміття на нашій планеті, однією з цілей якого було багаторазове використання речей і продуктів, виник у США

ще в 1970-х рр. Саме тоді хімік Пол Палмер заснував Інститут нульових відходів.

● Однак ідея нульових відходів набула популярності лише в 2008 році, коли Беа Джонсон з Каліфорнії опублікувала у своєму блозі повідомлення, що її сім’я з 4-х осіб залишила тільки одну літрову банку сміття за цілий рік.

Беа Джонсон

Теорія нульових відходів ґрунтується на п’яти принципах (5 R), яких варто дотримуватися в житті.

1. Refuse (відмовся) – стеж за тим, щоб не приносити додому зайве сміття, тобто предмети, які швидко викидають, наприклад листівки, одноразове паковання тощо.

2. Reduce (скороти) – купуй лише те, що потрібно, скороти споживання.

114

3. Reuse (використовуй повторно) – замінюй одноразові пакети торбинками багаторазового використання, а для вживаних речей знайди можливість повторного застосування, тобто подаруй їм нове життя.

4. Recycle (переробляй) – зменшуй споживання природних ресурсів і кількість відходів, зокрема сортуй сміття для його подальшого перероблення.

5. Rot (компостуй) – переробляй харчові, рослинні та інші кухонні відходи на цінні, повністю екологічні добрива.

Створено в Україні

● Школярка Катерина Малкіна з Маріуполя зробила винахід, який полягає в тому, щоб за допомогою певного виду личинок жуків переробляти поліетилен. Уперше цей ефективний спосіб утилізації пластикових відходів дівчина представила в 14-річному віці на олімпіаді з біології в Нідерландах у 2016 році. Як показали дослідження, 100 личинок за день можуть з’їсти й перетравити 1,7 г поліетилену (а в природі перероблення одного пакета триває понад 100 років). Зі своїм проєктом Катерина перемогла на Міжнародній учнівській олімпіаді з екології в Бразилії та у 2018 р. завоювала золоту медаль на «Олімпіаді геніїв» у США.

● Перейнявшись проблемами екології та, зокрема, масштабами вирубування лісів, 17-річний український школяр Валентин Фречка винайшов спосіб виготовлення паперу (а отже, і паперових стаканів, тарілок, пакетів) не з деревини, а з опалого листя. Першою лабораторією була кухня його рідної домівки в селі Сокирниця на Закарпатті, де сушаркою слугувала духовка. У 2018 р. проєкт Фречки здобув першість на міжнародній «Олімпіаді геніїв» у США. За три роки хлопець довів технологію до ладу й навчився виготовляти папір із листя тоннами. А в травні 2021 року його бренд Re-Leaf Paper розпочав продажі.

Дехто додає до правила 5 R ще кілька «R» із важливими значеннями, а саме:

Repair (ремонтуй) – перш ніж викинути річ, спробуй її відремонтувати.

Remember (пам’ятай) – про те, як твої дії впливають на

довкілля.

Rethink (переосмислюй) – подумай про свій нинішній спосіб життя і про те, щоб його змінити.

115

Українською цей принцип життя без сміття можна пе-

рекласти як «5 С»: 1) скажи «ні» (зайвому сміттю); 2) скорочуй споживання; 3) скористайся повторно; 4) сортуй та утилізуй; 5) сумлінно компостуй.

Створено в Україні

Zero Waste Alliance Ukraine — це об’єднання організацій та активістів України, які працюють над розв’язанням проблеми відходів в Україні. До складу спілки входять шість організацій: зі Львова, Харкова, Києва, Маріуполя, Луцька і Херсона:

Логотипи організацій-учасниць Zero Waste Alliance Ukraine

Технології оброблення й перероблення

вторинних матеріалів для створення нових виробів

Існує чимало способів позбутися старих або непотрібних

речей, не викидаючи їх на смітник, а даючи їм «друге життя».

Загалом є три шляхи:

 фрісайклінг – віддати (безкоштовно, на благодійність);

 ресайклінг – переробити;

 апсайклінг – креативно перетворити.

Перлини мудрості

Довкілля — це ми з вами.

Чарлз Панаті, американський учений-фізик і літератор

116

Новітні досягнення науки, техніки та технології

Іспанська компанія La Hormiga Verde ремонтує старі телевізори, комп’ютери та мобільні телефони, копіювальні апарати, мікрохвильові печі, акумулятори тощо, розбирає їх на компоненти для перепродажу та створює з їхніх відходів меблі.

Працівники компанії розбирають стару електроніку за допомогою ручних інструментів і спеціалізованого механічного обладнання, щодня отримуючи з неї близько 1000 кілограмів пластику й заліза та близько

300 кг міді.

Потім ці матеріали перетворюють на нові вироби, наприклад виготовляють столи з меленого пластику, табурети з перероблених деталей

пральних машин і квіткові горщики з кабелів.

Комп’ютерну техніку в хорошому стані відновлюють, створюючи «соціальні комп’ютери», які продають за невисоку ціну некомерційним

установам або людям із низькими доходами. Вінтажні та рідкісні речі виставляють на продаж.

Дізнайся більше онлайн

Перейди за покликанням https://cutt.ly/66skZ2u або QR-кодом і переглянь відео про львів’янина Івана Нестеренка, який виготовляє креативні вироби зі сміття. Друге життя старим речам Екологічний спосіб життя сьогодні стає однією з провідних ідей. І хоч він ще не досяг всесвітнього масштабу, хочеться вірити, що це лише справа часу. Адже, з огляду на сумний стан екології нашої планети загалом і кожної країни зокрема, зрозуміло, що це не просто модне віяння, а гостра потреба.

Тому саме в наш час виникло таке поняття, як апсайклінг, що покликаний не лише рятувати світ від завалів сміття, а й давати можливість громадянам планети Земля виявляти свої творчі здібності. До того ж, це чудовий спосіб економії коштів.

Перлини мудрості

Якщо ми не збережемо цю планету життєздатною, усе інше буде марним.

Вікторія Прінсіпал, американська акторка

117

Це цікаво

Словом 2019 року, тобто одним з найчастіше використовуваних, за версією Кембриджського словника стало «апсайклінг». Кількість запитів цього слова на сайті словника збільшилась на 181 % з грудня 2011 року, коли його було додано.

З англійської мови слово «аспсайклінг» (upcycling) перекладається як «вторинне використання», «переробка», «друге життя речей». Отже, це й ремесло, і творчий про-

цес, і хобі, й оригінальний спосіб перероблення непотребу, у результаті якого з’являються нові та корисні в повсякденному побуті речі.

Це цікаво Британська дизайнерка Бріджід Оестерлінг виготовляє модний і незвичайний одяг зі старих велосипедних шин, таким чином розв’язуючи проблему утилізації велосипедного сміття. Вона створила з велосипедної гуми (утім, у хід пішли й проколоті шини мотоциклів та автомобілів, а також папір і пластик) колекцію одягу, який складно відрізнити від шкіряного. Починала дизайнерка з виробництва сумок та аксесуарів. Усі її колекції спрямовані на зменшення кількості сміття на нашій планеті та виховання відповідального ставлення до споживання. На думку Бріджід, будь-який аксесуар або предмет одягу — це спосіб не просто самовираження особистості, а й порятунку природи. Американська художниця та екодизайнерка Кетлін Новак Туччі виготовила з велосипедних шин колекцію ефектних браслетів, поясів, каблучок, намист, сережок і сумочок. Дизайнерка каже, що її незвичайні вироби змушують людей замислитися про екологічну ситуацію на планеті. Гума привабила художницю своєю гнучкістю та пластичністю. Кетлін вирізує окремі елементи — трикутники, кола, квадрати або квіти, а потім робить із них прикраси.

Вироби Бріджід Оестерлінг

Вироби Кетлін Новак Туччі

118

Не дивно, що цей метод виник у Німеччині – країні, чиї мешканці

вирізняються раціональністю

та економністю. Ще на початку 1990-х рр. там зрозуміли, наскільки

корисно й вигідно використовувати повторно доволі дорогі речі та матеріали, що вийшли з ужитку. Таку практику

почали активно застосовувати не лише серед простого люду, а й на державному та комерційному рівнях, де для цього створюють цілі проєкти. Наприклад, щодо повторного

використання ретельно відсортованих матеріалів, які зали-

шилися від знесених старих будівель.

Артгалерея

У своїй роботі французький художник Бернар Прас застосовує

техніку «анаморфоз» — приклеювання предметів на полотно, щоб надати роботі об’ємності. Для своїх творів Прас використовує лише знайдені серед сміття предмети — від туалетного паперу до банок з-під лимонаду та пір’я, часто надаючи нового тлумачення відомим картинам.

«Велика хвиля в Канагаві» Кацусіки Хокусая та твір Бернара Праса

Застосовуючи техніку під назвою «акриловий мозаїчний сплав», мисткиня Санді Шимель Голд зі США перетворює макулатуру (старі листівки, календарі, рекламні буклети) на твори мистецтва. Голд збирає папір, який більшість людей викидає, та створює з нього мозаїчні портрети, таким чином привертаючи увагу до екологічних проблем.

119
Картини Санді Шимель Голд

Виготовлена з вторинної сировини продукція є

екологічно чистою, а також допомагає значно скоротити кількість відходів. Наприклад, англійці підрахували, що

завдяки такому диво-методу їм вдається розв’язувати

проблему знищення майже 200 мільйонів тонн сміття на

рік без шкоди для екології.

Створено в Україні

Екоактивіст Євген Хлєбніков створив в Одесі лабораторію

«Коштовний пластик». За розробленою в ній технологією з пластикових відходів виготовляють та успішно впроваджують в ужиток тротуарну плитку, лави для відпочинку, кровоспинні турнікети тощо.

Матеріали, що використовують в апсайклінгу, можуть

бути різні. Це і деревина, і пластик, і скло, і тканина, і гума, і картон та папір – загалом, усе, з чого складається навколишній побутовий світ.

Угорський дизайнер Захарі Вініласки робить сумки з мішків для

перевезення та зберігання кави. Міцні та зручні як для поїздок, так і для прогулянок містом, вони повністю виготовлені з вторинної сировини.

Сумки Захарі Вініласки

діяльність, а не виробничий процес на підприємстві. А отже, як особливий вид творчості він корисний не лише для екології та економії, а й для самовираження людини. Тому апсайклінг – це ще й заняття для душі.

Апсайклінг – це креативна

Напрямки апсайклінгу

Інтер’єр. Умілі руки здатні не лише створити унікаль-

ний інтер’єр та предмети меблів за допомогою викорис-

таних і вже непотрібних речей та матеріалів, а й споруджувати з них цілі будинки. А щодо меблів, то можна лише дивуватися з того, які шедеври здатна створювати багата фантазія та майстерність.

120
Це цікаво
121 Рис
2.8.
з пластикових ящиків Рис. 2.9. Дивани із залізних баків та автомобільних шин Рис. 2.10. Меблі з дерев’яних піддонів Ідеї апсайклінгу стануть у пригоді й у тих випадках, коли меблі потребують лише дрібного ремонту.
.
Меблі

Ідеї для натхнення та втілення

Як відремонтувати оббивку на м’яких меблях

Якщо оббивка на дивані чи кріслі закошлатилася чи потерлася в деяких місцях, можна оновити її вигляд за допомогою власноруч вив’язаних

гачком чи на спицях елементів або використати вже готові старі серветки тощо.

Ти можеш проявити фантазію та застосувати й інші техніки декоративно-ужиткового мистецтва, зокрема мереживоплетіння та вишивку.

122

Одяг і взуття. Сьогодні у світі та в Україні існує чимало модних брендів, що створюють одяг і взуття за методом апсайклінгу, переробляючи вживані речі.

Ти теж можеш здійснювати дрібний ремонт або перероблення улюблених речей, продовжуючи їхнє життя.

Ідеї для натхнення та втілення Як залатати джинси на колінах

Коліна — одне зі «слабких» місць на джинсах. Спробувати врятувати

порвану річ можна за допомогою латок. У сучасній моді вони слугують

прикрасою одягу, способом урізноманітнити

звичні речі та самовиразитися їх господареві.

Латки можуть бути яскравими, блискучими, з нерівними краями. Для них підійде тканина з кумедними малюнками, орнаментом або яскравого кольору. З однотонної матерії можна

вирізати квіточки, зірочки чи зображення героїв мультфільмів.

Найпростіший варіант залатати джинси — узяти обрізки такої ж або схожої за відтінком тканини.

Послідовність

виконання роботи

Зі шматочка джинсової тканини вирізаємо квадрати. Можна

однакового розміру, можна –різного. Головне – разом латки мають закривати дірки.

З усіх боків робимо бахрому

завдовжки близько 1 см, висмикуючи по одній нитці від куточка.

Розміщуємо квадратики на

пошкоджених місцях.

Приколюємо кравецькими

шпильками. Розташувати їх можна симетрично чи в

довільному порядку.

123
1. 2. 3.

4.

5.

Ідеї для натхнення та втілення

Пришиваємо. У дитячих

джинсів штанки дуже вузькі. Зробити шов на швейній машині вдасться, тільки розпоровши бічні шви. Щоб цього не робити, шиємо вручну (швом «уперед голку» чи швом «назад голку»).

У результаті штанці мають не гірший, а навіть цікавіший вигляд, ніж у початковому варіанті.

Декор. Особливо активно апсайклінг використовують у

вінтажному стилі, який зараз на піку популярності, – починаючи від прикрас та закінчуючи предметами інтер’єру. Це і скриньки, і браслети, і вазони, і світильники, і всілякі милі дрібнички, які здатні перетворити будь-який нудний і звичайний інтер’єр спальні чи зали в покої з особливою, вишуканою та затишною атмосферою.

124
Рис. 2.11. Вироби з пластикових пляшок Рис. 2.12. Вироби зі старих журналів
125
Рис. 2.13. Вироби зі старих джинсів Рис. 2.14. Вироби із CD-дисків

Ідеї для натхнення та втілення

Виготовлення декоративного підхоплювача для штор із CD-дисків

126

Це цікаво

Виготовлення моделей з гофрокартону — захопливе заняття, що дає змогу людям виявити власні креативні та інженерні навички, створюючи предмети дивовижної конструкції та форми. На відміну від скла або пластику, гофрокартон абсолютно безпечний у використанні, а також моделювання з нього допомагає скоротити загальний обсяг побутових відходів. Японська майстриня Монамі Оно виготовила кілька десятків моделей роботів, автомобілів і різноманітної військової техніки, що є майже точними копіями реальних об’єктів.

Монамі Оно та її моделі

Вішалки з виделок, люстри зі скляних пляшок, підставки під гаряче або килимки для взуття з пляшкових корків, підставки для тарілок з вішаків, дзеркала з бадмінтонних ракеток тощо – усе це можна виготовити власноруч.

Рис. 2.15. Друге життя старих речей

До того ж в апсайклінгу залюбки застосовують різні техніки та технології декоративно-ужиткового мистецтва. Отже, він має безліч переваг: користь для екології, економічність і чудові можливості для творчої діяльності. Тож не дивно, що цей напрям швидко набирає популярності як за кордоном, так і в Україні.

127
128 Ідеї для натхнення та втілення Виготовлення рами для дзеркала з картонних втулок від рулонів туалетного паперу

Ідеї для натхнення та втілення

Із таких же елементів із картонних втулок для рулонів туалетного

паперу ти можеш виготовити різноманітні

прикрасять стіни твоєї оселі в будні та свята.

декоративні панно, які

Перлини мудрості

Усі технології починаються з іскор у чиїйсь голові.

Натан Мірвольд, генеральний директор Intellectual Ventures

129

Артгалерея

Художниця та екоактивістка з Києва Аліна Копиця захоплюється

апсайклінгом і з 14 років виготовляє колажі-мозаїки зі старих глянцевих журналів, клаптиків тканини, пластикових пляшок, картону тощо.

Роботи Аліни Копиці

Чернівецький художник-абстракціоніст Андрій Пілат створює картини з пластикових відходів. Матеріал для фарб він збирає на смітниках, а згодом переплавляє його за допомогою праски та фену.

Андрій Пілат. «Номер 1». 2019

Андрій Пілат. «Номер 2». 2019

Перевір себе та поміркуй

1. Чому потрібно переробляти вторинні матеріали?

2. Як саме можна це робити?

3. У який спосіб можна дати друге життя старим речам?

4. Які напрямки апсайклінгу існують у світі й Україні?

5. Обґрунтуй, чому, перш ніж викинути річ, потрібно спробувати її відремонтувати.

6. Запропонуй, як організувати фрісайклінг.

7. Склади перелік матеріалів для апсайклінгу.

Твоя проєктна діяльність Теми дослідницьких, інформаційних, пошукових проєктів

1. Перероблення сміття у світі й в Україні.

2. Де можна здати вторинні матеріали на перероблення в моїй місцевості.

3. Українські бренди, що займаються апсайклінгом.

4. Ідеї виготовлення інтер’єрних виробів зі старих речей.

130

Ідеї для натхнення та втілення

Банк ідей виготовлення виробів для оселі з уживаних речей (за методом апсайклінгу) Килимки Штори

Декоративні подушки

131

14. Традиційні види, техніки та технології

декоративно-ужиткового

мистецтва України

Що таке декоративно-ужиткове мистецтво?

Які види та техніки декоративно-ужиткового мистецтва

світу тобі відомі?

народів

Декоративно-ужиткове мистецтво України тісно пов’язане зі способом життя, побутом, звичаями, традиціями, етнонаціональними особливостями, світоглядними уявленнями та смаками народів, які живуть у ній.

Дізнайся більше онлайн

Перейди за покликанням https://cutt.ly/A6smf7n або

QR-кодом і відвідай Віртуальний музей нематеріальної культурної спадщини України.

Вишивання, або вишивка – один з найпоширеніших і

найпопулярніших у світі та в Україні видів народного декоративно-ужиткового мистецтва, що здавна існувало як традиційне домашнє виготовлення вишитих виробів та як їх виробництво в цехах і майстернях.

Сторінками історії

● Уродженець Тернопільщини Ю ліан Данькевич в образах іконостасу храму Святого пророка Іллі в с. Боршів на Перемишлянщині (кінець ХІХ ст.) уперше зобразив Ісуса Христа, Богородицю та апостолів в українських вишиванках.

● Леся Українка, як і її мати Олена Пчілка, усе життя захоплювалася вишиванням, яке опановувала з 5 років. У 9 років вона вишила свою першу сорочку — для батька.

● Моду на вишиту сорочку в поєднанні з європейським костюмом започаткував Іван Франко, який любив одягати вишиванки й у будні, й у свята. Саме в такому вигляді його можна побачити на 20-гривневій купюрі.

● З 2006 року в третій четвер травня відзначають Всесвітній день вишиванки. Цього дня кожен охочий може долучитися до святкування, одягнувши вишите вбрання на роботу, до університету, школи чи садочка. Наразі географія свята охоплює близько 60 країн.

132

Раніше вишиванням займалося

переважно жіноцтво

: традиції цього рукоділля матері

передавали своїм дочкам, а бабусі – онукам. Зараз вишивають не лише жінки, а й чоловіки.

Артгалерея

Іван Гончар «Вишивала милому сорочку». 1972

Микола Пимоненко «У затінку». Кінець 1800-х

Для народної вишивки різних

Іван Гончар «Молодиця-вишивальниця». 1975

характерні свої техніки виконання та візерунки, а також сталі колірні поєднання. Це графічні чорні або червоночорні орнаменти (Поділля), ажурне наскрізне шиття «білим по білому» (Полтавщина, Чернігівщина), декоративні дрібновізерункові композиції (Київщина), багатобарвні та насичені складними геометричними елементами візерунки (Карпати і Прикарпаття), подібні до тканих червоноколірні геометричні орнаменти (Полісся) тощо.

Розробляючи орнаменти для вишивки, люди передусім звертали увагу на природу, але не просто копіювали її, а використовували окремі елементи, спрощуючи їх та зберігаючи найхарактерніше. В українській народній вишивці

поширені рослинні, тваринні, геометричні, рослинногеометризовані та емблематичні орнаменти.

Перлини мудрості

Сила традицій і сила творчості в їх поєднанні — животворне

джерело всякої культури.

Петро Савицький, диякон УГКЦ, науковець, публіцист

133
місцевостей України

Серія поштових марок України «Українська вишивка — код нації»

Це цікаво

Чернігівська обл.

Тернопільська обл.

Рівненська обл.

Київщина

Полтавщина

Львівщина

Луганська обл.

Вінниччина

Волинська обл.

Чернівецька обл Дніпропетровська обл Черкаська обл

Дізнайся більше онлайн Перейди за покликанням https://cutt.ly/D6sllZ4 або QR-кодом і переглянь документальний фільм про українську вишиванку «Спадок нації» (режисер — Олександр Ткачук, авторка сценарію — Леся Воронюк).

134

У наш час дослідники налічують понад 200 старовинних швів на основі 20 технік вишивання (гладь, колосковий

шов, низь, вузлики, шнурочок, кручений шов

, вирізування

, виколювання, козлик, плетінка, мережка тощо).

Це цікаво

Пам’ятна монета Національного банку України, присвячена українській вишиванці (серія «Українська спадщина»)

Створено в Україні Українська вишивка надихнула дизайнера Ярослава Галанта створити унікальну колекцію меблів у національному стилі.

Майстер буквально вишив візерунки кольоровими нитками крізь тисячі отворів на меблях зі штучних і натуральних матеріалів. Колекції українського дизайнера неодноразово мали неабиякий успіх на міжнародних меблевих виставках.

Роботи Ярослава Галанта

Гаптування (золотошвейництво, золотне шитво) – різновид вишивки, вишивання шовковими й металевими (переважно золотими та срібними) нитками різного ґатунку.

135

Сторінками історії

● Оздоблений гаптуванням одяг можна побачити на давніх портретах української шляхти та храмових настінних розписах.

● Багато решток такого шитва знайдено під час археологічних розкопок

у Софіївському соборі в Києві, у Білогородці, Галичі, Шаргороді, Чернігові, Переяславі та інших містах України.

До Криму такий вид рукоділля прийшов із Візантії, а

туди це мистецтво потрапило через близькосхідні країни.

Пов’язане з традиціями Візантії та Близького Сходу, кримськотатарське гаптування в період XV—XVIII століть уважали одним з найкращих за технікою виконання.

Рис. 2.16. Кримськотатарське гаптування

Це стародавнє ремесло і зараз є сучасним, затребуваним і не має собі рівних за своєю декоративністю та багатофункціональністю. Штори, покривала, подушки, абажури, скатертини, сумки, панно, скриньки, костюми для бальних танців і театральних вистав тощо, прикрашені гаптуванням, отримують гідне визнання й викликають захоплення.

Перлини мудрості

Єдиний спосіб зробити щось дуже добре — любити те, що ти робиш.

Стів Джобс, американський винахідник і підприємець

136

Унікальний вид рукоділля — вишивку соломою, подібну до гаптування, — розвиває в наші дні родина митців з Кам’янця-Подільського. Кожна авторська робота Наталії Лашко, її чоловіка Володимира та сина Іллі — неповторний шедевр. Крім цієї родини з Хмельниччини, зараз в усьому світі є лише кілька майстрів, які опанували напівзникле

мистецтво вишивання соломою, наче золотою ниткою. Витвори родини Лашко експонують у США, Франції, Швейцарії, Канаді, Польщі, Ізраїлі, Нідерландах.

Наталія Лашко. Триптих «Грай, бандуро моя золотая». 2010

Вишивка

бісером (дрібними

скляними намистинками

різних форм і кольорів) відома з глибокої давнини. Цією технікою прикрашали одяг, вишивали картини із зображенням різних пейзажів, церков, ікон тощо. Використання бісеру та стеклярусу (видовженого бісеру) у вишиванні набуло популярності з XVIII ст. Як свідчить історія української вишивки, дрібними намистинками зі скла особливо полюбляли вишивати на Заході Україні. Кримські татари теж іноді вишивали бісером, який завозили з Ірану та Малої Азії.

Це цікаво

У 2012 році Світлана Долеско заснувала унікальний виставковомистецький проєкт «Бісер: Вчора. Сьогодні. Завтра», який демонструє на широкий загал творчість народних майстрів і майстринь, підтримує давні традиції бісерного мистецтва в Україні та формує нові засади в цьому напрямку. На щорічних всеукраїнських виставках проєкту представляють стародавні та сучасні вироби українського традиційного бісерного мистецтва.

137
Створено в Україні

У наш час вишивка бісером знову є популярною. Її використовують для оздоблення різноманітних

виробів

, що надає їм оригінального й ошатного вигляду. Неабияке поширення мають вишиті бісером картини із зображенням людей, квітів, птахів і тварин.

Бісероплетіння – створення з бісеру за допомогою ниток, волосіні або дроту художніх двовимірних (пласких) і

тривимірних (об’ємних) композицій.

Сторінками історії

● На території України бісер відомий від часів Київської Русі, але особливого поширення він набув у XVIII–ХІХ ст. ● Прикраси з бісеру вплітали в коси, носили їх на руках, шиї. В одних селах — лише заміжні жінки, в інших — і молодиці, і дівчата. Бісером оздоблювали чоловічі капелюхи, дівочі весільні головні убори та сукні. З нього також виготовляли сумочки, гаманці, картини, прикрашали ним меблі тощо.

Вироби з бісеру

Ґердани

Силянки

Кризи (кривульки)

Створено в Україні У 2017 р. в рамках виставки «Рукоділля: бізнес і хобі» в Харкові було представлено мистецький проєкт «Жіноча історія в бісері», мета якого — показати світові постаті визначних науковиць, художниць, правозахисниць та письменниць різних епох і континентів. Авторка ідеї та керівниця проєкту Марія Щербина символічно пов’язує історію з бісероплетінням, коли у велике полотно вплітаються неповторні людські долі. Тому кожен портрет було доповнено виробом-символом із бісеру, що передає індивідуальну історію та внесок певної особистості в розвиток людства.

До створення унікального бісерного панно долучилися 35 учасниць із різних країн світу: США, Канади, Бельгії, Великобританії, Німеччини, Швейцарії та України. Зараз цей витвір є частиною експозиції Музею жіночої історії (м. Харків).

138

Створено в Україні

Панно «Жіноча історія в бісері»

Лозоплетіння – плетіння з кори, лози та рогозу – в Україні набуло широкого розвитку в 2-й пол. XIX ст., коли з цих матеріалів почали виготовляти дорожні кошики та козуби, легкі дачні меблі, дитячі візочки, іграшки тощо.

Майстрів, що плели кошики, так і звали – кошикарі та кошикарки. Лозоплетінням і рогозоплетінням займалися як чоловіки, так і жінки.

Найдавніші пам’ятки українського плетіння походять з кінця XVIII — початку XIX ст. і зберігаються в музеях Києва, Львова, Ромнів та інших міст.

Артгалерея

Плетені вироби в акварелях Юрія Глоговського (1834)

Львівська міщанка Львівська кухарка Львівська круп’ярка Селянка з Винників

У сьогоденні

популярним також є плетіння з «паперової лози», тобто паперових трубочок, які можна зробити й із непотрібних газет і журналів. Так само цікаві та практичні

кошики можна виготовити з пластикових пляшок.

139

Ідеї для натхнення та втілення

Плетіння кошиків

із газетних та журнальних паперових трубочок

Виготовлення плетених кошиків із пластикових пляшок

140

Соломоплетіння, або соломкарство. В усіх куточках світу, зокрема й в Україні, народні

умільці

використовували для плетіння солому зернових культур, які вирощували в певній

місцевості.

У художніх

виробах

велике значення має інтенсивний переливчастий блиск і

різноманітне забарвлення

соломи. На думку майстрів, відтінків у неї близько сотні – від білого й жовто-лимонного до буро-жовтого та червоно-коричневого (це також відіграє

неабияку

роль в аплікаціях із цього матеріалу). Із соломи плели передусім головні убори, сумки-кошики тощо. Артгалерея

Архип Куїнджі

«Селянин-українець у солом’яному капелюсі». 1890–1895

Тетяна Голембієвська «Свято врожаю». 1966

Микола Пимоненко «Хлопець у солом’яному капелюсі».

1905–1907

Микола Пимоненко «Ідилія».

1908

Генрик Родаковський «Війт Микола». 1867

Микола Пимоненко «Не жартуй» (фрагмент). 1895

141

Різьбярство (різьблення

по дереву, сницарство) – один з видів

художньої обробки

деревини поряд із випилюванням, випалюванням і токарною справою. Археологічні роз-

копки та згадки літописів свідчать, що вже за часів Київської Русі широко побутували різноманітні дерев’яні вироби – миски, ложки, кухлі, бочки, оздоблені різьбленням. Сучасні витвори різьбярів чудово доповнюють і прикрашають будь-які інтер’єри.

Рис. 2.17. Семен Корпанюк Декоративна таріль. 1930-ті рр.

Ткацтво – технологічні

Рис. 2.18. Галина Олійник Декоративна таріль. 2010-ті рр.

процеси з виробництва ткани-

ни. Це прадавнє ремесло віддавна є частиною декоративноужиткового мистецтва, сувенірної промисловості тощо.

Сторінками історії Ткацтво на ручному верстаті відоме з

давніх часів. У Київській Русі й у середньовічній

Україні воно було одним з найважливіших ремесел. Наприкінці XVIII ст. з винайденням механічного ткацького верстата з’явилося машинне

ткацтво — попередник сучасного промислового виробництва тканин.

Традиційний ткацький верстат (реконструкція) з українського Полісся (експозиція Музею ткацтва Чернігівщини, смт Козелець)

Дізнайся більше онлайн

Перейди за покликанням https://cutt.ly/B6slArd або QR-кодом і переглянь відео про кролевецькі ткані рушники.

142

Це цікаво

Пам’ятна монета Національного банку України, присвячена ткацтву (серія «Народні промисли та ремесла України»)

– техніка створення килимів (виробів художнього ткацтва, які використовують для оздоблення

Килимарство

чи утеплення приміщень). Основною сировиною є вовна, бавовна та льон. Для здійснення цього процесу використовують ручний або машинний способи.

Тчуть килими лічильною («рахунковою»), гребінковою

(«кругляння») та ворсовою техніками.

У лівобережних, центральних і подекуди в західних областях України здавна виготовляли килими переважно з рослинним орнаментом.

Нині їх продовжують ткати на Полтавщині

та Київщині (зокрема в Решетилівці, Дігтярях, Нових Санжарах, Богуславі та інших осередках килимарства).

Це цікаво

Пам’ятна монета Національного банку України, присвячена решетилівському килимарству (серія «Українська спадщина»)

143
, Чернігівщині

Створено в Україні

Килим «Дерево життя», створений решетилівською майстринею

Надією Бабенко, з 1969 р. прикрашає блакитну залу штаб-квартири ООН у Нью-Йорку (США). Інший решетилівський килим — «Народжені рідною землею» майстра Леоніда Товстухи — з 2005 року прикрашає

залу Ради Європи в Страсбурзі (Франція).

Надія Бабенко.

Килим «Дерево життя»

Леонід Товстуха.

Килим «Народжені рідною землею»

Дізнайся більше онлайн Перейди за покликанням https://cutt.ly/O6svUMU або

QR-кодом і переглянь відео про сучасне відродження решетилівського килимарства.

Килими з геометричним орнаментом були найбільше поширені в західних областях України. У сьогоденні їх продовжують виготовляти на Гуцульщині.

Рис. 2.19. Гуцульські килими

144

Ворсова техніка лежить в основі таких різновидів

килимарства, як ліжникарство та коцарство.

Ліжникарство – домашнє виготовлення ліжників

(товстих вовняних виробів з об’ємною поверхнею і довгим пухнастим двостороннім ворсом) ручним способом, важлива галузь ткацтва.

Виготовлення ліжникових виробів

в Україні відоме з часів раннього Середньовіччя. До середини ХІХ ст. їх широко використовували в щоденному та святковому побуті майже в усіх регіонах України. Зараз ліжники виготовляють лише в окремих осередках Карпатського регіону (Гуцульщина, Бойківщина).

Рис. 2.20. Карпатські ліжники

Дізнайся більше онлайн

Перейди за покликанням https://cutt.ly/u6slBgb або

QR-кодом і переглянь відео про карпатське ліжникарство.

Створено в Україні

Майстриня із села Яворів на Косівщині Галина Томащук — ткаля в 5-му поколінні, засновниця бренду «Веретено» — створює сучасний верхній одяг і вироби для дому за старовинною технологією ліжникарства. Зістрижену з овець вовну запарюють гарячою водою та миють у холодній, сушать, добирають за відтінками, фарбують, розчісують. З випрядених ниток на стародавньому ткацькому верстаті виготовляють деталі виробів. Заключним етапом обробки є кількагодинне холодне валяння. У результаті тканина стає щільною та міцною, а пошитий із неї одяг — екологічним, теплим, зручним та ошатним.

145

Артгалерея

Василь

У центральних і східних областях України, зокрема на Слобожанщині, ворсовою технікою ткали на вертикальних верстатах так звані «коци», звідки й походить назва ще одного різновиду килимарства.

– виготовлення коців (вовняних килимів і покривал із ворсом до 10 см).

Сторінками історії

На Харківщині коцарство процвітало з кінця XVIII до середини ХІХ ст. завдяки поширенню вівчарства в краї. Харківські коци були яскравими (переважно використовували сині, червоні, білі та зелені кольори) і мали своєрідний геометричний малюнок з ромбів, який обрамляла одноколірна кайма. У другій половині ХІХ ст. коцарство почало занепадати. Розвиток промисловості знищив степ, де паслися вівці, та замінив саморобні ткані вироби фабричними. До 1902 року коцарський промисел у Харкові припинив своє існування.

У наш час відбувається відродження цього виду декоративно-ужиткового мистецтва. З 2018 року традиційне коцарство входить до переліку елементів нематеріальної культурної спадщини Харківської

області. На честь нього одна з вулиць м. Харкова має назву Коцарської.

Дізнайся більше онлайн Перейди за покликанням https://cutt.ly/56szsnX або QR-кодом і переглянь відео про харківське коцарство.

146
Тропінін. «Пряля». 1820 Олег Шупляк. «Над рідною землею». 2015
Коцарство

Кушнірство – традиційне

шкіри

з хутром і пошитті з неї різного

українське ремесло, яке полягало у вичинці

одягу – кожухів, кептарів, шапок тощо.

Рис. 2.21. Вироби кушнірства

Це цікаво

Пам’ятна монета Національного банку України, присвячена кушнірству (серія «Народні промисли та ремесла України»)

Створено в Україні

Майстер народного кушнірства із села Корнич, що на Коломийщині, Михайло Вінтонюк реставрує старовинні кептарі та шиє за їх зразками нові. Разом із племінницею Надією Вінтонюк вони створили проєкт «Відродження», який популяризує декоративно-ужиткове мистецтво та традиційну культуру українців.

Одна з робіт, якою майстер пишається, — відреставрований 140-річний кептар із кінофільму «Тіні забутих предків».

Художнє кування або ковальство – обробка металевого виробу методом гарячого кування, що надає йому властивостей художнього витвору.

Перлини мудрості

Ми працю любимо, що в творчість перейшла.

Максим Рильський, український поет, перекладач, публіцист, науковець

147

Сторінками історії

Ковальство здавна відоме багатьом народам світу.

Холодне кування самородних золота, срібла, міді, заліза, а також метеоритного заліза було відоме в Єгипті та Передній Азії за кілька тисячоліть до нашої ери.

Гаряче кування з’явилося теж ще до нашої ери в Передній Азії, де люди навчилися видобувати мідь з руди.

До XV–XVI ст. сформувалися галузі ковальства з виготовлення:

 зброї (зброярство);

 інструментів і реманенту;

 замків, ключів та іншого хатнього й господарського (підкови для коней) начиння;

 художніх виробів.

Пам’ятна монета Національного банку України, присвячена ковальству (серія «Народні промисли та ремесла України»)

Поштова марка «Майстер-мідник»

із серії «Кримські татари — корінний

народ Криму — України»

Поштова марка «Коваль»

із серії «Національні меншини в Україні. Роми»

148
Це цікаво

Створено в Україні

Щороку в різних місцевостях України проходять тематичні фестивалі з метою продемонструвати все багатство та унікальність виробів, які створюють майстри ковальства. Найвідоміші з них: «Гамора» (с. Лисичово, Закарпатська обл.), «Вакула-фест» (с. Опішня, Полтавська обл.), «Металеве серце України» (м. Рівне), «KOVAL FEST» (м. Дніпро), «Свято ковалів» (м. Івано-Франківськ).

Колективні витвори учасників фестивалю «Свято ковалів» у Івано-Франківську

Це цікаво

Хоч традиційно ковальство вважають чоловічою справою, у світі та в Україні є жінки, які залюбки й цілком успішно опановують це ремесло. Серед них — киянка Марія Макарова, Оксана Мазурець з Рівненщини та інші.

Оксана Мазурець на ковальському фестивалі в м Дніпрі

Перлини мудрості

Життя нічого не дає без праці.

Квінт Горацій Флакк, давньоримський поет

149

Гутництво або склярство – виготовлення скла та виробів з нього – значного розвитку набуло ще за часів Київської Русі. Регіонами найбільшого поширення в

Україні

були

Чернігівське, Київське і Волинське Полісся, оскільки для виготовлення скла потрібний поташ, який отримували, спалюючи деревину, а також пісок, крейда і вапно, що залягали на цій території.

Сторінками історії

Починаючи з XVI ст., на Поліссі, а також Слобожанщині, Поділлі, Буковині, Галичині з’явилося чимало невеликих підприємств — гут, де виробляли скло. Ремісники-склодуви (гутники) виготовляли різноманітні вироби з «простого» та кольорового скла (пляшки, баклаги, стакани, тарелі й тарілки, вази тощо), а також кришталь, віконне й лампове скло.

Виплавляли скло в спеціальних печах, що мали кілька

вогнетривких ємностей – донниць. Деякі вироби, особливо

фігурний посуд у вигляді тварин, рослин тощо, розписували олійними фарбами.

Рис. 2.22. Українське гутне скло

Це цікаво

Пам’ятна монета Національного банку України, присвячена гутництву (серія «Народні промисли та ремесла України»)

150

Артгалерея

Беда Стєрншанц. «Склодуви».

1900 Едгар Селігман. «Склярі-гравери».

1921

– виготовлення керамічних виробів із гончарної глини. Це давнє ремесло багатьох народів світу

Гончарство

належить до традиційних українських ремесел, видів господарської діяльності та мистецької культури українців.

Це цікаво

Пам’ятна монета Національного банку України, присвячена гончарству (серія «Народні промисли та ремесла України»)

виробляли посуд для приготування, зберігання й подавання на стіл різних страв – горщики, миски й полумиски, глечики, макітри, гладишки, барильця, довжанки, баньки, куманці. Серед їхніх виробів також були предмети декоративного посуду, кахлі, черепиця, цегла, дитячі іграшки, сувеніри тощо.

Українські гончарі

151

Сторінками історії

На території України появу гончарства археологи датують VI –початком IV тисячоліття до н. е. Неолітичний посуд виготовляли ліпним або слабо випаленим способом. У часи мідної доби значного розвитку набула трипільська кераміка, поширена в лісостеповій та степовій зонах Правобережної України. Від I тис. до н. е. до початку I тис. н. е. на степовій і лісостеповій територіях України та на Північному Причорномор’ї існувало високорозвинуте гончарське мистецтво численних племен — кіммерійців, скіфів, сарматів. Вони виготовляли різноманітний посуд, який ліпили вручну, оздоблюючи орнаментом.

Розквіту гончарства в Україні сприяла наявність у

надрах покладів високоякісних червоних, червоно-бурих і світло-сірих глин, що й зумовило виникнення значних осередків

керамічного виробництва

Артгалерея

Тетяна Яблонська. «Гончар». 1964

Тетяна Голембієвська. «Українські куманці». 1960

Віктор Зарецький. «Косівський гончар». 1975

Іван Гончар. «Біля мисника». 1975

Віктор Зарецький. «Святковий сувенір». 1977

Ласло Гайду. «Гончар». 1998

152
її
.

Вироби різних гончарських центрів в Україні мали спільні риси, але водночас і свої особливості. Зокрема, опішнянський посуд вирізнявся тонкостінністю та двотриколірним розписом із кривульок, рисочок, крапочок та рослинних елементів. Опішня славилася також глиняною

декоративною скульптурою та дитячою іграшкою.

Рис. 2.23. Опішнянська кераміка

Дізнайся більше онлайн

Перейди за покликанням https://cutt.ly/b6szn6B або

QR-кодом і переглянь відео про опішнянську кераміку від

Національного музею-заповідника українського гончарства в Опішному.

Для Волині характерна кераміка сірого, чорного, синьочорного кольорів, вироби з неї – сиваки – були декоровані різноманітними лініями, що утворювали своєрідні візерунки: сосонки, стовпчики, ялинки, клітинки. Подільська кераміка вирізнялася вогненно-червоним тлом та оригінальними орнаментами –

пишні квіти, гілки з плодами, грона винограду. Чернігівські майстри оздоблювали посуд особливою технікою бризок і патьоків. Майстри Косова створили високохудожню техніку розпису, кахлі оригінальної формі, свічники, розмальовані миски, глечики й чимало інших самобутніх виробів

Рис. 2.24. Косівська кераміка

153
.

Дізнайся більше онлайн

Перейди за покликанням https://cutt.ly/06szKhg або

QR-кодом і переглянь відео про косівську кераміку.

Це цікаво

Пам’ятна монета Національного банку України, присвячена розпису косівської кераміки (серія «Народні промисли та ремесла України»)

Цікавим різновидом

є так звана чорнодимлена (чорнолощена, чорна, сива, задимлена, закурена) кераміка, випалена за спеціальною технологією – без доступу повітря.

Одним з найвідоміших осередків її створення в Україні є село Гавареччина на Львівщині.

Рис. 2.25. Гаварецька чорнодимлена кераміка

Дізнайся більше онлайн

Перейди за покликанням https://cutt.ly/p6sz9py або QR-кодом і переглянь відео про гаварецьку кераміку.

154

Створено в Україні

Кримськотатарський кераміст Рустем Скибін активно збирає, аналізує та відновлює технології виробництва різних форм традиційної

побутової гончарної кераміки, а також навчає цього інших. На основі

орнаментів кримськотатарської вишивки він розробив власний стиль

розпису керамічних виробів, що продовжує традиції народу киримли.

Митець створив серію унікальних тарелів із вишуканими каліграфічними та орнаментальними композиціями, які є його основними виробами. Він також виготовляє керамічні світильники, фонтани, музичні інструменти, декоративні панно тощо. Його роботи популярні не лише на батьківщині митця, а й за межами Криму та України.

Керамічні вироби Рустема Скибіна

Декоративний розпис – спосіб оздоблення ззовні та зсередини споруд, а також творів декоративно-ужиткового мистецтва. Протягом

століть в Україні формувалися місцеві особливості декоративного розпису зі своєрідною образною стилістикою.

Петриківський розпис, або петриківка – українське декоративно-орнаментальне народне малярство, яке сформувалося в селищі Петриківка Дніпропетровської області, звідки й походить назва цього виду мистецтва.

Окремі речі з візерунками в стилі петриківського розпису збереглися ще з XVIII ст. Однак у сучасному розумінні цей різновид декоративно-ужиткової творчості сформувався в кінці XIX — на початку XX ст. У 2013 р. петриківський розпис було включено до списку нематеріальної культурної

спадщини людства ЮНЕСКО.

155

Поштові марки України

на честь майстрині петриківського розпису Тетяни Пати. 2000 р

Поштова марка «Петриківський розпис». 2010 р

Дізнайся більше онлайн

Перейди за покликанням https://cutt.ly/n6sxuyv або

QR-кодом і переглянь відео про петриківський розпис.

Пам’ятна монета Національного банку України, присвячена петриківському розпису (серія «Українська спадщина»)

Самчиківський розпис, або самчиківка – різновид українського декоративно-ужиткового мистецтва, переважно сюжетний, який виконують великим зубчастим малюнком, схожим на гобеленовий.

У південно-східній Волині, на межі з Поділлям, хати

здавна були розмальовані рослинними візерунками, які

156 Це цікаво
Це цікаво

вважали оберегами. Особливо славилися своїми розписами

хати в селі Самчики Старокостянтинівського району

Хмельницької області, де такі малюнки можна було

побачити на власні очі ще в 50-х роках минулого століття. Із часом традиція розпису майже зникла. У 60-х роках

XX

сторіччя самчиківський розпис почали відроджувати.

2019 року його включено до Національного переліку елементів нематеріальної культурної спадщини України.

Рис. 2.26. Віктор Раковський «Сива давнина»

Рис. 2.27. Вікторія Радочина «Дерево життя»

Дізнайся більше онлайн

Перейди за покликанням https://cutt.ly/86sxAWW або QR-кодом і переглянь відео про самчиківський розпис.

Миколаївський розпис – техніка декоративно-ужиткового малювання, поширена в селах Новомосковського району на Дніпропетровщині (Січеславщині). Свою назву вона отримала від села Миколаївка, але мала поширення й в інших довколишніх населених пунктах.

Барвисті квіти, соковиті ягоди, листя й галузки, нанесені впевненими мазками, на відміну від петриківських мальовок, яким притаманний

чорний чи білий фон, у миколаївському розписі розміщено на зеленому тлі.

157

а) б)

Рис. 2.28. Роботи художника Петра Журавля (а) та його дочки — художниці Анжели Лагоди (б)

Вибійка (вибиванка, набійка, друкованиця, мальованка, димка, синильниця) – це спосіб декорування текстилю, коли орнаменти й візерунки наносять на готову тканину за допомогою різьблених

дощок (форм, печаток, стемпів). Відмінність назв пов’язана з різними техніками вибивання узорів, періодами

виготовлення та поширенням в окремих регіонах України.

з Чернігівщини

Дізнайся більше онлайн

Перейди за покликанням https://cutt.ly/76sc1pR або

QR-кодом і переглянь відео про вибійку як давній спосіб декорування.

Перлини мудрості

Творцем може бути кожен, якщо в нього є те, що його надихає.

Платон, давньогрецький мислитель

158
Рис. 2.29. Вибійка на полотні . XVIII–ХІХ ст

Витинанка – один з видів українського народного мистецтва, сюжетні та орнаментальні

прикраси оселі, ажурно

або силуетно витяті ножицями або вирізані ножем з білого

та кольорового паперу.

Витинанка «Пташиний обід»

Витинанка «Дерево світу»

Це цікаво

З 2003 р. в м. Могильові-Подільському відкрито єдиний в Україні і другий у світі Музей витинанки. Тут представлено роботи з усіх областей України, а також різних країн світу.

Кожні три роки в місті проводять фестиваль «Українська витинанка».

А у 2011 році в Могильові-Подільському було встановлено пам’ятний знак «Українська витинанка», виконаний скульптором Миколою Крижанівським.

Створено в Україні

Львівська мисткиня Дарія Альошкіна створила витинанки на вікна з паперу, виготовленого з опалого листя. За її словами, технологія молодого винахідника Валентина Фречки доводить, що листя з парків, якщо його правильно переробляти, можна використовувати навіть для створення паперових фіранок.

159
Рис. 2.30. Тарас Крамаренко Рис. 2.31. Світлана Урбанська

Писанкарство – поширений у багатьох народів, зокрема українців, вид декоративного мистецтва – фарбування

та оздоблення великодніх

яєць (писанок, крашанок, крапанок, дряпанок тощо) із нанесенням орнаменту-малюнка різними техніками. Мусульмани розмальовують яйця до

весняного свята Навруз.

Артгалерея

Тетяна Яблонська

«Писанки». 1968

Олег Шупляк

«Неначе писанка, село». 2016

Це цікаво

Пам’ятник писанці

в м. Вегревіль (Канада)

Музей писанки в м. Коломия (Івано-Франківська обл.)

Пам’ятник писанці в с. Вижниця (Чернівецька обл.)

Монети «Традиційна українська писанка» Королівського монетного двору Канади

160

Дізнайся більше онлайн

Перейди за покликанням https://cutt.ly/06svws2 або

QR-кодом і переглянь відео про українське писанкарство.

Створено в Україні

2023 року митці творчого об’єднання Ponad створили писанки

з незвичного матеріалу — відстріляних і переплавлених гільз. Було

виготовлено писанки 5 видів, кожен з яких представляв тимчасово

окупований регіон України: Луганщину, Донеччину, Запорізьку область, Херсонщину та Крим. Вироби розіграли на аукціоні, а виручені кошти спрямували на закупівлю дронів для ЗСУ. Автори виробів — Рустем Скибін, Марія Кінович, Oly Saur, Сергій Мірчук та Roman Chizz.

Писанки з відстріляних гільз

Це цікаво

Пам’ятні монети Національного банку України, присвячені українській писанці (серія «Українська спадщина»)

161

У сьогоденні майстри і майстрині

найрізнома-

всього світу створюють та оздоблюють такі вироби за допомогою

нітніших технік декоративно-ужиткового мистецтва – аплікації, декупажу, вишивки, бісероплетіння тощо. Для цього використовують нитки, стрічки, шнур, джут, тасьму, мереживо, намистини та інші матеріали.

Рис. 2. 32. Яйця, оздоблені в різних техніках декоративно-ужиткового мистецтва

162

Іграшкарство – галузь українського народного мистецтва, вироби якої призначені для дитячої гри.

Традиційні українські іграшки

виготовляли з кераміки, деревини, тканини, лози, соломи, паперу, тіста, сиру тощо.

2.33. Яворівська дерев’яна забавка (Яворівський р-н, Львівська обл.)

іграшки з овечого сиру

Це цікаво

Пам’ятні монети Національного банку України, присвячені яворівській забавці (серія «Українська спадщина»)

Дізнайся більше онлайн

Перейди за покликанням https://cutt.ly/X6svx3M або QR-кодом і переглянь відео про українську дерев’яну іграшку.

163
Рис. Рис. 2.34. Прикарпатські

Глиняні іграшки – один із найстародавніших різновидів таких виробів. Традиційними для українського художнього ліплення є глиняні свистунці у формі птахів, тварин, вершників.

Рис

Створено в Україні

2020 року валківський свищик (від назви міста Валків Харківської області) включено до Національного переліку елементів нематеріальної культурної спадщини України.

Також в Україні збереглася характерна для Середньої Наддніпрянщини традиція виготовлення вузлових ляльок із тканини – «княгинь» (народна назва – ляльки-мотанки). Їх часто називають оберегами та створюють безликими або з хрестами на обличчях (хрест – стародавній сонячний символ). Мотанки виготовляють різними способами: скручуванням, скочуванням, змотуванням тощо, і кожен елемент такої ляльки має своє значення.

Це цікаво

Поштові марки України

із зображенням українських

народних іграшок

164
. 2.35. Українські глиняні іграшки

Оздоблення власного побуту

виробами декоративно-ужиткового мистецтва

Будь-який виріб, застосовуваний у побуті, має бути не лише практичним, а й естетичним – таким, що милує око.

Перетворити

вжиткову річ на витвір мистецтва допомагає декорування, тобто художнє оздоблення.

Декор — сукупність оздоблювальних елементів, які не мають

практичного призначення, однак виконують естетичну (художню) функцію.

Художнє оформлення сучасних виробів у фольклорному стилі здійснюють на основі традицій певного народу, зокрема українського. Для цього часто застосовують такі техніки і технології декоративно-ужиткового мистецтва, як аплікація, вишивка, витинанка, вибійка, традиційний

пис із застосуванням орнаментів рослинного або геометричного характеру тощо.

Рис.

2.36. Схеми оздоблення виробів вишивкою в українському стилі Однак сучасний декор відрізняється від історичних

зразків і технологією виконання, і візерунками, й оздоблювальними матеріалами. Адже сьогодні дизайнери намагаються поєднувати елементи традиційних технік народного мистецтва з новітніми технологіями та матеріалами.

Перлини мудрості

Найвище завдання будь-якої творчості — знайти незвичайне у

звичайному і звичайне — у фантастичному.

Дені Дідро, французький філософ та енциклопедист доби Просвітництва

165
роз

У виготовленні й оформленні сучасних етнічних виробів використовують різні тканини, натуральну та штучну шкіру, хутро, замшу, метал, деревину, пластик тощо.

Застосування декоративного оздоблення є вдалим лише тоді, коли воно сприяє створенню цілісного, гармонійного, оригінального та сучасного виробу.

Наскільки декор прикрасить витвір, значною мірою залежить від смаку та майстерності його виконавця чи виконавиці.

Перевір себе та поміркуй

1. Які види декоративно-ужиткового мистецтва України ти знаєш?

2. Назви основні технології та техніки, які в них використовують.

3. Які види та техніки декоративно-ужиткового мистецтва особливо популярні в наш час і з чим це пов’язано?

4. Назви основні осередки декоративно-ужиткового мистецтва в Україні та види виробів, якими вони славляться.

5. Проаналізуй сувенірну продукцію, доступну у твоїй місцевості, та визнач, які традиційні техніки та технології в ній застосовано.

6. Запропонуй техніки декоративно-ужиткового мистецтва, які, на твою думку, слід ретельно розглянути й опанувати на уроках технологій.

7. Склади перелік виробів декоративно-ужиткової творчості, які варто виготовити.

Твоя проєктна діяльність Теми дослідницьких, інформаційних, пошукових проєктів

1. Символіка кольорів у різних видах декоративно-ужиткового мистецтва.

2. Центри розвитку декоративно-ужиткового мистецтва України: історія і сучасність.

3. Види декоративно-ужиткового мистецтва мого краю.

4. Автентичні вироби українських майстрів народної творчості.

5. Вироби декоративно-ужиткової творчості в моїй оселі.

6. Застосування технік і технологій декоративно-ужиткової творчості в сучасному дизайні предметів інтер’єру.

7. Можливості поєднання різних технологій і технік декоративно-ужиткового мистецтва в одному виробі.

Перлини мудрості Кожен творець зобов'язаний виражати свій стан душі.

Сократ, давньогрецький філософ

166

для натхнення та втілення

Банк

ідей для

виготовлення виробів

у різних техніках декоративно-ужиткового мистецтва Вишиті вироби

Вироби з бісеру

167
Ідеї

для натхнення та втілення

Вироби в техніках ткацтва та килимарства Вироби з деревини, оздоблені

Вироби з кераміки та лози

168
Ідеї
різьбленням

Розділ 3. МІЙ ПОБУТ

Ти знатимеш:

• корисні для здоров’я елементи життєвого простору;

• види побутової техніки за функціональним призначенням та загальні принципи її роботи;

• різновиди мийних засобів та їхні властивості.

Ти

вмітимеш:

• визначати власні та чужі потреби

в організації побуту;

• облаштовувати або вдосконалювати власний життєвий простір з урахуванням своїх потреб

і потреб інших осіб;

• розрізняти основні види побутових приладів

і засобів побутової хімії та користуватися ними;

• дотримуватися встановлених вимог

до техніки безпеки під час експлуатації

технічних пристроїв та використання мийних засобів у побутових умовах.

Інтер’єр оселі

Що таке інтер’єр?

Які стилі інтер’єру та засоби їх створення ти знаєш?

Облаштовуючи своє житло, люди створюють власний світ, формують і впорядковують його простір.

Інтер’єр — це архітектурно й художньо оздоблена внутрішня частина будинку, що забезпечує комфорт людині та визначає функціональне призначення приміщення.

Від чого залежить інтер’єр оселі, її неповторність, самобутність? Насамперед від особливостей людей, які там живуть: їх кількості, віку, виду діяльності, уподобань тощо.

Домівка має об’єднувати своїх мешканців. Важливо, щоб

ній завжди було зручно та затишно.

Також на інтер’єр житла впливають:

 потреби людини;

 традиції суспільства;

 модні тенденції;

 умови будівництва.

Композиція інтер’єру — особливе розташування та співвідношення його складових частин: меблів, світильників, побутового обладнання тощо.

Основні властивості інтер’єру

Функціональні – ті, які сприяють нормальним умовам життя людей. Що раціональніше планування, то зручніше розставлено меблі та обладнання.

Гігієнічні – це забезпечення звукової ізоляції, повітрообміну, тепла та належної роботи санітарно-гігієнічного обладнання.

Естетичні – це гармонія речей і місця, цілісність та узгодженість. Також це розміщення речей у просторі, їх відповідність одна одній, озеленення.

Перлини мудрості

Простір, світло та порядок — це ті речі, які потрібні людям, як їм потрібен хліб або місце для сну.

Ле Корбюзьє, французький архітектор ХХ ст.

170
15.
у

Артгалерея

єри». 1980-ті – 1990-ті Освітлення житла

Природне – це світло неба (пряме, розсіяне, відбите), що проникає в приміщення крізь світлові отвори.

Штучне – створене за допомогою різноманітних світильників:

 загальне – заповнює світлом весь простір (люстра в центрі стелі);

 місцеве – освітлює одну функціональну зону або робочу площину (торшер, бра, настільна лампа);

 комбіноване – поєднує загальне та місцеве освітлення окремих зон;

 спрямоване – підкреслює якийсь елемент інтер’єру (картину, статуетку, квіти тощо) вузьким світловим потоком;

 акцентне – наголошує певний естетичний задум.

171
Вільям Ранкен. «Інтер’єри дизайнера Генрі Девіса Сліпера». 1928 Міта Корсіні Бленд. «Інтер’

Штучне освітлення може бути функціональним (задо-

вольняти практичні потреби) та декоративним (створювати певне враження від інтер’єру).

а) б) в)

г)

Рис. 3.1. Види світильників: а) підвісний (люстра); б) настінний (бра); в) настільний; г) вбудований у стелю

Новітні досягнення науки, техніки та технології

Французька дизайнерка Маталі Крассе любить експериментувати з формою та функціями предметів. Серед її робіт — трансформери, модульні та багатозадачні об’єкти. Із фрагментів «головоломки» складаються й світильники колекції Stick для італійської фірми Fabbian. Цікаво, що замість скла чи пластику для абажурів використано деревину.

Світильники-трансформери Маталі Крассе Перлини мудрості Освітлення здатне докорінним чином змінити атмосферу простору більше, ніж будь-який інший елемент дизайну. Бажаєте, щоб ваш дім відрізнявся від усіх інших? Шукайте індивідуальність інтер’єру в освітленні.

Келлі Хоппен, британська дизайнерка інтер’єрів

172

Оформлення

віконних і дверних отворів

Штори – завіси з тканин, що не просвічуються (бувають підйомними та розсувними).

Гардини – завіси на вікна з м’якої набивної або прозорої тканини, тюлю, мережива, сітки, які драпіруються (утворюють складки).

Портьєри – завіси на вікна або двері з щільної ткани-

ни. Їх використовують для ізоляції від світла й шуму та

оздоблення віконного або дверного отвору.

Жалюзі – ряд пластин, з’єднаних між собою так, щоб відкриватися, пропускаючи сонячне світло, і закриватися, ізолюючи приміщення від вулиці

е) є) ж) Рис. 3.2. Основні види штор: а) класичні прямі; б) схрещені; в) штори-кафе; г) штори з ламбрекенами; д) японські; е) австрійські; є) англійські; ж) римські

173
. а) б) в) г) д

Вільям Генріксен «Блакитний інтер’єр з вікном». 1950

Ян Вермер «Алегорія живопису». 1666–1668

Карен Холлінгсворт «Список читання на літо». 2005

Це цікаво

Зараз дуже популярні не лише тканинні, а й бамбукові, паперові

та дерев’яні штори. Це чудові варіанти для інтер’єрів в еко- та етностилях.

Бамбукові штори Паперові штори Дерев’яні штори

Оздоблення оселі

Загальну колірну гаму приміщення обирають залежно від його призначення, розмірів, освітленості та орієнтації

на сторони світу. Зайва строкатість рано чи пізно починає створювати дискомфорт.

Перлини мудрості

Дизайнер працює із суттю об’єкта, а не з кольором і формою.

Маталі Крассе, французька дизайнерка

174
Артгалерея

Артгалерея

1955

1920

Декоративні елементи, що прикрашають побут людини

Килими

Посуд

Квіти Картини

Усі матеріали мають бути екологічно чистими.

Вироби з тканини, деревини, кераміки тощо, особливо виготовлені вручну, надають інтер’єру неповторного характеру, створюють атмосферу затишку й тепла.

Зонування в інтер’єрі

Зонування — розділення простору на функціональні зони.

Функціональна зона — окрема ділянка приміщення, де відбуваються певні життєві процеси (сон, харчування, навчання, відпочинок).

Розрізняють дві основні функціональні зони: зону денної активності та зону сну й відпочинку. У міру можливості потрібно відокремлювати їх одну від одної.

175
Оскар Шутте «Інтер’єр замка Бігхольм». 1880 Джон Кох «Обідній стіл». Йозеф Шустер «Комод».

Приміщення дитячої кімнати зазвичай поділяють

навчальну й ігрову, а також відпочинкову зони.

оформлення

Рис. 3.4. Варіанти оформлення зони відпочинку в дитячій кімнаті

Рис. 3.5. Варіанти оформлення ігрової зони

Перлини мудрості

Обстановка в дитячому просторі має кричати: бери та роби! усе у твоїх руках! ти можеш змінити цей світ! Маталі Крассе, французька дизайнерка

176
на
Рис. 3.3. Варіанти навчальної зони

У 2006 році юна американка Сара Бакел замислилася про те, як їй прикрасити свою металеву шафку для приладдя, щоб за якийсь час не займатися її чищенням. Малюнки, наклейки, стікери — усе це

потрібно було знімати та викидати, щоб оновити дизайн. Дівчинка

вирішила, що було б чудово, якби

наліпки магнітилися. Ця ідея так

захопила Сару, що вона одразу ж

попросила батька виготовити перший примірник магнітних наліпок. Незабаром 14-річна дівчинка заробляла тисячі доларів, оскільки її винахід оцінило чимало дітей і дорослих.

Прийоми зонування в інтер’єрі

Функціональні зони необхідно розділяти, щоб створювати відчуття відокремленого простору та практичності кожної ділянки приміщення. Для цього є кілька прийомів.

Зонування за допомогою арки Зорово розділити на потрібні зони простір приміщення можна спорудженням арки. Вона створює враження відчинених дверей.

Рис. 3.6. Варіанти зонування за допомогою арки

Зонування шпалерами

Різноманітні за кольором або орнаментом шпалери несуть певне смислове навантаження. Розмістивши в кожній зоні різні шпалери або 3D-панелі, можна досягти

177 Це цікаво

візуального ефекту різних кімнат. Такий прийом дає змогу повністю

зберегти

відкритий

простір, тому особливо

підходить для маленьких приміщень.

Рис. 3.7. Варіанти зонування шпалерами

Новітні досягнення науки, техніки та технології Магнітні шпалери — одна з останніх новинок на ринку оздоблювальних матеріалів, поява якої стала можливою завдяки використанню високотехнологічних процесів виробництва. Виготівельники гарантують безпеку своєї продукції як для здоров’я людини, так і для всілякої техніки, що є в приміщенні.

Цей матеріал може бути однотонним або мати різноманітні малюнки

та візерунки. Колірна палітра таких шпалер доволі широка, а отже, кожен зможе вибрати необхідний відтінок, що пасуватиме до дизайну приміщення. Головною особливістю цього винаходу є те, що на його основі можна створити унікальне оформлення стін. Особисті фотографії, малюнки, картинки, прикраси — усе це можна зафіксувати на таких шпалерах за допомогою спеціальних магнітів. Безумовно, покривати цим матеріалом усі стіни не варто, але обклеїти одну-дві — чудова ідея. Або навіть оформити окремі зони, наприклад, перед робочим чи обіднім столом. Тоді на стіну можна легко повісити свої твори, розпорядок дня, розклад уроків, магнітні пазли та інші відповідні ігри. Також на цих шпалерах можна сміливо розміщувати рецепти страв, пам’ятки з датами та інші дрібнички.

178

Зонування кольором

Це чудовий спосіб для виділення функціональних зон та акцентування уваги на кожній з них. Використовуючи цей прийом, варто продумати колірне

рішення

для кожного елемента зони – від стін до меблів і декору. Для цього

необхідно знати основи колористики (гармонійного комбінування кольорів), інакше інтер’єр може виявитися перевантаженим недоречними колірними поєднаннями.

Рис. 3.8. Варіанти зонування кольором

текстилем

Текстильне зонування здійснюють за допомогою штор і завіс, основною перевагою яких є естетичність і практичність. Їх легко монтувати, а фактуру та колір можна регулярно міняти. Також тканини зазвичай допомагають створити в оселі затишок. Використання мотузкових завіс дає змогу зберегти

» простору та не заважає в пересуванні.

Рис. 3.9. Варіанти зонування текстилем

179
Зонування
«прозорість

Зонування

ширмами Застосування декоративних ширм у зонуванні простору – мабуть, найстаріший і найпростіший прийом. Ширми віддавна активно використовували в будинках Азії та Європи. Саме тому цей предмет інтер’єру добре вписується в стилі, що передбачають створення відчуття старовини. Пересувні ширми можуть замінювати собою перегородки.

Рис. 3.10. Варіанти зонування ширмами

Сторінками історії

● Розсувна ширма як деталь інтер’єру прийшла до нас із Китаю, а вигадали її ще в VII столітті. Колись це була переносна перегородка, за допомогою якої нібито відлякували злих духів, що, за повір’ями, збиралися біля входу в житло. Відповідно, ширму встановлювали поблизу вхідних дверей. Трохи згодом, коли почало розвиватися виробництво меблів, їй вигадали інше функціональне призначення.

● Деякі ширми оздоблювали так гарно, що вони ставали справжніми витворами мистецтва. На них малювали пейзажі, картини побуту і навіть записували думки мудреців.

● Європейці швидко оцінили всі переваги ширм і почали використовувати їх для декорування кімнат або поділу великих приміщень на зони. У наші дні за допомогою ширм можна регулювати житловий простір. Особливо популярними є такі перегородки в однокімнатних квартирах.

Перлини мудрості

Житло — можливість мати сім’ю, що є ланкою вічного ланцюга життя: це простір, необхідний для родинних радощів.

Ле Корбюзьє, французький архітектор ХХ ст.

180

Артгалерея

Волтер Гей. «Інтер’єр з каміном». ХІХ ст

Ганс Темпл. «Велике родинне святкування». 1890

Карл Шустер. «Інтер’єр». 1902

Ідеї для натхнення і втілення

Оформлення та зонування приміщень

із використанням уживаних СD-дисків

Зі старих СD-дисків можна виготовити не лише цікаві елементи декору інтер’єру, а й предмети, які можна вдало використати для оформлення

віконних і дверних отворів чи зонування житла: штори або ширми.

181

Зонування

за допомогою озеленення

Гарний та екологічний спосіб зонування можливий із

використанням живих рослин. Тут простір для фантазії

неабиякий.

Рис. 3.11. Варіанти зонування за допомогою озеленення

Зонування світлом

За допомогою різних рівнів, відтінків та яскравості

освітлення житлові зони здатні створювати відчуття різних приміщень. Світильники можуть бути вбудовані або навісні, настінні або стельові. Часто використовують підсвічування в нішах і карнизах. Різні світлові вирішення можуть змінювати простір до невпізнання. Однак такого способу зонування може виявитися замало, особливо в денний час, коли світло майже не використовують. Саме тому цей прийом застосовують як доповнення до інших, більш ефективних і функціональних.

Рис. 3.12. Варіанти зонування світлом Зонування за допомогою декоративних конструкцій

Це зручний і практичний поділ зон приміщення, що підходить для великих просторів. Такий спосіб передбачає використання перегородок, подіумів (підвищень), багаторівневих стель, крокв або колон.

182

Рис. 3.13. Варіанти зонування

за допомогою декоративних конструкцій Зонування меблями

Це найпростіший та найефективніший спосіб зонування простору. Для візуального

поділу приміщення можна використовувати практично

будь-який предмет меблів. З цією метою застосовують як вбудовані стелажі чи кухонні стійки, так і різні пересувні меблі. Наприклад, диван чудово відокремлює зону кухні від зони вітальні.

Рис

Створено в Україні

Одні з найкращих світових елітних меблів… — українські. Їх, зокрема, виробляють у м. Новоград-Волинському Житомирської області. Меблі та дерев’яні елементи декору вітчизняного виробництва з натуральної коштовної деревини можна побачити в іноземних посольствах, офісах та оселях відомих людей, у найкращих ресторанах і готелях не лише України, а й Євросоюзу, Саудівської Аравії, Катару, Об’днаних Арабських Еміратів та інших країн світу.

183
. 3.14. Варіанти зонування меблями

Рис. 3.15. Зонування приміщення в українському стилі

Принципи облаштування життєвого простору

Будь-який вид домашньої діяльності – приготування

та споживання їжі, прання, одягання тощо – вимагає достатнього простору та його правильного облаштування. Це

дає змогу виконувати всі згадані дії, не витрачаючи надмірних зусиль, точно, надійно та безпечно.

Отже, усе, що оточує людину в її оселі, як і в інших приміщеннях, де вона навчається, працює тощо, має бути максимально зручним і функціональним.

Основи ергономіки в житловому приміщенні

У дизайні інтер’єру не можна забувати про ергономіку.

Ергономіка — наука, що комплексно вивчає діяльність людини в системі «людина — предмет — середовище» з метою якнайкращої організації праці, побуту та відпочинку.

Сторінками історії

● Ергономіка сформувалася в 1920-х роках у США на межі психології, фізіології, гігієни, біомеханіки, антропології та низки технічних наук.

● Термін «ергономіка» запровадили 1949 року англійські науковці, які започаткували організацію ергономічного дослідного товариства. А вперше запропонував його ще в 1857 р. польський дослідник природи Войтех Ястшембовський.

● 12 листопада у світі відзначають Міжнародний день ергономіки, встановлений ООН у 2005 році.

Дізнайся більше онлайн

Перейди за покликанням https://cutt.ly/M6UzW9M або QR-кодом і переглянь відео про виникнення ергономіки та її

основні принципи.

184

Спочатку

завданням ергономіки було вивчити діяльність людини та організувати її робоче місце таким чином, щоб звести до мінімуму стомлюваність і травматизм та зробити виробничий простір найбільш комфортним і зручним. Із розвитком суспільства цей підхід почали поширювати не

лише на трудову діяльність, а й на облаштування житла.

Сьогодні ергономіка в інтер’єрі є основою для формування життєвого простору.

Новітні досягнення науки, техніки та технології

Меблі норвезького дизайнера Пітера Опсвіка, якого називають

генієм ергономіки, на перший погляд здаються дивними й не надто

зручними. Однак насправді вони враховують анатомію людини і є комфортними та зручними. Сам дизайнер каже про свої меблі, що це не стільці, а спосіб життя.

Також Пітер Опсвік є винахідником популярного у світі дитячого стільця

Nomi. Його конструкція продумана так, що вона слугуватиме дитині від народження до підліткового віку.

Стільці Пітера Освіка

185

Простіше кажучи, ця наука дає обґрунтовані відповіді

на запитання:  Якої форми та розмірів мають бути меблі та інші предмети інтер’єру?

 Як і на яку відстань їх потрібно розставити, щоб

людині було зручно займатися різними видами діяльності (їсти, спати, готувати, працювати тощо)?

Рис. 3.16. Приклади врахування

Рис. 3.17. Ергономіка інтер’єру для людей, які пересуваються на візках Перлини мудрості Завдання дизайнерів, які створюють предметне оточення, — пробудити фантазію, змусити замислитися навіть над найпростішими речами.

Матіас Хоффман, німецький дизайнер

186
ергономічних вимог в інтер ’єрі

12-річний Максим Лема зі Львова сконструював робота, який сам сканує та замірює будьяке приміщення, до того ж робить це з високою точністю. План приміщення робот одразу ж відправляє в спеціальну комп’ютерну програму — і можна розпочинати роботу над архітектурним проєктом.

Наприклад, у виборі висоти кухонної робочої поверхні слід враховувати зріст людини, яка нею користуватиметься.

Рис. 3.18. Висота робочої поверхні кухні залежно від зросту людини

Перевір себе та поміркуй

1. Які основні властивості інтер’єру?

2. З чого складається гармонійність інтер’єру житлових приміщень?

3. Що таке функціональні зони інтер’єру та які вони бувають?

4. Які існують прийоми зонування в інтер’єрі?

5. Що таке ергономіка та які її основні вимоги?

6. Проаналізуй ергономічні властивості інтер’єру обраної для дослідження оселі.

7. Надай оцінку гармонійності інтер’єру шкільних кабінетів.

8. Запропонуй покращення інтер’єру шкільної їдальні.

Твоя проєктна діяльність

Теми дослідницьких, інформаційних,

1. Кімната моєї мрії.

2. Макет інтер’єру дитячої кімнати.

3. Особливості освітлення різних приміщень.

4. Зонування інтер’єру в різних стилях.

5. Ергономіка кухонного простору.

пошукових проєктів

187 Це
цікаво

техніка

Які види побутової техніки тобі відомі?

Чи вмієш ти ними користуватися?

Сучасне життя неможливо уявити без технічних пристроїв, які полегшують і вдосконалюють процеси догляду за житлом і одягом, приготування їжі тощо.

Побутова техніка — прилади, які використовують у побуті для полегшення домашніх робіт, створення затишку та зручностей у повсякденному житті людини.

Рис. 3.19. Побутова техніка

Побутова техніка звільняє нас від важкої, нудної та монотонної праці. Цілком вона людину не замінює, але щоденні справи спрощує, а дозвілля робить цікавішим і різноманітнішим.

Дізнайся більше онлайн Перейди за покликанням https://cutt.ly/f6svNXH або

QR-кодом і переглянь відео про історію виникнення та розвитку побутової техніки.

Перлини мудрості

Техніка виходить із науки, а наука керується технікою.

Бертран Рассел, британський філософ, математик, громадський діяч

188
16. Побутова

Вимірювальні

прилади

Ваги, годинники, таймери, будильники, термометри (медичні, кімнатні, зовнішні), барометри, гігрометри

Кухонна техніка

Холодильники, морозильні

камери, кухонні плити,

духові шафи, електричні

чайники,

кавомолки,

кавоварки,

блендери, міксери, кухонні

комбайни, пароварки, мультиварки, мікрохвильові

печі, посудомийні

машини, йогуртниці, аерогрилі, вафельниці

тощо

Види побутової техніки

Обчислювальна техніка

Комп’ ютери, смартфони, планшети, ноутбуки

тощо

Техніка для прибирання

Пилососи, пароочищувачі тощо

Кліматична й обігрівальна техніка

Кондиціонери

, витяжки, бойлери, вентилятори, зволожувачі

повітря, іонізатори, обігрівачі

Техніка

для догляду за одягом

Пральні

машини, сушарки, праски, швейні машини, відпарювачі, машинки для стрижки ковтунців тощо

Аудіо

- та відеотехніка

Телефонні

апарати, музичні центри, комплекти

для караоке, DVD-програвачі, медіаплеєри, телевізори, домашні

кінотеатри

тощо

Техніка

для догляду за собою

Машинки

для стрижки, фени, плойки, випрямлювачі

для волосся, електричні

масажери, електричні зубні щітки, електричні бритви

тощо

189
тощо
тощо

Побутова техніка буває електричною та механічною, великою та дрібною.

Велика побутова техніка – стаціонарна, потребує постійного розташування, підключення до джерел живлення, водо- та газопостачання, водовідведення, вентиляції тощо.

Дрібна побутова техніка – це невеликі побутові електроприлади, які легко транспортувати та встановлювати.

Це цікаво

У ХІХ ст. було створено численні кухонні винаходи: тостери, картопледавки, подрібнювачі продуктів, начинювачі для ковбас тощо. У

1800-х роках було зареєстровано понад 185 патентів на кавомолки та понад 500 — на пристрої для чищення яблук і картоплі.

Розглянемо докладніше деякі з найпоширеніших побутових приладів.

Електричний чайник – пристрій для кип’ятіння води, який використовує для нагрівання внутрішнє джерело тепла (зазвичай елемент зі спіраллю або диск), що працює від електроенергії.

Сторінками історії ● Перші електрочайники з’явилися в кінці XIX ст. Винахід приписують британському інженеру Руксу Кромптону, який розмістив електричний нагрівальний елемент у підставці звичайного металевого чайника.

● Офіційно зареєстрував винахід електричного чайника Артур Леслі Лардж у 1922 р. Але пристрій потрібно було вчасно вимикати, інакше вся вода википала й виникала загроза пожежі. Тому тривалий час були популярними чайники зі свистком.

● У 1930 р. компанія General Electric (США) представила електричний чайник з автоматичним відключенням.

● У 1992 р. в Японії з’явилися електрочайники-термоси — термопоти.

● Масове виробництво чайників з електроконтактною підставкою розпочали в 1994 р. в Ізраїлі.

190

Перлини мудрості

Жоден винахід не може відразу бути досконалим.

Марк Туллій Цицерон, давньоримський оратор, філософ і літератор Зараз електричний чайник – неодмінний

же будь-якого господарства. Їх роблять

атрибут май-

із термостійкого

пластику, нержавіючої сталі, скла, кераміки. І все, що слід зробити, аби зігріти воду, – натиснути на кнопку й почекати кілька хвилин. Є навіть «розумні» чайники, керувати якими та підтримувати потрібну температуру води в яких можна з мобільного телефону.

Кавоварка

– пристрій для приготування кави без необхідності кип’ятіння води в окремій ємності. Існують

різні типи кавоварок, що використовують різні принципи приготування кави.

Сторінками історії

Першу кавоварку було винайдено в 1806 р. Основний принцип

її роботи був такий: трохи перемолотої кави викладали в металеве

сито, у яке вливали воду, що закипіла. Фільтри використовували

багаторазові, із лляної тканини.

Кавоварки поділяють на:

 френчпрес – складаються зі скляного жароміцного

циліндра та поршня з металевим фільтром;

 гейзерні (парові) – містять ємності для фільтрованої

води, меленої кави та готового напою;

 крапельні (фільтраційні або американо) – мають дві ємності, для води та готової кави;

 ріжкові – комплектуються спеціальною насадкою;

 комбіновані (об’єднані) – поєднують у собі роботу ріжкових і крапельних.

Окремим різновидом є автоматичні кавоварки (кавові машини). Вони, крім заварювання, додатково перемелюють зерна кави, гріють воду та наливають напій у чашку.

Перлини мудрості

Машини мають працювати. Люди мають думати. Гасло американської компанії IBM, одного з найбільших світових

виробників усіх видів комп'ютерів і програмного забезпечення

191

д) е) Рис. 3.20. Види кавоварок: а) френчпрес, б) гейзерна; в) крапельна; г) ріжкова; д) комбінована; е) автоматична Це цікаво Сучасні фільтри для кави винайшла німецька підприємиця Мелітта Бенц. Для цього вона спробувала використати промокальний папір зі шкільного зошита й мідний горщик із маленькими отворами, зробленими цвяхом. Експеримент увінчався успіхом, і в 1908 р. М. Бенц отримала патент і заснувала компанію Melitta, що досі продає каву та фільтри для кавоварок і кавомашин.

Електрична праска – нагрівальний прилад для прасування одягу, тканини тощо.

Зараз найпоширеніша праска – парова, яка здійснює

роботу, зокрема, силою парового удару. Також популярні

безпровідні пристрої, праски зі спецнасадками для делікатних тканин і потужні станції з парогенераторами.

а) б) в)

Рис. 3.21. Види прасок: а) класична; б) з функцією відпарювання; в) дорожня

192 а
) б ) в) г)

Сторінками історії

● Пристрої для прасування тканин були відомі здавна. У ролі праски найчастіше виступали нагріті металеві предмети або каміння.

● Праски з гарячим вугіллям усередині з’явилися в кінці XVIII ст. У

Німеччині навіть придумали багатофункціональну вугільну праску, за допомогою якої можна було не лише прасувати білизну, а й пекти вафлі, колоти горіхи, чавити часник. Також її використовували як пастку для мишей.

● Газові праски, що з’явилися в кінці XIX ст., були доволі небезпечними.

Їх приєднували до газових балонів, і часто ставався витік газу, що призводило до вибухів, пожеж і жертв.

● Днем народження електричної праски вважають 6 червня 1882 року.

Саме цього дня американець Генрі Силі отримав патент на свій винахід. Щоправда, перші праски били власників струмом, а контролювати

температуру їх нагрівання було неможливо. Але, поступово вдосконалюючись, вони набули сучасного вигляду.

Джозеф Карауд. «Добра господиня».

1861

Єгуда Пен. «Кравець».

1926

Артгалерея

Рудольф Епп. «Прасування білизни».

1870

193

Артгалерея

Освальдо Тофані. «Прасування». 1873

Мустафа Ель Езабі. «Прасувальник». ХХ ст

Едгар Дега. «Прасувальниця». 1876–1887

Створено в Україні Велика колекція прасок (понад 150) зберігається в історикокультурному комплексі «Замок Радомисль» (Житомирська область).

Свої зібрання старовинних

прасок мають численні краєзнавчі й історичні музеї України, що розповідають про побут населення кінця ХІХ–ХХ ст.

Це цікаво Кравчиня Сара Бун (США), намучившись, як усі люди її професії, прасуючи речі, придумала спеціальну дошку для прасування. Вона була дерев’яна, вузька, обтягнута тканиною на підкладці та легко складалася для зручнішого зберігання. Патент на прасувальну дошку, яка практично нічим не відрізняється від сучасної, було видано Сарі в 1892 р.

Тостер – електричний пристрій, призначений для швидкого підсмажування плоских шматків хліба (тостів).

Залежно від моделі, він може бути розрахований на підсмажування 2 або 4 скибок хліба. В усіх тостерів є нагрівальні елементи та можливість вибрати необхідний режим і швидкість приготування.

194

Сторінками історії

● «Tostum» — це латинське слово, що означає «спалювання». Коли стародавні римляни мандрували Європою, вони підсмажували хліб на вогні, щоб «продовжити йому життя». Англійці вподобали римські тости та поширили їх на американському континенті, коли перетнули океан.

● Перший електричний тостер винайшов у 1893 р. Алан МакМастерс у Шотландії.

● У 1914 р. в США компанія Westinghouse Electric випустила власну версію тостера, а Copeman Electric Stove Company в 1915 р. додала до свого тостера «автоматичний перевертач хліба».

● У 1919 р. американець Чарльз Страйт винайшов сучасний висувний тостер.

● Сьогодні це чи не найпоширеніший побутовий прилад, хоча він існує лише трохи більше за 100 років.

тостери початку ХХ ст

Рис. 3.23. Види сучасних тостерів: а) з вертикальним завантаженням; б) з горизонтальним завантаженням; в) комбінований

Перлини мудрості

Не судіть про дім за власником, але за станом дому судіть про власника.

Марк Туллій Цицерон, давньоримський оратор, філософ і літератор

195
а) б) в)
Рис. 3.22. Електричні

Дізнайся більше онлайн

Перейди за покликанням https://cutt.ly/P6snjQN або QR-кодом і відвідай унікальний онлайн-музей, присвячений тостеру.

Міксер (англ. mixer – «змішувач») – пристрій, призначений для механічного перемішування, створення однорідної маси (та її тимчасової підтримки) з різних за складом рідких і сипучих речовин.

Сторінками історії

● Перший ручний міксер створив у 1856 р. в США Ральф Кольєр.

● У 1870 р. було розроблено перший пристрій для збивання, оснащений

механізмом. Його маса була близько 30 кг, а вартість — 3000 доларів. Знадобилося близько 50 років, щоб цей винахід набув вигляду міксера, який почали масово виготовляти та продавати в 1910-х рр. ● Перший патент на електричний міксер було видано 1885 р. в США Руфусу М. Істмену. Трохи пізніше його також запатентувала американська інженерка та вчена Ліліан Моллер Гілбрет, мати 12 дітей.

Міксери бувають ручні (найбільш поширені) та стаціонарні.

196
Рис. 3.24. Старовинні ручні збивачки
а) б)
Рис. 3.25. Сучасні побутові електричні міксери: а) ручний; б) стаціонарний

Блендер (англ. blender – «змішувач») – настільний електроприлад, призначений для подрібнення їжі, приготування пюре, збивання напоїв, мусів тощо, а також розколювання льоду.

а) б) Рис. 3.26. Види блендерів: а) ручний (занурюваний); б) стаціонарний Сторінками історії

Блендер було розроблено в 1922 р. За його допомогою початково з’єднували воду й сироп із вуглекислотними кристалами. Через 13 років, у 1935 р., світ побачив блендери, які могли робити пюре, подрібнювати й шинкувати продукти.

плита – обладнання для приготування їжі. Сучасні

Кухонна

плити переважно складаються з варильної поверхні, духової шафи й додаткових

відділень. Артгалерея

Едвард Мунк. «Дівчина, що розпалює піч». 1883

Рудольф Епп. «Подружжя біля печі». 1871

Антоніо Фабрес «Кухар». 1912

197

Сторінками історії

● У давнину люди готували їжу на відкритому вогні, який розміщували на землі. Згодом для цього почали застосовувати кам’яні конструкції. Стародавні греки використовували прості печі для виготовлення хліба та іншої випічки.

● Тривалий час печі будували з цегли та розчину, часто з димарями. Їжу готували в металевих казанах, які підвішували над вогнем. Перша писемна історична згадка про будівництво печі стосується цегляночерепичної споруди, створеної в 1490 р. в Ельзасі (Франція).

● У XVIII–XIX ст. з’явилися чавунні печі. Як паливо в них використовували вже не лише дрова, а й вугілля та гас.

● Газову піч запатентував британський винахідник Джеймс Шарп

1826 р. У 1920-х роках у більшості домогосподарств уже були плити з верхніми конфорками та внутрішніми духовками. Проте розвиток газових плит був повільним, доки не було налагоджено регулярне постачання газу домогосподарствам.

● У 1910-х роках почали виготовляти газові плити з емальованим покриттям, що полегшувало їх очищення.

● Електричні плити та духові шафи з’явилися ще в 1890-х роках. Однак технологія та розподіл електроенергії, необхідні для живлення цих електроприладів, потребували вдосконалення. Лише наприкінці 1920-х – на початку 1930-х років електричні пристрої почали конкурувати з газовими.

У сьогоденні кухонні плити бувають газові, електричні

та комбіновані (такі, що поєднують використання газу й

електроенергії) і можуть мати різну кількість конфорок.

а) б)

Рис. 3.27. Види кухонних плит: а) газові; б) електричні

Мікрохвильова піч (МХП, надвисокочастотна піч, НВЧ-піч) – побутовий електроприлад для швидкого приготування або підігрівання продуктів харчування, а також для їх розморожування.

198
у

Сторінками історії

● Усім відома мікрохвильова піч, один з найпопулярніших сьогодні побутових приладів, виникла як побічний продукт іншої технології.

Під час роботи над науково-дослідницьким проєктом, пов’язаним із радарами, інженер Персі Спенсер помітив, що, коли він стояв перед активним бойовим радаром, цукерка в його кишені розтанула. Науковець почав досліджувати це явище, і незабаром було винайдено мікрохвильову піч.

● У 1945 році Персі Спенсер отримав патент на свій винахід для нагрівання їжі, а вже 1947 року розпочали продаж перших моделей.

● Перша «мікрохвильовка» важила 340 кг і була заввишки 183 см.

● Компактніші домашні печі почали виробляти з 1955 р.

Сучасні мікрохвильовки можуть бути окремими або вбудованими в кухонні меблі.

Створено в Україні

В Україні мікрохвильові печі випускали на заводі Південмаш (м. Дніпро). Це були моделі «Мрія МВ», «Дніпрянка-1» (1990 р., об’єм 32 літри, маса 40 кг) та «Дніпрянка-2», у яких використовували елементи японського виробництва.

Управління в мікрохвильових

печах буває трьох типів – механічне (найпростіший тип), кнопкове та сенсорне. У деяких моделях під час приготування страви на дисплеї висвічуються рекомендації. Також існують мікрохвильові печі з вбудованими рецептами страв: щоб запустити процес приготування, потрібно лише вказати вид продукту, його кількість і бажаний рецепт.

Деякі сучасні моделі НВЧ-печей оснащують доступом в інтернет. Це дає можливість завантажувати нові рецепти страв та отримувати інформацію про їхню калорійність.

199

Відомо, що в багатьох країнах, зокрема в США, полюбляють

бекон, який готують на сковороді або в

мікрохвильовці. Однак у процесі

приготування він виділяє багато жиру.

Якось суботнього ранку 1991 року в

сім’ї 8-річної Еббі Флек закінчились

паперові рушники, щоб промокнути

зайвий жир. Тоді дівчинка придумала

конструкцію, яка дозволяє готувати

бекон у підвішеному стані, збираючи надлишки жиру в тарілку.

Відтоді пристрій Makin Bacon Dish дає змогу не лише заощадити на

паперових рушниках, а й зробити улюблену страву набагато кориснішою. Нині він дуже популярний у США.

Зараз Еббі виросла та працює з дітьми з особливостями розвитку.

Посудомийна

машина – електромеханічна установка для автоматичного миття посуду.

Сторінками історії Американська винахідниця Джозефіна Кокрейн, дочка інженера й онука Джона Фітча, конструктора першого американського пароплава, розробила й виготовила в 1886 році першу механізовану посудомийну машину. 28 грудня 1886 року вона отримала патент, а 1893 року представила свій винахід на всесвітній виставці в Чикаго, де здобула приз за «найкращу механічну конструкцію». Чутки про це поширилися, і незабаром Джозефіна почала отримувати замовлення

від ресторанів та готелів. Масове заводське виробництво таких машин розпочалось у 1897 році.

200 Це цікаво

Пральна машина – електричний прилад, який використовують для прання білизни.

Сторінками історії

● Протягом століть технологія прання еволюціонувала від гру-

бої ручної праці до високотехнологічної.

● У багатьох стародавніх культурах люди чистили свій одяг, вдаряючи

його об каміння або натираючи піском і змиваючи бруд у струмках чи річках.

● Багато століть тому мореплавці почали використовувати рух свого судна відносно води для прання білизни, яку прив’язували до канату й кидали за борт, щоб швидко змити з тканини весь бруд.

● Тривалий час найпоширенішим способом прання одягу було кип’ятіння у великій каструлі чи казані з подальшим викладанням на плоску дошку й биттям дерев’яною лопаткою.

● Першу модель пральної машини зобразив у своїх записах і креслениках митець і винахідник доби Відродження Леонардо да Вінчі.

● Металеву пральну дошку було винайдено приблизно 1833 р. До того часу вона були повністю дерев’яною, з різьбленою ребристою поверхнею для прання.

● Першу пральну машину з барабаном, що обертався, створив у 1851 році в США Дж. Кінг — щоб вона працювала, потрібно було крутити ручку, як у механічної м’ясорубки.

● Через 10 років придумали використовувати валики для віджимання білизни, але все одно мотора в цього пристрою не було і працював він завдяки силі людських рук або худоби. Повсюдно існували пральні, що прали вручну, і цю роботу вважали однією з найважчих.

● Електричні пральні машини з’явилися на початку ХХ ст. У 1937 р. в США було створено першу автоматичну пральну машину, а в 1978 р. розпочалося використання в таких пристроях мікропроцесорів.

Перлини мудрості

Дім — це машина для житла.

Шарль Ле Корбюзьє, французький архітектор ХХ ст

201

Артгалерея

Едуар Мане. «Прання». 1875

Лорен Ентц. «Прання». 1991

Микола Пимоненко «Прання». 1900

Міан Сіту. «Китайська сімейна пральня». 1880

1895

Нині пральні машини мають великий вибір моделей, що дає змогу обрати потрібний режим прання та віджиман-

ня для різних типів тканин. Крім того, сучасні «пралки» можуть також сушити білизну.

Технічна еволюція пральних машин супроводжувалася їх естетичним удосконаленням. «Гидке каченя» початку ХХ ст. з відкритими механізмами перетворилося на елегантний побутовий прилад, який не лише виконує чимало корисних функцій, а й прикрашає собою житло.

Перлини мудрості Перш ніж покращувати світ, тричі подивися на власний дім. Китайське народне прислів’я

202
Каміль Піссарро. «Пралі».

● У давнину випрані речі перекладали сушеною лавандою — для приємного та свіжого запаху. Тому людей, які займалися пранням, у Франції називали «lavandiere» — від слова «lavande».

● У другій половині ХІХ ст. афроамериканська винахідниця Еллен Еглін винайшла пристрій для віджимання білизни у вигляді двох валиків.

● Один із перших відомих афроамериканських винахідників ХІХ ст., Джордж Т. Семпсон, у 1892 р. запатентував на сушарку, що використовувала тепло від печі для сушіння одягу.

● У США (м. Ітон, штат Колорадо) є музей пральних машин ХХ ст. У його колекції — понад 600 пристроїв у робочому стані.

Рис. 3.28. Пральні машини

Пральні машини поділяють

ознаками:

 за типом робочого органу – активаторні, барабанні, ультразвукові;

 за ступенем автоматизації – напівавтоматичні та автоматичні;

 за сферою використання – побутові та промислові (для пралень);

 за способом завантажування – з фронтальним і верхнім завантажуванням;

203
Це цікаво
в інтер’єрах сучасних санвузлів Рис. 3.29. Пральні машини в інтер’єрах сучасних кухонь
на групи за такими

а) б) в)

Рис. 3.30. Активаторна (а), барабанна (б) та ультразвукова (в) пральні машини

 за способом встановлення – підлогові, настінні та

призначені для поміщення в ємність із білизною;

 за вагою завантажуваної білизни – на 3, 5, 7, 9 кг тощо.

Рис. 3.31. Пральні машини з фронтальним (а) і верхнім (б) завантаженням Пилосос (пилосмок, порохотяг, пилотяг) – пристрій, який створює розрідження повітря за допомогою повітряного компресора, завдяки чому всмоктує пил і бруд. Пилососи зазвичай використовують для очищення підлоги та килимових покриттів як у житлових, так і у виробничих приміщеннях.

Сторінками історії

● Перші машини для усунення пилу не збирали, а роздмухували

його в різні боки. Це були доволі громіздкі пристрої, впоратися з якими могли лише двоє дорослих чоловіків: один роздмухував міхи, а другий тягнув шланг.

● Такий прилад у 1901 р. вдосконалив англійський інженер Губерт

Сесіл Бут. Його апарат уже всмоктував пил через спеціальний фільтр і працював на бензині. Але «Пирхаючого Біллі» (так його називали) перевозила на кінному візку команда з 4 осіб, а шланг завдовжки 30 метрів заносили до приміщення крізь вікна.

204
а
) б)

Сторінками історії

● Та прогрес не стояв на місці, і вже в 1908 р. пилосос став домашнім улюбленцем — американська компанія Hoover випустила компактну версію, яка важила лише 20 кг.

● Справжнім хітом став пилосос циліндричної форми на коліщатах Model V, виготовлений 1921 р.

шведською компанією Electrolux. Його потім тривалий час «клонували» в різних країнах.

● Принципово новим етапом стало створення роботів-пилососів, що з’явилися наприкінці 90-х років ХХ ст. Вони самостійно пересуваються приміщенням, знаходять зарядний пристрій, прибирають пил і миють підлогу.

Основними вузлами сучасного пилососа є електродвигун, вентилятор та очисник повітря, вмонтовані в корпус. Комплектують пилососи гофрованим шлангом із різними насадками.

Сучасні фільтри цих пристроїв здатні затримувати не лише пил і бруд, а й дрібні частки та речовини, що спри-

чиняють алергію.

Пилососи бувають підлогові, або горизонтальні (вони найпоширеніші), та вертикальні, ручні, ранцеві, автомобільні, пилососи-щітки тощо.

За способом утилізації

пилу їх поділяють на моделі з мішком (пилозбірник), контейнером («циклон») і водяним фільтром.

Рис. 3.32. Пилососи з мішком (а), контейнером-«циклоном» (б)

і водяним фільтром (в)

205
а
б
в
)
)
)

а) б)

Рис. 3.33. Підлогові, або горизонтальні (а), та вертикальні (б) пилососи

а) б)

Рис. 3.34. Ранцевий (а) та автомобільний (б) пилосос

Зараз затребувані як великі, зокрема мийні, так і компактні («ручні») пристрої. Але особливо популярними є роботи-пилососи.

а) б)

Рис. 3.35. Ручні пилососи (а) та роботи-пилососи (б)

Перлини мудрості

Людина, яка працює руками, — робітник; людина, що працює руками й головою, — ремісник; але людина, яка працює і руками, і головою, і серцем, — майстер своєї справи.

Луїс Найзер, американський юрист, письменник і художник

206

Новітні досягнення науки, техніки та технології

Найзручнішим винаходом, безперечно, можна вважати самоочисний будинок винахідниці Френсіс Гейб. Створена нею споруда, що поєднує приблизно 68 механізмів для економії часу, праці та простору, робить ідею хатньої праці застарілою.

Кожну кімнату в цьому будинку устатковано пристроєм для очищення, сушіння, нагрівання, охолодження повітря.

Стіни, стелі та підлоги покрито водонепроникною речовиною. Меблі виготовлено з водонепроникних матеріалів. Ніде в будинку немає пилозбірних килимів.

Після натискання кількох кнопок струмені мильної води омивають усе приміщення. Потім повітродувка висушує всю воду, що не стекла похилою підлогою в каналізацію. Раковина, душ, туалет і ванна очищаються самі. Книжкові полиці так само самі витирають пил, а дренаж у каміні прибирає попіл. Шафа для одягу поєднує функції пральної та сушильної машин, а кухонна шафа водночас є посудомийною машиною. Такий будинок привабливий не лише для тих, хто перевантажений

роботою, а й для осіб з інвалідністю та людей похилого віку.

Від середини ХХ ст., коли дорогі важкі метали та сплави замінили дешевшими матеріалами (зокрема пластмасою), заводи-виробники домашньої техніки перейшли на більш високотехнологічний рівень виробництва. Це дало змогу значно зменшити собівартість виробів, і відтоді придбати побутові прилади міг будь-хто охочий. Наступним кроком виробників техніки для побуту стало розширення вже наявного асортименту виробів. І незабаром, після пральних машин і холодильників, масового поширення набули водонагрівачі, кондиціонери тощо. Завдяки домашній техніці процеси прибирання, приготування їжі та прання одягу стали легшими, ефективнішими й істотно скоротилися в часі, що дозволило багатьом людям більше відпочивати й займатися іншими корисними справами.

Перлини мудрості

Ми навчаємося не для школи, а для життя. Луцій Анней Сенека, давньоримський філософ, поет, державний діяч і оратор

207

На рубежі ХІХ–ХХ ст. неабиякої популярності набув напрямок дизайну, одним із лідерів якого був знаменитий німецький художник та архітектор Пітер Беренс. Він уважав, що будь-яку технічну роботу може бути виконано «на всі 100» лише в тому випадку, якщо вона задовольняє естетичні потреби людини.

Рис. 3.36. Дизайн сучасної дрібної побутової техніки в сицилійському стилі, розроблений Dolce & Gabbana (колекція 2017 р.)

Рис. 3.37. Дизайн великої кухонної техніки в етнічному (італійському) стилі, розроблений Dolce & Gabbana (колекція 2018 р.)

Перлини мудрості

Наші домівки — це наші в’язниці; але ми знайдемо в них свободу, якщо зуміємо прикрасити їх на наш розсуд.

Коко Шанель, видатна французька модельєрка ХХ ст.

208 Це
цікаво

Новітні досягнення науки, техніки та технології

● Безперечно, винайдення та створення різноманітних видів побутової техніки є одним із найголовніших досягнень людства за минулі століття:

• управління через смартфон;

• максимальна автоматизація;

• багатофункціональність;

• стильний дизайн.

● Сучасні духові шафи вміють самі вимірювати та регулювати температуру. А мультифункціональні духовки об’єднують у собі кілька приладів. Наприклад, духовка + пароварка або мікрохвильовка, духовка + вакуумне відділення для маринування.

● Очищувачі повітря нині здатні зволожувати його, фільтрувати від бактерій і вірусів чи дезінфікувати, обробляти ультрафіолетовим промінням тощо. І всім цим можна керувати за допомогою програми або невеликого пульту.

● Пилососи в сьогоденні дедалі частіше є легкими, бездротовими, а також поєднують свою роботу з вологим прибиранням.

● Деякі сучасні пральні машини самі визначають кількість мийного засобу та здійснюють знезараження й ароматизацію білизни навіть у разі прання за низьких температур.

Поза сумнівом, створення звичайної та вбудованої побутової техніки є одним із головних досягнень людини за минулі століття.

Але з часом будь-яка побутова техніка виходить із ладу. І, відповідно, будь-якому користувачеві доводиться зіткнутися з питанням: а що робити зі зламаними мікрохвильовками, пральними машинами тощо? Просто викинути

їх на звалище не можна. Тому єдиним правильним розв’язанням цієї проблеми залишається утилізація.

Утилізацією побутової техніки називають процес вивезення, перероблення (або знищення) приладів, які перестають виконувати необхідні користувачеві функції. У ре-

зультаті

не залишається токсичних і небезпечних відходів.

Перлини мудрості

Саме дрібниці створюють затишок у домівці.

Барбара Картленд, англійська письменниця

209

Вивезенням приладів для утилізації найчастіше зай-

маються спеціалізовані підприємства (чи магазини). Вони здійснюють:

 збір обладнання, що стало непридатним;

 організацію його зберігання;

 транспортування до місця зберігання чи утилізації;

 сортування;

 знешкодження;

 перероблення або повне знищення електроприладів.

Приладам побутової

техніки можна надати друге життя, повністю або частково переробивши їх за методом апсайклінгу на корисні та оригінальні речі.

Наприклад, старі холодильники можна перетворити на зручні шафи, стелажі або тумбочки. А з металевих барабанів від пральних машин можуть вийти чудові столики, пу-

фи, світильники, вазони тощо.

Рис. 3.38. Апсайклінг холодильників

Рис. 3.39. Апсайклінг барабанів від пральних машин

210

Інструкції до побутової техніки

Сучасні виробники

побутових приладів прагнуть

надавати покупцеві й користувачеві максимально повні та зрозумілі інструкції. До придбання пристрою найкраще

шукати їх в інтернеті на сайтах виробників або продавців

побутової техніки, які добре зарекомендували себе, а після купівлі – у коробці з товаром.

Інструкція з експлуатації зазвичай містить інформацію

про:

 призначення побутового приладу;

 його підготовку до застосування;

 розміщення та підключення;

 управління;

 правила використання;

 додаткові можливості;

 догляд, ремонтування та утилізацію

Існують універсальні рекомендації, які поширюються

на всі види побутової техніки, а є такі, що стосуються

лише певних її різновидів.

Маркування електроніки та побутової техніки

Розроблений TCO (Шведською Конфедерацією Професійних Працівників), Шведським Товариством Охорони Природи та Шведським Державним Департаментом Електроенергії стандарт охоплює вплив на довкілля, ергономіку, зручність використання, електромагнітне випромінювання, енергоспоживання, електричну та пожежну безпеку. Його знаки засвідчують відповідність виробів усім нормам.

Вимоги щодо захисту довкілля передбачають обмеження наявності та використання шкідливих речовин. Виріб має бути придатним для утилізації, а виробник – вести екологічну політику з урахуванням норм усіх країн-імпортерів товару.

211
.

Енерго- та екомаркування

Відповідно до норм ЄС в Україні запроваджено правила спеціального маркування побутової техніки щодо її енерго-

ефективності та екологічності.

Ці вимоги застосовують, зокрема, до маркування:

 холодильників;

 пральних, посудомийних, сушильних машин;

 телевізорів;

 кондиціонерів повітря;

 духових шаф;

 кухонних витяжок;

 водонагрівачів;

 обігрівачів приміщень.

На маркуванні зазначають

клас енергоефективності (від А

до G), клас рівня шуму, об’єм

споживання води й електроенергії та тривалість циклу.

Загальні правила безпеки

щодо користування електричними побутовими приладами

1. Завжди слід розміщувати прилад на рівній горизонтальній поверхні.

2. Під час чищення й догляду техніку має бути вимкнено та від’єднано від електромережі.

Рис. 3.40. Застереження щодо поводження з електроприладами

212

3. Усі кнопки та ручки потрібно використовувати лише за призначенням.

4. Заборонено користуватися несправними електроприладами. Якщо через механічну дію, перегрівання

тощо

ізоляцію пошкоджено, можна отримати удар електричним струмом. У жодному разі не слід торкатися оголеного дроту, що перебуває під напругою, і використовувати пошкоджені вилки, розетки та вимикачі

5. Усе пошкоджене обладнання має бути виведено з роботи, а потім відремонтовано або утилізовано.

6. Поводитися з електроустаткуванням необхідно якомога акуратніше. Не можна розбирати електроприлади, підключені до мережі. Також потрібно бути обережними зі шнуром електроживлення, не допускаючи його скручування, згинання, натягу та нагрівання.

7. Не слід вмикати електроприлади надовго. Багато з них призначено лише для нетривалої роботи, і збільшення часу користування може призвести до поломки.

8. Необхідно обмежити доступ маленьких дітей до електроприладів і пояснити їм можливу небезпеку.

Перевір себе та поміркуй

1. Що таке побутова техніка? Які є її види?

2. Які види побутової техніки найпоширеніші в сьогоденні?

3. Для чого потрібні інструкції до побутових приладів?

4. Про що інформує маркування побутової техніки?

5. Яких правил безпеки необхідно дотримуватися під час роботи з побутовою технікою?

6. Склади перелік побутової техніки, необхідної, на твою думку, для сучасної оселі.

7. Обґрунтуй важливість користування побутовою технікою тільки після ознайомлення з інструкцією.

8. Проаналізуй покращення побутових приладів за останні 20 років.

Твоя проєктна діяльність Теми дослідницьких, інформаційних, пошукових проєктів

1. Вітчизняні виробники побутової техніки.

2. Моделі побутової техніки, популярні в моїй місцевості.

3. Новітні побутові прилади: йогуртниця, аерогриль тощо.

4. Побутова техніка для очищення та зволоження повітря.

5. Ідеї дизайну та вдосконалення різних пристроїв побутової техніки.

213
.

17. Догляд за житлом.

Мийні засоби для різних поверхонь у побуті

Як і за допомогою яких засобів потрібно здійснювати прибирання помешкання?

Будь-яке житло потрібно доглядати, а отже, прибирати.

Розрізняють три основні види прибирання: щоденне, щотижневе та генеральне.

Щоденне прибирання передбачає протирання підлоги, чищення килимів пилососом.

Щотижневе прибирання – протирання також дверей і підвіконь, миття квітів тощо, вологе прибирання підлоги.

Генеральне прибирання

проводять рідше, приблизно раз на три місяці. Під час нього миють вікна, світильники, дзеркала, прибирають усередині шаф.

Артгалерея

Джон Кох. «Миття люстри». 1958

Томас Лідалл Армітаж «Чистий день». 1912

П’єр-Огюст Ренуар «Прибиральниця». 1899

Для наведення чистоти та порядку в приміщенні знадобляться:

 ганчірки для миття підлоги та збирання пилу;

 пристрої для миття вікон;

 швабри;  віник;

 пилосос;  щітки та губки;

 гумові рукавички;  відро.

214

Приладдя для прибирання

Віник та щітка із совком для замітання

Ганчірки для різних поверхонь

Відра

Щітки для прибирання пилу

Губки та серветки

Господарчі гумові рукавички

а) б) в) г)

Швабри:

а) звичайна дерев’яна; б) з різними насадками; в) з віджиманням; г) парова

Пристрої для миття вікон Пилососи

215

Артгалерея

Елеанор Бест. «Жінка

з ганчіркою». 1956

Мік Руні. «Генеральне прибирання». 1989

Франческо Галанте

«Юна господиня». 1961

Не обійтися й без мийних засобів, тобто побутової хімії. Поняття «побутова хімія» переважно

асоціюється

з пранням чи прибиранням, але для миття посуду, чищення зубів, приймання ванни теж використовують мийні засоби, хоч і вузького призначення.

Застосування сучасних засобів побутової хімії значно зменшує зусилля та скорочує час, який витрачають на прибирання осель, офісних

приміщень, автомобілів тощо. Рідкі, пастоподібні та порошкоподібні речовини складаються з ефективних компонентів, які швидко усувають бруд і плями різного походження, не псуючи вигляду меблів, одягу та різних предметів побуту.

Рис. 3.41. Види паковання засобів побутової хімії

216

Усі засоби побутової хімії поділяють на:

 універсальні засоби для будь-яких поверхонь;

 препарати для миття посуду;

 дезінфекційні рідини для санвузлів і кухонь;

 порошки та гелі для прання

різних видів білизни;

 речовини для миття та чищення підлоги;

 засоби для миття та чищення дзеркал;

 препарати для боротьби зі шкідниками;

 засоби для чищення текстильних виробів.

Мийні засоби — це натуральні та синтетичні речовини з очищувальною дією, насамперед мило та пральні порошки, які застосовують у побуті, промисловості та сфері обслуговування.

Мийні та очищувальні засоби призначені для ручного, механічного й автоматичного прання, очищення різних типів поверхонь від забруднень та індивідуальної гігієни. До них належать мило, синтетичні й допоміжні засоби.

Сторінками історії

● Перше мило, найпростіший мийний засіб, було отримано на Близькому Сході понад 5000 років тому. Спочатку його використовували переважно для прання та обробки виразок і ран. І лише з I ст. н. е. людина почала митися з милом.

● Швидше за все, мило було відкрито випадково, коли над багаттям смажили м’ясо і жир стікав на деревну золу, що має лужні властивості.

Узявши до рук жменю цієї суміші, прадавня людина виявила, що вона легко розчиняється у воді та змивається разом із брудом.

● Тривалий час мило було предметом розкоші й цінувалося поряд із дорогими ліками та коштовностями. Але навіть заможні люди не могли собі дозволити прати ним білизну. Для цього використовували глину, бичачу жовч, свіжий послід і сечу тварин та різні рослини.

● У Західну Європу мило у вигляді кульок у XII ст. завезли з Дамаска лицарі-хрестоносці. Відтоді розпочалася епоха європейського миловаріння.

● Перший синтетичний мийний засіб з’явився в 1916 р. Винахід німецького хіміка Фріца Понтера призначався для промислового використання. Побутові синтетичні мийні засоби, більш-менш нешкідливі для рук, почали випускати в 1935 р. Відтоді було розроблено цілу низку синтетичних мийних засобів (CMЗ) вузького призначення, а їх виробництво стало важливою галуззю хімічної промисловості.

217

Мийні засоби поділяють за призначенням, консистенцією (щільністю), видами й умістом мийної речовини та іншими ознаками.

За призначенням вони бувають:

 господарські;

 туалетні (для особистої гігієни);

 спеціальні (медичні, технічні тощо).

За консистенцією розрізняють мийні засоби:

 тверді (шматкові, гранульовані, таблетовані, порошкові);

 кремо- та мазеподібні (пасти);

 рідкі.

За концентрацією основної речовини їх поділяють на:

 готові до вжитку;

 концентровані (які перед уживанням потрібно розчи-

нити у воді чи іншому розчиннику згідно з інструкцією).

Засоби для тих самих поверхонь можуть призначатися:

 для очищення поверхні;

 для догляду за поверхнею.

Однак деякі засоби можуть мати як очищувальні, так і

доглядові властивості

.

Мило — розчинна у воді мийна речовина.

За призначенням мило буває для прання, гігієни рук, миття посуду та господарських виробів.

Також розрізняють мило:

 дитяче гігієнічне – без ароматизаторів і барвників, із додаванням пом’якшувальних речовин для захисту

шкіри;

 антибактеріальне – з активними речовинами, що знищують до 90 % бактерій;

 відлущувальне – з твердими частинками, завдяки яким вирівнює та освіжає шкіру;

Перлини мудрості

Той, хто хоче змінити світ, має розпочати зі збирання посуду.

Поль Карвель, бельгійський письменник і афорист

218

 лікувально-косметичне –

містить корисні для шкіри

речовини різного призначення;  гліцеринове – з додаванням гліцерину, що пом’якшує та зволожує шкіру.

Артгалерея

Картини, використовувані в рекламі мила у Великобританії кінця ХІХ – початку ХХ ст.

Джон Еверетт Мілле «Мильні бульбашки».

1886

Фредерік Морган «Він наступний».

1915

Джордж Данлоп Леслі «Ось як ми перемо одяг».

1889

Існує також мило спеціального призначення, яке застосовують у різних видах промисловості – текстильній, шкіряній, металургійній тощо.

Залежно від консистенції мило поділяють на тверде, рідке, пастоподібне, порошкоподібне.

СМЗ (синтетичні мийні засоби) — засоби, виготовлені на

основі поверхнево-активних речовин (ПАР), що активізують

взаємодію води з частинками бруду. Пінна властивість цих

речовин виштовхує бруд у мильний розчин, а потім — на

поверхню води.

Синтетичні мийні засоби для прання розрізняють:

 за призначенням: універсальні, для бавовняних і

лляних тканин, для вовни та шовку тощо;

 за консистенцією: гранульовані, рідкі, кремоподібні;

219

 за типом використання: для ручного прання, для звичайних пральних машин, для машин-автоматів;

 за способом застосування: основні та допоміжні (ополіскувачі, підкрохмалювачі, підсинювачі,

кольору, відбілювачі, антистатики тощо).

підсилювачі

На відміну від будь-якого виду мила, СМЗ мають кращі мийні властивості, тому що поверхнево-активні речовини, хоч і не є основними складниками суміші, відіграють головну роль. Проте вони є шкідливими для екології та можуть становити небезпеку для здоров’я людини.

Артгалерея

Гаррі Брукер. «Діти перуть ляльковий одяг». 1900

Густав Іглер «Миття ляльки». 1905

Гаррі Брукер «Домашні справи». 1901

Очищувальні засоби — суміші, які застосовують для очищення різних поверхонь.

За призначенням розрізняють засоби для чищення:

 посуду;

 побутових приладів (плит, духовок, витяжок, холо-

дильників тощо);

 м’яких меблів, килимів тощо;

 дзеркал, скла;

 металевих поверхонь.

Окремо виділяють засоби для:

 полірування підлоги та меблів;

 виведення плям;

 дезінфекції.

220

Абрахам ван Стрей «Жінка, що миє котел». 1808–1810

Андре Буї «Чищення посуду». 1737

Артгалерея

Жозеф Байль «Кухарчук на кухні».

1893

Жозеф Байль «Чищення посуду». 1894

Прийоми прибирання

Віллем Гітс «Полірування міді».

1906

Жозеф Байль «На кухні». 1895

Підлога не любить надмірної кількості води та мийних засобів. Перед миттям її потрібно ретельно підмести віником чи щіткою або пропилососити від пилу та бруду.

Очищати підлогове покриття варто щонайменше раз на тиждень, у тому числі під килимами (за їх наявності).

Коли вдома є маленькі діти чи улюбленці, краще робити

це двічі або тричі на тиждень, в ідеалі – щодня. Вибір

швабри та мийного засобу залежатиме від типу покриття.

Перлини мудрості

Розкіш починається з порядку й чистоти.

Альберто Моравіа, французький письменник ХХ ст

221

)

) е) Рис. 3.42. Найпоширеніші види підлогового покриття: а) лінолеум; б) паркет; в) паркетна дошка; г) ламінат; д) керамічна плитка; е) килимове покриття

Вікна потрібно мити щонайменше двічі на рік: один раз – наприкінці квітня, після завершення зимового сезону, а

другий – наприкінці жовтня, перш ніж заклеювати вікна

на зиму (якщо це роблять). Дерев’яні рами, пофарбовані

акриловою або олійною фарбою, та металопластикові вікна зі склопакетами варто мити розчином мийного засобу, а

потім споліскувати й ретельно протирати насухо.

Шибки можна мити за допомогою спеціальних засобів, які продають у пляшці чи аерозольному балончику. Їх слід нанести на скло, протерти губкою або ганчіркою, а потім витерти насухо й відполірувати до блиску. Для витирання скла можна використовувати не лише ганчірки, а й папір.

Двері, пофарбовані акриловою чи олійною фарбою або зроблені з МДФ (деревноволокнистої плити середньої щільності), слід мити так само, як і фарбовані віконні рами. Якщо ж двері

виготовлено з натуральної деревини, просоченої спеціальною речовиною, то їх потрібно протирати вологою, добре віджатою ганчіркою, потім витирати насухо й

полірувати до блиску сухою тканиною.

Поліровані меблі потрібно протерти вологою ганчіркою, а потім відразу ж витерти насухо, щоб не утворювалися розводи. За бажанням після цього можна відполірувати їх до блиску тканиною. Якщо ж меблі дуже забруднені (є сліди від пальців тощо), то спочатку відмивають плями ганчіркою, змоченою мийним розчином, потім миють меблі чистою водою й, нарешті, витирають насухо.

222 а) б) в) г
д

Йохан Антоні де Йонге.

«Миття вікон». 1910

Джон Кох. «Мийники вікон». 1975

Артгалерея

Ежен Бортнік.

«Мийник вікон». 2009

Меблі з МДФ можна чистити так само, як і поліровані. Потрібно лише стежити, щоб вода була кімнатної

температури. Адже деревноволокнистій плиті занадто висока температура протипоказана, від неї цей матеріал може з часом пожовкнути.

М’які меблі, покриті щільною оббивною тканиною, потрібно щонайменше двічі на місяць ретельно чистити пилососом.

На кухні підтримувати порядок можна, дотримуючись таких рекомендацій:

1. Збирай харчові відходи зі столу у відро з кришкою та щодня викидай їх у сміттєпровід або спеціальні баки.

2. Посуд, який було використано для приготування їжі та сервірування столу, мий відразу. Для чищення, миття та дезінфекції газових та електричних плит, раковин і керамічної плитки застосовують спеціальні засоби, користуватися якими необхідно згідно з інструкцією, зазначеною на пакованні або етикетці.

Перлини мудрості

Здоров’я в чистоті міцніє.

Українська народна приказка

223

Джордж

«Післяобіднє миття посуду». 1953

Артгалерея

Олекса

. «Миття посуду». 1900-ті рр

Реймонд Джеймс

Стюарт

«Потрібна допомога». ХХ ст

Барклі Маклелланд.

«Миття посуду».

1940

Гаррі Андерсон.

«Хатня робота».

ХХ ст.

підтримання порядку на кухні, 3—4 рази на рік слід проводити генеральне прибирання.

Крім щоденного

У кожному кухонному приміщенні встановлено вентиляційні пристрої. А отже, необхідно стежити за станом решіток вентиляції та регулярно очищати їх пилососом або щіткою.

Перлини мудрості

Нехай той, хто ввійшов у наш дім, дивується нам, а не нашому посуду.

Луцій Анней Сенека, давньоримський

, поет

224
Жан Батіст Симеон Шарден. «Посудомийка». 1738 Хагіс. Новаківський
філософ

Особливу

увагу слід приділяти стану повітря на кухні: воно завжди має бути чистим. За 5—10 хвилин провітрю-

вання можна повністю освіжити приміщення. Це особливо

важливо для кухонь, обладнаних газовою плитою.

Чищення туалету

– не

прибирання, але якщо підійти до роботи зі знанням справи та пам’ятати основні правила, вона не забере багато сил і часу. Варто

прибирати

в туалеті

щонайменше

кожні

3—5 днів, а також залишати його в чистоті після кожного використання. Також слід використовувати профілактичні

засоби, такі як туалетні підвіски чи блоки, для підтримання гігієни в унітазі між генеральними прибираннями.

Це цікаво

Японська соціологиня Марі Кондо, авторка серії книг з організа-

ції простору та ведуча популярних телешоу, розробила ефективну

систему позбавлення від мотлоху та раціонального зберігання речей.

Її метод, який має назву КонМарі,

 виділіть час для прибирання;

складається

 уявіть свій ідеальний спосіб життя;

 позбавтеся від непотрібного;

 прибирайте речі за категоріями (одяг, взуття, книги), а не за місцем;

 насамперед упорядковуйте власний простір (кімнату, шафи тощо);

 дотримуйтеся правил сортування, складання та зберігання речей;

 запитуйте себе, чи викликає річ радість (якщо ні — позбудьтеся її).

Марі Кондо

Той дім гарний, де гарні мешканці.

Перлини мудрості

Джордж Герберт, британський поет, оратор, священник

225
найприємніший етап
з кількох рекомендацій:

Правила використання засобів побутової хімії

і техніка безпеки в роботі з ними

Щороку на полицях магазинів з’являється дедалі більше товарів побутової хімії. Різноманітні порошки, пасти,

рідини

, аерозолі

полегшують працю, економлять час, допомагають утримувати в порядку приміщення, меблі та предмети декору зі скла, фарфору, кераміки, кришталю, пластмаси.

Але ці препарати можуть бути й небезпечними – якщо

не дотримуватися техніки безпеки під час їх використання, не виконувати вимог інструкцій, зазначених на пакованні, або застосовувати засоби не за призначенням.

Знаки небезпеки для маркування засобів побутової хімії

Подразнювальний Шкідливий

Їдкий Небезпечний для довкілля

За ступенем небезпеки для людини побутові хімічні препарати можна умовно поділити на 4 групи:

1. Безпечні (попереджувальні написи на пакованні відсутні) – синтетичні та інші мийні засоби.

2. Відносно безпечні (на пакованні є попереджувальні написи, наприклад: «у разі потрапляння в очі змити великою кількістю води») – відбілювальні, дезінфекційні препарати.

3. Вогненебезпечні (з відповідними знаками та написами на флаконах і балончиках) – розчинники, деякі види полірувальних засобів, аерозолі.

4. Отруйні (теж із попереджувальними написами на пакованні) – деякі види плямовивідників.

Перлини мудрості

Гарний дім створюють, а не купують.

Дафна Джойс Мейнард, американська письменниця та журналістка

226

Ярлик на пакованні – основне джерело інформування

користувача про те, до якого класу хімічних препаратів за

ступенем небезпеки належить певний засіб і які запобіжні

заходи потрібні під час його використання та зберігання.

Запам’ятай прості, але необхідні правила безпеки:

 засоби побутової хімії потрібно зберігати в спеціально відведених місцях, недоступних для малих дітей (на верхніх полицях або в зачиненій шафці);

Рис. 3.42. Варіанти зберігання засобів побутової хімії

 усі види паковання з хімічними речовинами повинні мати етикетку;

 перед застосуванням засобу необхідно уважно причитати інструкцію;

 хімічні засоби потрібно застосовувати в кількості, зазначеній в інструкції;

 працювати з препаратами побутової хімії необхідно в гумових рукавичках;

 не можна допускати потрапляння мийного засобу в очі (якщо ж це трапилося, слід терміново промити їх великою кількістю води) та до органів дихання;

 після завершення роботи потрібно як слід вимити руки теплою водою з милом.

227

Рис. 3.43. Безпечне користування мийними засобами побутової хімії Особливих правил обережності необхідно дотримуватися в поводженні з аерозольними балончиками:

 зберігати їх потрібно у вертикальному положенні в прохолодному місці, подалі від джерел тепла;

 під час розпилення аерозолю не можна запалювати газові горілки;

 аерозольні балончики слід викидати після повного видалення вмісту;

 не можна розбирати, кидати у вогонь балончики навіть після їх використання.

Перевір себе та поміркуй

1. Які види прибирання існують і чим вони відрізняються?

2. Яке приладдя необхідне для прибирання оселі?

3. Які бувають мийні засоби та в чому їхні особливості?

4. Які ти знаєш прийоми прибирання для різних приміщень і поверхонь?

5. Яких правил потрібно дотримуватися у використанні мийних засобів?

6. Проаналізуй якість і кількість мийних засобів для прибирання власної оселі.

7. Обґрунтуй важливість користування мийними засобами під час прибирання.

8. Склади інструкцію для прибирання власної кімнати.

Твоя проєктна діяльність Теми дослідницьких, інформаційних, пошукових проєктів

1. Якими мийними засобами користувалися наші бабусі та дідусі?

2. Мийні засоби українського виробництва.

3. Прибирання класної кімнати: необхідне приладдя та мийні засоби.

4. Мийні засоби та екологія.

5. Вплив мийних засобів на організм людини.

228

ДОДАТОК

МІЙ ТВОРЧИЙ ПРОЄКТ

Для розроблення власного проєкту потрібно навчитися

визначати проблемну ситуацію та пропонувати ідеї її

розв’язання.

Проблемна ситуація

Ідеї розв’язання проблеми

Очікуваний результат

Завдання 1. Розглянь пропоновані проблемні ситуації.

Які ідеї ти б запропонував / запропонувала? Який резуль-

тат розв’язання проблемної ситуації тобі сподобався?

Ідеї для творчих проєктів

№ 1

Проблемна ситуація

Я полюбляю грати в футбол.

Мені до вподоби різні дрібнички

з футбольної тематики.

Що можна зробити власними

руками?

Ідеї

Годинник «Футбольний м’яч».

Брелок «Улюблена команда».

Шарф футбольного вболіваль-

ника / вболівальниці.

Панно «Футбол».

Проблемна ситуація

У нашому місті відкрився

зоопарк. Як зробити його

відвідини більш комфортними, а пересування ним – зручним і зрозумілим?

Ідеї

Розробити вказівники для відвідувачів зоопарку.

№ 2

229
л

Проблемна ситуація

Мій молодший брат / сестра

пішов / пішла у 1 клас. Маю

бажання допомогти йому / їй

краще вчитися.

Ідеї

Підставка для книг.

Пенал для олівців.

Тримач для книг.

Проблемна ситуація

Ми з друзями полюбляємо

відпочивати біля річки.

Який виріб можна воготовити, щоб цікаво провести час

на природі?

Ідеї

Повітряний змій.

Гра «Кільцекид». Кораблик.

Ракетки для пляжного тенісу

№ 5

Проблемна ситуація

Хлопчик / дівчинка з нашого

класу вчиться грати на

скрипці. Незабаром у нього /

неї буде перший виступ.

Що можна подарувати

після концерту?

Ідеї

Брелок для музикантів.

Органайзер.

Музичний інструмент із бісеру.

Сувенір / прикраса з дроту.

230 №
3
4

Проблемна ситуація

Ми вирішили провести в класі

тиждень моди. Як можна

прикрасити одяг, запланований

до показу?

Ідеї

Прикраси: заколки для волосся, гердан, браслет, кольє, сережки.

Проблемна ситуація

У нашому класі заплановано

фотовиставку «Життя очима

шестикласників». Буде представлено фотографії наших учнів та учениць. Як підготуватися до цього заходу?

Ідеї

Рамки для фотографій із різних матеріалів.

Проблемна ситуація

У нашому місті планують провести сеанс одночасної гри з шахів. Необхідно почати тренуватися. Що для цього потрібно?

№ 8

Ідеї Виготовити шахи власноруч.

231 № 6
№ 7

Завдання 2. Проаналізуй

понуй власне розв’язання

проблеми.

Проблемна ситуація

№ 1

Проблемна ситуація

Я полюбляю ходити в гори й

уже підіймався / підіймалася

на Говерлу. Мрію підкорити

Еверест. Які корисні речі мож-

на виготовити для походів?

№ 2

Проблемна ситуація

У нашій школі планують

проведення заходу «Вечір

поезії». Необхідно прикрасити актову залу. Які вироби для

цього можна виготовити?

№ 3

Проблемна ситуація

У нашому класному кабінеті

зробили чудовий ремонт.

Однак там недостатньо

кімнатних квітів, бракує

оздоблення стін. Що можна зробити, щоб було затишно та комфортно?

Моя власна ідея ???

Моя власна ідея

Моя власна ідея

Моя власна ідея

Завдання 3. Замислись над тим, що тебе оточує, які події відбуваються у твоєму житті. Запропонуй власну проблемну ситуацію, над розв’язанням якої тобі було б

цікаво працювати.

Проблемна ситуація

Мої ідеї розв’язання проблеми

232
ситуації та запро
проблемні
-
_____________________ _____________________ _____________________ _____________________
_____________________ _____________________ _____________________ _____________________
_____________________ _____________________ _____________________ _____________________ _____________________ _____________________
____________________ ____________________ ____________________
________________________ ________________________ ________________________

Приклад роботи над творчим проєктом «Годинник для моєї кімнати»

Пошуково-дослідницький етап

Проблема. Не хочу ніколи запізнюватися в школу, на зустріч із друзями, на тренування до спортивного залу. Як навчитися контролювати свій час?

Пошук ідей. Я замислився / замислилася над цією ситуацією та зрозумів / зрозуміла, що в моїй кімнаті бракує годинника.

Ідея. Зробити годинник власноруч, щоб він мені подобався та вписувався в інтер’єр моєї кімнати.

План роботи. Я склав / склала такий первинний план своєї роботи:

1. Знайти та розглянути варіанти годинників, які вже існують.

2. Дізнатися, з яких матеріалів їх виготовляють.

3. З’ясувати, яку технологію виготовлення виробу необхідно застосувати.

4. Обчислити можливу вартість виробу.

Інформаційний проєкт «Настінні годинники»

Я переглянув / переглянула чимало фотографій годинників, перечитав / перечитала багато інформації про них, навіть зацікавився їх історією.

Деякі годинники я проаналізував / проаналізувала більш ретельно.

Об’єкт аналізу

Мої коментарі

Цей годинник

здається мені

дуже оригінальним.

Його дизайн

мені сподобався,

однак я вважаю, що він більше підходить

до інтер’єру кухні.

А мені потрібний годинник

для кімнати.

233

Об’єкт аналізу

Мої коментарі

Цікавий годинник.

Однак за ним

буде важко визначити, котра година.

Стильний годинник. Його можна

довго розглядати.

Однак щодо його практичності

в мене є сумніви.

Годинник з гумором.

Коли дивлюсь на нього, завжди всміхаюсь.

Однак що скажуть

про такий виріб батьки?

Я склав / склала перелік матеріалів, з яких можна виготовити годинник. Проаналізував / проаналізувала стиль інтер’єру власної кімнати. Порадився / порадилася з батьками.

Матеріал

Мій вибір

Дріт —

ДВП —

Деревина +

Пластик —

Платівка —

Пінопласт —

Мій висновок: виготовлятиму годинник із деревини.

Вибір технології виготовлення виробу. Таким чином, я обираю технологію виготовлення виробів із деревини.

234

Дослідницький проєкт «Годинник з деревини: чи по-

трібні цифри на циферблаті». Я систематизував / систе-

матизувала годинники за особливостями оформлення

циферблату. Визначив / визначила 4 види циферблатів.

З арабськими

цифрами

З римськими цифрами

Позначення без цифр

Без позначень на циферблаті

Проблемне

питання: З яким

виготовляти годинник?

Мінімаркетингове дослідження

циферблатом потрібно

. Я вирішив / виріши-

ла дізнатися у своїх знайомих і друзів про їхнє ставлення

до користування годинниками. Склав / склала запитання та провів / провела кілька інтерв’ю.

Запитання

інтерв’ю

Годинниками з яким

циферблатом ти зазвичай

користуєшся?

За яким циферблатом

тобі легше визначати час?

Який циферблат, на твою думку, є найбільш оригінальним?

Отримані результати

(найбільші показники)

З арабськими цифрами – 60 %

Для мене це не має значення –50 %

Позначення без цифр – 70 %

Вимоги до об’єкта технологічної діяльності. Я визначив / визначила такі вимоги, за якими створюватиму годинник:

 оригінальний дизайн;

 економічна складова (має вистачити кишенькових грошей, які дають батьки);

 привабливість виробу (вони мають прикрасити мою кімнату).

Створення графічного

зображення майбутнього виробу. На основі аналогічних виробів я запропонував / запропонувала свій варіант годинника і визначив / визначила його розміри та інші відомості.

235

Графічне зображення виробу

Відомості про виріб

Габаритні розміри: 250 мм х 250 мм.

Товщина: 50 мм.

Матеріал: сосна.

Позначення на циферблаті: цвяхи.

Механізм для годинника: придбати в інтернет-магазині.

Визначення

собівартості

виробу. Виходячи з того, що

собівартість – це виражені в грошовій формі поточні

витрати на виготовлення виробу, я склав / склала перелік

усього необхідного

для виготовлення годинника. Дізнавшись вартість кожної складової частини виробу, обчислив / обчислила всі витрати.

Вартість

об’єкта № 1

Деревина

Механізм годинника

Вартість

об’єкта № 2

Вартість

об’єкта № 3

Цвяхи для позначень

на циферблаті

Висновок: підрахунки показали, що кишенькових грошей вистачає на виготовлення виробу.

236
Кишенькові гроші
1 Загальна вартість виробу 2 3
<

Операційно-діяльнісний етап

Ознайомлення з технологією обробки

деревини

необхідно

. Визначив / визначила, що для виготовлення виробу

здійснити пиляння деревини, а потім – шліфування.

Пошуковий проєкт «Вибір матеріалу для виготовлення виробу». Переглянув / переглянула матеріал (деревину), що є в наявності. Визначив / визначила можливість його використання (розміри, якість).

Дослідницький проєкт «Вибір інструментів для виготовлення виробу». Проаналізував / проаналізувала характеристики інструментів, які є в шкільний майстерні. Здійснив / здійснила вибір інструменту.

Співпраця з учителем / учителькою. Учитель / учителька нагадав / нагадала мені основні прийоми роботи ножівкою та особливості шліфування дерев’яних поверхонь. Обговорили техніку безпечної праці. Перед початком роботи з виробом я виконав / виконала тренувальні вправи. Після виконання технологічних операцій учитель / учителька допоміг / допомогла мені здійснити кріплення механізму годинника.

Мій виріб

237

Рефлексивно

-оцінний етап

Самооцінювання. Здійснив / здійснила оцінювання своєї

праці над проєктом. У моїй роботі були помилки та

недоліки. Однак є бажання й надалі створювати цікаві та

оригінальні вироби.

Стадії роботи

над проєктом

Проблемна ситуація.

Пошук ідей розв’язання проблеми.

Моя оцінка роботи

на цій стадії виконання проєкту

Мені здається, що обраний

проєкт був цікавим і важливим для мене.

Складання плану проєкту. Не вдалося скласти повний план роботи над проєктом.

Знадобилася допомога вчителя / вчительки.

Робота з інформаційними

джерелами.

Вдалося знайти

та проаналізувати багато

важливої інформації

для виконання проєкту.

Проведення мінімаркетингового дослідження.

Мені сподобалося проводити маркетингове дослідження. Отримано потрібну інформацію. Хотілося б більше дізнатися про професію маркетолога.

Визначення собівартості виробу.

Виготовлення виробу. Виконання технологічних операцій.

Витрачено багато часу на визначення вартості виробу, однак мети досягнуто.

На жаль, виріб має деякі незначні вади. Навчився / навчилася здійснювати пиляння деревини.

Випробування виробу.

Виріб виконує своє призначення.

238

Оцінка

кінцевого

Характеристика, властивості виробу

продукту проєктної діяльності

Моя оцінка

Оригінальність Добре.

Естетичний вигляд

Не зовсім гарно.

Оцінка

вчителя / вчительки

Ти робиш значні успіхи.

Є над чим працювати, я тобі допоможу.

Надійність

Дуже добре. Так тримати.

Безпека

Технічна досконалість

Виріб враховує безпеку

використання.

Не все вийшло, як планував / планувала.

Якість Добре, але є певні вади виробу.

Гарний результат.

Я в тебе вірю.

Ти вдосконалюєшся. У тебе є певний прогрес.

проєктної діяльності. Підготував / підготувала невелику доповідь про перебіг розв’язання проблемної ситуації та послідовність виготовлення об’єкта проєктування. Змонтував / змонтувала відео про роботу над своїм проєктом (тривалістю 2 хвилини), яке покажу на презентації творчих проєктів учням та ученицям нашого класу. Продумав / продумала, як продемонструю виготовлений виріб.

Презентація

Рефлексія. Після роботи над проєктом я замислився / замислилася над питаннями:

 Що допоможе мені більш якісно виготовляти вироби

з деревини?

 Яких знань і вмінь мені бракує для розроблення

творчих проєктів?

 Над чим я бажаю надалі працювати на уроках

технологій?

239
результатів

Навчальне видання

БІЛЕНКО Олена Володимирівна

ПЕЛАГЕЙЧЕНКО Микола Леонідович

ТЕХНОЛОГІЇ

Підручник для 6 класу закладів загальної середньої

освіти

Рекомендовано Міністерством освіти і науки України Видано за рахунок державних коштів.

Продаж заборонено.

Підручник відповідає Державним санітарним нормам і правилам

«Гігієнічні вимоги до друкованої продукції для дітей»

Головний редактор Іван Білах Обкладинка Тетяни Волошин

Комп’ютерне верстання Мар’яни Тераз

У виданні використано ілюстрації з інтернет-джерел, розміщених у вільному доступі

Формат 70х100 1/16.

Умовно-друк. арк. 19,44. Обл.-вид. арк. 10,50. Наклад 60190 прим. Зам. №

ТзОВ «Видавництво Астон» 46006, м. Тернопіль, вул. Гайова, 8 Свідоцтво про внесення до Державного реєстру суб’єктів видавничої справи ТР №28 від 09. 06. 2005 р. Е-mail: tovaston@gmail.com

Віддруковано ТОВ «ПЕТ» згідно з наданим оригінал-макетом Св. ДК № 6847 від 19.07.2019 р.

61024, м. Харків, вул. Максиміліанівська, 17

240

Turn static files into dynamic content formats.

Create a flipbook
Issuu converts static files into: digital portfolios, online yearbooks, online catalogs, digital photo albums and more. Sign up and create your flipbook.