


tt sammanfatta året som gått på några tusen tecken är dömt att misslyckas. Sällan har väl ett år så skoningslöst proppats med så världsomvälvande händelser. På hemmaplan hade vi dessutom ett utmanande riksdagsval och ett val av ny Statsminister. Att vi inom kort stänger 2022 till förmån för 2023 känns absolut nödvändigt, då det alltid finns en förhoppning om att det nya året faktiskt kommer att bli bra, bättre än föregående.
OCH KANSKE ÄR vi något riktigt bra på spåren i den känslan den här gången. Fast nu pratar vi inte bara om det nästkommande 12 månaderna, utan om en möjlig
och betydligt ljusare framtid. Jag tänker på den nyhet som nådde oss i mitten av december att amerikanska forskare lyckats nå ett historiskt genombrott för fusionskraften, alltså de första stegen mot en ren energikälla som faktiskt kan revolutionera världen.
FUSIONSENERGI ÄR SAMMA gränslösa och rena energiform som solen använder. USA:s energiminister Jennifer Granholm tillkännagav under en presskonferens detta ”stora vetenskapligt genombrott”, ett genombrott som alltså är ett stort steg på vägen för att i framtiden kunna använda fusionsenergi som en ren och utsläppsfri energikälla. Forskarna hade
nämligen lyckats med det som ingen hittills har gjort – att genomföra en fusion där fusionsprocessen pågick så länge att experimentet totalt avgav mer energi än laserstrålarna som satte igång själva reaktionen.
ATT PRODUCERA ENERGI genom fusion har varit en dröm för fysikforskare sedan 1950-talet. En lockelse är att fusionskraften, till skillnad från kärnkraftsenergi, inte lämnar något radioaktivt avfall efter sig som måste slutförvaras tusentals år. Förespråkarna menar därför att fusionsenergin kan hjälpa oss ut ur klimatkrisen genom att det är ett utsläppsfritt alternativ som faktiskt skulle kunna ersätta fos-
sila bränslen. Så, även om det förväntas ta ytterligare några decennier innan fusionsenergin kan vara till något större gagn för människan, så kan ett avgörande steg ha tagits för en ljusare framtid.
SÅ, MED FÖRVÄNTAN om att 2023 kommer bli ett bra år då energikris, krig i Europa och Covid-19 tillhör det förgångna, önskar jag er alla en riktigt God Jul, ett Gott Nytt År och en Ljus Framtid!
Trevlig läsning!
Adressändringar: info@electronic.se
Tekniska redaktörer: Peter Stenumgaard Miklos Steiner Ulf Nilsson Våra teknikredaktörer nås på redaktion@electronic.se
Ansvarig utgivare: Dan Wallander dan.wallander@electronic.se Annonser: 0733-282929 annons@contentavenue.se daveharvett@btconnect.com
Omslagsfoto: Istock
Tryck: Gothia Offset, 2022
Efterpublicering av redaktionellt material medges endast efter godkännande från respektive författare.
Civilingenjör Teknisk Fysik och Elektroteknik (LiTH 1988) samt Tekn Dr. Radiosystemteknik (KTH 2001). Arbetade fram till 1995 som systemingenjör på SAAB Military Aircraft där han arbetade med elektromagnetiska störningars effekter på flygplanssystem. Detta inkluderade skydd mot exempelvis blixtträff, elektromagnetisk puls (EMP) samt High Power Microwaves (HPM). Han har varit adjungerad professor både på högskolan i Gävle och Linköpings universitet. Peter arbetar idag till vardags på FOI. Han var technical program chair för den internationella konferensen EMC Europe 2014 som då arrangerades av Just Event i Göteborg.
Miklos har elektromekaniker- högskoleutbildning för telekommunikation och elektronik i botten samt bred erfarenhet från bl a service och reparation av konsumentelektronik, konstruktion och projektledning av mikroprocessorstyrda printrar, prismärkningsautomater, industriella styrsystem och installationer.
Miklos har sedan 1995 utbildat ett stort antal ingenjörer och andra på sina kurser inom EMC och är också författare till den populära EMC-artikelserien ”ÖGAT PÅ”, i tidningen Electronic Environment.
Under många år var Miklos verksam som EMC-konsult, med rådgivning och provning för många återkommande kunder. Mångårig erfarenhet från utveckling av EMC-riktiga lösningar i dessa uppdrag har gett Miklos underlag, som han med trovärdighet kunnat föra vidare i sina råd, kurser och artiklar.
Ulf har verkat som konsult och utbildare i EMC-frågor sedan 1968, vilket inkluderar provningsverksamhet, utveckling, konstruktion, rådgivning, utbildning samt delegat och föredragshållare i flera EMC-symposier. Hos Ericson Microwave var han ansvarig för deras EMC-verksamhet från 1968 till 1983 och därefter ansvarig hos Don White Consultants Incorporated i Virginia, USA (DWCI) för konsultverksamheten samt reste runt i USA, Europa och Israel, som en av DWCIs EMC-instruktörer.
Han återvände till Sverige 1884 och startade EMC Services Elmiljöteknik AB. 2000 sålde han detta bolag till Saab, men fortsatte som anställd ett antal år fram till pension.
Efter DWCI:s konkurs investerade Ulf i egenutvecklat EMC-kursmaterial och kursverksamhet hos EMC Services. Han har utbildat hundratals ingenjörer i EMC-teknik och regler.
Ulf startade EMC Magazine, vilket sedermera omvandlades till Electronic Environment, där Ulf även tidigare har varit EMC-redaktör. Han har dessutom varit medförfattare till svenska EMC-handböcker på uppdrag av bl a Ericsson och FMV.
Rewiev: "The logical layout of the book appears to be very readable and it is! This book would be an excellent addition to the library of a beginner technical person in the field of EMC Engineering."
Daniel D. Hoolihan / IEEE EMC Magazine"Everything you always wanted to know about EMC but were afraid to ask" är ett måste för alla som arbetar med EMC-frågor. Den presenterar alla grundprinciper och praxis för ett framgångsrikt EMC-arbete genom tydlig handledning med många exempel, illustrationer och guider. Varje kapitel avslutas med självstudiefrågor.
Nu är den här – den kompletta och uppdaterade versionen av Environmental Engineering Handbook
Environmental Engineering Handbook har genomgått en omfattande uppdatering och är den mest kompletta handboken inom miljöteknik. Handboken täcker hela arbetsområdet för miljöteknik och är ett ovärderligt hjälpmedel för att fastställa miljötekniska specifikationer, både nationella som internationella.
Ett heltäckande uppslagsverk som ger vägledning i rätt metodik för miljöteknikarbete, liksom grundläggande regler och råd om hur sådant arbete – korrekt specificerat och verifierat – leder till en säker och pålitlig produkt. Handboken ges ut av Swedish Environmental Engineering Society (SEES).
If you need to know the magnetic field in the vicinity of cables, this simple-to-use Windows simulation tool is for you!
Compute the magnetic field in any number of points due to currents in a complex cable layout in just seconds. Computed field strengths are listed in a table where points with a too high amplitude, compared to a user-defined limit, are highlighted. To get the complete picture, you can plot the field in various ways, e.g., as a color surface plot. Try different ways to reduce the field strength such as, e.g., rearranging cables or using a ground plane. Get the new results by a simple press on a button. The perfect tool for an EMC engineer!
“Everything you always wanted to know about EMC but were afraid to ask”
Den 1 december 2022, trädde Elsäkerhetsverkets tre nya starkströmsföreskrifter i kraft. Syftet med dem är att förenkla och förbättra befintligt regelverk så att den som har en elanläggning och de som utför arbeten på elanläggningar, får ändamålsenliga och begripliga regler.
– I de nya föreskrifterna har vi moderniserat språkbruket och uppdaterat hänvisningar till annan lagstiftning. Reglerna har också framtidssäkrats så långt som möjligt med tanke på den teknikutveckling som sker i samhället och för att möta den ökande elektrifieringen, säger Peter Tunell, som är projektledare och inspektör vid Elsäkerhetsverket.
De nya föreskrifterna handlar om • hur starkströmsanläggningar ska vara utförda (ELSÄK-FS 2022:1)
• hur starkströmsanläggningar ska skyltas (ELSÄK-FS 2022:2), och
• hur starkströmsanläggningar och elektriska utrustningar ska kontrolleras (ELSÄK-FS 2022:3).
De största förändringarna för innehavare Samtliga tre föreskrifter (ELSÄK-FS 2022:1-3) påverkar den som är innehavare av en elanläggning. Sedan tidigare finns regler om att den som innehar en elanläggning ska kontrollera
att elanläggningen och den elektriska utrustningen är säker. De största förändringarna, för den som är innehavare, är att det från och med den 1 december ska finnas dokumenterade rutiner för fortlöpande kontroll och att rutinerna ska tas fram utifrån en riskbedömning. För anläggningar som vanligen är avsedda för enskilt ändamål, exempelvis villor eller fritidshus, krävs dock inte att rutinerna dokumenteras.
– De nya reglerna syftar till att våra elanläggningar och elektriska utrustningar är säkra över tid. Vi bedömer att innehavarens arbete med att kontrollera kommer att underlättas genom att man på förväg bestämt vilka rutiner som krävs. Genom en riskbedömning ska innehavaren anpassa rutinerna efter just de förutsättningar som råder vid den aktuella elanläggningen, säger Peter Tunell.
För att stötta innehavare i framtagandet av rutiner för fortlöpande kontroll genomför myndigheten ett antal utbildningar i december 2022 och januari 2023. På elsäkerhetsverket.se finns
också en vägledning i ämnet att ta del utav.
De största förändringarna för den som utför elarbeten
Den som jobbar yrkesmässigt med el är också ansvarig för hur starkströmsanläggningar är utförda så att personer och egendom inte utsätts för felaktiga och farliga elinstallationer. Därför omfattas även cirka 14 000 elinstallationsföretag i landet av förändringarna. Elinstallationsföretag berörs i första hand av reglerna i den nya föreskriften ELSÄK-FS 2022:1, men behöver känna till vad de två andra föreskrifterna innebär, eftersom man kan ha dubbla roller – både som innehavare och utförare av en starkströmsanläggning.
– I föreskriften ELSÄK-FS 2022:1 finns både grundläggande regler för hur alla typer av starkströmsanläggningar ska vara utförda, men även detaljregler för specifika typer av starkströmsanläggningar. Alla som arbetar med elinstallationer behöver därför ta reda på vilka förändringar som påverkar elarbetet. Precis som tidigare gäller dock att utförandet ska vara enligt god elsäkerhetsteknisk praxis, säger Peter Tunell.
De nya föreskrifterna ELSÄK-FS 2022:1-3 ersätter tidigare föreskrifter om starkströmsanläggningar, ELSÄK-FS 2008:1–3.
Källa: ElsäkerhetsverketGlobal EMC Conference (GEMCCon) 19-20 Januari 2023, Nusa Dua, Bali, Indonesia
Satellite 2023 13-16 Mars 2023, Washington DC, USA
APEC 2023
The Applied Power Electronics Conference 19-23 Mars, Orlando, USA
EUCAP 2023 23-31 Mars, Florens, Italien
2023 International Applied Computational Electromagnetics Society Symposium 26-30 Mars, Monterey, USA
EMV 2023 28-30 Mars, Stuttgart, Tyskland
CEM 2023
11th International Conference on Computation in Electromagnetics 11-14 April 2023, Pullman Cannes Mandelieu, Frankrike
SPI 2023
The 27th IEEE Signal and Power Integrity Workshop 7-10 Maj 2023, Aveiro, Portugal
APEMC + INCEMIC 2023
Joint Asia-Pacific Symposium on Electromagnetic Compatibility (APEMC) and International Conference on Electromagnetic Interference and Compatibility (INCEMIC) 22-25 Maj 2023, Bengaluru, India
ITEC 2023
IEEE Transportation Electrification Conference & Expo 21-23 Juni, Detroit, USA
IEEE International Microwave Symposium (IMS2023) 11-16 Juni 2023, San Diego, California, USA
IEEE International Symposium on Antennas and Propagation & USNC-URSI Radio Science Meeting 23-28 Juli 2023, Oregon, USA
2023 IEEE International Symposium on EMC+SIPI 31 Juli – 4 Augusti 2023, Michigan, USA
EMC Europe 2023 4-8 September 2023, Krakow, Polen
Evenemangen planeras att genomföras enligt ovan vid denna tidnings pressläggning. Aktuell information om eventuella förändringar finns på respektive evenemangs hemsida.
Se respektive förenings hemsida: IEEE www.ieee.se
Nordiska ESD-rådet www.esdnordic.com SER www.ser.se SNRV www.radiovetenskap.kva.se SEES www.sees.se
CE-märkning - med inriktning på elektriska produkter 31 Januari 2023, online www.intertek.se
Kemikalielagstiftning för elektriska produkter – RoHS 7 Februari 2023, online www.intertek.se
Maskinsäkerhet och CE-märkning 15 Februari 2023, Stockholm www.sis.se
ATEX direktiv 25-27 April 2023, Stockholm www.stf.se
Vi tar tacksamt emot tips på kurser, föreningsmöten och konferenser om elsäkerhet, EMC (i vid bemärkelse), ESD, Ex, mekanisk, termisk och kemisk miljö samt angränsande områden. Publiceringen är kostnadsfri.
Sänd upplysningar till: info@contentavenue.se
Tipsa oss gärna även om andras evenemang, såsom internationella konferenser!
Listan upptar ett urval av de standarder som fastställts under oktober 2022. För varje standard anges svensk beteckning, internationell motsvarighet (om sådan finns) och europeisk motsvarighet (om sådan finns). Om den europeiska standarden innehåller ändringar i förhållande till den internationella anges detta. Dessutom anges svensk titel, engelsk titel, fastställelsedatum och teknisk kommitté inom SEK Svensk Elstandard. För tillägg framgår vilken standard det ska användas tillsammans med, men för nyutgåvor och standarder som på annat sätt ersätter en tidigare standard framgår normalt inte vilken denna är eller när den planeras sluta gälla.
SS-EN 62493, utg 2:2015/A1:2022
IEC 62493:2015/A1:2022 • EN 62493:2015/A1:2022
Belysningsmateriel – Mätning av elektromagnetiska fält och bedömning avseende exponering Assessment of lighting equipment related to human exposure to electromagnetic fields
Används tillsammans med SS-EN 62493, utg 2:2015, som från och med 2025-07-20 inte gäller utan detta tillägg A1. SEK TK 34 Ljusarmatur med tillbehör Fastställelsedatum 2022-10-19
Sammanställningen är ett urval av nya svenska standarder på det elektrotekniska området fastställda av SEK Svensk Elstandard de senaste tre månaderna. För kompletterande information: www.elstandard.se
Att det krävs standarder för gränssnitt i system är ju klart, annars passar saker och ting inte ihop. Gränssnitt kan också vara mer än bara fysiska, även kodning och signaler måste följa en standard. Och även produkter som inte ska ha något utbyte med varandra, måste kunna fungera sida vid sida, alltså uppfylla krav på kompatibilitet. Sådana villkor kan man komma överens om och skriva ner i standarder.
Men många innovatörer och teknikutvecklare missar att många standarder egentligen har ett annat syfte. Den som helt dominerar en marknad behöver nog inte bry sig om att skriva en standard tillsammans med andra, utan vill bestämma villkoren själv. Men de flesta företag har ju inte den positionen. De måste lansera sina produkter, metoder och lösningar på en marknad där de inte är ensamma.
Många standarder handlar om funktionen hos en produkt och om hur man provar eller beskriver den. Sådana standarder kan behövas tidigt i en innovationsprocess, för att göra vettiga jämförelser möjliga eller för att öppna för marknadsacceptans. Det kan vara metoder för att prova hur bra en tvättmaskin tvättar eller hur man anger egenskaperna hos en solpanel eller vad ett produktblad för ett nanomaterial bör innehålla.
Också för att lägga en fungerande nivå på barnsäkerhet, elsäkerhet, explosionssäkerhet eller vad det nu kan vara, använder man väldigt ofta standardisering som metod. Inom ramen för en standardiseringsorganisation, alltså ett i sig opartiskt organ, samlas tillverkare myndigheter, användare och vem det nu kan vara som vill komma fram till en gemensam och användbar lösning. Och det resultat man kommer fram till ges ut som standard. Ofta en internationell standard, kanske en europeisk. I allt färre fall en rent nationell lösning.
Den som arbetar med innovation och utveckling måste ha detta klart för sig. Det kan vara svårt att locka kunder med en produkt som inte kan provas - eller ens beskrivas enligt någon standard, och alltså inte kan jämföras med andra produkter. I gengäld kan en standard öppna marknaden,
www.electronic.se – Electronic Environment online
för alla tillverkare. Du är kanske inte ensam om din idé. Det kan finnas fler som funderar på samma sak, och de kanske redan tillsammans börjat skissa på en standard som passar dem.
… för innovativa lösningar Standarder är inte bara något man hänvisar till i offerter. Standarder ger också en plattform för framgångsrika forsknings- och innovationsprojekt och för nya produkter och tjänster. Genom att bygga förtroende för nya innovativa lösningar hjälper standarder därför till att överbrygga innovationsgapet mellan forskning och marknadseffekt.
Ett exempel är ljusbågsdetektorn, en produkt som fått genomslag sedan egenskaper och provningar lagts fast i en standard. Redan på ett tidigt utvecklingsstadium kan man ha nytta av att enas om mätmetoder i en standard, som hur man jämför man olika slags vågkraftverk med varandra. Eller kring etiska och moraliska frågor vid tillämpningen av artificiell intelligens, AI, i samband med välfärdsteknik. Vet du vilka standarder som gäller för din kommande produkt?
Jämfört med den första utgåvan, SS-EN 62619 från 2017, har en del provningar utökats och det har även tillkommit nya fordringar på batterisystem i SS-EN IEC 62619, utg 2:2022. Bland annat ska systemet ha en funktion som avbryter driften om en eller flera celler avviker från det specificerade driftområdet (ström, spänning, temperatur).
Förutom gängse teknisk information ska tillverkaren också tillhandahålla råd beträffande montering, lagring och högsta antal celler som kan seriekopplas. Även ett allmänt krav beträffande EMC (elektromagnetisk kompatibilitet) har lagts till i den nya utgåvan.
Standarden gäller för litium-jonbatterier och litium-jonceller för stationära tillämpningar, som energilager och installationer för reservkraft, och för olika typer av truckar och rörliga maskiner, förutom i vägfordon. I den nya utgåvan betonas att den gäller för nya batterier i deras första användning, och inte för batterier som återanvänds i någon mindre krävande tillämpning. Särskilda, kompletterande fordringar som man i internationellt samarbete funnit behövs just för energilager finns i SS-EN IEC 63056.
De här standarderna handlar alltså om celler och batterier. De har tagits fram i internationellt samarbete inom IEC. Svensk industri deltar genom SEK Svensk Elstandard och den tekniska kommittén SEK TK 21, Laddningsbara batterier. Går vi upp en nivå, till installationen, finns SS-EN IEC 62485-5. Den behandlar säkerhetsaspekter i samband med installation, användning, inspektion, underhåll och bortskaffande av litium-jonbatterier i stationära tillämpningar. För truckar, städmaskiner och andra rörliga tillämpningar är motsvarande standard SS-EN IEC 62485-6.
Vi kan gå upp ytterligare en nivå och se på batterilagret utifrån, som en komponent i elnätet.
Då har vi en annan typ av säkerhetssäkerhetsfordringar, läs mer om det och om SEK TK 120 på vår hemsida.
Standarder är inte bara något man hänvisar till i offerter. Standarder ger också en plattform för framgångsrika forsknings- och innovationsprojekt och för nya produkter och tjänster. Genom att bygga förtroende för nya innovativa lösningar hjälper standarder till att överbrygga innovationsgapet mellan forskning och marknadseffekt.
IEC TC 21 och IEC TC 120 är aktiva tekniska kommittéer som samlar experter från hela världen. Standarderna därifrån antas normalt också som europeisk standard och fastställs som svensk standard av SEK Svensk Elstandard. Inom IEC samlas man för arbete med standarder inom el, elektronik, informationsteknologi och angränsande områden. Svenska intressenter deltar genom SEK Svensk Elstandard, som är den svenska standardiseringsorganisation som är medlem i IEC. Sedan 1907.
Den som inte är med i arbetet, utan bara läser och använder standarderna, kan förstås enkelt ha sitt standardbibliotek uppdaterat och lätt tillgängligt på nätet.
Självstudiekurs för chefer och konstruktörer:
Målgrupp är ALLA som vill slippa störningar, dvs chefer (alla nivåer), kvalitetsansvariga, projektledare, marknadsförare, säljare, installatörer, el- och elektronikkonstruktörer, mekanikkonstruktörer, m fl. EMC! På vår hemsida www.electronic.se finns en kort repetition av elläran samt andra grunder att behärska för att lättare förstå våra texter.
I denna kursdel (den fjärde) behandlar vi zonindelningsverktyget, vilket är det mest väsentliga verktyget för en EMC-ingenjör. Zonindelning, eller Behärskad Elektromagnetisk Topologi (BET), används i första hand för planering av konstruktioner (kretskort, apparater, installationer, anläggningar mm), men är även synnerligen användbart vid analys av befintlig utrustnings EMC-egenskaper.
Efter genomförd zonindelning ska aktuell utrustning apparatiseras, vilket sker med olika uppbyggnadsstrategier (kretsval och -placering, lednings- och kabeldragning, mm) och med speciella EMC-tekniker: skärmning, filtrering och jordning, eller ofta, icke-jordning, dvs isolering. Dessa och andra EMC-tekniker beskrivs i övriga EMC-kurser i denna kursserie.
Ett grundläggande verktyg, som används inom EMC-konstruktion och vid analys, är Zonindelning. Zonindelning som princip är inte svårt att förstå och tillämpa. Den används i de mest skiftande sammanhang; allt ifrån gamla kommunist-diktaturer såsom det forna DDR till stadsplanerare och EU. Zoner används för att åstadkomma olika egenskaper i avgränsade geografiska områden eller inom volymer. Zonindelning til llämpad inom el- och elektronikkonstruktion benämns även Behärskad Elektromagnetisk Topologi, BET (se FMVs EMMA-handbok).
För att riktigt förstå zonindelning och att verkligen ta den på allvar ger vi här nedan en kort jämförande historisk beskrivning om zonindelning i allmänhet.
På kalla krigets tid, efter andra världskriget, uppstod ett kommunistisk diktaturland, som ville ”skydda sina invånare” från kapitalismens fasor. Mitt i DDR låg nämligen Väst-Berlin, som var en del av Västtyskland; granne med Öst-Berlin och DDR. Berlin var uppdelad i olika zoner. Makthavarna i DDR var mycket rädda att de egna invånarna skulle komma att påverkas av väst och bestämde sig för total isolering. De byggde en hög mur, Berlinmuren (= zongräns), för att skilja invånarna i de två systemen åt (jfr.: skärm). Man kunde passera från den ena zonen till den
andra endast genom kontrollerade övergångar (jfr.: filter). Det var ytterst viktigt att dessa övergångar var placerade så att ingen kunde gå runt dom, alltså i muren (jfr.: filter och skärm). För att ytterligare förbättra skärmningseffektiviteten murades alla fönster och öppningar som vätte mot väst igen (jfr läckande skärm). Där det fanns utrymme skapade man ett ingenmansland omgärdat av taggtråd (jfr.: avstånd = generaliserad skärm samt överspänningsskydd), detta för att ytterligare öka säkerheten och minska kopplingen (jmf.: överhörning).
Varje zon har en viss kommunikation med omvärlden via intilliggande zoner och kan alltså inte vara helt avskuren (jfr.: anslutande ledningar och kablar). T ex tåglinjerna (jfr.: kablar) lämnades inte heller åt slumpen. Den gemensamma knutpunkten i Berlin var ”Friedrichstrasse Bahnhof”. Dit anlände både västtåg och östtåg på sina respektive spår. För att effektivt förhindra ev. sammanblandning skiljde ett högt plank spåren åt (jfr.: klassning av kablar och kabelskärm). Observera att i detta fall gäller zonindelningen för olika fenomen: både rörelse av fordon och individer, ljud och ljus, dvs att förhindra någon att kunna kika över till andra sidan.
Man byggde nästan perfekta zongränser: zongränsen var ofullständig uppåt. Man kunde ju inte lägga på tak.
Ett annat bra exempel på zonindelning är zonindelning i städer: Göteborgs centrum är indelat i fyra zoner för att kunna styra trafiken på önskat sätt. Det är bara tillåtet att korsa zongränserna på vissa definierade vägar, andra möjligheter är spärrade (jfr.: krestkortslayout). Observera att i detta fall gäller zonindelningen endast för ett enda fenomen: biltrafik (jfr.: åskskydd).
EMC = Elektromagnetisk kompatibilitet (förenlighet) avser en apparats förmåga att fungera tillfredsställande i sin avsedda elektromagnetiska miljö utan att tillföra oönskad elektromagnetisk störning till denna miljö.
Elmiljö = Summan av alla elektromagnetiska fenomen som existerar i en given volym.
Elmiljö-zon = Volym, begränsad av en sluten yta (verklig eller imaginär), med bestämd elmiljö. Elmiljön i en zon skiljer sig i något avseende från intilliggande zoner.
Zonindelning är ett konstruktionsverktyg som används för att åstadkomma balanserade EMC-lösningar. Kopplingsvägar och kopplingsmekanismer identifieras lätt, ty all koppling sker genom zongränsen.
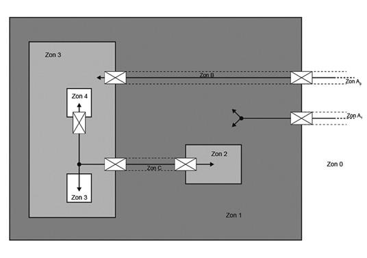
Zoner, zonindelning och zongränser beskrivs och illustreras med enkla geometriska figurer (Figur D 1).
I Figur D01 kan t ex Zon 0 representera en allmän omgivningsmiljö och Zon 1 den miljö, som finns i ett måttligt skärmat utrymme, t ex en byggnad. Zon 3 kan representera ett apparatskåp med bestämda skärmningsegenskaper och, framför allt, bestämd inre elmiljö. I skåpet kan finnas både skärmade och oskärmade lådor. Till skåpet finns en skärmad apparat ansluten, i vilken miljö för Zon 2 existerar. I Zon 3 (skåpet) finns även enheter, vilka är specificerade för zon-3-miljö avseende både tålighet och tillåten emission. I varje zongräns måste det finnas filter för kablar och ledningar, vilka matchar utrymmets skärmningseffektivitet. Saknas filter, eller bestämd skärm för en mekanisk enhet, är den en del av den omgivande zonen, dvs dess miljö är densamma som den zon den inte är filtrerad eller skärmad emot.
I närheten av alla oskärmade kablar är miljön annorlunda än i den volym kablarna finns och särskild zontillhörighet åsätts, t ex kabelzonerna A, B, C osv. Zongränsen är i detta fall osynlig (avståndsgränser) och inte särskilt tydlig. Om kablar skärmas, är gränsen mellan kabelzonen och omgivande zon däremot markant.
När man börjar planera ett system kan man börja med att tänka efter vilka olika elektromagnetiska miljöer, som kommer att förekomma för olika apparater: vilka zoner (= miljöer) behövs eller finns redan, hur många olika zoner är optimalt och var skall man placera zongränserna osv.
I militära applikationer tillämpade man förr ofta taktiken att ha en enda zongräns mot omvärlden och minimera antalet interna zoner. Man realiserade konstruktionen genom att kapsla in den i skärmande metallådor och använde skärmande kablar. Detta tankesätt ger helskärmade konstruktioner, en lösning som inte passar överallt.
Till exempel i civila fordon måste man vara ytterst restriktiv med vikten och kostnaderna, därför är helkapslande metallådor inte förstahandsvalet.
I Figur D02 visas första steget i en planering avseende zonindelning. Vi antar att detta är ett elektroniksystem med två samarbetande apparater. Vi utgår från systemets avsedda elmiljö, som betecknas Zon 0. Där bestämmer relevanta EMC-standarder och verkliga yttre elektromagnetiska påkänningar vad vårt system kan förväntas utsättas för (= tålighetskrav) och vilka maximala elektromagnetiska emissionsnivåer, som är acceptabla i denna elmiljö (= emissionsbegränsningar).
En allmän elmiljövolym inom apparat 1 kallar vi Zon 1. Zon 2a är kanske någon kombinerad strömförsörjnings- och kommunikationsenhet inhyst i apparat nr 1. Apparat nr 2 har sin egen Zon 2b, som är skild från alla de andra zonerna. Zon 3 kan vara en extremt känslig eller störande del av konstruktionen och därför bildar den en egen zon.
Figuren visar att varje ledare, som går mellan olika zoner, måste filtreras i zongränsen med avseende på störningsfenomen och nivåer och att varje zon måste ha sin egen skärm, imaginär eller verklig. Man kan lätt se att denna lösning innebär rätt många filter (= dyrt). Där-
Figur D01. Exempel på zonindelning.
Figur D02. Zonindelningsplanering 1.
Figur D03. Zonindelningsplanering 2.
Figur D04. Kopplingsvägar – kopplingskedjor.
Figur D05. Zongränsprincip.
skärmad
oskärmad spänningsmatning
oskärmad
5v ov 5v ov ov ov ov ov ov ov IC1 IC2 IC3 ? ? ? ? ? ? Z2 Z0 Z1
skärmad
signalkabel
1 2 3 2 2 3 1 4 2 2 2 ov ov
Figur D07. Åtgärder vid kabeldragning genom skärmlådor (zongränser):
1. Runtomanslutning av kabelskärmen till skärmlådan.
2. Filtrering (kan vara olika former av filter, här illustrerat med en kapacitans).
3. 0V-ledaren ansluten till skärmen om 0V är ansluten till skärmlådan. Direktanslutning = kortslutning är det bästa filtret.
4. Kabelskärmen ansluts till 0V på mönsterkortet så lågimpedivt som möjligt om 0V är ansluten till skärmlådan.
för spinner vi vidare till Figur D03, som är ett annat lösningsförslag för samma system. Vi kan spara in på några filter genom att använda skärmade kablar. Skärmad kabel kan förbinda olika zonvolymer med samma miljöer och representerar internt samma elmiljözon. Detta förutsätter att kabelskärmen är korrekt hanterad (ansluten) i bägge ändar.
Störning kan definieras som oavsiktlig energiläckage från källa till offer. Störning kopplar ofta via parallella vägar. Det finns tre huvudsakliga kopplingsvägar eller sätt: fältkoppling (fjärrfältkoppling), överhörning (eg. närfältskoppling) och ledningsbunden (ledd) koppling. Störningen ändrar ofta karaktär och övergår från en form till en annan med många kombinationsmöjligheter i kopplingskedjan. Se Figur D04.
Zongränsen skall åstadkomma en kopplingsreducering för ett eller flera elektromagnetiska fenomen och kan genomföras på flera sätt (se Figur D05). Generellt kan sägas att zongränsen är en topologisk begränsningsyta, som representerar kopplingsreduktion mellan olika elektromagnetiska miljöer (zoner).
Kopplingsreducering kan likställas med en generaliserad skärm, dvs. en åtgärd som reducerar koppling. Åtgärden kan vara:
Figur D06. Vilka åtgärder krävs vid kabeldragning genom zongränser, som i detta fall är skärmlådor?
Svaret är (se Figur D07):
• 5V-ledningen skall filtreras i varje zongräns.
• 0V-ledningen skall anslutas i varje zongräns om 0V är ansluten till skärmlådorna.
• Kabelskärmen skall anslutas till skärmväggarna.
• Kabelskärmen ansluts dessutom till 0V i Z2 om 0V är ansluten till skärmlådan.
• Oskärmad parledare skall filtreras med lämplig filter i varje zongräns.
• Isolering (t ex transformator, optokopplare, icke-jordning).
• Avstånd (fält avtar med avståndet).
• Depolarisering (t ex två spolar som ligger på en linje eller parallellt kopplar mer än de som ligger vinkelrätt till varandra; antenner med olika polarisation).
• Närhet till jordledare, -nät, -plan (minskad fältkoppling).
• Mer eller mindre omslutande metallhölje (skärm).
www.electronic.se – Electronic Environment
För att behålla zongränsintegriteten krävs det ofta flera kompletterande åtgärder, som tar hand om både ledningsbunden störning och fältstörning. Mot fältstörning används ofta skärm och mot ledningsbunden störning LC-filter, överspänningsskydd eller transformator. Ett filter eller transformator måste sitta i zongränsen (skärmen) för att vara effektiv, dvs. filter utan skärmvägg är i princip overksamma. Även det omvända gäller, dvs en skärmvägg utan filter som ofiltrerad penetreras av en endaste elektrisk ledare (ledning, rör, vajer mm) kan förstöra zongränsintegriteten.
Exempel: Vi tittar på en konstruktion (se Figur D06), där tre olika typer av ledare passerar flera zoner: Ledningarna kommer från den yttre zonen Z0 och passerar skärmen mellan Z0 – Z1 och vidare genom skärmen mellan Z1 - Z2. De tre typerna är:
• Spänningsmatning med tvinnad parledare för 0V och 5V, som matar kretsar både i Z1 och Z2.
• Skärmad signalkabel (tvinnad parledare), som styr en krets i Z2.
• Oskärmad balanserad tvinnad signal-parledare, som styr en annan krets i Z2.
Digitala eller schwitchande aktiviteter på kretskort ger upphov till radiofrekvent störningsfält i närheten av komponenter och kretskortsledare. Dessa lokala störningsfält kan lätt koppla till närliggande andra kretsar, ledare och kablar. Störningsfälten ger även upphov till strömmar i olika ledande strukturer såsom chassi, andra kretskort, kablar mm.
Anslutande kablar till en kretskort kan även leda störningsström, orsakade av obalans i signalöverföringen, mellan kretsar på kretskortet.
Ofta hittar dessa radiofrekventa störningar sin väg till externa kablar anslutna till apparaten resulterande i gemensam-mod strömmar (common mode, CM), vilka sprids till anslutna apparater och som fält till omgivningen.
Denna gemensam-mod ström, som flyter i det externa kablaget, är allt som ofta den dominerande kopplingsvägen för fältemission.
Det kan noteras att alla kablar, oavsett om de är avsedda för ut- eller insignaler, matningsspänning eller är grön-gul PE-ledare, kan vara bärare av högfrekventa CM-strömmar och därmed agera som oavsiktliga antenner.
Mellan en störningskälla och ett störningsoffer finns oftast, som tidigare visats, flera parallella kopplingsvägar. Kopplingssätten kan, för en viss störningssituation, vara blandade och ske via ledning, fält eller båda. Förutom parallella kopplingsvägar kan det givetvis finnas seriekoppling i varje sådan kopplingsväg. En störning kan vara ledd hela vägen mellan källa och offer eller så kan den överföras som fält (närfält eller fjärrfält). Se Figur D04.
En ledd störning kan även övergå till fält för att sedan direkt påverka offret eller återigen bli ledd och via anslutna ledningar påverka offret. Ett fält från källan kan bli en ström på en ledning och därefter via överhörning (närfältkoppling) övergå till ledd koppling till offret. Osv.
Alldeles invid källan eller offret är störningen alltid led, d v s ström och spänning på en ledare (om än aldrig så kort).
Figur D08. Zonindelningsexempel på kretskort.
En praktisk tillämpning av zonindelning för kretskortsnivå visas i Figur D08:
Zon 3: Komponenter med högsta arbetsfrekvens placeras längst bort från anslutningsdonet = avståndsseparation relativt anslutningsdonet. (Rymningsbenägna personer i gamla öststater fick aldrig tillstånd att besöka gränstrakterna; det fanns en säkerhetszon på ett par km upprättad av staten och det krävdes särskilt tillstånd för besök där.)
Zon 1: I/O-kretsar placeras närmast anslutningsdonet = del av den primära zongränsen för kretskortet.
Zon 2: Kretsar med medelhög arbetsfrekvens placerade mellan Zon 1 och 3 = intern zon.
Huvudzongränsen till den yttre zonen (Zon 0) är dragen mitt i filterraden. Alla anslutande ledningar skall vara filtrerade och i förekommande fall skyddade mot överspänning. (Jfr Checkpoint Charlie.)
Anslutande ledningar kan vara zonindelade genom förläggning i separata buntar med visst avstånd dem emellan (sk kabelklassning) beroende på grad av störningstålighet och störningsemission relativt varandra (jfr ”Friedrichstrasse Bahnhof”).
För att förhindra att en störningssituation uppstår, måste alla parallella kopplingskedjor reduceras, störningsalstringen i källan reduceras eller störningståligheten öka. Kopplingen kan reduceras antingen vid källan, vid offret eller däremellan. Oftast behövs flera barriärer för att uppnå tillräcklig kopplingsminskning (dämpning). Notera att vid mer än en kopplingsväg adderas störningseffekten i störningsoffret och att kopplingsmekanismerna kan vara frekvensberoende!
Att komma ihåg:
• Samtidig koppling via flera parallella kopplingskedjor kan förekomma.
• Alla kopplingsvägar måste vara tillräckligt svaga för att störningssituation skall undvikas.
• Man kan reducera emissionen från källan eller skydda offret eller bådadera.
• Man kan reducera eller ta bort störningskällan.
• Man kan förbättra störningsoffrets tålighet.
Ett jordplan i ett kretskort eller en monteringsplåt i ett elskåp kan agera som en generaliserad skärm. Dessa har kopplingsreducerande egenskaper. Alla åtgärder som reducerar koppling sorterar under begreppet generaliserad skärm.
Figur D09 illustrerar begreppet generaliserad skärm. Figuren kan föreställa ett kretskort med monterade komponenter eller ett apparatskåp med monterade apparater eller ett datorrum med sammankopplade skåp med digital utrustning.
Figur D09. Exempel på olika zongränsutföranden: avstånd, jordplan, skärmande lådor, filter.
Figur D12. Princip för sekundärskydd för apparat.
I närheten av plåten råder en annan elmiljö än en bit därifrån; zongränsen uppåt bestäms av avståndsdämpning av fält och är inte lättbestämd och därmed osäkert (jämför Berlinmuren: vissa försök gjordes att hoppa eller flyga över muren.)
Det är bra om konstruktören ändå är medveten av denna zongräns och ser till att den inte överträds. Ofta får praktiska begränsningar bestämma denna ”osynliga” gräns; man gör volymen, dvs avståndet, så stor som möjligt. Praktiska försök får ofta avgöra om avståndet mellan t ex olika apparater, kablar eller kretskort är tillräckligt.
Kretskort: se till att andra kort eller kablar inte kommer alltför nära och punkterar denna zongräns, dvs medför störning.
Datorrum: se till att belysning och dess kablage hålls på behörig avstånd från apparaterna och signalkablarna. Inga hängande armaturer, till exempel.
Skalskydd = Apparatiserad zongräns, som skall dämpa alla ledningsbundna och fältöverförda störningar till nivåer lägre än en maximalt accepterad nivå, vilken i sin tur är lägre än inom zonen befintlig utrustnings tålighet.
Figur D10. Principer för intagsplåt. Genom att samla alla anslutningar med filter på ett ställe reduceras påkänningen på skärmen.
Skalskydd = En volym omgiven av ett mer eller mindre tätt metallskal (skärm), i vilket filter monteras. Del av skärmen (generaliserad skärm) kan vara jordplan eller avståndsseparation, se Figur D09.
Filter placeras alltid i en zongräns, dvs monteras i skärmvägg eller i kanten på jordplan.
Ett av de områden där zonindelning ofta används är konstruktion av åskskydd.
Åskledare bör installeras på byggnader, antennmaster mm. En åskledare har till uppgift att leda åskalstrad ström förbi en byggnad, oftast till marken.
Så kallade primärskydd bör installeras för att skydda inkommande ledningar till byggnaden, dvs förhindra att överspänningar tränger in. Det behövs rätt installerade skydd vid kabelintag på alla kablar och ledningar, såsom för el, tele och kabel-TV. Se Figur D10. Ett överspänningsskydd har till uppgift att begränsa spänningstoppen genom en tillfällig kortslutning. Primärskydd ansluts mellan avsedd ledare och jord (intagsplåt) och begränsar överspänningen till nivåer, vilka anslutna apparater tål.
Varje apparat bör i sin tur förses med sekundärskydd, som begränsar överspänningen ytterligare, detta för att skydda kretsarna och komponenterna i apparaten. Rätt installerade skyddskomponenter för ap -
Figur D13. Intagsplåt för byggnad. Om alla elektriskt ledande anslutningar samlas på ett ställe slipper man strömmar genom byggnaden och dess elsystem.
Avsikten med jord är att vara referens för en elektrisk krets eller apparat och att ansluta (jorda) kretsen till denna referens är, att kretsen ska ha samma potential som referensen.
Mer om jordning i avsnitt JORD OCH JORDNING i senare kurs!
ZONINDELNINGSEXEMPEL
I en relativt liten enhet såsom en mobiltelefon är det en nödvändighet att konstruera med zoner. Betänk att en mobiltelefon innehåller en stark sändare (≤ 2 W) och en mycket känslig mottagare. Dessa arbetar i samma frekvensband mycket nära varandra både avståndsmässigt och frekvensmässigt.
Sändarslutsteget bildar en egen zon skyddad med en lokal skärmkåpa. För övrigt bildar telefonens olika funktionsdelar också separata zoner avgränsade av kretskortets jordplan och guldpläterade eller förtennta anslutningsytor, vilka möter den fackindelade och metalliserade plastkåpan via ledande elastomerpackningar. Se Figur D16.
Figur D14. Jordning av skärm.
Figur D15. Jordning som medför "punktering" av skärm.
paratskydd skall avleda överströmmen till apparatskärm eller lokalt jordplan (se Figur D11).
Figur D12 visar åtgärder för en apparat ansluten till el- och tele-nät. För rätt utförd installation skall utjämningsledaren (ännu bättre: plåten) vara så kort som möjligt (kortare än 10 cm).
• Alla ledande serviceanslutningar (el- och telekablars mantlar, vattenledningsrör osv) förbinds runtomslutande med intagsplåten.
• Intagsplåten ansluts till byggnadens armering och till byggnadens blixtavledarsystem.
• Transientskydd installeras i alla el- och teleledningar vid intagsplåten.
• Obs: byggnadens åskledarsystem är det övergripande skyddet!
Enligt BET-modellen definieras jord som den ledande delen av en generaliserad skärm. Om hela skärmen är ledande blir hela skärmen jord. Det måste vara, från en krets räknat, den elektriskt närmaste skärmen, den lokala skärmen, som är kretsens jord.
Av detta följer, att jordning är endast tillåten inuti en zon, se figur Figur D14. En jordningsledare, som passerar en zongräns utan filter eller anslutning till zonens skärm, punkterar skärmningen och medför lika miljöer i båda volymerna, se Figur D15.
Figur D16. Exempel på zonindelning av kretskort med både inre (plåtkåpa med ventilationshål) och yttre skärmande kåpor.
Detta är den fjärde EMC-kursen i en serie kurser med syfte att ge olika yrkeskategorier inblick, förståelse och kunskaper om vad EMC innebär och hur EMC uppnås. Denna kursdel har behandlat det viktiga planerings- och analysverktyget Zonindelning. Övriga kurser ger inblick i olika EMC-teknikområden såsom skärmning, filtrering, jordning och installation, men introduktionskursen och kursen om Störningskällor, störningsoffer och kopplingsvägar är ett måste för den som vill behärska EMC-tekniken.
Fortsätt nu med självtest genom att välja svarsalternativ i Frågor och Svar. De rätta (eller mesta rätta) svaren finner du längre fram i Electronic Environment.
Har du frågor eller synpunkter är du hjärtligt välkomna med dessa till info@contentavenue.se. Vi utlovar inga personliga svar (även om det kan bli så), men vid behov publicerar vi tillrättalägganden. Vi uppskattar ditt engagemang!
Miklos Steiner redaktion@electronic.se Ulf Nilsson emculf@gmail.com
1. Vad är zonindelning inom EMC-konstruktion?
A. BET Behärskad Elektromagnetisk Topologi B. Kopplingsmekanism
C. Ett grundläggande verktyg för konstruktion
D. Ett grundläggande verktyg för analys
E. Kopplingsvägar
2. Vad kallas summan av alla elektromagnetiska fenomen som existerar i en given volym?
A. Elmiljözon
B. Elmiljö
C. EMC-konstruktion
3. Varför används zoner i allmän mening?
A. Zoner används för att åstadkomma skilda förhållanden i avgränsade geografiska områden eller volymer
B. För att underlätta passage
C. För att kontrollera passage och försvåra ej behörig passage
4. Vad karakteriserar en Elmiljözon?
A. Inom zonen existerar en bestämd elektromagnetisk miljö
B. Kopplingsmekanism
C. Begränsad av en sluten yta (verklig eller imaginär)
D. Elmiljön i en zon skiljer sig i något avseende från intilliggande zoner
E. Kopplingsvägar
5. Vad kallas en volym, avgränsad av en sluten yta, med bestämd elmiljö?
A. EMC
B. Åskskydd
C. Elmiljözon
6. Vad är fördelarna med att jobba med zonindelning?
A. Verktyg
B. Lätt att identifiera kopplingsvägar C. Lätt att identifiera kopplingsmekanismer
7. Vilken miljö betecknas ofta som ZON 0 och vad bestämmer elmiljön där?
A. Elmiljön där utrustningen avsedd att användas i
B. Relevanta EMC–standarder
C. Verkliga och förväntade yttre elektromagnetiska påkänningar
D. Spänningsnivån
8. Vad är nackdelarna med taktiken att ha en enda zongräns, den mot omvärlden?
A. Färre filter
B. Heltäckande kapslingar väger; mindre lämplig om produktens vikt är viktig t ex för fordon och flyg
C. Heltäckande kapslingar kostar (skärma ett pansarfordon!)
D. Interna störningar är svårbemästrade om man bara bryr sig om yttre miljön
9. Hur skapar man korrekta elmiljözoner?
A. Varje ledare, som går mellan olika zoner, måste filtreras i zongränsen med avseende på störningsfenomen och nivåer
B. arje zon måste ha sin egen skärm, imaginär eller verklig
C. Tillämpar relevanta standarder
D. Använder skärmade kablar
10. Vad är störning i detta sammanhang?
A. Oavsiktlig energiläckage från källa till offer
B. Funktionsavvikelse
C. Utebliven funktion
D. Oljud
11. Vilka är kopplingssätten?
A. Ledningsbunden koppling
B. Fältkoppling
C. Överhörning
D. JOskärmade kablar
E. Flera vägar samtidigt
12. Vad är en zongräns?
A. EMC
B. Åskskydd
C. En topologisk begränsningsyta, som representerar kopplingsreduktion mellan olika elektromagnetiska miljöer
D. All koppling till omgivningen sker genom zongränsen
13. Vad är en generaliserad skärm?
A. Åtgärd som reducerar koppling
B. Tillämpning av relevanta standarder C. Filter
D. Överspänningskydd
E. Skärmad kabel som förbinder två enheter F. Jordplan i ett kretskort
G. Sammanhängande lågimpediv metallstruktur H. Jordning
I. Depolarisering
J. Isolation
14. Vilka åtgärder reducerar fältkoppling?
A. Sammanhängande lågimpediv metallstruktur: skärm
B. Filter
C. Skärmad kabel
D. Överspänningskydd
E. Isolation
F. Jordplan i ett kretskort G. Avstånd H. Jordning
I. Depolarisering
15.
åtgärder
A. Sammanhängande lågimpediv metallstruktur: skärm
B. Filter C. Överspänningskydd
D. Isolation
E. Jordplan i ett kretskort F. Avstånd G. Jordning
H. Depolarisering
16. Hur bevarar man zongränsen och zongränsintegritet?
A. Mot fältstörning används ofta skärm
B. Flera kompletterande åtgärder som tar hand om både ledningsbunden störning och fältstörning
C. Filter kan sitta mitt på en ledning
D. Ledningar (kabel, rör, vajer), som passerar skärmen är tillåtna
E. Mot ledningsbunden störning används långa ledare F. Filter utan skärmvägg är i princip overksamma G. Mot ledningsbunden störning: LC-filter, överspänningsskydd eller transformator; dessa måste sitta i eller mycket nära zongränsen (skärmen) för att vara effektiva
17. Vad är viktigt för planering av zoner på ett kretskort?
A. Avståndsseparation: komponenter med högsta arbetsfrekvens placeras längst bort från anslutningsdonet B. I/O-kretsar placeras närmast anslutningsdonet C. Huvudzongränsen är dragen mitt i filterraden D. Anslutande ledningar skall zonindelas och hållas borta från kretskortet E. Isolation F. Jordplan G. Avstånd H. Jordning
18. Vad är viktig för zongränsintegriteten?
A. Avståndsseparation från lokala störningsfält: andra kort eller kablar får inte kommer nära B. Alla anslutande ledare skall vara filtrerade i zongränsen C. Att det finns en fysisk skärm som utgör zongräns D. Begränsa CM-ström i anslutande ledningar E. PE-ledaren undantagen
19. Vad är de möjliga källorna till högfrekventa störningsfält?
A. Digitala aktiviteter på kretskort ger upphov till radiofrekvent störningsfält i närheten av komponenter och kretskortsledare B. Obalans i signalöverföringen C. Strömmar i olika ledande strukturer såsom chassi, andra kretskort, kablar mm. D. Åska
20. Vad är den dominerande kopplingsvägen för fältemission och fälttålighetsproblem?
A. Common mod-ström, som flyter i alla kablar, oavsett om de bär ut- eller insignaler, matningsspänning eller är grön-gul PE-ledar
B. Spänningsmatningskablar
C. Kablar bärande utsignaler
D. Oskärmade kablar
21. Hur fungerar kopplingskedjor?
A. Alltid via gemensammod-ström
B. Kopplingssätten kan vara blandade och ske via ledning, fält eller båda
C. Vid källan eller offret är störningen alltid ledd
D. Störningen behåller sin karaktär hela vägen från källan till offer
22. Hur förhindra att en störningssituation uppstår?
A. Alla parallella kopplingskedjor reduceras
B. Kopplingen kan reduceras antingen vid källan, vid offret eller både och
C. Skärmade kablar
D. Jorda
23. Vad är en skalskydd?
A. Bunker
B. Apparatiserad zongräns
C. En volym omgiven av ett tätt metallskal
D. En volym omgiven helt eller delvis av en skärm, i vilket filter monteras på alla elektriskt ledande strukturer (ledare, kablar, rör vajrar etc.)
E. Del av skärmen kan vara jordplan eller avståndsseparation (generaliserad skärm)
24. Kan man använda sig av zonindelning vid konstruktion av åskskydd?
A. Ja B. Nej
25. Vilka är delarna i en komplett åskskydd?
A. Lågpass-filter
B. Åskledare
C. Primärskydd
D. Sekunderskydd
26. Var används åskledare och vad är dess uppgift?
A. Skall avleda överström till jord
B. Åskledare bör installeras på byggnader
C. Antennmaster
D. Ansluts mellan avsedd ledare (t ex el, tele och kabel-TV) och jord (intagsplåt)
27. Var används primärskydd och vad är dess uppgift?
A. Apparater: skall avleda överströmmen till apparatskärmen
B. Skall installeras på byggnader; förhindrar att överspänningar tränger in
C. Har till uppgift att begränsa spänningstoppar genom en tillfällig kortslutning
D. Ansluts mellan avsedd ledare (t ex el, tele och kabel-TV) och jord (intagsplåt)
28. Var används sekundärskydd och vad är dess uppgift?
A. Appareter: skall avleda överströmmen till apparatskärm
B. Skall installeras på byggnader; förhindrar att överspänningar tränger in
Visökerständigtnya,duk�gamedarbetareochför�llfälletärdetEMC-ingenjörer ochprovningsingenjörerviletare�er.Låterdetlockande-kontaktaoss!
C. Har till uppgift att begränsa spänningstoppar genom en tillfällig kortslutning
D. Ansluts mellan avsedd ledare och apparatskärm eller lokal jordplan
29. Vad är intagsplåt och vad är dess uppgift?
A. Apparater: skall avleda överströmmen till apparatskärm
B. Skall installeras på byggnader; förhindrar att överspänningar tränger in
C. Alla elektriskt ledande anslutningar skall samlas på ett ställe, så slipper man störningsströmmar genom byggnaden eller installationen och dess elsystem
D. Ansluts till byggnadens armering och till byggnadens blixtledarsystem
E. Alla ledande serviceanslutningar (el- och telekablars mantlar, vattenledningsrör osv) förbinds runtomslutande med intagsplåten
F. Transientskydd installeras på alla el- och teleledningar vid intagsplåten
30. Vad är viktigt vid jordning?
A. Jordning är endast tillåten inuti en zon
B. Jordningsledare får passera en zongräns utan att den är ansluten till zonens skärm
C. Ledare, som passerar en zongräns utan filter eller anslutning till zonens skärm, punkterar zongränsen och medför lika miljöer i båda volymerna
Rätta svar på sidan 30.
VisökerEMC-ingenjörersomharerfarenhetavelektronikutvecklingochgärnamedkunskap inomEMC-området,meningetkrav.Idi�arbetesåhjälperduvårakundergenomhela derasutvecklingsprocess,frånförstudie�llproduk�on.Arbetetärvarierandeochkanbestå avbl.a.rådgivningsuppdrag,simulering,utbildning,krav-ochlayoutgranskningarm.m.
Visökerprovningsingenjörmedintresseförteknikmedfördelinomelektronik/ mekanik.Arbetetskero�a�llsammansmedvårakunder.Meriterandeomduhar erfarenhetomprovning,meneje�krav.
Läsmeromtjänsternapå www.emcservices.se/jobba-hos-oss/
knowledgeinreality
EMC-OMRÅDET UPPSTOD för ca 100 år sedan som ett resultat av att elektrifieringen av samhället skulle kunna påverka de nya radiotjänsterna som utvecklades. En oro var att den ökande mängden elektriska hushållsprodukter skulle kunna störa mottagningen av rundradiotjänster. För att få kontroll på elektromagnetisk emission från elektriska utrustningar så startades därför standardiseringsaktiviteter som var inriktade på utveckling av standardiserade testmetoder och gränsvärden. I Europa ledde dessa initiativ till att man 1933-34 grundade CISPR (Special Committee on Radio Interference). I USA grundades FCC (Federal Communications Commission) 1934 med samma syfte. EMC-testning var således från början den grundläggande drivkraften och syftet med att hela EMC-området uppstod en gång i tiden. Därefter har ett stort antal forsknings- och utvecklingsområden utvecklats inom EMC. Samtidigt är det just EMC-testning som ekonomiskt sett fortfarande utvecklas starkt.
TROTS DE STÖRNINGAR som pandemin innebar på den globala teknikmarknaden så visar det sig att utvecklingen inom EMC-testning fortsätter att vara stark. Den globala marknaden för EMC-testning förväntas växa med ca 5,4% per år mellan 2021 och 2030 [1]. 2021 uppskattas värdet av den globala marknaden för enbart EMC-testning till runt 2,37 miljarder dollar. Den dominerande drivkraften bakom denna tillväxt är den fortsatta utvecklingen inom trådlös kommunikation och behoven av fortsatt ökande mängd datatrafik för en rad olika tillämpningar. Denna utveckling leder i sin tur till fortsatt tillväxt inom olika produkter och tjänster inom det breda produktsegment som benämns Internet of Things (IoT), vilket innefattar olika produkter som kommunicerar med varandra. Här är det inte enbart konsument-
produkter som berörs. Som exempel är fordonsindustrin en stor användare av olika trådlösas teknikdelar som ska integreras på liten yta utan att EMC-problem uppstår i den färdiga produkten. Andra produktområden som bidrar till denna utveckling är medicinsk teknik, industriella tillämpningar, järnväg, flyg och rymd samt försvar och säkerhet.
EMC-KRAVEN FÖR nya produkter leder samtidigt till ökade kostnader för EMC-testning. Den snabba utvecklingen av nya produkter leder till att EMC-arbetet inte alltid görs rigoröst från grunden. Detta leder i sin tur typiskt till att många nya produkter inte klarar det första EMC-testet. Orsaken är att för-testning (pre-testing) av nya produkter anses kostnadskrävande för somliga små och medelstora företag varför det är vanligt att man hoppas att den färdiga produkten ska klara det slutliga testet [1]. Denna strategi kan därför i sig vara hämmande för maximal tillväxttakt inom vissa produktområden. De som är väl erfarna inom EMC-arbete vet att om inte EMC-aspekter beaktas redan i den tidiga produktutvecklingsfasen så är risken stor att EMC-problem som upptäcks sent i processen kan leda till fördyringar och förseningar som i värsta fall kan leda till missade marknadsandelar. Som exempel från USA-marknaden så uppskattas den genomsnittliga testlängden för en ny produkt till ca en vecka i ett auktoriserat EMC-labb. Detta upplevs kostnadskrävande för somliga små och medelstora företag, varför underkända test kan bli ekonomiskt kännbara och begränsa tillväxten av vissa produkter. Aktörer som vill undvika att EMC-problem upptäcks sent i processen använder därför i ökande utsträckning av olika typer av för-tester (pre-compliance testing). Detta bidrar i sin tur till den prognosticerade ökningen inom marknaden för EMC-testning.
DEN ÖKANDE TILLVÄXTEN inom EMC-testning gör att marknaden för EMC-testutrustning fortsätter att växa i sig. Här handlar det typiskt om nätverksanalysatorer, spektrumanalysatorer, mjukvarustyrda radiosystem och signalförstärare. Under 2021 var det den asiatiska marknaden som växte mest inom EMC-testning. Orsaken är krav som måste vara uppfyllda för import av produkter till regionen [1]. Som exempel så måste trådlösa produkter för den kinesiska marknaden vara godkända enligt The State Radio Monitoring and Testing Center (SRRC) [1]. Den kinesiska marknadens storlek leder därför naturligt till en stark tillväxt inom just EMC-testning.
PROGNOSER FÖR MARKNADEN inom EMC-testning visar således på fortsatt stark tillväxt och är samtidigt en påminnelse till produktutvecklare att beakta EMC-aspekter tidigt under produktutvecklingen. Detta är ett säkert sätt att undvika oförutsedda konstadsdrivande EMC-problem som upptäcks först vid den slutliga certifierande testningen. Produktutvecklare som befinner sig i en hårt konkurrensutsatt marknad har därför mycket att tjäna på ett gediget EMC-arbete från början när nya produkter tas fram.
[1] ”Electromagnetic Compatibility Testing Market Size Worth USD 3.83 Billion in 2030”, Emergen Research, Oct 06, 2022.
Peter Stenumgaard EMC-redaktörfor robotics will experience a rapid growth over the upcoming two decades.
Robots are, in essence, machines with autonomy. To enable their autonomy, a suite of sensors is needed to achieve the requirements of different tasks such as autonomous navigation, object detection, proximity sensing, and many others. Sensors have been widely used in a number of industries, and thanks to the increasing technology readiness, the costs of various sensors have gradually decreased over the past few years, enabling greater adoption within robotics. Robots, as highly integrated machines, contain many sensors ranging from optical encoders, and current sensors, to inertial measurement units, cameras, LiDAR, and many others.
Depending on the data collected, sensors can
be segmented into two primary categories: proprioceptive and exteroceptive sensors. Proprioceptive sensors collect internal data such as speed, torque, and position. These sensors are usually used for robotic control. On the contrary, exteroceptive sensors collect external data (surroundings) and sense environmental parameters, such as the distance of an obstacle, external force exerted on the robot, and many other inputs. Tactile sensors, vision sensors (cameras), and proximity sensors (e.g. LiDAR, radar, ultrasonic sensors, stereo cameras, etc) are several typical examples of exteroceptive sensors. Driven by the increasing adoption of robots and the increasing demand for 'intelligent' robots, IDTechEx concludes that sensors
A technological and market evaluation of the sensors used in robots by sensor type and applications. Mobile robots, drones, industrial robotic arms, cobots, and service robots. Sensor types including force/torque, proximity, cameras, LiDAR, and more. Sätt
För att Sverige fortsatt ska kunna vara en konkurrenskraftig nation och ha ett starkt inflytande i internationella samarbeten krävs standarder. Läs mer på elstandard.se.
Autonomous mobility has gained significant momentum over the past decade thanks to the development of autonomous driving technologies. As one of the most important factors for robot autonomy, autonomous mobility enables robots to move independently with minimum human supervision and fulfill many tasks such as logistics, delivery, weeding and seeding, mapping, and exploration. Autonomous mobility consists of two steps: mapping and navigation. A robot initially needs to map the environment to construct a model made of point clouds and plan a moving trajectory/path, then follow the proposed trajectory and use navigation sensors for localizing. Both steps require sensors for object detection, navigation, and collecting data from the ambient environment. In practice, depending on the working environments, different navigation and mapping sensors are often used together, and sensor fusion algorithms are implemented to process data from different sensors (sensory modalities). Typical navigation and mapping sensors include LiDAR, radar, cameras, GPS/GNSS, and ultrasonic sensors (1D and 3D). The table compares the advantages and disadvantages of some of these sensors, a more in-depth technology analysis can be found in IDTechEx's report - 'Sensors for Robotics: Technologies, Markets, and Forecasts 2023-2043'.
Any switched-mode power supply (SMPS) needs an EMI (Electro Magnetic Interference) input filter to avoid causing disturbances in power lines, with the accompanying interference in other components or systems connected to the power lines. Consequently, designing and optimizing the input filter is an important task for SMPS development. While both common-mode and differential-mode noise filter elements have to be added, they are rarely optimized separately. In particular for high-power applications, this can result in a significantly larger EMI filter than actually required. In this article, we discuss a simple method to separate common-mode and differential-mode noise components using a dual output LISN (Line Impedance Stabilization Network) and an oscilloscope with at least two channels, which makes it possible to optimize common-mode and differential-mode filter components separately, resulting in more accurate data for designing an optimal input filter.
Due to its nature of switching large currents, an SMPS generates a fair amount of noise. The choice of SMPS topology is significant and influences filter design; for example, a dual interleaved boost topology creates less noise than a simple boost converter. Once the topology is chosen, there are several design parameters that influence the noise level. The switching frequency of the converter is a key value. Very often, a high switching frequency is chosen to obtain a compact design. However, a high switching frequency can be a cause of excessive EMI. It is very important to understand the correlation between rise and fall time of the switching element and the generated noise. Typically a fast switching element is the first choice. Nowadays, even wide-bandgap devices based on SiC or GaN are very popular in power converter designs to increase efficiency. Such fast switching elements accentuate noise generation if the design is not very carefully optimized to avoid noise generation. In addition to the design parameters, it is always helpful to minimize the
parasitic elements in the whole design including the printed circuit board. For example, the high-voltage switching element combined with a connection to a metal housing for cooling will create a parasitic capacitance, which can
act as a path for common mode noise to leave the system.
An EMI input filter typically consists of two functional parts; one part to suppress unwanted common-mode noise, the other part to suppress differential-mode noise.
For an AC/DC converter, the key components for the differential-mode EMI filter part are the differential-mode inductors and the X-capacitors. For the common-mode EMI filter part, the common-mode choke and the Y-capacitor. In some cases, the differential-mode inductors can be omitted as the common-mode choke can also act as differential mode inductor.
The EMC standard requires that the conducted emissions on both power lines are measured and that the voltages are below the specified limit at every frequency in the frequency range. This measurement is performed sequentially on one power line, followed by the other. While this is sufficient to pass the conducted emission test standard, it does not provide any insights into the noise propagation mechanisms, because the measurement is a combination of common-mode and differential-mode noise on the conductors. The principle, how the noise current flows within the system is shown in figure 1.
The Common Mode current portion Icm flows from the DUT (Device Under Test) on both lines into the LISN and to the DUT back via the external ground path, resulting in the sum of the two current portions in the external ground path. The amplitude and phase are the same on both conductors, positive and negative. The Differential Mode current shows a different characteristic; the current on the positive conductor flows into the LISN, the return path of the noise is the negative conductor. The only difference is the phase between these two currents; they differ by 180° and ideally they should cancel out. With a little bit of mathematics, it is possible to separate the common-mode and differential-mode noise terms. Using the individual currents:
I P = ICMa + I DM
I N = ICMb – I DM
we can easily calculate the voltages on the two conductors:
VP = (ICMa + I DM) * ZLISN
VN = (ICMb − I DM) * ZLISN
Based on the relations between individual voltages and common-mode and differential-mode voltages:
VP + VN = VCMa + VCMb
we can calculate the common-mode and differential-mode voltages as follows:
VCM = VP + VN
VDM = ½ (VP − VN)
in figure 2. A dual-output LISN (or two identical LISNs) is used to probe on both power lines and the signals are captured by two channels of an oscilloscope. The sum and difference signals are calculated on the oscilloscope as well as the (Fast Fourier Transformation) FFT. This gives directly access to the common-mode and differential-mode noise signal.
While any non-symmetry between the two LISNs will have some influence on the measurement result, practically this method provides reasonably accurate results. Important aspects to consider are to use the same cable length, as well as to use cables with sufficient quality to avoid shift in time or loss in amplitude, which would directly have an impact on the ability to separate the noise components.
Furthermore, an oscilloscope with a sufficiently low-noise frontend, direct input of frequency parameters such as start and stop frequency, or resolution bandwidth, and a sufficiently fast FFT function should be used.
The simple subtraction results in a value that is twice the Differential Mode noise level, or 6dB extra, which has to taken into consideration during result evaluation.
Using these simple calculations, distinguish between common mode noise and differential mode noise (including subtract 6dB from the differential result). The simple math calculation works best, if the setup (cable, components of the LISN, etc.) is as symmetrical as possible; the noise on the two conductors must be measured at the same time.
A simple but effective setup to separate common-mode and differential-mode noise is shown
The DUT used to demonstrate the new method is a simple step down buck converter. The DUT input filter is a simple PI-LC-filter, which is very effective for damping differential mode noise. The setup makes either applying or excluding the PI-LC-Filter simple. No common mode filters are included on the PCB, so a common mode choke is attached externally to the PCB. The converter has no housing; the PCB is simply placed on an isolation block on a metal ground plane. The setup deliberately avoids generating excessive common mode noise.
The first measurement, as seen in figure 3, was taken to show the highest spectrum in the input power conductors. A reference level measurement has already established the noise level of
the system while the DUT is switched off. The extra 6dB in differential mode was compensated by dividing the sum expression by 2 before performing the FFT. For common mode, the sum expression is used directly as the total amount of common-mode noise is represented by the sum of the two measurement channels.
The peak at 300 kHz in the reference line is caused by the system, not the converter, and can be ignored at least up to 25dBµV. The high magnitude differential mode noise (approximately 65dBµV) during the measurement at 300 kHz is caused by the switching frequency of the converter. The harmonic and all higher odd multiples of this frequency are caused by the reflected ripple current, which dominates the differential mode spectrum.
In the common mode spectrum some peaks are also visible; these are not filtered by a differential filter.
An LC Filter is calculated to damp the fundamental magnitude at 300 kHz. The calculated filter resonance frequency is at 19.3 kHz, which should result in a suppression of about 40dB at the switching frequency. The filter structure is of second order and thus the damping is about 40 dB/Decade.
The measurement in figure 4 shows the effect of the filter on the spectrum.
The differential mode noise is reduced up to 10 MHz very efficiently, damped up to 30dB com-
pared to the previous unfiltered value. Especially the fundamental at 300 kHz and the multiple harmonics are much lower in the magnitude. In the higher frequency region, the filter is not as effective; noise is only damped up to 10dB.
The common mode noise is not reduced significantly because the filter was designed to filter the differential mode noise.
To damp the common mode noise, an additional filter is added. A common mode choke from Würth Electronic is inserted.
The common mode noise is reduced in particular from 2 MHz to 60 MHz. In addition, the differential mode noise is also damped as the common mode choke is not ideal and the resulting leakage inductance functions as a differential filter. Furthermore, the differential mode noise may also be affected because the setup was not optimized (No PCB for the CM choke) and therefore some asymmetrical components may lead to this additional damping effect. However, figure 5 shows, it is clearly visible that the common mode noise was damped very efficiently due to the inserted CM-Choke.
An effective input filter design is essential to fulfil the EMI standards for conducted emission of a switching mode power supply. Often, the EMI filter consists of both a common-mode and a differential-mode filter, both elements have to be designed and optimized. Accurate information on the common mode noise, respectively the differential mode noise contributions, greatly aids the task of designing and optimizing the EMI input filter.
Using a dual-output LISN, (or two identical LISNs) and some mathematics on the oscilloscope common-mode and differential-mode noise can be separated directly on an oscilloscope. The result is an effective tool to optimize both parts of the EMI filter using the FFT functions of the oscilloscope every power supply circuit designer is bound to have.
SonstApplication Development at Rohde & Schwarz in Munich Figure 4. Differential Mode Filter Applied Figure 5. Common Mode Filter Applied
”An effective input filter design is essential to fulfil the EMI standards for conducted emission of a switching mode power supply”
Pendulum Instruments, the global expert in time & frequency measurement, analysis, and calibration, announces today the release of the new CNT-104S Multi-channel Frequency Analyzer.
The CNT-104S combines the performance and characteristics of high performance Universal Frequency Counters (UFC) and Time Interval Analyzers (TIA), offering the world’s first 4-channel UFC in a bench-top format.
The CNT-104S measures frequency, time, phase, and TIE (Time Interval Error) simultaneously and gap-free on 4 parallel inputs. This new concept enables for example parallel frequency measurements of 4 different test objects, phase comparisons of 4 stable reference clocks, or multi-stop time interval measurements (one start and three stop). Measurements never before possible in a compact bench-top unit, without a lot of extra instrumentation, like switches and multiple UFCs
CNT-104S offers very high performance with time resolution of 7ps, frequency resolution up to 13 digits/s, a measuring speed of up to 20 million measurements/s. The graphic user interface displays the results both numerically and graphically, with modulation /trend and value distribution graphs. Advanced graphic analysis enables smoothing of data and zooming in into the data with cursor read-outs of individual samples. Standard frequency range is up to 400 MHz and an optional RF input extends bandwidth up to 24 GHz. Prices start below 10k€.
– We have successfully supplied our CNT-90 counter/analyzer range to demanding customers around the globe for many years now, and we have seen an increased request for more parallel measurements. And now, we are very happy to offer the world’s first 4-channel frequency analyzer. The multi-channels, high resolution and speed should fulfill what our customers in high-end metrology, research and advanced R&D have been looking for. Furthermore, the CNT-104S will be a perfect solution for test systems requiring multiple frequency counters, like oscillator manufacturing, at an affordable cost, since one single CNT-104S can replace 4 traditional counters in the test rack, a big space and cost saving, says Harald Kruger, Global Sales Director of Pendulum Instruments.
Källa: Pendulum Instruments
Impulse insulation tester 1.2/50 µs from 500V to 30kV with integrated breakdown detection directly on generator or remote on the test object. Colour touch panel control with data collection and reporting. Optional impedances up to 5kΩ
INS-1250 family of impulse insulation testers for material insulation, components and electrical equipment safety in both development and production environments. High accuracy internal or external measurement systems, programmable to detect breakdown with pass/fail criteria based on voltage and current impulse integral. Personnel safety ensured through an emergency stop, warning lamp and test cabinet, disabling high voltage circuits when activated.
• Stable impulse form at EUT • Current and voltage integral measurements for breakdown detection • Upgradeable hardware to enhance test capability • Designed for long duration production test environments • Direct interface with DSO for control, data collection and report handling
• Semiconductor testing (isolation) • Material insulation testing • Electrical safety testing
Källa: Proxitron
IT WAS WONDERFUL seeing so many of you in person (finally!) during the Spokane symposium. As we now move forward on the plans for next year’s event in Grand Rapids, Michigan, the IEEE EMC Society, is looking forward to having you join us from July 31 to August 4, 2023. The success of this year’s symposium events and activities demonstrated that even though it was a time period of 3 years from the last in-person event (2019) to this year’s, we were able to carry on with much of the things that our symposiums have been able to deliver and we were able to establish new initiatives that we believe can serve us in the future.
quality of scientific and technical contri butions providing a forum for the ex change of ideas and latest research results from academia, research laboratories and industry from all over the world.
Paper submission deadline: January 9, 2023
Notification of Acceptance: February 20, 2023
The symposium gives the unique oppor tunity to present the progress and results of your work in any EMC topic, inclu ding emerging trends. Special sessions, workshops, tutorials and an exhibition will be organized along with regular ses sions.
Final Paper Submission Deadline: May 15, 2023 Website: www.emc2023.org
23-28 JULY 2023
YOU ARE CORDIALLY invited to the 2023 IEEE International Symposium on Antennas and Propagation and USNC-URSI Radio Science Meeting – AP-S/URSI 2023, from July 23-28, 2023, at the Oregon Convention Center and Hyatt Regency, in Portland, Oregon, USA, the City of Roses. This conference is cosponsored by the IEEE Antennas and Propagation Society (AP-S) and the US National Committee (USNC) for the International Union of Radio Science (URSI). It is intended to provide an international forum for the exchange of information on state-of-the-art research on antennas, propagation, electromagnetic engineering, and radio science. The symposium and meeting will include a wide range of technical sessions, invited talks, special sessions, student paper and design competitions, short courses, tutorials, exhibits, professional meetings, tours, and networking events.
Authors are invited to submit contributions for review and possible presentation at the symposium or meeting (the “conference”) on topics of interest to AP-S and USNC-URSI. Suggested topics and general information are listed on the conference website.
Special sessions proposals: 1 January 2019
Regular papers: 15 February 2019
The 2023 symposium committee knows that you will be very pleased with the “Grand Rapids Experience”! The city is physically located in a beautiful area of Michigan, and has a transportation infrastructure that makes it accessible from anywhere. Grand Rapids’ is now home to established companies and many “startups” that are on the forefront of today’s technology. Its close proximity to Southeast Michigan allows significant interaction with the people, programs, and revolutionary developments that are taking place in the automotive industry.
Workshops, tutorials and short courses: 15 March 2019 Website: www.emceurope2019.eu Contact: info.emceurope@upc.edu
The Symposium will feature technical sessions, interactive workshops/tutorials, standards sessions, experiments and demonstrations, technical exhibition, as well as social events that provide valuable opportunities to network and continue on the successes from this year’s event.
mit your original and unpublished netic compatibility (EMC) as well as signal and power Integrity (SI/PI),
Paper Submission Deadline: January 27, 2023
Review complete: March 15, 2023 Website: 2023.apsursi.org Contact: jamesina.simpson@utah.edu, reyhan.baktur@usu.edu
France, it has been held 10 times in Europe and one in Japan, the 12th EMC COMPO is the first time held in China. It will continue the EMC COMPO spirit and address the world-wide EMC issues primary in IC EMC community, the 12th EMC COMPO will serve as a broad exchange platform for both
ment, measurements, and education. Please plan ahead and join this unique symposium, meet international colleagues, present your latest research findings, share your insight and perspectives, ask questions, learn from experts and innovators, explore collaborations, visit exhibitions and see new products.
www.electronic.se – Electronic Environment online
ORGANIZERS OF LEADING International Symposium on electromagnetic compatibility in Europe are very pleased to invite and encourage all those working in the field of electromagnetic compatibility to Krakow for the EMC Europe 2023 symposium. Conference covers the entire scope of electromagnetic compatibility including emerging technologies.
Prospective authors are invited to submit original papers on their latest research results focusing on all EMC aspects.
The intent of EMC Europe 2023 organizers is to create an excellent forum for useful contacts and exchange of scientific and technical information between researchers and practicing engineers from academia, research laboratories, industry and government agencies. The symposium gives the unique opportunity to present the progress and results of their work and to exchange ideas, discuss different points of view and share experiences with colleagues involved in EMC.
EMC Europe 2023 will be held in Krakow in the Conference Center of the Qubus Hotel****, located next to city center (1,5 km to the Market Square), from September 4th till September 8th 2023. EMC Europe 2023 is composed of 5-day oral and poster presentations, workshops, tutorials, special sessions, short-courses, industrial forum and technical exhibition.
THE FIFTEENTH ANNUAL IEEE Energy Conversion Congress and Exposition (ECCE 2023) will be held in Nashville, Tennessee, USA, from October 29 to November 2, 2023. ECCE is a pivotal international event on energy conversion. ECCE 2023 will feature both industry-driven and application-oriented technical sessions as well as an exposition. The conference will bring together practicing engineers, researchers and other professionals for interactive and multidisciplinary discussions on the latest advances in areas related to energy conversion, including new and emerging applications.
Technical papers are solicited on any subject pertaining to the scope of the conference including, but not limited to, the following major topics. (Please note, see website for all topics)
Component, Converter and Subsystem Technologies
• Power electronic devices, gate drivers, and integrated circuits
• Passive components and materials
• Power electronic packaging integration
Paper submission extended deadline: February 13, 2023
Submission of proposals for workshops and tutorials: March 15, 2023
Notification of acceptance: April 30, 2023 Website: emceurope2023.org Contac: info@emceurope2023.org
• Reliability, advanced fault protection systems, diagnostics, prognostics, and health management
• Thermal management and advanced cooling technologies
• Innovative magnetic materials, alternative conductor and winding insulation technologies
• Electromagnetic interference and electromagnetic compatibility
• Power conversion topologies, modulation, and control
• Electrical drive systems and topologies and their control
• Rotating/linear electromechanical devices
• Advanced manufacturing
• Digital twins, cloud design and simulation techniques for energy conversion systems
• Cyber-and-physical security for power electronics systems
Digest Submission Deadline: February 19, 2023
Author Notification: May 15, 2023
Final Papers Submission: July 23, 2023 Website: ieee-ecce.org Contact: info@ieee-ecce.org
1. Vad är zonindelning inom EMC-konstruktion?
Svar: A. BET Behärskad Elektromagnetisk Topologi
C. Ett grundläggande verktyg för konstruktion
D. Ett grundläggande verktyg för analys
2. Vad kallas summan av alla elektromagnetiska fenomen som existerar i en given volym?
Svar: B. Elmiljö
3. Varför används zoner i allmän mening?
Svar: A. Zoner används för att åstadkomma skilda förhållanden i avgränsade geografiska områden eller volyme D. För att kontrollera passage och försvåra ej behörig passage
4. Vad karakteriserar en Elmiljözon?
Svar:
A. Inom zonen existerar en bestämd elektromagnetisk miljö C. Begränsad av en sluten yta (verklig eller imaginär) D. Elmiljön i en zon skiljer sig i något avseende från intilliggande zoner
5. Vad kallas en volym, avgränsad av en sluten yta, med bestämd elmiljö?
Svar: C. Elmiljözon
6. Vad är fördelarna med att jobba med zonindelning?
Svar: B. Lätt att identifiera kopplingsvägar C. Lätt att identifiera kopplingsmekanismer
7. Vilken miljö betecknas ofta som ZON 0 och vad bestämmer elmiljön där?
Svar:
A. Elmiljön där utrustningen avsedd att användas i B. Relevanta EMC- standarder C. Verkliga och förväntade yttre elektromagnetiska påkänningar
8. Vad är nackdelarna med taktiken att ha en enda zongräns, den mot omvärlden
Svar:
B. Heltäckande kapslingar väger; mindre lämplig om produktens vikt är viktig t ex för fordon och flyg C. Heltäckande kapslingar kostar (skärma ett pansarfordon!) D. Interna störningar är svårbemästrade om man bara bryr sig om yttre miljön
9. Hur skapar man korrekta elmiljözoner?
Svar:
A. Varje ledare, som går mellan olika zoner, måste filtreras i zongränsen med avseende på störningsfenomen och nivåer
B. Varje zon måste ha sin egen skärm, imaginär eller verklig
10. Vad är störning i detta sammanhang?
Svar:
A. Oavsiktlig energiläckage från källa till offer B. Funktionsavvikelse
C. Utebliven funktion
11. Vilka är kopplingssätten?
Svar:
A. Ledningsbunden koppling
B. Fältkoppling
C. Överhörning
E. Flera vägar samtidigt
12. Vad är en zongräns?
Svar: C. En topologisk begränsningsyta, som representerar kopplingsreduktion mellan olika elektromagnetiska miljöer D. All koppling till omgivningen sker genom zongränsen
13. Vad är en generaliserad skärm?
Svar: A. Åtgärd som reducerar koppling C. Filter
D. Överspänningskydd F. Jordplan i ett kretskort G. Sammanhängande lågimpediv metallstruktur I. Depolarisering J. Isolation
14. Vilka åtgärder reducerar fältkoppling?
Svar: A. Sammanhängande lågimpediv metallstruktur: skärm C. Skärmad kabel F. Jordplan i ett kretskort G. Avstånd I. Depolarisering
15. Vilka åtgärder reducerar ledningsbunden koppling?
Svar: B. Filter D. Överspänningskydd E. Isolation
16. Hur bevarar man zongränsen och zongränsintegritet?
Svar:
A. Mot fältstörning används ofta skärm B. Flera kompletterande åtgärder som tar hand om både ledningsbunden störning och fältstörning F. Filter utan skärmvägg är i princip overksamma E. Mot ledningsbunden störning: LC-filter, överspänningsskydd eller transformator; dessa måste sitta i eller mycket nära zongränsen (skärmen) för att vara effektiva
17. Vad är viktigt för planering av zoner på ett kretskort?
Svar: A. Avståndsseparation: komponenter med högsta arbetsfrekvens placeras längst bort från anslutningsdonet B. I/O-kretsar placeras närmast anslutningsdonet C. Huvudzongränsen är dragen mitt i filterraden D. Anslutande ledningar skall zonindelas och hållas borta F. Jordplan G. Avstånd
18. Vad är viktig för zongränsintegriteten?
Svar:
A. Avståndsseparation från lokala störningsfält: andra kort eller kablar får inte kommer nära B. Alla anslutande ledare skall vara filtrerade i zongränsen D. Begränsa CM-ström i anslutande ledningar
19. Vad är möjliga källorna till högfrekventa störningsfält?
Svar:
A. Digitala aktiviteter på kretskort ger upphov till radiofrekvent störningsfält i närheten av komponenter och kretskortsledare
B. Obalans i signalöverföring C. Strömmar i olika ledande strukturer såsom chassi, andra kretskort, kablar, vajrar mm
20. Vad är den dominerande kopplingsvägen för fältemission och fälttålighetsproblem?
Svar:
A. Common mod-ström, som flyter i alla kablar, oavsett om de bär ut- eller insignaler, matningsspänning eller är grön-gul PE-ledare
21. Hur fungerar kopplingskedjor?
Svar:
B. Kopplingssätten kan vara blandade och ske via ledning, fält eller båda
C. Vid källan eller offret är störningen alltid ledd
22. Hur förhindra att en störningssituation uppstår?
Svar: A. Alla parallella kopplingskedjor reduceras B. Kopplingen kan reduceras antingen vid källan, vid offret eller både och
23. Vad är en skalskydd?
Svar: B. Apparatiserad zongräns D. En volym omgiven helt eller delvis av en skärm, i vilket filter monteras E. Del av skärmen kan vara jordplan eller avståndsseparation (generaliserad skärm)
24. Kan man använda sig av zonindelning vid konstruktion av åskskydd?
Svar: A. Ja
25. Vilka är delarna i en komplett åskskydd?
Svar: B. Åskledare C. Primärskydd D. Sekunderskydd
26. Var används åskledare och vad är dess uppgift? Svar: B. Åskledare bör installeras på byggnader C. Antennmaster
27. Var används primärskydd och vad är dess uppgift? Svar: B. Skall installeras på byggnader; förhindrar att överspänningar tränger in
C. Har till uppgift att begränsa spänningstoppar genom en tillfällig kortslutning
D. Ansluts mellan avsedd ledare (t ex el, tele och kabel-TV) och jord (intagsplåt)
28. Var används sekundärskydd och vad är dess uppgift?
Svar:
A. Appareter: skall avleda överströmmen till apparatskärm C. Har till uppgift att begränsa spänningstoppar genom en tillfällig kortslutning
D. Ansluts mellan avsedd ledare och apparatskärm eller lokal jordplan
29. Vad är intagsplåt och vad är dess uppgift?
Svar:
C. Alla elektriskt ledande anslutningar skall samlas på ett ställe, så slipper man störningsströmmar genom byggnaden eller installationen och dess elsystem
D. Ansluts till byggnadens armering och till byggnadens blixtledarsystem
E. Alla ledande serviceanslutningar (el- och telekablars mantlar, vattenledningsrör osv) förbinds runtomslutande med intagsplåten
F. Transientskydd installeras på alla el- och teleledningar vid intagsplåten
30. Vad är viktigt vid jordning?
Svar:
A. Jordning är endast tillåten inuti en zon
C. Ledare, som passerar en zongräns utan filter eller anslutning till zonens skärm, punkterar zongränsen och medför lika miljöer i båda volymerna
Electronic Environment överbygger kunskap inom specifika elektronikområden – mellan myndigheter, högskola och universitet samt näringslivets aktörer. Det kan vi göra tack vare ett stort intresse och engagemang från många duktiga skribenter och deras organisationer. Sedan tidningens första utgåva 1994 har ett stort antal skribenter bidragit med sin kunskap, till mångas glädje och nytta. Här presenterar vi våra skribenter de senaste åren, och i vilka nummer du kan läsa deras bidrag. Ett stort tack till er alla som bidragit genom åren till tidningens utveckling! Dan Wallander / ansvarig utgivare
Michel Mardiguian
Teknikredaktör
EMC Consultant
1/2017, 2/2017, 3/2017, 4/2017, 2/2018, 3/2018
Miklos Steiner
Teknikredaktör
Electronic Environment
1/2017, 2/2017, 3/2017, 4/2017, 1/2018, 2/2018, 3/2018, 4/2018, 1/2019, 2/2019, 3/2019, 4/2019, 1/2020, 2/2020, 3/2020, 4/2020, 1/2021, 2/2021, 3/2021, 4/2021, 1/2022, 2/2022, 3/2022, 4/2022
Peter Stenumgaard
Teknikredaktör
FOI – Swedish Defence Reasearch Agency
1/2017, 2/2017, 3/2017, 4/2017, 1/2018, 2/2018, 3/2018, 4/2018, 1/2019, 2/2019, 3/2019, 4/2019, 1/2020, 2/2020, 3/2020, 4/2020, 1/2021, 2/2021, 3/2021, 4/2021, 1/2022, 2/2022, 3/2022, 4/2022
Ulf Nilsson Electronic Environment
2/2021, 3/2021, 4/2021, 1/2022 2/2022, 3/2022, 4/2022
Andreas Westlund
Volvo Car Corporation 3/2017
Bengt Vallhagen
Saab Aeronautics, Saab AB 2/2019
Björn Bergqvist
Volvo Cars 3/2017
Christer Karlsson
Ordf. Swedish Chapter IEEE EMC RISE
1/2017, 2/2017, 3/2017, 4/2017, 1/2018, 2/2018, 3/2018, 4/2018, 2/2019, 3/2019
Carl Samuelsson Saab Aeronautics, Saab AB 2/2019
Daniel Eidenskog
FOI – Swedish Defence Reasearch Agency 1/2018
Erik Axell FOI – Swedish Defence Reasearch Agency 1/2018
Farzad Kamrani
FOI – Swedish Defence Reasearch Agency 1/2018
Gary Bocock XP Power 4/2020
Giovanni Frezza Molex 2/2018
Gunnar Englund GKE Elektronik AB 2/2017, 4/2018
Hans Grönqvist RISE IVF AB 2/2020
Henrik Olsson Elsäkerhetsverket 1/2019
Henrik Toss RISE Safety and Transport 3/2017
Ingvar Karlsson Ericsson AB 1/2017, 4/2017
Jan Carlsson Provinn AB 3/2017, 3/2019
Jens Bryntesson Nemko Sweden AB 4/2020
Jussi Myllyluoma APR Technologies 1/2020, 2/2020, 4/2020, 1/2021, 2/2021
Kia Wiklundh
FOI – Swedish Defence Reasearch Agency 1/2017, 3/2017, 3/2020, 2/2021
Kia Wiklundh QAMCOM 4/2018
Karina Fors FOI – Swedish Defence Reasearch Agency 2/2021, 3/2021
Lars Granbom RanLOS AB 3/2019
Leif Adelöw FOI – Swedish Defence Reasearch Agency
Lennart Hasselgren EMC Services
2/2018, 3/2018, 4/2018, 1/2019, 2/2019, 3/2019, 4/2019, 1/2020, 3/2020, 2/2022, 3/2022
Michel Mardiguian EMC Consultant
1/2017, 2/2017, 3/2017, 4/2017, 2/2018, 3/2018
Madeleine Schilliger Kildal RanLOS AB 3/2019
Mats Bäckström Saab Aeronautics, Saab AB 4/2017, 1/2018, 2/2019
Marcus Sonst Rohde & Schwarz 4/2022
Michael Pattinson NSL 1/2018
Mikael Alexandersson
FOI – Swedish Defence Reasearch Agency 1/2018, 2/2020, 3/2021
Miklos Steiner Electronic Environment 1/2017, 2/2017, 3/2017, 4/2017, 1/2018, 2/2018, 3/2018, 4/2018, 1/2019, 2/2019, 3/2019, 4/2019, 1/2020, 2/2020, 3/2020, 4/2020, 1/2021, 2/2021, 3/2021, 4/2021, 1/2022, 2/2022, 3/2022, 4/2022
Patrik Eliardsson
FOI – Swedish Defence Reasearch Agency 1/2018, 2/2020
Per Ängskog Högskolan Gävle/KTH 1/2020
Peter Leisner Tekniska Högskolan, Jönköping 3/2020
Peter Stenumgaard
FOI – Swedish Defence Reasearch Agency
1/2017, 3/2017, 4/2018, 1/2019, 2/2019, 4/2019, 1/2020, 2/2020, 3/2020, 1/2021, 3/2021, 1/2022, 3/2022
Sara Linder
FOI – Swedish Defence Reasearch Agency 2/2019, 4/2019, 3/2020, 1/2021, 2/2021
Simon Loe Spirent Communications 2/2017
Sten E. Nyholm
FOI – Swedish Defence Reasearch Agency 3/2020
Tomas Bodenklint RISE 4/2020
Thomas Borglin SEK – Svensk Elstandard 1/2018, 3/2021
Tomas Hurtig
FOI – Swedish Defence Reasearch Agency 3/2020
Torbjörn Nilsson SAAB Group 1/2022
Torbjörn Persson Provinn AB 3/2017
Ulf Nilsson Electronic Environment 2/2021, 3/2021, 4/2021, 1/2022, 2/2022, 3/2022, 4/2022
Zackary Chiragwandi EMC Services 3/2022
Acal AB
Solna Strandväg 21 171 54 Solna Tel: 08-546 565 00 Fax: 08-546 565 65 info@acal.se www.acal.se
Adopticum Gymnasievägen 34 Leveransadress: Anbudsgatan 5 931 57 Skellefteå Tel: 0910-288 260 info@adopticum.se www.adopticum.se
Alpharay Teknik AB Runnabyvägen 11 705 92 Örebro Tel: 019-26 26 20 mail@alpharay.se www.alpharay.se
Aleba AB
Västberga allé 1 126 30 Hägersten Tel: 08-19 03 20 Fax: 08-19 35 42 www.aleba.se
Alelion Batteries Flöjelbergsgatan 14c 431 37 Mölndal Tel: 031-86 62 00 info@alelion.com www.alelion.com/sv
AMB Industri AB 361 93 Broakulla Tel: 0471-485 18 Fax: 0471-485 99
Amska Amerikanska Teleprodukter AB Box 88 155 21 Nykvarn Tel: 08-554 909 50 Kontaktperson: Kees van Doorn www.amska.se
Amtele AB
Jägerhorns väg 10 141 75 Kungens Kurva Tel 08-556 466 04 Stora Åvägen 21 436 34 Askim Tel: 08-556 466 10 amtele@amtele.se www.amtele.se
Anritsu AB
Borgarfjordsgatan 13 A 164 26 Kista Tel: 08-534 707 00 Fax: 08-534 707 30 www.eu.anritsu.com
ANSYS Sweden
Anders Personsgatan 14 416 64 Göteborg Kistagången 20 B 164 40 Kista Tel: 010-516 49 00 info-se@ansys.com www.ansys.com
Armeka AB Box 32053 126 11 Stockholm Tel: 08-645 10 75 Fax: 08-19 72 34 www.armeka.se
Axiom EduTech Gjuterivägen 6 311 32 Falkenberg Tel: 0346-71 30 30 Fax: 0346-71 33 33 www.axiom-edutech.com
Berako AB Regulatorv 21 14149 Huddinge Tel: 08-774 27 00 Fax: 08-779 85 00 www.berako.se
BK Services Westmansgatan 47 A 582 16 Linköping Tel: 013-21 26 50 Fax: 013-99 13 025 johan@bk-services.se www.bk-services.se
Kontaktperson: Johan Bergstrand
Produkter och Tjänster: BK Services erbjuder EMCprovning, elsäkerhetsgranskningar (LVD), radioprovning enligt bl.a. ETSI-standarder, maskinsäkerhetsgranskningar, hjälp med CE-märkning och Klimattester. Vi erbjuder högkvalitativa och priseffektiva tjänster, problemlösningshjälp samt vänligt och professionellt bemötande.
Bodycote Ytbehandling AB Box 58 334 21 Anderstorp Tel: 0371-161 50 Fax: 0371-151 30 www.bodycote.se
Bofors Test Center AB Box 418 691 27 Karlskoga Tel: 0586-84000 www.testcenter.se
Bomberg EMC Products Aps Gydevang 2 F DK 3450 Alleröd Danmark Tel: 0045-48 14 01 55
Bonab Elektronik AB Box 8727 402 75 Göteborg Tel: 031-724 24 24 Fax: 031-724 24 31 www.bonab.se
BRADY AB Vallgatan 5 170 69 Solna Tel: 08-590 057 30 Fax: 08-590 818 68 cssweden@bradyeurope.com www.brady.se www.bradyeurope.com
Bromanco Björkgren AB Rallarvägen 37 184 40 Åkersberga Tel: 08-540 853 00 Fax: 08-540 870 06 info@bromancob.se www.bromancob.se
Båstad Industri AB Box 1094 269 21 Båstad Tel: 0431-732 00 Fax: 0431-730 95 www.bastadindustri.se
CA Mätsystem Sjöflygsvägen 35 183 62 Täby Tel: 08-505 268 00 Fax: 08-505 268 10 www.camatsystem.se
Cadputer AB Kanalvägen 12 194 61 Upplands Väsby Tel: 08-590 752 30 Fax: 08-590 752 40 www.cadputer.se
Caltech AB Krossgatan 30 162 50 Vällingby Tel: 08-534 703 40 info@caltech.se www.caltech.se
CE-BIT Elektronik AB Box 7055 187 11 Täby Tel: 08-735 75 50 Fax: 08-735 61 65 info@cebit.se www.cebit.se
CLC SYSTEMS AB Nygård Torstuna 740 83 Fjärdhundra Tel: 0171-41 10 30 Fax: 0171-41 10 90 info@clcsystems.se www.clcsystems.se
Combinova Marketing AB Box 200 50 161 02 Bromma Tel: 08-627 93 10 Fax: 08-29 59 85 sales@combinova.se www.combinova.se
Combitech AB Gelbgjutaregatan 2 581 88 Linköping Tel: 013-18 00 00 Fax: 013-18 51 11 emc@combitech.se www.combitech.se
Compomill AB Box 4 194 21 Upplands Väsby Tel: 08-594 111 50 Fax: 08-590 211 60 www.compomill.se
Dectron 2.0 AB Thörnbladsväg 6, 386 90 Färjestaden Tel: 0485-56 39 00 EMC@dectron.se www.dectron.se Kontaktperson: Tobias Harlén Len Croner Mikael Larsson Claes Nender
DELTA Development Technology AB Finnslätten, Elektronikgatan 47 721 36 Västerås Tel: 021-31 44 80 Fax. 021-31 44 81 info@delta-dt.se www.delta-dt.se
DeltaElectric AB Kraftvägen 32 Box 63 196 22 Kungsängen Tel: 08-581 610 10 www.deltanordicgroup.se/ deltaeltech
DeltaEltech AB Box 4024 891 04 Örnsköldsvik Tel: 0660-29 98 50 www.deltanordicgroup.se/ deltaeltech/
Detectus AB Hantverkargatan 38 B 782 34 Malung Tel: 0280-411 22 Fax: 0280-411 69 jan.eriksson@detectus.se www.detectus.se
Kontaktperson: Jan Eriksson
Produkter och Tjänster: Instrument, provning. Detectus AB utvecklar, producerar och säljer EMC-testsystem på världsmarknaden. Företaget erbjuder också hyra och leasing av mätsystemet. Detectus har möjlighet att utföra konsultmätningar (emission) på konsultbasis i egna lokaler.
EG Electronics AB Grimstagatan 160 162 58 Vällingby Tel: 08-759 35 70 Fax: 08-739 35 90 www.egelectronics.com
Elastocon AB Göteborgsvägen 99 504 60 Borås Tel: 033-22 56 30 Fax: 033-13 88 71 www.elastocon.se
ELDON AB Transformatorgatan 1 721 37 Västerås Tel: 010-555 95 50 eldonindustrial.se@eldon.com www.eldon.com/sv-SE
Electronix NG AB Enhagsvägen 7 187 40 Täby Tel: 010-205 16 50
Elis Elektro AS Jerikoveien 16 N-1067 Oslo Tel: +47 22 90 56 70 Fax: + 47 22 90 56 71 www.eliselektro.no
EMC Services Box 30 431 21 Mölndal Besöksadress: Bergfotsgatan 4 Tel: 031-337 59 00 www.emcservices.se Kontaktperson: Tony Soukka tony@emcservices.se
Emicon AB Head office: Briggatan 21 234 42 Lomma Branch office: Luntmakargatan 95 113 51 Stockholm Tel: 040-41 02 25 or 073-530 71 02 sven@emicon.se www.emicon.se Contact: Sven Garmland
EMP-Tronic AB Box 130 60 250 13 Helsingborg Tel: 042-23 50 60 Fax: 042-23 51 82 www.emp-tronic.se
Kontakt person: Lars Günther
Emp-tronic AB är specialiserat på Elmiljö- och EMCteknik.
Produkter och Tjänster: Vi har levererat skärmade anläggningar i över 25 år till bl.a. försvaret och myndigheter som skydd för EMP, RÖS, HPM med kontorsmiljö. Vi levererar även utrustning och skärmrum för EMC-mätning, elektronikkalibrering eller antennmätning, även med modväxelteknik. I vårt fullutrustade EMC-lab kan vi erbjuda verifierad provning för CE-märkning.
ELKUL
Kärrskiftesvägen 10 291 94 Kristianstad Tel: 044-22 70 38 Fax: 044-22 73 38 www.elkul.se
Elrond Komponent AB Regulatorvägen 9A 141 49 Huddinge Tel: 08-449 80 80 www.elrond.se info@elrond.se
EMC Väst AB Bror Nilssons Gata 4 417 55 Göteborg Tel: 031-51 58 50 Fax: 031-51 58 50 info@emcvaest.se www.emcväst.se
Emka Scandinavia Box 3095 550 03 Jönköping Tel: 036-18 65 70
ESD-Center AB Ringugnsgatan 8 216 16 Malmö Tel: 040-36 32 40 Fax: 040-15 16 83 www.esd-center.se
Eurodis Electronics 194 93 Stockholm Tel: 08-505 549 00
Exapoint Svenska AB Box 195 24 104 32 Stockholm Tel: 08-501 64 680 www.exapoint.se
ExCal AB Bröksmyravägen 43 826 40 Söderhamn Tel: 0270-28 87 60 Fax: 0270-28 87 70 info@excal.se www.excal.se
Farnell Skeppsgatan 19 211 19 Malmö Tel: 08-730 50 00 www.farnell.se
Ferner Elektronik AB Fabriksvägen 2 746 35 Bålsta Tel: 08-760 83 60 www.ferner.se info@ferner.se
Flexitron AB Veddestavägen 17 175 62 Järfälla Tel: 08-732 85 60 sales@flexitron.se www.flexitron.se
FMV 115 88 Stockholm Tel: 08-782 40 00 Fax: 08-667 57 99 www.fmv.se
Frendus AB Strandgatan 2 582 26 Linköping Tel: 013-12 50 20 info@frendus.com www.frendus.com Kontaktperson: Stefan Stenmark
Garam Elektronik AB Box 5093 141 05 Huddinge Tel: 08-710 03 40 Fax: 08-710 42 27
Glenair Nordic AB Box 726 169 27 Solna Tel: 08-505 500 00 Fax: 08- 505 500 00 www.glenair.com
Gore & Associates Scand AB Box 268 431 23 Mölndal Tel: 031-706 78 00 www.gore.com
Helukabel AB Spjutvägen 1 175 61 Järfälla Tel: 08-557 742 80 Fax: 08-621 00 59 www.helukabel.se
High Voltage AB Änggärdsgatan 12 721 30 Västerås Tel: 021-12 04 05 Fax: 021-12 04 09 www.highvoltage.se
HP Etch AB 175 26 Järfälla Tel: 08-588 823 00 www.hpetch.se
Industrikomponenter AB Gårdsvägen 4 169 70 Solna Tel: 08-514 844 00 Fax: 08-514 844 01 www.inkom.se
Infineon Technologies Sweden AB Isafjordsgatan 16 164 81 Kista Tel: 08-757 50 00 www.infineon.com
Ing. Firman Göran Gustafsson Asphagsvägen 9 732 48 Arboga Tel: 0589-141 15 Fax: 0589-141 85 www.igg.se
Ingenjörsfirman Gunnar Petterson AB Ekebyborna 254 591 95 Motala Tel: 08-93 02 80 Fax: 0141-711 51 hans.petterson@igpab.se www.igpab.se
Instrumentcenter Folkkungavägen 4 Box 233 611 25 Nyköping Tel: 0155-26 70 31 Fax: 0155-26 78 30 info@instrumentcenter.se www.instrumentcenter.se
Intertechna AB Kvarnvägen 15 663 40 Hammarö Tel: 054-52 10 00 Fax: 054-52 22 97 www.intertechna.se
Intertek
Torshamnsgatan 43 Box 1103 164 22 Kista Tel: 08-750 00 00 Fax: 08-750 60 30 Info-sweden@intertek.com www.intertek.se
INNVENTIA AB
Torshamnsgatan 24 B 164 40 Kista Tel: 08-67 67 000 Fax: 08-751 38 89 www.innventia.com
Jontronic AB Centralgatan 44 795 30 Rättvik Tel: 0248-133 34 info@jontronic.se www.jontronic.se
Keysight Technologies Sweden AB
Färögatan 33 164 51 Kista Tel: 0200-88 22 55 kundcenter@keysight.com www.keysight.com
Jolex AB
Västerviksvägen 4 139 36 Värmdö Tel: 08-570 229 85 Fax: 08 570 229 81 mail@jolex.se www.jolex.se
Kontaktperson: Mikael Klasson
Produkter och Tjänster: EMC, termiska material och kylare
Jolex AB har mångårig erfarenhet inom EMC och termiskt. Skärmningslister/kåpor, mikrovågsabsorbenter, icke ledande packningar, skärmande fönster/glas/rum/ dörrar, genomföringskondensatorer, kraftfilter, data-, telekom-, utrustnings- och luftfilter, ferriter, jordflätor, termiska material och kylare etc. Vi kundanpassar produkter och volymer.
LaboTest AB
Datavägen 57 B 436 32 Askim Tel: 031-748 33 20 Fax: 031-748 33 21 info@labotest.se www.labotest.se
Produkter och Tjänster: LaboTest AB marknadsför och underhåller utrustningar i Sverige till lab och produktionsavdelningar inom miljötålighet och test. Vårt huvudkontor finns i Askim och vårt filialkontor i Sollentuna. Våra huvudleverantörer är Vötsch och Heraeus. Båda har en världsomspännande organisation och är marknadsledande inom sina respektive produktområde.
Megacon AB Box 63 196 22 Kungsängen Tel: 08-581 610 10 Fax: 08-581 653 00 www.megacon.se
MTT Design and Verification
Propellervägen 6 B 183 62 Täby Tel: 08-446 77 30 sales@mttab.se www.mttab.se
Mentor Graphics
Färögatan 33 164 51 Kista Tel: 08-632 95 00 www.mentor.com
Metric Teknik Box 1494 171 29 Solna Tel: 08-629 03 00 Fax: 08-594 772 01
Jan Linders EMC-provning Bror Nilssons gata 4 417 55 Göteborg Tel: 031-744 38 80 Fax: 031-744 38 81 info@janlinders.com www.janlinders.com
Kontaktperson: Jan Linders
Produkter och tjänster: EMC-provning, elektronik och EMC, utbildning, EMIanalys, allmän behörighet.
Jan Linders Ingenjörsfirma har mångårig erfarenhet inom EMC-området och har allmän behörighet upp till 1 000 V. Bland vårt utbud märks ce-märkning, prototypprovning samt mätning och provning hos kund. Vi utför EMC-styling dvs förbättrar produkters EMC-egenskaper, ger råd och hjälp om standarder m m. Med vår nya EMC-tjänst tar vi totalansvar för er EMC-certifiering.
Kitron AB 691 80 Karlskoga Tel: 0586-75 04 00 Fax: 0586-75 05 90 www.kitron.com
Kvalitest Sweden AB Flottiljgatan 61 721 31 Västerås Tel:076-525 50 00 sales@kvalitetstest.com www.kvalitetstest.com
Vår verksamhet fokuseras främst kring följande produktområden: Värmeskåp, Torkugnar, Vakuumtorkskåp, Temperatur-, Klimattestkammare, Chocktest- kammare, Sol/Vädertestkammare, Vibrationstestkammare, Klimatiserade rum, Saltspraytestkammare, HALT/ HASS-kammare.
LAI Sense Electronics Rördromsvägen 12 590 31 Borensberg Tel: 0703-45 55 89 Fax: 0141-406 42 www.laisense.com
LeanNova Engineering AB Flygfältsvägen 7 461 38 Trollhättan Tel: 072-370 07 58 info@leannova.se www.leannova.se
Mikroponent AB Postgatan 5 331 30 Värnamo Tel: 0370-69 39 70 Fax: 0370-69 39 80 www.mikroponent.se
Miltronic AB Box 1022 611 29 Nyköping Tel: 0155-777 00
MJS Electronics AB Box 11008 800 11 Gävle Tel: 026-18 12 00 Fax: 026-18 06 04 www.mjs-electronics.se
MPI Teknik AB Box 96 360 50 Lessebo Tel: 0478-481 00 Fax: 0478-481 10 www.mpi.se
KAMIC Components Körkarlsvägen 4 653 46 Karlstad Tel: 054-57 01 20 info@kamic.se www.kamicemc.se
Produkter och Tjänster: Med närmare 30 års erfarenhet och ett brett program av elmiljöprodukter erbjuder KAMIC Components allt från komponenter till färdiga system. Lösningarna för skalskydd omfattar lådor, skåp och rum för EMI-, EMP- och RÖS-skydd. Systemlösningar som uppfyller MIL-STD 285 och är godkända enligt skalskyddsklasserna SS1 och SS2. Komponenter, ledande packningar och lister. KAMIC Components är en del av KAMIC Installation AB. Kontaktperson: Jörgen Persson.
LINDH Teknik Granhammar 144 744 97 Järlåsa Tel: 070-664 99 93 kenneth@lindhteknik.se www.lindhteknik.se Lintron AB Box 1255 581 12 Linköping Tel: 013-24 29 90 Fax: 013-10 32 20 www.lintron.se
LTG Keifor AB (KAMIC) Box 8064 163 08 Spånga Tel: 08-564 708 60 Fax: 08-760 60 01 kamic.karlstad@kamic.se www.kamic.se
Lundinova AB Dalbyvägen 1 224 60 Lund Tel: 046-37 97 40 Fax: 046-15 14 40 www.lundinova.se
Magnab Eurostat AB Pontongatan 11 611 62 Nyköping Tel: 0155-20 26 80 www.magnab.se
NanoCal AB Lundbygatan 3 621 41 Visby Tel: 0498-21 20 05 www.nanocal.se
Nefab Packaging AB 822 81 Alfta Tel: 0771-59 00 00 Fax: 0271-590 10 www.nefab.se
Nelco Contact AB Box 7104 192 07 Sollentuna Tel: 08-754 70 40
Nemko Sweden AB Arenavägen 41, 121 77 Stockholm-Globen Tel: 08 473 00 30/31 www.nemko.com
Nohau Solutions AB Derbyvägen 4 212 35 Malmö Tel: 040-59 22 00 Fax: 040-59 22 29 www.nohau.se
Nolato Silikonteknik AB Bergmansvägen 4 694 35 Hallsberg Tel: 0582-889 00 silikonteknik@nolato.com www.nolato.com/emc
Nortelco AS Ryensvingen 3 N-0680 Oslo Tel: +47 22576100 Fax: +47 22576130 elektronikk@nortelco.no www.nortelco.no
Nortronicom AS Ryensvingen 5 Postboks 33 Manglerud N-0612 Oslo Tel: +47 23 24 29 70 Fax: +47 23 24 29 79 www.nortronicom.no
Nässjö Plåtprodukter AB Box 395 571 24 Nässjö Tel: 031-380 740 60 www.npp.se
OBO Bettermann AB Florettgatan 20 254 67 Helsingborg Tel: 042-38 82 00 Fax: 042-38 82 01 www.obobettermann.se
OEM Electronics AB Box 1025 573 29 Tranås Tel: 075-242 45 00 www.oemelectronics.se
ONE Nordic AB Box 50529 202 50 Malmö Besöksadress: Arenagatan 35 215 32 Malmö Tel: 0771-33 00 33 Fax: 0771-33 00 34 info@one-nordic.se
Ornatus AB Stockholmsvägen 26 194 54 Upplands Väsby Tel: 08-444 39 70 Fax: 08-444 39 79 www.ornatus.se Prevas AB Hammarby Kaj 18 120 30 Stockholm Tel: 0702-79 53 81 stefan.norrwing@prevas.se www.prevas.se
Kontaktperson: Stefan Norrwing
Produkter och Tjänster: Spetskompetens inom elektronikutveckling: Analog och digital elektronik, EMCteknik (rådgivning och eget pre-compliance EMC-lab), inbyggda system, samt programmering. Regulativa krav som EMC-, MD- RoHSoch WEE- EUP-direktiven. ”Lean Design” med fokus på kvalitet, effektivitet, tillförlitlighet, producerbarhet och säljbarhet.
PROXITRON AB
Dynamovägen 5 591 61 Motala Tel: 0141-580 00 Fax: 0141-584 95 info@proxitron.se www.proxitron.se
Kontaktperson: Rickard Elf
Produkter och Tjänster: INSTRUMENT. Proxitron AB arbetar med försäljning och service inom elektronikbranschen. Vi samarbetar med en rad ledande internationella tillverkare inom områdena; Klimat/Vibration, EMC, Givare, Komponenter, Högspänning och Elsäkerhet.
Våra kunder finns över hela Skandinavien och representerar forskning/utveckling, produktion, universitet och högskolor.
Procurator AB Box 9504 200 39 Malmö Tel: 040-690 30 00 Fax: 040-21 12 09 www.procurator.se
Profcon Electronics AB Hjärpholn 18 780 53 Nås Tel: 0281-306 00 Fax: 0281-306 66 www.profcon.se
Proxy Electronics AB Box 855 391 28 Kalmar Tel: 0480-49 80 00 Fax: 0480 49 80 10 www.proxyelectronics.com
RF Partner AB Flöjelbergsgatan 1 C 431 35 Mölndal Tel: 031-47 51 00 Fax: 031-47 51 21 info@rfpartner.se www.rfpartner.se-
RISE Elektronik Box 857 501 15 Borås Tel: 010-516 50 00 info@ri.se www.ri.se
Provinn AB Kvarnbergsgatan 2 411 05 Göteborg Tel: 031 – 10 89 00 info@provinn.se www.provinn.se
Products and Services: Provinn offer EMC expertise covering all aspects from specification through consultant services, education, numerical analyses all the way to final verification. We are several dedicated EMC experts with documented expertise and experience.
Provinn is proud representative for Oxford Technical Solutions (OxTS) navigational equipment, Moshon Data ADAS test equipment and Spirent GPS/GNSS instruments for the Scandinavian market.
Para Tech Coating Scandinavia AB Box 567 175 26 Järfälla Besök: Elektronikhöjden 6 Tel: 08-588 823 50 info@paratech.nu www.paratech.nu
Phoenix Contact AB Linvägen 2 141 44 Huddinge Tel: 08-608 64 00 order@phoenixcontact.se www.phoenixcontact.se
Polystar Testsystems AB Mårbackagatan 19 123 43 Farsta Tel: 08-506 006 00 Fax: 08-506 006 01 www.polystartest.com
Processbefuktning AB Örkroken 11 138 40 Älta Tel: 08-659 01 55 Fax: 08-659 01 58 www.processbefuktning.se
Rittal Scandinavian AB Månskärsgatan 7 141 71 Huddinge Tel: 08-680 74 08 Fax: 08-680 74 06 www.rittal.se
Rohde & Schwarz Sverige AB Flygfältsgatan 15 128 30 Skarpnäck Tel: 08-605 19 00 Fax: 08-605 19 80 info.sweden@rohdeschwarz.com www.rohde-schwarz.se
Ronshield AB Tussmötevägen 120B 122 64 Enskede Mob: +46 70 674 93 94 info@ronshield.se www.ronshield.se
Roxtec International AB Box 540 371 23 Karlskrona Tel: 0455-36 67 23 www.roxtec.se
RS Components AB Box 21058 200 21 Malmö Tel: 08-445 89 00 Fax:08-687 11 52 www.rsonline.se
RTK AB Box 7391 187 15 Täby Tel: 08-510 255 10 Fax: 08-510 255 11 info@rtk.se www.rtk.se
RUTRONIK Nordic AB
Kista Science Tower Färögatan 33 164 51 Kista Tel: 08-505 549 00 Fax: 08-505 549 50 www.rutronik.se
Saab AB, Aeronautics, EMC laboratory
Bröderna Ugglas Gata 582 54 Linköping Tel: 013-18 65 67 bengt.vallhagen@saabgroup.com
Saab AB, Aeronautics, Environmental laboratory
Bröderna Ugglas Gata 582 54 Linköping Tel: 013–18 77 92 sofia.ring@saabgroup.com
Saab AB, Surveillance A15 – Compact Antenna Test Range Bergfotsgatan 4 431 35 Mölndal Tel: 031-794 81 78 christian.augustsson@saabgroup.com www.saabgroup.com
SEBAB AB Sporregatan 12 213 77 Malmö Tel: 040-601 05 00 Fax: 040-601 05 10 www.sebab.se
Saab AB, Support and Services, EMC-laboratory P.O Box 360 S-831 25 Östersund emc.osd@saabgroup.com www.saabgroup.com
Products & Services: We offer accredited EMC testing in accordance with most commercial and military standards and methods, including airborne equipment. We can also provide pre-compliance testing and qualified reviews and guidance regarding EMC during product design.
SEK Svensk Elstandard Box 1284 164 29 KISTA Tel: 08-444 14 00 sek@elstandard.se www.elstandard.se Shop.elstandard.se
Produkter och Tjänster: Du kan genom deltagande i SEK Svensk Elstandard och den nationella och internationella standardiseringen vara med och påverka framtidens standarder samtidigt som ditt företag får en ökad affärsnytta och ökad konkurrenskraft.
På SEK Shop, www.elstandard.se/shop, hittar du förutom svensk standard även europeisk och internationell standard inom elområdet. SEK ger även ut SEK Handböcker som förklarar och fördjupar, vägleder och underlättar ditt användande av standarder. Läs mer på www.elstandard.se.
SGS Fimko AB Mörtnäsvägen 3 (PB 30) 00210 Helsingfors Finland www.sgs.fi
Saab EDS Nettovägen 6 175 88 Järfälla Tel: 08-580 850 00 www.saabgroup.com
Scanditest Sverige AB Box 182 184 22 Åkersberga Tel: 08-544 019 56 Fax: 08-540 212 65 www.scanditest.se info@scanditest.se
Scandos AB Varlabergsvägen 24 B 434 91 Kungsbacka Tel: 0300-56 45 30 Fax: 0300-56 45 31 www.scandos.se
Schaffner EMC AB Turebergstorg 1 191 86 Sollentuna Tel: 08-579 211 22 Fax: 08-92 96 90
Schroff Skandinavia AB Box 2003 128 21 Skarpnäck Tel: 08-683 61 00
Schurter Nordic AB Sandborgsvägen 50 122 33 Enskede Tel: 08-447 35 60 info.se@schurter.com www.schurter.se
Shortlink AB Stortorget 2 661 42 Säffle Tel: 0533-468 30 Fax: 0533-468 49 info@shortlink.se www.shortlink.se
Sims Recycling Solutions AB Karosserigatan 6 641 51 Katrineholm Tel: 0150-36 80 30 www.simsrecycling.se
Skandinavia AB Box 2003 128 21 Skarpnäck Tel: 08-683 61 00 Turebergstorg 1 191 86 Sollentuna Tel: 08-579 211 22 Fax: 08-92 96 90
STF Ingenjörsutbildning AB Malmskillnadsgatan 48 Box 1419 111 84 Stockholm Tel: 08-613 82 00 Fax: 08-21 49 60 www.stf.se
Stigab Fågelviksvägen 18 145 53 Norsborg Tel: 08-97 09 90 info@stigab.se www.stigab.se
www.electronic.se – Electronic
Swentech Utbildning AB Box 180 161 26 Bromma Tel: 08-704 99 88 www.swentech.se
Swerea KIMAB AB Box 7047 Isafjordsgatan 28 164 40 Kista Tel: 08-440 48 00 elektronik@swerea.se www.swereakimab.se
TEBAB, Teknikföretagens Branschgrupper AB Storgatan 5, Box 5510, 114 85 Stockholm Tel +46 8 782 08 08 Tel vx +46 8 782 08 50 www.sees.se
Technology Marketing Möllersvärdsgatan 5 754 50 Uppsala Tel: 018-18 28 90 Fax: 018-10 70 55 www.technologymarketing.se
Tesch System AB
Märstavägen 20 193 40 Sigtuna Tel: 08-594 80 900 order@tufvassons.se www.tesch.se
Testhouse Nordic AB
Österögatan 1 164 40 Kista Landskronavägen 25 A 252 32 Helsingborg
Tel: 08-501 260 50 Fax: 08-501 260 54 info@testhouse.se www.testhouse.se
Tormatic AS Skreppestad Naringspark N-3261 Larvik Tel: +47 33 16 50 20 Fax: +47 33 16 50 45 www.tormatic.no
Trafomo AB Box 412 561 25 Huskvarna Tel: 036-38 95 70 Fax: 036-38 95 79 www.trafomo.se
Treotham AB Box 11024 100 61 Stockholm Tel: 08-555 960 00 Fax: 08- 644 22 65 www.treotham.se
TRESTON GROUP AB
Tumstocksvägen 9 A 187 66 Täby Tel: 08-511 791 60 Fax: 08-511 797 60 Bultgatan 40 B 442 40 Kungälv Tel: 031-23 33 05 Fax: 031-23 33 65 info.se@trestoncom www.treston.com
Trinergi AB Halltorpsvägen 1 702 29 Örebro Tel: 019-18 86 60 Fax: 019-24 00 60
UL Kista Science Tower Fårögatan 33 161 51 Kista Tel: 08-795 43 70 info.se@ul.com www.sweden.ul.com
Vanpee AB Karlsbodavägen 39 168 67 Bromma Telefon: 08-445 28 00 www.vanpee.se order@vanpee.se
Weidmüller AB Box 31025 200 49 Malmö Tel: 0771-43 00 44 Fax: 040-37 48 60 www.weidmuller.se
Wretom Consilium AB Olof Dalins Väg 16 112 52 Stockholm Tel: 08-559 265 34 info@wretom.se www.wretom.se
Würth Elektronik Sweden AB Annelundsgatan 17 C 749 40 Enköping Tel: 0171-41 00 81 eiSos-sweden@we-online.com www.we-online.se Kontaktperson: Martin Danielsson
Yokogawa Measurement Technologies AB Finlandsgatan 52 164 74 Kista
Tel: 08-477 19 00 Fax: 08-477 19 99 www.yokogawa.se
Österlinds El-Agentur AB Box 96 183 21 Täby Tel: 08-587 088 00 Fax: 08-587 088 02 www.osterlinds.se
Nu är den här – den kompletta och uppdaterade versionen av Environmental Engineering Handbook
Environmental Engineering Handbook har genomgått en omfattande uppdatering och är den mest kompletta handboken inom miljöteknik. Handboken täcker hela arbetsområdet för miljöteknik och är ett ovärderligt hjälpmedel för att fastställa miljötekniska specifikationer, både nationella som internationella.
Ett heltäckande uppslagsverk som ger vägledning i rätt metodik för miljöteknikarbete, liksom grundläggande regler och råd om hur sådant arbete – korrekt specificerat och verifierat – leder till en säker och pålitlig produkt. Handboken ges ut av Swedish Environmental Engineering Society (SEES).
www.electronic.se – Electronic