Skip to main content

Ignición News No. 35 Honduras

Page 1

Mi Taller Avanza

Convierte cada cliente en una opourtunidad

Marketing

Clientes satisfechos es igual a promotores leales

Tecnología

9

5 7 10 12 15

¿Es cierto que un combustible limpio equivale a un motor potente?

Mujeres al Volante Avanzo con Ignición

Cada líquido tiene su color… ¿Para qué sirve?

Interpreta los diagramas eléctricos y sal de problemas

Nota Informativa

¡Es hora de transformar!

Usa Tramontina

Referencias

2

Este es un mes muy importante para nuestra empresa, pues celebramos nuestro aniversario. Y como todo cumpleañero, nos sentimos felices de compartir el arribo a nuestros 66 años con ustedes y agradecerles su preferencia, sin la cual no sería posible, ni entretenido, hacer lo que hacemos.

Cualquier cumbre que nos propongamos alcanzar en la vida requiere esfuerzo, preparación, apoyo, un plan y esto aplica a lo personal y profesional. Esa es la razón por la que nos entusiasma tanto esta promoción, tiene tantas similitudes con la vida diaria. Como dicen nuestros colaboradores, quienes también están participando para convertirse en la tercera persona que acompañe a Bárbara Padilla en esta expedición: “Llegamos a limitarnos tanto que difícilmente creemos que podemos realizar una aventura como esta”.

Para nuestra celebración hemos preparado varias sorpresas. Entre ellas la promoción “Combovilízate”, la cual está vigente desde junio; así como una charla motivacional a la que todos nuestros clientes y amigos están invitados.

Es por eso que, como empresa, estamos muy orgullosos de hacer posible que alcancen este reto tres personas centroamericanas, al mismo tiempo que patrocinamos a Bárbara en su preparación para el reto que se ha propuesto de escalar la montaña K2, ubicada en el sistema de los Himalaya, la cual es la segunda más alta del mundo, pero la más difícil de escalar.

Este mes haremos la selección de los dos clientes que nos acompañarán en la travesía al Everest, para eso se ha preparado un reto final donde los participantes clasificados se esforzarán por el gran premio. Los clientes que no salieron seleccionados, recibirán premios por su participación y el grupo de finalistas un regalo conmemorativo de la promoción.

Este evento tiene varias etapas, como la que conlleva la travesía de la caminata al campamento base, al pasar por los distintos poblados, puentes y caminatas diarias para llegar a la cima.

Por estas razones, en nuestra empresa decimos: atrévete a plantearte retos grandes y prepárate para alcanzarlos. Por cierto, ya transcurrió la mitad del año 2023, ¿Cómo van tus planes?

3
Paola Navarro Vinicio Navichoque Sabrina Ramírez Marco Vinicio Rivera Völker Dietz José González Victoria Hernández Luis Mendizabal Nery Serrano
www repuestosacquaron c o m
Pablo Vicente
Haz Click aquí para dejar tu comentario

Convierte cada cliente en una opourtunidad

Para mejorar la gestión de talleres, resulta fundamental contar con un directorio de clientes. ¿Tienes idea de cómo hacerlo?

Esta herramienta tiene como objetivo incluir la mayor cantidad de detalles y datos generales del cliente y el vehículo.

¿Cuál es la razón para llevar a cabo este trabajo?

Al contar con información estratégica se pueden tomar acciones que motiven a los clientes a visitar el taller con mayor frecuencia.

Al tener acceso a esta información, el taller mejora los procesos, promociona su eficiencia y brinda un servicio de calidad, con lo que logra convertirse en la primera opción de los clientes.

Además, esta ayuda anticipa las necesidades de insumos y repuestos a la fecha que el vehículo realice nuevamente servicio. El objetivo de adelantarse a las necesidades es trabajar y entregar el auto en el menor tiempo posible, lo que contribuirá en la satisfacción del cliente.

La gestión de registros se construye en un archivo detallado con la información de cada uno, junto con una bitácora específica por vehículo.

En este historial se anota la fecha, el kilometraje, las piezas utilizadas, los servicios y trabajos realizados. Esto se conoce comúnmente como record del vehículo.

Haz Click aquí para ver el formato de registro

5

Clientes satisfechos es igual a promotores leales

El marketing de recomendaciones bien estructurado y ejecutado, se puede convertir en una estrategia poderosa para el crecimiento y el éxito de un taller automotriz.

Los clientes complacidos aportan a la reputación del establecimiento, ya que recomiendan el buen servicio. Esto da ventaja. Se puede aplicar la técnica de marketing de recomendación de boca en boca conocida como WOM, la cual tiene como objetivo transmitir una idea o valor que esté conectado a los productos y servicios de una marca.

Es importante encontrar una manera efectiva de promover y atraer nuevos clientes, sin descuidar a los existentes. A continuación, se presentan algunas estrategias para incentivar a los visitantes satisfechos a que recomienden al taller automotriz.

Solicitar recomendaciones de manera estratégica

No se debe subestimar el poder de pedir a los clientes que sugieran el taller a otras personas. Al finalizar un servicio exitoso, se debe aprovechar el momento para solicitarles que compartan su experiencia con sus contactos. Esto se puede hacer personalmente, a través de un correo electrónico de seguimiento o, incluso, mediante tarjetas que puedan entregar a sus amigos y familiares.

Brindar un servicio excepcional

Esto es la base de WOM. Cuando los clientes tienen una experiencia positiva en el taller, es probable que se sientan motivados a compartir su satisfacción con otros. Es por ello que, se recomienda tratar a los clientes con amabilidad, escuchar sus necesidades y resolver cualquier problema de manera rápida y eficiente.

Haz click aquí para mayor información.

7

El buen funcionamiento de los inyectores de combustible es crucial para el rendimiento y la eficiencia de un motor de automóvil.

Con el tiempo, los inyectores pueden taparse debido a la acumulación de sedimentos, suciedad y residuos del carburante, lo que puede afectar negativamente el desempeño del vehículo.

¿Cómo identificar si están sucios?

Antes de proceder con la limpieza de los inyectores es importante reconocer los síntomas. Algunos signos comunes incluyen el ralentí inestable la falta de respuesta al acelerar y el aumento en las emisiones de escape, entre otros. Para solucionar estos detalles, el procedimiento paso a paso es el siguiente:

Si están obstruidos, el flujo de combustible se ve comprometido, lo que puede causar una variedad de problemas como pérdida de potencia, consumo excesivo, dificultad para arrancar y funcionamiento irregular del motor.

Haz click aquí en el botón para mayor información.

9
¿Es cierto que un combustible limpio equivale a un motor potente?

Interpreta los diagramas eléctricos y sal de problemas

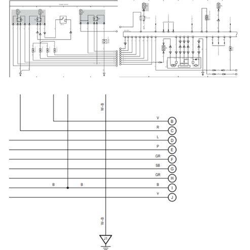
Más o menos el 70% aproximado de los códigos de averías o fallos tienen relación directa con los circuitos eléctricos.

En ocasiones, cuando se presentan múltiples códigos de fallo, la solución al problema puede encontrarse al interpretar el diagrama eléctrico, el cual es una herramienta valiosa. Esta conexión se debe a que los sensores o actuadores con fallas pueden compartir las mismas alimentaciones, tanto positivas como negativas.

Al inicio leer uno de estos puede parecer algo abrumador; sin embargo, cuando se va entendiendo su estructura es más fácil la comprensión.

Haz click aquí para ver el diagrama de alimentación de batería.

Para abordar los códigos de manera más ágil y eficiente, es crucial contar con los diagramas eléctricos, ya que emplean símbolos como señales eléctricas para representar la conexión entre los distintos elementos de un circuito o instalación.

Estos facilitan la comprensión de los componentes eléctricos, lo que resulta importante para el diagnóstico

Como vemos en la imagen, las alimentaciones positivas generalmente están en la parte superior y las negativas en la inferior. Se empiezan a leer de izquierda a derecha.

10
0:00 / 0:0900 Haz click aquí e ingresa al video

En el cuadro rojo del diagrama hay unas figuras con números y letras, estas se refieren a conectores, el 1A es el número de conector y el dígito que está a la izquierda se refiere a la posición del cable en el conector. Puede tener algunas variaciones dependiendo el programa que se utilice.

En la imagen anterior se ven unas letras encerradas en círculos, mismas que sirven para identificar en la siguiente hoja la continuidad del cable, el cual aparece en el mismo orden y con la misma letra. En otros diagramas pueden señalizarse con números en lugar de letras.

Los diagramas automotrices son muy grandes y se hacen en varias hojas. Se observan cables que pasan de una hoja a otra, estos pueden estar identificados por números o letras según el sistema que se implemente. Es así como se puede dar continuidad a los cables.

En la imagen de arriba vemos que los cables están acompañados de unas letras que indican el color del cable B, black o negro. Vienen de estas formas, en el caso del ejemplo está así, W-B indica que es un cable white o blanco con raya black o negra. En otro programa se puede encontrar W/B, lo que significa exactamente lo mismo.

11 0:00 / 0:0900 Haz click aquí e ingresa
video Haz click aquí para mayor información
al

¡Es hora de transformar!

Usa Tramontina

Algunos problemas son el orden y la limpieza, más cuando no se cuenta con los espacios adecuados.

Para que sea más fácil implementar la cultura de limpieza en los equipos de trabajo y poder hacer supervisiones de manera correcta, Tramontina PRO desarrolló soluciones que vienen a complementar el espacio de las tareas para hacerlo más eficiente, con una completa línea de modulares.

Un punto muy importante es que la herramienta puede ser marcada con el nombre del taller o de la persona que la utiliza.

Estos muebles se pueden adaptar a los espacios disponibles. Hay aéreos, de pie y tipo bancadas, mismos que son la solución ideal para un taller mecánico o para un laboratorio químico, entre otros.

Estos modulares poseen características que los hacen únicos. Son personalizables en color, se les puede colocar el nombre de la empresa o persona. Cuentan con el sistema MFS, el cual permite la exposición de la herramienta en su lugar, mismo que se hace a través de una espuma que facilita la visualización.

Además, Tramontina cuenta con un software especial que sugiere, con base a medidas, el diseño y ubicación de los muebles desarrollando un área ergonómica ideal para la ejecución óptima de las actividades cotidianas.

Esta línea tiene la misión de garantizar la maximización del espacio de trabajo y, a la vez, hacer más eficientes y agradables las tareas.

12
13

Cada líquido tiene su color…

¿Para qué sirve?

Al rato de haber estacionado el vehículo, se observa que ha estado derramando líquido, es un aviso y no se debe dejar al tiempo una revisión profesional.

Los líquidos que se encuentran en los motores de los autos son fundamentales para su adecuado funcionamiento. Cada uno cuenta con diversas características y al variar se convierten en una señal de alerta.

El líquido de frenos, por lo general, es de color amarillo claro o dorado. Si se observa que el color se ha vuelto oscuro, puede indicar la presencia de contaminantes y la necesidad de cambiarlo por completo, además de revisar los émbolos y las bombas.

El aceite de motor se presenta ámbar o marrón claro. Al ver que se vuelve negro y opaco, es señal que está sucio y necesita cambio. Otra alerta es cuando cambia a gris, lo que manifiesta que se mezcló con líquido refrigerante y se convierte en el aviso de un problema más grave, como el daño de un empaque de culata.

El refrigerante suele ser verde, rojo o rosa. Es crucial para mantener el motor a una temperatura adecuada. Si se nota una fuga o un cambio en el líquido, es indicativo de que el sistema de enfriamiento tiene algún problema. En este caso, es necesario localizar y reparar la fuga para evitar daños en el motor.

El líquido de dirección asistida usualmente es rojo o rosado. Si cambia a marrón o negro es porque contiene partículas de desgaste del sistema de dirección. En este caso, es recomendable llevar el vehículo a un taller, inmediatamente.

Conocer los colores de los líquidos brinda información valiosa sobre el estado del automotor y permite tomar acciones preventivas. Es recomendable acudir al taller de confianza para una revisión y el diagnóstico adecuados.

14 Mujeres al volante

Turn static files into dynamic content formats.

Create a flipbook