Refrinoticias al Aire Magazine Noviembre 2009

Page 1


En invierno, conviene que el flujo de aire sea menor, de forma que el aire que entre en la habitación a través de los registros esté caliente. Si en invierno, se utiliza el flujo de aire de aire de 10 mcm/ton del aire acondicionado, dicho flujo puede crear corrientes de aire ligeramente templado, en lugar de caliente.

Las Unidades Enfriadoras

Para aplicaciones comerciales e institucionales, el número y tamaño de las unidades de refrigeración debería determinarse de tal forma que el número de unidades de línea (operando) tuviera el menor de kW/Tonelada de Refrigeración. 24

Nuestra Portada: La importancia en la cantidad de aire que se requiere para la calefacción y para refrigeración.

DIRECTORIO

DIRECTOR GENERAL

Roberto Rojas Juarez refrinoticias@prodigy.net.mx

COORDINADOR EDITORIAL

Roberto Rojas D. cord.editorial@refrinoticias.com

MERCADOTECNIA Y SUSCRIPCIONES

Martha D. Araujo info@refrinoticias.com

ARTE Y DISEÑO

Zurizaddai Celis refrinoticiasmex@prodigy.net.mx

SOPORTE TÉCNICO

Miguel Tello Hernan Gómez

VENTAS PUBLICIDAD

Rocio Rojas ventas@refrinoticias.com

COORDINACIÓN E-MEDIA

Roberto Rojas D. e.news@refrinoticias.com

INFORMACIÓN Y PUBLICIDAD

+052 (55) 5740-4476, 5740-4497 ext. 11 refrinot@prodigy.net.mx

REFRINOTICIAS AL AIRE Organo informativo de la refrigeración, aire acondicionado, calefacción y ventilación HVAC/R, revista mensual, Certificado de licitud de contenido No. 1930, Certificado de licitud de titulo No. 3025, Franqueo pagado publicacion periodica Permiso No. PP09-0052, Caracteristicas: 228551512, Registro Postal Impresos Autorizado por SEPOMEX. Registro de la Dirección General de Derecho de Autor: 566-86. La editorial exime su responsabilidad sobre el deterioro o daños que pueda sufrir el material mecanico o electronico proporcionado por el cliente para el uso o la elaboración de articulos o anuncios publicitarios en REFRINOTICIAS AL AIRE, por lo que no procedera reclamo alguno en su devolución al respecto. La tardía circulación de esta publicación no afecta para su entrega por tratarse de una fuente de información técnica cultural que por causas de fuerza mayor puede ser susceptible en días de retraso. El contenido de los artículos en esta publicación todos son de caracter cultural informativo. Cualquier daño o prejuicio que origine el contenido de los anuncios es responsabilidad exclusiva del anunciante.En REFRINOTICIAS AL AIRE no rentamos ni vendemos bajo ninguna circunstancia nuestras bases de datos. Sus datos de entrega son estrictamente confidenciales.

® RESERVADOS TODOS LOS DERECHOS

Estrictamente prohibida la reproducción o transmisión total o parcial del material éditorial o gráfico aquí publicado por cualquier medio electronico, mecanico ó quimico.

Publicación Mensual de:

BURO DE MERCADOTECNIA DEL CENTRO, S.A. www.refrinoticias.com

ISSN 1870-1337

Impresa & Editada en México

Refrigerantes y Aceites Alternos

¿Cuál es el aceite correcto a usar con los nuevos refrigerantes?

Con la introducción de los refrigerantes HFC como alternativas de los refrigerantes CFC y HCFC, aun surge la pregunta de cual es el aceite apropiado a usar.

El aceite generalmente preferido a usar con los HFC es el de polioléster (POE) el cual tiene un paquete de aditivos para aplicaciones en refrigeración. El aceite mineral (MO) no se recomienda porque se considera que se esta comprometiendo el regreso del aceite.

¿Tengo que remover todo el aceite mineral (MO) del sistema cuando hago una conversión (retrofit)?

Si se hace una conversión del sistema a un refrigerante HFC, las recomendaciones comunes son remover todo el aceite mineral de tal manera que lo que permanezca sea un 5% o menos en el sistema antes de cambiar al aceite POE. El porcentaje puede medirse usando un refractómetro.

¿Qué hay con los aceites alquilbenceno (AB)?

La mayoria de los refrigerantes interinos HCFC pueden usar también aceite alquilbenceno (AB) aprobado por el fabricante del compresor. Si se tiene duda de que aceite usar con el refrigerante que está usted utilizando, siempre consulte al fabricante del compresor.

www.emersonclimate.com/espanol

Envie sus comunicados de prensa para las secciones de Nuevos Productos y Noticias Breves a la atención de: Roberto Rojas Damas (Coordinador Editorial)

Revista REFRINOTICIAS AL AIRE, Playa Revolcadero #222 Col. Reforma Iztaccihuatl Norte C.P. 08810 Delegación Iztacalco, México, D.F. Tels. (55) 5740.4476 y 97 Ext. 14, Fax: Ext. 15 A la dirección de e-mail: cord.editorial@refrinoticias.com *Preferimos los envios electrónicos via e-mail

Expectativa

Estimados lectores:

Ante tanta polémica desatada en torno a la aprobación de presupuesto del gasto para el 2010 es nuestro deber como empresarios tener una visión más serena, libre de cualquier interés para observar día a día, la situación económica del país.

Las expectativas hacia el 2010 son de malas a regulares, eso es lo que determina una encuesta en el sector industrial, la cual nos muestra una incipiente mejoría con un uso de la capacidad instalada del 45% al 60% y con una débil oferta en el empleo.

“Las expectativas hacia el 2010 son de malas a regulares, eso es lo que determina una encuesta en el sector industrial, la cual nos muestra una incipiente mejoría con un uso de la capacidad instalada del 45% al 60% y con una débil oferta en el empleo.”

Como un dato de interés para nuestro sector HVAC/R le informamos que el sector siderúrgico registra en el 2009 una caída en su producción del 30%, sin embargo, para el próximo año espera un crecimiento en el consumo interno del 14.5% alcanzando un producción de 21 millones de toneladas, ya que en el 2009 fue de 13.6 millones de toneladas, mientras que en el 2008 fueron generadas 17.2 millones de toneladas. Vale la pena mencionar que el “Monitor de la Manufactura Mexicana” integrada con los datos suministrados por la Canacintra, la Facultad de Economía y el Centro de Estudios China-México (ambos de la UNAM), revelan que de 315 actividades manufactureras, menos del 30% presentan un incremento en su producción y un 87% ha desplazado la fuerza de trabajo.

Los sectores más dinámicos productivos de Agosto de 2008 a Agosto de 2009 son: Industria tabacalera 100.4%, materias primas para la industria farmacéutica 91.9%, equipo para el comercio y los servicios 81.9%, concentrados, polvos, jarabes y esencias de sabor para refrescos 63.2%, escobas, cepillos y similares 61.1%, chocolates y sus productos 59.8%, bombas centrífugas 56.3%, reproducción de medios magnéticos y ópticos 46.6%, equipo de transmisión y recepción de señales de radio, televisión y cable 46.3% y calcetines y medias 42.8%. Los sectores menos dinámicos productivos fueron: elaboración de azúcar de caña -98.9%, enseres electrodomésticos menores -61.3%, productos textiles -59.6%, equipo ferroviario -58.7%, instrumentos de navegación, médicos y de control -58.5%, tanques metálicos de calibre grueso – 55.0%, complejos siderúrgicos -51.5%, maquinaría y equipo para la industria de la madera -50.8%, motocicletas -49.4%, fibras, hilados, hilos y telas -44.5%.

Si como dicen los legisladores nacionales, el presupuesto de Egresos 2010 tiene una clara orientación para impulsar la infraestructura, el empleo y el crecimiento económico, es de esperarse que el próximo año, la industria se recupere y reinicie un cambio de participación dentro del PIB (Producto Interno Bruto).

Estos trenes automotrices de diez unidades se van a desplazar en todos los tramos de alta velocidad de la Federación Rusa, comenzando en Moscú – San Petersburgo. Los trenes se caracterizan por su atractivo diseño, basándose en el nivel de la tecnología de alta velocidad más moderna del mundo

SIEMENS VELARO RUS

SE DESPLAZA CON COMPRESORES BOCK ®

Haceapenas unos años en Abril de 2005 y Mayo de 2006, Siemens y la Compañía Rusa de Ferrocarriles RZD firmaron contratos sobre el desarrollo y construcción de trenes de alta velocidad y su servicio para un período de 30 años. El proyecto incluye el suministro de ocho trenes automotores de alta velocidad, cuyos componentes y sistemas se deben adaptar en sus características a las condiciones climáticas

especiales así como a la normativa de la Federación Rusa donde operaran.

Estos trenes automotrices de diez unidades se van a desplazar en todos los tramos de alta velocidad de la Federación Rusa, comenzando en Moscú – San Petersburgo. Los trenes se caracterizan por su atractivo diseño, basándose en el nivel de la tecnología de alta velocidad más moderna del mundo.

El pasado 20 de julio de 2007, el Presidente de RZD, Wladimir Jakunin, puso en marcha en una visita a la fábrica de Siemens en Krefeld-Uerdingen, la fabricación del primer tren de alta velocidad ruso del tipo Velaro RUS. Los trenes unirán a partir de finales del 2009 las dos metrópolis de Moscú y San Petersburgo a una velocidad de 250 kilómetros por hora.

El Velaro® RUS ofrecerá a sus pasajeros un confortable viaje con un agradable clima garantizado por los sistemas de aire acondicionado de la empresa MERAK de España.

Debido a los elevados requerimientos que se plantean a la instalación de aire acondicionado, que se verá expuesta a temperaturas exteriores de hasta -50º C, sólo se emplean para los componentes de la instalación elementos de la más

alta calidad. En la elección del compresor frigorífico, ésta recayó sobre un compresor semi-hermético de la marca Bock.

“Suministramos compresores que se fabrican en nuestra sede central alemana y que garantizan un funcionamiento seguro también bajo unas condiciones de trabajo extremas de -50° C, gracias a una fiable lubricación de la bomba de aceite”, comento Marcus Reuß, gestor de

grandes cuentas del departamento de aplicaciones ferroviarias de BOCK. En los compresores empleados se trata de un diseño acreditado. En todo el mundo están trabajando ya más de 10,000 compresores de este tamaño. BOCK ofrece en todo el mundo compresores refrigerantes para la climatización de vehículos sobre raíles, autobuses e instalaciones frigoríficas de transporte y pone a disposición todo un abanico completo de productos

para todas las aplicaciones. Junto a compresores semiherméticos para trenes de alta velocidad, vagones, trenes sub-urbanos y metros, se incluyen también compresores abiertos para locomotoras y coches automotores a diesel.

Por lo demás, Bock ofrece productos innovadores como, por ejemplo, compresores compactos de CO2 para instalaciones de aire acondicionado de trenes de la próxima generación

así como compresores de aluminio de construcción ligera hechos a la medida, especialmente para aplicaciones ferroviarias. “Como empresa mediana nos es posible atender los deseos de nuestros clientes también en caso de lotes pequeños, lo que se ha hecho también con los compresores para el tren de alta velocidad SIEMENS VELARO® RUS”, comentó Marcus Reuß.

w1.siemens.com

Señor Editor:

Conozco la trayectoria de muchos años de su interesante revista REFRINOTICIAS AL AIRE la cual puedo leer a través de mis conocidos, agradeceré me la hagan llegar directamente por favor y así mismo tener la oportunidad de leer sus interesantes artículos.

Rausel Marcial

Control de Potencia y Áreas Criticas, S.A. de C.V. Naucalpan, Estado de México

Estimados Señores:

Me gustaría que incluyeran en alguno de sus próximos artículos de su revista REFRINOTICIAS AL AIRE datos sobre las condiciones ambientales de los data center, así como la terminología técnica, tablas de valores, tablas de cálculos y equivalencias. Todo esto debido a que me dedico a monitorear los data center de la empre-

sa Cablevisión y requiero tener esta información y conocimiento. Felicidades por su excelente publicación.

Carlos Alejandro Guzmán Cablevisión S.A. México, D.F.

Estimados Señores:

Me parece muy interesante la revista REFRINOTICIAS AL AIRE y los temas que aborda, dichos temas son de utilidad para los que realizamos actividades relacionadas a los sistemas de climas controlados con las nuevas tecnologías que tenemos en la actualidad.

José Félix Ramírez Bestel S.A. de C.V. Aguascalientes, Aguascalientes

Estimado Editor:

Agradezco me sigan enviando los ejemplares de su afamada revista REFRINOTICIAS AL AIRE ya que a través de ella nos actualizamos de nuevos productos y proveedores que nos facilitan la realización de nuestro trabajo diario.

Francisco Alfonso Federico

Comercializadora Universal Federico S.A. de C.V. Hermosillo, Sonora

Estimados Señores:

La presente es para felicitarlos por esta gran ayuda para nuestros técnicos que ustedes a través de REFRINOTICIAS AL AIRE les brindan información que ayuda en el trabajo de campo, saludos.

Genaro García

Cala Ingeniería y Desarrollo, S.A. de C.V. Monterrey, Nuevo León

Señor Editor:

REFRINOTICIAS AL AIRE es muy interesante, tiene temas relaciónados con la tecnología que se imparte en las aulas y que en el trabajo diario servirá como herramienta.

Guillermo Ruiz

Escuela Secundaria Técnica 96 Coatzacoalcos, Veracruz

> Las cartas a la sección correo del lector pueden ser enviadas a:

REVISTA REFRINOTICIAS AL AIRE

Playa Revolcadero 222

Col. Reforma Iztaccihuatl Norte C.P. 08810, México, D.F.

Por correo electrónico: Vía Fax: info@refrinoticias.com (55) 5740·4476 y 5740.4497 ext. 15

*Sus cartas deberan incluir nombre, empresa, dirección, teléfono y e-mail del remitente. Por razones de claridad y espacio, las cartas pueden ser editadas o resumidas por la redacción de la revista.

Eventos ENERO 2010

2 1 3 4

1

International Builders Show 2010

El evento más importante de la industria de la construcción en los Estados Unidos de Norteamerica

Del 19 al 22 de Enero

Las Vegas, Nevada (USA)

Area: CONSTRUCCION

Web: http://www.buildersshow.com

2

2da Exhibición de Instalaciones

Segunda exhibición internacional de instaladores de sistemas de calefaccion y enfriamiento

Del 20 al 23 de Enero

Isla Kish, Kish (IRAN)

Area: HVAC/R Web: http://www.kishtermotec.com

AHR EXPO

3 4

El Evento más Grande del mundo en Refrigeracion, Aire Acondicionado, Ventilación y Calefacción

Del 25 al 27 de Enero

Orange County Convention Center, Florida (USA)

Area: HVAC/R Web: http://www.ahrexpo.com

COOL CHAIN EUROPE 2010

Novena reunion internacional de los profesionales de la cadena del frio

Del 26 al 28 de Enero

Hotel Okura, Amsterdam (HOLANDA)

Area: HVAC/R Web: http://www.coolchaineurope.com

Para mayor información marque gratis el No. 113 en la tarjeta del lector

ASHRAE anunció en fecha reciente dos seminarios en la AHR Expo para ayudar a los contratistas en la gestión de las construcciones y de los edificios de alto rendimiento. Las sesiones tituladas Gestión de las Construcciones y Métodos de Análisis entre Costo/Beneficio y Herramientas Indispensables para Propietarios, tendrán ambas lugar en el Centro de Convenciones de Orange County, en el marco de la AHR Expo 2010 los días 25 al 27 de Enero en Orlando, Florida.

“Nos estamos esforzando para ofrecer el mejor servicio a nuestros clientes y para hacerlo más eficaz”, dijo Billy Austin, coordinador del grupo de tareas que patrocina las sesiones de ASHRAE. “Estas sesiones de ASHRAE reunirán a todos los miembros de los equipo de construcción para que puedan explorar nuevas formas de trabajar juntos. Ya que 25 % de los participantes en la Expo son contratistas, ASHRAE pretende brindar sus conocimientos y experiencia para estas sesiones, así como ayudar a formar las futuras actividades de la Sociedad en la contratación de profesionales y en el diseño/construcción de los nuevos edificios”.

www.ashrae.org

Full Gauge presentó Club Sitrad en español

Después de dos años de interacción con los usuarios del software Sitrad en Brasil, Full Gauge Controls lanza la versión en español del Club Sitrad.

El Club Sitrad, grupo de afinidad de los usuarios del software de administración remota de Full Gauge Controls, a través de una propuesta diferenciada, se propone a estrechar relaciones con los demás usuarios del Sitrad en toda Latinoamérica. Al ser asociado, el usuario pasa a integrar un mundo de ventajas por medio de un canal directo para el cambio de informaciones. Además de invitaciones para charlas o eventos especiales, el asociado al Club recibe artículos, materias técnicas, novedades exclusivas y podrá participar de juegos como Quiz, con obsequios para los que acierten las respuestas.

Para formar parte de este club de oportunidades, inscríbase a través del sitio www.clubsitrad.es

www.fullgauge.es

Danfoss anuncia cambios en su dirección general

Danfoss, una empresa líder en el mercado de controles electrónicos, componentes, compresores, intercambiadores de calor y unidades de velocidad variable para acondicionadores de aire y refrigeración, anunció algunos cambios en su Dirección General. A partir del 1 de Noviembre, Nis Storgaard será el Vicepresidente Ejecutivo y Jefe de Desarrollo (CDO) del Comité Ejecutivo de Danfoss. Al mismo tiempo, el Presidente de la Fundación Bitten and Mads Clausen, Per Have, tomará las riendas como el nuevo Director Financiero (CFO). El actual Vicepresidente Ejecutivo y Director Financiero, Frederik Lotz, deja el cargo en la Comisión Ejecutiva de Danfoss para asumir una nueva posición como Director de Finanzas de Arla Foods. Después de estos cambios, el Comité Ejecutivo de Danfoss se compone de Niels B. Christiansen, Kim Fausing y Nis Storgaard. El Presidente y CEO Niels B. Christiansen dijo “Estamos implementando una nueva estrategia para asegurar la competitividad de Danfoss a través de un enfoque claro en nuestros negocios principales”, así también dijo “Al mismo tiempo, estamos intensificando nuestros esfuerzos para reducir nuestra deuda y fortalecer nuestra capacidad de actuar lo más rápidamente posible. La alteración de la Dirección del grupo es un paso importante en este proceso”.

www.danfoss.com

Formato en línea del manual de ASHRAE ahora más accesible

El manual de ASHRAE está ahora disponible en línea a fin de permitir un acceso más rápido y fácil a una gran parte de la información sobre la industria HVAC/R. El manual en línea ayudará ASHRAE a cumplir su misión de promover la industria HVAC/R a través de la publicación del manual.

“El formato en línea del manual de ASHRAE tiene numerosas ventajas”, dijo Dennis O’Neal, Presidente de la Comisión de ASHRAE en 2009-10. “Por un lado, el texto es completamente localizable e incluye enlaces directos para figuras, tablas, notas al pie, ecuaciones y otras referencias Web. Esta decisión también permite una navegación más rápida en los cuatro volúmenes del Manual. Además, el Manual en línea facilita aún la consulta por parte de los miembros de la Sociedad a nivel mundial”. El manual de ASHRAE es la fuente de referencia más citada para consulta de tecnologías HVAC/R en todo el mundo. La edición de capa del manual se publica en una serie de cuatro volúmenes, revisados todos los años, garantizando así que cada volumen no tiene más de cuatro años. Sin embargo, el manual en línea de ASHRAE permite el acceso a los cuatro volúmenes con un solo clic.

ARBS Industry Awards

Dirigido a los profesionales de la industria HVAC/R que desarrollaron proyectos, productos, servicios o programas de educación, el evento inaugural del ARBS Industry Awards tiene como objetivo reconocer y celebrar la excelencia en la industria HVAC/R. Los vencedores serán anunciados en una cena de gala el próximo 13 de Abril de 2010 en el Centro de Convenciones y Exposiciones de Sydney, Darling Harbour, durante la exposición ARBS que se celebra en el mismo lugar los días 12 al 14 de Abril de 2010. Como parte de la Exposición Australiana de Aire Acondicionado, Refrigeración y Servicios para Edificios ARBS 2010, los Premios están abiertos a profesionales a titulo individual o de organizaciones públicas y privadas. El plazo para presentar las candidaturas se ha ampliado hasta el 18 de Diciembre de 2009 a fin de presentar productos y proyectos concluidos a finales de este año.

www.ashrae.org

www.arbs.com.au

ACCA presento nuevas investigaciones sobre filtración

en los sistemas

En su más reciente boletín técnico emitido por ACCA se aborda el tema sobre la filtración en los sistemas, explicando a sus miembros porque las modificaciones son necesarias cuando los cambios de filtros en los sistemas resultan en un incremento de la caída de presión debido a una mayor resistencia de los filtros. La asociación de contratistas de aire acondicionado en America (ACCA por sus siglas en ingles) la mayor asociación de contratistas de calefacción, ventilación, aire acondicionado y refrigeración, dio a conocer sus últimas investigaciones en un boletín llamado “Filtration-A Primer” donde se exploran los principios sobre filtración, incluyendo las modificaciones necesarias en los equipos HVAC cuando un cambio en los filtros resulta en un incremento de la caída de presión en el sistema debido a un incremento en la resistencia por la filtración. Los filtros son diseñados para remover partículas contaminantes del aire, a pesar de que la mayor parte de las partículas son inofensivas, algunos como microorganismos y esporas son causantes de reacciones alérgicas y enfermedades en algunas personas sensibles. A pesar de esto la mayor parte de los sistemas HVAC son diseñados para utilizar una filtración básica enfocada a proteger principalmente las unidades enfriadoras y los intercambiadores de calor de las partículas de polvo o suciedad mas grandes. En lo relativo al medio ambiente y a la salud de los usuarios, un mayor nivel de filtración debe ser incluido en el diseño de los nuevos sistemas.

www.acca.org

El índice mundial de sostenibilidad

Dow Jones incluye a Electrolux en su lista

Electrolux, un líder global en aparatos electrodomésticos y en aparatos para uso profesional, se ha posicionado por décima vez en el prestigioso Índice Mundial de Sostenibilidad Dow Jones (DJSWI), que incluye los 10 mejores profesionales en términos de actuaciones sociales, económicas y medioambientales de las 2,500 empresas más grandes del mundo.

Según el DJSWI, Electrolux tiene una buen funcionamiento de manera notable, en particular en la administración de la marca, teniendo en cuenta sus sistemas en el cuidado ambiental, la participación de los accionistas y las normas y estándares para sus proveedores.

Hans Stràberg Presidente y CEO de Electrolux mencionó: “Estamos muy orgullosos por Electrolux figurar entre los líderes mundiales en desarrollo sostenible por décima vez y así mismo tener un papel activo en el desafío del cambio climático que representa una oportunidad de negocio para Electrolux y refleja nuestra dedicación en hacer y ser parte de la solución. Nuestra contribución más importante hacia un mundo más sostenible es seguir desarrollando y produciendo equipos energéticamente eficientes.”

www.electrolux.com

Daikin instala sistema de aire acondicionado en dos estadios de la Copa Mundial Sudáfrica 2010

Daikin Air Conditioning South Africa Ltd., una empresa del grupo Daikin Industries, Ltd., instaló recientemente un total de 170 acondicionadores de aire enfriados por agua con sistema VRV en el Green Point Stadium de Ciudad del Cabo, y actualmente está en construcción el Estadio Nelson Mandela Bay del Puerto de Elizabeth. Los cuales serán los anfitriones de la Copa Mundial 2010 en Sudáfrica en junio de 2010.

Daikin mencionó que los acondicionadores de aire instalados en los estadios son enfriados por agua con el sistema VRV y actualmente son reconocidos por su eficiencia, por el ahorro en la cantidad de energía consumida en los estadios que se tiene a diferencia de utilizar unidades de control individuales.

El concepto de eficiencia en los acondicionadores de aire propuesto para el Estadio Green Point también se está empleando en el Estadio Nelson Mandela Bay de Port Elizabeth, otro recinto de la Copa Mundial Sudáfrica 2010.

www.daikin.co.za

Unidades PrimeLINE de Carrier realzan las iniciativas ecológicas de Chiquita Brands

Chiquita Brands International una compañía dedicada principalmente a satisfacer las necesidades de fruta y ensaladas de calidad en sus versiones completamente naturales o empacadas en recipientes para su conservación principalmente plátanos. Ha metido a su cadena de distribución 1,250 unidades de refrigeración de contenedores PrimeLINE® de Carrier Transicold a su flota de plátanos. Esto es dada la necesidad de ahorro de energía, las preocupaciones con el peso de las cargas y las mejoras operacionales generales.

Las unidades PrimeLINE fueron concebidas para reducir el impacto ambiental y el costo del ciclo de vida, por lo que la empresa Chiquita considera que son los contenedores de refrigeración más eficientes del mercado actual. Las unidades adquiridas por Chiquita están equipadas con QUEST power-saving mode, un software de control que permite mayor ahorro de energía debido a su ciclo de refrigeración inteligente basado en los limites de temperatura destinados especialmente a productos perecederos.

Juan Güell director de equipos de Chiquita dijo: “Ahorrar energía es importante por lo que hemos incluido el sistema QUEST para nosotros, teniendo en cuenta que las iniciativas de transporte ecológico de Chiquita, se enfocan en la reducción de las emisiones de carbono, las cuales valieron recientemente a Chiquita el Premio de Excelencia 2009 de la Asociación de Gestión de Empresas de Distribución (DBMA).

www.chiquita.com

TROX presenta al mercado nuevos vídeos de los filtros absolutos para conducto

Controlador de velocidad de ventiladores

Johnson Controls, el principal proveedor independiente de productos para calefacción, ventilación, aire acondicionado y refrigeración (HVAC&R), ha presentado recientemente el controlador de velocidad para el ventilador del condensador monofásico P266 para motores de inducción monofásicos de capacitor permanente (PSC), utilizados en sistemas de refrigeración exterior y en condensadores de aire acondicionado. El nuevo controlador reduce la potencia y la temperatura del motor a bajas velocidades, y dispone de un transductor de presión electrónico de acero inoxidable que evita fugas de refrigerante. Johnson Controls opina que el controlador de velocidad para el ventilador del condensador monofásico P266 es rentable, resistente a la intemperie, y durable. Los controles de la serie P266 fueron especialmente diseñados para sustituir a los controladores de velocidad de ventiladores de la Serie P66 y P215 de Johnson Controls, ofreciendo ahora nuevas funciones adicionales, una mayor flexibilidad, una mayor eficiencia energética y mayor duración del motor, todo en un conjunto compacto, robusto, y resistente.

www.johnsoncontrols.com

La empresa española TROX un líder en el diseño, desarrollo, fabricación y distribución de productos y sistemas para su aplicación en instalaciones de confort, presentó los nuevos videos de aplicación y mantenimiento de sus filtros absolutos para conducto, que consisten en filtros de aire formados por una carcasa de chapa de acero galvanizado.

• Pureza e higiene al más alto nivel.

Según TROX, estos filtros son aplicables en las áreas tecnológicas como electrónica, farmacia, biología y medicina, se deben cumplir unos niveles muy exigentes de pureza y calidad de aire, salvaguardando la integridad de las instalaciones, de los métodos de trabajo y de los trabajadores.

El nuevo vídeo, disponible desde esta web, explica la correcta instalación y cambio de las unidades de filtración en los cajones portafiltros absolutos así como las ventajas de la aplicación de la tecnología de las llamadas Salas Blancas, consiguiendo de este modo:

• Adaptación a las necesidades individuales de cada cliente.

• Excelente capacidad de acumulación de polvo.

• Paneles filtrantes con alturas de plegado adaptadas a cada necesidad.

• Distribución uniforme del flujo de aire.

• Menor presión diferencial y reducción en la pérdida de carga de la instalación.

• Ahorro energético de hasta un 50%.

exigencias que solamente quedan garantizadas con un correcto montaje de las unidades filtrantes.

Por este motivo, TROX ha creado dos nuevos vídeos a disposición de proyectistas e instaladores donde se muestran los pasos a seguir en las etapas de puesta en marcha y mantenimiento de unidades filtrantes para conducto de salas blanca.

www.trox.es

Rheem presentó su nuevo tanque térmico de almacenamiento

Rheem, una empresa que fabrica una línea completa de calefacción, enfriamiento, calefacción de agua, piscinas y calentadores de balnearios residenciales y comerciales, y también una línea de calderas comerciales, presentó recientemente el nuevo tanque térmico de almacenamiento Marathon, especialmente diseñado para sistemas de calefacción solar, geotérmica y para sistemas hidrónicos de calefacción de agua.

El nuevo sistema incluye un tanque interior inoxidable y resistente a la corrosión revestido con espuma de poliuretano que reduce al mínimo la pérdida de calor a través de las paredes

de la cisterna y reduce el consumo de energía.

Con un diseño innovador, el nuevo tanque de almacenamiento Marathon ofrece a los profesionales de la construcción un sistema energéticamente eficiente, ligero y flexible a fin de servir una amplia variedad de aplicaciones. Marathon semejantemente al calentador de agua eléctrico tipo residencial, Maratón fue reconocido con el Premio del Consumidor de la Sociedad de Ingenieros de Plásticos, como el nuevo tanque de almacenamiento que utiliza materiales de construcción no metálicos.

www.rheem.com

Nuevo sistema de aire acondicionado de zonas múltiples

LG Electronics, un pionero y líder en la convergencia de electrodomésticos y también el principal fabricante de acondicionadores de aire, presento el nuevo sistema de aire acondicionado de zonas múltiples tipo multisplit sin conductos. El nuevo sistema puede operar hasta cuatro unidades en habitaciones separadas y incluye la tecnología para promover la eficiencia energética.

Kelly Cutchins, vicepresidente del departamento de Acondicionadores de Aire Comerciales de LG Electronics USA Inc comenta: “los clientes, tales como los arquitectos, ingenieros y restantes consumidores apreciarán las mejoras que LG ha hecho a la amplia gama de soluciones eficientes y rentables de control de temperatura, sistemas silenciosos, con estilo y con una funcionalidad avanzada.

Así también comento: “Con la introducción del modelo la vía libre de modelo flexmulti sin conductos a inicios de este año, LG es el líder en la industria de las soluciones de zonificación avanzada y de control de temperatura”. “Con el consumidor en consideración, LG se centra en la mejora de nuestra actual línea de productos con descuentos de impuestos de clasificación de modelos para ayudar a reducir los costos de energía en el hogar y proporcionar calefacción y refrigeración sin que con ello suponga un perjuicio para la decoración de la casa”. En la exhibición en Comfortech 2009, este modelo ya califica para los beneficios de crédito fiscal en los países europeos con varias categorías en modelo residencial.

www.lge.com

Dwyer presentó nueva serie VTT de transmisores de temperatura y velocidad del aire por hilo caliente

La empresa americana Dwyer Instruments, Inc., con sede en Michigan USA, que es uno de los principales fabricantes de la industria de los controles y de la instrumentación, anunció el lanzamiento de su nueva serie VTT de transmisores de temperatura y velocidad del aire por hilo caliente, creada para sistemas HVAC que requieren control de velocidad y de temperatura.

La nueva serie VTT de transmisores de temperatura y velocidad del aire por hilo caliente disponen de un sensor de velocidad del aire y de temperatura, lo que disminuye el tiempo de instalación al eliminar la necesidad de proveer dos componentes separados.

Las unidades están disponibles con o sin una pantalla LCD y están disponibles para montaje en conductos o en una sonda a distancia con instalación para cables.

www.dwyer-inst.com

Nueva tecnología de calefacción urbana para casas de bajo consumo energético

Danfoss, uno de los principales líderes en la industria de la calefacción urbana, presentó hace poco un proyecto de la ciudad danesa de Aarhus, a fin de responder a los desafíos de una sociedad de bajo consumo energético y proporcionar una opción alternativa a los consumidores, a la sociedad en general y al clima.

Dicho proyecto tiene nuevos sistemas de calefacción urbana de bajo consumo energético lo que puede ayudar a ahorrar dinero, y aún mejor ser la opción como fuente de calor para las nuevas casas de baja energía.

Un ejemplo de esto, se encuentra en la ciudad danesa de Aarhus, donde bloques de viviendas están construidos según el estándar danés Low-Energy Class 1, lo cual se puede comparar al estándar de las casas pasivas.

Jan Eric Thorsen, el director de proyectos en Danfoss District Heating comentó al respecto: “Disminuir las emisiones de CO2 es un tema principal del mundo de hoy. Uno de los medios para lograrlo es combinar una nueva versión modernizada de los sistemas de calefacción urbana, con edificios de baja demanda de calor”, agrego lo siguiente “Hemos demostrado que también en las sociedades de bajo consumo energético del futuro con aún más casas de bajo consumo energético que hoy, la calefacción urbana es la mejor opción para los clientes, para la sociedad y para el clima”.

www.danfoss.com

Reconocimiento “The Bizz Awards 2009” para Bufete de Refrigeración Industrial, S.A. de C.V.

El pasado 10 de noviembre del presente, en una cena de gala en el salón Emperador del hotel Marquis Reforma de la Ciudad de México, The World Confederation Of Businesses otorgó a Bufete de Refrigeración Industrial (BRISA) el reconocimiento empresarial THE BIZZ AWARDS 2009 y la MEDALLA CUMBRE DEL ÉXICO BRONCE por recibir dicho premio por segundo año consecutivo.

The Bizz Award, es considerado el reconocimiento empresarial más importante del mundo y es entregado por WORLDCOB, a las empresas y empresarios más destacados de cada país; este reconocimiento fue instituido a fin de premiar la “Excelencia Empresarial”; y está dirigido a empresas pequeñas, medianas y grandes, porque todas en su proporción buscan la calidad para su constante desarrollo. Esto es lo que ha logrado BRISA, empresa contratista de servicio y distribución de equipos, refacciones y sistemas de refrigeración cien por ciento mexicana, en ser la primera y única en el medio HVAC&R que ha logrado este galardón.

El señor Jesús Morán, presidente de World Confederation of Businesses, hizo uso de la palabra para dejar claro que las empresas que cumplen con las exigencias de buscar la mejora en la calidad en todos los aspectos de su empresa, ya sean lanzamiento de nuevos productos, nuevas tendencias de marcas, marketing, aspectos económicos y ecológicos, procesos administrativos y todo lo referente a la mejora continua y tratando de llegar a la excelencia empresarial, lo que los hizo merecedores del premio The Bizz Award. Este es el más importante en el mundo de los negocios y dicha premiación se realiza en los cinco continentes.

En este acto se dieron reconocimientos a varias empresas, las cuales tienen una gran función en la economía nacional e internacional.

La entrega de reconocimientos se llevo a cabo en dos etapas, primero a la categoría “Inspiradora”, a las grandes empresas y la categoría “emprendedora” que corresponde a las pequeñas y medianas empresas, en ésta categoría se ubicó a Bufete de Refrigeración Industrial.

El Ing. Juan Antonio Serrano Martínez, Gerente General de BRISA, recibió el trofeo y afirmó que “en estas épocas de crisis, estamos convencidos que la mejor forma de salir de ellas es hacer bien las cosas, dejar a los clientes satisfechos con nuestros productos, trabajo y una mejor calidad; por ello felicitamos a los señores de esta gran organización que nos alientan y orientan para superarnos día a día y a todo mi personal el cual es participe en hacer bien su labor, con lo cual fue posible haber logrado este nuevo reconocimiento”.

Además, recibieron las siguientes condecoraciones:

• Un certificado Honorary Partner, que reconoce a BRISA como “Miembro Honorario Elite” de World Confederation of Businesses.

• Un certificado internacional de excelencia World Business Leader al Ing. Serrano.

• Certificado World Leader Business Person al Ing. Juan Antonio Serrano, a la Lic. Shantal A. Serrano Bustani (Gerente Administrativo) y al Ing. Francisco Solís López (Gerente de Ingeniería).

• Certificados Excellence in Quality Management y Excellence in Marketing Management al Lic. Samuel A. Sánchez Marín (Comunicación e Imagen Organizacional y Líder del Proyecto).

• Certificado Excellence in Business Leadership a Bernardet de Lourdes Muciño Gordoa (Administración de Ventas), Paulina Hernández de la Rosa (Ejecutiva de Ventas)y a Claudia T. Békcer Sánchez (Asistente de Gerencia General).

BUFETE DE REFRIGERACIÓN INDUSTRIAL

El 16 de octubre, en las instalaciones de BRISA, se realizó la auditoría de seguimiento por parte de TÜV Rhreiland, organismo certificador de la norma ISO. En estas auditorías se verifica exhaustivamente que la empresa continue trabajando con el Sistema de Gestión certificado previamente en 2008.

Se recibieron comentarios muy importantes de parte de los auditores de TÜV Rheiland al ver los reconocimientos que BRISA ha recibido durante 2008 y 2009, ya que The Bizz Awards reconoce también a las empresas líderes del mercado que tienen implementado un eficiente sistema de gestión de calidad, además por su servicio, tecnología, innovación y compromiso social, que son puntos que también evalúa la norma ISO 9001:2000.

El resultado de la auditoría fue favorable y permite seguir contando con la certificación, manteniéndose BRISA como la única empresa en el medio con ésta distinción, además de los otros reconocimientos.

Publireportaje con información del Lic. Samuel A. Sánchez Marín

Cantidad de aire que se requiere para la calefacción y para refrigeración

En invierno, conviene que el flujo de aire sea menor, de forma que el aire que entre en la habitación a través de los registros esté caliente. Si, en invierno, se utiliza el flujo de aire de 10 mcm/tonelada del aire acondicionado, dicho flujo puede crear corrientes de aire ligeramente templado, en lugar de caliente. En las calderas de gas y de gasoleo, se requiere que el flujo de aire sea el adecuado para la ventilación. Si el flujo de aire fuera demasiado grande, los productos de la combustión se enfrían y podría producirse condensación.

El volumen de aire se puede cambiar con reguladores de tiro o con un ventilador de varias velocidades.

A veces, el contratista original instala los reguladores de tiro; tienen una posición para verano y otra para invierno. En cada cambio de temporada, hay que cambiar la posición del regulador de tiro. Como no todo el mundo lo hace, algunos contratistas instalan un interruptor de baja tensión que no permite que se active el contactor de refrigeración a menos que el regulador de tiro esté en la posición de verano (Figura 1).

Para conseguir un ventilador con varias velocidades, sólo hay que variar la polea del motor del ventilador o utilizar un motor de velocidades múltiples. Si hay que ajustar la polea del motor del ventilador para regular la velocidad del mismo en cada temporada, es necesario que un técnico realice esta operación dos veces al año. La polea puede ajustarse en el arranque de primavera para la función de aire acondicionado y en la revisión otoñal de la caldera. Al mismo tiempo, se puede cambiar los filtros y engrasar los motores. Esto forma parte del mantenimiento anual de algunas instalaciones. Cambiar la polea no es una labor que deban realizar los usuarios, a menos que tengan experiencia en este tipo de operación. Los motores de velocidades múltiples tienen un devanado para cada velocidad del motor (figura 2).

Circuito de Control para Refrigeración y Calefacción

Otros aspectos que conviene tener en cuenta en los sistemas de aire acondicionado todo-clima es el circuito de control. El sistema de control ha de accionar el equipo de calefacción y el de aire acondicionado en los momentos oportunos. “La calefacción no debe funcionar al mismo tiempo que la refrigeración”. El termostato es el mecanismo de control que se encarga de esto. En la figura 3 se muestra un típico termostato CALOR-FRIO, con cambio manual entre temporadas.

En la figura 4 se muestra un termostato Calor-Frio con cambio automático.

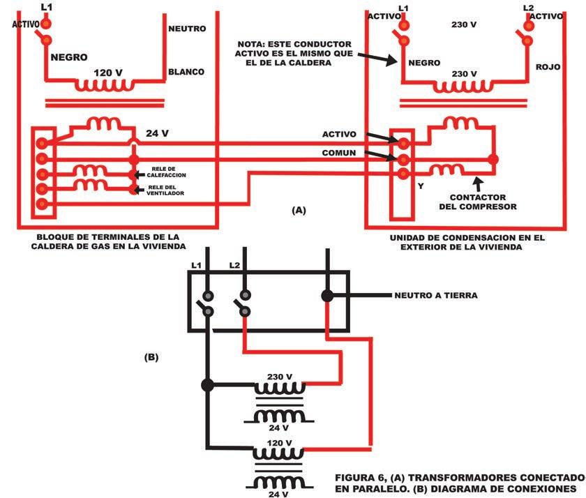
Dos Fuentes de Alimentación de Baja Tensión

En el circuito de control puede haber más de una fuente de alimentación de baja tensión, lo que puede confundir de un técnico que trate de diagnosticar una avería. Si existe una instalación de calefacción original y se añade el aire acondicionado, puede haber dos fuentes de alimentación. Para que la caldera funcione en el modo de calefacción, ha de tener un transformador de baja tensión. Al añadir el aire acondicionado, puede que el fabricante del acondicionador de aire haya incluido otro transformador, por si la

fuente de alimentación de baja tensión de la caldera no fuera adecuada.

Normalmente, los sistemas de aire acondicionado requieren un transformador de 40 VA. Que proporcione suficiente energía para activar el contactor del compresor y el relé del ventilador.

La mayoría de las calderas básicas pueden funcionar como un transformador de 25 VA y pueden venir provistas de uno.

Cuando se emplean dos fuentes de alimentación, hay que hacer una pequeña

En las calderas de gas y de gasoleo, se requiere que el flujo de aire sea el adecuado para la ventilación. Si el flujo de aire fuera demasiado grande, los productos de la combustión se enfrían y podría producirse condensación.

modificación en el termostato y en la subbase. Una de las soluciones consiste en separar los dos circuitos; la otra en conectar los dos transformadores en paralelo y en fase. “Si hubiera que separar los transformadores, hay que conectar dos conductores activos a la subbase. Para que no se produzcan daños, hay que mantener separados los circuitos (figura 5).

Para evitar una descarga eléctrica, las fuentes de alimentación, deben de manipularse con cuidado.

REFRIGERACION

Observe que un terminal de alimentación proveniente del transformador de calefacción se encuentra en el circuito de refrigeración. No debería producirse ningún problema, a menos que el otro terminal se vea implicado.”

Conexión de dos transformadores de baja tensión en fase

“Cuando dos transformadores se conectan en paralelo, tienen que estar en fase para que el transformador no tenga fases opuestas, (Figura 6).

El método mas usual para saber si están en fase o no lo están, consiste en aplicar un voltímetro a los dos terminales activos. En el diagrama de la figura 7 son los RC y 4.

Si el voltímetro indica un alto voltaje de unos 50 V. Los transformadores no están en fase. Si están en fase, el voltímetro indicará O V entre los dos terminales activos. Si no están en fase, puede corregirse este hecho mediante el cable del primero o del secundario (Figura 6 y 7).

Adición de un Relé de Ventilador

Cundo se añade el aire acondicionado a un sistema ya existente, es posible que la caldera no tenga un relé para arrancar el ventilador. La mayoría de las calderas alimentadas por combustibles fósiles (gas o gasoleo) tienen un interruptor de tipo térmico para arrancar el

ventilador en el modo de calefacción, pero no tienen ningún dispositivo de arranque para el modo de refrigeración.

Algunas calderas eléctricas llevan un relé del ventilador incorporado. En las calderas que no lo llevan, es necesario añadirlo al instalar el sistema de aire acondicionado, en ocasiones,

este relé viene incorporado. En las calderas que no lo llevan, es necesario añadirlo al instalar el sistema de aire acondicionado. En ocasiones, este relé viene incorporado en un conjunto de transformador y relé o control del ventilador.

PRECAUCION: “El relé del ventilador forma parte de los circuitos de baja tensión y de alta tensión. Extreme las precauciones cuando trabaje con sistemas eléctricos.“

Nuevos Sistemas Todo-Clima

Cuando un sistema todo-clima se instala como sistema original, pueden tenerse en cuenta las consideraciones anteriores en la instalación inicial. El sistema de conductos se diseña siempre

pensando en el sistema de refrigeración, ya que éste requiere mayor flujo de aire.

Las instalaciones de acondicionadores de aire todo-clima nuevos pueden ser sistemas divididos o combinados. En los sistemas divididos, se utiliza una caldera eléctrica, de gas o de gasoil para la calefacción y un acondicionador de aire eléctrico para la refrigeración.

En los sistemas combinados, se utiliza calefacción eléctrica o de gas con refrigeración eléctrica. En estos sistemas también se emplean bombas e calor.

Sistemas Todo-Clima Divididos

Este tipo de sistemas se instalan igual que los que tienen sólo una caldera, dimensionando los conductos para que puedan canalizar el aire de refrigeración.

Recuerde que un sistema de refrigeración debe tratar más metros cúbicos de aire por minuto que uno de calefacción.

Conviene revisar las rejillas para conseguir una adecuada distribución de aire para la refrigeración. La mayoría de los fabricantes de calderas venden serpentines adaptados a sus calderas.

Resulta conveniente colocar un serpentín adaptado a la caldera, ya que el serpentín viene aislado en su propia cubierta y encaja perfectamente en la caldera para que le flujo de aire a través del serpentín sea óptimo. La instalación de un serpentín adaptado puede resultar difícil, ya que es necesario cortar el sistema de conductos existentes para que encaje.

Sistemas Todo Clima

Combinados o Autocontenidos

Los sistemas combinados no suelen estar hechos para que el aire acondicionado funcione

con gasoleo, suelen funcionar con gas (calefacción) y electricidad (refrigeración) o con electricidad para ambas funciones (Figura 8) y

se instalan como los acondicionadores de aire eléctricos autónomos. Las unidades que funcionan con gas han de tener instalada una tubería

de gas. El conducto de humos que se instala en las unidades de gas, es un componente fijo y forma parte de la unidad. En ocasiones, estas unidades reciben el nombre de equipos autónomos de gas (Figura 9).

Cableado de un Sistema Todo-Clima

El cableado de un sistema todo-clima es parecido al de los acondicionadores de aire, pero se diferencia en la energía eléctrica adicional que se necesita para operar la calefacción eléctrica. El circuito de control es similar al de un acondicionador de aire con caldera de gas y acondicionamiento de aire eléctrico, pero todo el cableado se realiza entre el termostato y el equipo combinado. No se necesitan los cables que normalmente se conectan a una caldera remota.

Mantenimiento de un Sistema Todo-Clima

En las instalaciones de este tipo de sistemas, la ventaja es que todo el sistema se encuentra en el exterior de la vivienda . “Así se elimina el peligro que puedan suponer las fugas de gas, ya que se disipan en el exterior.” El técnico puede reparar el sistema sin tener que desplazarse a gatas por el ático o por debajo de la casa. Todo el cableado de control está en la unidad y es fácilmente accesible.

Cuando es necesario realizar reparaciones importantes en el compresor o el dispositivo de expansión, por ejemplo, la reparación se simplifica porque los componentes están todos juntos y son accesibles. Para reparar los distintos componentes, sólo hay que retirar los paneles adecuados. Normalmente, las averías de los acondicionadores todo-clima tiene que ver con la calefacción en invierno y con la refrigeración en verano.

Para mayor información marque gratis el No. 194 en la tarjeta del lector

Rara vez, un problema de calefacción se manifiesta en la temporada de refrigeración, o viceversa, por que los controles están suficientemente separados.

La suciedad en los filtros es un problema que pueden pasar inadvertido al terminar el período de refrigeración o calefacción y, sin embargo, causar problemas en el período de más alta carga de la estación siguiente. Por ejemplo, cuando un usuario no cambia los filtros de aire al final de la temporada de calefacción, la refrigeración funcionará bien hasta que llegue el primer día de calor, en el que la unidad funcione durante mucho tiempo.

Cuando los períodos de funcionamiento son cortos, la unidad puede funcionar por debajo de la temperatura de congelación debido a la suciedad de los filtros, pero se suele desconectar antes de que se congele el serpentín. Cuando los períodos de funcionamiento son más largos, el serpentín puede congelarse antes de que el termostato de ambiente apague la unidad.

Si no se cambian los filtros al final de la temporada de refrigeración, ocurre lo contrario. Puede que el sistema de refrigeración no funcione durante un período de tiempo suficientemente largo como para que se congele el serpentín antes de que lo apague el termostato.

Cuando comience el período de calefacción, parecerá que la caldera funciona correctamente mientras el tiempo no sea muy frío. “Cuando el tiempo empeore y la caldera tenga que funcionar durante mucho tiempo, puede que se sobrecaliente y el control de temperatura máxima la apague.”

Para conservación de la energía, las torres deberían ser seleccionadas en conjunción con la unidad enfriada para obtener el menor consumo de kWh/Tonelada de refrigeración (kWh/kW)

UNIDADES

Las superficies de intercambio térmico deben ser mantenidas limpias en todo tiempo con tratamiento adecuado del agua y limpieza periódica

ENFRIADORAS

Centrifugas

Para minimizar el uso energético, las siguientes líneas maestras deberían ser consideradas:

· Para aplicaciones comerciales e institucionales, el número y tamaño de las unidades de refrigeración debería determinarse de tal forma que el número de unidades de línea (operando) tuviera el menor de kW/ Tonelada Ref. (kWe/kWt) en el campo del 25 al 75% de la carga de diseño –ya que aproximadamente el 80% del tiempo de ope-ración estará en este rango de cargo. Si las unidades tiene un ratio significativamente menor de kW/Ton Ref. en el 50 al 75% de la carga de diseño, serán seleccionadas, ya que aproximadamente el 50% de las horas de trabajo transcurrirán en este campo o rango de trabajo.

· Para usos industriales y otras aplicaciones donde la carga de refrigeración no varía apreciablemente con las condiciones de tiempo ambiente, el número y tamaño de las unidades de refrigeración deberán ser elegidos para producir los menores de kWh/Ton de refrigeración (kWh/kw) sobre la dirección de la carga de frío.

· Seleccionar las temperaturas de agua enfriada a la mayor temperatura posible que mantenga la temperatura y humedad de diseño en el espacio a acondicionar bajo las condiciones de máxima carga.

· Seleccionar compresores y refrigerante para operar a la mayor posición de aspiración y más baja presión de impulsión posibles para mantener la temperatura de

suministro de agua enfriada bajo las condiciones de carga máxima.

· Seleccionar compresores y refrigerante que puedan hacer la máxima reducción de consumo de energía con las menores temperaturas de condensación (temperaturas del agua refrigerante del condensador) bajo condiciones de agua parcial.

· Suministrar controles automáticos que pueden reconectar el suministro de agua enfriada al mayor nivel posible en condiciones de diseño en temperatura y humedad en el espacio acondicionado. Las superficies de intercambio térmico deben ser mantenidas limpias en todo tiempo con tratamiento adecuado del agua y limpieza periódica.

Absorción

Cuando se dispone de calor residual (preferiblemente vapor alrededor de 12 lb/pulg2 (0.8 bar) y se requiere agua enfriada, las unidades de enfriamiento por absorción deberían considerarse seriamente para ahorrar energía y aumentar el rendimiento total de la planta. Sin embargo, cuando el vapor o agua caliente deben ser generados expresamente para las unidades de absorción, el ingeniero debe evaluar los puntos siguientes antes de unidades de refrigeración:

· La tasa de agua para una unidad de absorción de simple etapa de vapor a 12 lb/pulg2 (0.8 bar) es de 18 a 20 lb/h de vapor por Ton. de refrigeración (2.3 a 2.6 kg/kW) o su equivalente valor en agua caliente, no es suficiente energéticamente hablando. Además el rechazo térmico a la torre enfriadora es aproximadamente 200% mayor que el de una unidad de compresión eléctrica para la misma capacidad de refrigeración.

· La tasa de agua para una unidad de absorción de dos etapas con vapor entrando a 125 -150 lb/pulg2 (8.6 a 10.3 bar) en la primera etapa es de aproximadamente 12 a 14 lb/hora de vapor por Ton. de Refrigeración (1.5 a 1.8 kg/KW)lo que indica una significativa reducción en consumo energético de vapor, o su equivalente en agua a alta temperatura 335°F (179°C) para la misma capacidad de refrigeración. Sin embargo la solución de bromuro de litio (BrLi) usada en las unidades de absorción es extremadamente corrosiva a las elevadas temperaturas de trabajo de la primera etapa.

Aunque los fabricantes de unidades de doble etapa afirman que la corrosión no es problema si los requerimientos de tratamiento de agua son estrictamente cumplidos, la experiencia del autor y su posición es la que de los problemas y/o potenciales problemas relacionados con la corrosión son de mayor entidad así como los gastos de reparación para los usuarios de unidades de dos etapas.

· Las líneas maestra para seleccionar el número y tamaño de las unidades de absorción son similares a las anotadas bajo el encabezamiento de centrífugas anteriormente.

Evaporadores de Expansión Directa Compresores de Tornillo y Compresores Alternativos

· Generalmente los compresores de tormillos son más económicos por encima de las 100 Ton (350 kW) de refrigeración, mientras los compresores alternativos son más económicos por debajo de esa capacidad.

· Los mismos criterios descritos bajo el encabezamiento de “centrífugos” debería utilizarse para seleccionar unidades de condensadores enfriados por agua.

· Si el condensador es refrigerado por aire, los mismos criterios descritos bajo el encabezamiento “centrífugos” deberían utilizarse, excepto para los controles automáticos de los venti-

ladores del condensador. Estos deberían ser capaces de bajar la temperatura de condensación (y la presión) ya que la temperatura ambiente de bulbo seco cae a valores más bajos recomendados por el fabricante del compresor, incluso manteniendo la presión de aspiración (requerida)por el compresor.

· Si el condensador es evaporativo, los mismos criterios descritos bajo el epígrafe “centrífugos” deberían ser validos excepto para los controles automáticos de los ventiladores del condensador evaporativo.

Estos deberían controlar automáticamente la bomba de rociado (ducha) y ventilador del condensador, de forma de bajar la temperatura de condensación siguiendo la bajada de la del ambiente (bulbo seco y/o húmedo) hasta los valores mínimos recomendados por el fabricante del compresor, incluso y por supuesto manteniendo la presión de aspiración requerida (por el compresor).

Torre de Enfriamiento

Para conservación de la energía, las torres deberían ser seleccionadas en conjunción con la unidad enfriada para obtener el menor consumo de kWh/Ton de refrigeración (kWh/kW). Para alcanzar este objetivo, deberían considerarse las siguientes líneas de guía:

· Las torres de tiro inducidos deberían seleccionarse en vez de las torres de tiro forzado, ya que aquellas necesitan menos potencia (kW) para la misma capacidad de enfriamiento.

· Las torres de perfil hiperbólico de tiro natural son incuestionablemente los más eficiente desde el punto de vista energético. Sin embargo, su mínimo tamaño efectivo es aproximadamente de 250.000 gal/min. (15.8 m3/s) que es mucho mayor que lo necesitado por una planta de refrigeración central.

· Aunque es posible diseñar una torre de tiro natural (sin ventiladores) en el rango de capacidad que nosotros necesitamos, sería ineficiente y necesitaría una gran cantidad de espacio. Sin embargo, si el espacio está disponible y no es problemático, las torres enfriadoras de tiro natural, lo mismo que los dispositivos rociadores, deberían ser considerados.

· Si el proyecto está localizado cerca de un río, lago u otro gran depósito de agua, debería considerarse como fuente de agua para el condensador antes de seleccionar una torre enfriador.

· El agua de pozos ha sido utilizada para preenfriamiento y agua de condensador. Sin embargo, los requerimientos para la recarga de los pozos y las restricciones sobre contaminación de aguas naturales generalmente hacen antieconómica esta fuente de agua de condensador.

Temperatura ambiente de Bulbo Húmedo

Esta temperatura debería seleccionarse con cuidado ya que la temperatura de bulbo húmedo del aire entrante en la torre es la base para el diseño térmico de una torre de refrigeración del tipo evaporativo.

Diferencia de Temperaturas o Rango de t

Esta es la diferencia en temperatura de agua caliente entrando en torre (agua de retorno de condensador (CWR) y el agua fría que sale de la torre (agua de suministro a condensador (CWS). De estas dos temperaturas, el tamaño de la torre se ve afectado por la temperatura de suministro a condensador.

Aproximación

Esta es la diferencia entre la temperatura del agua fría que sale de la torre y la temperatura del bulbo húmedo de entrada de aire. La aproximación Δττ diferencial es importante por dos razones fundamentales; (1) ajusta la temperatura de agua de suministro a condensador CWS –cuando más baja sea esta temperatura menores serán las necesidades de energía de la unidad kWh/Ton de refr. o kWh/W (menor ratio) – y (2) ajusta y fija el tamaño y eficiencia de la torre enfriadora. Aunque el incremento de la eficiencia de torre dará menor diferencia de temperatura, hay más límites. En la práctica es el tamaño de la torre el que es significativamente aumentado para cumplir los requerimientos de un menor Δτ. El Δτ más cerrado que puede alcanzarse es 5°F(2.8 °C).

· Es generalmente mas costoso incrementar el tamaño de torre para obtener menores CWS (temperaturas de suministro a condensador) que aumentar la potencia de la unidad de frío y por elio el consumo kWh/Ton de refr. o kWh/W.

· Las torres deberían ser seleccionadas para hacer mínimas las pérdidas por evaporación y arrastre.

· Deberían preverse los controles automáticos de temperatura capaces de reajustar (a la baja) la temperatura de suministro de agua al condensador a medida que la temperatura ambiente de bulbo húmedo decrece.

· Los motores de ventiladores de torre deberían ser de dos velocidades para aumentar el rendimiento a carga parcial.

· Las superficies de transferencia térmica deberían mantenerse limpias en todo tiempo con adecuado tratamiento del agua y limpieza periódica.

Para mayor información marque gratis el No. 122 en la tarjeta del lector

Sesión Noviembre 2009

El pasado Jueves 12 de Noviembre de 2009 en punto de las 19:00 hrs. se llevó a cabo la sesión técnica mensual de ASHRAE Capítulo Guadalajara correspondiente al penúltimo mes del año 2009 en el Salón I del Hotel Victoria Express.

El tema en esta ocasión fue “Las buenas prácticas en el cálculo de campanas de extracción”, impartido por el Ing. Ernesto López Ortega, Director de Food Service & OEM de la empresa INNES.

equipos más modernos y eficientes para la extracción de aire en restaurantes, cafeterías, bares y todo tipo de negocio que maneja la preparación, venta y servicio de alimentos.

A esta sesión asistieron alrededor de 30 personas; profesionales del ámbito del aire acondicioando, refrigeración y, sobre todo, ventilación de esta ciudad, quienes están interesados y manejan sistemas de extracción en locales comerciales con giro de alimentos.

Durante la plática del Ing. López Ortega se mantuvo una exhibición de los

Después de un refrigerio y coffee breake, se procedió al cierre de la sesión con una ronda de preguntas y respuestas, donde se recibieron comentarios muy positivos y alentadores sobre esta plática en particular, y los eventos técnicos que organiza el Capítulo Guadalajara de ASHRAE.

Para cerrar la plática, el Ing. Cuauhtémoc Aguirre (Presidente) entregó el reconocimiento oficial al Ing. Ernesto López de parte de todo el Capítulo, agradeciendo su participación e interesante ponencia sobre la extracción.

Esta sesión fue la penúltima del año 2009 que ha sido foro de grandes temas de refrigeración y aire acondicionado, un año muy productivo donde se han tenido asistencias históricas en varias sesiones.

De la Mesa Directiva 2009 asistieron a este evento: Ing. Cuauhtémoc Aguirre (Presidente); Ing. Pablo Galván (Eventos Técnicos); Ing. Luis Miguel Fontes (Secretario); Lic. Connie Herrera (Promoción de la Investigación); Ing. Rogelio Navarro (Gobernador); Lic. Guadalupe Gramillo (Gobernador); Ing. Victor Torres Nava (Refrigeración) y Mtro. Miguel Aguirre (Boletín Informativo).

El Capítulo Guadalajara de ASHRAE está trabajando muy fuerte para ofrecer los mejores, interesantes y más útiles temas sobre refrigeración, ventilación, calefacción y aire acondicionado, para formar ingenieros capaces y profesionales aptos para servir a la sociedad de una mejor manera.

Con información del Mtro. Miguel Aguirre Haro.

Sesión Noviembre 2009

El pasado 12 de Noviembre se llevó a cabo la sesión técnica de ASHRAE

Capítulo Monterrey, en ésta ocasión se tuvo la oportunidad de contar con la presencia del director de la región VIII de ASHRAE, el Ing. Kenneth Fulk, quién compartió con los presentes, una pequeña presentación relacionada a ASHRAE Internacional, su misión y visión como asociación HVAC/R, las cuales son:

Misión

• Promover las artes y ciencias de la calefacción, ventilación, aire acondicionado y la refrigeración (HVAC/R) para servir a la humanidad y promover un mundo sustentable.

Visión

Algunos de los objetivos de ASHRAE:

• Ser el proveedor mundial de clase en educación y programas de certificación.

• Posicionarse como proveedor Premium de conocimiento en HVAC/R.

• Ser un líder global, la fuente principal de tecnología e información para la educación, y la fuente primaria para ofrecer crecimiento profesional en las artes y ciencias del HVAC/R.

• Ser un líder global en la comunidad HVAC/R.

Así mismo, nos hablo de cómo esta compuesta la región VIII, a la cual los capítulos Mexicanos pertenecen, mencionando, lo siguiente:

• Es una de las 14 regiones en que se divide ASHRAE.

• Cuenta con quince capítulos (dos en Oklahoma, uno en Arkansas, uno en Louisiana, ocho en Texas y tres en México).

• Tiene seis secciones (una en Arkansas, una en Texas y cuatro en México).

• Cuenta con aproximadamente con entre 3,300 a 3,500 miembros.

• Conferencia Regional de Capítulos Reg. VIII, Abril 2011, Dallas Texas.

• Una de las Regiones más fuertes de ASHRAE.

Algunas de las próximas reuniones, son:

• Conferencia Anual de Invierno, Enero 23-27 del 2010 Rosen Shingle Creek, Orlando Florida.

• Conferencia Anual, Junio 26-30 del 2010, Alburquerque, Nuevo México.

• Conferencia Regional de Capítulos Reg. VIII, Abril 22 al 24 del 2010, Monterrey México.

Posteriormente se continuo con el tema principal de la noche: “Estándar 90.1, una sólida plataforma para diseño de edificios sustentables”, tema dado por el Ing. Enrique Garay, actual jefe del comité de Educación continua del capítulo Monterrey.

En su plática el Ing. Garay, menciono una pequeña historia del estándar y sus actualizaciones, las cuales son cada 4 años en promedio, así mismo nos menciono que la versión más nueva y actualizada es la del 2007.

Nos dio un rápido, pero muy completo repaso a todos y cada una de los apartados con las que cuenta tan interesante estándar, así como: materiales de construcción, cristales, fachadas, sistemas BAS, etc.

Al final el Ing. Pedro “Peter” Garza Campa, actual presidente de capítulo, hizo la entrega de un reconocimiento al Ing. Garay, por su valiosa participación en esta sesión mensual del mes de Noviembre, así mismo, invito a los presentes a la próxima reunión mensual, la cual será el día 10 de Diciembre, la cual será así mismo la posada, y se tendrá un tema, no técnico.

Con información del Ing. Pedro “Peter” Garza Campa

Metztitlán del Valle, Hidalgo

Metztitlán

“Durante el siglo XVI llegaron los Agustinos que decidieron construir en las paredes de la barranca cuatro impresionantes conventos”

significa en lengua prehispánica “Lugar de la Luna” por la forma en que nuestro satélite natural brilla en sus cielos clarísimos, la historia de Metztitlan del Valle se remonta a una muy remota antigüedad cuando la zona estuvo habitada por diversas etnias primitivas de cazadores, entre los que se cuentan los otomíes, que a medida que llegaban nuevas tribus más belicosas se iban remontando a las partes más áridas y montañosas, donde conservaron su lengua y sus costumbres casi sin cambio durante siglos. Los historiadores difieren sobre el origen étnico cultural donde los propiamente llamados Metzcos, precisando algunos, que comparten la identidad de Tepehuas, o Totonacas del monte con los Totopecas, con quienes formaron una sola nación que se extendía al valle de Tlaxcala, con influencias de los Olmecas, a través de los totonacas del golfo, que habían extendido su influencia hasta el altiplano central. Lo comprobable es que los Metzcos convivieron con los otomíes, pero nunca se mezclaron con ellos, representando así el elemento rural y los Metzcos el elemento civilizador. Durante el siglo XVI llegaron los Agustinos que decidieron construir en las paredes de la barranca cuatro impresionantes conventos.

Al ser este mágico sitio un lugar natural se recomienda acampar en la laguna o si así lo prefiere se puede pasar la noche en el cercano poblado de Huasca donde se encuentra la famosa hacienda de San Miguel Regla que es un Hotel de calidad reconocida.

En Metztitlan no podemos dejar de visitar el Convento de los Santos Reyes, el de la montaña, el edificio conocido

como la Tercen; las flores, las aves y las caprichosas formas de los árboles.

Se recomienda también pescar en su laguna y visitar el miniconvento construido en la punta de una roca camino a la Vega.

En el área gastronómica aunque Metztitlán no cuenta con grandes restaurantes se pueden degustar exquisitos

platillos típicos de la región (escamoles, barbacoa, mole de panza, cuitlacoche, flor de calabaza, tlacoyos y sopes sin olvidar el afamado pulque hidalguense), en lugares caseros con buena higiene.

Para llegar desde la Ciudad de México se debe uno trasladar a Pachuca y de ahí tomar la carretera federal 105 mejor conocida como la carretera México-Tampico, el trayecto

desde Pachuca en automóvil es de más o menos una hora y media pasando por el pueblo de Real del Monte para tomar más adelante la desviación hacia la Vega de Metztitlán pasando el río Venados y el imponente convento barroco de Santa María Magdalena Xihuico.

Gran Inauguración en la Ciudad de México de la empresa Frigorificos Industriales y Aire Acondicionado

Quizás para algunos lectores les resulte raro o poco conocida la existencia de algunas empresas; posiblemente ya no existan o estén fuera de los reflectores, lo que es un hecho, en su tiempo fue muy notoria su existencia, razón por la que les recordamos y nos permitimos entresacar los gratos momentos de esa época y gentes que eran representantes de algunas de ellas.

Transcurría el mes de Octubre del año 1990 cuando inauguraron en el Distrito Federal la tienda “Frigoríficos Industriales y Aire Acondicionado, S.A. de C.V.” de los señores Carlos López y Vicente Melgoza, por cierto muy buenos anfitriones y como es normal estuvieron presentes proveedores, fabricantes y clientes de antaño.

La alegría era latente con cada uno de los presentes y quien se encargo del corte del listón inaugural fue el Ing. Takeo Kanazawa de Mayekawa de México. Como en todas las inauguraciones no faltaron las oraciones, buenos deseos y la bendición del negocio. Terminado el ceremonial, se invito a pasar a los presentes para degustar una rica cena tipo buffet acompañada de gran variedad de bebidas. Ese día estuvieron presentes gentes conocidas del medio como los ingenieros: Julio Chávez de York-Aire, Juan Antonio Serrano, Francisco Solis y Armando Téllez de Mayekawa, José Chacón de Industrias FACE, Takeo Irie de Rimsa, Fernando Guerra de Valycontrol, Javier Ortega de Copeland, Ángel Álvarez, Santiago Barcón y David Salazar

de Asea, Javier Zavala y Mónica Orgambide de Texas Instruments, Gerardo Segui, Roberto Alemán, Sergio Zavala (Q.E.P.D.) y Fausto Resendiz de Frigotherm McQuay, Julián Bustos de Quimobásicos, Enrique Villavicencio de Acemire de México, Gilberto Espinosa de Cía General de Electrónica, Manuel Palacios de COMASA, etc., etc.

Durante el evento y ante los anfitriones, tomo la palabra el Señor Agustín Barrios, quien en nombre del personal de la empresa anfitriona, dio una breve apología de los señores Carlos López Valdez y Vicente Melgoza Serrato y asociados de quienes menciono su trayectoria en el medio y su desempeño hasta el momento de haber creado esta nueva empresa. Entre aplausos y buenos deseos transcurrieron la plática y los brindis, hasta las primeras horas del siguiente día.

Turn static files into dynamic content formats.

Create a flipbook
Issuu converts static files into: digital portfolios, online yearbooks, online catalogs, digital photo albums and more. Sign up and create your flipbook.