

RALEIGH,WAKECOUNTY NORTHCAROLINA
INDEXOFSHEETS


CRABTREECREEKGREENWAY LASSITERMILL
TYPEOFWORK: GRADING,PAVING,STRUCTURE, DRAINAGE, &EROSIONCONTROL
CITYOFRALEIGH#:SPR-0081-2025
TIP#BL-0027
WBS#49611.3.1
FEDERALAID#0520129
VICINITYMAP
PROJECTLENGTH
LENGTHOFASPHALT=0.13MILES
LENGTHOFCONCRETE=0.19MILES
LENGTHOFBOARDWALK=0.09MILES
TOTALLENGTHOFPROJECT=0.41MILES
2A-1THRU2A-2 TYPICALSECTIONS
2B-1THRU2B-6 DETAILS
2C-1THRU2C-8 STREAMBANKSTABLIZATION
3BAND3D SUMMARYSHEETS 4THRU11 PLAN&PROFILESHEETS
T-1THRUT-4 TREESURVEYANDCRZIMPACTS
TMP-1THRUTMP-6TRANSPORTATIONMANAGEMENTPLANS
PMP-1THRUPMP-3 PAVEMENTMARKINGPLANS
EC-1THRUEC-13 EROSIONCONTROLSHEETS
SIGN-1THRUSIGN-2 SIGNINGPLANS
W-1THRUW-5 RETAININGWALLSHEETS
S1-1THRUS1-10 STRUCTURESHEETS-BOARDWALK
S2-1THRUS2-6STRUCTURESHEETS-LASSITERMILLRDBRIDGE
X-1A CROSSSECTIONINDEX
X-1THRUX-8 CROSSSECTIONSHEETS
5.ALLTCPEDPLANSSHALLCOMPLYWITHALLLOCAL,STATE,ANDFEDERAL REQUIREMENTSANDSTANDARDS,INCLUDINGBUTNOTLIMITEDTO: ·MANUALONUNIFORMTRAFFICCONTROL(MUTCD);



BEGINPROJECTL112+80.00
STREAMBANKSTABILIZATION
BOARDWALK1
PublicImprovementQuantities
INFRASTRUCTUREINSPECTIONSQUANTITIESTABLE
PHASENUMBER(S)PHASE1PHASE2PHASE3
NUMBEROFLOTS(S)
LOTNUMBER(S)BYPHASE
NUMBEROFUNITS
LIVABLEBUILDINGS OPENSPACE?
NUMBEROFOPENSPACELOTS
PUBLICWATER(LF)
PRIVATEWATER*(LF)
PUBLICSEWER(LF)



RETAININGWALL1
DESIGNDATA
DESIGNSPEED=10MPH LEANANGLE=20DEGREES
FUNC.CLASSIFICATION=TRANSPORTATION

RETAININGWALL3

PUBLICFORCEMAIN(LF)
PRIVATESEWER**(LF)
PUBLICSTREET(LF)FULL
PUBLICSTREET(LF)PARTIAL
PUBLICSIDEWALK(LF)FULL
PUBLICSIDEWALK(LF)PARTIAL
MULTI-USEPATH***(LF) 2,165LF
PUBLICSTORMDRAIN(LF) STREETSIGNS(LF)
WATERSERVICESTUBS 1 SEWERSERVICESTUBS
AVERAGEDAILYFLOWPERPHASE****
*Watermains4''andlarger **Sewermainsandmanholesaspartofcollectionsystem ***10or12widepathinlieuofsidewalkorMulti-Usepathaspartofdevelopmentamenity ****EntireProjectFlow.Basedon75gpdperbedroomforresidential(Apartments,singleFamilydwelling, townhouse,condos),orbasedon15ANCAC02T.0114WastewaterDesignFlowRatesforCommercialandIndustrial.

(FS799)




ENDPROJECTL456+05.83
GRAPHICSCALES

THEWORKINCLUDEDINTHIS SPR-0081-2025WASMODELEDIN LOCALFLOODSTUDYFS799.





NOTES
1.THECONTRACTORSHALLPERFORMALLCONSTRUCTIONACTIVITIESINACCORDANCEWITHTHEAPPLICABLEREQUIREMENTSOFTHEJANUARY2024NCDOT STANDARDSPECIFICATIONSFORROADSANDSTRUCTURES.
2.WHEREASPHALTSECTIONISREMOVED,CONTRACTORSHALLUSEASAWCUTATTHELIMITOFDEMOLITIONTOOBTAINACLEANEDGE.
3.NOGRADINGISTOOCCURINTHETREEPROTECTIONAREASORTREECRITICALROOTZONE.
4.THECONTRACTORMUST,ATALLTIMES,KEEPTHEPREMISESFREEFROMACCUMULATIONSOFWASTEMATERIALSORRUBBISHCAUSEDBYHIM,HIS EMPLOYEES,ORHISWORK.ALLDEBRISSHALLBEREMOVEDFROMTHESITEONADAILYBASIS.
5.EXISTINGUTILITIESANDSTRUCTURESSHOWNBOTHUNDERGROUNDANDABOVEAREBASEDONTHEBESTAVAILABLERECORDDRAWINGS.THE CONTRACTORSHALLVERIFYFIELDCONDITIONSPRIORTOBEGINNINGRELATEDCONSTRUCTION.ANYDISCREPANCIESSHALLBEREPORTEDTOTHE OWNER'SREPRESENTATIVEIMMEDIATELY.
6.CONTRACTORSHALLLOCATEALLUTILITIESANDUTILITYELEVATIONSPRIORTOCONSTRUCTIONBYCALLING811(1-800-632-4949).ALLUTILITIESTO REMAINSHALLBEPROTECTEDBYTHECONTRACTOR.ANYUTILITIESDAMAGEDDURINGCONSTRUCTIONSHALLBEREPAIREDBYCONTRACTOR.
7.CONTRACTORSHALLRESTOREALLLAYDOWNANDSTAGINGAREASTOORIGINALCONDITIONSANDTOTHESATISFACTIONOFTHEOWNER,PRIORTO DEMOBILIZATIONATTHECONCLUSIONOFTHEPROJECT.
8.SHOULDERSSHALLBESEEDEDANDMULCHEDATTHESAMERATEANDWITHTHESAMESEEDMIXUSEDFORTHERESTOFTHEPROJECT.
9.ANYEXCAVATIONMUSTBEFILLEDINANDTAMPEDATTHECONCLUSIONOFEACHWORKPERIOD,ANDEQUIPMENTANDSUPPLIESRETURNEDTOTHE CONSTRUCTIONSTAGINGAREA.
10.ORANGECONSTRUCTION/SAFETYFENCINGREMOVEDTOFACILITATEACCESSBYTHECONTRACTORFORCONSTRUCTIONMUSTBEREPLACEDATTHEEND OFEACHWORKPERIODTODIRECTPEDESTRIANANDVEHICULARTRAFFICAWAYFROMHAZARDOUSAREAS.
11.CONTRACTORSHALLSTAKECENTERLINEOFTRAILACCORDINGTOPLANSANDOBTAINAPPROVALFROMOWNER'SREPRESENTATIVEPRIORTO CONSTRUCTION.ANYDISCREPANCIESSHALLBERESOLVEDPRIORTOCONSTRUCTION.
12.CONTRACTORSHALLREVIEWTREEREMOVALWITHOWNER'SREPRESENTATIVEANDOBTAINAPPROVALPRIORTOTREEREMOVAL.TRIMUPBRANCHESOF TREESTOPROVIDE10-FTVERTICALCLEARANCEABOVEPAVEMENTSURFACE
13.THEENGINEERAND/OROWNERDISCLAIMANYROLEINTHECONSTRUCTIONMEANSANDMETHODSASSOCIATEDWITHPROJECTASSETFORTHINTHESE PLANS.IFDEPARTURESFROMTHESPECIFICATIONSORDRAWINGSAREDEEMEDNECESSARYBYTHECONTRACTOR,DETAILSOFSUCHDEPARTURESAND REASONSTHEREOFSHALLBESUBMITTEDTOTHEOWNERINWRITINGFORREVIEW.NODEPARTURESFROMTHECONTRACTDOCUMENTSSHALLBEMADE WITHOUTTHEWRITTENPERMISSIONOFTHEOWNER.
14.TREESANDPLANTSWILLNOTBEDAMAGEDORREMOVEDINORDERTOSERVICEANDMAINTAINTHEUTILITY,SIDEWALK,GREENWAYOROTHERSIMILAR FEATURE.
15.SUPERELEVATIONTRANSITIONISSHOWNONTHEPLANVIEW.
16.CONTRACTORSHALLINSTALLREQUIREDTREEPROTECTIONFENCEASSHOWNONTHEAPPROVEDPLANANDHAVEITINSPECTEDBYCITYSTAFFBEFORE PROCEEDINGWITHADDITIONALWORK.
17.CONTRACTORSHALLREFRAINFROMADDITIONALCONSTRUCTIONACTIVITIESONCITY-OWNEDORCONTROLLEDPROPERTYUNTILASATISFACTORY INSPECTIONHASBEENCOMPLETEDBYTHECITYOFTHEREQUIREDTREEPROTECTIONFENCINGASAPPROVED.DISTURBANCEWITHINTHEREQUIREDTREE PROTECTIONAREASWILLRESULTINTHEISSUANCEOFASTOPWORKORDERANDMAYREQUIREMITIGATIONINCLUDINGBUTNOTLIMITEDTOMONETARY PENALTIES,PRUNING,TREEREMOVAL,ANDREPLANTINGASDETERMINEDBYTHECITY.
18.ADDITIONALTREESMAYBEREQUIREDTOBEREMOVEDONCITY-OWNEDORCONTROLLEDPROPERTYATTHEDISCRETIONOFTHEURBANFORESTER.
19.FORWORKINGDRAWINGSNOTESREFERTOPROJECTSPECIALPROVISIONS.
20.FORCRANENOTESREFERTOPROJECTSPECIALPROVISIONS.
21.FORGROUTNOTESREFERTOPROJECTSPECIALPROVISIONS.
22.ALLTREESLOCATEDWITHINLIMITSOFDISTURBANCEARETOBEREMOVED.
23.ALLWORKDOWNSTREAMOFLASSITERMILLDAMWILLBECOMPLETEDINTHEFOLLOWINGMANNERTOAVOIDIMPACTSTOTHESTREAM:
23.1.ALLEROSIONCONTROLMEASURESASOUTLINEDINTHEPLANSANDAPPROVEDBYNCDEQSHALLBEINSTALLEDBASEDONTHESEQUENCEIDENTIFIED INTHEEROSIONCONTROLPLANS,ANDMEASURESSHALLBEINSTALLEDBEFORELANDDISTURBINGACTIVITIESCOMMENCE.
23.2.ALLSTORMWATERPIPESSOUTHOFTHELASSITERMILLDAMHAVEBEENSIZEDFORTHE25-YEARSTORMPERHQWRULESWITHCLASS2RIPRAPLINED OUTFALLINCLUDED.
23.3.OUTFALLSOFSTORMPIPESWILLNOTENCROACHONTHESTREAM.
23.4.PRECAUTIONSWILLBETAKETOENSURETHATTHECONSTRUCTIONDOESNOTDISTURBTHESTREAMOREXTENDBEYONDTHELIMITSOFTHE EROSIONCONTROLMEASURES.
23.5.THESTREAMSIDEOFTHEEMBANKMENTUPONWHICHTHEGREENWAYBENEATHTHEBRIDGEWILLBEBUILTSHALLBELINEDWITHRIPRAPTO ENSURELONG-TERMSTABILITYANDPREVENTEROSION.
23.6.THEBRIDGESIDEOFTHEEMBANKMENTWILLBESTABILIZEDBYARETAININGWALLANDAPAVEDSHOULDER.
23.7.CLASS1ANDCLASS2RIPRAPWILLBEPLACEDBENEATHTHEBRIDGEATA3:1SLOPEFROMTHEEDGEOFTHEGREENWAYSHOULDERDOWNTOTHE EDGEOFTHEEXISTINGWATERSURFACEANDWILLBEFIELDADJUSTEDTOAVOIDIMPACTSTOTHEEXISTINGWATEREDGE,UPTOAMAXIMUMSLOPE OF2:1.
23.8.ASCLASS1ANDCLASS2RIPRAPCANBEUSED,THEFORMERCANBEPLACEDBYHAND,BUTTHELATTERWILLNEEDTOBEPLACEDWITHABOBCAT.
23.9.CLASS1RIPRAPWILLBEPLACEDTOPREVENTIMPACTSTOTHESTREAMBYBRININGINDIVIDUALWHEELBARROWLOADSALONGTHEPROPOSED TRAILALIGNMENTTOTHEBRIDGE'SUNDERSIDE.FROMTHEREITCANBELOWEREDINTOPLACEALONGTHEBANKBYHANDUSINGTWOWORKERSTO CARRYINDIVIDUALPIECESOFCLASS1RIPRAPTOTHEDESIREDLOCATION.THISWILLAVOIDTHENEEDTOUSEHEAVYEQUIPMENTWITHINTHE LIMITSOFTHESTREAM.
WALLSUBMITTALNOTES
1.SUBMITTHECIPGRAVITYWALLDESIGNANDCALCULATIONTONCDOTEASTERNREGIONALOPERATIONSENGINEERFORREVIEWANDAPPROVAL.
2.SUBMITTHERETAININGWALLALLOWABLEBEARINGCAPACITYDETERMINEDINTHEFIELDTONCDOTEASTERNREGIONALOPERATIONSENGINEERFOR REVIEWANDAPPROVAL.
3.SUBMITTHEBRIDGEFOUNDATIONDESIGNANDCALCULATIONTONCDOTEASTERNREGIONALOPERATIONSENGINEERFORREVIEWANDAPPROVAL.
APPLICABLESTANDARDS
THEFOLLOWINGROADWAYSTANDARDSASAPPEARIN"ROADWAY STANDARDDRAWINGS"HIGHWAYDESIGNBRANCH-N.C.DEPARTMENTOF TRANSPORTATION-RALEIGH,N.C.,DATEDJANUARY,2024AREAPPLICABLE TOTHISPROJECT ANDBYREFERENCEHEREBYARECONSIDEREDAPARTOFTHESEPLANS:
STD.NO. TITLE
DIVISION2-EARTHWORK
200.02MethodofClearing-MethodII
DIVISION3-PIPECULVERTS
300.01MethodofPipeInstallation
DIVISION8-INCIDENTALS
840.02ConcreteCatchBasin-12"thru54"Pipe 840.14ConcreteDropInlet-12"thru30"Pipe 840.16DropInletFrameandGrates-forusewithStd.Dwg840.14and 840.15 840.18ConcreteGratedDropInletType'B'-12"thru36"Pipe 840.24FramesandNarrowSlotSagGrates 840.29FramesandNarrowSlotFlatGrates 840.37SteelGrateandFrame 840.45PrecastDrainageStructure 848.01ConcreteSidewalk 848.02DrivewayTurnout-RadiusType 848.05CurbRamp-ProposedCurb&Gutter 848.06CurbRamp-ExistingCurb&Gutter
ADDITIONALNCDOTSTANDARDSNOTONTHELISTABOVEMAYBE REQUIREDASPERPLANDETAILSANDSPECIFICATIONS.
CITYOFRALEIGHPUBLICUTILITIES STANDARDUTILITYNOTES(ASAPPLICABLE)
ATTENTIONCONTRACTORS
1.UNLESSOTHERWISESUPERCEDEDBYTHE2024NCDOTSTANDARDSPECIFICATIONS,ALLMATERIALS&CONSTRUCTIONMETHODSSHALLBEINACCORDANCEWITHCITYOFRALEIGHDESIGNSTANDARDS,DETAILS&SPECIFICATIONS (REFERENCE:CORPUDHANDBOOK,CURRENTEDITION)
2.UTILITYSEPARATIONREQUIREMENTS:
a)ADISTANCEOF100’SHALLBEMAINTAINEDBETWEENSANITARYSEWER&ANYPRIVATEORPUBLICWATERSUPPLYSOURCESUCHASANIMPOUNDEDRESERVOIRUSEDASASOURCEOFDRINKINGWATER.IFADEQUATELATERAL SEPARATIONCANNOTBEACHIEVED,FERROUSSANITARYSEWERPIPESHALLBESPECIFIED&INSTALLEDTOWATERLINESPECIFICATIONS.HOWEVER,THEMINIMUMSEPARATIONSHALLNOTBELESSTHAN25’FROMAPRIVATEWELLOR 50’FROMAPUBLICWELL.
b)WHENINSTALLINGWATER&/ORSEWERMAINS,THEHORIZONTALSEPARATIONBETWEENUTILITIESSHALLBE10’.IFTHISSEPARATIONCANNOTBEMAINTAINEDDUETOEXISTINGCONDITIONS,THEVARIATIONALLOWEDISTHEWATER MAININASEPARATETRENCHWITHTHEELEVATIONOFTHEWATERMAINATLEAST18”ABOVETHETOPOFTHESEWER&MUSTBEAPPROVEDBYTHEPUBLICUTILITIESDIRECTOR.ALLDISTANCESAREMEASUREDFROMOUTSIDE DIAMETERTOOUTSIDEDIAMETER.
c)WHEREITISIMPOSSIBLETOOBTAINPROPERSEPARATION,ORANYTIMEASANITARYSEWERPASSESOVERAWATERMAIN,DIPMATERIALSORSTEELENCASEMENTEXTENDED10’ONEACHSIDEOFCROSSINGMUSTBESPECIFIED& INSTALLEDTOWATERLINESPECIFICATIONS.
d)5.0’MINIMUMHORIZONTALSEPARATIONISREQUIREDBETWEENALLSANITARYSEWER&STORMSEWERFACILITIES,UNLESSDIPMATERIALISSPECIFIEDFORSANITARYSEWER
e)MAINTAIN18”MIN.VERTICALSEPARATIONATALLWATERMAIN&RCPSTORMDRAINCROSSINGS;MAINTAIN18”MIN.VERTICALSEPARATIONATALLSANITARYSEWER&RCPSTORMDRAINCROSSINGS.WHEREADEQUATESEPARATIONS CANNOTBEACHIEVED,SPECIFYDIPMATERIALS&ACONCRETECRADLEHAVING6”MIN.CLEARANCE(PERCORPUDDETAILSW-41&S-49).
f)ALLOTHERUNDERGROUNDUTILITIESSHALLCROSSWATER&SEWERFACILITIESWITH18”MIN.VERTICALSEPARATIONREQUIRED.
3.ANYNECESSARYFIELDREVISIONSARESUBJECTTOREVIEW&APPROVALOFANAMENDEDPLAN&/ORPROFILEBYTHECITYOFRALEIGHPUBLICUTILITIESDEPARTMENTPRIORTOCONSTRUCTION.
4.DEVELOPERSHALLPROVIDE30DAYSADVANCEWRITTENNOTICETOOWNERFORANYWORKREQUIREDWITHINANEXISTINGCITYOFRALEIGHUTILITYEASEMENTTRAVERSINGPRIVATEPROPERTY.
5.CONTRACTORSHALLMAINTAINCONTINUOUSWATER&SEWERSERVICETOEXISTINGRESIDENCES&BUSINESSESTHROUGHOUTCONSTRUCTIONOFPROJECT.ANYNECESSARYSERVICEINTERRUPTIONSSHALLBEPRECEDEDBYA24-HOUR ADVANCENOTICETOTHECITYOFRALEIGHPUBLICUTILITIESDEPARTMENT.
6.SEWERBYPASSPUMPING–ABYPASSPLANSEALEDBYANNCPROFESSIONALENGINEERSHALLBEPROVIDEDTORALEIGHWATERPRIORTOPUMPINGOPERATIONSFORAPPROVAL.THEOPERATIONSANDEQUIPMENTSHALLCOMPLYWITH THEPUBLICUTILITIESHANDBOOK.
7.3.0’MINIMUMCOVERISREQUIREDONALLWATERMAINS&SEWERFORCEMAINS.4.0’MINIMUMCOVERISREQUIREDONALLREUSEMAINS.
8.ITISTHEDEVELOPER’SRESPONSIBILITYTOABANDONORREMOVEEXISTINGWATER&SEWERSERVICESNOTBEINGUSEDINREDEVELOPMENTOFASITEUNLESSOTHERWISEDIRECTEDBYTHECITYOFRALEIGHPUBLICUTILITIES DEPARTMENT.THISINCLUDESABANDONINGTAPATMAIN&REMOVALOFSERVICEFROMROWOREASEMENTPERCORPUDHANDBOOKPROCEDURE.
9.INSTALLWATERSERVICESWITHMETERSLOCATEDATROWORWITHINA2’X2’WATERLINEEASEMENTIMMEDIATELYADJACENT.NOTE:ITISTHEAPPLICANT’SRESPONSIBILITYTOPROPERLYSIZETHEWATERSERVICEFOREACH CONNECTIONTOPROVIDEADEQUATEFLOW&PRESSURE.
10.INSPECTIONSOF4”ANDLARGERWATERMAINSOFTHEPRIVATEDISTRIBUTIONSYSTEMWILLBEINSPECTEDASPARTOFTHEINFRASTRUCTUREPERMIT.
11.PRIVATESEWERMAINSASPARTOFACOLLECTIONSYSTEMAREPERMITTEDANDINSPECTEDUNDERTHEPRIVATEINFRASTRUCTUREPERMITFORSEWER.
12.ANYWATERORSEWERSERVICESONPRIVATEPROPERTYTHATWILLBEINSTALLEDUNDERCONSTRUCTIONDRAWINGSMAYREQUIREAPLUMBINGUTILITYPERMITINTHECITYOFRALEIGH.CONSULTWITHTHEENGINEERINGINSPECTION COORDINATORDURINGTHEPRE-CONSTRUCTIONMEETINGONTHENECESSARYPERMITS.
13.INSTALLSEWERSERVICESWITHCLEANOUTSLOCATEDATROWOREASEMENTLINE&SPACEDPERTHECURRENTNCPLUMBINGCODE.
14.PRESSUREREDUCINGVALVESAREREQUIREDONALLWATERSERVICESEXCEEDING80PSI;BACKWATERVALVESAREREQUIREDONALLSANITARYSEWERSERVICESHAVINGBUILDINGDRAINSLOWERTHAN1.0’ABOVETHENEXTUPSTREAM MANHOLE.
15.ALLENVIRONMENTALPERMITSAPPLICABLETOTHEPROJECTMUSTBEOBTAINEDFROMNCDWQ,USACE&/ORFEMAFORANYRIPARIANBUFFER,WETLAND&/ORFLOODPLAINIMPACTS(RESPECTIVELY)PRIORTOCONSTRUCTION.
16.NCDOTRAILROADENCROACHMENTAGREEMENTSAREREQUIREDFORANYUTILITYWORK(INCLUDINGMAINEXTENSIONS&SERVICETAPS)WITHINSTATEORRAILROADROWPRIORTOCONSTRUCTION.
17.GREASEINTERCEPTOR/OILWATERSEPARATORSIZINGCALCULATIONS&INSTALLATIONSPECIFICATIONSSHALLBEAPPROVEDBYTHERWFOGPROGRAMCOORDINATORPRIORTOISSUANCEOFAUCAND/ORBUILDINGPERMIT.CONTACT (919)996-4516ORFOG@RALEIGHNC.GOVFORMOREINFORMATION.
18.CROSS-CONNECTIONCONTROLPROTECTIONDEVICESAREREQUIREDBASEDONTHEDEGREEOFHEALTHHAZARDINVOLVEDASLISTEDINAPPENDIXBOFTHERULESGOVERNINGPUBLICWATERSYSTEMSINNORTHCAROLINA.
19.THEDEVICESSHALLMEETTHEAMERICANSOCIETYOFSANITARYENGINEERING(ASSE)STANDARDSANDBEONTHEUNIVERSITYOFSOUTHERNCALIFORNIAAPPROVALLIST.
20.THEDEVICEANDINSTALLATIONSHALLMEETTHEGUIDELINESOFAPPENDIXA–GUIDELINESANDREQUIREMENTSFORTHECROSSCONNECTIONPROGRAMINRALEIGH’SSERVICEAREA.
21.THEDEVICESSHALLBEINSTALLEDANDTESTED(BOTH,INITIALANDPERIODICTESTINGTHEREAFTER)INACCORDANCEWITHTHEMANUFACTURER’SRECOMMENDATIONSORTHELOCALCROSSCONNECTIONCONTROLPROGRAM, WHICHEVERISMORESTRINGENT.CONTACTCROSS.CONNECTION@RALEIGHNC.GOVFORMOREINFORMATION.
22.NOTICEFORPROJECTSTHATINVOLVEANOVERSIZEDMAINORURBANMAINREPLACEMENT.ANYCITYREIMBURSEMENTGREATERTHAN$250,000.00MUSTUNDERGOTHEPUBLICBIDDINGPROCESS.
23.PRIVATESUB-METERING-NORESALEOFWATERSHALLOCCURWITHOUTAPPROVALOFTHENORTHCAROLINAUTILITYCOMMISSION.SUB-METERINGSHALLBEINACCORDANCEWITHSECTION1400OFTHE"SAFEDRINKINGWATERACT".









PROPOSED2"ASPHALTCONCRETESURFACECOURSE,TYPEC1S9.5B,ATANAVERAGERATEOF224LBS.PERSQ.YD.
J1PROPOSED6"AGGREGATEBASECOURSE
V1PROPOSEDGEOTEXTILESEPARATORFABRIC
EARTHMATERIAL
STRUCTURALFILLSHOULDBEPLACEDINUNIFORMLIFTSOF8 INCHESORLESS(LOOSEMEASURE),ANDCOMPACTEDTOAT LEAST95PERCENTOFMAXIMUMDRYDENSITYANDWITHIN3 PERCENTOFTHEOPTIMUMMOISTUREASDEFINEDBYTHE STANDARDPROCTORCOMPACTIONTEST.
THEUPPER12INCHESOFTHESTRUCTURALFILLPLACED SHOULDBECOMPACTEDTO98PERCENTOFTHESTANDARD PROCTORMAXIMUMDRYDENSITY.TOCONFIRMTHATTHE SPECIFIEDDEGREEOFCOMPACTIONISOBTAINED,FIELD DENSITYTESTINGSHOULDBEPERFORMEDINEACHLIFTBYA SOILSTECHNICIAN.
SEEPROJECTGEOTECHREPORTFORMOREDETAILED INFORMATION
NOTES:
1.TRANSITIONSUPERELEVATIONASSHOWNONPLANS. TRANSITIONDISTANCESHALLBE10'PER1%CHANGE.
2.SHOULDERSTOMATCHCROSSSLOPEOFGREENWAYTRAIL.
3.PROVIDESAFETYRAILFORTHEFOLLOWINGCIRCUMSTANCES:
SLOPE≥3:1ANDDROPOF6'
SLOPE≥2:1ANDDROPOF4'
SLOPE≥1:1ANDDROPOF1'
4.CONTRACTORISRESPONSIBLEFORRE-ESTABLISHINGALL SLOPESDISTURBEDBYCONSTRUCTION.
5.*SHOULDERSSHALLBEINCLUDEDINTHESEEDINGAND MULCHING.
6.ALLPROPOSED2:1SLOPESSHALLBELINEDWITHACOIRFIBER MATFORSTABILIZATION.
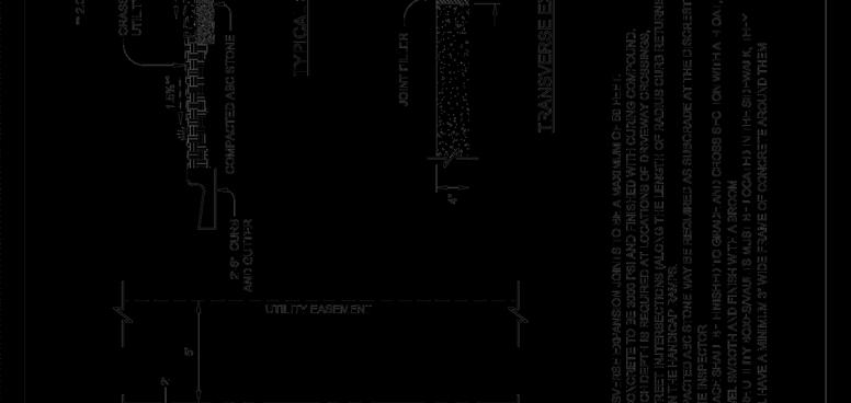
TYPICALSECTION#1-10'ASPHALTMULTI-USEPATH

TYPICALSECTION#2-10'CONCRETEMULTI-USEPATHWITHTURN-DOWN NOTTOSCALE
TYPICALSECTION#3-10'CONCRETEONBRIDGESIDEWALK SEESTRUCTURALSHEETSFORADDITIONALDETAIL-NOTTOSCALE
PROPOSED4.5"PORTLANDCEMENTCONCRETEPAVEMENTA1WITHWELDEDWIREMESH.
PROPOSED6"LIGHT-WEIGHTPORTLANDCEMENTCONCRETEA2PAVEMENTWITHWELDEDWIREMESH.
PROPOSED2"ASPHALTCONCRETESURFACECOURSE,TYPEC1S9.5B,ATANAVERAGERATEOF224LBS.PERSQ.YD.
J1PROPOSED6"AGGREGATEBASECOURSE
V1PROPOSEDGEOTEXTILESEPARATORFABRIC
EARTHMATERIAL
SEEPROJECTGEOTECHREPORTFORMOREDETAILED INFORMATION T
NOTES:
STRUCTURALFILLSHOULDBEPLACEDINUNIFORMLIFTSOF8 INCHESORLESS(LOOSEMEASURE),ANDCOMPACTEDTOAT LEAST95PERCENTOFMAXIMUMDRYDENSITYANDWITHIN3 PERCENTOFTHEOPTIMUMMOISTUREASDEFINEDBYTHE STANDARDPROCTORCOMPACTIONTEST.
THEUPPER12INCHESOFTHESTRUCTURALFILLPLACED SHOULDBECOMPACTEDTO98PERCENTOFTHESTANDARD PROCTORMAXIMUMDRYDENSITY.TOCONFIRMTHATTHE SPECIFIEDDEGREEOFCOMPACTIONISOBTAINED,FIELD DENSITYTESTINGSHOULDBEPERFORMEDINEACHLIFTBYA SOILSTECHNICIAN.
1.TRANSITIONSUPERELEVATIONASSHOWNONPLANS. TRANSITIONDISTANCESHALLBE10'PER1%CHANGE.
2.SHOULDERSTOMATCHCROSSSLOPEOFGREENWAYTRAIL.
3.PROVIDESAFETYRAILFORTHEFOLLOWINGCIRCUMSTANCES:
SLOPE≥3:1ANDDROPOF6'
SLOPE≥2:1ANDDROPOF4'
SLOPE≥1:1ANDDROPOF1'
4.CONTRACTORISRESPONSIBLEFORRE-ESTABLISHINGALL SLOPESDISTURBEDBYCONSTRUCTION.
5.*SHOULDERSSHALLBEINCLUDEDINTHESEEDINGAND MULCHING.
6.ALLPROPOSED2:1SLOPESSHALLBELINEDWITHACOIRFIBER MATFORSTABILIZATION.
TYPICALSECTION#5-10'CONCRETEMULTI-USEPATH
TYPICALSECTION#7-10'CONCRETEMULTI-USEPATHWITHRETAININGWALL

TYPICALSECTION#6-10'CONCRETEMULTI-USEPATHWITHRETAININGWALL NOTTOSCALE
TYPICALSECTION#9-10'ASPHALTMULTI-USEPATHRE-PAVING






























FINISHGRADE
95%COMPACTED SUBGRADE
CONCRETEFOOTING WITH#5WASHED STONEBASE(TYP.)
NOTE:
1.ALLCONCRETETOHAVE3000PSIMINIMUMCOMPRESSIVESTRENGTH.
2.ALLPIPESEGMENTSTOBE1-5/8"MAX.O.D.BLACKIRON,LOWCARBONPIPE.
3.ALLPIPEJOINTSTOBEWELDEDWITH1/2"FILLETWELD.
4.ALLMETALCOMPONENTSSHALLBEGALVANIZEDPERSPECIFICATIONS.
2"x4"REDMETAL REFLECTOR,SEENOTE2
4"DIAM.STEEL PIPEBOLLARD, PAINTYELLOW
FINISHGRADE
SLIDINGLOOPHANDLETO LOCKBOLLARDINPLACE
(2)2"x1"LOCKTABS WITH1/2"HOLES
2"GALVANIZED STEELBOLLARD
HINGEPIN
7"x10"BASEPLATEWITH (4)1/2"MOUNTINGHOLES
PATHSURFACEPAVEMENT ANDBASECOURSE
CONCRETEFOOTING WITH#5WASHED STONEBASE
95%COMPACTED SUBGRADE
NOTE:
1.BOLLARDWILLBEPROVIDEDBYCITYOF RALEIGH,ANDINSTALLEDBYCONTRACTOR.
2.INSTALL(2)RECTANGULARREFLECTORSPER BOLLARD,(1)ONEACHSIDEFACINGTRAFFIC.

NOTE:
1.BOLLARDWILLBEPROVIDEDBYCITYOF RALEIGH,ANDINSTALLEDBYCONTRACTOR. 2.CONCRETEFOOTINGTOMEASURE2'-0"x2'-0" SQUARE.
CONCRETEFOOTINGWITH #5WASHEDSTONEBASE
95%COMPACTED SUBGRADE

PATHWIDTH
DIRECTION OFTRAVEL
NOTE: 1.THISPLACEMENTCONFIGURATIONTOBE USEDWHERE"SETOFTHREEBOLLARDS"IS INDICATEDONTHEPLANSHEETS. 2.ONCONCRETEAPPROACHSLABS,USEONLY ACOLLAPSIBLEBOLLARDWITH2"YELLOW PAINTDIAMOND.
NOTE: DETAILFORHORIZONTALFLUSHMOUNTADAPTERTOBEINCLUDEDIN100% CONSTRUCTIONDRAWINGS.





















SITELEGEND




GENERALNOTES:
1.CONTRACTORISRESPONSIBLEFORCOMPLIANCEWITHALLAPPLICABLEBUILDINGCODES,ORDINANCES,ANDLOCALREGULATIONS.
2.PROJECTLOCATEDWITHINFEMASPECIALFLOODHAZARDAREA STREAMNAME:CRABTREECREEK MAP#: 372017500K EFFECTIVEDATE:07/19/2022 FLOODZONES:FLOODWAY,AE,ZONEX
3.ALLCONSTRUCTIONSHALLCONFORMTOOREXCEEDREGULATIONSOFTHEAMERICANSWITHDISABILITIESACTANDOTHERAPPLICABLESTANDARDSAND GOVERNINGAUTHORITIES.
4.ALLCONSTRUCTIONSHALLBEPERFORMEDINACCORDANCEWITHTHECONTRACTDOCUMENTSANDALLAPPLICABLELOCAL,STATE,ANDFEDERALAGENCIESAND REGULATIONS.
5.CONTRACTORISREQUIREDTOMEETALLAPPLICABLEFEDERAL,OSHA,STATEANDLOCALREGULATIONSCONCERNINGPROJECTSAFETYANDASSUMES RESPONSIBILITYFORSAFETYONTHEPROJECT.
6.CONTRACTORSHALLPROTECTTHEPUBLICFROMCONSTRUCTIONAREASANDASSOCIATEDACTIVITYDURINGCONSTRUCTION.OCCUPATIONALSAFETYAND HEALTHADMINISTRATION(OSHA)STANDARDSFOREXCAVATIONS;FINALRULE29CFRPART1926,SUBPART"P"APPLIESTOALLEXCAVATIONSEXCEEDINGFIVE(5) FEETINDEPTH.EXCAVATIONEXCEEDINGTWENTY(20)FEETINDEPTHREQUIRESTHEDESIGNOFATRENCHSAFETYSYSTEMBYAREGISTEREDPROFESSIONAL ENGINEER,PROVIDEDBYCONTRACTORRESPONSIBLEFOREXCAVATION.
7.EQUIPMENTANDPRODUCTSOTHERTHANTHOSESPECIFIEDMAYBEUSEDPROVIDEDAPPROVALHASBEENOBTAINEDFROMTHEENGINEERINWRITINGPRIOR TOORDERINGORINSTALLATION.THECONTRACTORSHALLWAIVEANYCLAIMFORADDITIONALCOSTRELATEDTOTHESUBSTITUTIONOFALTERNATEEQUIPMENT.
8.CONTRACTORSHALLMAINTAINAN"AS-BUILT"SETOFDRAWINGSTORECORDTHEEXACTLOCATIONOFSTREAMSTABILIZATIONSTRUCTURES.DRAWINGSSHALL BEGIVENTOTHEDESIGNENGINEERUPONCOMPLETIONOFTHEPROJECT.
9.EXISTINGIMPROVEMENTSSLATEDTOREMAINTHATAREDAMAGEDDURINGCONSTRUCTIONSHALLBEREPLACED/RESTOREDTOTHEIRORIGINALCONDITIONOR TOTHESATISFACTIONOFTHEOWNER'SREPRESENTATIVEBYTHECONTRACTORRESPONSIBLEFORTHEDAMAGE.
10.CONTRACTORSHALLNOTIFY"NC811"(811)OR(1-800-632-4949)ATLEAST3FULLBUSINESSDAYSPRIORTOBEGINNINGCONSTRUCTIONOREXCAVATIONTO HAVEEXISTINGUTILITIESLOCATED.CONTRACTORSHALLCONTACTANYLOCALUTILITIESTHATPROVIDETHEIROWNLOCATORSERVICESINDEPENDENTOF "NC811".REPORTANYDISCREPANCIESTOTHEOWNER'SREPRESENTATIVEIMMEDIATELY.
11.CONTRACTORISRESPONSIBLEFORCOORDINATINGCONSTRUCTIONACTIVITIESWITHTHEAPPROPRIATEUTILITYCOMPANIESFORANYREQUIREDRELOCATION (I.E.POWERPOLES,TELEPHONEPEDESTALS,WATERMETERS,ETC.).
12.EXISTINGUTILITIESSHOWNAREBASEDONFIELDSURVEYSANDTHEBESTAVAILABLERECORDDRAWINGS.THECONTRACTORSHALLVERIFYCONDITIONSPRIORTO BEGINNINGCONSTRUCTION.ANYDISCREPANCIESBETWEENACTUALFIELDCONDITIONSANDTHEPLANSSHALLBEREPORTEDTOTHEOWNER'SREPRESENTATIVE IMMEDIATELY.
13.ALLDIMENSIONSANDGRADESSHOWNONTHEPLANSSHALLBEFIELDVERIFIEDBYTHECONTRACTORPRIORTOCONSTRUCTION.CONTRACTORSHALLNOTIFY THEDESIGNENGINEERIFANYDISCREPANCIESEXISTPRIORTOPROCEEDINGWITHCONSTRUCTIONFORNECESSARYPLANORGRADECHANGES.NOEXTRA COMPENSATIONSHALLBEPAIDTOCONTRACTORFORANYWORKDONEDUETODIMENSIONSORGRADESSHOWNINCORRECTLYONTHESEPLANSIFSUCH NOTIFICATIONHASNOTBEENGIVEN.
14.CONSTRUCTIONOPERATIONSSHALLBECARRIEDOUTINSUCHAMANNERTHATEROSIONANDWATERPOLLUTIONISMINIMIZED.
15.ALLDISTURBEDAREASTOBESEEDEDPERSEEDINGSCHEDULEONSHEET2C-8.
16.PHASE1EROSIONANDSEDIMENTATIONCONTROLPLANSASSOCIATEDWITHTHESTREAMRESTORATIONCANBEFOUNDONSHEETEC-4
17.PHASE2EROSIONANDSEDIMENTATIONCONTROLPLANSASSOCIATEDWITHGREENWAYCONSTRUCTIONCANBEFOUNDONSHEETSEC-5THRUEC-12

ALLCONSTRUCTIONSHALLBEIN ACCORDANCEWITHTHECURRENTCITYOF RALEIGHENGINEERINGDESIGNAND CONSTRUCTIONSTANDARDS
GENERALNOTES:
1.FOOTERBOULDERSSHOULDBEFLATANDRECTANGULARANDPROVIDEANEVENSURFACEFORSTACKING.
2.BOULDERSSHALLBEANGULAR,FLAT,ORCUBEDROCK.INDIVIDUALROCKFRAGMENTSSHALLBEDENSE,SOUND, ANDFREEFROMCRACKS,SEAMSOROTHERDEFECTSCONDUCIVETOACCELERATEDWEATHERING.NOCONCRETE, MAN-MADEROCKS,ORSOFTROCKSSHALLBEUSEDFORTHECONSTRUCTIONOFTHEBOULDERTOEREVETMENT.
3.FOOTINGSSHOULDBELEVEL.THELONGESTAXISOFTHEBOULDERSHOULDBEORIENTEDATANEARVERTICAL ANGLE.
4.BOULDERSSHALLBEPLACEDBYMECHANICALOROTHERACCEPTABLEMETHODS,MINIMIZINGVOIDS.THEBOULDERS SHALLBEPLACEDTOFORMANEATANDUNIFORMSURFACEAREA.NOMORTARISPERMITTED.
6.COMPACTEDFILLMATERIALSHALLBECONSIDEREDSUITABLESOILMATERIAL,FREEOFROOTS,STICKS,ROCKS, BRUSH,LITTERANDOTHEROBJECTIONABLEMATERIAL.
7.NOSIGNIFICANTVOIDSSHOULDEXISTBETWEENADJOININGFOOTERANDTOPROCK.INORDERTOPREVENTPIPING OFWATERTHROUGHSTRUCTUREROCKS,THECONTRACTORSHALLCHINKBYHANDOREQUIPMENTALL UNDESIRABLEVOIDSWITHSMALLERROCKSSUCHASANYEXISTINGSTREAMBEDMATERIALORSPECIFIED SUBSTRATE.
CONSTRUCTIONGUIDELINES:
1.ALLEROSIONANDSEDIMENTCONTROLDEVICESSHOULDBEINSTALLEDINACCORDANCEWITHTHE APPROVEDEROSIONCONTROLPLAN.
2.CHANNELFLOWSHOULDBEDIVERTEDAWAYFROMTHEWORKAREAINACCORDANCEWITHTHE APPROVEDEROSIONCONTROLPLANANDSITESHOULDBEDEWATERED.
3.LOOSEMATERIALATTHETOEOFTHEEMBANKMENTSHOULDBEEXCAVATEDUNTILASTABLE FOUNDATIONISREACHED.
4.EXCAVATETHESTREAMBANKUNTILASTABLESLOPEANGLEISACHIEVED.THESUBGRADESHOULD BESMOOTH,FIRM,ANDFREEFROMPROTRUDINGOBJECTSORVOIDSTHATWOULDEFFECTTHE PROPERPOSITIONINGOFTHEFIRSTLAYEROFSTONESANDFILTERFABRIC.REMOVEROOTS,TWIGS, ANDOTHERDEBRISINBOULDERTOEEXCAVATIONLIMITS.
5.PLACENONWOVENGEOTEXTILEFILTERFABRICLOOSELYANDEVENLYONPREPAREDFILLSLOPE ANDSECUREWITHSTAPLESFEETON-CENTERMAXIMUM.RETAINASUITABLELENGTHOFNON WOVENGEOTEXTILEFABRICTOCONTINUE12"PASTTHEFOOTERROCK.ADJACENTSTRIPSSHOULD OVERLAP12INCHESANDBESTAPLEDON12INCHCENTERS.UPSTREAMORUPSLOPEFILTERFABRIC SHOULDALWAYSBEPLACEDOVERTHEDOWNSTREAMORDOWNSLOPEFILTERFABRIC.IFTHE FILTERFABRICISTORNORDAMAGEDDURINGCONSTRUCTION,ITSHOULDBEREPAIREDOR REPLACED.STAPLESSHALLBE0.125INCHESDIAMETERNEWSTEELWIREFORMEDINTOA"U" SHAPENOTLESSTHAN6INCHESINLENGTHWITHATHROATOFINCHWIDTH.
6.FOOTERROCKSSHALLBEPLACEDINDIVIDUALLYANDKEYEDINTOTHECHANNEL,BED,STREAM BANKASSHOWNINTHEDETAIL.THETOPROCKSOFTHESESTRUCTURESSHALLBEPLACED LINEARLY,WITHTIGHTANDCONTIGUOUSSURFACECONTACTWITHADJACENTROCK.ENSURETHE ROCKSARESTACKEDSOTHEPLACEDSTONERESTSONTWOSTONESINTHETIERBELOWIT.HEADER BOULDERSSHOULDBESETSLIGHTLYBACKFROMFOOTERBOULDERSSUCHTHATPARTOFTHE HEADERBOULDERISRESTINGONTHEPOROUSBACKFILL.
7.PLACEMENTOFCOARSEBACKFILLSHOULDOCCURCONCURRENTLYWITHTHEPLACEMENTOFEACH CONSECUTIVEROCKLAYER.THEBACKFILLSLOPEANGLESHOULDBE2H:1VORFLATTERBUT SHOULDALWAYSPROVIDEATMINIMUMPOSITIVEDRAINAGE.
8.IFGEOTEXTILEISPUNCTUREDDURINGBOULDERPLACEMENT,THEBOULDERSSHALLBEFULLY REMOVEDFORATLEASTTHREEFEETOUTSIDETHELIMITSOFTHEFABRICPUNCTUREANDANEW GEOTEXTILEPATCHWITHMINIMUMOVERLAPSHALLBESECURELYFASTENEDOVERTHEPUNCTURE WITHSECURINGPINS.
NOTES:
1.ANEROSIONCONTROLBLANKETSHALLBEUSEDTOSTABILIZETHENEWLYCONSTRUCTED CHANNELFROMTHETOPOFBANKORLIMITSSHOWNONECPLANSHEETSTOTOEOF SLOPEANDSHALLBE100%BIODEGRADABLE.
2.PREPARESOILBEFOREINSTALLINGEROSIONCONTROLBLANKETINCLUDINGFINE GRADING,PLACEMENTOFSEEDANDSTRAWANDAPPLICATIONOFFERTILIZERANDLIMEIF NECESSARY.REMOVEROOTS,TWIGS,ANDOTHERDEBRISWHICHWOULDCAUSEBULGES INTHEMATTINGASWELLASPREVENTTHEMATTINGFROMBEINGLAIDFLUSHTOTHE FINISHEDSURFACE.
3.KEY-INTERMINALEDGESOFMATTINGATTOPANDTOEOFBANKANDVERTICALEDGESAT UPSTREAMANDDOWNSTREAMBOUNDARYLIMITSAMINIMUMOF12INCHESINTO FINISHEDGRADE.LAYMATTINGSOTHATUPSTREAMMATOVERLAPSDOWNSTREAMMAT ORUPPERBANKMATOVERLAPSLOWERBANKMATBY1FOOT.
4.KEY-INEDGESOFMATTINGAMINIMUMOF12INCHES,PARTICULARLYNEARRESTORATION STRUCTURES,BOULDERS,LOGS,ETC.CHECKMATTINGFORLOOSEENDS,FLAPS,OROTHER WEAKNESSESORDAMAGEWHICHMAYCAUSEITTOBECOMELOOSEUNDERFLOW CONDITIONS.
5.MATTINGSHALLBEPLACEDALONGTHEOUTSIDEBANKOFALLBENDSANDALONGBOTH SIDESOFTHECHANNELINTANGENTAREAS.
6.FIELDADJUSTMENTSTOMATTINGLOCATIONMAYBEMADEATTHEDISCRETIONOFTHE ENGINEER.
7.INSTALLWOODENSTAKESTOENSUREGOODGROUNDCONTACTOFTHEMATTINGTO WITHSTANDMEDIUMTOHIGHFLOWS.STAKESSHALLBE2"X4"18".FORSLOPES2:1 ANDSTEEPER,USEAMINIMUMOF3WOODSTAKESPERSQUAREYARDANDFORSLOPES FLATTERTHAN2:1,USEAMINIMUMOF2STAKESPERSQUAREYARD.PROVIDE ADDITIONALSTAKINGALONGCHANNELBOTTOMWHERECOIRMATFORMSTOEOFSLOPE. STAKESSHALLBEINSTALLEDSOTHATNOMORETHAN2INCHESOFTHESTAKEREMAINS ABOVEFINISHEDGRADE.
8.THEEROSIONCONTROLBLANKETSHALLCONSISTOFAMACHINE-PRODUCEDBLANKET MADEOFCOCONUTFIBERANDBEEQUIVALENTORBETTERTHANTHEFOLLOWING SPECIFICATION.SOILSTABILIZATIONMATTINGWHICHUSESPLASTICS,METALS,OROTHER MAN-MADEMATERIALSINTHECONSTRUCTIONOFTHEMATERIALWILLNOTBE PERMITTED.
WEIGHT=24OZ/SY
TENSILESTRENGTHDRY(ASTMD4595)=1600LBS/FTMACHINEDIRECTION 1310LBS/FTCROSSDIRECTION
TENSILESTRENGTHWET(ASTMD4595)=1455LBS/FTMACHINEDIRECTION 1425LBS/FTCROSSDIRECTION
ELONGATIONFAILUREWET(ASTMD4595)=27%MACHINEDIRECTION 27%CROSSDIRECTION
OPENAREA=41%
RECOMMENDEDSHEARSTRESS=4.5LBS/SQ.FT.
RECOMMENDEDFLOW=12FT/S RECOMMENDEDSLOPE=1:1
OVERLAPROLLEDGES FOOTMINIMUM(TYP.)
EROSIONCONTROLBLANKET
12-INCHDEEP(MIN.) KEYINTRENCH SLOPEAPPLICATIONISOMETRICVIEW
PREPAREDSLOPEWITH SEEDINPLACE(TYP.)

GENERALNOTES:
1.DONOTEXCEED2H:1VSLOPEFORSOILLIFTS
2.MAXIMUMLIFTTHICKNESS12",MINIMUM,6". 3.KEY-INANDOVERLAPLIFTSAMINIMUMOF1'.
4.EACHSOILLIFTWILLBESECURELYSTAKEDANDKEYEDINTOTHEEXISTINGBANK. 5.WOODENSTAKESSHALLBEDESIGNEDTOSAFELYANDEFFECTIVELYSECUREEROSIONCONTROLBLANKETS,COIR LOGS,FASCINES,ANDOTHERBIOENGINEEREDSTRUCTURESFORTEMPORARYORPERMANENTAPPLICATIONS.
6.SOILLIFTFILLMATERIALSHALLBETOPSOILOR50PERCENTMIXOFTOPSOILANDSUITABLESOILMATERIALAS DETERMINEDBYTHEDESIGNENGINEER.ALLFILLMATERIALSHALLBEFREEOFROOTS,STICKS,ROCKS,BRUSH,LITTER ANDOTHEROBJECTIONABLEMATERIAL..
CONSTRUCTIONGUIDELINES:
1.INSTALLSUBGRADEGRADINGANDBOULDERTOETOFINISHEDELEVATIONS,REMOVINGROOTS, TWIGS,ANDOTHERDEBRISWHICHWOULDPREVENTTHEMATTINGFROMBEINGLAIDFLUSHTO THEFINISHEDSURFACE.
2.PLACEEROSIONCONTROLBLANKETONTOPOFTHESUBGRADE/BOULDERTOEPERPENDICULARTO THEDIRECTIONOFSTREAMFLOW.RETAINASUITABLELENGTHOFEROSIONCONTROLBLANKETTO CONTINUEMATTINGUPTHESLOPE.INSTALLTHEEROSIONCONTROLBLANKETSUCHTHATTHE UPSTREAMSIDEWILLBEONTOPANDWILLOVERLAPTHEDOWNSTREAMSIDEBYATLEASTONE FOOTASNECESSARYTOCOVERTHELONGITUDINALLENGTHREQUIRED.
3.PLACESALVAGEDAND/ORFURNISHEDTOPSOILUPONEROSIONCONTROLBLANKETTO APPROPRIATEGRADEELEVATIONANDBANKSLOPE.PLACESELECTFILLTOAVERTICALDEPTHOF12 INCHESANDMINIMUMOFFEETINLENGTH.TAMPSOILFIRMLY.
4.APPLYPERMANENTSEEDTOTOPSOILINACCORDANCEWITHPLANTINGSCHEDULES,SEEDMIXES, ANDPLANTINGASDESIGNEDANDASSPECIFIED.SEEDMIXTURETOBEAPPLIEDTOFRONTPORTION OFLIFTTHATWILLBELEFTEXPOSED.
5.ENCAPSULATETHETOPSOILWITHUNBURIEDLENGTHOFEROSIONCONTROLBLANKETTOCOVER THELIFT.FASTENEROSIONCONTROLBLANKETWITHWOODENSTAKES.HANDLETHEFABRICAND SOILMATERIALSINAMANNERTHATDOESNOTDAMAGETHEMATTINGORDEPOSITSOIL MATERIALINTHESTREAMCHANNEL.REPAIRSANDFABRICREPLACEMENTARETHERESPONSIBILITY OFTHECONTRACTOR.
6.AFTERSOILLIFTISCOMPLETED,THELIVECUTTINGSSHALLBECRISS-CROSSEDONTOPOFTHELIFT ATTO12BRANCHESPERLINEARFOOTALONGTHESTREAMBANK.THEBASALENDOFTHE BRANCHESSHOULDEXTENDATLEAST1FOOTPASTTHEBACKOFTHESOILLIFT,AGAINSTTHEBACK OFTHEEXCAVATION.NOMORETHANINCHESOFTHEBUDDINGENDOFTHELIVEBRANCH SHOULDEXTENDPASTTHEFRONTORFINISHEDFACEOFTHESOILLIFT.ORIENTTHEBRANCHESSO THEEXPOSEDPORTIONSHAVETHEIRBUDSFACINGUPWARDSANDREMOVETHETERMINALBUD TOPROMOTEROOTANDSTEMDEVELOPMENT.
7.COVERTHELIVEBRANCHESWITHTOPSOILTOCREATEANEVENSURFACEFORTHECONSTRUCTION OFTHENEXTLIFT.
8.REPEATTOFORMUNTILAMINIMUMSOILLIFTSHAVEBEENCREATEDATASLOPENOSTEEPER THAN2H:1V.
9.INSTALLLIVESTAKESINFINISHEDSLOPEAND/ORAPPROVEDPLANTINGPLAN.
SEESHEETEC-2FORSTREAMBANK RESTORATIONEROSIONCONTROL

SEESHEETEC-4FORSTREAMBANK RESTORATIONEROSIONCONTROL PLANS

SEESHEETEC-3AFORSTREAMBANK RESTORATIONEROSIONCONTROL

SEESHEETEC-3BFORSTREAMBANK RESTORATIONEROSIONCONTROL




1.AREASNOTEDASLIVESTAKESWITHINTHEPLANTINGZONESHALLBEPLANTEDWITHSILKYDOGWOOD(CORNUSAMOMUM),SILKY WILLOW(SALIXSERICEA),ANDBLACKWILLOW(SALIXNIGRA).
2.ONELIVESTAKESPECIESPERLIVESTAKEAREA.ALTERNATESPECIESPERLIVESTAKEAREA.
3.ALLLIVESTAKESSHALLBEDORMANTATTIMEOFACQUISITIONANDPLANTING.
4.LIVESTAKESSHALLBE1/2-2”INDIAMETER.LIVESTAKESSHALLALSOBE24FEETINLENGTH.
5.DURINGPREPARATION,THEBASALENDSOFTHELIVESTAKESSHALLBECLEANLYCUTATANANGLETOFACILITATEEASYINSERTIONINTO THESOIL,WHILETHETOPSSHALLBECUTSQUAREORBLUNTFORTAMPING.ALLLIMBSSHALLBEREMOVEDFROMTHESIDESOFTHELIVE CUTTINGPRIORTOINSTALLATION.
6.CUTTINGSFORLIVESTAKESSHALLBEHARVESTEDINAMANNERSUCHTHATTHEYARECUT,IMMEDIATELYPUTINTOWATERTOBESOAKED FOR10DAYS,ANDTHENPLANTEDIMMEDIATELYAFTERTHE10DAYSARECOMPLETED.CUTTINGSSHALLREMAINWETUNTILTHEYARE PLANTED.OUTSIDESTORAGELOCATIONSSHOULDBECONTINUALLYSHADEDANDPROTECTEDFROMWINDANDDIRECTSUNLIGHT.
7.LIVESTAKESSHALLBETAMPEDATANANGLEINTOTHEGROUNDSURFACEWITHADEADBLOWHAMMER,WITHBUDSORIENTEDINAN UPWARDDIRECTION.STAKESSHOULDBETAMPEDUNTILAPPROXIMATELY3/4OFTHESTAKELENGTHISWITHINTHEGROUND.ANY STAKESTHATARESPLITORDAMAGEDDURINGINSTALLATIONSHALLBEREMOVEDANDREPLACED. 8.THEAREAAROUNDEACHLIVESTAKESHALLBECOMPACTEDBYFOOTAFTERTHELIVESTAKEHASBEENINSTALLED.
GENERALNOTES:
1.ALLNEUSEBUFFERAREASWITHINTHELIMITSOFDISTURBANCETOBESEEDEDTOSPECIFICATIONSONTHISSHEET UNLESSOTHERWISENOTED.
2.ALLAREASOUTSIDEOFTHELIMITSOFDISTURBANCETOREMAININTHEIRNATURALCONDITION.
SEQUENCEOFPLANTINGEVENTS:
THECONTRACTORISRESPONSIBLEFORTHEFOLLOWINGGENERALSEQUENCEOFCONSTRUCTION:
1.SETUPSTAGINGAREASANDACCESSROADS.INSTALLCONSTRUCTIONENTRANCES,SILTFENCE,ANDSILTFENCE OUTLETS(ASREQUIRED).SEEEROSIONANDSEDIMENTCONTROLPLANDETAILSFORADDITIONALINSTRUCTIONS.
2.CONTRACTORTOSTOCKPILEANDSTAGEMATERIALSONLYATTHELOCATIONSSHOWNONTHEPLANSUNLESS OTHERWISEAPPROVEDBYTHEDESIGNER.NOWASTESTOCKPILINGISALLOWED.ALLWASTEMATERIALSMUSTBE REMOVEDFROMTHEFLOODPLAINANDTHEPROJECTSITE.
3.PREPAREPLANTINGAREASASNEEDED.APPLYTEMPORARYORPERMANENTSEED.SEEPLANTINGNOTESANDSEEDING NOTESTHISSHEETFORADDITIONALINSTRUCTIONS.
4.PLANTSITEACCORDINGTOTHEPLANTINGSPECIFICATIONS.
5.INSEEDEDAREAS,TOLIMITEROSIONPOTENTIAL,THECONTRACTORSHALLLIMITSUB-GRADEANDFINISHGRADE PREPARATIONTOAREASTHATWILLBEPLANTEDIMMEDIATELY.PREPAREDAREASSHALLBEMOISTENEDPRIORTO SEEDINGWHENTHESOILISDRY,BUTCARESHALLBETAKENTONOTCREATEMUDDYCONDITIONS.
6.COMPLETEALLFINALSITEWORKNECESSARYTOCOMPLETETHEPROJECT.
PLANTINGNOTES:
1.THEPLANTINGSTOCKSHALLBEGROWNWITHINTHEPIEDMONTREGIONBYNURSERIESWITHIN200MILESOFTHE PROJECTSITE.THESEEDSOURCESFORTHEPLANTMATERIALSHALLALSOBEFROMTHEPIEDMONTREGIONANDSHALL
2.THECONTRACTOR(I.E.PLANTINGSUPERVISOR)INSTALLINGTHEVEGETATIONSHALLHAVEONEOFTHEFOLLOWING QUALIFICATIONS/CERTIFICATIONS:CERTIFIEDLANDSCAPETECHNICIAN,CERTIFIEDPLANTPROFESSIONAL,REGISTERED FORESTER,REGISTEREDLANDSCAPECONTRACTOR,ORCERTIFIEDNURSERYMEN.
3.THECONTRACTOR(I.E.PLANTINGSUPERVISOR)WILLBERESPONSIBLEFORMANAGINGALLACTIVITIESINVOLVING PERMANENTPLANTING,INCLUDINGBUTNOTLIMITEDTOTHEFOLLOWING:SITEPREPARATIONFORPLANTING,SEEDLING HANDLINGANDSTORAGE,PLANTINGOPERATIONS,QUALITYCONTROLINSPECTIONS,ANDMANAGINGPLANT COMPETITION.
4.THEPLANTINGPERIODFORTHISPROJECTSHALLOCCURINTHEFALLORWINTER(IFTHEGROUNDISNOTFROZEN). PLEASENOTEPLANTINGSHALLNOTTAKEPLACEIFANYOFTHEFOLLOWINGOCCUR:(1)THETEMPERATUREISBELOW 32°F,(2)THESOILTOBEEXCAVATEDFORTHEPLANTHOLEISFROZEN,OR(3)THESOILTOBEUSEDFORBACKFILLINGIS FROZENORTOOWET.
5.FORALLPLANTEDMATERIAL(BAREROOTCONTAINERIZEDSEEDLINGS,LIVESTAKESANDPERMANENTSEEDING)THE CONTRACTORSHALLBERESPONSIBLEFORMAINTAINING(I.E.AWARRANTY)AN80%SURVIVALRATEFORTHEDURATION OFTHEFIRSTYEARMONITORINGPERIOD.ANYCOSTSASSOCIATEDWITHREPLACINGPERMANENTPLANTINGSTHATDO NOTSURVIVETHEFIRSTYEARSHALLBETHERESPONSIBILITYOFTHECONTRACTOR.PLEASENOTETHEONE-YEAR MONITORINGPERIODBEGINSUPONACCEPTANCEOFTHEPERMANENTPLANTINGSBYTHEDESIGNER.ATTHEENDOF THEFIRSTYEARMONITORINGPERIOD,ANON-SITEINSPECTIONWILLBECONDUCTEDBETWEENTHECONTRACTORAND DESIGNER.ATTHATTIME,THECONTRACTORWILLBEDIRECTEDACCORDINGLYONREPLACEMENTOFANYNECESSARY PLANTINGS.
6.THEONE-YEARWARRANTYSHALLINCLUDEMORTALITYANDPOORGROWTHDEFECTS,BUTSHALLNOTINCLUDEDEFECTS RESULTINGFROMABUSEBYOTHERPARTIESANDABNORMALWEATHERCONDITIONS.PLEASENOTETHE80%SURVIVAL RATEISAMINIMUMSTANDARDANDTHECONTRACTORMAYPROVIDEADDITIONALMEASURESTHEYDETERMINEWILL BEBENEFICIALTOPLANTSURVIVABILITY.ANYADDITIONALMEASURESWILLBECONSIDEREDPARTOFTHE80%SURVIVAL CLAUSEANDWILLNOTCONSTITUTEACHANGEORDER.THISMAYINCLUDE,BUTISNOTLIMITEDTO,SOILAMENDMENTS, IRRIGATION,ANDMULCH.
7.ATTHECONTRACTOR'SDISCRETION,THEPROPAGATIONMETHODLISTEDFOREACHPLANTMAYBEALTEREDIFITIS LIKELYTOIMPROVESURVIVABILITY.THISWILLBESOLELYATTHECONTRACTOR'SDISCRETIONANDWILLTHEREFORENOT BECONSIDEREDACHANGEORDER.ALSO,NOCHANGEINTHEPLANTINGDENSITYWILLBEGIVEN.
8.THECORRECTSPACINGOFVEGETATIONWITHINTHEPLANTINGZONESHOULDBECHECKEDBYTHEPLANTING SUPERVISORONAREGULARBASIS.
PLANTDISTRIBUTIONNOTES:
1.PLANTSPACINGSHALLBEBASEDONA2’X2’GRID.THISSPACINGREFERSTOPLANTINGTHEPLANTSEACH2FEETAPART FROMEACHOTHERINALLDIRECTIONS.THISSPACINGDOESNOTRELATETOPLANTINGDISTANCEATTHEZONE BOUNDARY.
2.PLANTDISTRIBUTIONSHALLBERANDOMANDISDEFINEDASFOLLOWS:RANDOMDISTRIBUTIONTAKEALLPLANTSAND MIXTHEPLANTSSOTHATTHEYAREALLPLANTEDRANDOMLY.IFDONEPROPERLY,SOMETIMESTWOORMOREOFTHE SAMESPECIESWILLBEPLANTEDADJACENTTOEACHOTHERANDOTHERTIMESTHEREMAYONLYBEONEPLANTOFA SPECIESCOMPLETELYSURROUNDEDBYONEORMOREOTHERSPECIES.THEPLANTINGCONTRACTORSHALLALSO RANDOMLYDISTRIBUTECONTAINERIZEDANDBAREROOTTUBLINGPLANTINGS.INGENERAL,50%OFEACHPLANTING ZONESHALLBECONTAINERIZEDPLANTINGSAND50%SHALLBEBAREROOTTUBLINGPLANTINGS.
3.THEFIRSTPLANTINGROWSHOULDBEGIN½OFTHEPLANTINGDISTANCEINFROMTHEOUTEREDGEOFTHEPLANTING ZONE.THEENTIREZONESHALLBEPLANTEDFULLYATTHEDESIGNATEDSPACING.THEPLANTINGZONEISTOBE PLANTEDTOWITHIN½THEDESIGNATEDPLANTSPACINGDISTANCEFROMANYEDGEOFTHEZONE.INALLCASES, PLANTSSHALLBEPLANTEDUNTILPLANTSAREPLACEDTOWITHINAMAXIMUMOFOFTHEPLANTSPACINGDISTANCE FROMTHEEDGEOFTHEPLANTINGZONE.
4.THECORRECTSPACINGOFVEGETATIONWITHINTHEPLANTINGZONESHOULDBECHECKEDBYTHEPLANTING SUPERVISORONAREGULARBASISDURINGPLANTING.DOCUMENTATIONOFEACHINSPECTIONSHALLBEKEPTBYTHE SUPERVISORANDSHALLBEMADEAVAILABLEFORINSPECTIONUPONREQUEST.PLEASENOTEANYCOSTSASSOCIATED WITHCHECKINGTHEPLANTSPACINGDOCUMENTATIONARETHERESPONSIBILITYOFTHECONTRACTOR.
GRADINGANDSOILPREPARATIONNOTES:
1.THETOPSOILMUSTBESTOCKPILED.
2.ANYAREASONTHESITETHATARECOMPACTEDDURINGTHECONSTRUCTIONPROCESS,MUSTBEDEEPTILLEDTO ENSURETHATTHEROOTGROWTHOFTHEPLANTSWILLNOTBEIMPEDEDBYCOMPACTEDSOIL.THISDOESNOTINCLUDE ANYAREASTHATAREPURPOSEFULLYCOMPACTEDINTHESUBSOILTOPREVENTTHEDOWNWARDMOVEMENTOF WATER.
3.ALLTOPSOILSHALLBESTOCKPILEDSEPARATELYFROMANYSUBSOILMATERIAL.
4.ANYAREATHATHASFILLAPPLIEDTOITORANYAREAEXCAVATEDTOTHESUBSOILMUSTBETOPDRESSEDWITHAT LEAST4INCHESOFSTOCKPILEDTOPSOIL.BEFORETHEAPPLICATIONOFTOPSOIL,THE
5.SURFACEMUSTBETILLEDTOENSUREGOODINTERACTIONBETWEENTHETOPSOILANDTHESUBSOIL.
6.UPONCOMPLETIONOFFINALGRADING,THEPLANTINGSUPERVISORSHALLCONDUCTASITEASSESSMENTTO DETERMINEIFTHESOILISAPPROPRIATELYPREPAREDFORPLANTING.IFANYPROBLEMSEXIST,THEYSHALLBENOTED ANDCORRECTEDBEFOREPLANTINGMAYCOMMENCE.
7.TOPROMOTEPROPERGROWTH,THECONTRACTORSHALLDEEPLYTILLANDSCARIFYTHEPLANTINGZONESTOENSURE THATTHEROOTGROWTHOFTHEPLANTSWILLNOTBEIMPEDEDBYCOMPACTEDSOIL.ANYSUB-SURFACEHARDPANS WITHINTHEPLANTINGZONESHALLBEELIMINATED.RIPPING,DISKING,ORRAKINGSHALLBEPERFORMEDINALLAREAS TOBESEEDEDTOAMINIMUMDEPTHOF3INCHESTO4INCHES.
8.INSEEDEDAREAS,TOLIMITEROSIONPOTENTIAL,THECONTRACTORSHALLLIMITSUB-GRADEANDFINISHGRADE PREPARATIONTOAREASTHATWILLBEPLANTEDIMMEDIATELY.PREPAREDAREASSHALLBEMOISTENEDPRIORTO SEEDINGWHENTHESOILISDRY,BUTCARESHALLBETAKENTONOTCREATEMUDDYCONDITIONS.
9.UPONCOMPLETIONOFFINALGRADING,THEPLANTINGSUPERVISORSHALLCONDUCTASITEASSESSMENTTO DETERMINEIFTHESOILISAPPROPRIATELYPREPAREDFORPLANTING.IFANYPROBLEMSEXIST,THEYSHALLBENOTED ANDCORRECTEDBEFOREPLANTINGMAYCOMMENCE.
SEEDBEDPREPARATION
1.APPLYLIMEACCORDINGTOSOILTESTRECOMMENDATIONS.SOILSWITHAPHOF6ORHIGHERNEEDNOTBELIMED.IF RECENTTILLAGEOPERATIONSHAVERESULTEDINALOOSESURFACE,ADDITIONALROUGHENINGMAYNOTBEREQUIRED EXCEPTTOBREAKUPLARGECLODS.IFRAINFALLCAUSESTHESURFACETOBECOMESEALEDORCRUSTED,LOOSENIT JUSTPRIORTOSEEDINGBYDISKING,RAKING,HARROWING,OROTHERSUITABLEMETHODS.
SEEDBEDPREPARATIONWITHINLIMITSOFDISTURBANCEAREASONLY
1.CHISELCOMPACTEDAREASANDSPREADTOPSOIL3INCHESDEEPOVERADVERSESOILCONDITIONS,IFAVAILABLE.
2.RIPTHEENTIREAREATO6INCHESDEPTH.
3.REMOVEALLLOSEROCK,ROOTS,ANDOTHEROBSTRUCTIONSLEAVINGSURFACEREASONABLYSMOOTHAND UNIFORM.
4.PERONETIMEONLY,APPLYLIMEUNIFORMLYANDMIXWITHSOIL.
5.CONTINUETILLAGEUNTILAWELL-PULVERIZED,FIRM,REASONABLYUNIFORMSEEDBEDISPREPARED4TO6INCHES DEEP.
6.SEEDONFRESHLYPREPAREDSEEDBEDANDCOVER.
7.MULCHIMMEDIATELYAFTERSEEDINGANDANCHORMULCH.
8.INSPECTALLSEEDEDAREASANDMAKENECESSARYREPAIRSORRESEEDINGSWITHINTHEPLANTINGSEASON,IF POSSIBLE.
9.CONSULTINSPECTORONMAINTENANCETREATMENTAFTERPERMANENTCOVERISESTABLISHED.
PLANTINGINSTRUCTIONS:
PLANTINGTECHNIQUES:
1.ENSURETHATROOTS,ONCEREMOVEDFROMPOT,ARESTRAIGHTENEDANDFACEDOWNWARD.
2.CREATEPLANTINGAREAFOREACHPLANTANDEXCAVATEPIT.
3.PLACEPLANTSINPITINSURINGROOTSAREFACINGCOMPLETELYDOWNWARD.
4.HEELINSOILAROUNDPLANTANDPROCEEDTONEXTPLANTINGLOCATION.
5.NEWLYPLANTEDPLANTSNEEDTOBEFASTENEDTOTHESUBSTRATEFORTHEESTABLISHMENTOFNEWROOTS
6.ROOTSSHALLBESPREADINTHEIRNORMALPOSITION.ALLBROKENORFRAYEDROOTSSHALLBECUTOFFCLEANLY.
7.THEDIAMETEROFTHEPITSFORALLVEGETATIVESTOCKSHALLBEATLEASTTHREETIMESTHEDIAMETEROFTHEROOTMASS.PLANTPIT WALLSHALLBESCARIFIEDPRIORINSTALLATION.
8.SETTHEPLANTSUPRIGHT,INTHECENTEROFTHEPIT.THEBOTTOMOFTHEROOTMASSSHOULDBERESTINGONUNDISTURBEDSOIL.
9.PLACETHEBACKFILLAROUNDTHEBASEANDSIDESOFTHEMASS,ANDWORKEACHLAYERTOSETTLEBACKFILLANDTOELIMINATEVOIDS ANDAIRPOCKETS.WHENPITISAPPROXIMATELYFULL,WATERTHOROUGHLYBEFOREPLACINGREMAINDEROFTHEBACKFILL.WATER AGAINAFTERPLACINGFINALLAYEROFBACKFILL.
10.BROKENORDAMAGEDPARTSWILLBECUTBACKTOUNDAMAGEDTISSUE,LEAVINGASMUCHGREENBASALTISSUEASPOSSIBLEABOVE THEROOTS.IFMORETHANFIFTYPERCENT(50%)OFTHEPLANTISDAMAGEDTHENCONTRACTORSHALLREPLACETHEPLANT.
PLANTLOCATIONS:
1.NEWPLANTINGSSHALLBELOCATEDWHERESHOWNONPLANEXCEPTWHERECHANGESHAVEBEENAPPROVEDINPROPOSED CONSTRUCTION.
2.PLANTSPACINGSHALLFOLLOWREQUIREMENTSNOTEDWITHINPLANTDISTRIBUTIONNOTESLISTEDONTHISSHEET.
3.NECESSARYADJUSTMENTSSHALLBEMADEONLYAFTERAPPROVALBYTHEOWNERORTHEOWNER'SREPRESENTATIVE.
WATER:
WATERSHALLBEPOTABLEANDSHALLNOTCONTAINELEMENTSTOXICTOPLANTLIFE.
TEMPORARYSEEDINGSCHEDULE:
TEMPORARYSEEDINGSHALLBEAPPLIEDASNEEDEDDURINGCONSTRUCTIONTOSTABILIZEBAREORDISTURBEDAREASOFSOILANDAT THECOMPLETIONORALLGRADINGANDEARTHWORKACTIVITIESWITHINAPARTICULARAREAOFTHESITE.PERMANENTSEEDMAYBE DISTRIBUTEDWITHTEMPORARYSEEDUPONTHEFINALAPPLICATIONOFTEMPORARYSEED.
SEEDINGDATE SEEDINGMIXTURE APPLICATIONRATE
SEEDINGMETHODS
1.EVENLYAPPLYSEEDUSINGACYCLONESEEDER,DRILL,CULTIPACKERSEEDER,ORHYDROSEEDER.THISMUSTBEDONEWITHIN48 HOURSOFLANDDISTURBINGACTIVITIES.
2.MULCHWITHCLEANWHEATSTRAW.
3.AFTERSEEDING,APPLYMULCHTOAREASUNDERHARSHCONDITIONSSUCHASAREASTHATHAVEBEENGRADED,ORTHOSEWHICH WILLRECEIVECONCENTRATEDFLOWS.AREASCONSIDEREDTOBEUNDERHARSHCONDITIONSWILLBECONSIDEREDTHEAREAS GRADEDFORTHEWETLANDVALLEY.
4.RESEEDANDMULCHAREASWHERESEEDLINGEMERGENCEISLESSTHAN80%COVERAGE,ORWHEREEROSIONOCCURS,ASSOON ASPOSSIBLE.DONOTMOW.PROTECTFROMTRAFFICASMUCHASPOSSIBLE.
NOTES
1.TEMPORARYANNUALSEEDSELECTIONSHOULDBEBASEDONSEASONOFPROJECTINSTALLATION.
2.ASINGLESPECIESFORTEMPORARYCOVERISACCEPTABLE
3.INSOMECASESWHERESEASONSOVERLAP,AMIXTUREOFTWOORMORESPECIESMAYBENECESSARY.HOWEVER,APPLICATION RATESSHOULDNOTEXCEEDTHETOTALRECOMMENDEDRATEPERACRE.
4.TEMPORARYSEEDSHOULDBEMIXEDANDAPPLIEDSIMULTANEOUSLYWITHTHEPERMANENTSEEDMIXIFOPTIMALPLANTING DATESALLOW.
PERMANENTSEEDINGSCHEDULE:
PLANTMATERIALSELECTION
1.REFERTOTABLE6.24CONTHISSHEETFORAPPROPRIATESELECTIONSOFNATIVEPERMANENTSEEDS.
2.PERMANENTSEEDINCLUSIONINTHEMIXTURESHOULDTOTAL15LBSOFPURELIVESEED(PLS)PERACREDRILLEDOR15-20LBS pls/ACBROADCASTAPPLIED.
3.ATLEAST4SPECIESSHOULDBESELECTEDFORTHEMIXTUREINCLUDINGONESPECIESFROMEACHTYPE(WARMSEASON,COLD SEASON,WETLAND).SELECTIONOFMORETHAN4SPECIESISRECOMMENDEDFORINCREASINGCHANCESOFSUCCESSFUL VEGETATIONESTABLISHMENT.
4.IFOTHERSPECIESSUCHASWILDFLOWERSAREADDEDTOTHEMIX,THEYSHOULDNOTBECOUNTEDINTHEMINIMUMSEEDING RATEFORGRASSES.
SEEDBEDPREPARATION
1.DISTURBEDSOILSWITHINRIPARIANAREASMUSTBEAMENDEDTOPROVIDEANOPTIMUMENVIRONMENTFORSEED GERMINATIONANDSEEDLINGGROWTH.
2.THEpHOFTHESOILMUSTBESUCHTHATITISNOTTOXICANDNUTRIENTSAREAVAILABLE. 3.SOILANALYSISSHOULDBEPERFORMEDTODETERMINENUTRIENTANDLIMENEEDSOFEACHSITE.
4.APPROPRIATEpHLEVELSAREBETWEEN5.57.
5.RIPARIANBUFFERSREGULATEDFORNUTRIENTMANAGEMENTMAYBELIMITEDTOASINGLEAPPLICATIONOFFERTILIZER.
6.SUITABLEMECHANICALMEANSSUCHASDISKING,RAKING,ORHARROWINGMUSTBEEMPLOYEDTOLOOSENCOMPACTEDSOIL PRIORTOSEEDING.
PLANTING
1.APPLYSEEDUNIFORMLYWITHACYCLONESEEDER,DROP-TYPESPREADER,DRILL,ORHYDROSEEDERONAFIRM,FRIABLESEEDBED. 2.INFINESOILS,SEEDSSHOULDBEDRILLED0.250.5INCHES.INCOARSESANDYSOILS,SEEDSSHOULDBEPLANTEDNODEEPERTHAN 0.75INCHES.
MULCH
1.MULCHALLPLANTINGSIMMEDIATELYAFTERSEEDING.
2.IFPLANTINGONSTREAMBANKSSTEEPERTHAN10%ORAREASSUBJECTTOFLOODING,ABIODEGRADABLEROLLEDEROSION CONTROLPRODUCTISRECOMMENDEDTOHOLDSEEDANDSOILINPLACE.
MAINTENANCE
1.THERECOMMENDEDPERMANENTGRASSSPECIESMAYREQUIRETWOYEARSFORESTABLISHMENT,DEPENDINGONSITE CONDITIONS.
2.INSPECTSEEDEDAREASFORFAILUREANDMAKENECESSARYREPAIRS,SOILAMENDMENTS,ANDRE-SEEDINGS.
3.IFWEEDYEXOTICSPECIESHAVETAKENOVERTHEAREASAFTERTHEFIRSTGROWINGSEASON,THEINVASIVESPECIESMUSTBE ERADICATEDTOALLOWNATIVESPECIESTOGROW.
4.MONITORTHESITEUNTILLONG-TERMSTABILITYHASBEENESTABLISHED.





Note:InvertElevationsindicatedareforBidPurposesonlyandshallnotbeusedforprojectconstructionstakeout.See"StandardSpecificationsforRoadsandStructures,Section300-5".


CurveTable:Alignment-L-
EXISTING80FTCORPUE (FROMGIS)
EXISTINGSEWERLINE (FROMGIS) (TYP.) 40'CORPUE(FROMGIS)
BEGINPROJECT -L1-STA.12+80.00 BEGIN10'ASPHALTGREENWAY MATCHEXISTINGASPHALT ENDAPPROACHSLAB BEGINBOARDWALK1 L114+60.00 SEESTRUCTURESSHEETS
PT:13+57.63
PERMANENTSAFETYRAIL SEESHEET2B-3FORDETAIL


EXISTINGGREENWAYEASEMENT
INSTALLREMOVABLESAFETY RAILALONGTOPOFHEADWALLS SEESHEET2B-4FORDETAIL
STREAMBANKSTABLIZATION SEESHEET2C-1
DRAINAGEAREA =150.2
DESIGNFREQUENCY =25
DESIGNDISCHARGE =275.4
DESIGNHWELEVATION=210.1
100-YEARDISCHARGE =320.5
100-YEARHWELEVATION=210.7
OVERTOPPINGFREQUENCY=500
OVERTOPPINGDISCHARGE=364.0
OVERTOPPINGELEVATION=211.4

HERTFORD

BEGIN2'-6"CURBANDGUTTER -L1-STA.15+53.85

FLOODWAY(TYP.)
INSTALLSAFETYRAIL ALONGEXTENTSOFRET.WALL
TIESAFETYRAILINTO BOARDWALKHANDRAIL

PROPOSEDCOLLAPSIBLEBOLLARD SEESHEET2B-3FORDETAIL
PROPOSEDGRADEAT
INSTALLSAFETYRAIL ALONGEXTENTSOFRET.WALL
CurveTable:Alignment-L-
HERTFORDSTREET

FORWALLENVELOPESEESHEETW-4,FORWALLPLANSEESHEETW-5



LASSITERFALLSCIRCLE
CurveTable:Alignment-L4-
CIPTRENCHDRAINWITHGRATEAT BRIDGESCUPPERHOLES SEEDETAILS09AND10SHEET2B-5
DEMOEXISTINGSIDEWALKANDCURBANDGUTTER





PROPOSEDCURBRAMP SEESHEET2B-6FORDETAIL

PROPOSEDSIDEWALK

CIPTRENCHDRAINWITHGRATEAT BRIDGESCUPPERHOLES SEEDETAILS09AND10SHEET2B-5


MATCHLINEL4-STA46+70-SEESHEET8



FLOODWAY(TYP.)
BUNCOMBESTREET
MATCHEXISTINGTRAILALIGNMENT&GRADE
CRABTREECREEK

ALLEGHANYDRIVE
BEGINTRAILRE-PAVING -L5-STA.500+00.00 TIETOEXISTINGEOP
CRABTREECREEK























GENERALNOTES
CHANGESMAYBEREQUIREDWHENPHYSICALDIMENSIONSINTHEDETAILDRAWINGS,STANDARDDETAILS,ANDROADWAYDETAILSARENOTATTAINABLETOMEETFIELDCONDITIONS ORRESULTINDUPLICATEORUNDESIREDOVERLAPPINGOFDEVICES.MODIFICATIONMAYINCLUDE:MOVING,SUPPLEMENTING,COVERING,ORREMOVALOFDEVICESASDIRECTEDBY THEENGINEER.
THEFOLLOWINGGENERALNOTESAPPLYATALLTIMESFORTHEDURATIONOFTHECONSTRUCTIONPROJECTEXCEPTWHENOTHERWISENOTEDINTHEPLANORDIRECTEDBYTHE ENGINEER.
TIMERESTRICTIONS
A)DONOTCLOSEORNARROWTRAVELLANESASFOLLOWS:
ROADNAMES DAYANDTIMERESTRICTIONS
LASSITERMILLROAD, MONDAY-FRIDAY SATURDAY SUNDAY LASSITERFALLSCIRCLE,AND 6:00AM-9:00AM4:00PM-12:00AMNOWORK HERTFORDSTREET 4:00PM-7:00PM
B)SEEINTERMEDIATECONTRACTTIMEFORTIMERESTRICTIONSCONCERNINGHOLIDAYS,HOLIDAYWEEKENDS,SPECIALEVENTS,ORANYOTHERTIMEWHENTRAFFICISUNUSUALLY HEAVY.
LANEANDSHOULDERCLOSUREREQUIREMENTS
C)REMOVELANECLOSUREDEVICESFROMTHELANEWHENWORKISNOTBEINGPERFORMEDBEHINDTHELANECLOSUREORWHENALANECLOSUREISNOLONGERNEEDEDORAS DIRECTEDBYTHEENGINEER.
D)WHENPERSONNELAND/OREQUIPMENTAREWITHIN15FTOFANOPENTRAVELLANE,CLOSETHENEARESTOPENSHOULDERUSINGROADWAYSTD.DRAWINGNO.1101.04UNLESSTHE WORKAREAISPROTECTEDBYBARRIERORGUARDRAILORALANECLOSUREISINSTALLED.
E)WHENPERSONNELAND/OREQUIPMENTAREWORKINGONTHESHOULDERADJACENTTOANUNDIVIDEDFACILITYANDWITHIN5FTOFANOPENTRAVELLANE,CLOSETHENEARESTOPEN TRAVELLANEUSINGROADWAYSTD.DRAWINGNO.1101.02UNLESSTHEWORKAREAISPROTECTEDBYBARRIERORGUARDRAIL.
F)WHENPERSONNELAND/OREQUIPMENTAREWORKINGWITHINALANEOFTRAVELOFANUNDIVIDEDORDIVIDEDFACILITY,CLOSETHELANEACCORDINGTOTHETRAFFICCONTROL PLANS,ROADWAYSTD.DRAWINGS,ORASDIRECTEDBYTHEENGINEER.CONDUCTTHEWORKSOTHATALLPERSONNELAND/OREQUIPMENTREMAINWITHINTHECLOSEDTRAVELLANE.
G)DONOTWORKSIMULTANEOUSLYWITHIN15FTONBOTHSIDESOFANOPENTRAVELWAY,RAMP,ORLOOPWITHINTHESAMELOCATIONUNLESSPROTECTEDWITHGUARDRAILOR BARRIER.
H)DONOTINSTALLMORETHANONELANECLOSUREINANYONEDIRECTIONONLASSITERMILLROAD,LASSITERFALLSCIRCLE,ANDHERTFORDSTREET.
I)MAINTAINTWOWAYTRAVELONLASSITERMILLROAD,LASSITERFALLSCIRCLE,ANDHERTFORDSTREETATALLTIMES.
PAVEMENTEDGEDROPOFFREQUIREMENTS
J)BACKFILLATA6:1SLOPEUPTOTHEEDGEANDELEVATIONOFEXISTINGPAVEMENTINAREASADJACENTTOANOPENEDTRAVELLANETHATHASANEDGEOFPAVEMENTDROP-OFFAS FOLLOWS:
BACKFILLDROP-OFFSTHATEXCEED2INCHESONROADWAYWITHPOSTEDSPEEDLIMITSOF45MPHORGREATER.
BACKFILLDROP-OFFSTHATEXCEED3INCHESONROADWAYWITHPOSTEDSPEEDLIMITSLESSTHAN45MPH.
BACKFILLWITHSUITABLECOMPACTEDMATERIAL,ASAPPROVEDBYTHEENGINEER,ATNOEXPENSETOTHEDEPARTMENT.
K)DONOTEXCEEDADIFFERENCEOF2INCHESINELEVATIONBETWEENOPENLANESOFTRAFFICFORNOMINALLIFTSOF1.5INCHES.INSTALLADVANCEWARNING"UNEVENLANES"SIGNS (W8-11)200FTINADVANCEANDAMINIMUMOFEVERYHALFMILETHROUGHOUTTHEUNEVENAREA.
TRAFFICPATTERNALTERATIONS
L)CONTRACTORSHALLCONTACTTHEENGINEER,THECITYOFRALEIGH,ANDNCDOTTRAFFICOPERATIONSGROUP21DAYSPRIORTOWORKCOMMENCING.
M)THEDYNAMICMESSAGEBOARDSHALLBEINPLACETWOWEEKSPRIORTOCOMMENCINGWORKTONOTIFYTHETRAVELINGPUBLIC. SIGNING
N)INSTALLADVANCEWORKZONEWARNINGSIGNSWHENWORKISWITHIN40FTFROMTHEEDGEOFTRAVELANDNOMORETHAN3DAYSPRIORTOTHEBEGINNINGOFCONSTRUCTION.
O)ENSUREALLNECESSARYSIGNINGISINPLACEPRIORTOALTERINGANYTRAFFICPATTERN.
P)INSTALLBLACKONORANGE"DIP"SIGNS(W8-2)AND/OR"BUMP"SIGNS(W8-1)200FTINADVANCEOFTHEUNEVENAREA,ORASDIRECTEDBYTHEENGINEER. TRAFFICCONTROLDEVICES
Q)WHENLANECLOSURESARENOTINEFFECT,SPACECHANNELIZINGDEVICESINWORKAREASNOGREATERINFEETTHANTWICETHEPOSTEDSPEEDLIMIT(MPH)EXCEPT,10FT ON-CENTERINRADII,AND3FTOFFTHEEDGEOFANOPENTRAVELWAY.REFERTOSTD.SPECIFICATIONSFORROADSANDSTRUCTURESSECTIONS1130(DRUMS),1135(CONES)AND 1180(SKINNYDRUMS)FORADDITIONALREQUIREMENTS.
R)PLACEADDITIONALSETSOFTHREECHANNELIZINGDEVICES(SKINNYDRUMS)PERPENDICULARTOTHEEDGEOFTRAVELWAYON500FTCENTERSWHENUNOPENEDLANESARECLOSED TOTRAFFIC.
S)MAINTAINNOLESSTHAN1FTOFFSETFROMSIDEWALKTOTHEPORTABLEWATER-FILLEDBARRIERWHEREAMINIMUMOF2FTISNOTOBTAINABLE.
PAVEMENTMARKINGSANDMARKERS
T)INSTALLTEMPORARYPAVEMENTMARKINGSANDTEMPORARYPAVEMENTMARKERSONINTERIMLAYERSASFOLLOWS:
ROADNAME MARKING MARKER
LASSITERMILLROAD PAINT(IFNECESSARY) NONE
U)TIEPROPOSEDPAVEMENTMARKINGLINESTOEXISTINGPAVEMENTMARKINGLINES.
V)REMOVE/REPLACEANYCONFLICTING/DAMAGEDPAVEMENTMARKINGSANDMARKERSBYTHEENDOFEACHDAYSOPERATIONS.
W)TRACETHEPROPOSEDCONCRETEISLANDLOCATIONSWITHPROPERCOLORPAVEMENTMARKINGSPRIORTOINSTALLATION.PLACEDRUMSTODELINEATEANYPROPOSEDMONOLITHIC ISLANDSBEFOREINSTALLATION.
MISCELLANEOUS
X)LAWENFORCEMENTMAYBEUSEDTOMAINTAINTRAFFICTHROUGHTHEWORKAREAAND/ORINTERSECTIONSASDIRECTEDBYTHEENGINEER.
Y)ALLCURBRAMPLOCATIONSSHALLBEDERIVEDFROMSTATIONINGSHOWNONTHEPAVEMENTMARKINGPLANSORASDIRECTEDBYTHEENGINEER.
Z)CONTRACTORSHALLMAINTAINSIDEWALKACCESSATALLTIMESASSTATEDINTHEPHASING.CONTRACTORSHALLBERESPONSIBLETOPROVIDETEMPORARYSIDEWALKS(CONCRETE, ASPHALT,OROTHERSUITABLEMATERIALASAPPROVEDBYTHEENGINEER)ATALLLOCATIONSWHERETHEOPENPEDESTRIANTRAVELWAYHASBEENREMOVEDFORCONSTRUCTION OPERATIONS(UTILITIES,DRAINAGE,ETC.)
AA)MAINTAINACCESSTOBUSSTOPSATALLTIMES.

PHASINGNOTES
THECONTRACTORSHALLMAINTAINACCESSTOALLEXISTINGDRIVEWAYSANDSIDESTREETSASDIRECTEDBYTHEENGINEER. THECONTRACTORSHALLCOORDINATEWITHLOCALBUSINESSES48HOURSPRIORTOCOMMENCINGANYWORKTOPROVIDENOTIFICATION.
THECONTRACTORSHALLUSEFLAGGERCONTROLDURINGANYPHASEIFNECESSARYACCORDINGTORSD1101.02.
THECONTRACTORMUSTRETURNTRAFFICTOEXISTINGPATTERNATTHEENDOFEACHWORKDAYUNLESSOTHERWISENOTEDINTHEPHASINGBELOWORASDIRECTEDBYTHEENGINEER.
WORKINGINACONTINUOUSMANNER,COMPLETEALLCONSTRUCTIONWITHIN600DAYS.(SEEINTERMEDIATECONTRACTTIME#1ANDLIQUIDATEDDAMAGES) FORWORKOUTSIDEOFTHEROADWAYROWONTHEPARCELWESTOFLASSITERMILLROAD,(PIN1705454589)COMPLETEALLCONSTRUCTIONWITHIN180DAYS(SEEINTERMEDIATE CONTRACTTIME#3ANDLIQUIDATEDDAMAGES)
HERTFORDSTREETPHASE:
STEP1:INSTALLWORKZONEADVANCEDWARNINGSIGNSACCORDINGTOROADWAYSTANDARDDRAWINGNO.1101.01SHEET3OF3.
STEP2:INITIATEFLAGGERCONTROLFORSINGLELANEALONGHERTFORDSTADJACENTTOTHEWORKAREA.
STEP3:AWAYFROMTRAFFICANDBEHINDBARRELS,CONSTRUCTCURBANDGUTTER,SIDEWALK,ANDRETAININGWALLS.MAINTAINTWO-WAYTRAFFICANDACCESSTO RESIDENTIALDRIVEWAYSATALLTIMES.
STEP4:REMOVEALLFLAGGERS,SIGNING,ANDDEVICESANDOPENFORUSE.
LASSITERMILLROADPHASEI:
STEP1:INSTALLWORKZONEADVANCEDWARNINGSIGNSACCORDINGTOROADWAYSTANDARDDRAWINGNO.1101.01ANDASINDICATEDONPLANS.
STEP2:AWAYFROMTRAFFICANDBEHINDBARRELS,CONSTRUCTCURBANDGUTTER,CONCRETEMULTI-USEPATH,SIDEWALK,ANDCURBRAMPS.
STEP3:REMOVEALLSIGNINGANDDEVICESASSOCIATEDWITHLANESHIFTINGANDPREPAREFORPHASEII.WORKZONEADVANCEDWARNINGSIGNSPLACEDFROMROADWAY STANDARDDRAWINGNO.1101.01SHALLREMAIN.
LASSITERMILLROADPHASEII:
STEP1:ENSUREWORKZONEADVANCEDWARNINGSIGNSACCORDINGTOROADWAYSTANDARDDRAWINGNO.1101.01REMAINASPLACEDFROMPHASEI.
STEP2:USINGROADWAYSTANDARDDRAWINGNO.1101.02SHEET1OF14,ASNEEDED,INSTALLFINALPAVEMENTMARKINGS.
STEP3:REMOVEALLSIGNINGANDDEVICESANDOPENFORUSE.
ROADWAYSTANDARDDRAWINGS
THEFOLLOWINGROADWAYSTANDARDSASAPPEARIN"ROADWAYSTANDARDDRAWINGS"HIGHWAYDESIGNBRANCH-N.C.DEPARTMENTOFTRANSPORTATION-RALEIGH,N.C.,DATEDJANUARY,2024ARE APPLICABLETOTHISPROJECT ANDBYREFERENCEHEREBYARECONSIDEREDAPARTOFTHESEPLANS: STD.NO. TITLE DIVISION11WORKZONETRAFFICCONTROL 1101.01WorkZoneAdvancedWarningSignsforTwo-WayUndividedFacilities 1101.02TemporaryLaneClosures(2Lane,2-WayRoadway-1LaneClosed) 1101.04TemporaryShoulderClosures 1101.11TrafficControlDesignTables 1130.01Drum 1135.01Cones 1145.01Barricades 1150.01FlaggingDevices 1180.01SkinnyDrum
ADDITIONALNCDOTSTANDARDSNOTONTHELISTABOVEMAYBEREQUIREDASPERPLANDETAILSANDSPECIFICATIONS.
























LASSITERMILLROAD
MILLSTREAMPLACE

LASSITERMILLROADPHASEI



LASSITERMILLROAD


LASSITERMILLROAD






LASSITERMILLROAD





LASSITERMILLROAD

LASSITERFALLSCIRCLE









RALEIGH,WAKECOUNTY NORTHCAROLINA
BEGINOFPROJECT
INDEXOFSHEETS
SHEETNO. SHEETTITLE
EC-1 COVERSHEET


CRABTREECREEKGREENWAY-LASSITERMILL
TYPEOFWORK:
GRADING,PAVING,STRUCTURE,DRAINAGE, &EROSIONCONTROL
CITYOFRALEIGH#:SPR-0081-2025
TIP#BL-0027
WBS#49611.3.1
FEDERALAID#0520129
ENDOFPROJECT
VICINITYMAP
P:919-996-3762
M:984-274-8936
EMAIL:LEXI.YATES@RALEIGHNC.GOV
LENGTHOFBOARDWALK=0.09MILES
TOTALLENGTHOFPROJECT=0.41MILES
EC-2THRUEC-3NOTES,DETAILSANDCONSTRUCTIONSEQUENCE
EC-4 ECPHASE1PLANSHEET
EC-5THRUEC-12ECPHASE2PLANSHEETS
EC-13ECPHASE3PLANSHEET
MAINTENANCEPLAN:
QUALIFIEDPERSONNELSHALLEVALUATEALLTEMPORARYEROSIONAND SEDIMENTATIONCONTROLPRACTICESONADAILYBASISFORSTABILITYAND OPERATION.WEEKLYINSPECTIONSSHALLBEPERFORMEDANDWRITTENLOGSKEPT. ARAINGAUGESHALLALSOBEKEPTONSITEANDRAINFALLAMOUNTSRECORDED. ANYREQUIREDREPAIRSSHALLBEPERFORMEDIMMEDIATELYTOMAINTAINALL PRACTICESASDESIGNED.THECONTRACTORSHALLBERESPONSIBLEFORTHE MAINENANCEOFTEMPORARYON-SITEEROSIONANDSEDIMENTATIONCONTROL MEASURES.THECONTRACTORSHALLBERESPONSIBLEFORIMPLEMENTATINGAND FOLLOWINGTHEAPPROVEDSEDIMENTATIONANDEROSIONCONTROLPLAN.


DESIGNDATA
DESIGNSPEED=10MPH

GRAPHICSCALES






NC-GRID-(NAD83)
NC-GRID-(NAD83)













1.SHEETPILESSHOULDBEUSEDTOISOLATEWORKAREASFROMSTREAMFLOW.
2.SHEETPILEBARRIERSHALLNOTBEGREATERTHAN55%OFTHESTREAMBOTTOMWIDTH.
3.THECONTRACTORSHALLNOTDISTURBMOREAREATHANCANBESTABILIZEDINONEWORKINGDAY.
4.DEWATERINGPUMPMUSTBEDIVERTEDTHROUGHASEDIMENTFILTERBAG.
CONSTRUCTIONSEQUENCE
1.INSTALLBYPLACINGANDDRIVINGPILESWITHABACKHOE,EXCAVATOR,OROTHERSUITABLEEQUIPMENT.LABOR,MATERIALS,AND EQUIPMENTREQUIREDFORINSTALLATIONOFSHEETPILEISRESPONSIBILITYOFTHECONTRACTOR.
2.THEDIVERSIONSTRUCTURESHOULDBEINSTALLEDFROMUPSTREAMTODOWNSTREAM.
3.BESUREPILEISFREEOFDIRT,GREASE,ANDOTHERPOTENTIALCONTAMINANTSBEFOREINSTALLATION.
4.ENSURETHEPILESPENETRATETOASUFFICIENTDEPTHINORDERTOBEARTHELOADOFWATERBEINGDIVERTED.
5.OVERLAPORINTERLOCKPILESINAWAYTHATPREVENTSANYSEEPAGEOFWATERINTOTHEWORKAREAANDPREVENTSSEEPAGEOF SEDIMENTFROMTHEWORKAREAINTOTHESTREAM.
9.INSPECTSHEETPILESDAILYFORWATERLEAKSANDSIGNSOFINSTABILITYANDIMPLEMENTREPAIRPROCEDURESACCORDINGLY.
10.THELENGTHOFSTREAMDEWATEREDSHOULDBEDETERMINEDBYAREAENCOMPASSEDBYINSTALLEDSHEETPILETOCONDUCT CONSTRUCTIONACTIVITIES.
11.ADEWATERINGPUMPSHALLBEONSITEANDUSEDTODEWATERTHEWORKSITEASNECESSARY.WATERFROMTHEWORKSITESHALLBE DISCHARGEDTOASILTBAG(SEEDETAILONTHISSHEET).
12.COMPLETEIN-STREAMCONSTRUCTIONACTIVITIES.
13.REMOVETRAPPEDDEBRISANDSEDIMENTPRIORTOREMOVINGSHEETPILES.RESTORE/REPAIRIMPACTEDSTREAMAREAS.
14.ONCECONSTRUCTIONISCOMPLETED,CONTRACTORSHALLSTABILIZEWORKAREAANDREMOVESHEETPILE.






EXISTINGCREEKBED

3.USEMULTIPLELOGMATSWHERENECESSARYTO ACCOMMODATEEQUIPMENTWIDTH.
4.PLACELOGMATWITHINLIMITSOFDETWATERINGAREA TOMINIMIZECOMPACTIONANDMAINTAINTRACTION WITHINEXISTINGCREEKBED. MAINTENANCE
1.INSPECTLOGMATSDAILY. 2.CONTRACTORRESPONSIBLEFORENSURINGLOGMATSAREPLACEDTOPROVIDEADEQUATE SUPPORTFORMACHINERYANDPERSONEL.
3.CONTRACTORRESPONSIBLEFORREPLACINGOLDORDAMAGEDLOGMATSASNEEDED.
































GREENWAYRESURFACING-SEESHEETS EC-11ANDEC-12FORE&SCMEASURES

STREAMBANKSTABILIZATION-SEESHEET
EC-4FORE&SCMEASURES
PLACESILTFENCEABOVESOILLIFTS
AFTERCOMPLETIONOFSTREAMBANK
STABILIZATIONANDREMOVALOF ASSOCIATEDE&SCMEASURES
SILTFENCE(TYP.)
LIMITSOF DISTURBANCE(TYP.)
SILTFENCEOUTLETS ATLOWPOINTS(TYP.)
SAFETYRAIL (TYP.)


TEMPORARYSHEETPILEDIVERSION APPROXIMATELOCATION(TYP.) SEEDETAILSHEETEC-3B
SEDIMENTFILTERBAG SEEDETAILSHEETEC-3B DEWATERINGPUMP SEEDETAILSHEETEC-3B
DEMOEXIST. ASPHALT

SEEPLANANDPROFILESHEETSFOR GREENWAYPAVING,APPROACHSLAB, ANDBOARDWALKINFORMATION


PROPOSEDSIDEWALKAND
CURBANDGUTTER
EXTENSION-SEEPLAN ANDPROFILESHEETS
SEEDETAILSHEETEC-3B
LOCATEANDSECURE WATTLESALONGTOP OFEXISTINGROCK OUTCROPPING
DEMOEXISTING STRUCTURE
SILTFENCEATTOPOF BANKALONGBOARDWALK CONSTRUCTION
SILTFENCEWITHOUTLETSAT LOWPOINTSDOWNSLOPEOF RET.WALLCONSTRUCTION
FLOODWAY(TYP.)
DEMOEXISTING STAIRSANDRAMP LIMITSOF DISTURBANCE(TYP.)
100-YR FLOODPLAIN(TYP.)

PROPOSED RETAININGWALL

NEUSERIVERBUFFER ZONE1(TYP.)
NEUSERIVERBUFFER ZONE2(TYP.)
ENDPROPOSEDSIDEWALK CONSTRUCTION
PROPOSED RETAININGWALL
NOTE:SEEPLANANDPROFILESHEETS FORGREENWAYPAVING,APPROACH SLAB,ANDBOARDWALKINFORMATION
HERTFORDSTREET

NOLONGERINCLUDEDINPLANSET

Note:Allworkdownstreamofthedamwillbecompletedinthefollowingmannertoavoidimpactsto thestream:allerosioncontrolmeasuresasoutlinedintheplansandapprovedbyNCDEQshallbe installedbasedonthesequenceidentifiedintheerosioncontrolplans,andmeasuresshallbe installedbeforelanddisturbingactivitiescommence.
AllstormwaterpipessouthoftheLassiterMillDamhavebeensizedforthe25-yearstormperHQW ruleswithClass2ripraplinedpipeoutfallsincluded.Outfallsofstormpipeswillnotencroachonthe stream.Precautionswillbetakentoensurethatconstructiondoesnotdisturbthestreamorextend beyondthelimitsoftheerosioncontrolmeasures.
Thestreamsideoftheembankmentuponwhichthegreenwaybeneaththebridgewillbebuiltshall belinedwithripraptoensurelong-termstabilityandpreventerosion.Thebridgesideofthe embankmentwillbestabilizedbyaretainingwallandapavedshoulder.Class1andClass2riprap willbeplacedbeneaththebridgeata3:1slopefromtheedgeofthegreenwayshoulderdownto theedgeoftheexistingwatersurfaceandwillbefieldadjustedtoavoidimpactstotheexisting wateredge,uptoamaximumslopeof2:1.AsClass1andClass2riprapcanbeused,theformer canbeplacedbyhand,butthelatterwillneedtobeplacedwithabobcat.Class1riprapwillbe placedtopreventimpactstothestreambybringingindividualwheelbarrowloadsalongthe proposedtrailalignmenttothebridge'sunderside.Fromthere,itcanbeloweredintoplacealong thebankbyhandusingtwoworkerstocarryindividualpiecesofClass1ripraptothedesired location.Thiswillavoidtheneedtouseheavyequipmentwithinthelimitsofthestream. FLOODWAY(TYP.)
FUTURE100-YR FLOODPLAIN(TYP.)
LASSITERFALLSCIRCLE


PROPOSEDSIDEWALK ANDHANDRAILON EXISTINGSTRUCTURE
LIMITSOFDISTURBANCE ONBRIDGEDECKONLY




NOTE:SEEPLANANDPROFILESHEETS FORGREENWAYPAVING,APPROACH SLAB,ANDBOARDWALKINFORMATION



PHASE2E&SCPLANS
CONSTRUCTION ENTRANCE(TYP.)

CONSTRUCTION ENTRANCE(TYP.)
FUTURE100-YR FLOODPLAIN(TYP.)
RETAININGWALLSEEPLANAND PROFILESHEETS


4-FTx4-FTPORTABLE CONCRETEWASHOUT
DEMOEXISTINGSIDEWALK ANDCURBANDGUTTER
ROCKPIPEINLET PROTECTION(TYP.)


ROCKPIPEINLET PROTECTION(TYP.)
RIPRAPOUTLET PROTECTION-SEE STORMWATERSHEETS
SILTFENCEOUTLETS ATLOWPOINTS(TYP.)
SILTFENCE(TYP.)
NEUSERIVERBUFFER ZONE1(TYP.)
LIMITSOF DISTURBANCE(TYP.)

FUTURE100-YR FLOODPLAIN(TYP.)

NEUSERIVERBUFFER ZONE2(TYP.)
DEMOEXISTING PAVEMENT
FLOODWAY(TYP.)
NOTE:SEEPLANANDPROFILESHEETS FORGREENWAYPAVING,APPROACH SLAB,ANDBOARDWALKINFORMATION
100-YR FLOODPLAIN(TYP.)
CRABTREECREEK

NEUSERIVERBUFFER ZONE2(TYP.)
NEUSERIVERBUFFER ZONE1(TYP.)
ALLEGHANYDRIVE
CRABTREECREEK





CONSTRUCTION ENTRANCE(TYP.)

RIPRAPOUTLET PROTECTION-SEE STORMWATERSHEETS
RETAININGWALLSEEPLANAND PROFILESHEETS
SILTFENCEOUTLETS ATLOWPOINTS(TYP.)
SILTFENCE(TYP.)


ROCKPIPEINLET PROTECTION(TYP.)
4-FTx4-FTPORTABLE CONCRETEWASHOUT
DEMOEXISTINGSIDEWALK ANDCURBANDGUTTER
FUTURE100-YR FLOODPLAIN(TYP.)
FUTURE100-YR FLOODPLAIN(TYP.)
Note:Allworkdownstreamofthedamwillbecompletedinthefollowingmannerto avoidimpactstothestream:allerosioncontrolmeasuresasoutlinedintheplansand approvedbyNCDEQshallbeinstalledbasedonthesequenceidentifiedintheerosion controlplans,andmeasuresshallbeinstalledbeforelanddisturbingactivities commence.
AllstormwaterpipessouthoftheLassiterMillDamhavebeensizedforthe25-year stormperHQWruleswithClass2ripraplinedpipeoutfallsincluded.Outfallsofstorm pipeswillnotencroachonthestream.Precautionswillbetakentoensurethat constructiondoesnotdisturbthestreamorextendbeyondthelimitsoftheerosion controlmeasures.
Thestreamsideoftheembankmentuponwhichthegreenwaybeneaththebridgewill bebuiltshallbelinedwithripraptoensurelong-termstabilityandpreventerosion. Thebridgesideoftheembankmentwillbestabilizedbyaretainingwallandapaved shoulder.Class1andClass2riprapwillbeplacedbeneaththebridgeata3:1slope fromtheedgeofthegreenwayshoulderdowntotheedgeoftheexistingwatersurface andwillbefieldadjustedtoavoidimpactstotheexistingwateredge,uptoamaximum slopeof2:1.AsClass1andClass2riprapcanbeused,theformercanbeplacedby hand,butthelatterwillneedtobeplacedwithabobcat.Class1riprapwillbeplaced topreventimpactstothestreambybringingindividualwheelbarrowloadsalongthe proposedtrailalignmenttothebridge'sunderside.Fromthere,itcanbeloweredinto placealongthebankbyhandusingtwoworkerstocarryindividualpiecesofClass1rip raptothedesiredlocation.Thiswillavoidtheneedtouseheavyequipmentwithinthe limitsofthestream.
100-YR FLOODPLAIN(TYP.)



NEUSERIVERBUFFER ZONE1(TYP.)
NOTE:SEEPLANANDPROFILESHEETS FORGREENWAYPAVING,APPROACH SLAB,ANDBOARDWALKINFORMATION LIMITSOF DISTURBANCE(TYP.)
NEUSERIVERBUFFER ZONE2(TYP.)

FLOODWAY(TYP.)




HERTFORDSTREET



LASSITERMILLROAD





LASSITERMILLROAD

SUBMITCIPGRAVITYWALLDESIGNANDCALCULATIONSTONCDOTEASTERN OPERATIONSENGINEERFORREVIEWANDAPPROVAL
SUBMITTHERETAININGWALL ALLOWABLEBEARINGCAPACITY DETERMINEDINTHEFIELDTO NCDOTEASTERNREGIONAL OPERATIONSENGINEERFOR REVIEWANDAPPROVAL.

FORSOLIDERPILERETAININGWALLS,SEESOLDIERPILERETAININGWALLPROVISION.
AHANDRAILISREQUIREDONTOPOFRETAININGWALLNO.WL1-B,SEEROADWAYPLANSFORHANDRAIL ATTACHMENTDETAILS.
DRILLEDINH-PILESAREREQUIREDFORRETAININGWALLNO.WL1-B.
USEASOLIDERPILERETAININGWALLWITHACIPREINFORCEDCONCRETEFACEFORRETAININGWALLNO. WL1-B.
BEFOREBEGINNINGSOLIDERPILEWALLDESIGNFORRETAININGWALLNO.WL1-B,SURVEYWALLLOCATION ANDSUBMITAREVISEDWALLPROFILEVIEW(WALLENVELOPE)FORREVIEW.DONOTSTARTWALLDESIGNOR CONSTRUCTIONUNTILTHEREVISEDWALLENVELOPEISACCEPTED.
DESIGNRETAININGWALLNO.WL1-BFORTHEFOLLOWING:
1)DESIGNHEIGHT(H)=WALLHEIGHT+WALLEMBEDMENT
2)DESIGNLIFE=75YEARS
3)MINIMUMPILEPENETRATIONINTOROCK/WEATHEREDROCK=3FT
4)IN-SITUASSUMEDMATERIALPARAMETERSABOVE UNITWEIGHT,Y=120PCF FRICTIONANGLE,=30DEGREES COHESION,c=0PSF
5)IN-SITUASSUMEDMATERIALPARAMETERSBELOW ROCKMASSSHEARSTRENGTH,Sm=8000PSF
DESIGNRETAININGWALLNO.WL1-BFORALIVELOAD(TRAFFIC)SURCHARGE.
ATTHECONTRACTORSOPTION,USEATEMPORARYSLOPEINSTEADOFTEMPORARYSUPPORTOFEXCAVATIONS FORRETAININGWALLNO.WL1-B.
SUBMITTHERETAININGWALLALLOWABLEBEARINGCAPACITYDETERMINEDINTHEFIELDTONCDOTEASTERN REGIONALOPERATIONSENGINEERFORREVIEWANDAPPROVAL.



TOPOF WALL
ENDRETAININGWALLWL1-A
BEGINRETAININGWALLWL1-B -WL1-STA.1+31.34 EL.=229.00
PROP.BOARDWALKSTRUCTURE 2'CLEARANCEFROMBOTTOM CHORDTOTOPOFWALL
ENDRETAININGWALLWL1-B BEGINRETAININGWALLWL1-C -WL1-STA.1+91.59 EL.=229.00

BOTTOMOFFOOTING (MIN5'EMBEDMENT)

EXISTING GRADE
APPROX.190CYFOOTING CONCRETE
BOTTOMOFWALL/ TOPOFFOOTING MIN.9"BELOWGRADE
STEPINFIELDASNECESSARY
APPROX.560SFENVELOPEAT FACEOFCIPGRAVITYWALL (WALL#WL1-A)



APPROX.170CYFOOTING CONCRETE
APPROX.405SFENVELOPEAT FACEOFCIPGRAVITYWALL (WALL#WL1-C)
APPROX.440SFENVELOPEAT FACEOFSOLDIERPILEWALL (WALL#WL1-B)

EXISTING GRADE BOTTOMOFWALL/ TOPOFFOOTING


ENDRETAININGWALL#WL1-B(SOLDIERPILE)
BEGINRETAININGWALL#WL1-C(CIPGRAVITY) -WL1-STA.1+91.59 0.00'T
ENDRETAININGWALL#WL1-A(CIPGRAVITY)
BEGINRETAININGWALL#WL1-B(SOLDIERPILE) -WL1-STA.1+31.34 0.00'T
1. ALL STRUCTURAL FRAMING, NAILERS, AND PEDESTRIAN RAIL COMPONENTS SHALL BE PRESSURE
FOR FOUNDATION RECOMMENDATIONS AND DESIGN INFORMATION, REFER TO THE FABRICATION OR INSTALLATION.
FALCON ENGINEERING GEOTECHNICAL REPORT DATED JULY 20, 2021 AND SUPPLEMENTAL
GEOTECHNICAL INVESTIGATION DATED FEBRUARY 28, 2022.
TIMBER BOARDWALK
FOR PILES, SEE SECTION 450 OF THE STANDARD SPECIFICATIONS.
PILES AT BENTS AND END BENTS ARE DESIGNED FOR A FACTORED RESISTANCE
OF 7.5 TONS PER PILE.
DRIVE PILES AT BENTS AND END BENTS TO A REQUIRED DRIVING RESISTANCE
WHERE SHALLOW ROCK IS PRESENT, PILE EXCAVATION IS REQUIRED TO OF 15 TONS PER PILE.
INSTALL PILES TO SATISFY LATERAL AND UPLIFT CAPACITY REQUIREMENTS.
FOR PILE EXCAVATION, SEE SECTION 450 OF THE STANDARD SPECIFICATIONS.
PILE EXCAVATION AT BENTS AND END BENTS SHALL HAVE A MINIMUM
DIAMETER 1'-10".
STEEL CASINGS SHALL BE UTILIZED TO TEMPORARILY STABILIZE HOLES
CONCRETE (CLASS A) PER STANDARD SPECIFICATIONS IS REQUIRED TO FILL THROUGH ALLUVIAL SOILS DURING PILE EXCAVATION.
MEETING THE REQUIREMENTS OF SECTION 1082 OF THE STANDARD SPECIFICATIONS. UNLESS TREATED SOUTHERN PINE SURFACE DRY (S4S) WITH A MOISTURE CONTENT OF 19% OR LESS,
2. TIMBER AND LUMBER SHALL BE TREATED WITH WATERBORNE PRESERVATIVES (CCA OR ACQ) NOTED OTHERWISE.
IN ACCORDANCE WITH AWPA STANDARD U1, COMMODITY SPECIFICATION A, TO THE
REQUIREMENTS OF THE FOLLOWING USE CATEGORIES:
A. BACKWALLS, WINGWALLS, CAP BEAMS AND STRINGERS: UC4B
B. PEDESTRIAN RAILING COMPONENTS, ALL OTHER LUMBER: UC3B
3. ALL VERTICAL MEMBERS SHALL BE PLUMB.
4. ALL SAW CUTS, BOLT HOLES, AND OTHER HOLES SHALL BE TREATED WITH APPROPRIATE
PRESERVATION SOLUTION PRIOR TO INSTALLING BOLTS.
5. UNLESS NOTED OTHERWISE, MECHANICAL WOOD CONNECTIONS SHALL BE INSTALLED
PER THE MANUFACTURER'S RECOMMENDATIONS. PER MANUFACTURER RECOMMENDATIONS, WITH ALL FASTENER HOLES FULLY POPULATED.
7.
CONFORMING TO ASTM F436, UNLESS NOTED OTHERWISE. TO ASTM F3125
8. ALL BOLTED CONNECTIONS SHALL INCLUDE OVERSIZED OGEE WASHERS INSTALLED BETWEEN
BETWEEN THE WOOD AND THE NUT.
















































BRIDGES SHALL BE BUILT ON THE GRADE OR VERTICAL CURVE SHOWN ON PLANS.
SLABS, CURBS AND PARAPETS SHALL CONFORM TO THE GRADE OR CURVE.
ALL DIMENSIONS WHICH ARE GIVEN IN SECTION AND ARE AFFECTED BY DEAD LOAD
DEFLECTIONS ARE DIMENSIONS AT CENTER LINE OF BEARING UNLESS OTHERWISE NOTED
ON PLANS. IN SETTING FORMS FOR STEEL BEAM BRIDGES AND PRESTRESSED CONCRETE
GIRDER BRIDGES, ADJUSTMENTS SHALL BE MADE DUE TO THE DEAD LOAD DEFLECTIONS
FOR THE ELEVATIONS SHOWN. WHERE BLOCKS ARE SHOWN OVER BEAMS FOR BUILDING
UP TO THE SLAB, THE VERTICAL DIMENSIONS OF THE BLOCKS SHALL BE ADJUSTED
BETWEEN BEARINGS TO COMPENSATE FOR DEAD LOAD DEFLECTIONS, VERTICAL CURVE
ORDINATE, AND ACTUAL BEAM CAMBER. WHERE BOTTOM OF SLAB IS IN LINE WITH
BOTTOM OF TOP FLANGES, DEPTH OF SLAB BETWEEN BEARINGS SHALL BE ADJUSTED
TO COMPENSATE FOR DEAD LOAD DEFLECTION, VERTICAL CURVE ORDINATE, AND
IN SETTING FALSEWORK AND FORMS FOR REINFORCED CONCRETE SPANS, AN ACTUAL BEAM CAMBER.
ALLOWANCE SHALL BE MADE FOR DEAD LOAD DEFLECTIONS, SETTLEMENT OF FALSEWORK,
AND PERMANENT CAMBER WHICH SHALL BE PROVIDED FOR IN ADDITION TO THE
SHALL CONFORM TO THE PROFILE AND ELEVATIONS SHOWN ON THE PLANS AND ELEVATIONS SHOWN. AFTER REMOVAL OF THE FALSEWORK, THE FINISHED STRUCTURES
CONSTRUCTION ELEVATIONS FURNISHED BY THE ENGINEER.
DETAILED DRAWINGS FOR FALSEWORK OR FORMS FOR BRIDGE SUPERSTRUCTURE
AND ANY STRUCTURE OR PARTS OF A STRUCTURE AS NOTED ON THE PLANS SHALL
BE SUBMITTED TO THE ENGINEER FOR APPROVAL BEFORE CONSTRUCTION OF THE
FALSEWORK OR FORMS IS STARTED.
IN
STRUCTURES SHALL BE CHAMFERED ƒ" WITH THE FOLLOWING EXCEPTIONS:
TOP CORNERS OF CURBS MAY BE ROUNDED TO 1•" RADIUS WHICH IS BUILT
INTO CURB FORMS; CORNERS OF TRANSVERSE FLOOR EXPANSION JOINTS
SHALL BE ROUNDED WITH A ‚" FINISHING TOOL UNLESS OTHERWISE REQUIRED
TO A ‚" RADIUS ON PLANS; AND CORNERS OF EXPANSION JOINTS IN THE ROADWAY FACES
DOWELS WHEN INDICATED ON PLANS AS FOR CULVERT EXTENSIONS, SHALL
BE EMBEDDED AT LEAST 12" INTO THE OLD CONCRETE AND GROUTED INTO
UNLESS OTHERWISE NOTED ON THE PLANS, ALL EXPOSED CORNERS ON PLACE WITH 1:2 CEMENT MORTAR.
PLACEMENT OF REINFORCING ARE TO CENTERS OF BARS UNLESS OTHERWISE INDICATED
IN THE PLANS. DIMENSIONS ON BAR DETAILS ARE TO CENTERS OF BARS OR ARE OUT
TO OUT AS INDICATED ON PLANS.
WIRE BAR SUPPORTS SHALL BE PROVIDED FOR REINFORCING STEEL WHERE
INDICATED ON THE PLANS. WHEN BAR SUPPORT PIECES ARE PLACED IN CONTINUOUS
LINES, THEY SHALL BE SO PLACED THAT THE ENDS OF THE SUPPORTING WIRES SHALL
BE LAPPED TO LOCK LEGS ON ADJOINING PIECES.
ƒ" ~ STUDS SPECIFIED ON THE PLANS. THIS SUBSTITUTION SHALL BE MADE AT AT THE CONTRACTOR'S OPTION, HE MAY SUBSTITUTE ‡" ~ SHEAR STUDS FOR THE
THE RATE OF 3 - ‡" ~ STUDS FOR 4 - ƒ" ~ STUDS, AND STUD SPACING CHANGES
ALONG THE BEAM AS SHOWN FOR ƒ" ~ STUDS BASED ON THE RATIO OF 3 - ‡" ~ SHALL BE MADE AS NECESSARY TO PROVIDE THE SAME EQUIVALENT NUMBER OF ‡" ~ STUDS
STUDS FOR 4 - ƒ" ~ STUDS. STUDS OF THE LENGTH SPECIFIED ON THE PLANS MUST
BE PROVIDED. THE MAXIMUM SPACING SHALL BE 2'-O".
EXCEPT AT THE INTERIOR SUPPORTS OF CONTINUOUS BEAMS WHERE THE COVER
PLATE IS IN CONTACT WITH BEARING PLATE, THE CONTRACTOR MAY, AT HIS OPTION,
EQUIVALENT AREA PROVIDED THESE PLATES ARE AT LEAST Š" IN THICKNESS AND SUBSTITUTE FOR THE COVER PLATES DESIGNATED ON THE PLANS COVER PLATES OF THE
DO NOT EXCEED A WIDTH EQUAL TO THE FLANGE WIDTH LESS 2" OR A THICKNESS
EQUAL TO 2 TIMES THE FLANGE THICKNESS. THE SIZE OF FILLET WELDS SHALL CONFORM
TO THE REQUIREMENTS OF THE CURRENT ANSI/AASHTO/AWS "BRIDGE WELDING CODE".
ELECTROSLAG WELDING WILL NOT BE PERMITTED.
WITH THE SOLE EXCEPTION OF EDGES AT SURFACES WHICH BEAR ON OTHER
SURFACES,ALL SHARP EDGES AND ENDS OF SHAPES AND PLATES SHALL BE SLIGHTLY
EQUIVALENT FLAT SURFACE AT A SUITABLE ANGLE PRIOR TO PAINTING, GALVANIZING, ROUNDED BY SUITABLE MEANS TO A RADIUS OF APPROXIMATELY ˆ" OR
ALL REINFORCING STEEL SHALL BE DEFORMED. DIMENSIONS RELATIVE TO OR METALLIZING.

CRABTREECREEK
GREENWAY
LASSITERMILLPARK
CROSS-SECTIONINDEX
NOTES:
·"S.S."DENOTESSLOPESTAKESELEVATION.
·ALLELEVATIONSSHOWNONCROSSSECTIONS AREPROPOSED.
L1-STA14+50.00
L1-STA15+50.00
L1-STA13+25.00
L1-STA14+25.00
L1-STA15+25.00
L1-STA16+25.00
L1-STA14+00.00
L1-STA16+00.00
L1-STA15+75.00
NOLONGERINCLUDEDINPLANSET
L4-STA44+50.00
L4-STA45+25.00
L4-STA46+00.00
L4-STA46+75.00
L4-STA45+75.00
L4-STA46+50.00
L4-STA44+75.00
L4-STA45+50.00
L4-STA47+75.00
L4-STA47+50.00
L4-STA48+50.00
L4-STA49+50.00
L4-STA50+50.00
L4-STA50+00.00
L4-STA56+05.83
L4-STA56+00.00