L'Ammonitore n.6 Luglio/Agosto

Page 1

Soraluce Summit 2023

Ready to Lead

2023 in chiave green

MENSILE D’INFORMAZIONE PER LA PRODUZIONE E L’AUTOMAZIONE INDUSTRIALE

EDITORIALE

Addio alla Direttiva, benvenuto al Regolamento

Il prossimo 19 luglio 2023 entrerà in vigore ufficialmente in UE il nuovo Regolamento Macchine. Che fine ha fatto, si chiederà qualcuno, la “vecchia” Direttiva? Semplicemente è stata aggiornata per adeguarsi ai rapidi cambiamenti tecnologici nel comparto della progettazione e produzione di macchine e macchinari, integrati sempre più a sistemi digitalizzati, elementi di robotica, intelligenza artificiale, automazione. Ma perché darle il nome Regolamento, cambiando il più rassicurante sostantivo femminile con un più perentorio sostantivo maschile? Partiamo da un presupposto: l’introduzione delle tecnologie abilitanti di Industria 4.0 ha come principale obiettivo quello di creare un connubio tra realtà fisica e quella virtuale, incrementando il livello della catena del valore di un qualsivoglia sistema produttivo. La prima conseguenza è che all’operatore 4.0 – nuova figura professionale suggerita dal Manifesto SPS Italia Academy di cui avevo già accennato nell’editoriale di giugno – viene designato il ruolo di “gestire e controllare” processi ad alto valore aggiunto, non occupandosi di questioni altrettanto importanti come quella della sicurezza. Ecco perché, la necessità di tenere il passo con i rapidi sviluppi tecnologici e affrontare i rischi emergenti nel settore delle macchine, quali l›integrazione dell›intelligenza artificiale e della robotica, sono alla base del cambiamento e della promulgazione del nuovo Regolamento Macchine (UE) 2023/1230. I requisiti di sicurezza delle macchine vendute nell’UE devono, pertanto, essere più rigorosi per soddisfare le sempre maggiori richieste di sostenibilità, nell’accezione più ampia del termine. È evidente quindi che la Direttiva Macchine, risalente a 15 anni fa, necessitava di un importante aggiornamento estesosi persino al nome. Secondo gli esperti, il termine Regolamento “garantisce un approccio più armonizzato e standardizzato in tutta l’UE. Infatti, a differenza delle direttive, che hanno bisogno anche di un decreto di recepimento nazionale, i regolamenti entrano in vigore subito alla data stabilita dal regolamento stesso e si applicano automaticamente e uniformemente in tutta l’Unione Europea”.

MiR festeggia 10 anni

INTELLIGENZA ARTIFICIALE

La nuova frontiera delle realtà immersive

L’ultima rilevazione dell’Osservatorio Metaverso evidenzia un atteggiamento di apertura da parte degli italiani nei confronti delle realtà immersive. In che modo i Brand possono cogliere le opportunità e creare valore nel Metaverso?

FIERE

La trasformazione green e digitale del manifatturiero

RIPORTI SUPERFICIALI

Placcatura con tecnologia laser wobbling per applicazioni Oli&Gas

L’automazione avanza, evolve e si trasforma per rispondere alle esigenze odierne dell’industria manifatturiera. Un percorso che ha permesso al visitatore di SPS Italia 2023 di soffermarsi sui temi della Sostenibilità, Circolarità e Flessibilità

Commersald Impianti, in collaborazione con IPG Photonics Italia, ha messo a punto un’alternativa ai classici impianti per la realizzazione dei riporti superficiali anticorrosione.

www.ammonitore.com
#6 Anno 79 - Luglio/Agosto 2023
A PAGINA 8 ISSN 0003-1925
Fabio Chiavieri ROBOT MOBILI
A PAGINA 14 FIERE ED EVENTI A PAGINA 16 FIERE ED EVENTI PLAST
A PAGINA 6
A PAGINA 10

www.ammonitore.com n. 6 luglio/agosto 2023

FORMAZIONE

Nuovo sito per Lovato Academy

Il sito di Lovato Electric dedicato alla formazione si rinnova. Una nuova veste grafica, un look moderno e una presentazione semplice e gradevole dell’offerta corsi. I cambiamenti principali risiedono proprio nelle modalità di consultazione dei corsi. La visualizzazione a griglia o a lista permette una ricerca molto più immediata, in homepage vengono presentati gli ultimi 3 corsi inseriti a catalogo e la ricerca degli eventi tramite parola chiave aiuta gli utenti a trovare la soluzione più consona alle loro necessità in modo rapido ed efficace. La scheda del corso infine offre numerose informazioni sull’evento e la possibilità di iscrizione. Il sito è multilingua e responsive, ossia accessibile e fruibile da tutti i dispositivi digitali sia desktop che mobile (smartphone o tablet), ma le novità non sono solo tecnologiche, bensì ruotano attorno ai contenuti. Ampio spazio viene offerto anche ai canali social, come ad esempio Facebook, LinkedIn, Twitter e alla possibilità di condividere i contenuti web con altri utenti. Il sito comprende anche nuove sezioni come quella dedicata al mondo delle Scuole, quella dedicata ai Tutorial e quella che raccoglie le risposte alle domande più ricorrenti nei nostri corsi tecnici (FAQ).

MERCATI

KEB Automation apre in Canada

Fondato nel 1945 da Mino Tenaglia

Redazione Marco Tenaglia • Direttore Responsabile Marco Tenaglia • Coordinamento Editoriale Area Industry marco.tenaglia@quine.it - cel. 329 8490024 Fabio Chiavieri • Direttore tecnico fabio.chiavieri@ammonitore.it Cristina Gualdoni • Segreteria di Redazione cristina.gualdoni@quine.it - cel. 347 7623887

Costantino Cialfi Direttore Commerciale

Pubblicità c.cialfi@lswr.it - cel. +39 3466705086

Serv zio Abbonamenti abbonamenti.quine@lswr.it

Abbonamento annual € 34,90

Costo copia singola € 7,18 (presso l’editore)

Grafica: Alpegrafiche srl Stampa: TIPOLITOGRAFIA PAGANI

Il gruppo KEB rafforza la propria presenza sul mercato internazionale con una filiale commerciale a Oakville, Ontario. L’ufficio vendite della Greater Toronto Area (GTA) riflette la crescita del gruppo e l’impegno a seguire più da vicino i clienti nel mercato canadese. KEB Canada fungerà da centro per le operazioni di vendita e le attività di supporto ai clienti di KEB, fornendo assistenza localizzata ai clienti della GTA e a quelli di tutto il Paese. Con un ricco portafoglio di soluzioni per tutta l’architettura di automazione industriale, progettate per applicazioni specifiche, KEB Canada potrà soddisfare le esigenze di settori verticali come: ascensori, movimentazione dei materiali, packaging, plastica, robotica e altri ancora. L’espansione della presenza del gruppo KEB in questo mercato chiave, che sarà affidata a Scott Froehle, (regional sales manager KEB Canada, nella foto), consentirà alla multinazionale tedesca di lavorare a stretto contatto con i clienti e distributori canadesi, di rafforzare il supporto ai clienti globali che hanno una sede in Canada e di stringere nuovi accordi rendendo la collaborazione con gli OEM locali più efficace. KEB Canada presenterà la propria gamma di soluzioni, tra cui sistemi di controllo del movimento, VFD, servoazionamenti, motoriduttori, freni e innesti. I clienti potranno toccare con mano i prodotti KEB, per consentirgli di prendere decisioni più consapevoli in merito ai loro investimenti nel mercato dell’automazione industriale. KEB Automation, partendo dalla sua riconosciuta competenza negli azionamenti, ha esteso il suo portafoglio a tutta l’architettura d’automazione: dall’attuazione meccanica, alla connettività di macchina fino al supporto della trasformazione digitale dei processi industriali. Nata nel 1972, KEB Automation è presente in tutto il mondo con 1500 dipendenti, 12 filiali e 50 partner (2021).

DKC ha presentato il nuovo Catalogo Gallerie alla giornata di studio CEI

Editore

Quine Srl Sede lega e Via Spadolini, 7 - 20141 Milano

www.quine. t - info@quine. t - tel 02 864105

DKC ha presentato ufficialmente il nuovo Catalogo Gallerie, frutto dell’evoluzione dell’offerta prodotti che l’azienda propone ai professionisti del settore. All’interno, DKC presenta differenti soluzioni dedicate al settore delle gallerie stradali e autostradali, studiate per offrire ai propri clienti una proposta coordinata e della migliore qualità Made in Italy.

nuovo Catalogo è stata la Giornata Studio organizzata dal Comitato Elettrico Italiano (CEI) e di cui DKC era sponsor. Presso l’Istituto Superiore Antincendi di Roma, un panel di esperti professionisti si è alternato sul tema della progettazione impianti all’interno delle gallerie stradali, offrendo alla platea nuovi spunti di riflessione.

DKC è stata protagonista dell’evento con un nuovo Catalogo e con prodotti coordinati per ottimizzare la gestione delle gallerie dal punto di vista del risparmio energetico e della sicurezza. Tutto questo, grazie a un team con competenze specializzate e un forte background nel mondo elettrotecnico e nel campo dell’energia.

Reg. Tribunale di Varese al n. 2 del 16 giugno 1948 – Iscrizione al Registro degli Operatori di Comunicazione n. 12191 Responsabilità Tutto il materiale pubblicato dalla rivista (articoli e loro traduzioni, nonché immagini e illustrazioni) non può essere riprodotto da terzi senza espressa autorizzazione dell’Editore. Manoscritti, testi, foto e altri materiali inviati alla redazione, anche se non pubblicati, non verranno restituiti. Tutti marchi sono registrati.

INFORMATIVA AI SENSI DEL D.LEGS.196/2003. Si rende noto che dati in nostro possesso liberamente ottenuti per poter effettuare servizi relativi a spedizioni, abbonamenti e similari, sono utilizzati secondo quanto previsto dal D.Legs.196/2003. Titolare del trattamento è Quine srl, via G.Spadolini 7, 20141 Milano (info@ quine.it). Si comunica inoltre che dati personali sono contenuti presso la nostra sede in apposita banca dati di cui è responsabile Quine srl e cui è possibile rivolgersi per l’eventuale esercizio dei diritti previsti dal D.Legs 196/2003. Eclusione di responsabilità per il contenuto - Gli articoli presenti nelle rivista esprimono l’opinione degli autori e non impegnano Quine srl. Tutti prodotti recensiti sulla rivista sono ideati, fabbricati e commercializzati da aziende che non hanno alcun rapporto di interdipendenza con l’Editore o la Federazione. Quine srl non sono responsabili per le lesioni e/o danni a persone o a cose risultanti da ogni dichiarazione diffamatoria, reale o presunta, da ogni violazione di diritti di proprietà intellettuale o di diritti alla privacy, o da ogni responsabilità per danno da prodotti difettosi. Esclusione di responsabilità per gli annunci pubblicitari pubblicati. La pubblicazione di un annuncio pubblicitario sulla Rivista non costituisce garanzia o conferma da parte dell’Editore o della Federazione della qualità o del valore dei prodotti o servizi pubblicizzati ivi descritti o delle dichiarazioni o affermazioni fatte dagli inserzionisti in merito a tali prodotti o servizi.

Quine è iscritta al Registro Operatori della Comunicazione n° 12191 del 29/10/2005. Testata Associata

Ai sensi dell'art. 13 Regolamento Europeo per la Protezione dei Dati Personali 679/2016 di seguito GDPR, dati di tutti lettori saranno trattati sia manualmente, sia con strumenti informatici e saranno utilizzati per l’invio di questa e di altre pubblicazioni e di materiale informativo e promozionale. Le modalità di trattamento saranno conformi a quanto previsto dagli art. 5-6-7 del GDPR. dati potranno essere comunicati a soggetti con

Si tratta di prodotti affidabili, sicuri, innovativi e altamente performanti, in grado di rispondere alle esigenze installative di un settore sempre più competitivo che ha bisogno di affiancare sicurezza a flessibilità e personalizzazione a standard evoluti.

A cominciare dalle canalizzazioni metalliche della Linea Combitech e all’ampia gamma di sistemi di protezione cavi di Cosmec, insieme alle casse di derivazione a perforazione di isolante e alla presa di derivazione per ventilatori. Si passa poi per i segnalatori direzionali di ultima generazione a Led per gallerie di Conchiglia, fino ai nuovi proiettori a Led conformi alle più recenti normative. L’offerta si completa con le casse in acciaio inox di RamBlock e con gli UPS, monofase e trifase, e i soccorritori CPS di RamBatt. L’occasione per la presentazione ufficiale del

2 IN PRIMO PIANO
quali Edra S.p.A. intrattiene rapporti contrattuali necessari per l’invio delle copie della rivista. Il titolare del trattamento dei dati è Edra S.p.A., Via G. Spadolini 7 - 20141 Milano, al quale il lettore si potrà rivolgere per chiedere l’aggiornamento, l’integrazione, la cancellazione e ogni altra operazione di cui agli articoli 15-21 del GDPR.
Elena Genitoni Ufficio Traffico e.genitoni@lswr.it - Tel. 02 89293962
Luglio/Agosto 2023 www.ammonitore.com
NOVITÀ

JLR assegna ad Analog Devices il Supplier Excellence Awards

Analog Devices è stata premiata nell’ambito degli annuali Supplier Excellence Awards di JLR. Nominata nella categoria Customer Love, Analog Devices si è distinta come fornitore di punta capace di dedicare un’attenzione concreta ai clienti.

“Queso premio riconosce il contributo di ADI alla nostra attività, soprattutto alla luce delle criticità legate alla supply chain emerse nell’ultimo anno”, ha dichiarato Barbara Bergmeier, Executive Director, Industrial Operations di JLR. “ Consideriamo molto importanti le nostre partnership con i fornitori e basiamo i nostri rapporti sulle prestazioni, oltre che sull’integrità, l’onestà e la fiducia. Ringraziamo ADI per il duro lavoro e la dedizione al nostro successo a lungo termine”.

Nella sua settima edizione, il Supplier Excellence Awards di JLR celebra gli eccezionali risultati della sua supply chain globale e i relativi benefici apportati al business di JLR, alla trasformazione dei costi e alla realizzazione operativa nel corso dell’ultimo anno. I premi sono improntati sui nuovi valori del Creators’

Code di JLR: Amore per il cliente (Customer Love), Unità, Integrità, Crescita e Impatto. Quest’anno, il team JLR ha utilizzato questi cinque valori fondamentali per premiare i

fornitori più performanti.

“Questo riconoscimento testimonia gli sforzi 4eccezionali compiuti dal nostro team per mitigare le criticità della supply chain, nonché l’impatto positivo che abbiamo avuto sull’attività di JLR”, ha dichiarato Shalini Palmer, Corporate Vice President, EMEA di ADI. “La nostra partnership di lunga data con JLR continua a concentrarsi sulla promozione della visione di JLR di un lusso moderno e sostenibile”.

ADI ha contribuito al successo a lungo termine di JLR che ha potuto garantire la disponibilità dei veicoli più prestigiosi. ADI ha compiuto sforzi considerevoli per ridurre le carenze della supply chain e i potenziali fermi di produzione.

“Un ottimo rapporto commerciale è fondamentale per il nostro successo. Essendo entrato a far parte del team JLR solo di recente, è stato un onore trascorrere la serata approfondendo la conoscenza dei vincitori del premio”, ha dichiarato Tobias Moch, Chief Procurement Officer di JLR. “I team hanno dovuto lavorare molto duramente per mantenere in attività i nostri stabilimenti, a fronte di gravi interruzioni della supply chain globale. Desidero ringraziare tutti i collaboratori di

ADI per l’enorme impegno profuso in questo difficile periodo”.

I vincitori sono stati premiati nel corso di una TRANSIZIONE

La filiera dell’idrogeno può essere la risposta alla decarbonizzazione, ma va sostenuta con investimenti strutturali

Il vettore energetico idrogeno rappresenta uno strumento fondamentale nella strada per la decarbonizzazione, e l’Italia può diventare un hub fondamentale nella creazione di questo nuovo mercato. Ma, affinché gli obiettivi al 2030 posti dall’Unione europea siano effettivamente raggiungibili dalle imprese italiane, è fondamentale riconoscere che c’è un gap da colmare con un piano di investimenti strutturali. Attorno a questo tema e all’analisi delle possibili soluzioni si sviluppa l’evento “Modelli di business per l’utilizzo dell’H2 e lo sviluppo della filiera in Italia” organizzato da Anima e Confindustria a Roma il 5 e 6 giugno. Due giornate interamente dedicate all’idrogeno attraverso lo studio dei modelli di business basati su casi reali delle aziende italiane.

«Sappiamo come oggi sia impellente la necessità di ripensare al nostro modo di produrre e di utilizzare le risorse» è il commento del presidente di Anima Confindustria, Marco Nocivelli. «Ce lo impongono le sfide dettate dall’emergenza climatica, a cui si somma la necessità di ridiscutere i modelli di approvvigionamento energetico anche nell’ottica di muoversi verso una maggiore indipendenza energetica messa in luce dal conflitto russo-ucraino. In questo scenario, l’industria meccanica rappresenta uno dei comparti più significativi per contribuire al fondamentale processo di decarbonizzazione, sia in qualità di produttore di tecnologie, sia come utilizzatore di risorse energetiche. L’Europa ha espresso chiaramente l’urgenza di operare la transizione sostenibile ponendo gli obiettivi di decarbonizzazione al 2030 e al 2050, e in questo processo l’idrogeno può giocare un ruolo fondamentale, soprattutto a livello energetico. L’Italia è un paese all’avanguardia in termini di innovazione tecnologica, e ha la possibilità di rivestire un ruolo primario diventando un hub fondamentale nella creazione di questa nuova filiera».

Continua il presidente Nocivelli: «C’è però un aspetto chiave che emerge dai tavoli di lavoro: per fare sì che l’industria possa davvero realizzare gli obiettivi di decarbo-

nizzazione entro i tempi dettati dall’Unione europea, occorre che la transizione sia anche economicamente sostenibile per l’industria, e questo non può prescindere da un sostegno adeguato alle imprese. La creazione di un nuovo mercato, come quello dell’idrogeno, non può autosostenersi; per accelerare il processo occorre elaborare e attuare delle politiche industriali ad hoc, con un piano di investimenti strutturato».

Questo è uno degli aspetti discussi alle tavole rotonde del convegno di Roma, con i contributi di esponenti del mondo politico e istituzionale. Tra i relatori, oltre alle voci di Anima Confindustria, intervengono Assotermica, Confindustria, Confindustria Ceramica, ANFIA, Federchimica, Assovetro, H2IT, Proxigas, UNEM. Contribuisce anche il Ministero dell’ambiente e della sicurezza energetica, oltre ai rappresentanti di realtà

come Edison Next, Enel Green Power, Eni, INRETE Distribuzione Energia, Italgas, Saras, Snam e Toyota Material Handling Italia. Oltre all’analisi della strategia nazionale per l’idrogeno, gli interventi si sviluppano verticalmente analizzando prospettive e casi reali delle macro aree di applicazione: industriale (combustione/calore di processo), feedstock, trasporti e logistica e settore residenziale.

3 Luglio/Agosto 2023 www.ammonitore.com RICONOSCIMENTI IN PRIMO
PIANO
cerimonia tenutasi il 31 maggio al The Grove di Hertfordshire, nel Regno Unito, condotta da Gabby Logan, personaggio televisivo.
GREEN

Enrico Aureli è il nuovo presidente Acimall

Enrico Aureli, vicepresidente Scm Group (Rimini), è il nuovo presidente di Acimall per il triennio 20232026. Al suo fianco Raphaël Prati (Chief Marketing & Communications Officer di Biesse, Pesaro) scelto da Aureli come vicepresidente. Succedono a Luigi De Vito (direttore generale Scm Group, Rimini) e Marianna Daschini (amministratore delegato Greda, Mariano Comense), rispettivamente presidente e vicepresidente per il triennio 2020-2023. L’assemblea della associazione dei costruttori italiani di tecnologie per l’industria del mobile e del legno, riunitasi nella sede di Assago (Milano), ha dunque ratificato all’unanimità le indicazioni emerse dal consiglio direttivo. Enrico Aureli – 49 anni, sposato, due figli –dopo la laurea in Ingegneria gestionale conseguita presso il Politecnico di Milano, inizia il suo percorso professionale in Aetna Group (Robopac e Ocme) di cui è amministratore delegato dal 2011. Dal 2008 siede nel consiglio di ammi

ANNIVERSARIO

nistrazione di Scm Group, approfondendo le sue competenze nel mondo delle tecnologie per il legno, da sempre pilastro della storia di famiglia.

Siede nel consiglio direttivo di Ucima (Unione costruttori italiani macchine per il confezionamento e l’imballaggio), di cui è stato presidente

dal 2016 al 2020.

Aureli, dopo aver ringraziato l’assemblea per la fiducia accordata, si è complimentato con Luigi De Vito e l’intero consiglio direttivo per aver efficacemente guidato Acimall nell’ultimo periodo.

“Sono orgoglioso di rappresentare un settore che ha radici così importanti e moltissimo ancora da esprimere sia a livello nazionale che internazionale”, ha detto Aureli ringraziando gli imprenditori presenti. “Io, il vicepresidente Raphaël Prati – che voglio ringraziare per avere accettato il mio invito a condividere con me questa sfida – e tutto il consiglio direttivo di Acimall continueremo a lavorare nel segno della continuità, impegnandoci per dare alle imprese i servizi e le opportunità di fare sistema che una moderna associazione imprenditoriale deve garantire. Un impegno che richiederà progetti di sempre più ampio respiro e una vicinanza forte e costante con tutti coloro che hanno scelto di condividere i valori di Acimall”.

Holex compie quarant’anni

Hoffmann Group festeggia i quarant’anni di Holex, il brand che propone in gamma oltre 17.000 prodotti tra utensili, sistemi di serraggio, strumenti di misurazione, fino alle postazioni di lavoro e alle attrezzature di stoccaggio. La marca, introdotta nel mercato nel 1983, integra e completa i prodotti GARANT, offrendo una linea di utensili di qualità industriale per la fascia di prezzo più bassa.

Da ben quarant’anni, HOLEX ha infatti deciso di concentrarsi sulla sostanza, eliminando qualsiasi fronzolo, in modo da proporre utensili pratici e funzionali, dalla riconosciuta qualità industriale, ma a prezzi davvero competitivi. Scelti da migliaia di officine meccaniche in tutto il mondo, i prodotti HOLEX accompagnano i professionisti giorno dopo giorno, unendo semplicità e convenienza.

“Siamo orgogliosi di festeggiare quest’anno i 40 anni di HOLEX, una

NOMINE

marca che ci consente di offrire ai nostri clienti prodotti estremamente competitivi, ma di grande qualità. Insieme agli utensili top di gamma GARANT, riusciamo a soddisfare ef-

ficacemente le esigenze di piccole e grandi officine meccaniche, fornendo praticamente tutto, dall’automazione GARANT agli utensili manuali HOLEX, la scelta intelligente quando

quello che conta è la funzionalità e il prezzo” - Alessandro Gentili, AD di Hoffmann Italia Spa Tra le categorie di prodotto più apprezzate dai clienti spiccano gli utensili manuali, la linea di torce e lampade a LED, l’abbigliamento da lavoro e i dispostivi di protezione individuale. Nonostante HOLEX accontenti la fascia di prezzo più economica, il brand lavora continuamente a prodotti innovativi e sempre più funzionali, portando in gamma ogni anno nuovi utensili e attrezzature, come la nuova maschera per saldatura auto-oscurante e le scarpe di sicurezza ESD Move One.

Hoffmann Group, nel corso dell’anno, proporrà una serie di iniziative ai propri clienti per celebrare l’anniversario di HOLEX, tra offerte e prodotti in edizione limitata. Tutte le iniziative saranno visibili sull’eShop di Hoffmann Group.

Nuovo CEO per KEBA

Per poter realizzare al meglio l’imminente cambio generazionale, lo scorso anno ha avuto inizio la ricerca di un successore che, assieme a Franz Holler e Andreas Schoberleitner, avrebbe formato a partire da ottobre 2023 la nuova squadra del Consiglio di amministrazione di KEBA, composta da tre membri di pari livello. Con l’ausilio di un consulente esterno, la selezione dei candidati è stata condotta attraverso un processo completo e intensivo.

KEBA ha individuato in Christoph Knogler, il quale ricopre la carica di Amministratore Delegato della divisione Energy Automation, il candidato ideale per la posizione. Christoph Knogler è in KEBA dal 2020 e ha avuto modo di ambientarsi e di conoscere l’azienda nella sua interezza. Durante la sua permanenza ha dimostrato uno spiccato orientamento al cliente e un’eccellente comprensione della strategia e del mercato. Christoph Knogler è una persona dalla mentalità aperta e moderna, che si avvicina alle persone con empatia: queste peculiarità sono mol-

to importanti per lo sviluppo a lungo termine di un’azienda. In qualità di amministratore delegato della divisione Energy Automation, Knogler ha acquisito un’ampia esperienza nella gestione di un settore in rapida crescita, specialmente nell’attuale fase di transizione del mercato caratterizzata da uno scenario volatile e dinamico. Prima del suo ingresso in KEBA, Knogler ha ricoperto posizioni dirigenziali in diverse aziende del settore industriale. Knogler ai primi di marzo è stato nominato dal Consiglio di Sorveglianza membro del Comitato esecutivo del Gruppo KEBA con decorrenza a partire dal 1° agosto 2023. Dal 1° ottobre, Knogler assumerà il ruolo di CEO come portavoce del Comitato esecutivo; fino a tale data continuerà la carica di CEO della Divisione Energy Automation, assieme al suo collega Gerhard Weidinger. Nei prossimi mesi, passerà le consegne al suo successore designato Christian Peer, che ha iniziato a lavorare in KEBA lo scorso 1° maggio.

Luglio/Agosto 2023 www.ammonitore.com 4 IN PRIMO PIANO
ASSOCIAZIONI
Da sinistra: Gerhard Luftensteiner e Christoph Knogler CEO

MiR festeggia 10 anni

Qualcosa di impensabile a distanza di un decennio rappresenta il futuro. La visione della logistica nei magazzini con robot mobili autonomi di Mobile Industrial Robots è sempre più una realtà

Meno di un decennio fa, l’idea di robot mobili completamente autonomi (AMR) che interagissero perfettamente con gli operatori umani nei magazzini e negli impianti di produzione appariva una visione futuristica. Oggi, migliaia di AMR consegnano parti, trasportano prodotti finiti e gestiscono molte altre attività logistiche senza la necessità di addetti umani, guide esterne o aree di lavoro separate. Questo rappresenta solo l’inizio di ciò che è una crescita pluridecennale costante: infatti gli analisti si aspettano uno sviluppo a due cifre del mercato AMR ogni anno, almeno fino al 2027.

“MiR è stata una dei pionieri del settore AMR sviluppando una piattaforma scalabile di robot che potesse essere facilmente implementata e integrata in fabbriche e magazzini”, ha affermato Ash Sharma, amministratore delegato di Interact Analysis. “Continua a innovare e ha aiutato il settore a perfezionarsi. Il tutto è partito da un’industria alle prime armi fino ai giorni nostri arrivando ad essere un settore multimiliardario con AMR distribuiti in migliaia di aree situate in ogni parte del mondo”.

Jean-Pierre Hathout, Presidente di MiR, crede fermamente nella capacità dell’azienda di mantenere la sua posizione di leader nel mercato globale e di rendere la tecnologia sempre più accessibile ai clienti di tutte le dimensioni e settori.

“Nei primi dieci anni di storia di MiR abbiamo assistito a incredibili progressi nella tecnologia e nelle applicazioni”, afferma Hathout. “Anche se siamo ancora un’azienda relativamente giovane, abbiamo fatto enormi sviluppi sia in termini di crescita che di esperienza. In qualità di pioniere del mercato globale negli ultimi dieci anni, MiR ha ricoperto un ruolo determinante nel dimostrare che gli AMR rappresentano una soluzione sicura, affidabile e di facile utilizzo per una moltitudine di attività di movimentazione. Grazie alla nostra esperienza lavorando a fianco di un gran numero di clienti, continuiamo a superare i limiti posti dall’automatizzazione della logistica interna”.

Un’azienda nata con aspirazioni mondiali Nel maggio 2013, il fondatore di MiR, Niels Jul Jacobsen, decise di rivoluzionare il modo in cui le aziende gestivano la loro logistica interna e, alla fine del 2014, Thomas Visti si unì a lui. Entrambi avevano maturato grande esperienza in un’altra azienda di robotica di successo, Universal Robots; questo ha permesso loro di ottenere preziose informazioni sul mercato e una chiara strategia per trasformare in pochi anni l’azienda in un leader a livello mondiale.

Nei primi anni Visti portava sempre con sé nel bagagliaio della propria vettura un MiR100, con il quale dava dimostrazioni a distributori e aziende. Fin dall’inizio, MiR si è concentrata su un approccio al mercato globale basato sulle vendite tramite distributori e su una gamma di prodotti mirata. Oggi i robot MiR sono commercializzati da oltre 220 distributori e system integrator certificati in 60 paesi. Oltre alla sede centrale di Odense, in Danimarca, MiR ha uffici regionali a Boston; Holbrook, New York; San Diego; Chelmsford, Massachusetts; Georgetown, Kentucky; Singapore; Francoforte; Barcellona; Yokohama; Seul e Shangai.

Un cammino in continua ascesa

La statunitense Teradyne, Inc. (NYSE:TER)

nell’aprile 2018 ha acquisito MiR, accelerando ulteriormente il posizionamento dell’azienda come capofila nel mercato globale. Da tre dipendenti all’inizio del 2015, MiR attualmente impiega oltre 420 dipen-

denti fra Danimarca e resto del mondo, con un fatturato annuo nel 2022 di 77 milioni di dollari (USD).

Le grandi multinazionali, tra cui Toyota, Ikea, Novo Nordisk, Denso, DHL e Schneider Electric, rappresentano la maggior parte dei volumi di vendita di MiR. La fusione con AutoGuide Mobile Robots avvenuta nel 2022 ha generato un’ulteriore spinta alla presenza internazionale di MiR, aumentando ancora di più la capacità di servire i vari segmenti industriali.

“Il nostro obiettivo principale sono da sempre i grandi clienti globali, poiché queste aziende sono solitamente le prime ad adottare nuove tecnologie”, ha affermato Hathout. “Consideriamo i nostri clienti come preziosi e fidati partner per far evolvere la tecnologia AMR e sviluppare nuovi strumenti per favorirne l’adozione e la scalabilità”.

Un focus strategico sullo sviluppo del software Oltre allo sviluppo continuo di nuovi mo-

delli AMR, MiR ha recentemente lanciato un nuovo strumento software basato su cloud che consente ai proprietari di flotte di monitorare e analizzare le operazioni dei propri robot e ottenere informazioni utili che possano migliorarne le prestazioni.

“Con la crescita delle flotte di robot, aumenta anche la domanda di strumenti software per ottimizzare le prestazioni e gestire flotte complete”, ha aggiunto Hathout. “Se vogliamo che gli AMR abbiano una diffusione alla pari, se non oltre rispetto a carrelli elevatori e transpallet, è essenziale ridurre le barriere all’implementazione, alla riprogrammazione e alla manutenzione. Abbiamo già compiuto progressi significativi in questa direzione e credo fermamente che per il momento abbiamo solo intravisto il vero potenziale delle soluzioni logistiche automatizzate”.

About MiR sviluppa e produce una delle gamme più avanzate di robot mobili autonomi (AMR) del settore, in grado di automatizzare in modo rapido, semplice ed economico

la logistica interna e di ottimizzare la movimentazione dei materiali. MiR offre una delle flotte più innovative di robot mobili che vengono utilizzate sia da grandi imprese che da clienti di piccole e medie dimensioni in diversi settori, dalla produzione alla logistica e alla sanità. Fondata in Danimarca nel 2013, l’azienda è cresciuta fino a diventare un leader globale con quasi 220 distributori e integratori di sistema certificati in 60 paesi. MiR è stata acquisita da Teradyne nel 2018, la quale nel 2022 ha fatto confluire AutoGuide Mobile Robots a MiR in un’inca realtà per offrire un’ampia linea di prodotti AMR con un range di carico utile, da leggero a pesante. La sede centrale di MiR è a Odense, in Danimarca, con uffici regionali a Holbrook, San Diego, North Reading, Georgetown, Singapore, Francoforte, Barcellona, Yokohama, Seoul e Shanghai.

Per ulteriori informazioni, visitate il sito:

https://www.mobile-industrial-robots.

Luglio/Agosto 2023 www.ammonitore.com 5
ANNIVERSARI
com/it/
Robot mobili

La trasformazione green e digitale del manifatturiero

L’automazione avanza, evolve e si trasforma per rispondere alle esigenze odierne dell’industria manifatturiera. Un percorso che ha permesso al visitatore di SPS Italia 2023 di soffermarsi sui temi della Sostenibilità, Circolarità e Flessibilità

Oltre 800 espositori, 38.713 visitatori, più di 130 convegni e tavole rotonde nelle cinque arene di District 4.0. È la sintesi della fiera di SPS Italia 202, la fiera annuale dell’automazione e del digitale per l’industria, che ha focalizzato l’attenzione dei visitatori sulla sostenibilità, sul ruolo dell’uomo nell’evoluzione delle nuove tecnologie, sul rapporto intelligenza artificiale ed etica. Sei padiglioni hanno ospitato il meglio delle tecnologie dell’automazione a servizio della trasformazione dell’industria in ottica 4.0. L’area District 4.0 con demo funzionanti e casi applicativi ha illustrato le potenzialità delle soluzioni di Digital&Software, Robotica e Meccatronica, Additive Manufacturing. Un percorso che ha esaltato i temi della Sostenibilità, Circolarità e Flessibilità. L’area “Sustainable Innovation”, per esempio, ha valorizzato il ruolo delle smart production solutions con le tre principali accezioni: Automazione al centro della sostenibilità; Digitale come tecnologia a supporto della sostenibilità; Tecnologie emergenti per la sostenibilità.

Sostenibilità nell’industria

Uno studio realizzato in collaborazione con i partner ANIE Energia, +CIM4.0, MADE Competence Center I4.0 e Porsche Consulting, declinato sul tema Energy e sui principali focus della manifestazione (Automazione, Robotica, Digitale e Additive Manufacturing) ha messo in evidenza che il 90% delle aziende manifatturiere ha dichiarato di aver avviato programmi di sostenibilità e per il 60% questi hanno valenza strategica con diretto riporto al CEO. Questi dati evidenziano una buona maturità delle aziende manifatturiere italiane che si riflette anche nel grado di fiducia e visione degli obiettivi: oltre il 45% dei rispondenti prevede i primi risul-

tati entro due anni. La sostenibilità, quindi, è un elemento di valore solo se genera un vantaggio competitivo. Secondo Daniele Napoleoni, Associate Partner Porsche Consulting “Il modello di business deve evolvere integrando gli obiettivi di sostenibilità, declinandoli a tutti i livelli funzionali con una chiara governance e sistemi di misurazione integrati. Inoltre, bisogna stabilire le regole per la gestione e l’allocazione degli investimenti necessari alla trasformazione. Infine, le tecnologie sono l’elemento abilitante imprescindibile per cui le competenze necessarie devono essere integrate nelle organizzazioni e nei modelli operativi.”

Le tecnologie come elementi abilitanti per l’industria green All’interno della trasformazione digitale un ruolo fondamentale è quello

occupato dalla sensoristica intelligente che consente di innalzare a un livello più elevato processi e prodotti sotto l’aspetto della sostenibilità ambientale, dell’efficienza e della sicurezza. L’impiego dei sensori è ormai molto diffuso in moltissimi settori industriali. A seguire risulta fondamentale il livello di collegamento in rete dei sensori stessi. Hilscher Italia, per esempio, ha presentato a SPS Italia sensorEDGE FIELD, un edge gateway capace di creare un collegamento diretto tra sensori e livello IT e portare contemporaneamente capacità di edge computing all’interno dell’ultimo metro. In questo modo sarà possibile rilevare e monitorare da remoto i dati di funzionamento senza bisogno di farli transitare da un plc. Un valido esempio di come questo strumento possa rivelarsi utile per il revamping di impianti

esistenti, senza richiedere stravolgimenti o sovradimensionamenti dei controllori logici deputati alla gestione del processo. D’altronde, il collegamento in rete dei sensori sta acquisendo un’importanza sempre crescente, come dimostrato dai trend di crescita continui di IO-Link. Proprio con l’obiettivo di mostrare la pluralità di applicazioni industriali che vede coinvolta la sensoristica intelligente Leuze Italia ha ospitato al proprio stand parti di impianti e di macchine di importanti clienti nel mondo dell’intralogistica e del packaging. L’azienda ha inoltre presentato le proprie tecnologie sensoristiche per la sicurezza della fase produttiva, degli operatori, degli impianti. In ambito manufacturing, i sensori “smart” hanno modificato anche il modo di affrontare la manutenzione di macchine e impianti

Luglio/Agosto 2023 www.ammonitore.com 6
AUTOMAZIONE
Fiere
di Fabio Chiavieri
Motoman Yaskawa serie GP
WEG ha sviluppato WEG Motion Fleet Management (MFM), lo strumento che porta al livello successivo i dati sulle prestazioni dei motori

che deve essere vista come un investimento a garanzia di un tempo di riparazione ridotto, grazie a diverse proprietà, tra cui l’abilità di diagnosticare le cause di problemi di qualità e affidabilità. E qui entra in gioco la manutenzione predittiva coadiuvata da componenti intelligenti. A questo tema Mitsubishi Electric ha dedicato un’area del proprio stand alle proposte di “Maintenance”, dagli HMI cost-effective, che permettono di rilevare e visualizzare le variabili dell’impianto, alle soluzioni di manutenzione predittiva basate sull’AI, fino al software SCADA Genesis64 che offre funzionalità specifiche per l’industrial e building automation: dalla funzione CFS (Control Field Service) che permette di fare manutenzione da remoto a tutte le applicazioni nel campo dell’energy management e della supervisione di impianto. Anche Turck Banner, azienda specializzata in sensoristica per l’automazione industriale ha esposto un’ampia gamma di soluzioni per l’industria, tra cui la serie di sensori ZMX, ideati per misurare la percentuale di riempimento del volume all’interno di un ampio campo visivo – e non su un singolo punto – con il plus di un controllo autonomo per una comunicazione semplificata tra applicazioni differenti; e la serie PRO lighting, sensori e software che definiscono la gestione intelligente delle comunicazioni visive del bordo macchina. Tra le novità dell’azienda proposte il sensore combinato di vibrazione/temperatura con

IO-Link, che valuta internamente i dati di vibrazione e temperatura consentendo un facile retrofitting del condition monitoring negli impianti esistenti.

Per dare una visione olistica ai team di manutenzione dell’intero impianto e delle macchine che lo compongono, WEG ha sviluppato WEG Motion Fleet Management (MFM), lo strumento che porta al livello successivo i dati sulle prestazioni dei motori. MFM utilizza i dati provenienti da WEG Motor Scan Gateway per generare informazioni in tempo reale sulle prestazioni delle apparecchiature Grazie alla raccolta periodica dei dati, MFM genera preziosi approfondimenti che informano i team di manutenzione sullo stato effettivo delle apparecchiature dell’impianto. Questo significa in definitiva ridurre la necessità di programmi di manutenzione preventiva e permettere ai manutentori di individuare facilmente quali apparecchiature presentino segni di usura, comportamenti anomali ed eventuali problemi critici, per agire di conseguenza. Tra le applicazioni più interessanti della sensoristica intelligente c’è sicuramente la robotica, in particolare quella collaborativa. Un esempio di cobot ibrido che amplia ulteriormente i campi d’impiego gestibili per i robot collaborativi, permettendo la gestione di pezzi di grandi dimensioni o di più pezzi contemporaneamente è stato offerto da Yaskawa. Ideali per le applicazioni di assemblaggio e movimentazione ad alta velocità,

i robot a 6 assi Motoman Yaskawa serie GP si distinguono per compattezza, velocità e precisione. Estremamente versatili dal punto di vista applicativo – basti pensare che l’acronimo GP sta proprio per General Purpose - si prestano all’uso anche in ambienti gravosi, dato il grado di protezione IP67, e sono disponibili in una vasta serie di modelli, con carico variabile da 7 a 600 kg e sbraccio da 727 a 3058

mm. L’ingombro ridotto e il design sottile del braccio riducono lo spazio d’installazione e il rischio d’interferenza con i sistemi periferici, aumentando la flessibilità d’installazione. Tale cobot è dotato di un nuovo controller che semplifica la manutenzione offrendo informazioni utili a gestire una manutenzione preventiva, accessibilità da remoto e potenti strumenti software per l’analisi e la comunicazione.

Luglio/Agosto 2023 www.ammonitore.com 7
Turck Banner, azienda specializzata in sensoristica per l’automazione industriale ha esposto un’ampia gamma di soluzioni per l’industria SensorEDGE FIELD proposto da Hilscher Mitsubishi Electric ha dedicato un’area del proprio stand alle proposte di “Maintenance”

DIGITALIZZAZIONE

Intelligenza artificiale

La nuova frontiera delle realtà immersive

L’ultima rilevazione dell’Osservatorio Metaverso evidenzia un atteggiamento di apertura da parte degli italiani nei confronti delle realtà immersive. In che modo i Brand possono cogliere le opportunità e creare valore nel Metaverso?

Ipsos e Osservatorio Metaverso, grazie a una ricerca estesa, propongono elementi per una tesi alternativa sul futuro del Metaverso e le tecnologie immersive. Lo studio promosso da Ipsos e dal partner Vincenzo Cosenza, fondatore di Osservatorio Metaverso, ha l’obiet-

tivo di fare luce in profondità sulle attitudini, comportamenti e prospettive degli italiani rispetto al Metaverso e alle realtà immersive. Negli ultimi anni abbiamo assistito a un’oscillazione del Metaverso e delle realtà immersive tra l’essere un terreno di facili entusiasmi e un argomento di scetticismo e inquietudine per le persone e per i Brand che vi operano. La tesi circolante attuale che i media propongono è che il Metaverso

sia “morto”, che sia “scoppiata la bolla” e che i Brand facciano bene a disinvestire sia emotivamente che, soprattutto, economicamente in un loro sviluppo all’interno. Ma è davvero così? Un’antitesi è possibile?

Creare valore attraverso le tecnologie immersive

Grazie al nostro Osservatorio Metaverso abbiamo potuto far luce sulle aspettative degli italiani e distillato ipotesi per un futuro dove i Brand possano continuare a sperimentare e creare, costruendo allo stesso tempo valore. Ripartiamo quindi dalle persone, dalle interpretazioni, attitudini e utilizzi che ne fanno delle tecnologie immersive. Concepiamo un Metaverso più “umanistico” e meno figlio di sperimentazioni tattiche del marketing. Quali sono le principali opinioni, conoscenza ed esperienze degli italiani riguardo alle realtà immersive? E in che modo i Brand possono cogliere le opportunità e creare valore nel Metaverso?

L’ultima rilevazione evidenzia attitudini di apertura, piuttosto che di scetticismo, nei confronti del Metaverso: il 52% ritiene che le esperienze che si possono fare siano emozionanti e l’atteggiamento generale è di concepire le realtà immersive come un modo di migliorare le attività svolte online e non come un’alternativa alla realtà fisica. Tuttavia, restano alcune barriere soprattutto in termini di accessibilità, ad esempio il 37% ritiene il Metaverso ancora troppo costoso. Scopriamo insieme i principali risultati.

Cosa significa Metaverso? La conoscenza e le attitudini degli italiani Il 92% degli italiani dichiara di conoscere che cosa sia il Metaverso, il 77% è in grado di descriverlo spontaneamente e più della metà del campione fornisce una descrizione che si avvicina molto a quella che ne danno gli esperti, definendolo come un mondo virtuale in cui le dinamiche di interrelazione consentono di performare diverse attività. Trasversalmente alle diverse generazioni sono i Millennials, e non i giovanissimi, che dichiarano di approfondire e conoscere maggiormente le tematiche legate al Metaverso e alle realtà immersive come criptovalute, avatar, NFT, le Extended reality (AR, VR) e l’AI.

Fino a ora la sperimentazione da parte delle persone nelle attività fatte nel Metaverso è stata piuttosto diversificata. Il 32% ha svolto più di cinque attività, tra cui: giocare o trascorrere del tempo con amici (33%); acquistare oggetti reali come vestiti e scarpe o esplorare un’altra città (30%). Tra i mondi virtuali visitati in testa vediamo Fortnite e Minecraft, anche se la maggior parte ha scarsa memorabilità rispetto a piattaforme specifiche complice il fatto che gli esperimenti fatti sono stati più casuali e meno specifici.

Il 52% ritiene che le esperienze che si possono fare siano emozionanti, mentre solo il 23% considera un nuovo modo di fare pubblicità da parte dei Brand che non durerà nel tempo. Come ogni nuova innovazione tec-

Luglio/Agosto 2023 www.ammonitore.com 8
di Cristina Gualdoni

nologica si accompagna con un po’ di ansia verso la privacy (38%) e si teme nella confusione in negativo tra realtà fisica e virtuale (40%) che potrebbe provocare.

L’atteggiamento generale è di concepire il Metaverso e le realtà immersive non come un’alternativa alla realtà fisica, ma come un modo di migliorare le attività svolte online; in particolare gaming (48%), intrattenimento compresi film e concerti (45%) educazione e apprendimento (41%) e fare shopping (40%).

Tuttavia, alcune barriere restano soprattutto in termini di accessibilità. Il 37% ritiene il Metaverso ancora troppo costoso (la percentuale più alta, 44%, si registra tra gli appartenenti alla GenZ!), e il possesso di visori per le realtà immersive è del 10%, citando come barriera principale al non acquisto l’investimento elevato da sostenere.

Intelligenza Artificiale e costruire valore nel Metaverso: cosa possano fare i Brand?

In merito alle prospettive dei Brand vediamo poca memorabilità rispetto alle attività intraprese, infatti, il 60% non riesce a citare spontaneamente una marca che abbia usato il Metaverso (le uniche citate sono le tech e social company come Google, Meta, FB, Microsoft…). Se investigate rispetto a diverse categorie di brand –luxury fashion, high-street fashion, FCG, Beauty– in media le opinioni oscillano tra “il brand sfrutta le opportunità per guadagnare di più” e “vuole abbracciare le nuove tendenze digitali”. Quindi opinioni miste ma che lasciano trasparire un cortocircuito tra propensione e conversione per i Brand.

L’Osservatorio racconta che il Metaverso ha delle ottime possibilità che, però, finora non sembrano essersi ancora convertite in valore per i Brand. Questo perché hanno lavorato su aspetti molto tattici, non portando in vita elementi parte di un ecosistema di marca che risponda ai bisogni delle persone. Lo studio ci invita a riflettere su alcuni temi principali per il futuro:

• Puntare sull’Upskilling delle persone, offrire esperienze in grado di accrescere competenze. (il Metaverso…mi permetterà di

imparare a fare cose nuove, 58%);

• Costruire intensità, portare in vita esperienze amplificate o non vivibili altrimenti. (“Nell’immediato futuro vorrei…esplorare una città, 63%; fare un corso, 60%; presenziare un concerto, 60%”);

• Lavorare sul tema dell’accessibilità. Il Metaverso è considerato un mondo esclusivo, una terra di opportunità, però allo stesso tempo per molti ancora troppo costoso. Occorre, quindi, ragionare sugli entry price o costruire una narrativa che renda più appetibile i benefici ottenibili per massimizzarne il valore percepito;

• Italiani, si, ma sono tutti uguali? Non ri durre i pensieri strategici sul target alla classica dicotomia “giovani-adulti”, ma indagare le attitudini e i comportamenti nel profondo.

Tipologie di italiani nel Metaverso: le Me tapersonas

Lo studio ha consentito di mettere in luce e approfondire quattro diverse Metaperso nas che si differenziano per livelli di adozio ne e coinvolgimento rispetto alle tecnologie immersive e al Metaverso.

1. PIONIERI (37%) – «Il Metaverso è la nuova terra da esplorare, per primi»: early adop ters per natura, entusiasti e curiosi verso le nuove tendenze lanciate nel mercato so prattutto in ambito tecnologico. Vivono il Metaverso e le tecnologie immersive come una nuova frontiera da esplorare e in cui sentirsi perfettamente a proprio agio, sen za paura di confusione tra virtuale e reale. Hanno già ampiamente vissuto molteplici esperienze immersive -dal gaming, allo shopping, al fitness, alla scuola e al lavo ro- e si aspettano di continuare a viverle in questi mondi. Hanno più NFT delle altre Metapersonas proprio perché per loro rap presentano «un nuovo valore» per accede re e beneficiare di questo nuovo mondo. Oggi il Metaverso, domani chissà?

2. DISTANTI E IMPAURITI (30%) «Il Meta verso non mi interessa e forse è persino una minaccia»: ritengono il Metaverso troppo costoso e non sono disposti a investire risorse

per accedere a questa nuova tecnologia. Inoltre, non si sentono parte di questa realtà virtuale e la vedono addirittura come una minaccia per la loro identità e la loro integrità personale. Il timore e la paura spaziano in termini sia di impatto sociale che di conseguenze sul piano individuale, come la perdita di controllo tra realtà fisica e virtuale e una minaccia per la privacy.

3. IMMERSI (20%) «Nel Metaverso vivo un’altra dimensione, spesso migliore, di me»: caratterizzati da un atteggiamento entusiasta e positivo nei confronti del Metaverso, che sembra quasi assumere i tratti di Second Life potenzialmente utilizzato in passato da molti di loro. Lo vivono come un altro mondo, dove possono esprimersi liberamente e migliorare se stessi, dando persino il meglio di sé e delle proprie capacità. Vivono l›emozione di essere immersi in una realtà virtuale e credono che il Metaverso possa migliorare la nostra vita in

diversi modi, soprattutto a livello educativo, per questo motivo approfondiscono qualsiasi tematica legata a VR, AR, AI, cripto ecc. Hanno già vissuto alcune attività in modalità immersiva, ma si aspettano di farne uso ancora di più in futuro, soprattutto in termini di upgrade personale, ovvero imparare cose nuove, esplorare città e partecipare a concerti.

4. FUNZIONALI (13%) «Il Metaverso è uno strumento»: caratterizzati da un approccio pragmatico e funzionale all›uso del Metaverso, infatti, lo vedono principalmente come una risorsa per svolgere attività utili e funzionali nella vita quotidiana, come fare acquisti, partecipare a riunioni di lavoro o socializzare con amici e colleghi se impossibilitati altrimenti. Molto attenti all›efficienza e alla praticità, associano il Metaverso spontaneamente ai tool che si utilizzano per navigarlo (visori, cuffie...).

Luglio/Agosto 2023 www.ammonitore.com 9

SALDATURA

Riporti superficiali

Placcatura con tecnologia laser wobbling per applicazioni Oli&Gas

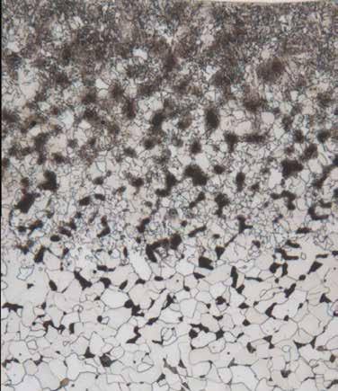
Commersald Impianti, in collaborazione con IPG Photonics Italia, ha messo a punto un’alternativa ai classici impianti per la realizzazione dei riporti superficiali anticorrosione. Le prove sperimentali sono state effettuate in modo da mettere a confronto i risultati ottenuti con la tecnologia laserwobbling (Commersald/IPG) e quelli ottenuti mediante processo convenzionale GMAW (IIS). Vediamo ora i risultati delle prove distruttive (analisi chimica e prova di corrosione) e non-distruttive realizzate sui campioni ottenuti e descritte nella prima parte dell’articolo e le successive prove metallografiche

Provino B1

Non si rileva nessun segno di vaiolatura sul lato dritto del riporto; la zona corrosa risulta essere solamente quella lato diluizione, come si vede nelle Figure 21 e 22.

Provino C1

sezioni trasversali alla direzione di saldatura, successivamente sottoposte ad indagine metallografica.

Provino A1

Provino A1

Non si rileva nessun segno di pitting nel lato dritto della placcatura, la zona corrosa risulta essere solamente quella lato diluizione (Figure 19 e 20).

All’esame microscopico si rilevano segni di vaiolatura sia sul lato dritto del riporto che sul retro (lato diluizione), figure 23 e 24.

Prove distruttive: metallografia Dai campioni sono state prelevate

Per quanto riguarda il saggio realizzato in singolo strato con il processo laser si rivelano imperfezioni di tipo volumetrico nello strato di riporto e allineate all’interfaccia di fusione.

Questo tipo di imperfezioni sono tipiche del processo laser e riconducibili a parametri operativi che necessitano un’ottimizzazione.

Nella Figura 25 viene riportata una panoramica del riporto, nella Figu-

ra 26 viene evidenziata un’imperfezione volumetrica presente all’interfac- cia tra materiale base e riporto e nella Figura 27 è mostrato un dettaglio della linea di fusione. Si riscontrano anche alcune mancanze di fusione localizzate.

La ZTA risulta essere caratterizzata da un affinamento della microstruttura ferritico-perlitica (Figura 28), mentre la ZF è caratterizzata da una struttura dendritica molto fine (Figura 29).

Lo spessore del riporto è variabile tra 1,12 e 1,40 mm.

Luglio/Agosto 2023 www.ammonitore.com 10
Fig. 19 - Lato dritto del riporto - A1
(seconda parte)
di Pietro Consonni, Matteo Pedemonte, Alessio Bazurro Istituto Italiano della Saldatura Alberto Sgarbi Commersald Impianti S.r.l. Marco Franzosi IPG Photonics Italia S.r.l. Fig. 20 - Lato diluizione - A1 Fig. 25 - Panoramica del riporto - A1 Fig. 26 - Poro e mancanza di fusione all’interfaccia con il mate- riale base - A1 Fug. 21 - Lato dritto del riporto - B1 Fig 22 - Lato diluizione del riporto - B1 Fig. 27 - Dettaglio della linea di fusione - A1 Fig 31 - Poro e mancanza di fusione all’interfaccia con il materiale base - B1 Fig. 23 - Lato dritto del riporto, dettaglio di un pit di corrosione - C1 Fig 29 - Microstruttura dendritica della zona fusa - A1 Fig 33 - Microstruttura dendritica della zona fusa - B1 Fig 24 - Lato diluizione del riporto, dettaglio di un pit di corrosione - C1 Fig. 28 - Dettaglio della ZTA - A1 Fig 32 - Dettaglio della ZTA - B1 Fig 30 - Panoramica del riporto - B1

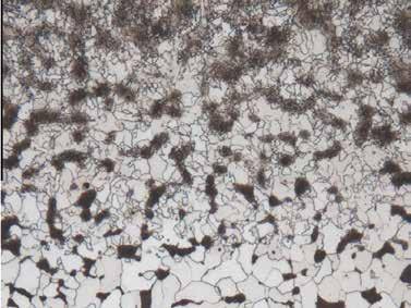
Provino B1

Per quanto riguarda il saggio realizzato in singolo strato con il processo laser si rilevano singole porosità distribuite lungo l’interfaccia di fusione, si riscontrano anche alcune mancanze di fusione (Figure 30 e 31). La presenza di tali imperfezioni è da ricondurre sistematicamente a parametri operativi. Lo spessore del riporto risulta essere compreso tra 1,10 e 1,47 mm. Superficialmente risultano visibili le polveri residue portate a fusione solo parzialmente. La ZTA risulta essere caratterizzata da un affinamento della microstruttura ferritico-perlitica e alcune porzioni costituite da bainite superiore (Figura 32). La zona fusa risulta essere caratterizzata da fine solidificazione dendritica (Figura 33).

Provino A2

Per quanto riguarda il saggio realizzato in doppio strato con il processo laser, si possono osservare piccole imperfezioni volumetriche distribuite sia lungo l’interfaccia di fusione materiale base/riporto che sull’interfaccia fra il primo ed il secondo strato di riporto; si riscontrano anche mancanze di fusione localizzate (Figura 34). Questo tipo di imperfezioni sono riconducibili al processo, alla tecnica di esecuzione ed ai parametri di saldatura. Superficialmente risultano visibili le polveri residue portate a fusione solo parzialmente. Lo spessore del riporto risulta essere compreso tra 1,62 e 1,93 mm (Figura 35). La ZTA risulta essere caratterizzata da un affinamento della microstruttura ferritico-perlitica e al- cune frazioni di bainite superiore (Figura 36). La ZF è carat- terizzata da una microstruttura dendritica fine (Figura 37).

Provino B2

Per quanto riguarda il saggio realizzato in doppio strato con il processo laser, si osservano singole porosità distribuite sia lungo l’interfaccia di fusione materiale base/riporto che sull’interfaccia fra il primo ed il secondo strato di riporto; si riscontrano anche mancanze di fusione localizzate e discontinue (Figura 38 e 39).

Superficialmente risultano visibili le polveri residue portate a fusione solo parzialmente. La ZTA risulta essere caratterizza- ta da un affinamento della microstruttura ferritico-perlitica e alcune frazioni di bainite superiore (Figura 40). Lo spessore del riporto risulta essere compreso tra 1,63 e 2,04 mm. La microstruttura della ZF è mostrata nella Figura 41.

Provino C1

Nella Figura 42 viene riportata la panoramica del riporto, mentre la Figura 43 mostra un dettaglio dello spessore mi- nimo. Sul saggio realizzato in singolo strato con il processo GMAW non si evidenziano imperfezioni. Lo spessore risulta essere compreso tra 1,8 e 3,35 mm. Si nota invece la natura ondulatoria della penetrazione, causata dal passaggio della sorgente termica. La ZTA risulta essere caratterizzata da un affinamento della microstruttura ferritico-perlitica (Figura 44).

Provino C2

Sul saggio realizzato in doppio strato con il processo GMAW non si evidenziano imperfezioni (Figure 45 e 46). Lo spessore del riporto è compreso tra 4,87 e 5,64 mm. Si nota invece, sulla prima passata, la natura ondulatoria della penetrazione, causata dal passaggio ripetuto dell’arco elettrico. La ZTA risulta essere caratterizzata da un affinamento della microstruttura ferritico-perlitica (Figura 47). La zona fusa è costituita da una microstruttura dendritica (Figura 48).

Prove distruttive: prove di durezza Vickers

Dai provini ricavati per le indagini metallografiche sono state eseguite prove di durezza HV1 mediante durometro Zwick-Roell µHV. La prova di microdurezza è stata scelta per garantire la più accurata misurazione in prossimità della linea di fusione. Di seguito si riportano lo schema dei punti di prelievo (Figura 49) e nella Tabella 7 i risultati ottenuti. Dai risultati ottenuti è possibile constatare quanto segue:

- I valori di durezza nella zona termicamente alterata non evidenziano la presenza di microstrutture dure. Il locale incremento di durezza è dovuto globalmente a un affinamento della microstruttura del substrato e la comparsa di limitate zone caratterizzate da fasi riconducibili a bainite superiore e perlite fine. È possibile riscontrare una differenza tra il riporto eseguito in singola passata e quello realizzato in doppio strato. Come è lecito aspettarsi, il doppio ciclo termico comporta un locale abbassamento dei valori in ZTA, per

Luglio/Agosto 2023 www.ammonitore.com 11
conseguente Fig. 34 - Panoramica del riporto - A2 Fig. 35 - Dettaglio dello spessore del riporto - A2 Fig. 36 - Dettaglio della ZTA - A2 Fig. 42 - Panoramica del riporto - C1. Fig. 37 - Microstruttura dendritica della zona fusa - A2 Fig. 38 - Panoramica del riporto - B2 Fig. 39 - Dettaglio di una mancanza di fusione tra il primo ed il secondo strato di riporto - B2 Fig. 41 - Microstruttura della zona fusa - B2 Fig. 40 - Dettaglio ZTA - B2

effetto di trattamento termico.

- I valori di durezza dell’overlay, realizzato mediante processo laser, risultano essere più alti rispetto al valore caratteristico delle polveri (200÷230 HV), ciò può essere correlato alla microstruttura di solidificazione più fine conseguente al ridotto apporto termico impiegato. Mentre per il processo GMAW il valore risulta essere congruo con i dati disponibili nella scheda del prodotto (200÷260 HV).

Conclusioni Globalmente, tenendo conto dei risultati ottenuti è possibile trarre le seguenti considerazioni finali:

- L’impianto considerato, realizzato da Commersald Impianti e IPG Photonics, grazie alla sorgente laser e ad un affinato sistema di distribuzione delle polveri è in grado di realizzare riporti superficiali anticorrosione in lega Inconel 625 in tempi molto ridotti e con assenza di difetti superficiali.

- Paragonando l’impianto oggetto di questa analisi ad un processo GMAW, più frequentemente utilizzato per realizzare riporti superficiali, risultano essere particolarmente evidenti le differenze in termini di tempi di realizzazione del manufatto e di risparmio di materiale. Quest’ultimo aspetto in particolar modo può essere di rilievo se vengono considerate le attuali fluttuazioni delle quotazioni di mercato relative ai metalli.

- Con entrambi i processi è stato possibile realizzare overlay senza imperfezioni superficiali. Sotto questo aspetto, complessivamente, i due metodi si equivalgono.

- Considerate le specifiche di settore per i riporti superficiali realizzati mediante saldatura, ad esempio, API SPEC 6D, nella quale è possibile trovare limiti di concentrazione inerenti al ferro (class Fe 5 – % peso di ferro max. 5%), è possibile evidenziare il vantaggio garantito dal riporto eseguito mediante processo laser sia nella tecnica a mono che a doppio strato. I valori di diluizione risultano estremamente contenuti (sia a 0,5 mm che 1,0 mm di profondità di prelievo), con garanzia della composizione chimica nominale del riporto. Risulta difficile ottenere i medesimi risultati con i processi ad arco elettrico. Infatti, osservando i valori di concentrazione del ferro nel riporto, eseguito in singola passata con processo GMAW, esso risulta essere oltre i limiti richiesti dalla specifica (7% a 0,5 mm di profondità e 13% a 1,0 mm di profondità). Tuttavia, la situazione migliora nella tecnica a doppio strato, dove la presenza del ferro è limitata al 2,8% alla profondità di 1,0 mm dalla superficie. - Attraverso le prove di corrosione è stato possibile mettere in risalto quanto emerso al punto precedente, ovverosia il riporto che ha subito maggiormente l’effetto dell’ambiente di prova è stato quello realiz-

zato con tecnica a singolo strato e con processo GMAW. Trascurabile, ma non meno importante, il risultato ottenuto sui “rovesci” dei campioni per la prova di corrosione. È evidente che prelevando il campione, tagliando alla profondità di 1 mm dalla superficie del riporto, quindi in prossimità della linea di fusione, l’interfaccia risente maggiormente della diluizione dal materiale base, motivo per cui tutti i provini ricavati dai saggi a singolo strato (A1, B1 e C1) registrano una perdita di peso conseguente all’a- zione corrosiva e la formazione di pit di corrosione. Di conseguenza, si ritiene opportuno che la realizzazione dell’overlay con tecnica a doppio strato sia da preferire per una maggiore garanzia di composizione a fronte di lavorazioni meccaniche superficiali.

- Dalle indagini metallografiche è stato possibile evidenziare alcune imperfezioni nei riporti, realizzati mediante processo laser; nel dettaglio, sono state riscontrate porosità e piccole mancanze di fusione, sia lungo la linea di fusione materiale base/ riporto sia fra il primo strato di riporto ed il secondo. Queste imperfezioni sono principalmente riconducibili ai parametri operativi. Un’ulteriore messa a punto dei parametri di saldatura può facilmente ovviare a queste problematiche. Per il processo GMAW, invece, non sono state rivelate imperfezioni. Relativamente alla ZTA, per entrambi i processi non si riscontrano particolari alterazioni microstrutturali e la ZTA stessa risulta essere particolarmente limitata grazie agli apporti termici particolarmente contenuti.

- La ZF ottenuta con il processo laser risulta essere caratterizzata da strutture di solidificazione dendritica piuttosto fini, mentre nel processo GMAW si osserva un fenomeno di dendritismo debolmente più marcato. Tali microstrutture non compromettono la resistenza alla corrosione del riporto superficiale.

- Considerando i punti precedenti, è possibile constatare che il processo laser/polveri adottato può essere in grado di realizzare riporti anticorrosione, garantendo fin dal primo strato di riporto la composizione chimica nominale, affiancando elevata qualità del deposito e assenza di imperfezioni superficiali. Comparando il sistema con i processi convenzionali, esso è in grado di dimezzare i tempi di esecuzione, con un netto risparmio in termini di consumabili. Memoria presentata alle Giornate Nazionali di Saldatura, GNS11, Workshop “Tecnologia della saldatura e dei processi di giunzione”, 02-03 Dicembre 2021, Porto Antico di Genova, Centro Congressi, Genova e pubblicata nella Rivista Italiana della Saldatura 6 2022, pp. 631-645

Luglio/Agosto 2023 www.ammonitore.com 12
A1 A2 B1 B2 C1 C2 Materiale Base 186 192 180 184 172 171 182 186 181 184 176 176 179 183 183 179 179 178 Riporto 261 288 259 282 227 256 289 286 273 285 231 240 299 291 288 282 226 242 Linea Fusione (ZTA) 284 231 285 223 185 191 259 215 243 214 176 186 223 231 235 236 189 173 230 228 244 281 174 173 254 217 293 255 184 170 Bibliografia 1) API SPEC 6D, Specification for pipeline and piping valves. 2) Procedura interna IIS LSP 101P, Procedura generale di controllo con liquidi penetranti. 3) Verbale di conformità 10204 3.1, Analisi chimiche polveri OAW PAW 625P. 4) Welding
Metal, OK Autrod NiCrMo-3
5)
Tabella 7 - Valori di durezza HV1
Campione
Filler
Data sheet.
ASTM
G48, Standard test method for pitting and crevice corrosion resistance stainless of steels and related alloys by use of ferric Fig . 44 - Dettaglio della ZTA - C1 Fig. 45 - Panoramica del riporto - C2 Fig. 46 - Dettaglio del riporto e linea di fusione - C2 Fig. 48 - Microstruttura della zona fusa - C2 Fig. 49 - Schema di prelievo delle durezze Fig 47 - Dettaglio della ZTA - C2. Fig. 43 - Dettaglio dello spessore del riporto - C1.
Luglio/Agosto 2023 www.ammonitore.com 13

Soraluce Summit 2023 Ready to Lead

Il produttore di macchine utensili ha celebrato dal 13 al 15 giugno una nuova edizione di Soraluce Summit 2023, per continuare a dar prova della propria leadership a livello internazionale nelle soluzioni di fresatura, alesatura, multitasking e automazione

SORALUCE ha aperto le porte dei suoi impianti nel corso del SO -

RALUCE SUMMIT 2023 (13-15 giugno), un’edizione piena di novità che ha segnato un importante traguardo nel settore. Durante l’evento è stata presentata la nuova gamma Performance Line. L’evento è stato inoltre l’occasione ideale per inaugurare il nuovo stabilimento di montaggio Soraluce, certificato LEED. Con un tour guidato, i presenti hanno potuto vedere gli ultimi progressi e progetti all’avanguardia in fresatura, alesatura, multitasking e automazione dell’azinda. Inoltre sono state mostrate le innovative soluzioni smart di smorzamento delle vibrazioni, i corner con i differenti servizi digitali offerti, il reparto di produzione di teste e gli ultimi sviluppi per settori all’avanguardia come l’aerospaziale. L’edizione di quest’anno ha avuto come filo conduttore il modo in cui SORALUCE comprende e vive la leadership. Attraverso l’innovazione, la specializzazione, la crescita, la sostenibilità e l’apprendimento ottenuto attraverso la propria esperienza nel settore da oltre 60 anni. SORALUCE SUMMIT 2023 ha riflettuto uno spirito di leadership, incentrato sulla crescita, lo sforzo, l’impegno e la perseveranza. Come sempre, SORALUCE SUMMIT 2023 ha riunito i migliori professionisti del settore per consolidare i rapporti, condividere le conoscenze e mostrare loro gli ultimi progressi tecnologici con una visita guidata, emozionanti dimostrazioni

dal vivo e corner tematici dove hanno potuto interagire e confrontarsi con gli esperti dell’azienda e scoprire come le innovazioni possono guidare il successo dei propri progetti.

Nuova SORALUCE Performance Line Durante l’evento, l’azienda ha presentato la Nuova Performance Line

con dimostrazioni dal vivo. Questa nuova linea rappresenta un significativo passo avanti nella capacità di offrire soluzioni all’avanguardia per le sfide più impegnative del settore. In uno scenario in cui i settori industriali richiedono soluzioni tecnologiche sempre più avanzate per affrontare le loro sfide future, SORA-

LUCE ha fatto un nuovo passo avanti ampliando la sua gamma di fresatrici, alesatrici, soluzioni multitasking e d’automazione. Il produttore di macchine utensili può così puntare ad aggiungere nel suo portafoglio di prodotti una nuova linea di fresatrici, che gli permetterà di rispondere alle sfide del settore, fornendo solu-

Luglio/Agosto 2023 www.ammonitore.com 14
EVENTI

zioni ad alto valore aggiunto negli ambienti industriali più esigenti.

La nuova Performance Line offre i migliori rapporti di affidabilità e precisione con un’eccezionale flessibilità per pezzi di medie e grandi dimensioni.

Una struttura comune, tre tipi di architetture diverse e infinite soluzioni per adattarsi alle esigenze di ciascuno dei nostri clienti nel modo più competitivo possibile.

Ognuna di queste famiglie comprende diversi modelli e configurazioni (tavola fissa, tavola girevole, versione multitasking), ottenendo come risultato macchine configurabili per diversi ambienti di lavoro. Si tratta di 3 gamme che condividono i principali elementi di macchina, come montante, consolle, slittone/RAM, teste e che sono state costruite in base al principio di design modulare, che consente di essere altamente affidabili, avere una grande facilità di manutenzione e flessibilità nella progettazione della soluzione adatta per ciascun cliente.

La Performance Line condivide gli stessi principi di progettazione delle macchine di grandi dimensioni di SORALUCE Winning Combination, che offre la soluzione più rigida e dinamica sul mercato abbinando la struttura della macchina in ghisa, le guide lineari a ricircolo di rulli combinate con pattini smorzatori e la tecnologia di smorzamento attivo/ passivo.

Applica tutta l’esperienza che il costruttore ha accumulato nei suoi modelli di maggiori dimensioni, optando per la soluzione che apporta più precisione e affidabilità: azionamento motore diretto ed elevata coppia all’interno dello slittone, dotato di un motore con capacità di 32 kW, con velocità fino a 7000 giri/min. Il motore è raffreddato ad acqua per migliorare la stabilità termica e ottenere i migliori risultati per la lavorazione di precisione.

Inoltre, la nuova gamma offre: Un’ampia scelta di teste di fresatura. - Teste meccaniche a rotazione automatica ad elevate prestazioni, con alti regimi e grande precisione.

Le teste sono anche raffreddate ad acqua per la massima stabilità della testa e risultati di precisione. Inoltre, la gamma può integrare teste verticali ad alta velocità, teste verticali a posizionamento continuo ad alta velocità (motore torque, asse C) e teste universali automatiche con elettromandrino, per lavorazioni continue a 4 o 5 assi.

- La gamma Performance Line include touchscreen da 24” e un maggiore spazio di lavoro per migliorare l’ergonomia e l’interattività degli utilizzatori con la macchina. Oltre a TNC 640 standard, Soraluce offre anche con il nuovo Heidenhain TNC7 con la nuova interfaccia, che consente all’operatore di controllare in modo più semplice e interattivo la macchina.

- Smart HMI, un’interfaccia intelligente e intuitiva che permette di gestire l’area di lavoro di esecuzione del programma CN in parallelo con un’area dedicata allo sviluppo di App che ci permette di collegare la macchina all’ERP del cliente o al monitoraggio del consumo energetico, per esempio.

APERTURA NUOVO IMPIANTO

La crescita dell’attività dell’azienda si traduce in importanti investimenti in nuovi impianti produttivi e infrastrutture necessari per essere operativi.

Nell’ambito degli investimenti di Danobatgroup, per un totale di 35 milioni di euro, per l’ampliamento e l’ammodernamento degli impianti, SORALUCE ha investito oltre 15 milioni di euro per consolidare tutta la sua attività nell’area di Osintxu e Mekolalde, a Bergara.

SORALUCE punta fortemente sulla sostenibilità lungo tutta la catena del valore per l’avvio delle attività che consentono lo sviluppo del progetto socio-imprenditoriale a cui aspira. Essere primi significa puntare sulla crescita in modo sostenibile nel tempo, e sostenibile nel rispetto dell’ambiente. Il nuovo impianto di assemblaggio è progettato da un punto di vista sostenibile ed è certificato LEED GOLD.

2.530m2 che si aggiungono alle nostre attuali strutture, con una superficie totale di produzione di 30.000m2.

Quest’impianto all’avanguardia ci consentirà di migliorare ulteriormente la sua capacità produttiva, fornendo un servizio migliore ai nostri clienti.

Il nuovo impianto sarà dotato di pannelli fotovoltaici, come il resto dell’impianto di SORALUCE. L’azienda basca autoproduce energia solare attraverso pannelli solari installati nei diversi impianti produttivi. Questa azione riduce il consumo elettrico della rete del 30% e le emissioni di CO2 nell’atmosfera diminuiscono in modo significativo.

Una promessa del brand

Oltre a presentare la nuova gamma e l’impianto di assemblaggio, SORALUCE SUMMIT 2023 è stato anche l’evento con cui SORALUCE ha inaugurato una nuova tappa,

con un nuovo messaggio, uno stile differenziato e un rinnovato impegno, mantenendo comunque integro il suo scopo.

There is Only One First è l’impegno di SORALUCE a rimanere leader tecnologici. Leader più coraggiosi, esigenti, affidabili, tenaci, orgogliosi delle nostre origini e impegnati per il futuro.

There is Only One First è il messaggio al mercato, una promessa di rivoluzione ed evoluzione da un atteggiamento di rispetto, miglioramento e leadership che condividono anche con i propri clienti e partner, perché SORALUCE aspira affinché anche questi possano guidare i propri mercati, ed essere anche loro i primi.

Maggiori informazioni su SORALUCE SUMMIT 2023 su https://www.soraluce.com/it/ summit

Forte di 60 anni di esperienza e ispirata dall’innovazione, SORALUCE contribuisce all’evoluzione del settore delle macchine utensili, offrendo una vasta gamma di fresatrici, alesatrici e torni verticali, soluzioni multifunzione oltre a sistemi e linee automatizzate. Il successo di Soraluce negli anni si è sempre basato sulla qualità, su un servizio di primo livello e una tecnologia all’avanguardia propria. L’azienda infatti sviluppa soluzioni innovative impegnate nel progresso tecnologico dei propri clienti, rispondendo alle sfide di lavorazione più

L’innovazione è in prima linea in ciò che fa Soraluce, aprendo la strada a molte delle tecnologie che guidano il settore delle macchine utensili, come il sistema DAS® (Dynamics Active Stabilizer), Modular Quill (sistema a codolo modulare) e Ram Balance (sistema dinamico di compensazione della caduta del pistone), tutti brevettati. Il marchio europeo ha una vasta esperienza, con più di 3.000 macchine vendute, quasi la metà delle quali in Germania, un mercato molto esigente e più di 500 in Italia. È stato inoltre riscontrato nel Soraluce fa parte di Danobatgroup, la divisione macchine utensili della Corporación Mondragon. Ha diversi Centri di Eccellenza in Germania, Italia, USA, Cina e Regno Unito e un proprio centro di ricerca e sviluppo in cui lavorano 120 ingegneri e 29 dottori di ricerca e più di 30 anni di storia. L’8% del fatturato di Danobatgroup viene reinvestito ogni anno in R&D.

SPECIALE ANTEPRIMA SPECIALE ANTEPRIMA BLECHEXPO BLECHEXPO 2023 2023

B L E C H E X P O 2 0 2 3 s a r à i n i n g l e s e , v e r r à p o s t a l i z z a t o a l d a t a b a s e d i 1 9 5 0 0 l e t t o r i e d i s t r i b u i t o a i v i s i t a t o r i d e l l a f i e r a

I l f o r m a t o d i g i t a l e v e r r à i n v i a t o s u i d a t a b a s e d e l l e n e w s l e t t e r d e l l ' a u t o m a z i o n e e d e l l a m e c c a n i c a p e r u n t o t a l e d i 1 2 4 5 3 8 n o m i n a t i v i q u a l i f i c a t i

Luglio/Agosto 2023 www.ammonitore.com 15
I M
Soraluce
L o S P E C I A L E A N T E P R
A
d i r c o m @ q u i n e . i t d i r c o m @ q u i n e i t P e r m a g g i o r i i n f o r m a z i o n i P r g g i o r i i n f o r m a z i o i

FIERE ED EVENTI

PLAST 2023 in chiave green

I grandi temi che stanno caratterizzando in modo trasversale il mercato dell’industria della plastica e della gomma saranno al centro di PLAST 2023, dal 5 all’8 settembre presso i padiglioni di Fiera Milano a Rho

Fari puntati sull’innovazione e sulle opportunità legate alla evoluzione dei paradigmi produttivi in ottica circolare che, assieme a sostenibilità e risparmio energetico, rappresentano i temi chiave di PLAST 2023.

Temi che saranno centrali non solo per l’offerta espositiva, ma anche per la realizzazione stessa della manifestazione, che per questa edizione punta a raggiungere migliori risultati in termini di sostenibilità.

Parte di questo processo è possibile grazie a Fiera Milano, ormai da tempo impegnata in un percorso costante di riduzione dell’impatto ambientale e delle emissioni di CO2 generate dalle manifestazioni che si svolgono nel proprio Quartiere, attraverso il controllo delle operazioni logistiche, la corretta gestione dei rifiuti e una offerta di ristorazione sostenibile.

Promaplast, organizzatore di PLAST, vuole dunque essere esempio virtuoso di questa sensibilità e aderire ai canoni di sostenibilità oggi considerati un obiettivo improrogabile. Tra gli aspetti che caratterizzano questo approccio emerge, per esempio, la disponibilità di allestimenti che rispettano i canoni dell’ecodesign e di servizi legati alla ristorazione, come quelli proposti da Fondazione Banco Alimentare, attenti a queste tematiche.

Non solo, per la prima volta Promaplast offre la possibilità di avviare un percorso rivolto alla Carbon Footprint pensato anche per poter arrivare in tempo a comunicare al PLAST 2023 i primi risultati aziendali raggiunti. Il calcolo della Carbon Footprint, infatti, oggi è il metodo più immediato e universalmente accettato per comunicare e rappresentare l’impatto ambientale di un’organizzazione. Il progetto adotterà i parametri identificati dall’Ipcc (Intergovernmental Panel on Climate Change, organismo che opera sotto l’egida delle Nazioni Unite) applicando i protocolli riconosciuti a livello internazionale (GHG Proto-

col e ISO 14064). Tradurre la propria attività in emissioni di anidride carbonica equivalente in atmosfera è indice di attenzione all’ambiente ed evidenzia la volontà di aderire ai canoni di sostenibilità oggi considerati un valore aggiunto. Tema quello della sostenibilità che insieme all’innovazione tecnologica pervaderà i 6 padiglioni che comporranno la fiera, all’interno di un’offerta espositiva che spazia dai materiali ai processi di lavorazione, dai prodotti finiti ai servizi, alle so-

luzioni più avanzate sviluppate dai costruttori di macchinari, attrezzature, ausiliari, e stampi per la lavorazione di plastica e gomma. Dopo aver lanciato, nel maggio del 2022, la mostra-convegno GREEPLAST - focalizzata proprio sugli aspetti di sostenibilità dei materiali, delle tecnologie e dei processi di trasformazione per la plastica e la gomma – anche PLAST 2023 ospiterà l’eccellenza dell’innovazione in chiave green: dai materiali sempre più sostenibili ed eco friendly ai

macchinari dal consumo energetico ridotto e capaci di trasformare i polimeri bio-based e riciclati; dai processi che consentono di utilizzare una minore quantità di materia prima mantenendo comunque un elevato livello di performance sino agli impianti di selezione e riciclo. Il calendario degli eventi collaterali in fiera sarà poi momento di approfondimento e confronto sullo stato dell’arte e sulle sfide da affrontare per evolvere verso un modello di economia sempre più sostenibile. Nel frattempo, prosegue il tour di presentazione di PLAST con la partecipazione ad alcune fiere di settore come EQUIPLAST di Barcellona, PLASTEXPO di El Jadida in Marocco e Saudi PPP di Riyadh.

In occasione della specializzata marocchina, il tema della sostenibilità e, più nello specifico, del riciclo delle materie plastiche post-consumo è stato approfondito nel corso di un seminario tecnologico, svoltosi oggi, giovedì 8 giugno, organizzato da AMAPLAST (l’Associazione dei costruttori italiani di macchine e stampi per materie plastiche e gomma, che supporta PLAST), in collaborazione con ICE-Agenzia e Fédération Marocaine de Plasturgie. Un esperto italiano ha illustrato le tecnologie più recenti e innovative in tale ambito, a livello di impianti e processi, presentando agli operatori locali i trend e le prospettive di mercato, gli investimenti richiesti per dotarsi di soluzioni adeguate al programma di “transizione green” intrapreso dal Governo del Marocco. Il futuro dell’industria della plastica e della gomma è dunque a Milano dal 5 all’8 settembre, in un evento dove sono presenti ad oggi oltre 1.200 espositori e sono attese delegazioni ufficiali di buyer da almeno una trentina di paesi. Aperte le preregistrazioni per gli operatori professionali che vogliono interagire con un’offerta specializzata e risposte trasversali alle proprie esigenze in termini di prodotti, tecnologia, soluzioni e business.

Luglio/Agosto 2023 www.ammonitore.com 16

Formnext 2023 riparte a pieno ritmo

Con già 660 aziende registrate a fine giugno, Formnext si conferma un appuntamento immancabile e quest’anno presenterà un programma di contorno arricchito di numerose offerte specialistiche e caratterizzato da una forte presenza dell’industria italiana dell’AM

Il persistente dinamismo e l‘atteggiamento fiducioso dell’industria AM si riflettono nell’altissimo numero di registrazioni alla Formnext. Tra gli espositori già registrati c’è il who’s who del mondo AM con aziende come 3D Systems, Additive Industries, Arburg, BigRep, Carbon, DMG Mori, Dyemansion, Dyndrite, EOS, EPlus, Farsoon, Formlabs, GE Additive, GKN Sinter Metals Components, Hage 3D, Hexagon, HP, Keyence, Markforged, Massivit, Nexa3D, Open Mind, Prima Additive, Renishaw, Ricoh, Roboze, Rösler, Sandvik Additive Manufacturing, Shining 3D, Siemens, Sisma, Stratasys, Trumpf, Velo3D, Voxeljet e Xjet. Inoltre si presenteranno numerose nuove aziende nonché rinomati gruppi internazionali lungo l’intera catena di processo, tra cui BASF, Bosch, Evonik, Henkel, Höganäs, Linde, Nikon, Oerlikon, Praxair e SMS Group. Anche i produttori a contratto specializzati nella stampa 3D, che spesso costituiscono per gli utilizzatori l’ingresso nella produzione additiva, sono attualmente rappresentati con 3D-Werk, FKM Sintertechnik, Jabil, Materialise, Promod Prototypenzentrum e Quickparts.

“In Italia, quale sede classica dell’industria europea, si riscontra nel frattempo un gran numero di industrie utilizzatrici che hanno mostrato entusiasmo per l’uso dell’AM e che applicano queste tecnologie in settori importanti, specialmente nell’ingegneria meccanica, nell’industria automobilistica e nell’industria in particolare”, spiega Sascha F. Wenzler, vicepresidente di Formnext presso l’organizzatore della fiera, la Mesago Messe Frankfurt GmbH. “Il grande dinamismo delle industrie utilizzatrici si riflette anche sul lato dei produttori lungo la catena del processo AM.”

AM in Italia: un mix variegato di tradizione e innovazione

Tradizionalmente l’Italia è uno dei paesi espositori più importanti alla Formnext. Per l’edizione del 2023 si sono già registrati 30 espositori italiani, i quali rappresentano uno svariato mix di giovani start-up, fornitori specializzati nella stampa 3D e aziende industriali tradizionali che hanno sviluppato le proprie soluzioni di manifattura additiva.

Grazie ad aziende come Roboze, WASP, DWS, Sisma e altre, l’industria AM italiana vanta produttori di sistemi AM noti in tutto

il mondo. Allo stesso tempo sta risultando evidente, in particolare tra gli espositori che quest’anno saranno presenti alla Formnext per la prima volta, che sempre più aziende industriali tradizionali in Italia stanno scoprendo la manifattura additiva come un mercato di smercio redditizio e stanno sviluppando rispettive soluzioni specialistiche. Ne sono un esempio Depureco Industrial Vacuums, Norblast, Fast Assembler (ognuna delle quali offre soluzioni di post-elaborazione) e lo specialista dell’automazione Inkay Technology. Alla Formnext partecipanoi per la prima volta anche la REV3RD, un fornitore di stampanti di grande formato, il fornitore di servizi AM Madeinadd e lo specialista della ceramica D3-AM, uno spin-off del Gruppo Durst. Quanto la manifattura additiva abbia già preso piede in Italia, si riflette anche nell’ampia distribuzione regionale dei nuovi espositori: da Torino a Bergamo, Bressanone, Veneto fino ad arrivare alla Puglia.

Nel complesso gli espositori italiani si concentrano prevalentemente sulle stampanti 3D e sull’hardware con soluzioni in parte molto specialistiche tra l’altro per l’industria produttiva, l’industria aerospaziale, il settore automobilistico e anche l’industria dentale, dell’arredamento e della gioielleria. Allo

stesso tempo, l’area della post-elaborazione sta diventando sempre più importante e dimostra che l’offerta e la domanda di soluzioni di post-elaborazione nel contesto dell’uso industriale della produzione additiva continuano a crescere.

Formnext goes Nordic: regione partner Scandinavia Quest’anno la regione partner della Formnext sono i Paesi nordici. Da Danimarca, Svezia, Norvegia e Finlandia provengono i principali produttori mondiali di attrezzature AM e fornitori di materiali, oltre a un gran numero di start-up innovative e medie imprese AM lungo l’intera catena di processo. Allo stesso tempo l’Europa settentrionale è leader nel pensiero sostenibile e presenterà alla Formnext delle soluzioni innovative anche in questo settore.

Modello di conferenze ulteriormente perfezionato

La Formnext ha anche perfezionato ulteriormente il suo modello di conferenze. Quest’anno il programma di conferenze si distribuirà per la prima volta su tre palcoscenici (Industry Stage, Application Stage e Technology Stage) all’interno dei padiglioni espositivi. I diversi punti principali com-

prendono importanti tendenze, applicazioni e innovazioni AM degli espositori e offrono l’opportunità di illustrare e discutere in modo approfondito vari aspetti e aree relative alla manifattura additiva. In tal modo la Formnext promuoverà ulteriormente l’importante scambio tra fornitori di tecnologia e utilizzatori e renderà i contenuti pubblicamente disponibili nei padiglioni per tutti i soggetti interessati.

Ampliamento del variegato programma di contorno

Anche il programma di contorno della Formnext 2023 è stato ulteriormente sviluppato e presenta, oltre agli eventi già consolidati, anche dei punti del tutto nuovi. Il “Service Provider Marketplace”, che include una speciale mostra automobilistica, celebrerà la sua prima edizione. L’area, organizzata in collaborazione con la Daimler Truck AG, presenterà gli sviluppi attuali, le sfide e le opportunità per i fornitori di servizi additivi.

Nella zona adiacente avrà luogo già per la nona volta la Start-up Challenge, che premia e incentiva le idee commerciali innovative e praticabili delle giovani imprese. Gli espositori della Start-up Area si faranno conoscere in brevi giri di presentazione. Al Career Day i potenziali candidati potranno informarsi sulle opportunità di carriera nel settore AM. Per le aziende che desiderano entrare nel settore AM, gli affermati seminari Discover 3Dprinting, che vengono svolti giornalmente in collaborazione con la ACAM, offriranno eccellenti scorci e consigli.

L’associazione VDMA presenterà una mostra speciale con preziose applicazioni AM nel mondo dell’igegneria meccanica e fornirà ulteriori informazioni in merito con le conferenze previste dal programma. La mostra speciale BE-AM illustrerà sulla base di applicazioni concrete, gli avanzati sviluppi dell’argomento “stampa 3D nell’industria edilizia”, che sta acquisendo sempre più importanza. Contemporaneamente il simposio BE-AM presenterà numerosi retroscena e sviluppi futuri in questo campo.

Il tema “norme e standard”, importante per l’intera industria AM e gli utilizzatori, verrà discusso anche quest’anno al rinomato ASTM Standards Forum, il quale avrà luogo il giorno precedente la Formnext, da esperti e decision maker provenienti da tutto il mondo.

Luglio/Agosto 2023 www.ammonitore.com 17
FIERE ED EVENTI

Matex, impianti di coating a prova di standard automotive con i componenti Johnson-Fluiten

Dal 1973 Matex progetta e realizza impianti per spalmatura e rifinizione tessile; in particolare i macchinari per la produzione di finta pelle sono molto apprezzati in settori dagli stringenti requisiti qualitativi come l’automotive. Per i giunti rotanti, Matex non ha dubbi: il fornitore di riferimento è Johnson-Fluiten

Specializzata nella creazione di impianti su misura per aziende di diversi settori, Matex è conosciuta in particolare per le linee dedicate al coating, in grado di creare materiali spalmati/accoppiati molto apprezzati nei settori dell’arredamento, calzatura, beni di lusso e automotive.

Le macchine per il coating di Matex, ad esempio, permettono di applicare con estrema precisione su carte release o film plastici le sostanze richieste alla produzione di materiali come l’ecopelle.

Matex è apprezzata per l’affidabilità e innovazione delle soluzioni proposte. Le economie di scala derivanti dall’elevata capacità produttiva permettono

di realizzare macchinari competitivi, sempre rispettando gli standard qualitativi dei settori più esigenti.

L’importanza dell’affidabilità

I clienti di Matex richiedono macchinari perfettamente funzionanti ma soprattutto che durino nel tempo. Per questo l’azienda esercita uno scrupoloso controllo su tutte le fasi della produzione, che si estende naturalmente ai materiali e componenti utilizzati.

In materia di giunti rotanti, necessari per il raffreddamento o il riscaldamento del materiale processato nei sui macchinari, Matex si avvale da decenni delle soluzioni prodotte da Johnson-Fluiten, che dal 2003 progetta e realizza componenti per ogni genere di applicazioni.

Ma la partnership risale addirittura a prima della fondazione dell’azienda; Matex aveva già una proficua business relationship con Fluiten, azienda che ha poi dato origine, a seguito della joint venture con Kadant-Johnson, all’attuale Johnson-Fluiten. La prova che quando si offrono soluzioni di qualità che garantiscono benefici concreti, si creano relazioni professionali a lungo temine.

“Garantire al cliente di non avere problemi con i giunti permette loro di potersi concentrare sulla qualità del processo. Qualità del processo significa prodotti migliori e di alto profilo che rendano conosciute le macchine Matex per la loro affidabilità”, spiega Marco Calcara, commerciale in Matex.

Altre caratteristiche fondamentali che i componenti per la gestione dei fluidi devono assicurare sono:

1 - il mantenimento delle prestazioni durante il tempo; questo aspetto garantisce un miglior controllo sulle macchine e sui processi chimici

2 -la rapidità delle consegne e del servizio di assistenza che sono essenziali per potersi muovere nel mercato internazionale

Componenti robusti e versatili Fra le numerose soluzioni disponibili nella gamma di Johnson-Fluiten, Ma-

tex utilizza prevalentemente giunti rotanti R e RH con dimensioni da 3/8” a 2 ½” e giunti rotanti Z da 1 ¼” a 2 ½”. I giunti R e RH, versatili e resistenti, sono compatibili con numerosi fluidi e usati soprattutto con acqua, aria e olio per il riscaldamento ma anche per il raffredamento dei cilindri. Vengono realizzati anche in versione a 2 passaggi, con sifone interno fisso o rotante, che permette la contemporanea immissione ed estrazione del fluido. Le esigenze di manutenzione di questi giunti rotanti sono minime; I giunti R e RH incorporano infatti l’esclusiva tecnologia Quick Replacement Design (QRD) di Johnson-Fluiten che permette di effettuare eventuali interventi con il giunto ancora montato in macchina, riducendo le procedure di sostituzione della tenuta a una questione di pochi minuti.

La resistenza a temperature fino a 180°C, alla pressione fino a 50 Bar e ad applicazioni con dinamiche elevate (fino a 3000 giri al minuto) li rende adatti anche alle condizioni di utilizzo più intense. Essendo fra i giunti più popolari di Johnson-Fluiten, sono sempre disponibili in magazzino e la consegna è rapidissima.

I giunti rotanti Z sono stati progettati appositamente per l’uso con olio diaterminco e particolarmente adatti per l’uso ad alte temperature (fino a 300°C) grazie alle boccole interne in grafite.

La tenuta è garantita da un anello in grafite impregnato di antimonio a contatto con il rotore e la flangia in ghisa con trattamento superficiale QPQ. Anche i giunti Z, pur essendo talmente versatili da risultare idonei per macchinari costruiti su misura per specifiche esigenze come le soluzioni Matex, sono giunti standard e come tali disponibili con grade rapidità.

Oltre alla qualità del prodotto, anche l’esperienza e la storia di Johnson-Fluiten hanno giocato un ruolo fondamentale nel determinare la scelta di questo fornitore da parte di Matex.

“Johnson-Fluiten ha dimostrato la capacità di instaurare un rapporto di fiducia che non si riassuma semplice-

mente in una compravendita, ma nella ricerca in team delle soluzioni più appropriate per ogni singola applicazione”, prosegue Marco Calcara; “il rapporto fra cliente e fornitore, nel caso di Matex e Johnson-Fluiten, si è trasformato in una partnership che garantisce il successo ad entrambi”.

Applicazioni di precisione Matex utilizza i prodotti Johnson-Fluiten nei sistemi di raffreddamento e/o riscaldamento tramite cilindri. “Le performance di queste macchine dipendono molto dalla stabilità degli elementi che la compongono per poter garantire una temperatura uniforme su tutta la larghezza della macchina,” prosegue Calcara; “la stabilità si traduce nella realizzazione di un buon prodotto e di conseguenza meno scarto. Questo a sua volta diventa risparmio da parte del cliente finale”. I prodotti realizzati con macchine Matex vengono venduti alle maggiori case automobilistiche, dove l’attenzione al mantenimento degli standard qualitativi è esasperata: ogni minimo difetto è passibile di reclamo e conseguente non accettazione del prodotto. Garantire una qualità uniformemente e costantemente elevata della produzione è quindi essenziale.

Anche per questo motivo Matex ha allestito una sala di R&D con macchinari pilota, in grado di produrre campioni di prodotto finale e simulare i processi industriali con costi molto contenuti. Per realizzare questo progetto Matex aveva la necessità di componenti subito disponibili che potessero garantire costanza di prestazioni e lunga durata utile senza intoppi: vista la diversità dei prodotti da realizzare, spesso le condizioni in termini di temperature e velocità variano notevolmente, mettendo a dura prova i componenti. Con i giunti rotanti Johnson-Fluiten, calibrati alla perfezione e dalla robusta struttura, Matex ha potuto realizzare macchinari resistenti a sollecitazioni incostanti e fortemente mutevoli.

Un supporto costante

Matex ha apprezzato molto il supporto fornito da Johnson-Fluiten, che si è manifestato come una stretta collaborazione, un modo per crescere insieme nel provare a trovare la soluzione adatta per ogni applicazione.

Nel mercato dell’automotive vale la regola “se un cliente non si fa sentire vuol dire che va tutto bene”; la tranquillità e la sicurezza che garantiscono i componenti Johnson-Fluiten crea un valore aggiunto sia per i produttori di macchinari, sia per gli utlizzatori finali. Conclude Marco Calcara: “Johnson-Fluiten è ormai diventato uno standard sui nostri impianti; non vediamo davvero motivo per non continuare l’installazione dei giunti Johnson-Fluiten nei nostri progetti futuri, confidando che la qualità e l’affidabilità continuino così”.

Luglio/Agosto 2023 www.ammonitore.com 18
IN
FABBRICA

Storia di una partnership di successo

I.DE

s.r.l., produttore di linee di trasporto, era in cerca di una soluzione completa per la trasmissione di potenza e il controllo elettronico della sezione di un suo impianto e ha trovato in Bonfiglioli il giusto collaboratore per poter sviluppare il suo progetto

I.DE s.r.l. è un’azienda italiana fondata nel 2019, ma nata dall’unione di professionisti con un’esperienza ultra ventennale nel settore della movimentazione e automazione industriale. La sua produzione varia dal trasportatore standard al sistema di movimentazione personalizzato ed è in grado di soddisfare le esigenze del cliente in ogni sua fase, pre e post acquisto, grazie al supporto post-vendita e al servizio di manutenzione a cura del suo team di professionisti altamente qualificati. I.DE s.r.l. si è rivolta a Bonfiglioli perché necessitava di una fornitura completa, dal motoriduttore all’elettronica, che gli permettesse di gestire in maniera ottimale un sistema di trasporto pallet per la gestione dei ricambi, prima e dopo di un pallettizzatore, per un importante player del settore automotive con sede a Torino.

Nello specifico era in cerca di una soluzione per la trasmissione di potenza e il controllo elettronico della sezione di un suo impianto, composta da:

• N° linee: 4

• Tipologia di linee: Nastri a Rulliere

• Lunghezza linee: 16mt

• Settore dell’END USER: Mobile Machinery OEM

• N° moto/riduttore/inverter forniti: 70

La soluzione Bonfiglioli, collaborando a stretto contatto con il cliente, ha fornito una soluzione che prevedeva la gestione di diversi moduli di rulliere, che a loro volta compongono il totale della linea; ad ogni gruppo di moto/riduttore/ inverter è poi affidata la gestione di 10 rulli per la parte meccanica e di 2 fotocellule per quanto riguarda la parte elettrica. Questi sensori vanno a verificare la presenza e il corretto avanzamento del pallet sopra il nastro a rulli. Una caratteristica importante

della soluzione di Bonfiglioli è la possibilità di cablare direttamente sull’inverter IP65, sfruttando così la scheda I/O integrata nello stesso. Passando poi lo stato delle fotocellule al PLC attraverso comunicazione PROFINET, dove ogni inverter è un nodo ethernet presente sulla network. Attraverso questa comunicazione su base ethernet con dati ciclici e aciclici è possibile monitorare tutti i dati di funzionamento del gruppo moto/ riduttore/inverter andando a verificare in tempo reale eventuali anomalie, oltre all’assorbimento in corrente del motore, la coppia richiesta dal carico ed altri valori necessari al corretto monitoraggio predittivo del gruppo di trasmissione di potenza. Questo ha permesso, dal punto di vista elettrico, di ottenere una riduzione dei costi complessivi dell’impianto, in quanto viene limitato il numero di dispositivi in bordo macchina, oltre a una diminuzione delle ore di cablaggio. In merito al montaggio dell’inverter DGM Modular, è stata scelta invece la soluzione a parete in grado di facilitare l’accesso alla parte elettronica in caso di problematiche e di garantire ingombri ridotti e allo stesso tempo, di dare la possibilità all’operatore di monitorare da lontano lo stato di ogni gruppo rulliera, verificando il led presente sull’inverter.

In totale questo impianto si compone di 70 gruppi moto/riduttore/inverter, con l’opportunità in futuro per l’end-user di sfruttare la modularità sopra descritta per modificare il layout dell’impianto o per aumentarne le dimensioni.

Durante tutta la fase di messa in servizio dell’impianto, il team di Customer Application Engineering di Bonfiglioli ha lavorato in sinergia con l’ufficio tecnico del cliente I.DE s.r.l. al fine di ottenere il corretto dimensionamento e scelta del gruppo

motoriduttore, nonché il giusto setup della parte elettronica DGM Modular.

Inoltre i software engineer del cliente hanno ricevuto una dettagliata formazione, sia riguardo al software Bonfiglioli V PLUS DEC che gestisce l’inverter, sia riguardo alle funzionalità intrinseche dello stesso, in modo da trovare il miglior compromesso applicativo di funzionamento.

Per rispondere ai suddetti requisiti, sono stati utilizzati i seguenti componenti: • un CP37, come riduttore • un MXN 10MA, come motore elettrico asincrono trifase

• un DGM Modular da 0,55 kW per la parte inverter, con comunicazione Profinet verso il plc e con la possibilità di collegare ingressi/uscite digitali a bordo dell’inverter stesso.

La soddisfazione del cliente

La collaborazione del nostro partner Bonfiglioli è stata fondamentale, ci ha fornito una soluzione completa, non solo dal punto di vista tecnico, ma anche da quello della customer experience supportandoci costantemente in ogni fase, dalla pre-vendita al commissioning, fino al post-vendita e alla formazione dei nostri software engineer.

Soluzione completa per le movimentazioni macchina

Modula è un’azienda italiana che progetta e produce soluzioni automatiche per lo stoccaggio dal 1987. Il magazzino mobile automatizzato a cassetti estremamente evoluto è da sempre il prodotto che caratterizza la storia e l’identità di questa prestigiosa realtà leader nel settore.

I progetti di Modula, infatti, comprendono magazzini automatici e attrezzature per le postazioni di lavoro per le aziende di ogni settore merceologico con un portfolio clienti provenienti da settori quali, ad esempio: automotive, aerospaziale, meccanico, metallurgico, siderurgico, chimico, pneumatico, farmaceutico, elettronico, ceramico, packaging, plastico e cartaio.

Nello sviluppare diverse soluzioni di stoccaggio focalizzate alla soddisfazione dei bisogni della molteplice clientela, ha prodotto soluzioni ad elevata densità di stoccaggio con risparmi fino al 90% dello spazio a terra e operazioni di picking veloci, in ottica di ottimizzazione dei tempi.

L’intervento Bonfiglioli

Modula aveva l’esigenza di trovare un partner in grado di proporre una soluzione tecnica completa (motoriduttore + drive), performante e affidabile, in grado di soddisfare tecnicamente le complesse e variegate esigenze applicative.

In questo frangente Bonfiglioli è intervenuta fornendo un “pacchetto completo” di prodotti a supporto di tutte le movimentazioni

macchina, le motorizzazioni ed il controllo elettronico.

Nello specifico, la soluzione offerta si è così

composta:

• Sollevamento: F41 \ BN + Brake \ ACU

• Vassoio: A10 \ BN \ ACU

• Uscita in baia: VF49 \ BN + Brake \ AGL

• Portella: VF44 \ BN + Brake \ AGL

Da fornitori a partner strategici

Tra le particolarità di questo progetto, Modula aveva l’esigenza di controllare tramite un solo inverter due motori, i quali azionano la traslazione verticale e orizzontale dei cassetti all’interno del magazzino.

L’esigenza applicativa nella gestione di due applicazioni di fatto diverse è stata soddisfatta sviluppando per l’inverter ACU

un firmware personalizzato per il cliente in grado di soddisfare questa esigenza applicativa.

Una soluzione articolata che trasforma l’intervento Bonfiglioli in un’azione strategica che coniuga progettazione e operatività. Siamo molto fieri dei risultati ottenuti e per questo vogliamo ringraziare tutte le preziose risorse coinvolte.

Luglio/Agosto 2023 www.ammonitore.com 19 IN FABBRICA

PRODOTTI

LA500: il nuovo azionamento AC per applicazioni di sollevamento

LA500 è il nuovo inverter compatto Yaskawa per applicazioni di sollevamento. Grazie alle sue nuove caratteristiche e all’elevato grado di affidabilità, offre il massimo comfort di viaggio. Inoltre la semplicità di integrazione nei sistemi di sollevamento esistenti lo rende la soluzione ideale per risparmiare tempo e per ridurre i costi di installazione. LA500 rappresenta l’ultima generazione di inverter per ascensori di Yaskawa: un azionamento compatto che rappresenta un notevole passo evolutivo rispetto ai modelli della serie precedente, appositamente progettato per una facile integrazione nei sistemi di sollevamento già esistenti. La funzionalità SIL3 STO consente il funzionamento senza contattori del motore.

In LA500 sono integrati di serie un filtro EMC di classe C2 conforme alla norma EN12015, schede rivestite (3S2 e 3C2 per ambienti difficili) e chopper di frenatura: questo consente di ridurre notevolmente il nu-

mero di componenti nel quadro elettrico, risparmiando spazio e aumentando al contempo l’affidabilità del sistema. Un’altra novità è la funzione di regolazione del punto morto che permette il controllo del motore senza rimuovere i cavi. In questo modo è assicurata una calibrazione ottimale del motore in po-

chi secondi, senza bisogno di azionare il motore che peraltro non deve essere ‘ruotato’ durante la messa in servizio se, ad esempio, il senso di rotazione è stato cablato in modo errato. Ciò significa che le impostazioni di base possono essere configurate in pochi minuti, risparmiando tempo e denaro.

Massimo comfort di viaggio Durante lo sviluppo di LA500, Yaskawa ha posto grande attenzione al controllo del motore e al comfort di viaggio. Questo azionamento compatto per ascensori può ora essere utilizzato anche per applicazioni con controllo ad anello chiuso (con un encoder motore), il che ne amplia notevolmente il potenziale di utilizzo in progetti di ristrutturazione e nuovi sistemi. Oltre ad un elevatissimo comfort di viaggio, si ottiene anche una riduzione del rumore dell’ascensore fino al minimo. La nuova funzione di riduzione del rumore raggiunge performance d’eccezione grazie alla regolazione

automatica delle frequenze di commutazione. Con un controllo preciso del motore e un’elevata coppia di avviamento, profili di corsa configurabili in modo flessibile e un controllo del freno dall’affidabilità più che provata, LA500 offre tutto il necessario per una guida fluida e una gestione precisa della posizione dell’ascensore. Lunga durata e design sostenibile Come tutti gli inverter Yaskawa, anche il nuovo LA500 sostenibile è progettato per garantire dieci anni di funzionamento senza manutenzione. Per questo si distinguono perla robusta configurazione hardware, che consente il funzionamento senza alcuna riduzione della potenza a temperature ambiente fino a 50 °C e presenta un consumo energetico molto basso, inferiore a 10 W in modalità standby. L’energia non viene risparmiata solo in modalità standby, ma anche durante il funzionamento. Ad esempio, le ventole di LA500 sono gestite in funzione della temperatura e funzionano solo quando sono realmente necessarie. Oltre a risparmiare energia, questo previene l’accumulo di sporco conseguente alla polvere in movimento nell’aria all’interno del quadro elettrico.

Nei settori alimentare, farmaceutico e cosmetico si applicano regole molto rigide per garantire che i prodotti non vengano contaminati. L’igiene è il requisito fondamentale dal quale i produttori di macchine non possono prescindere. I macchinari impiegati in questi comparti industriali vengono comunemente puliti con detergenti e prodotti chimici. Ma l’umidità può accumularsi anche nei più piccoli punti ciechi, rischiando di causare contaminazioni. Per questo motivo è importante che i costruttori di impianti si assicurino di progettare i sistemi utilizzando componenti e materiali conformi al concetto di Hygienic Design e alle normative FDA e UE. igus, da tempo membro dell’associazione EHEDG, ha sviluppato il primo sistema di guide lineari basato sui principi dell’Hygienic Design. L’utilizzo di materiali conformi alle normative FDA, come il polimero ad alte prestazioni iglidur A160 e l’acciaio inossidabile alto legato, la struttura autodrenante e l’interno lavabile del carrello garantiscono la conformità agli standard della progettazione igienica. “Stiamo registrando una crescente attenzione dei progettisti verso i principi della progettazione igienica, che si declina in una ricerca di componenti con struttura aperta atti a resistere a regolari processi di

Nuovi moduli di sicurezza serie SR

Progettati per coprire la maggior parte delle categorie di rischio attualmente esistenti, i moduli di sicurezza LOVATO Electric sono utilizzabili fino alla categoria 4 livello di prestazione fino a PLe secondo la norma di sicurezza funzionale EN/ISO/BS 13849-1, che viene inquadrata nel contesto della Direttiva Macchine.

L’offerta è composta da 2 serie per un totale di 7 codici che consentono di monitorare e controllare in modo sicuro i circuiti di sicurezza, correlati a rischi per l’uomo e le macchine stesse.

La serie SRB… è pensata per gestire stop di emergenza, finecorsa di sicurezza, sensori magnetici e interblocchi meccanici di sicurezza, mentre la serie SRA… , grazie alla presenza di un codice multifunzione con selet-

pulizia con prodotti chimici, vapore e acqua ad alta pressione”, spiega Matteo Zaniboni – specialista applicazioni dell’industria alimentare di igus Italia. Inoltre, le aziende richiedono sempre più frequentemente componenti esenti da lubrificazione che possano essere puliti rapidamente, riducendo così i tempi di inattività. Per rispondere a queste esigenze, igus ha sviluppato la nuova guida lineare drylin W che rispetta tutti i parametri della progettazione igienica. igus, in-

fatti, ha da tempo aderito all’EHEDG, nota associazione tedesca che riunisce importanti fornitori del settore alimentare, università, autorità sanitarie e istituti di ricerca.

Design senza incavi con materiali idonei

La sfida principale è stata quella di realizzare una struttura priva di cavità o fessure con lo scopo di progettare una slitta e una guida autodrenanti che permettessero ai liquidi di

defluire liberamente, evitando ogni accumulo d’acqua. “Si tratta di una novità assoluta per il mercato delle tecnologie lineari. Finora la maggior parte delle soluzioni in esecuzione igienica si basavano su unità completamente chiuse”, aggiunge Zaniboni. Questa nuova slitta autodrenante è interamente realizzata con il polimero ad alte prestazioni iglidur A160, uno dei materiali igus conformi alle normative FDA e EU10/2011. Esente da lubrificazione, iglidur A160 ha già dato prova della sua efficacia come materiale per cuscinetti a strisciamento in numerose applicazioni per i settori alimentare, farmaceutico e cosmetico. Le viti igieniche e le ampie scanalature sono utilizzate anche come metodo per evitare l’accumulo di acqua, mentre i bordi smussati agevolano il deflusso delle soluzioni detergenti. La guarnizione inferiore protegge lo spazio sotto la guida da eventuali depositi, garantendo l’assenza di residui delle diverse lavorazioni. Gli alberi sono anch’essi sigillati per evitare l’accumulo di sporcizia negli eventuali spazi vuoti. Per la guida lineare, igus ha scelto di utilizzare acciaio inossidabile 316 alto legato resistente alla corrosione, per evitare la formazione di strutture superficiali microscopiche alle quali potrebbe aderire lo sporco.

tore frontale, copre tutte le applicazioni già citate e in aggiunta anche i dispositivi per controllo a due mani e dispositivi con uscite OSSD (barriere fotoelettriche, RFID, laser scanner...).

L’offerta prevede anche la presenza di un modulo di espansione di uscite sicure che consente di espandere il numero di uscite a relè a disposizione,

per poter così comandare più macchine contemporaneamente.

La copertura di numerose applicazioni con un numero limitato di codici permette un’estrema semplificazione nella gestione dei codici a magazzino. Ma il risparmio non è solo economico, grazie infatti alla loro forma compatta

consentono di salvaguardare spazio all’interno del quadro elettrico: i moduli della serie SRB… sono larghi solo 17.8 mm.

Grazie agli speciali connettori a vite rimovibili i moduli di sicurezza SR… sono estremamente semplici da cablare, questo consente di risparmiare tempo e di evitare errori di installazione.

I LED frontali di diagnostica permettono una maggior visibilità per una più facile e comprensibile ricerca di eventuali guasti sui circuiti di controllo esterni.

I nuovi moduli di sicurezza sono omologati cULus per il mercato nordamericano e TÜV per garantire la conformità alla Direttiva Macchine 2006/42/EC.

Luglio/Agosto 2023 www.ammonitore.com 20
La prima guida lineare basata sui principi dell’Hygienic Design

MV Design

Le morse autocentranti possono essere facilmente trasformate in morse a bloccaggio fisso o in morse a doppio bloccaggio con meccanismo completamente compensante.

ALTE IMG BASIC 27020 Trivolzio (PV) ITALY Viale dell’Industria 6 Tel. +39 0382 93 00 00 E-mail  omlspa@omlspa.it Web  www.omlspa.it OFFICINA MECCANICA LOMBARDA S.r.l. Scopri di più

PRESTAZIONI DI BLOCCAGGIO

di manovra completamente protetta con sistema telescopico brevettato.

Luglio/Agosto 2023 www.ammonitore.com 21
Autocentrante Doppio Bloccaggio Fissa Vite
Bloccaggio fino a 50Kn. La forza di bloccaggio, abbinata al sistema brevettato SinterGrip, garantisce altissime prestazioni. VITE PROTETTA BREVETTATA MODULARITÀ
Con ganasce Basic, senza inserti Sintergrip

SCOPE la nuova soluzione digitale per l’industria intelligente

Sorveglianza remota, individuazione dei guasti, visualizzazione e ottimizzazione delle flotte di robot. Tutte queste azioni possono essere eseguite comodamente e in maniera efficiente grazie alla nuova piattaforma SCOPE di Stäubli.

La connettività e la rete sono argomenti molto importanti nella produzione industriale. Per questo motivo i progressi in questo settore devono essere implementati in modo completo ed efficiente anche nel campo della robotica: così Stäubli ha lanciato la piattaforma digitale SCOPE che offre il monitoraggio in rete dei robot.

L’acronimo SCOPE sta per “Smart, Connect, Optimize, Prevent and Enable” (Intelligente, Connettività, Ottimizzare, Prevenire e Abilitare), e il nome riassume perfettamente la natura di questa soluzione digitale per il monitoraggio delle flotte di robot. La piattaforma aggrega, elabora, analizza e visualizza i dati specifici del robot direttamente sul posto. Sulla dashboard centrale, inoltre, gli utenti possono visualizzare una molteplicità di dati operativi rilevanti

per ciascun sistema robotico individuale. Questo permette di avere le condizioni ideali per rilevare irregolarità o deviazioni graduali direttamente dalle specifiche e, di conseguenza, si possono intraprendere le opportune azioni preventive prima che la qualità del lavoro

venga compromessa, che i componenti si danneggino o che la linea di produzione si arresti. I dati che vengono raccolti in tempo reale da SCOPE possono essere comunicati anche a livelli superiori di architettura oppure a strumenti di analisi e

database. SCOPE, perciò, è in grado di inviarli tramite mqtt, http e websocket. Inoltre, è possibile utilizzare anche la connessione al sistema ERP, SCM o MES dell’utente.

La trasparenza dell’intera flotta I benefici di SCOPE sono evidenti. I professionisti del settore manifatturiero hanno sempre un quadro dello stato di tutti i robot e, grazie a questa soluzione digitale, potranno analizzare i dati e, in caso di problemi, intervenire nell’immediato. SCOPE permette di programmare anche le manutenzioni predittive con la possibilità di ottimizzazioni controllate da parte dell’intelligenza artificiale.

Grazie alla possibilità di caricare e allo stesso tempo utilizzare gli aggiornamenti e le versioni future, per gli utenti dei robot Stäubli questa piattaforma può diventare uno strumento utile per ridurre al minimo i tempi di inattività, ottimizzare la produttività dei sistemi e prolungare i cicli di vita dei macchinari di produzione.

Interfaccia IoTper la gestione del clima e armadi elettrici

La raccolta e la disponibilità di dati di processo e di macchina è un presupposto fondamentale per Industria 4.0 e per la trasformazione digitale della produzione. Senza di essi vengono precluse molte importanti funzionalità, a partire dalla manutenzione predittiva. Per questo Rittal ha sviluppato una soluzione di interfaccia IoT pensata per l’integrazione ottimale di sistemi gestione del clima e armadi nelle applicazioni di monitoraggio 4.0.

L’interfaccia permette il retrofit digitale di tutti i chiller e i condizionatori Rittal della serie Blue e+, senza comportare interferenze con la logica di automazione. La sua messa in servizio si basa su una logica plug & run: il server web integrato rende la configurazione e la messa in servizio veloce e agevole, senza richiedere alcuna programmazione. L’interfaccia IoT può venire impiegata anche con i condizionatori della precedente serie Blue e grazie all’impiego dell’apposito Adattatore IoT Blue e.

La stessa interfaccia più inoltre venire abbinata ad opportuni sensori per monitorare in modo affidabile un’ampia gamma di parametri dei

Nuove torrette di segnalazione serie TL 305

Le torrette di segnalazione sono indispensabili nella costruzione di macchine e impianti e nell’intralogistica: Rendono chiaramente visibili a distanza gli stati, i guasti e i processi in corso. Le nuove torrette di segnalazione Leuze della serie TL 305 sono in grado di fare tutto questo in modo estremamente affidabile. Si illuminano in modo luminoso, uniforme e completo. Ciò consente una segnalazione ottimale, sia sulla macchina che sul nastro trasportatore o per il controllo degli accessi. Le torrette compatte sono disponibili preconfigurate con tre, quattro o cinque segmenti. La nuova gamma di torrette di segnalazione comprende i modelli TL 305 con assegnazione predefinita dei colori e i modelli TL 305-IOL con interfaccia IO-Link. Le varianti IO-Link consentono diverse modalità di funzionamento e offrono un’ampia scelta di colori. Su richiesta, le torrette di segnalazione sono disponibili anche con segnalatore acustico aggiuntivo.

Implementazione facile e veloce Gli operatori del sistema traggono

vantaggio dall’immediata utilizzabilità delle torrette di segnalazione. La filettatura M30 e il connettore M12 ne facilitano l’installazione. Gli accessori abbinati semplificano l’installazione. Tutti i modelli della serie sono caratterizzati da un design robusto e di alta qualità. L’alloggiamento in alluminio consente di utilizzare le torrette di segnalazione anche in ambienti industriali difficili.

Configurazione flessibile

La versione IO-Link TL 305-IOL, con le sue diverse modalità operative, offre la massima flessibilità.

La modalità Segmento consente di azionare i segmenti individualmente tramite IO-Link. In questo modo è possibile configurare individualmente il colore, l’intensità e le sequenze di illuminazione. La modalità Livello viene utilizzata per visualizzare i livelli di riempimento. Se è necessaria una messa in funzione rapida, gli utenti possono attivare otto configurazioni predeterminate o definite dall’utente tramite i tre ingressi trigger esterni, anche senza connessione IO-Link.

quadri elettrici e di comando. Per permettere una messa in servizio rapida ed ottimale senza bisogno di attività di engineering impegnative, Rittal ha già sviluppato dei bundle che combinano interfaccia IoT, sensori/hardware su misura e soluzioni di connettività ottimizzate per ogni specifica esigenza di monitoraggio. In funzione delle specifiche applicative, è così possibile dotare anche armadi già operativi di sistemi di controllo dell’umidità o della temperatura interna al quadro, monitorare la chiusura delle porte e degli accessi agli armadi, oltre che rilevare sul nascere eventuali incendi.

Il modulo IOT può essere collegato ai PLC e integrato con sistemi di Energy Management e Software di manutenzione degli Asset.

Grazie all’interfaccia IoT l’utente può quindi realizzare un retrofit digitale piuttosto completo dei propri sistemi, abilitando di fatto il Condition Monitoring di sistemi e processi. Il risultato è un sensibile aumento della disponibilità e la sicurezza dei siti produttivi e un’ottimizzazione dei consumi energetici.

Luglio/Agosto 2023 www.ammonitore.com 22
PRODOTTI
Luglio/Agosto 2023 www.ammonitore.com 23
INSERZIONISTI AMC 9 CRM Mazzoccato I COP EMO Hannover 7 Gerardi .................................................................................................. 24 Hydromatic 17 Infa 17 OML ...................................................................................................... 21 pagina_pubblicitaria.indd 1 30/06/20 16:57 ACIMALL 4 Analog Devices 3 ANIMA 3 Bonfiglioli 19 DKC 2 Formnext 17 Holex 4 igus ..................................................................................................... 20 Johnson-Fluiten 18 Keb Automation .................................................................................... 2 KEBA 4 Leuze .................................................................................................. 22 Lovato Electric 2, 20 MiR ....................................................................................................... 5 Modula 19 Plast ................................................................................................... 16 Rittal 22 Soraluce ............................................................................................. 14 SPS Italia 6 Staubli 22 Yaskawa 20 C M Y MY CY CMY K
ABBIAMO PARLATO DI

MADE IN ITALY

GSP

MOLTIPLICATORI DI GIRI

EVOLUTION LINE

NUOVI MODELLI EDIZIONE PREMIUM

Scansiona il QR code e scopri l’intera gamma !!

ANCORA PIÙ VELOCI

Ingranaggi rettificati per una trasmissione di potenze e velocità elevate

REFRIGERAZIONE INTERNA

Disponibile la refrigerazione interna con pressione fino a 70bar

La serie Premium dei moltiplicatori di giri serie è stata studiata e definita con l’intento di offrire un prodotto che possa assicurare la massima affidabilità nelle operazioni di foratura. I moltiplicatori di giri possono essere utilizzati su macchine tradizionali o con cambio utensile automatico. La lubrificazione è assicurata con grasso a base sintetica a lunga vita che non richiede praticamente interventi di manutenzione.

IDEALI PER OPERAZIONI DI FORATURA!

www.gerardi.it
Hall 005 / Booth C66

Turn static files into dynamic content formats.

Create a flipbook
Issuu converts static files into: digital portfolios, online yearbooks, online catalogs, digital photo albums and more. Sign up and create your flipbook.