AiCARR Journal #77 - Reti di distribuzione | IPMVP

Page 1

LA RIVISTA PER I PROFESSIONISTI DEGLI IMPIANTI HVAC&R Organo Uffi ciale AiCARR POSTE ITALIANE SPA – POSTA TARGET MAGAZINE - GIPA/LO/CONV/003/2013. ISSN:2038-2723 ANNO13 - NOVEMBRE-DICEMBRE 2022 DECRETO REQUISITI MINIMI: LE NOVITÀ NELLA REVISIONE IL BILANCIAMENTO IDRONICO ALLA LUCE DELLA EN ISO 52120-1 SISTEMA DI CONTROLLO PER OTTIMIZZARE IL RADIANTE WATER LOOP HEAT PUMP PER LA RIQUALIFICAZIONE DIMENSIONAMENTO DEI CAMPI SONDA GEOTERMICI, UNA WEBAPP IPMVP LA DISCIPLINA DEL M&V NEI CONTRATTI SERVIZIO ENERGIA L’APPLICAZIONE DEL PROTOCOLLO IPMVP PER LA VALORIZZAZIONE DEL RISPARMIO ENERGETICO INDUSTRIALE #77 RETI DI DISTRIBUZIONE IPMVP
gree.argoclima.com
Sistema di apprendimento ad INTELLIGENZA ARTIFICIALE G-AI CLIVIA Più utilizzi, più impara, più risparmi.
Distribuito in esclusiva per l’Italia da Argoclima S.p.A.

Periodico Organo ufficiale AiCARR n. 77 dicembre 2022 www.aicarrjournal.org

EDITORS IN CHIEF

Francis Allard (France)

Filippo Busato (Italy)

HONORARY EDITOR

Bjarne Olesen (Denmark)

ASSOCIATE EDITORS

Karel Kabele (Czech Republic)

Valentina Serra (Italy)

SCIENTIFIC COMMITTEE

Ciro Aprea (Italy)

William Bahnfleth (USA)

Marco Beccali (Italy)

Umberto Berardi (Italy)

Anna Bogdan (Poland)

Alberto Cavallini (Italy)

Iolanda Colda (Romania)

Stefano Corgnati (Italy)

Annunziata D’Orazio (Italy)

Filippo de’ Rossi (Italy)

Livio de Santoli (Italy)

Marco Dell’Isola (Italy)

Giorgio Ficco (Italy)

Marco Filippi (Italy)

Manuel C. Gameiro da Silva (Portugal)

Cesare M. Joppolo (Italy)

Dimitri Kaliakatsos (Italy)

Essam Khalil (Egypt)

Jarek Kurnitski (Latvia)

Renato M. Lazzarin (Italy)

Catalin Lungu (Romania)

Anna Magrini (Italy)

Zoltán Magyar (Hungary)

Rita M.A. Mastrullo (Italy)

Livio Mazzarella (Italy)

Arsen Melikov (Denmark)

Gino Moncalda Lo Giudice (Italy)

Boris Palella (Italy)

Federico Pedranzini (Italy)

Fabio Polonara (Italy)

Piercarlo Romagnoni (Italy)

Francesco Ruggiero (Italy)

Luigi Schibuola (Italy)

Giovanni Semprini (Italy)

Jorn Toftum (Denmark)

Timothy Wentz (USA)

Claudio Zilio (Italy)

REDAZIONE

Giorgio Albonetti | Direttore Responsabile

Erika Seghetti | Coordinamento Editoriale – redazione.aicarrjournal@quine.it

Hanno collaborato a questo numero | Juan Bandera Cantalejo, Filippo Busato, Francisco Fernández Hernández, Marco Fossa, Samuele Memme, Fabio Minchio, Stefano Morchio,Mattia Parenti, Luca Pauletti, Luca Alberto Piterà, Antonella Priarone, Davide Truffo, Ilario Zanetti

MANAGEMENT BOARD

Giorgio Albonetti

Filippo Busato

Luca Alberto Piterà

Erika Seghetti

EDITORIAL BOARD

Carmine Casale

Pino Miolli

Marco Noro

Luca Alberto Piterà

Valentina Serra

Luigi Schibuola

Claudio Zilio

PUBBLICITÀ

Costantino Cialfi | Direttore Commerciale – c.cialfi@lswr.it – cell. 346 705086

Ilaria Tandoi | Ufficio traffico – i.tandoi@lswr.it

SERVIZIO ABBONAMENTI

abbonamenti.quine@lswr.it – tel. 02 864105

Abbonamento annuale (6 fascicoli): 55 €

PRODUZIONE

Antonio Iovene | Procurement Specialist – a.iovene@lswr.it – cell. 349 1811231

Grafica e Impaginazione: Marco Nigris

Stampa: Aziende Grafiche Printing srl – Peschiera Borromeo (MI)

EDITORE

Quine srl

Sede legale

Via Spadolini, 7 – 20141 Milano www.quine.it – info@quine.it – tel. 02 864105

AiCARR journal è una testata di proprietà di AiCARR – Associazione Italiana Condizionamento dell’Aria, Riscaldamento e Refrigerazione

Via Melchiorre Gioia 168 – 20125 Milano Tel. +39 02 67479270 – Fax. +39 02 67479262 www.aicarr.org

Gli articoli presenti all’interno di AiCARR Journal sono il risultato di una libera e personale interpretazione dei relativi autori. In nessun caso le idee espresse dall’autore possono essere considerate come parere di AiCARR. Nel caso in cui qualche diritto di autore sia stato involontariamente leso, si prega di contattare l’autore dell’articolo, al fine di risolvere ogni possibile conflitto.

Crediti Formativi Professionali per gli autori di AiCARR Journal

Grazie all’accreditamento di AiCARR Journal presso il Consiglio Nazionale degli Ingegneri, agli ingegneri iscritti all’Albo che forniranno contributi alla rivista verranno attribuiti 2,5 CFP ad articolo pubblicato.

Per la proposta di articoli, potete scriverci all’indirizzo di redazione: redazione.aicarrjournal@quine.it

SUBMIT YOUR PAPER

Tutti i membri dell'associazione possono sottoporre articoli per la pubblicazione. Ricordiamo che dal 1 aprile 2014, tutti i contributi autorali sono sottoposti a Blind Peer Rewiew.

www.aicarrjournal.org

Testata Associata Aderente

Posta target magazine - LO/CONV/020/2010. Iscrizione al Registro degli Operatori della Comunicazione nº 12191 del 29/12/2005

Tutto il materiale pubblicato dalla rivista (articoli e loro traduzioni, nonché immagini e illustrazioni) non può essere riprodotto da terzi senza espressa autorizzazione dell’Editore. Manoscritti, testi, foto e altri materiali inviati alla redazione, anche se non pubblicati, non verranno restituiti. Tutti i marchi sono registrati.

Ai sensi dell'art. 13 Regolamento Europeo per la Protezione dei Dati Personali 679/2016 di seguito GDPR, i dati di tutti i lettori saranno trattati sia manualmente, sia con strumenti informatici e saranno utilizzati per l’invio di questa e di altre pubblicazioni e di materiale informativo e promozionale. Le modalità di trattamento saranno conformi a quanto previsto dagli art. 5-6-7 del GDPR. I dati potranno essere comunicati a soggetti con i quali Quine srl intrattiene rapporti contrattuali necessari per l’invio delle copie della rivista. Il titolare del trattamento dei dati è Quine srl chiedere l’aggiornamento, l’integrazione, la cancellazione e ogni altra operazione di cui agli articoli 15-21 del GDPR.

EHT PROGETTIAMO PER GARANTIRE GRANDE COMFORT E RESE ELEVATE

TRAVI FREDDE ATTIVE: L’IGIENE, L’EFFICIENZA E IL BENESSERE IN PRIMO PIANO

Le travi fredde attive EHT integrano in un solo apparecchio le funzioni di controllo della temperatura, ventilazione, raffrescamento, riscaldamento e distribuzione dell’aria in locali con altezza variabile fino a 4 mt come uffici open space, aeroporti, stazioni ferroviarie, corsie ospedaliere e, in generale, in ambienti ampi.

I vantaggi di un impianto così costituito sono molti: corretto ricambio dell’aria e omogeneità di temperatura nell’intero spazio occupato, massimo rispetto dell’ambiente e risparmio energetico grazie all’ottimizzazione delle batterie alettate che ha permesso il massimo coefficiente di scambio termico con ridotte perdite di carico lato aria e lato acqua, massimo comfort acustico garantito dall’innovativo design degli ugelli che raggiungono rapporti di induzione altissimi, facilità di manutenzione ed elevati standard di igiene.

Sono compatibili con una vasta gamma di soffitti e controsoffitti modulari e installabili in impianti 4 tubi. L’utilizzo di questi terminali di raffrescamento è possibile all’interno di impianti con due differenti livelli di produzione dell’acqua refrigerata.

Aermec S.p.A. via Roma, 996 - 37040 Bevilacqua (VR) T. +39 0442 633111 www.aermec.com
Ingresso primaria Collaborazione d’eccellenza per un prodotto di qualità senza compromessi

SOSTENIBILITÀ: DOBBIAMO ESSERE DETERMINATI

Quando guardiamo una delle foto del paesaggio scattato dalla superficie del pianeta Marte, ci possiamo chiedere: è un pianeta prima della comparsa dell’uomo, è un pianeta senza l’uomo, o è un pianeta dopo l’uomo?

La risposta corretta potrebbe essere “tutte delle precedenti”.

Di recente è stato introdotto nella lettura scientifica (anche medica) il termine “eco-ansia”, definito come “la sensazione generalizzata che le basi ecologiche dell’esistenza siano in procinto di crollare” (Albrecht, 2019), la cui forma prevalente – riconosciuta – è quella relativa al cambiamento climatico antropogenico. Ciò significa che parte della popolazione soffre di un problema legato alle sempre maggiori evidenze del fenomeno. Sappiamo anche che l’aumento della temperatura media del pianeta al 2040 non sarà “addirittura”, ma “almeno” 1,5 °C.

Non si vogliono minimizzare i problemi relativi alle risorse (acqua, cibo) che generano talvolta con itti, ma si vuole cercare invece un punto di equilibrio rispetto ad alcune posizioni catastro ste (reali o strumentali), consapevoli del fatto che la scarsità è dovuta all’esplosione demogra ca dello scorso e del presente secolo e al cambiamento delle abitudini di vita dei paesi sviluppati nel tempo globalizzato.

I nostri sguardi rimangono sempre puntati sull’obiettivo, che non è solo l’aumento di e cienza, e non è solo la penetrazione delle rinnovabili, ma è quello della riduzione dei consumi di fonti primarie ad elevato

impatto ambientale e della riduzione “assoluta” delle emissioni di CO2.

Si parla di riduzione assoluta perché quella specifica (pro-capite) sta invece già avvenendo (!), a ritmi medi mondiali dell’1% annuo, ma non è ahimè sufficiente perché non è in grado di compensare l’aumento della popolazione. È necessario fare di più, consapevoli di costi marginali crescenti e benefici marginali decrescenti. Solo nell’ambito delle costruzioni ad esempio, da qui al 2060 si costruiranno edifici per una superficie calpestabile complessiva che si sviluppa al ritmo di una città di New York al mese (architecture2030.org); e più gli edifici saranno efficienti, minore sarà il contributo delle emissioni legate al funzionamento e più importanti saranno invece quelle legate alla costruzione e decommissioning, con un peso sempre crescente del processo edilizio e dell’economia circolare a valle.

Inoltre, di fronte al prezzo crescente delle fonti energetiche (pensiamo anche soltanto al gas naturale), è crescente anche il vantaggio dato dalla decarbonizzazione rispetto alla diversi cazione dei fornitori. Come sottolinea il presidente del coordinamento FREE Livio de Santoli, decarbonizzare è più economico che diversi care1.

La s da è importante, e abbiamo gli strumenti per vincerla: una rete con vettori più puliti (penso alla penetrazione dell’idrogeno), un maggiore utilizzo delle rinnovabili, una riduzione dei consumi che passa attraverso tecnologia, gestione, comportamento.

#77 4 EDITORIALE
Filippo Busato, Presidente AiCARR
1 https://www.tpi.it/opinioni/caro-energia-perche-decabornizzare-meglio-diversificare-20221128954535/
www.sagicofim.com
AUGURI BEST
I MIGLIORI
WISHES MEILLEURS VOEUX

20

NORMATIVA

Decreto Requisiti Minimi: partita la revisione

In attesa del testo integrale e definitivo, ecco le principali novità contenute ad oggi nella revisione del DM 26 giugno 2015 L.A. Piterà

RETI DI DISTRIBUZIONE

24

Bilanciamento e regolazione dei circuiti idronici alla luce della EN ISO 52120-1

Analisi delle novità introdotte dalla EN ISO 52120-1, la prima norma recepita in Italia che indica in modo organizzato quali devono essere i nuovi requisiti del bilanciamento idronico e del controllo delle pompe in funzione delle prestazioni energetiche volute per l’edificio L. Pauletti

SISTEMI DI CONTROLLO

32

Un modello di controllo per ottimizzare le prestazioni del pavimento radiante con un ventilconvettore canalizzato a zone

Lo studio ha analizzato e valutato i benefici, in termini prestazionali, di un sistema di controllo combinato rispetto a un controllo convenzionale D. Truffo, F. Fernández Hernández, J. Bandera Cantalejo

TECNOLOGIA

40

La riqualificazione impiantistica con il sistema Water Loop Heat Pump

Il tasso di rinnovamento del settore edile è ancora troppo basso per raggiungere gli obbiettivi di decarbonizzazione entro le tempistiche fissate dalla Comunità Europea. Serve un nuovo approccio per l’utilizzo di pompe di calore in edifici plurifamiliari esistenti I. Zanetti

IPMVP

46

L’applicazione del Protocollo IPMVP nei contratti servizio energia

La disciplina del M&V (Measurement and Verification) relativa ai risparmi energetici si sta diffondendo sempre di più nei contratti sia in contesto pubblico sia in quello privato. Ma sussistono ancora dei limiti e delle problematiche da risolvere F. Minchio

CASE STUDY

50

La valorizzazione del risparmio energetico industriale in una rendicontazione secondo il protocollo IPMVP®

Il caso di studio presentato dimostra come l’applicazione del Protocollo IPMVP al fine di una valutazione dei reali benefici energetici ed economici di un intervento, specie in un periodo di inflazione elevata come quello attuale, può portare a risultati importanti F. Busato

STRUMENTI

56

Una WebApp per il dimensionamento dei campi sonda geotermici per applicazioni a pompa di calore

I ricercatori dell’Università di Genova hanno sviluppato uno strumento di calcolo completo e gratuito per il dimensionamento dei campi di sonde geotermiche secondo l’algoritmo Ashrae-Tp8 M. Fossa, S. Memme. S. Morchio, M. Parenti, A. Priarone

#77 AiCARR Informa 62 Editoriale 4 Novità prodotti 8

Giacomini SpaVia Per Alzo, 3928017 San Maurizio d’Opaglio (NO)ItaliaTelefono +39 0322 923111giacomini.com

Performance di un’altra dimensione.

Defangatore R145XC: extra compattezza per chi vuole extra prestazioni.

Così piccolo eppure così potente: nel nuovo filtro defangatore R145XC di Giacomini è tutto “extra”, non solo la compattezza! È extra performante, con Il magnete ad alte prestazioni e l’ampia superficie filtrante che riduce gli interventi di manutenzione. Extra efficiente, grazie al campo di portata più alto che diminuisce perdite di carico e consumi. Extra comodo, perché puoi collegarlo in qualsiasi posizione sotto la caldaia, e si pulisce senza dover svuotare l’impianto.

RISCALDAMENTO A PARETE PER UN CALDO RAPIDO ED EFFICACE

La serie di termoventilatori MICROSOL® di VORTICE, installabili a parete, sono progettati per garantire, in modo efficace e sicuro, il necessario calore in abitazioni, piccoli negozi o uffici, anche privi di impianto di riscaldamento primario e lo spessore ridotto ne permette l’inserimento in spazi molto contenuti. Grazie all’assenza di parti in movimento, riscaldano con la massima silenziosità e sono ideali in camere da letto, oltre alla possibilità di installazione in Zona 1 dei bagni (IPX4).

La serie prevede 4 modelli, differenti per dimensioni e potenza calorica erogata (potenza massima pari a 600, 1000, 1500 e 2000 W). Un termostato ambiente con funzione antigelo ne garantisce l’accensione automatica quando la temperatura scende sotto i 5° e sono anche collegabili a un cronotermostato esterno. Interruttori luminosi protetti da sportello ne regolano l’accensione, lo spegnimento e la scelta della potenza erogata. Dimensioni:

• altezza: 25,8 cm;

• lunghezza: 46/57/72/86 cm;

• profondità: 10,9 cm;

• peso: 2,9/3,2/3,9/4,6 Kg. www.vortice.it

POMPE DI CALORE AD ALTA TEMPERATURA E BASSA RUMOROSITÀ

Samsung Electronics Air Conditioner Europe B.V. (SEACE) lancia la pompa di calore EHS Mono HT Quiet, che vanta performance elevate e bassa rumorosità, ed è perfetta per il mercato europeo delle ristrutturazioni residenziali. Questa pompa di calore, dal design elegante e ricercato, è una soluzione di climatizzazione resistente nel tempo, che combina funzionalità avanzate e nuove tecnologie per raggiungere una temperatura dell’acqua calda fino a 70 °C e livelli di rumorosità di appena 35 dB(A). È in grado di garantire il 100% delle prestazioni di riscaldamento anche in condizioni climatiche estreme (con temperature fino a –25 °C e +43 °C). Inoltre, l’installazione e la manutenzione dell’unità si eseguono facilmente. Nonostante le dimensioni compatte, adatte anche a essere posizionato sotto l’altezza di una finestra,

EHS Mono HT Quiet presenta uno scambiatore di calore con un’area più grande (dell’8,8% circa rispetto ai modelli tradizionali), in grado di trasferire il calore in modo più veloce ed efficiente. Dotata di un nuovo compressore scroll, che comprime i gas refrigeranti a pressioni molto più elevate, e di una tecnologia “Flash Injection” che, a sua volta, aumenta la portata del gas refrigerante, questa pompa di calore ad alta temperatura garantisce un funzionamento costante anche a temperature molto basse, fino a –30 °C. L’unità esterna è protetta anche da un rivestimento anticorrosione avanzato “Durafin Ultra”, applicato sullo scambiatore di calore e sul telaio per garantire la massima durata nel tempo in condizioni climatiche più rigide.

Inoltre, questa pompa di calore vanta valori di SCOP** pari a un’efficienza energetica A+++, che garantiscono un funzionamento estremamente efficiente. L’unità può essere anche controllata da remoto con SmartThings: uno dei vantaggi è la possibilità di monitorare all’istante il consumo energetico quotidiano, settimanale e mensile.

Funzionamento silenzioso

Grazie a innovative tecnologie di riduzione del rumore, la pompa di calore EHS Mono HT Quiet, certificata Quiet Mark, funziona con livelli di rumorosità fino a 35 d(BA) avvalendosi di una modalità silenziosa in 4 fasi. L’unità esterna è dotata di un sistema di isolamento acustico a doppio strato, con design brevettato “Groove Grid Felt”, in grado di assorbire efficacemente ogni tipo di rumore prodotto dalle parti soggette a compressione e minimizzare le vibrazioni. L’utilizzo di ammortizzatori a molla (anziché in gomma) nel montaggio del compressore riduce la trasmissione delle vibrazioni del 90%. Il compressore sfrutta un albero motore rinforzato che diminuisce il rombo a bassa frequenza, mentre l’unità esterna si avvale di un ventilatore Multi-Serration che limita in modo significativo il rumore prodotto, riducendo al minimo il vortice d’aria. www.samsung.com/climate

#77 8
Novità
Prodotti

POMPA PER CONDENSE

Sanicondens Deco + di Sanitrit marchio leader a livello mondiale nel settore degli apparecchi sanitari di SFA Group, è la pompa per condense progettata appositamente per lo smaltimento delle acque reflue delle caldaie a condensazione con potenza massima 25 Kw. Particolarmente compatta e silenziosa, Sanicondens Deco + è ideale per caldaie installate in piccoli spazi, come ad esempio la cucina. Grazie al suo design estremamente pulito, si integra perfettamente con qualsiasi interno. È fornita con kit completo di installazione. Da settembre 2015 è diventato obbligatorio installare solo caldaie a condensazione che permetteranno un notevole risparmio energetico e lo sfruttamento dell’energia rinnovabile. Tuttavia queste nuove caldaie provocano la formazione di acque acide di condensa che dovranno essere smaltite in maniera sicura. Per venire in aiuto di questo problema, Sanicondens Deco+ è perfetta per convogliare le acque di condensa verso gli scarichi in modo efficiente. www.sanitrit.it

PDC DI NUOVA GENERAZIONE

Per rispondere all’aumento della domanda globale di soluzioni di riscaldamento e raffreddamento efficienti dal punto di vista energetico, Panasonic amplia la sua gamma Aquarea di pompe di calore aria-acqua. Disponibili dalla primavera del 2023, le generazioni K e L di Aquarea sono le ultime innovazioni emerse dai centri di ricerca e sviluppo di Panasonic, riflettono i valori dell’azienda attraverso l’innovazione e sono in linea con la visione di creare tecnologie per una società a basse emissioni di CO 2. I nuovi modelli si focalizzano sul miglioramento delle prestazioni energetiche e sull’offerta di una serie che utilizza refrigerante naturale.

Soluzioni a basse emissioni di CO

²

La generazione K utilizza il refrigerante R32, rendendola un’ottima soluzione per le nuove costruzioni. La generazione L utilizza invece il refrigerante naturale R290, che ha un potenziale di riscaldamento globale (GWP) 3. La struttura riprogettata delle unità esterne di entrambe le generazioni offre un elevato livello di sicurezza, poiché l’unità è sigillata ermeticamente per un’installazione facile e flessibile. La generazione K mantiene il collegamento tra l’unità esterna e l’unità interna attraverso il refrigerante, mentre la generazione L presenta un collegamento idraulico.

La nuova serie L è progettata per sfruttare al meglio le proprietà del refrigerante R290, consentendo una temperatura di uscita dell’acqua fino a 75 °C anche con La nuova serie L è progettata per sfruttare al meglio le proprietà del refrigerante R290, consentendo una temperatura di uscita dell’acqua fino a 75 °C anche con –10 °C esterni. È quindi particolarmente adatta per ristrutturazioni e applicazioni

dove può essere richiesta una temperatura dell’acqua elevata per i radiatori. Entrambe le generazioni vantano un livello di rumorosità ridotto, fino a 8 dB(A) in meno rispetto ai modelli precedenti, offrendo maggiori possibilità per la scelta del luogo di installazione. Offrono anche un livello di prestazioni ancora più elevato per un maggiore risparmio, con un SCOP incrementato fino a 5,12. www.aircon.panasonic.eu

#77 10
Novità Prodotti

MONITORAGGIO DA REMOTO DEGLI IMPIANTI HVAC

Alisea potenzia le performance di Remotair®, l’innovativo sistema di monitoraggio da remoto degli impianti HVAC, con l’introduzione di nuove feature, tra cui figura un apposito sensore per la rilevazione del PM. In dettaglio, Remotair® esegue il controllo in continuo delle unità di trattamento aria e delle condotte, grazie a un nucleo di Intelligenza Artificiale Cloud-based e all’utilizzo di dispositivi avanzati per la registrazione puntuale dei parametri microclimatici e di eventuali anomalie. In aggiunta, mediante l’elaborazione di immagini ad alta risoluzione, Remotair® è in grado di determinare la quantità di polveri presenti delle superfici interne e di inviare un alert qualora il limite di 0,75 mg/100 cm², definito dallo Standard NADCA ACR 2013, venga superato. Al fine di rendere la sorveglianza di Remotair® ancora più completa e performante, Alisea ha implementato la soluzione con sensori dedicati alla rilevazione dei due PM. Inoltre, su richiesta, è possibile monitorare anche PM1 e PM4. Il sistema invierà quindi una segnalazione al raggiungimento di determinate soglie, preimpostate direttamente dall’utilizzatore. Tra le nuove funzionalità, degna di nota anche l’apposita sezione del portale multipiattaforma online, accessibile da PC, tablet e smartphone, che consente all’utente di personalizzare autonomamente uno o più device Remotair®, in funzione delle esigenze. www.alisea.com

Deumidificatori per piscine serie SP e SPW Deumidificatori per piscine serie SP e SPW

I deumidificatori della serie SP e SPW sono stati studiati per deumidificare e riscaldare piccole piscine o grandi ambienti. Sono disponibili in tre potenze, da 50 * a 120 * L/giorno sia per l’installazione in ambiente (SP) che per l’installazione nel locale tecnico adiacente a quello da deumidificare (SPW).

Il nuovo controllo elettronico, di serie su tutti i modelli, utilizza una sofisticata sonda di umidità e temperatura e può essere facilmente montato fuori dalla macchina nella posizione più idonea e comoda per l’utilizzatore.

La resistenza elettrica ** o la batteria per l’acqua calda ** completano le funzionalità dell’apparecchio Deumidificatori SP e SPW: silenziosi, robusti, efficienti.

CUOGHI s.r.l.

via Garibaldi, 15 - 35020 Albignasego (PD) - Italia tel. +39 049 8629099 - fax +39 049 8629135 www.cuoghi-luigi.it - info@cuoghi-luigi.it

* a 30°C, 80%U.R. ** Accessori disponibili separatamente
DISEGNATO E PRODOTTO IN ITALIA ECO-FRIENDLY REFRIGERANT

UNITÀ MONOBLOCCO IN PICCOLE

TAGLIE

Daikin lancia la nuova pompa di calore Altherma 3 M, disponibile ora nelle taglie 4-6-8 kW per le abitazioni più piccole. Tali modelli completano la gamma monoblocco in R32, precedentemente lanciata nelle classi da 9 a 16 kW. Grazie alla compattezza, alla flessibilità di installazione e alle elevate prestazioni, Daikin Altherma 3 M è perfetta sia per le nuove abitazioni sia per la sostituzione di caldaie. Si tratta di una pompa di calore monoblocco aria-acqua con refrigerante R32 che assicura le funzioni di riscaldamento, raffrescamento e produzione di acqua calda sanitaria in modo estremamente efficiente. Punto di forza della gamma Daikin Altherma 3 M è sicuramente la sua configurazione monoblocco che, non necessitando di alcuna unità interna, le permette di essere utilizzata anche in uno spazio limitato. Daikin Altherma 3 M garantisce un’installazione estremamente agevole grazie all’integrazione di tutti i componenti idraulici all’interno della stessa unità, compreso il circuito refrigerante. Questo permette all’installatore di avere una soluzione unica, integrata e facile da gestire sia per la manutenzione sia per

la messa in funzione. Anche questa gamma è stata studiata con un approccio attento alla sostenibilità. Daikin Altherma, infatti, utilizza il refrigerante R32 che permette una riduzione dell’impatto ambientale del 70% e la massima efficienza energetica fino alla classe A+++ in modalità riscaldamento. www.daikin.it

SISTEMA ANTICALCARE RISPETTOSO DELL’AMBIENTE

Watts ha realizzato la gamma OneFlow®, un innovativo sistema anticalcare che rispetta l’ambiente e conserva la qualità dell’acqua senza l’aggiunta di sostanze chimiche o l’uso di sali.

Rispetto ai classici addolcitori d’acqua, infatti, che si basano sul principio dello scambio ionico (le particelle di sodio sostituiscono quelle di calcio e magnesio) e richiedono l’utilizzo di sale, maggiore spazio (serbatoio di salamoia ecc.), oltre che la gestione di uno scarico idrico, la gamma OneFlow® di Watts sfrutta un trattamento di tipo fisico che, tramite un media appositamente progettato aggrega gli ioni calcio e magnesio in microcristalli che rimangono sospesi in acqua e non si depositano nell’impianto idrico e negli apparecchi a esso collegati. I

vantaggi del sistema sono dunque: rispetto della salute (conservando i minerali essenziali naturalmente presenti nell’acqua come calcio e magnesio); rispetto della casa (proteggendo le tubazioni dalla formazione di calcare facilitando anche l’eliminazione di quello già presente e aiuta gli elettrodomestici a durare più a lungo); rispetto del Pianeta (non aggiungendo sali o sostanze chimiche potenzialmente dannose per l’ambiente, non consumando elettricità e non sprecando acqua). Le soluzioni della gamma sono diverse:

• OneFlow® OF110-1 adatto a singoli apparecchi;

• OneFlow® OFTWH-R per nuclei familiari piccoli con un consumo fino a 23/lm;

• OneFlow OFTWH per nuclei familiari medio/grandi o per un maggiore consumo fino a 38/lm;

• OneFlow®+ OFPSYS per nuclei familiari medio/grandi con filtro a carboni attivi che depura l’acqua anche da odori e sapori fino a 38/lm;

• OneFlow® OF948-16-C per soluzioni abitative singole di grandi dimensioni o per complessi condominiali, attività commerciali con un consumo fino a 60/lm;

• OneFlow® OF1054-20-D per complessi condominiali, attività commerciali con un consumo fino a 75/lm;

• Filtro autopulente WHOF1 si adatta a tutti i modelli di OneFlow presenti nella gamma Watts. È dotato di connessioni da 1" e nella confezione sono inclusi adattatori per attacchi da ¾" e 1 ¼". www.wattswater.it

#77 12
Novità Prodotti

VMC PER GARANTIRE ARIA SALUBRE SENZA DISPERSIONI DI CALORE

I sistemi di Ventilazione Meccanica Controllata possono dare una risposta semplice ed efficace al problema del ricambio dell’aria in casa: grazie al recuperatore di calore di cui sono dotati, infatti, sono in grado di assorbire l’energia termica contenuta nell’aria in uscita e di utilizzarla per riscaldare l’aria fredda in entrata.

In questo modo si avrà aria pulita e ricca di ossigeno all’interno dei locali in ogni momento, senza sprechi energetici. Per gli ambiti residenziali Helty propone Flow Easy, un sistema decentralizzato a parete di fascia entry level che racchiude in dimensioni molto compatte le peculiarità dei migliori sistemi VMC a doppio flusso continuo. Etichettato in classe energetica A e riconosciuto nella lista VMC Qualità Casa Clima, è un dispositivo ideale per ricambiare costantemente l’aria indoor senza dispersioni termiche. Attraverso lo scambiatore entalpico ad alta efficienza, infatti, questa tecnologia permette di recuperare in modo costante fino all’91% del calore contenuto nell’aria esausta che viene espulsa. Il doppio filtro F7+G4 per la purificazione dell’aria di cui è dotato, inoltre, permette di eliminare pollini, polveri sottili e agenti inquinanti immettendo all’interno dei locali aria pulita e rendendo più salubri gli ambienti.

L’installazione è rapida e minimamente invasiva: sono sufficienti due fori da 8 cm sulla muratura perimetrale e l’allacciamento alla corrente, in meno di un’ora l’unità è installata e pronta a funzionare per migliorare il comfort in casa. Anche il consumo elettrico è davvero minimo –l’utilizzo continuo impiega dai 4,6 ai 16,5 Watt, per un costo giornaliero inferiore ai 6 centesimi* – e viene, quindi, ampiamente ripagato dalla riduzione dei costi di riscaldamento. Ma non solo: in quanto sistema decentralizzato, Flow Easy consente un’ottimizzazione anche sui consumi della macchina stessa. Il ricambio di aria, infatti, può essere gestito in modo differenziato “stanza per stanza”, a seconda delle diverse esigenze di ventilazione degli ambienti – ad esempio impostando una velocità minore nelle camere da letto e maggiore nei locali che lo necessitano, come soggiorno o bagni. www.heltyair.com

Soluzioni Belimo

CONFORMI alla nuova UNI EN ISO 52120-1 Prestazione energetica degli edifici

Le migliori valvole per il Bilanciamento Dinamico degli impianti

La recente norma UNI EN ISO 52120-1 sostituisce la precedente UNI EN 15232-1 e definisce nuovi requisiti per la classificazione energetica degli edifici. Tutti gli impianti con più di 10 terminali (fancoil, radiatori, scambiatori, superfici radianti ...) di edifici residenziali e non in Classe A e B, dovranno adottare opportune soluzioni di Bilanciamento Dinamico nel circuito idronico. Belimo offre la più vasta gamma di soluzioni conformi ai nuovi requisiti con valvole a 2-vie, 3-vie e 6-vie indipendenti dalla pressione sia meccaniche (PI) che elettroniche (EPIV) e persino certificate MID (EV).

Scopri tutti i vantaggi su www. belimo.it

BELIMO Italia - info@belimo.it, www.belimo.it

per tutti gli edifici in Classe A e B

Chillventa è tornata a Norimberga

Con 884 espositori e oltre 30.000 visitatori professionali, l’edizione 2022 di Chillventa segna il grande ritorno in presenza della fiera dedicata all’HVAC e alla refrigerazione

A cura della redazione

Dopo quattro anni di assenza, Chillventa è finalmente tornata in presenza. E i numeri parlano chiaro: è stato un successo. I padiglioni del centro espositivo di Norimberga hanno infatti ospitato, dall’11 al 13 ottobre scorsi, 844 espositori da 43 paesi

e oltre 30.000 visitatori professionisti, che hanno avuto l’opportunità di discutere di persona e in loco di innovazioni e tendenze per il futuro del settore della refrigerazione e HVAC.

Petra Wolf, membro del consiglio di amministrazione di Nürnb -

#77 14
Visti in fiera CHILLVENTA 2022

ergMesse, ha commentato: “Siamo estremamente soddisfatti, oltre che dei numeri raggiunti quest’anno, di quello che è stato il primo incontro del settore dal vivo in quattro anni. Chillventa è, e continuerà a essere, il barometro delle tendenze e l’evento più importante a livello mondiale per il settore della refrigerazione, compresi i segmenti AC, ventilazione e pompe di calore”.

Grande presenza internazionale

Oltre il 56% dei 30.773 visitatori di Chillventa è arrivato a Norimberga dall’estero. Da sottolineare la qualità dei visitatori professionisti: circa l’81% è stato direttamente coinvolto nelle decisioni di acquisto e approvvigionamento delle proprie attività. Nove su dieci sono stati soddisfatti della gamma di prodotti e servizi e oltre il 96% parteciperà nuovamente alla prossima Chillventa.

“Questo ottimo feedback è il più grande successo per noi – afferma Elke Harreiss, Direttore Esecutivo Chillventa, NürnbergMesse –. Dai produttori agli operatori di impianti, rivenditori, designer, architetti e artigiani, tutti erano di nuovo lì”.

Espositori desiderosi di tornare

Questo entusiasmo per la prossima edizione è stato confermato anche dai risultati ai sondaggi inviati dagli espositori. La maggior parte degli espositori proveniva da Germania, Italia, Turchia, Spagna, Francia e Belgio. Il 94% degli espositori (misurati per area) considera la propria partecipazione a Chillventa un successo. Il 95% ha stretto nuovi contatti commerciali e si aspetta di poter fare affari grazie alle conoscenze acquisite in fiera. Anche

prima della fine della manifestazione, 94 degli 844 espositori avevano affermato che avrebbero esposto nuovamente a Chillventa 2024.

Un ricco programma di supporto

Un altro motivo di successo di Chillventa 2022 è stato il ricco programma di supporto che, tra presentazioni (oltre 200) e forum, ha consentito ai partecipanti di aggiornarsi, acquisire nuove conoscenze e avere un’occasione di confronto.

“L’attenzione – ha affermato il dott. Rainer Jakobs, consulente tecnico e coordinatore del programma tecnico per Chillventa – si è concentrata su argomenti come la sostenibilità, la sfida della transizione del refrigerante, REACH o PEFAS e le pompe di calore su larga scala e le pompe di calore ad alta temperatura. Infine sono state presentate nuove informazioni sulla climatizzazione per i data center”.

Ulteriori punti salienti del programma di sostegno sono stati i Job Corner, di nuova creazione, che hanno offerto l’opportunità di incontrare datori di lavoro e lavoratori qualificati; due presentazioni speciali sui temi “Pompe di calore” e “Gestione dei refrigeranti infiammabili”; e visite guidate da professionisti con vari temi chiave.

Save the date

La prossima edizione di Chillventa si svolgerà presso il Centro Convegni di Norimberga dall’8 al 10 ottobre 2024. Il giorno prima, il 7 ottobre 2024, il Chillventa CONGRESS introdurrà alla settimana dell’evento dedicato alla comunità internazionale della refrigerazione, dell’AC, della ventilazione e delle pompe di calore.

#77 15

GESTIONE INTEGRATA DI COMFORT ED ENERGIA PER APPLICAZIONI

RESIDENZIALI

La Business Unit Digital di Clivet ha sviluppato tutta una serie di Digital Solutions, per ottimizzare comfort e consumi legati alla climatizzazione nei diversi settori dal residenziale, al terziario, all’industria.

Per il settore residenziale la soluzione proposta è Clivet Smart Home, un sistema di gestione integrata di comfort ed energia per applicazioni residenziali che comprende:

• Pompa di calore per il riscaldamento, il raffrescamento e la produzione di acqua calda sanitaria, con una gamma completa che comprende SPHERA EVO 2.0, la serie di pompe di calore aria-acqua full-electric o ibride splittate nelle versioni con o senza accumulo per l’acqua calda sanitaria, o da incasso; EDGE EVO 2.0, l’ultima generazione di pompe di calore aria-acqua monoblocco;

• ELFOFresh EVO Sistema di rinnovo e purificazione aria con recupero termodinamico attivo e filtrazione elettronica;

• Clivet Sinergy, l’accumulatore di energia elettrica Clivet collegabile ai pannelli fotovoltaici per alimentare il sistema dedicato al comfort e fornire l’energia a tutte le utenze domestiche per una casa e una vita 100% a energia rinnovabile;

• termostati smart posizionati in ogni zona/stanza;

• ELFORoom 2 terminali ambiente silenziosi e compatti dal design elegante;

• sistema di gestione e controllo centralizzato Control4NRG, che permette di gestire in piena sinergia tutti gli elementi collegati per massimizzare il comfort e l’efficienza;

• Clivet Eye per la gestione dell’intero sistema comodamente da remoto tramite smart-phone. www.clivet.com

NUOVO CONTROLLO PER UN’ESPERIENZA “SMART” SUL CAMPO

Nel contesto attuale della refrigerazione commerciale, e proprio in questo momento caratterizzato da difficoltà negli approvvigionamenti e lunghe attese, il tempo diventa una delle risorse più preziose. L’installatore, in particolare quello che opera nel canale della distribuzione, si trova a lavorare sempre più trascinato dalle urgenze provenienti dal campo che non su pianificazione a breve/medio

termine delle sue attività. La possibilità poi di reperire manodopera specializzata per far fronte a una crescente domanda dal mercato è complicata da scarsità di nuove leve con competenza tecnica medio/bassa. Diventa quindi cruciale puntare all’usabilità di un prodotto e nello stesso tempo alla formazione tecnica, per permettere un’interazione intuitiva, una veloce curva di apprendimento e un efficace utilizzo, in modo da ottenere una user experience soddisfacente per il cliente. In quest’ottica Carel ha presentato in anteprima a Chillventa iJW, il nuovo controllo per refrigerazione orientato a una esperienza “smart” sul campo. Tramite la connettività nativa NFC e Bluetooth e all’utilizzo di una App dedicata all’installatore, iJW può guidare il frigorista nella configurazione dei più comuni tipi di applicazione grazie a un Wizard intuitivo e multilingua, composto da domande guida e da schemi di supporto. Una volta completata la configurazione, è possibile salvare i set di parametri creati, condividerli per poterli ri-utilizzare su altri controlli, testare le connessioni elettriche e verificare infine il corretto funzionamento della macchina tramite la rappresentazione grafica di variabili istantanee o dello storico. Con l’obiettivo poi di promuovere e contribuire alla formazione tecnica verso gli installatori, Carel ha preso parte al WorldSkills Competition 2022 – Refrigeration, tenutosi in concomitanza con Chillventa, fornendo i controlli iJW e MpxPRO come parte del banco di prova per i partecipanti e ha presentato il nuovo portale Learning, al momento attivo per la regione DACH ma presto disponibile per altre regioni/lingue. www.carel.it

#77 16
Visti in fiera CHILLVENTA 2022

COMPRESSORI A PISTONE AD ALTA TEMPERATURA

Tra le novità lanciate da Frascold a Chillventa 2022, spiccano i compressori a pistone ad alta temperatura ATEX Z40-126, studiati per le pompe di calore del settore industriale. Una soluzione a isopentano, certificata ATEX che, quando associata a fonti rinnovabili, è in grado di garantire massima sicurezza e sostenibilità. Tra le peculiarità, i 6 cilindri permettono di raggiungere una temperatura di condensazione intorno ai 160 °C e produrre acqua pressurizzata fino a 100/155 °C. Il compressore potrà essere utilizzato in cascata, oppure impiegando il calore di scarto per alimentare l’intero sistema, a favore di una superiore efficienza e circolarità delle risorse. Nel corso della fiera, sono state presentate le due serie di compressori a vite CX ATEX e Magnetic, le quali consentono uno spostamento volumetrico maggiore e di conseguenza, una produzione di una capacità termica superiore. I CX ATEX, oltre a completare la proposta per le installazioni industriali, sono ideali anche per i district heating. La gamma è sinonimo di affidabilità, rendimento e silenziosità ed è disponibile anche a

idrocarburi R290 e R600a. A rendere le performance eccellenti concorrono due diversi Vi (rapporto di compressione) e la possibilità di ampliare il campo di funzionamento scegliendo un motore elettrico maggiorato. Infine, è caratterizzata da un controllo di capacità, a gradini o continuo, garantito da una valvola a cassetto, oltre a un sofisticato sistema di separazione dell’olio a tripla azione, che ne riduce al minimo il trascinamento. Proseguendo la visita allo stand, la new entry Magnetic è il ventaglio di prodotti a vite consigliato da Frascold per il segmento del comfort, i processi di cooling e le applicazioni con pompe di calore. Il protagonista del compressore è l’esclusivo motore sincrono IPM (Interior Permanent Magnet), composto da magneti nel rotore elettrico che eliminano il fenomeno dello scorrimento e sono garanzia di un accurato monitoraggio della velocità. Ulteriore vantaggio dell’IPM è la diminuzione della potenza assorbita rispetto a sistemi tradizionali, a favore di un risparmio energetico superiore. www.frascold.it

PROPOSTA DIGITALE PER PROGETTARE, MONITORARE E MANUTENERE

GLI IMPIANTI

BITZER sostiene i propri partner con soluzioni e servizi digitali offrendo supporto nella progettazione, nel monitoraggio e nella manutenzione di impianti e componenti.

La piattaforma online BITZER Digital Network (BDN) si basa sulla competenza di BITZER in fatto di compressori e crea un’infrastruttura di manutenzione per un impiego efficiente e per un’alta disponibilità dei componenti. BITZER Digital Network permette agli utenti di visualizzare e valutare i dati di funzionamento dei loro compressori tramite l’IQ module. La piattaforma BDN offre inoltre informazioni dettagliate sui dati dei prodotti tecnici e sui ricambi rilevanti, oltre a permettere la visualizzazione della cronologia delle manutenzioni e a offrire una documentazione online relativa ai prodotti. È disponibile per tutti i clienti attraverso la piattaforma myBITZER. Per assistere gli utenti nella progettazione degli impianti e nella scelta dei prodotti adatti del catalogo è disponibile BITZER Software, un programma in 14 lingue, tramite il quale gli utenti possono visualizzare, mediante la versione web, tutte le informazioni importanti, ad esempio i dati tecnici o le tabelle delle potenze. Con BEST Software è inoltre possibile gestire digitalmente gli IQ module intelligenti. In questo modo, gli utenti ottengono una panoramica sullo stato di funzionamento, ad esempio con una cronologia della messa in funzione, della risoluzione dei problemi e della manutenzione. Il software per i ricambi EPARTS e il software di selezione per gli evaporatori a espansione secca smarTube completano l’offerta.

L’assortimento di servizi digitali è composto da numerose altre app e offerte gratuite: l’app BITZER BEST è l’equivalente per smartphone di BEST Software. B-SPOT mette a disposizione tutta la documentazione commerciale e tecnica, il lettore QR code per la verifica dell’originalità del prodotto e la localizzazione dei rivenditori autorizzati. Inoltre, hanno accesso al portale clienti myBITZER con i dati di funzionamento salvati individualmente. Il portale clienti è accessibile dal sito web dell’impresa e offre le informazioni su tutti i prodotti chiave, oltre a contenuti e servizi individuali. Si tratta di soluzioni che semplificano al massimo l’impiego e la progettazione garantendo un risparmio in termini temporali ed economici. www.bitzergreenpoint.com

#77 17

RACCORDI MADE IN ITALY

Fra.Bo e Rubinetterie Bresciane Bonomi, entrambe parte del Bonomi Group, alla Fiera Chillventa 2022 hanno esposto un’ampia gamma di raccordi 100% made in Italy in rame, bronzo, acciaio inox, acciaio al carbonio e ottone, specificamente progettati per soddisfare le esigenze dei propri partner industriali. In particolare, i raccordi FRABO G-SIZE e FRABO 5000 realizzati in rame Cu-DHP (CW024A) grazie al know-how e alle conoscenze tecniche acquisite con oltre 50 anni di esperienza nel settore. Le soluzioni FRABO G-SIZE sono perfette per gli impianti di refrigerazione industriale, i sistemi ad aria compressa e i sistemi di distribuzione di gas tecnici ad alta pressione. In questi campi di applicazione, le sollecitazioni statiche o dinamiche comunemente associate alle condizioni operative standard possono ridurre sostanzialmente la durata di vita del componente, con un impatto diretto e immediato sulla durata e sull’affidabilità dell’installazione. La linea FRABO G-SIZE è caratterizzata da uno spessore maggiore delle pareti. Al fine di soddisfare tutte le esigenze dei clienti, sono stati realizzati diversi diametri che permettono inoltre di affrontare adeguatamente la maggior parte delle problematiche tecniche. L’ampia gamma disponibile può essere ulteriormente ampliata in caso di esigenze o richieste specifiche da parte del cliente. La serie di raccordi a saldare in rame Cu DHP FRABO G-SIZE è disponibile in un range dimensionale compreso tra 22 e 133 mm ed è conforme alla norma europea UNI EN 1254-1. Questi prodotti

HVAC CONNESSO DAL FIELD AL

Disporre di macchine e dispositivi connessi è ormai un must in ogni settore. Anche nel mondo dell’HVAC, occorre far dialogare gli apparati tra loro e verso l’ambiente esterno. Per questo Eliwell ha sviluppato Secure Interface, un Linux embedded PC compatto (72 × 110 × 60 mm) per abilitare la connettività IoT in modo efficiente, intuitivo e competitivo, rendendo possibile la comunicazione con dispositivi connessi sia propri che di terze parti. Secure Interface è in grado di connettersi con tutti i dispositivi presenti utilizzando il bus RS485 tramite protocollo Modbus, e di raccoglierne i dati e veicolarli verso il Cloud, dove apposite applicazioni effettuano l’analisi dei dati e abilitano la manutenzione predittiva. Trattandosi di una unità programmabile, è possibile configurare Secure Interface con qualunque profilo di controllore Modbus al fine di comunicare con ogni genere di dispositivo compatibile. Secure Interface non solo si occupa di connessione al cloud, ma lo fa in modo sicuro attraverso Secure Connect Advisor, una VPN che permette al cliente di bypassare le tipiche restrizioni di rete, mantenendo però la massima sicurezza. Secure Interface è semplice da installare e utilizzare: quando si parla di IoT, infatti, si incorre in una serie di parametri spesso complessi da gestire. Per questo la procedura di configurazione è progettata per risultare trasparente per l’utente finale. È anche uno strumento molto potente: essendo programmabile con il linguaggio standard IEC 61131, in caso di necessità può essere configurato opportunamente grazie al software FREE Studio Plus. www.eliwell.com

CLOUD

sono progettati e realizzati per realizzare giunti saldati in grado di gestire elevate pressioni di esercizio e forti sollecitazioni meccaniche (applicazioni difficilmente gestibili con raccordi tradizionali e che richiedono prodotti di alta qualità e affidabilità). Tra i vantaggi principali di questi prodotti ci sono: resistenza alle alte pressioni di esercizio, elevata resistenza alle vibrazioni e alle sollecitazioni meccaniche. Fra. Bo e Rubinetterie Bresciane Bonomi sono in grado di sviluppare soluzioni innovative progettate su misura nell’ambito di tutte le applicazioni coperte dalla Direttiva sulle Apparecchiature in Pressione 2014/68/UE (PED). www.bonomi.it

#77 18
Visti in fiera CHILLVENTA 2022

Decreto Requisiti Minimi: partita la revisione

In attesa del testo integrale e definitivo, ecco le principali novità contenute a oggi nella revisione del DM 26 giugno 2015

Il MiSE ha da qualche mese avviato i lavori di revisione del DM 26 giugno 2015, conosciuto anche come “Decreto Requisiti Minimi”, in conformità con il recepimento italiano della EPBD III, avvenuto con il D.Lgs. 48/2020. Intanto, in Europa si sta già lavorando alla revisione della EPBD III.

La revisione del Decreto si pone i seguenti obiettivi: • valutare l’adeguamento dei requisiti minimi sulla base di quanto ottenuto con l’applicazione della metodologia comparativa per la determinazione dei livelli ottimali di prestazione energetica negli edifici, che ENEA ha predisposto e pubblicato nel 2018 come aggiornamento dell’ultima analisi condotta con i criteri previsti dalla Commissione Europea nel 2013; • integrare in testo tenendo presente quanto è emerso dall’esperienza maturata nell’applicazione del Decreto

a partire dalla sua pubblicazione; • integrare gli elementi interpretativi forniti negli anni, ai quali AiCARR ha collaborato, attraverso la pubblicazione delle tre serie di FAQ ministeriali; • integrare quanto previsto dal D.Lgs. 48/2020 con particolare riferimento a: ⚬ strumenti volti ad accelerare la ristrutturazione economicamente efficiente degli edifici esistenti; ⚬ strategie di ristrutturazione del settore edilizio a lungo termine per favorire la mobilitazione di risorse economiche e la realizzazione di edifici a emissioni zero entro il 2050; ⚬ criteri generali per la definizione

della metodologia di calcolo e dei requisiti della prestazione energetica degli edifi ci. Ad esempio, il D.Lgs. 48/2020 considera l’integrazione delle infrastrutture per la mobilità elettrica e gli interventi di sostituzione degli impianti tecnici e demanda a un futuro D.P.R. la disciplina di esercizio, conduzione, controllo, ispezione e manutenzione degli impianti termici per la climatizzazione invernale e estiva e per la preparazione dell’acqua calda sanitaria.

Su questo ultimo punto si evidenzia che il MiSE sta lavorando anche alla

#77 20
Normativa

revisione del D.P.R. 74/2013, che molto probabilmente vedrà la luce alla fine della stagione di riscaldamenti, al fine di evitare modifiche legislative in corso d’opera.

Aggiornamenti relativi alle criticità rilevate dall’applicazione del DM 25 giugno 2015

Requisiti prestazionali degli impianti e degli elementi edilizi

Alla luce di quanto emerge dal report ENEA del 2018, il MiSE ritiene non ancora necessario l’aggiornamento dei requisiti attualmente vigenti, quindi conferma per le nuove costruzioni gli obiettivi NZEB contenuti nel Decreto Requisiti Minimi e per il parco edilizio esistente i requisiti attualmente vigenti, ancora decisamente sfidanti, soprattutto per i componenti opachi verticali e i serramenti e che rappresentano ancora l’ottimo tra costi e benefici. È invece previsto un adeguamento dei requisiti minimi per le pompe di calore al fine di tenere conto del nuovo approccio europeo in ambito Ecodesign a livello europeo, che vuole i requisiti di prestazione delle macchine definiti su base stagionale e non nominale, quindi in termini di SCOP e SEER e non di COP e EER.

Si ricorda che dal 13 giugno 2022 per quanto riguarda i requisiti minimi in termini di integrazione da fonti energetiche rinnovabili sia termiche sia elettriche degli NZEB sono aggiornati a seguito dell’abrogazione e sostituzione dell’art. 11 e dell’Allegato III del D.Lgs. 28/2011 con l’art. 26 e l’Allegato III del D.Lgs. 199/2021, che recepisce la nuova direttiva REDII.

Verifica del coefficiente H’t

Il coefficiente medio globale di scambio termico, H’ T, è una media pesata

dei coefficienti di scambio termico degli elementi disperdenti dell’edificio, in cui il peso di ciascun elemento è dato dalla corrispondente superficie disperdente salvo nel caso dei ponti termici.

La verifica di H’ T, che rientra tra quelle volte a ottimizzare la prestazione energetica generale dell’edificio in ottemperanza al Decreto Requisiti Minimi, ha evidenziato delle criticità soprattutto quando effettuata su edifici con importanti porzioni dell’involucro vetrate, e stiamo parlando della verifica del (H t, che è una media pesata sulle superfici disperdenti della prestazione dell’involucro edilizio). Attualmente la verifica viene fatta utilizzando tabelle in cui i valori limite sono riportati in funzione del rapporto di forma dell’edificio, S/V, e della zona climatica:

• nel caso di nuova costruzione demolizione costruzione e ristrutturazioni importanti di primo livello: la verifica deve essere fatta per l’intero edificio;

• nel caso di ristrutturazioni importanti di secondo livello: la verifica deve essere fatta per i soli elementi edilizi interessati.

La proposta di revisione prevede di differenziare la verifica sulla base della tipologia di intervento:

• per gli edifici di nuova costruzione e demolizioni e costruzioni: verrà mantenuta la verifica attuale senza modifiche;

• per le ristrutturazioni importanti di primo livello: saranno proposti nuovi limiti, che terranno conto della percentuale di superficie vetrata rispetto a quella opaca e della zona climatica. Infatti, considerato che in questa tipologia di intervento si agisce su una superficie maggiore o uguale del 50% di quella disperdente e che tale superficie potrebbe essere tutta vetrata, è necessario differenziare le situazioni;

• per le ristrutturazioni importanti di secondo livello: la verifica sarà eliminata, anche in accordo con le modifiche previste per i ponti termici (di seguito). Infatti, questa tipologia, che comprende i casi di intervento su una superficie maggiore del 25% di quella disperdente, prevede il controllo del rispetto delle caratteristiche delle prestazioni minime delle superfici disperdenti oggetto di intervento, ad esempio attraverso la verifica dei valori tabellati della trasmittanza termica.

Ponti termici

Attualmente il contributo dei ponti termici lineari e puntuali viene calcolato sulla base dei rispettivi coefficienti e l’edificio di riferimento non ha ponti termici.

La proposta di revisione si articola come segue:

• per le nuove costruzioni, la demolizione e costruzione e le ristrutturazioni importanti di primo livello, in cui è previsto l’uso dell’edificio di riferimento per la verifica, saranno definiti valori di ponti termici di riferimento;

• per le ristrutturazioni importanti di secondo livello, sarà prevista una doppia verifica dei valori limite tabellati per le superfici opache: una sulla trasmittanza termica della sezione corrente, la seconda sulla trasmittanza termica comprensiva dei ponti termici;

• per le riqualificazioni energetiche, in cui si opera su una superficie inferiore al 25% di quella disperdente, sarà prevista un’unica verifica dei valori di trasmittanza termica nella sezione corrente, quindi non si terrà conto della presenza dei ponti termici.

Fattori di conversione degli impianti alimentati da reti di teleriscaldamento

Un’altra criticità più volte segnalata al MiSE è riferita alla metodica scelta per l’allocazione dei fattori di conversione in energia primaria dell’energia consegnata da reti di teleriscaldamento, soprattutto per le reti alimentate da impianti di cogenerazione ad alto rendimento, per le quali attualmente si usano fattori di conversione in energia primaria penalizzanti, con un conseguente impatto sulla classificazione energetica dell’edificio e sulla produzione di calore prodotti da tali sistemi.

La proposta di modifica mira a dare un maggior riconoscimento a un parco di teleriscaldamento più efficiente e ai benefici della cogenerazione, con la sostituzione dell’attuale metodologia con il metodo “di Carnot”, che determina in maniera diretta il combustibile effettivamente

#77 21

associato alla produzione di energia termica. I vantaggi conseguenti dall’adozione di tale metodica riguardano l’indipendenza dai fattori di conversione del vettore “elettrico”, l’assenza di deviazioni sui risultati, che non vanno quindi calcolate, e la maggiore semplicità di applicazione, anche a tutte le tipologie di impianti di cogenerazione, per cui non sarà più necessario scorporare o segregare le componenti di pura cogenerazione dalle produzioni complessive dell’intero periodo considerato.

Requisiti introdotti in conformità con il D.Lgs. 48/2020

Per considerare quanto previsto dal D.Lgs. 48/2020 di recepimento della EPBD III, che ha modificato e integrato l’art. 4 del D.Lgs. 192:2005, saranno inseriti nella revisione del Decreto i seguenti punti:

• per gli edifici di nuova costruzione, demolizione e costruzione e ristrutturazioni importanti: opportunità di considerare le condizioni di benessere termoigrometrico e di qualità dell’aria negli ambienti in esame;

• per gli edifici non residenziali: possibilità di deroga dall’obbligo previsto dal comma 3-sexies dell’art. 4 del D.Lgs. 192:2005 di installazione di sistemi di automazione e controllo per tutti gli impianti termici con potenza nominale superiore a 290 kW (l’obbligo di dotazione è entro il 1° gennaio 2025) qualora l’intervento abbia un tempo di ritorno dell’investimento superiore a 6 anni; • inserimento dei riferimenti a quanto previsto dalle “Regole tecniche verticali” di cui ai Decreti del Ministero dell’Interno, in merito alla sicurezza sugli incendi intesa come le caratteristiche dei materiali da poter impiegare per l’isolamento termico delle superfici opache disperdenti.

Integrazione delle infrastrutture di ricarica dei veicoli elettrici

È previsto un numero minimo di punti di ricarica dei veicoli da installare e sono riportate le prescrizioni minime da rispettare per la realizzazione di infrastrutture di canalizzazione in presenza di parcheggi con più di 10 posti auto. Queste prescrizioni saranno di applicazione immediata per le nuove costruzioni e da realizzare entro il 1° gennaio 2025 per gli edifici esistenti.

La proposta prevede inoltre per gli edifici di tipo residenziale la prescrizione di predisposizione delle infrastrutture di canalizzazione e per quelli non residenziali

un numero minimo di punti di ricarica obbligatori, crescente sulla base del numero di posti auto e differenziato tra parcheggi a uso pubblico e privato e per tipologia dei punti di ricarica.

Verrà inoltre fornita una serie di principi e criteri generali, ad esempio:

• le caratteristiche dimensionali delle canalizzazioni;

• l’obbligo di fornitura di servizi di tipo V1G (smart charging);

• le deroghe agli obblighi sopra indicati;

• l’obbligo di rispetto dei requisiti di sicurezza antincendio previsti dalla circolare n. 2/2018 della Direzione Centrale per la Prevenzione e la Sicurezza tecnica del Dipartimento dei Vigili del Fuoco, del Soccorso pubblico e della Difesa civile del Ministero dell’Interno;

• l’obbligo per i gestori di infrastrutture di ricarica ad accesso pubblico di trasmissione delle informazioni necessarie alla Piattaforma Unica Nazionale.

Attualmente è in consultazione da parte dell’ARERA il documento 449/2022/R/eel inerente le iniziative regolatorie a supporto della progressiva decarbonizzazione dei consumi e per l'attuazione delle disposizioni contenute nel D.lgs. 210/2021 e nel D.lgs. 199/2021 in tema di mobilità elettrica con scadenza 31 dicembre 2022 (www.arera.it/it/docs/22/449-22.htm).

Conclusioni

Queste sono le principali novità contenute a oggi nella revisione del Decreto Requisiti Minimi, che partono da un’elaborazione delle osservazioni, che il Gruppo Consultivo del CTI, di cui AiCARR fa parte, aveva inviato al MiSE. Restiamo in attesa del testo integrale e definitivo della revisione per avere un quadro più completo delle modifiche apportate.n

* Luca A. Piterà, Segretario Tecnico di AiCARR

BIBLIOGRAFIA

ENEA. 2018 Aggiornamento della metodologia comparativa per la determinazione dei livelli ottimali di prestazione energetica negli edifici. Roma: ENEA – Ricerca di Sistema Elettrico. – https://www.enea.it/ it/Ricerca_sviluppo/documenti/ricerca-di-sistema-elettrico/adp-mise-enea-2015-2017/edifici-nzeb/ report-2017/rds-par2017-141.pdf

Governo italiano. 2015. D.Lgs. 19/08/2005, n. 192 – Attuazione della direttiva (UE) 2018/844, che modifica la direttiva 2010/31/UE sulla prestazione energetica nell’edilizia e la direttiva 2012/27/UE sull’efficienza energetica, della direttiva 2010/31/UE, sulla prestazione energetica nell’edilizia, e della direttiva 2002/91/CE relativa al rendimento energetico nell’edilizia. Roma: Poligrafico dello Stato.

∙ Governo italiano. 2017. Decreto del Presidente della Repubblica 16 aprile 2013, n. 74 – Regolamento recante definizione dei criteri generali in materia di esercizio, conduzione, controllo, manutenzione e ispezione degli impianti termici per la climatizzazione invernale ed estiva degli edifici e per la preparazione dell'acqua calda per usi igienici sanitari, a norma dell'articolo 4, comma 1, lettere a) e c), del d.lgs. 19 agosto 2005, n. 192. Roma: Poligrafico dello Stato.

∙ Governo italiano. 2020. Decreto Legislativo 10 giugno 2020, n. 48 – Attuazione della direttiva (UE) 2018/844 del Parlamento europeo e del Consiglio, del 30 maggio 2018, che modifica la direttiva 2010/31/ UE sulla prestazione energetica nell'edilizia e la direttiva 2012/27/UE sull'efficienza energetica. Roma: Poligrafico dello Stato.

∙ Ministero dello Sviluppo Economico. 2015. Decreto 26 giugno 2015 – Applicazione delle metodologie di calcolo delle prestazioni energetiche e definizione delle prescrizioni e dei requisiti minimi degli edifici. Roma: Poligrafico dello Stato.

#77 22

ARIASILENT BOX, NEL CUORE DEL SISTEMA VMC PIÙ INNOVATIVO CHE C’È!

I

l lancio del nuovo sistema AriaSilent per la distribuzione dell’aria negli impianti di ventilazione meccanica controllata ha avuto, come previsto, un doppio impatto sul mercato: innanzitutto, installare una VMC è diventato finalmente semplice, veloce e intuitivo; ma anche la gestione del magazzino è enormemente avvantaggiata dal numero estremamente contenuto di articoli che compongono il sistema.

In questo approfondimento vogliamo analizzare nel dettaglio proprio uno di questi componenti, ovvero il box di distribuzione AriaSilent Box.

Com’è fatto e quali sono le funzioni del box di distribuzione

Nell’ambito della VMC, i box di distribuzione si occupano della ripartizione dell’aria – in immissione o in estrazione – nei condotti che raggiungono i locali del fabbricato serviti dall’impianto. Naturalmente, per il funzionamento ottimale del sistema è fondamentale sia che la portata complessiva venga ripartita correttamente, sia che la configurazione dell’impianto rispetti i requisiti di salubrità e comfort (ovvero di silenziosità) dichiarati. Oltre agli aspetti tecnici va poi presa in considerazione l’installazione del componente, nonché la sua manutenzione: un’agevole ispezionabilità del box (a prescindere dal numero e dal tipo di connessioni) rimane un requisito imprescindibile.

Un grande punto di forza di AriaSilent Box è costituito dai materiali: rispetto a molte delle soluzioni proposte dalla concorrenza – in carpenteria metallica – Valsir propone un box realizzato con una particolare mescola di materiali plastici con proprietà antistatiche e antibatteriche, in grado di contrastare la diffusione di batteri e odori sgradevoli.

Inoltre, la scelta dei polimeri plastici consente di ridurre sensibilmente il peso del box (anche di 4 o 5 volte, rispetto a soluzioni analoghe ma realizzate in metallo).

La tecnologia di AriaSilent Box

Il sistema ideato da Valsir può vantare diversi brevetti, e introduce soluzioni innovative che non hanno rivali tra le gamme per la VMC proposte dalla concorrenza.

È brevettata, per cominciare, l’apertura a strappo delle connessioni per i condotti corrugati. AriaSilent Box, infatti, viene fornito con tutti i fori di collegamento

alle tubazioni chiusi. Ognuno è provvisto di linguetta a strappo, per consentirne l’apertura con estrema facilità, direttamente in cantiere. In questo modo si possono utilizzare solo le connessioni effettivamente necessarie, e non ci sarà bisogno di tappi o altri accessori per chiudere i fori di collegamento non utilizzati.

Va sottolineato che tutti i raccordi AriaSilent Link condividono la medesima geometria: in altre parole, al medesimo box di distribuzione possono essere connesse tubazioni corrugate sia tonde che ovali, e in taglie differenti, con la libertà di realizzare installazioni miste senza dover utilizzare alcun adattatore. È brevettato anche il deflettore interno adottato dalla versione di AriaSilent Box a 18 connessioni (il più grande tra i modelli a disposizione): realizzato in materiale espanso per ragioni di leggerezza e di isolamento, consente di ripartire in modo ottimale la portata d’aria dei diversi condotti, semplificando sensibilmente le operazioni di bilanciamento.

AriaSilent Box 18 è disponibile anche nella versione Therm, soluzione ottimale per impianti che abbinano trattamenti di deumidificazione e di integrazione termica, e che evita la formazione di condense e gli sprechi energetici.

A completare la gamma dei box di distribuzione del sistema AriaSilent sono le due versioni Compact, da 6 oppure da 8 connessioni. Tutti i modelli sono destinati principalmente all’ambito residenziale, e possono essere abbinati a impianti dalla portata compresa tra i 50 e i 650 mc/h.

Informazioni dalle aziende

Bilanciamento e regolazione dei circuiti idronici alla luce della EN ISO 52120-1

Analisi delle novità introdotte dalla EN ISO 52120-1, la prima norma recepita in Italia che indica in modo organizzato quali devono essere i nuovi requisiti del bilanciamento idronico e del controllo delle pompe in funzione delle prestazioni energetiche volute per l’edificio

Le reti di distribuzione degli impianti di riscaldamento e raffrescamento possono essere definite come la concatenazione di uno o più circuiti idronici chiusi aventi lo scopo di trasportare l’ener-

gia prodotta da uno o più generatori (caldaia, pompa di calore, chiller, etc.) ai terminali/emettitori delle varie utenze dell’edificio (batterie di scambio di UTA,

radiatori, superfici radianti, fancoil, travi fredde, etc.).

La corretta progettazione, posa in opera e commissioning di una rete di

#77 24
Reti di distribuzione

distribuzione sono fondamentali per garantire il funzionamento richiesto dall’intero impianto sia in termini di comfort che di consumo energetico dell’edificio. Anche i migliori generatori e terminali con le più elevate prestazioni non potranno in alcun modo compensare una rete di distribuzione funzionante in modo non corretto.

I vari circuiti idronici che compongono tali reti sono denominati primario, secondario, terziario, etc. in funzione della loro distanza dai generatori. Ciascun circuito può essere interconnesso con quello precedente/successivo sia in modo diretto, che con organi specifici (batterie di scambio acqua-acqua, disgiuntori idraulici, collettori, etc.). Inoltre ogni circuito è sempre dotato di almeno una propria pompa che può essere a numero di giri costante (circolatore) o variabile.

Com’è facile intuire, le reti di distribuzione sono strutture molto articolate in cui la complessità cresce soprattutto in corrispondenza degli ultimi circuiti della rete stessa, ossia quelli asserviti alle singole utenze dell’edificio.

Schemi base dei circuiti idronici

Nonostante la complessità, ciascuno dei circuiti idronici che compongono il tratto terminale della rete di distribuzione può essere ricondotto a uno dei

6 schemi base riportati in Figura 1.

I sei schemi vengono scelti in fase di progettazione sulla base di vari fattori quali il tipo di pompa (numero di giri variabile o fisso) e di terminale.

A solo titolo esemplificativo la batteria di preriscaldamento di una UTA potrà essere alimentata e regolata tramite un circuito di miscelazione con valvola a 3-vie , perché questo garantirà una portata costante nella batteria stessa, prevenendo la formazione di giaccio all’interno del circuito e godendo di una temperatura più uniformemente distribuita su tutta la superficie di scambio.

Mentre la batteria di riscaldamento di un ventilconvettore (fancoil) potrà essere alimentata e regolata sia attraverso un circuito modulante con valvola a 2-vie, sia tramite un circuito di deviazione con valvola a 3-vie . Sebbene il risultato sia sostanzialmente lo stesso, in questo caso la scelta dipende dalla volontà o meno di utilizzare una pompa a numero di giri variabile o costante.

Senza entrare nel merito dell’analisi di tutti i circuiti, le loro conseguenze e le loro principali applicazioni1, gli schemi esposti in Figura 1 indicano chiaramente almeno 3 tipi di dispositivi fondamentali al funzionamento del

1 Per una trattazione più esaustiva si rimanda al Cap. 7.3 del Manuale d’ausilio alla progettazione termotecnica – Idronica (AiCARR 2015).

circuito stesso, ossia la pompa, le valvole di regolazione e gli organi di bilanciamento. Questi ultimi sono quindi dei dispositivi indispensabili al corretto funzionamento del circuito.

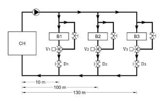
Prendiamo ad esempio una semplice rete di distribuzione (riportata in Figura 2) che deve alimentare 3 identiche batterie di scambio termico (B1, B2 e B3), poste a distanza crescente dalla pompa, con l’energia prodotta da un unico generatore (CH), la cui portata che lo attraversa dovrà essere sempre costante. È evidente che maggiore sarà la distanza della batteria dalla pompa, minore sarà la prevalenza disponibile ai capi del circuito della batteria stessa. Senza alcuna compensazione degli organi di bilanciamento D1, D2 e D3 è chiaro che le portate che attraversano ciascuno dei 3 circuiti delle batterie sarebbero totalmente diverse da quelle previste a progetto.

Le novità introdotte dalla norma EN ISO 52120-1

La norma EN ISO 52120-1:2022 “Energy performance of building – Contribution of building automation, control and building management – Part 1: General frameworks and procedures”, è la norma europea che entro breve sarà recepita anche in Italia e sostituirà la precedente norma UNI EN 15232-1.

Questo documento, proprio come il suo predecessore, è la norma di riferimento per la definizione e la classificazione dei sistemi di automazione e regolazione (noti come BACS – Building Automation & Control Systems) in relazione alla Classe di efficienza energetica di edifici residenziali e non. Tra le parti più note della norma spiccano 2 lunghe schematizzazioni, ossia la Tabella 5 e la Tabella 6.

La Tabella 5 identifica in modo organizzato le funzioni del TBM (sistema di gestione tecnica) e del BAC (sistema di automazione) che caratterizzano il controllo di 7 sotto -

FIGURA 1 I sei schemi base dei circuiti idronici

FIGURA 2 Esempio di rete di distribuzione che alimenta 3 identiche batterie di scambio termico (B1, B2 e B3), poste a distanza crescente dalla pompa, con l’energia prodotta da un unico generatore (CH)

#77 25

sistemi fondamentali per l’edificio ossia:

1. del sistema di riscaldamento (12 funzioni);

2. del sistema di controllo della fornitura di ACS (4 funzioni);

3. del sistema di raffrescamento (10 funzioni);

4. del sistema di ventilazione e condizionamento (10 funzioni);

5. del sistema di illuminazione (2 funzioni);

6. del sistema di schermatura solare (1 funzione);

7. del sistema di gestione dell’edificio (7 funzioni).

Per ciascuna delle 46 funzioni elencate e descritte vengono classificate svariate logiche di gestione a efficienza energetica incrementale.

La Tabella 6 specifica quali delle 46 funzioni sono necessarie al BAC dell’edificio (residenziale e non-residenziale) per conseguire la Classe A, B, C o D.

Tra le tante novità introdotte dalla nuova norma EN ISO 52120-1, spicca proprio quella sui requisiti sulle funzioni di bilanciamento dei circuiti idronici del sistema di riscaldamento e raffrescamento, laddove ciascuno di essi sia costituito da oltre 10 terminali (radiatori, ventilconvettori, batterie di scambio, travi fredde, superfici radianti …).

Tali funzioni, indicate nella Tabella 5 della norma ai punti 1.4.a (bilanciamento idronico sistema di distribuzione dell’impianto di riscaldamento) e 3.4.a (bilanciamento idronico del sistema di distribuzione dell’impianto di raffrescamento), sono sostanzialmente equivalenti e possono essere raggruppate in Tabella 1.

A questi requisiti è bene aggiungere anche quelli per la funzione di controllo delle pompe di distribuzione anch’essi uguali sia nel caso di sistemi di distribuzione dell’impianto di riscaldamento (requisiti 1.4) e raffreddamento (requisiti 3.4), che possiamo riassumere in Tabella 2.

Come detto in precedenza, le funzioni esplicitate nella Tabella 5 della norma vengono poi riprese nella successiva Tabella 6 per definire quali di esse siano necessarie per ottenere la Classe A, B, C o D del sistema BAC. Se prendiamo a riferimento sono gli edifici non residenziali (quali uffici, scuole, centri commerciali, alberghi, etc.) i requisiti per le funzioni di bilanciamento idronico e di controllo delle pompe possono essere riassunti nella Tabella 3.

Principali organi di bilanciamento

Come visto, la norma EN ISO 52120-1, oltre a indicare quando sia necessario prevedere funzioni e dispositivi di bilanciamento idronico, specifica quando queste soluzioni debbano essere di natura statica o dinamica

TABELLA 1 Funzione di bilanciamento idronico del sistema di distribuzione dell’impianto di riscaldamento (1.4.a) e raffreddamento (3.4.a), incluso il contributo al bilanciamento dei terminali

0 Nessun bilanciamento

1 Bilanciamento statico per i terminali, nessun bilanciamento dei gruppi di terminali

2 Bilanciamento statico per i terminali, bilanciamento statico dei gruppi di terminali (es. valvola di taratura sugli stacchi)

3 Bilanciamento statico per i terminali, bilanciamento dinamico dei gruppi di terminali (es, valvola di controllo della pressione differenziale sugli stacchi)

4 Bilanciamento dinamico per i terminali (es. con controllo della pressione differenziale)

TABELLA 2 Funzione di controllo delle pompe del sistema di distribuzione dell’impianto di riscaldamento (1.4) e raffrescamento (3.4)

0 Nessun controllo automatico

1 Controllo On/Off: per ridurre il consumo della pompa quando il suo funzionamento non è necessario

2 Controllo multi-stadio: per ridurre il consumo della pompa quando la massima portata/prevalenza non è necessaria

3

4

Controllo a velocità variabile della pompa: tramite controllo a ∆p costante o variabile integrato nella pompa, per ridurre il consumo della pompa quando la massima portata/prevalenza non è necessaria

Controllo a velocità variabile della pompa: tramite controllo a ∆p variabile basato sul segnale esterno di richiesta (portata, ∆T, energia …), per ridurre il consumo della pompa quando la massima portata/prevalenza non è necessaria

Bilanciamento statico

Per dispositivi di bilanciamento statico si intendono sostanzialmente quelli a geometria fissa che, introducendo una perdita di carico, consentono il transito di una specifica portata di acqua in un determinato tratto di circuito detto bilanciato.

Tuttavia, tale portata sarà proporzionale alla prevalenza a monte del dispositivo di bilanciamento stesso. Questo significa che quel tratto di circuito perderà il suo bilanciamento ogni qual volta qualsiasi elemento della rete di distribuzione a cui il circuito appartiene sia in grado di perturbare la prevalenza a monte del dispositivo di bilanciamento statico. Per questo motivo questa soluzione di bilanciamento si dice anche

“pressure dipendent” ossia dipendente dalle variazioni di pressione a monte del dispositivo. Questa famiglia di organi di bilanciamento è sostanzialmente costituita dalle cosiddette “valvole di taratura(in Figura 3).

Normalmente il corpo di tali valvole ospita sia un orifizio, attraverso il quale viene fatto transitare il fluido, sia un apposito otturatore volto a ridurre la superficie di passaggio dell’orifizio e la cui posizione viene fatta variare in modo preciso tramite una manopola esterna. Tale restringimento regolabile consente di indurre una perdita di carico concentrata tale da ottenere la portata di fluido desiderato, in quella specifica posizione di equilibrio dell’intera rete di distribuzione.

#77 26

Edifici non residenziali

Funzione di bilanciamento idronico del sistema di distribuzione dell’impianto di riscaldamento (1.4.a) e raffreddamento (3.4.a), incluso il contributo al bilanciamento dei terminali

Classe D C B A

0 Nessun bilanciamento X

1 Bilanciamento statico per i terminali. X

2 Bilanciamento statico per i terminali, bilanciamento statico dei gruppi di terminali X

3 Bilanciamento statico per i terminali, bilanciamento dinamico dei gruppi di terminali X X

4 Bilanciamento dinamico per i terminali X X X X

Funzione di controllo delle pompe del sistema di distribuzione dell’impianto di riscaldamento (1.4) e raffrescamento (3.4)

Classe D C B A

0 Nessun controllo automatico X

1 Controllo On/Off X X

2 Controllo multi-stadio X X X

3 Controllo a velocità variabile della pompa: tramite controllo a ∆p costante o variabile integrato nella pompa X X X X

4 Controllo a velocità variabile della pompa: tramite controllo a ∆p variabile basato sul segnale esterno di richiesta X X X X

tono di ottenere la lettura della portata che transita per la valvola stessa. Ciò consente di ruotare la manopola, e variare la pressione differenziale, fino a quando la portata definita dalla loro combinazione è pari a quella desiderata nel circuito. In alternativa è possibile associare alla valvola di taratura uno specifico asametro (o altro misuratore di portata). In questo caso sarà sufficiente muovere la manopola della valvola fino alla lettura della portata richiesta. In ogni caso le valvole di taratura, per poter funzionare in modo preciso, devono introdurre una perdita di carico di almeno 20-30 kPa. Per la loro natura statica queste valvole non sono adatte agli impianti a portata variabile.

Bilanciamento dinamico

Per dispositivi di bilanciamento dinamico si intendono invece quelli a geometria mobile che, tramite una retroazione interna, introducono una perdita di carico variabile e tale da consentire il transito di una specifica portata di acqua anche al variare della pressione a monte del dispositivo stesso. Per questo motivo questa soluzione viene detta anche “pressure indipendent” ossia indipendente dalle variazioni di pressione a monte del dispositivo.

Tali dispositivi sono normalmente dotati sia di una manopola con una scala graduata che ne indica la posizione (o il numero di giri completi e parziali dalla posizione di completa chiusura) sia una coppia di prese di pressione che permette di misurare la

pressione differenziale prima e dopo l’orifizio (tramite un opportuno dispositivo portatile). Il produttore di queste valvole di taratura fornisce infatti degli opportuni diagrammi o tabelle tramite i quali, nota la posizione della manopola e la pressione differenziale, consen-

La famiglia di organi di bilanciamento dinamico è sostanzialmente costituita da 2 soluzioni, i cosiddetti stabilizzatori automatici di portata e le valvole di controllo della pressione differenziale. Il primo di questi due dispositivi è una soluzione composta da una cartuccia costituita da un pistone che scorre su degli orifizi di passaggio del fluido e “caricato” tramite una molla opportunamente tarata (Figura 4). La posizione del pistone è influenzata dalla pressione a monte del dispositivo e dalla molla della cartuccia, tramite un opportuno equilibrio di forze dinamiche la valvola consente di mantenere costante la portata al variare della prevalenza a monte del dispositivo tra 15 e 200 kPa.

Per la loro caratteristica di mantenere costante la portata, questi dispositivi sono adatti a tutti gli impianti a portata costante. Negli impianti a portata variabile questi stabilizzatori di portata sono adatti solo in circuiti con valvole on/off. Infatti per loro natura questi dispositivi hanno un comportamento opposto delle valvole di modulazione, il loro impiego farebbe perdere alle valvole di regolazione la loro autorità nel controllo della variazione della portata nel circuito.

L’altro dispositivo appartenente a questa famiglia è la valvola di controllo della pressione differenziale (Figura 5), ossia una valvola in grado di mantenere costante la

#77 27
FIGURA
3 Valvole di taratura
TABELLA 3 Requisiti per le funzioni di bilanciamento idronico e di controllo delle pompe in caso di edifici non residenziali

differenziale

differenza di pressione tra 2 capi di uno stesso circuito.

La valvola più comune di questa tipologia è costituita da 3 componenti:

• una speciale valvola di taratura, detta anche valvola partner, dotata di una presa di pressione;

• un regolatore di ∆p, dotato anch’esso di una presa di pressione;

• un tubo capillare che collega le 2 prese di pressione dei precedenti componenti.

il risultato è quello di un impianto che può essere completamente bilanciato (quando a ogni valvola di regolazione è associata questa valvola di bilanciamento) oppure parzialmente bilanciato (quando la valvola di bilanciamento è associata a un gruppo di valvole, ossia è montata su uno stacco del circuito).

Queste valvole esistono anche nella versione elettronica costituita da una valvola di regolazione motorizzata il cui attuatore intelligente legge il valore di due trasduttori di pressione collegato ad altrettanti punti del circuito.

Valvole di regolazione autobilanciate o “pressure indipendent”

Il corretto bilanciamento dei rami di un circuito non richiede solamente un’attenta progettazione e la scelta di adeguati dispositivi, è indispensabile anche un engineering qualificato in cantiere al momento della messa in servizio dell’impianto. In molti casi, negli impianti a portata costanti, un bilanciamento non perfetto permette di ottenere comunque risultati accettabili o comunque tali da garantire il funzionamento complessivo dell’impianto. Non così negli impianti a portata variabile, soprattutto con terminali modulanti, dove il numero pressoché infinito

di combinazioni di valori di portata e prevalenza all’interno della rete di distribuzione, fa si che un bilanciamento non corretto possa comportare un impianto completamente ingovernabile ed energivoro. Per questo motivo negli ultimi 10 anni si sono affermate delle cosiddette valvole di regolazione autobilanciate o “pressure indipendent”, ossia un unico dispositivo in grado di regolare la portata di fluido nel terminale senza alcun bisogno di dispositivi esterni di bilanciamento. Il segreto di questa funzionalità risiede nel fatto che il corpo di queste valvole racchiude al suo interno due dispositivi, quello di regolazione e quello di bilanciamento, che vengono prodotti per lavorare tra loro in modo coordinato.

Esistono 2 principali tipi di valvole “pressure indipendent”, quelle meccaniche e quelle elettroniche. Le valvole meccaniche “pressure indipendent” sono sempre composte da una valvola di regolazione (sia essa a sfera o stelo-otturatore) in abbinamento con una valvola di controllo della pressione differenziale (Figura 6).

Quest’ultima sostanzialmente assorbe tutti gli sbalzi di pressione del circuito stesso, permettendo alla valvola di regolazione di modulare l’esatto valore di portata desiderata. L’unico valore da

Il regolatore di ∆p è dotato di un otturatore che ostruisce o meno il passaggio dell’acqua e il cui stantuffo è collegato a una speciale membrana fl essibile su cui agiscono 2 forze contrapposte: la pressione del fluido captata dalla valvola partner e la pressione esercitata da una molla tarata. Ruotando la ghiera esterna al regolatore si aumenta o meno il precarico della molla e, di conseguenza, si modifica l’equilibrio sulle due facce della membrana così come la posizione dell’otturatore stesso. Un opportuno indicatore rivela la pressione differenziale raggiunta che può così essere confrontata e modificata fino al raggiungimento del valore desiderato. Questa valvola, a differenza delle altre, non consente di ottenere “da sola” la portata richiesta al circuito, tuttavia permette alle valvole di regolazione presenti nel circuito di lavorare in modo “indipendente dalla pressione”. Nell’insieme FIGURA 6 Esempi di valvole meccaniche “pressure indipendent”

#77 28
FIGURA 4 Stabilizzatori di portata FIGURA 5 Valvola di controllo della pressione

tarare in queste valvole è quello della portata massima desiderata, ossia quello di progetto del terminale per cui sono state previste. Una volta impostato in fabbrica o in cantiere il circuito in cui verranno installate sarà sempre bilanciato dinamicamente. Queste valvole per

poter funzionare correttamente hanno bisogno di una prevalenza minima di 15-20 kPa. Alle valvole meccaniche si affiancano le valvole elettroniche “pressure indipendent” nelle quali la valvola di controllo ∆p è sostituita da un misuratore di portata a ultrasuoni (Figura 7).

Tale sensore, in combinazione con un attuatore intelligente, permette di modulare la portata del fluido senza la necessità di indurre alcuna perdita di carico minima, come nel caso delle valvole meccaniche. La valvola ottenuta è così bilanciata dinamicamente, in quanto qualsiasi scostamento della portata dal valore desiderato viene intercettato dal misuratore di portata e corretto immediatamente dalla valvola stessa di regolazione.

Come per la valvola meccanica, anche in questo caso l’unico valore da impostare è quello della portata massima, ossia di quella richiesta dal terminale. Valore che, assieme a quello della portata istantanea, può essere letto e modificato dal BMS rendendo sia il commissioning che la verifica del funzionamento della rete di distribuzione una attività molto semplice anche in impianti con migliaia di valvole. L’impiego delle valvole di bilanciamento statico e dinamico, così come di quelle “pressure indipendent”, in funzione del tipo di circuito (a portata costante o variabile) e di regolazione dei terminali, può essere riassunta nella Tabella 4.

Implicazioni della EN ISO 52120-1 sui circuiti base e sulla regolazione della pompa

TABELLA 4 Impiego delle valvole di bilancio in funzione del tipo di circuito

Simbolo Dispositivo

Valvola di taratura

Stabilizzatore automatico di portata

valvola di controllo della pressione differenziale (meccanica)

Valvola di regolazione pressure indipendent meccanica

Impianti a portata costante

Impianti a porta variabile con terminali a portata on/off

Impianti a portata variabile con terminali a portata modulante

Adatti + economici - regolazione complessa No No

Adatti + regolazione semplice

Adatti - regolazione complessa

Adatti + regolazione semplice No

Adatti - regolazione complessa

Adatti - regolazione complessa

No Si + semplice taratura Si + semplice taratura

Valvola di regolazione pressure indipendent meccanica

No

Si + taratura e controllo continuo della portata anche da remoto (BMS)

Si + taratura e controllo continuo della portata anche da remoto (BMS)

Dopo aver visto i requisiti definiti dalla nuova norma in merito agli edifici non-residenziali e le varie forme di bilanciamento e regolazione, è possibile riformulare i 6 schemi base dei circuiti idronici in funzione del tipo di regolazione dei terminali (modulante oppure on/off ). Ci concentreremo ora sui 2 circuiti più diffusi negli edifici ossia il circuito modulante con valvola a 2-vie (utilizzato nei circuiti con pompa a numero di giri variabile) e il circuito di deviazione con valvola a 3-vie (utilizzato nei circuiti con pompa a numero di giri fisso). Nelle Tabelle 5 e 6 sono indicati 2 rami, il primo con valvole di regolazione modulanti, il secondo con valvole di regolazione on/off.

Conclusioni

La nuova EN ISO 52120-1 sarà la prima norma recepita in Italia a indicare in modo organizzato quali devono essere i requisiti del bilanciamento idronico e del controllo delle pompe in funzione delle prestazioni energetiche volute per l’edificio. In questa prospettiva la norma prende in considerazioni sia il tradizionale bilanciamento statico (valvole di taratura) che quello di tipo dinamico, oramai indispensabile in tutti gli impianti a portata variabile. Già

#77 29
FIGURA 7 Esempio di valvole elettroniche “pressure indipendent”
PREZZI INFORMATIVI DELL’EDILIZIA www.build.it PREZZARI per SUPERBONUS 110% Sisma Bonus, Bonus Facciate e Bonus Ristrutturazione

Un modello di controllo per ottimizzare le prestazioni del pavimento radiante con un ventilconvettore canalizzato a zone

Troviamo oggi la pompa di calore ad aria quale unico produttore di fluidi termovettori estivi e invernali. Soluzione unica per coprire le esigenze di climatizzazione e di produzione di acqua calda sanita-

ria (ACS), che viene poi collegata con diverse unità terminali quali radiatori, pavimenti radianti e ventilconvettori.

Il riscaldamento con pavimento

radiante è ampiamente utilizzato in climi molto freddi, grazie alle sue eccellenti prestazioni per il riscaldamento in termini di comfort ed efficienza (Hesa-

#77 32
Lo studio ha analizzato e valutato i benefici, in termini prestazionali, di un sistema di controllo combinato rispetto a un controllo convenzionale D. Truffo, F. Fernández Hernández, J. Bandera Cantalejo*
Sistemi di
controllo

raki et al. 2022). Tuttavia, in modalità raffreddamento, la temperatura del pavimento è limitata dalla temperatura di rugiada dell’aria ambiente, per evitare la condensazione dell’umidità dell’aria, che ne riduce la capacità frigorifera a circa 50 W/m2 (UNI 2009).

Per questo motivo nei climi caldi, un’alternativa è quella di combinarlo con i ventilconvettori, che funzionano con temperature di produzione meno favorevoli ma hanno una maggiore capacità di raffreddamento e tempi di risposta molto più rapidi ai cambiamenti di carico nella zona.

Tuttavia, la revisione della letteratura evidenzia una lacuna in quanto a ricerche che studino il controllo di entrambe le unità terminali combinate, in particolare nel settore residenziale.

Descrizione dei sistemi

In questo studio vengono presi a riferimento due diversi sistemi impiantistici:

1. Pavimento radiante con unico ventilconvettore canalizzato e zonificato a servizio di tutte le stanze;

2. Pavimento radiante con singoli ventilconvettori nelle stanze.

Pavimento radiante combinato con ventilconvettore canalizzato e zonificato (modalità combinata)

La Figura 1 mostra lo schema del sistema con i diversi elementi di regolazione. Il sistema di controllo è costituito da due elementi principali: la centrale della zonizzazione e quella di controllo della pompa di calore (PDC). Entrambi hanno delle interfacce di comunicazione, che, grazie ai protocolli applicati

alla pompa di calore e al ventilconvettore, possono controllare la velocità del ventilatore e la temperatura scorrevole sulla mandata della PDC.

Entrambe le schede di controllo ricevono informazioni dai termostati di zona: temperatura di zona (Tz), temperatura del setpoint (Tsetz) e umidità relativa (URz), ed è da queste informazioni che l’algoritmo di controllo stabilisce il funzionamento con la gestione dei seguenti parametri:

1. Ogni zona ha il proprio termostato e uscita motorizzata (D). Quando la temperatura dell’aria della zona arriva in comfort, un segnale di controllo viene inviato all’uscita motorizzata della zona, che interrompe l’immissione dell’aria nella zona. Inoltre, le zone rimangono spente se non sono occupate;

2. La velocità del ventilatore (F) viene selezionata in base al rapporto tra il numero di zone in richiesta e il numero di zone totali;

3. La temperatura di mandata della pompa di calore (PDC) viene obbligatoriamente determinata a seconda che si alimenti il pavimento radiante o il ventilconvettore;

4. Le valvole a pavimento (VS) e/o ventilconvettori (FC) controllano l’evoluzione della temperatura della zona;

5. La presenza di una valvola miscelatrice assicura che l’acqua fornita al pavimento radiante in modalità di raffreddamento non sia così bassa da causare condensa superficiale.

Pavimento radiante in riscaldamento e singoli ventilconvettori per il raffreddamento

Il sistema precedente è stato confrontato con una configurazione comune nel settore residenziale, dove nessun controllo combina entrambe le unità, dato che il pavimento radiante viene utilizzato per il riscaldamento e i ventilconvettori in ogni zona assicurano il raffrescamento.

In questo caso, non esiste un’interfaccia di comunicazione per gestire la PDC, quindi la temperatura di produzione dell’acqua calda / fredda è fissa. La velocità del ventilatore di ogni ventilconvettore è regolata in base alla differenza di temperatura tra ambiente e il setpoint; un termostato installato in ogni zona assicura la zonizzazione termica.

Si tratta di un sistema di controllo avanzato, Figura 2, ma che non consente la combinazione simultanea di entrambe le unità terminali.

Modelli di sistemi di controllo

Sistema di controllo della zonizzazione termica

FIGURA 2 Schema pavimento radiante in riscaldamento e ventilconvettori per il raffreddamento

A livello di zona, il sistema è stato modellato come un

#77 33
FIGURA1 Schema di sistema in modalità combinata

controllo off/on che accende e spegne continuamente l’unità HVAC a seconda della differenza con la temperatura della zona che può essere più o meno lontana dell’intervallo di temperatura della banda di comfort (in genere ±0,5ºC) rispetto al setpoint. Poiché ogni zona ha il proprio termostato e uscita motorizzata, quando la temperatura dell’aria della zona è nella banda di comfort, viene inviato un segnale di controllo all’uscita motorizzata della zona che interrompe l’alimentazione dell’aria alla zona.

Sistema di controllo in modalità combinata

La Modalità Combinata opera per garantire il comfort termico nella zona, dando priorità al pavimento radiante e attivando il ventilconvettore quando il primo non è ancora alla temperatura adeguata. La Figura 3 mostra il funzionamento del sistema in raffreddamento dove, a seconda della differenza dal set-point, avremo in funzione solo il pavimento radiante, oppure solo il ventilconvettore, oppure entrambi i sistemi contemporaneamente.

L’obiettivo è quello di portare la temperatura dell’aria nella zona di comfort il più velocemente possibile. Si osserva che al ridursi del differenziale tra temperatura ambiente e setpoint, la temperatura di produzione viene modificata tra 7 e 10 ºC e la velocità del ventilatore è regolata dal massimo al minimo. Quando l’aria è 2 ºC al di sopra della temperatura del setpoint, il pavimento radiante viene attivato. Quando la temperatura dell’aria è nella fascia di comfort, il ventilconvettore viene spento e si mantiene solo il pavimento radiante. Poiché viene data priorità al pavimento per gestire il carico sensibile della zona, la temperatura di mandata della PDC viene impostata alla temperatura superiore (18 ºC).

Lo stesso funzionamento può essere applicato alla modalità di riscaldamento, come mostrato in Figura 4.

Sistema di controllo in modalità non combinata

Il pavimento radiante agisce solo in modalità riscaldamento e sono state valutate due opzioni:

1. Pavimento radiante suddiviso in zone. L’acqua viene inviata a ciascuna zona solo se la zona è in richiesta termica. Il set point dell’acqua della pompa di calore fissato a 35 ºC. La valvola di ogni pavimento radiante (VSn) viene aperta in base alla differenza di temperatura tra ambiente e setpoint, analogamente alla fase radiante della Figura 3. Questa strategia evita il surriscaldamento nella zona e nella superficie del pavimento;

3 Modalità combinata per il raffreddamento

FIGURA 4 Modalità combinata per il riscaldamento

FIGURA 5 Curve di prestazione di riscaldamento e raffreddamento PDC

#77 34
FIGURA

CASO DI STUDIO

L’abitazione in studio (Figura 6) ha cinque zone riscaldate/ra reddate (soggiorno LR, cucina

K, u cio OF, camera da letto dei genitori PR e camera da letto per bambini CR), con una supercie di 121 m2. La simulazione è e ettuata in Trnsys 17 per diverse città italiane: Napoli, Roma e Milano. I le meteo EnergyPlus sono utilizzati nella simulazione. Una portata d’aria di 0,6 rinnovi/ora è impostata per la ventilazione di rinnovo in tutte le stanze tranne la cucina, dove è calcolata a 2,9 rinnovi/ora. La Tabella 1 mostra i valori considerati per il coe ciente di scambio termico dell’involucro. Per determinare il funzionamento del sistema HVAC si considera il seguente pro lo di occupazione (Figura 7) tipico negli edi ci residenziali.

LA 1 Coefficienti di scambio termico [W/(m² · K)].

6 Rappresentazione 3D della casa

tore (Daikin, 2021). Queste curve forniscono informazioni sulla capacità di riscaldamento e raffreddamento e sul consumo elettrico in funzione della temperatura dell’aria esterna e della temperatura di mandata della PDC richiesto. La Figura 5 mostra le curve di prestazione COP ed EER di un’unità a pompa di calore utilizzata nel caso di studio.

Il modello fan-coil si basa sul metodo effectiveness-NTU e utilizza un valore costante di efficienza per ogni velocità del ventilatore. L’efficienza può essere calcolata a partire dai dati forniti nel catalogo fan-coil (Daikin 2021).

Il pavimento radiante è stato modellato utilizzando il componente Tipo 705, disponibile nella libreria TRNSYS. Questo componente utilizza il metodo del volume finito per modellare una lastra con tubi incorporati su di essa.

Risultati e discussione

Città Muro Soffitto Pavimento Finestra

Milano 0,34 0,33 0,3 2,2

Roma 0,36 0,32 0,36 2,2 Napoli 0,40 0,38 0,42 2,2

L’obiettivo di questo studio è valutare i benefici della modalità combinata rispetto a un controllo convenzionale.

Influenza del sistema di controllo sul dimensionamento dei sistemi HVAC

Il calcolo dei carichi termici di ogni città viene calcolato in un intervallo di comfort tra 22 °C e 24 °C che rappresenta i set-point maggiormente utilizzati nella realtà dagli utenti. Trattandosi di sistemi zonificati, la Tabella 2 mostra i carichi simultanei per ogni città, nonché la pompa di calore e il ventilconvettore canalizzato selezionati (in base al modello di un produttore (Daikin 2021).

Tuttavia, nel caso di raffreddamento con ventilconvettori singoli, il dimensionamento deve essere eseguito in base al carico di picco di ciascuna zona. La Tabella 3 mostra i singoli ventilconvettori selezionati per ogni città (Daikin 2021) e i carichi di picco di ciascuna delle zone (Q (W)).

2. Pavimento radiante sempre ATTIVO. La pompa di calore fornisce sempre acqua riscaldata a ogni circuito con temperatura di mandata della PDC fissata a 35 ºC. Tutte le zone sono riscaldate tutto il giorno. Questa strategia è molto favorevole per evitare ritardi nelle zone, ma il consumo di energia può essere compromesso rispetto al pavimento radiante zonificato.

I ventilconvettori singoli vengono utilizzati in freddo. Il controllo di ogni ventilconvettore modifica sia la velocità del ventilatore che la temperatura di mandata della PDC in base alla differenza tra l’aria ambiente e il setpoint.

Modelli numerici

Il modello di pompa di calore aria-acqua è sviluppato sulla base del tipico insieme di curve di un produt-

Valutazione del comfort termico

In primo luogo, le prestazioni della modalità combinata (Figura 8) rispetto al pavimento radiante a zone (Figura 8) e pavimento radiante sempre ON (Figura 9) vengono analizzate in una tipica giornata invernale a Milano, per il soggiorno (LR) e la stanza dei bambini (CR). La fase temporale di simulazione è di un minuto, adattata al funzionamento del sistema di controllo.

Nella modalità che unisce regolazione combinata e pavimento radiante a zone, si evidenzia l’influenza della zonizzazione termica sul comportamento delle zone.

#77 35
FIGURA TABEL FIGURA 7 Profilo di occupazione

Tutte le zone sono in comfort termico durante i periodi di occupazione (Figura 7). Le temperature operative sono di circa 21-23 ºC e il Voto Medio Previsto (PMV), calcolato secondo lo standard ISO 7730 (ISO 2005), definisce una sensazione di comfort tra leggermente caldo e fresco (PMV tra –0,5 e 0,5).

Analizzando la modalità solo pavimento radiante a zone, si evince che le temperature di comfort non vengono raggiunte a causa dell’inerzia termica del pavimento radiante. Di contro, la modalità combinata sopperisce con il funzionamento del ventilconvettore in ogni zona, consentendo un rapido aumento della temperatura dell’aria. Come si può vedere, la mandata della PDC cambia da 35 ºC (pavimento radiante caldo) a 42-45 ºC (ventilconvettore) a seconda di quale terminale sia attivato.

Per quanto riguarda la modalità pavimento radiante sempre attivo, va notato che non si applica il profilo di occupazione, quindi le temperature operative e il PMV sono molto stabili intorno alla fascia di comfort. Il sistema di controllo attiva unicamente acqua calda alle zone quando l’inerzia termica del pavimento radiante non sia in grado di mantenere il comfort.

Un’analisi del comfort più dettagliata è stata valutata in ogni zona. La Figura 11 mostra un riepilogo dei risultati del comfort termico utilizzando la percentuale di ore in cui ciascuna delle zone ottiene valori PPD e PMV in base alle categorie di comfort (ISO 2005).

In una prima analisi generale, i risultati della Figura 10 confermano le tesi precedentemente presentate. Il pavimento radiante suddiviso in zone, a causa del suo elevato tempo caratteristico nel periodo iniziale di ciascuna zona, presenta percentuali più elevate di disagio (categoria C e disagio, dal 23-33%). Questi risultati sono ancora più alti nei climi più freddi, dove la temperatura radiante media è inferiore e la pompa di calore funziona in condizioni esterne peggiori. Inoltre, in zone come l’ufficio (OFF), che è occupato solo dalle ore 17:00 alle ore 20:00, il carico di riscaldamento accumulato è molto elevato e il tempo caratteristico è aumentato.

La modalità pavimento radiante sempre acceso risolve il problema dello zonificato a scapito di un maggiore consumo energetico e raggiunge buoni risultati di comfort. Tuttavia, ci sono alcuni periodi di surriscaldamento nelle giornate invernali più calde, con disagi dal 15% al 24%.

La modalità combinata raggiunge i migliori risul-

TABELLA 2 Pompa di calore e dimensionamento FC

Milano Roma Napoli

Qheat (W) 8106 7267 7454 Qsens, fresco (W) 3963 4946 5742 Qtot, fresco (W) 4115 6283 8139

TABELLA 3 Pompa di calore e dimensionamento FC

Pompa di calore EBHQ011 EBLQ07CV EBLQ07CV FC canalizzato FWM010D FWM08D FWM08D Zona Milano Roma Napoli Q(kW) FC Q(kW) FC Q(kW) FC

LR 1,8 FWT02 2,2 FWT02 · 2,9 FWT04

Okay 2,5 FWT04 3,4 FWT04 · 3,6 FWT05

DI 1,6 FWT02 0,9 FWT02 · 1,1 FWT02

CR 1,0 FWT02 1,1 FWT02 · 1,3 FWT02

PR 1,1 FWT02 1,2 FWT02 · 1,5 FWT02

FIGURA 8 Modalità combinata. Milano (riscaldamento)

tati di comfort termico. Il pavimento radiante è prioritario a causa della sua elevata inerzia termica e del suo impatto diretto sulla temperatura di esercizio della zona, e il ventilconvettore viene inizialmente attivato per evitare il ritardo del pavimento radiante e per mantenere, quando necessario, la temperatura dell’aria della zona nella banda di comfort.

Per quanto riguarda la modalità di raffreddamento, le percentuali di comfort termico sono simili tra la modalità combinata e i singoli fancoil.

Consumo di energia

Per completare la valutazione, è importante confrontare i sistemi di controllo analizzando il consumo energetico che include il consumo elet-

#77 36

trico della pompa di calore e dei ventilatori. La Figura 12 presenta un confronto in termini di consumo energetico totale dell’edificio e di risparmio energetico ottenuto nel sistema combinato (COMB) rispetto ai sistemi pavimento radiante zonificato (PR ZON), pavimento radiante sempre attivo (PR 24H) e singoli ventilconvettori (FC).

Come si può vedere, in modalità riscaldamento, il PR ZON è il più efficiente, ma gli alti valori di disagio termico rendono la modalità PR 24H più conveniente perché consuma meno della modalità combinata, anche se le differenze sono solo del 6% circa. La modalità combinata può essere giustificata a causa del consumo elettrico totale perché il risparmio energetico relativo ai singoli ventilconvettori è di circa il 40-45%. La combinazione di pavimento radiante e ventilconvettori migliora le prestazioni della pompa di calore e il consumo energetico del ventilatore del ventilconvettore canalizzato è inferiore alla somma del singolo caso ventilconvettore. Pertanto, il risparmio energetico totale è del 12-41%, che risulta più favorevole nelle città con inverni meno rigidi.

Analisi economica, ciclo di vita e periodo di ammortamento

La fattibilità economica delle diverse configurazioni HVAC considerate è stata valutata attraverso il calcolo del periodo di ammortamento (PB) del sistema combinato rispetto agli altri, che dipende dal costo iniziale (IC) e dal costo operativo (OC). I costi iniziali della pompa di calore, delle unità terminali (canalizzati e singoli ventilconvettori), delle apparecchiature di diffusione dell’aria (serrande e valvole motorizzate) e del sistema di controllo a zone (centrali di controllo, interfacce di comunicazione) sono stati ottenuti dai cataloghi dei produttori (Daikin 2021, AirzoneItalia 2022). L’OC è calcolato in base ai risultati del consumo di energia (Tabella 4) e al costo dell’elettricità. Si è presunto un valore conservativo di 0,26 €/kWh che è stato recentemente aggiornato.

Sebbene il costo iniziale del sistema combinato sia più elevato in tutti i casi a causa del costo del sistema di controllo, la riduzione del consumo di energia si traduce in un costo operativo inferiore. I periodi di ammortamento in ogni città sono da 2,2 a 7,7 anni rispetto al pavimento radiante a zone. Il periodo di ammortamento è più alto a Milano perché l’inverno è più freddo e il consumo di energia nel riscaldamento è più importante.

#77 37
FIGURA 9 Modalità pavimento radiante suddivisa in zone. Milano (riscaldamento) FIGURA 10 Modalità RF suddivisa in zone. Milano (riscaldamento) FIGURA 11 Valutazione del comfort termico

Conclusioni

Questo studio ha analizzato le prestazioni di un sistema di controllo applicato a un sistema combinato di ventilconvettore canalizzato e zonificato con pavimento radiante ed è stato confrontato con un sistema basato su un pavimento radiante per il riscaldamento e singoli ventilconvettori per il raffreddamento.

Le principali conclusioni sono:

1. In riscaldamento:

a. La modalità combinata è la migliore in termini di comfort termico. Il ventilconvettore agisce quando una zona viene attivata per aumentare rapidamente la temperatura dell’aria e quando il pavimento radiante non è in grado di gestire il carico di riscaldamento;

b. Il solo pavimento radiante a zone presenta un’importante percentuale di ore di disagio a causa dell’elevato tempo caratteristico del sistema. La modalità pavimento radiante sempre attivo risolve questo problema ma, nei giorni invernali con basso carico di riscaldamento, il surriscaldamento in alcune zone può verificarsi in un clima con un inverno meno rigido.

2. In raffreddamento:

a. Il confronto avviene sostanzialmente tra ventilconvettori, quindi entrambi i sistemi di controllo raggiungono alte percentuali di comfort termico.

3. Per quanto riguarda i consumi energetici, la modalità combinata ottiene un risparmio energetico totale dal 12-41%. Le differenze sono più importanti nel raffreddamento, dove la pompa di calore ha prestazioni migliori con un elevato numero di ore di funzionamento con una temperatura di mandata di 18 ºC, rispetto ai 7 ºC dei singoli FC.

4. Il periodo di ammortamento calcolato in ogni città con la modalità combinata ottiene un PB di 2,2-7,7 anni rispetto al pavimento radiante a zone e da 2-3,2 anni rispetto al pavimento radiante sempre attivo.n

* Davide Truffo, Airzone Italia

Francisco Fernández Hernández, Università di Malaga Juan Bandera Cantalejo, Corporación Empresarial Altra S.L.

FIGURA 12 Valutazione dei consumi energetici e del risparmio energetico

TABELLA 4 Pompa di calore e dimensionamento FC

Costo Sistema Milano Roma Napoli

IC (€) CB 12807 10752 10752 IndFC+RF 10860 8878 9062 OC (€) CB 1929 1127 1170 ZonedRF 2235 1980 1772

RF Sempre attivo 2542 1921 2001

PB (anni)

CB-ZonedRF 7,7 3 2,2 CB-RFAlways su 3,2 2,4 2

BIBLIOGRAFIA

AirzoneItalia www.airzonecontrol.com (consultato il 9.04.2022).

∙ BRE 2010, BREEAM offices 2008 manuale valutatore, BREEAM. Watford: BRE Global Ltd.

∙ Comunicazione della Commissione al Parlamento Europeo, al Consiglio Europeo, al Consiglio, al Comitato Economico e Sociale Europeo e al Comitato delle Regioni – REPowerEU: Azione comune europea per un’energia più accessibile, sicura e sostenibile. Strasburgo 8.03.2022.

Daikin 2022. Prezzi consigliati. Settembre 2021.

∙ D. Lgs. N.192 del 19 agosto 2005. Attuazione della direttiva 2002/91/CE relativa al rendimento energetico nell’edilizia.

∙ Hesaraki A., Huda N. 2022. Una revisione comparativa sull’applicazione del riscaldamento radiante a bassa temperatura e del raffreddamento ad alta temperatura per l’energia, il comfort termico, la qualità e il controllo dell’aria interna. Tecnologie e valutazioni dell’energia sostenibile. Vol 49, 101661.

∙ Joe J., Karava P. 2019. Un modello di strategia di controllo predittivo per ottimizzare le prestazioni dei sistemi radianti di riscaldamento e raffreddamento a pavimento negli edifici per uffici. 245, pp. 65-77.

∙ Liu D., Zhou H., Hu A., Zhang Q., Liu N., Wen J. 2022. Studio sulla modalità di funzionamento intermittente caratteristica di un sistema di raffreddamento combinato convezione-radiazione negli edifici per uffici. Energia ed edifici 255, 111669.

∙ Tianyi Z., Jili Z., Dexing S. 2011. Studio sperimentale su un metodo di controllo fuzzy del rapporto di servizio per gruppi fan-coil. 46, pp. 527-534.

UNI. 2009. UNE-EN 15377. Sistemi di riscaldamento negli edifici – Progettazione di sistemi di riscaldamento e raffreddamento superficiali incorporati basati sull’acqua – Parte 3: Ottimizzazione per l’uso di fonti di energia rinnovabile

∙ UNI. 2005. Norma europea EN ISO-7730:2005. Ergonomia dell’ambiente termico – Determinazione analitica e interpretazione del comfort termico utilizzando il calcolo degli indici PMV e PPD e dei criteri di comfort termico locale.

∙ Zarrella A., De Carli M., Peretti C. 2014. Raffreddamento radiante a pavimento abbinato a sistemi di deumidificazione in edifici residenziali: un’analisi basata sulla simulazione. Conversione e gestione dell’energia. Vol 85, pp. 254-263.

#77 38

per discutere dei temi cruciali e delle principali sfide che attendono il mondo dell’edilizia. Un appuntamento fondamentale per professionisti, aziende e stakeholder, per confrontarsi sul futuro di un mercato in continua evoluzione, con la partecipazione dei massimi esperti in ambito accademico, istituzionale, associativo e del mondo imprenditoriale. Il convegno prevede l’erogazione di CFP per ingegneri e architetti

platinum sponsor con il patrocinio di

IL PRIMO CONVEGNO DIGITALE DELLA FILIERA DELLE COSTRUZIONI 7-10 FEBBRAIO 2023 Per sponsorizzazioni: dircom@quine.it Costruire
www.costruirepiu.it

riqualificazione impiantistica con il sistema Water Loop Heat Pump Tecnologia

La transizione energetica e il passaggio dall’utilizzo di fonti non rinnovabili a fonti rinnovabili sono oggi un imperativo che la comunità europea e gli stati partner si sono impegnati ad affrontare in maniera

forte mettendo a disposizione tutte le risorse necessarie, al fine di invertire rapidamente il trend di produzione di CO2 e l’aumento di temperatura cause

dei cambiamenti climatici.

#77 40
Secondo l’EIA (Fig. 1) per raggiungere questo obbiettivo la tendenza delle fonti di energia primaria nel Il tasso di rinnovamento del settore edile è ancora troppo basso per raggiungere gli obbiettivi di decarbonizzazione entro le tempistiche fissate dalla Comunità Europea. Serve un nuovo approccio per l’utilizzo di pompe di calore in edifici plurifamiliari esistenti
I. Zanetti*
La

periodo che va dal 2018 al 2050 vedrà un aumento considerevole in termini dell’energia secondaria dell’elettricità (+79%). A questo si associa una crescita conseguente delle rinnovabili in termini di energia primaria, a dimostrare ancora una volta come lo spostamento progressivo del sistema energetico globale verso l’elettricità, sarà fondamentale per il processo di decarbonizzazione.

Il settore “building” (il nostro Civile) – che raggruppa strutture residenziali e commerciali – subirà l’aumento maggiore in termini relativi (+65%), indotto dal miglioramento degli stili di vita, dalla crescente urbanizzazione e dal sempre maggiore accesso all’elettricità.

L’evoluzione per il parco edifici europeo verso il 2050 e l’utilizzo intensivo delle pompe di calore

Il settore dell’edilizia è corresponsabile oggi di oltre il 40% dei fabbisogni energetici globali e l’evoluzione prevista per il parco edifici europeo verso metà secolo vede un fortissimo aumento delle ristrutturazioni. Il rapporto tra edifici nuovi e stock complessivo di edifici a livello EU-27 evidenzia una stagnazione presente, e futuro del trend dei nuovi edifici: molto si giocherà quindi su ristrutturazioni e sostituzioni edilizie (Fig. 2).

Le fasi principali di questo cambiamento sono la decarbonizzazione, il rafforzamento dell’efficienza energe-

tica, l’incremento dell’utilizzo delle fonti rinnovabili, la digitalizzazione delle reti elettriche e lo sviluppo di nuove tecnologie in pompe di calore. Il graduale spostamento del sistema energetico globale verso l'energia elettrica sarà fondamentale per il processo di decarbonizzazione e questo ha messo le pompe di calore al centro dell'attenzione dei decisori politici e della legislazione. In particolare, la loro combinazione con la produzione di elettricità rinnovabile in loco, ad esempio da fotovoltaico, permette di portare quote elevate di energia rinnovabile.

In questo contesto, se da un lato si vede in prospettiva un contributo determinante delle pompe di calore, dall’altro sarà un processo lento e graduale. Al fine di incentivare questo processo e per la crescita del mercato delle pompe di calore sarà determinante trovare soluzioni impiantistiche per estendere il più possibile le installazioni al mercato delle ristrutturazioni, che interessano principalmente edifici esistenti, condomini, edifici plurifamiliari (circa l'80% del mercato delle costruzioni residenziali si concentrerà nella ristrutturazione e solo il 20% sarà nel nuovo). Una sfida complessa che passa attraverso la prospettiva dal singolo edificio, al complesso edilizio, al quartiere, e poi all’intera città. In questo scenario di replicazione su larga scala in grandi edifici esistenti (condomini/periferie), unita alla riqualificazione dell'involucro, si avverte la necessità di ripensare agli interventi impiantistici risolvendo due questioni fondamentali che riguardano il complesso edificio-impianto nel suo insieme:

• la difficoltà di integrazione architettonica dei componenti esterni della pompa di calore in un contesto edilizio esistente;

• trovare soluzioni impiantistiche che permettano il più possibile l’utilizzo degli impianti esistenti, minimizzino l'impatto sugli utenti, consentendo la continuità dell'abitare negli alloggi.

Lo stato dell’arte: le pompe di

calore

centralizzate e il sistema Water Loop

Il tasso di rinnovamento del settore edile è però ancora troppo basso per raggiungere gli obbiettivi entro le tempistiche fissate dalla Comunità Europea. Mentre le pompe di calore sono sempre più installate in case unifamiliari e bifamiliari nuove ed esistenti, nonché in nuovi edifici plurifamiliari, la loro attuale installazione in edifici plurifamiliari esistenti è ancora marginale. Oltre all’aspetto di integrazione architettonica, esistono infatti diversi osta-

#77 41
FIGURA 1 Consumo globale di energia primaria per fonte energetica (210-2050). Fonte: EIA FIGURA 2 Osservatorio del patrimonio edilizio dell'UE. Fonte: EU Building Stock Observatory (BSO)

coli tecnici che attualmente ne frenano l'attuazione come diretto sistema di generazione. Le difficoltà tecniche per l'implementazione delle pompe di calore negli edifici con più appartamenti esistenti sono ad esempio:

• impianti con tubazioni esistenti alimentati ad alta temperatura; Elevate dispersioni termiche nelle tubazioni di distribuzione (sia riscaldamento che ACS) aumentano ulteriormente il livello di temperatura che deve essere erogato dal generatore di calore, e quindi il suo consumo energetico;

• requisiti di alto livello di temperatura nell'impianto sanitario in impianti centralizzati: al fine di prevenire la crescita della legionella, devono essere garantiti livelli elevati di temperatura nell'impianto di accumulo e distribuzione dell'acqua calda sanitaria.

IMPIANTO ESISTENTE

Impianti di condizionamento ad anello d’acqua

Una delle risposte è stata lo sviluppo della tecnologia degli impianti di condizionamento ad anello d’acqua WLHP (Water Loop Heat Pump) applicabili in edifici residenziali coniugando alte prestazioni tecnologiche, spessore ridotto, estrema silenziosità e design accattivante. Il sistema di climatizzazione ad anello è diffuso negli stati uniti da più di 30 anni mentre risulta ancora poco utilizzato in Europa se non nel terziario e nei centri commerciali. La sfida è stata passare da sistemi centralizzati a un approccio decentralizzato a due stadi che consente perdite di calore minime e massima integrazione di energia rinnovabile e integrando nuove pompe di calore con un refrigerante a basso GWP (R290) che offrono l'opportunità di raggiungere temperature di mandata più elevate.

La tecnologia water loop di INNOVA per applicazioni residenziali è idonea alla riqualificazione dei complessi condominiali con la sostituzione di generatori a combustione e i radiatori esistenti con distribuzione ad alta temperatura per realizzare la climatizzazione invernale ed estiva mantenendo inalterata la distribuzione. Il sistema di distribuzione esistente è mantenuto a una temperatura neutra di circa 25 °C tutto l’anno grazie a una pompa di calore centralizzata (primo stadio), in sostituzione del generatore fossile ad alta temperatura esistente. I terminali esistenti ad alta temperatura vengono sostituiti con pompe di calore acqua/aria WLHP che, allacciate all’impianto di distribuzione esistente, provvedono alla climatizzazione invernale ed estiva aumentando o diminuendo la tempe-

ratura operativa (secondo stadio). La distribuzione esistente (anello d’acqua), fungerà da sorgente di calore in fase invernale e da sistema di smaltimento di calore in fase estiva delle pompe di calore decentrali; la pompa di calore centralizzata provvederà a mantenere in temperatura l’anello.

In Figura 3 l’esempio di riqualificazione impiantistica di un condominio: a sinistra l’impianto esistente caratterizzato da distribuzione ad alta temperatura ed elevate dispersioni sul primario, generatore a energia fossile e possibilità di solo riscaldamento; sulla destra l’impianto riqualificato con la possibilità di utilizzo di energia rinnovabile, basse temperature nel circuito primario (limitate perdite di energia), possi-

bilità simultanea di riscaldamento e raff rescamento mantenendo inalterata la distribuzione.

Nell’applicazione in un contesto residenziale questa innovazione – che rivede le modalità di funzionamento degli impianti di climatizzazione negli edifici residenziali collettivi, specie per quanto attiene la riduzione dei consumi termici involontari dovuti all’alta temperature a cui sono progettati adesso gli impianti – necessita non solo un’estetica piacevole, ma anche di un funzionamento silenzioso – tutti aspetti ampiamente testati in cantieri pilota.

Va menzionata anche l'elevata flessibilità. Gli HP decentralizzati, accoppiati al circuito di distribuzione a bassa temperatura, offrono un'elevata flessi-

#77 42
APP. 1
IMPIANTO RIQUALIFICATO IMPIANTO ESISTENTE
COLONNE ESISTENTI (50-70°C)
ALTA TEMPERATURA NELL’IMPIANTO ELEVATE PERDITE USO COMBUSTIBILE FOSSILE NO RINNOVABILE TERMINALI ESISTENTI SOLO RISCALDAMENTO
USO DISTRIBUZIONE ESISTENTE NESSUN COSTO RISCALDAMENTO E RAFFREDDAMENTO CONTEMPORANEO USO PDC ENERGIE RINNOVABILI MIGLIORAMENTO COMFORT PRODUZIONE ACS APP. 2 APP. 3 APP. 4 APP. 1 APP. 3
BASSA TEMPERATURA NELL’IMPIANTO RIDOTTE PERDITE
ESEMPIO DI APPLICAZIONE CON WLHP La riqualificazione di un condominio esistente APP. IMPIANTO RIQUALIFICATO IMPIANTO
ALTA TEMPERATURA NELL’IMPIANTO ELEVATE PERDITE USO COMBUSTIBILE FOSSILE NO RINNOVABILE TERMINALI ESISTENTI SOLO RISCALDAMENTO COLONNE ESISTENTI (50-70°C) BASSA TEMPERATURA NELL’IMPIANTO RIDOTTE PERDITE ENERGETICHE USO DISTRIBUZIONE ESISTENTE NESSUN COSTO AGGIUNTIVO RISCALDAMENTO E RAFFREDDAMENTO CONTEMPORANEO USO PDC ENERGIE RINNOVABILI MIGLIORAMENTO COMFORT PRODUZIONE ACS APP. 2 APP. 3 APP. 4 APP. 1 APP. 2 APP. 3 APP. 4 COLONNE ESISTENTI (25°C) ESEMPIO DI APPLICAZIONE CON WLHP La riqualificazione di un condominio esistente APP. 1 IMPIANTO RIQUALIFICATO IMPIANTO ESISTENTE ALTA TEMPERATURA NELL’IMPIANTO ELEVATE PERDITE USO COMBUSTIBILE FOSSILE NO RINNOVABILE TERMINALI ESISTENTI SOLO RISCALDAMENTO COLONNE ESISTENTI (50-70°C) BASSA TEMPERATURA NELL’IMPIANTO RIDOTTE PERDITE ENERGETICHE USO DISTRIBUZIONE ESISTENTE NESSUN COSTO AGGIUNTIVO RISCALDAMENTO E RAFFREDDAMENTO CONTEMPORANEO USO PDC ENERGIE RINNOVABILI MIGLIORAMENTO COMFORT PRODUZIONE ACS APP. 2 APP. 3 APP. 4 APP. APP. 2 APP. 3 APP. 4 COLONNE ESISTENTI (25°C) APP. 1 IMPIANTO RIQUALIFICATO
FIGURA 3 Esempio di riqualificazione impiantistica con INNOVA WLHP. In alto: condominio esistente e condominio riqualificato con Pompa di calore centralizzata (primo stadio) e pompe di calore decentralizzate negli ambienti (secondo stadio). In basso: dettaglio del sistema
ESISTENTE
ALTA TEMPERATURA NELL’IMPIANTO ELEVATE PERDITE USO COMBUSTIBILE FOSSILE NO RINNOVABILE TERMINALI ESISTENTI SOLO RISCALDAMENTO COLONNE ESISTENTI (50-70°C) BASSA TEMPERATURA NELL’IMPIANTO RIDOTTE PERDITE ENERGETICHE USO DISTRIBUZIONE ESISTENTE NESSUN COSTO AGGIUNTIVO RISCALDAMENTO E RAFFREDDAMENTO CONTEMPORANEO USO PDC ENERGIE RINNOVABILI MIGLIORAMENTO COMFORT PRODUZIONE ACS APP. 2 APP. 3 APP. 4 APP. 1 APP. 2 APP. 3 APP. 4 COLONNE ESISTENTI (25°C)

bilità in termini di funzionamento del sistema. Il circuito di distribuzione disaccoppia la sorgente dalle unità di alimentazione (pompe di calore decentralizzate). La temperatura del circuito può essere regolata secondo necessità per far funzionare le pompe di calore nel miglior regime di funzionamento e, allo stesso tempo, sfruttare al meglio l'elettricità rinnovabile prodotta in loco.

Sul fronte del bilanciamento dell’anello d’acqua molteplici sono le possibilità per il mantenimento dell’anello in temperatura oltre alla pompa di calore: solare fotovoltaico; solare termico; torre evaporativa; acqua di falda/terreno; reti di teleriscaldamento a bassa temperatura: i vantaggi nell’utilizzo di reti di teleriscaldamento a bassa temperatura sono legati alla possibilità di poter cedere alla rete non solo il calore di scarto industriale, ma anche quello proveniente da varie attività locali come supermercati o dagli uffici, i quali possono smaltire calore senza ulteriori costi o addirittura venderlo.

I principali vantaggi del sistema

Molteplici sono i vantaggi del sistema per l’utente finale:

• utilizzo delle tubazioni esistenti e lavori interni limitati: la pompa di calore decentralizzata si collega ai punti di collegamento dei radiatori esistenti limitando al minimo gli interventi sull’impianto;

• continuità abitativa; non necessitando di interventi impiantistici interni invasivi;

• riscaldamento, raffrescamento e deumidificazione con lo stesso sistema;

• potenza termica costante indipendente dalla temperatura esterna e altissima efficienza;

• completa autonomia di funzionamento stanza per stanza, e comfort ottimale;

• riduzione delle perdite di distribuzione nell'impianti: Le perdite di distribuzione negli impianti centralizzati esistenti, in virtù dell’elevata temperatura dell’acqua e molto spesso con

tubazioni poco isolate, possono arrivare tra il 30-50% del calore prodotto. Nell’impianto riqualificato, il mantenimento della temperatura nell’anello attorno ai 25 °C, riduce fino a 9 volte le dispersioni di calore, incrementando complessivamente la prestazione energetica;

• possibilità di produzione ACS per i singoli alloggi; con l’utilizzo di pompe di calore acqua/acqua collegate sull’anello abbinate a un accumulo sanitario, permette una produzione autonoma di ACS per i singoli alloggi. Tale sistema, oltre a eliminare la distribuzione sanitaria centralizzata con ricircolo ai vari piani, con notevoli dispendi di energia, quando avviene il raffreddamento e la produzione simultanea di ACS, il calore erogato dagli impianti in modalità raffrescamento sarà utilizzato in modo efficiente (estratto dal circuito di distribuzione) dagli impianti di preparazione dell'acqua calda, riducendo al minimo l'energia che l'impianto centrale deve fornire per equilibrare la distribuzione ciclo continuo. Il COP complessivo del sistema in quei momenti può arrivare fino a 6;

• la soluzione offre vantaggi significativi rispetto ad altri sistemi di approvvigionamento di energia rinnovabile concorrenti. Caratterizzata dall'essere altamente flessibile e versatile, offre un elevato potenziale di adattamento alle diverse tipologie di distribuzione impiantistica e alle esigenze dell'utente finale;

• uso di energie rinnovabili e riduzione delle emissioni inquinanti e CO2 nei centri urbani.

Per quanto riguarda l'integrazione delle nuove apparecchiature nell'edificio e nelle abitazioni, vanno citate due ulteriori caratteristiche: il sistema proposto si basa su dispositivi molto compatti con un design moderno, che facilitano l'integrazione di nuove apparecchiature in zone con disponibilità di spazio limitata e consentono agli utenti finali di scegliere più di un'opzione, non solo in termini di costi e prestazioni, ma anche per quanto riguarda l'estetica e/o lo spazio necessario. Agevole il montaggio sull’impianto in sostituzione del terminale esistente (con l’aggiunta dell’alimentazione elettrica all’unità) con un terminale con l’estetica di un fancoil di basso spessore, ma con un elevato contenuto tecnologico in pompa di calore: in soli 14 cm di profondità (Fig. 4).

Le unità sono dotate di compressore Dc inverter che modula la potenza sulla reale necessità (carico parziale) garantendo un livello di temperatura ideale, e il ventilatore tangenziale inverter in modulazione continua attenua

#77 43
FIGURA 4 Estetica del nuovo WLHP di INNOVA, caratterizzato da un design moderno e una profondità di soli 14 cm

progressivamente i giri al raggiungimento della temperatura impostata, garantendo silenziosità e comfort.

Fra gli altri vantaggi:

• ampio range di potenze: per poter integrarsi al meglio ai fabbisogni degli ambienti sono disponibili 4 Taglie, con un range di potenze termiche da 1,1 a 3,8 KW e frigorifere da 1,02 a 3,58 KW;

• alta efficienza: COP 5,88, EER 4,97;

• impatto ambientale nullo: Gas propano R290 – GWP 3;

• possibilità di installazione a vista o a incasso Rasomuro, ceiling.

Nella Tabella 1 vengono riassunti i principali dati tecnici di queste unità secondo la EN145116.

Le unità micro-HP saranno regolate da un comando smart touch a bordo macchina o a muro con possibilità di controllo remoto tramite APP che consente di lavorare con connessione WIFI o Modbus. Ciò consentirà all'utente di controllare le unità da remoto, gestire più dispositivi, impostare una modalità di funzionamento diversa per ogni apparecchio e la programmazione giornaliera/settimanale. Le unità saranno dotate di un regolatore modulante di portata al fine di auto bilanciare la portata in ingresso proporzionalmente al carico dell’unità, per un corretto bilanciamento di tutte le unità nel sistema sull’impianto esistente. Saranno dotate inoltre di un sistema di contabilizzazione elettronico dei consumi elettrici, al fine di rendere ancora più agevole il monitoraggio e la suddivisione delle spese in ambito condominiale. Ma l’aspetto più importante riguarda lo smaltimento della condensa nella condizione, in edifici esistenti, di impossibilità di realizzare idonea rete di scarico; Tramite un sistema di iniezione ad alta pressione, la condensa prodotta nel periodo estivo viene re-iniettata nell’impianto esistente. Attraverso un pressostato posizionato nel locale tecnico, sarà quindi scaricata e ripristinato il valore di pressione.

Lo stesso circuito ad anello sarà idoneo alla produzione di ACS, passando da un sistema centralizzato dispendioso, a un sistema autonomo. Per quanto concerne l’ACS negli impianti esistenti centralizzati viene riscaldata dalla stessa caldaia dedicata all’impianto di riscaldamento. Genericamente è presente, nella centrale termica, un accumulo sanitario di capacità adeguate al consumo dei vari appartamenti. Dall’accumulo centralizzato vi è una distribuzione ai vari appartamenti con una colonna montante parallela alla colonna dedicata al riscaldamento. La colonna montante dell’acqua calda sanitaria

TABELLA1 Principali dati di resa in funzionamento estivo e invernale al variare della taglia

Grandezza

200 400 600 800

Rese unità di Climatizzazione (dati riferiti a T aria ambiente 27 °C e umidità 38% – acqua anello 30 °C – Portata acqua es aria nominali

Potenza frigorifera KW 1,02 1,9 2,7 3,58 Potenza assorbita KW 0,2 0,39 0,56 0,76 EER 4,97 4,87 4,82 4,71

Rese unità di Riscaldamento (dati riferiti a T aria ambiente 20 °C e umidità 50% – acqua anello 20 °C – Portata acqua es aria nominali

Potenza frigorifera KW 1,1 2,1 3,05 3,8 Potenza assorbita KW 0,18 0,35 0,52 0,66 EER 5,88 5,88 5,8 5,72

è mantenuta a una temperatura più elevate di quella del riscaldamento e di conseguenza con elevatissime dispersioni termiche.

Nell’impianto riqualificato, in ogni appartamento può essere collocata una pompa di calore acqua/acqua con accumulo per la sola produzione dell’acqua calda sanitaria, anche questa unità è collegata allo stesso impianto ad anello.

Molteplici sono i vantaggi:

• dismissione della colonna montante dedicata all’acqua calda sanitaria e relativi consumi per effetto delle notevoli dispersioni termiche;

• l’acqua sanitaria prodotta localmente può essere mantenuta a una temperatura inferiore con riduzione del consumo energetico;

• in fase estiva, il calore sottratto dagli ambienti viene recuperato per la produzione di acqua calda sanitaria, attraverso l’anello dell’impianto. Sarà inoltre determinante realizzare preventivamente una corretta pulizia dell’impianto esistente prima della posa in opera delle nuove unità, e proteggere il circuito di ingresso ai terminali con filtri defangatori per risolvere problemi impiantistici dovuti

alla presenza di particelle, soprattutto ruggine e sabbia che si formano per effetto della corrosione e delle incrostazioni durante il normale funzionamento di un impianto.

La fase di studio

Il sistema WLHP è stato ampiamente studiato all’interno del progetto di ricerca e innovazione Horizon 2020 dell'Unione Europea [1]. Lo studio, finalizzato ad analizzare l’prestazioni dell’intero sistema, è stato caratterizzato da due fasi. Nella prima fase sono stati studiati i limiti operativi e definita una mappa delle prestazioni di ciascuna pompa di calore. Con questi sono stati calcolate le prestazioni del sistema in pompa di calore in cascata con anello intermedio e confrontato il sistema con una pompa di calore aria-acqua monostadio. I risultati delle prestazioni ottenute nelle prime fasi hanno fornito la possibilità di identificare i punti di ottimizzazione del controllore delle unità. Le prestazioni a carico parziale sono state migliorate per ottimizzare lo SCOP così come per la pompa di calore acqua-aria è stata migliorata migliorato la gestione della ventilazione e della

#77 44

temperatura di mandata. La seconda fase della caratterizzazione del laboratorio è stato eseguire il test dinamico dell'intero sistema in cui il sistema a pompa di calore in cascata è installato in tre camere climatiche. Questo con lo scopo di sviluppare al meglio strumenti di controllo sia tradizionale sia un

modello di controllo predittivo (Fig. 5).

In Tabella 2 il riepilogo della fase di studio per determinare le prestazioni nel funzionamento in cascata. Il COP del sistema a pompa di calore in cascata (COPsys) è calcolato dal COP della pompa di calore aria-acqua (COPa2w) come sorgente e acqua-a-

ria (COPw2a) per il carico di riscaldamento ambiente e acqua-to-water (COPw2w) per l'acqua calda sanitaria. Il COPa2w è definito con la temperatura dell'aria (Tair) e la temperatura dell'acqua (Twater loop) corrispondenti come condizioni al contorno sorgente/carico. Il COPw2a è definito dalla temperatura dell'acqua all'aria ambiente di 22 °C. Allo stesso tempo, il COPw2w è definito considerando la temperatura dell'anello dell'acqua come sorgente e temperatura calda di mandata 45 °C. L'ultima colonna presenta il COP della pompa di calore aria-acqua utilizzata come monostadio (COPa2w sg) per raggiungere i 45 °C considerati come temperatura di mandata per il riscaldamento degli ambienti e per l'acqua calda sanitaria, in un tradizionale impianto a bassa temperatura; in questo caso il COP non dipende dalla temperatura del circuito dell'acqua. Nel calcolo della Tabella 2 abbiamo considerato due temperature del circuito idrico.

Nel riscaldamento degli ambienti, il sistema in pompa di calore in cascata ha prestazioni migliori rispetto alla pompa di calore aria-acqua in monostadio per temperature dell'aria fino a 7 °C; l'unica eccezione è a 12 °C. Una considerazione è che il secondo stadio lavora con una temperatura di condensazione più bassa in quanto la seconda pompa di calore lavora con 22 °C di aria mentre il monostadio aria-acqua doveva funzionare con fan-coil per avere un impianto simile del pompa di calore acqua-aria.

Le prestazioni del sistema in cascata sono paragonabili a quelle della pompa di calore monostadio. Nonostante il maggior costo necessario per l'installazione e simili prestazioni, il sistema in cascata presenta numerosi vantaggi che vengono ottimizzati con l'implementazione del regolatore predittivo: l'acqua calda sanitaria può essere bilanciata con il riscaldamento degli ambienti. La parte di generazione può essere disaccoppiata ai carichi, mentre la gestione degli accumuli (termici ed elettrici) garantisce flessibilità e utilizzo di energia rinnovabile.n

* Ilario Zanetti, INNOVA srl

BIBLIOGRAFIA

[1] Programma di ricerca e innovazione Horizon 2020 dell’Unione Europea nell’ambito dell’accordo di sovvenzione n. 957007, progetto HAPPENING – “HeAt PumPs in existing multi-family buildings for achievements union’s ENergy and envIromeNtal Goals”.

#77 45
FIGURA 5 Sistema riprodotto nel laboratorio delle pompe di calore – Eurac Research (BZ) TABELLA 2 Test delle condizioni al contorno a livello di componenti – Eurac Research (BZ)

L’applicazione del Protocollo IPMVP nei contratti servizio energia

La disciplina del M&V (Measurement and Verification) relativa ai risparmi energetici si sta diffondendo sempre di più nei contratti sia in contesto pubblico sia in quello privato. Ma sussistono ancora dei limiti e delle problematiche da risolvere

Nel settore della riqualificazione energetica da sempre esistono, soprattutto nell’ambito pubblico, in alternativa alla realizzazione diretta dei lavori, forme contrattuali che prevedano l’investimento da parte di terzi, in tutto o parzialmente remunerati attraverso il pagamento di un canone; in tali ambiti vi sono diverse tipologie di contratti, che spaziano da forme di finanziamento tramite terzi ai contratti servizio energia e servizio energia plus (conformi al format del D.lgs 115/08 e ss.mm.ii) a contratti di rendimento energetico, o forme ibride degli stessi.

A differenza del passato, dove la verifica degli effettivi risparmi raggiunti era un elemento accessorio e spesso realizzato sulla base di calcoli convenzionali (confronto fra APE ante e post intervento) privi di attinenza con i risultati reali, è crescente la sensibilità e la necessità di avere, durante il corso del contratto, un effettivo riscontro in merito al raggiungimento degli obiettivi di risparmio contrattualmente previsti. Ciò in realtà solo in alcuni casi determina effettivi impatti sui valori dei corrispettivi dovuti dal cliente, ma è tuttavia già importante il fatto che via sia un obbligo di misurare e verificare i risultati generati dagli interventi migliorativi.

La stessa definizione di Energy Performance Contract, che si può ritrovare nel D.lgs 102/14 e ss.mm.ii e anche in generale la definizione di Servizio Energetico, così come data dalla norma UNI CEI EN 15900, implicano un legame fondamentale fra il corrispettivo economico nei contratti e nei servizi e il risparmio energetico conseguito con gli interventi oggetto di tali contratti o servizi. È quindi indispensabile che tali risparmi siano quantificati opportunamente, e in tal senso pertanto, un contratto che si rispetti deve contenere uno specifico allegato, che definisca gli opportuni algoritmi di calcolo per la misura e verifica dei risparmi e la quantificazione del canone da applicare.

La disciplina dell’M&V

La disciplina dell’M&V (Measurement and Verification) relativa ai risparmi energetici ha proprio l’obiettivo

di fornire i criteri per la corretta quantificazione dei risparmi energetici, e trova nell’ambito contrattuale uno dei classici campi di applicazione.

Come noto l’M&V ha nel protocollo IPMVP (International Performance Measurement and Verification Protocol (IPMVP®) il principale riferimento internazionale, al quale si sono poi ispirate anche le norme ISO 50015 e le principali pubblicazioni in materia. Costituisce una raccolta delle migliori pratiche disponibili per verificare i risultati di progetti di efficienza energetica, efficienza idrica e fonti rinnovabili in diversi campi di applicazione. L’affidabilità del protocollo, il suo riconoscimento storico a livello internazionale e la condivisione dello stesso, ne fanno uno strumento molto adatto come riferimento in ambito contrattuale.

La tradizione dei contratti servizio energia non ha tuttavia uno storico

#77 46
F. Minchio*
IPMVP

molto ampio nell’inserimento di requisiti formali sul piano dell’M&V, che richiamino l’impiego del protocollo IPMVP, per quanto tuttavia, sia sul fronte pubblico sia sul fronte privato, gli ultimi anni abbiano visto una maggiore maturità del settore in tal senso. Nell’ambito pubblico inoltre l’emulazione, ha favorevolmente contribuito alla diffusione dell’impiego del protocollo IPMVP nell’ambito dei contratti servizio energia, per quanto a volte i richiami al protocollo stesso siano inseriti in modo poco pertinente.

Sul fronte privato invece, il protocollo ha assunto una crescente popolarità nei contratti EPC e viene da un lato richiesto dai committenti, se assistiti da tecnici con adeguata formazione, e dall’altra inserito nei contratti da parte delle ESCO stesse con l’obiettivo di dimostrare la propria serietà e il proprio rigore nell’operare.

Di seguito si vedranno alcune tipologie di applicazione, evidenziando anche i limiti e le problematiche emerse in alcuni contesti.

Esempi di applicazione in ambito pubblico Nell’ambito dei bandi pubblici sono numerose le situazioni in cui l’oggetto di intervento è una riqualificazione energetica. Ciò può avvenire nell’ambito di un appalto di lavori (es. lavori di riqualificazione di edifici), o nell’ambito di appalti o più comunemente nell’ambito del partenariato pubblico privato con concessioni di servizi (o miste di lavori e servizi) o molto spesso project financing. In alcuni casi le forme contrattuali possono essere ricondotte a Energy Performance Contract, per quanto in realtà molto spesso si tratti solo di una costruzione formale e spesso introdotta in elementi accessori del contratto.

Capitolo a parte sono senza dubbio le convenzioni CONSIP, in particolare le convenzioni relative al cosiddetto Servizio Integrato Energia, nelle quali è da sempre presente un obiettivo di risparmio energetico ma che scontano tuttavia problematiche concrete di applicazione pratica nell’effettiva verifica dei risultati.

Negli ultimi 6-7 anni sicuramente è l’illuminazione pubblica l’ambito d’intervento in cui moltissime amministrazioni hanno deciso di intervenire, grazie alla grande potenzialità di risparmio energetico date dalla combinazione della tecnologia LED e dei sistemi moderni di telegestione o telecontrollo.

Le problematiche nella costruzione di una credibile struttura di Misura e Verifica dei risparmi energetici nell’ambito pubblico, al di là del contenuto effettivo di contratti e bandi, si scontra molto spesso con concrete difficoltà sul campo, date da un lato dall’assenza o grave incompletezza dei dati di consumi di baseline e dall’altro, specialmente in contesti di project financing, nella significativa asimmetria di conoscenza tecnica e contrattuale fra gli uffici pubblici e le aziende operanti sul mercato.

Di seguito si andranno ad analizzare alcune esperienze di applicazione di M&V e del protocollo IPMVP nel contesto di bandi pubblici e le principali criticità concrete sul fronte sia della costruzione dei bandi di gara sia della concreta applicazione dei contratti stessi.

Nel contesto della M&V alcune applicazioni sono più spinte e citano espressamente la conformità al Protocollo IPMVP.

Di sicuro interesse sono i bandi sviluppati nell’ambito dei progetti ELENA, un fondo europeo finanziato da BEI a sostegno della PA finalizzato in

particolare a erogare un contributo a fondo perduto per l’assistenza tecnica, legale e finanziaria a progetti di efficienza energetica che utilizzino i contratti EPC e il finanziamento tramite terzi come strumento applicativo. In Italia i progetti ELENA conclusi sono vari [1].

Nel caso di alcuni di questi (ad esempio il Progetto 3L di Provincia di Padova, il progetto Amica-E di Città Metropolitana di Venezia, il progetto GEN-IUS a Genova) il contratto è stato sviluppato come EPC nella forma di concessione mista di lavori e servizi. Il calcolo del canone prevede una garanzia di risultato che si traduce in una variazione diretta dello stesso e non sotto forma di penale; nello specifico allegato tecnico “Determinazione Risparmi e Canone” viene illustrata la modalità di calcolo dello stesso. La verifica degli obiettivi è basata su un piano di M&V che richiama espressamente i principi del Protocollo IPMVP sia per gli edifici sia per la pubblica illuminazione.

L’algoritmo di calcolo del canone sviluppato nel caso di gare multi-edificio presenta la necessità importante di ridurre la complessità, poiché già la struttura contrattuale risulta di per sé molto articolata. Pertanto nei casi citati, la scelta si è diretta su una normalizzazione basata su una unica variabile indipendente (gradi giorno di riscaldamento), lasciando le modalità d’uso degli edifici, le ore di utilizzo ecc. come fattori statici per i quali è previsto un aggiustamento straordinario. Il compromesso nell’ottica di una maggiore semplificazione è indispensabile in gare che presentano un centinaio o oltre di edifici, anche in considerazione del fatto che si tratta di esperienze “sperimentali” a livello contrattuale e un’eccessiva complessità poteva anche fungere da elemento di dissuasione alla partecipazione degli operatori, che preferiscono indubbiamente strumenti contrattuali meno vincolanti. L’elaborazione del vero e proprio Piano di M&V è demandata al Concessionario, pur essendo presenti tutti i principi e le caratteristiche del Piano di M&V. È chiaro che un piano di M&V deve essere costruito sul singolo edificio e questo contrasta con la necessità di gestire insieme numerosi immobili, con già una documentazione di gara molto pesante.

Trattandosi di gare che affidano la gestione dell’intero edificio e con target di risparmio minimi per edificio pari o superiori al 10%, tipicamente l’opzione IPMVP scelta è l’Opzione C. Peraltro una scelta diversa sarebbe sostanzialmente inapplicabile vista la quasi totale assenza di misure specifiche relative ai singoli asset. Si deve anche tener conto che sul parco edifici sono molto rari quelli dotati

#77 47

anche di un impianto di climatizzazione estiva significativo.

Nelle ultime gare sviluppate si è scelto un approccio di back-casting (per quanto basato su un dato annuale aggregato), introdotto più recentemente dal protocollo IPMVP, ma particolarmente adatto alle situazioni in cui la costruzione delle curve di baseline in funzione delle variabili indipendenti risulta particolarmente difficile ante intervento.

Più interessante è stato lo sviluppo della gara relativa alla riqualificazione energetica di un importante edificio genovese, il condominio “Matitone”, una delle sedi del Comune di Genova. In questo caso l’edificio è uno solo, per quanto in realtà sia molto complessa la suddivisione interna fra consumi delle parti private e consumi condominiali. Nel caso specifico dei consumi condominiali si è adottata una opzione C, implementando tuttavia un algoritmo di backcasting, spingendosi questa volta su una struttura su base mensile. La scelta del back-casting e della base mensile è strettamente legata al fatto che i consumi di climatizzazione estiva e ventilazione in questo caso sono molto rilevanti, e sono disponibili misure ante intervento solo parzialmente. Anche in questo caso non è presente un piano di M&V completo, elemento di valutazione delle offerte, ma vi sono tutti gli elementi per costruirlo.

Una prassi che si sta diffondendo in molti contratti anche in project financing, è l’introduzione nella fase di gestione contrattuale di una commissione tecnica paritetica, destinata in alcuni casi proprio alla gestione dell’M&V, con un membro di parte terza e un membro rappresentante di ciascuna parte contrattuale. In questi casi viene normalmente richiesto che i membri o almeno il soggetto terzo sia in possesso di certificazione PMVA o CMVP.

Nell’ambito dell’illuminazione interna invece alcune esperienze (fra cui quelle degli accordi quadro del Consorzio CEV, ma anche quella relativa allo stesso Matitone a Genova) hanno evidenziato la difficoltà oggettiva di implementare l’M&V in senso proprio in ambito pubblico; i quadri elettrici infatti negli edifici pubblici non separano FM e illuminazione, se non di rado, e per l’installazione dei contatori è necessari modificare l’impiantistica elettrica. Inoltre è complesso ipotizzare le ore di funzionamento: in alcuni casi sono state implementate misure con analizzatore di rete, in altre situazioni ipotizzate le ore come fattore statico. Ma le misure effettuate in molti edifici testimoniano in realtà come le ore effettive abbiano un’estrema variabilità. Anche in questo caso, vista l’entità media dei

risparmi in gioco, piuttosto limitata in termini assoluti, pare opportuna una scelta di semplificazione.

Capita tuttavia che il protocollo IPMVP venga citato e richiamato espressamente nelle procedure di gara e nei contratti, senza tuttavia che risulti un’aderenza effettiva ai principi dello stesso. Si possono in tal senso riscontrare diverse situazioni:

• piani M&V presentati in sede di proposta privata in project financing, richiamano il protocollo, ma risultano generici e assolutamente inadeguati; è anche tuttavia abbastanza prevedibile la cosa, visto che le informazioni dettagliate sugli immobili molto spesso non sono a disposizione dei proponenti; in tali casi si enunciano più che altro dei principi di M&V piuttosto che strutturare un vero e proprio piano. La dualità fra fasi preliminare ed esecutiva, tipica della progettazione, non è in realtà presente nei principi del protocollo, per quanto diventi in questi casi una necessità;

• in alcune situazioni invece, sono presenti obiettivi di risparmio energetico, ma non vi è alcuna menzione di una vera richiesta strutturata di misura e verifica dei risparmi durante l’esecuzione del contratto; in tali contesti sono richiamate generiche penali, ma nella sostanza il concessionario ha mani libere, rendendo i pochi elementi di M&V citati e in alcuni casi i riferimenti al protocollo, elementi accessori, una sorta di “contentino” dato alla PA;

• sono vari negli esempi, in particolare anche in gare rilevanti di sanità pubblica, in cui sono richiamati i principi del protocollo IPMVP, ma paradossalmente si chiede di applicarlo rispetto a fabbisogni energetici determinati a partire da fabbiso -

gni standard calcolati da Attestati di Prestazione Energetica; è chiaro che questa ipotesi non solo evidenzia una scasa conoscenza della materia ma altresì mette in chiara difficoltà le parti contrattuali nella gestione futura del contratto. Peraltro in questi contesti di gara spesso è un miraggio avere a disposizione le baseline di consumo. Se nei bandi pubblici i principi di M&V sono presenti, la vera sfida sta nell’applicazione dei contratti; spesso infatti la PA è assistita nella redazione del bando ma è sola nella verifica delle prestazioni ex-post. È sempre consigliabile prevedere quindi le già citate commissioni di controllo.

Va compreso peraltro che una corretta implementazione dell’M&V richiede una adeguata conoscenza dell’oggetto di intervento e pertanto deve essere personalizzata, in un qualche momento all’interno del processo fra la gara e l’avvio del contratto. Una delle principali criticità ad esempio delle convenzioni CONSIP sul piano pratico sta proprio nella difficoltà di implementare vere e proprie modalità di verifica dei risparmi, a fronte di baseline di riferimento che spesso sono frutto di costruzioni teoriche. Generalizzare in ambito M&V non è purtroppo una strada efficacemente praticabile, poiché un piano di M&V fatto come si deve dovrebbe essere costruito edificio per edificio, o intervento per intervento.

Un aspetto storicamente critico è la presenza della fornitura del vettore all’interno del contratto; è necessario in questi casi che l’attività di M&V risulti svincolata dalla struttura contrattuale di vendita dell’energia elettrica o gas naturale, con la creazione di una sezione dedicata del contratto alle garanzie prestazionali e una componente di canone a sé stante. Altrimenti il rischio

#77 48

è un depotenziamento concreto delle effettive verifiche sulle performance energetiche.

Applicazione sul mercato privato

Le iniziative sviluppate sul mercato privato hanno in generale una struttura molto diversa rispetto a quello che avviene in ambito pubblico, poiché difficilmente i contratti sono associati a una molteplicità di edifici, ma presentano tipicamente un riferimento più ristretto a un singolo immobile, o addirittura, come più facilmente avviene in ambito industriale, a uno specifico intervento impiantistico.

Nel mercato degli edifici condominiali le forme contrattuali proposte risultano ancora in prevalenza di tipo tradizionale, con classici contratti servizio energia, e solo raramente si riscontrano riferimenti a veri piani di M&V. Su questo punto rispetto all’ambito pubblico, manca la spinta del legislatore e anche la presenza di soggetti con adeguate competenze al fianco degli amministratori condominiali; inoltre la complessità degli algoritmi di calcolo del canone associati tipicamente a una corretta M&V, si sposa molto poco con le esigenze delle assemblee condominiali, che vedono nella complessità un pericolo anziché, come dovrebbe essere, una forma di tutela.

Un po’ più evoluta è la situazione del mercato degli immobili del terziario, quali le grandi palazzine uffici o i centri commerciali; in questi contesti non mancano esempi di proposte di contratti EPC, per quanto in genere la WEBGRAFIA

presenza della fornitura del vettore porti a privilegiare la presenza di garanzie prestazionali tipicamente simboliche.

Il mondo dei fondi immobiliari pare essere piuttosto arretrato nell’approccio contrattuale all’efficienza energetica, basandosi su modelli datati, e in tal senso gli operatori non spingono eccessivamente verso forme di EPC puro in cui l’M&V possa giocare un ruolo centrale.

In tutti questi casi resta dominante l’adozione dell’Opzione C su intero edificio, eventualmente integrata dall’applicazione dedicata dell’opzione B a specifici interventi.

Se anziché avere per oggetto edifici o immobili, i contratti si spostano su specifici interventi di riqualificazione, come avviene tipicamente nel settore industriale, il livello delle competenze delle parti in causa aumenta e quindi anche le forme contrattuali applicate e i contenuti di M&V fedeli al protocollo assumono una struttura maggiormente professionale. In questi casi, dove l’oggetto dell’intervento può essere la riqualificazione di centrali termiche o frigorifere di processo, o centrali aria compressa, sostituzioni di macchinari con altri di tecnologia più avanzata ecc., si costruiscono contratti basati sulle effettive performance energetiche e con M&V che predilige l’Opzione B, con un piano personalizzato per l’intervento e spesso campagne di misura ante intervento ben congeniate. I casi tuttavia non sono moltissimi poiché in generale si paga la parziale ritrosia delle PMI italiane a forme contrattuali quali gli EPC, essendo quest’ultime più

facilmente utilizzabili laddove le realtà aziendali abbiano dimensione di grande impresa o multinazionale.

Conclusioni

L’applicazione di M&V e di conseguenza l’inserimento di riferimenti al protocollo IPMVP sta progressivamente aumentando la propria diffusione nei contratti sia in contesto pubblico sia in quello privato. Nei contratti pubblici è un tema sempre più importante e sentito anche da parte della PA, e si riscontrano esperienze pionieristiche sviluppate negli ultimi anni, in cui viene richiamata la conformità al Protocollo IPMVP e richiesta l’applicazione dello stesso. In molte situazioni tuttavia restano grandi difficoltà legate alla costruzione della baseline da un lato, e alla complessità tecnica dall’altro, che non rendono facile introdurre questi concetti con successo. La soluzione possibile richiede un processo di semplificazione, per quanto limitato, e soprattutto la necessità che la PA venga affiancata da soggetti “facilitatori” per affrontare questi temi sia nella preparazione dei bandi ma anche e soprattutto nella gestione dei contratti nel corso del tempo. Una probabile svolta per il mercato pubblico sarà la pubblicazione della nuova versione dei Criteri Ambientali Minimi sui servizi energetici, che dovrebbe spingere il mercato verso l’adozione stabile di contratti EPC. Il contesto privato presenta invece situazioni diverse; da un lato nell’ambito industriale la preparazione tecnica delle parti tende a favorire la diffusione di criteri di M&V aderenti al protocollo e a esso conformi; dall’altro nei contesti condominiali o nel mondo del terziario delle grandi città, tipicamente affidato a società di gestione immobiliare e riconducibile a fondi immobiliari, il mercato mostra ancora una scarsa evoluzione e un’assenza di competenza specifica sul fronte della committenza.

In generale va detto che la complessità che si introduce in un contratto al fine di costruire un’adeguata struttura di M&V, tende a spaventare notevolmente i soggetti coinvolti e viene a volte evitata dagli operatori per il timore che possa compromettere l’affidamento stesso dei contratti.

È necessario pertanto ancora lavorare per costruire una cultura della misura e verifica dei risparmi per farne comprendere fino in fondo l’importanza e il valore aggiunto a tutela proprio del committente e della parte “debole” del contratto.n

[1] https://www.eib.org/en/products/advising/elena/projects/index.htm

* Fabio Minchio, 3F Engineering

#77 49

La valorizzazione del risparmio energetico industriale in una rendicontazione secondo il protocollo IPMVP®

Introduzione

Lo scopo di questo lavoro è quello di fornire degli spunti di riflessione per la quantificazione del risparmio di lungo periodo determinato da interventi di risparmio energetico in uno scenario di forte inflazione del prezzo dei prodotti energetici (materie prime e vettori), in cui questa influenza anche la determinazione dei tassi di interesse reale.

La determinazione del risparmio è condotta secondo il protocollo IPMVP®.

Il protocollo IPMVP® per la misura e verifica dei risparmi

energetici, oltre a essere un riferimento formale condiviso (richiamato dalla normativa internazionale, ad esempio nella UNI ISO 50015:2015) per i contratti EPC, è uno strumento che può essere ampiamente utilizzato in contesti diversi. Nella sostanza esso rende sistematico quello che a livello intuitivo è un “modo di pensare” estremamente logico. Dato che per i consumi

esistono i contatori e che non esistono strumenti di misura per i risparmi, questi possono essere calcolati sulla scorta di un principio semplice: “il risparmio non è la differenza tra il consumo nell’anno precedente l’intervento e il consumo dell’anno successivo all’intervento, ma è la differenza tra il consumo che si sarebbe avuto l’anno successivo in assenza di intervento e il consumo che

#77 50
Il caso di studio presentato dimostra come l’applicazione del Protocollo IPMVP al fine di una valutazione dei reali benefici energetici ed economici di un intervento, specie in un periodo di inflazione elevata come quello attuale, può portare a risultati importanti
Case Study

si sarebbe avuto l’anno successivo all’intervento”(1). È il condizionale che fa la differenza, e sono proprio le “condizioni” (siano esse climatiche, di programmazione della produzione, e tanto altro) che determinano la modalità di calcolo di questo risparmio. Il risultato di questa procedura può essere visualizzato graficamente nella Figura 1.

La determinazione del risparmio secondo il protocollo IPMVP® può essere effettuata secondo 4 modalità:

A. Isolamento dell’intervento con misura dei parametri principali; B. Isolamento dell’intervento con misura di tutti i parametri;

C. Intero impianto/struttura con misure ante e post;

D. Intero impianto/struttura con misure post e simulazione calibrata ante intervento.

Il caso applicativo che qui viene esposto è quello di una azienda che realizza

TABELLA 1 Sintesi dei risultati dell’intervento

mobili per ufficio in legno, e nella quale sono stati modificati in maniera sostanziale i processi produttivi, con la ridefinizione del processo di assemblaggio (sostituzione fustellatrice e linea di assemblaggio), intervento che è quindi caratterizzato da aspetti tecnologici e gestionali.

L’operazione è stata realizzata con l’adesione al bando POR FESR 2014-2020 (Regione Veneto), riguardante la “sostituzione di cicli produttivi con cicli che comportino una riduzione dimostrata dei consumi elettrici/termici rispetto alla situazione antecedente l’intervento, anche calcolata per unità di prodotto”.

L’azienda non è dotata di un sistema di monitoraggio energetico puntuale, pertanto è stata adottata l’opzione C di cui sopra per il calcolo dei risparmi. Il periodo di riferimento pre-intervento è stato l’intera annata 2019, mentre il periodo rendicontato per il calcolo dei

risparmi è stato l’intera annata 2021. Sono state redatte le due diagnosi energetiche sviluppate secondo il protocollo ENEA ai sensi del DLgs 102/2014, una per l’anno 2019 e la seconda per l’anno 2021, i dati riportati e le immagini che seguono sono quelli elaborati nelle due diagnosi energetiche.

Sintesi dei risultati ottenuti con valutazione su modello IPMVP®

I risultati dell’intervento sono sintetizzati come segue in Tabella 1. La formula adottata per il calcolo dei risparmi è la seguente: Risparmio = energia del Periodo di Riferimento - energia del Periodo di Rendicontazione ± aggiustamenti

L’aggiustamento è effettuato secondo la tecnica del “backcasting”, ovvero adattando il consumo energetico del periodo di rendicontazione alle condizioni del periodo di riferimento. Il fattore di aggiustamento è il volume di produzione (kg).

Quindi la formula si traduce in: Consumo 2021 aggiustato = Consumo rendicontato anno 2021 Quantità di prodotto 2019 Quantità di prodotto 2021

Come si può intuire, la portata dell’intervento è decisiva. Ricordando che si tratta di un intervento di portata molto significativa e che verosimilmente non si può ripagare nemmeno lontanamente con il solo beneficio della riduzione dei consumi energetici per unità di volume prodotto, vale la pena osservare che per quanto riguarda l’energia elettrica, la riduzione del consumo è stata anche “assoluta”. L’intervento ha comportato una riduzione del consumo di energia primaria (per unità prodotta) del 54%; senza l’aggiustamento “backcasting” la riduzione del consumo di energia primaria “assoluta” è stato pari al 3,5%.

Pre-intervento Rendicontato

En elettrica (kWhel)

1.630.125 1.476.319 702.362 927.763 57%

Gas (Sm3) 117.730 128.455 61.113 56.617 48% kg prodotti 2.334.090 4.906.103 2.334.090

Emissioni (tCO 2) 689.595 683.001 324.939 364.656 53%

Consumo complessivo (kWhp) 4.674.804 4.514.766 2.147.911 2.526.893 54%

Consumo complessivo (tep) 402 388 185 217 54%

#77 51
FIGURA 1 Risparmio di energia secondo il protocollo IPMVP®
Post intervento “backcasting” Risparmio assoluto “backcasting” Risparmio percentuale “backcasting” 2019 2021 2021

Analisi dei costi e dei risparmi ottenuti sui consumi di energia

elettrica

La Tabella 2 presenta i consumi elettrici ante intervento suddivisi per fascia, su base mensile. Come viene riportato anche graficamente in Figura 2, non vi è influenza della stagionalità sui consumi dell’energia elettrica, pertanto si può dedurre che il consumo di energia per la climatizzazione estiva sia trascurabile rispetto agli altri consumi (in particolare la produzione).

La (stragrande) maggior parte del consumo elettrico pre intervento viene registrato in fascia F1, con il 70% del totale. Vi sono anche dei superamenti del limite di potenza disponibile.

Dalla Tabella 3 il costo medio dell’energia elettrica consumata pre intervento è di 19 c€/kWh.

La Tabella 4 e la Figura 3 presentano i dati relativi ai consumi post intervento, in cui se da un lato le caratteristiche delle curve non cambiano (scarsa influenza della stagionalità), dall’altro è possibile apprezzare come il consumo di fascia F1 si sia ridotto fino a diventare circa il 67% del totale.

La Tabella 5 evidenzia come nei due anni il costo medio dell’energia elettrica sia aumentato fino a 22,5 c€/kWh, cioè 17,8% in più rispetto al valore 2019, con un aumento medio di circa il 9% annuo. La Tabella 6 presenta infine un quadro sinottico delle osservazioni finora esposte in merito ai consumi e costi dell’energia elettrica in un confronto tra le annate 2019 e 2021.

Di particolare interesse sono quindi i costi e i consumi post intervento “backcasting”, fondamentali per determinare il risparmio energetico (a parità di volumi prodotti) e il risparmio economico che può quindi essere stimato.

Valutazione della variabilità dei risparmi economici sulla base delle fluttuazioni di prezzo dei vettori energetici

Il periodo particolarmente vivace dal punto di vista delle variazioni del prezzo dell’energia (si prende in esame quella elettrica, un discorso analogo ma forse meno interessante potrebbe essere fatto per il gas metano, anche se non sono disponibili le curve orarie di prelievo), spinge la riflessione verso due ulteriori questioni:

• Quanto la tendenza all’aumento dei prezzi dell’energia possa aumentare il risparmio calcolato;

• Quanto l’inflazione modifichi la percezione della redditività dell’investimento.

Questo accade poiché in periodi in cui l’inflazione è mode-

Consumi di energia elettrica ante intervento (2019)

MESE F1 (kWh) F2 (kWh) F3 (kWh)

Potenza Impegnata (kW)

Superamento limite potenza disponibile TOTALE (kWh) TEP

Gennaio 83.399 15.017 6.529 545 –52 104.945 19,6

Febbraio 153.456 34.647 14.685 564 –33 202.788 37,9

Marzo 97.490 34.726 13.738 566 –30 145.954 27,3

Aprile 92.350 29.174 13.565 569 –28 135.089 25,3

Maggio 100.630 35.106 14.461 573 –24 150.197 28,1

Giugno 89.849 35.210 17.839 595 –1 142.898 26,7

Luglio 107.217 36.981 13.701 569 –27 157.899 29,5

Agosto 31.114 7.350 7.299 573 –23 45.763 8,6

Settembre 103.978 33.116 14.513 577 –20 151.607 28,4

Ottobre 107.301 33.424 14.318 588 –9 155.043 29,0 Novembre 95.825 33.110 14.911 597 0 143.846 26,9 Dicembre 69.546 21.918 12.335 567 –30 103.799 19,4

Totale 1.132.155 349.779 157.894 573 –23 1.639.828 306,6

F IGURA 2 Consumi di energia elettrica per fasce orarie, ante intervento

TABELLA 3 Costi energia elettrica ante intervento (2019)

MESE

Costo Energia Attiva (€)

Servizi di rete (€)

Imposte e Addizionali (€)

TOTALE COSTO BOLLETTA (IVA esclusa) (€)

Importo Medio Energia attiva €/kWh

Importo Medio €/kWh

Gennaio 10.694,34 6.849,68 3.177,96 20.721,98 0,102 0,197 Febbraio 12.598,32 7.950,81 3.795,10 24.344,23 0,062 0,120 Marzo 14.306,95 8.957,41 4.333,31 27.597,67 0,098 0,189 Aprile 13.607,59 8.788,78 4.124,12 26.520,49 0,101 0,196 Maggio 15.151,68 9.675,29 4.575,42 29.402,39 0,101 0,196 Giugno 14.310,55 9.262,19 4.322,13 27.894,87 0,100 0,195 Luglio 16.013,90 9.504,01 4.817,98 30.335,89 0,101 0,192

Agosto 5.713,08 4.187,50 1.646,81 11.547,39 0,125 0,252

Settembre 13.553,76 9.064,07 4.364,78 26.982,61 0,089 0,178

Ottobre 14.795,09 9.461,45 4.624,19 28.880,73 0,095 0,186

Novembre 14.453,69 8.933,78 4.316,62 27.704,09 0,100 0,193

Dicembre 10.745,46 6.866,39 3.188,42 20.800,27 0,104 0,200

Totale 155.944,41 99.501,36 47.286,84 302.732,61 0,098 0,191

#77 52
TABEL LA 2

MESE F1 (kWh) F2 (kWh) F3 (kWh) PICCO (kWh) FUORI PICCO (kWh)

Potenza Impegnata (kW) TOTALE (kWh) TEP

Gennaio 73.575 19.845 15.533 77.057 31.832 972 108.953 20,4

Febbraio 58.023 20.311 13.826 61.956 30.252 972 92.160 17,2

Marzo 108.450 31.351 15.803 113.567 42.037 972 155.604 29,1

Aprile 95.824 30.260 13.461 100.194 24.270 972 139.545 26,1

Maggio 99.276 31.125 14.735 104.192 40.934 972 145.136 27,1

Giugno 75.103 24.469 12.363 79.213 32.722 972 111.935 20,9

Luglio 104.789 41.272 20.672 107.445 56.288 972 166.733 31,2

Agosto 35.109 7.854 8.491 33.669 15.335 972 51.454 9,6

Settembre 104.413 37.237 15.775 110.516 46.909 972 157.425 29,4

Ottobre 79.725 28.213 10.431 84.236 34.133 972 118.369 22,1

Novembre 103.876 36.889 17.208 109.751 48.221 972 157.973 29,5

Dicembre 51.489 13.701 5.842 53.665 17.369 972 71.032 13,3

Totale 989.652 322.527 164.140 1.035.461 420.302 972 1.476.319 276,1

sta rispetto al valore del tasso di interesse che si applica nell’attualizzazione del flusso di cassa (VAN), essa si può trascurare; tuttavia in periodi di inflazione elevata è necessario tenerla in debito conto all’interno dell’analisi economica dell’investimento (2).

Il primo elemento sul quale è necessario soffermarsi è l’interesse. Esso rappresenta il valore del denaro nel tempo (e completamente slegato dal fenomeno dell’inflazione), ed è tra tutti i parametri dell’analisi economica quello su cui maggiormente si riflette l’incertezza di scelta da parte del professionista.

Si tratta infatti di un valore che dipende da molti fattori, in primis dal soggetto che sostiene la spesa (e beneficia del risparmio), sia esso un privato, una pubblica amministrazione, un’impresa che realizza margini elevati o ridotti ecc. L’interesse dipende dalla provenienza del capitale, dai margini (nel caso di impresa), ed è una scelta dettata dalla “politica” aziendale; può variare dal valore di riferimento per la redditività dei titoli di stato (3-4%) ma può raggiungere anche valori molto elevati (20%). Per questo motivo spesso si utilizza (quando disponibile dal soggetto investitore) il costo ponderato medio del capitale WACC (che è comunque un valore che varia nel tempo e dovrebbe essere aggiornato nelle rendicontazioni/revisioni dei progetti di investimento). In ogni caso il tasso di interesse deve essere rappresentativo del MARR (tasso di rendimento medio attraente).

F IGURA 3 Consumi di energia elettrica per fasce orarie, post intervento

TABELLA 5 Costi energia elettrica post intervento (2021)

MESE TOTALE COSTO BOLLETTA (IVA esclusa) (€)

Importo Medio Energia attiva €/kWh Importo Medio €/kWh

Gennaio 22.031,87 0,202 0,202

Febbraio 25.803,65 0,280 0,280

Marzo 19.805,25 0,127 0,127

Aprile 25.487,38 0,183 0,183

Maggio 29.000,71 0,200 0,200

Giugno 24.654,37 0,220 0,220

Luglio 33.916,26 0,203 0,203

Agosto 12.456,44 0,242 0,242

Settembre 43.868,22 0,279 0,279

Ottobre 41.895,44 0,354 0,354

Novembre 30.845,90 0,195 0,195

Dicembre 15.134,83 0,213 0,213

Totale 324.900,32 0,225 0,225

L’inflazione rappresenta invece la perdita di potere d’acquisto della moneta, e mette in relazione negli anni successivi valori di flussi di cassa “a moneta corrente” (quella scambiata nell’anno a cui fa riferimento) con quelli “a moneta costante” (quella scambiata in un anno preciso, ad esempio l’anno “0” in cui si realizza un investimento di risparmio energetico, nella fattispecie). Pertanto il tasso di interesse monetario consente di creare le opportune relazioni di equivalenza tra flussi di cassa che avvengono in anni diversi, l’inflazione misura la differenza di potere d’acquisto del denaro nel tempo. Per questo motivo esiste una formula che consente di trasformare il tasso di interesse monetario in tasso di interesse “reale”, ed è precisamente: = +1 m r iβ i β

Come si può apprezzare, l’inflazione riduce il tasso di interesse monetario (inducendo così la propensione all’indebitamento). In sintesi, se il tasso di interesse “erode” progressivamente i flussi di cassa futuri (e lontani nel tempo), l’inflazione “limita” questa erosione.

La Tabella 7 presenta tre scenari diversi per la valutazione

#77 53
TA BELLA 4 Consumi di energia elettrica post intervento (2021)

del risparmio di spesa per l’energia elettrica. È una tecnica nota come O-ML-P (Optimistic – Most Likely – Pessimistic).

I tre scenari prevedono tre diversi livelli di inflazione media del prezzo dei prodotti energetici:

• O-Optimistic 4% annuo;

• ML-Most Likely 6,7% annuo (pari all’inflazione media dell’energia elettrica dal 2005 al 2015)

• P-Pessimistic 9% annuo.

TABELLA 6 Confronto consumi e costi dell’energia elettrica, ante e post intervento

Grandezza

F1 F2 F3 Totale unità

Ante 1.132.155 349.779 157.894 1.639.828 kWh Post 989.652 322.527 164.140 1.476.319 kWh

Percentuale 69,0% 21,3% 9,6% 100,0% Percentuale 67,0% 21,8% 11,1% 100,0%

Costi ante 302.733 €

Costi post 324.900 € Consumi post (backcasting) 470.829 153.443 78.090 702.362 kWh Costi post (backcasting) 154.572 €

TABELLA 7 Scenari di risparmio O-ML-P

Questa valutazione presenta tutti flussi di cassa a moneta corrente, la moneta nell’istante (anno) in cui viene scambiata. 2022 2023 2024 2025 2026 2027 2028 2029 2030 2031

Prezzi energia elettrica scenario medio ML (€/kWh) 0,28 0,30 0,32 0,34 0,36 0,39 0,41 0,44 0,47 0,50

Risparmio a moneta corrente ML (€) 188.504 201.134 214.610 228.989 244.331 260.701 278.168 296.805 316.691 337.909

Prezzi energia elettrica scenario O (€/kWh) 0,28 0,29 0,30 0,31 0,33 0,34 0,35 0,37 0,38 0,40 Risparmio a moneta corrente O (€) 188.504 196.044 203.886 212.041 220.523 229.344 238.518 248.058 257.981 268.300

Prezzi energia elettrica scenario P (€/kWh) 0,28 0,31 0,33 0,36 0,40 0,43 0,47 0,51 0,56 0,61 Risparmio a moneta corrente P (€) 188.504 205.469 223.962 244.118 266.089 290.037 316.140 344.593 375.606 409.411

TABELLA 8 Scenari combinati interesse monetario e inflazione

Successivamente è interessante andare a effettuare una valutazione di cosa accade su più scenari quando l’attualizzazione del flusso di cassa è effettuata in funzione del tasso di interesse reale (combinazione di un tasso di interesse monetario e dell’inflazione). Si sono presi in esame due casi limite per quanto riguarda l’interesse monetario (4 e 20%) e tre casi per quanto riguarda l’inflazione generale (3-8-15%). La Tabella 8 presenta l’effetto combinato dell’interesse monetario e dell’inflazione nella determinazione di un tasso di interesse reale; si può vedere che quando l’inflazione supera il valore del tasso di interesse monetario, l’interesse reale diventa addirittura negativo, come sottolineato in precedenza.

La Tabella 9 infine presenta il calcolo del Valore Attuale Netto (somma di tutti i flussi di casa attualizzati) dello scenario ML di Tabella 7, per tutte le possibili coppie interesse/inflazione.

Come si può facilmente comprendere la forbice dei risultati attesi si divarica notevolmente:

• Il caso a inflazione modesta e interesse elevato riduce significativamente il valore dei flussi di cassa futuri;

• Il caso a inflazione moderata e interesse ridotto (tasso reale negativo) presenta un VAN elevatissimo;

• Il caso della coppia 4%-3% e quello della coppia 20%-15%, benchè i numeri siano nello stesso rapporto, danno risultati solo simili, ma non identici.

Interesse reale (ir) inflazione 3% 8% 15%

Interesse monetario (im) 4% 0,97% –3,70% –9,57% 20% 16,50% 11,11% 4,35%

TABELLA 9 Scenari possibili per il VAN del risparmio

Valore attuale netto (VAN) inflazione 3% 8% 15%

Interesse monetario (im) 4% 2.423.396,28 € 3.242.639,02 € 4.899.348,83 € Interesse monetario (im) 20% 1.124.410,00 € 1.423.410,20 € 2.001.204,96 €

BIBLIOGRAFIA

∙ IPMVP 2016 concetti base, EVO, 2016. https://evo-world.org/en/ipmvp-current/ipmvp-core-concepts/1754-2016-ipmvp-core -concepts-in-italian/file.

∙ Busato F., 2014, Analisi Economica: fondamenti e applicazioni al sistema edificio-impianto, Collana AiCARR n. 20, Editoriale Delfino.

Conclusioni

In un periodo di inflazione elevata essa risulta determinante nel valutare attentamente i flussi di cassa e l’effetto congiunto “inflazione-interesse”. Si aggiunge quindi all’analisi economica un ingrediente importante.

Il caso preso in esame dimostra

come le assunzioni fatte fino a pochi anni fa per le analisi economiche (tassi, inflazione trascurabile) debbano essere riconsiderate con attenzione.n

* Filippo Busato, Università Telematica Mercatorum – Presidente AiCARR

#77 54
Building soluzioni connesse www.automazione-plus.it caso mancato inviare CMP/CPO Milano restituzione mittente previo pagamento Gennaio-Febbraio Anno AO Scarica l’app gratuita EXPERIENCE GATE cover! PANORAMA Digitale IT and ICT INSERTO Soluzioni Software per l’Industria recapito CMP/CPO pagamento Tecniche DevOps per l’industria INDAGINE da indossare SPECIALE Motori azionamenti smart interconnessi COVER STORY sensori intelligenti usano una app Novembre/Dicembre 2020 Anno LXVIII www.automazione-plus.it Poste italiane Target Magazine GIPA/LO/CONV/003/2013 Omologazione DCOCI0168 BLU& ROSSO (Associazione Articoli Climatizzazione,Pavimenti #274 OSSERVATORIOSAIE Il mondo delle costruzioni ha fiducia nel futuro? Sconto o avanticessione, tutta ANNO 2612-3622 us! MAGAZINE INFORMAZIONETECNICA DIMARKETING POSATORE,L’IMPRESA STUDIO PROGETTAZIONE BILINGUAL EDITION BIMESTRALE EDITORE MILANO SPADOLINI, 1721-5366 FRODI ALIMENTARI Individuarelevulnerabilitàperprevenire dannialbrand Produzione & Igiene 20 DIRITTO SANIFICAZIONE Violazione norme corretta sanificazione:qualisanzioni? TECNOLOGIE PACKAGING Imballaggialimentari base nanocellulosa:progressi sfide SPECIALE SICUREZZA & LABORATORIOresponsabilitàdell’igieneproduttivaricadesull’OSA deveeseguire controlli correttosulla unaponderatavalutazionedelrischio IGIEN-KIT IGIENIZZA&ASCIUGA Massima igiene per gli accessi alle aree produttive sanifica suole di scarpe stivali grazie alla soluzione contenuta all’interno asciuga le suole prima del contatto con il pavimento Disponibile tipologie dimensioni. ZONA IGIENIZZANTE LIQUIDO ZONA ASSORBENTE PER ASCIUGATURA shop.tecnafood.it Tel.059.909.881 Whatsapp366.9622894 2. numero SETTEMBRE VOLUME 70 0390-6361 Rivista dell’Associazione Italiana Tecnici del Latte Journal of the Italian Dairy ScienceAssociation Italian Journal of Dairy Science and Technology A.I.Te.L. Associazione Tecnici Effetto delle cellule somatiche della stagione sulla resa in formaggio Parmigiano Reggiano Grana Padano: una minireview Effect of somatic and season Parmigiano Reggiano and Grana Padano cheese yields: minireview Definizione di formaggio: la certezza dell’incertezza? Latte alimentare: parere delle aziende italiane dati economici del settore www.stlcjournal.com posizionamento di prodotto: quale relazione Robiola Roccaverano Dop: formaggio a coagulazione lattica Professione Casara: storia di due signore Parmigiano Reggiano +39 371812 info@foodcom.it www.foodcom.it CULTURES Concentratedfreeze-dried A dabilità, competenza, passione, sono questi valori che ispirano da oltre trent’anni la storia della FoodCom guidandoall’eccellenzachitrasforma latte in formaggi, yogurt, ricotta, panna, burro. Grandeesperienza,rispettodellatradizione casearia, capacità d’ascolto dialogo sottolineano tutto carattere innovativo finalizzato alla ricerca della qualità; il partner dabile che re attraverso un processo tecnologia e competenza ricette dedicate customizzate. C’è voluto tempo per costruire una storia aziendale con le mani nel latte... oggi, rinnovati, siamoprontiperaltritrent’anniada rontare voile delfuturo. Partner Certificata: MONDO IN AMERICA VIAGGIO ON THE ROAD A CACCIA DI GIUGNO MAGAZINE NOVITÀ, DEGUSTAZIONI, PRODUZIONI, ITINERARI NEL MONDO BIRRARIO BIRRA NOSTRA MANUFACTURING INDUSTRIAL IT AUTOMATION MECHATRONICS NOVEMBREDICEMBREDesignIndustry4.0 CLOUD IN ITALIA SOLO UN’IMPRESA SU QUATTRO NE FA USO magazinePUNTO E VIRGOLA AUTOMAZIONE OGGI Novembre 20 CNETO CentroNazionale l’Edilizia TecnicaOspedaliera 03 Organizzazione,tecnologia,architettura Architettura psichiatria Ospedale di Camposampiero potenziata/Personalizzazione delle cure NyaKarolinskaSolna Lagestionedegliospedali Covid Cure rapide grazie alla pandemiaacceleralatrasformazionedigitale d’insiemenell’ediliziasanitaria per RSA FSE privacydeipazienti Efficienza energetica degli ospedali GENERATORIDICALORE POMPEDICALORE SISTEMIVRF SISTEMISOLARIFOTOVOLTAICI SISTEMISOLARITERMICI GLOSSARIODELLA CLIMATIZZAZIONE GENERAZIONE cura Carmine Casale Livio Mazzarella Automazione Cleaning Elettronica Horeca Food Industry Meccanica Innovazione Music SSI Gennaio Febbraio 2021 In tempo reale si parla di reti vulnerabili, AI, AR e dispositivi wearable Digitalizzazione, motore di rilancio dell’industria: riportiamo dati di mercato E poi esperienze RAEng_Publications All-in-Jade CATTURA DELLE VOICECONTROL INV PLUS WHISPERING PURICOOL Logistica Logisticapiùsmartecollaborativa Analisi andamento del mercato Soluzioni Progettazione degli impianti elettrici La sicurezza elettrica nelle nostre abitazioni All’interno BUSINESS MAGAZINE DISTRIBUTORI GROSSISTI MATERIALE ELETTRICO MARZO/APRILE2020 ISSN 0392-3479 MACCHINE UTENSILI PROGETTAZIONE AUTOMAZIONE ATTUALITÀ #5 giugno luglio 2020 mensile www.meccanica-automazione.com Retti DOSSIER Macchine senzatempo DOSSIER RETI PER PROCESSI DI PRECISIONE PRIMO PIANO ALLA BASE DEL CABLAGGIO TAVOLA ROTONDA 5G E DIGITAL DIVIDE 105 NOVEMBRE DICEMBRE www.automazione-plus.it HARDWARE SOFTWARE L’AUTOMAZIONE DISTRIBUITA Fieldbus Networks & Scarica l’app gratuita EXPERIENCE GATE 2021 cleaning ITALIA www.dimensionepulito.it Guidadeiprodotti servizi per pulizia professionale Pro-Line r oL en pagina_pubblicitaria.indd 1 30/06/20 16:57 R Installatore TUTTE NOVITÀ SU COME MIGLIORARE LA PROFESSIONE ’ PROFESSIONALE NOVEMBRE/DICEMBRE installatoreprofessionale.it Installatore Professionale OFFERTA GUIDA ALL’INTERVENTO IN PRESENZA DI POSITIVI AL COVID-19 CURA CNA INSTALLAZIONE IMPIANTI CONTABILIZZAZIONE COSA CAMBIA DOPO IL D.LGS. 73/2020 CASE HISTORY DAL CIPPATO AL PELLET CON IL CONTO TERMICO SIONALE convenzione CROIL BancaPopolare Sondrio Opportunità lavoro professionisti puntano competenza dei progetti Lebonifichecome strumento riduzione delconsumodisuolo L’attivitàdelCeRAR,nuovoCentroStudi dell’UniversitàFondato PERIODICO D’INFORMAZIONE TERRITORIALI EDILIZIA SEDE GOOGLE L’analisi mo ambiente pre-cast SPECIALE TRENODELLA TRAINA PAESI:L’ITALIANON PERDERLO Dueimportantissimiprogettipotrebbero nel Paese,se grado Caro Babbo Natale Massa tempo quello he acili!). che ca difetti ettivi, fronteall’assenza di peralcuninormalità).Un’assenza paradossalmente però, generatrice nuova questo Francesco inuna pot storiaattraverseremoanche donna uomo fare questa immagivorrei contassi,fai, l’aiuto consegnare l’altro ma immagino Atecospostarti motivi lavoro. impor EDITORIALE Il maltempo che mette in ginocchio l’Italia NORMATIVA Legg 04/2013 attivitàUNI Un tentati olamentare attività professionalicheoperano ambiti coperti riservadi Trabilancipositivi nuove L’annovolgealtermine d bilanci, disogni progetti per nuovoanno alluvioni smottamentirendono nostroterritoriosemprepiùfragile.Serve ’adeguataprogrammazionedegl costantemanutenzione delleinfrastrutture. come? quadro onisti ndamentale. hann organidecisionali. INCHIESTA IMPIANTI Interventi prevenzioneprimarianei luoghi vita lavoro Soluzioni permetterebbero lavorare sicurezzaattraversoinerventiintegrati,rapidi DIFFU ETABS idge SiPlant SCS ponti acciaio amministrazioni, azionali.-TRUMENTOINTEGRATO MODELLAZIONE, NTC2018 PRINCIPALI INTERNAZIONAL STORIADELL’INGEGNERIA Unimportante evento accademicosociale nato di anni N°1 L’esperto disponibilità Fondato 1952 PERIODICO D’INFORMAZIONE TERRITORIALI EDILIZIA PROGETTI: NUOVA GOOGLE NEW ambiente pre-cast SPECIALE DELLA PAESI:L’ITALIANON PERDERLO Dueimportantissimi potrebberoessere costruitinel Paese, grado con Il maltempo che mette in ginocchio DALTrabilancipositivie nuovevolge termine ed dibilanci,ma anche progetti INCHIESTA Interventi prevenzioneprimarianei Soluzioni permetterebbero lavorare sicurezzaattraversoinerventiintegrati,rapidi vostra attività Lavorerete certezza degli programmi senza info@csi-italia.eu www.csi-italia.eu rinnovano Bolzano terapia intensiva modello www.casaeclima.com NOVEMBRE/DICEMBRE 2038-0895 WEB WEB WEB WEB WEB WEB BIRRARIO KÖLSCH UNA VOLTA BIRRA ARTIGIANALE MODELLI DI BUSINESS novembre/dicembre Dicembre TECNOLOGIE PER LO SMART MANUFACTURINGITALIA 4.0 L’economia circolare al tempo della Edifici a energia quasi zero - nZEB Quali proposte per dare più valore all’Energy Manager Maggio 2020 14 http://www.shutterstock.com catrici Strumenti FOCUS ON Wagonon si ferma enuoveproponesoluzioni www.ammonitore.com MENSILE D’INFORMAZIONE PER PRODUZIONE L’AUTOMAZIONE INDUSTRIALE Gennaio/Febbraio EDITORIALE celebrare difficile, sembra decidere l’abbrivio nuovo nuovi programmare futuro, cercare distanza grande uno altre quello imprenditori hanno passato, coloro fortemente digitalizzazionenell’implementazionesempre pandemia. questa inaspettata, non spregiudicatespeculazioni dinamiche economiche, insegnato qualcosa. quanto vulnerabiliproduzionemateriererà affidabili cosiddette dando spinta potrebbe produzione prodotti basso favore economia basata tecnologico però, strutturato economico-sociale all’urto. nuova crescita sostenuta,scelte industriale, aperta pandemica.punto esigenze sostanzialmentetecnologia facendo passi trascinando concetto dell’uomo, velocizzare migliorareIntelligenzaartificiale, sono astratti, concreti quali Nello questo L’Ammonitoreincentrato botica, abbiamo mettere come cobot comprimari diventati tagonisti processi industriali, implementando tecnologie innovative migliorare l’efficienza migliorano decisionale persone Fabio.chiavieri@ammonitore.it L’importanza dell’inizio Diparipassoconlatrasformazionedeiprocessiproduttivi,semprepiùautomatizzati interconnessi, secondo logica Industria 4.0, anche mondo della robotica sta rapidamente evolvendo verso alcune direttrici di sviluppo che coinvolgono direttamente l’interazione tra uomo e macchina.Realtà virtuale realtà aumentata, sistemidivisionetridimensionali,nuovisoftware IntelligenzaArtificialeconcorrono ormai rendere robot sempre più performanti collaborativi Lo stato dell’arte dei robot industriali edizionemeccanica macchine momentodell’industria spagnola. 2019 d’impresa”capace benessere tando sviluppo rapportiumani Stile correttezza: valori di ieri per vincere domani utilizzo tecnologie italiano 2021 Rho TEMI PRODURRE esplosa un profonda mente compromesso dell’industria italiana che registrato, cali cifra principaliindicatorieconomici. Dopo il crollo del 2020 nel 2021 ci sarà già la ripresa DIGITAL Latradizionalecerimoniainaugurale digitale interattiva presentazioni vivo, approfondi Interattivo, digitale e dal vivo direttamente da Pfronten GENNAIO FEBBRAIO MECCANICApunto Terms of Mechatronics Mechatronics international dictionary MultilingualDictionary Mechatronics international dictionary Dizionario internazionale Meccatronica Internationales Wörterbuch der Mechatronik Dictionnaire international de mécatronique Diccionario internacionale de procesamiento de mecatrónica Международныйсловарьмехатроники Terms of Mechatronics improvewhatmoves dal singolo componente ai sistemi plug & play, soluzionichesemplificanolavitadelprogettista4.0 IT-1236-BRG+ECS 145x210.indd Cover_TerminiMecc_Luglio2019_Generale.indd 29/08/19 GENNAIO WWW MECCANICAFLUIDODINAMICO BIONICA SENSIBILI L’AGRICOLTURA BOSCH recapito CMP/CPO Roserio-Milano restituzione previo mancato Roserio-Milano restituzione previo 232 novembre/dicembre 2020 LXXI www.meccanica-plus.it SPECIALE. Le applicazioni nell’Assemblaggio Balzo robot installati negliultimicinqueanni Macchine utensili in Italia, crollata la produzione Principalinovitàtecnologiche presentate in BiMu RIVISTA DI MECCANICA OGGI n. 2020 www.dimensionepulito.it MENSILE DI PULIZIE INDUSTRIALI,SANIFICAZIONE IGIENEAMBIENTALE pulizia e sanificazione stindustry.it MACCHINE VAPORE SECCOIGIENE MERCATO Lavasciuga la ripresa nel cambiamento CARRIERA & LAVORO Uscire dalla logica del “posto di lavoro” FORMAZIONE Pulizia e sanificazione degli ambienti Speciale IGIENE ALIMENTARE 1991 2020 nostri 29 anni! Il volto delle imprese who’swwho]whocleaning mancato inviare mittente pagaamento www.elettronica-plus.it GENNAIO-FEBBRAIO 2021 elettronica componenti,strumentazione TECH FOCUS Blockchain:puòcreare fiducianellesupplychain dell’elettronica COVER STORY Elettronica dipotenza: package fondamentale O E VERTICAL MAGAZINEPower Keysight Technologies nunciato l’introduzione primo oscilloscopiocon analogici Ghz canali simultanei. consente utilizzatonumero strumenti sul lavoro semplificare flusso lavoro per prestazioni più tre più precise con singolostrumento. “Si primioscilloscopi spiegato Alexander,KeysightTechnologies che stazionisimultanee canali consentire progettisti dalla individuazione alla del problema nel tempopossibile”.nuovioscilloscopi miserie MXR borazioni effettuate cuito con prestazioni larmente che permettono integrare soluzione strumenti differenti: analizzatore real oscilloscopio, voltmetro digitale generatore forme da, diagrammi Bode, contatore,analizzatore protocolanalizzatore logico. corredo fornita completa soluzionisoftware. dell’Arizona. nuova utilizzerà processoTSMCdaavràunacapacitàdi wafer/mese porterà creazio1.600 lavoro qualificati. L’avvio costruzione provisto prossimentre produzione inizierà taiwanese dichiarato questo progetto 12 2021 www.elettronica-plus.it Già dell’anno economiche avevano avuto negati sulle performance istribuzio pandemia fatto che accentuare questo fenomeno. combinazione questi ha del dell’11,7% primo trimestre dell’anno.Alivello singolidiffeloro: per come (-17,7%), Bre(-19,4%), regioni (-38%) stato superiore alla per come dell’Est caduta stata più (-4%). Buona 203 limitato perdite. Improntate alla cautela previsioni GeorgSteinberger, “La visibili fornitori utenti porterà alcuni sostanziale indubbio necessità sostenerepolitiche sul go periodo avrà favorevoli l’industria elettronica Mensile notizie commenti per l’industria elettronica 641 MAGGIO 2020 DMASS: il futuro della distribuzione www.elettronica-plus.it Oscilloscopi MXR di Keysight: 8 strumenti in 1 nuova fabbrica negli Stati Uniti MERCATI WIRELESS:SMARTPHONEALL’IOT pagina REPORT CONTRACTMANUFACTURING: REAGENDOSETTORE pagina all’interno Q119-Q120 Mercati/Attualità AvnetSilicaaggiungeLifudalla proprialinecard NuovodisplayMicroLEDbasato sullatecnologiaBlackCoating VII KOEpotenzia gammadi TFT VIII SensorediimmagineCMOS tecnologia“globalshutter”per applicazioni visioneartificiale realtà Sistemacentralizzato illuminazione emergenza LatecnologiaLiFiintegratanei computerportatilirugged Monitorindustriali tecnologia multi-touchPCAP XIV Soluzioneprontaall’usoper applicazioniindustriali Lighting EO ILLUMINAZIONE:UN FUTURO CHE SI PREANNUNCIA DECISAMENTE BRILLANTE IN QUESTO NUMERO RAFI Srl, Piazzale Europa, 9 10044 Pianezza (TO) Tel.: +39 (011) 966.31.13 / 994.30.00 rafi@rafisrl.com www.rafisrl.com DISTRIBUZIONE COMPONENTI ELETTRONICI complesso”. Power EO L’AUTONOMIA DELLA BATTERIA NEI DISPOSITIVI MOBILI DOPO LA LEGGE DI MOORE Mercati/Attualità VI TracoPower:unagamma sempre completa convertitori cc/cc alimentatori ca/cc Soluzione BMS wireless con abilitazioneper sistemiASIL VIII Modulo comunicazioneperalimentatorisuguidaDIN VIII Rohmaumentalacapacità produttivadeidispositivi dipotenzaSiC Nuovi alimentatori programmabilida1500W Elettronicadipotenza:le previsioni Vicor XV Alimentazione:passato, presente futuro XVIII Tutelare salutepubblica:assistenzapreventiva perunasocietàpiùsana XXI L’evoluzionedellatecnologia progettazione produzione dei convertitori XXIV semiconduttoriWBGaprono nuoveopportunità applicazioni potenza L’aut della batteria neidispositivimobilidopo laLegge Moore Protez contro danni provocatidallatensione: alcuniconsigliutili New IN QUESTO NUMERO Joseph Pixabay REAGENDO FEBBRAIO 2021 79 www.elettronica-plus.it LA COPERTINA di LAEMBEDDED COPERTINA di EMBEDDED Abilitare applicazioni Real Time con moduli COM Express SPECIALE SPECIALE Progetti embedded: 8 soluzioni open source IoT: uno sguardo ai tool e ai componenti EO Medical Mercati/Attualità nuovi“wearable”perlasicurezza ThinClientAll-in-Oneprogettato mondodell’healthcare VII AirZing:latecnologiache protegge VII prodottiFarnellconsegnerapidedi perlasicurezza l’igiene UPS apparecchiatureimagingmedicale caratterizzataMODUL:un’offerta da standard igienici provocatadaCOVID-19,unostimoloper talento ingegneristico XIII CELLOFLON(A-PTFE): eccellenza innovazionenelcampo PTFE (teflon)bracciKreongarantiscono massimaqualitàper monitor medicali Fimi sensoriotticiaiutano creare mondopost-COVIDpiù touch-free XX Caratteristichedeglialimentatori per apparecchiaturedestinate all’uso campomedicale Interfacceuomo-macchina piùintelligentipermigliorare l’assistenzasanitaria XXVII Strumentazionemedicale: un’armavincente Linux sicurezza sviluppo apparecchiature medicali News IN QUESTO NUMERO LA CRISI PROVOCATA DA COVID-19, UNO STIMOLO PER IL TALENTO INGEGNERISTICO www.quine.it RIVISTE CARTACEE RIVISTE ON LINE DIGITAL MARKETING CORSI EVENTI PERSONALIZZATI TARGET PROFILATO MEDIAKIT 2018 ∙ AREA BUILDING Tutti prezzi si intendono senza Iva YOUR INFORMATION PARTNER Quine srl Via G. Spadolini, 7 20141 Milano - Italia Tel. +39 02 864105 Fax. +39 02 70057190 BUILDING KNOWLEDGE

Una

dei

per

sonda

La necessità di ridurre i consumi energetici e di progettare con attenzione alla sostenibilità ambientale è diventata di primaria importanza a livello internazionale. Tutte le attività umane implicano un impatto sull’ambiente, compresi gli edifici a uso civile e industriale. Inoltre, i sempre più elevati target di comfort richiesti all’interno degli edifici comportano alti consumi energetici legati alla climatizzazione. A livello nazionale, per esempio, il riscaldamento degli edifici costituisce il 30%

del consumo di energia primaria totale. È quindi indispensabile un efficientamento energetico in questo settore sia con azioni sull’involucro per ridurre i fabbisogni dell’edificio per il riscaldamento/raffrescamento, sia con l’utilizzo di impianti di climatizzazione ad alta efficienza, accoppiati a fonti rinnovabili di energia, dove possibile.

Da un punto di vista economico, energetico e non ultimo ambientale, le pompe di calore costituiscono la soluzione più vantaggiosa a questa problematica. In particolare, le pompe di calore geotermiche sono impianti per la climatizzazione degli edifi ci a uso civile e industriale a grandissima efficienza [1] e innumerevoli evidenze

#77 56
I ricercatori dell’Università di Genova hanno sviluppato uno strumento di calcolo completo e gratuito per il dimensionamento dei campi di sonde geotermiche secondo l’algoritmo
Ashrae-Tp8
M. Fossa, S. Memme. S. Morchio, M. Parenti, A. Priarone*
Strumenti
WebApp
il dimensionamento
campi
geotermici per applicazioni a pompa di calore

di letteratura scientifica li identificano come uno dei sistemi più efficaci in termini sia di risparmio energetico, sia di riduzioni delle emissioni di gas serra. Tale elevata efficienza deriva dall’accoppiamento della pompa di calore con il terreno, che rappresenta una sorgente termica vantaggiosa per il sistema in funzionamento sia estivo sia invernale.

Una possibile soluzione: le pompe di calore geotermiche

Nella cosiddetta geotermia a bassa entalpia (a bassa profondità, 100-400 m), la pompa di calore, costituita dal tradizionale ciclo termodinamico inverso a compressione di vapore (e più raramente ad assorbimento), viene interfacciata con un sistema di scambiatori interrati a circuito chiuso in cui evolve un fluido vettore (tipicamente acqua eventualmente additivata). Durante il funzionamento in riscaldamento (modalità invernale), il calore viene prelevato dalla sorgente inferiore (il terreno) e, fornendo l’energia meccanica necessaria al compressore, il calore utile viene reso disponibile alla sorgente superiore (l’edificio). Il circuito geotermico in cui evolve il fluido termovettore, si interfaccia quindi con l’evapo -

ratore dell’impianto a pompa di calore, fornendo al fluido frigorigeno il calore necessario all’evaporazione. Durante il funzionamento in raffrescamento (modalità estiva) il fluido termovettore geotermico scambia invece con il condensatore dell’impianto a pompa di calore, in modo da estrarre dal fluido frigorigeno il calore necessario alla sua condensazione (Figura 1).

Il coefficiente di prestazione (COP) dell’impianto risulta tanto più elevato quanto più le temperature di evaporatore e condensatore (e di conseguenze delle due sorgenti con cui essi realizzano lo scambio termico) sono tra loro vicine. Il terreno costituisce quindi una soluzione termodinamicamente molto vantaggiosa perché presenta, rispetto all’aria esterna, una temperatura mediamente più elevata durante l’inverno e più bassa durante la stagione estiva. Inoltre, a differenza della pompa di calore ad aria, che risente delle variazioni di temperatura dell’aria esterna, il sistema geotermico lavora in condizioni pressoché stabili dal momento che la temperatura del terreno è circa costante nel tempo e, a partire da 10-20 metri di profondità, non risente delle fluttuazioni giornaliere e stagionali di temperatura. Infine, se si

utilizzano, lato edificio, sistemi di distribuzione dell’acqua calda che lavorino a basse temperature (30–40 °C), come a esempio i pavimenti radianti, si possono ottenere valori di COP in funzionamento invernale dell’ordine di 4 e anche superiori. Ad esempio, con un COP = 4,5, durante il funzionamento invernale il calore estratto al terreno, che rappresenta la quota di energia (termica) rinnovabile fornita all’edificio, copre fino all’80% del suo fabbisogno.

Infine, nell’ottica della sostenibilità ambientale, la pompa di calore geotermica permette di immettere in atmosfera un quantitativo di CO2 equivalente pari a circa un quarto rispetto a quello emesso da una caldaia a gas metano di ultima generazione, in relazione alle emissioni attuali equivalenti di CO2 del sistema elettrico italiano (circa 300 gCO2/kWhe) [2,3]. In Europa si stima vengano installate 80 000 pompe di calore geotermiche ogni anno (dati riferiti agli anni 2016 e 2017), per un totale di circa un milione di impianti attualmente operativi. In Canada e negli Stati Uniti il numero di impianti geotermici a pompa di calore installati ammonta a circa 2 milioni [4].

I passi per un corretto dimensionamento

L’accoppiamento con il terreno delle pompe di calore geotermiche avviene tramite un sistema di scambiatori di calore interrati (sonde geotermiche), il cui dimensionamento richiede una conoscenza approfondita dei modelli di scambio termico e delle caratteristiche termiche del terreno circostante, oltre che la valutazione dei carichi termici dell’edificio.

Il corretto dimensionamento del campo sonde geotermiche consiste essenzialmente nella definizione della

#77 57
FIGURA 1 Principio di funzionamento della pompa di calore geotermica (regime invernale)

lunghezza totale degli scambiatori e la loro migliore configurazione (numero degli scambiatori e loro disposizione geometrica). Se l’impianto a pompa di calore, e in particolare il campo sonde, è dimensionato correttamente, a fronte di un’intensità di estrazione di calore Q ¢ [W/m] idonea alla domanda termica dell’edificio e alle caratteristiche geologiche del terreno, la temperatura nelle vicinanze del singolo scambiatore interrato si assesta a qualche grado di differenza rispetto al valore del terreno indisturbato e le prestazioni dell’impianto si mantengono elevate.

Se invece il dimensionamento non risulta corretto (la lunghezza totale è sottodimensionata) e il carico non è bilanciato tra stagione estiva e invernale, si può anche arrivare a temperature prossime al congelamento del terreno circostante lo scambiatore, con il conseguente crollo del COP. Al contrario, se il campo sonde risulta sovradimensionato, non si riscontrano problemi nel funzionamento dell’impianto ma la sua installazione rischia di perdere la sostenibilità economica; infatti, per le pompe di calore geotermiche, il costo maggiore è costituito dalle perforazioni nel terreno per inserire gli scambiatori. Il dimensionamento corretto è quindi fondamentale anche economicamente per il successo e la diffusione di questa promettente tecnologia. Un parametro che influisce in maniera considerevole sulle prestazioni degli scambiatori interrati è la conducibilità termica del terreno k gr che rappresenta un dato fondamentale in fase di dimensionamento dell’impianto e del campo sonde geotermiche. Purtroppo, mentre la densità ρgr e il calore specifico c gr del terreno assumono un intervallo di valori piuttosto definito (2200 ≤ ρgr ≤ 2900 [kg/m3], c gr  850 [J/kgK]), la conducibilità termica k gr presenta un’ampia variabilità (1÷5 W/mK) in base al tipo di roccia e pertanto si rende necessaria una misura in situ. Solitamente la conducibilità termica viene stimata sperimentalmente attraverso una procedura detta Thermal Response Test (TRT), per la prima volta proposta e attuata dall’ingegnere svedese Palne Mogensen nel 1983 [5].

Gli scambiatori interrati possono essere verticali oppure orizzontali. Gli scambiatori di tipo verticale (borehole heat exchangers, BHEs) hanno il vantaggio di essere poco invasivi sul territorio e si installano realizzando una perforazione (solitamente profonda 100–150 m, con diametro circa 0,15 m) e calando al suo interno le tubazioni (singolo tubo a U, doppio tubo a U, o configurazione coassiale). Il volume compreso tra la tubazione e la parete della perforazione viene riempito con materiale cementizio di riempimento

(grout) che rimane plastico nel tempo e garantisce un buon contatto termico tra tubazioni e terreno, con una conducibilità termica fino a 1,5-2,0 W/mK.

L’analisi del comportamento termico degli scambiatori di calore geotermici è intrinsecamente tempovariante, poiché dipende dalla non trascurabile inerzia termica del terreno e dal fatto che sia l’edificio sia l’impianto a pompa di calore operano in regime dinamico.

Per descrivere e prevedere l’entità dello scambio termico dovuto all’interazione tra il campo sonde e il terreno circostante, si adottano comunemente le ipotesi di pura conduzione e proprietà termofisiche del terreno uniformi. Con queste ipotesi, sono disponibili diverse soluzioni base della risposta termica del terreno alla presenza del campo sonde, dette Temperature Response Factors (TRF). Tali soluzioni di riferimento differiscono tra loro a seconda che il singolo BHE sia modellato come una sorgente lineare infinita (Infinite Line Source, ILS), una sorgente cilindrica infinita (Infinite Cylindrical Source, ICS), una sorgente lineare finita (Finite Line Source, FLS) o un sistema di molteplici sorgenti lineari finite descritte da opportune g-function

Le g-function consentono di esprimere la variazione della temperatura media delle perforazioni del campo sonde Tave( r b) rispetto alla temperatura del terreno indisturbato T gr,∞ in funzione del flusso termico scambiato per unità di lunghezza (valore medio del campo sonde) Q  ¢ ave e la conducibilità del terreno k gr

Sulla base di questo tipo di modellazione, varie procedure per il dimensionamento del campo sonde sono state proposte e attualmente implementate in codici di calcolo commerciali, tra i quali Earth Energy Designer (EED) [6] e GLHEPRO [7].

Il metodo ASHRAE Tp8

Kavanaugh and Rafferty [8] proposero un metodo, successivamente raccomandato dall’American Society of Heating Refrigerating and Air-Conditioning Engineers (ASHRAE), basato sull’ipotesi che il comportamento del campo sonde in condizioni di reale funzionamento possa essere rappresentato dalla sua risposta a tre carichi elementari, ovvero un carico pluriannuale (almeno 10 anni), un carico mensile e un carico multiorario (6 ore).

Tali flussi termici (annuale, mensile e orario in [W]) costituiscono una rappresentazione sintetica dello scambio termico al terreno su un orizzonte temporale di 10 anni [1,9] e vengono calcolati a partire dalla conoscenza dei carichi mensili (o orari) dell’edificio. In particolare, il termine orario tiene in considerazione la condizione di funzionamento più sfavorevole (carico di picco [10]) per l’estrazione/immissione di calore al terreno durante il mese “peggiore” dell’anno, in quanto caratterizzato dalla richiesta di potenza termica più gravosa lato edificio e dunque terreno.

La formulazione comunemente utilizzata per il metodo ASHRAE è la seguente [11], fornita da Bernier:

Ogni specifica g-function dipende poi dalla configurazione geometrica del campo, dalla interdistanza adimensionale tra i BHE B/H e dal raggio adimensionale della perforazione rb/H () () () ∞

′ −= ln 9, , , 2 ave aveb gr Hb gr

Q Tr Tg Fo rH BH πk bore eld geometry

#77 58
() {} () ∞ ++ + = yy mm hh bhe gr fave Np QR QR QR R L TT τT

Dove L è la necessaria lunghezza totale delle perforazioni, ottenuta come prodotto tra la profondità attiva H del singolo BHE e il numero Ntot di BHE del campo sonde.

Qy, Qm e Qh rappresentano proprio i tre carichi termici elementari, relativi al periodo di 10 anni (∆τ y), 1 mese (∆ ) e

6 ore (∆τh), rispettivamente. Il tempo τN rappresenta il periodo dell’analisi sulla quale si basa il dimensionamento, somma dei tre precedenti sottoperiodi (Figura 2).

L’equazione ASHRAE contiene il termine chiamato Temperature Penalty T p che costituisce l’elemento critico della metodologia. Il metodo ASHRAE

è basato infatti sulla soluzione elementare di sorgente cilindrica infinita (ICS), che comporta un’approssimazione nel lungo periodo del comportamento della sonda reale. Il Temperature Penalty costituisce una correzione a tale approssimazione, tenendo in considerazione gli effetti dovuti alla presenza dei molteplici BHE nel campo. Nonostante i punti di forza del metodo ASHRAE siano la semplicità e la solidità, la sua accuratezza dipende proprio dalla corretta stima del parametro Temperature Penalty. Diversi metodi sono stati proposti per la valutazione del Temperature Penalty, spesso caratterizzati da procedure lunghe e complesse e talvolta non accurate [12].

Il presente gruppo di ricerca propone un modello denominato Tp8 [13], veloce e accurato, ampiamente validato e descritto in articoli scientifici ai quali il Lettore è indirizzato per ulteriori approfondimenti [1,12]

FIGURA 2 Metodo ASHRAE per il dimensionamento del campo sonde geotermiche: i tre carichi termici elementari Δτ y = 10 anni; Δτm = 1 mese; Δτh = 6 ore [9]

Eτ BE τB θQ πk L Dove l’integrale esponenziale E1 può essere stimato con l’approssimazione di Abramovitz and Stegun [14], accurata all’1% per For > 0,145.

 

aN bN cN dN Tθ N

FIGURA

Le costanti a, b, c, d sono state calcolate con lungo processo di ottimizzazione per confronto tra i valori Tp8 e i valori di T p calcolati con g-function di riferimento, determinate secondo il modello originale di Eskilson, poi imple-

#77 59
  =−
Il modello Tp8 è stato sviluppato nel 2015 da Fossa e Rolando [13] e utilizza la soluzione elementare ILS nella sovrapposizione degli effetti per il calcolo di T p . La geometria elementare di riferimento per il calcolo è una matrice regolare dove un singolo BHE è circondato da altri 8 (Figura 3). In questa configurazione base, il BHE centrale è circondato da 4 BHE alla distanza B (interdistanza tra le perforazioni nel campo sonde) e da altri 4 alla distanza √2 B Applicando una sovrapposizione spaziale, l’incremento di temperatura indotto sul BHE centrale dalla presenza degli altri 8 può essere stimato come: + = 11 8 (, )( ,2 ) NN y gr      ∑
+
5 10 1 11 ln 44 j rr Ea a Fo Fo a0 = -0,57721566 a1 = 0,99999193 a2 = -0,24991055 a3 = 0,05519968 a4 = -0,00976004 a5 = 0,00107857
Infine, secondo il modello proposto, il Temperature Penalty della formula ASHRAE, denominato ora Tp8, viene calcolato come: ++ + = 43 21 88 p tot
3 Geometria elementare di riferimento del metodo Tp8 per il dimensionamento del campo sonde geotermiche

mentato nel codice commerciale EED [6], per un totale 1200 “vere” configurazioni di campo sonde.

L’algoritmo è stato inoltre confrontato con successo rispetto ai risultati di altri codici commerciali. Il campo di validità è stato analizzato per interdistanze adimensionali nel range 0,03 < B/H < 0,125.

In Figura 4 è mostrato proprio il confronto tra i risultati del dimensionamento ottenuti con i Tp8 calcolati secondo la metodologia proposta, semplice e rapida, e quelli relativi a Tp stimati con l’utilizzo di g-function di riferimento, con uno scostamento sempre inferiore al 10%

I vantaggi del metodo Tp8 includono la possibilità di considerare, durante la procedura di dimensionamento, molteplici geometrie del campo sonde, riducendo al minimo la necessità di iterare su numero e lunghezza dei BHE in funzione della configurazione geometrica del campo sonde.

Lo strumento: la web-app BHEDesigner8

I ricercatori dell’Università di Genova, Dipartimento Dime, hanno sviluppato uno strumento di calcolo

FIGURA 4 Lunghezza H necessaria degli scambiatori: confronto tra software EED (H) e algoritmo Tp8 (H8); Geometrie dei campi sonde. R-type: configurazioni rettangolari e quadrate. Non-R: configurazioni a rettangoli allungati, in linea, L, O e U [15]

completo e gratuito per il dimensionamento dei campi di sonde geoter-

miche secondo l’algoritmo “Ashrae-Tp8”. Lo strumento di calcolo, denominato BHEDesigner8, è disponibile come web-app al sito web https://www. geosensingdesign.org/, fruibile gratuitamente da parte di ricercatori e progettisti di tutto il mondo attivi nel settore delle pompe di calore geotermiche.

La web-app (Figura 5) richiede come input i carichi termici dell’edificio, le proprietà termofisiche del terreno e le prestazioni della pompa di calore al decimo anno di funzionamento in termini di temperatura attesa del fluido vettore lato terreno per corrispondente COP di picco. Come in altri noti codici commerciali per il dimensionamento del campo sonde, i carichi all’edificio vengono forniti come valori mensili, insieme ai corrispondenti carichi di picco in riscaldamento e raffrescamento.

FIGURA 5 Parametri di input e di output della web-app BHEDesigner 8

La resistenza termica del BHE, se il suo valore non è già noto, può essere calcolata tramite la web-app utilizzando il modello semi-empirico di Paul, adottato dalla norma italiana UNI11466.

#77 60

La web-app, tramite una procedura iterativa, fornisce come output la lunghezza complessiva del campo sonde (numero sonde richieste moltiplicato per la loro profondità attiva H)

e contemporaneamente fornisce al progettista suggerimenti sulla configurazione del campo sonde (mutua disposizione geometrica degli scambiatori BHE). Si veda Figura 6.

L’orizzonte temporale inerente alla validità e applicabilità del metodo Tp8 è del tutto analogo a quello relativo al metodo proposto da Kavanaugh and Rafferty, ovvero 10 anni un mese e 6 ore (in conformità con la norma italiana UNI11466). Il presente gruppo di ricerca sta tuttavia mettendo a punto una versione evoluta del presente metodo che fornisca il dimensionamento del campo sonde per un orizzonte temporale esteso fino a 25 anni, intervallo temporale sovente considerato nella progettazione di questo tipo di applicazioni.

Il gruppo di Ricerca

BIBLIOGRAFIA

[1] V. Gregori, È ligure la prima webapp gratuita per progettare pompe di calore, Rai3, TGR Liguria. (n.d.). https://www.rainews.it/tgr/liguria/video/2022/06/lig-pompe-di-calore-sonde-geotermiche-dimensionamento-webapp-universita-genova-c7608e20-94cb-4b7b-91cc-1cf031924599. html (accessed September 12, 2022).

[2] Istituto Superiore per la Protezione e la Ricerca Ambientale, Fattori di emissione atmosferica di gas a effetto serra nel settore elettrico nazionale e nei principali Paesi Europei, 2020.

[3] Thibaut Abergel, Heat Pumps, Tracking report – November 2021, 2021. https://www.iea.org/ reports/heat-pumps (accessed September 12, 2022).

[4] S. Carrara, M. Soede, R. Shortall, Geothermal Energy Technology Market Report 2018, Luxembourg, 2019. https://doi.org/doi:10.2760/683878.

[5] P. Mogensen, Fluid to Duct Wall Heat Transfer in Duct System Heat Storage, in: Int. Conf. On Subsurface Heat Storage in Theory and Practice, Stockholm, 1983.

[6] G. Hellström, B. Sanner, EED – Earth Energy Designer, (n.d.). https://buildingphysics.com/eed-2/ (accessed September 13, 2022).

[7] Ground Loop Heat Exchanger Design Software, (n.d.). https://hvac.okstate.edu/glhepro.html (accessed September 13, 2022).

[8] S.P. Kavanaugh, K. Rafferty, Ground-Source Heat Pumps: Design of Geothermal Systems for Commercial and Institutional Buildings, in: ASHRAE, Atlanta, Georgia, 1997.

[9] M. Fossa, D. Rolando, A. Priarone, J. Vaccaro, Numerical evaluation of the Ground Response to a Thermal Response Test experiment, in: European Geothermal Congress, Pisa, 2013.

[10] P. Monzo, M. Fossa, J. Acuña, B. Palm, Numerical generation of the temperature response factors for a Borehole Heat Exchangers field, in: European Geothermal Congress, Pisa, 2013.

[11] M. Bernier, Closed-Loop Ground-Coupled Heat Pump Systems, ASHRAE J. (2006) 12–19.

[12] J. Acuña, Distributed thermal Response tests – new insights on U-tube and coaxial heat exchangers in groundwater-filled boreholes, KTH, 2013.

[13] M. Fossa, D. Rolando, Improving the Ashrae method for vertical geothermal borefield design, Energy Build. 93 (2015) 315–323. https://doi.org/10.1016/j.enbuild.2015.02.008.

[14] M. Abramovitz, I. Stegun, Handbook of Mathematical Functions with Formulas, Graphs, and Mathematical Tables, Nat. Bureau of Standards, 1964.

[15] M. Fossa, Correct design of vertical borehole heat exchanger systems through the improvement of the ASHRAE method, Sci Technol Built Environ. 23 (2017) 1080–1089. https://doi.org/10.1080/2 3744731.2016.1208537.

Il presente gruppo di ricerca facente riferimento al dipartimento DIME (Dipartimento di Ingegneria Meccanica, Energetica, Gestionale e dei Trasporti) dell’Università degli Studi di Genova, sotto la supervisione del Prof. Marco Fossa, opera nell’ambito della trasmissione del calore e delle energie rinnovabili, con un’attività incentrata soprattutto sullo sviluppo di tecniche innovative per lo sfruttamento della risorsa solare e geotermica. Il laboratorio di ricerca del gruppo (Solar and Geothermal Lab) si trova presso il Campus di Savona. In questo contesto, la web-app BHEDesigner8 vuole essere un piccolo ma ingegneristicamente fattivo contributo all’utilizzo e alla sempre maggiore diffusione delle fonti rinnovabili nel comparto energetico degli edifici.

Le persone in Unige che hanno lavorato a questo progetto web sono: Stefano Morchio, Mattia Parenti e Marco Fossa, con la collaborazione fondamentale di Antonella Priarone, Alessia Boccalatte, Samuele Memme e Andrea Corte. Il sito web https://www.geosensingdesign.org/, la sua web app BHEDesigner8, le licenze d’uso dei software utilizzati, il tempo uomo impiegato, non fanno riferimento ad alcuno specifico finanziamento ricevuto dal Gruppo di Ricerca. Questa iniziativa è stata resa possibile grazie all’impegno delle persone coinvolte, alla loro passione per la ricerca condivisa e a economie provenienti da altri finanziamenti.

La sponsorizzazione di Enti e Aziende del settore sarà naturalmente gradita, per portare avanti la ricerca del presente gruppo di persone e sostenere i giovani ricercatori in essa impegnati.n

* Marco Fossa, Samuele Memme, Stefano Morchio, Mattia Parenti, Antonella Priarone, Università degli Studi di Genova

#77 61 M N M L type N U type N M O type M Inline type N=1 N M Rectangular or Square (R type) N=2 Slender Rectangular
R
M>5
(Non
type)
FI GURA 6 Le differenti possibili configurazioni BHEs che possono essere selezionate

Percorso progettazione impianti nella sanità: al via a gennaio con il modulo Fondamenti

L’edizione 2023 del Percorso dedicato al tema della progettazione degli impianti meccanici in ambito ospedaliero prenderà il via a gennaio, in modalità formazione a distanza, con il modulo Fondamenti.

Il modulo, ideale per progettisti junior, tecnici di strutture sanitarie, personale ASL di settori afferenti a quello HVAC, affronterà i seguenti argomenti: Psicrometria e requisiti normativi e progettuali degli impianti di climatizzazione; Fondamenti su ventilazione e controllo della contaminazione; Fondamenti di impianti di riscaldamento e ventilazione (con esempi per le zone ordinarie delle strutture sanitarie); Fondamenti di impianti di climatizzazione (con esempi per le degenze ordinarie); Centrali termiche, generatori di calore, sicurezza; Centrali ed impianti idrici - Cenni al trattamento acqua; Macchine e fluidi frigorigeni - Centrali frigorifere.

Il Percorso Specialistico, che proseguirà come di consueto con il corso Base e con il modulo Specializzazione, è affidato a docenti fra i migliori esperti in materia e prevede Crediti Formativi Professionali per ingegneri.

Il Calendario del modulo Fondamenti 26 e 30 gennaio, 2 e 6 febbraio

La cerimonia per il Premio Tesi di Laurea 2022

Sono state premiate il 20 ottobre a Bologna, nel corso del Seminario AiCARR tenutosi al Saie, le autrici delle tesi vincitrici del Premio Tesi di Laurea AiCARR, edizione 2022.

Questi i titoli delle tesi e i nomi delle autrici: • “A methodology to experimentally evaluate the mean radiant temperature for the assessment of outdoor thermal comfort”.

Alessia Banfi - Politecnico di Milano - Dipartimento di Ingegneria Energetica • “Analisi sperimentale dell’influenza della carica

di refrigerante sul funzionamento di una pompa di calore e confronto con modelli predittivi”. Carla Bongiorno, Chiara D’Ignazi - Politecnico di Milano - Dipartimento di Ingegneria Energetica

• “Analisi delle prestazioni energetiche dell’edificio, del comfort degli occupanti e proposte di intervento per la sede di Perugia di Arpa Umbria”. Agnese Corneli - Università degli studi di Perugia - Dipartimento di Ingegneria per l’Ambiente e il Territorio • “Comfort termico e qualità dell’aria interna negli edifici scolastici: analisi sperimentale dei modelli di previsione della sensazione termica e del legame tra controllo percepito e soddisfazione degli occupanti”. Giulia Torriani - Università degli studi di Pisa - Dipartimento di Ingegneria dell’Energia, dei Sistemi, del Territorio e delle Costruzioni (DESTeC). Da parte dell’Associazione i complimenti alle autrici delle tesi e un ringraziamento a tutti i partecipanti.

CLIMA World Congress 2025 in Italia, è ufficiale!

Igiene e manutenzione impianti: il Percorso unico in Italia

AiCARR Formazione organizza a partire da febbraio in diretta streaming una nuova edizione del Percorso “Igiene, ispezione e manutenzione degli impianti di climatizzazione”, l’unico in Italia costruito secondo quanto previsto dalle Linee Guida del Ministero della Salute, recepite con l’Accordo Stato-Regioni del 5/10/2006 e riprese dalla Procedura operativa per la valutazione e gestione dei rischi correlati all’igiene degli impianti di trattamento aria della Commissione consultiva permanente per la salute e sicurezza sul lavoro.

Il Percorso Specialistico si aprirà come di consueto con il modulo MA01: sono previste 36 ore di lezione e la possibilità di accedere all’esame di certificazione, organizzato in partnership con ICMQ il 18 aprile, conseguendo un titolo riconosciuto su tutto il territorio nazionale e in qualsiasi contesto lavorativo.

Sono previsti CFP per ingegneri. Il calendario del modulo MA01

27-28 febbraio, 8-9-15-16-30-31 marzo, 4 e 5 aprile

Come anticipato nelle scorse settimane, l’Italia ospiterà CLIMA 2025: the 15th REHVA HVAC World Congress. In occasione di REHVA Brussels Summit 2022, il Presidente REHVA Catalin Lungu e il Presidente AiCARR Filippo Busato hanno firmato l’accordo ufficiale che affida ad AiCARR l’organizzazione di questo grande evento. L’appuntamento è a Milano nel maggio 2025.

Il meeting autunnale dei Delegati

Si è tenuta il 17 e 18 novembre a Bassano del Grappa la riunione autunnale dei Delegati Territoriali AiCARR, che quest’anno è stata ospitata presso la sede del Socio benemerito Baxi. I Delegati si sono dati appuntamento da tutta Italia unitamente al Presidente Filippo Busato, al Presidente Eletto Claudio Zilio, al Presidente della Commissione Delegati e Attività Territoriali Gennaro Loperfido, al Segretario Generale Luca A. Piterà e all’Amministratore Unico di AiCARR Educational srl Mariapia Colella per una “due giorni” di lavori intensi e di aggiornamento tecnico, intervallati da piacevoli momenti culturali e conviviali.

Il meeting dei Delegati Territoriali è stato preceduto dalla giornata che ha visto in agenda un seminario tecnico dedicato all’idrogeno come vettore energetico per l’impiantistica del futuro, con

Territoriali

la partecipazione di relatori esperti in materia che hanno tracciato una panoramica a livello mondiale e locale, analizzato il contesto normativo ed esposto il punto di vista dei vari attori della filiera. Il seminario è stato poi seguito dalla visita alla linea produttiva di caldaie a idrogeno Baxi, recentemente inaugurata, e al laboratorio ricerca e sviluppo dell’azienda. Conclusa la prima giornata con iniziative dedicate all’arte e alla convivialità, a cura di Baxi, il giorno successivo è stato dedicato al meeting dei Delegati, un momento sempre particolarmente importante per il bilancio dei mesi appena trascorsi e per l’ideazione e programmazione delle attività proposte dalla Commissione Delegati e Attività Territoriali, pienamente riprese dopo l’emergenza sanitaria.

AiCARR informa www.aicarr.org a cura di Lucia Kern

La riunione ha offerto anche spazio a un vivace dibattito sul tema sviluppato nel seminario.

AiCARR ringrazia la dirigenza e lo staff di Baxi

Spa per l’accoglienza e le interessanti iniziative proposte.

Psicrometria, IAQ e Comfort termoigrometrico aprono il Percorso Fondamenti 2023

L’edizione 2023 del Percorso Fondamenti prenderà il via a febbraio con i corsi dedicati a Psicrometria, Qualità dell’aria interna e Comfort termoigrometrico. I tre moduli, proposti in diretta web, sono pensati per offrire ai partecipanti una buona padronanza dei concetti di trasformazioni dell’aria umida e salubrità degli ambienti interni, particolarmente importanti per chi si occupa di progettazione, collaudo e manutenzione degli impianti ad aria.

Come tutti i moduli del Percorso Fondamenti, i corsi sono selezionabili in base alle personali esigenze di formazione e offrono Crediti Formativi Professionali a ingegneri.

Il calendario

8 e 9 febbraio - Psicrometria: fondamenti e trasformazioni psicrometriche

13 e 14 febbraio - Il comfort termoigrometrico 20 e 21 febbraio - La qualità dell’aria interna

Le elezioni del Consiglio direttivo e del Collegio dei revisori dei conti

A partire dalle ore 9.00 del 12 dicembre fino alle ore 17.00 del 23 dicembre 2022 sarà possibile eleggere il nuovo Consiglio direttivo, composto da ventuno membri, compresi Presidente e Tesoriere, e il nuovo Collegio dei revisori dei conti, composto da tre membri effettivi più due supplenti. Si precisa che, per i soli membri effettivi del Collegio dei revisori dei conti, si procederà ad elezione di due dei tre membri effettivi, in quanto

il Presidente del Collegio dei revisori dei conti, iscritto al registro dei revisori legali dei conti, viene nominato direttamente dal Consiglio Direttivo su proposta del Presidente.

I Soci in regola con il versamento della quota 2022 sono invitati a esprimere la propria preferenza tra i candidati, i cui profili sono disponibili sul sito AiCARR.

AgorAiCARR, da Socio a Socio

AgorAiCARR, il più recente servizio online riservato da AiCARR ai propri associati, è sempre più utilizzato da chi ha dubbi e quesiti di natura professionale, tecnica o normativa. Pensato come un luogo di incontro virtuale per lo scambio di know how, il servizio permette di scegliere fra nove diverse aree tematiche –BACS, VMC, contabilizzazione di calore, diagnosi energetica, legionella, incentivi, legislazione relativa alla certificazione energetica, all’efficienza energetica e alle fonti rinnovabili – di porre una domanda e di ottenere una risposta qualificata

da un Socio identificato da AiCARR come esperto nella materia. Domande e risposte, che possono essere di supporto a tutti i lettori, sono corredate da nome e cognome degli autori, in modo da creare un vero e proprio dialogo da Socio a Socio.

Per usufruire di AgorAiCARR è sufficiente accedere all’area dedicata del sito, cliccare sul link “Accedi al servizio” previa autenticazione Socio, cercare l’argomento di interesse e, se il quesito non è ancora stato posto, pubblicare la domanda.

Gli impianti di riscaldamento ad acqua con potenza termica al focolare superiore a 35 kW sono regolamentati da una normativa piuttosto complessa e le numerose novità emerse negli anni più recenti in relazione a questi impianti necessitano senz’altro di chiarimenti.

Organizzato in diretta streaming il 24 e 25 gennaio, il corso “La regolamentazione degli impianti di riscaldamento ad acqua: la Raccolta R INAIL, la direttiva PED, il D.M. 11/04/2011, l’applicativo CIVA” offre una panoramica completa su questo tema, rivolgendosi ai professionisti che operano negli Uffici Tecnici delle imprese di gestione e manutenzione di impianti termici, ai tecnici delle aziende ospedaliere e al personale di ASL e di altre istituzioni con compiti di vigilanza e controllo. Verranno richiesti Crediti Formativi Professionali per ingegneri.

Il calendario 24 e 25 gennaio

Tutte le informazioni relative ai corsi sono pubblicate sul sito www.aicarrformazione.org

AiCARR informa www.aicarr.org
a cura di Lucia Kern
Il corso per fare chiarezza sulla regolamentazione degli impianti di riscaldamento ad acqua
www.quine.it per avere la copia cartacea e la copia digitale in anteprima Tutti gli ARRETRATI li trovi su www.quine.it Editore: Quine srl · Via G. Spadolini, 7 · 20141 Milano - Italia · Tel. +39 02 864105 · Fax. +39 02 70057190 * Il CVV2 è il codice di tre cifre posizionato sul retro della carta di credito dopo i numeri che identificano la carta stessa per il circuito VISA. ABBONATI! INVIA SUBITO QUESTO TAGLIANDO VIA E-MAIL ALL’INDIRIZZO abbonamenti@quine.it INSIEME ALLA COPIA DEL PAGAMENTO Desidero abbonarmi ad Ai CARR journal al costo di: 55 euro (6 numeri all’anno) Nuovo abbonato Rinnovo Pagamento Desidero ricevere fattura (indicare in numero di Partita IVA nel modulo sottostante) Bonifico a favore di: Quine srl Crédit Agricole IBAN: IT 38 T 06230 01634 000 015 016 334 (Allegare copia) Carta di credito N. CVV2* Visa Mastercard Cartasì Titolare Scadenza NOME COGNOME PROFESSIONE AZIENDA INDIRIZZO P.IVA CAP PROV. CITTÀ SID EMAIL PEC TEL FAX DATA FIRMA Privacy: con la comunicazione dei dati personali si acconsente al trattamento di tali dati da parte di Quine srl,ai sensi della legge 196/2003,ai fini dello svolgimento del servizio,per fini imposti da obblighi normativi e per fini di marketing estatistici.Quine srl non comunicherà dati all’esterno. L’utente può esercitare diritti legge (accesso correzione,cancellazione,opposizione al trattamento) rivolgendosi a Quine srl, via G. Spadolini 7, 20141 Milano. LA RIVISTA PER PROFESSIONISTI DEGLI IMPIANTI HVAC&R Organo Uf ciale AiCARR ANNO12 - DICEMBRE 2021 NORMATIVA EGE, PRONTA LA REVISIONE DELLA NORMA UNI CEI 11339 STRUMENTI L’INTELLIGENZA ARTIFICIALE AL SERVIZIO DELLA SOSTENIBILITÀ AMBIENTALE CASE STUDY CLIMATIZZAZIONE E ACUSTICA PER L’AEROPORTO PROGETTAZIONE IMPIANTISTICA NEGLI AEROPORTI TECNOLOGIE PER DECARBONIZZARE GLI EDIFICI NON RESIDENZIALI RISPARMIO ENERGETICO RECUPERO TERMODINAMICO VS RECUPERO TRADIZIONALE ORIGINAL ARTICLES SISTEMI PASSIVI PER LA RIDUZIONE DEL RISCHIO DI CONTAGIO AEREO IN EDIFICI CON VENTILAZIONE RIDOTTA PASSIVE SYSTEMS FOR REDUCING THE RISK OF AIRBORNE INFECTION IN BUILDINGS WITH REDUCED VENTILATION IMPIANTISTICA TERZIARIO INTEGRAZIONE RINNOVABILI #71 ABBONATISU LA RIVISTA PER PROFESSIONISTI DEGLI IMPIANTI HVAC&R Organo Uf ciale AiCARR ANNO12 - OTTOBRE 2021 NORMATIVA DIRETTIVA FER, APPROVATA LA PROPOSTA A CARR RETAIL SISTEMI WATERLOOP PER LA REFRIGERAZIONE RIQUALIFICAZIONE IMPIANTISTICA DEL CENTRO COMMERCIALE VRF E REFRIGERANTI A BASSO GWP COVID-19 ALLESTIMENTO DI UNA UNITÀ DI TERAPIA INTENSIVA DI EMERGENZA SUPERBONUS 110% SISTEMI IBRIDI FACTORY MADE PER IL CONDOMINIO ORIGINAL ARTICLES APPROXIMATE AND CFD ENERGY PERFORMANCE ANALYSES OF INDUSTRIAL HEATING BY WATER STRIP MODULES PART ANALISI APPROSSIMATA E CFD DELLE PRESTAZIONI ENERGETICHE DI SISTEMI DI RISCALDAMENTO INDUSTRIALE CON TERMOSTRISCE PARTE A THEORETICAL STUDY OF AIR CHANGE IN ITALIAN SCHOOLS: ENERGETIC ASPECTS, AIR QUALITY AND SARSCOV2 INFECTION RISK ASSESSMENT PART APPROCCIO TEORICO SUL RICAMBIO D’ARIA NELLE SCUOLE ITALIANE: ASPETTI ENERGETICI, QUALITÀ DELL’ARIA VALUTAZIONE DEL RISCHIO DI INFEZIONE DA SARS-COV-2 PARTE #70 RETAIL VRF LA RIVISTA PER PROFESSIONISTI DEGLI IMPIANTI HVAC&R Organo Uf ciale AiCARR POSTE ITALIANE SPA – POSTA TARGET MAGAZINE GIPA/LO/CONV/003/2013. ANNO12 MAGGIOGIUGNO 2021 DL 183/2020 PROROGHE ANTINCENDIO PER STRUTTURE RICETTIVE CASE STUDY RESORT DAL RECUPERO DI UN EDIFICIO STORICO MODERNI IMPIANTI IDRONICI IN AMBITO ALBERGHIERO POMPE DI CALORE MULTIFUZIONE PER LA RIQUALIFICAZIONE DI UN COMPLESSO TURISTICO CHILLER RAFFREDDATI CON ACQUA DI MARE PER MITIGARE L’ISOLA DI CALORE ORIGINAL ARTICLES THEORETICAL STUDY F AIR HANGE IN ITALIAN SCHOOLS: ENERGETIC ASPETCS, AIR QUALITY AND SARSCOV2 INFECTION ISK SSESSMENT PART 1 APPROCCIO TEORICO SUL RICAMBIO D’ARIA NELLE SCUOLE ITALIANE: ASPETTI ENERGETICI, QUALITÀ DE ’ARIA ALUTAZIONE DE RISCHIO DI NFEZIONE D ARS-COV- PARTE 1) VERSO GLI EDIFICI ZEROCARBON: SCENARI DI RETROFIT PER UN HOTEL IN ITALIA TOWARDS ZERO-CARBON BUILDINGS: RETROFIT SCENARIOS FOR A REFERENCE HOTEL IN ITALY #68 STRUTTURE RICETTIVE CLIMATIZZAZIONE ESTIVA LA RIVISTA PER PROFESSIONISTI DEGLI IMPIANTI HVAC&R Organo Uf ciale AiCARR ANNO12 - SETTEMBRE 2021 NORMATIVA SUPERBONUS 110%, A CHE PUNTO SIAMO? SPECIALE IEQQUALITÀ DELL’ARIA INTERNA: PRESCRIZIONI PER IL COMFORT COME ILLUMINARE GLI AMBIENTI INTERNI IL COMFORT ACUSTICO NEI LUOGHI DEDICATI ALL’ASCOLTO COMFORT TERMOIGROMETRICO, UNO STRUMENTO DI PROGETTO E VERIFICA CASE STUDY GRIGLIE AFONICHE PER UN RESIDENCE IN RIVA AL MARE ORIGINAL ARTICLES APPROXIMATE AND CFD ENERGY PERFORMANCE ANALYSES OF INDUSTRIAL HEATING BY WATER STRIP MODULES PART 1 ANALISI APPROSSIMATA CFD DELLE PRESTAZIONI ENERGETICHE DI SISTEMI DI RISCALDAMENTO INDUSTRIALE CON TERMOSTRISCE PARTE #69 QUALITÀ AMBIENTALE COMFORT Strutture ricettive Climatizzazione estiva Qualità ambientale Comfort Impiantistica terziario Integrazione rinnovabili Retail VRF Fascicolo DOSSIER MONOGRAFICO FOCUS TECNOLOGICO #72 Strategie per lo sviluppo energetico Idrogeno #73 Design for people Metodi numerici #74 Pompe di calore Sistemi ibridi #75 Edi ci e il futuro Modelli climatici predittivi #76 Qualità dell’aria Tecnologie per la IAQ #77 Reti di distribuzione Commissioning IPMVP
E FF
D
L’u n i c i t à d e l d e s i g n qu a d r a t o, c o m b i n a t a c o n l ’e s c l u s i v o d i s t r i b u t o r e d e l r e f r i g e r a n t e c o p e r t o d a s u b i t z e r d e /S Q D e n
I C I E NZ A I M B AT T I B I LE .
E S I G N R I V O L U Z IO NAR I O .
S QD S E R IE S

Hai l’aria di chi cerca il caldo quando fa freddo. E il freddo quando fa caldo.

Hai l’aria di chi ha scelto Mitsubishi Electric.

Per qualsiasi esigenza di temperatura e comfort le nostre pompe di calore sono il meglio per qualità, tecnologia, efficienza energetica e silenziosità.

Mitsubishi Electric, il piacere del clima ideale.

SCOPRI DI PIÙ mitsubishielectric.it/hailaria

Turn static files into dynamic content formats.

Create a flipbook
Issuu converts static files into: digital portfolios, online yearbooks, online catalogs, digital photo albums and more. Sign up and create your flipbook.