


Product: COMPACT WHEEL LOADER
Model: 910F COMPACT WHEEL LOADER 2SS
Configuration: 910,910E,910F,910FII,910G,910GII Compact Wheel Loader 2SS00001-UP (MACHINE)
Disassembly and Assembly
HDB Series and M1 Series Heavy Duty Brushless Alternators
Media Number -SENR4130-01
Publication Date -01/01/2002
Alternator - Assemble - HDB Series Alternator
SMCS - 1405-016
Assembly Procedure
Date Updated -23/01/2002
i01585833
Note: Before assembly, clean all partsin cleaning fluid. Allow the parts to air dry. DONOT dry the parts with wiping cloths or with rags. Cloths and rags contain lint. Inspect all parts. Replace worn parts and replace damaged parts.

Illustration 1 g00825148
1. Install ball bearing (28) into the front frame. The installation of thiscomponent requiresforce.

2
2. Install retainer (27). Install three bolts (26) .

3
3. Install spacer (25) onto the rotor.

Illustration 4
g00825155
4. Install rotor (24) onto the front frame. The installation of thiscomponent requiresforce.

Illustration 5
g00825156
5. Install stator (23) onto the front frame. Align the mark on the stator to the mark on the front frame.

Illustration 6
g00825158
6. Install roller bearing (22) into the rear frame. The installation of this component requires force. Apply grease to the roller bearing, if necessary.

7
7. Install field coil (21) onto the rear frame. The leadsmust fit through the rear frame. Install three bolts (20) .

Illustration 8
g00825170
8. Attach rear frame (18) to front frame (19). Align the mark on the rear frame to the mark on the front frame. The stator leads must passthrough the appropriate openings. Install four bolts (17) .

Illustration 9
9. Install rectifier (16). Install five bolts(14). Connect the stator leadsto the rectifier and install four bolts (10). Tighten "B+" terminal (9) to the following torque: 18.2 ± 2.4 N·m (13.4 ± 1.8 lb ft)
10. Install "R" terminal (12). Install grommet (11). Install bolt (13) .
11. Install "B-" terminal (15). Tighten the "B-" bolt to the following torque: 4.4 ± 1 N·m (39 ±9 lb in)

Illustration 10
12. Install regulator (8). Install the three bolts (7). Connect the field winding leadsto the regulator. Install two bolts (6) .
Note: The regulator terminal that isclosest to the "B+" terminal goes on top of the rectifier terminal. The regulator terminal that isfarthest from the "B+" terminal goes underneath the rectifier terminal.

Illustration 11
13. Install the rear cover. Install three bolts (5) .

Illustration 12
14. Install spacer (4), fan (3), washer (1), and pulley nut (2) to the rotor shaft. Tighten the pulley nut to the following torque: 127 ± 10 N·m (94 ± 7 lb ft)
15. Restore the residual magnetism in the alternator. Refer to Testing and Adjusting, "Residual Magnetism - Restore".
End By: Install the alternator on the machine. Refer to Disassembly and Assembly, "Alternator - Install"for the machine that is being serviced.
Copyright 1993 - 2020 Caterpillar Inc. All Rights Reserved. Private Network For SIS Licensees. Thu Dec 3 11:27:20 UTC+0530 2020

Product: COMPACT WHEEL LOADER
Model: 910F COMPACT WHEEL LOADER 2SS
Configuration: 910,910E,910F,910FII,910G,910GII Compact Wheel Loader 2SS00001-UP (MACHINE)
Disassembly and Assembly
HDB Series and M1 Series Heavy Duty Brushless Alternators
Media Number -SENR4130-01
Publication Date -01/01/2002
Date Updated -23/01/2002
Alternator - Assemble - M1 Series Alternator (35 Amp)
SMCS - 1405-016
Assembly Procedure
i01569730
Note: Before assembly, clean all partsin cleaning fluid. Allow the parts to air dry. DONOT dry the parts with wiping cloths or with rags. Cloths and rags contain lint. Inspect all parts. Replace worn parts and replace damaged parts.

Illustration 1 g00825771
1. Put field winding (24) into the rear frame. Install three bolts.

Illustration 2
2. Install "R" terminal (19). Put rectifier (23) into the rear frame. Install the four bolts. Tighten the "B+" terminal nut to the following torque: 29 ± 8 N·m (21 ± 6 lb ft) Tighten the "B-" terminal nut to the following torque: 4.4 ± 1 N·m (39 ±9 lb in)

Illustration 3
3. Put rear frame (4) on stator (5). Align the marks on the stator and on the rear frame. Connect the stator leads to the rectifier.

4
4. Install regulator (15) and capacitor (17). Install the two bolts.
5. Connect the field winding leads and connect the wire (14) to the regulator and to the capacitor. Connect the other end of the wire (14) and connect wire (16) to the rectifier.
6. Install the rear cover.

Illustration 5
7. Install two ball bearings (6) on the rotor. Install plate assembly (10), the rear spacer, the rear felt washer, plate (7), ball bearing (8), washer (11), front felt washer (12), and spacer (9) .

Illustration 6
8. Put rotor (26) into the front frame. Install the four bolts.

Illustration 7
9. The rotor remainsconnected to the front frame. The stator remains connected to the rear frame. Put front frame (3) into the rear frame (4). Align the marks on the front frame and on the rear frame. Install the four bolts.
10. Install the fan, the key, the pulley, the washer, and the pulley nut. Tighten the pulley nut to the following torque: 102 ± 7 N·m (75 ± 5 lb ft)
11. Restore the residual magnetism in the alternator. Refer to Testing and Adjusting, "Residual Magnetism - Restore".
End By: Install the alternator on the machine. Refer to Disassembly and Assembly, "Alternator - Install"for the machine that is being serviced.
Copyright 1993 - 2020 Caterpillar Inc. All Rights Reserved.

Product: COMPACT WHEEL LOADER
Model: 910F COMPACT WHEEL LOADER 2SS
Configuration: 910,910E,910F,910FII,910G,910GII Compact Wheel Loader 2SS00001-UP (MACHINE)
Disassembly and Assembly
HDB Series and M1 Series Heavy Duty Brushless Alternators
Media Number -SENR4130-01
Publication Date -01/01/2002
Alternator - Disassemble - HDB Series Alternator
SMCS - 1405-015
Disassembly Procedure
Start By:
Date Updated -23/01/2002
i01586342
A. Remove the alternator from the machine. Refer to Disassembly and Assembly, "Alternator -Remove" for the machine that is being serviced.
Note: Before disassembly, clean the exterior of the alternator in order to prevent dirt from entering the unit.

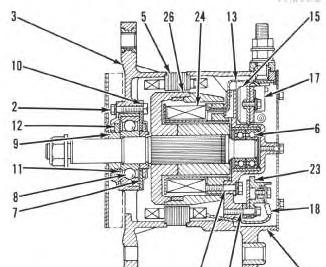
Illustration 1
g00825178
1. Remove pulley nut (2), washer (1), fan (3), and spacer (4) from the rotor shaft.

Illustration 2
2. Remove three bolts (5). Remove the rear cover.

Illustration 3
3. Remove two bolts (6). Disconnect the field winding leads from the regulator. Label the wires. Remove three bolts (7). Remove regulator (8) .

4
4. Remove "B-" terminal (15) .
5. Remove bolt (13). Remove grommet (11). Remove "R" terminal (12) .
6. Loosen "B+" terminal (9). Remove four bolts (10) and disconnect the stator leadsfrom the rectifier. Label the wires. Remove five bolts(14). Remove rectifier (16) .

Illustration 5
7. For proper alignment during assembly, mark the front frame, the stator, and the rear frame. Mark the locations of the stator leads in the rear frame. Remove four bolts (17). Separate rear frame (18) from front frame (19) .

6
8. Mark the location of the field winding leads in the rear frame. Remove three bolts(20). Remove field coil (21) from the rear frame.

Illustration 7
9. Remove roller bearing (22) from the rear frame. The removal of thiscomponent requiresforce.

8
10. The stator and the front frame remain marked. Remove stator (23) from the front frame.

9
11. Remove rotor (24) from the front frame. The removal of this component requiresforce.

Illustration 10
12. Remove spacer (25) from the rotor.
g00825154

Illustration 11
g00825149
13. Remove three bolts (26). Remove retainer (27) .

Illustration 12
g00825148
14. Remove ball bearing (28) from the front frame. The removal of this component requires force.
Copyright 1993 - 2020 Caterpillar Inc. All Rights Reserved. Private Network For SIS Licensees.

Product: COMPACT WHEEL LOADER
Model: 910F COMPACT WHEEL LOADER 2SS
Configuration: 910,910E,910F,910FII,910G,910GII Compact Wheel Loader 2SS00001-UP (MACHINE)
Disassembly and Assembly
HDB Series and M1 Series Heavy Duty Brushless Alternators
Media Number -SENR4130-01
Publication Date -01/01/2002
Date Updated -23/01/2002
Alternator - Disassemble - M1 Series Alternator (35 Amp)
SMCS - 1405-015
Disassembly Procedure
Start By:
i01568975
A. Remove the alternator from the machine. Refer to Disassembly and Assembly, "Alternator -Remove" for the machine that is being serviced.
Note: Before disassembly, clean the exterior of the alternator in order to prevent dirt from entering the unit.

Illustration 1
g00825749
1. Remove the pulley nut, the washer, the pulley, the key, and the fan.
2. For proper alignment during assembly, mark the front frame, the stator, and the rear frame.
3. Remove four bolts (1). Remove front frame (3) from rear frame (4). The rotor remains connected to the front frame. Stator (5) remainsconnected to the rear frame.
4. Remove four bolts (2). Remove the rotor from the front frame.

Illustration 2
g00825750
5. Remove spacer (9), front felt washer (12), washer (11), ball bearing (8), plate (7), the rear felt washer, the rear spacer, and plate assembly (10). Remove two ball bearings(6) .

Illustration 3 g00825751
6. Remove the rear cover.
7. For proper assembly, mark all wires. Disconnect wire (16). Disconnect wire (14) and remove wire (14). Disconnect field winding lead (13) .
8. Remove the two bolts. Remove capacitor (17). Remove regulator (15) .
9. Disconnect stator leads (18). Lift rear frame (4) from the stator.

Illustration 4
g00825752
10. Loosen "B+" terminal nut (20) and loosen "B-" terminal nut. Remove four bolts (22). Remove rectifier (23). Remove "R" terminal (19) .

Illustration 5
g00825753
11. For proper assembly, mark the locations of field winding leads (13) in the rear frame. Remove three bolts (25). Remove field winding (24) from the rear frame.

Illustration 6
AlternatorComponents
(2) Bolts
(3) Front frame
(4) Rear frame
(5) Stator
(6) Ballbearings
(7) Plate
(8) Ballbearing
(9) Spacer
(10) Plate assembly
(11) Washer
(12) Felt washer
(13) Field winding leads
(15) Regulator
(17) Capacitor
(18) Stator leads
(22) Bolts
(23) Rectifier
(24) Field winding

Product: COMPACT WHEEL LOADER
Model: 910F COMPACT WHEEL LOADER 2SS
Configuration: 910,910E,910F,910FII,910G,910GII Compact Wheel Loader 2SS00001-UP (MACHINE)
Disassembly and Assembly
Air Conditioning and Heating R134a for All Caterpillar Machines
Media Number -SENR5664-27
Publication Date -01/05/2015
Air Conditioner Lines - Remove and Install
SMCS - 1808-010
Date Updated -27/05/2015
i05907621
Personal injury can result from contact with refrigerant.
This system isunder pressure at all times, even ifthe engine is not running. Heat should never be applied to a charged system.
Contact withrefrigerant can cause frost bite. Keep face and hands away to help prevent injury.
Protective gogglesmust always be worn when refrigerant lines are opened, even if the gauges indicate the system isempty of refrigerant.
Alwaysuse caution when a fitting is removed. Slowly loosenthe fitting. If the system isstill under pressure, evacuate the system recovering the refrigerant before removing the fitting.
Personal injury or death can result from inhaling refrigerant through a lit cigarette.
Inhaling air conditioner refrigerant gas through a lit cigarette or other smoking method or inhaling fumes released from a flame contacting air conditioner refrigerant gas, can cause bodily harm or death.
Do not smoke whenservicing air conditionersor wherever refrigerant gas may be present.
Before any checks of the air conditioning and heating system are made, move the machine to a smooth horizontal surface. Lower all implements to the ground. Make sure the transmission is in neutral or park and that the parking brake is engaged. Keepall other personnel away from the machine or where they can be seen.
Personal injury can result from hot coolant. Any contact withhot coolant or withsteam cancause severe burns. Allow cooling system components to cool before the cooling system is drained.
NOTICE
Never weld or solder any chargedcomponents.
Care must be taken during removal of air conditioner lines. Before disconnecting any tube fittings, refer to Testing and Adjusting, "Refrigerant Recovery" in order to recover all refrigerant from the system.
Place dust caps on all hoses and fittings upon disconnecting.
Do not fold or twist hoses when you are routing the new hosesonto the machine. Damage can occur to the inner layers of the hoses and damage can cause premature failure.
Reassemble fittings by using the correct torque values for assembly of the air conditioning unit. Refer to Specifications, SENR3130, "Torque Specifications" in order to find the correct torque value.
Use the following procedure to reassemble the connections.
Proper Technique for Assembly

Illustration 1 g01519272
1. Drip clean mineral oil onto the clean O-ring.

Illustration 2 g01519286
2. Place the O-ring on fitting.

Illustration 3
3. Oil the O-ring again.

Illustration 4
4. Align fittings and ensure that the seal is seated correctly. Hand tighten the fittings together.
Note: DO NOT CROSS THREAD.
This is the sample of the manual click on the download link for complete manual