

Product: BACKHOE LOADER
Model: 430E BACKHOE LOADER DDT
Configuration: 430E Backhoe Loader Center Pivot
Disassembly and Assembly
3054E Engine for Caterpillar Built Machines Media
Accessory Drive - Remove and Install
Removal Procedure



Illustration 1 g00948832
1. Remove the front cover (7). Refer to this Disassembly and Assembly Manual, "Front Cover - Remove and Install".
2. Remove the Allen head screws (2) and (9). Remove the accessory drive assembly (8) from the rear face of the front housing (11).
3. Remove circlip (6) from housing (8).
4. Use the Tooling (A) in order to remove the bearings (3) and (4) from the gear and the housing.
5. Remove the O-ring (12) from the front housing (8) and discard the O-ring.
Installation
Procedure
2
Keep all parts clean from contaminants.
Contaminants may cause rapid wear and shortened component life.



Illustration 2 g00948832
1. Inspect the condition of the teeth and the splines of the gear (5), the bearings (3 and 4), the circlip (6), and the groove for the circlip in the front housing (8) for wear and for damage. Replace any worn component or any damaged component.
2. Apply a small continuous bead of the Tooling (B) to the outer surface of the bearing (4). Support the front face of the housing (8). Position the bearing in the housing. Use a suitable adapter on the outer race of the bearing and press the bearing into the housing (8) until the bearing is against the front face of the recess. Remove any excess bearing mount compound.
3. Apply a small continuous bead of the Tooling (B) to the inner surface of the bearing (4). Support the bearing (4). Position the small hub of the gear (5) toward the bearing and press the gear (5) into the bearing until the shoulder of the gear is against the bearing. Remove any excess bearing mount compound.
4. Apply a small continuous bead of the Tooling (B) to the inner surface and the outer surface of the bearing (3). Support the bearing (4). Use a suitable adapter on the outer race of the bearing (3) and press the bearing into the housing and onto the shoulder of the gear. Remove any excess bearing mount compound.
5. Install the circlip (6) into the groove in the front housing (8). Install a new O-ring seal (12) on housing (8).
6. Lubricate the O-ring seal with red rubber grease and install the housing in front housing (11). Install Allen head screws (2) and (9) to secure housing (8) in the front housing.

Illustration 3 g00946787
Typical Example
7. Check the backlash between the idler gear and gear (5). The backlash for the gears is 0.11 to 0.17 mm (0.004 to 0.007 inch).
8. Install the front cover (7) on the front housing. Refer to this Disassembly and Assembly Manual, "Front Cover - Remove and Install".
Copyright 1993 - 2023 Caterpillar Inc. All Rights Reserved. Private Network For SIS Licensees. Tue Jan 24 23:16:17 UTC+0530 2023
This is the sample of the manual Click on the download link for complete Manual

Product: BACKHOE LOADER
Model: 430E BACKHOE LOADER DDT
Configuration: 430E Backhoe Loader Center Pivot DDT00001-UP (MACHINE) POWERED BY 3054C Engine
Disassembly and Assembly
3054E Engine for Caterpillar Built Machines
Media Number -RENR2411-03
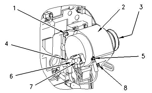
Alternator - Install
SMCS - 1405-012
Installation Procedure
Publication Date -01/05/2017
Date Updated -03/05/2017
Note: If the alternator pulley was removed, install the alternator pulley and the nut (3). Tighten the nut to a torque of 80 ± 10 N·m (59 ± 7 lb ft).

Illustration 1 g00999883
Typical Example
1. Put the alternator (2) in position on the engine.
2. Install the nut and the setscrew (1). Tighten the nut finger tight.
3. Install the clamp screw (8) through the adjustment bracket and into the alternator. Do not tighten the clamp screw (8) at this time.
4. Install the V-belts on the alternator pulley. Adjust the tension on the V-belts by moving the alternator (2) away from the engine. Tighten the clamp screw (8) after the correct tension is made. Refer to Testing and Adjusting, "V-Belt - Test" for the correct tension of the V-belts.
Note: If the V-belt cannot be checked with a gauge, press on the V-belt at the center of the longest free length in order to check the deflection. Under a moderate amount of pressure, the V-belt should have a deflection of 10 mm (0.40 inch).
5. Tighten the nut and the setscrew (1).
6. Connect the harness assemblies (4), (6), and (7) to the alternator.
7. Connect the ground harness assembly (5) to the alternator.
8. Turn the battery disconnect switch to the ON position.
1993 - 2023 Caterpillar Inc.

Product: BACKHOE LOADER
Model: 430E BACKHOE LOADER DDT
Configuration: 430E Backhoe Loader Center Pivot DDT00001-UP (MACHINE) POWERED BY 3054C Engine
Disassembly and Assembly
3054E Engine for Caterpillar Built Machines
Media Number -RENR2411-03
Publication Date -01/05/2017
Date Updated -03/05/2017
i02308906
Alternator - Remove
SMCS - 1405-011
Removal Procedure
1. Turn the battery disconnect switch to the OFF position.


Illustration 1 g00999883
Typical Example
2. Place an index mark on all of the harness assemblies that are connected to the alternator.
3. Disconnect the harness assemblies (4), (6), and (7) from the alternator.
4. Disconnect the ground harness assembly (5) from the alternator.
5. Loosen the nut and the setscrew (1).
6. Remove the clamp screw (8) and slide the alternator (2) toward the engine. Remove the Vbelts from the alternator pulley.
7. Remove the setscrew (1) from the alternator bracket. Remove the alternator (2) from the engine.
8. If necessary, remove the nut (3) and the alternator pulley from the alternator.
Copyright 1993 - 2023 Caterpillar Inc. All Rights Reserved. Private Network For SIS Licensees.
Tue Jan 24 23:44:48 UTC+0530 2023

Product: BACKHOE LOADER
Model: 430E BACKHOE LOADER DDT
Configuration: 430E Backhoe Loader Center Pivot DDT00001-UP (MACHINE) POWERED BY 3054C Engine
Disassembly and Assembly
3054E Engine for Caterpillar Built Machines
Bearing Clearance - Check
SMCS - 1203-535; 1219-535
Measurement Procedure Table 1
Required Tools
Plastic Gauge (Green)
to
to
mm
Plastic Gauge (Red)
Plastic Gauge (Blue)
to 0.229 mm (0.004 to 0.009 inch)
Plastic Gauge (Yellow) 0.230 to 0.510 mm (0.009 to 0.020 inch)
Note: Plastic gauge may not be necessary when the engine is in the chassis.
NOTICE
Keep all parts clean from contaminants.
Contaminants may cause rapid wear and shortened component life.
Note: Cat does not recommend the checking of the actual bearing clearances particularly on small engines. This is because of the possibility of obtaining inaccurate results and the possibility of damaging the bearing or the journal surfaces. Each Cat engine bearing is quality checked for specific wall thickness.
Note: The measurements should be within specifications and the correct bearings should be used. If the crankshaft journals and the bores for the block and the rods were measured during disassembly, no further checks are necessary. However, if the technician still wants to measure the bearing clearances, Tooling (A) is an acceptable method. Tooling (A) is less accurate on journals with small diameters if clearances are less than 0.10 mm (0.004 inch).
NOTICE
Lead wire, shim stock or a dial bore gauge can damage the bearing surfaces.
The technician must be very careful to use Tooling (A) correctly. The following points must be remembered:
• Ensure that the backs of the bearings and the bores are clean and dry.
• Ensure that the bearing locking tabs are properly seated in the tab grooves.
• The crankshaft must be free of oil at the contact points of Tooling (A).
1. Put a piece of Tooling (A) on the crown of the bearing that is in the cap.
Note: Do not allow Tooling (A) to extend over the edge of the bearing.
2. Use the correct torque-turn specifications in order to install the bearing cap. Do not use an impact wrench. Be careful not to dislodge the bearing when the cap is installed.
Note: Do not turn the crankshaft when Tooling (A) is installed.
3. Carefully remove the cap, but do not remove Tooling (A). Measure the width of Tooling (A) while Tooling (A) is in the bearing cap or on the crankshaft journal. Refer to Illustration 1.


Illustration 1 g01152855
Typical Example
4. Remove all of Tooling (A) before you install the bearing cap.
Note: When Tooling (A) is used, the readings can sometimes be unclear. For example, all parts of Tooling (A) are not the same width. Measure the major width in order to ensure that the parts are within the specification range. Refer to Specifications Manual, "Connecting Rod Bearing Journal" and Specifications Manual, "Main Bearing Journal" for the correct clearances.
Copyright 1993 - 2023 Caterpillar Inc. All Rights Reserved. Private Network For SIS Licensees.
Tue Jan 24 23:40:00 UTC+0530 2023

Product: BACKHOE LOADER
Model: 430E BACKHOE LOADER DDT
Configuration: 430E Backhoe Loader Center Pivot DDT00001-UP (MACHINE) POWERED BY 3054C Engine
Disassembly and Assembly
3054E Engine for Caterpillar Built Machines
Media Number -RENR2411-03
Publication Date -01/05/2017
Date Updated -03/05/2017
Boost Pressure Sensor - Remove and Install
SMCS - 1917-010
Removal Procedure NOTICE
Keep all parts clean from contaminants.
Contaminants may cause rapid wear and shortened component life.


Illustration 1 g00990351
1. Disconnect the harness assembly from the boost pressure sensor. Remove the boost pressure sensor (1) from the cylinder head (2).
2. Remove the O-ring seal from the boost pressure sensor. Discard the O-ring seal.
Installation Procedure
NOTICE
Keep all parts clean from contaminants.
Contaminants may cause rapid wear and shortened component life.


Illustration 2 g00990351
1. Install a new O-ring seal on the boost pressure sensor (1). Lubricate the O-ring seal with clean engine oil.
2. Install the boost pressure sensor (1) in the cylinder head (2). Tighten the boost pressure sensor to a torque of 10 N·m (89 lb in).
3. Connect the harness assembly to the boost pressure sensor (1).
Copyright 1993 - 2023 Caterpillar Inc. All Rights Reserved. Private Network For SIS Licensees. Tue Jan 24 23:41:10 UTC+0530 2023

Product: BACKHOE LOADER
Model: 430E BACKHOE LOADER DDT
Configuration: 430E Backhoe Loader Center Pivot DDT00001-UP (MACHINE) POWERED BY 3054C Engine
Disassembly and Assembly
3054E Engine for Caterpillar Built Machines
Media Number -RENR2411-03
Camshaft - Remove and Install
SMCS - 1210-010
Removal Procedure
Start By:
a. Remove the rocker shaft assembly and the pushrods. Refer to Disassembly and Assembly, "Rocker Shaft and Pushrod - Remove".
b. Remove the front housing. Refer to Disassembly and Assembly, "Housing (Front)Remove".
NOTICE
Keep all parts clean from contaminants.
Contaminants may cause rapid wear and shortened component life.
1. Turn the engine upside-down so the valve lifters are held in a position away from the camshaft.


Illustration 1 g00951934
NOTICE
Do not damage the lobes or the bearings when the camshaft is removed or installed.
2. Carefully remove camshaft (3) from the cylinder block.
Installation Procedure
NOTICE
Keep all parts clean from contaminants.
Contaminants may cause rapid wear and shortened component life.
Note: Ensure that the camshaft is clean. Lubricate the camshaft with clean engine oil prior to installation.
NOTICE
Do not damage the lobes or the bearings when the camshaft is removed or installed.
1. Carefully install camshaft (3) in the cylinder block.
End By:
a. Install the front housing. Refer to Disassembly and Assembly, "Housing (Front) - Install".
b. Install the rocker shaft and the pushrods. Refer to Disassembly and Assembly, "Rocker Shaft and Pushrod - Install".
Copyright 1993 - 2023 Caterpillar Inc. All Rights Reserved. Private Network For SIS Licensees.
Tue Jan 24 23:18:55 UTC+0530 2023

Product: BACKHOE LOADER
Model: 430E BACKHOE LOADER DDT
Configuration: 430E Backhoe Loader Center Pivot DDT00001-UP (MACHINE) POWERED BY 3054C Engine
Disassembly and Assembly
3054E Engine for Caterpillar Built Machines
Media Number -RENR2411-03
Camshaft Bearings - Remove and Install
SMCS - 1211-010
Removal Procedure Table 1
Tools
Start By:
a. Remove the camshaft. Refer to Disassembly and Assembly, "Camshaft - Remove and Install".
NOTICE
Keep all parts clean from contaminants.
Contaminants may cause rapid wear and shortened component life.

Illustration 1
g00546333

Illustration 2
g00546238
1. Use the Tooling (A) in order to remove the camshaft bearing (1) from the cylinder block.
Installation Procedure
Table 2
Required Tools
Tool Part Number Part Description Qty
A
8S-2241 Camshaft Bearing Tool Group 1
8H-0684 Ratchet Wrench 1
NOTICE
Keep all parts clean from contaminants. Contaminants may cause rapid wear and shortened component life.

Illustration 3
g00546238

Illustration 4
g00546333
1. Use the Tooling (A) in order to install the camshaft bearing (1) into the bore in the cylinder block.
Note: Align the oil hole in camshaft bearing (1) with the oil hole in the bore in the cylinder block.
Note: The camshaft bearing must be inserted until the front edge of the bearing is flush with the face of the recess in the cylinder block.
End By:
a. Install the camshaft. Refer to Disassembly and Assembly, "Camshaft - Remove and Install".
Copyright 1993 - 2023 Caterpillar Inc.
Tue Jan 24 23:21:25 UTC+0530 2023

Product: BACKHOE LOADER
Model: 430E BACKHOE LOADER DDT
Configuration: 430E Backhoe Loader Center Pivot DDT00001-UP (MACHINE) POWERED BY 3054C Engine
Disassembly and Assembly
3054E Engine for Caterpillar Built Machines
Camshaft Gear - Remove and Install
SMCS - 1210-010-GE
Removal Procedure Table 1
Required Tools Tool
Start By:
a. Remove the fan. Refer to Disassembly and Assembly, "Fan - Remove and Install".
b. Remove the front cover. Refer to Disassembly and Assembly, "Front Cover - Remove and Install".
c. Remove the idler gear. Refer to Disassembly and Assembly, "Idler Gear - Remove and Install".
NOTICE
Keep all parts clean from contaminants. Contaminants may cause rapid wear and shortened component life.


Illustration 1 g01001848
1. Remove the setscrew (1) and the washer from the camshaft gear (2).
2. Remove the camshaft gear from the camshaft.
Note: Do not lose the key from the camshaft gear.
Installation Procedure NOTICE
Keep all parts clean from contaminants.
Contaminants may cause rapid wear and shortened component life.
1. Make sure that the No. 1 cylinder is at the top center compression stroke. Refer to Testing and Adjusting, "Finding Top Center Position for No. 1 Piston".
2. Inspect the camshaft gear and the key for wear or damage.
3. Install the Tooling (A) through the camshaft gear. Install the Tooling (B) into the crankshaft web.


4. Install the camshaft gear (2) on the camshaft.
Note: Ensure that the key is installed on the camshaft. When you install the camshaft gear, ensure that the marked teeth are facing toward the front. If necessary, tap the gear with a soft hammer in order to seat the key in the keyway. Make sure that the Tooling (A) goes into the hole in the front housing.
5. Install the setscrew (1) and the washer on the camshaft gear (2). Tighten the setscrew to a torque of 95 N·m (70 lb ft).
6. Remove the Tooling (A) from the camshaft gear. Remove the Tooling (B) from the crankshaft web.
End By:
a. Install the idler gear. Refer to Disassembly and Assembly, "Idler Gear - Remove and Install".
b. Install the front cover. Refer to Disassembly and Assembly, "Front Cover - Remove and Install".
c. Install the fan. Refer to Disassembly and Assembly, "Fan - Remove and Install".

Product: BACKHOE LOADER
Model: 430E BACKHOE LOADER DDT
Configuration: 430E Backhoe Loader Center Pivot DDT00001-UP (MACHINE) POWERED BY 3054C Engine
Disassembly and Assembly
3054E Engine for Caterpillar Built Machines
Media Number -RENR2411-03
Publication Date -01/05/2017
Connecting Rod Bearings - Install
SMCS - 1219-012
Installation Procedure Table 1 Required Tools Tool
Date Updated -03/05/2017
i05830319
Keep all parts clean from contaminants.
Contaminants may cause rapid wear and shortened component life.


Illustration 1 g00974873
1. Install the upper connecting rod bearing (4) in the connecting rod. The upper connecting rod bearing must be centered in the connecting rod. Lubricate the bearing face with clean engine oil.
2. Pull the connecting rod into position against the crankshaft.
Note: Do not allow the connecting rod to contact the piston cooling jet.
3. Clean the connecting rod cap (2) and the lower connecting rod bearing (3) . Lubricate the bearing face with clean engine oil.
4. Install the lower connecting rod bearing (3) in the connecting rod cap (2) . The lower connecting rod bearing must be centered in the connecting rod cap. Lubricate the bearing face with clean engine oil.
Note: The connecting rod is a forging. The connecting rod has been hydraulically split in order to separate the connecting rod cap and the connecting rod. This process provides accurately matched surfaces. Do Not mix the connecting rod cap and the connecting rod.
Note: Ensure that the etched number on connecting rod bearing cap (2) matches the etched number on the connecting rod (5) . Ensure that the numbers (Y) are on the same side.
This is the sample of the manual Click on the download link for complete Manual