Pesqu Pesqu






![]()






PESQUISAEEDUCAÇÃO
A PesquISEE nasceu com o propósito de ser um veículo de disseminação do conhecimento produzido pelo ISEE (Instituto de Sistemas Elétricos e Energia) da Universidade Federal de Itajubá - Unifei.
Concebida como um elo entre docentes, discentes e egressos, esta revista também se propõe a atuar como um canal de comunicação com a sociedade, promovendo a transparência e a prestação de contas dos recursos investidos. Por meio deste espaço, buscamos evidenciar o compromisso do instituto com a formação acadêmica de excelência e a realização de pesquisas de alta qualidade, refletidas em publicações em periódicos de destaque no cenário científico.
Então, damos as boas vindas a mais uma edição desse incrível projeto. Ótima leitura!

4º Edição
Nota Editorial Uma Entrevista com Ary D’Ajuz. 6 4
Nesta Edição
Flávio Eduardo Spressola - GE Vernova 14 5
Contribuição das Normas Técnicas para a Introdução Segura de Novas Tecnologias no Sistema Elétrico de Potência.
Grafeno: e sua utilização para novas tecnologias na engenharia
M. C Carneiro | Maysa C. Marques | Maria Elena Leyva González 20 A modernização do SEP sob o ponto de vista de novas tecnologias e materiais
Estácio Tavares Wanderley Neto 25 49 51 Referências
Utilização do Ensaio de Resposta em Frequência para a Validação de Modelos de Transformadores de Distribuição
Cayo Consoli Nannetti Dias | Jansen Villibor | Gustavo Paiva Lopes 33 Low Cost Technique for Field Detection of Partial Discharge in Medium Voltage Transformers
Gabryel Prado Passo de Oliveira | Rodrigo Silverio Gatti Micai | Paulo Vitor Peclat de Oliveira Tavares 42
sta edição da revista, apresenta artigos da equipe responsável pelo LABORATÓRIO DE ALTA TENSÃO LAT-EFEI, da Universidade Federal de Itajubá – atualmente sob a coordenação do Professor Estácio Tavares Wanderley Neto. Acreditamos ser uma boa oportunidade de apresen-
tar o histórico deste, que sem dúvida é um dos laboratórios mais importantes de nossa universidade
O LAT foi criado e instalado em 1963 no prédio central onde se iniciou a UNIFEI Naquele ano o então Instituto Eletrotécnico de Itajubá – IEI – fez a aquisição de um Gerador de Impulso de Tensão e uma fonte de tensão alternada da Haefely, importados da Suíça O gerador de impulsos, com partes originais mantidas em perfeito estado é capaz de simular tensões de impulso atmosférico de até 450 KV. A fonte de tensão alternada é capaz de aplicar tensões senoidais de até 150 KV. Este fato alçou o Instituto à condição de única escola de engenharia elétrica do país capaz de realizar ensaios de impulso elétrico em alta tensão.
Sob responsabilidade do Professor Celso Jadir Gorgulho Junqueira, coordenador do LAT no período de 1970 a 1987 a ESCOLA FEDERAL DE ENGENHARIA DE ITAJUBÁ adquiriu outros equipamentos que tornou possível oferecer aulas práticas sob tópicos de alta tensão aos alunos do curso de engenharia elétrica Foi também iniciado o atendimento à indústria nacional na forma de ensaios em equipamentos elétricos a pedido de industrias e concessionárias de energia elétrica
A partir de 1994 passou a estar sob responsabilidade do Professor Manuel Luís Barreira Martinez. Foram adquiridos novos equipamentos para realização de ensaios elétricos complementares. Foi posta forte ênfase na construção de sistemas com partes com tecnologia própria.
Atualmente o LAT está instalado no Campus da Universidade e segue sua vocação de formar em técnicas de alta tensão os alunos da UNIFEI, realizando pesquisas para empresas do setor elétrico na área de desempenho de equipamentos e componentes para redes de média e alta tensão Também é responsável pela formação de mestres e doutores em áreas correlatas à alta tensão
O LAT traz para esta edição um conjunto de artigos correlatos às atividades do Laboratório, mostrando seu alcance acadêmico e industrial Para homenagear um profissional que tanto contribuiu na área de atuação do LAT, o entrevistado desta edição é Ary D’Ajuz, que ao longo de mais de 50 anos tem contribuído com a engenharia do Brasil
Nesta Quarta edição, verá que o comum entre estes artigos, a busca pela inovação e o reconhecimento de um caminho árduo de pesquisa que inclui alunos e professores pesquisadores.
O artigo “A modernização do SEP sob o ponto de vista de novas tecnologias e materiais” baseia-se nas aulas da Disciplina High Voltage Transmission Technologies, ministrada na PósGraduação, e que aborda, entre outros tópicos, a evolução dos materiais e equipamentos do Sistema Elétrico de Potência
O artigo “Contribuição das Normas Técnicas para a Introdução Segura de Novas Tecnologias no Sistema Elétrico de Potência”, escrito pelo Engenheiro Flávio Eduardo Spressola, ex-estagiário do Laboratório de Alta Tensão e doutor pela UNIFEI, atualmente Engenheiro Sênior de Pesquisa e Desenvolvimento da GE Vernova, em Itajubá. Flavio é membro da Comissão Nacional de Transformadores para Instrumentos (ABNT/COBEI) e do comitê internacional da IEC de Transformadores para Instrumentos onde atua como coordenador do grupo de trabalho IEC/TC38-MT58, responsável pela revisão das normas IEC 61869-2, -3 e -5, e membro do grupo de trabalho IEC/TC38-WG47 sobre evolução dos requisitos de transformadores para instrumento para o mercado moderno O artigo fala da relação entra as normas técnicas e o desenvolvimento de novas tecnologias, enfatizando a necessidade de as normas acompanharem este desenvolvimento tecnológico sem se tornar um impeditivo para a modernização de um setor que costuma ser altamente conservador
O artigo “Grafeno e sua utilização para novas tecnologias na engenharia” está relacionado a linha de pesquisa na área de materiais elétricos do Laboratório de Alta Tensão, coordenada pela Professora Maria Elena Leyva, do Instituto de Física e Química As autoras tratam da aplicação de grafeno na engenharia, em particular, como aditivo de óleos isolantes para auxiliar na dissipação de calor Tessa Carneiro é bacharel em Química pela Universidade Federal de Alfenas, Mestre e Doutora em Materiais para Engenharia pela UNIFEI Atualmente desenvolve pesquisa de Pós-doutorado no Laboratório de Alta Tensão Maysa Marques é Bacharel em Química e Mestre em Engenharia de Materiais pela UNIFEI, atualmente é doutoranda em Engenharia de Materiais, atuando junto ao Laboratório de Alta Tensão.
Os artigos “Low Cost Technique for Field Detection of Partial Discharge in Medium Voltage Transformers” e “Utilização do Ensaio de Resposta em Frequência para a Validação de Modelos de Transformadores de Distribuição” tratam-se de pesquisas feitas em Trabalhos Finais de Graduação no Laboratório de Alta Tensão, com foco em transformadores de distribuição. O primeiro, feito originalmente para submissão em um congresso internacional, absorva técnicas não invasivas para a detecção de descargas parciais em transformadores, enquanto o segundo trata da utilização de ensaios de resposta em frequência para modelagem dos transformadores e utilização em programas de simulação de transitórios eletromagnéticos. Rodrigo Micai, Gabriel Prado, e Cayo Nannetti são os autores principais dos artigos desenvolvidos durante sua graduação na UNIFEI Paulo Peclat é engenheiro e Mestre pela UNIFEI, atuou como Engenheiro de Desenvolvimento de Produto na Siemens Energy e atualmente é Engenheiro de produto na TSEA Transformadores Jansen Villibor é engenheiro Mestre e Doutor pela UNIFEI, atualmente desenvolvendo pesquisa de Pós-Doutorado junto ao Laboratório de Alta Tensão
Esperamos que essa edição ajude a mostrar para a sociedade como um todo, parte do grande esforço desenvolvido por professores do ISEE nas áreas de ensino, pesquisa e extensão, enfatizando a importância da universidade pública para a sociedade brasileira.
Esse editorial é assinado por: Antonio Carlos Zambroni de Souza, Estácio Tavares Wanderley Neto e Jocélio Souza de Sá
Uma Entrevista com Ary D’Ajuz.
Com mais de 50 anos de dedicação ao setor elétrico, Ary construiu uma trajetória marcante na engenharia nacional. Engenheiro eletricista, ele acompanhou de perto a expansão do Sistema Interligado Nacional (SIN), contribuindo de forma decisiva para o planejamento, operação e desenvolvimento de projetos estruturantes do setor Sua carreira começou na Morrisson Knudsen Engenharia, onde ainda jovem teve contato com um ambiente multicultural e com grandes obras de infraestrutura. Em seguida, em Furnas, mergulhou nos estudos elétricos e se especializou em equipamentos de alta e extra-alta tensão, participando de iniciativas pioneiras em modelagem e simulação de sistemas elétricos no programa de transitórios eletromagnéticos EMTP experiências que o levaram ao mestrado e o inseriram no cenário técnico nacional.

Uma Entrevista com o Profº Airton Violin.
Sempre acreditei que, ao recebe investimento, temos uma obriga moral e profissional de devolver conhecimento à sociedade e ao s
Na Eletronorte, Ary viveu o desafio da interiorização da energia, atuando diretamente na implantação de sistemas que levaram eletricidade a regiões até então isoladas, especialmente na Amazônia Legal. Foi ali que idealizou e coordenou o inovador sistema de Para-raios Energizados (PRE), um projeto que uniu tecnologia e sensibilidade social, beneficiando milhares de pessoas no estado de Rondônia
Posteriormente, no Operador Nacional do Sistema Elétrico (ONS), teve papel central na estruturação da área que trabalhou e na consolidação de Procedimentos de Rede, além de coordenar a implantação das redes de dados e os processos técnicos para novos empreendimentos do setor. Além da atuação técnica, Ary D’Ajuz é autor de capítulos em obras de referência da engenharia elétrica no Brasil, como “Equipamentos Elétricos - Especificação e Aplicação em Subestações de Alta Tensão”, “Transitórios Elétricos e Coordenação de Isolamento” e “Prospecção e Hierarquização de Inovações Tecnológicas em Alta Tensão”.

Também atuou como professor em cursos de especialização na UERJ, na UNIP e na Universidade Veiga de Almeida, contribuindo para a formação de novas gerações de engenheiros. Hoje, como doutorando da UNIFEI, segue ativo, compartilhando seu conhecimento e experiência acumulada ao longo de décadas. Para ele, o vínculo com a universidade é mais que acadêmico é uma missão de vida: aproximar o saber técnico da realidade prática, inspirando novos profissionais a enfrentarem, com ética e excelência, os desafios do setor elétrico do futuro.
1Como foi sua experiência ao transitar em empresas estratégicas como Morrisson Knudsen (MK), Furnas, Eletronorte e o ONS? Que diferenças e aprendizados mais marcaram sua atuação em cada uma delas?
Essas empresas foram verdadeiras escolas, tanto no aspecto profissional quanto pessoal. A Morrisson Knudsen (MK), uma empresa americana, iniciou suas atividades no Brasil na década de 1950, após um período crítico de racionamento de energia elétrica nas grandes cidades. O país sofria com uma enorme carência de infraestrutura. A MK veio com a bagagem de grandes projetos, como a construção da Represa Hoover, nos Estados Unidos. Ela refletia bem o perfil internacional da engenharia no Brasil da época: meu gerente imediato era russo, o chefe da divisão era chileno formado na Alemanha e o gerente geral, americano. A equipe brasileira, incluindo eu, que entrei como estagiário e depois atuei como engenheiro, ficava responsável pela execução, já que ainda não havia experiência local no gerenciamento de grandes empreendimentos. Naquela época, a lógica de trabalho era bem diferente da atual. Cada grupo era responsável por um empreendimento completo, desde o planejamento, arranjo físico, proteção e até o comissionamento. Isso me proporcionou uma visão ampla e integrada da engenharia algo que carrego até hoje.
Furnas foi, sem dúvida, uma das maiores escolas da minha carreira. Atuei na área de estudos elétricos e em especificações de equipamentos de alta e extra-alta tensão. Além de participar de grandes empreendimentos, tive a oportunidade de estudar, fazer cursos e concluir o mestrado. A equipe era extremamente qualificada muitos dos colegas tinham acabado de voltar do exterior, principalmente dos EUA, com incentivos patrocinados pela própria empresa. Estávamos em um momento de grande avanço na área de estudos elétricos no Brasil Cada empresa desenvolvia suas próprias ferramentas computacionais: programas para transitórios eletromagnéticos, regime permanente, entre outros Lembro que, nos eventos do SNPTEE, era comum vermos comparações entre os programas de diferentes empresas Nessa época, consolidamos o uso do EMTP ferramenta que permanece até hoje em uso para estudos de transitórios eletromagnéticos Foi com esse arcabouço técnico que passei a conduzir, com autonomia, estudos robustos de transmissão e dimensionamento de equipamentos, como os associados à transmissão de Itaipu, chaveamento de grandes bancos de capacitores em derivação, análise de ocorrências no sistema, entre outros
A Eletronorte foi mais uma etapa marcante e motivo de orgulho Lá, tive a oportunidade de aplicar e disseminar muito do conhecimento acumulado até então É importante lembrar que, há 30 anos, estados como Mato Grosso, Rondônia e Tocantins hoje grandes potências agrícolas não dispunham de energia elétrica 24 horas por dia A chegada da eletricidade com confiabilidade mudou a realidade dessas regiões e impulsionou o desenvolvimento nacional Enfrentamos muitos desafios logísticos Eram localidades com infraestrutura bastante precária hotéis, restaurantes e deslocamentos muitas vezes limitados Mesmo assim, nunca vi um colega recusar uma missão ou reclamar do trabalho Já pernoitamos por dias em locais onde a energia era desligada às 22h Imagine o calor, os pernilongos à noite E mesmo nessas condições, o serviço era feito e bem feito
Já no ONS, tive a oportunidade de consolidar os conhecimentos acumulados ao longo da carreira
Participei da estruturação da área que trabalhei e coordenei áreas que permanecem estratégicas até hoje: a elaboração dos anexos técnicos dos editais de leilão da ANEEL, a análise dos projetos básicos dos novos empreendimentos, os documentos “as built” (Como Construído), e o módulo dos Procedimentos de Rede (PR) de subestações e equipamentos Posso dizer que isso tudo é apenas o “resumo do resumo” de uma jornada de décadas no setor elétrico brasileiro uma história que sigo escrevendo com orgulho e gratidão
Nesses mais de 50 anos de atuação no setor elétrico, o senhor acompanhou parte da evolução do Sistema Interligado Nacional (SIN). Quais foram, em sua visão, os marcos mais significativos dessa trajetória?
Sem dúvida, alguns assuntos foram decisivos e me marcaram profundamente Entre eles, destaco a transmissão da UHE Itaipu, a transmissão da UHE Tucuruí e a Interligação Norte-Sul um projeto emblemático, que incluiu a implantação do primeiro Capacitor Série Controlado a Tiristores (TCSC), que foi, inclusive, o primeiro TCSC comercial do mundo Outro momento de grande importância foi o projeto de Atendimento a Pequenas Comunidades ao Longo de Linhas de Transmissão (LT), por meio da tecnologia de Para-raios Energizados (PRE) Esse trabalho uniu engenharia e compromisso social, beneficiando populações que viviam isoladas do acesso à energia elétrica
Também considero marcante o período de aprofundamento técnico que tive, com destaque para os estudos envolvendo o programa EMTP, subestações e equipamentos de alta e extra-alta tensão (AT/EAT), bem como estudos de transitórios elétricos Todo esse aprendizado culminou, anos depois, na minha participação como autor em capítulos de livros técnicos que hoje são referência no setor
3
Ao decorrer de sua carreira, o senhor teve a oportunidade de presenciar grandes transformações no setor elétrico. Que mudanças a curto e longo prazos o senhor considera mais urgentes para garantir a segurança e a estabilidade do Sistema Interligado Nacional?
Vou me permitir sair um pouco do aspecto puramente técnico para destacar uma questão que considero essencial: a gestão Quando iniciei minha carreira, as decisões de investimento nas empresas eram fortemente baseadas em critérios técnicos Hoje, percebo que o distanciamento entre quem está no campo e quem toma as decisões nas diretorias aumentou consideravelmente especialmente após o chamado “novo modelo do setor elétrico”, implementado no final da década de 1990
Com a criação de empresas independentes voltadas para Planejamento, Mercado, Operação e com a multiplicação dos Agentes, esse afastamento se tornou natural, mas preocupante Nos últimos anos, no entanto, tenho observado um esforço maior de interação entre as entidades que coordenam o setor como a EPE, o ONS, os Agentes e os Fornecedores Isso é extremamente positivo, mas precisa ser um processo contínuo, e não apenas resultado da visão de determinados dirigentes Quem conhece os maiores problemas do setor são justamente aqueles que convivem com eles no dia a dia e não quem os observa à distância, de um escritório com ar-condicionado, reclamando da falta de recursos Priorizar obras com os recursos disponíveis é uma das tarefas mais importantes da engenharia, e isso deve ser feito com seriedade pelas áreas técnicas das instituições envolvidas Vejo que a EPE e o ONS têm buscado fazer esse trabalho com muita responsabilidade Cabe ao MME e à ANEEL acolher essas diretrizes técnicas e garantir que os investimentos sigam uma lógica de prioridade real. Nesse sentido, acredito que estamos no caminho certo.
Na época, vi um cartaz da propaganda do vestibular da EFEI na secretaria do cursinho, que seria exclusivo...
O senhor poderia nos fazer um resumo da “aventura” de instalar um sistema PRE em Rondônia? Como isso começou?
Essa é uma longa história, mas vou tentar resumir. No final da década de 1980, foi criada na Eletrobras, no Rio de Janeiro, a Comissão de Planejamento da Transmissão da Amazônia (CPTA). Eu era o coordenador dos estudos elétricos dos equipamentos e também responsável pelas especificações técnicas. Um dos projetos sob minha responsabilidade era o Atendimento a Pequenas Comunidades ao Longo de Linhas de Transmissão (APCLT). Naquela época, já sabíamos dos problemas de vandalismo enfrentados pela Eletronorte, e sabíamos também que, com a transmissão das usinas amazônicas, esse problema se repetiria. Eu costumo comparar essa questão com um problema da área da saúde: a malária. Imagine uma pessoa com malária no meio da floresta amazônica. Ela pode pensar: “Hoje fazem transplantes de coração e até de rosto, mas não conseguem resolver a malária?”. É parecido com o que pensa o morador que vê uma linha de transmissão passar pelo seu quintal e não tem energia em casa. Isso gera indignação e, muitas vezes, vandalismo com alto custo para o setor e para o país.
Foi nesse contexto que o engenheiro Manuel Martinez, grande colega e amigo da Eletronorte, trouxe de um curso na UNIFEI um artigo técnico do professor Francisco Iliceto, da Universidade de Roma. Ao me entregar o paper, disse com todo seu jeitão: “Ô turco f.d.p., olha esse paper aí que acho que você vai gostar!”. E estava certo (não pelo xingamento, claro risos), mas pela relevância do conteúdo. O professor Iliceto havia coordenado projetos na África, com o apoio do Banco de Desenvolvimento, para atender comunidades ao longo de LTs. Entrei em contato com ele por FAX o que tínhamos na época e, pouco tempo depois, viajei a Gana para acompanhar o comissionamento dessas tecnologias. Trouxe ao Brasil a que considerei mais adequada à nossa realidade: o sistema de Para-raios Energizados (PRE). O primeiro desafio foi modelar o sistema no programa EMTP, já que o professor fazia seus cálculos de forma manual, com ábacos e uma calculadora HP. Focamos os estudos nas cidades de Jaru e Itapuã do Oeste, em Rondônia, com cargas cerca de 60 vezes maiores que as de Gana. Foi uma troca mútua de conhecimento: ele me passou os fundamentos técnicos, e eu compartilhei os modelos matemáticos no EMTP. Anos depois, tive a honra de ser orientador informal de uma tese de doutorado na Universidade de Roma, sobre esse tema. A implantação dos PREs em Rondônia foi um capítulo à parte. O país estava com dificuldades de financiamento, e o Banco Mundial se recusava a apoiar as obras da Eletronorte, alegando que as linhas de 230 kV poderiam aumentar o desmatamento. O caso chegou à presidência da República. O presidente Itamar Franco, sensibilizado com a importância do projeto, decretou que o BNDES arcasse com o financiamento foi a primeira vez que o banco financiou uma obra do setor elétrico. Lembro bem: eu e Martinez passamos dias no BNDES preenchendo relatórios técnicos e burocráticos.
Com o financiamento aprovado, surgiu a urgência: precisávamos acelerar o projeto. Mas as simulações no EMTP, feitas em computadores de grande porte da empresa, só podiam rodar nos fins de semana. A sorte nos sorriu quando o colega e amigo Carlos Gama emprestou seu "supercomputador pessoal" da época, que reduziu o tempo de simulação de dias para horas. As equipes da Eletronorte e da CERON se engajaram de forma impressionante. Fizemos o impossível talvez porque não sabíamos que era impossível. O PRE de Jaru funcionou por cerca de cinco anos, sendo depois substituído por um tape 230/13,8 kV devido ao crescimento da carga. Já o PRE de Itapuã do Oeste operou por impressionantes 18 anos e meio, até ser substituído por uma linha de 69 kV com mais de 100 km de extensão. Estimo que mais de 20 mil pessoas foram diretamente beneficiadas por esses projetos. Foi, sem dúvida, o empreendimento mais marcante da minha vida não apenas pelo desafio técnico, mas pela realização pessoal. Continuei visitando essas comunidades anualmente durante as minhas férias, mesmo depois de me desligar da empresa. Era, para mim, um serviço voluntário à sociedade. E uma grande alegria e satisfação.
O setor elétrico está em constante transformação, com avanços tecnológicos e novos desafios, como a integração de fontes renováveis. Quais são, na sua opinião, os principais desafios técnicos que o Brasil enfrentará nos próximos anos?
Tentando ser direto: o maior desafio será tomar decisões verdadeiramente técnicas sem ceder a pressões externas ao setor elétrico. Do ponto de vista tecnológico, estamos diante de uma grande missão: quantificar, com segurança, até que ponto é possível integrar fontes renováveis intermitentes ao sistema sem comprometer a estabilidade da transmissão e a segurança da operação. Essa avaliação depende de diversos fatores, como o tipo de geração utilizada, as características das linhas de transmissão, o perfil das cargas no instante exato da operação do sistema. É uma equação dinâmica e complexa, que exige domínio técnico profundo.
Nos últimos anos, aprendemos muito sobre isso tanto no Brasil quanto no mundo. Mas ainda há muitos desafios pela frente. Precisamos manter um compromisso com a excelência técnica, com o uso rigoroso de ferramentas de simulação e com o fortalecimento das equipes que lidam diretamente com o planejamento e a operação do sistema. A transição energética é necessária, mas precisa ser feita com responsabilidade técnica. Não podemos correr o risco de comprometer a confiabilidade do sistema por decisões apressadas ou politizadas. O equilíbrio entre inovação e segurança será o grande desafio dos próximos anos.
Além da atuação técnica, o senhor também contribuiu com a literatura especializada em engenharia elétrica. Como surgiu o interesse por escrever e quais lacunas técnicas buscou preencher com essas publicações?
Como mencionei anteriormente, o Brasil passou, nas últimas décadas, de um cenário de grande escassez de profissionais especializados para um patamar de excelência técnica reconhecida Isso só foi possível porque muitos engenheiros, como eu, tiveram a oportunidade de se especializar muitas vezes com apoio direto do Estado, por meio de empresas públicas ou programas de capacitação Sempre acreditei que, ao receber esse investimento, temos uma obrigação moral e profissional de devolver o conhecimento à sociedade e ao setor E uma das formas mais eficazes de fazer isso é escrevendo e compartilhando o que aprendemos O interesse pela escrita surgiu de forma natural, a partir da prática docente Comecei ministrando treinamentos técnicos e cursos de especialização Para isso, produzia material didático inicialmente as famosas transparências, depois apostilas, e mais tarde, capítulos de livros Busquei, com essas publicações, preencher lacunas técnicas que sentíamos na prática do dia a dia: especificação de equipamentos, coordenação de isolamento, análise de transitórios, inovação tecnológica em alta tensão São temas que exigem não só conhecimento teórico, mas também muita vivência de campo
Além disso, acredito fortemente na importância da interação entre empresa e academia As universidades precisam entender as demandas reais das empresas, e as empresas precisam se abrir ao conhecimento produzido na universidade Ao longo da minha carreira, tentei ser um elo entre esses dois mundos Para dar uma ideia do quanto evoluímos: quando comecei minha carreira, até um simples ajuste de relé de sobrecorrente precisava ser feito no exterior e custava 500 dólares Hoje, nossos profissionais dominam essas competências, desenvolvem tecnologia e compartilham conhecimento E é com orgulho que pude contribuir para essa transformação
O senhor tem se dedicado também à formação e capacitação de profissionais da engenharia elétrica. Quais competências e habilidades o senhor considera fundamentais para os engenheiros que irão enfrentar os novos desafios do setor elétrico nos próximos anos?
Tenho percebido, nos últimos anos, uma crescente valorização das áreas de Recursos Humanos nas empresas, muitas vezes acima das próprias gerências técnicas e isso tem consequências importantes. Um exemplo: em muitos processos seletivos, busca-se um padrão de comportamento que privilegia a adaptação e a facilidade de convivência. Mas eu aprendi que, muitas vezes, o profissional “chato”, aquele que questiona, que provoca discussões técnicas, é o que mais contribui para o avanço real de um projeto. Ao longo da minha carreira, tive divergências com colegas e isso é natural .Mas, em várias ocasiões, um simples cafezinho e uma boa conversa
me mostraram que aquele colega tinha razão A divergência, quando bem conduzida, é benéfica A engenharia não pode ser feita com unanimidades forçadas Também é importante ter consciência de que o ambiente de trabalho nem sempre será ideal. Já ouvi reclamações sobre computadores desatualizados, acomodações ruins em viagens, entre outros desconfortos. E sempre penso: se essas pessoas estivessem trabalhando 40 anos atrás, o que diriam? Ter problemas e seguir adiante faz parte da formação de qualquer bom profissional. Outro ponto crítico: temos recebido cada vez mais projetos “prontos” do exterior. Isso exige que os engenheiros brasileiros tenham sólida formação técnica para avaliar, questionar e, se necessário, propor alternativas. É preciso dominar fundamentos matemática, física, informática e agora também inteligência artificial. Mas, além disso, é fundamental desenvolver a comunicação: saber falar em público, argumentar, ouvir e ter paciência. Costumo dizer que leva, em média, 10 anos para formar um bom engenheiro de operação e planejamento. Não existe atalho. É preciso estudo, prática, humildade e resiliência. Cada geração tem seus próprios desafios, mas os fundamentos da formação profissional continuam os mesmos: ética, técnica e compromisso.
Como foi a experiência de atuar como professor no curso de especialização da UERJ, da UNIP e no curso de engenharia na Universidade Veiga de Almeida no Rio de Janeiro?
Foi uma experiência extremamente gratificante. Tive a sorte de conviver com uma geração de dirigentes que não apenas permitiam, mas incentivavam seus profissionais a lecionar E isso fez toda a diferença
Muita gente imagina que os livros técnicos que ajudei a escrever surgiram da noite para o dia Mas, na verdade, tudo começou com as aulas No início, utilizávamos transparências aquelas lâminas para retroprojetor que depois se transformaram em apostilas, e mais tarde evoluíram para capítulos de livros Ou seja, o processo de ensino foi também um processo de amadurecimento técnico e editorial Lecionar me proporcionou outro privilégio: identificar talentos
Muitos dos meus ex-alunos hoje ocupam posições de destaque no setor elétrico Sempre que percebia alguém com potencial, fazia questão de indicar para oportunidades na empresa em que eu atuava ou em outras instituições Ver esses profissionais crescendo é, até hoje, motivo de grande satisfação A docência também reforçou uma convicção que levo comigo até hoje: a importância da aproximação entre universidade e setor produtivo O conhecimento acadêmico precisa dialogar com a realidade do campo, e vice-versa E, como professor, busquei ser um canal entre esses dois mundos
9
Qual foi a sua inspiração para optar por cursar engenharia na adolescência?
Você vai estu muito e vai s engenheiro. U engenheiro q com luz e com
Essa é uma história que sempre me emociona quando conto. Em 1966, eu tinha apenas 12 anos e minha família enfrentava um momento muito difícil. Estávamos passando por um grande revés, e eu me sen-tia profundamente triste. Um dia, minha mãe que era espiritualista olhou fixamente nos meus olhos e disse: “Você vai estudar muito e vai ser engenheiro. Um engenheiro que mexe com luz e com fios.” Na hora, confesso que não entendi direito o que aquilo queria dizer. Mas aquela frase ficou marcada em mim. Comecei a procurar que tipo de engenharia era essa que lidava com “luz e fios”. Foi então que, folheando uma revista técnica, li uma reportagem sobre engenheiros estrangeiros que estavam vindo ao Brasil para ajudar a combater o racionamento de energia elétrica, que naquela época assolava o país. Foi ali que tudo fez sentido. A partir daquele momento, decidi que queria seguir aquele caminho. E foi assim que comecei minha jornada na engenharia elétrica por um chamado que misturou destino, necessidade e fé.
Que conselhos o senhor daria para os jovens engenheiros que estão ingressando hoje no setor elétrico, especialmente aqueles interessados em operação e planejamento de sistemas de potência?
De maneira bem objetiva: não tenham pressa.
Hoje em dia, muitos jovens profissionais desejam chegar rapidamente a cargos de chefia e conquistar altos salários em pouco tempo. Mas, na engenharia e, especialmente, nas áreas de operação e planejamento de sistemas elétricos isso simplesmente não acontece dessa forma. É uma jornada que exige tempo. Estimo que um engenheiro leve, em média, cerca de 10 anos para realmente se tornar um profissional "afiado", com domínio técnico e maturidade para lidar com os desafios do setor Para isso, é fundamental ter uma base sólida em matemática, física e informática e, mais recentemente, também em inteligência artificial Outro ponto essencial é saber se comunicar Falar em público, ouvir com atenção, lidar com críticas e manter a calma diante de perguntas capciosas são habilidades indispensáveis Eu, por exemplo, participei de diversas audiências públicas para implantação de linhas de transmissão, em que precisei ativar todas as minhas competências técnicas e emocionais ali, em tempo real Hoje, tudo o que um engenheiro faz pode e vai ser questionado Por isso, é preciso estar preparado técnica e psicologicamente Muitos dos desafios que surgirão pela frente serão inéditos, e é justamente aí que o engenheiro precisa mostrar resiliência, responsabilidade e ética Meu conselho? Estudem com profundidade, escutem os mais experientes, aceitem os desafios com humildade e não tenham medo de errar desde que estejam dispostos a aprender com os erros Esse é o caminho para quem quer construir uma carreira sólida e contribuir, de verdade, para o futuro do setor elétrico
O senhor já deu várias palestras na UNIFEI, além de ter iniciado um doutorado na instituição. O senhor tem alguma ligação com a UNIFEI? Ou o que o levou a escolher instituição para um doutorado?
A UNIFEI sempre teve um nome de muito prestígio no setor elétrico brasileiro. Ao longo da minha carreira, trabalhei com profissionais excepcionais que vieram da universidade e isso sempre me chamou atenção. Dois colegas, em especial, deixaram uma marca importante na minha trajetória: os engenheiros Airton Violin e o saudoso Manuel Martinez. Tive o privilégio de trabalhar com ambos na Eletronorte, e mais tarde eles se tornaram professores da UNIFEI.
Mantivemos contato técnico por muitos anos, sempre com o mesmo objetivo em comum: aproximar a academia das necessidades reais das empresas do setor. Essa relação de respeito e colaboração foi o que me motivou a escolher a UNIFEI para o doutorado. Sempre acreditei na importância do diálogo entre teoria e prática, entre universidade e campo. E percebo que os professores da UNIFEI não apenas entendem o que o setor precisa, mas também buscam se aprimorar continuamente para formar profissionais preparados para os desafios da engenharia elétrica. Estar aqui, cursando o doutorado, é uma forma de retribuir tudo o que vivi e aprendi. E, mais do que isso, é a oportunidade de contribuir para a formação das próximas gerações com os pés na técnica, o olhar no futuro e o coração no propósito.


Flávio Eduardo Spressola - GE Vernova
Aconstante evolução tecnológica tem impulsionado transformações significativas no setor elétrico em todo o mundo, e o Brasil não é exceção. No país, as empresas concessionárias, permissionárias e autorizadas são obrigadas a investir, anualmente, parte de sua receita operacional líquida em projetos de Pesquisa e Desenvolvimento (P&D), conforme regulamentado pela Agência Nacional de Energia Elétrica (ANEEL) Esses investimentos têm como objetivo fomentar a inovação, promover a eficiência energética e buscar soluções que modernizem a infraestrutura elétrica, incentivando a adoção de novas tecnologias, como redes inteligentes, sistemas de armazenamento de energia e geração distribuída.
Apesar desse estímulo à inovação, o setor elétrico é frequentemente percebido como conservador na adoção de novas tecnologias. Esse aparente paradoxo se justifica por uma razão fundamental: a segurança operativa e a confiabilidade do sistema elétrico são aspectos inegociáveis. Qualquer nova tecnologia introduzida no Sistema Elétrico de Potência (SEP) precisa demonstrar, de forma inequívoca, que não comprometerá a estabilidade, a segurança e o desempenho da rede. A complexidade inerente à operação do sistema interligado, aliada ao seu papel crítico na sustentação da vida econômica e social, exige uma abordagem cautelosa e tecnicamente fundamentada para mudanças tecnológicas
Nesse cenário, as normas técnicas assumem um papel de grande importância ao estabelecer requisitos mínimos de desempenho e métodos padronizados de verificação de conformidade a tais requisitos, visando garantir que novas soluções sejam integradas de forma segura, compatível e eficaz ao sistema elétrico. Ao padronizar critérios de desempenho, ensaios, interoperabilidade e segurança, essas normas reduzem incertezas, facilitam a aceitação de inovações e promovem a confiança dos agentes setoriais na adoção de novas tecnologias. A atuação coordenada de organismos normativos, instituições de pesquisa e empresas do setor é, portanto, um elemento-chave para equilibrar inovação com segurança no ambiente elétrico.
A modernização do setor elétrico está diretamente associada à incorporação de novas tecnologias que ampliam a flexibilidade, a sustentabilidade e a inteligência dos sistemas de energia. Essas inovações têm alterado o modelo tradicional de geração, transmissão e distribuição, exigindo adaptações tanto do ponto de vista técnico quanto regulatório. A seguir, são destacadas algumas das principais tecnologias que vêm sendo introduzidas no Sistema Elétrico de Potência (SEP):
2.1 Geração Distribuída e Fontes
Renováveis
A expansão da geração distribuída, principalmente por meio de sistemas fotovoltaicos, tem modificado a lógica de fluxo unidirecional de energia nas redes elétricas. A presença de múltiplos pontos de geração próximos ao consumo contribui para a redução de perdas e aumento da eficiência, mas também traz desafios quanto ao controle de tensão, proteção do sistema e gerenciamento da variabilidade das fontes intermitentes, como solar e eólica.
2.2 Armazenamento de Energia
O uso de sistemas de armazenamento, especialmente baterias, permite maior flexibilidade na operação do sistema elétrico, possibilitando o deslocamento da carga, a mitigação da intermitência das fontes renováveis e o aumento da intermi-
tência das fontes renováveis e o aumento da resiliência. No entanto, sua integração exige padronização quanto a requisitos de segurança, desempenho, durabilidade e interfaces com o sistema
2.3 Redes Inteligentes (Smart Grids)
As redes inteligentes incorporam tecnologias de informação e comunicação ao sistema elétrico, permitindo monitoramento em tempo real, automação e tomada de decisão descentralizada. A implementação de smart grids envolve sensores, dispositivos IoT, sistemas SCADA avançados e plataformas de análise de dados, o que impõe novos requisitos de interoperabilidade, cibersegurança e tratamento de grandes volumes de informação.
As subestações digitais representam uma evolução em relação ao modelo convencional ao substituir sinais analógicos e cabeamento de cobre por redes de comunicação baseadas em fibra óptica e protocolos padronizados, como o IEC 61850. Nessa arquitetura, os dados de medição, proteção e controle são transmitidos por mensagens digitais em tempo real, permitindo maior flexibilidade, automação, confiabilidade e redução de custos com infraestrutura física.
A adoção de subestações digitais viabiliza monitoramento mais preciso, maior integração com sistemas de gestão e diagnóstico remoto, além de facilitar a implementação de funções avançadas de automação. Contudo, essa transição também impõe novos desafios, como a necessidade de sincronização precisa, interoperabilidade entre equipamentos de diferentes fabricantes, proteção contra ataques cibernéticos e conformidade com requisitos normativos rigorosos.
Outro aspecto relevante diz respeito à confiabilidade e à vida útil dos dispositivos eletrônicos embarcados, como Módulos de Aquisição de Dados (MUs), IEDs (Intelligent Electronic Devices) e equipamentos de rede Esses dispositivos operam em ambientes sujeitos a interferências eletromagnéticas, variações térmicas e exigências de disponibilidade contínua. A durabilidade dos componentes eletrônicos, sua resistência a falhas e a previsibilidade do seu comportamento ao longo do tempo são fatores críticos para a operação segura das subestações digitais, exigindo especificações técnicas claras, ensaios normalizados e estratégias de manutenção adequadas.
A introdução de novas tecnologias no Sistema Elétrico de Potência (SEP), embora traga inegáveis benefícios, impõe uma série de desafios técnicos, regulatórios e operacionais. Esses desafios decorrem, em grande parte, das características intrínsecas do sistema elétrico altamente interconectado, sensível a perturbações e essencial para a continuidade da atividade econômica e da vida cotidiana. A seguir, destacam-se os principais desafios enfrentados no processo de integração segura dessas inovações:
A interoperabilidade entre equipamentos de diferentes fabricantes, protocolos e arquiteturas é um requisito fundamental em um ambiente tecnológico cada vez mais heterogêneo A ausência de padrões claros pode resultar em dificuldades de integração, falhas de comunicação, ou até comprometimento da operação de sistemas de proteção e controle Normas técnicas são essenciais para garantir que os dispositivos funcionem em conjunto de forma harmoniosa e segura.
Novas tecnologias, sobretudo as digitais e baseadas em eletrônica de potência, precisam demonstrar confiabilidade equivalente (ou superior) às soluções consolidadas. Isso inclui aspectos como comportamento sob contingências, durabilidade, tolerância a falhas e robustez frente a eventos eletromagnéticos ou distúrbios. Além disso, a resiliência ou seja, a capacidade de recuperação frente a falhas torna-se um atributo cada vez mais valorizado.
A crescente digitalização do SEP expõe o sistema a riscos cibernéticos que não estavam presentes em arquiteturas analógicas A proteção contra invasões, sabotagens, manipulação de dados e ataques à infraestrutura de controle exige não apenas medidas técnicas, mas também regulamentações específicas, práticas de governança e normas dedicadas à segurança da informação em sistemas críticos.
A elaboração de normas técnicas acompanha, em muitos casos, o ritmo acelerado da inovação tecnológica No entanto, quando novas soluções surgem rapidamente no mercado, pode haver um descompasso pontual entre a disponibilidade da tecnologia e a existência de normas técnicas consolidadas para sua aplicação Isso não significa ausência ou atraso, mas sim um desafio natural em acompanhar o dinamismo da inovação com processos de normalização que exigem rigor técnico, consenso internacional e validações adequadas.
No contexto brasileiro, um importante avanço tem se dado através do crescimento da participação das comissões de estudo do COBEI (Comitê Brasileiro de Eletricidade, Eletrônica, Iluminação e Telecomunicações) como espelhos dos diversos comitês internacionais da IEC (Comissão Eletrotécnica Internacional). Esses comitês nacionais não apenas adaptam normas internacionais ao contexto brasileiro, mas também participam diretamente da elaboração das normas globais, contribuindo com expertise técnica e promovendo a harmonização normativa desde a origem. Essa participação assegura que o Brasil esteja alinhado com os avanços tecnológicos e que as normas brasileiras reflitam tanto a realidade local quanto os requisitos internacionais de segurança, desempenho e compatibilidade
A introdução segura de tecnologias no SEP depende da capacidade de submetê-las a ensaios laboratoriais que sejam eficazes representativos das condições reais de operação, com margens adequadas. A falta de infraestrutura laboratorial adequada ou de metodologias reconhecidas pode atrasar a homologação de soluções inovadoras. Normas de ensaio e critérios objetivos de aceitação são ferramentas indispensáveis para promover confiança na aplicação prática dessas tecnologias.

Normas técnicas são documentos elaborados por consenso entre representantes das partes interessadas como fabricantes, concessionárias, centros de pesquisa, universidades, órgãos reguladores e laboratórios com o objetivo de padronizar soluções que atendam adequadamente aos requisitos da aplicação, seja ela voltada a produtos, processos ou serviços
No caso das normas de produto, o foco principal está em estabelecer requisitos mínimos de desempenho e métodos padronizados de verificação, normalmente por meio de ensaios
No contexto do setor elétrico, essas normas exercem um papel central na mitigação de riscos associados à introdução de novas tecnologias. Ao definirem critérios técnicos claros, verificáveis e amplamente reconhecidos, elas criam uma base comum para garantir que os dispositivos e sistemas operem com segurança, interoperabilidade e confiabilidade.
A IEC (Comissão Eletrotécnica Internacional) é a principal organização internacional responsável pela elaboração de normas técnicas para produtos elétricos e eletrônicos.
A IEC é estruturada em comitês técnicos especializados e organizados com base na representação de comitês nacionais, que contribuem ativamente para os fóruns de elaboração normativa.
No Brasil, essa atuação é conduzida pelo COBEI (Comitê Brasileiro de Eletricidade, Eletrônica, Iluminação e Telecomunicações), responsável pela coordenação da normalização técnica da ABNT em temas relacionados à eletricidade.
O COBEI é também o comitê nacional espelho da IEC, participando diretamente da construção das normas internacionais e emitindo versões equivalentes em português adaptadas à realidade brasileira
As normas também promovem a viabilidade econômica: permitem maior escala de produção, otimizam custos industriais, orientam laboratórios de ensaio em seus investimentos e garantem a reprodutibilidade dos ensaios Dessa forma, facilitam a difusão segura de tecnologias inovadoras no setor

A introdução de novas tecnologias no Sistema Elétrico de Potência é um processo essencial para a modernização, eficiência e sustentabilidade do setor elétrico. Contudo, esse processo deve ser conduzido com responsabilidade técnica, de forma a preservar os pilares fundamentais da operação do sistema: segurança, confiabilidade e interoperabilidade
As normas técnicas, nesse contexto, desempenham um papel estruturante Elas não apenas viabilizam a adoção segura de inovações, como também promovem a harmonização entre os diferentes agentes do setor, orientando fabricantes, concessionárias, laboratórios e órgãos reguladores na definição de requisitos técnicos objetivos e verificáveis.
É importante destacar que os comitês técnicos responsáveis pela elaboração dessas normas são compostos por especialistas que atuam voluntariamente, doando seu tempo e conhecimento técnico em prol do desenvolvimento do setor.
Trata-se de um trabalho voluntário, colaborativo e de importância fundamental, pois garante que os requisitos normativos estejam alinhados com a realidade técnica, regulatória e operacional do país. Para que esses processos ocorram com a celeridade e qualidade necessárias, é essencial que as empresas do setor elétrico, fabricantes, instituições de pesquisa e laboratórios de ensaio incentivem e deem suporte efetivo à participação de seus profissionais nesses comitês. Ao fortalecer essa atuação, todas as partes interessadas se beneficiam com a construção de um ambiente normativo mais eficiente, confiável e alinhado às necessidades do setor.
A atuação coordenada entre o meio técnico, os comitês de normalização, instituições de pesquisa e empresas do setor é decisiva para garantir que as normas técnicas evoluam de forma alinhada ao avanço tecnológico. A participação brasileira nos fóruns internacionais de normalização da IEC, por meio do COBEI, é um exemplo concreto de como o país pode contribuir ativamente para a construção de um ambiente normativo robusto, globalmente reconhecido e tecnicamente atualizado.
Promover a inovação com segurança não é um desafio apenas técnico, mas também institucional e colaborativo O fortalecimento dos processos de normalização técnica é, portanto, um caminho estratégico para garantir que as novas tecnologias contribuam efetivamente para um sistema elétrico mais inteligente, resiliente e sustentável.
Autor: Flávio Spressola possui graduação em Engenharia Elétrica pela Escola Federal de Engenharia de Itajubá - EFEI (1999), MBA, mestrado e doutorado em Engenharia Elétrica pela Universidade Federal de Itajubá - UNIFEI (2002, 2011 e 2024), além de ter sido estagiário do Laboratório de Alta Tensão da UNIFEI. Atualmente é Engenheiro Sênior de Pesquisa Desenvolvimento - GE Vernova Grid Solutions, sendo reconhecido como Especialista Sênior pelo programa internacional de especialistas da empresa. Tem experiência na área de Engenharia Elétrica, com ênfase em Máquinas Elétricas e Equipamentos de Alta Tensão, atuando principalmente nos seguintes temas: Transformadores para Instrumentos e Técnicas de Alta Tensão. Atualmente, Flavio é membro da Comissão Nacional de Transformadores para Instrumentos (ABNT/COBEI) e do comitê internacional da IEC de Transformadores para Instrumentos onde atua como coordenador do grupo de trabalho IEC/TC38-MT58, responsável pela revisão das normas IEC 61869-2, -3 e -5, e membro do grupo de trabalho IEC/TC38-WG47 sobre evolução dos requisitos de transformadores para instrumento para o mercado moderno

Ografeno é um dos materiais mais estudados nas últimas décadas. Embora tenha sido isolado pela primeira vez apenas em 2004, a aceitação rápida e interesse nesse material são devidos principalmente a uma série de propriedades excepcionais que se descobriu possuir. O grafeno é composto por uma camada bidimensional de grafite, formada por carbonos hibridizados na forma sp2 (figura 1) (VEERENDRA, A S; 2021)

Dentre as principais propriedades do grafeno inclui-se, boa condutividade térmica, alta transparência, elevada densidade, resistência e dureza, flexibilidade, resistência à radiação ionizante e elevada condutividade elétrica. Através de reações químicas, é possível adicionar grupos funcionais ao grafeno, possibilitando uma mudança em suas propriedades, de maneira que o material obtido atinja a excelência para cada utilização desejada (MENÉNDEZ; BLANCO, 2014) Uma das possíveis e mais estudadas modificações no grafeno é a oxidação. O óxido de grafeno (OG) tem sido um dos derivados do grafeno que tem chamado bastante atenção dos pesquisadores na última década. (CAMARGOS; SEMMER; SILVA 2017)
O óxido de grafeno é um derivado funcionalizado do grafeno com grupos oxigenados ligados à sua superfície. O modelo que melhor representa a estrutura do óxido de grafeno foi proposto por LerfKlinowski (Park; Ruoff, 2009) e descreve o material como “ilhas” aromáticas separadas entre si por regiões alifáticas contendo grupamentos epóxis e hidroxilas além de ligações duplas, como visto na Figura 2.
O óxido de grafeno tem como principais características a boa dispersibilidade em água, grande área de superfície específica, amplo potencial químico e elevada estabilidade química (Kim et al., 2010; Agarwal; Zetterlund, 2021). Ainda dentre as principais propriedades do OG encontra-se

a boa condutividade térmica, o que permite o desenvolvimento de aditivos dissipadores de calor e é fundamental para aprimorar o desempenho térmico dos materiais empregados em aplicações eletroeletrônicas (Simpson et al., 2019; Morishita; Matsushita, 2021). Com o crescimento da miniaturização na indústria eletrônica, a quantidade de calor gerado por unidade de volume nos dispositivos aumentou significativamente Portanto, é imprescindível o desenvolvimento de materiais que possibilitem uma dissipação eficiente do calor
Tendo em vista o amplo potencial do grafeno, óxido de grafeno e seus compósitos para o desenvolvimento de aditivos para diferentes áreas da engenharia, o grupo de pesquisas do LAT- EFEI têm dado ênfase aos trabalhos de síntese eletroquímica do óxido de grafeno e compósitos do material e sua utilização na área, voltados principalmente para a dissipação de calor e aumento da dureza de materiais.
Apesar de todas as vantagens do grafeno, desde a sua descoberta, a síntese em larga escala e a qualidade do material obtido ainda são desafios a serem superados pela indústria Assim, como primeiro foco, os trabalhos desenvolvidos no LAT-EFEI visaram a síntese eletroquímica do grafeno e posterior caracterização do material obtido
Materiais carbonáceos são amplamente utilizados como eletrodos em processos eletroquímicos (Banks et al , 2005; Zhang; Zhao, 2009) Desde que o grafeno foi isolado pela primeira vez por esfoliação mecânica, estudos têm sido realizados para esfoliar eletroquimicamente o grafite natural (Abdelkader et al., 2015; Ambrosi et al., 2014; Qiu et al., 2016; Liu et al., 2013; Parvez et al., 2014). A esfoliação eletroquímica utiliza a condutividade elétrica do grafite para intercalar íons carregados. Outra vantagem, também, é a possibilidade de produção em massa do grafeno e seus derivados, visto que se trata de uma técnica de baixo custo (Su et al., 2011).
Dessa maneira, em 2021, foi inicialmente estabelecida uma rota de síntese eletroquímica do grafeno em meio ácido (figura 3) Para tal síntese foram utilizados eletrodos de grafite 8B em meio ácido, utilizando-se ácido sulfúrico 1M Durante a pesquisa, foram testadas diferentes tensões aplicadas aos eletrodos, de maneira a estabelecer a melhor tensão para a esfoliação do grafite. Os materiais obtidos foram posteriormente analisados quanto à sua morfologia, propriedades elétricas e térmicas, estabelecendo assim uma rota sintética para a confecção de óxido de grafeno (Pereira, 2021).


Devido à diversidade de aplicações deste material no setor de engenharia de alta tensão, e visando uma rota mais ecologicamente correta, outra pesquisa desenvolvida em nosso laboratório foi o estudo da obtenção do óxido de grafeno reduzido por esfoliação eletroquímica de grafite e redução fitoquímica, utilizando extrato vegetal do bagaço de cana-deaçúcar, Saccharum officinarum, como agente redutor. Tal método se mostrou eficiente na redução do óxido de grafeno e é de grande vantagem visto seu baixo custo e o uso de tecnologia limpa, dado que não utiliza reagentes que agridem o meio ambiente e o forte apelo sustentável (Vilas Boas, 2023)
Com o avanço da nanotecnologia e o desenvolvimento de nanomateriais, cresceu nas últimas décadas o estudo do efeito de nanoisoladores, tais como nanopartículas de Al2O3, Fe2O3, SiO2, TiO2 e ZnO dispersos em óleos isolantes (Siddique; Basu; Basak, 2022) A tendência mais recente nesta área é o uso do óxido de grafeno Uma das principais vantagens nas propriedades dielétricas é sua natureza não condutora (Zhu et al , 2010)
Entre os metais, a prata apresenta o maior valor de condutividade térmica. Entretanto, nanopartículas de cobre têm se destacado por apresentarem valores apenas 6 % inferior ao apresentado pela prata, além do baixo custo de produção Os compósitos de grafeno e cobre despertam grande interesse devido aos significativos valores de condutividade térmica anisotrópica do grafeno, que variam de 4000-5000 W/mK no plano e 5-20 W/mK através dele (Nazeer et al., 2019; Jagannadham, 2012). Contudo, devido ao elevado custo, complexidade no processo de síntese do grafeno isolado e a dificuldade na remoção completa de grupos funcionais, a utilização do óxido de grafeno como uma alternativa tem sido objeto de estudo.
Para explorar de forma mais efetiva a aplicabilidade de nanocompósitos de óxido de grafeno com íons metálicos, desenvolveu-se um estudo com o objetivo de obter o óxido de grafeno via esfoliação eletroquímica e posterior síntese de nanocompósitos com cobre metálico e óxido de cobre (I) intercalado entre folhas de grafeno.
Nos últimos anos, cada vez mais trabalhos mencionam a utilização de nanopartículas para a melhoria do óleo de transformador, uma partícula que tem se mostrado extremamente interessante é o dióxido de titânio (Oti). A literatura relata um aumento na tensão de ruptura quando o Oti é adicionado ao óleo mineiral, aumentando assim sua eficiência. (DESSOUKY, 2017). Visando agregar as propriedades do OG ás do Oti, atualmente há em desenvolvimento um nanocompósito de óxido de grafeno, sintetizado via síntese eletroquímica com a adição de Oti entre suas camadas.
Espera-se dessa forma combinar as propriedades do OG com o Oti, obtendo-se um nanofluido (Figuara 4-B) com maior capacidade calorífica e maior tensão de ruptura, para a utilização como isolante em óleo de transformador, aumentando a vida útil do equipamento

Visando uma aplicação mais sustentável, outra utilização do óxido de grafeno é seu uso como aditivo em óleo vegetal para em fluido isolante de transformador, com a finalidade de melhorar a estabilidade térmica e elétrica do óleo Atualmente, é desenvolvido no laboratório um projeto de doutorado cuja importância se deve à necessidade da pesquisa de novos materiais na indústria elétrica. A substituição do óleo mineral de transformador, pelo óleo vegetal é uma necessidade. Porém, este tipo de óleo requer um sistema de estabilização térmica e elétrica mais robusto, daí a importância de pesquisas nesta área. Nesse sentido, pesquisas visando o aumento das propriedades dielétricas dos óleos vegetais têm sido motivo de grande interesse nas últimas décadas.
2.3 Síntese de compósitos de OG com metais para o estudo de propriedades anti-microbianas
As nanopartículas de prata são conhecidas por suas atividades antimicrobianas, sendo amplamente utilizadas em agentes sanitizantes para materiais cirúrgicos e na limpeza de superfícies Dessa maneira foi desenvolvido um estudo para a síntese de um compósito do OG com nanopartículas de prata (OG-Ag), com a finalidade de confeccionar filmes capazes de inibir o crescimento bacteriano. Os filmes obtidos foram testados frente ao Staphylococcus aureus e Escherichia coli, mostrando eficácia na inibição do crescimento de ambos os microorganismos. (González, 2025)
2.4 Síntese de compósito de OG com epóxi-anidrido para a aplicação em construção civil
O desenvolvimento de novos materiais, como compósitos reforçados com fibras, tem sido importante para o crescimento da indústria de construção civil. A introdução de compósitos com fibras de reforço (naturais, vidro, poliméricas etc.) na indústria civil visa uma maior eficiência e eficácia nas construções Entre as muitas vantagens destacam-se, baixo custo, baixa densidade e abrasividade (Oliveira, 2015)
Com a finalidade de usar compósitos poliméricos para a obtenção de vergalhões para a construção civil, buscou-se analisar as propriedades mecânicas do óxido de grafeno, para estimar o efeito dele nas propriedades mecânicas da matriz polimérica de resina epóxi Entre as propriedades a serem consideradas, o módulo de Young foi escolhido como objeto inicial de estudo. O material estudado
neste projeto de doutorado é o copolímero formado por resina epóxi e óxido de grafeno, do qual espera-se obter material mais rígido e duradouro que substitua o aço utilizado atualmente (Gimenez, 2024)
2.5 Síntese de compósito de OG/PANI para a utilização em supercapacitores
Os capacitores eletroquímicos (muitas vezes chamados de supercapacitores) são novos sistemas de armazenamento de energia que têm sido utilizados em muitos campos devido ao seu longo ciclo de vida, excelente reversibilidade e alta densidade de potência (Gui, 2014)
Devido ao aumento da utilização de veículos elétricos e o crescimento explosivo de dispositivos eletrônicos portáteis ocorreu um aumento no desenvolvimento de supercapacitores de alto desempenho. Neste contexto, o grupo de pesquisa produziu um nanocompósito de óxido grafeno (OG) com polianilina (PANI) pela técnica de esfoliação eletroquímica do grafite e eletropolimerização in situ de PANI em uma célula eletroquímica. (Pereira,2022).
Os estudos feitos pelo grupo de pesquisa ao longo dos anos, mostram que o grafeno e o óxido de grafeno são materiais extremamente versáteis para a utilização na engenharia. A síntese eletroquímica permite a obtenção do óxido de grafeno, além de possibilitar a confecção de diferentes copolímeros com aplicações diversas, como em óleo de transformador para dissipação de calor, filmes medicinais com função antimicrobiana, resina epóxi, visando o aumento da dureza e até mesmo para a confecção de supercapacitores De uma visão da sustentabilidade, entende-se que o grafeno e seu nanocompósitos são materiais mais eficientes e com propriedades únicas. Sua utilização é capaz de impactar positivamente o ambiente através da redução do consumo de recursos naturais. Sendo assim, a continuidade das pesquisas com grafeno e seus nanocompósitos se faz indispensável para tornar viável a síntese em larga escala e a utilização em componentes eletrônicos diversos.
O sistema elétrico de potência (SEP) desempenha papel fundamental na sociedade moderna. Embora a maioria das pessoas não tenham familiaridade com o termo, o SEP envolve todo o sistema elétrico em alta tensão, envolvendo geração, transmissão de distribuição de energia elétrica
A maioria dos consumidores finais tem familiaridade apenas com distribuição em baixa tensão, responsável pelo fornecimento de energia nas áreas residenciais e comerciais, sem ter conhecimento a respeito de toda a cadeia que resulta que alimenta tomadas ou lâmpadas. Entretanto o SEP envolve a geração de energia em pequenas ou grandes centrais elétricas, a transmissão por longas extensões e a entrega por meio de uma extensa malha que se espalha pelas cidades. Uma falha em qualquer um destes pontos pode resultar em apagões, nos levando, mesmo que temporariamente, a regredir décadas no tempo, numa época em que a eletricidade era ainda um mistério a ser compreendido e domado
Devido à sua importância, as intervenções no SEP costumam ser mais conservadoras. Qualquer mudança de paradigma deve ser extensivamente avaliada, testada à exaustão para, só então, ser incorporada ao sistema real. Em função deste conservadorismo, a evolução do SEP como um todo, costuma ser mais lenta, afinal, para que mexer no que está funcionando?
Um exemplo disto é o principal equipamento que compõe o SEP, o transformador de potência. Responsável pelas alterações nos níveis de tensão que permitem a transmissão a longas distâncias ou o uso seguro ao cidadão comum, o transformador que temos hoje, em termos construtivos, é basicamente o mesmo equipamento de 100 anos atrás, conforme pode ser visto nas figura 1 e 2, ilustrando a parte ativa de um transformador de 1928 e a de um transformador moderno.


Embora, à primeira vista pareçam iguais, uma análise mais profunda é capaz de revelar detalhes que, apesar do conservadorismo, mostram que, sim, o transformador evoluiu ao longo destes 100 anos. Esta transformação, entretanto, foi lenta e progressiva, concentrando-se, principalmente nos materiais utilizados em sua construção. O ponto crítico que leva um transformador a falhar é a sua isolação. Há 100 anos, esta isolação era à base de papel e óleos isolantes; hoje, esta isolação ainda é a base de papel e óleos isolantes. O que mudou foram as características destes materiais, numa evolução que resulta em óleos mais fluidos, com maior vida útil, maiores pontos de fulgor e maior rigidez dielétrica. Assim como também o desenvolvimento de papéis mais resistentes, com maiores limites de temperatura e também maiores vidas úteis e rigidez dielétrica.
A evolução vai além, o óleo isolante que, apesar de trabalhar junto com o papel acelerava a sua degradação, evoluiu a ponto de conseguir preservar a durabilidade do papel, saindo de um óleo poluente à base de petróleo para um óleo biodegradável de origem vegetal, em um apelo pelo ambientalmente amigável que tem se tornado cada vez mais forte OU seja, a questão não se baseia apenas em pontos de vista técnicos, mas também sociais e ambientais
A eletrônica e a era digital
Assim como o transformador, o SEP como um todo também evoluiu ao longo destas décadas, embora também lentamente, principalmente no que tange aos materiais elétricos e ao desenvolvimento da eletrônica.
Entretanto, nos últimos anos, uma série de fatores tem contribuído para que inovações sejam implementadas de maneira mais rápida no SEP. O advento dos sistemas digitais, por exemplo, permite a automatização de sistemas supervisórios, de modo que subestações hoje operam sem a presença humana. De uma sala de controle na sede da empresa concessionária, os operadores têm
Os sistemas digitais têm desempenhado papel fundamental também em outras áreas, tais como nas simulações. Modelos físicos reduzidos têm sido usados há séculos para analisar diversos fenômenos. No contexto dos sistemas elétricos, dada a sua história mais recente, temos, na década de 1920, o desenvolvimento dos primeiros analisadores de transitórios ou Transient Network Analyzers (TNA), equipamentos analógicos em que um modelo físico de uma rede era utilizada para análise de transitórios. Na década de 1990, tivemos a mudança para os sistemas digitais, culminando com o RTDS (real time digital simulator), ainda com amplo uso. todas as informações necessárias sobre a rede, permitindo a operação e o monitoramento remoto de todos os seus componentes.
Isto é especialmente relevante em um sistema tão extenso como o Sistema Interligado Nacional, no qual todas as condições operacionais precisam ser acompanhadas de perto, evitando que problemas locais se tornem amplos apagões


A revolução digital mais recente nesta área, entretanto, veio com os chamados Gêmeos Digitais Embora simulações computacionais sejam utilizadas há décadas, em programas que simulam o comportamento de circuitos elétricos, como o EMTP e seus derivados, entre outros, a evolução da capacidade de processamento computacional permitiu o desenvolvimento dos softwares de simulação multifísica, onde uma representação 3D digital de um equipamento ou sistema permite a análise de diversos parâmetros operacionais deste equipamento, considerando efeitos elétricos e mecânicos, por exemplo.

O potencial liberado com essas simulações auxilia no desenvolvimento e aprimoramento de projetos, a prevenção de falhas, perícias ou estudos de fenômenos físicos. Embora tais simulações ainda não sejam capazes de substituir testes reais nos equipamentos, elas permitem prever pontos críticos de falhas, indicando possibilidades de mudanças que levem ao comportamento desejado durante um ensaio ou em campo.
Hoje, temos sistemas de inteligência artificial que parecem saídas de filmes de ficção científica de décadas atrás. Estes sistemas tem apresentado uma capacidade de aprendizado e evolução tão alta que seu uso tem se tornado cada vez mais frequente para a análise de problemas, com grande potencial para aplicação em otimizações e análise de parâmetros.
A inspeção e o monitoramento do SEP é fundamental para a manutenção preditiva evitando falhas intempestivas e prevendo a necessidade de intervenções de forma programada. As primeiras inspeções costumavam ser meramente visuais ou audíveis, buscando observar sinais de descargas, quebras, ou ruídos fora do padrão.
A introdução da termovisão, por exemplo, foi um dos grandes avanços tecnológicos na manutenção preditiva Na época, o termovisor constava de um equipamento de grande porte, acoplado a um tanque criogênico que precisava ser transportado por meio de um carrinho Hoje, equipamentos modernos fazem uso de sensores que podem se acoplados em um aparelho celular, por exemplo, com resolução e sensibilidade inimagináveis na época dos primeiros dispositivos.
Além dos termovisores, uma série de outros equipamentos tem sido desenvolvidos para utilização em inspeções: câmeras de corona, sensores de ruído, sensores magnéticos entre outro. Hoje, com utilização destes sensores acoplados a um drone, por exemplo, é possível percorrer uma linha de transmissão em busca de sinais de falhas, sem riscos significativos.
A introdução destas tecnologias mostra-se fundamental para melhoria da qualidade do fornecimento de energia e reforço da prevenção É importante salientar que as novas tecnologias também estão presentes em sistemas convencionais para medição e monitoramento, como por exemplo, a utilização de sensores óticos para medição de tensão, corrente e temperatura, permitindo um acompanhamento cada vez mais preciso do estado operacional de equipamentos.
Os materiais avançados e suas aplicações nos sistemas elétricos
A engenharia de materiais é outro ramo da ciência que tem apresentado rápida evolução nas últimas décadas, evolução esta que tem permitido o aprimoramento de materiais convencionais ou a descoberta de novos materiais com amplas aplicações no sistema elétrico.
No primeiro caso, voltando a um exemplo já citado, temos os materiais que compõem o transformador, em particular o óleo isolante. Embora o óleo mineral, derivado do petróleo venha sendo usado desde a criação do transformador, alternativas têm sido buscadas no intuito de se obter materiais com melhor desempenho. O próprio óleo mineral já evoluiu significativamente desde as primeiras décadas do século XX. Hoje, considerando o apelo ambiental pela utilização de materiais eco-friendly, os chamados ésteres vegetais têm substituído os óleos minerais, embora ainda haja necessidade de aprimoramento de algumas de suas características.
Na mesma linha do apelo ambiental, o SF6, um dos gases isolantes mais eficientes usados no sistema elétrico têm assumido o papel de vilão, em particular pelo seu potencial de contribuir para o efeito estufa Para substituí-lo, os fabricantes de equipamentos elétricos têm investido pesadamente no desenvolvimento de novos gases, ou no aprimoramento de tecnologias já consolidadas Um exemplo disso são os disjuntores a vácuo, amplamente utilizados em sistemas de média tensão e que têm sido estudados para aplicações em níveis de tensão mais altas.
Outra vertente que tem impulsionado a aplicação de novos materiais no SEP e a necessidade de aumento da eficiência ou da capacidade operacional destes sistemas. Um exemplo típico são as linhas de transmissão O alto custo de um projeto de linha de transmissão, assim como os seus impactos ambientais, muitas vezes faz com que seja preferível fazer a recapacitação de linhas existentes Uma das formas de se fazer isto, é substituir os cabos condutores convencionais por condutores que fazem a utilização de materiais avançados Estes materiais avançados podem atuar de duas formas: diminuindo o peso do condutor ou reduzindo as suas perdas
No primeiro caso, a substituição da alma de aço por um núcleo de materiais compósitos, a base de fibra de carbono, por exemplo, permite aumentar o diâmetro útil da seção condutora, aumentando a ampacidade da linha. Ao mesmo tempo, materiais como a fibra de carbono apresentam uma menor dilatação, reduzindo a flecha da linha.
Ainda sobre a capacidade de transmissão, o uso e aprimoramento de cabos submarinos tem aumentado nos últimos anos em função, principalmente, da geração offshore. O primeiro grande avanço observado nesta área foi a substituição da isolação em papel impregnado por polietileno (PE), o qual ainda é amplamente utilizado. Entretanto, diversos avanços na área de polímeros têm permitido a melhoria das características do polietileno, como o polietileno reticulado (XLPE), o polietileno anti-trilhamento (TR-XLP), as borrachas de alto desempenho à temperatura (HPTE) entre outros. Isto faz com que os cabos submarinos, que já eram amplamente utilizados em longas distâncias para transmissão de dados, fiquem cada vez menos limitados em relação aos níveis de tensão. Hoje por exemplo, já se tem uma linha de transmissão de 525 kV DC se estendendo por 1.250 km entre o Reino Unido e a Dinamarca, com capacidade de 1.400 MW.


Neste aspecto, o que existe de mais moderno hoje é a transmissão de energia utilizando supercondutores. Embora ainda apresentem custos extremamente altos, já existem sistemas operacionais, de curta distância, que fazem uso de cabos supercondutores O grande problema é a manutenção do sistema criogênico que mantém o núcleo desses cabos em temperaturas baixas o suficiente para manutenção da supercondutividade
Desde a sua descoberta, em 1911, pode-se dizer que a busca pelo cálice sagrado da supercondutividade é a descoberta de materiais que consigam manter a características supercondutivas em temperatura ambiente. Há de fato, grandes evoluções, desde os primeiros materiais que precisavam ser mantidos em temperaturas em torno de -260 °C, até os materiais modernos, que conseguem apresentar supercondutividade em temperaturas por volta de -180 °C. Entretanto, embora haja alegações de cientistas que conseguiram obter supercondutividade em temperatura ambiente, algumas desses estudos se revelaram farsas, outros não puderam ser reproduzidos. OU seja, há ainda muito a se desenvolver na área.

Às vezes é preciso voltar um passo
A introdução de novas tecnologias, por vezes mostra-se extremamente problemática, exigindo-se o retorno a tecnologias já consolidadas. Em parte, por isso que o SEP se mostre tão conservador neste aspecto.
Um exemplo clássico disso foi a substituição do óleo mineral isolante por óleos sintéticos à base de bifenilas policloradas (PCBs), mais conhecidos como ascarel. Quando foi desenvolvido, os ascarel apresentou-se melhor que o óleo mineral em diversos aspectos, como a sua rigidez dielétrica, de modo que ele começou a ser usado gradativamente em transformadores e outros equipamentos elétricos. Estudos posteriores, entretanto, mostraram que o ascarel é extremamente tóxico e com alto potencial cancerígeno, levando à proibição do seu uso na década de 1970. Entretanto, ainda hoje, em subestações mais antigas, é possível encontrar vestígios de ascarel em função da contaminação cruzada
O desenvolvimento tecnológico, por si só, não tem valor se não puder contribuir para o desenvolvimento social. É inaceitável, por exemplo, que, com tantos avanços, ainda encontremos comunidades tecnologicamente isoladas, às vezes, sequer sem acesso a eletricidade.
Levar energia a todos deveria ser uma prioridade em qualquer sociedade e, também neste aspecto, a introdução de novas tecnologias associadas ao SEP tem apresentado papel fundamental. A evolução de painéis solares e aerogeradores, por exemplo, tem permitido a produção de energia limpa de forma cada vez mais eficiente com impactos ambientais reduzidos. Comunidades isoladas, paras as quais levar energia de forma convencional apresentaria um custo proibitivo, hoje podem ser beneficiadas com estas formas limpas de geração.

Apesar de sua característica conservadora, o SEP tem abraçado as novas tecnologias de modo a se tornar mais robusto e eficiente O conservadorismo, neste caso, deve ser visto como um sinal de cautela, não de receio.
As novas tecnologias devem ser extensivamente testadas, sendo postas a prova diante das mais diversas adversidades, dessa forma, reduzindo os riscos à operação do sistema elétrico. Neste contexto, universidades, institutos de pesquisa são fundamentais, pois são estes setores que alavancam o desenvolvimento científico a partir de teorias que fazem com que uma equação se transforme em um produto; que ideias absurdas se concretizem; que acidentes se tornem conquistas.
No século XIX, Nikola Testa falava em transmissão de energia sem fio e era considerado excêntrico. Hoje existem diversos estudos sobre este tema. Talvez não estejamos tão longe disso. Mas por enquanto, temos a supercondutividade, os nanomateriais, o processamento digital, e vários outros avanços colaborando para um sistema mais eficiente, por meio de ideias que pareciam impossíveis de se concretizar, mas que estão se tornando mais reais a cada dia

Esta evolução tecnológica tem avançado em passos cada vez mais rápidos, de modo que não é possível prever como o sistema será em 10, 20 anos. Claro, temos uma ideia de para onde ele caminha e de que tecnologias serão aprimoradas, mas neste intervalo, novas descobertas podem mudar completamente o rumo destes avanços. O que hoje é considerado o auge de um processo, material ou tecnologia pode ser tornar obsoleto em alguns anos.
O que é certo quando se pensa em perspectivas futuras, é que estes avanços têm caminhado no sentido de se buscar sistemas mais eficientes, que apresentem poucos impactos ambientais e que tenham a capacidade de atender a todos, indiscriminadamente. Que essas sejam, então, as forças motrizes que continuarão moldando o SEP no futuro próximo.

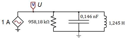
Utilização do Ensaio de Resposta em Frequência para a Validação de Modelos de Transformadores
Os transformadores de potência são equipamentos importantes nos sistemas de geração, transmissão e distribuição de energia elétrica, pois são responsáveis pela conversão de grandes blocos de energia entre diferentes níveis de tensão.
Neste aspecto, as diversas falhas que podem ocorrer nestes equipamentos, principalmente em transformadores de potência, com sua consequente retirada de operação, representam um enorme problema, pois podem provocar desligamentos de grande duração, impactando altos custos pelo não fornecimento de energia. Além disso, os custos associados à sua manutenção corretiva são, em geral, elevados.
A técnica de diagnóstico de defeitos, que envolve a parte ativa em transformadores de potência via FRA, ocupa lugar de destaque dentre as técnicas de diagnóstico existentes, por permitir a avaliação da integridade mecânica do núcleo, enrolamentos e estruturas de fixação. Com ela, é possível detectar deslocamentos de bobinas e núcleo, que representariam potenciais fragilidades a surtos de tensão e diminuição da suportabilidade a curtos-circuitos externos e internos [1, 2].
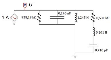
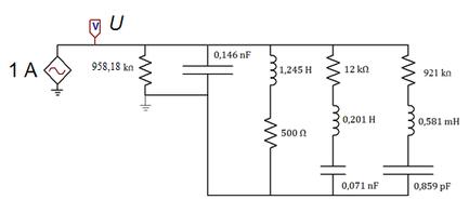
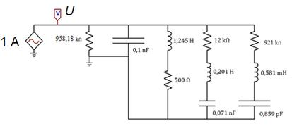
Além disso, o ensaio FRA fornece os parâmetros necessários para uma modelagem fiel dos transformadores frente a transitórios eletromagnéticos, que por sua vez possuem destaque dentro dos estudos elétricos realizados durante a etapa de planejamento e operação dos sistemas elétricos. Assim, este trabalho consiste na execução dos ensaios de resposta em frequência, para a obtenção das curvas características de ganho ou impedância dos transformadores de distribuição monofásicos e trifásicos, de diversas potências e classes de tensão.
Aanálise de resposta de frequência é um método eficaz para avaliar a integridade mecânica de núcleos ferromagnéticos, enrolamentos e estruturas de fixação em transformadores de potência. Todo transformador apresenta uma resposta em frequência única, que pode ser chamada de “impressão digital” ou linha de base. A ocorrência de falhas originadas por curtocircuito, sobretensões características de surtos atmosféricos ou até mesmo vibrações provenientes de choques mecânicos provenientes de transporte e terremotos podem alterar a resposta em frequência de um transformador de distribuição. A medição da resposta em frequência, tem se mostrado como uma valiosa ferramenta para melhorar a confiabilidade dos transformadores, reduzindo custos de manutenção e evitando interrupções inesperadas [3,4, 5]
A resposta em frequência de um transformador dificilmente pode ser generalizada, devido a dependência de aspectos construtivos do equipamento, como as diferentes ligações entre enrolamentos (estrela ou delta), as condições físicas de sua parte ativa, temperatura e umidade do óleo isolante, temperatura dos enrolamentos durante o ensaio, além de inúmeros outros parâmetros. Apesar da resposta em frequência não poder ser generalizada, ela é utilizada em análises comparativas entre medições, ou seja, os resultados obtidos podem ser comparados com os dados de referência (linha de base) Entre os métodos mais conhecidos, três são frequentemente utilizados [5]:
Comparação entre fases - para transformadores trifásicos;
Comparação entre tipo - para transformadores idênticos;
Comparação baseada no tempo - para um mesmo transformador.
O método de comparação entre fases, compara os resultados entre as três fases do mesmo transformador.
O método de comparação entre fases, compara os resultados entre as três fases do mesmo transformador. Caso não haja um histórico de dados do transformador podem ser utilizadas para comparação, a resposta em frequência medida em um mesmo tipo construtivo, ou seja, equipamentos desenvolvidos a partir de projetos semelhantes (mesmo número de fases, classe de tensão e potência nominal)
Desta maneira, o primeiro passo antes da medição da resposta em frequência é verificar há existência de dados de referência ou medições no mesmo transformador anteriormente, caso da comparação baseada no tempo.
Um fator fundamental para a obtenção de resultados confiáveis é o modo como as conexões são realizadas, permitindo alcançar um grau maior de repetibilidade dos resultados para as medições realizadas com um mesmo arranjo.
Os ensaios de FRA são normalmente realizados com a injeção de um sinal de baixa tensão, de frequência variável, em um dos terminais de um enrolamento O sinal de saída é medido em outro terminal. São obtidas a relação de amplitude e a diferença de fase entre os sinais. O procedimento é repetido para os demais enrolamentos, desde que os terminais estejam acessíveis. O ensaio deve ser realizado de acordo com a IEC 60076-18, que padroniza as técnicas de medição e os requisitos do equipamento de medição [6].
A seguir são apresentados alguns exemplos de danos que podem ser avaliados com o ensaio FRA.
Danos após um curto-circuito ou outro evento de alta corrente (incluindo o ensaio de curto-circuito).
Danos causados pela incidência de descargas atmosféricas.
Danos causados por uma falha do comutador de derivações
Danos durante o transporte
Danos após um evento sísmico
A análise FRA tornou-se uma ferramenta muito utilizada, por ser não destrutiva e apresentar boa sensibilidade para avaliar a integridade mecânica do núcleo, enrolamentos e estruturas de fixação dentro de transformadores, antes da ocorrência de uma falha grave. Investigações científicas e experimentos práticos, mostram que, atualmente, nenhum outro método é capaz de fornecer uma gama tão vasta de informações sobre o estado mecânico da parte ativa de um transformador [7]
A Figura 1 ilustra a metodologia aplicada no processo de medição nos ensaios de FRA em transformadores

Os resultados obtidos com o ensaio geralmente são apresentados em forma de diagrama de bode em escala logarítmica. Na maioria dos casos, apenas a curva de magnitude é utilizada para fins de comparação e interpretação
Entretanto a curva de fase também fornece informações importantes
A função de transferência mostrada em forma de diagrama de bode, ilustrada na Figura 2, também pode ser representada matematicamente com a Equação (1), onde U2 e U1 representam os sinais de entrada e saída, respectivamente, Rm é a resistência interna do equipamento e Ztra
a impedância do transformador. A fase (ϕ) é calculada através da Equação (2). A Equação (3) demonstra como é realizado o cálculo da relação de transformação (k) em decibéis [8].




Nos ensaios realizados no LAT-EFEI, foram utilizados dois tipos de conexões A primeira conexão permite medir a impedância entre os terminais de alta tensão, conhecida como ZT (impedância terminal do transformador). A segunda conexão permite obter a relação de amplitude entre dos sinais medidos entre os enrolamentos de alta e baixa tensão, conhecida também como FT (função de transferência). As Figuras 3 e 4 ilustram as conexões utilizadas nas medições da impedância ZT e FT, respectivamente, de transformadores trifásicos.
No caso da medição de impedância ZT em transformadores trifásicos, o sinal é aplicado e medido entre terminais de alta tensão: H1-H2, H2-H3 e H3-H1. Contudo, para que não ocorram interferências de outros elementos na resposta, os terminais de baixa tensão e a carcaça (tanque) do transformador devem ser aterrados [9]. Com a medição realizada, pode-se determinar o valor da impedância entre terminais para qualquer faixa de frequência.
SinaldeEntrada


SinaldeSaída
Uma resposta em frequência para a impedância ZT (entre H1 e H2) típica de um transformador de distribuição trifásico é apresentada nas Figuras 5 e 6. As características do transformador são listadas na Tabela 1. Na Figura 5 é possível observar o módulo da impedância medida entre os terminais ensaiados em ohms, enquanto a Figura 6 mostra a fase em graus.



Apesar de não ser um procedimento usualmente praticado em transformadores de distribuição, a impedância do lado de baixa tensão, pode ser obtida utilizando o mesmo procedimento realizado para os enrolamentos de alta tensão, porém, os sinais de entrada e referência são aplicados nos terminais X1, X2 e X3 e o sinal de saída em X0, com os terminais de alta tensão e a carcaça aterrados
No caso da medição da função de transferência (FT), o sinal de entrada e a referência são aplicados no terminal H1 e o sinal de saída deve ser medido em X1, procedendo da mesma forma para os demais terminais, H2-X2 e H3-X3.
A carcaça e os outros terminais, tanto do lado de alta quanto do lado de baixa tensão, devem ser conectados a um ponto de aterramento para que não interfiram nos resultados. Desta forma é possível obter a relação de transformação entre os terminais ensaiados.
A Figura 7 mostra a relação de amplitude, em decibéis, de uma resposta típica para o ensaio FT obtido entre os terminais H1-X1 do mesmo transformador apresentado na Tabela 1. A Figura 8 apresenta a fase, em graus, desta medição.


Para realizar a modelagem de transformadores de distribuição é necessário recorrer à utilização de programas computacionais, capazes de representar a impedância terminal destes equipamentos e simular seu comportamento em diferentes frequências Isto deve-se pelo fato de que eventos transitórios, em sistemas elétricos de potência, podem conter uma faixa de frequência que varia entre alguns hertz até megahertz (casos de distorções harmônicas, sobrecorrentes, sobretensões, etc.)
A metodologia apresentada baseia-se na comparação de medições de resposta em frequência realizadas em um transformador de distribuição e a resposta em frequência de um modelo desenvolvido no ATPdraw. Deste modo, o resultado das medições da impedância terminal ao longo da faixa de frequência analisada deve coincidir com o resultado das simulações realizadas no ATPdraw, principalmente na faixa de frequência associada ao evento transitório sob análise.
A impedância terminal em função da frequência nos terminais de um transformador pode ser modelada através de uma combinação de componentes RLC (resistência, indutância e capacitância) série, conectados em paralelo com sua indutância principal de surto Este tipo de modelo desconsidera a transferência de surtos do lado de alta tensão para o lado de baixa tensão [10].
Uma das vantagens práticas desta forma de modelagem consiste em representar somente as ressonâncias na faixa de frequência a ser investigada, visto que elementos RLC estão associados, de maneira geral, como as ressonâncias presentes nas impedâncias terminais dos transformadores.
A metodologia foi aplicada na modelagem da impedância terminal de um transformador monofásico de potência nominal 5 kVA, classe de tensão 15 kV, tensões 13800/√3:127 volts. A Figura 9 apresenta os parâmetros do circuito RLC paralelo inicial. A resposta em frequência desse circuito (linha vermelha tracejada) foi comparada com a medição obtida com o ensaio FRA no transformador de 5 kVA (linha contínua em azul), como mostra a Figura 10.


Após realizar a etapa inicial da modelagem da resposta em frequência do transformador utilizado, são calculados os parâmetros inerentes a antirressonância, que ainda não foi modelada. Após conhecer a frequência em que a ressonância ocorre, obtêm-se o circuito da Fig. 11.

A Figura 12 compara as respostas (medida e modelada), após a inclusão dos parâmetros da antirressonância.

É possível notar que a resposta em frequência do modelo proposto apresenta divergências para baixas frequências (até 300 Hz). Através das simulações realizadas no ATPdraw, verificou-se que esta diferença pode ser minimizada ao adicionar uma resistência de 500 Ω em série com a indutância L1, como mostra a Figura 13, de modo que a resposta do circuito modelado aproxime-se da resposta obtida das medições no transformador de 5 kVA, como se observa na Figura 14.


Após analisar a comparação mostrada na Figura 14, busca-se minimizar a diferença verificada entre as curvas próximo da frequência de 50 kHz. Dessa maneira, foram realizadas simulações com alguns valores de R2, diferentes do valor de resistência utilizado no circuito da Figura 13.
A Figura 15 mostra os resultados obtidos para R2 igual a 5 kΩ (verde), R2 igual 8 kΩ (marrom), R2 igual a 10 kΩ (amarelo) e R2 igual a 12 kΩ (vermelho tracejado).

Através da análise descrita no parágrafo anterior e da Figura 15, pode-se dizer que o valor de R2 que resulta na resposta em frequência mais coerente com os valores medidos, dentre os valores de resistência testados, é 12 kΩ.
O modelo proposto (com R2 igual a 12 kΩ) é apresentado na Figura 16, com sua resposta em frequência comparada com o modelo, mostrada na Figura 17.


Nesse ponto, o circuito equivalente proposto possui uma resposta em frequência muito próxima daquela que se deseja obter, porém, para frequências próximas a 700 kHz, ainda há uma diferença entre os as curvas Este fato se deve a existência de uma antiressonância situada em f3 igual a 711 kHz. Para essa frequência, a largura de banda é de ões 4 e 5, obtém-se os valores de L3 e C3 do novo ramo o do transformador [3].


A Figura 18 apresenta o novo circuito no qual Hz. A resposta em frequência deste circuito é apresentada na Figura 19, em cinza para a simulação e em azul para o ensaio FRA.


Após adicionar o ramo RLC série referente à frequência de ressonância f3, percebe-se que a característica do circuito proposto deslocou-se para esquerda, em frequências acima de 2 kHz Outra divergência evidente está na diminuição do valor máximo de impedância Para corrigir estes efeitos, é necessário elevar o valor da resistência R1 de 958,18 kΩ para 1,5 MΩ, fazendo com que o valor máximo de impedância se eleve
Para que a característica da resposta em frequência do modelo desloque-se para a direita, se aproximando da resposta medida deve-se reduzir o valor da capacitância de surto de 0,146 nF para 0,100 nF. O modelo do circuito equivalente final é apresentado na Figura 20. A comparação entre as
respostas em frequência, entre o modelo da Figura 20 e a resposta em frequência medida no transformador, estão presentes na Figura 21.


O presente trabalho apresenta uma metodologia para representação da impedância terminal de transformadores através de circuitos equivalentes RLC, baseada no método de medições da resposta em frequência Os ensaios FRA foram realizados através do equipamento FRANALYZER®, de acordo com as normas internacionais IEC 60076-18 e IEEE C57 149, em transformadores monofásicos e trifásicos de distribuição Estes transformadores foram disponibilizados pelo LATEFEI Laboratório de Alta Tensão da Universidade Federal de Itajubá, compreendendo em diversas potências e classes de tensão de 15 kV a 36,2 kV.
A pesquisa bibliográfica realizada em conjunto com os ensaios em laboratório comprovaram a eficácia do método para avaliar a integridade mecânica do núcleo, enrolamento e estruturas de fixação dos transformadores após um evento de alta corrente ou danos causados durante o transporte, conforme é constatado nos ensaios apresentados.
Além disso, este estudo proporcionou o desenvolvimento e a consolidação de uma metodologia válida para a execução dos ensaios FRA, que considerou fatores práticos capazes de influenciar no resultado deste ensaio. É importante destacar que tal metodologia é de notória contribuição para os estudos FRA, por se tratar de um tema ainda pouco explorado no Brasil.
O modelo desenvolvido despreza a transferência de surtos de tensão do enrolamento primário para o secundário do transformador Para isso, foram realizadas comparações dos valores obtidos dos circuitos equivalentes, simulados com auxílio do software ATPDraw®, com aqueles obtidos no ensaio do transformador real pelo FRANALYZER®
Desta forma, é possível concluir que o circuito equivalente proposto para a impedância terminal do transformador de distribuição monofásico modelado (5 kVA) atendeu corretamente a faixa de frequências esperadas para os transitórios decorrentes de descargas atmosféricas (10 kHz a 3 MHz). Porém, a sua utilização não se restringe apenas para estas frequências, já que os resultados alcançados demonstram a sua eficácia também para frequências abaixo de 10 kHz.
Através das simulações realizadas, pôde-se validar o circuito equivalente da impedância terminal do transformador monofásico, com base na resposta em frequência obtida nos terminais desse transformador através do ensaio FRA.

The presence of partial discharges (PD) is a common issue in high voltage equipments, being related to continuous degradation of insulation and intempestive failure For power transformers, standards like IEC 600756-3 prescribe PD tests as special tests, not mandatory, although the cumulative effects of theses discharges are well known Although for high voltage substation transformers, due to their costs and importance, its is usual to follow the levels of PD with the aid of dedicated monitoring equipments, for distribution transformers this same monitoring is prohibitive due to the equipment costs when compare to the cost of the transformer. An alternative would be the utilization of portable measuring systems, but they still present a high cost with some other issues like logistic and necessity of switching the transformer off. In order to provide a simple, low cost and fast application way of monitoring PD in medium voltage transformers, this work proposes the utilization of high frequency antennas. These antennas can pick up acoustic or electromagnetic signs that are emitted during the occurrence of the discharges. Tests have been conducted in the High Voltage Laboratory of the Federal University of Itajubá to evaluate the sensibility of these antennas according to PD levels, frequency band sensitivity, distance of the measuring point and interference of nearby PD sources. The methodology has already been applied to insulators and surge arresters, and the preliminary results indicate it can be adapted to be applied to power transformers
Partial discharges (PD) are a major problem for dielectric insulation as it is characterised by low intensity incomplete discharges. These discharges, when in their initial stages are difficult to identify, but they slowly degrade the insulation, amplifying their intensity and leading to a sudden failure of the equipment, if not detected and dealt with.
In the case of oil immersed power transformers, PD can affect both solid insulation, represented by insulated paper and wires varnish, an oil. These discharges usually occur in connection points or in points where the solid insulation fails, between coils or layers and although they don’t represent an imminent failure risk, they cause cumulative effect, as the oil and paper are constantly degraded for each discharge, repeated every cycle of the sinusoidal voltage wave.
For substation power transformers, measures for detection of mitigation consists basically of the utilization of dedicated monitoring systems, oil and gas inspections or programmed inspection with proper equipments These methods result in an maintenance cost that is economically feasible considering the investment represented by the power transformer For distribution transformers, on the other hand, although PD are also a problem, the utilization of these methodologies usually is not economically feasible, as the dedicated equipments usually cost tenths of times more than the transformer, as though as the operational cost to switch off the transformer to use portable devices.
Considering these drawbacks, a study was conducted to evaluate the technical feasibility to use portable low cost equipments, capable of detecting the high frequency noise caused by partial discharges. These equipments are based on detection of ultrasound and radio interference voltage and has been proved an alternative to the inspection of other equipments on the medium voltage networks, as insulators and arresters [1, 2].
According to IEC 60270 [3], partial discharges are localised electrical discharges that only partially bridges the insulation between conductors and which can or cannot occur adjacent to conductors [4]. Figure 1 depicts some of the possible situations that can generate PD These discharges appear as high frequency pulses with durations in the order of microseconds, every time the electric field through a certain failure or gap in the insulation reaches a critical value, depicted as V+ in Figure 2 [5], when a sinusoidal voltage Va is applied to the insulation, while Vc would be the voltage on the cavity if it no breakdown occurs. As the critical value of the electric field is associated with the voltage applied on the insulation, the PD are cyclical, following the sinusoidal variation of voltage, resulting in a current pattern with several high frequency peaks as shown in Figure 2.

Considering the gap or failure in the insulations as a capacitance, traditional PD detectors can measure the amount of charge accumulated in this capacitor and discharged during the breakdown of the insulation, so that the measurement is usually made in picocoulombs. Alternativelly, PD detectors can indicate the level of the discharges in microvolts, considering the measuring impedance used. The breakdown associated to PD, as though as other phenomena like corona and sparking, produces noise that propagates both as electromagnectic disturbance and acoustic waves. This noise, in the frequency of megahertz, interferes in the reception of VHF and UHF signs, in a phenomena called radio interference voltage (RIV) [6] As though as PD, RIV can be measured by means of appropriate circuits, associating the discharge to a sign measured in dB or microvolts

For distribution transformers, although not mandatory, both PD and RIV can be applied to evaluate problems, however with different focuses. While PD is used to detect insulation problems that can lead to a major breakdown; RIV is usually measured to detect how much the equipment can interfere on communication signs.
In the field, while the utilization of dedicated equipments is prohibitive due to the costs; the utilization of portable equipments that makes direct measurement of the desired physical quantity requires the de-energization of the transformer. An alternative is the utilization of equipments to measure the indirect effects of the PD, like the acoustic or electromagnetic propagation However, considering the similitude between PD and RIV, it may be difficult, in the field, to evaluate them with equipment that are not dedicated for one or other This makes the utilization or development of low cost and technically efficient equipments a hard task
The proposed solution, is the evaluation of ultrasound and radio frequency detectors correlating the detected quantities to PD signs. These equipments are used to detect failed pin insulators and degraded silicon carbide arresters, equipments that traditionally are noise emitters [7, 8, 9, 10]
For the tests, four monitoring equipments were used. These equipments are basically ultrasonic/UHF sensors attached to antennas and are primarily used to corona and sparking detection.
The first one was a yagi antenna with an adjustable RFI sensor to be used at distance and named M330, used for sparking detection (Figure 3) [7]


The second one was an ultrasonic parabolic antenna with an RFI detector, named M250, specially designed for pinpointing sparkling and corona, and used at distance, as shown in Figure 4 [8].

The third equipment was an ultrasonic detector to be used in proximity to the equipment with the aid of a hotstick, named Line Sniffer (Figure 5) [9]
Finally, the last tested equipment was a tuneable UHF-RFI locator connected with a Yagi antenna, named M242 (Figure 6). This equipment differs from the previous ones due to its wide range tuner, from 500 kHz to 1,000 MHz, while the others are on a lower frequency range, up to 340 kHz [10]

The evaluate the performance of equipments, medium voltage transformers were tested with traditional RIV and DP measuring systems, as a preliminary testing stage. The measurement of DP was necessary to evaluate the actual level of discharges in the transformers and compare with the noise levels measured by the antennas.
The RIV measurements were realized to compare with the DP measurements, so that a transformer with high DP and low RIV levels could be used. It was necessary as the tested antennas were primarily developed to the measurement of signs that are mostly associated to RIV.
After de DP and RIV measurements, the four antennas were tested in terms of sensitivity so that the ones whose results were more coherent with the measured DP levels could be selected for the next testing stage Two transformers were initially selected, a clean one, presenting no significant level of RIV or DP; and a failed one, presenting high levels of DP and insignificant levels of RIV.
The second test stage, or sensitivity tests, consisted of using the selected antennas considering different situations as:
Correlation between PD levels and measured noise levels;
Influence of distance from measurement point to the noise source;
Influence from noise produced by nearby equipments.
For the preliminary tests, about 5 transformers were evaluated, allowing to choose a clean and a failed sample. The clean sample was a 45 kVA - 3φ transformer. For this transformer, no PD or RIV was detected above the ambient noise level. The second sample was a 225 kVA - 3φ transformer. For this unity, no RIV was detected above ambient noise level but the detected PD was about 950pC, for nominal voltage Although IEC 60076-3 does not require the PD measurement as a mandatory test and does not define a maximum PD level for medium voltage transformers, it recommends the maximum level of 100 pC for transformers above 75k V [11], so that this is the parameter used to consider if a PD level is indicative of failure.
After selecting the samples, the four antennas were tested with the failing transformer. The results are as follows:
M330 and M250: high levels of noise were detected even when the transformer was deenergized, indicating they are very sensitive to surrounding noise;
Line Sniffer: no significant noise was detected to be associated with the measured PD levels. A possible problem is that this equipment does not provide any scale or indicator. The output of the measurement is audible noise, that may be difficult to listen at distance or in a noisy environment;
M242: this was the only equipment able to detect noise that could be associated with the PD levels. Unlike M330 and M250, no significant noise was detected for the deenergized transformer.
Therefore, the M242 was the only viable equipment, probably due to its wider frequency range. For the detection on PD, the better sensitivity was verified when the detector was tuned to 30kHz. This equipment, as shown in Figure 6, also presents two possible output visualizations. A digital output in an LCD and am analog scale, allowing a also a correlation between the measured levels and PD levels. Unfortunatelly these equipment does not allow the registration of the signs, so that the indications were registered by photographs.
PD levels: For this test, the rated voltage applied to the transformer was decreased slowly until the lowest level of PD was detected. In this case, it was around 167pC. Along with the PD measurement, the M242 was also capable of detecting the noise.
Figures 7 and 8 shows the measurement for both PD detector and M242, for 299pC. Input gain of M242 is adjusted to 5,5x. It is clear the indication of the PD peaks in the LCD of M242.


Figure 9 shows the indication the measured levels of PD we gain is adjusted to 5,5x Alth indications are reduced, with a gain, the analog display can s measurement with a higher sen

Distance: The distance sensi conducted keeping the low measured PV (167pC), as stat increasing the distance betwe and the transformer every one sign was not detected by M242. As expected, the measured signa each increased meter. The final d the signal could be detected was in Figure 10.





Surrounding interference: The last sensitivity test was conducted considering the measurement with M242 for the clean transformer while the failed transformer was also energized nearby. In this case, the M252 was positioned at 5 m from the clean transformer, with the antenna pointing at it, while the failed transformer was also 5 m away, beside the antenna, as in Figure 11. The idea is to represent a situation in the power network where one or more transformers are nearby the inspected unity.
p pp y made at a safe distance from the equipment.
The results shown here, however preliminary, shows that the M242 antenna, with detector tuned to 30kHz is sensitive to PD signs from at least 160pC up to 5 meters distance. Surrounding interference tests at the ambient of a high voltage laboratory also indicate the antenna does not pick up signs from noise sources for which it is not directly pointed at.
Although these first results are promising there is still the necessity to improve them considering a more direct correlation between PD levels and noise indications This can be achieved using a more modern equipment that allows the acquisition of the measured signs instead of only displaying them. Also it is important the verify the effects of surrounding interference in field, where other sources of noise are more numerous and close to the transformers, as insulators and arresters

Fundada em 2018, a Archote é uma Empresa Júnior formada por alunos do curso de graduação da Universidade Federal de Itajubá (UNIFEI). Temos o compromisso de nos manter atualizados e em constante crescimento, proporcionando aos membros um ambiente de aprendizado contínuo. A inovação e o crescimento da empresa garantem também um crescimento na nossa capacidade produtiva, evolução constante na qualidade dos nossos projetos. Nossa preocupação é com os nossos clientes e a qualidade do nosso serviço.

Cada projeto é analisado detalhadamente pela equipe de Projetos. É realizada uma estruturação dos requisitos e entregas do projeto. A partir disso, executamos a proposta comercial para o cliente. Desenvolvemos um plano de ação e de estratégias para a calendarização dos processos. contamos com grande apoio e auxílio de mentores, parceiros e professores, além da infraestrutura da faculdade, para garantir que os serviços sejam executados da melhor forma e dentro das legalidades necessárias, visando entregar a melhor experiência aos nossos clientes.
Grafeno e sua utilização para novas tecnologias na engenharia
[1] VEERENDRA, A. S. et al. Hybrid power management for fuel cell/supercapacitor series hybrid electric vehicle. International Journal of Green Energy, Taylor & Francis, v. 18, n. 2, p. 128–143, 2021. 15
[2] ABDELKADER, A. M. et al. How to get between the sheets: a review of recent works on the electrochemical exfoliation of graphene materials from bulk graphite Nanoscale, v 7, p 6944 6956, 2015
[3] AMBROSI, A et al Electrochemistry of Graphene and Related Materials Chemical Reviews, p 7150-7188, 2014
[4] BANKS, C E et al Electrocatalysis at graphite and carbon nanotube modified electrodes: edge plane sites and tube ends are the reactive sites Chemical Communications, v 7, p 829-841, 2005
[5] DESSOUKY, S. S; ABDELWAHAB, S. A. M; SHABAN, M; Affecting Factors Titanium Oxide of Nanoparticles for the Electrical Effect on Insulation Resistance of the Transformer Oil , International Research Journal of Electronics and Computer Engineering, v 3(4), p 22-29, 2017
[6] GIMENEZ, G M Estudo do efeito de óxido de grafeno e óxido de grafeno funcionalizado no sistema Epóxi-anidrido; Tese de doutorado, 2024
[7] GONZALEZ, M E L et al; Antimicrobial properties of silver/graphene oxide nanocomposite prepared by redox chemical reaction; applied materials and technology, v 6 (1), p 21-29, 2025
[8] GUI, D. et al. Preparation of polyaniline/graphene oxide nanocomposite for the application of supercapacitor. Applied Surface Science, Elsevier, v. 307, p. 172–177, 2014
[9] HE, H et al A new structure model for graphite oxide Chemical Physics Letters, v 287, p 53 56, 1998
[10] JAGANNADHAM, K Thermal Conductivity of Copper-Graphene Composite Films Synthesized by Electrochemical Deposition with Exfoliated Graphene Platelets Metallurgical and Materials Transactions B, v 43B, p 316-324, 2012
[11] LIU, J et al Electrochemically Exfoliated Graphene for Electrode Films: Effect of Graphene Flake Thickness on the Sheet Resistance and Capacitive Properties. Langmuir, v. 29, p. 13307 13314, 2013.
[12] MORISHITA, T.; MATSUSHITA, M. Ultra-highly electrically insulating carbon materials and their use for thermally conductive and electrically insulating polymer composites. Carbon, v. 184, p. 786-798, 2021.
[13] NAZEER, F et al A novel fabrication method of copper-reduced graphene oxide composites with highly aligned reduced graphene oxide and highly anisotropic thermal conductivity RSC Advances, 2019
[14] OLIVEIRA, A ; BECKER, C M ; AMICO, S C Avaliação das características da resina epóxi com diferentes aditivos desaerantes Polímeros, SciELO Brasil, v 25, n 2, p 186–191, 2015
[15] PARK, S.; RUOFF, R. S. Chemical methods for the production of graphenes. Nature Nanotechnology, v. 4, p. 217-224, 2009.
[16] PARVEZ, K. et al. Exfoliation of Graphite into Graphene in Aqueous Solutions of Inorganic Salts. Journal of the American Chemical Society, v. 136, p. 6083-6091, 2014.
[17] PEREIRA, N G A Síntese, modificação química e caracterização de óxido de grafeno preparado via eletroquímica, Tese de mestrado; 2021
[18] QIU, Z et al Electrochemical Grafting of Graphene Nano Platelets with Aryl Diazonium Salts ACS Applied Materials & Interfaces, v 8, p. 28291-28298, 2016.
[19] SIDDIQUE, Z. B.; BASU, S.; BASAK, P. Effect of Graphene Oxide Dispersed Natural Ester Based Insulating Oil on Transformer Solid Insulation. IEEE Transactions on Dielectrics and Electrical Insulation, v. 29, p. 378-385, 2022.
[20] SIMPSON, A et al Thermal performance of thermal paint and coatings in buildings in heating dominated climates Energy and Buildings, v 197, p 196-213, 2019
[21] SU, C -Y et al High-Quality Thin Graphene Films from Fast Electrochemical Exfoliation ACS Nano, v 5, p 2332-2339, 2011
[22] VILAS BOAS, D; estudo da obtenção de óxido de grafeno reduzido por esfoliação eletroquímica de grafite e redução fitoquímica, Trabalho de graduação em química, 2023
[23] ZHANG, L. L.; ZHAO, X. S. Carbon-based materials as supercapacitor electrodes. Chemical Society Reviews, v. 38, p. 2520-2531, 2009.
[24] ZHU, Y et al Graphene and Graphene Oxide: Synthesis, Properties, and Applications Advanced Materials, v 22, p 3906-3924, 2010
A modernização do SEP sob o ponto de vista de novas tecnologias e materiais
[1] DEVAUX, F : The transformation of transformers - A short history of power transformers through the age Transformers Magazine, Vol 7, Edição 1, 2020
[2] Vietnam Power Transformer: Transformer Manufacturing Materials: Which is the best?, em https://vietnamtransformer com/ournews/transformer-manufacturing-materials, 21/07/2025
[3] NELSON, R.; FLEGEL, D.; JOHNSON, B.; HESS, K.: Undergraduate Research and Teaching Opportunities from a Transient Network Analyzer. Proceedings of the 2002 American Society for Engineering Education Annual Conference & Exposition. American Society for Engineering Education, 2002
[4] QMAP: CEPSE – CURSO DE ESPECIALIZAÇÃO EM PROTEÇÃO DE SISTEMAS ELÉTRICOS, em https://qmap unifei edu br/cepse/, acessado em 21/07/2025
[5] ABB: HVDC Light® digital twin facilitates EMC design ABB Review, 2019
Utilização do Ensaio de Resposta em Frequência para a Validação de Modelos de Transformadores de Distribuição
[1] HASHEMNIA, ABU-SIADA, MASOUM, ISLAM. Characterization of transformer FRA signature under various winding faults. IEEE International Conference on Condition Monitoring and Diagnosis, 2012.
[2] MIYAZAKI, MIZUTANI, OKAMOTO, WADA, HAYASHIDA. Abnormality diagnosis of transformer winding by frequency response analysis (FRA) using circuit model IEEE International Conference on Condition Monitoring and Diagnosis, 2012
[3] AZEVEDO, R M ; CERQUEIRA, W ; RODRIGUES, M G Um Método Prático para Representação de Transformadores de Potência Baseado em Medições de Resposta em Frequência CEPEL, maio de 2013
[4] Dick, E P ; Erven, C C Transformer diagnostic testing by frequency response analysis 6, s l : IEEE Transients on Power Apparatus and Systems, 1978, Vol. 27, pp. 2144–2144.
[5] M. Wang, A. John Vandermaar, K. D. Srivastava. Improved Detection of Power Transformer Winding Movement by Extending the FRA High Frequency Range. IEEE Transactions on Power Delivery. Julho de 2005, Vol. 20, No. 3.
[6] MARTINEZ, G M; F : Proposta de um Modelo de Circuito Equivalente para Representação em Banda Larga de Transformadores de Distribuição 2015 112 f Dissertação (Mestre em Ciências em Engenharia Elétrica) – ISEE/LAT, Universidade Federal de Itajubá, Itajubá 2015
[7] IEC 60076-18 Ed.1: Power transformers – Part 18: Measurement of frequency response. 2012.
IEEE Guide for the Application and Interpretation of Frequency Response Analysis for Oil-Immersed Transformers. C57.149, 2012.
[8] CIGRE. Aspects of the Practical Application of Sweep Frequency Response Analysis (SFRA) on Power Transformers, 2009.
[9] OMICRON Electronics Corporation Reliable Core and Winding Diagnosis for Power Transformers 2011
[10] CIGRE WG 02/33 Guildelines For Representation of Network Elements When Calculating Transients, 2000
Low Cost Technique for Field Detection of Partial Discharge in Medium Voltage Transformers.
[1] C. L. Borges, M. L. B. Martinez “Using radio Frequency and ultrasonic antennas for inspecting pin-type insulators on medium-voltage overhead distribution lines”, Ingenieria e Investigacion, Vol. 33, pp. 63-69, 2013.
[2] E T Wanderley Neto, A M M Diniz, M L B Martinez, B N Campos, “Restrictions on the performance of medium voltage arresters due to automatic disconnector”, International Symposium on Lightning Protection, Belo Horizonte, Brazil, September 2013
[3] IEC 600273 Ed 3 1, High-voltage test techniques - Partial discharge measurements, 2015
[4] C. L. Wadhwa, “High Voltage Engineering”, Second Edition, New Age International Publishers, New Delhi, India, 2007.
[5] O. E. Gouda, “Environmental Impacts on Underground Power Distribution”, Idea Group Publishing, Harrisburg, USA, 2015.
[6] H. M. Ryan, “High Voltage Engineering and Testing”, Second Edition, he Institution of Electrical Engineers, London, United Kingdom, 2001.
[7] Radar Engineers, “M330 Manual”, Portland, USA
[8] Radar Engineers, “Parabolic Pinpointer Manual”, Portland, USA
[9] Radar Engineers, “Hotstick Line Sniffer Manual”, Portland, USA
[10] Radar Engineers, “M242 Manual”, Portland, USA
[11] IEC 60076-3.Ed.3.1, Power transformers - Part 3: Insulation levels, dielectric tests and external clearances in air, 2013.

Coordenadores responsáveis
Revista PesquISEE
Antonio Carlos Zambroni de Souza
Estácio Tavares Wanderley Neto
Jocélio Souza de Sá
A importância da iniciação científica para os estudantes de graduação
Diagramação e Design
Davi H. Garcia
Ação de extensão “Educação para Sustentabilidade Energética “
Eliane Valença Nascimento De Lorenci
Gestão de conhecimento e desenvolvimento de equipes técnicas de Planejamento Elétrico e Engenharia de Proteção de SEP.
Rodnei Dias dos Anjos
Como a evolução tecnológica pode extrair o verdadeiro valor do lixo.
Daniel Toloza Ramirez
Daniel Cesar Gomes
Davi Reis Vasconcelos
João Pedro Prado Abitante
A C Zambroni de Souza
Eliane Valença Nascimento De Lorenci
ISEE
Cláudia Eliane da Matta Pesquisee@unifei.edu.br Pesquisee Unifei
Eficiente Experimentação
Pedro Paulo Balestrassi

Instituto de Sistemas Elétricos e Energia UniversidadeFederaldeItajubá Av BPS,1303-Pinheirinho, Itajubá-MG,37500-903 unifeiedubr @unifei oficial