NZ Plumber August-September 2025

Page 1


Volume 77, Number 4

MAGAZINE TEAM

CEO

Greg Wallace

EDITOR

Beverly Sellers 0272 923 923 bsellers@masterplumbers.org.nz

PRINT

Blue Star

33 Jackson Street, Petone, Wellington

DESIGN

SCG Senior Designer – Julian Pettitt

SCG Senior Account Director – LauraGrace McFarland scg.net.nz

SUBSCRIPTIONS

NZ Plumber is published six times a year by Master Plumbers, Gasfitters & Drainlayers NZ. Members receive all six editions. If you wish to opt out, please email communications@masterplumbers.org.nz

To order an annual subscription, go to www.masterplumbers.org.nz

MAILING LIST

For enquiries, or to update your details: communications@masterplumbers.org.nz

Non-Master Plumbers’ members with address detail changes should notify the PGD Board direct, giving their registration number: registration@pgdb.co.nz

TO ADVERTISE advertising@masterplumbers.org.nz

NZ Plumber is the official magazine of Master Plumbers, Gasfitters & Drainlayers NZ Inc. Contact details for the Master Plumbers board, staff, branches and associations are available at www.masterplumbers.org.nz

©NZ Plumber 2013. Registered as a Newspaper, GPO, Wellington, ISSN 0111-4379. NZ Plumber is subject to copyright in its entirety. The contents may not be reproduced in any form, either in whole or in part, without written permission of the publisher. All rights reserved in material accepted for publication, unless initially specified otherwise. All letters and other material forwarded to the magazine will be assumed intended for publication unless clearly labelled ‘Not for Publication’. Views expressed in articles in NZ Plumber magazine are not necessarily those of Master Plumbers, Gasfitters & Drainlayers NZ Inc, or of the Editor. While every effort has been made to ensure the accuracy of the information included in this publication, the publisher and the Editor take no responsibility for errors or omissions or for any consequences of reliance on this information. Publication of advertising material implies no endorsement of either a product or service.

It takes all kinds

Anyone who’s taken part in one of those business personality tests will know each person on a team brings different strengths and skillsets. There are the strategic thinkers, the relationship builders, the influencers, and the people who just like getting things done.

Understanding what makes people tick helps us work happily and productively alongside others—even when our personalities are quite different. And that’s how it should be. If we were all the same, it would make for a very dull workplace—and not a very successful one.

It’s not just about personality, either. The way our brains are wired must be added into the mix. A person with dyslexia, for example, may be challenged by reading or writing but could have exceptional problem-solving skills. Someone with ADHD might struggle with staying on task but may excel in thinking creatively and applying laser focus on topics of interest.

Starting on page 76, we talk to several apprentices with a neurodivergent diagnosis to see how it has helped or hindered them on their pathway to employment. Each has been taken on by a supportive business that recognises the positives in hiring people with

contrasting perspectives, abilities, and ways of approaching their work.

Each edition, we profile people from among the industry who each contribute their own brand of magic. This edition is no exception.

Marieke Oram, a plumbing and gasfitting apprentice at Clyne & Bennie in Christchurch, says she loves to get stuck into tasks, give things a go, and never be afraid to ask questions along the way. Turn to page 73 to read about Marieke’s journey into an apprenticeship after a short foray into university.

Commercial plumbing manager Darrin Minifie, meanwhile, is passionate about helping ensure projects run without a hitch at DL Good Plumbers in Auckland through detailed forward planning and preempting issues before they happen. Discover more about Darrin’s meticulous approach on page 28.

As the French like to say: Vive la difference!

Beverly Sellers Editor, NZ Plumber bsellers@masterplumbers.org.nz

Out and about Women’s networking is among this edition’s regional Master Plumbers activities

How Masterlink works with training providers, regulatory bodies and industry groups to improve outcomes

PPE is more than a ‘nice to have’

Plumbing with purpose Ngā Mokopuna: technically challenging and culturally significant project

Why tankless manifolded arrangements are a good option for large

LNG imports Is this a future energy option?

Gas regulators: keeping it safe New safety standards to get familiar with

products

arrivals on the market

Keep up to keep competitive!

How to cut back on callbacks Tips on preventing costly customer callbacks

How to get them right in employment contracts

Council PO Box 10-879, The Terrace, Wellington 6143; info@mediacouncil.org.nz. Or use the online complaint form at www.mediacouncil.org.nz Please include copies of the article and all correspondence with the publication.

Getting into a trade after trying uni is the best decision Marieke Oram ever made

Different minds, one team

Talking to apprentices with dyslexia and ADHD

10 minutes with... Apprentice plumber on the Coast to Coast

Dodgy plumbing

This one’s for all the gasfitters

THE COVER

Plumbing and gasfitting apprentice Marieke Oram dodged a bullet when she realised uni wasn’t for her. Now completing her apprenticeship at Clyne & Bennie in Christchurch, Marieke is proving her natural ability for practical, hands-on work—and is also a top achiever in theory learning. Having passed her plumber and gasfitter registration exams with flying colours, Marieke was selected as the Gasfitting Finalist for the James Douglas Medallion at the 2025 New Zealand Plumbing Awards. Read about Marieke’s career journey and future goals on page 73.

Cover photograph: Dean Mackenzie

CEO’S REPORT

Future-proofing our industry

Hopefully, we are through the worst of winter, but I do feel for the Nelson Tasman region, having suffered two significant weather events in close succession. We are again paying the price for a lack of infrastructure to cope with such events, which are becoming more frequent.

On the advocacy front, Master Plumbers is working closely with MBIE and the Plumbers, Gasfitters & Drainlayers Board to co-create the framework that will enable self-certification for plumbers and drainlayers when working on ‘simple’ homes. (We must be careful that the system doesn’t extend into remote inspections, which are quite a separate matter.)

New ‘granny flat’ legislation expected to be in place by early next year will exempt buildings of simple design up to 70sq m in size from needing a building consent—essentially allowing plumbers and drainlayers to self-certify their work.

1. Under Schedule 1 of the Building Act, you are already selfcertifying certain aspects of sanitary plumbing and drainlaying 2. Under the Plumbers, Gasfitters & Drainlayers Act, you are already responsible for your own workmanship. Liability does not sit with a third party.

Ultimately, all three trades should be able to stand by their own workmanship and recognise that they are certifying practitioners. I also believe that, unless you opt in, you won’t be competitive for your client or your builder, as self-certification will produce productivity gains by not having to wait for a physical inspection.

“Master Plumbers is working closely with MBIE and the Plumbers, Gasfitters & Drainlayers Board to co-create the framework that will enable selfcertification for plumbers and drainlayers.”

Master Plumbers would much rather see one consistent selfcertification system that incorporates both granny flats and ‘simple’ homes (though the meaning of ‘simple’ is yet to be defined) and that applies to all three trades.

The new self-certification scheme allows plumbers and drainlayers to choose if they want to opt in, but bear in mind these two points:

On another topic, the recently released EBOSS Builder Sentiment Report highlighted that, as most people are already aware, the construction industry has been significantly affected by a reduction in projects. Of most concern to Master Plumbers are the stats on net migration— people leaving the country for so-called greener pastures—and the impact this is going to have on the future workforce.

The Government has recently announced $6 billion worth of construction and infrastructure projects. This, along with lower interest rates, will bring recovery for the construction sector after a challenging time. New plumbing, gasfitting and drainlaying apprentice enrolments have dropped significantly in 2025 and

it’s crucial that we start growing these numbers back to a more sustainable level ahead of the recovery.

The EBOSS report shows that the Southern region has continued to grow, and there are also definite signs of improvement in Canterbury. These markets need a strong workforce now, so they can maximise the opportunity.

A few weeks ago, Minister Penny Simmonds announced there will be eight Industry Skills Boards (ISBs) in the new vocational education and training system—including one for construction and specialist trades. Master Plumbers is pleased the Minister has recognised specialist trades as a key component of the construction industry.

“The Government has recently announced $6 billion worth of construction and infrastructure projects.”

However, in our feedback on the education and training bill now working its way through Parliament, we have raised concerns about the level of operational funding the ISBs will receive.

We have also urged the Government to keep the legal requirement for industry-led Strategic Reference Groups to be the voice for individual sectors such as plumbing, gasfitting and drainlaying—as well as the ability for these groups to make funding recommendations to the Tertiary Education Commission.

Unfortunately, the industry training sector is going to see another raft of changes while we move from the Workforce Development Council model to ISBs in 2026.

On page 16 of this edition, we outline how the new EarnLearn and ICE programmes will deliver the new PGD apprentice qualifications. The new qualifications introduce workplace assessment in recognition of the fact that businesses not only employ apprentices but, most importantly, train them on the job. I believe workplace assessments will become the norm in the future, following other sectors like electrical and carpentry.

Remember, when you assess your apprentices in the workplace, you don’t just get value for money by training them on site, but your billable hours will also increase, as the apprentice will be on the job for at least 50% more of their allocated time compared to previous qualification versions.

When all is said and done, training an apprentice should happen on the job, and it’s the responsibility of both the business and the apprentice to ensure the learning and skills requirements are met.

Finally, I’d like to thank plumbing apprentice George McCallumClark, who bravely came along to a parliamentary select committee hearing and spoke with skill and confidence. George is one of many apprentices who are desperately keen to complete their apprenticeships in a timely manner but are being delayed through no fault of their own by a lack of available block courses.

This is one of the reasons why workplace learning and assessment is embedded in the new qualifications, and I want to acknowledge George for representing the training needs of all apprentices across our industry.

Explore the NEW online Rheem Product Training tool at a time, place and pace that best fits your schedule.

UPDATED OUTSIDE IMPROVED INSIDE.

We’re changing for good, and that includes a fresh new look!

As part of our Lead-Free transition, we’ve redesigned our packaging to make it easier to spot our Lead-Free products. The valves will also be marked ‘LF’ so you can prove compliance - even after installation.

New Combi Pack packaging was available from early 2025. New high pressure valve packaging available from late 2025.

Visit www.apexvalves.co.nz to learn more.

INDUSTRY

Financially viable polytechnics will return to a regional decisionmaking model in 2026, as Te Pūkenga is disestablished.

TEN POLYTECHS SET TO RETURN TO REGIONAL GOVERNANCE

As the Government gradually dismantles the centralised Te Pūkenga New Zealand Institute of Skills and Technology, July saw two significant announcements about the new way ahead for vocational education and training.

Te Pūkenga saw all of New Zealand’s polytechnics and industry training organisations merged into one national network. That is to be replaced by a return to regional decision making for financially viable polytechnics as of 1 January 2026.

Ten polytechnics will be reestablished, with the Open Polytechnic proposed as the ‘anchor’ for the new federation, which will have shared academic boards.

Four others are slated for return if they can achieve viability over the coming months. Decisions are due in the first half of 2026.

Under the new model, the six Workforce Development Councils that provide an industry voice on training qualifications and funding decisions are to be replaced from 1 January 2026 by eight Industry Skills Boards (ISBs). Plumbing, gasfitting and drainlaying will fall under the Construction and Specialist Trades ISB. These entities will set training standards and oversee quality.

Legislation to enable these changes is working its way through Parliament and expected to pass in October.

LATEST INDUSTRY DEVELOPMENTS INCLUDE A NEW BUILDING SECTOR TOOL TO TRACK TRENDS AND DATA.

BRANZ Build Insights a new way to track building trends

For the first time, verified up-to-date data and insights across the building sector is available in one place with the launch of BRANZ Build Insights. This new online dashboard resource tracks trends, opportunities and potential challenges for the sector to help you:

Forecast housing and construction demand

Track land availability and section prices

Calculate expected build delivery and consenting times

Monitor builder and trade performance

DEVELOPMENT OF MICRO-CREDENTIAL FOR SOLAR WATER HEATING

A new solar water heating micro-credential is in the final stages of development by Waihanga Ara Rau—the construction and infrastructure workforce development council (WDC), with industry input.

Despite the surge in popularity of photovoltaic (PV) systems, solar water heating systems continue to be in use across the country, it says.

The micro-credential will enable operators to demonstrate competence in installing, testing, commissioning, and maintaining new and current systems.

Track workforce trends

Understand housing and living conditions and energy consumption around the country.

Information on building consent activity and forecasts of future demand is available by region.

Visit BRANZ Build Insights at www.branz.co.nz/ calculators-tools/buildinsights A quarterly economic report is also available at this link.

MAN FINED FOR POSING AS PLUMBER AND DRAINLAYER

Invercargill man George West was sentenced in June for completing illegal plumbing and drainlaying work for his elderly neighbours after falsely leading them to believe he was licensed to do the work. He last held an exemption authorisation for drainlaying in 2011, which was valid for less than a month. He also held exemptions for plumbing and drainlaying for less than a year from 2004-2005. Mr West was convicted, discharged and fined $3,000 reparation.

“This was a stressful and upsetting situation for the couple, who trusted someone they believed to be qualified,” says Plumbers, Gasfitters & Drainlayers Board Chief Executive Aleyna Hall. “Unlicensed and unsupervised work puts people at risk, plain and simple.”

CRITICAL NEED FOR APPRENTICES TO ENSURE SMOOTH INDUSTRY RECOVERY

By year end, plumbing, gasfitting and drainlaying apprentice enrolments are expected to be down about 50 per cent on previous years. When the construction market turns, this will result in a critical shortage of skilled workers.

“For eight years, the construction sector was growing significantly, and the number one issue was finding available workforce,” says Master Plumbers Chief Executive Greg Wallace. “We have retracted so quickly and,

as the market recovers, this again will be our number one issue moving into 2026.”

Builders face the same issue, as the EBOSS 2025 Builder Sentiment Report* shows. BCITO, the national organisation that manages builder apprenticeships, currently has lower numbers than usual, with training volumes down by approximately 25 per cent compared with the peak in 2022.

“Skilled staff enable businesses to thrive in times of growth and adapt to changing market

BASE:

conditions,” says BCITO Director Greg Durkin. “This is critical to both industry and the wider economy, and businesses will need even more trained people as demand increases.”

According to the report, 40 per cent of builders anticipate improvement over the next 12 months, indicating a cautious but slightly more positive outlook than last year.

According to the EBOSS 2025 Builder Sentiment Report, 26% of builders don't have enough staff to meet future demand as the pipeline starts to improve. Of those, three quarters expect to experience difficulties finding good staff—especially qualified tradespeople.

STANDARDS SPOTLIGHT

The 2025 editions of the AS/NZS 3500 Plumbing and drainage series of standards are now available from Standards New Zealand. Important note: The 2018 editions remain in force as Acceptable Solutions for Building Code clauses E1, G12 and G13. While the updated editions can be used in building consent applications, they will be as an Alternative Solution.

New publication BS ISO 24521:2025

Drinking water, wastewater and stormwater systems and services – Management of onsite domestic wastewater services provides an update on the previous 2016 version.

* The EBOSS 2025 Builder Sentiment Report funded by the BRANZ Building Research Levy, brings together data from a June 2025 survey of 431 New Zealand builders.

OPENING THE MARKET TO QUALITY OVERSEAS BUILDING PRODUCTS

Building products made and tested to more than 100 international building product standards can now be used as part of a New Zealand Building Code acceptable solution or verification method.

This makes a wider range of products like plasterboard, cladding, windows and insulation available for use that would previously have to have been specifically tested against New Zealand standards.

The first edition of Building Product Specifications has been published by MBIE. This can be used with an acceptable solution or verification method to show compliance with the Building Code.

This living document will be updated over time as new or updated standards are identified as providing an equivalent or better level of performance.

The first edition contains specifications and standards for: Sitework products and testing Structural products and testing for concrete, steel and timber elements Cladding, windows, doors and insulation

Linings for wall bracing elements HVAC systems

Fire characteristics related to material properties and fire resistance, as well as closures, external wall cladding, linings, coverings, and ducts for HVAC systems.

Part 7 of the document allows for plumbing and drainage products to be included in future.

Find the Building Product Specifications document at www.building.govt.nz/ building-code-compliance/building-product-specifications

NEW SA-2025 STANDARD SUBCONTRACT AGREEMENT

A good working relationship between contractor and subcontractor is critical to ensuring construction projects run smoothly and complete on time and to budget.

A subcontract agreement identifies obligations and responsibilities up front, avoiding later disputes, which can be costly both in time and goodwill.

Master Builders and the Specialist Trade Contractors Federation (STCF) have collaborated for many years to produce a standard form subcontract that can be used by New Zealand’s construction sector.

The latest version of their SA series was released in July. SA-2025 introduces improvements, including:

Improved alignment with NZS 3910:2023 for smoother contract administration and consistency across head and subcontract levels

Clearer risk allocation and obligations that address design responsibilities, final accounts, QA requirements, hot works protocols, and retention release mechanics

Increased transparency and fairness through clearer notice provisions, better-defined variation and delay protocols, and safeguards against poor contract practices.

Master Plumbers encourages its members to use SA-2025 as subcontract conditions. Form 1, included in Appendix B4, must accompany each

and every payment claim for the claim to be valid under the Construction Contracts Act 2002. SA-2025 is set up for commercial construction but can be used for any size contract.

IN MEMORY OF ROD FULFORD

The 2025 edition of the Subcontract Agreement acknowledges the contribution of Rod Fulford, who passed away in June 2025 at the age of 84.

Rod, a former Executive Director of Precast New Zealand Inc, was instrumental in the original development of the SA agreement in 2009 and remained closely involved in every iteration since, including SA-2025.

His deep industry knowledge, tireless advocacy, and commitment to fair subcontracting practices helped shape this document into the trusted standard it is today. His legacy continues through this agreement and the improvements it delivers for the sector.

The new Building Product Specifications document from MBIE includes specs and standards relating to international building products that can now be used with an acceptable solution or verification method to achieve Building Code compliance.
Building Product Specifications

We know what it takes to get the job done.

Service

Our staff go the extra mile.

Product ordering on-the-go

Easily order from over 30,000 products anytime, anywhere — for delivery or collection.

Top brands and trusted partnerships

Strong supplier relationships with volume buying power, service warranties and industry-best products.

Competitive pricing

Enjoy superior quality at reasonable prices, with all your financials available online.

Rewards that stack up

Earn Travel/MaxPoints on every purchase and bonus points during promotions.

Shareholders also benefit from a Gold rebate on Own Brand purchases.

100% OWNED BY KIWI TRADIES. 100% BACKING YOUR BUSINESS.

Community spirit is alive and well in the plumbing industry!

Houghton’s Plumbing say they were privileged to give back to their local community by joining with other trades in a voluntary project to boost Hāwera Hospital’s potable water supply from 6,000 litres to 56,000 litres, by installing two 25,000 litre water tanks. A new fire hose connection also provides extra support for firefighting purposes. Houghton’s, a Master Plumbers’ member business, designed the new system and connected it to the existing, which they installed 24 years ago. Mico Plumbing worked with Devan Plastics to supply the two water tanks—one free of charge, the other at cost. Mico also supplied the firefighting fixtures, worth $1,900. All up, the project—worth $45,000—cost just $5,000.

Josh Harvey from Master Plumbers’ member business Rogers and Rogers in Kaitaia is Brigade Captain at the Kaitaia Volunteer Fire Brigade. In May, the brigade joined fellow firefighters from New Zealand and around the world to take up the Firefighter Sky Tower Challenge—racing up the Sky Tower in full firefighting kit to raise funds and awareness for Leukaemia & Blood Cancer New Zealand. Josh and his fellow brigade members smashed their $1,700 goal, raising a whopping $4,576 for this worthwhile cause. Ka rawe!

Maggie Higgins, an apprentice plumber from Hawke’s Bay, ran more than 100km in May to fundraise for mental health charities Mates4Life and Spark That Chat—both causes close to her heart. Maggie lost a friend to suicide when she was in high school— someone who had helped her through her own struggles with being bullied. Maggie’s wellbeing has improved dramatically since starting her plumbing career, and she now wants to support others dealing with mental health issues.

“Mental health awareness is incredibly important, especially in the trades industry, where the culture often discourages open conversations about struggles,” she says. “It’s time to normalise the ‘awkward conversation’ and encourage people to speak up about their mental health. This run is about pushing people to take that first step and start talking.”

Manly Plumbing & Gas in Christchurch is among more than 25 contractors and suppliers involved in the build of a four-bedroom Halswell home that went up for auction in July, with all net proceeds going to Hato Hone St John. The Build For Good project was a partnership between Elegant Kiwi Homes and Harcourts Grenadier, and the house was completed in just three and half months thanks to all who donated their time, materials and expertise. The proceeds of the sale will help with Hato Hone St John community and education projects, as well as vehicles and buildings.

DJ Thomson of Manly Plumbing & Gas (centre) with members of the Hato Hone St John team and Elegant Kiwi Homes owner Ivan Presquito (right).

TRAINING & EVENTS

Keep your skills and knowledge up to date with these training opportunities.

Backflow Prevention Course from WSP Environmental Training*

1 SEP – CHRISTCHURCH

13 OCT – LOWER HUTT masterplumbers.org.nz

*$200 discount for members of Master Plumbers

Essentials & Fundamentals of Business

10, 17 & 24 SEPT – ONLINE masterplumbers.org.nz

Contract Law Made Simple

1 OCT – ONLINE masterplumbers.org.nz

Rinnai Ring Main Systems Webinar

2 SEPT masterplumbers.org.nz

Englefield Shower Installation Certification

24 SEPT – ROTORUA masterplumbers.org.nz

Business Strategy

8, 15 & 22 OCT – ONLINE masterplumbers.org.nz

Gasfitting Refresher Workshop

4 SEPT – HAWKE’S BAY masterplumbers.org.nz

Profit Optimiser Programme from HALO

26 SEPT – ONLINE 31 OCT – ONLINE 28 NOV – ONLINE masterplumbers.org.nz

Business Planning

5, 12 & 19 NOV – ONLINE masterplumbers.org.nz

HIGH PRESSURE, TOP PERFORMANCE.

Compact Pressure Reducing Valve

The RMC PressureGuard® Compact Pressure Reducing Valve is suitable for use in residential and multilevel installations. The valve maintains a constant maximum outlet pressure to protect downstream installations from variations in supply pressure.

Installing a Pressure Reducing Valve can minimise water wastage. Incorporating the latest technologies into the modular designed compact PRV, the valve is suited for installations in areas with limited access.

FEATURES AND BENEFITS

• Adjustable outlet pressure set

• High flow capacity with minimal head loss

• Suitable for entire residential installations

• Robust design and construction

• Protects downstream installations from excess supply pressure

• Reduces maintenance and repair costs on expensive equipment

• Compact regulating module design

• Valve and Strainer can be serviced without distrubing pipework

• No special tools required for maintenance or adjustment

• Simple screw adjustment mechanism

• Can be installed in any orientation

PRODUCT CODES

PRX1501 15mm Compact Pressure Reducing Valve

PRX2001 20mm Compact Pressure Reducing Valve

PRX2501 25mm Compact Pressure Reducing Valve

The new EarnLearn and ICE apprenticeship programmes are underway for new apprentices. NZ Plumber answers some commonly asked questions from businesses that train apprentices.

Photograph: Steve Meadows

1

What is different about the new PGD training programmes?

The biggest difference is the introduction of flexible training pathways and increased workplace assessment options—meaning apprentices can spend less time away on block courses and more time training in the workplace.

A new Workplace Assessor model has been introduced, giving employers the choice to assess an apprentice in the workplace using an in-house or external assessor.

2

Do the programmes include any mandatory block courses?

EarnLearn ICE

One mandatory induction block course, which may be up to five days depending on the programme.

Based on your company’s scope of work, there are up to 13 modules that can be completed either in the workplace or at a block course.

3

All programmes include a two-week induction block course.

There is a selection of mandatory and elective block course options for each programme.

Are there any mandatory workplace modules?

A PGD apprenticeship comprises 84 unit standards, or 86 if undertaking the optional Drainlaying strand. Unit standards are grouped into modules.

All programmes have close to a 70:30 theory/practical unit standard split.

Employers have the option to appoint or hire an inhouse Workplace Assessor to assess apprentices on both the theory and practical components of their training. Fee rebates are available. Talk to your EarnLearn Account Manager to see if your business is eligible.

5

4

Up to eight mandatory workplace modules.

These combine practical, evidence-based tasks with supported interactive learning and are assessed by either a Workplace Assessor or an external EarnLearn Assessor.

At least two unit standards are expected to be completed in the workplace for each trade— ie, six for the combined PGD programme. The assessments can be completed in the workplace or by attending an assessment block or any combination of both.

What is the role of the Workplace Assessor?

Workplace Assessors:

Review and mark an apprentice’s assessments

Report unit standard completions on the apprentice’s online learning management system

Provide guidance and feedback.

There are two types of assessment:

1. Theory: assessment of the apprentice’s online learning (eg, written exam, multiple choice or short answer).

2. Practical: assessment of the evidence submitted online by an apprentice of their on-job learning (eg, photos, as-laid plans, commissioning sheets).

Employers who wish to become ICE Workplace Assessors will only review and assess practical assessments, reducing the time commitment by approximately 70 per cent (Fee schedule – Option 1).

Who can carry out workplace assessments?

Your business can hire or nominate a Certifying practitioner on your team to be an in-house Workplace Assessor.

To be eligible to undertake workplace training and assessment instead of sending apprentices to a block course, the company must be able to expose apprentices to the topics and tasks specified in each module to complete their training assessments.

If you’re unable to provide the training and/or practical experience within the workplace, these modules can be completed at a block course.

Alternatively, EarnLearn and ICE have their own external Assessors. If your apprentice trains through the Masterlink group apprentice training scheme, Masterlink has registered Workplace Assessors available to assess apprentices.

6

How do I become a registered Workplace Assessor?

EarnLearn ICE

You will need to:

Hold a current PGDB Certifying licence for the qualification(s) you are assessing against Hold unit standard 4098 Use standards to assess candidate performance (EarnLearn offers 4098 Assessor Training courses) Submit an Assessor Application Form Complete an induction covering PGD assessment requirements.

You will need to:

Hold a current PGDB Certifying licence for the qualification(s) you are assessing against Hold unit standard 4098 Use standards to assess candidate performance

Contact the PGD Programme Manager to initiate an application: martin.kelly@scgnz. org.nz 7

How will my business know what my apprentice needs training in, and when?

At the start of the apprenticeship, your apprentice’s Account Manager or Training Advisor will work with you to determine your apprentice’s training pathway, and which modules can be completed in the workplace or at block course.

EarnLearn ICE
EarnLearn ICE

If your business can’t provide all the necessary skills for a particular module, the apprentice can attend a block course to cover this—unless it’s a mandatory workplace module.

Practical assessments can be done in any order and will depend on the range of work the apprentice is doing and when.

Does our business also need to have a Verifier?

Yes. You must have a registered Verifier onsite, who can observe and verify the apprentice’s work and help the apprentice gather on-job evidence. The Verifier signs this off before the apprentice submits it online for assessment.

The Verifier can be the apprentice’s employer or supervisor, and the same person as the Workplace Assessor.

Who can be a Verifier?

Currently licensed Plumber (plumbing verification)

Currently licensed Drainlayer (drainlaying verification)

Currently licensed Certifying Gasfitter (gasfitting verification)

How do I become a Verifier?

EarnLearn ICE

Complete and submit a Verifier Application Form.

The pace at which the apprentice progresses will be up to the apprentice and the amount of work exposure and training the business provides. 8 9 11 12

Submit a Verifier Application Form via your Skills Training Advisor, who can provide advice and guidance. Applications are checked and processed via the Quality Assurance team.

Can apprentices enrolled in earlier versions of the training programmes be workplace assessed?

No, the workplace assessment options only apply to the new programmes. Trainees enrolled in earlier programmes will continue to be assessed at block course or by an external assessor. As the new programmes roll out, opportunities may become available for current apprentices to transfer.

MASTERLINK

WORKPLACE ASSESSORS

Masterlink is New Zealand’s largest Kiwi-owned group training organisation, specialising in mentored plumbing, gasfitting and drainlaying apprenticeships.

Masterlink recruits apprentices and handles all HR and employment admin. Apprentices are placed with ‘host’ businesses as they train towards getting qualified.

Masterlink has a team of registered Workplace Assessors, dedicated to assessing Masterlink apprentices within the new training programmes. Masterlink Regional Managers also provide each apprentice with pastoral care and mentoring.

Regional Managers will work with the host business to determine which modules the apprentice can complete in the workplace and will handle any block course arrangements. The job is off your hands!

FIVE BENEFITS OF WORKPLACE ASSESSMENT

1. Apprentices are assessed on their day-to-day work, reducing the time away to attend block courses

2. Workplace assessment reflects the true nature of industry training, with more opportunities for practical, hands-on learning

3. Employers can shape the training to current jobs, ensuring it adds value to your workplace

4. Real workplace tasks produce high-quality assessment evidence, ensuring apprentices meet industry standards

5. Apprentices train while doing ‘real life’ client work, ensuring training is to a high standard.

Will it take my apprentice less time to complete their apprenticeship through the new programme?

Training durations range from 24 to 63 months, depending on the programme and each apprentice’s progress.

Training durations range from 24 to 60 months, depending on the programme and each apprentice’s progress. Individual learners may complete up to 12 months faster, provided all unit standard assessments are completed.

Masterlink has a team of workplace assessors, dedicated to assessing apprentices within the new training programmes.
EarnLearn ICE

If your business is unable to provide the training and/ or practical experience in the workplace for a particular module, you can send your apprentice to block course.

13

What is the pricing structure? EarnLearn

Depending on the programme selected, training fees are between $52 - $54.20* incl GST per week. This is paid directly to EarnLearn by the apprentice or employer and is based on all training and assessments being completed through block courses.

Where training and/or assessments are completed in the workplace (not in a block course), rebates are available. Find out more at https://earnlearn.ac.nz/PGD

* Please note, pricing is subject to change.

ICE

All six programmes have two identical fee options (see table below). There is also the additional option to pay weekly or annually.

* A 10% discount applies to annual fees paid within 20 days of the date of the invoice (this discount does not apply to the weekly payment option).

14

What financial support is available?

New apprentices starting an apprenticeship in 2025 may be eligible for the ‘Fees Free’ government funding, which covers training fees for the final two years of work-based training, up to the value of $12,000.

Apprentices receive the Fees Free entitlement after they have completed their full qualification and once they have applied to Inland Revenue (IR).

Payments will be paid direct to an apprentice even if the fees have been paid by the employer or someone else. Find out more at https://www.feesfree.govt.nz

Apprenticeship Boost is also available for up to 12 months for employers with apprentices. Employers can get $500 (ex GST) a month per eligible apprentice. If you’re GST registered, you'll be paid the amount plus GST.

Photograph: Steve Meadows

Master Plumbers, Gasfitters & Drainlayers NZ thanks the following Partners for their support:

VEHICLE RENTALS FOR LESS

Master Plumbers members enjoy special rates through Avis and Budget when booking rental cars, 4WDs, utes, vans and trucks.

Travel smoothly with Avis. There is good reason why Avis is a globally trusted name in car rental and known for its premium selection of cars. With a continued focus on innovation and customer satisfaction, Avis is committed to making the rental experience smooth, reliable and rewarding, so you can leave the hassle behind. It’s this effortless experience that Avis is Driven by Better to provide.

Budget

Budget’s range, fleet and services make vehicle rental effortless, affordable and reliable, all at the same time. With locations across New Zealand, you’ll find the perfect vehicle hire option you’re looking for with Budget. Their huge selection of utes, trucks and vans are there to help you tackle your next project, whether it’s for a move, DIY job or commercial purposes.

Discover the member-only rates and how to book in the Member Benefits & Discounts section at www.masterplumbers.org.nz

Avis

CHECK OUT YOUR MEMBER TOOLBOX

Have you opened the Member Toolbox on the Master Plumbers website? It’s packed with practical tools to help you run your business. Whether you’re looking for employment agreements, workplace policies, building contract templates, or health and safety

support, the Member Toolbox has what you need. Several new resources have recently been added to the toolbox:

AI business guidance and apps to explore

Residential plumbing, gasfitting and drainlaying handover checklist

Ladder safety checklist and toolbox talk.

Sign in to www.masterplumbers.org.nz and download the resources you need today.

2025-2026 MASTER PLUMBERS BOARD ROLES

CONFIRMED

At the first meeting following the 2025 Annual General Meeting of Master Plumbers, Gasfitters & Drainlayers NZ, the individual roles of board members were decided.

Master Plumbers is pleased to report that Craig Foley continues as Chair, Felicity Caird as Deputy Chair, Sam Tyson as Masterlink Chair and Grayson Allen as National President. You can read more about each on the Master Plumbers website, under About Us.

Craig Foley Felicity Caird Sam Tyson Grayson Allen

Advocacy update

Master Plumbers is working to ensure the new vocational education system stays industry led, so it delivers what apprentices really need. In July, Vocational Education Minister Penny Simmons announced the establishment of eight new Industry Skills Boards (ISBs) to oversee apprentice training standards, quality assurance, and qualifications design. These ISBs will come into effect from 1 January 2026, replacing the current Workforce Development Councils.

Master Plumbers is pleased to see specialist trades like ours given recognition in the new Construction and Specialist Trades ISB. However, Master Plumbers is working hard to ensure the PGD Strategic Reference Group is maintained as an industry voice under the new system, so that decisions on apprentice training for our sector continue to be truly industry-led.

“NO IDEA WHEN I’M GOING TO BECOME QUALIFIED”

“I’m meant to be wrapping my apprenticeship up in the next year or two, but at this rate I have no idea when I’m going to become qualified.

I’ve always wanted to be in the trades and I knew getting my apprenticeship was a real privilege, and I’m stoked to get one. I knew it was going to be a challenge but it’s been way too challenging for all the wrong reasons.

One of my biggest challenges has been not knowing what’s coming next. I’m meant to have four block courses a year and for the last four years this hasn’t actually happened once. I’ve got nine block courses to go and realistically there’s no way that I can complete those in the timeframe.

I often spend hours of my day when I do have a block course working with old and broken materials. One of my mates spent roughly four hours welding sections of copper about 20cm long together, so that we would have something to work with and it resulted in a lot of the class not actually completing any of the course material that was required but getting ticked off anyway.

First-hand apprentice experience

Master Plumbers CEO Greg Wallace presented at July’s select committee hearing on the proposed changes to vocational education and training (VET) legislation, which are working their way through Parliament as Te Pūkenga is dismantled.

Master Plumbers is concerned the proposed new approach does not address the significant problem of ‘over durations’—apprentices who are falling behind in their training, largely due to a lack of available block courses at training providers. There are currently 563 over-duration apprentices, with many more pending.

Greg was joined by fourth-year plumbing, gasfitting and drainlaying apprentice George McCallum-Clark, who spoke about his personal apprenticeship experience. We reproduce his comments below.

“I’m meant to have four block courses a year and for the last four years this hasn’t actually happened once.”

My apprenticeship manager is the only person I’ve been able to contact within Te Pūkenga and he is just as frustrated in the system as I am. He is aware that there’s 37 like myself in the situation where we’re not over duration but we’re pending to be well over.

The delay means I will be earning apprentice wages for way longer than

George McCallum-Clark is a fourth-year PGD apprentice, based in Christchurch, and a member of the national Master Plumbers Apprentice Representative Group.

I should be, which is affecting me financially. I’m paying the apprentice weekly pay as well of $54 a week, and within my workplace I’m still labelled as an apprentice and treated as such.

In the second year as an apprentice, I seriously considered dropping out. I had a long talk with my employer because my apprenticeship was just going nowhere. In my third and fourth year, I’ve taken all the spare time I have, with my apprenticeship being withheld from me, to try and make a change for the apprentices coming through, so they don’t have to hit their heads against the same brick wall I’ve been hitting for the last four years.”

George McCallum-Clark

A SMARTER WAY TO STAY AHEAD

The Firstgas Business Hub

As New Zealand’s energy landscape evolves, so does the work of the tradespeople who keep our homes and businesses running. That’s why Firstgas, part of Clarus, has launched the Firstgas Business Hub, a new online resource built for professionals like you: plumbers, builders, contractors, and developers.

This hub isn’t just another website. It’s a practical tool designed to keep you informed and help you build trust with your clients as we navigate the transition to cleaner energy— including renewable gas.

Why it’s worth your time:

Stay current by accessing the latest industry news, regulatory updates and Firstgas media releases

Fuel better conversations using downloadable brochures and resources that clearly explain the benefits of gas to your customers Lead with confidence through insights into renewable gas and the international trends shaping our industry’s future

Plan ahead with the Firstgas quarterly newsletter, packed with project updates, innovation stories and progress toward net zero.

Firstgas are committed to ensuring gas continues to play a valuable role in New Zealand’s energy future. The Business Hub is part of that commitment, created to support the professionals who are out there making it happen, every day.

Explore the hub today and see what it can do for your business. https://firstgas.co.nz/about-us/future-of-gas

FROM BUSINESS TO BACKFLOW: YOUR OPPORTUNITY TO UPSKILL

Looking to enhance your business or technical knowledge? There are plenty of options on the Master Plumbers annual training calendar.

Business essentials

By allowing just one hour a week, you can gain the skills to develop a plan and a strategy to guide your business forward with clear goals. There are three online programmes in the series, presented by expert trainer Piet Beukman: Essentials & Fundamentals of Business Business Planning Business Strategy.

Each programme comprises three 1-hour online evening sessions.

Backflow testing and inspection

Master Plumbers members enjoy a $200 discount on the backflow prevention courses offered by WSP Environmental. Presented by backflow specialist Jon Lewis, the course gives trainees the skills required to become an IQP to test and inspect backflow devices. The training is a mix of classroom theory and hands-on learning with backflow kits.

On successful completion of the course, participants can apply direct to their local authority to join their list of registered IQPs.

Thank you, Christine!

This August, Master Plumbers Finance Manager Christine Robertson retires after an incredible 27 years with Master Plumbers. Astute, straight talking and with tremendous financial acumen, Christine has provided a sure and steady hand on the financial rudder for Master Plumbers throughout her career. She has also seen significant change for the membership organisation during this time.

“It’s been interesting to see Master Plumbers moving from being a membership organisation that was also the plumbing,

gasfitting, drainlaying and roofing industry training organisation to what it is today. That involved selling off the ITO and the creation of Masterlink.

“Technology changes—oh wow, email didn’t exist, no internet access, just a terminal on your desk connected to the computer in a separate room. I used to drive up to Johnsonville to get Graeme Mander to sign the monthly cheques, answering questions while he did so. Now with everything online, you can almost run your business with a

OBITUARY: RICHARD GRAVES

It is with great sadness that Master Plumbers notes the passing of Richard Graves in July, aged 65, after a short struggle with cancer.

Co-owner of Inside Systems in Invercargill, Richard was a proud member of Master Plumbers, and served as Southland Master

mobile phone—though I do still recommend a laptop for most of the computer work.”

After long-awaited hip surgery, Christine looks forward to more parkruns, relaxing games of bowls out on the greens on a lovely day, and getting back to her photography and artistic pursuits, whether working with threads, paper or paint.

“I have a family trip to Asia next year to tick off some parkruns in new countries— starting in Malaysia before heading up to Japan for their Greenery Day special parkrun day, then down to Singapore for a special parkrun meet up with some other parkrun world tourists. That trip is with one of my brothers and his two grown sons. It will be the furthest I have ever been from home, but it’s probably time now.”

With Christine’s retirement, Alastair Hoult will step into the Finance Manager role, moving across from his previous position as Masterlink Commercial Manager. Master Plumbers Operations Manager Craig Pomare will expand his position to managing the Masterlink business administration team.

Congratulations to Alastair and Craig on your new roles and wishing you all the very best for the future, Christine!

Plumbers President from 2022-2024. He was also a dedicated supporter of Masterlink, recognising apprentices as the future of our industry. Sincere condolences to Richard’s wife Alison and their wider family at this difficult time.

Alastair Hoult is stepping into the Finance Manager role on Christine’s retirement.
Finance Manager Christine Robertson is retiring after 27 years with Master Plumbers and Masterlink.

HALO TRADE GROUP BACKING PLUMBERS WITH BUSINESS KNOW-HOW

Get your business sorted. Join a community that’s got your back.

Running a plumbing business is tough enough without doing it alone. That’s why Halo offers real-world support— from experienced advisors and a nationwide network of like-minded tradies.

Business Health Checks – uncover gaps and opportunities

Succession Planning – prepare your business for what’s next Fergus & Simpro System Implementation & Training – set up right, run smarter

Smarter Purchasing – save on gear and boost margins

Events & Peer Support –connect, share, grow Keen for a yarn? Halo are all about helping plumbers build solid, profitable businesses.

Scan the QR code to register your interest and select the support you need.

WELCOME

A warm welcome to new Master Plumbers member businesses:

Accurate Plumbing – Northland

Bayside Plumbing – Northland

H2O Plumbing Solutions – Northland

Brighouse Drainage and Earthmoving – Auckland

Southern Cross Plumbing – Auckland

Steve Norman Plumbing & Gas – Waikato

Napier Plumbers and Gasfitters – Hawke’s Bay

Reset Plumbing – Hawke’s Bay

H2O Plumbing Services (2018) – Wellington

Robinson Plumbing & Gas – Hutt Valley/Wairarapa

Ethos Plumbing – Canterbury

Full Flush – Queenstown Lakes District

NEW: SILVER PARTNER KE KELIT NEW ZEALAND

Since 2013, KE KELIT New Zealand has delivered European-engineered piping and climate control solutions to the local market, earning a reputation for innovation, quality, and reliability.

Originating in 1945 as a small Austrian installation company, KE KELIT has grown into a global leader in high-performance plastic and metallic piping systems, now operating in more than 30 countries. In New Zealand, KE KELIT supplies advanced piping solutions, HVAC and climate control systems, designed for long-term durability and efficiency. With nationwide support and strong partnerships with leading international brands—such as Flamco, Meibes, Simplex, Broen, Viessmann, Vogel & Noot, and Nexus Valve. KE KELIT NZ delivers trusted solutions to consultants, installers and asset owners alike.

Backed by Austrian expertise and supported by a global network, KE KELIT NZ continues to help shape the future of climate control and building infrastructure across Aotearoa. www.kekelit.co.nz

WANT TO JOIN?

Master Plumbers is here to support all businesses in the plumbing, gasfitting and drainlaying industry. Members are Quality Assured and backed by the Master Plumbers Guarantee. We offer a wide range of business resources, health and safety, employment, legal and technical support, plus training and member discounts—and we advocate for our members as a collective industry voice. Get in touch today!

Contact 0800 502 102 membership@masterplumbers.org.nz

Involved in the design of some of the most technically demanding projects at DL Good Plumbers, Commercial Plumbing Manager Darrin Minifie talks to NZ Plumber about his drive to help make work easier for others and pass on his skills to the next generation.

sked what drives him after 40 years in the trade, Darrin Minifie is quick to answer. “Helping other people.” In 2022, Darrin lost his wife Nicky to cancer. She was just 54. “She was everything to me,” he says. “After she passed away, I couldn’t see the point in anything. But then I thought, hang on, go to work and see what you can do today to help someone else.”

ATechnical expertise

In his role as Commercial Plumbing Manager for the Auckland team of 75 at DL Good Plumbers (DLG), Darrin helps countless people—but particularly the foremen, supervisors and apprentices. The company’s commercial sites are many and varied, including hospitals, prisons, schools,

retirement villages and high-rise apartments.

“Every plumbing firm has a person they turn to when things get too hard,” says DLG owner Dave Good. “At DLG, that person is Darrin.”

From his early days at Chenery Plumbing to co-founding Project Plumbing alongside Nicky and fellow plumber Paul Abbott, Darrin built a strong career working on a wide range of projects across Auckland. A significant portion of their work came through DLG and, in 2020, they merged Project Plumbing with DLG. It was after joining DLG that Nicky became sick.

Darrin’s ongoing dedication to quality and generosity in passing his skills to the next generation earned him the national 2025 Plumber, Gasfitter or Drainlayer Employee of the Year title at the 2025 New Zealand Plumbing Awards this May.

Darrin Minifie, Commercial Plumbing Manager at DL Good Plumbers, received the New Zealand Plumber, Gasfitter or Drainlayer Employee of the Year Award at the 2025 New Zealand Plumbing Awards in May.

In his acceptance speech, he paid tribute to his wife Nicky, the love of his life and mother of their three now adult boys. “Nicky told me to be there for them and not to lose myself,” he recalls. “I’d had months off work, and that’s what got me back to it. We all need to make money, but we also need a reason to go into work each day. Mine is to do the best I can to make work easier for people.”

Collaborative approach

His leadership style is collaborative. “We all work together to solve problems,” Darrin explains. “If there are problems on site, I ask for feedback and suggestions for improvement from everyone from our apprentices to those who have been working here for over 50 years.”

Darrin meets with all number of people on site, from consultants, clients, builders and other trades to maintain progress and a good flow and working relationship on site. “I work closely with our direct supervisors, visiting their sites each week to check how the project is progressing and to meet with the head contractors,” he says.

“We all work together to solve problems. If there are problems on site, I ask for feedback and suggestions for improvement from everyone from our apprentices to those who have been working here for over 50 years.”

Before issues arise, Darrin gets involved in the design of the most technically demanding plumbing aspects of projects. Recently this included a pellet boiler installation, large volume stainless steel tanks (1m litres) at Auckland District Health Board, bathroom pod installation for 750 bathroom units at a student accommodation block, and works on the New Zealand International Convention Centre.

Apprentice mentoring

He also supervises the company’s 18 apprentices, all at various stages of their

apprenticeship. His monthly team-building toolbox sessions in the workshop give him the chance to deliver training in aspects such as copper brazing or PVC installation principles. “I also talk to our apprentices individually to review their apprenticeship status and discuss any setbacks.”

Apprentices are trained in a broad range of work in a controlled environment and have the advantage of repeating jobs multiple times. “If they’re working on 100 apartments, they get really good at a particular task and it’s great seeing that happen,” he says.

The key to any successful project lies in proper resourcing, pre-empting and planning, says Darrin—particularly if councils have differing interpretations of the Building Code. Making sure everyone is happy with the project approach upfront saves significant time and expense putting things right once work is underway.

“If you don’t plan well, a project can run on for months. We have a good QS team, with a lot of experience between us, so we can help make sure targets are met. I’m the plumber in the office, so I keep it real on how long work really takes!”

Meticulous planning

DLG has a goal to eliminate mistakes. A simple leak can become a serious, expensive and time-consuming issue in a commercial situation. Darrin and others on the team are the first plumbers in the country to have completed qualifications within GIRI (Get it Right Initiative), which was established by a group of UK construction industry experts.

GIRI’s goal is to improve productivity, quality, sustainability and safety in the sector by eliminating error. The initiative is working to change attitudes and create a culture of getting work right from the start through skills development, good practice guidance, and sharing knowledge on systems and process improvement.

Darrin is also an ISO 9001 qualified Quality Management Systems Auditor. With the standard’s focus on continuous improvement, this helps DLG meet the highest levels of work management and is often a prerequisite for securing projects with reputable builders. The company is now taking this a step further by working to become ISO 9001 certified.

“Lying awake at 3am is no time to plan your performance,” says Darrin. “Driving excellence from your experience and continually improving others to do so, helps to avoid those sleepless nights and allows me to enjoy an industry I have been part of for 40 years.”

Darrin and others on the DL Good Plumbers team are the first plumbers in the country to have completed qualifications within GIRI (Get it Right Initiative). He is also an ISO 9001 qualified Quality Management Systems Auditor.

Help your customers make the efficient switch.

With hot water making up around a third of household energy bills, more customers than ever are looking to plumbing experts like you for guidance on more efficient options. Especially when it comes time to replace their existing systems.

With hot water heat pumps using a lot less energy and costing less to run, it could be a good switch for many homes. And the Home Energy Savings Calculator can help your customers see how much a hot water heat pump could save them. Let them know to give it a go at genless.govt.nz

OUT & ABOUT

Latest activities at Master Plumbers branches include a water treatment plant tour and ladies’ networking lunch.

Tradeline pilot launch

There was a great turnout of members from all around the Wellington region at the latest Hutt Valley/Wairarapa Master Plumbers branch meeting, held at Plumbing World in Lower Hutt. The evening included a presentation from Master Plumbers CEO Greg Wallace and a Wellington Water representative on the Tradeline pilot being rolled out in the region. The aim of the pilot is to provide residents with a single point of contact for advice on getting their water supply pipeline leaks fixed.

Attendees also enjoyed a deep dive into all things gas from presenter Anthony Christenhusz, Senior Technical Officer at Energy Safety WorkSafe.

At the event, three Master Plumbers Membership Milestone Awards were presented to branch members. Congrats to:

20 Years: Mike Ellis of Ellis Plumbing & Gas

20 Years: Rob Visser of Rob Visser Plumbing

5 Years: Jay Kumar of TJ Plumbgas

Upgrade for Waingake water treatment plant

A group of 15 from Gisborne Master Plumbers visited the Waingake Water Treatment Plant on a sunny day in May to view the upgrades made since the plant’s water pipe suffered significant damage during Cyclone Gabrielle in early February 2023. Emergency works were carried out to retrofit a new filtration system to treat silted water from the region’s two main water supply dams, with the completion of these works celebrated in January 2024. The new filters make the treatment plant better able to supply safe water when heavy rain impacts the water quality from the supply dams and Te Arai river intake. A vacuum system fitted beneath removes the silty sludge filtered from the water. A UV facility has also been installed, providing advanced disinfection.

Celebrating the women behind the scenes

In early July, the Auckland Master Plumbers community came together to mark an exciting milestone—their very first Admin Ladies’ Lunch to celebrate and connect the incredible women working in administrative roles across the plumbing industry.

From day-to-day scheduling and customer service to ensuring compliance and supporting tradespeople, admin professionals are the quiet powerhouses that keep the wheels turning. This event was created to provide an opportunity to share experiences and foster a supportive network of like-minded women.

Hosted by Andrea Lovell of Heron Plumbing and Kerryl Bawden of Ben Mayne Plumbing, the lunch offered a relaxed and welcoming space for women from a variety of businesses to come together. Whether new to the trade or seasoned veterans, everyone had a place at the table, and plenty to talk about.

“It’s such a great start,” said Kerryl. “We’re excited for many more catch ups to come.”

A first and very successful Admin Ladies’ Lunch for the Auckland Master Plumbers community.

And that’s exactly the plan. With the success of this inaugural gathering, future events are already in the works. The vision is to expand the initiative beyond networking lunches, incorporating site visits, guest speakers, and inspirational sessions with women leaders from the plumbing and construction sectors.

“If you know a woman working in plumbing admin who’d love to be involved, keep an eye out for future invitations. We’re building something meaningful, and we’d love for you to be part of it.”

“We encourage all Master Plumbers branches across the country to introduce events like this for the women in their regions, especially those who don’t usually get the opportunity to network within the industry,” says Kerryl. “These events can spark new friendships, strengthen professional connections, and pave the way for a nationwide gathering, bringing admin professionals together to expand their networks and build lasting support across the country.

“If you know a woman working in plumbing admin who’d love to be involved, keep an eye out for future invitations. We’re building something meaningful, and we’d love for you to be part of it.”

Here’s to the women behind the scenes, supporting, connecting, and thriving in the world of plumbing!

NEWS OF HOW MASTERLINK HELPS APPRENTICES STAY ON TOP OF THEIR THEORY LEARNING—AND LOVES TO SUPPORT THEIR SUCCESS.

Shaping the future of PGD trade training

While most know Masterlink as a leading provider of mentored plumbing, gasfitting and drainlaying apprenticeships, what’s less visible is the depth of work happening behind the scenes to strengthen industry training at a national level.

Owned by Master Plumbers, Masterlink brings real-world industry insight to the table in national workforce development forums. We advocate for highquality apprenticeship pathways and work closely with training providers, regulatory bodies, and industry groups to improve outcomes across the board.

At the heart of our model is hands-on mentorship. Every apprentice is supported by a dedicated Regional Manager who also acts as a key link between the apprentice, host business, and training provider. These managers conduct quarterly appraisals, provide personalised pastoral care, and monitor training progress to ensure apprentices stay on track. We also liaise directly with providers to coordinate block course placements and advocate for timely, accessible training.

Masterlink is playing a pivotal role in enabling the new PGD qualification framework—offering greater flexibility through a mix of on-job and off-job training. With workplace assessments now a viable alternative to traditional block courses, we’ve led the charge. Over the past two years, Masterlink has delivered more than 40 apprentice workshops and facilitated over 2,500 unit standard completions on behalf of training providers.

“At the heart of our model is hands-on mentorship.”

Nimmo General Manager, Masterlink and Master Plumbers

With our workplace assessment systems already in place, we’re well positioned to support the expanded flexibility the new qualifications allow. This shift reduces pressure on block course availability and ensures apprentices meet competency standards with less time off the tools—a clear win both for learners and host businesses.

Ultimately, our goal is simple: grow the PGD workforce by producing confident, capable tradespeople who add value from day one—and support the businesses who help train them every step of the way.

MASTERLINK APPRENTICES

TEST THEIR SKILLS AT YOUNG PLUMBER OF THE YEAR

With the regional events now complete, excitement is mounting ahead of Plumbing World’s Young Plumber of the Year national final on 22 October.

The Masterlink team have cheered Masterlink apprentices on at several of the regional finals, held at eight locations around New Zealand.

As Gold Sponsors of the event, both Master Plumbers and Masterlink are particularly proud that two thirds of the competitors at the regional finals work at Master Plumbers member businesses.

We wish all national finalists the very best of luck!

Masterlink apprentice Jason Beijerling placed third at the Waikato Branch event. Jason completed his apprenticeship with Masterlink and is now a qualified tradie at CF Reese Plumbing.

REWARDING SAFETY AT MASTERLINK

There’s a Makita drill kit ready and waiting for every new Masterlink apprentice on successful completion of their Masterlink online health and

safety modules at the start of their apprenticeship. Masterlink prioritises safety at work, and this is a way of rewarding apprentice engagement.

MEET CALEB FORD MASTERLINK

NAWIC APPRENTICE EXCELLENCE!

Congrats to Masterlink apprentice Georgia Simeon, who was selected as a finalist in the Apprentice Excellence category at the 2025 NAWIC Excellence Awards, which celebrate top-achieving women in the construction industry.

Georgia is nearing completion of her apprenticeship at Karl Boniface Plumbing in Invercargill.

The winners were announced on 25 July at the NAWIC Awards Gala Dinner in Auckland, as NZ Plumber went to print.

BUSINESS ADMINISTRATOR

Masterlink has two Business Administrators, here to support your business through the apprentice training journey. Caleb Ford joined the team in January.

Tell us a bit about your day-to-day role

As a business administrator, I spend my day supporting Masterlink regional managers and apprentices with any enquiries that might come our way, which can range from new apprentice sign-ups all the way to booking accommodation for a block course. I love it because every day can feel different.

Why were you drawn to a job with Master Plumbers/Masterlink?

I had been wanting to make a career change for a while, and was looking for something in a people support/HR/training environment. This job came out of nowhere, ticked all the boxes, and here we are!

What’s your work background?

Before now I had been working in retail shop management across Bunnings and Resene, so I’ve spent a great deal of time coordinating teams and assisting tradespeople. I always

had the most fun with people who were doing ‘outside of the ordinary’ projects that required us to flip our brains upside down and think differently to find a solution!

Tell us a bit about you

I grew up in rural Taranaki until I was five but have spent the last 25 years in Wellington so I’m really a city boy at heart. My partner and I have a cat together who hates being touched but loves being as close to you as possible (on her own terms of course).

If you could invite one famous person round for dinner, who would it be?

Troy Baker or Matthew Mercer. Two voice actors who play such a broad range of my favourite characters all the way from childhood to now. I would have a million questions for both of them.

What do you enjoy doing in your spare time and why?

In my spare time I’ll take my motorbike out for a ride or be curled up on the couch watching a movie. It really depends on the weather for that one.

Masterlink apprentice Joe Benson is shown here receiving his Makita drill kit and busy at work piping out a temporary bathroom.

Masterlink milestones

WELCOME

Nau mai, haere mai to new Masterlink apprentices—and big thanks to your Masterlink host businesses.

Keaton Rawson

Clark Plumbing & Gas, Whanganui

Masalu Manu

K-10, Auckland

Jackson Cutts

BOP Plumbing & Gas, Rotorua

Jasjot Singh

Aquaheat Facility Services, Hamilton

Jackson Guy

Ben Mayne Plumbing, Auckland

James Salt

Jason Brown Plumbing & Gas, Lower Hutt

Dylan Spraggs

All Plumbed In, Auckland

Luke Allen

FB Hall & Co, Hamilton

Michaela Baucke

FB Hall & Co, Hamilton

Theo Greenlees

Whitehead Plumbing & Gas, Christchurch

Joshua Murray

Hi Flo Plumbing, Oamaru

Sidhant Reddy

Plumbcraft, Auckland

Taumaloto Tiatia

Aquacraft Plumbing, Christchurch

Congratulations to New Zealand

Certificate recipients:

Plumbing, Gasfitting and Drainlaying

Georg Wishart

Plumbing and Gasfitting

Trent Davis

Plumbing and Drainlaying

George Steed

Jonathan Kernohan

Rhuan Wilson

Plumbing

Emma Fane De Salis

Kade Wilson

Ethan Fricker

Caleb Foster

Drainlaying

Mitchell Irwin

Kaesin Haris

Lawrence Lemana

TAKE TWO FOR OUTWARD BOUND

Noah Raymond joined fellow Masterlink apprentice Phil Webster on this year’s Outward Bound Building Leaders course, thanks to an additional space becoming available.

Now in the fourth year of his Masterlink apprenticeship at EG Glennie’s in Wellington, Noah put his name forward for the Masterlink Outward Bound Scholarship with the

support of his employers, as he felt it would be a great learning experience. His goal was to come back from the course with improved communication skills and self-confidence.

Noah and Phil took part in the 2025 Building Leaders course in the Marlborough Sounds from 24 June to 13 July. We’ll report back on their experiences in the next edition.

IN TOUCH

Noah (above left) and Phil (above right) were proud to represent Masterlink on their Outward Bound journey alongside apprentices from other construction trades.

Explore Rinnai’s Hot Water Heat Pump Range

Rinnai HydraHeat® Integrated Hot Water Heat Pump

Using the efficiency of a NZ designed and manufactured Heat Pump head unit, HydraHeat® will quickly heat a home’s water from the top-down while saving you up to 75% on your water heating costs* Available in 275L & 340L capacities.

Rinnai HydraHeat® Split Hot Water Heat Pump

Introducing the HydraHeat® Split –a versatile top-down water heating solution compatible with both new and existing cylinders**. Designed and built right here in NZ.

Rinnai Enviroflo™ GR Series Hot Water Heat Pump

Designed to meet a variety of installation needs across New Zealand, the GR Series offers capacities of 215L, 265L and 300L

*When a comparison calculation is made to a 250L standard electric hot water cylinder when heating water from 19°C to 55 °C.

** Please refer to our cylinder compatibility checklist to find out if your cylinder is compatible with the HydraHeat® Split system.

The advantages of gas hot water heating

Say goodbye to cold showers with gas

We’ve all been there - mid-shampoo and suddenly the water runs cold. Whether it’s multiple showers or the dishwasher kicking in, hot water runs out faster than you think. In fact, water heating makes up about a third of the average household’s energy use1. Is your system up to the task?

Switching to gas hot water heating means instant, reliable hot water - whenever you need it.

What is gas continuous flow heating?

Gas systems, also known as califonts, heat water only when you need it. Unlike electric cylinders, they do not store hot water. That means endless hot showers, less energy waste, and no more rationing.

Tailored for Kiwi living

Gas hot water adapts to your needs. It’s especially useful in homes with limited space, or families who often experience morning hot water battles. And because there’s no cylinder, you also reduce the risk of bacteria like legionella2 that thrive in stored water.

The benefits speak for themselves

• Unlimited hot water, always - Perfect for busy households, everyone gets a hot shower - even back to back.

• More space indoors - Gas systems are mounted outside, freeing up your hot water cupboard for a pantry, laundry, or even a second toilet.

• Temperature you control - With gas, you can set your preferred temperature (many choose 50C) without worrying about bacterial risk.

• Energy efficient – Only heats what you use, no storage losses.

• Works when the power’s out - Some models require no electricity at all, keeping your hot water running even during outages.

Reference:

1: www.genless.govt.nz/for-everyone/at-home/improve-energy-efficiency/heat-water-efficiently

2: www.health.govt.nz/your-health/conditions-and-treatments/diseases-and-illnesses/legionellosis-legionnaires-disease

Could gas be right for you?

Find out how you could get connected to gas here.

GEAR UP FOR SAFETY

PPE isn’t just a ‘nice-to-have’—it’s a must.

Plumbing, gas and drainage aren’t always the cleanest or safest jobs. Whether you’re dealing with dodgy chemicals, sharp tools, hot pipes, or unknown gunk in a blocked drain, the right Personal Protective Equipment (PPE) gear can save your skin—literally.

Gloves protect your hands from cuts and grime, goggles stop debris or splashes from hitting your eyes... and safety boots? They’ll keep your toes intact when something heavy drops. If you’re crawling into tight spaces or dealing with mould or nasty gases, a good

respirator is a game-changer. And don’t forget your high-vis gear—especially on bigger or busier sites. Accidents don’t give warnings, but PPE gives you a fighting chance. At the end of the day, it’s all about getting home in one piece.

About the author: NZ Safety Blackwoods has all the PPE you need. From head to toe, they’ll take care of it. Visit nzsafetyblackwoods.co.nz to find out more and to view their catalogue.

tools

Gloves, goggles and head gear are just some of the available PPE to help keep you safe at work.

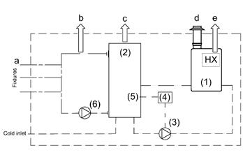
Their involvement in the construction of the self-sufficient Ngā Mokopuna marae at Victoria University in Wellington has earned Hockly Plumbers the 2025 Outstanding Project of the Year at the New Zealand Plumbing Awards. NZ Plumber talks to Managing Director Will McGee about this technically challenging and culturally significant project.

hen Hockly Plumbers signed on to the Ngā Mokopuna project, it was clear this job was going to be like nothing they had ever worked on. Built to meet the rigorous standards of the Living Building Challenge (LBC), the vision for the marae was as a fully self-sufficient, culturally significant space that would serve generations to come. For Hockly Plumbers Managing Directors John Garratt and Will McGee and their team, it was a unique opportunity to combine technical expertise with cultural respect—and deliver some of the most innovative plumbing work of their careers.

WLiving Building Challenge

The LBC is an international sustainable building certification programme centred around the philosophy that buildings must ‘actively do good’ instead of simply ‘doing less harm’. Certification covers seven performance areas: place, water, energy, health and happiness, materials, equity, and beauty. The goal is a building that generates its own energy with renewable resources, captures and treats its water—operating efficiently while maximising beauty.

Projects that achieve Living Building certification can claim to be the greenest in the world and serve as role models for the future of sustainable building.

Self-sufficient system

With ‘water’ one of the seven critical aspects of the LBC programme, Hockly Plumbers had a significant role that challenged them to think outside the box. Ngā Mokopuna was designed to function independently of traditional infrastructure. That meant the team at Hockly Plumbers had to adapt to a completely new style of water system—from supply to discharge.

“Ngā Mokopuna was designed to be completely self-sufficient,” explains Will McGee. “We used rainwater harvesting, greywater filtration, and a vacuum toilet system connected to an advanced wastewater treatment plant that not only serves the building but also supports nearby areas.”

Rainwater is collected from the roof and stored in large underground tanks for use as drinking water. Greywater, from hand basins and showers, is filtered and held in tanks for non-potable uses like toilet flushing and landscaping. The

vacuum toilet system feeds into a high-tech treatment plant that filters blackwater, which is then reused for flushing water in adjacent buildings.

The team also prioritised sustainable materials, such as welded HDPE pipework, and low-waste installation practices to align with the project’s strict environmental goals.

More than just pipes

Beyond the sustainable water systems, Hockly Plumbers’ responsibilities spanned all internal plumbing for kitchens and bathrooms, hot water systems, along with full drainage and stormwater infrastructure.

“We’ve completed Greenstar-rated projects before,” says Will, “but Ngā Mokopuna was the most unique and

Ngā Mokopuna: the self-sufficient marae complex at Victoria University in Wellington.

innovative to date. There was a real focus on integrating everything with the project’s environmental and cultural vision.”

The project also offered rich learning opportunities for apprentices, who made up a key part of the team.

“This was an exceptional training opportunity,” adds Will. “The team got hands-on with sustainable systems and experienced working in a culturally significant space. Learning how to work respectfully and according to tikanga is just as important as the technical skills.”

Teamwork and leadership

Over the course of the build, which began in 2022 and wrapped up in 2025, an average of six plumbers and apprentices were on site, overseen by site foreman Ash Hanrahan. Will and John led the work as

Hockly Plumbers Managing Director Will McGee (right) and Site Foreman Ash Hanrahan collecting the company’s award at the 2025 New Zealand Plumbing Awards Night in May.

A simplified water schematic for the Ngā Mokopuna project

Rainwater Collection

RWT2

Grease Trap

RWT3

RWT4

Vacuum Toilet System

• Solid lines: piped connections

• Dashed lines: overflow / emergencies only

Greywater disposal via planting beds

RWT5

Site runoff treated via raingarden

Site sub-soil drains

Wastewater System Overflow to WCC drain (large storms only)

Handprint to Murphy flushing system

Connection to WCC sewer (emergencies only)

Connection to WCC stormwater

Connection to WCC main (emergencies only)

GWT1
WWT1
WWT2 RWT1
GWT2

project directors, with support from Junior Quantity Surveyor Reuben Irion and Office and Finance Manager Stephanie Middleton.

“There was a huge team effort behind the scenes,” explains Will. “From scheduling to materials and coordination, every aspect of the job had to work seamlessly—especially on a project this complex.”

Challenges and highlights

Installing a completely off-grid water system came with its share of challenges. Systems needed to work in harmony with both the landscape and the kaupapa of the project, with no fallback to city infrastructure.

“One of the highlights was seeing even our most experienced plumbers learning something new,” says Will. “It was inspiring to see everyone lean in, grow their skillsets and take real pride in what we were building.”

In addition to the technical accomplishments, the project carried a deeper significance for the team.

“It was inspiring to see everyone lean in, grow their skillsets and take real pride in what we were building.”

“The LBC framework blends cultural and environmental values, which gave the whole job a profound sense of purpose. The greatest reward? Stepping back at the end, knowing we’d helped build something that will support and sustain generations to come.”

Cultural foundations

Will explains that Ngā Mokopuna is not just a high-performing sustainable building— it’s a living marae, built for the future.

“Ngā Mokopuna is a truly special place for learning, gathering, sharing stories and knowledge. It’s grounded in whakapapa and tikanga, and its sustainability features are an extension of that—caring for people and the environment at the same time.”

Respect for Māori protocol was embedded from the outset. “From day one, we worked closely with mana whenua and followed proper tikanga. That meant blessings before work started, respect for the site at all times, and staying open to guidance from cultural advisors.”

A project with meaning

For Will and his team, Ngā Mokopuna was a chance to go beyond plumbing—it was a chance to contribute to something meaningful.

“This was more than a plumbing job for us,” he reflects. “It was a privilege to be part of something that really matters—to the community, to the environment, and to the future. We’re proud to have played a role in bringing Ngā Mokopuna to life.”

Rainwater is stored in underground tanks for use as drinking water, while greywater is filtered and held in tanks for non-potable uses like toilet flushing and landscaping.
A vacuum toilet system connected to an advanced wastewater treatment plant serves the building and also supports nearby areas.

FUTURE OF HOT WATER

Heat pump water heaters tick the sustainability box, reduce energy costs, and support energy security—meeting all three pillars of the World Energy Trilemma, as Rheem explains here.

AUTHOR: RHEEM NEW ZEALAND

The future of hot water is no random topic. Water heating is the second largest energy consumer in New Zealand homes (behind space heaters) and typically makes up around a third of household energy bills[1]. More broadly, 10 per cent of all non-transport energy in New Zealand goes towards heating water in industrial and commercial business[2]

Developing smart, sustainable and reliable solutions for water heating will not only save Kiwi homes and businesses on their monthly bills but will also make an important contribution to lowering our national energy consumption and carbon footprint.

World Energy Trilemma

When we talk about the future of hot water, we have to begin by talking about the World Energy Trilemma framework. For every world government, there are three key areas that need to be balanced when considering energy solutions:

energy security

energy equity (accessible and affordable energy) environmental impact and sustainability[3].

Unfortunately, most energy sources don’t tick all three boxes. Fossil fuels, for example, are traditionally more affordable and provide energy security (at least in the short term) but are unsustainable and generally have a high impact on the environment.

In New Zealand, we are fortunate to have access to a mostly renewable source of electricity—around 80 per cent of our electricity is produced from renewable sources like hydropower, geothermal power and wind[4].

This places us in a great position to meet all three aspects of the trilemma—for example, modern appliances powered by electricity will generally be sustainable. However, energy prices continue to climb, and in recent years we’ve also seen energy security becoming an issue with the grid being put under stress during peak periods.

This means we still need solutions that help NZ homeowners and businesses consistently tick all three boxes of the energy trilemma.

Hot water opportunity

As alluded to above, hot water—and particularly heat pump water heaters—presents one very tangible way to meet all three aspects of the trilemma. And because most water heaters are tucked away in cupboards or basements, the opportunity is often overlooked. According to an EECA report, over a third of people they surveyed had never heard of hot water heat pumps, and another third knew nothing about them except the name[5]. This has led to only three per cent of NZ households installing heat pump water heaters[6].

While these stats are a little concerning, they also represent a massive opportunity, not only for individual home and business owners but for New Zealand as a whole.

Heat pump water heating

So, why do heat pump water heaters present such a big opportunity? First, they tick the sustainability box. By using ambient air to heat water instead of drawing heavily from the grid, they dramatically reduce carbon emissions (especially when paired with New Zealand’s mostly renewable electricity supply).

Second, they lower energy costs. Rheem heat pump water heaters are significantly more efficient than conventional electric or gas water heaters, using up to 70 per cent less electricity to produce the same amount of hot water. This makes them an accessible option for homeowners looking to reduce their power bills.

Third, they support energy security. Because they require much less energy to run, they ease the burden on the national grid— particularly during high-demand periods. With a Coefficient of Performance (COP) typically over 4, Rheem heat pump water heaters can deliver more than four units of heat energy for every unit of electricity consumed. That’s a big win when it comes to reducing load on the grid and taking pressure off our national energy systems.

The future of hot water

Considering all the above, when we talk about the future of hot water, we should be talking about heat pump water heaters. New Zealand’s clean electricity puts us in a strong starting position. Even if your customers are currently using a traditional electric cylinder, they’re still tapping into a relatively sustainable energy source. But when it comes time to replace a unit or if you’re working on a new home, think about recommending a heat pump water heater.

It’s a proven technology that’s ticks all three boxes of the World Energy Trilemma—and the sooner we make the switch, the faster we move towards a lower-carbon, more cost-effective energy future for New Zealand.

About the author: If you’re looking for one of the most energy efficient ways to heat water, Rheem’s heat pump water heater range provides the perfect solution. rheem.co.nz/products/home/heat-pump-water-heating

References:

[1] www.genless.govt.nz/for-everyone/at-home/improve-energyefficiency/heat-water-efficiently

[2] www.eeca.govt.nz/insights/eeca-insights/hot-water-heatpumps-in-commercial-buildings

[3] trilemma.worldenergy.org

[4] www.eeca.govt.nz/insights/energy-in-new-zealand/thefuture-of-energy-in-new-zealand

[5] www.eeca.govt.nz/insights/energy-in-new-zealand/thefuture-of-energy-in-new-zealand

[6] www.eeca.govt.nz/about/news-and-corporate/news/ electrifying-nzs-ageing-household-appliances-represents-anopportunity-for-homeowners-and-the-energy-system-says-eeca

Inspired by life since 1875

For 150 years, American Standard has enabled people to create homes they truly love, through innovative designs and trusted performance shaped by the needs of those who use them. Today, we remain commited to our heritage of delivering care, comfort and hygiene, all inspired by life, love and home.

BALANCING HOT WATER FLOW AND RETURN

Flow and return lines have significant benefits, says hydraulic services expert Paul Funnell, who explains how to size and balance these systems here.

Ahot water flow pipe is the main supply pipe from the heating vessel to the last branch—the most disadvantaged fixture or outlet. The return pipe extends from the last branch back to the heating vessel.

The hot water circulates through the flow pipe due to natural draw-off caused by the drop in pressure when an outlet is opened. If the system is not in use and there is no draw-off, the circulating pump provides

the means for the water to move through the flow pipe and return to the heating vessel. During this process heat will be lost through radiation and it is replaced each time the water circulates through the heaters.

Unlike a cold water ring main, which is capable of flowing from either direction, the hot water flows in one direction only. For a domestic system, the water leaves the heater at 65°C and returns at 55°C, depending on the design criteria and heat losses.

Flow and return lines distribute hot water evenly at a constant temperature, and reduce the waiting time for hot water at each outlet.

Flow and return benefits

The two major benefits of flow and return lines are that they distribute hot water evenly at a constant temperature and reduce the waiting time for hot water at each outlet. It is the author’s opinion that flow and return systems are under-utilised on many projects.

Residential houses, motels, medical centres, butcher and bakery shops are just a few examples where more thought should be given to using the flow and return system in preference to a simple ‘dead leg’ system.

BALANCING THE HOT WATER SYSTEM

If a flow and return system is part of the project design, the contractor must balance the system after the installation is completed. Balancing the system forms part of the commissioning process and guarantees the delivery of hot water to each fixture at an even temperature and in the shortest possible time. These steps must be followed:

Step 1

Install a balancing valve at the end of each hot water flow before it becomes the return line. The valve must be of a type that has flow adjustment function (ball valves will not work). Having calculated the size of the circulating pump, the required flow is divided by the number of balancing valves.

For example: if there are four balancing valves, and it is calculated that the pump needs to circulate 0.50 l/s, the setting on each balancing valve is adjusted to allow 0.125 l/s of hot water to pass through it.

Step 2

Commission the hot water units and allow the hot water to circulate through the system for 24 to 48 hours. The hot water will settle into a pattern of distribution, based on even flow rather than temperature.

Step 3

At a time of the day when there has been no drawoff for around six hours—which is most likely to be early morning—the temperature of the pipe is taken adjacent to each balancing valve. As it is recorded, it will show that the valve on the shortest circuit will have the highest temperature. This is due to the shorter distance the hot water must travel and less heat loss compared with the longer runs of pipe.

The balancing valves are adjusted to allow more water to flow through the one furthest from the hot water vessel, and less at the closest.

Step 4

The process is repeated at the same time every day until the temperature differential between the four valves is within 1°C or 2°C. Large projects with 20 to 30 risers entering the return line may need the process repeated over 12 or more consecutive days.

Note: It is good practice for flow and return systems to be checked and adjusted every two years.

Sizing methods

The methods for sizing the hot water flow line are exactly the same as for cold water, except the quantities will be less. The principle of calculating the size of the return line from the last branch to the hot water system can be more complex, and the variables that need to be taken into account are listed below.

On smaller projects – The designer may elect to nominate the return pipe as one size smaller than the flow line at the last branch.

On larger projects – The following must be considered in the calculations:

a. The heat losses in the flow and return lines, as per the manufacturer’s calculations for the pipe insulation to be used.

b. The quantity of water that needs to circulate through the system to replace the heat losses.

c. The litres per second that the circulating pump needs to push through the system to deliver the required flow.

Having established this, the return pipe can be sized to accommodate the flow. It should be appreciated that the return line may need to be increased in size as additional branch return lines are connected.

About the author: Paul Funnell is a leading authority on estimating for plumbers, and a designer of estimating software. Between 1993 and 2015, over 6,000 plumbers attended his estimating courses in Australia, New Zealand and the USA. A Life Member of the Association of Hydraulic Services Consultants Australia, Paul was awarded the Order of Australia Medal in 2012 for services to the plumbing industry.

Gas continuous flow water heaters, such as Dux Commercial models, are a great option for high water use applications, when sized and manifolded correctly.
AUTHOR: MM BRANDS

When hot water is integral to your business, you need a system that delivers. Avoiding downtime from hot water outage is key to providing a seamless customer experience, regardless of whether it’s a product or service you’re providing.

Tankless systems

To meet the needs of New Zealand businesses, Dux Hot Water offers a range of reliable, Japanese manufactured commercial continuous flow models in 28L/min, 32L/min and 50L/min flow rates to suit installations both indoors and out, and in both ULPG and natural gas. Whilst these can be installed as a single unit, in most commercial applications they’re designed as a ‘tankless’ manifolded arrangement to meet large hot water loads, and to provide redundancy during peak demands and unscheduled downtime. When 12 x 50L/min models are manifolded, these systems can deliver up to 600L/min.

There’s also the option to connect their Back2Base IoT system to the hot water plant, providing remote monitoring via a user interface, or email/SMS notifications.

Controller connection

When multiple units are connected via the Dux smart system controller, if one of the water heaters develops a fault it will automatically transition to the next working water heater without interrupting the supply of hot water. This clever ‘connected’ system enables load sharing and modulation across the hot water plant.

The first water heater to turn on to service the load is dynamic. This shifting pattern helps to share the load more evenly amongst the water heaters to extend product life. And when multiple units work together, it maximises the surface area of the heat exchangers for improved heat transfer, and less pressure losses.

Commercial grunt

Gas continuous flow water heaters heat cold water on demand. They feature powerful burners to heat cold water quickly in only a single pass through the heat exchanger. When sized and manifolded correctly, it means you’ll never run out of hot water again.

Tankless systems avoid often complex additional plumbing between the hot water plant and storage cylinders, and their associated standing heat losses. But the high flow rates these products endure means they must be robust.

Dux Commercial models are made from high grade commercial components, including heat exchangers with 25 per cent thicker pipes, 20 per cent thicker fins and up to 50 per cent larger pipes

than domestic continuous flow models to meet the higher water use and flow rates required in commercial applications.

All Dux Commercial continuous flow water heaters have an electronically controlled bypass pathway valve to minimise the fluctuation of hot water temperature using the thermistor reading feedback programme. At a set temperature of 60°C or higher, the bypass valve is closed and ensures a quick hot water boost.

Condensing efficiency

They’re also energy efficient. They come in both non-condensing (single heat exchanger) and condensing (dual heat exchanger) models, with the latter using excess ‘waste’ heat in the secondary heat exchanger to ‘pre-heat’ the water before passing through the primary heat exchanger.

More efficient condensing technology used in both the Dux Commercial 32L/min and 50L/min models delivers up to 96.4 per cent* and 95 per cent* thermal efficiency respectively, providing greater running cost savings. They’re much less affected by seasonal temperature differentials than heat pump technology systems, which rely more heavily on electric boost plants during colder conditions.

*Nominal thermal efficiency as tested with 15°C inlet water temperature and 60°C hot water outlet temperature at maximum burn capacity.

About the author: MM Brands provides leading piping and plumbing brands, including Dux Hot Water. Dux Commercial tankless continuous flow systems are the new go-to solution for businesses with critical hot water needs, combining large capacity models and electronically connected systems with dual building recirculation pumps— backed by leading warranties from a name you can trust. mmbrands.co.nz

By connecting multiple units via a Dux smart controller, if one water heater develops a fault, it will automatically transition to the next working water heater without interrupting the hot water supply.
Dux Commercial systems can deliver up to 660L/min by manifolding 12 x 50L/min models.

Try One N Z Satellite for FREE

Here’s your Satellite Invite so you can TXT when you need it most. Try it free for 30 days with an eligible phone - no strings attached.

Larger plumbing businesses with special security policies? Give us a call on 0800 54 55 99 or email us at master.plumbers@one.nz so we can tailor your trial experience.

In this case study, Black Diamond Technologies outlines how an Auckland family switched from gas to heat pump water heating.

In Auckland’s coastal suburb of Hobsonville, a young family has upgraded their water heating system, moving away from gas to a more energyefficient solution. The installation of the Black Diamond AquaCore hot water heat pump has provided a cost-effective and environmentally conscious alternative that meets their household’s demands.

The four-bedroom home, built in 2022, originally relied on instant gas water heating. With electric cooking already in place, the homeowners sought to fully disconnect from gas to save on power bills and reduce their carbon footprint.

The solution

ACE Plumbing and Heating removed the existing gas unit, capped the gas line, and installed a 300L cylinder connected to a Black Diamond AquaCore hot water heat pump. Designed for New Zealand

conditions, AquaCore utilises heat pump technology to efficiently heat water to 62°C, achieving a Coefficient of Performance (COP) of 3.6—meaning for every 1kW of electricity used, 3.6kW of heat is produced.

Given the coastal location, the outdoor condenser was also treated with NYALIC® surface protectant to extend longevity in the salt-laden air.

Results

and performance

The system delivers reliable hot water with quick recovery times, keeping pace with the family’s needs. Integrated Wi-Fi Control allows scheduling to align with their energy provider’s free power hour and enables remote operation while travelling.

“The system performs equal to gas but at a significant cost saving,” says the homeowner. “We now have peace of mind knowing our water heating will remain affordable for years to come.”

About the author: Visit aquacore.co.nz to learn more about Black Diamond hot water heat pump technology or to enquire about adding AquaCore to your business offerings.

Diagram showing how the AquaCore split system works.
This four-bedroom Auckland home has been retrofitted with a Black Diamond AquaCore heat pump water heater to reduce the family’s power bill while servicing all the family’s hot water needs.

Built Tough. Installed Fast. Trusted Always

Trusted by professionals in over 9 countries, Fluidmaster is the world leading brand in toilet repair solutio

From fill and flush valves to full rep kits, Fluidmaster products are engineered for reliability, water efficiency, and long-term performance With fast, tool-free installation and universal compatibility, it's the bran tradies trust to reduce call-backs keep systems running smoothly.

Save time Save water Fix it right w Fluidmaster built to last and backed by over 60 years of innovation

PIPE SUITABILITY FOR HOT & COLD WATER SERVICES

Guidance on piping material for hot and cold water services that comply with the Building Code.

AUTHOR: MINISTRY OF BUSINESS, INNOVATION AND EMPLOYMENT (MBIE)

SUMMARY OF PIPES & FITTINGS MATERIALS AND STANDARDS

Materials for hot and cold water that must be accepted by building consent authorities are as follows:

Copper pipes – NZS 3501 or AS 1432 (Type A, B, C)*

Copper alloy fittings – AS 3688

Polybutylene (PB) pipes and fittings – AS/NZS 2642: Parts 1, 2 and 3

Cross-linked polyethylene pipes – AS/NZS 2492**

Cross-linked polyethylene pipe fittings – AS/NZS 2537: Parts 1, 2, 3 and 4

Stainless steel pipes – AS 5200: Part 053

Materials for cold water only that must be accepted by building consent authorities are as follows:

PVC-U pipes and fittings – AS/NZS 1477

Polyethylene (PE) pipes – AS/NZS 4130

Polyethylene (PE) pipe fittings – AS/NZS 4129

*Copper pipe and associated fittings are not dimensionally compatible with copper pipe made to NZS 3501. **Cross-linked polyethylene pipes used for hot water shall have a nominal pressure rating of PN16 or PN20.

Water supply pipes and fittings manufactured in accordance with standards cited in Acceptable Solution G12/AS1, or those specified in a CodeMark certificate, are deemed to comply with the Building Code, when correctly installed.

Water supply pipes and fittings that must be accepted by a building consent authority as complying with the Building Code are those that: comply with Acceptable Solution G12/AS1, Section 2.0 Materials hold current CodeMark product certificates.

Pipes and fittings not covered by the paragraph above may be considered by a building consent authority as an alternative solution. This guidance outlines factors for consideration when assessing if alternative pipes and fittings will comply with the Building Code.

AS/NZS 3500 Water services

Verification Method G12/VM1 previously referenced earlier editions of:

AS/NZS 3500.1 Plumbing and drainage – Water services

AS/NZS 3500.4 Plumbing and drainage – Heated water services.

As part of the Building Code updates published in November 2023, the 2021 versions of these standards are now cited in Acceptable Solution G12/AS3.

G12/AS3 requires the materials and products used with these design and installation standards to comply with Acceptable Solution G12/AS1 Section 2.0 Materials.

Earlier editions of the AS/NZS 3500 plumbing and drainage standards normatively cited specific product standards for acceptable pipes and fittings. These specific product standard conformance requirements were removed in the 2021 edition of these standards to avoid inconsistencies with the Australian WaterMark product certification scheme.

New products and materials appendices were added to these standards to aid in determining if plumbing products and materials are fit for purpose.

Introducing Greens Tapware’s new Lead Free Trade Ranges. Marrying design with functionally these ranges are both stunning and highly practical.

Greens Tapware - designed and engineered in NZ since 1935 – fostering the plumbing industry today for a bright future tomorrow.

Evaluating alternative materials for hot & cold water

Pipes and fittings that are not manufactured in accordance with standards cited in Acceptable Solution G12/AS1 may be considered by a building consent authority as an alternative solution. The guidance provided below includes factors for consideration when assessing if alternative pipes and fittings will comply with the Building Code.

Information on some of the items below may be able to be obtained from the manufacturer or supplier of the product or material.

Factors to consider include: the type of usage likely to occur the nature and temperature of the water to be conveyed and the risk of corrosion, degradation and leaching the nature of the environment, the ground, and the possibility of chemical attack therefrom the physical and chemical characteristics of the materials and products

compatibility of materials and products the pressure rating of pipes and fittings and accessibility for inspection and maintenance.

Additional factors to consider when evaluating alternative products and materials as being suitable for use with hot and cold potable water services:

1. Overseas approvals

Many products manufactured overseas have approvals that specifically include use with potable water. For example, the British Board of Agrément (BBA), Deutscher Verein des Gas- und Wasserfaches (DVGW), National Sanitation Foundation (NSF), and American National Standards Institute (ANSI) certified products and materials.

2. Manufacturing and installation Standard(s), including durability tests

Identify the Standard(s) the pipe and fittings are manufactured and installed to.

Determine if these contain tests to establish the durability of the pipe and fittings for New Zealand conditions. For plastic heated water pipes, confirm the stress regression curve for the plastic material demonstrates the required level of durability to meet Building Code clause B2 Durability at the intended operating temperature.

3. Statements/tests for not contaminating the water

Identify how the manufacturer/supplier shows that the pipe and fittings will not contaminate the potable water supply. For example, test certificates verifying compliance with AS/NZS 4020 or BS 6920.

Identify how the manufacturer/supplier demonstrates the product is lead free.

4. Resistance to light transmission through the pipe wall

Determine how the manufacturer/supplier shows the pipe will not transmit light to prevent algae growing in the pipe.

5. Resistance to ultraviolet light—for external installation

Determine how the manufacturer/supplier shows the pipe is resistant to ultraviolet light when installed in locations exposed to sunlight.

6. Clear identification to avoid confusion with similar products

Confirm the product is clearly identified with visible external marking complying with the manufacturing Standard,

particularly when compared with similar-looking products intended for a different use.

7. Manufacturer’s data relating to intended use

Check the manufacturer’s information demonstrates how the product contributes to compliance with the Building Code, including clauses G12 Water supplies and B2 Durability, and explains how the product should be used and installed.

8. Appraisal results and accreditation

Review any independent supporting documentation showing compliance with the Building Code.

If you want to substitute a pipework system originally specified in your building consent application, you need to show the council how it meets the Building Code requirements.

CodeMark

All pipework systems with a current CodeMark product certificate must be accepted by building consent authorities as meeting the requirements of the Building Code. The certificate must be current, and the product must be used in accordance with the details noted on the certificate. Find the CodeMark register at tepae.building. govt.nz/public-registers

WaterMark

Products for use in water supply systems that have been certified and marked in accordance with the requirements of the Australian WaterMark Certification Scheme and listed on the WaterMark Product Database may be deemed to meet the requirements of the Building Code for their intended purpose. Search the WaterMark schedule of products at watermark.abcb.gov.au/ certification/schedule-products

WHICH 3500 TO USE?

Please note that the 2021 edition of AS/NZS 3500.1:2021 and AS/NZS 3500.4:2021 remain referenced as an acceptable solution for compliance with Building Code clause G12 Water Supplies, subject to some modifications.

MBIE will consult on referencing the 2025 editions as acceptable solutions in a future Building Code update.

If you wish to use AS/NZS 3500.1:2025 or AS/NZS 3500.4:2025 before they are referenced as acceptable solutions, you need to propose them as an alternative solution to the relevant building consent authority when applying for a building consent.

Available now Gooseneck Taps for the SNU Plus, in four stylish colours

Effortless hot water at your fingertips

Discover our award-winning range of compact hot water systems, perfect for modern homes. From the sleek HOT 2.6 with instant boiling water to under-bench units for fast delivery at multiple sinks, our German-engineered heaters offer style, efficiency, and convenience for every household need. Plus, explore our new range of gooseneck taps, designed to complement your space with both functionality and elegance.

In this article, Rinnai summarises their recent webinar on gas water heating system modifications to increase efficiency at the Foodstuffs North Island head office in Auckland.

Foodstuffs North Island operates a 6 Green Star-rated office near Auckland airport. An EECA co-funded energy audit before the start of the project identified potential emission savings from the gas water heating system.

The existing system consists of a typical Rinnai Demand Duo type system with four high-efficiency condensing water heaters connected via a pumped flow and return to a well-insulated 800 litre storage cylinder. The hot water plant supplies a commercial kitchen and end-of-trip shower facilities, primarily for those cycling to work.

Figure 1 below shows a simplified schematic of the system installed at Foodstuffs. Energy used by the system is made up of:

a. hot water from fixtures

b. energy lost from ring main

c. energy lost from storage cylinder

d. boiler flue

e. energy used heating and then lost from the boiler heat exchanger, plus the electricity used in pumps, controls and boiler.

The project commenced with a desktop review of gas energy and hot water use. 6 Green Star buildings are required to closely monitor energy use, so excellent existing data was available.

Figure 2 above shows typical hot water and gas energy use for a week. Of note is the gas used at weekends, when little hot water is drawn. At these times, energy consumption is mostly because of the ring main heat loss. This constantly cools the storage tank with the return water, resulting in boiler heating cycles to maintain temperature. These short cycles heat the metal of the heat exchanger, which is then lost to the atmosphere between cycles.

When you compare weekday to weekend use in Figure 2, the ring main and boiler operating overhead makes up over 50 per cent of the gas used.

This initial review resulted in efforts focused on the ring main and boiler heat exchanger losses. A series of incremental modifications were made to reduce gas use: Ring main reheater: A 60 litre, multi-element Rinnai commercial heavy-duty electric cylinder was installed in the

Figure 1: Typical Demand Duo. When the tank sensor (5) indicates to the pump control (4) that heating is required, pump (3) is powered on. When flow is detected, the boiler (1) ignites, heating water that returns to the storage tank (2). Hot water is constantly circulated around the building by pump (6), so water is available near-instantly at remote fixtures.
Figure 2: Initial hot water and gas use for a typical week.

The existing gas hot water system at the Food Stuffs North Island head office has been modified to a hybrid system, resulting in lower maintenance and running costs and a reduced carbon footprint.

ring main return to create a gas/electric hybrid system. This reheats water from the ring main return before it is delivered to the storage cylinder. The boilers will then operate only once significant draws have resulted in cold water entering the storage cylinder. They no longer operate regular short cycles to reheat the cylinder as a result of the ring main return water.

Ring main temperature: The ring main is supplied by a mixing valve to limit temperature. This was reduced from 70°C to 65°C.

Right-sizing of the hot water plant: The hot water used is well below the capacity of the hot water system. As the Demand Duo uses a modular system with multiple boilers, it was straightforward to isolate two of the four boilers. This halves the losses to atmosphere from the metal of the boiler heat exchangers between cycles.

The retail cost for the installation of the small heavy duty electric cylinder would be expected to be less than $10,000. The other changes incurred no cost.

For each cubic metre of gas used, four and a half times as much hot water was delivered in 2025. Some of this reduced gas use has been switched to electricity consumption, which will have a lower carbon footprint.

Hot water use varies considerably month to month. To show the cumulative effect of the steps taken above, the months of May 2023 and May 2025 are compared in Figure 3 above. These months had similar total hot water use, and the gas savings are significant.

For each cubic metre of gas used, four and a half times as much hot water was delivered in 2025. Some of this reduced gas use has been switched to electricity consumption, which will have a lower carbon footprint. The balance of the reduced gas use is outright savings from lower ring main and boiler heat exchanger losses. Demand for hot water in May is moderate. In the fourth quarter of the year, where hot water demand is higher, savings will be smaller but remain significant.

An added advantage of the new hybrid system is the much lower boiler maintenance that will be required due to the significant reduction in on/off cycles. The boilers will also have a much longer economic service life.

This project was supported by The Kennedy Educational Scholarship Trust, Foodstuffs North Island, Rinnai, The University of Auckland Department of Mechanical Engineering, Basset Plumbing, and Direct Control.

To view the webinar recording, please visit bit.ly/rinnaifoodstuffs

ABOUT THE AUTHOR: If you are interested in a hybrid system for an existing or new project, please contact the commercial team at Rinnai, who will be happy to guide you through the process. info@rinnai.co.nz

3: Litres of hot water produced per cubic metre of gas
of similar hot water demand.

LNG IMPORTS Future energ y option?

Two studies, released in July, explore the feasibility of imported LNG as part of New Zealand’s future energy security mix.

Following the rapid decline in the availability of gas for electricity generation, a group of major New Zealand energy companies has collaborated to explore the option to

import liquefied natural gas (LNG) and assessed the role LNG could play to meet New Zealand’s future gas demand.

Clarus, Contact Energy, Genesis Energy, Meridian Energy and Mercury

CONVENTIONAL-SCALE LNG

Flexibility—at a cost

LNG is equivalent to our domestic natural gas (once LNG is regasified) and can be transported using existing gas networks and used in existing gas appliances. The global LNG industry has grown considerably over recent years, with around 50 countries now relying on LNG imports to meet their domestic energy needs.

The global LNG trade has standardised around large vessels (carrying around 170,000-180,000m³, or 4.5PJ of gas), with much of the storage and regasification equipment located on permanently moored ships (known as Floating Storage and Regasification Units or FSRUs).

The real benefit of these conventional-scale LNG solutions is to improve security of energy supply, providing access to energy when required. In New Zealand’s case, this may be in a dry-year when hydro inflows are low, or if domestic gas supply continues to decline.

The Gas Strategies study found that a conventional solution would allow New Zealand to access additional gas at around $18

commissioned two studies, looking both at conventional-scale solutions, as used across the globe, and smaller-scale options.

“This work aims to provide New Zealand with a robust and clear-eyed evaluation

per gigajoule (GJ) on a landed cost basis. The landed price is at the entry point to the import terminal and includes shipping.

The total cost to end users would also need to account for the capital and operational costs required to deliver that gas into the system through port upgrades, regasification systems and storage, estimated at an additional $170-$210 million per year.

These would also contribute to the effective delivered cost to more accurately reflect the total cost to end users. Therefore, the final delivered cost per GJ would depend on the annual throughput of the terminal.

The large size of the ships involved in conventional-scale LNG imports would necessitate significant infrastructure investment, including port or pipeline upgrades.

Depending on the location and technology used, capital cost estimates range from $190 million to $1 billion, which is a significant investment given the uncertainty around how often LNG imports would be needed.

Government support would be needed for any LNG import option to proceed.

of LNG import feasibility, and while both options are technically feasible, they each come with very different costs and benefits,” says Clarus Chief Executive Paul Goodeve.

The studies were carried out between September 2024 and May 2025 by international LNG experts Gas Strategies, based in the UK. They have previously advised on similar projects and have been able to provide their international expertise and knowledge, along with engineering consultancy Wood Beca (NZ).

The reports show that a gas import option may be technically feasible, though with some challenges to consider. Study partners have shared the reports with government officials, whose support would be necessary for any option to proceed.

The study partners emphasised that LNG is just one of several options being explored to support energy resilience. Investment in renewables, demand-side management and electrification remain central to the country’s low-carbon energy transition.

“Ultimately, our energy future will be shaped by a mix of energy options and this work ensures the option of LNG is properly understood,” said Goodeve.

SMALLER-SCALE LNG

Lower cost—less flexibility

In an effort to seek out lower capital cost solutions, Gas Strategies also explored smaller-scale developments that would use existing port infrastructure without major modifications. These solutions would involve much smaller vessels of around 15,000m³ in size (0.4PJ). Roughly one-tenth the size of conventional LNG carriers, they could shuttle between Australian LNG export projects and a New Zealand port, such as Port Taranaki. This model could provide an additional 7-10PJ of energy per year to the New Zealand system—equivalent to around one month of current gas supply.

Crucially, the smaller size of ships means limited site works would be required, enabling faster and more flexible development.

On a landed cost basis, small-scale LNG would cost approximately 25%

more than large-scale, at $20-$21/GJ. The additional capital costs of smallerscale LNG infrastructure are estimated between $140 million and $295 million, depending on how much onshore storage is built.

So, while the gas costs are more expensive than conventional scale, the infrastructure costs are lower, and the gas itself is expected to be more expensive. Again, the final delivered costs per GJ would need to take into account both the landed cost and capital cost.

The study also highlights several issues that would need to be addressed in moving forward with smaller-scale solutions. These include securing interest from existing sellers to supply a relatively small volume of gas and ensuring sufficient storage of LNG when it arrives in New Zealand.

GAS REGULATORS

Keeping it safe

While AS/NZS 5601.1:2022 is not yet cited in gas regulations for general compliance, gasfitters should get familiar with this new version of the standard, which offers crucial guidance for future safety, says Aqualine.

The New Zealand gas installation landscape is continually evolving to enhance safety. Gasfitters need to be aware of both the current legal compliance requirements and the latest industry standard advancements for gas regulators and pipework.

AS/NZS 5601.1:2013 is currently cited in the Gas (Safety and Measurement) Regulations 2010 and NZ Building Code clause G11 as the primary compliance means for general installations.

However, the 2022 revision AS/NZS 5601.1:2022 introduces significant new safety features and best practices that gasfitters should become familiar with.

Emphasis on advanced safety

The updated AS/NZS 5601.1:2022 standard increases emphasis on advanced safety in residential and light commercial gas

NAVIGATING COMPLIANCE

As an authorised gasfitter, it is your responsibility to ensure all gas installations meet current safety standards. Here’s a clear breakdown:

Current compliance: For most general gasfitting work in New Zealand, you should continue to use the 2013 edition of AS/NZS 5601 to comply until such time as the Gas (Safety and Measurement) Regulations 2010 are updated to cite the 2022 edition. Ensure Certificates of Compliance reflect the 2013 standard.

Certified designs: Specific AS/NZS 5601.1:2022 requirements (including EFV/UPSO for MLP) apply if your installation is under a certified design that explicitly uses the 2022 standard. Practices and products: Familiarise yourself with the 2022 standard’s new safety features. Consider products that offer these enhanced features, providing higher safety and future proofing.

Supplier support: Confirm compliance status of products and their suitability for your project’s specific regulatory requirements. Records of work: Keep thorough records of regulators and safety devices, noting which standard the installation complies with. This is vital for audits, inspections or warranty claims.

installations. It aims to prevent uncontrolled gas flow from events like ruptured pipes, particularly in systems using flexible multilayer piping (MLP).

These advancements align with international best practices. While the 2022 standard is not yet cited in the Gas (Safety and Measurement) Regulations 2010 for general compliance, it offers crucial guidance for future safety—and applies to certain certified designs.

Fire emergency isolation with EFVs or UPSOs

The 2022 revision mandates specific safety measures, especially for installations using multilayer pipe.

This includes a requirement for fire emergency isolation, typically achieved with an Excess Flow Valve (EFV) or a regulator with an integrated Under-Pressure Shut-Off (UPSO).

Aqualine’s new CLESSE automatic changeover (ACO) regulator range meets the technical specifications and advanced safety requirements of AS/NZS 5601.1:2022—reflecting a broader industry trend toward smarter, safer gas systems.

1. Excess Flow Valve (EFV): An EFV automatically restricts gas flow on detecting a sudden surge. Installed near the supply point, these fail-safe devices require no power.

2. Regulator with UPSO: For multilayer pipe installations, the 2022 standard allows a regulator with an integrated UPSO. This feature shuts off gas flow if outlet pressure drops below a safe threshold, offering similar protection. Both EFVs and UPSOs are compliant options under AS/NZS 5601.1:2022 for fire emergency isolation where multilayer pipe is used.

What about OPSOs?

Though AS/NZS 5601.1:2022 doesn’t universally mandate Over Pressure Shut-Off (OPSO) devices, manufacturers increasingly offer regulators with both UPSO and OPSO features. OPSO mechanisms protect against excessive pressure buildup, adding another safety layer. Their inclusion is best practice, especially in high-risk LPG installations.

Product availability

The industry is actively responding to higher safety benchmarks. Suppliers are updating product lines to meet the advanced AS/NZS 5601.1:2022 requirements.

Aqualine has introduced a new CLESSE automatic changeover (ACO) regulator range designed for the New Zealand market, meeting the 2022 standard’s technical specifications and advanced safety requirements. Their proactive approach reflects a broader industry trend toward smarter, safer gas systems.

These regulators feature:

Integrated excess flow design

Visual active indicators

Consumer reset functionality

Compatibility with single and dual-cylinder setups

Telemetry-ready capability.

As technology evolves, gasfitters can expect further innovations like smart diagnostics and remote monitoring. Aqualine is actively developing telemetry components and software, aiming for availability and integration into the New Zealand market by yearend to enable enhanced monitoring and control.

Looking forward

New safety requirements within AS/NZS 5601.1:2022 are a positive step, raising the bar for gas installations and positioning you at the forefront of gas safety.

Focus on maintaining 2013 compliance while staying informed about 2022 advancements. Familiarise yourself with both standards; it’s about doing the job right and keeping people safe.

The New Zealand gas industry prides itself on high standards. Navigating evolving safety standards reinforces this. By staying informed, adapting quickly, and choosing products that meet rigorous safety benchmarks—like those supplied by Aqualine—we ensure Kiwi homes and businesses benefit from safe, reliable gas systems.

For more information, contact your local supplier, WorkSafe, the PGDB industry regulator, or Master Plumbers. Look out for training sessions and product demos.

Stay safe, stay compliant, and keep doing great work.

ABOUT THE AUTHOR: Aqualine is a leading provider of plumbing, gasfitting, backflow and drainage solutions in New Zealand. Developing, importing, assembling and manufacturing only the highest quality products, Aqualine serves its partners and customers with distinction. www.aqualine.co.nz

CHECK

Introducing Englefield Tivoli InSlide & InSwing Shower Enclosure

Space-saving innovation for Kiwi bathrooms

Say goodbye to bulky pivot and hinged shower doors—New Zealand welcomes the revolutionary Tivoli InSlide and InSwing shower door. Designed with modern living in mind, the Tivoli InSlide glides smoothly within the enclosure, while Tivoli InSwing combines the best of both sliding and pivoting actions, eliminating the need for outward door clearance and maximising your bathroom space.

Crafted with 8mm thick safety glass, the Tivoli ensures durability and a premium feel. Its CleanLess coating resists

soap scum and water stains, making cleaning effortless and keeping your shower looking pristine for longer. Available in three elegant finishes—Metallic, Brushed Brass, and Gunmetal—the Tivoli complements any contemporary bathroom aesthetic. Backed by a 10-year warranty, it’s a stylish and reliable upgrade for any home.

More about Englefield showers at englefield.co.nz Where innovation meets elegance.

Caroma All Pressure is here

Two popular Caroma ranges—Urbane II and Liano II—have gone All Pressure, making life easier for you.

All basin and sink mixers are lead-free, include an aerator conversion kit in the box, and are suitable for pressure over 35kPa.

Plus, Caroma are rolling out All Pressure shower mixers (with upgraded Fastflow II cartridges) and rail showers featuring Satinjet® technology with a wide bore hose—all in Caroma’s full colour range.

Caroma are committed to developing the brand to support the needs of the NZ market and backing you with gear that works for our unique conditions.

caroma.com

New space saving innovation

Smarter Foam Application with Genius Gun®

Only from Soudal

Soudal’s patented Genius Gun® technology transforms the way expanding foam is applied, bringing precision, control, and reusability together in one easy-to-use system. Designed for professionals, the Genius Gun® delivers one-handed operation, reduces mess, and eliminates the need for separate foam guns.

Unlike standard aerosol foams, the Smart Expanding Foam with Genius Gun® is reusable for up to 6 weeks after first use. This means less waste, fewer tools to carry, and more value from every can.

Pro results without the gun

Accurate application with minimal cleanup

Reusable for up to 6 weeks

Ideal for multiple small jobs or extended projects. Smarter. Faster. Cleaner.

Experience the difference with Soudal’s Smart Expanding Foam today. https://soudal.co.nz/foam-solutions

Launching Terminator MaxiStop Pressure Limiting Valve

Upgrade your plumbing installations with Hydroflow’s Terminator MaxiStop Pressure Limiting Valve (PLV)—the innovative point-of-use isolation valve with integrated pressure limiting set at 350kPa, with a flow rate of 10l/min. Engineered to protect flexi-hoses, tap cartridges and appliances from overpressure, it eliminates the risks standard pressure limiters miss—especially thermal expansion within hot water lines.

Designed for performance and installer ease, it features a polished chrome finish, soft-seal quick connection, allpositional swivel inlet, and smooth quarter-turn operation. No thread seal required—just a clean, efficient install every time.

Choose MST-1 for 15mm connections or MST-2 for 20mm appliances. Both reduce water hammer, crossflow and pipe noise while prolonging appliance life. WaterMark approved to AS1357.2 and compliant with NZ plumbing standards. Terminator PLV is rated PN12 with a working temperature range of 0.5°C-80°C. Smart, safe, and durable—setting the benchmark for point-of-use protection.

Unveiling new range of Clesse regulators

Aqualine are proud to unveil the latest generation of Clesse™ regulators—engineered for safety, compliance, and smart connectivity. The new range includes models with OPSO (Over Pressure Shut Off), UPSO (Under Pressure Shut Off), and EFV (Excess Flow Valve) kits, delivering robust protection that complies with AS/NZS 5601.1 standards.

A standout in the lineup is their compact unit that integrates both 1st and 2nd stage regulation—making it a premium safety solution for typical residential setups and standard 2x bottle installations. Choose from a variety of 1st and 2nd stage regulators, available separately or as integrated units. With telemetry-ready capability for both iOS and Android, monitoring and maintenance are easier than ever.

Upgrade your installs with confidence—choose Clesse, where innovation meets compliance.

Marley’s Curve® Improved Design, Improved Performance

The improved design of Marley’s Curve® leaf and debris diverter offers even better protection for rainwater tanks and stormwater systems. Curve® offers an easy add-on sales opportunity for any downpipe install, repair or replacement job. Especially as it’s designed to seamlessly integrate with Marley’s tried and trusted RP80® downpipe system, as well as RP65 or metal downpipe via an adaptor set (sold separately).

You will appreciate the same ease and speed of installation as the prior model, but with improved performance, particularly in high rainfall events. For improved maintenance, the unit can be installed lower down the downpipe than the previous model. There is no glue required, and it is very easy to maintain.

Curve® is backed by a 15-year guarantee and is available in Marley’s popular Stratus Design Series colours: Black, Ironsand, FlaxBlack, Grey Friars, Gull Grey, Copper, and Titanium—making colour matching with downpipe and spouting even easier.

Curve is available at all leading plumbing and building merchants. For more information, please visit the Marley website, contact your Marley Territory Manager or call the Call Centre on 0800 MARLEY (0800 627 539).

AI

AI GUIDANCE for businesses

New Zealand has its very first national AI strategy, released this July. Going hand in hand with this is new AI guidance from MBIE to help businesses use AI responsibly to increase their productivity, competitiveness and innovation. The guidance is accompanied by a QuickStart flyer, with simple tips to get you started in this brave, new world.

HOW TO CUT BACK ON CALLBACKS

No business wants callbacks, which come at a cost to profitability and reputation. But how to avoid them? NZ Plumber has advice.

Customer callbacks are never welcome. They disrupt schedules, require extra travel time and cost, and take your team away from profitable jobs. They can also result in poor reviews and damage your reputation—and you’re unlikely to get any repeat business from the customer in question.

WHAT CAUSES PLUMBING CALLBACKS

For more than a decade, BRANZ has produced an annual New House Owners’ Satisfaction Survey, which shows, by trade, the proportion of new homeowners who call them back to fix defects. Plumbers currently rank third on the list, with a 31 per cent callback rate, close behind carpenters at 35 per cent. Painters top the list at 50 per cent.

Master Plumbers asked BRANZ Chief Executive Officer Claire Falck to provide more information on the nature of the plumbing callbacks highlighted by the latest survey. This was her response:

“Looking specifically at how homeowners describe the plumbing related defects they have experienced, the major themes are:

Leaks and water pressure problems – such as leaking sinks, tap fittings, toilets, decreased water pressure in showers, shower cubicle water dripping outside cubicle

Installation errors – such as incorrect plumbing of hot/cold water, shower fittings not sealed properly, insufficient sealing around fixtures, waste pipes not connected or leaking Blocked or faulty systems – such as blocked sewer due to debris, drains not functioning/incorrectly installed.”

Claire also noted that new homeowners are positive about their experience when there are good levels of communication, and defects are fixed promptly after first occupancy. “What we generally find is that new homeowners state that the number of defects is fewer than expected (25% of respondents) or as expected (33% of respondents). This suggests that the industry is doing a good job at setting expectations from the outset.”

Related tradespesons call back rate after first occupancy

HOW TO PREVENT THEM

Every plumber, gasfitter or drainlayer worth their salt wants to get the job right, first time. Inevitably mistakes happen, and it is good business practice to go back and fix these promptly.

To avoid a high volume of callbacks, however, it’s worth addressing the causes, which might include inadequate training, poor quality control processes, rushed jobs, or miscommunication between office and field teams.

At the end of every job, it’s always worth reviewing the work done to make sure it is up to scratch. Time taken at this point could save a lot more time, cost and frustration further down the track.

Master Plumbers has developed a plumbing, gasfitting and drainlaying handover checklist for new residential builds. This resource is free to members in the Dealing with Customers category of the Member Toolbox at www.masterplumbers.org.nz

Customer callbacks are unlikely to result in repeat business.
BRANZ New House Owner’s Satisfaction Survey.

GIVE Y OUR PL UMBING, GASFITTING & DRAINLAYING BUSINE S S THE COMPETITIVE EDGE

Surround yourself with the right people

Join the plumbers, gasfitters and drainlayers just like you who get exclusive trade deals, training, networking and business growth opportunities so they can stay ahead of the curve. Get all of this and more, including industry leadership and the coveted Master Plumbers Guarantee. Become a Master Plumbers member today. masterplumbers.org.nz

Restraints of trade

A restraint of trade clause in an employment agreement is a good idea—but only if done right.

You invest time and energy developing your team—training them up, helping them build strong customer relationships. But what happens when they decide to move on, possibly to a competitor just down the road? It’s no surprise many tradies consider adding restraint of trade clauses to employment agreements.

But be careful. In a recent case, NZME Publishing Ltd v Ankus [2025], the employer tried to stop a former employee from working elsewhere, citing a restraint clause. The Employment Relations Authority (ERA) threw it out. Why? It was too broad, too vague, and not backed by evidence showing real risk to the business.

So, how to avoid that happening to you?

Keep in mind:

1. Restraints must be reasonable

You can’t just say ‘you can’t work for anyone else for a year’. The ERA looks at the role, the region, and the real risk. A clause that’s too long, too broad, or too harsh is likely to be unenforceable.

2. Be clear and specific Spell out what you’re protecting. Is it client lists? Business contacts? Staff

poaching? General restrictions won’t cut it—especially for junior roles.

3. Use the right clause

The Master Plumbers standard individual employment agreement (IEA) template includes a ‘Business Protection’ clause (Clause 19) covering nonsolicitation of clients and staff. Just make sure you tailor the timeframe and region to fit the employee’s role and seniority.

4. Talk about it upfront

The best clauses are discussed when employment starts—not tacked on later. Make sure your employee understands what they’re agreeing to.

5. Culture still matters

Even the best contract won’t stop someone leaving if they’re unhappy. Build a strong culture and exit well—often the best protection in the long run.

Need help tailoring your IEA or reviewing your clauses? Get in touch with the Master Plumbers HR team—we’re here to help. Find contact details at www.masterplumbers.org.nz, under Member Benefits & Discounts.

Taking steps to ladder safety

New ladder safety resources from Master Plumbers to help you step up, not slip up.

Ladders are a staple piece of equipment for tradies.

Lightweight and convenient, they’re often the quickest solution for getting to height. But gravity is unforgiving, and ladders can cause serious workplace falls.

Around 70%* of constructionrelated falls from a height in New Zealand are from ladders and roofs— and more than half of these are from less than 3m. In many cases, injuries could have been prevented with some simple checks and safer habits.

We often think of working at height as being on a roof or scaffold, but using a ladder is also considered as working at height under New Zealand health and safety legislation. And when it goes wrong, the consequences can be life-changing.

Where things can go wrong

Equipment is damaged or unstable

The incorrect ladder is used for the task

Poor ground conditions

Overreaching or carrying awkward loads

Using ladders for tasks where a scaffold or work platform would be better suited.

You might be thinking, “I’ve used ladders hundreds of times”, and that’s probably true. But fatigue, time pressure, distraction or inexperience can quickly turn a quick, routine task into a dangerous one.

Resources to help

Master Plumbers has developed new Ladder Safety Toolbox Talk and

Ladder Inspection Checklist resources for members. These ready-to-use tools may help you: Prevent injuries

Ensure equipment is in good condition and fit for purpose

Help your team identify hazards and put controls in place.

These are ideal for team or site meetings, inductions, or even a 5-minute reminder before a job begins.

Sign in to the Master Plumbers website and download these resources today.

* According to WorkSafe

About the author: Health, Safety & Wellbeing Advisor at Master Plumbers and Masterlink. Got a topic that would make a useful toolbox talk resource? Email hsw@masterplumbers.org.nz

INVESTMENT BOOST

A worthwhile tax saving?

New tax rules allow an immediate 20% tax deduction for an asset purchase, with the remaining 80% depreciated throughout its life.

Every year, at least one client will call up shortly before the end of March and say something like, “If I buy a new excavator before the 31st, will I save tax this year?”

Until recently, my answer has generally been, “Not much, so don’t rush off and make any snap purchases just to try and beat this deadline.”

However, recent changes to the tax rules, called ‘Investment Boost’, now make this type of purchase a better proposition. Investment Boost allows an immediate 20% tax deduction for asset purchases. The remaining 80% of the asset can still be depreciated throughout the life of the asset. Previously, the only tax deduction available for asset purchases has been via depreciation.

The idea behind the policy is to encourage business investment, which might in turn help the country battle its way out of the current economic slump.

Let’s use an example to compare an asset purchase under the old and new rules. We will use the same example—a $100,000 excavator purchased on 15 March.

The old rules

When the excavator is purchased, it is added to the asset register and depreciation begins. In this case, there will be 16 days of depreciation at the relevant depreciation rate. For excavators, the Straight-Line depreciation rate is 8.5%, giving a depreciation deduction of $373 in this first financial year. This will result in a very minor reduction in profit and tax.

New or imported assets only

One aspect of this policy that is bound to trip some people up is that Investment Boost only applies to assets that are ‘new or new to New Zealand’. This means second-hand assets are not eligible, unless they are imported. This is a pity, as there are many trade business owners who prefer to buy quality used rather than new machinery.

The new rules

With Investment Boost, an immediate 20% deduction is allowed in the first financial year, resulting in a substantial $20,000 deduction.

Overall, the Investment Boost policy is a worthwhile change to the tax rules and could help your business, especially if you have had a profitable year and are looking for ways to reduce your tax while also upgrading your assets. About

Giving the example of a new $100,000 excavator, purchased on 15 March, the tax deduction in the first financial year would be $20,000 under Investment Boost, compared with $373 under the old rules.

Kits come with 2x pigtails and bottle chain

Safety features comply with AS/NZS 5601.1

Telemetry-ready for IOS and Android

learn more about the full range of Clesse Regulators.

APPRENTICE PROFILE

Career starters

Getting a trade after a false start at university is the best decision Marieke Oram ever made. NZ Plumber catches up with Marieke about her journey and recent gasfitting award win.

PHOTOGRAPHY: DEAN MACKENZIE

Marieke Oram has passed her gasfitting and plumbing registration exams and is now set on becoming a Certifier.

Marieke Oram’s career is off to a flying start, having been recognised for her gasfitting excellence at this year’s NZ Plumbing Awards.

Marieke was the Gasfitting Finalist for the James Douglas Medallion, awarded each year to newly qualified apprentices in each of our three trades.

She achieved an impressive 87 per cent pass mark in her gasfitting registration exam last year, and followed that up with a similar result in plumbing. Not bad for someone who came relatively late to a trades career, having initially been encouraged down the university path.

Practical by nature

“Going to uni after school was the expected thing and I did one semester of a psychology degree, which I hated!” recalls Marieke, who’s now 31. A brief foray into office admin was equally unsuited to her practical nature.

“I didn’t want to be at a desk all day—I wanted to be using my hands,” she says. “My brother is a builder and I know heaps of sparkies, so I thought I’d try a trade.”

That led to a pre-trade course at Ara in Canterbury, with work experience at Clyne & Bennie in Christchurch two days each week. The company went on to offer Marieke an apprenticeship and she hasn’t looked back.

Under the supervision of Basil Martin and Bernie Russell, she carries out residential and commercial maintenance work and relishes the variety of jobs—even grease trap servicing, which she admits is the smelliest of all.

“I just get stuck in—it has to be done,” says Marieke, in her no-nonsense way. “With plumbing, it’s not hard to find out the problem and fix it by working your way from A to B.”

Holding her own

She’s equally straightforward in her approach to being a woman in these male-dominated trades. “Anyone can do a job well or badly,” she says. “I just want to be perceived as a good worker, rather than being compared with other women in the industry.”

Yes, sometimes the jokes aren’t fun and, yes, not having a toilet available on site is the worst thing—plus women’s workwear is still pretty limited. But, generally speaking, there’s nothing stopping women doing a trade, she says.

Initially, some of Marieke’s co-workers were unsure how to be around her but she soon broke the ice with her sense of fun and ability to hold her own. “You have to be a bit thick skinned in this industry,” she says with a laugh.

Customers are sometimes also taken aback when Marieke calls to let them know she’s on the way. “The amount of times they think I’m

in office admin and ask me to tell the gasfitter to bring something along when he comes!”

Once they get over the initial surprise, clients are usually very happy to have her there, although a few feel the need to explain to her how to do her job. Some women, in particular, can’t understand why she’d ever want to work in the trades but there are plenty who tell her how proud they are of her for taking this route. “I’ve also had several women customers who are really glad to have a female working in their home, as they feel more comfortable—which is sad but true.”

Give it a go

Asked what advice she would give others thinking of giving a plumbing and gasfitting career a go, Marieke answers with her customary humour. “Wear knee pads and hearing protection!”

Joking aside, she says to just give it a go. Marieke says she’s lucky to have really supportive supervisors at Clyne & Bennie, who are always willing to help her out. “Don’t be afraid to ask dumb questions, and make the most of your tutors while you have them.”

With her apprenticeship fast reaching completion, Marieke’s looking forward to getting stuck in again and becoming a certifying tradesperson. No doubt she’ll tackle it in her usual down-to-earth style... and with excellent results.

Marieke with Clyne & Bennie Managing Director Martin De Gouw outside the company’s Christchurch premises.

DIFFERENT MINDS, ONE TEAM

Plumbing businesses that provide good support for team members with neurodivergence, such as dyslexia or ADHD, can benefit in many ways from their ‘out of the box’ thinking. NZ Plumber looks at employer considerations and talks to four Masterlink apprentices about their personal experiences.

Neurodivergence (ND) is an umbrella term to describe brains that process information in a way that is not typical (neurotypical). ADHD, autism, dyslexia and dyscalculia are forms of ND you may have encountered. Others include OCD, dyspraxia, dysgraphia, bipolar and Tourette syndrome.

ND individuals often experience differences in the way they learn—and sometimes feel about social situations. This may be picked up early or later in life by parents, teachers or bosses, and can lead to an assessment. Providing this assessment—and giving a name to the difference in thinking—can help the person understand themselves better and access the right support.

Asking the right questions

Adding an ND person to your team doesn’t need to be extra work. The key to success is good communication to overcome perceived barriers. Ask what support they need from you to be able to do their job. If the team member is an apprentice, make sure they are also getting good support from their training provider. Providers should be able to tailor their teaching style to each learner’s needs.

Providing the right support

Masterlink Apprentice Training Manager Pete Shields has had a lot of experience supporting neurodivergent PGD apprentices, both during

TRAINING & RESOURCES

umbrella.org.nz

Neurodivergence training workshops for employers and their teams ako.ac.nz

Neurodiversity workshops and resources for the tertiary sector

his time at Masterlink and his many years as a senior tutor. He says ND individuals can be more committed to learning than the neurotypical.

“They realise they need to apply themselves that little bit extra.”

Some students find it easier if they can visualise ideas, so Pete suggests rewording instructions or drawing diagrams to display different concepts.

He has found that some learners mask their challenges, as they feel embarrassed. “There has never been a learner who couldn’t be accommodated,” he says. “Good open discussion from the beginning is key to understanding the type of support the learner needs to retain the theory.”

CARL REBER

ADHD

Carl Reber’s high school friends first picked up that his thinking and learning process was different from theirs. His doctor later confirmed an ADHD diagnosis.

Concentrating on bookwork and research projects is a challenge for Carl, who is a Masterlink plumbing, gasfitting and drainlaying apprentice. He knows he needs to stay engaged to stay on track. Having the support and encouragement of his Masterlink mentor helps keep him accountable. He says it would be a struggle to learn without this in place.

Because of how Carl’s mind works, he says he can bounce around with tasks. This can lead to him partially completing a few jobs rather than seeing one through to the end before starting a second.

Large tasks are another challenge. Sometimes they feel too big for him to even begin. The size becomes a distraction. Carl has found that breaking down large pieces of work into smaller sub-tasks makes it easier.

His different way of looking at things means he can see solutions to problems that a neurotypical colleague may not. He also likes to understand tasks in detail and asks a lot of questions at the start of a job to gather as much information as possible. He’s learned this can come across as questioning authority or the expertise of colleagues but explains it’s just the way he needs to work.

Carl’s boss is really supportive and understands his thinking process. He gives Carl tasks in a way he can easily deal with them—breaking down each larger task into a list of manageable smaller groups of things to do.

Carl’s advice to anyone with ADHD considering a PGD career is, “Find a system and a way that works for you with the bookwork and stick to that.”

ETHAN FOAKES

Dyslexia and dyscalculia

It was at primary school where Masterlink plumbing, gasfitting and drainlaying apprentice Ethan Foakes first noticed his thinking and learning processes were different. He was assessed and diagnosed with dyslexia (which mainly affects how a person reads, writes and spells) and dyscalculia (difficulty with maths and understanding numbers). This led to him accessing a reader-writer for exams.

Dealing with numbers, formulas and calculations in his day-to-day work is a challenge. Ethan’s phone helps with some of what he needs and colleagues are supportive too. In one situation, a team member explained a task twice and realised Ethan still didn’t fully understand. “He drew a diagram of what we were doing and then wrote the calculations… I just took a photo of it.” Having something visual to refer to is the way to go for Ethan.

BRYNN LANDMAN

Dyslexia

Newly qualified drainlayer Brynn Landman was diagnosed with dyslexia during his early years of school. He says having this diagnosis led to help and support with learning and at exam time.

For Brynn, paperwork is one of the key areas of his life impacted by dyslexia. “Tasks that involve reading, filling out forms, or writing detailed reports often require significantly more mental effort and concentration compared to others. I find myself having to doublecheck spelling, reread instructions multiple times, and stay highly focused to avoid errors.”

Brynn’s family support has been a big help through study and work. He also knows taking his time is the best strategy to get things right. He was able to access support from a reader-writer when he sat his drainlayer registration exam.

“Brynn worked hard to do his theory assessments, aced all his practical work, and then had to work extremely hard to pass his exam,” says Masterlink Apprentice Training Manager Pete Shields.

What stands out for Pete is that Brynn never gave up. “He worked hard and got there.”

Brynn works at Tauranga Hardware and Plumbing, where he completed his Masterlink apprenticeship. Pete says the business really supported Brynn along the way and his brother Quinton is now completing his Masterlink apprenticeship there.

To anyone with ND thinking about a PGD career Brynn says, “Make sure you have good people around you that will support and push you along. Also, stick to it! Don’t give up… and remember there’s no shame in asking for help if you need it.”

Ethan can access a reader-writer when on block course. Through this support, he has learned about Google Chrome’s OpenDyslexic extension, which provides different fonts and background colours to websites to help readers with dyslexia.

He doesn’t openly share his neurodiversity with colleagues but doesn’t hide it either. Some of his team know he struggles with numbers. And Ethan shared with some of them about this interview for NZ Plumber. He says, “If people ask, I’d be more than happy to talk to them about it.”

Creativity and sport are where Ethan really shines. “When I was younger, I’d spend hours in the shed with my granddad, just watching him and then asking questions.” He always knew a practical role was the way he was headed.

He loves his career on the tools, despite having struggled at times. “If you don’t understand, keep on asking until you do,” he says. “You’ll find a way. Just communicate with people.”

ROBBIE WHITE

Dyslexia

Masterlink apprentice Robbie White’s challenges with words were picked up by his boss, Owen Paterson. At the time they were using paper job sheets. A Masterlink test confirmed he had dyslexia and having a name for what he experiences has helped. “It gave me awareness of the dyslexia so that I could try harder at things I thought I just wasn’t good at,” he says.

Robbie finds dyslexia impacts him most when writing notes at work. He also has memory challenges and retaining job info can be tough.

By the same token, his way of thinking has distinct advantages in that he can see multiple ways of doing a task and “can think quite out of the box”.

Online assessments for Robbie’s apprenticeship have been difficult at times, as he may know the answer but needs to find the specific wording required to pass the test.

Quite far into his apprenticeship, he began writing every assignment in a book. Recording what he was working on and the marks received helped him keep track of his study and made life much easier.

Robbie’s boss Owen was supportive when Robbie discovered he had dyslexia. “He never got frustrated if I forgot instructions or couldn’t remember how to do something,” he says. Owen always made sure Robbie understood each task, which took the pressure off in the early days of his apprenticeship.

Robbie’s advice to other people with ND thinking about a career on the tools: “Don’t let the bookwork scare you, keep chipping away at it.” He’s found keeping on top of his study has helped him. Finding a quiet space where he can read the theory out loud has also helped.

Experiencing the benefits

Businesses that are open to accommodating different needs have a wider pool of labour to pick from.

They also have access to a group of people whose brains can be more suited to—even gifted in—practical work. When faced with a problem, ND brains can come up with creative solutions neurotypical brains might not.

An inclusive and adaptable workplace benefits the wider team, too. For example, you can make it a more accommodating environment for someone with young children at home or a sick relative to care for, or for older staff members who want to reduce their hours.

Highlighting the positives

ND individuals process sensory information differently. They may find busy work sites stressful, traditional interviews could be difficult, and organising schedules and larger tasks might need a bit of extra help.

But in exchange, your team can gain a real asset with an employee with above average practical skills, attention to detail or pattern recognition.

If an ND person is uncomfortable with social situations, this doesn’t need to be a negative. The ability to focus on work can be easier for these people over a neurotypical team member who enjoys a chat.

People with ADHD can be suited to fast-paced environments— and they are also often analytical thinkers.

Autistic individuals can be highly productive and detail focused. Autistic employees learn fast and, with the right systems and processes in place, can get to grips with the job quicker than a neurotypical employee.

Email for a comprehensive list of items available. Info@pacificcabins.co.nz

• Shower hoses. Stainless steel. 1.5m wide bore (suits low and mains pressure) c/w vacuum break non-return function. $5.00 Ea.

• Isolating and cistern taps. Male 15mm, ¼ turn ceramic. Chrome on brass. $5.00 Ea.

• Drain blockage busters (same as the drain king type). 100 – 150mm pipes. $5.00 Ea.

• Hand held push on tap shower hose sets c/w shower head. Single & double. $5.00 Ea.

• Dual shower hose holders. Vacuum suction. Chrome on abs. $5.00 Ea.

• Water filters for taps & appliance water supplies. $5.00 Ea.

LOW-PROFILE MEDIUM ORGANISER

T-90059

MEDIUM TOOL BOX

T-90037

LARGE TOOL BOX

T-90015

ROLLING TOOL CHEST

T-90009

THE NEXT GENERATION IN MODULAR STORAGE SYSTEMS™

DEEP COMPACT ORGANISER

T-90065

DEEP MEDIUM ORGANISER

T-90043

EXTRA LARGE EXTENSION TOOL BOX

T-90021

MORE TO COME...

COMFORT GRIP HANDLE

LARGE GLOVE FRIENDLY LATCH

www.makita.co.nz/solutions/maktrak.lsd

HIDDEN SECURITY TRACKER SLOT

10 MINUTES WITH...

ZACK CURRIE

Apprentice plumber on the Coast to Coast

We caught up with 24-year-old Masterlink apprentice Zack Currie about his recent 243km Kathmandu Coast to Coast experience.

Masterlink apprentice Zack Currie spent 12 months training for the Kathmandu Coast to Coast event, which involves cycling, running and kayaking the width of the South Island, from Kumara Beach on the West Coast to New Brighton Beach in Christchurch—including the spectacular and gruelling 30.5km mountain run.
“The mountain run was the most gruelling part of the Coast to Coast. It’s just something you can’t explain to anyone who hasn’t done it.”

Tell us about your apprenticeship

I’m in my first year of my plumbing, gasfitting and drainlaying apprenticeship with Masterlink, working at Uneeda Plumber’s Feilding branch.

Was this your first time doing the C2C? Yes, it was. I took part in the two-day individual event.

What did you find most challenging?

Training was the hardest part for me, trying to fit in quality sessions around work, study and life—and trying to keep motivated. I had a couple of weeks where I was burnt out from training. It was a long, 12-month build up to the race itself. The hardest part of the race for me was the mountain run. It’s just something you can’t explain to anyone who hasn’t done it.

And the highlights?

Doing it with my dad. And the whole process leading up to the race training: figuring out the logistics of the race, because that’s such a vital part of the event. Also seeing my family at the end of the first day and at the end of the race—that’s what got me through some real low parts.

What did you do to prepare?

Training for the race involved kayaking, running, and cycling. Trying to do three sessions of each discipline a week—around 10 to 15 hours a week.

Would you do it again?

Yes, that’s the aim. I would like to go faster, better my time, and also I would really like to build to a one-day individual.

Are you part of an adventurefocused family?

Yeah, definitely, my family is very active. My dad has participated in the C2C six

times now—finishing 3rd in a family team in 1995. He’s also competed in many mountain bike stage races in NZ and Aus. My mum enjoys cycling and mountain biking but mainly supporting her family. My brother, sister and my brother’s partner have all been involved in representing NZ in some capacity for canoe polo. My brother played and won gold for NZ in Australia. Also, my partner Kate is training to compete in the C2C mountain run next year.

Anything else you would like to share?

Yeah, I would just like to add how important it is to have a good support crew for the C2C. Without my mum and partner Kate, it wouldn’t have been possible. They got all my run, bike and kayak gear ready for me to roll through and focus on going forward—it was so valuable. The support crew definitely has the harder job. I had the easy job of just racing.

This boiler house diesel boiler features the award-winning unique grant Vortex heat exchanger and has some of
Zack is hosted by Uneeda Plumber in Feilding, where he’s in the first year of his Masterlink plumbing, gasfitting and drainlaying apprenticeship.

This one’s for all the authorised gasfitters out there—you’re indispensable!

Cop(per) this!

‘One of our gasfitters came across this in Kaitaia,” says Josh Harvey from Rogers & Rogers. “Needless to say, we have since removed it and replace with copper.”

Tiny wee problem

“Customer wanted us to set up his gas lines correctly in his tiny home,” says Jo Wilson of Pumps and Plumbing. “He was over smelling gas while he slept, and this was the setup we arrived to. Gas lines running through a garden hose pipe and a 15mm Anka Tee.”

Just so wrong!

“Customer decided to do their own gasfitting,” says Seth Hall of Hallrite Plumbing & Gasfitting. “KemPex water pipe on Bute Pex fittings for gas. 26L unit running on 19kg—gas was leaking out the second pigtail.”

your dodgy photos to the Ed:

Bird’s eye view

Here’s another job Pumps and Plumbing were called to. “Not really dodgy but customer wanted us to pipe his califont in and when it would ignite and smoke started coming out, we removed the cover to find a family of birds living in there ,” says Jo Wilson.

Ahead

For

Turn static files into dynamic content formats.

Create a flipbook
Issuu converts static files into: digital portfolios, online yearbooks, online catalogs, digital photo albums and more. Sign up and create your flipbook.
NZ Plumber August-September 2025 by NZ Plumber - Issuu