Stadium Brochure

Page 1

Stadiums and Arenas Sound Solutions

Thinking. Inside the box. nexo-sa.com

Your partner in precision sound

2 Stadiums and Arenas | Sound Solutions

NEXO leads the market in value-engineering innovative high-performance sound systems which have a distinctly musical character, and packaging them as affordable business-friendly solutions. All NEXO products and services are designed to eliminate the audio problems commonly found in communal spaces, and, by so doing, enhance the entertainment experience in the public environment.

3
sound

The Perfect

4 Stadiums and Arenas | Sound Solutions
©Aldo Amoretti

Combination

As sound professionals, at Yamaha and NEXO we are dedicated to helping our customers create the most appealing, effective sonic environments for their needs.

Yamaha has more than a century of experience in musical instrument manufacture, enriched by its expertise in processing and delivering quality sound and Industryleading electronics. NEXO has been designing and building world leading audio solutions for over 40 years , the technologies developed at our own R&D centre are used and highly valued by distinguished engineers in professional audio and broadcast applications worldwide. That background and dedication inspire the sound systems we offer for commercial installations, giving our customers solutions that are ideally tailored to their individual needs.

Together YAMAHA and NEXO deliver an unrivalled Professional Audio solution for any sports arena/stadium.

5

A powerful and intuitive system configuration and simulation tool ensuring uniform SPL coverage in any stadium with any NEXO and Yamaha system.

Whether or not you already know what NEXO system you intend to use in your stadium, NS-1 is the entry point to your project, helping you to configure any line source or point source from NEXO and Yamaha’s catalog, thanks to intuitive yet powerful tools applied to your own geometry. NS-1 not only assists in achieving the best SPL

coverage, but also certifies that mechanical constraints are satisfied. Finally, NS-1 enables you to create and present robust sound design proposals, including the speaker list, and also gain and delay to apply in the amplification and control chain.

6 Stadiums and Arenas | Sound Solutions

Qatar University

Doha, Qatar

Qatar University Sport and Events Complex (QUSEC) is the biggest venue of its kind in the Middle East. Not only has its cutting-edge audio technology won awards* for its systems integrator and installer Techno Q, the QUSEC venue is also the largest fixed installation ever supplied by NEXO with its sound reinforcement products, and a stellar example of technical synergy between Yamaha’s Active Field Control (AFC) system and NEXO loudspeaker technology, using more than 320 NEXO loudspeakers, from 8 different product families.

7
CONTRO L
ACTIVE FIELD

Advanced Manufacturing

Each and every one of NEXO’s loudspeaker cabinets is designed and manufactured in France. Since 2007, the company’s headquarters have been located in modern purpose-built facilities, just 30 km north of Paris and close to Charles de Gaulle International Airport.

8 Stadiums and Arenas | Sound Solutions
9
Processes Highly-automated manufacturing plant 2 optimized production lines 5000 Sqm/each Rigorous processes / Quality management system 5000 SQM
Manufacturing

Modern Purpose-Built

Each new system begins with sophisticated computer simulations, executed by specialised proprietary software. The entire electro-acoustic signal chain is thoroughly modelled and product performance rigorously evaluated to maximise system performance.

10 Stadiums and Arenas | Sound Solutions

Purpose-Built Facilities

R&D centre : 2000m2 dedicated state of the art facilities

Anechoic chamber : 12m x 8m x 6.5m, this chamber allows the R&D team to measure down to 28Hz.

Passionate, rigorous and high level engineers

11
2000 m2

Thinking. Inside the box.

What separates NEXO from its competition is its innovative, integrated systems approach to loudspeaker research and development. The company’s R&D mission to innovate is acknowledged in the form of numerous patents, some of which are included here.

12 Stadiums and Arenas | Sound Solutions

The HRW Hyperbolic Reflector Waveguide

Conventional speakers cannot be coupled in the high frequency range if not generating a continuous wavefront along the height or the width of the enclosure. HRW waveguide converts the spherical wave front generated by a high frequency compression driver into a flat or convex wavefront by means of an acoustic reflector. It allows speaker cabinet acoustical coupling without interference up to 20 kHz, with inter-cabinet angle sequences ranging from 0° up to 30° or more.

Used in GEO M Series, GEO S1210 and S1230, STM M28 and M46 cabinets.

The CDD Configurable Directivity Device

CDD flanges are superposed to a horn or a waveguide to modify its dispersion characteristics. The same speaker cabinet reference can therefore produce a wide range of directivity features, from 80° or (narrow coverage needed at long distances) less to 120° or more (wider coverage needed at short distances).

Used in GEO M Series, GEO S1210 and S1230, STM M28 cabinets.

The PDD Phase Directivity Device

Coupled direct radiation drivers will interfere when the distance between them exceeds half a wavelength, which sets a strong constraint on cross-over frequency to high frequency drivers (these are very likely to distort below 1 kHz). The Phase Directivity device splits the radiating surface of the driver in 2, thus dividing by 2 the acoustic distance between coupled devices.

Used in GEO M Series, GEO S1210 and S1230, STM M28 cabinets.

13
Standard 80˚ horizontal coverage 120˚ horizontal coverage
1 2
14
Stadiums and Arenas | Sound Solutions

Custom Solutions

Our installation versions cabinets and accessories can be specified in black, white or any RAL colour for projects that require the greatest degree of customization. For sports & arenas, the RAL colour option is usually required to match the steel beams of a roof for example, assuring a low visual impact.

15

A global sales & support network

NEXO systems are distributed by a network of 50 independent distributors worldwide, each chosen carefully for their expertise and provision of high-level technical and customer support.

16 Stadiums and Arenas | Sound Solutions
17
18 Stadiums and Arenas | Sound Solutions 1983 -1986 MSI, IS and PC Series TS System PS10 Alpha Series Alpha E Series GEO S8 PS15 PS8 GEO T Series 1991 1993 1996 2002 2001 2000 1998 1994 Product Legacy and Timeline
19 GEO D Series STM Series ID Series, and the DTD amplifier and controller GEO M10 P12 and L15 GEO M12 P8, P10 ID84 and ePS Series ID14 R-2 versions of PS10 and PS15 GEO S12 loudspeaker, the NXAMP and the RAY Sub Series of subwoofers GEO M6 45N12 Arrayable wedge monitor 2020 2021 2020 2019 2017 2015 2014 2012 2009 2007 2006 2011 P15, L18
20 Stadiums and Arenas | Sound Solutions
& Certifications In order to meet our customers’ requirements and enhance their satisfaction, NEXO of products and services. The high quality of our products and services is endorsed TÜV Certification ISO 9001 World Leading Manufacturing Facilities Safety guaranteed
Quality

IP 54 Rating

Weather resistant

EC Declaration of Conformity Quality and Reliability

Certifications

is continually identifying the best options necessary to set an exceptional standard endorsed through certification and a commitment to recognised methodical processes.

21
22
and Arenas | Sound Solutions
Stadiums

Quality & Certifications

EN54-compliant versions of our GEO S12 and GEO S12-ST loudspeakers have successfully passed the rigorous testing necessary to be certified as EN54-24 products. The EN54 gives common requirements for the construction of voice alarm loudspeakers and their performance under different climatic conditions. In case of emergency, loudspeakers must provide intelligible warning and evacuation instructions to the public in a in a short time-frame.

23
EN54 CERTIFIED

Dedicated Support

Before During After System Design Training Demos

Installation Support Acoustic report Assistance

Hotline Feedback Technical Docs technical@nexo.fr

24 Stadiums and Arenas | Sound Solutions
At NEXO, we believe in supporting the consultant, not in trying to be one!
25

System Design

Perfect coverage made easy.

NEXO is able to provide full sound system design support, offering our extensive experience and powerful modelling tools to augment the resources of consultancies and integrators, or even to provide complete venue designs on their behalf.

At the heart of our design process is NS-1, NEXO’s powerful system configuration and simulation tool which ensures uniform SPL coverage of any NEXO system in any venue.

Download NS-1 on NEXO website nexo-sa.com

26 Stadiums and Arenas | Sound Solutions
27

Complex Calculations

NEXO enjoys close collaboration with the world’s leading experts in electro-acoustic simulation programming. NS-1 models the radiating behaviour of the speakers by spatially sampling them into a large number of monopoles and dipoles. In ever y mesh point of the venue’s surfaces, the contribution of each one of the speaker monopoles is calculated for the frequency band of your choice. The simulation results are mapped to the surfaces, giving a 3D representation of the SPL coverage.

28 Stadiums and Arenas | Sound Solutions

All NEXO speakers on tap

Once the geometry is defined, loudspeakers can simply be dragged and dropped into the project, and configured into flown or stacked clusters.

Surfaces

Sound pressure can be received differently on the venue surfaces.

Venue items can be:

• Simple surfaces

• Standing-up or seated audience areas

• No audience areas, simply taken into account as obstacles

• Hidden to calculation.

Line-source calculations

NS-1 helps you to find the perfect series of angles for your clusters, by calculating acoustic pressure on the surfaces. Results can be displayed using NEXO’s meaningful dB MIF, or other metrics of your choice.

Direct sound and time coherency

NS-1 performs direct sound calculations on your geometry. They allow you to tend towards the best speaker ratio, gains and positions to match your target coverage.

Furthermore, NS-1 makes it easy to align the delays of the speakers thanks to time-coherency calculations.

29
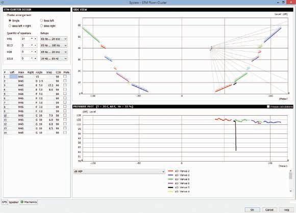
Sub design screenshot Report editing screenshot
30 Stadiums and Arenas | Sound Solutions
System Design: Etihad Stadium System Design: Arena du Pays d’Aix
Manchester, United Kingdom Aix en Provence, France

System Design: Croke Park

Dublin, Ireland

31

Mechanics

Fly safe

For NEXO, safety is the number one priority.

Capable of so much more than acoustic predictions, NS-1 also calculates the working load of the flown clusters, and gives you the green light.

NS-1’s mechanical database is always double-checked by an independent expert. The advanced algorithm takes into account the hanging points, the bumper type and, most importantly, the angles between the speakers, providing an accurate result that is certified according to Eurocode 3 “Design of Steel Structure” by TÜV, the world leading certification company.

32 Stadiums and Arenas | Sound Solutions

CLUSTER

Cluster type S1

S1210 ST (Main) Qty 1

S1230 ST (Down) Qty 5

Top cabinet angle -1.00 deg

Lower cabinet angle -108.00 deg

Cluster height (H) 1.16 m

Cluster width (W) 0.70 m

Cluster depth (D) 1.35 m

Rear rigging point height 33.60 m

Front rigging point height 33.60 m

Lower cabinet height 32.44 m

Distance between rigging points (A) 0.16 m

Gravity centre to front rigging point (A) 0.48 m

Gravity centre to rear rigging point (A1) -0.32 m

Clearance from front rigging point (C2) 0.03 m

Clearance from rear rigging point (C1) 1.16 m

Cluster weight (M) 212.55 kg

FORCES

Allowed force on bumper front fixation point R2 +/-10.30 kN

Applied force on bumper front fixation point R2 -2.14 kN

Allowed force on bumper rear fixation point R1 +/-10.30 kN

Applied force on bumper rear fixation point R1 3.13 kN

Allowed force on bumper front connecting point S2 +/-11.00 kN

Applied force on bumper front connecting point S2 3.21 Kn

Allowed force on bumper rear connecting point S1 +/-11.00 kN

Applied force on bumper rear connecting point S1 4.20 kN

Allowed force on plates front connecting point S2 +/-11.00 kN

Applied force on plates front connecting point S2 3.00 kN

Allowed force on plates rear connecting point S1 +/-11.00 kN

Applied force on plates rear connecting point S1 3.79 kN

WORKING LOAD - SAFETY FACTOR

GEOS12 Cluster

% allowed working load (safety factor 4) 38

Safety factor for 100% allowed working load 10.5

SETTING

Rigging mode Fixed rigid ST

Bumper to 1st cab 0˚

Bumper to 1st cab dir Positive angles

Bumper angle -1.00 deg

Wind type No wind

Wind speed 72 km/h B8

Cluster secured No

ANGLE SEQUENCE

# DELTA SUM

TopCab -1.00 -1.00

1 16.00 -17.00

2 22.50 -39.50

3 30.00 -69.50

4 22.50 -92.00

5 16.00 -108.00

CAUTION

Read user manual prior to operation

Check local regulations on loudspeaker rigging systems

Motors must be dimensioned for total cluster weight

Ensure the angles settings are identical on both sides

Check with wind forces if outdoors

33
34
Solutions
Stadiums and Arenas | Sound

Amplification | NXAMPs

Formidable power. Precision control. Flexible networking. Block diagrams example NXAMPs > GEO S12 systems

Available in 4 X 1300 Watts, 4 X 2500 Watts and 4 X 4500 Watts versions, the NXAMPMK2 combines advanced signal processing with four state-of-the-art Class D amplifiers to create a flexible, light-weight powering and control solution for NEXO loudspeaker systems.

35

The Process

When it comes to specifying a complex technological service like a multipurpose audio system for a large-format venue, the decision-making process is not always a linear one.

Researching information for solutions to fulfil the requirement is where that process starts to become complex.

Sound system set-ups for concert events, even very large ones, are founded on entirely different design criteria to those suited to a sports space which essentially operates ‘in the round’ rather than with a left/right stereo image. Choose your partners carefully, rather than being influenced by the “stardust” of which world-class bands used the loudspeaker systems last year!

Read on to discover the vital criteria in the decision making process.

36 Stadiums and Arenas | Sound Solutions
37

Vital Criteria

Intelligibility Loudness

This is simply explained as the measure of how well the average listener can distinguish and understand sounds. You might think this is a subjective element, but in reality, there is a worldwide measurement standard (STIPA, giving an actual STI or Speech Transmission Index figure) by which to judge systems and successful installations.

We all think we know what ‘loud’ means, measured in the audio business as decibels of sound pressure level (SPL), but sound is perceived by the human ear relative to other sounds. To have a ‘loud enough’ system depends on the level of ambient noise in your venue – some football crowds are more raucous than others! Loudness has a cost, so it’s important to have a good sound designer to find the right balance of quality to suit budget.

38 Stadiums and Arenas | Sound Solutions

Coverage Frequency

The system can sound great to people in the expensive seats, but what about the others. A high-quality sound system promises to deliver the same results to every seat in the house with no dead spots. The supplier should be able to model their proposals with computer simulation software. There are different ways of achieving coverage, but it is important that your designer, integrator and manufacturer have experience with large-format venues. Showy systems put together for touring concerts have very little in common with purpose-designed installed infrastructures, which deliver built-in flexibility for zoning, announcements and evacuation protocols.

Some sound systems have dynamic ranges better suited for powerful music, others for intelligible speech. In a large-format sporting environment, with tightly regulated safety procedures, the sound system’s frequency response needs to be optimised for speech as well as music. This is the challenge for products as well as sound designers, and it requires a lot of practical expertise.

39
(dB) Level, Sound pressure Frequency (Hz) 115 110 105 100 95 90 85 20 50 100 200 500 1k 2k 5k 10k (%) 100 90 80 70 60 50 40 30 20 10 0 70 80 90 100 110 120 130 SPL (dB)
Criteria

High-Profile Contracts

40 Stadiums and Arenas | Sound Solutions
Coop Norrbotten Arena (Luleå - Sweden) Stadium Alfredo Harp Helú (Mexico City – Mexico) Place Bell (Quebec - Canada) Dalian Sports Center Stadium (Dalian – China) Molineux Stadium (Wolverhampton – UK) Stade du Standard de Liège (Liège – Belgium) Qatar University Sport Complex Arena Pays d’Aix (Aix-en-Provence Singapore’s National Stadium

Contracts | Worldwide

41
Complex (Doha – Qatar) (Aix-en-Provence – France) Stadium (Kallang – Singapore) Stade Mohammed V (Casablanca – Morocco) Ibrox Stadium (Glasgow – UK) Nagoya Dome (Nagoya - Japan) Elias Figueroa Stadium (Valparaiso – Chile) O2 Arena (Prague - Czech Republic) Constant Vanden Stock Stadium (Anderlecht – Belgium)

Perth,

42 Stadiums and Arenas | Sound Solutions 42
Optus Stadium
CASE STUDY
Equipment List • 216 x GEO S12 • 54 x LS18 • 200 x ID24 • NXAMP4x1 / 4x4 Capacity 65,000
Australia Nearly 500 NEXO loudspeaker cabinets, line array and point-source, have been installed, in a state-of-theart AV system, delivered by Australia’s number one AV systems integrator, Rutledge AV. A 3-year design process included extensive evaluation of loudspeaker systems, with Group Technologies finally winning the contract with its NEXO solution.
43

CASE STUDY CONTINUED

Optus Stadium

Perth, Australia

Rutledge AV was challenged to create a PA system that would deliver an ambitious 0.6 STi or above for the entire stadium seating area, referred to as the Main Bowl PA. Additionally, a nominal SPL of 102dB (±3dB) for all the 60,000-seated visitors was stipulated.

From the outset, NEXO was the clear winner for a variety of factors and, over the course of the project, the manufacturer proved themselves as great partners providing support whenever we required it.

Eighteen arrays, each combining 12x GEO S12 elements together with 3x LS18 sub bass cabinets, were installed to provide the bulk of the stadium’s SPL punch.

Largely dictated by simulations using NEXO’s NS-1 software, the special GEO S1210 and S1230 modules provide long-throw capabilities to ensure even coverage down to the L1 seating areas. Vertical and horizontal control is further enhanced by the incorporation of the GEO S12’s Hyperbolic Reflective Wavesource, while a Directivity Phase Device extends coherency below normal LF-HF coupling limits. The presence of three additional LS18 sub bass units within each array extends the LF response to 32Hz at –6dB.

To attain an STi of 0.6 for the under-balcony seating areas on L1, L3 and L4, a further 200x NEXO ID24 cabinets have been installed. Each delayed ID24 incorporates dual 4-inch drivers in a dipole arrangement, providing coverage in those spaces out of the full GEO S12 range. “These deceptively powerful boxes allowed us to fulfil the 100dB SPL handling in what we term the shadow areas, while their compact footprint provides discretion,” explains Steele.

44 Stadiums and Arenas | Sound Solutions
45

CASE STUDY

Stade de France

Paris, France

The Stade de France in St Denis, Paris, is France’s iconic national stadium, with seating capacity for 80,000 beneath its immense floating roof. Built as the principal venue for the 1998 World Cup, hosted and won by France, the stadium has enjoyed a lifelong relationship with local audio equipment manufacturer NEXO, with nearly 300 of its high-output loudspeakers installed.

Equipment List

• 300 x GEO S12

• 30 x RS18

• 40 x NXAMPs

Put together with NEXO’s NS1 programme and EASE, the integrator’s design featured nearly 300x GEO S12 loudspeaker cabinets, specially enhanced for this project, and nearly 30x RS18s, the first time NEXO has delivered these sub-bass units into a sports stadium install.

Split to cover the upper and lower parts of the stadium, the system uses 40 clusters of NEXO cabinets for the stands; flown from the roof, 7x S12s are directed at the upper levels, while a separate array of 6x S12s faces directly down towards the lower levels. Another 32 cabinets of S12 are used for fill at ground level. RS18s are flown, 27 in total. Any loudspeaker in any cabinet can be changed in 30 minutes, supplementing the protection afforded by the NEXO NXAMPs.

46 Stadiums and Arenas | Sound Solutions
46
47 Capacity 80,000

CASE STUDY

Toyota Stadium

Toyota City, Japan

The Toyota Stadium in Aichi Prefecture is one of the largest football stadiums in Japan, and is also used for rugby. A major upgrade of its sound system was undertaken in preparation for the 2019 World Cup, equipping it with a world-class installation of NEXO loudspeakers and amplifiers, and Yamaha electronics.

Equipment List

• GEO S12

• PS15

• PS10

• NXAMPMKII

• Yamaha CL5 console

• MSP5 STUDIO

• Rio3224-D2 / Rio1608-D2

• SWX2300-16G / 24G • YSFP-G-SXA / LX

• SWP1-8MMF

The loudspeakers in the new system, primarily featuring NEXO’s high-spec GEO S12-ST line array modules, are discreetly installed amongst the steel beams of the stadium structure, ensuring ultra-low visibility. They are used for music at half-time, for the stadium DJ, for venue announcements and to play sound to accompany the big LED screen. It is also used to amplify the pitchside interviews, so speech clarity was an absolute priority for the designers, as well as high SPL to provide the volume needed to handle loud cheering and applause.

All the NEXO equipment, line array and point source loudspeakers, have been supplied by Yamaha Sound Systems, which has also delivered a Yamaha CL5 digital console as the main mixer in the Toyota Stadium operation room. With NEXO’s new NXAMP4x2Mk2

Series amplifiers spread out amongst different amp rooms in the four corners of the stadium, there is significant distance between ops room and amp rooms. The Dante network has been converted to optical fibre for transmission.

The NEXO speakers have higher efficiency than the previous ones, so we can output louder sound than before. Something that is important in this kind of facility is durability. Speakers in this kind of facility often break due to exposure to wind and rain. With the new NEXO system, we are able to achieve theatreclass high sound quality even in severe conditions.

Yoshiteru Mimura, President of M&H Laboratory Co. Ltd

and Arenas | Sound Solutions 48
Stadiums
49 Capacity 45,000

Arena Pays d’Aix

Arena Pays d’Aix is a state-of-the-art, multi-purpose venue which can house audiences of up to 8500. Designed to host a wide range of events, the arena has now been equipped with a NEXO and Yamaha audio system which delivers high quality, flexible audio throughout the complex.

Equipment List

• 1 x Yamaha MTX5-D matrix processor

• 1 x Yamaha MY8-DA96 interface card

• 30 x NEXO GEOS12 loudspeakers

• 2 x NEXO NXAMP 4X4

• 1 x NEXO NXAMP 4X1

• 1 x 24 port switch

Designed by architect Christophe Gulizzi, the futuristic vision continues inside, where a modular format allows the 4000 interior space to offer 17 different configurations, depending on the type of event being hosted. The main space (Grande Salle, unofficially nicknamed The Cauldron) is the home of the Pays d’Aix University handball club, which competes in Division 1 of the Ligue Nationale de Handball. With an audience capacity of up to 7000, it can be configured to host a wide range of other events, including tennis, wrestling, indoor motocross, live concerts, ballet and much more.

Arena Pays d’Aix also features a secondary arena (Salle Annex) with room for up to 1500 spectators, as well as three exhibition / event spaces which can hold up to 450 people each, bars / concessions and a press room. The main concourse (La Coursive) can also be used to host events, with a capacity of 1800 people. Aix-en-Provence based systems integrator Société Texen recommended a Dante-networked Yamaha and NEXO system, which is centred on four ‘nodes’ installed throughout the venue, each comprising a system rack with a MTX5-D matrix processor, XMV series amplifiers, 24 port switches and, where required, Tio1608-D i/o racks. In The Cauldron, 30x NEXO GEO S12 loudspeakers delivers high quality sound to sport and event audiences. Arrayed as 10 flown clusters of three around the edge of the arena floor, they are powered and controlled by NXAMP 4x4 and NXAMP 4x1 amplifiers.

Many manufacturers approached us to provide the Cauldron system. Coverage and intelligibility were really important and NEXO provided the best technical solution. The GEO S12 speakers cover low enough frequencies without needing subs and they provide seamless coverage to every seat.

Thomas Goeuriot, Société Texen

50
CASE STUDY
Stadiums and Arenas | Sound Solutions
51 Capacity 8,500
Photo credits: Aldo Amoretti

NEXO Parc d’Activité du Pré de la Dame Jeanne B.P.5 60128 Plailly FRANCE

Tel: +33 (0)3 44 99 00 70 Fax: +33 (0)3 44 99 00 30 E-mail: info@nexo.fr

nexo-sa.com

WARRANTY YTNARRAW Thinking. Inside the box.
©2021 NEXO S.A. All Rights Reserved. All NEXO trademarks and service marks are the property of NEXO S.A., its subsidiaries and affiliated companies

Turn static files into dynamic content formats.

Create a flipbook
Issuu converts static files into: digital portfolios, online yearbooks, online catalogs, digital photo albums and more. Sign up and create your flipbook.
Stadium Brochure by nexo-sa - Issuu