

RESUME.

NAOMI PHAM
Contacts (425) 770-5684 phamnhu1006@gmail.com
9311 Olympic View Dr Edmonds, WA
EDUCATION
University of Washington Seattle, WA
UW College of Built Environment |B.A Architectural Design
Expected Graduation: June, 2026 GPA: 3.90
Roman Palimpsest Program Rome, Italy
UW College of Built Environment |Study Abroad Quarter
September 2025 - December 2025
SKILLS
• Rhino
• AutoCAD
• Revit (Documentation, Detailing)
• Enscape
• Adobe Suite
• Woodworking
• Laser/3D Print
LANGUAGE
English fluent and proficient in speaking and writing.
Vietnamese fluent and proficient in speaking and writing.
LEADERSHIP AND INVOLVEMENTS
American Institution of Architecture Students Seattle, WA
PR/Design Chair
Jun 2024 - Present
• Led the chapter’s visual communication strategy by creating cohesive branding, graphics, and promotional materials for events and activities.
• Increased member engagement through targeted social media management and timely content organization, optimizing visibility and communication for the chapter in the Pacific Northwest.
Freedom By Design Seattle, WA
Design-Build Team Member
Jun 2025 - Present
• Interact with local community to assess their accessibility and cultural needs
• Collaborate with the FBD Design-Build Team to devise a holistic design, specifically focused on cultural preservation, sustainability, and social responsiveness.
• Preparing construction documents and contributing to on-site construction/fabrication of the project.
Museum of Emotions | Architectural Competition Seattle, WA
Team Member
Mar 2025 - April 2025
• Collaborated with other team members to produce high-quality presentation materials – including renderings, plan, and narrative — to clearly communicate design intent to the competition jurors.
• Collaborated with other team members to coordinate tasks, refine design strategies, and meet strict deadlines under a competitive submission timeline.
EXPERIENCES
Casino Road Building LLC Everett, WA
Remote Operations Assistant
Oct 2021 – Jun 2025
• Manage budgeting for building operations, including expense tracking, tenants coordination, and scheduling regular maintenance and inspections.
• Oversee rent collection and maintain accurate financial records to support smooth property operations.
UW Undergraduate Advising Center Seattle, WA
Student Front Desk Assistant
Sep 2024 - Jul 2025
• Managed front desk operations, including phone and email communication, check-in procedures, and maintaining organized student records.
Crate and Barrel | University Village Seattle, WA
Seasonal Sales Associate
Oct 2023 - Jan 2024
• Assisted customers with product selection and housewares recommendations, ensuring a positive shopping experience.
• Manage operations such as processing transactions, restocking inventory, and providing customer service.
I approach architecture as a discipline of responsibility, grounded in respect for existing contexts and the communities they serve. I am particularly drawn to community-based work where history, culture, and everyday use intersect, and where design supports social connection and shared identity. My academic projects have explored how memory and continuity inform design decisions, with adaptive reuse becoming a key methodology following my study abroad in Rome.
My upbringing has shaped my interest in working on projects that thoughtfully transform existing spaces to better support community life while responding to cultural and environmental conditions. This portfolio presents selected works that best reflect my design values throughout the 24-25 year, which I want to carry on to my professional career.
Ballard, WA
Magnolia, WA
International District, WA
Seattle, WA
ACADEMIC WORK | ARCH 302: SEATTLE HOUSING
INSTRUCTOR: ZARA RASTI & VERONICA RESTREPO
DATE: 3 - WEEK PROJECT JUNE 2025

01 PIER POINT
HOUSING/EDUCATION EQUITY FOR INDUSTRIAL WORKERS
This studio design–research project explore adaptive reuse as a means of preserving labor identity within a gentrifying industrial waterfront. Located in Ballard, Seattle, Pier Point reoccupies an existing warehouse framework to support live-work housing for maritime workers. The design treats the existing structure as a carrier of memory, allowing its material logic and spatial rhythm to guide new unit types. The project positions housing as an architectural responsibility that sustains identity rather than erasing it.


SITE
SINGLE HOUSING UNIT
dominates the northern residential fabric, where rising property values have contributed to displacement pressures and limited housing accessibility.
APARTMENT COMPLEXES
cluster along major corridors and transitional zones, reflecting increased density driven by redevelopment and market demand. historically supporting maritime and labor-based economies but increasingly threatened by rezoning in the area.
INDUSTRIAL WORK SITE





3-PERSON UNIT
2-PERSON UNIT
Inspired by the industrial heritage of Ballard, Pier Point explore a new housing typology for industrial worker, introducing co-housing, work, and live environment. The project aimed to foster openness and connectivity in the contrast between occupy spaces and negative spaces.
1-PERSON UNIT







ACADEMIC WORK | ARCH 301: ADAPTIVE REUSE
INSTRUCTOR: ANGELA YANG & CLAUDIA ROSA-LOPEZ
DATE: 3 - WEEK PROJECT MARCH 2025


02 THE PLAZA
REOCCUPYING LIGHT STATION FOR COMMUNITY
The Plaza reactivates a former City Light Substation into a community-oriented arts, gathering, and live/work space. Organized around a central plaza, the project uses spatial hierarchy to mediate between public and private programs. Rather than imposing a new identity, the intervention amplifies the site’s infrastructural legacy and its significance in Magnolia , framing adaptive reuse as a social practice that not only conmemorate but also transformative for collective life.
FIG 2.1

SITE


This project draws from clarity rather than signage of spaces, allowing to subdivide the existing


AXIS CULMINATION HIERARCHY
from the idea of public space as a porous and hierarchical system that guides movement through spatial signage alone. Gradations of openness, thresholds, and visual permeability establish an intuitive sequence allowing visitors to understand where to go as they move through the site. This approach led to the decision existing substation into four distinct quadrants, each operating at a different level of public engagement.
GROUND LEVEL

SECTIONS





STUDENT LED DESIGN-BUILD PROJECT | FREEDOM BY DESIGN
STATUS: ON-GOING/CONSTRUCTION PHASE
DATE: JUNE 25, 2025 - TBD
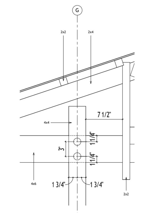
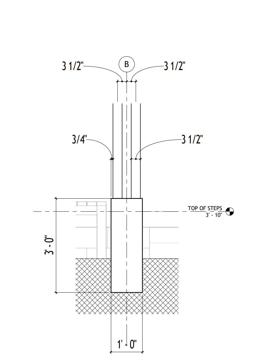
Contribution: Design Concept Collage, Roof Joinery Detail and Elevation Revit, Mock-up Model, Presenters, Fabrication/Site Demo Member, Community Outreach

03 DANNY WOO GARDEN
A PAVILION FOR COMMUNITY
An ongoing, student-led design-build project located at Danny Woo Garden, International District, Seattle . Located at the center of Danny Woo Garden, the pavilion supports accessibility and cultural gathering, centering the community’s annual Pig Roast tradition as a design driver. Through community engagement, mock-ups, and construction detailing, the project treats architecture as a discipline honoring making and celebrating cultural identity.


PROPOSAL.
The proposal was placed at the hearth of Danny Woo Garden, placed a ceremonial importance into the traditional Pig Roast event that International District celebrate every year. Using wood as the main material, the design replicate Chinese ‘dougong’ connections, tying back to the main community of this garden. By rearranging spaces and assign programs, the pavilion aimed to improve the community’s accessibility to their daily activities.






ACADEMIC WORK | ARCH 401: FURNITURE STUDIO
INSTRUCTOR: CHAD ROBERTSON
DATE: 10-WEEK DESIGN & FABRICATION SINCE JANUARY 6


04 SLING CHAIR
RE-PURPOSE
UW TIMBER
This furniture project explores material reuse and structural restraint through the transformation of salvaged Madrona wood sourced from the University of Washington. The design emphasizes a minimal framing system, allowing the warmth and irregular grain of the reclaimed wood to remain legible and central. Rather than relying on solid surfaces, the seating is formed by a suspended leather sling that spans between the frame, introducing both visual lightness and ergonomic adaptability. The leather gently conforms to the body while creating a subtle sag that contrasts the rigidity of the wood, producing a balance between tension and support.

SCALE AND DETAILS | SECTION

EVERYDAY IN-DOOR USE

SEAM-LINE CONNECTION





