RM Pressfitting Systems

Page 1

PRESSFITTING - WASTE SYSTEMS

PRODUCT RANGE • LIEFERPROGRAMM PROGRAMME DE LIVRAISON • GAMA DE PRODUCTO
Programma di fornitura

La struttura del Catalogo

The catalog structure

1 Indice Catalogo Table of contents • Inhaltsverzeichnis • Table des matières • Índice del catálogo

2 Raccorderie Metalliche

Profilo aziendale

Company profile • Firmenprofil • Profil d’entreprise • El perfil de la empresa

3 Il sistema di offerta

Catalogo prodotti completo

Offer system • Das Angebotssystem • Le système d’offre • El sistema de oferta

4 La struttura commerciale

Rete di vendita e informazioni per gli ordini

Commercial structure • Die kommerzielle Struktur unserer Firma • La structure commerciale • La estructura comercial

LA STRUTTURA DEL CATALOGO The catalog structure • Die Katalogstruktur • La structure du catalogue • La estructura del catálogo 1
RACCORDERIE METALLICHE 4 2

Raccorderie Metalliche

a saldare_____________________________________________________________________________235

Welding fittings

Welding fittings

• Schweissfittings

• Raccord à souder

• Racores para soldar Raccordi a saldare ANSI________________________________________________________________________247

• ANSI Schweissfittings

• Raccord à souder ANSI

• Racores para soldar ANSI

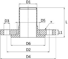
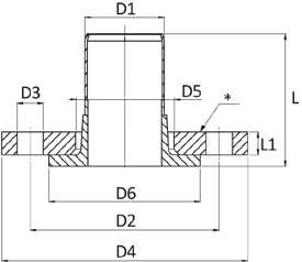
Flange ________________________________________________________________________________________260

Flanges • Flansche • Brides • Bridas

Accessori______________________________________________________________________________________277

Accessories

• Zubehör

• Accessoires

• Accesorios

Raccordi filettati ______________________________________________________________________________280

Threaded fittings • Gewindefittings

• Raccords filetés

• Piezas de empalme roscadas

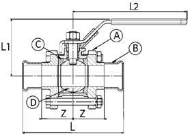
Valvole a sfera_________________________________________________________________________________301

Ball valves

• Kugelhähne

• Robinéts boisseau sphérique

• Valvulas de bola

Collari e fissaggi_______________________________________________________________________________310

Collars and fixing systems

La struttura commerciale

Commercial structure

• Rohrschellen und befestigung

• Colliers et articles de fixation

• Abrazaderas y articulos de fijación

• Die kommerzielle Struktur unserer Firma • La structure commerciale • La estructura comercial Come ordinare___________________________________________________________________________________470 How

Profilo aziendale__________________________________________________________________________________6 Company profile • Firmenprofil • Profil d’entreprise • El perfil de la empresa Principali prodotti_______________________________________________________________________________9 Main products • Unsere hauptsächlichen Produkte • Produits principaux • Los productos principales Campi di applicazione____________________________________________________________________________11 Fields application • Anwendungsbereich • Domaines d’application • Ámbitos de aplicación Il sistema di offerta Offer system • Das Angebotssystem • Le système d’offre • El sistema de oferta Sistemi di raccordi a pressare____________________________________________________________________14 Press fitting systems • Pressfittingsysteme • Système à sertir • Sistema de accesorios para prensar ____________________________________________________________________________________ 20 AISI 316L - W. 1.4404 _________________________________________________________________________________ 67 AISI 316L - W. 1.4404 HT _________________________________________________________________________________86 AISI 316L - W. 1.4404 STEAM _____________________________________________________________________________96 AISI 316L - W. 1.4404 __________________________________________________________________________________ 106 Acciaio al carbonio zincato • Carbon steel • C-stahl verzinkt • Acier carbone • Acero carbono galvanizado 131 Rame/bronzo • Copper/bronze • Kupfer/Bronze • Cuivre/bronze • Cobre/bronce ________________________________________________________________________________ 144 Rame/bronzo • Copper/bronze • Kupfer/Bronze • Cuivre/bronze • Cobre/bronce ______________________________________________________________________________ 155 CuNi10Fe1.6Mn Attrezzature e accessori _______________________________________________________________________174 Press tools and accessories • Presswerkkzeuge zubehör • Outils de sertissage et accessories • Herramientas y accesorios Sistemi di scarico________________________________________________________________________________198 Waste systems • Abflusssysteme • Systèmes de evacuation • Sistemas de evacuación _____________________________________________________________________________________ 200 AISI 316L - W.
Raccordi a saldare e filettati in acciaio inossidabile_________________________________________________232
Raccordi
1.4404
Stainless steel welding and threaded fittings • Gewindefitttinge aus edelstahl • Raccords en acier inoxydable filetés et à souder • Racores a soldar y roscar en acero inoxisable
efectuar
Struttura commerciale Italia 471 Sales Organisation • Kommerzielle Struktur in Italien • Structure Commerciale Italie • Organización de ventas en Italia Struttura commerciale Estero 472 Sales Organisation • Kommerzielle Struktur im Ausland • Organisation des ventes • Organización de ventas en el extranjero Condizioni generali di vendita 473 General conditions sales • Allgemeine Verkaufsbedingungen • Conditions générales de vente • Condiciones generales de venta INDICE CATALOGO Table of contents • Inhaltsverzeichnis • Table des matières • Ìndice del catálogo 1 INDICE PROGRAMMA DI FORNITURA 2019 / PRODUCT RANGE INDEX 2019
to order
Bestellungsverfahren • Comment commander • Cómo
el pedido
RACCORDERIE METALLICHE 4

Raccorderie Metalliche

RACCORDERIE METALLICHE 5
PROFILO AZIENDALE Company profile • Firmenprofil • Profil d’entreprise • El perfil de la empresa 6 Azienda certificata Certified Company Luogo e Data/Place and date: Vimercate (MB), 17 gennaio 2017 Per l'Organismo di Certificazione For the Certification Body DNV GL – Business Assurance Via Energy Park, 14 - 20871 Vimercate (MB) Italy Zeno Beltrami Management Representative La validità del presente Certificato è subordinata al rispetto delle condizioni contenute nel Contratto di Certificazione Lack of fulfilment of conditions as set out in the Certification Agreement may render this Certificate invalid. DNV GL Business Assurance Italia S.r.l., Via Energy Park, 14 - 20871 Vimercate (MB) Italy. TEL:039 68 99 905. www.dnvgl.it MANAGEMENT SYSTEM CERTIFICATE Certificato no./Certificate No.: 90476-2010-AE-ITA-SINCERT Data prima emissione/Initial date: 22 dicembre 2010 Validità:/Valid: 22 dicembre 2016 23 dicembre 2019 Si certifica che il sistema di gestione di/This is to certify that the management system of RACCORDERIE METALLICHE S.p.A. - Sede Legale e Operativa Strada Sabbionetana, 59 - 46010 Campitello di Marcaria (MN) - Italy e siti come elencati nell'Appendix che accompagna questo certificato / and the sites as mentioned in the appendix accompanying this certificate È conforme ai requisiti della norma per il Sistema di Gestione Ambientale/ Has been found to conform to the Environmental Management System standard: ISO 14001:2015 Valutato secondo le prescrizioni del Regolamento Tecnico RT-09/ Evaluated according totherequirementsofTechnical RegulationsRT-09 Questa certificazione è valida This certificate is valid per il seguente campo applicativo: for the following scope: Production (through cutting, deformation and thread phases) and marketing of metal fittings, welded, threaded, press-on and insulating collars and fixing systems for pipes and radiators. Marketing mixof valves and air vent, products and complementaryaccessories for use hydrothermalhealth, according tonational/ internationalcustomer specifications and internalspecifications established (EA: 17, 29) Produzione (attraverso le fasi di taglio, deformazione e filettatura) e commercializzazione diraccorderia metallica, a saldare, filettata, a pressare e relativo isolante; collarie sistemidifissaggioper tubi e radiatori. Commercializzazione di valvole mixe asfogod'aria, prodotti/accessori complementariper impieghiidro-termo sanitari, in accordo a normative nazionali/internazionali, specifiche fornite dal cliente e specifiche interne consolidate (EA: 17, 29) UNI-EN ISO 9001:2015 UNI-EN ISO 14001:2015 BS OHSAS 18001:2007

Profilo aziendale

Raccorderie Metalliche rappresenta dal 1970 una realtà di assoluto rilievo nel panorama europeo dei produttori di materiale per l’impiantistica nel settore idrotermosanitario civile ed industriale. Dal 2014 è presente nel settore navale come unico operatore sul mercato in grado di offrire contemporaneamente sistemi pressfitting, sistemi di scarico in acciaio, raccorderia a saldare e filettata e sistemi di fissaggio.

Un’azienda formata da 350 dipendenti che ogni giorno realizzano la missione di Raccorderie Metalliche.

I punti chiave

Il successo di Raccorderie Metalliche è da attribuire ad una pluralità di fattori: conoscenza, qualità, vasto assortimento di gamma ed estrema attenzione al cliente.

Costante ricerca e continuo sviluppo di soluzioni innovative hanno permesso di realizzare il primo raccordo tee pressfitting al mondo in acciaio al carbonio privo di saldature.

Continui controlli e miglioramenti sulla qualità hanno consolidato un elevato standard qualitativo.

Certificazione dei sistemi di gestione delle proprie attività nel rispetto dell’ambiente e della sicurezza dei propri collaboratori.

Costante disponibilità e tracciabilità di prodotti presso i nostri magazzini.

Tecnici che affiancano e consigliano i progettisti nel loro lavoro.

Trasparenza, correttezza e rispetto reciproco con i partner permettono di garantire standard elevati di servizio.

(Pier

Presenza nel Mondo

Raccorderie Metalliche dispone di due siti produttivi in Italia, con un totale di oltre 89.000 mq, e 3 filiali commerciali estere (Germania, Francia e Spagna) che garantiscono una distribuzione in oltre 60 Paesi nel mondo.

InoxPRES S.A. (Barcellona, Spagna): commercializzazione di tubi e raccordi su tutto il territorio spagnolo e portoghese.

RM Pressfitting GmbH (Monaco di Baviera, Germania): sviluppo commerciale e coordinamento di un team di promoters sul territorio tedesco.

Raccorderie Metalliche FRANCE SARL (Lione, Francia): sviluppo commerciale e coordinamento della struttura di vendita sul territorio francese.

Continue attività formative e di aggiornamento per far crescere professionalmente gli installatori.

Particolare attenzione al sociale ritenendo che siano le persone a fare la differenza, quella differenza che permette di evolvere.

Dati di rilievo

Aggiornati a dicembre 2018

Area totale RM 89.000 mq Superficie coperta RM 53.000 mq N° dipendenti 350 persone Fatturato Italia 37% Fatturato Export 63% Presenza in oltre 60 paesi N° articoli a catalogo 6.400 Materia prima trasformata 28.000tons/anno Brevetti 8 Certificazioni prodotti 80
“Aiutiamo gli installatori a lavorare in modo rapido, sicuro e conveniente, studiando e realizzando ogni giorno soluzioni innovative di prodotto e di processo prestando particolare attenzione all’impiego dei sistemi di raccordi a pressare.”
7
Luigi CECCARDI, Fondatore e Presidente di Raccorderie Metalliche)

Company profile

Since 1970, Raccorderie Metalliche is a leading manufacturer in the European civil & industrial plumbing sector landscape. Since 2014 we are present in the shipbuilding sector and the only one in the market being in a position to offer press fitting systems, steel wastewater systems, welding fittings, threaded fittings and fastening systems, at the same time.

Every day, 350 employees are committed to fulfil Raccorderie Metalliche’s mission.

Key Points

Raccorderie Metalliche’s success is the result of several factors: knowledge, quality, a wide range of products, particular ability to understand customer requirements.

Continuous research and development of innovative solutions allowing us to be the first Company producing a seamless carbon steel pressfitting Tee.

Continuous quality control and improvement resulting in a high quality level.

Certification of activities managing systems in conformity with environment and workers’ safety regulations.

Constant availability and traceability of products in our warehouses.

Technicians collaborating with and giving advice to the design engineers.

Fairness, transparency and mutual respect between the partners to provide our customers with the best possible service.

Constant training and update in order fitters to continue their professional development.

Particular attention to social issues, because we think that people make the difference, which is the key ingredient for evolution.

Our Presence in the World Highlights

Raccorderie Metalliche has two production plants in Italy, extending over an area of more than 89.000 sq. m, as well as 3 branch offices in foreign Countries (Germany, France and Spain) ensuring the distribution of our products in more than 60 Countries of the world.

InoxPRES S.A. (Barcelona, Spain): marketing of pipes and fittings in the whole Spanish and portuguese territory.

RM Pressfitting GmbH (Munich, Germany): trade development and coordination of our team of promoters in Germany.

Raccorderie Metalliche FRANCE SARL (Lyon, France): trade development and coordination of our sales structure in France.

Updated on December 2018 Rm total area 89.000 mq RM covered area 53.000 mq Human resources 350 persone Domestic sales 37% Export sales 63% Presence in oltre 60 paesi Item on catalouge 6.400 Processed raw materials 28.000tons/anno Patents 8 Products Certifications 80
“We constantly offer innovative solutions in terms of both product and process and take the use of press fitting systems into particular consideration; these solutions allow fitters to work rapidly, safely and suitably.”
8
(Pier Luigi CECCARDI, Founder and President of Raccorderie Metalliche)

Pressare, Innestare, Innovare!

I sistemi di Raccorderie Metalliche prodotti in Italia si dividono in:

Sistemi Pressfitting

Acciaio inossidabile AISI 316L

Acciaio al carbonio E195

Cupronichel 90/10

I Sistemi Pressfitting di Raccorderie Metalliche sono composti da raccordi, tubazioni* ed attrezzature. Le nostre soluzioni sono progettate per impianti di distribuzione acqua potabile, antincendio, climatizzazione, aria compressa e trasporto di fluidi in genere.

PRESSIONE DI ESERCIZIO FINO A PN16. DISPONIBILITA’ NEI DIAMETRI DA 15 mm A 168 mm.

Tutti i prodotti seguono un processo di tracciabilità che permette l’identificazione di ogni singolo componente per qualsiasi evenienza.

Sistemi di scarico

è un sistema ad innesto composto da tubi e raccordi in acciaio inossidabile AISI 316L per il trasporto di acque di scarico bianche, grigie e nere; la soluzione ideale per la realizzazione reti di scarico sia in gravità che in vuoto.

I sistemi di fissaggio, raccorderia a saldare / filettata, flange

* Tranne per il sistema AesPRES®

I nostri sistemi di fissaggio, la raccorderia a saldare e filettata, le flange rappresentano il giusto completamento per fornire un’intera gamma di prodotti che soddisfino a 360° l’esigenza per tutti i tipi di impianti.

Rame Cu-DHP 99.9 / Bronzo CuSn5Zn5Pb2-C / CC449K
I PRINCIPALI PRODOTTI Main products • Unsere hauptsächlichen Produkte • Produits principaux • Los productos principales 9

Raccorderie Metalliche Systems produced in Italy are divided as follows:

Pressfitting Systems

Stainless Steel AISI 316L

Carbon Steel E195

Copper-nickel 90/10

Copper Cu-DHP 99.9 / Bronze CuSn5Zn5Pb2-C / CC449K

Raccorderie Metalliche Pressfitting Systems include fittings, piping* and tools. Raccorderie Metalliche Pressfitting Systems are designed for multiple application fields: distribution systems of drinking water, fire protection systems, air conditioning, compressed air, and fluid transport systems in general.

WORKING PRESSURE UP TO PN16. AVAILABLE FROM 15 mm TO 168 mm.

All products follow a traceability process which allows each and every component to be identified.

Waste Systems

is a push-fit system composed of pipes and fittings in AISI 316L stainless steel for the transport of white, grey and black wastewater; the ideal solution for the construction of gravity and vacuum drainage networks.

Fastening, welding / threaded fitting systems, flanges

Our fastening, welding/threaded fitting systems and flanges represent the correct completion of products to provide a full range which meets the 360° requirements for all installations.

Press, Push, Innovate!

* Except for AesPRES® system

I PRINCIPALI PRODOTTI Main products • Unsere hauptsächlichen Produkte • Produits principaux • Los productos principales 10

Campi di applicazione Fields of application

Raccorderie Metalliche offre tutte le soluzioni per l’adduzione e lo scarico di acqua ed il trasporto di svariati fluidi.

I sistemi Pressfitting di Raccorderie Metalliche si distinguono per semplicità, rapidità e sicurezza.

La semplicità è intrinseca nelle caratteristiche del sistema: taglia, innesta e pinza, nessun patentino, nessuna fiamma.

La rapidità permette di abbattere i tempi di installazione fino al 60% rispetto ai sistemi tradizionali.

La sicurezza è data dall’assenza di rischi d’incendio e dal mantenimento di un ambiente di lavoro pulito ed ordinato, anche in condizioni di spazio ristretto.

Raccorderie Metalliche offers all possible solutions for the supply and drainage of water and for the transport of diverse fluids.

Raccorderie Metalliche Pressfitting systems stand for simplicity, speed and security.

Simplicity is inherent in the system’s characteristics: cut, insert and press, no flame, no licence needed.

Speed of installation makes it possible to reduce labour time by up to 60% and high safety levels compared to traditional systems.

Security is provided by the absence of fire risks and by maintaining a clean working environment, even in a restricted working space. anche in condizioni di spazio ristretto.

CAMPI DI APPLICAZIONE Fields of application • Anwendungsbereich • Domaines d’application • Ámbitos de aplicación 11 Applicazioni Applications Acciaio inossidabile Stainless Steel Acciaio al carbonio Carbon Steel Rame / Bronzo Copper / Bronze Cupronichel Copper-nickel Acciaio inossidabile Stainless Steel Acqua potabile Potable Water ✓ ✓ Gas metano / GPL Natural Gas / LPG ✓ ✓ Riscaldamento Heating ✓ ✓ ✓ ✓ Raffrescamento Cooling ✓ ✓ ✓ ✓ Solare termico Solar Thermal ✓ ✓ ✓ ✓ Aria compressa Compressed Air ✓ ✓ ✓ ✓ Antincendio Fire Protection Systems ✓ ✓ ✓ ✓ Acque di processo Process Water ✓ ✓ ✓ Scarichi Wastewater ✓ ✓ Nebulizzazione Nebulisation ✓ Silicone free Silicone Free ✓ Vapore Steam ✓ Acqua potabile Potable Water Raffrescamento Cooling Gas metano / GPL Natural Gas / LPG Solare termico Solar Thermal Riscaldamento Heating Aria compressa Compressed Air Antincendio Fire Protection Systems Acque di processo Process Water Scarichi Wastewater Nebulizzazione Nebulisation SILICONE FREE SILICONEFREE OCILIS EERF Silicone Free Silicone Free Vapore Steam
13 CAMPI DI APPLICAZIONE Fields of application • Anwendungsbereich • Domaines d’application • Ámbitos de aplicación CAMPI DI APPLICAZIONE Fields of application • Anwendungsbereich • Domaines d’application • Ámbitos de aplicación 12

20 anni di pressfitting ed un nuovo progetto dedicato.

20 YEARS OF PRESSFITTING AND A NEW SPECIFIC PROJECT.

I sistemi a pressare, diventati oggi il core business di Raccorderie Metalliche, festeggiano 20 anni di pressfitting dalla loro prima produzione del 1999.

Per dare ancora più valore a questo importante traguardo, è stato avviato il modello BIM (Building Information Modeling): un’innovativa tecnologia pratica, flessibile e sempre più professionale per la disegnazione degli impianti per i nostri sistemi a pressare.

Pressfitting systems are nowadays Raccorderie Metalliche’s core business. We celebrate 20 years of pressfitting. Our first production dates back to 1999.

To greatly value this important goal, we have developed our BIM (Building Information Modeling) model: it consists of a practical, flexible, innovative, highly professional technology aimed to determine plants for our pressfitting systems.

*DISPONIBILI PER LA PIATTAFORMA BIM A PARTIRE DA FEBBRAIO 2019 !

*AVAILABLE IN STOCK FROM FEBRUARY 2019 !

Since 1999 Pressfit tings An nive rs ar y CAMPI DI APPLICAZIONE Fields of application • Anwendungsbereich • Domaines d’application • Ámbitos de aplicación 13

Sistemi di raccordi a pressare

Sistemi di raccordi a pressare

15
PRESS FITTING SYSTEMS PRESSFITTINGSYSTEME SYSTÈME À SERTIR SISTEMA DE ACCESORIOS PARA PRENSAR SISTEMI DI RACCORDI A PRESSARE Press Fitting Systems • Pressfittingsysteme • Système à sertir • Sistema de accesorios para prensar SISTEMI DI RACCORDI A PRESSARE Press Fitting Systems • Pressfittingsysteme • Système à sertir • Sistema de accesorios para prensar 11 SISTEMI DI RACCORDI A PRESSARE Press Fitting Systems • Pressfittingsysteme • Système à sertir • Sistema de accesorios para prensar 11 1515
FITTING SYSTEMS PRESSFITTINGSYSTEME SYSTÈME À SERTIR SISTEMA DE ACCESORIOS PARA PRENSAR SISTEMI DI RACCORDI A PRESSARE Press Fitting Systems • Pressfittingsysteme • Système à sertir • Sistema de accesorios para prensar SISTEMI DI RACCORDI A PRESSARE Press Fitting Systems • Pressfittingsysteme • Système à sertir • Sistema de accesorios para prensar 11 SISTEMI DI RACCORDI A PRESSARE Press Fitting Systems • Pressfittingsysteme • Système à sertir • Sistema de accesorios para prensar 11 15
PRESS

Il sistema pressfitting

Le fasi di installazione

Installation process

RACCORDERIE METALLICHE utilizza per i propri prodotti la tecnica di giunzione con profilo “M”. Durante la pressatura avviene una deformazione a 2 livelli. Il primo livello di resistenza si realizza in seguito alla deformazione meccanica del raccordo e della tuba-

zione, un collegamento indissolubile che garantisce la resistenza meccanica dello stesso. La tenuta idraulica viene garantita dall’ORing deformato nella sua sezione: grazie alla sua elasticità, garantisce l’ermeticità permanente della giunzione.

Il profilo dell’anello di tenuta (O-Ring)

I tradizionali sistemi di raccordi a pressare utilizzano anelli di tenuta (O-Ring) a sezione circolare che in caso di lavorazione non appropriata, sono facilmente soggetti ad essere danneggiati. Raccorderie Metalliche usa un’anello di tenuta brevettato a profilo lenticolare (lenring) che aderisce perfettamente alla camera toroidale. Ne conseguono i seguenti vantaggi:

Una superficie di tenuta maggiore del 20%; Notevole diminuzione del rischio di danneggiamento dell’anello di tenuta; Facilita l’inserimento del tubo.

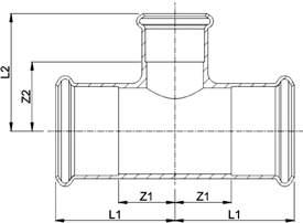
Attrezzatura per la preparazione del tubo / Tools for the pipe set-up

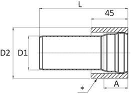
Il materiale impiegato nella realizzazione dei raccordi e dei tubi

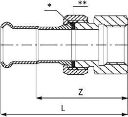
Macchine e attrezzature per la pressata / Pressing machines and tools

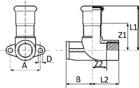
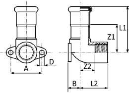
I raccordi ed i tubi della linea INOXPRES® sono in acciaio inossidabile AISI 316L. A differenza dei tradizionali sistemi in acciaio AISI316, i prodotti INOXPRES® presentano un minor contenuto di carbonio che conferisce all’acciaio una maggiore resistenza alla corrosione.

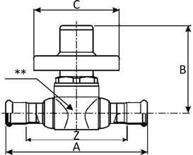
Anelli di tenuta - Campi di impiego e caratteristiche tecniche

TABELLA 2: PORTATE UGELLI IN LITRI AL MINUTO

Taglio del tubo / Cutting the pipe to length

Sbavatura del tubo / Deburring the pipe

Norma di riferimento EN 10217-7:2005

Controllo O-ring / Checking the sealing ring

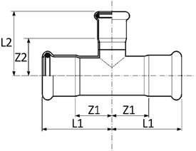
da parte di RM no

Marcatura della profondità d’innesto / Marking the insertion depth

INDICAZIONI TECNICHE COLORI TEMPERATURE D‘ESERCIZIO MIN / MAX GRADI CELSIUS PRESSIONE D‘ESERCIZIO MAX IN BAR OMOLOGAZIONE ENORME CAMPI D‘IMPIEGO INSERITO IN FABBRICA EPDM Nero -20 / +120 °C 16 KTW W 270 DVGW W 534 Acqua
(Classe
÷ 4) sì NBR HNBR Giallo -20 / +70 °C 5 G 260HTB DVGW G 5614 Gas naturale, Gas metano, GPL (fase gassosa) sì FKM Verde -20 / +220 °C 16Solare, Aria compressa (Classe 5), Acqua salmastra sì STEAM Bianco -20 / 165 °C 7 - Vapore saturo sì MVQ Rosso -20 / +180 °C 16Applicazioni industriali dopo la verifica
potabile, Riscaldamento Circuiti di raffreddamento, Acque trattate, Acque completamente dissalate, Acqua piovana, Aria compressa
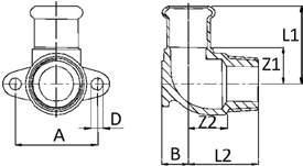
1
WERKSTOFF NR. C ≤ % SI ≤ % MN ≤ % P ≤ % S ≤ % N ≤ % CR % MO % NI % AISI316 / W.1.4401 0,07 1 2 0,05 0,02 0,11 16,5 2 10 X5CrNiMo 17-12-2 AISI316L / W. 1.4404 0,03 18,5 2,5 13 X2CrNiMo 17-12-2 superficie di tenuta maggiore del 20% SISTEMI DI RACCORDI A PRESSARE Press fitting Systems • Pressfittingsysteme • Système à sertir • Sistema de accesorios para prensar 16 18
SISTEMI DI RACCORDI A PRESSARE Press Fitting Systems • Pressfittingsysteme • Système à sertir • Sistema de accesorios para prensar
DI RACCORDI A PRESSARE Press Fitting Systems • Pressfittingsysteme • Système à sertir • Sistema de accesorios para prensar 14
SISTEMI

Pressfitting system

The junction connection of RACCORDERIE METALLICHE press fitting systems is with “M” contour. During the pressing process a deformation takes place on two planes. The first plane creates a permanent connection and provides

Sealing ring profile (O-Ring)

Traditional press fitting systems use round sealing rings, which can easily be damaged by careless fitting. RM on the other hand uses a patented sealing ring with a lenticular profile which fits the press crimp groove. This provides the following advantages: A 20% enlargement of the sealing surface area; Major reduction of the risk of the sealing ring being pressed out or damaged;

Fìit makes the pipes insertion easier.

Description of the material used to produce stainless steel pipes and fittings

mechanical strength through the mechanical deformation of the press fitting and the pipe. On the second plane the seal ring is deformed in its cross section and through its elastic properties creates the permanently tight joint.

Pipes and fittings of INOXPRES® are made in stainless steel AISI 316L. Unlike traditional systems made with AISI316, INOXPRES® products present a lower content of carbon that gives a higher resistance to corrosion.

Sealing rings - Fields of applications and technical data

Controllo della pressatura / Checking the press connection

Profondità d’innesto e distanze minime

Reference norm

EN 10217-7:2005

2: PORTATE UGELLI IN LITRI AL MINUTO TECHNICAL TERM COLOUR OPERATING TEMPERATURE MIN. -/MAX. DEGREES CENTIGRADE OPERATING PRESSURE MAXIMUM IN BAR APPROVALS AND CERTIFICATION BASIS FIELDS OF APPLICATION FACTORY FITTED EPDM black -20 / +120 °C 16 KTW W 270 DVGW W 534 Potable water, Heating, Cooling and refrigeration circuits, Treated water, Desalinated water, Rainwater, Compressed air (Class 1÷4) yes NBR HNBR yellow -20 / +70 °C 5 G 260HTB DVGW G 5614 Natural gas, Methane gas, GPL (gaseous state) yes FKM green -20 / +220 °C 16Solar, Compressed air (Class 5), Salt water yes STEAM white -20 / 165 °C 7 - Saturated Steam yes MVQ red -20 / +180 °C 16Industrial applications following approval by RM no WERKSTOFF NR. C ≤ % SI ≤ % MN ≤ % P ≤ % S ≤ % N ≤ % CR % MO % NI % AISI316 / W.1.4401 0,07 1 2 0,05 0,02 0,11 16,5 2 10 X5CrNiMo 17-12-2 AISI316L / W. 1.4404 0,03 18,5 2,5 13 X2CrNiMo 17-12-2 SISTEMI DI RACCORDI A PRESSARE Press fitting Systems • Pressfittingsysteme • Système à sertir • Sistema de accesorios para prensar 1715 Preparazione della macchina pressatrice / Press machine preparation
Assemplaggio attraverso pressatura / Making the press connection D L Diametro esterno tubi in mm Pipe outside diameter in mm A mm D mm L mm 12 182056 15 202060 18 202060 22 212062 28 232066 35 2620 72 42 3040100 54 3540110 76,1 5560 170 88,9 6060180 108 7560210
TABELLA
Insertion depth and minimum distances SISTEMI DI RACCORDI A PRESSARE Press Fitting Systems • Pressfittingsysteme • Système à sertir • Sistema de accesorios para prensar 139,7 95 100 290 168,3 113 100 326 A

Le fasi di installazione

Installation process

Attrezzatura per la preparazione del tubo / Tools for the pipe set-up

Macchine e attrezzature per la pressata / Pressing machines and tools

Taglio del tubo / Cutting the pipe to length

Sbavatura del tubo / Deburring the pipe

Controllo O-ring / Checking the sealing ring

Marcatura della profondità d’innesto / Marking the insertion depth

18
SISTEMI DI RACCORDI A PRESSARE Press Fitting Systems • Pressfittingsysteme • Système à sertir • Sistema de accesorios para prensar SISTEMI DI RACCORDI A PRESSARE Press Fitting Systems • Pressfittingsysteme • Système à sertir • Sistema de accesorios para prensar 18

Preparazione della macchina pressatrice / Press machine preparationAssemplaggio attraverso pressatura / Making the press connection

Controllo della pressatura / Checking the press connection

Profondità d’innesto e distanze minime

Insertion depth and minimum distances

VIDEO TUTORIAL

Scopri sul nostro canale YouTube, come installare il sistema Pressfitting !

Find out more on our YouTube channel, how to install Pressfitting system !

19
D L Diametro esterno tubi in mm Pipe outside diameter in mm A mm D mm L mm 12 182056 15 202060 18 202060 22 212062 28 232066 35 2620 72 42 3040100 54 3540110 76,1 5560 170 88,9 6060180 108 7560210 SISTEMI DI RACCORDI A PRESSARE Press Fitting Systems • Pressfittingsysteme • Système à sertir • Sistema de accesorios para prensar 139,7 95 100 290 168,3 113 100 326 A

SISTEMI DI RACCORDI A PRESSARE

Press Fitting Systems • Pressfittingsysteme • Systèmes de raccords a sertir • Sistema de accesorios para prensar

Certificazioni / Certifications

SETTORE CIVILE / CIVIL SECTOR

DE CONFORMITE SANITAIRE - SYSTÈME INOXPRES

FITTINGEK Ø 15–108 MM

ZAPRASOWYWANE ZE STALI SYSTEMU INOXPRES I STEELPRES DO

RUR ZE STALI

I KSZTAŁTKI DN 20 DO DN 65, ZE STALI NIERDZEWNEJ, SYSTEM

SYSTEM OF STAINLESS STEEL PIPES AND STAINLESS COMPRESSING FITTINGS

WATER SUPPLY - METALLIC FITTINGS AND END CONNECTORS; STAINLESS STEEL PIPES AND TUBE FOR PRESSURE APLLICATIONS

mm

PRODUKTE DER WASSERVERSORGUNG DW-8511AU2084 (W 534)Ø 15 – 108 mm EDELSTAHLROHR “INOXPRES” - 1.4404 DW-7301 BM3426 (GW 541)Ø 15 – 108 mm EDELSTAHLROHR “INOXPRES” - 1.4521 DW-7301 BT0667 (GW 541) Ø 15 – 54 mm ROHRSYSTEM EDELSTAHL “INOXPRES” PRESSFITTINGSYSTEM AUS EDELSTAHL DN 20 BIS DN 80 VERWENDUNG: IN ORTSFESTEN WASSERLÖSCHANLAGEN G 4060006 (VdS 2344 - VdS 2100) Ø 22 – 88,9 mm TRINKWASSERHAUSINSTALLATIONSSYSTEM = INOXPRES®= W 1.402 (PW 300)Ø 15 – 108 mm TRINKWASSERVERTEILSYSTEME 0007-4278 (TPW 132)Ø 15 – 108 mm INOXPRES RANGE OF STAINLESS STEEL FITTINGS 1710345 Ø 15 – 108 mm SYSTÈMES DE CANALISATIONS DE DISTRIBUTION D’EAU - SYSTÈME INOXPRES 79-1975_V1 Ø 15 – 108 mm PRESFITTINGS TIL RUSTFRI STÅLRØR INOXPRES RUSTFRI STÅLRØR TIL BRUGSVANDSINSTALLATIONER I BYGNING OG JORD INOXPRES VA 1.22/19224 VA 1.12/18410 Ø 15 – 108 mm INOXPRES PIPES 03/00127 02/0014 Ø 15 – 108 mm PRESSKOPPLINGAR FÖR ROSTFRIA STÅLRÖR 1174/99 Ø 15 – 108 mm STAINLESS STEEL PRESS FITTING - INOXPRES® - (WATER SUPPLY) STAINLESS STEEL TUBE - INOXPRES® - (WATER SUPPLY) K40834/04 K40835/03 Ø 15 – 108 mm INOXPRES PRESSFITTINGSSYSTEM I RUSTFRITT STÅL Nr. 1623 Ø 15 – 108 mm INOXPRES PRESSFITTINGSYSTEM POCC IT. MH08.H26536Ø 15 – 108 mm STAINLESS STEEL INOXPRES CRIMP FITTINGS (WATER SUPPLY) TEST REPORT ZH 173Ø 15 – 108 mm ROZSDAMENTES ACÉL CSÖVEK ÉS PRÉSIDOMOK INOXPRES A-42/2017 Ø 15 – 108 mm INOXPRES ELNEVEZÉSŰ
KEF-4416-2/2016 Ø 15 – 108
LACZENIA
AT-15-7863/2014Ø 15 – 108
ATEST
HK/W/0541/01/2015Ø 15 – 108
LACZNIKI
mm
HIGIENICZNY - INOXPRES
mm
A0 202/C5/2016/B-30-00323-16 Ø 15 – 108
CONFORMITÀ
TIFQ-099-AL04/00 Ø 15 – 108
WMK25928 WMK25929Ø 15 – 108
INOXPRES
mm
AL DECRETO MINISTERIALE 174/2004
mm
mm
RURY
AT-1106-0269/2010/2015 Ø 22 – 76,1
14 ACC LY 079 Ø 15 – 108 mm
INOXPRES
20
INOXPRES
mm
ATTESTATION
FITTINGS

Certificazioni / Certifications

Campi di applicazione / Fields of application

SISTEMI DI RACCORDI A PRESSARE Press Fitting Systems • Pressfittingsysteme • Systèmes de raccords a sertir • Sistema de accesorios para prensar SETTORE NAVALE / SHIPYARD SECTOR PIPE COUPLING WITH O-RING SEAL INOXPRES SYSTEM 38058/A0 BV Ø 15 – 108 mm TUBE FITTINGS - INOXPRES TAP000017J Ø 15 – 108 mm PRESS FIT SYSTEM OF COMPRESSION TYPE FOR PIPING SYSTEMS 15/20055 (E1) Ø 15 – 108 mm INOXPRES PIPE PENETRATION (STANDARD FIRE TEST) Ø 15–108 MM MED 1650182 – SASF160204Ø 15 – 108 mm GIUNTI MECCANICI PER TUBOLATURE - INOXPRES MAC135317CS/001-002 Ø 15 – 108 mm INOXPRES, PIPING SYSTEM AND FITTING 14-GE1273370-PDA Ø 15 – 108 mm MECHANICAL JOINTS FOR PIPES - INOXPRES
Ø 15 – 108 mm ML 16T00012 INOXPRES, MECHANICAL JOINTS
Acqua potabile Potable water Riscaldamento Heating Raffrescamento Cooling Antincendio Fire protection systems Aria compressa Compressed air Solare termico con O-Ring FKM Solar thermal with FKM O-Ring Acque di processo Process water O -ri n g EP D M Nero | Black | Schwarz
Noir
Negro 21
|
|

Un marchio di qualità per i materiali a contatto con l’acqua potabile

A QUALITY BRAND FOR MATERIALS COMING IN CONTACT WITH DRINKING WATER

TIFQ attesta che gli oggetti prodotti e/o commercializzati dall’Organizzazione Raccorderie Metalliche S.p.A.:

- Tubi e raccordi a pressare in acciaio inox (inoxPRES);

- Raccordi filettati in acciaio inox;

- Raccordi a saldare in acciaio inox;

- Valvole a sfera in acciaio inox; sono idonei al contatto con acqua potabile destinata al consumo umano. (riferimento D.M. n.174 del 6 aprile 2004)

TIFQ certifies that the products manufactured and/or marketed by Raccorderie Metalliche S.p.A., i.e.:

- Stainless steel pipes and pressfittings (inoxPRES);

- Threaded stainless steel fittings;

- Welding fittings in stainless steel;

- Stainless steel ball valves; are suitable for contact with drinking water intended for human consumption.

(Re: Ministerial Decree No.174 dated 6 April 2004)

SISTEMI DI RACCORDI A PRESSARE Press Fitting Systems • Pressfittingsysteme • Systèmes de raccords a sertir • Sistema de accesorios para prensar
22

116/200 6 m

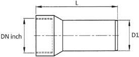
TUBO PER ACQUA

POTABILE

• PIPE FOR POTABLE WATER

• ROHR FÜR TRINKWASSER

• TUBE POUR L’EAU POTABLE

• TUBO PARA EL AGUA POTABLE NORM: EN 10217-7 (DIN 17455) - EN 10312

Mat. Nr.: 1.4404 (AISI 316L) L=6

m

Crudo - Not annealed - Ungeglüht - Non-hypertrempé - Crudo

SISTEMI DI RACCORDI A PRESSARE Press Fitting Systems • Pressfittingsysteme • Systèmes de raccords a sertir • Sistema de accesorios para prensar
≤54  B 30 31  76÷108  B 30 32
CODE Dimensions mm x mm Ø int mm L m kg/m Volume l/m Minimum package m Bundle m 116015200 15 x 1,0 13 6 0,351 0,133 60 1014 116018200 18 x 1,0 16 6 0,426 0,201 60 1014 116022200 22 x 1,2 19,6 6 0,625 0,302 60 762 116028200 28 x 1,2 25,6 6 0,805 0,514 30 546 116035200 35 x 1,5 32 6 1,258 0,804 30 546 116042200 42 x 1,5 39 6 1,521 1,194 30 366 116054200 54 x 1,5 51 6 1,972 2,042 30 366 116076200 76,1 x 2,0 72,1 6 3,711 4,080 6 114 116088200 88,9 x 2,0 84,9 6 4,352 5,660 6 114 116108200 108 x 2,0 104 6 5,308 8,490 6 114
TUBO PER ACQUA POTABILE • PIPE FOR POTABLE WATER • ROHR FÜR TRINKWASSER • TUBE POUR L’EAU POTABLE • TUBO PARA EL AGUA POTABLE NORM: EN 10217-7 (DIN 17455) - EN 10312  B 30 36
Nr.: 1.4404 (AISI 316L) L=6 m
- Not annealed - Ungeglüht - Non-hypertrempé - Crudo CODE Dimensions mm x mm Ø int mm L m kg/m Volume l/m Minimum package m Bundle m 116139200 139,7 x 2,0 135,7 6 6,896 14,460 6 60 116168200 168,3 x 2,0 164,3 6 8,328 21,200 6 60 116139260 139,7 x 2,6 134,5 6 8,926 14,208 6 60 116168260 168,3 x 2,6 168,1 6 10,788 20,893 6 60 23
116/Oversize 6 m
Mat.
Crudo

116/203 3 m

Mat. Nr.:

(AISI 316L) L=3 m

Crudo - Not annealed - Ungeglüht - Non-hypertrempé - Crudo

116/300 6 m

SISTEMI DI RACCORDI A PRESSARE Press Fitting Systems • Pressfittingsysteme • Systèmes de raccords a sertir • Sistema de accesorios para prensar
TUBO PER ACQUA POTABILE • PIPE FOR POTABLE WATER • ROHR FÜR TRINKWASSER • TUBE POUR L’EAU POTABLE • TUBO PARA EL AGUA POTABLE NORM: EN 10217-7 (DIN 17455) - EN 10312 ≤54  B 30 31  76÷108  B 30 32
1.4404
CODE Dimensions mm x mm Ø int mm L m kg/m Volume l/m Minimum package m 116015203 15 x 1,0 13 3 0,351 0,133 60 116018203 18 x 1,0 16 3 0,426 0,201 60 116022203 22 x 1,2 19,6 3 0,625 0,302 36 116028203 28 x 1,2 25,6 3 0,805 0,514 30 116035203 35 x 1,5 32 3 1,258 0,804 18 116042203 42 x 1,5 39 3 1,521 1,194 12 116054203 54 x 1,5 51 3 1,972 2,042 12 116076203 76,1 x 2,0 72,1 3 3,711 4,080 6 116088203 88,9 x 2,0 84,9 3 4,352 5,660 6 116108203 108 x 2,0 104 3 5,308 8,490 6
TUBO PER ACQUA POTABILE • PIPE FOR POTABLE WATER • ROHR FÜR TRINKWASSER • TUBE POUR L’EAU POTABLE • TUBO PARA EL AGUA POTABLE NORM: EN 10217-7 (DIN 17455) - EN 10312 ≤54  B 30 31  76÷108  B 30 32
Nr.: 1.4404 (AISI 316L) L=6
Ricotto - Annealed - Geglüht - Hypertrempé - Recocido CODE Dimensions mm x mm Ø int mm L m kg/m Volume l/m Minimum package m Bundle m 116015300 15 x 1,0 13 6 0,351 0,133 60 1014 116018300 18 x 1,0 16 6 0,426 0,201 60 1014 116022300 22 x 1,2 19,6 6 0,625 0,302 60 762 116028300 28 x 1,2 25,6 6 0,805 0,514 30 546 116035300 35 x 1,5 32 6 1,258 0,804 30 546 116042300 42 x 1,5 39 6 1,521 1,194 30 366 116054300 54 x 1,5 51 6 1,972 2,042 30 366 116076300 76,1 x 2,0 72,1 6 3,711 4,080 6 114 116088300 88,9 x 2,0 84,9 6 4,352 5,660 6 114 116108300 108 x 2,0 104 6 5,308 8,490 6 114 24
Mat.
m

116/030 6 m

TUBO PER ACQUA POTABILE

• TUBE FOR POTABLE WATER

• ROHR FÜR TRINKWASSER

• TUBE POUR L’EAU POTABLE

• TUBO PARA EL AGUA POTABLE

NORM: EN 10217-7 (DIN 17455) - EN 10312

Mat. Nr.: 1.4521 (AISI 444) L=6 m

Ricotto - Annealed - Geglüht - Hypertrempé - Recocido

SISTEMI DI RACCORDI A PRESSARE Press Fitting Systems • Pressfittingsysteme • Systèmes de raccords a sertir • Sistema de accesorios para prensar
B 30 33
CODE Dimensions mm x mm Ø int mm L m kg/m Volume l/m Minimum package m Bundle m 116015030 15 x 1,0 13 6 0,351 0,133 60 1014 116018030 18 x 1,0 16 6 0,426 0,201 60 1014 116022030 22 x 1,2 19,6 6 0,625 0,302 60 762 116028030 28 x 1,2 25,6 6 0,805 0,514 30 546 116035030 35 x 1,5 32 6 1,258 0,804 30 546 116042030 42 x 1,5 39 6 1,521 1,194 30 366 116054030 54 x 1,5 51 6 1,972 2,042 30 366 25

≤54  B

114/200 6 m

TUBO PER ARIA

COMPRESSA - SERIE 2

• TUBE FOR COMPRESSED AIR - RANGE 2

• ROHR FÜR DRUCKLUFT - SERIE 2

• TUBE POUR L’AIR COMPRIMÉ - SÉRIE 2

30 35

CODE Dimensions mm x mm Ø int mm L m kg/m Volume l/m Minimum package m Bundle m 114015200 15 x 1,0 13 6 0,351 0,133 60 1014 114018200 18 x 1,0 16 6 0,426 0,201 60 1014 114022200 22 x 1,2 19,6 6 0,625 0,302 60 762 114028200 28 x 1,2 25,6 6 0,805 0,514 30 546 114035200 35 x 1,5 32 6 1,258 0,804 30 546 114042200 42 x 1,5 39 6 1,521 1,194 30 366 114054200 54 x 1,5 51 6 1,972 2,042 30 366 114076200 76,1 x 2,0 72,1 6 3,711 4,080 6 114 114088200 88,9 x 2,0 84,9 6 4,352 5,660 6 114 114108200 108 x 2,0 104 6 5,308 8,490 6 114

TUBO PER ARIA COMPRESSA - SERIE 2 • TUBE FOR COMPRESSED AIR - RANGE 2 • ROHR FÜR DRUCKLUFT - SERIE 2 • TUBE POUR L’AIR COMPRIMÉ - SÉRIE 2 • TUBO PARA AIRE COMPRIMIDO - SERIE 2 NORM: EN 10217-7 (DIN 17455) ≤54  B 30 34  76÷108  B 30 35

m

- Ungeglüht - Non-hypertrempé - Crudo

DI RACCORDI A PRESSARE Press Fitting Systems • Pressfittingsysteme • Systèmes de raccords a sertir • Sistema de accesorios para prensar
SISTEMI
• TUBO PARA AIRE COMPRIMIDO - SERIE 2 NORM: EN 10217-7 (DIN 17455) 30 34  76÷108  B
Mat. Nr.: 1.4301 (AISI 304) L=6 m
Crudo - Not annealed - Ungeglüht - Non-hypertrempé - Crudo
114/202 2 m
Mat. Nr.: 1.4301 (AISI 304) L=2 CODE Dimensions mm x mm Ø int mm L m kg/m Volume l/m Minimum package m 114015202 15 x 1,0 13 2 0,351 0,133 60 114018202 18 x 1,0 16 2 0,426 0,201 60 114022202 22 x 1,2 19,6 2 0,625 0,302 30 114028202 28 x 1,2 25,6 2 0,805 0,514 30 114035202 35 x 1,5 32 2 1,258 0,804 18 114042202 42 x 1,5 39 2 1,521 1,194 12 114054202 54 x 1,5 51 2 1,972 2,042 12 114076202 76,1 x 2,0 72,1 2 3,711 4,080 6 114088202 88,9 x 2,0 84,9 2 4,352 5,660 6 114108202 108 x 2,0 104 2 5,308 8,490 6 26
Crudo -
Not annealed

156

COLLARE PER TUBO INOXPRES

• CLAMP FOR INOXPRES PIPE

• ROHRSCHELLE FÜR INOXPRES ROHR

• COLLIER POUR TUBE INOXPRES

• ABRAZADERA PARA TUBO INOXPRES

MATERIAL: AISI 304 / W. 1.4301

NOTE: dado saldato con puntatura elettrica spot welded nut

156/G

COLLARE GOMMA PER TUBO INOXPRES

• CLAMP WITH RUBBER FOR INOXPRES PIPE

• ROHRSCHELLE MIT GUMMIEINLAGE FÜR INOXPRES ROHR

• COLLIER DE FIXATION GARNITURE ISOPHONIQUE POUR TUBE INOXPRES

• ABRAZADERA ISOFÓNICA PARA TUBO INOXPRES

VULCANIZED RUBBER: EPDM (-20° C/+120° C) durezza/hardness

55 Shore

MATERIAL: AISI 304 / W. 1.4301

NOTE: dado saldato con puntatura elettrica spot welded nut

*Gomma staccabile - Detachable rubber - Abnehmbare Gummi - Caoutchouc amovible - Goma desmontable (**) unità minima di vendita/minimum selling quantity

SISTEMI DI RACCORDI A PRESSARE Press Fitting Systems • Pressfittingsysteme • Systèmes de raccords a sertir • Sistema de accesorios para prensar
A 50 50  CODE Øi mm M F Lg x Sp mm V mm L mm g 156015304 15 M 8 20 x 2,5 M 6 x 20 48 54 1 50 156308304 18 M 8 20 x 2,5 M 6 x 20 53,5 60 1 50 156102304 22 M 8 20 x 2,5 M 6 x 20 58 68 1 50 156304304 28 M 8 20 x 2,5 M 6 x 20 63,5 74 1 50 156100304 35 M 8 20 x 2,5 M 6 x 20 70 82 1 50 156114304 42 M 8 20 x 2,5 M 6 x 20 79 92 1 50 156054304 54 M 8 20 x 2,5 M 6 x 25 94 108 1 50 156212304 76,1 M 10 30 x 2,5 M 6 x 25 115 205 1 20 156300304 88,9 M 10 30 x 2,5 M 6 x 25 128 230 1 20 156108304 108 M 10 30 x 2,5 M 6 x 25 149 268 1 20 (*) unità minima di vendita/minimum selling quantity
A 50 50  Conforme a Conform to Entsprechend Correspondant Conforme a la DIN 4109 CODE M Øi mm V mm B mm S mm L mm g 156150304G M 8 15 M 6 x 20 20 2 58 72 1 50** 156308304G M 8 18 M 6 x 20 20 2 58 76 1 50** 156102304G M 8 22 M 6 x 20 20 2 63,5 86 1 50** 156304304G M 8 28 M 6 x 20 20 2 70 94 1 50** 156100304G M 8 35 M 6 x 20 20 2 79 112 1 50** 156114304G M 8 42 M 6 x 20 20 2 85 120 1 50** 156112304G M 8 54 M 6 x 25 20 2 97 142 1 50** 156212304G M 10 76,1 M 6 x 25 30 2 128 308 1 10** 156300304G M 10 88,9 M 6 x 25 30 2 148 346 1 10** 156108304G* M 8/10 107 - 110 M 6 x 25 20 2 168 160 1 10**
27

SISTEMI DI RACCORDI A PRESSARE

Press Fitting Systems • Pressfittingsysteme • Systèmes de raccords a sertir • Sistema de accesorios para prensar

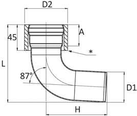
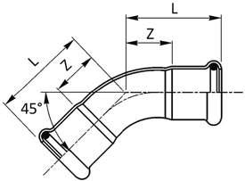
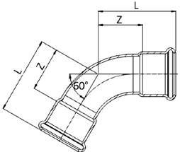
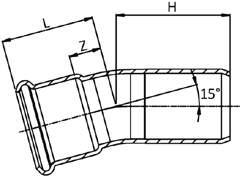
181/150 CURVA

15° FF
15° ELBOW FF
BOGEN 15° II
COUDE FF 15°
CURVA 15° HH MATERIAL: AISI 316L – 1.4404 O-RING: EPDM nero - black - Schwarz - noirnegro ≤54  B 10 11  76÷108  B 10 12  CODE De mm L mm Z mm g 181015150 15 30 10 50 20 300 181018150 18 32 12 52 20 300 181022150 22 33 12 82 20 100 181028150 28 36 13 112 10 100 181035150 35 37 11 123 10 60 181042150 42 42 12 175 4 40 181054150 54 49 12 268 2 20 181076150C 76,1 87,5 32,5 777 2 2 181088150C 88,9 100,5 40,5 1032 2 2 181108150C 108 109,5 34,5 1412 2 2 181/151 CURVA 15° MF • 15° ELBOW MF • BOGEN 15° IA • COUDE MF 15° • CURVA 15° HM MATERIAL: AISI 316L – 1.4404 O-RING: EPDM nero - black - Schwarz - noirnegro ≤54  B 10 11  76÷108  B 10 12  CODE De mm L mm H mm Z mm g 181015151 15 30 40 10 50 20 300 181022151 22 33 41 12 82 20 100 181028151 28 36 43 13 112 10 100 181035151 35 37 41 11 133 10 60 181042151 42 42 47 12 195 4 40 181054151 54 49 55 13 293 2 20 181076151C 76,1 87,5 95,5 32,5 743 2 2 181088151C 88,9 100,5 108,5 40,5 988 2 2 181108151C 108 109,5 118 34,5 1332 2 2 28

181/300

CURVA 30° FF

• 30° ELBOW FF

• BOGEN 30° II

• COUDE FF 30°

• CURVA 30° HH

MATERIAL: AISI 316L – 1.4404

O-RING: EPDM nero - black - Schwarz - noirnegro

181/301

CURVA 30° MF

• 30° ELBOW MF

• BOGEN 30° IA

• COUDE MF 30°

• CURVA 30° HM

MATERIAL: AISI 316L – 1.4404

O-RING: EPDM nero - black - Schwarz - noirnegro

PRESSARE Press Fitting Systems • Pressfittingsysteme • Systèmes de raccords a sertir • Sistema de accesorios para prensar
SISTEMI DI RACCORDI A
≤54  B 10 11  76÷108  B 10 12  CODE De mm L mm Z mm g 181015300 15 33 13 50 20 300 181018300 18 32 12 52 20 300 181022300 22 37 16 82 20 100 181028300 28 41 18 112 10 100 181035300 35 37 11 123 10 60 181042300 42 44 14 175 4 40 181054300 54 52 17 268 2 20 181076300 76,1 100 55 900 2 2 181088300 88,9 115 64 1250 2 2 181108300 108 127 68 1700 2 2
≤54  B 10 11  76÷108  B 10 12  CODE De mm L mm H mm Z mm g 181015301 15 33 43 13 50 20 300 181022301 22 37 46 16 82 20 100 181028301 28 41 48 18 112 10 100 181035301 35 37 46 11 133 10 60 181042301 42 44 54 14 195 4 40 181054301 54 52 63 17 293 2 20 181076301 76,1 100 108 55 900 2 2 181088301 88,9 115 123 64 1250 2 2 181108301 108 127 136 68 1700 2 2 29

SISTEMI DI RACCORDI A PRESSARE

Press Fitting Systems • Pressfittingsysteme • Systèmes de raccords a sertir • Sistema de accesorios para prensar

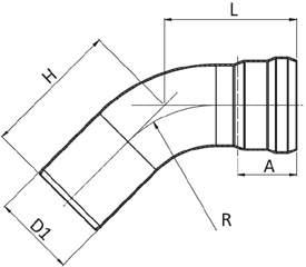
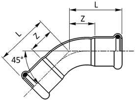
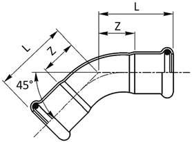
181/450

CURVA

181/451

ELBOW
BOGEN 45° II
COUDE FF 45°
CURVA 45° HH MATERIAL: AISI 316L – 1.4404 O-RING: EPDM nero - black - Schwarz - noirnegro ≤54  B 10 11  76÷108  B 10 12  ≥139  B 10 17  CODE De mm L mm Z mm g 181015450 15 36 16 50 20 300 181018450 18 37 17 64 20 300 181022450 22 41 20 82 20 100 181028450 28 47 24 112 10 100 181035450 35 43 17 127 10 60 181042450 42 51 21 177 4 40 181054450 54 62 30 273 2 20 181076450 76,1 131,5 76,5 900 2 2 181088450 88,9 144 84 1250 2 2 181108450 108 169 94 1700 2 2 181139450 139,7 203 108 3052 1 1 181168450 168,3 252 139 4556 1 1
45° FF • 45°
FF •
45° ELBOW MF
BOGEN 45° IA
COUDE MF 45° • CURVA 45° HM MATERIAL: AISI 316L – 1.4404 O-RING: EPDM nero - black - Schwarz - noirnegro ≤54  B 10 11  76÷108  B 10 12  ≥139  B 10 17  CODE De mm L mm H mm Z mm g 181015451 15 36 49 16 50 20 300 181018451 18 37 43 17 64 20 300 181022451 22 41 48 20 82 20 100 181028451 28 47 54,5 22 112 10 100 181035451 35 43 57,5 17 132 10 60 181042451 42 51 72 21 196 4 40 181054451 54 62 82 26 296 2 20 181076451 76,1 131,5 149 76,5 900 2 2 181088451 88,9 144 159 84 1250 2 2 181108451 108 169 199 94 1700 2 2 181139451 139,7 203 210 108 2947 1 1 181168451 168,3 252 261 139 4346 1 1 30
CURVA 45° MF •

181/600

CURVA 60° FF

• 60° ELBOW FF

• BOGEN 60° II

• COUDE FF 60°

• CURVA 60° HH

MATERIAL: AISI 316L – 1.4404

O-RING: EPDM nero - black - Schwarz - noirnegro

181/601

CURVA 60° MF

• 60° ELBOW MF

• BOGEN 60° IA

• COUDE MF 60°

• CURVA 60° HM

MATERIAL: AISI 316L – 1.4404

O-RING: EPDM nero - black - Schwarz - noirnegro

• Pressfittingsysteme • Systèmes
SISTEMI DI RACCORDI A PRESSARE Press Fitting Systems
de raccords a sertir • Sistema de accesorios para prensar
≤54  B 10 11  76÷108  B 10 12  CODE De mm L mm Z mm g 181015600 15 30,5 10,5 41 20 300 181018600 18 32 12 50 20 300 181022600 22 36 15 68 20 100 181028600 28 42 19 98 10 100 181035600 35 50 24 141 10 60 181042600 42 59 29 204 4 40 181054600 54 72,5 37 313 2 20 181076600 76,1 146,5 91,5 1178 2 2 181088600 88,9 162 102 1517 2 2 181108600 108 190 115 2194 2 2
≤54  B 10 11  76÷108  B 10 12  CODE De mm L mm H mm Z mm g 181015601 15 30,5 39 10,5 40 20 300 181022601 22 36 46 15 68 20 100 181028601 28 42 51 19 98 10 100 181035601 35 50 64 24 149 10 60 181042601 42 59 80 29 220 4 40 181054601 54 72,5 92,5 37 332 2 20 181076601 76,1 146,5 164 91,5 1179 2 2 181088601 88,9 162 177 102 1503 2 2 181108601 108 190 205 115 2148 2 2 31

SISTEMI DI RACCORDI A PRESSARE

Press Fitting Systems • Pressfittingsysteme • Systèmes de raccords a sertir • Sistema de accesorios para prensar

181/900

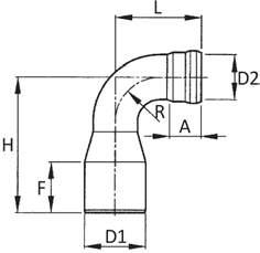
90° ELBOW FF
BOGEN 90° II
COUDE FF 90°
CURVA 90° HH MATERIAL: AISI 316L – 1.4404 O-RING: EPDM nero - black - Schwarz - noirnegro ≤54  B 10 11  76÷108  B 10 12  ≥139  B 10 17  CODE De mm L mm Z mm g 181015900 15 50 30 58 20 300 181018900 18 54 34 72 20 200 181022900 22 60 39 102 10 100 181028900 28 73 50 143 10 50 181035900 35 68 42 162 5 50 181042900 42 80 50 231 2 30 181054900 54 100 64 367 2 18 181076900 76,1 160 105 1150 2 2 181088900 88,9 182 122 1580 2 2 181108900 108 220 145 2250 2 2 181139900 139,7 314 219 4082 1 1 181168900 168,3 386 273 6059 1 1
CURVA 90° FF •
BOGEN
COUDE MF 90°
CURVA 90° HM MATERIAL: AISI 316L – 1.4404 O-RING: EPDM nero - black - Schwarz - noirnegro ≤54  B 10 11  76÷108  B 10 12  ≥139  B 10 17  CODE De mm L mm H mm Z mm g 181015901 15 50 63 30 58 20 300 181018901 18 54 63 34 72 20 200 181022901 22 60 71 39 102 10 100 181028901 28 73 81 50 143 10 50 181035901 35 68 82 42 176 5 50 181042901 42 80 101 50 253 2 30 181054901 54 100 120 64 390 2 18 181076901 76,1 160 180 105 1150 2 2 181088901 88,9 182 197 122 1580 2 2 181108901 108 220 236 145 2250 2 2 181139901 139,7 314 322 219 3984 1 1 181168901 168,3 386 395 273 5991 1 1 32
181/901 CURVA 90° MF • 90° ELBOW MF •
90° IA •

Oversize !

5 ” - 6 ” Ø 139,7 Ø 168,3 168,3 mm
AISI 316L Stainless Steel

GOMITO MISTO 90° FILETTO M

• ELBOW ADAPTER 90° WITH MALE THREAD

• ÜBERGANGSWINKEL 90° AG

• EQUERRE 90° AVEC FILETAGE M

• CODO MACHO

MATERIAL: AISI 316L – 1.4404

O-RING: EPDM nero - black - Schwarz - noirnegro

THREAD: EN 10226-1 (ex ISO 7/1)

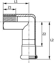
GOMITO MISTO 90° FILETTO F

• ELBOW ADAPTER 90° WITH FEMALE THREAD • ÜBERGANGSWINKEL 90° IG

• Pressfittingsysteme • Systèmes
• Sistema
SISTEMI DI RACCORDI A PRESSARE Press Fitting Systems
de raccords a sertir
de accesorios para prensar 197
B 10 11  CODE De x R mm x inch L1 mm L2 mm Z mm g 197102015 15 x 1/2” 37 57 37 94 10 200 197102018 18 x 1/2” 37 57 38 105 10 200 197102022 22 x 1/2” 39 58,5 37,5 149 10 100 197304022 22 x 3/4” 39 61 40 149 10 100 197304028 28 x 3/4” 39 61 38 230 5 50 197100028 28 x 1” 44 68 45 246 5 50 197114035 35 x 1”1/4 49 75 49 378 5 40 197112042 42 x 1”1/2 54 84 54 468 2 30 197200054 54 x 2” 60 95 60 720 2 20
198
EQUERRE
FILETAGE F • CODO HEMBRA MATERIAL: AISI
O-RING: EPDM
noirnegro THREAD: EN 10226-1 (ex ISO 7/1)  B 10 11  CODE De x Rp mm x inch L1 mm L2 mm Z1 mm Z2 mm g 198102015 15 x 1/2” 38 57 15 37 104 10 200 198304015 15 x 3/4” 34 38 15 18 110 10 200 198102018 18 x 1/2” 39 58 15 38 120 10 200 198102022 22 x 1/2” 41 58,5 15 37,5 172 10 100 198304022 22 x 3/4” 46 61 19 40 172 10 100 198102028 28 x 1/2” 44 62 15 39 200 5 50 198100028 28 x 1” 54 68 19 45 304 5 50 198114035 35 x 1”1/4 63 75 21 49 420 5 40 198112042 42 x 1”1/2 70,5 84 27 54 480 2 20 198200054 54 x 2” 80 95 32 60 730 2 10 34
90° AVEC
316L – 1.4404
nero - black - Schwarz -

CURVA FILETTATA 90° FILETTO M

• 90° ELBOW MALE BSP

• BOGEN 90° MIT AG

• COUDE 90° AVEC FILETAGE M

• CODO A 90° MH

MATERIAL: AISI 316L – 1.4404

O-RING: EPDM nero - black - Schwarz - noirnegro

THREAD: EN 10226-1 (ex ISO 7/1)

186/R

CURVA 90° CON DADO FOLLE

• 90° ELBOW WITH VALVE CONNECTOR

• BOGEN 90° MIT ANSCHLUSSVERSCHRAUBUNG

• COUDE 90° AVEC ÉCROU LIBRE

• CODO A 90° CON TUERCA LOCA

MATERIAL: AISI 316L – 1.4404

O-RING: EPDM nero - black - Schwarz - noirnegro

GASKET: (*): EPDM nero - black - Schwarznoir - negro

THREAD: ISO 228/1 (ex DIN 259)

SISTEMI
RACCORDI A PRESSARE Press Fitting Systems • Pressfittingsysteme • Systèmes de raccords a sertir • Sistema de accesorios para prensar
DI
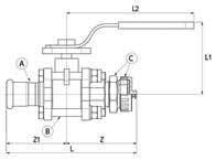
186
B 10 11  CODE De x R mm x inch L mm Z mm Z1 mm H mm g 186102015 15 x 1/2” 50 24 30 54 56 20 300 186102018 18 x 1/2” 54 24 34 59 70 20 200 186304022 22 x 3/4” 60 30 39 69 92 10 100 186100028 28 x 1” 73 36 50 80 133 10 50 186100035 35 x 1” 68 41 42 85 277 5 50 186114035 35 x 1”1/4 68 46 42 89 324 5 40 186114042 42 x 1”1/4 80 50 50 107 438 2 20 186112042 42 x 1”1/2 80 55 50 107 340 2 20 186200054 54 x 2” 100 65 65 141,5 515 2 12
B 10 11  NEW CODE De x G mm x inch L mm H mm Z mm Z1 mm Z2 mm g 186042134R 42 x 1”3/4 80 77,5 75 50 67,5 345 1 16 186054238R 54 x 2”3/8 100 96 75 64,5 83,5 589 1 10 35

SISTEMI DI RACCORDI A PRESSARE

Press Fitting Systems • Pressfittingsysteme • Systèmes de raccords a sertir • Sistema de accesorios para prensar

182

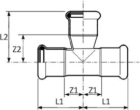
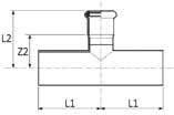
“T”

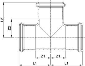
• EQUAL TEE

• T-STÜCK

• TÉ ÉGAL

• TE IGUAL HHH

MATERIAL: AISI 316L – 1.4404

O-RING: EPDM nero - black - Schwarz - noirnegro

≤54  B 10 11  76÷108  B 10 12  ≥139  B 10 17  CODE De mm L1 mm L2 mm Z1 mm Z2 mm g 182015000 15 34 39 14 19 67 20 200 182018000 18 37 41 16 21 80 20 100 182022000 22 39 45 18 24 106 10 100 182028000 28 44 50 21 27 145 10 50 182035000 35 51 57 25 31 201 4 32 182042000 42 59 65 28 35 260 4 20 182054000 54 70 77 34 42 404 2 12 182076000 76,1 108 118 53 63 1275 2 2 182088000 88,9 132 131 72 71 1535 2 2 182108000 108 155 159 74 84 2115 2 2 182139000 139,7 197 222 102 127 4129 1 1 182168000 168,3 257 268 144 155 6321 1 1 36

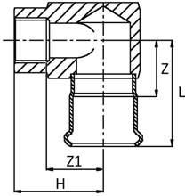
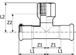
189

“T” CON DERIVAZIONE

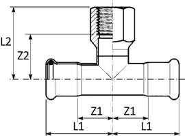
FILETTO F

• T-STÜCK MIT ABGANG IG

• TÉ MIXTE AVEC FILETAGE F

• TE HEMBRA ROSCADA

MATERIAL: AISI 316L – 1.4404

10 11  76÷108  B 10 12

• BRANCH TEE FEMALE BSP OUTLET

≤54  B

O-RING: EPDM nero - black - Schwarz - noirnegro

“T” CON DERIVAZIONE FILETTO M

• BRANCH TEE MALE BSP OUTLET

• T-STUCK MIT ABGANG AG

• TE MIXTE AVEC FILETAGE M

• TE ROSCADO MACHO

MATERIAL: AISI 316L – 1.4404

O-RING: EPDM nero - black - Schwarz - noirnegro

B 10 11  CODE De x R x De mm x inch x mm L1 mm L2 mm Z1 mm Z2 mm g 189102015M 15 x 1/2” x 15 34,5 34 14,5 20 80 20 100 NEW 37

DI RACCORDI A PRESSARE Press Fitting Systems • Pressfittingsysteme • Systèmes de raccords a sertir • Sistema de accesorios para prensar
SISTEMI
THREAD: EN 10226-1 (ex ISO 7/1) CODE De x Rp x De mm x inch x mm L1 mm L2 mm Z1 mm Z2 mm g 189102015 15 x 1/2” x 15 34 40 13 25 90 20 100 189102018 18 x 1/2” x 18 37 42 16 27 101 20 100 189304018 18 x 3/4” x 18 37 45 16 28 122 20 100 189102022 22 x 1/2” x 22 39 44 18 29 138 10 100 189304022 22 x 3/4” x 22 39 47 18 31 143 10 100 189102028 28 x 1/2” x 28 44 47 21 32 169 10 50 189304028 28 x 3/4” x 28 44 50 21 33 185 10 50 189100028 28 x 1” x 28 44 53 21 34 246 5 50 189102035 35 x 1/2” x 35 51 51 25 36 197 5 50 189304035 35 x 3/4” x 35 51 54 25 37 205 5 40 189100035 35 x 1” x 35 51 56 25 37 282 5 40 189102042 42 x 1/2” x 42 59 54 29 39 271 4 32 189304042 42 x 3/4” x 42 59 57 29 41 277 4 32 189100042 42 x 1” x 42 59 60 29 41 346 4 32 189102054 54 x 1/2” x 54 70 61 34 46 377 2 14 189304054 54 x 3/4” x 54 70 64 34 48 391 2 14 189200054 54 x 2” x 54 70 81 34 55 838 2 10 189304076 76,1 x 3/4” x 76,1 108 77 53 60 1040 2 2 189100076 76,1 x 1” x 76,1 108 79 53 60 1063 2 2 189200076 76,1 x 2” x 76,1 108 93 53 67 1495 2 2 189304088 88,9 x 3/4” x 88,9 132 84 72 67 1255 2 2 189200088 88,9 x 2” x 88,9 132 100 72 74 1720 2 2 189304108 108 x 3/4” x 108 155 94 74 77 1700 2 2 189200108 108 x 2” x 108 155 110 74 84 2160 2 2
189/M
THREAD: EN 10226-1 (ex ISO 7/1)

DI RACCORDI A PRESSARE

SISTEMI
Press Fitting Systems • Pressfittingsysteme • Systèmes de raccords a sertir • Sistema de accesorios para prensar 192
“T” RIDOTTO
REDUCING TEE
T-STÜCK MIT REDUZIERTEM ABGANG
TÉ RÉDUIT
TE REDUCIDA HHH MATERIAL: AISI 316L – 1.4404 O-RING: EPDM nero - black - Schwarz - noirnegro ≤54  B 10 11  76÷108  B 10 12  ≥139  B 10 17  CODE De mm L1 mm L2 mm Z1 mm Z2 mm g 192018015 18 x 15 x 18 36,5 41 15,5 21 80 20 100 192022015 22 x 15 x 22 39 43 18 23 95 10 100 192022018 22 x 18 x 22 39 44 18 23 98 10 100 192028015 28 x 15 x 28 44 46 21 26 126 10 50 192028018 28 x 18 x 28 44 46 21 26 130 10 50 192028022 28 x 22 x 28 44 47 21 26 135 10 50 192035015 35 x 15 x 35 51 49 25 29 158 5 50 192035018 35 x 18 x 35 51 50 25 30 163 5 50 192035022 35 x 22 x 35 51 51 25 30 167 5 50 192035028 35 x 28 x 35 51 54 25 31 171 5 35 192042018 42 x 18 x 42 59 54 29 34 232 4 20 192042022 42 x 22 x 42 59 54 29 33 237 4 20 192042028 42 x 28 x 42 59 57 29 34 243 4 20 192042035 42 x 35 x 42 59 61 29 35 272 4 20 192054018 54 x 18 x 54 70 61 54 41 335 2 16 192054022 54 x 22 x 54 70 62 34 41 340 2 16 192054028 54 x 28 x 54 70 65 34 42 345 2 16 192054035 54 x 35 x 54 70 68 34 42 361 2 16 192054042 54 x 42 x 54 70 72 34 42 376 2 16 192076022 76,1 x 22 x 76,1 108 74 53 53 995 2 2 192076028 76,1 x 28 x 76,1 108 77 53 54 1015 2 2 192076035 76,1 x 35 x 76,1 108 80 53 54 1025 2 2 192076042 76,1 x 42 x 76,1 108 84 53 54 1045 2 2 192076054 76,1 x 54 x 76,1 108 90 53 55 1065 2 2 192088022 88,9 x 22 x 88,9 132 81 72 60 1220 2 2 192088028 88,9 x 28 x 88,9 132 84 72 61 1225 2 2 192088035 88,9 x 35 x 88,9 132 88 72 62 1245 2 2 192088042 88,9 x 42 x 88,9 132 91 72 61 1255 2 2 192088054 88,9 x 54 x 88,9 132 97 72 62 1280 2 2 192088076 88,9 x 76,1 x 88,9 132 125 72 70 1485 2 2 192108022 108 x 22 x 108 155 91 74 70 1665 2 2 192108028 108 x 28 x 108 155 94 74 71 1670 2 2 192108035 108 x 35 x 108 155 97 74 71 1775 2 2 192108042 108 x 42 x 108 155 101 74 71 1865 2 2 192108054 108 x 54 x 108 155 107 74 72 1925 2 2 192108076 108 x 76,1 x 108 155 135 74 80 1930 2 2 192108088 108 x 88,9 x 108 155 141 74 81 1965 2 2 38

192

“T” RIDOTTO

• REDUCING TEE

• T-STÜCK MIT REDUZIERTEM ABGANG

• TÉ RÉDUIT

• TE REDUCIDA HHH

MATERIAL: AISI 316L – 1.4404

O-RING: EPDM nero - black - Schwarz - noirnegro

188

“T” RIDOTTO MFM

• REDUCING TEE MFM

• T-STÜCK MIT REDUZIERTEM ABGANG A/I/A

• TÉ RÉDUIT MFM

• TE REDUCIDA MHM MATERIAL: AISI 316L – 1.4404

O-RING: EPDM nero - black - Schwarz - noirnegro

PRESSARE Press Fitting Systems • Pressfittingsysteme • Systèmes de raccords a sertir • Sistema de accesorios para prensar
SISTEMI DI RACCORDI A
≤54  B 10 11  76÷108  B 10 12  ≥139  B 10 17  CODE De mm L1 mm L2 mm Z1 mm Z2 mm g 192139076 139,7 x 76,1 x 139,7 197 155 102 100 3340 1 1 192139088 139,7 x 88,9 x 139,7 197 164 102 104 3435 1 1 192139108 139,7 x 108 x 139,7 197 180 102 105 3631 1 1 192168076 168,3 x 76,1 x 168,3 257 169 144 114 5050 1 1 192168088 168,3 x 88,9 x 168,3 257 178 144 118 5146 1 1 192168108 168,3 x 108 x 168,3 257 194 144 119 5340 1 1 192168139 168,3 x 139,7 x 168,3 257 221 144 126 5681 1 1
B 10 11  CODE De mm L1 mm L2 mm Z2 mm g 188028022 28 x 22 x 28 52,5 47 26 135 10 50 188035022 35 x 22 x 35 60 50,5 29,5 181 5 35 188035028 35 x 28 x 35 60 53,5 30,5 192 5 35 188042028 42 x 28 x 42 69 57 34 250 4 20 188054028 54 x 28 x 54 73,5 64,5 41,5 331 2 16 39

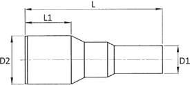
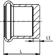
DI

183/000 MANICOTTO • COUPLING • MUFFE • MANCHON • MANGUITO HH MATERIAL: AISI 316L – 1.4404 O-RING: EPDM nero - black - Schwarz - noirnegro ≤54  B 10 11  76÷108  B 10 12  ≥139  B 10 17  CODE De mm L mm Z mm g 183015000 15 49 9 35 20 500 183018000 18 50 10 42 20 300 183022000 22 53 11 54 20 200 183028000 28 56 10 71 10 150 183035000 35 63 10 97 10 100 183042000 42 72 12 136 4 60 183054000 54 83 13 198 2 24 183076000 76,1 142 32 635 4 4 183088000 88,9 166 46 765 4 4 183108000 108 203 41 1170 2 2 183139000 139,7 250 60 2031 1 1 183168000 168,3 300 74 2936 1 1 183/001 MANICOTTO PASSANTE • SLIP COUPLING • SCHIEBEMUFFE • MANCHON LONG • MANGUITO SIN TOPE MATERIAL: AISI 316L – 1.4404 O-RING: EPDM nero - black - Schwarz - noirnegro ≤54  B 10 11  76÷108  B 10 12  CODE De mm L mm es mm g 183015001 15 69 25 56 20 200 183018001 18 73 25 65 20 200 183022001 22 79 25 85 20 100 183028001 28 88,5 30 118 10 100 183035001 35 102,5 30 141 10 50 183042001 42 117,5 40 234 4 40 183054001 54 139 40 321 2 20 183076001 76,1 230 60 940 2 2 183088001 88,9 260 70 1240 2 2 183108001 108 310 80 1835 2 2 40
SISTEMI
RACCORDI A PRESSARE Press Fitting Systems • Pressfittingsysteme • Systèmes de raccords a sertir • Sistema de accesorios para prensar

183/002

MANICOTTO CON DADO FOLLE

• VALVE CONNECTOR

• ANSCHLUSSVERSCHRAUBUNG

• RACCORD ÉCROU LIBRE

• RÁCOR DOS PIEZAS

MATERIAL: AISI 316L – 1.4404

O-RING: EPDM nero - black - Schwarz - noirnegro

GASKET: (*): EPDM nero - black - Schwarznoir - negro

THREAD: ISO 228/1 (ex DIN 259)

530/I Inoxpres

RACCORDI A PRESSARE
Fitting Systems • Pressfittingsysteme • Systèmes de raccords a sertir • Sistema de accesorios para prensar
SISTEMI DI
Press
B 10 11  CODE De x G mm x inch L mm Z mm Y mm Gasket mm g 183015012 15 x 1/2” 48,5 27 23 18x10 thk 2,5 83 10 250 183015002 15 x 3/4” 50 30 23 24x14 thk 2,5 66 10 250 183018012 18 x 1/2” 49 27 23,5 18x10 thk 2,5 91 10 250 183018002 18 x 3/4” 50 30 23,5 24x14 thk 2,5 65 10 250 183022012 22 x 3/4” 50 30 19,5 24x14 thk 2,5 78 10 200 183022002 22 x 1” 52 36 23 30x20 thk 2,5 87 10 200 183028012 28 x 1” 52 36 19,5 30x20 thk 2,5 105 10 150 183028002 28 x 1”1/4 57 46 25 39x27 thk 2,5 136 10 150 183028022 28 x 1”1/2 59 52 22,5 44,5x27 thk 2,5 197 10 60 183035012 35 x 1”1/4 57,5 46 20,5 39x27 thk 2,5 163 4 60 183035002 35 x 1”1/2 63 52 26 44,5x34 thk 2,5 186 4 60 183042022 42 x 1”1/2 63,5 52 21 44,5x34 thk 2,5 217 2 30 183042012 42 x 1”3/4 68 58 27 50,5x42 thk 2,5 223 2 30 183042002 42 x 2” 68 64 27 56x42 thk 2,5 266 2 30 183054022 54 x 2” 72 67 23 56x42 thk 2,5 301 2 20 183054012 54 x 2”3/8 77 75 30 65,5x53 thk 3 375 2 20 183054002 54 x 2”1/2 77 81 30 71,5x53 thk 3 439 2 20
DI ALLUNGAMENTO (BARILOTTO)
BARREL NIPPLE
ROHRDOPPELNIPPEL
MAMELON
ENTRONQUE DOBLE MATERIAL: AISI 316 - 1.4401 THREAD: ISO 228/1 (ex DIN 259)  B 10 11  CODE DN inch L1 mm S mm B mm D2 mm g 530100070I 1” 70 7,9 22 33,8 347 1 10 530114070I 1”1/4 70 9,2 22 42,4 522 1 8 530112070I 1”1/2 70 8,7 22 48,3 586 1 8 530134070I 1”3/4 70 8 22 54 635 1 6 530238070I 2”3/8 70 10 22 70 1026 1 4 41
VITE

SISTEMI DI RACCORDI A PRESSARE

Press Fitting Systems • Pressfittingsysteme • Systèmes de raccords a sertir • Sistema de accesorios para prensar

600/I Inoxpres

183/003

185/000

GOMITO MISTO 90° FF

• WALL PLATE ELBOW 90° FF

• DECKENWINKEL 90° I/I

• EQUERRE 90° FF

• CODO PLACA HH

MATERIAL: AISI 316L – 1.4404

O-RING: EPDM nero - black - Schwarz - noirnegro

THREAD: EN 10226-1 (ex ISO 7/1)

TRONCHETTO • WELDING NIPPLE • ANSCHWEISSENDE • DEMI MAMELON • ENTRONQUE MATERIAL: AISI 316 - 1.4401 THREAD: ISO 228/1 (ex DIN 259)  B 10 11  CODE DN inch L mm S mm B mm D2 mm g 600100035I 1” 35 7,9 22 33,8 174 1 30 600114035I 1”1/4 35 9,2 22 42,4 261 1 20 600112035I 1”1/2 35 8,7 22 48,3 293 1 10 600134035I 1”3/4 35 8 22 54 318 1 10 600238035I 2”3/8 35 10 22 70 513 1 10
TAPPO DI CHIUSURA • STOP END • VERSCHLUSSKAPPE • BOUCHON D’OBTURATION • TAPÓN MATERIAL: AISI 316L – 1.4404 O-RING: EPDM nero - black - Schwarz - noirnegro ≤54  B 10 11  76÷108  B 10 12  ≥139  B 10 17  CODE De mm L mm L1 mm g 183015003 15 44 24 32 20 500 183018003 18 44 24 38 20 300 183022003 22 45 24 51 10 200 183028003 28 48 25 68 10 150 183035003 35 52 26 95 5 100 183042003 42 56 26 126 4 80 183054003 54 62 27 185 4 40 183076003 76,1 93 38 540 2 10 183088003 88,9 99 39 630 2 10 183108003 108 117 42 935 2 2 183139003 139,7 162 67 1380 1 1 183168003 168,3 199 86 2038 1 1
B 10 11  CODE De x Rp mm x inch L1 mm L2 mm Z1 mm Z2 mm A mm B mm D mm g 185102015 15 x 1/2” 50 30 30 17 34 13 5 98 10 150 185102018 18 x 1/2” 51 30 31 17 34 13 5 109 10 150 185304022 22 x 3/4” 55 34 34 19 40 17 6 166 10 100 42

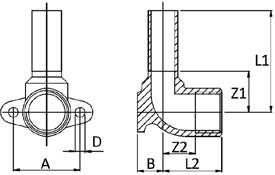
185/001

GOMITO MISTO 90° FF CON

DISTANZIALE

• EXTENSION WALL PLATE ELBOW 90° FF

• DECKENWINKEL 90°/W - I/I

• EQUERRE 90° FF AVEC SUPPORT D’AVENCEMENT

• CODO PLACA HH CON ESPACIADOR

MATERIAL: AISI 316L – 1.4404

O-RING: EPDM nero - black - Schwarz - noirnegro

THREAD: EN 10226-1 (ex ISO 7/1)

185/002

GOMITO MISTO 90° FM

• WALL PLATE ELBOW 90° FM

• DECKENWINKEL 90° I/A

• EQUERRE 90° FM

• CODO PLACA HM

MATERIAL: AISI 316L – 1.4404

O-RING: EPDM nero - black - Schwarz - noirnegro

THREAD: EN 10226-1 (ex ISO 7/1)

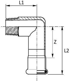
185/000 M

GOMITO MISTO 90° MF

• WALL PLATE ELBOW 90° MF

• DECKENWINKEL 90° A/I

• EQUERRE 90° MF

• CODO PLACA MH

MATERIAL: AISI 316L – 1.4404

THREAD: EN 10226-1 (ex ISO 7/1)

SISTEMI DI RACCORDI A PRESSARE Press Fitting Systems • Pressfittingsysteme • Systèmes de raccords a sertir • Sistema de accesorios para prensar
B
CODE De x Rp mm x inch L1 mm L2 mm Z1 mm Z2 mm A mm B mm D mm g 185102115 15 x 1/2” 50 30 30 17 34 35 5 146 10 150 185102118 18 x 1/2” 51 30 31 17 34 35 5 142 10 150 185304122 22 x 3/4” 55 34 34 19 40 31 6 182 10 100
10 11
B 10 11  CODE De x R mm x inch L1 mm L2 mm Z1 mm Z2 mm A mm B mm D mm g 185304218 18 x 3/4” 38 34 18 19 40 13 6 160 10 100
B 10 11  CODE De x Rp mm x inch L1 mm L2 mm Z1 mm Z2 mm A mm B mm D mm g 185102015M 15 x 1/2” 52 30 21 16,5 34 13 5 100 10 200 185102018M 18 x 1/2” 52 30,5 21 17 34 12,5 5 95 10 200 185304022M 22 x 3/4” 55 34 24 19 40 17 6 144 10 100 43

SISTEMI DI RACCORDI A PRESSARE

Press Fitting Systems • Pressfittingsysteme • Systèmes de raccords a sertir • Sistema de accesorios para prensar

185/001 M

GOMITO MISTO 90° MF CON DISTANZIALE

• EXTENSION WALL PLATE ELBOW 90° MF

• DECKENWINKEL 90°/W A/I

• EQUERRE 90° MF AVEC SUPPORT D’AVENCEMENT

• CODO PLACA MH CON ESPACIADOR

MATERIAL: AISI 316L – 1.4404

THREAD: EN 10226-1 (ex ISO 7/1)

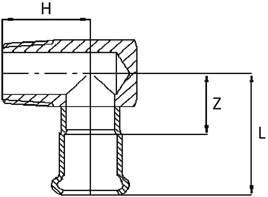
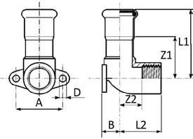
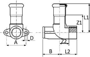
185/003

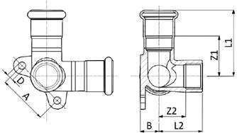
RACCORDO TRE VIE CON FLANGIA E DERIVAZIONE FILETTO F

• CORNER TEE WITH WALL FLANGE

• INOXPRES-DOPPELWANDSCHEIBE

• EQUERRE MURALE AVEC FILETAGE FEMELLE

• RACOR TRES VÍAS CON BRIDA Y ROSCA HEMBRA

AISI 316L – 1.4404

EPDM nero - black - Schwarz - noir -

B 10 11  CODE De x Rp mm x inch L1 mm L2 mm Z1 mm Z2 mm A mm B mm D mm g 185102115M 15 x 1/2” 52 30 21 16,5 34 35 5 135 10 150 185102118M 18 x 1/2” 52 30 21 16,5 34 35 5 130 10 150 185304122M 22 x 3/4” 55 34 24 19 40 31 6 166 10 100
MATERIAL:
O-RING:
negro THREAD: EN
B 10 11  CODE De x Rp mm x inch L1 mm L2 mm Z1 mm Z2 mm A mm B mm D mm g 185102315 15 x 1/2” x 15 52 32 32 18,5 40 13 6 173 10 100 185102318 18 x 1/2” x 18 52,5 32 32,5 18,5 40 13 6 182 10 50 185102322 22 x 1/2” x 22 53,5 35 32,5 21,5 40 15 6 206 5 50 187/R MEZZO MANICOTTO A SALDARE
HALF WELDING COUPLING
HALBE LAENGE SCHWEISSMUFFE
DEMI MANCHON À SOUDER
MEDIO MANGUITO PARA SOLDAR MATERIAL: AISI 316L – 1.4404 O-RING: assente - absent - Abwesendabsent - ausente ≤54  B 10 11  76÷108  B 10 12  CODE De mm D mm L mm Z mm g 187015000R 15 17,2 29 9 20 20 400 187018000R 18 20 29,5 9,5 24 20 300 187022000R 22 24 30,5 9,5 30 20 200 187028000R 28 30 33,5 10,5 40 20 200 187035000R 35 37 37,5 11,5 52 10 100 187042000R 42 44 41 11 74 10 50 187054000R 54 56 48 12 104 10 50 187076000R 76,1 76,1 74,5 19,5 308 4 24 187088000R 88,9 88,9 84 24 404 2 20 187108000R 108 108 100 25 614 1 4 44
10226-1 (ex ISO 7/1)

MANICOTTO MISTO

FILETTO M

• MALE ADAPTER

• ÜBERGANGSSTÜCK MIT AG

• RACCORD AVEC FILETAGE MALE

• UNIÓN MACHO

MATERIAL: AISI 316L – 1.4404

O-RING: EPDM nero - black - Schwarz - noirnegro

SISTEMI DI RACCORDI A PRESSARE Press Fitting Systems • Pressfittingsysteme • Systèmes de raccords a sertir • Sistema de accesorios para prensar 187
(ex ISO 7/1) ≤54  B 10 11  76÷108  B 10 12  CODE De x R mm x inch L mm Z mm Y mm g 187308015 15 x 3/8” 38 24 18 46 20 400 187102015 15 x 1/2” 41 24 21 54 20 300 187304015 15 x 3/4” 43 30 23 101 20 200 187102018 18 x 1/2” 41 27 21 58 20 300 187304018 18 x 3/4” 44 30 24 94 20 200 187102022 22 x 1/2” 42 32 21 83 10 200 187304022 22 x 3/4” 44 32 23 89 10 200 187100022 22 x 1” 46 36 25 154 10 100 187102028 28 x 1/2” 46 38 23 121 10 100 187304028 28 x 3/4” 47 38 24 114 10 100 187100028 28 x 1” 48 38 25 123 10 100 187114028 28 x 1”1/4 53 46 30 248 10 100 187100035 35 x 1” 52 45 25 173 5 100 187114035 35 x 1”1/4 55 46 28 180 5 50 187112035 35 x 1”1/2 55 50 28 278 4 60 187114042 42 x 1”1/4 59 54 28 240 4 40 187112042 42 x 1”1/2 59 55 28 236 4 40 187112054 54 x 1”1/2 65 65 29 356 4 32 187200054 54 x 2” 71 65 35 362 4 32 187212076 76,1 x 2”1/2 124 80 69 780 2 8 187300088 88,9 x 3” 138 95 78 1135 2 4 187400108 108 x 4” 163 115 88 1728 2 2 45
THREAD: EN 10226-1

DI RACCORDI A

MANICOTTO MISTO FILETTO F

• FEMALE ADAPTER

• ÜBERGANGSSTÜCK MIT IG

SISTEMI
PRESSARE Press Fitting Systems • Pressfittingsysteme • Systèmes de raccords a sertir • Sistema de accesorios para prensar 190
UNIÓN HEMBRA MATERIAL: AISI 316L
1.4404
negro THREAD: EN 10226-1 (ex ISO 7/1)  B 10 11  CODE De x Rp mm x inch L mm Z mm Y mm g 190102015 15 x 1/2” 38 27 2 64 20 300 190304015 15 x 3/4” 39 32 2 75 20 300 190102018 18 x 1/2” 38 27 2 89 20 300 190304018 18 x 3/4” 39 32 2 80 10 200 190102022 22 x 1/2” 39 32 2 99 20 200 190304022 22 x 3/4” 40 32 2 82 10 150 190100022 22 x 1” 43 41 2 148 10 100 190102028 28 x 1/2” 41 38 2 161 10 100 190304028 28 x 3/4” 42 38 2 130 10 100 190100028 28 x 1” 45 41 2 158 10 100 190114028 28 x 1”1/4 48 46 2 148 10 100 190100035 35 x 1” 49 46 2 216 5 100 190114035 35 x 1”1/4 52 46 2 170 5 50 190112035 35 x 1”1/2 52 55 2 284 4 40 190114042 42 x 1”1/4 56 55 2 259 4 40 190112042 42 x 1”1/2 56 55 2 243 4 40 190112054 54 x 1”1/2 60 65 1 420 4 32 190200054 54 x 2” 65 65 2 314 4 20 46
• RACCORD AVEC FILETAGE FEMELLE •
O-RING: EPDM nero - black - Schwarz - noir -

187 NPT

MANICOTTO MISTO FILETTO M NPT

• MALE ADAPTER NPT

• ÜBERGANGSSTÜCK MIT AG NPT

• RACCORD AVEC FILETAGE MALE NPT

• UNIÓN MACHO NPT MATERIAL: AISI 316L – 1.4404

O-RING: EPDM nero - black - Schwarz - noirnegro

190 NPT

MANICOTTO MISTO FILETTO F NPT

• FEMALE ADAPTER NPT

• ÜBERGANGSSTÜCK MIT IG NPT

• RACCORD AVEC FILETAGE FEMELLE NPT

• UNIÓN HEMBRA NPT MATERIAL: AISI 316L – 1.4404

O-RING: EPDM nero - black - Schwarz - noirnegro

NPT - ANSI B 1.20.1

SISTEMI DI RACCORDI A PRESSARE Press Fitting Systems • Pressfittingsysteme • Systèmes de raccords a sertir • Sistema de accesorios para prensar
THREAD: NPT
B 10 11  CODE De x R mm x inch L mm Z mm Y mm g 18710215NPT 15 x 1/2” 41 24 21 60 20 300 18710218NPT 18 x 1/2” 41 27 21 63 20 300 18730422NPT 22 x 3/4” 44 32 23 93 10 200 18710028NPT 28 x 1” 48 48 25 133 10 100 18711435NPT 35 x 1”1/4 55 46 28 205 5 50 18711242NPT 42 x 1”1/2 59 55 28 268 4 40 18720054NPT 54 x 2” 71 65 35 405 4 32
- ANSI B 1.20.1
B 10 11  CODE De x Rp mm x inch L mm Z mm Y mm g 19010215NPT 15 x 1/2” 38 27 18 68 20 300 19010218NPT 18 x 1/2” 38 27 18 71 20 300 19030422NPT 22 x 3/4” 40 32 19 92 10 150 19010028NPT 28 x 1” 50 41 27 185 10 100 19011435NPT 35 x 1”1/4 49 46 22 181 5 50 19011242NPT 42 x 1”1/2 56 55 25 276 4 40 19020054NPT 54 x 2” 65 65 29 388 4 20 47
THREAD:

269/M

MANICOTTO

269/F

• Pressfittingsysteme • Systèmes
SISTEMI DI RACCORDI A PRESSARE Press Fitting Systems
de raccords a sertir • Sistema de accesorios para prensar
CON INSERIMENTO FILETTO M
MALE REDUCTION SOCKET
ÜBERGANG AUSSENGEWINDE MIT EINSCHUBENDE
MANCHON DE RÉDUCTION FILETÉ
ADAPTADOR MACHO
10226-1 (ex ISO 7/1)  B 10 11  CODE De x R mm x inch L mm Z mm Y mm g 269102115 15 x 1/2” 52 31 22 55 20 300 269102118 18 x 1/2” 52 31 22 50 20 300 269304118 18 x 3/4” 55 31 27 95 20 200 269102122 22 x 1/2” 55 32 27 69 10 200 269304122 22 x 3/4” 56 32 27 80 10 200 269304128 28 x 3/4” 61 37 30 97 10 150 269100128 28 x 1” 64 37 38 145 10 100 269114135 35 x 1”1/4 72 41 46 238 4 40 269112142 42 x 1”1/2 91 55 55 292 4 40 269200154 54 x 2” 127 83 65 463 4 20
MATERIAL: AISI 316L – 1.4404 THREAD: EN
MANICOTTO CON INSERIMENTO FILETTO F • FEMALE REDUCTION SOCKET • ÜBERGANG INNENGEWINDE MIT EINSCHUBENDE • MANCHON DE RÉDUCTION AVEC TARAUDAGE • ADAPTADOR HEMBRA MATERIAL: AISI 316L – 1.4404 THREAD: EN 10226-1 (ex ISO 7/1)  B 10 11  CODE De x Rp mm x inch L mm Z mm Y mm g 269102015 15 x 1/2” 52 31 24 55 20 300 269102018 18 x 1/2” 52 31 24 56 20 200 269304018 18 x 3/4” 51 31 30 57 20 200 269102022 22 x 1/2” 52 32 24 65 10 200 269304022 22 x 3/4” 52 32 30 70 10 200 269304028 28 x 3/4” 57 37 30 76 10 150 269100028 28 x 1” 57 35 36 104 10 100 269114035 35 x 1”1/4 70 45 46 182 5 50 269112042 42 x 1”1/2 118 78 55 280 4 40 269200054 54 x 2” 135 83 70 340 2 10 48

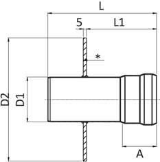
184/000

BOCCHETTONE SEDE CONICA

• CONICAL UNION

• DURCHGANGSVERSCHRAUBUNG MIT PRESSENDEN KONISCH

• ÉLÉMENT DE TRANSITION FILTÉ CONIQUE AVEC MANCHONS DES 2 CÔTES

• RÁCOR 3 PIEZAS CONICO

MATERIAL: AISI 316L – 1.4404

O-RING: EPDM nero - black - Schwarz - noirnegro

184/001

BOCCHETTONE SEDE PIANA

• FLAT FACED UNION

• DURCHGANGSVERSCHRAUBUNG MIT

PRESSENDEN FLACHDICHTEND

• ÉLÉMENT DE TRANSITION FILTÉ PLAT AVEC MANCHONS DES 2 CÔTES

• RÁCOR 3 PIEZAS PLANO

MATERIAL: AISI 316L – 1.4404

O-RING: EPDM nero - black - Schwarz - noirnegro

GASKET: (*): EPDM nero - black - Schwarznoir - negro

SISTEMI DI RACCORDI A PRESSARE Press Fitting Systems • Pressfittingsysteme • Systèmes de raccords a sertir • Sistema de accesorios para prensar
B 10 11  CODE De mm L mm L1 mm Z mm g 184015000 15 96 56 34 146 10 100 184018000 18 97 57 39 192 10 100 184022000 22 99 57 39 202 10 50 184028000 28 116 70 58 468 5 25 184035000 35 123 71 67 618 4 20 184042000 42 138 78 77 824 2 20 184054000 54 154 84 90 1178 2 10
B 10 11  CODE De mm L mm L1 mm Z mm Gasket mm g 184015001 15 96 56 34 24x14 thk 2,5 146 10 120 184018001 18 97 57 39 30x20 thk 2,5 187 10 100 184022001 22 100 58 39 30x20 thk 2,5 194 10 100 184028001 28 117 71 58 47,5x37 thk 2,5 450 5 30 184035001 35 127 75 67 56x42 thk 2,5 617 4 20 184042001 42 140 80 77 66x56 thk 2,5 797 2 20 184054001 54 152 82 90 79,5x69 thk 2,5 1176 2 10 49

SISTEMI DI RACCORDI A PRESSARE

Press Fitting Systems • Pressfittingsysteme • Systèmes de raccords a sertir • Sistema de accesorios para prensar

184/002

BOCCHETTONE SEDE PIANA FILETTO M

• STRAIGHT MALE UNION CONNECTOR

• DURCHGANGSVERSCHRAUBUNG MIT

AUSSENGEWINDE

• RACCORD UNION FILETÉ

• RÁCOR 3 PIEZAS ROSCADO MACHO

MATERIAL: AISI 316L – 1.4404

FITTING: (**): ottone - brass - Messing - laiton - latón

O-RING: EPDM nero - black - Schwarz - noirnegro

GASKET: (*): EPDM nero - black - Schwarznoir - negro

THREAD: EN 10226-1 (ex ISO 7/1)

184/002 - non certificato SVGW - not certified SVGW - ohne Zertifizierung SVGW - sans certification SVGW - sin certificación SVGW

184/003

BOCCHETTONE SEDE PIANA FILETTO F

• STRAIGHT FEMALE UNION CONNECTOR

• DURCHGANGSVERSCHRAUBUNG MIT INNENGEWINDE

• RACCORD UNION TARAUDÉ

• RÁCOR 3 PIEZAS HEMBRA

MATERIAL: AISI 316L – 1.4404

FITTING: (**): ottone - brass - Messing - laiton - latón

O-RING: EPDM nero - black - Schwarz - noirnegro

GASKET: (*): EPDM nero - black - Schwarznoir - negro

THREAD: EN 10226-1 (ex ISO 7/1)

- non certificato SVGW - not certified SVGW - ohne Zertifizierung SVGW - sans certification SVGW - sin certificación SVGW

B 10 11  CODE De x R mm x inch L mm Z mm Gasket mm g 184015002 15 x 1/2” 76 5624x14 thk 2,5 142 2 160 184018002 18 x 1/2” 77 5624x14 thk 2,5 144 2 160 184022122 22 x 1/2” 79 5430x20 thk 2,5199 2 100 184022002 22 x 3/4” 81 5930x20 thk 2,5202 2 100 184028342 28 x 3/4” 87 6439x27 thk 2,5 370 2 60 184028002 28 x 1” 90 67 39x27 thk 2,5364 2 60 184035002 35 x 1”1/4 101 74 44,5x34 thk 2,5540 2 40 184042002 42 x 1”1/2 105 74 50,5x42 thk 2,5563 2 30 184054002 54 x 2” 118 8365,5x53,5 thk 3823 2 20
B 10 11  CODE De x Rp mm x inch L mm Z mm Gasket mm g 184015003 15 x 1/2” 71 50 24x14 thk 2,5 140 2 160 184018003 18 x 1/2” 72 51 24x14 thk 2,5 145 2 140 184022123 22 x 1/2” 75 54 30x20 thk 2,5 253 2 100 184022003 22 x 3/4” 76 54 30x20 thk 2,5 213 2 100 184028343 28 x 3/4” 83 60 39x27 thk 2,5 483 2 60 184028003 28 x 1” 83 60 39x27 thk 2,5 404 2 60 184035003 35 x 1”1/4 93 66 44,5x30 thk 2,5486 2 30 184042003 42 x 1”1/2 97 66 56x42 thk 2,5 536 2 30 184054003 54 x 2” 116 8166,5x53,5 thk 2,51091 2 20 184/003
50

184/002 INOX

BOCCHETTONE SEDE PIANA FILETTO M

• STRAIGHT MALE UNION CONNECTOR

• DURCHGANGSVERSCHRAUBUNG MIT

AUSSENGEWINDE

• RACCORD UNION FILETÉ

• RÁCOR 3 PIEZAS ROSCADO MACHO

MATERIAL: AISI 316L – 1.4404

FITTING: (**): AISI 316L – 1.4404

O-RING: EPDM nero - black - Schwarz - noirnegro

GASKET: (*): EPDM nero - black - Schwarznoir - negro

THREAD: EN 10226-1 (ex ISO 7/1)

184/003 INOX

BOCCHETTONE SEDE PIANA FILETTO F

• STRAIGHT FEMALE UNION CONNECTOR

• DURCHGANGSVERSCHRAUBUNG MIT INNENGEWINDE

• RACCORD UNION TARAUDÉ

• RÁCOR 3 PIEZAS HEMBRA

MATERIAL: AISI 316L – 1.4404

FITTING: (**): AISI 316L – 1.4404

O-RING: EPDM nero - black - Schwarz - noirnegro

GASKET: (*): EPDM nero - black - Schwarznoir - negro

THREAD: EN 10226-1 (ex ISO 7/1)

SISTEMI DI RACCORDI A PRESSARE Press Fitting Systems • Pressfittingsysteme • Systèmes de raccords a sertir • Sistema de accesorios para prensar
B 10 11  CODE De x R mm x inch L mm Z mm Gasket mm g 184015002I 15 x 1/2” 77 56 24x14 thk 2,5 137 2 160 184015012I 15 x 3/4” 77 57 24x14 thk 2,5 178 2 160 184018002I 18 x 1/2” 77 56 24x14 thk 2,5 139 2 160 184018012I 18 x 3/4” 77 57 24x14 thk 2,5 178 2 160 184022012I 22 x 1/2” 79 58 30x20 thk 2,5 217 2 100 184022002I 22 x 3/4” 81 59 30x20 thk 2,5 194 2 100 184022022I 22 x 1” 81 60 30x20 thk 2,5 257 2 80 184028002I 28 x 1” 90 67 39x27 thk 2,5 350 2 60 184035002I 35 x 1”1/4 101 74 44,5x34 thk 2,5 518 2 40 184042002I 42 x 1”1/2 102 71,5 44,5x34 thk 2,5 543 2 30 184054002I 54 x 2” 111 77 56x42 thk 2,5 842 2 20
B 10 11  CODE De x Rp mm x inch L mm Z mm Gasket mm g 184015003I 15 x 1/2” 71 50 24x14 thk 2,5 135 2 160 184015013I 15 x 3/4” 74 54 24x14 thk 2,5 189 2 120 184018003I 18 x 1/2” 72 51 24x14 thk 2,5 140 2 140 184018013I 18 x 3/4” 75 55 24x14 thk 2,5 190 2 120 184022003I 22 x 3/4” 76 54 30x20 thk 2,5 206 2 100 184022013I 22 x 1” 79 58 30x20 thk 2,5 337 2 60 184028003I 28 x 1” 83 60 39x27 thk 2,5 387 2 60 184035003I 35 x 1”1/4 93 66 44,5x34 thk 2,5 467 2 30 184042003I 42 x 1”1/2 93 62,5 44,5x34 thk 2,5 488 2 30 184054003I 54 x 2” 111 77 56x42 thk 2,5 902 2 20 51

SISTEMI DI RACCORDI A PRESSARE

191 RIDUZIONE MF • REDUCER • REDUZIERSTÜCK • REDUCTION • REDUCCIÓN MH MATERIAL: AISI 316L – 1.4404 O-RING: EPDM nero - black - Schwarz - noirnegro ≤54  B 10 11  76÷108  B 10 12  ≥139  B 10 17  CODE De mm L mm Z mm g 191018015 18 x 15 57 37 35 20 500 191022015 22 x 15 64 44 43 20 400 191022018 22 x 18 60 40 47 20 300 191028015 28 x 15 76,5 56,5 50 20 200 191028018 28 x 18 68 48 63 20 200 191028022 28 x 22 65 44 66 20 200 191035015 35 x 15 84 64 69 10 100 191035018 35 x 18 81 61 87 10 100 191035022 35 x 22 70 49 90 10 100 191035028 35 x 28 71 48 98 10 100 191042015 42 x 15 87 67 103 4 100 191042018 42 x 18 87 67 108 4 80 191042022 42 x 22 97 76 120 4 80 191042028 42 x 28 93 70 130 4 80 191042035 42 x 35 81 55 138 4 40 191054015 54 x 15 98 78 148 4 40 191054018 54 x 18 98 78 161 4 40 191054022 54 x 22 99 78 169 4 40 191054028 54 x 28 108,5 85,5 180 4 40 191054035 54 x 35 108 82 193 4 40 191054042 54 x 42 97,5 67,5 210 4 32 191076042 76,1 x 42 143 113 480 4 4 191076054 76,1 x 54 147 112 496 4 4 191088054 88,9 x 54 160 125 690 4 4 191088076 88,9 x 76,1 184 129 810 4 4 191108054 108 x 54 178 143 835 2 2 191108076 108 x 76,1 203 148 1005 2 2 191108088 108 x 88,9 207 147 1103 2 2 191139088 139,7 x 88,9 380 320 2319 1 1 191139108 139,7 x 108 345 270 2285 1 1 191168088 168,3 x 88,9 380 320 2660 1 1 191168108 168,3 x 108 395 320 2945 1 1 191168139 168,3 x 139,7 422 327 3392 1 1 52
Press Fitting Systems • Pressfittingsysteme • Systèmes de raccords a sertir • Sistema de accesorios para prensar

179

“S” DI SCAVALCAMENTO MM

• PIPE BRIDGE

• SPRUNGBOGEN

• “S” DE CHEVAUCHEMENT MALE

• “S” DE SUPERPOSICIÒN MM

AISI 316L – 1.4404

178

TUBO PER ARIA COMPRESSA

• PIPE FOR COMPRESSED AIR

• SPRUNGBOGEN FÜR DRUCKLUFT

• TUBE POUR L’AIR COMPRIMÉ

• TUBO DE AIRE

194/900

TUBO CURVO 90°

• 90° ELBOW MM

• PASSBOGEN 90°

• COUDE D’AJUSTEMENT 90°

• TUBO RICURVO 90° MM

SISTEMI DI RACCORDI A PRESSARE Press Fitting Systems • Pressfittingsysteme • Systèmes de raccords a sertir • Sistema de accesorios para prensar
B 10 11  CODE De mm L mm A mm B mm g 179015000 15 57 158 30 54 10 150 179018000 18 60 166 31 74 10 100 179022000 22 65 179 33 116 10 100 179028000 28 73 206 36 192 10 50
MATERIAL:
MATERIAL: AISI
B 10 11  CODE De mm L1 mm L2 mm Z1 mm Z2 mm R mm g 178015316 15 30 30 96 114 35 143 1 20 178018316 18 50 35 108 112 39 195 1 20 178022316 22 50 35 110 110 41 359 1 20 178028316 28 60 40 139 113 51 550 1 15
316L – 1.4404
MATERIAL: AISI
B 10 11  CODE De mm H1 mm H min mm H2 mm R mm g 194015900 15 70 48 120 35 89 20 160 194018900 18 70 53 120 38 108 20 120 194022900 22 70 61 120 40 133 10 100 194028900 28 97 80 125 45 202 10 50 194035900 35 120 90 200 42 380 4 20 194042900 42 160 115 250 50 592 2 10 194054900 54 300 140 305 65 1139 2 2 53
316L – 1.4404

SISTEMI DI RACCORDI A PRESSARE

Press Fitting Systems • Pressfittingsysteme • Systèmes de raccords a sertir • Sistema de accesorios para prensar

194/600

TUBO CURVO 60° • 60° ELBOW MM • PASSBOGEN 60° • COUDE D’AJUSTEMENT 60° • TUBO RICURVO 60° MM MATERIAL: AISI 316L – 1.4404  B 10 11  CODE De mm H1 mm H min mm H2 mm g 194028600 28 71 64 116 182 10 50 194035600 35 101 71 226 406 4 24 194042600 42 124 80 251 563 2 10 194054600 54 162 97 308 914 2 2 194/300 TUBO CURVO 30° • 30° ELBOW MM • PASSBOGEN 30° • COUDE D’AJUSTEMENT 30° • TUBO RICURVO 30° MM MATERIAL: AISI 316L – 1.4404 ≤54  B 10 11  76÷108  B 10 12  CODE De mm H1 mm H min mm H2 mm g 194018300 18 55 39 128 113 20 120 194022300 22 50 44 124 134 10 50 194028300 28 55 47 131 183 10 50 194035300 35 80 50 218 375 4 24 194042300 42 98 54 274 566 2 10 194054300 54 137 72 324 909 2 2 194076300 76,1 201 135 201 1489 1 1 194088300 88,9 241 161 241 2095 1 1 194108300 108 263 168 263 2787 1 1 194/150 TUBO CURVO 15° • 15° ELBOW MM • PASSBOGEN 15° • COUDE D’AJUSTEMENT 15° • TUBO RICURVO 15° MM MATERIAL: AISI 316L – 1.4404 ≤54  B 10 11  76÷108  B 10 12  CODE De mm H1 mm H min mm H2 mm g 194018150 18 55 40 128 114 20 120 194028150 28 45 38 136 180 10 50 194035150 35 62 32 234 373 4 24 194042150 42 94 50 276 563 2 10 194054150 54 117 52 337 896 2 2 194076150 76,1 228 163 228 1694 1 1 194088150 88,9 240 160 240 2091 1 1 194108150 108 249 154 249 2646 1 1 54
SISTEMI DI RACCORDI A PRESSARE Press Fitting Systems • Pressfittingsysteme • Systèmes de raccords a sertir • Sistema de accesorios para prensar PN 6
MANICOTTO FLANGIATO • ADAPTOR FLANGE • ÜBERGANGSFLANSCH • BRIDE DE RACCORDEMENT • BRIDA ADAPTADOR MATERIAL: AISI 316L – 1.4404 O-RING: EPDM nero - black - Schwarz - noirnegro ≤54  B 10 11  76÷108  B 10 12  CODE De mm DN flg H mm Z mm B mm D mm D2 mm Holes Nr. K mm g 193015002 15 15 53 33 12 80 11,5 4 55 405 2 20 193018002 18 15 53,5 33,5 12 80 11,5 4 55 405 2 20 193022002 22 20 56,5 35,5 14 90 11,5 4 65 610 2 14 193028002 28 25 59,5 36,5 14 100 11,5 4 75 755 2 10 193035002 35 32 63 37 14 120 11,5 4 90 1080 2 6 193042002 42 40 67 37 14 130 14 4 100 1186 2 6 193054002 54 50 74 38 14 140 14 4 110 1348 2 4 193076002 76,1 65 101 45,5 14 160 14 4 130 1870 2 2 193088002 88,9 80 112 52 16 190 18 4 150 2920 2 2 193108002 108 100 128 53 16 210 18 4 170 3525 2 2 PN 16 193/000 MANICOTTO FLANGIATO • ADAPTOR FLANGE • ÜBERGANGSFLANSCH • BRIDE DE RACCORDEMENT • BRIDA ADAPTADOR MATERIAL: AISI 316L – 1.4404 O-RING: EPDM nero - black - Schwarz - noirnegro ≤54  B 10 11  76÷108  B 10 12  CODE De mm DN flg H mm Z mm B mm D mm D2 mm Holes Nr. K mm g 193015000 15 15 55 35 14 95 14 4 65 660 2 20 193018000 18 15 55,5 35,5 14 95 14 4 65 660 2 20 193022000 22 20 58,5 37,5 16 105 14 4 75 945 2 14 193028000 28 25 61,5 38,5 16 115 14 4 85 1140 2 10 193035000 35 32 65,5 39,5 16 140 18 4 100 1640 2 6 193042000 42 40 69 39 16 150 18 4 110 1800 2 6 193054000 54 50 78 42 18 165 18 4 125 2450 2 4 193076000 76,1 65 105 50 18 185 18 4 145 3175 2 2 193088000 88,9 80 116 56 20 200 18 8 160 3930 2 2 193108000 108 100 132 57 20 220 18 8 180 4700 2 2 55
193/002

SISTEMI DI RACCORDI A PRESSARE

Press Fitting Systems • Pressfittingsysteme • Systèmes de raccords a sertir • Sistema de accesorios para prensar

193/006

ANSI 150 lb
MANICOTTO FLANGIATO • ADAPTOR FLANGE • ÜBERGANGSFLANSCH • BRIDE DE RACCORDEMENT • BRIDA ADAPTADOR MATERIAL: AISI 316L – 1.4404 O-RING: EPDM nero - black - Schwarz - noirnegro ≤54  B 10 11  76÷108  B 10 12  CODE De mm DN flg H mm Z mm B mm D mm D2 mm Holes Nr. K mm g 193015006 15 15 76,8 56,8 11,1 89 15,8 4 60,3 515 2 18 193018006 18 15 76,1 56,1 11,1 89 15,8 4 60,3 500 2 18 193022006 22 20 82,9 61,9 12,8 98,5 15,8 4 69,8 750 2 12 193028006 28 25 89,1 66,1 14,3 108 15,8 4 79,3 1060 2 8 193035006 35 32 94,4 68,4 15,9 117,5 15,8 4 88,9 1420 2 6 193042006 42 40 102,9 72,9 17,5 127,1 15,8 4 98,4 1810 2 4 193054006 54 50 111,1 75,5 19,1 152,5 19 4 120,6 2715 2 2 193076006 76,1 65 122,5 67,5 22,3 177,9 19 4 139,7 4190 2 2 193088006 88,9 80 150,9 90,9 23,8 190,6 19 4 152,4 5340 2 2 193108006 108 100 172,2 97,2 23,8 228,7 19 8 190,5 7525 2 2
10
MANICOTTO CON FLANGIA SCORREVOLE • ADAPTOR LOOSE FLANGE • UBERGANGSLOSFLANSCH • BRIDE TOURNANTE DE RACCORDEMENT • BRIDA LOCA CON ADAPTADOR MATERIAL: 1 - AISI 316L – 1.4404 2 - AISI 304 – 1.4301 O-RING: EPDM nero - black - Schwarz - noirnegro ≤54  B 10 11  76÷108  B 10 12  ≥139  B 10 17  CODE De mm DN flg H mm Z mm B mm D mm D2 mm Holes Nr. K mm g 193054001 54 50 60 24 21 165 17,5 4 125 895 2 6 193076001 76,1 65 86,5 31,5 24 185 17,5 4 145 1380 2 2 193088001 88,9 80 96 36 24 200 17,5 8 160 1380 2 2 193108001 108 100 116 41 25 220 17,5 8 180 1950 2 2 193139001 139,7 125 143 48 27 250 17,5 8 210 3352 1 1 193168001 168,3 150 176 63 29 285 21,5 8 240 4419 1 1 56
PN
193/001

193/004

SISTEMI DI RACCORDI A PRESSARE Press Fitting Systems • Pressfittingsysteme • Systèmes de raccords a sertir • Sistema de accesorios para prensar PN 6
BOCCHELLI PER FLANGE LIBERE
COLLARS FOR LOOSE FLANGES
AUSSEN FÜR LOSE-FLANSCH
SORTIE A BRIDE POUR BRIDE TOURNANTE
TRONCO EMBRIDADO PARA BRIDA LOCA MATERIAL: AISI 316L – 1.4404 ≤54  B 10 11  76÷108  B 10 12  CODE De mm L mm H mm D mm D1 mm D2 mm g 193022004 22 135 6 50 27 22 210 2 14 193028004 28 135 6 60 32 28 260 2 14 193035004 35 135 6 70 40 35 350 2 14 193042004 42 135 6 80 46 42 420 2 14 193054004 54 135 8 90 59 54 580 2 14 193076004 76,1 135 8 110 78 76,1 840 2 12 193088004 88,9 135 10 128 91 88,9 1150 2 6 193108004 108 135 10 148 110 108 1390 2 2 PN 16
PER FLANGE LIBERE
COLLARS FOR LOOSE FLANGES
AUSSEN FÜR LOSE-FLANSCH
SORTIE A BRIDE POUR BRIDE TOURNANTE
TRONCO EMBRIDADO PARA BRIDA LOCA MATERIAL: AISI 316L – 1.4404 ≤54  B 10 11  76÷108  B 10 12  CODE De mm L mm H mm D mm D1 mm D2 mm g 193022003 22 135 6 58 27 22 240 2 14 193028003 28 135 6 68 32 28 300 2 14 193035003 35 135 6 78 40 35 390 2 14 193042003 42 135 6 88 46 42 470 2 14 193054003 54 135 8 102 59 54 700 2 14 193076003 76,1 135 8 122 78 76,1 980 2 4 193088003 88,9 135 10 138 91 88,9 1310 2 2 193108003 108 135 10 158 110 108 1580 2 2 57
193/003 BOCCHELLI

DI RACCORDI A PRESSARE

434/PN 6

Sesalit ECO: fibre organiche e sintetiche legate con gomma NBR/SBR esente amianto

IMPIEGHI: Acqua calda e fredda, olii vegetali ed animali, aria, alcuni carburanti (no GAS)

LIMITI DI TEMPERATURA ORIENTATIVI

Temperatura massima per brevi esposizioni: 180°-200° C

Temperatura massima di esercizio continuo per fluidi non aggressivi: 140° C

Temperatura massima di esercizio continuo con vapore: 110° C

OMOLOGAZIONI: acqua potabile WRAS n° 1605525

Sesalit ECO: organic and synthetic fibers bonded with NBR/SBR asbestos-free USES: hot and cold water, vegetable and animal oils, air, some fuels (no GAS)

GUIDELINE TEMPERATURE LIMITS

Maximum temperature for short exposure: 180°-200° C

Maximum operating temperature for continuous non-aggressive fluids: 140° C

Maximum temperature for continuous operation with steam: 110° C

APPROVAL: potable water WRAS n° 1605525

434/PN 10-16

PN 6
SISTEMI
Press Fitting Systems • Pressfittingsysteme • Systèmes de raccords a sertir • Sistema de accesorios para prensar
GUARNIZIONE ECOLOGICA PER FLANGE • GASKET FOR FLANGE • FLANSCHDICHTUNG • JOINT POUR BRIDE • JUNTA ECOLOGICA PARA BRIDA MATERIAL: Sesalit Eco NORM: EN 1092-1  R 30 30  CODE DN De mm Di mm S mm g 434015006 15 - (1/2”) 44 20 2 4 10 434020006 20 - (3/4”) 54 25 2 6 10 434025006 25 - (1”) 64 30 2 9 10 434032006 32 - (1”1/4) 75 38 2 11 10 434040006 40 - (1”1/2) 85 45 2 14 10 434050006 50 - (2”) 95 57 2 15 10 434065006 65 - (2”1/2) 115 76 2 19 10 434080006 80 - (3”) 132 89 2 26 10 434100006 100 - (4”) 152 108 2 29 10 PN 10/16
ECOLOGICA PER FLANGE • GASKET FOR FLANGE • FLANSCHDICHTUNG • JOINT POUR BRIDE • JUNTA ECOLOGICA PARA BRIDA MATERIAL: Sesalit Eco NORM: EN 1092-1  R 30 30  CODE DN De mm Di mm S mm g 434015000 15 - (1/2”) 50 20 2 6 10 434020000 20 - (3/4”) 60 25 2 8 10 434025000 25 - (1”) 70 30 2 10 10 434032000 32 - (1”1/4) 82 38 2 14 10 434040000 40 - (1”1/2) 92 45 2 17 10 434050000 50 - (2”) 108 57 2 22 10 434065000 65 - (2”1/2) 127 76 2 27 10 434080000 80 - (3”) 142 89 2 30 10 434100000 100 - (4”) 162 108 2 38 10
GUARNIZIONE
58

SISTEMI DI RACCORDI A PRESSARE

Press Fitting Systems • Pressfittingsysteme • Systèmes de raccords a sertir • Sistema de accesorios para prensar

179/001

PASSAGGIO STAGNO

• DECK / BULKHEAD PENETRATION

• WANDDURCHFÜHRUNG

• PASSAGE ÉTANCHE

• PASAJE ESTAÑO

MATERIAL: AISI 316L – 1.4404

NOTE: (*): S235JR (Fe 360)

195/000

10 11

RUBINETTO DA INCASSO CON ROSONE

• STOPVALVE WITH PRESS ENDS

• UP-VENTIL MIT PRESSENDEN

• ROBINET ENCASTRE AVEC ROSACE

• VÁLVULA DE BOLA “PRES” CON EMBECELLADOR

MATERIAL: AISI 316L – 1.4404

O-RING: EPDM nero - black - Schwarz - noirnegro

NOTE: (**) Movimento interno in OttoneKugel aus Messing - Ball out of brass

- Mouvement en laiton - Bola en latón

≤54  B 10 11  76÷108  B 10 12  CODE De mm L mm L1 mm Z mm D mm D1 mm g 179015001 15 450 120 165 25 15 460 1 179018001 18 450 120 165 30 18 621 1 179022001 22 450 120 165 33 22 701 1 179028001 28 450 120 165 37 28 776 1 179035001 35 450 120 165 43,5 35 936 1 179042001 42 450 120 165 53 42 1291 1 179054001 54 450 120 165 69 54 1965 1 179076001 76,1 450 120 165 88,5 76,1 2840 1 179088001 88,9 450 120 165 107 88,9 4081 1 179108001 108 450 120 165 131,5 108 5682 1
B
CODE De mm Z mm A mm B mm C mm g 195015000 15 42 101 74 70 330 1 10 59

SISTEMI DI RACCORDI A PRESSARE

Press Fitting Systems • Pressfittingsysteme • Systèmes de raccords a sertir • Sistema de accesorios para prensar

171/T

COLLARE DI PRESA CON DERIVAZIONE FEMMINA

• BRACKET WITH FEMALE THREAD

• ANBOHRSCHELLE MIT INNENGEWINDE

• COLLIER DE PRISE AVEC DÉRIVATION À SERTIR

• CONJUNTO DERIVACIÓN ROSCADO HEMBRA

MATERIAL: AISI 316L – 1.4404

O-RING: EPDM nero - black - Schwarz - noir - negro

GASKET: (*): EPDM guarnizione - gasket - Dictung - jointjuntas

THREAD: EN 10226-1 (ex ISO 7/1)

171/P

COLLARE DI PRESA CON DERIVAZIONE A PRESSARE

• BRACKET WITH FEMALE PRESS CONNECTION

• ANBOHRSCHELLE MIT PRESSENDEN

• COLLIER DE PRISE AVEC DÉRIVATION F

• CONJUNTO DERIVACIÓN DE PRENSAR

MATERIAL: AISI 316L – 1.4404

O-RING: EPDM nero - black - Schwarz - noir - negro

GASKET: (*): EPDM guarnizione - gasket - Dictung - jointjuntas

B 10 12  CODE D1 mm D2 mm D3 mm A mm B mm C mm L mm E mm M mm g 171076100 76,1 1” 42 57,5 44 100 35 15 M 10 x 35 716 1 20
B 10 12  CODE D1 mm D2 mm D3 mm A mm B mm C mm L mm M mm g 171076035 76,1 35 42 90 44 100 35 M 10 x 35 700 1 20 171088042 88,9 42 50 97 53 115 40 M 10 x 35 740 1 10 171108054 108 54 60 116 60 135 45 M 10 x 35 1090 1 10
Montaggio - Assembly - Montage - Assemblage - Montaje Fig. 1 Fig. 7 Fig. 2 Fig. 8 Fig. 3 Fig. 9 Fig. 4 Fig. 10 Fig. 5 Fig. 11 Fig. 6
60
Fig. 12

SISTEMI DI RACCORDI A PRESSARE

Press Fitting Systems • Pressfittingsysteme • Systèmes de raccords a sertir • Sistema de accesorios para prensar

195/005

VALVOLA A SFERA PASSAGGIO TOTALE

• BALL VALVE WITH FULL PORT

• KUGELHAHN MIT VOLLEM DURCHGANG

• BOISSEAU SPHERIQUE PASSAGE RÉDUIT

• VÁLVULA DE BOLA PASO TOTAL

MATERIAL: A-C: AISI 316L – 1.4404 B: PTFE

O-RING: EPDM nero - black - Schwarz - noirnegro

195/003

VALVOLA A SFERA 3 PZ PASSAGGIO TOTALE

LUCCHETTABILE CON BASE PER ATTUATORE

• 3-PC BALL VALVE WITH FULL PORT

• KUGELHAHN 3-TEILIG MIT VOLLEM DURCHGANG

• BOISSEAU SPHERIQUE 3 PIECÈS PASSAGE

INTÉGRAL

• VÁLVULA DE BOLA TRES PIEZAS POSO TOTAL MATERIAL: A-B-D: AISI 316L – 1.4404 C: PTFE

O-RING: EPDM nero - black - Schwarz - noir -

(

*) DN 108 con tubo maniglia, with pipe handle, mit Rohrgriff, avec tube-poignée, con mango de tubo

Le condizioni stampigliate sono relative al corpo della valvola. La pressione massima di lavoro delle valvole art. 195/003  = 16 bar. Con flangia per attuatore.

The marked pressure’s conditions are related to the body of the valve. Maximum working pressure for pressfitting valve art. 195/003 = 16 bar. With flange for actuator.

Die markierte Konditionen der Pressfitting entsprechend den Kugelhahnkoerper. Maximaler Arbeitsbetriebsdruck für Kugelhahn 195/003 = 16 bar. Mit Flansch für Stellantrieb.

Les conditions de pressions indiquées sur la presse vannes correspondent au corps de vanne. Pression de service maximale des vannes 195/003 = 16 bar. Avec bride pour actuateur.

Condiciones de presión marcadas están relacionadas con el cuerpo de la válvula. La presión máxima de trabajo de las válvulas art. 195/003 = 16 bar. Con brida para actuador.

B 10 11  CODE De mm L mm L1 mm H mm Z mm g 195015005 15 85 97,5 50 20 270 1 10 195018005 18 88 123 59 20 362 1 10 195022005 22 100 123 62,5 21 508 1 10 195028005 28 107 145 69,5 23 786 1 10
≤54  B 10 11  76÷108  B 10 12  CODE De mm DN DN inch L mm Z mm L1 mm L2 mm g 195015003 15 10 3/8” 128 44 69 145 698 1 10 195018003 18 15 1/2” 134 47 69 145 714 1 10 195022003 22 20 3/4” 151 54,5 76 145 992 1 10 195028003 28 25 1” 167 60,5 89 175 1476 1 5 195035003 35 32 1” 1/4 184 66 93,5 175 2280 1 5 195042003 42 40 1” 1/2 207 73,5 103 195 3122 1 5 195054003 54 50 2” 245 87,5 109 195 4600 1 2 195076003 76,1 65 2” 1/2 334 112 147 295 9500 1 2 195088003 88,9 80 3” 384 132 154 295 13800 1 1 195108003* 108 100 4” 470 160 205 400 25000 1 1
negro
61

Le condizioni stampigliate sono relative al corpo della valvola. La pressione massima di lavoro delle valvole art. 195/004  = 16 bar

The marked pressure’s conditions are related to the body of the valve. Maximum working pressure for pressfitting valve art. 195/004 = 16 bar

Die markierte Konditionen der Pressfitting entsprechend den Kugelhahnkoerper. Maximaler Arbeitsbetriebsdruck für Kugelhahn 195/004 = 16 bar

Les conditions de pressions indiquées sur la presse vannes correspondent au corps de vanne. Pression de service maximale des vannes 195/004 = 16 bar. Condiciones de presión marcadas están relacionadas con el cuerpo de la válvula. La presión máxima de trabajo de las válvulas art. 195/004 = 16 bar

NOTE WATER FOLRATEm 3 / h

DN15-DN100 62

Cv = flusso di acqua (a 60°F) in gpm (galloni al minuto) con una pressione differenziale (caduta di pressione) di 1 psi.

Kv = flusso di acqua (tra 5° e 40°) m³/h, con una pressione differenziale (caduta di pressione) di 1 bar.

PRESSARE Press Fitting Systems • Pressfittingsysteme • Systèmes de raccords a sertir • Sistema de accesorios para prensar
VALVOLA DI RITEGNO • NON-RETURN VALVE • RÜCKSCHLAGVENTIL • CLAPET ANTI-RETOUR • VÁLVULA DE RETENCIÓN MATERIAL: AISI 316L – 1.4404 O-RING: EPDM nero - black - Schwarz - noirnegro ≤54  B 10 11  76÷108  B 10 12  CODE De mm DN L mm Z mm g 195015004 15 15 114 37 410 1 10 195018004 18 15 113 36,5 420 1 10 195022004 22 20 121 39.5 568 1 10 195028004 28 25 138 46 763 1 10 195035004 35 32 158 53 1234 1 10 195042004 42 40 180 60 1756 1 6 195054004 54 50 200 65 2406 1 2 195076004 76,1 65 272 81 5180 1 1 195088004 88,9 80 299 89,5 7074 1 1 195108004 108 100 372 111 12300 1 1
SISTEMI DI RACCORDI A
195/004
CV / KV PER VALVOLA DI RITEGNO CV / KV FOR NON-RETURN VALVE DIREZIONE DI FLUSSO FLOW DIRECTION DE DN DN inch CV US gallon/min KV m3/h ↑ ↓ → Pressione di apertura Opening pressure (mbar) 15 15 - ½” 21 18,1 25 21 23 18 15 - ½” 21 18,1 25 21 23 22 20 - ¾” 35 30,1 25 21 23 28 25 - 1” 40 34,4 25 21 23 35 32 - 1”1/4 80 68,8 27 21 24 42 40 - 1”1/2” 100 86,0 29 21 25 54 50 - 2” 126 108,4 29 21 25 76,1 65 - 2”1/2 164 141,0 31 21 25 88,9 80 - 3” 200 172,0 32 21 26 108 100 - 4” 249 214,1 33 21 27
DIAGRAMMA PERDITA DI CARICO PRESSURE LOSS DIAGRAM
(1 Kv = 0,86 Cv) PRESSURE LOSS - bar

SISTEMI DI RACCORDI A PRESSARE

195/008

VALVOLA A SFERA CON PRESA MANICHETTA

• BALL VALVE WITH HOSE CONNECTION

• KUGELHAHN MIT SCHLAUCHANSCHLUSS

• BOISSEAU SPHERIQUE AVEC RACCORD DETUYAU

• VÁLVULA DE BOLA CON CONEXIÓN DELA MANGUERA

MATERIAL: A-B: AISI 316L – 1.4404

C: ottone - brass - Messing - laiton - latón

O-RING: EPDM nero - black - Schwarz - noirnegro

199

• COMPENSATEUR D’EXPANSION

• DILATADOR

MATERIAL: AISI 316L – 1.4404

O-RING: EPDM nero - black - Schwarz - noirnegro

NOTE: * ΔL max: 1000 cicli - 1000 cycles

1000 Abläufe -1000 cycles 1000 ciclos

Press Fitting Systems • Pressfittingsysteme • Systèmes de raccords a sertir • Sistema de accesorios para prensar
B 10 11  CODE De mm L mm L1 mm L2 mm Z mm Z1 mm g 195015008 15 x 3/4” 125 69 145 42 64 873 1 10 195022008 22 x 1” 138 76 145 43 74 1314 1 10
EXPANSION
COMPENSATORE DI DILATAZIONE •
COMPENSATOR
• WELLENKOMPENSATOR
B 10 11  CODE De mm L mm ΔL* mm Z mm A mm g 199015000 15 139 16 71 23 80 1 100 199018000 18 143 18 74 28 108 1 80 199022000 22 139 20 68 34 130 1 80 199028000 28 150 22 73 41 155 1 40 199035000 35 177 26 90 52 251 1 24 199042000 42 202 32 107 62 440 1 16 199054000 54 221 36 113 72 550 1 12 63

199/001

TUBO FLESSIBILE AD OMEGA

• U-BEND FLEXIBLE PIPE

• FLEXIBLES ECKSTÜCK ZUM EINPRESSEN

• TUBE FLEXIBLE RACCORDS COUDÉS

• FLEXIBLE OMEGA

MATERIAL: AISI 316L – 1.4404

O-RING: EPDM nero - black - Schwarz - noirnegro

199/002

TUBO FLESSIBILE RETTILINEO

• STRAIGHT FLEXIBLE PIPE

• PANZERSCHLAUCH ZUM EINPRESSEN

• TUBE FLEXIBLE RACCORDS DROIT

• FLEXIBLE RECTO

MATERIAL: AISI 316L – 1.4404

O-RING: EPDM nero - black - Schwarz - noirnegro

PRESSARE Press Fitting Systems • Pressfittingsysteme • Systèmes de raccords a sertir • Sistema de accesorios para prensar
SISTEMI DI RACCORDI A
B 10 11  CODE De mm L1 mm L2 mm Z mm g 199015001 15 275 165 20 245 1 199018001 18 350 170 20 290 1 199022001 22 380 195 21 450 1 199028001 28 410 230 23 615 1 199035001 35 460 255 26 1080 1 199042001 42 530 295 30 1455 1 199054001 54 625 370 35 2310 1
B 10 11  CODE De mm L mm Z mm g 199015002 15 500 20 200 1 199018002 18 600 20 310 1 199022002 22 700 21 350 1 199028002 28 700 23 495 1 199035002 35 800 26 980 1 199042002 42 900 30 1280 1 199054002 54 1100 35 2060 1 64

195/007 U Impianti di nebulizzazione con tubazione Ø 15 Atomization systems with Ø 15 pipes

195/007 U

ATTACCO NEBULIZZATORE

• NEBULIZER CONNECTION

• VERNEBLER-ANSCHLUSS

• CONNEXION NÉBULISEUR

• CONEXIÓN NEBULIZADOR

MATERIAL: AISI 316L – 1.4404

O-RING: EPDM nero - black - Schwarz - noirnegro

195/N NEBULIZZATORE

• NEBULIZER

• VERNEBLER

• NÉBULISEUR

• NEBULIZADOR

MATERIAL: AISI 304 – 1.4301

O-RING: NBR marrone – brown – Braun – brun

SISTEMI DI RACCORDI A PRESSARE Press Fitting Systems • Pressfittingsysteme • Systèmes de raccords a sertir • Sistema de accesorios para prensar
B 10 11  CODE De mm L mm Z mm Holes Nr. g 195015017 15 60 24 1 x 10/24” 82 10 200 195015027 15 60 24 2 x 10/24” 80 10 200
– marrón  B 10 11  CODE Hole μm DN inch L1 mm D mm L mm g 195000015 15 10/24” 20 9,5 25 10 10 195000020 20 10/24” 20 9,5 25 10 10 195000030 30 10/24” 20 9,5 25 10 10 195000040 40 10/24” 20 9,5 25 10 10 195000050 50 10/24” 20 9,5 25 10 10 Esempio applicazione art. 195/007 U / Art. 195/007 U application example
65

Con n° 2 tappi maschi ISO 228 per potere chiudere almeno 2 dei 3 attacchi disponibili da ½”.

With n° 2 male caps ISO 228 to close at least 2 of the 3 available attacks of ½”.

Mit n ° 2 männlich Kappen ISO 228 mindestens 2 der 3 verfügbaren Angriffe von ½” zu schließen.

Avec n ° 2 mâle casquettes ISO 228 pour fermer au moins 2 des 3 attaques disponibles de ½”.

Con n ° 2 casquillos macho ISO 228 para cerrar al menos 2 de los 3 ataques disponibles de ½”.

SISTEMI DI RACCORDI A PRESSARE Press Fitting Systems • Pressfittingsysteme • Systèmes de raccords a sertir • Sistema de accesorios para prensar
ATTACCO MULTI STRUMENTO • MULTIMETER CONNECTION • MULTI-TOOL-ANSCHLUSS
CONNEXION MULTI-OUTILLAGE
CONEXIÓN MULTIPLE HERRAMIENTA
≤54  B 10 11  76÷108  B 10 12  CODE De mm L mm Z mm Holes Nr. g 195035007 35 128 60 3 x 1/2” 715 1 10 195042007 42 135 60 3 x 1/2” 645 1 10 195054007 54 135 74 3 x 1/2” 874 1 6 195076007 76,1 189 92 3 x 1/2” 1474 1 3 195088007 88,9 208 106 3 x 1/2” 1874 1 2 195108007 108 240 130 3 x 1/2” 2774 1 1
195/007
MATERIAL: AISI 316L – 1.4404 O-RING: EPDM nero - black - Schwarz - noirnegro
66

DI

Certificazioni / Certifications

Campi di applicazione / Fields of application

GASO-ring HNBR-NBR

GASO-ring HNBR-NBR

O-ringO-ringFKMHNBR-NBR

Verde | Green | Grün | Vert | Verde

Giallo | Yellow | Gelb | Jaune | Amarillo

Giallo | Yellow | Gelb | Jaune | Amarillo GAS

Giallo | Yellow | Gelb | Jaune | Amarillo

SISTEMI
RACCORDI A PRESSARE Press Fitting Systems • Pressfittingsysteme • Systèmes de raccords a sertir • Sistema de accesorios para prensar
ø 15 ÷ 54 mm PRODUKTE DER GASVERSORGUNG DG-8531BP0295 (G 5614) Ø 15 – 54 mm EDELSTAHLROHR “INOXPRES” - 1.4404 DG-8531CL0163 (VP 614) Ø 15 – 108 mm UNLÖSBARE ROHRVERBINDUNGEN FÜR METALLENE GASLEITUNGEN PRESSVERBINDER AUS EDELSTAHL FÜR EDELSTAHLROHRE = INOXPRES® GAS= G 2.827 (PG 500, PG 3149) Ø 15 – 108 mm UNLÖSBARE ROHRVERBINDUNGEN PRESSVERBINDUNGS-SYSTEM AUS EDELSTAHL INOXPRES GAS 5-088-06 (G 5614) Ø 15 – 54 mm RACCORDI A PRESSARE PER GAS - PLUMBING FITTINGS FOR GASES CA06-00231Ø 15 – 54 mm INOXPRES GAS PRESSFITTINGSYSTEM POCC IT.MH08.H26536Ø 15 – 54 mm INOXPRES GAS ELNEVEZÉSÜ PN 5 NYOMÁSFOKOZATÚ ROZSDAMENTES ACÉL PRÉSIDOMOK ÉS CSÖVEK 15-54 MM MÉRETBEN A-69/2016 Ø 15 – 54 mm SYSTEM OF STEEL PIPES AND STEEL COMPRESSION FITTINGS INOXPRES GAS A0 202/C5/2016/ B-30-00323-16 Ø 15 – 108mm STAINLESS STEEL GAS PRESSFITTINGS FOR STAINLESS STEEL PIPES C-16-3743-AØ 15 – 54 mm ø 76 ÷ 108 mm EDELSTAHLROHR “INOXPRES” - 1.4404 DG-8531CL0163 (GW 541) Ø 15 – 108 mm PRODUKTE DER GASVERSORGUNG DG-8531BP0295 (G 5614) Ø 76 – 108 mm UNLÖSBARE ROHRVERBINDUNGEN FÜR METALLENE GASLEITUNGEN PRESSVERBINDER AUS EDELSTAHL FÜR EDELSTAHLROHRE = INOXPRES® GAS= G 2.827 (PG 500, PG 314)Ø 15 – 108 mm SYSTEM OF STEEL PIPES AND STEEL COMPRESSION FITTINGS INOXPRES GAS AO 202/C5/2016 Ø 15 – 108 mm
Gas metano / GPL Natural gas
/ LPG
67

Crudo

Mat.

Mat. Nr.: 1.4404 (AISI 316L) L=6 m

Ricotto - Annealed - Geglüht - Hypertrempé - Recocido

SISTEMI DI RACCORDI A PRESSARE Press Fitting Systems • Pressfittingsysteme • Systèmes de raccords a sertir • Sistema de accesorios para prensar
TUBO PER GAS • PIPE FOR GAS • ROHR FÜR GAS • TUBE POUR LE GAZ • TUBO PARA EL GAS NORM: EN 10217-7 (DIN 17455) - EN 10312 ≤54  B 30 31  76÷108  B 30 32
116/200
Nr.: 1.4404 (AISI 316L) L=6 m
- Not annealed - Ungeglüht - Non-hypertrempé - Crudo CODE Dimensions mm x mm Ø int mm L m kg/m Volume l/m Minimum package m Bundle m 116015200 15 x 1,0 13 6 0,351 0,133 60 1014 116018200 18 x 1,0 16 6 0,426 0,201 60 1014 116022200 22 x 1,2 19,6 6 0,625 0,302 60 762 116028200 28 x 1,2 25,6 6 0,805 0,514 30 546 116035200 35 x 1,5 32 6 1,258 0,804 30 546 116042200 42 x 1,5 39 6 1,521 1,194 30 366 116054200 54 x 1,5 51 6 1,972 2,042 30 366 116076200 * 76,1 x 2,0 72,1 6 3,711 4,080 6 114 116088200 * 88,9 x 2,0 84,9 6 4,352 5,660 6 114 116108200 * 108 x 2,0 104 6 5,308 8,490 6 114 (*) DN 76,1-88-108 Solo DVGW-ÖVGW-SZU - Only DVGW-ÖVGW-SZU - Nur DVGW-ÖVGW-SZU - Seulement DVGW-ÖVGW-SZU - Sólo DVGW-ÖVGW-SZU 116/300 TUBO PER GAS • PIPE FOR GAS • ROHR FÜR GAS • TUBE POUR LE GAZ • TUBO PARA EL GAS NORM: EN 10217-7 (DIN 17455) - EN 10312 ≤54  B 30 31  76÷108  B 30 32
CODE Dimensions mm x mm Ø int mm L m kg/m Volume l/m Minimum package m Bundle m 116015300 15 x 1,0 13 6 0,351 0,133 60 1014 116018300 18 x 1,0 16 6 0,426 0,201 60 1014 116022300 22 x 1,2 19,6 6 0,625 0,302 60 762 116028300 28 x 1,2 25,6 6 0,805 0,514 30 546 116035300 35 x 1,5 32 6 1,258 0,804 30 546 116042300 42 x 1,5 39 6 1,521 1,194 30 366 116054300 54 x 1,5 51 6 1,972 2,042 30 366 116076300 * 76,1 x 2,0 72,1 6 3,711 4,080 6 114 116088300 * 88,9 x 2,0 84,9 6 4,352 5,660 6 114 116108300 * 108 x 2,0 104 6 5,308 8,490 6 114 (*
DN 76,1-88-108 Solo DVGW-ÖVGW-SZU - Only DVGW-ÖVGW-SZU - Nur DVGW-ÖVGW-SZU - Seulement DVGW-ÖVGW-SZU - Sólo DVGW-ÖVGW-SZU 68
)

SISTEMI DI RACCORDI A PRESSARE Press Fitting Systems • Pressfittingsysteme • Systèmes de raccords a sertir • Sistema de accesorios para prensar

181/450 G

CURVA 45° FF

• 45° ELBOW FF

• BOGEN 45° II

• COUDE FF 45°

• CURVA 45° HH

MATERIAL: AISI 316L – 1.4404

O-RING: NBR-HNBR giallo - yellow - Gelbjaune - amarillo

(*) DN 76,1-88-108 Solo DVGW-ÖVGW-SZU - Only DVGW-ÖVGW-SZU - Nur DVGW-ÖVGW-SZU - Seulement DVGW-ÖVGW-SZU - Sólo DVGW-ÖVGW-SZU

(

*) DN 76,1-88-108 Solo DVGW-ÖVGW-SZU - Only DVGW-ÖVGW-SZU - Nur DVGW-ÖVGW-SZU - Seulement DVGW-ÖVGW-SZU - Sólo DVGW-ÖVGW-SZU

≤54  B 10 13  76÷108  B 10 14  CODE De mm L mm Z mm g 181015450G 15 36 16 50 4 181018450G 18 37 17 64 4 181022450G 22 41 20 82 4 181028450G 28 47 24 112 4 181035450G 35 43 17 127 1 181042450G 42 51 21 177 1 181054450G 54 62 30 273 1 181076450G* 76,1 131,5 76,5 900 1 181088450G* 88,9 144 84 1250 1 181108450G* 108 169 94 1700 1
CURVA 45° MF • 45° ELBOW MF • BOGEN 45° IA • COUDE MF 45° • CURVA 45° HM MATERIAL: AISI 316L
1.4404 O-RING:
Gelb
jaune - amarillo ≤54  B 10 13  76÷108  B 10 14  CODE De mm L mm H mm Z mm g 181015451G 15 36 49 16 50 4 181018451G 18 37 43 17 64 4 181022451G 22 41 48 20 82 4 181028451G 28 47 54,5 22 112 4 181035451G 35 43 57,5 17 132 1 181042451G 42 51 72 21 196 1 181054451G 54 62 82 26 296 1 181076451G* 76,1 131,5 149 76,5 900 1 181088451G* 88,9 144 159 84 1250 1 181108451G* 108 169 199 94 1700 1
181/451 G
NBR-HNBR giallo - yellow -
-
69

SISTEMI DI RACCORDI A PRESSARE

Press Fitting Systems • Pressfittingsysteme • Systèmes de raccords a sertir • Sistema de accesorios para prensar

181/900 G

CURVA 90° FF

• 90° ELBOW FF

• BOGEN 90° II

• COUDE FF 90°

• CURVA 90° HH

MATERIAL: AISI 316L – 1.4404

O-RING: NBR-HNBR giallo - yellow - Gelbjaune - amarillo

(*) DN 76,1-88-108 Solo

- Only DVGW-ÖVGW-SZU - Nur

- Seulement

≤54  B 10 13  76÷108  B 10 14  CODE De mm L mm Z mm g 181015900G 15 50 30 58 4 181018900G 18 54 34 72 4 181022900G 22 60 39 102 4 181028900G 28 73 50 143 4 181035900G 35 68 42 162 1 181042900G 42 80 50 231 1 181054900G 54 100 64 367 1 181076900G* 76,1 160 105 1150 1 181088900G* 88,9 182 122 1580 1 181108900G* 108 220 145 2250 1 (*) DN 76,1-88-108 Solo DVGW-ÖVGW-SZU - Only DVGW-ÖVGW-SZU -
DVGW-ÖVGW-SZU - Seulement DVGW-ÖVGW-SZU - Sólo DVGW-ÖVGW-SZU 181/901 G CURVA 90° MF • 90° ELBOW MF • BOGEN 90° IA • COUDE MF 90° • CURVA 90° HM MATERIAL: AISI 316L – 1.4404 O-RING: NBR-HNBR giallo - yellow - Gelbjaune - amarillo ≤54  B 10 13  76÷108  B 10 14  CODE De mm L mm H mm Z mm g 181015901G 15 50 63 30 58 4 181018901G 18 54 63 34 72 4 181022901G 22 60 71 39 102 4 181028901G 28 73 81 50 143 4 181035901G 35 68 82 42 176 1 181042901G 42 80 101 50 253 1 181054901G 54 100 120 64 390 1 181076901G* 76,1 160 180 105 1150 1 181088901G* 88,9 182 197 122 1580 1 181108901G* 108 220 236 145 2250 1
Nur
DVGW-ÖVGW-SZU - Sólo DVGW-ÖVGW-SZU 70
DVGW-ÖVGW-SZU
DVGW-ÖVGW-SZU

197 G

GOMITO MISTO 90° FILETTO M

• ELBOW ADAPTER 90° WITH MALE THREAD

• ÜBERGANGSWINKEL 90° AG

• EQUERRE 90° AVEC FILETAGE M

• CODO MACHO

MATERIAL: AISI 316L – 1.4404

O-RING: NBR-HNBR giallo - yellow - Gelbjaune - amarillo

THREAD: EN 10226-1 (ex ISO 7/1)

198 G

GOMITO MISTO 90° FILETTO F

• ELBOW ADAPTER 90° WITH FEMALE THREAD

• ÜBERGANGSWINKEL 90° IG

• EQUERRE 90° AVEC FILETAGE F

• CODO HEMBRA

MATERIAL: AISI 316L – 1.4404

O-RING: NBR-HNBR giallo - yellow - Gelbjaune - amarillo THREAD: EN 10226-1 (ex ISO 7/1)

SISTEMI DI RACCORDI A PRESSARE
Press Fitting Systems • Pressfittingsysteme • Systèmes de raccords a sertir • Sistema de accesorios para prensar
B 10 13  CODE De x R mm x inch L1 mm L2 mm Z mm g 197102015G 15 x 1/2” 37 57 37 94 4 197102018G 18 x 1/2” 37 57 38 105 4 197304022G 22 x 3/4” 39 61 40 149 4 197304028G 28 x 3/4” 39 61 38 230 4 197100028G 28 x 1” 44 68 45 246 4 197114035G 35 x 1”1/4 49 75 49 378 1 197112042G 42 x 1”1/2 54 84 54 468 1 197200054G 54 x 2” 60 95 60 720 1
B 10 13  CODE De x Rp mm x inch L1 mm L2 mm Z1 mm Z2 mm g 198102015G 15 x 1/2” 38 57 15 37 104 4 198102018G 18 x 1/2” 39 58 15 38 120 4 198304022G 22 x 3/4” 46 61 19 40 172 4 198102028G 28 x 1/2” 44 62 15 39 200 4 198100028G 28 x 1” 54 68 19 45 304 4 198114035G 35 x 1”1/4 63 75 21 49 420 1 198112042G 42 x 1”1/2 70,5 84 27 54 480 1 198200054G 54 x 2” 80 95 32 60 730 1 71

SISTEMI DI RACCORDI A PRESSARE

Press Fitting Systems • Pressfittingsysteme • Systèmes de raccords a sertir • Sistema de accesorios para prensar

182 G

“T”

• EQUAL TEE

• T-STÜCK

• TÉ ÉGAL

• TE IGUAL HHH

MATERIAL: AISI 316L – 1.4404

O-RING: NBR-HNBR giallo - yellow - Gelbjaune - amarillo

(

*) DN 76,1-88-108 Solo DVGW-ÖVGW-SZU - Only DVGW-ÖVGW-SZU - Nur DVGW-ÖVGW-SZU - Seulement DVGW-ÖVGW-SZU - Sólo DVGW-ÖVGW-SZU

10 13  76÷108  B 10 14  CODE De mm L1 mm L2 mm Z1 mm Z2 mm g 182015000G 15 34 39 14 19 67 4 182018000G 18 37 41 16 21 80 4 182022000G 22 39 45 18 24 106 4 182028000G 28 44 50 21 27 145 4 182035000G 35 51 57 25 31 201 1 182042000G 42 59 65 28 35 260 1 182054000G 54 70 77 34 42 404 1 182076000G* 76,1 108 118 53 63 1275 1 182088000G* 88,9 132 131 72 71 1535 1 182108000G* 108 155 159 74 84 2115 1
≤54  B
188
“T” RIDOTTO MFM • REDUCING TEE MFM • T-STÜCK MIT REDUZIERTEM ABGANG A/I/A • TÉ RÉDUIT MFM • TE REDUCIDA MHM MATERIAL: AISI 316L – 1.4404 O-RING: NBR-HNBR giallo - yellow - Gelbjaune - amarillo  B 10 13  CODE De mm L1 mm L2 mm Z2 mm g 188028022G 28 x 22 x 28 52,5 47 26 135 4 188035022G 35 x 22 x 35 60 50,5 29,5 181 1 188035028G 35 x 28 x 35 60 53,5 30,5 192 1 188042028G 42 x 28 x 42 69 57 34 250 1 188054028G 54 x 28 x 28 73,5 64,5 41,5 331 1 72
G

189 G

“T” CON DERIVAZIONE FILETTO F

• BRANCH TEE FEMALE BSP OUTLET

• T-STÜCK MIT ABGANG IG

• TÉ MIXTE AVEC FILETAGE F

• TE HEMBRA ROSCADA

MATERIAL: AISI 316L – 1.4404

O-RING: NBR-HNBR giallo - yellow - Gelbjaune - amarillo

THREAD: EN 10226-1 (ex ISO 7/1)

PRESSARE
• Pressfittingsysteme • Systèmes de
• Sistema de
SISTEMI DI RACCORDI A
Press Fitting Systems
raccords a sertir
accesorios para prensar
≤54  B 10 13  76÷108  B 10 14  CODE De x Rp x De mm x inch x mm L1 mm L2 mm Z1 mm Z2 mm g 189102015G 15 x 1/2” x 15 34 40 13 25 90 4 189102018G 18 x 1/2” x 18 37 42 16 27 101 4 189304018G 18 x 3/4” x 18 37 45 16 28 122 4 189102022G 22 x 1/2” x 22 39 44 18 29 138 4 189304022G 22 x 3/4” x 22 39 47 18 31 143 4 189102028G 28 x 1/2” x 28 44 47 21 32 169 4 189304028G 28 x 3/4” x 28 44 50 21 33 185 4 189102035G 35 x 1/2” x 35 51 51 25 36 197 1 189304035G 35 x 3/4” x 35 51 54 25 37 205 1 189102042G 42 x 1/2” x 42 59 54 29 39 271 1 189304042G 42 x 3/4” x 42 59 57 29 41 277 1 189102054G 54 x 1/2” x 54 70 61 34 46 377 1 189304054G 54 x 3/4” x 54 70 64 34 48 391 1 189200054G 54 x 2” x 54 70 81 34 55 838 1 189304076G* 76,1 x 3/4” x 76,1 108 77 53 60 1040 1 189200076G* 76,1 x 2” x 76,1 108 93 53 67 1495 1 189304088G* 88,9 x 3/4” x 88,9 132 84 72 67 1255 1 189200088G* 88,9 x 2” x 88,9 132 100 72 74 1720 1 189304108G* 108 x 3/4” x 108 155 94 74 77 1700 1 189200108G* 108 x 2” x 108 155 110 74 84 2160 1 (*) DN 76,1-88-108 Solo DVGW-ÖVGW-SZU - Only DVGW-ÖVGW-SZU - Nur DVGW-ÖVGW-SZU - Seulement DVGW-ÖVGW-SZU - Sólo DVGW-ÖVGW-SZU 73

DI RACCORDI A PRESSARE

192 G

“T” RIDOTTO

• REDUCING TEE

• T-STÜCK MIT REDUZIERTEM ABGANG

• TÉ RÉDUIT

SISTEMI
Press Fitting Systems • Pressfittingsysteme • Systèmes de raccords a sertir • Sistema de accesorios para prensar
HHH MATERIAL: AISI 316L – 1.4404 O-RING: NBR-HNBR giallo - yellow - Gelbjaune - amarillo ≤54  B 10 13  76÷108  B 10 14  CODE De mm L1 mm L2 mm Z1 mm Z2 mm g 192018015G 18 x 15 x 18 37 41 16 21 80 4 192022015G 22 x 15 x 22 39 43 18 23 95 4 192022018G 22 x 18 x 22 39 44 18 23 98 4 192028015G 28 x 15 x 28 44 46 21 26 126 4 192028018G 28 x 18 x 28 44 46 21 26 130 4 192028022G 28 x 22 x 28 44 47 21 26 135 4 192035015G 35 x 15 x 35 51 49 25 29 158 1 192035018G 35 x 18 x 35 51 50 25 30 163 1 192035022G 35 x 22 x 35 51 51 25 30 167 1 192035028G 35 x 28 x 35 51 54 25 31 171 1 192042022G 42 x 22 x 42 59 54 29 33 237 1 192042028G 42 x 28 x 42 59 57 29 34 243 1 192042035G 42 x 35 x 42 59 61 29 35 272 1 192054022G 54 x 22 x 54 70 62 34 41 340 1 192054028G 54 x 28 x 54 70 65 34 42 345 1 192054035G 54 x 35 x 54 70 68 34 42 361 1 192054042G 54 x 42 x 54 70 72 34 42 376 1 192076054G* 76,1 x 54 x 76,1 108 90 53 55 1065 1 192088028G* 88,9 x 28 x 88,9 132 84 72 61 1225 1 192088054G* 88,9 x 54 x 88,9 132 97 72 62 1280 1 192088076G* 88,9 x 76,1 x 88,9 132 125 72 70 1485 1 192108028G* 108 x 28 x 108 155 94 74 71 1670 1 192108076G* 108 x 76,1 x 108 155 135 74 80 1930 1 192108088G* 108 x 88,9 x 108 155 141 74 81 1965 1 (*) DN 76,1-88-108 Solo DVGW-ÖVGW-SZU - Only DVGW-ÖVGW-SZU - Nur DVGW-ÖVGW-SZU - Seulement DVGW-ÖVGW-SZU - Sólo DVGW-ÖVGW-SZU 74
• TE REDUCIDA

SISTEMI DI RACCORDI A PRESSARE Press

183/000 G

(*) DN 76,1-88-108 Solo DVGW-ÖVGW-SZU - Only DVGW-ÖVGW-SZU - Nur DVGW-ÖVGW-SZU - Seulement DVGW-ÖVGW-SZU - Sólo DVGW-ÖVGW-SZU

(*) DN 76,1-88-108 Solo DVGW-ÖVGW-SZU - Only DVGW-ÖVGW-SZU - Nur DVGW-ÖVGW-SZU - Seulement DVGW-ÖVGW-SZU - Sólo DVGW-ÖVGW-SZU

Pressfittingsysteme
Systèmes
Fitting Systems •
de raccords a sertir • Sistema de accesorios para prensar
MANICOTTO • COUPLING • MUFFE • MANCHON • MANGUITO HH MATERIAL: AISI 316L – 1.4404
NBR-HNBR giallo
yellow - Gelbjaune - amarillo ≤54  B 10 13  76÷108  B 10 14  CODE De mm L mm Z mm g 183015000G 15 49 9 35 4 183018000G 18 50 10 42 4 183022000G 22 53 11 54 4 183028000G 28 56 10 71 4 183035000G 35 63 10 97 1 183042000G 42 72 12 136 1 183054000G 54 83 13 198 1 183076000G* 76,1 142 32 635 1 183088000G* 88,9 166 46 765 1 183108000G* 108 203 41 1170 1
MANICOTTO PASSANTE • SLIP COUPLING • SCHIEBEMUFFE • MANCHON LONG • MANGUITO SIN TOPE MATERIAL: AISI 316L – 1.4404 O-RING: NBR-HNBR giallo
yellow
Gelb
jaune - amarillo ≤54  B 10 13  76÷108  B 10 14  CODE De mm L mm es mm g 183015001G 15 69 25 56 4 183018001G 18 73 25 65 4 183022001G 22 79 25 85 4 183028001G 28 88,5 30 118 4 183035001G 35 102,5 30 141 1 183042001G 42 117,5 40 234 1 183054001G 54 139 40 321 1 183076001G* 76,1 230 60 940 1 183088001G* 88,9 260 70 1240 1 183108001G* 108 310 80 1835 1
O-RING:
-
183/001 G
-
-
-
75

DI

A

183/002 G

MANICOTTO CON DADO FOLLE

• VALVE CONNECTOR

• ANSCHLUSSVERSCHRAUBUNG

• RACCORD ÉCROU LIBRE

• RÁCOR DOS PIEZAS

AISI 316L – 1.4404

O-RING: NBR-HNBR giallo - yellow - Gelbjaune - amarillo GASKET: (*): NBR giallo - yellow - Gelb - jaune - amarillo

183/003 G

• Pressfittingsysteme
Systèmes
SISTEMI
RACCORDI
PRESSARE Press Fitting Systems
de raccords a sertir • Sistema de accesorios para prensar
MATERIAL:
THREAD:
B 10 13  CODE De x G mm x inch L mm Z mm Y mm Gasket mm g 183015012G 15 x 1/2” 48,5 27 23 18x10 thk 2,5 83 4 183015002G 15 x 3/4” 56 30 26 24x14 thk 2,5 66 4 183018012G 18 x 1/2” 49 27 23,5 18x10 thk 2,5 91 4 183018002G 18 x 3/4” 50 30 23 24x14 thk 2,5 65 4 183022012G 22 x 3/4” 50 30 19,5 24x14 thk 2,5 78 4 183022002G 22 x 1” 52 35 23 30x20 thk 2,5 87 4 183028012G 28 x 1” 52 36 19,5 30x20 thk 2,5 105 4 183028002G 28 x 1”1/4 57 46 25 39x27 thk 2,5 136 4 183035012G 35 x 1”1/4 57,5 46 20,5 39x27 thk 2,5 163 1 183035002G 35 x 1”1/2 63 52 26 44,5x34 thk 2,5 186 1 183042022G 42 x 1”1/2 63,5 52 21 44,5x34 thk 2,5 217 1 183042012G 42 x 1”3/4 68 58 27 50,5x40 thk 2,5 223 1 183042002G 42 x 2” 68 64 27 56x42 thk 2,5 266 1 183054022G 54 x 2” 72 67 23 56x42 thk 2,5 301 1 183054012G 54 x 2”3/8 77 75 30 65,5x53,5 thk 3 375 1 183054002G 54 x 2”1/2 77 81 30 71,5x53 thk 3 439 1
ISO 228/1 (ex DIN 259)
TAPPO DI CHIUSURA • STOP END • VERSCHLUSSKAPPE • BOUCHON D’OBTURATION • TAPÓN MATERIAL: AISI 316L – 1.4404 O-RING: NBR-HNBR giallo - yellow - Gelbjaune - amarillo ≤54  B 10 13  76÷108  B 10 14  CODE De mm L mm L1 mm g 183015003G 15 44 24 32 4 183018003G 18 44 24 38 4 183022003G 22 45 24 51 4 183028003G 28 48 25 68 4 183035003G 35 52 26 95 1 183042003G 42 56 26 126 1 183054003G 54 62 27 185 1 183076003G* 76,1 93 38 540 1 183088003G* 88,9 99 39 630 1 183108003G* 108 117 42 935 1 (*
76,1-88-108
DVGW-ÖVGW-SZU
DVGW-ÖVGW-SZU - Nur DVGW-ÖVGW-SZU - Seulement DVGW-ÖVGW-SZU - Sólo DVGW-ÖVGW-SZU 76
) DN
Solo
- Only

185/000 G

GOMITO MISTO 90° FF

• WALL PLATE ELBOW 90° FF

• DECKENWINKEL 90° I/I

• EQUERRE 90° FF

• CODO PLACA HH

MATERIAL: AISI 316L – 1.4404

O-RING: NBR-HNBR giallo - yellow - Gelbjaune - amarillo

THREAD: EN 10226-1 (ex ISO 7/1)

185/001 G

GOMITO MISTO 90° FF CON

DISTANZIALE

• EXTENSION WALL PLATE ELBOW 90° FF

• DECKENWINKEL 90°/W - I/I

• EQUERRE 90° FF AVEC SUPPORT D’AVENCEMENT

• CODO PLACA HH CON ESPACIADOR

MATERIAL: AISI 316L – 1.4404

O-RING: NBR-HNBR giallo - yellow - Gelbjaune - amarillo

THREAD: EN 10226-1 (ex ISO 7/1)

SISTEMI DI RACCORDI A PRESSARE Press Fitting Systems • Pressfittingsysteme • Systèmes de raccords a sertir • Sistema de accesorios para prensar
B 10 13  CODE De x Rp mm x inch L1 mm L2 mm Z1 mm Z2 mm A mm B mm D mm g 185102015G 15 x 1/2” 50 30 30 17 34 13 5 98 4 185102018G 18 x 1/2” 51 30 31 17 34 13 5 109 4 185304022G 22 x 3/4” 55 34 34 19 40 17 6 166 4
B 10 13  CODE De x Rp mm x inch L1 mm L2 mm Z1 mm Z2 mm A mm B mm D mm g 185100122G 22 x 1” 59 35 38 15 50 30 6,5 252 4 185100128G 28 x 1” 62 35 39 15 50 30 6,5 264 4 77

SISTEMI DI RACCORDI A PRESSARE

187 G

Press Fitting Systems • Pressfittingsysteme • Systèmes de raccords a sertir • Sistema de accesorios para prensar
MANICOTTO MISTO FILETTO M • MALE ADAPTER • ÜBERGANGSSTÜCK MIT AG • RACCORD AVEC FILETAGE MALE • UNIÓN MACHO MATERIAL: AISI 316L – 1.4404 O-RING: NBR-HNBR giallo - yellow - Gelbjaune - amarillo THREAD: EN 10226-1 (ex ISO 7/1) ≤54  B 10 13  76÷108  B 10 14  CODE De x R mm x inch L mm Z mm Y mm g 187308015G 15 x 3/8” 38 24 18 46 4 187102015G 15 x 1/2” 41 24 21 54 4 187304015G 15 x 3/4” 43 30 23 101 4 187102018G 18 x 1/2” 41 27 21 58 4 187304018G 18 x 3/4” 44 30 24 94 4 187102022G 22 x 1/2” 42 32 21 83 4 187304022G 22 x 3/4” 44 32 23 89 4 187100022G 22 x 1” 46 36 25 154 4 187304028G 28 x 3/4” 47 38 24 114 4 187100028G 28 x 1” 48 38 25 123 4 187114028G 28 x 1”1/4 53 46 30 248 4 187100035G 35 x 1” 52 45 25 173 1 187114035G 35 x 1”1/4 55 46 28 180 1 187112035G 35 x 1”1/2 55 50 28 278 1 187114042G 42 x 1”1/4 59 54 28 240 1 187112042G 42 x 1”1/2 59 55 28 236 1 187112054G 54 x 1”1/2 65 65 29 356 1 187200054G 54 x 2” 71 65 35 362 1 187212076G* 76,1 x 2”1/2 124 80 69 780 1 187300088G* 88,9 x 3” 138 95 78 1135 1 187400108G* 108 x 4” 163 115 88 1728 1 (*) DN 76,1-88-108 Solo DVGW-ÖVGW-SZU - Only DVGW-ÖVGW-SZU - Nur DVGW-ÖVGW-SZU - Seulement DVGW-ÖVGW-SZU - Sólo DVGW-ÖVGW-SZU 78

(*) DN 76,1-88-108 Solo DVGW-ÖVGW-SZU - Only DVGW-ÖVGW-SZU - Nur DVGW-ÖVGW-SZU - Seulement DVGW-ÖVGW-SZU - Sólo DVGW-ÖVGW-SZU

RACCORDI A PRESSARE
Fitting Systems • Pressfittingsysteme • Systèmes de raccords a sertir • Sistema de accesorios para prensar
SISTEMI DI
Press
MISTO FILETTO F
FEMALE ADAPTER
ÜBERGANGSSTÜCK MIT IG
RACCORD AVEC FILETAGE FEMELLE
UNIÓN HEMBRA MATERIAL: AISI 316L
1.4404
amarillo THREAD: EN 10226-1 (ex ISO 7/1)  B 10 13  CODE De x Rp mm x inch L mm Z mm Y mm g 190102015G 15 x 1/2” 38 27 2 64 4 190304015G 15 x 3/4” 39 32 2 75 4 190102018G 18 x 1/2” 38 27 2 89 4 190304018G 18 x 3/4” 39 32 2 80 4 190102022G 22 x 1/2” 39 32 2 99 4 190304022G 22 x 3/4” 40 32 2 82 4 190100022G 22 x 1” 43 41 2 148 4 190304028G 28 x 3/4” 42 38 2 130 4 190100028G 28 x 1” 45 41 2 158 4 190114028G 28 x 1”1/4 48 46 2 148 4 190100035G 35 x 1” 49 46 2 216 1 190114035G 35 x 1”1/4 52 46 2 170 1 190112035G 35 x 1”1/2 52 55 2 284 1 190114042G 42 x 1”1/4 56 55 2 259 1 190112042G 42 x 1”1/2 56 55 2 243 1 190112054G 54 x 1”1/2 60 65 1 420 1 190200054G 54 x 2” 65 65 2 314 1 PN 16
190 G MANICOTTO
O-RING: NBR-HNBR giallo - yellow - Gelbjaune -
MANICOTTO FLANGIATO • ADAPTOR FLANGE • ÜBERGANGSFLANSCH • BRIDE DE RACCORDEMENT • BRIDA ADAPTADOR MATERIAL: AISI 316L – 1.4404 O-RING: NBR-HNBR giallo - yellow - Gelbjaune - amarillo ≤54  B 10 13  76÷108  B 10 14  CODE De mm DN flg H mm Z mm B mm D mm D2 mm Holes Nr. K mm g 193015000G 15 15 55 35 14 95 14 4 65 660 1 193018000G 18 15 55,5 35,5 14 95 14 4 65 660 1 193022000G 22 20 58,5 37,5 16 105 14 4 75 945 1 193028000G 28 25 61,5 38,5 16 115 14 4 85 1140 1 193035000G 35 32 65,5 39,5 16 140 18 4 100 1640 1 193042000G 42 40 69 39 16 150 18 4 110 1800 1 193054000G 54 50 78 42 18 165 18 4 125 2450 1 193076000G* 76,1 65 105 50 18 185 18 4 145 3175 1 193088000G* 88,9 80 116 56 20 200 18 8 160 3930 1 193108000G* 108 100 132 57 20 220 18 8 180 4700 1
193 G
79

434/PN10-16 GAS

NA 1100 - esente amianto: fibre di carbonio e grafite legate con gomma NBR indicata per uso universale con alte temperature e pressioni elevate.

IMPIEGHI: adatta per la tenuta con i derivati del petrolio, acqua, vapori saturi, solventi, gas e prodotti chimici in generale

LIMITI DI IMPIEGO ORIENTATIVI

Standard 250°C / 70 bar

Vapore saturo 250°C / 40 bar

Massimi 450°C / 130 bar

OMOLOGAZIONI: DVGW per tenuta gas secondo DIN 3535 p. 6 - KTW per guarnizioni a contatto con acqua potabile

NA 1100 - asbestos-free: carbon fibers and graphite bonded with NBR rubber suitable for universal use with high temperatures and high pressures.

APPLICATIONS: suitable for sealing with petroleum derivatives, water, saturated steam, solvents, gases and chemical products in general.

GUIDELINE LIMITS

Standard 250° C / 70 bar

Saturated steam 250° C / 40 bar

Maximum 450° C / 130 bar

APPROVALS: DVGW for gas -DIN 3535 p. 6 - KTW for gaskets in contact with drinking water

Press Fitting Systems • Pressfittingsysteme • Systèmes de raccords a sertir • Sistema de accesorios para prensar PN 10/16
SISTEMI DI RACCORDI A PRESSARE
GUARNIZIONE ECOLOGICA PER FLANGE • GASKET FOR FLANGE • FLANSCHDICHTUNG • JOINT POUR BRIDE • JUNTA ECOLOGICA PARA BRIDA MATERIAL: NA 1100 - asbestos free NORM: EN 1092-1  R 30 30  CODE DN De mm Di mm S mm g 434015000G 15 - (1/2”) 50 20 2 6 10 434020000G 20 - (3/4”) 60 25 2 8 10 434025000G 25 - (1”) 70 30 2 10 10 434032000G 32 - (1”1/4) 82 38 2 14 10 434040000G 40 - (1”1/2) 92 45 2 17 10 434050000G 50 - (2”) 108 57 2 22 10 434065000G 65 - (2”1/2) 127 76 2 27 10 434080000G 80 - (3”) 142 89 2 30 10 434100000G 100 - (4”) 162 108 2 38 10
80

184/002 G

BOCCHETTONE SEDE PIANA FILETTO M

• STRAIGHT MALE UNION CONNECTOR

• DURCHGANGSVERSCHRAUBUNG MIT

AUSSENGEWINDE

• RACCORD UNION FILETÉ

• RÁCOR 3 PIEZAS ROSCADO MACHO

MATERIAL: AISI 316L – 1.4404

FITTING: (**): ottone - brass - Messing - laiton - latón

O-RING: NBR giallo - yellow - Gelb - jauneamarillo

GASKET: (*): NBR giallo - yellow - Gelb - jaune - amarillo

THREAD: EN 10226-1 (ex ISO 7/1)

184/003 G

BOCCHETTONE SEDE PIANA FILETTO F

• STRAIGHT FEMALE UNION CONNECTOR

• DURCHGANGSVERSCHRAUBUNG MIT

• RACCORD UNION TARAUDÉ

• RÁCOR 3 PIEZAS HEMBRA

MATERIAL: AISI 316L – 1.4404

FITTING: (**): ottone - brass - Messing - laiton

- latón

O-RING: NBR giallo - yellow - Gelb - jauneamarillo

GASKET: (*): NBR giallo - yellow - Gelb - jaune

- amarillo

THREAD: EN 10226-1 (ex ISO 7/1)

PRESSARE
Fitting Systems • Pressfittingsysteme • Systèmes de raccords a sertir • Sistema de accesorios para prensar
SISTEMI DI RACCORDI A
Press
B 10 13  CODE De x R mm x inch L mm Z mm Gasket mm g 184015002G 15 x 1/2” 76 56 24x14 thk 2,5 142 4 184018002G 18 x 1/2” 77 56 24x14 thk 2,5 144 4 184022122G 22 x 1/2” 79 54 30x20 thk 2,5 199 4 184022002G 22 x 3/4” 81 59 30x20 thk 2,5 202 4 184028342G 28 x 3/4” 87 64 39x27 thk 2,5 370 4 184028002G 28 x 1” 90 67 39x27 thk 2,5 364 1 184035002G 35 x 1”1/4 101 74 44,5x34 thk 2,5 540 1 184042002G 42 x 1”1/2 105 74 50,5x40 thk 2,5 563 1 184054002G 54 x 2” 118 83 65,5x53,5 thk 3 823 1
INNENGEWINDE
B 10 13  CODE De x Rp mm x inch L mm Z mm Gasket mm g 184015003G 15 x 1/2” 71 50 24x14 thk 2,5 140 4 184018003G 18 x 1/2” 72 51 24x14 thk 2,5 145 4 184022123G 22 x 1/2” 75 54 30x20 thk 2,5 253 4 184022003G 22 x 3/4” 76 54 30x20 thk 2,5 213 4 184028343G 28 x 3/4” 83 60 39x27 thk 2,5 483 4 184028003G 28 x 1” 83 60 39x27 thk 2,5 404 4 184035003G 35 x 1”1/4 93 66 44,5x34 thk 2,5 486 1 184042003G 42 x 1”1/2 97 66 50,5x40 thk 2,5 536 1 184054003G 54 x 2” 116 81 65,5x53,5 thk 3 1091 1 81

184/002 INOX G

BOCCHETTONE SEDE PIANA FILETTO M

• STRAIGHT MALE UNION CONNECTOR

• DURCHGANGSVERSCHRAUBUNG MIT

AUSSENGEWINDE

• RACCORD UNION FILETÉ

• RÁCOR 3 PIEZAS ROSCADO MACHO

MATERIAL: AISI 316L – 1.4404

FITTING: (**): AISI 316L – 1.4404

O-RING: NBR giallo - yellow - Gelb - jauneamarillo

GASKET: (*): NBR giallo - yellow - Gelb - jaune - amarillo

THREAD: EN 10226-1 (ex ISO 7/1)

184/003 INOX G

BOCCHETTONE SEDE PIANA FILETTO F

• STRAIGHT FEMALE UNION CONNECTOR

• DURCHGANGSVERSCHRAUBUNG MIT INNENGEWINDE

• RACCORD UNION TARAUDÉ

• RÁCOR 3 PIEZAS HEMBRA

MATERIAL: AISI 316L – 1.4404

FITTING: (**): AISI 316L – 1.4404

O-RING: NBR giallo - yellow - Gelb - jauneamarillo

GASKET: (*): NBR giallo - yellow - Gelb - jaune - amarillo

THREAD: EN 10226-1 (ex ISO 7/1)

Systems • Pressfittingsysteme • Systèmes de raccords
sertir • Sistema de accesorios
prensar
SISTEMI DI RACCORDI A PRESSARE Press Fitting
a
para
B 10 13  CODE De x R mm x inch L mm Z mm Gasket mm g 184015002IG 15 x 1/2” 77 56 24x14 thk 2,5 137 4 184018002IG 18 x 1/2” 77 56 24x14 thk 2,5 139 4 184022002IG 22 x 3/4” 81 59 30x20 thk 2,5 194 4 184028002IG 28 x 1” 90 67 39x27 thk 2,5 350 4 184035002IG 35 x 1”1/4 101 74 44,5x34 thk 2,5 518 1
B 10 13  CODE De x Rp mm x inch L mm Z mm Gasket mm g 184015003IG 15 x 1/2” 71 50 24x14 thk 2,5 135 4 184018003IG 18 x 1/2” 72 51 24x14 thk 2,5 140 4 184022003IG 22 x 3/4” 76 54 30x20 thk 2,5 206 4 184028003IG 28 x 1” 83 60 39x27 thk 2,5 387 4 184035003IG 35 x 1”1/4 93 66 44,5x34 thk 2,5 467 1 82
SISTEMI DI RACCORDI A PRESSARE Press Fitting Systems • Pressfittingsysteme • Systèmes de raccords a sertir • Sistema de accesorios para prensar
RIDUZIONE MF • REDUCER • REDUZIERSTÜCK • REDUCTION • REDUCCIÓN MH MATERIAL: AISI 316L – 1.4404 O-RING: NBR-HNBR giallo - yellow - Gelbjaune - amarillo ≤54  B 10 13  76÷108  B 10 14  CODE De mm L mm Z mm g 191018015G 18 x 15 57 37 35 4 191022015G 22 x 15 64 44 43 4 191022018G 22 x 18 60 40 47 4 191028015G 28 x 15 76,5 56,5 50 4 191028018G 28 x 18 68 48 63 4 191028022G 28 x 22 65 44 66 4 191035015G 35 x 15 84 64 69 1 191035018G 35 x 18 81 61 87 1 191035022G 35 x 22 70 49 90 1 191035028G 35 x 28 71 48 98 1 191042015G 42 x 15 87 67 103 1 191042018G 42 x 18 87 67 108 1 191042022G 42 x 22 97 76 120 1 191042028G 42 x 28 93 70 130 1 191042035G 42 x 35 81 55 138 1 191054015G 54 x 15 98 78 148 1 191054018G 54 x 18 98 78 161 1 191054022G 54 x 22 99 78 169 1 191054028G 54 x 28 108,5 85,5 180 1 191054035G 54 x 35 108 82 193 1 191054042G 54 x 42 97,5 67,5 210 1 191076054G* 76,1 x 54 147 112 496 1 191088054G* 88,9 x 54 160 125 690 1 191088076G* 88,9 x 76,1 184 129 810 1 191108054G* 108 x 54 178 143 835 1 191108076G* 108 x 76,1 203 148 1005 1 191108088G* 108 x 88,9 207 147 1103 1 (*) DN 76,1-88-108 Solo DVGW-OVGW - Only DVGW-OVGW - Nur DVGW-OVGW - Seulement DVGW-OVGW- Sólo DVGW-OVGW 185/CON PIASTRA SUPPORTO CONTATORE • SUPPORT PLATE FOR GAS METER • GASZÄHLERANSCHLUSS-GRUNDPLATTE • SUPPORT DE COMPTEUR À GAZ • SOPORTE CONTADOR DA GAS  B 10 13  CODE Dimensions mm x mm g 185000CONG 90 x 345 535 1 83
191 G

SISTEMI DI RACCORDI A PRESSARE

Press Fitting Systems • Pressfittingsysteme • Systèmes de raccords a sertir • Sistema de accesorios para prensar

183/GP G

RACCORDO 2 PEZZI CON PRESA DI PRESSIONE

• 2 PCS VALVE CONNECTOR PRESSION OUTLET

• ANSCHLU.2P/DRUCKAUSGANG

• RACCORD 2P AVEC SORTIE PRESSION

• RÁCOR 2P PRECINTABLE C/PURGADOR

MATERIAL: AISI 316L – 1.4404

O-RING: NBR giallo - yellow - Gelb - jauneamarillo

GASKET: NBR nero - black - Schwarz - noirnegro THREAD: ISO 228/1 (ex DIN 259)

183/GD G

RACCORDO 2 PEZZI CON DADO FOLLE

• 2 PCS VALVE CONNECTOR

• ANSCHLUSSVERSCHRAUBUNG

• RACCORD 2 PC/ÉCROU LIBRE

• RÁCOR 2P PRECINTABLE

AISI 316L – 1.4404 O-RING: NBR giallo - yellow - Gelb - jauneamarillo GASKET: NBR nero - black - Schwarz - noirnegro

ISO 228/1 (ex DIN 259)

B 10 13  CODE De x G mm x inch L mm Z mm Y mm g 183015304GP 15 x 3/4” 70 29 44 112 4 183015708GP 15 x 7/8” 74 34 47 160 4 183018304GP 18 x 3/4” 70 29 44,5 114 4 183018708GP 18 x 7/8” 74,5 34 47,5 156 4 183022304GP 22 x 3/4” 69,5 29 43 120 4 183022708GP 22 x 7/8” 73,5 34 45,5 149 4
MATERIAL:
THREAD:
B 10 13  CODE De x G mm x inch L mm Z mm Y mm g 183015020GD 15 x M20 51 24 24 54 4 183015102GD 15 x 1/2” 49 24 24 53 4 183018102GD 18 x 1/2” 48 24 23,5 56 4 183018304GD 18 x 3/4” 52 29 27,5 74 4 183018708GD 18 x 7/8” 55 34 28 98 4 183022304GD 22 x 3/4” 51,5 29 26 79 4 183022708GDA 22 x 7/8” 56,5 34 28,5 108 4 183028708GDA 28 x 7/8” 57 34 27 116 4 183028100GD 28 x 1” 58 36 28 119 4 183035114GD 35 x 1”1/4 62,5 45 28,5 180 1 183042112GD 42 x 1”1/2 73 52 33 266 1 183054200GD 54 x 2” 81 64 34,5 417 1 84

183/GC G

RACCORDO CURVO 90° 2 PEZZI

• 2 PCS VALVE CONNECTOR 90°

• ANSCHLUSSVERSCHRAUBUNG 90°

• RACCORD ÉCROU LIBRE 90° 2PC

• RÁCOR 90° 2P PRECINTABLE

MATERIAL: AISI 316L – 1.4404

O-RING: NBR giallo - yellow - Gelb - jauneamarillo

GASKET: NBR nero - black - Schwarz - noirnegro

THREAD: ISO 228/1 (ex DIN 259)

183/GCP G

RACCORDO CURVO 90° 2 PEZZI CON

PRESA PRESSIONE

• 2 PCS VALVE CONNECTOR 90° PRESSION OUTLET

• ANSCHLUSSVERSCHRAUBUNG 90° MIT

DRUCKAUSGANG

• RACCORD ÉCROU LIBRE 90° 2PC AVEC SORTIE

PRESSION

• RÁCOR 90° 2P PRECINTABLE C/PURGADOR

MATERIAL: AISI 316L – 1.4404

O-RING: NBR giallo - yellow - Gelb - jauneamarillo

GASKET: NBR nero - black - Schwarz - noir -

negro

THREAD: ISO 228/1 (ex DIN 259)

Guarnizione / Gasket NBR

Nero | Black | Schwarz | Noir | Negro

Particolare sede tenuta attacco contatore

Particular seal of gas meter tting

art. 183/GP G - 183/GD G - 183/GC G - 183/GC G

SISTEMI
PRESSARE Press Fitting Systems • Pressfittingsysteme • Systèmes de raccords a sertir • Sistema de accesorios para prensar
DI RACCORDI A
B
CODE De x G mm x inch L mm Z mm Z1 mm H mm H1 mm g 183018708GC 18 x 7/8” 54 34 34 52,5 45,5 126 4 183022708GC 22 x 7/8” 60 34 39 59 52 149 4
10 13
B
CODE De x G mm x inch L mm Z mm Z1 mm H mm H1 mm g 183018708GCP 18 x 7/8” 54 34 34 72 65 184 4 183022708GCP 22 x 7/8” 60 34 39 76 69 190 4
10 13
85
INOXPRES SILICONE FREE
di applicazione
of application O2 Oil Aria compressa Compressed air Solare termico Thermal solar Ossigeno industriale O2 Industrial oxygen O2 Olio / gasolio Oil / diesel fuel Ozono O3 Ozone O3 FKM “SILICONE FREE”
O-ring FKM 86
Campi
/ Fields
Verde | Green | Grün | Vert | Verde

I componenti del sistema Inoxpres HT risultano sgrassati:

• in classe E sulla base del livello dei residui di sostanze volatili misurati in accordo allo standard ASTM F331-05;

• in classe D sulla base del livello dei residui di sostanze volatili misurati in accordo allo standard ASTM G 144-01; (test report JOB ID 147 del 09/03/2017)

Gli o-ring FKM del sistema di raccordi a pressare:

• sono stati testati con Spettrofotometria ad infrarosso (FT-IR): non si è rilevata presenza di silicone (test report RA160100 del 15/04/2016)

The components of Inoxpres HT system are degreased:

• Class E on the basis of the level of residues of volatile substances measured in accordance with ASTM F331-05 standards;

• Class D on the basis of the volatile residues level measured in accordance with ASTM G 144-01 standards; (Test reports JOB ID 147 - 09.03.2017)

The FKM O-rings of press fitting system:

• are tested with infrared spectrophotometry (FT-IR): It has not detected the presence of silicon (Test report RA160100 - 15.04.2016)

Die Komponenten des Inoxpres HT Systems sind entfettet:

• Klasse E auf der Grundlage des Rückstands an flüchtigen Stoffen, gemessen nach ASTM F331-05-Standard;

• Klasse D auf der Basis des flüchtigen Rückstandsniveaus, gemessen nach ASTM G 144-01 Standard; (Prüfberichte JOB ID 147 - 09.03.2017)

Die FKM O-Ringe für Pressfitting:

• werden mit Infrarotspektrophotometrie (FT-IR) getestet: Es wurde das Vorhandensein von Silikon nicht nachgewiesen (Prüfbericht RA160100 - 15.04.2016)

Les composants du système Inoxpres HT sont dégraissés:

• Classe E sur la base du niveau des résidus de substances volatiles mesuré selon la norme ASTM F331-05;

• Classe D sur la base du niveau des résidus de substances volatiles mesuré selon la norme ASTM G 144-01; (Rapports d’essai JOB ID 147 - 09/03/2017)

Les joints FKM des systèmes de raccords à sertir:

• sont testés avec spectrophotométrie infrarouge (FT-IR): Il n’a pas détecté la présence de silicone (Rapports d’essai RA160100 - 15.04.2016)

Los componentes del sistema HT Inoxpres están desengrasados según:

• Clase E: La medida del nivel de residuos de sustancias volátiles conforme a la norma ASTM F331-05;

• Clase D: La medida del nivel de residuos de sustancias volátiles conforme a la norma ASTM G 144-01; (Informes de prueba N.º de trabajo 147, 09/03/2017)

Las juntas tóricas FKM del sistema prensado:

• Se han comprobado con una espectrofotometría infrarroja (FT-IR): No se ha detectado la presencia de silicona.

(Informes de prueba RA160100 de 15.04.2016)

INOXPRES SILICONE FREE
ES FR DE EN IT 87

116/300 6 m

TUBO PER IMPIANTI “SILICONE FREE”

• PIPE FOR “SILICONE FREE” INSTALLATION

• ROHR FÜR “SILIKONFREIE” INSTALLATION

• TUBE POUR INSTALLATION “SANS SILICONE”

• TUBO PARA INSTALACIÓN “LIBRE DE SILICONA”

NORM: EN 10217-7 (DIN 17455) - EN 10312

Mat. Nr.: 1.4404 (AISI 316L) L=6 m

Ricotto - Annealed - Geglüht - Hypertrempé - Recocido

181/450 HT

INOXPRES SILICONE FREE
B 30 31
CODE Dimensions mm x mm Ø int mm L m kg/m Volume l/m Minimum package m Bundle m 116015300 15 x 1,0 13 6 0,351 0,133 60 1014 116018300 18 x 1,0 16 6 0,426 0,201 60 1014 116022300 22 x 1,2 19,6 6 0,625 0,302 60 762 116028300 28 x 1,2 25,6 6 0,805 0,514 30 546 116035300 35 x 1,5 32 6 1,258 0,804 30 546 116042300 42 x 1,5 39 6 1,521 1,194 30 366 116054300 54 x 1,5 51 6 1,972 2,042 30 366
45° FF • 45° ELBOW FF • BOGEN 45° II • COUDE FF 45° • CURVA 45° HH MATERIAL: AISI 316L – 1.4404
FKM
verde
esente
Siliconfrei
silicone libre de silicona  B 10 16  CODE De mm L mm Z mm g 181015450HT 15 36 16 50 1 181018450HT 18 37 17 64 1 181022450HT 22 41 20 82 1 181028450HT 28 47 24 112 1 181035450HT 35 43 17 127 1 181042450HT 42 51 21 177 1 181054450HT 54 62 30 273 1 88
CURVA
O-RING:
verde - green - Grün - vert -
TYPE:
silicone - silicon free
- sans

181/451 HT

CURVA 45° MF

• 45° ELBOW MF

• BOGEN 45° IA

• COUDE MF 45°

• CURVA 45° HM

MATERIAL: AISI 316L – 1.4404

O-RING: FKM verde - green - Grün - vertverde

TYPE: esente silicone - silicon free Siliconfrei - sans silicone libre de silicona

181/900 HT

CURVA 90° FF

• 90° ELBOW FF

• BOGEN 90° II

• COUDE FF 90°

• CURVA 90° HH

MATERIAL: AISI 316L – 1.4404

O-RING: FKM verde - green - Grün - vertverde

TYPE: esente silicone - silicon free Siliconfrei - sans silicone libre de silicona

INOXPRES SILICONE FREE
B 10 16  CODE De mm L mm Z mm H mm g 181015451HT 15 36 16 49 50 1 181018451HT 18 37 17 43 64 1 181022451HT 22 41 20 48 82 1 181028451HT 28 47 22 54,5 112 1 181035451HT 35 43 17 57,5 132 1 181042451HT 42 51 21 72 196 1 181054451HT 54 62 26 82 296 1
B 10 16  CODE De mm L mm Z mm g 181015900HT 15 50 30 58 1 181018900HT 18 54 34 72 1 181022900HT 22 60 39 102 1 181028900HT 28 73 50 143 1 181035900HT 35 68 42 162 1 181042900HT 42 80 50 231 1 181054900HT 54 100 64 367 1 89

181/901 HT

CURVA 90° MF

• 90° ELBOW MF

• BOGEN 90° IA

• COUDE MF 90°

• CURVA 90° HM

MATERIAL: AISI 316L – 1.4404

O-RING: FKM verde - green - Grün - vertverde

TYPE: esente silicone - silicon free Siliconfrei - sans silicone libre de silicona

182 HT “T”

• EQUAL TEE

• T-STÜCK

• TÉ ÉGAL

• TE IGUAL HHH

MATERIAL: AISI 316L – 1.4404

O-RING: FKM verde - green - Grün - vertverde

TYPE: esente silicone - silicon free Siliconfrei - sans silicone libre de silicona

INOXPRES SILICONE FREE
B 10 16  CODE De mm L mm Z mm H mm g 181015901HT 15 50 30 63 58 1 181018901HT 18 54 34 63 72 1 181022901HT 22 60 39 71 102 1 181028901HT 28 73 50 81 143 1 181035901HT 35 68 42 82 176 1 181042901HT 42 80 50 101 253 1 181054901HT 54 100 64 120 390 1
B 10 16  CODE De mm L1 mm L2 mm Z1 mm Z2 mm g 182015000HT 15 34 39 14 19 67 1 182018000HT 18 37 41 16 21 80 1 182022000HT 22 39 45 18 24 106 1 182028000HT 28 44 50 21 27 145 1 182035000HT 35 51 57 25 31 201 1 182042000HT 42 59 65 28 35 260 1 182054000HT 54 70 77 34 42 404 1 90

189 HT

“T” CON DERIVAZIONE FILETTO F

• BRANCH TEE FEMALE BSP OUTLET

• T-STÜCK MIT ABGANG IG

• TÉ MIXTE AVEC FILETAGE F

• TE HEMBRA ROSCADA

MATERIAL: AISI 316L – 1.4404

O-RING: FKM verde - green - Grün - vertverde

TYPE: esente silicone - silicon free Siliconfrei - sans silicone libre de silicona

THREAD: EN 10226-1 (ex ISO 7/1)

192 HT

“T” RIDOTTO

• REDUCING TEE

• T-STÜCK MIT REDUZIERTEM ABGANG

• TÉ RÉDUIT

• TE REDUCIDA HHH

MATERIAL: AISI 316L – 1.4404

O-RING: FKM verde - green - Grün - vertverde

TYPE: esente silicone - silicon free Siliconfrei - sans silicone libre de

INOXPRES SILICONE FREE
B 10 16  CODE De mm L1 mm Z2 mm Z1 mm L2 mm g 189102015HT 15 x 1/2” x 15 34 25 13 40 90 1 189102018HT 18 x 1/2” x 18 37 27 16 42 101 1 189102022HT 22 x 1/2” x 22 39 29 18 44 138 1 189304022HT 22 x 3/4” x 22 39 31 18 47 143 1 189102028HT 28 x 1/2” x 28 44 32 21 47 169 1 189304028HT 28 x 3/4” x 28 44 33 21 50 185 1 189100035HT 35 x 1” x 35 51 28 22 47 250 1 189100042HT 42 x 1” x 42 59 41 29 60 346 1 189200054HT 54 x 2” x 54 70 55 34 81 838 1
B 10 16  CODE De mm L1 mm L2 mm Z1 mm Z2 mm g 192018015HT 18 x 15 x 18 36,5 41 15,5 21 80 1 192022018HT 22 x 18 x 22 39 44 18 23 98 1 192028022HT 28 x 22 x 28 44 47 21 26 135 1 192035022HT 35 x 22 x 35 51 51 25 30 167 1 192035028HT 35 x 28 x 35 51 54 25 31 171 1 192042028HT 42 x 28 x 42 59 57 29 34 243 1 192042035HT 42 x 35 x 42 59 61 29 35 272 1 192054035HT 54 x 35 x 54 70 68 34 42 361 1 192054042HT 54 x 42 x 54 70 72 34 42 376 1 91
silicona

183/000 HT

MANICOTTO

• COUPLING

• MUFFE

• MANCHON

• MANGUITO HH

MATERIAL: AISI 316L – 1.4404

O-RING: FKM verde - green - Grün - vertverde

TYPE: esente silicone - silicon free Siliconfrei - sans silicone libre de silicona

183/003 HT

TAPPO DI CHIUSURA

• STOP END

• VERSCHLUSSKAPPE

• BOUCHON D’OBTURATION

• TAPÓN

MATERIAL: AISI 316L – 1.4404

O-RING: FKM verde - green - Grün - vertverde

TYPE: esente silicone - silicon free Siliconfrei - sans silicone libre de silicona

INOXPRES SILICONE FREE
B 10 16  CODE De mm L mm Z mm g 183015000HT 15 49 9 35 1 183018000HT 18 50 10 42 1 183022000HT 22 53 11 54 1 183028000HT 28 56 10 71 1 183035000HT 35 63 10 97 1 183042000HT 42 72 12 136 1 183054000HT 54 83 13 198 1
B 10 16  CODE De mm L mm L1 mm g 183015003HT 15 44 24 32 1 183018003HT 18 44 24 38 1 183022003HT 22 45 24 51 1 183028003HT 28 48 25 68 1 183035003HT 35 52 26 95 1 183042003HT 42 56 26 126 1 183054003HT 54 62 27 185 1 92

187 HT

MANICOTTO MISTO FILETTO M

• MALE ADAPTER

• ÜBERGANGSSTÜCK MIT AG

• RACCORD AVEC FILETAGE MALE

• UNIÓN MACHO

MATERIAL: AISI 316L – 1.4404

O-RING: FKM verde - green - Grün - vertverde

TYPE: esente silicone - silicon free Siliconfrei - sans silicone libre de silicona

THREAD: EN 10226-1 (ex ISO 7/1)

190 HT

MANICOTTO MISTO FILETTO F

• FEMALE ADAPTER

• ÜBERGANGSSTÜCK MIT IG

• RACCORD AVEC FILETAGE FEMELLE

• UNIÓN HEMBRA

MATERIAL: AISI 316L – 1.4404

O-RING: FKM verde - green - Grün - vertverde

TYPE: esente silicone - silicon free Siliconfrei - sans silicone libre de silicona

THREAD: EN 10226-1 (ex ISO 7/1)

INOXPRES SILICONE FREE
B 10 16  CODE De x R mm x inch L mm Z mm Y mm g 187102015HT 15 x 1/2” 41 24 21 54 1 187102018HT 18 x 1/2” 41 27 21 58 1 187102022HT 22 x 1/2” 42 32 21 83 1 187304022HT 22 x 3/4” 44 32 23 89 1 187100022HT 22 x 1” 46 36 25 154 1 187304028HT 28 x 3/4” 47 38 24 114 1 187100028HT 28 x 1” 48 38 25 123 1 187114035HT 35 x 1”1/4 55 46 28 180 1 187112042HT 42 x 1”1/2 59 55 28 236 1 187200054HT 54 x 2” 71 65 35 362 1
B 10 16  CODE De x Rp mm x inch L mm Z mm Y mm g 190102015HT 15 x 1/2” 38 27 2 64 1 190102018HT 18 x 1/2” 38 27 2 89 1 190304022HT 22 x 3/4” 40 32 2 82 1 190304028HT 28 x 3/4” 42 38 2 130 1 190100028HT 28 x 1” 45 41 2 158 1 190114035HT 35 x 1”1/4 52 46 2 170 1 190112042HT 42 x 1”1/2 56 55 2 243 1 190200054HT 54 x 2” 65 65 2 314 1 93

191 HT

RIDUZIONE MF

• REDUCER

• REDUZIERSTÜCK

• REDUCTION

• REDUCCIÓN MH

MATERIAL: AISI 316L – 1.4404

O-RING: FKM verde - green - Grün - vertverde

TYPE: esente silicone - silicon free Siliconfrei - sans silicone libre de silicona

193/000 HT

MANICOTTO FLANGIATO

• ÜBERGANGSFLANSCH

MATERIAL: AISI 316L – 1.4404

O-RING: FKM verde - green - Grün - vertverde

TYPE: esente silicone - silicon free Siliconfrei - sans silicone libre de silicona

INOXPRES SILICONE FREE
B 10 16  CODE De mm L mm Z mm g 191018015HT 18 x 15 57 37 35 1 191022018HT 22 x 18 60 60 47 1 191028015HT 28 x 15 56,5 76,5 50 1 191028022HT 28 x 22 65 44 66 1 191035028HT 35 x 28 71 48 98 1 191042035HT 42 x 35 81 55 138 1 191054042HT 54 x 42 97,5 67,5 210 1
16
PN
• ADAPTOR FLANGE
RACCORDEMENT
BRIDE DE
ADAPTADOR
BRIDA
B 10 16  CODE De mm DN flg H mm Z mm B mm D mm D2 mm Holes Nr. K mm g 193015000HT 15 15 55 35 14 95 14 4 65 660 1 193018000HT 18 15 55,5 35,5 14 95 14 4 65 660 1 193022000HT 22 20 58,5 37,5 16 105 14 4 75 945 1 193028000HT 28 25 61,5 38,5 16 115 14 4 85 1140 1 193035000HT 35 32 65,5 39,5 16 140 18 4 100 1640 1 193042000HT 42 40 69 39 16 150 18 4 110 1800 1 193054000HT 54 50 78 42 18 165 18 4 125 2450 1 94

Applicazioni industriali O-ring FKM verde

Aria compressa

Ossigeno industriale O2 (no alimentare/ospedaliero)

Ozono O3

Solare termico P max 6 bar; T max 220°C

Olio / Gasolio

Utilizzare solo tubazioni “ricotte”. Eventuali altre veicolazioni di fluidi particolari, devono essere valutate dall’ufficio tecnico di RM.

199 HT

COMPENSATORE DI DILATAZIONE

• EXPANSION COMPENSATOR

• WELLENKOMPENSATOR

• COMPENSATEUR D’EXPANSION

• DILATADOR

MATERIAL: AISI 316L – 1.4404

O-RING: FKM verde - green - Grün - vertverde

TYPE: esente silicone - silicon free Siliconfrei - sans silicone libre de silicona

NOTE: * ΔL max: 1000 Cicli - 1000 Abläufe 1000 Cycles -1000 Cycles 1000 Ciclos

Industrial applications Green FKM O-Ring

Compressed air

Industrial Oxygen O2 (no food/hospital)

Ozone O3

Thermal solar P max 6 bar; T max 220°C

Oil/diesel fuel

Only “annealed” pipes can be used. Any other vehiculation of special fluids, must be evaluated from RM technical office.

Gamma dimensionale / Product range ø 15 ÷ 54 mm

A richiesta / On demand ø 76,1 ÷ 108 mm

Altre figure possono essere fornite “a richiesta”

Other figures can be provided “on demand”

Andere Bilder kann “auf Anfrage” vorgesehen sein

D’autres figures peuvent être fournis “sur demande”

Otras figuras pueden ser proporcionadas “bajo demanda”

INOXPRES SILICONE FREE
B 10 16  CODE De mm L mm ΔL* mm Z mm A mm g 199015000HT 15 139 16 71 23 80 1 199018000HT 18 143 18 74 28 108 1 199022000HT 22 139 20 68 34 130 1 199028000HT 28 150 22 73 41 155 1 199035000HT 35 177 26 90 52 251 1 199042000HT 42 202 32 107 62 440 1 199054000HT 54 221 36 113 72 550 1
95

Campi di applicazione / Fields of application

STEAM

Vapore saturo Saturated steam

Max 7 bar / 165°C

O-ring STEAM

Bianco | White | Weiß | Blanc | Blanco

116/200 6 m

Mat. Nr.: 1.4404 (AISI 316L) L=6 m

Crudo - Not annealed - Ungeglüht - Non-hypertrempé - Crudo

INOXPRES STEAM
PER VAPORE SATURO • PIPE FOR SATURATED STEAM • ROHR FÜR SATTDAMPF • TUBE POUR VAPEUR SATURÉE • TUBO PARA VAPOR SATURADO NORM: EN 10217-7 (DIN 17455) - EN 10312  B 30 31
TUBO
CODE Dimensions mm x mm Ø int mm L m kg/m Volume l/m Minimum package m Bundle m 116015200 15 x 1,0 13 6 0,351 0,133 60 1014 116018200 18 x 1,0 16 6 0,426 0,201 60 1014 116022200 22 x 1,2 19,6 6 0,625 0,302 60 762 116028200 28 x 1,2 25,6 6 0,805 0,514 30 546 116035200 35 x 1,5 32 6 1,258 0,804 30 546 116042200 42 x 1,5 39 6 1,521 1,194 30 366 116054200 54 x 1,5 51 6 1,972 2,042 30 366 96

116/300 6 m

Mat. Nr.: 1.4404 (AISI 316L) L=6 m

Ricotto - Annealed - Geglüht - Hypertrempé - Recocido

114/200 6 m

TUBO

Crudo - Not annealed - Ungeglüht - Non-hypertrempé - Crudo

INOXPRES STEAM
VAPORE SATURO
TUBO PER
PIPE FOR SATURATED STEAM
ROHR FÜR SATTDAMPF
TUBE POUR VAPEUR SATURÉE
TUBO PARA VAPOR SATURADO NORM: EN 10217-7 (DIN 17455) - EN 10312  B 30 31
CODE Dimensions mm x mm Ø int mm L m kg/m Volume l/m Minimum package m Bundle m 116015300 15 x 1,0 13 6 0,351 0,133 60 1014 116018300 18 x 1,0 16 6 0,426 0,201 60 1014 116022300 22 x 1,2 19,6 6 0,625 0,302 60 762 116028300 28 x 1,2 25,6 6 0,805 0,514 30 546 116035300 35 x 1,5 32 6 1,258 0,804 30 546 116042300 42 x 1,5 39 6 1,521 1,194 30 366 116054300 54 x 1,5 51 6 1,972 2,042 30 366
PER VAPORE SATURO
PIPE FOR SATURATED STEAM • ROHR FÜR SATTDAMPF • TUBE POUR VAPEUR SATURÉE • TUBO PARA VAPOR SATURADO NORM: EN 10217-7 (DIN 17455)  B 30 34  Mat. Nr.: 1.4301 (AISI 304)
L=6 m
CODE Dimensions mm x mm Ø int mm L m kg/m Volume l/m Minimum package m Bundle m 114015200 15 x 1,0 13 6 0,351 0,133 60 1014 114018200 18 x 1,0 16 6 0,426 0,201 60 1014 114022200 22 x 1,2 19,6 6 0,625 0,302 60 762 114028200 28 x 1,2 25,6 6 0,805 0,514 30 546 114035200 35 x 1,5 32 6 1,258 0,804 30 546 114042200 42 x 1,5 39 6 1,521 1,194 30 366 114054200 54 x 1,5 51 6 1,972 2,042 30 366 97

181/450 ST

CURVA 45° FF

• 45° ELBOW FF

• BOGEN 45° II

• COUDE FF 45°

• CURVA 45° HH

MATERIAL: AISI 316L – 1.4404

O-RING: STEAM bianco - white - Weiß blanc - blanco

TYPE: vapore saturo - saturated steam

Sattdampf - vapeur saturée

181/451 ST

CURVA 45° MF

• 45° ELBOW MF

• BOGEN 45° IA

• COUDE MF 45°

• CURVA 45° HM

MATERIAL: AISI 316L – 1.4404

O-RING: STEAM bianco - white - Weiß blanc - blanco

TYPE: vapore saturo - saturated steam

Sattdampf - vapeur saturée vapor saturado P max 7 bar - T max 165°C

INOXPRES STEAM
vapor saturado P max 7 bar - T max 165°C  B 10 15  CODE De mm L mm Z mm g 181015450ST 15 36 16 50 1 181018450ST 18 37 17 64 1 181022450ST 22 41 20 82 1 181028450ST 28 47 24 112 1 181035450ST 35 43 17 127 1 181042450ST 42 51 21 177 1 181054450ST 54 62 30 273 1
B 10 15  CODE De mm L mm H mm Z mm g 181015451ST 15 36 49 16 50 1 181018451ST 18 37 43 17 64 1 181022451ST 22 41 48 20 82 1 181028451ST 28 47 54,5 22 112 1 181035451ST 35 43 57,5 17 132 1 181042451ST 42 51 72 21 196 1 181054451ST 54 62 82 26 296 1 98

181/900 ST

CURVA 90° FF

• 90° ELBOW FF

• BOGEN 90° II

• COUDE FF 90°

• CURVA 90° HH

MATERIAL: AISI 316L – 1.4404

O-RING: STEAM bianco - white - Weiß blanc - blanco

TYPE: vapore saturo - saturated steam

Sattdampf - vapeur saturée

181/901 ST

CURVA 90° MF

• 90° ELBOW MF

• BOGEN 90° IA

• COUDE MF 90°

• CURVA 90° HM

MATERIAL: AISI 316L – 1.4404

O-RING: STEAM bianco - white - Weiß blanc - blanco

TYPE: vapore saturo - saturated steam

Sattdampf - vapeur saturée

saturado P max 7 bar - T max 165°C

INOXPRES STEAM
vapor saturado
max 7 bar - T max 165°C  B 10 15  CODE De mm L mm Z mm g 181015900ST 15 50 30 58 1 181018900ST 18 54 34 72 1 181022900ST 22 60 39 102 1 181028900ST 28 73 50 143 1 181035900ST 35 68 42 162 1 181042900ST 42 80 50 231 1 181054900ST 54 100 64 367 1
P
B 10 15  CODE De mm L mm H mm Z mm g 181015901ST 15 50 63 30 58 1 181018901ST 18 54 63 34 72 1 181022901ST 22 60 71 39 102 1 181028901ST 28 73 81 50 143 1 181035901ST 35 68 82 42 176 1 181042901ST 42 80 101 50 253 1 181054901ST 54 100 120 64 390 1 99
vapor

182 ST

“T”

• EQUAL TEE

• T-STÜCK

• TÉ ÉGAL

• TE IGUAL HHH

MATERIAL: AISI 316L – 1.4404

O-RING: STEAM bianco - white - Weiß blanc - blanco

TYPE: vapore saturo - saturated steam

Sattdampf - vapeur saturée vapor saturado

P max 7 bar -

max 165°C

189 ST

“T” CON DERIVAZIONE FILETTO F

• BRANCH TEE FEMALE BSP OUTLET

• T-STÜCK MIT ABGANG IG

• TÉ MIXTE AVEC FILETAGE F

• TE HEMBRA ROSCADA

MATERIAL: AISI 316L – 1.4404

O-RING: STEAM bianco - white - Weiß blanc - blanco

TYPE: vapore saturo - saturated steam

Sattdampf - vapeur saturée vapor saturado

P max 7 bar - T max 165°C

THREAD: EN 10226-1 (ex ISO 7/1)

INOXPRES STEAM
B 10 15  CODE De mm Z1 mm Z2 mm L1 mm L2 mm g 182015000ST 15 14 19 34 39 67 1 182018000ST 18 16 21 37 41 80 1 182022000ST 22 18 24 39 45 106 1 182028000ST 28 21 27 44 50 145 1 182035000ST 35 25 31 51 57 201 1 182042000ST 42 28 35 59 65 260 1 182054000ST 54 34 42 70 77 404 1
T
B 10 15  CODE De x Rp x De mm x inch x mm L1 mm L2 mm Z1 mm Z2 mm g 189102015ST 15 x 1/2” x 15 34 40 13 25 90 1 189102018ST 18 x 1/2” x 18 37 42 16 27 101 1 189102022ST 22 x 1/2” x 22 39 44 18 29 138 1 189304022ST 22 x 3/4” x 22 39 47 18 31 143 1 189102028ST 28 x 1/2” x 28 44 47 21 32 169 1 189304028ST 28 x 3/4” x 28 44 50 21 33 185 1 189100035ST 35 x 1” x 35 51 47 22 28 250 1 189100042ST 42 x 1” x 42 59 60 29 41 346 1 189200054ST 54 x 2” x 54 70 81 34 55 838 1 100

192 ST

“T” RIDOTTO

• REDUCING TEE

• T-STÜCK MIT REDUZIERTEM ABGANG

• TÉ RÉDUIT

• TE REDUCIDA HHH

MATERIAL: AISI 316L – 1.4404

O-RING: STEAM bianco - white - Weiß blanc - blanco

TYPE: vapore saturo - saturated steam

- vapeur saturée

183/000 ST

MANICOTTO

• COUPLING

• MUFFE

• MANCHON

• MANGUITO HH

MATERIAL: AISI 316L – 1.4404

O-RING: STEAM bianco - white - Weiß blanc - blanco

TYPE: vapore saturo - saturated steam

- vapeur saturée

INOXPRES STEAM
vapor saturado P max 7 bar - T max 165°C  B 10 15  CODE De mm L1 mm L2 mm Z1 mm Z2 mm g 192018015ST 18 x 15 x 18 36,5 41 15,5 21 80 1 192022018ST 22 x 18 x 22 39 43 18 23 95 1 192028022ST 28 x 22 x 28 44 47 21 26 135 1 192035022ST 35 x 22 x 35 51 51 25 30 167 1 192035028ST 35 x 28 x 35 51 54 25 31 171 1 192042028ST 42 x 28 x 42 59 57 29 34 243 1 192042035ST 42 x 35 x 42 59 61 29 35 272 1 192054035ST 54 x 35 x 54 70 68 34 42 361 1 192054042ST 54 x 42 x 54 70 72 34 42 376 1
Sattdampf
vapor saturado P max 7 bar
T max 165°C  B 10 15  CODE De mm L mm Z mm g 183015000ST 15 49 9 35 1 183018000ST 18 50 10 42 1 183022000ST 22 53 11 54 1 183028000ST 28 56 10 71 1 183035000ST 35 63 10 97 1 183042000ST 42 72 12 136 1 183054000ST 54 83 13 198 1 101
Sattdampf
-

183/003 ST

TAPPO DI CHIUSURA

• STOP END

• VERSCHLUSSKAPPE

• BOUCHON D’OBTURATION

• TAPÓN

MATERIAL: AISI 316L – 1.4404

O-RING: STEAM bianco - white - Weiß blanc - blanco

TYPE: vapore saturo - saturated steam

Sattdampf - vapeur saturée vapor saturado

187 ST

MANICOTTO MISTO FILETTO M

• MALE ADAPTER

• ÜBERGANGSSTÜCK MIT AG

• RACCORD AVEC FILETAGE MALE

• UNIÓN MACHO

MATERIAL: AISI 316L – 1.4404

O-RING: STEAM bianco - white - Weiß blanc - blanco

TYPE: vapore saturo - saturated steam

Sattdampf - vapeur saturée vapor saturado

P max 7 bar - T max 165°C

THREAD: EN 10226-1 (ex ISO 7/1)

INOXPRES STEAM
B 10 15  CODE De mm L mm L1 mm g 183015003ST 15 44 24 32 1 183018003ST 18 44 24 38 1 183022003ST 22 45 24 51 1 183028003ST 28 48 25 68 1 183035003ST 35 52 26 95 1 183042003ST 42 56 26 126 1 183054003ST 54 62 27 185 1
P max 7 bar - T max 165°C
B 10 15  CODE De x R mm x inch L mm Z mm Y mm g 187102015ST 15 x 1/2” 41 24 21 54 1 187102018ST 18 x 1/2” 41 27 21 58 1 187102022ST 22 x 1/2” 42 32 21 83 1 187304022ST 22 x 3/4” 44 32 23 89 1 187100022ST 22 x 1” 46 36 25 154 1 187304028ST 28 x 3/4” 47 38 24 114 1 187100028ST 28 x 1” 48 38 25 123 1 187114035ST 35 x 1”1/4 55 46 28 180 1 187112042ST 42 x 1”1/2 59 55 28 236 1 187200054ST 54 x 2” 71 65 35 362 1 102

190 ST

MANICOTTO MISTO FILETTO F

• FEMALE ADAPTER

• ÜBERGANGSSTÜCK MIT IG

• RACCORD AVEC FILETAGE FEMELLE

• UNIÓN HEMBRA

MATERIAL: AISI 316L – 1.4404

O-RING: STEAM bianco - white - Weiß blanc - blanco

TYPE: vapore saturo - saturated steam

Sattdampf - vapeur saturée

191 ST

RIDUZIONE MF

• REDUCER

• REDUZIERSTÜCK

• REDUCTION

• REDUCCIÓN MH

MATERIAL: AISI 316L – 1.4404

O-RING: STEAM bianco - white - Weiß blanc - blanco

TYPE: vapore saturo - saturated steam

- vapeur saturée

INOXPRES STEAM
vapor saturado
7 bar
T max 165°C
P max
-
ISO 7/1)  B 10 15  CODE De x Rp mm x inch L mm Z mm Y mm g 190102015ST 15 x 1/2” 38 27 2 64 1 190102018ST 18 x 1/2” 38 27 2 89 1 190304022ST 22 x 3/4” 40 32 2 82 1 190304028ST 28 x 3/4” 42 38 2 130 1 190100028ST 28 x 1” 45 41 2 158 1 190114035ST 35 x 1”1/4 52 46 2 170 1 190112042ST 42 x 1”1/2 56 55 2 243 1 190200054ST 54 x 2” 65 65 2 314 1
THREAD: EN 10226-1 (ex
Sattdampf
vapor saturado P max 7 bar - T max 165°C  B 10 15  CODE De mm L mm Z mm g 191018015ST 18 x 15 57 37 35 1 191022018ST 22 x 18 60 40 47 1 191028022ST 28 x 22 65 44 66 1 191035028ST 35 x 28 71 48 98 1 191042035ST 42 x 35 81 55 138 1 191054042ST 54 x 42 97,5 67,5 210 1 103

191/E ST

RIDUZIONE ECCENTRICA

• ECCENTRIC REDUCER

• REDUZIERSTÜCK EXZENTRISCH

• RÉDUCTION EXCENTRIQUE

• REDUCCIÓN EXCÉNTRICA

MATERIAL: AISI 316L – 1.4404

O-RING: STEAM bianco - white - Weiß blanc - blanco

TYPE: vapore saturo - saturated steam

- vapeur saturée

193/000 ST

MANICOTTO FLANGIATO

• ADAPTOR FLANGE

• ÜBERGANGSFLANSCH

• BRIDE DE RACCORDEMENT

• BRIDA ADAPTADOR

MATERIAL: AISI 316L – 1.4404

O-RING: STEAM bianco - white - Weiß blanc - blanco

TYPE: vapore saturo - saturated steam

- vapeur saturée

TUBO PER DERIVAZIONE VAPORE SATURO

INOXPRES STEAM
Sattdampf
vapor saturado P max 7 bar - T max 165°C  B 10 15  CODE De mm L mm Z mm H mm g 191042028EST 42 x 28 101,5 78,5 6 140 1 191054028EST 54 x 28 123,5 100,5 12 206 1 191054035EST 54 x 35 127 101,5 8,5 224 1 PN 16
vapor saturado P max 7
B 10 15  CODE De mm DN flg H mm Z mm B mm D mm D2 mm Holes Nr. K mm g 193015000ST 15 15 55 35 14 95 14 4 65 660 1 193018000ST 18 15 55,5 35,5 14 95 14 4 65 660 1 193022000ST 22 20 58,5 37,5 16 105 14 4 75 945 1 193028000ST 28 25 61,5 38,5 16 115 14 4 85 1140 1 193035000ST 35 32 65,5 39,5 16 140 18 4 100 1640 1 193042000ST 42 40 69 39 16 150 18 4 110 1800 1 193054000ST 54 50 78 42 18 165 18 4 125 2450 1 178
Sattdampf
bar - T max 165°C
• PIPE FOR SATURATED STEAM BYPASS • ROHR FÜR SATTDAMPF-BYPASS • TUBE POUR DÉRIVATION VAPEUR SATURÉE • TUBO PARA DERIVACIÓN DE VAPOR SATURADO MATERIAL: AISI 316L – 1.4404  B 10 11  CODE De mm L1 mm L2 mm Z1 mm Z2 mm R mm g 178015316 15 30 30 96 114 35 143 1 20 178018316 18 50 35 108 112 39 195 1 20 178022316 22 50 35 110 110 41 359 1 20 178028316 28 60 40 139 113 51 550 1 15 104

Applicazioni industriali O-Ring STEAM bianco

Vapore saturo P max 7 bar; T max 165°C

Eventuali altre veicolazioni di fluidi particolari, devono essere valutate dall’ufficio tecnico di RM.

Industrial applications White STEAM O - ring

Saturated steam P max 7 bar; T max 165°C

Any other vehiculation of specialfluids, must be evaluated from RM technical office.

Altre figure possono essere fornite “a richiesta”

Other figures can be provided “on demand”

Andere Bilder kann “auf Anfrage” vorgesehen sein

D’autres figures peuvent être fournis “sur demande”

Otras figuras pueden ser proporcionadas “bajo demanda”

INOXPRES STEAM
Gamma dimensionale / Product range ø 15 ÷ 54 mm A richiesta / On demand ø 76,1 ÷ 108 mm
105

Certificazioni / Certifications

Campi di applicazione / Fields of application

PRESSARE
Systems
Pressfittingsysteme
Sistema
prensar SYSTÈMES DE CANALISATIONS DE DISTRIBUTION D’EAU - SYSTÈME STEELPRES A-42/2017 Ø 15 – 108 mm TUBE FITTINGS - STEELPRES TAP000017J Ø 15 – 108 mm STEELPRES PRESSFITTINGSYSTEM POCC IT.MH08.H26536Ø 15 – 108 mm HORGANYZOTT ACÉL CSÖVEK ÉS PRÉSIDOMOK STEELPRES PVC BEVONATOS HORGANYZOTT ACÉL CSÖVEK A-42/2017 Ø 15 – 108 mm LACZNIKI ZAPRASOWYWANE ZE STALI SYSTEMU INOXPRES I STEELPRES DO LACZENIA RUR ZE STALI AT-15-7863/2014Ø 15 – 108 mm RURY I KSZTAŁTKI DN 20 DO DN 50, ZE STALI WĘGLOWEJ OCYNKOWANEJ, SYSTEM STEELPRES AT-1106-0269/2010/2015 Ø 22 – 54 mm SYSTEM OF STEEL PIPES AND STEEL COMPRESSION FITTINGS STEELPRES 202/C5/2017/B-30-00186-17 Ø 15 – 108 mm SYSTÉM OCEL’OVYCH RÚR A OCEL’OVYCH LISOVACÍCH TVAROVIEK STEELPRES 0026/104/2011Ø 15 – 108 mm STEELPRES, PIPING SYSTEM AND FITTING 15-GE1329696-PDAØ 15 – 108 mm
SISTEMI DI RACCORDI A
Press Fitting
• Systèmes de raccords a sertir •
de accesorios para
Ø 15 – 108 mm ML 16T00012 STEELPRES, MECHANICAL JOINTS
Riscaldamento Heating Raffrescamento Cooling Antincendio Fire protection systems Aria compressa Compressed air Solare termico con O-Ring FKM Solar thermal with FKM O-Ring O -ri n g EP D M Nero | Black | Schwarz | Noir | Negro 106

Mat. Nr.: 1.0215 (E 220 CR2S4) L=6 m

Raccomandato per impianti di riscaldamento

Recommended for heating installation

Empfehlt fuer Heizunagsanlagen

SISTEMI DI RACCORDI A PRESSARE Press Fitting Systems • Pressfittingsysteme • Systèmes de raccords a sertir • Sistema de accesorios para prensar
ZINCATO ESTERNAMENTE • OUTSIDE GALVANIZED • AUSSEN VERZINKT • GALVANISÉS EXTÉRIEUR • GALVANIZADO EXTERIOR NORM: EN 10305-3 ≤54  B 40 41  76÷108  B 40 42
316/005
CODE Dimensions mm x mm Ø int mm L m kg/m Volume l/m Minimum package m Bundle m 316012005 12 x 1,2 9,6 6 0,320 0,072 150 1014 316015005 15 x 1,2 12,6 6 0,408 0,125 120 1014 316018005 18 x 1,2 15,6 6 0,497 0,191 90 1014 316022005 22 x 1,5 19 6 0,824 0,284 60 762 316028005 28 x 1,5 25 6 1,052 0,491 60 546 316035005 35 x 1,5 32 6 1,320 0,804 30 546 316042005 42 x 1,5 39 6 1,620 1,194 30 366 316054005 54 x 1,5 51 6 2,089 2,042 30 366 316076005 76,1 x 2,0 72,1 6 3,652 4,080 12 114 316088005 88,9 x 2,0 84,9 6 4,290 5,660 12 114 316108005 108 x 2,0 104 6 5,230 8,490 6 114
Recommandé pour installations de chauffage Recomendado para instalaciones de calefacción 107

316/003

ZINCATO ESTERNAMENTE CON RIVESTIMENTO IN PP

• OUTSIDE GALVANIZED WITH PP-COATING

• AUSSEN VERZINKT MIT PP-UMMANTELUNG

• GALVANISÉS EXTÉRIEUR AVEC REVÊTEMENT PP

• GALVANIZADO EXTERIOR, REVESTIMIENTO DE PP

Mat. Nr.: 1.0215 (E 220 CR2S4) + PP L=6 m

polipropilene: 1 mm Polypropylene thickness: 1 mm Dicken plypropylen: 1 mm

d’épaisseur: 1 mm

de espesor: 1 mm

Raccomandato per impianti di raffrescamento

Recommended for cooling installation

Empfehlt fuer Kuehlungsanlagen

Recommandé pour installations de refroidissement

Recomendado para instalaciones de refrigeracion

DI RACCORDI
PRESSARE
Systems • Pressfittingsysteme •
SISTEMI
A
Press Fitting
Systèmes de raccords a sertir • Sistema de accesorios para prensar
NORM:
≤54  B 40 44  76÷108  B 40 45
EN 10305-3
CODE Dimensions mm x mm Ø int mm L m kg/m Volume l/m Minimum package m Bundle m 316012003 12 x 1,2 9,6 6 0,358 0,072 150 1014 316015003 15 x 1,2 12,6 6 0,454 0,125 120 1014 316018003 18 x 1,2 15,6 6 0,552 0,191 90 1014 316022003 22 x 1,5 19 6 0,890 0,284 60 762 316028003 28 x 1,5 25 6 1,136 0,491 60 546 316035003 35 x 1,5 32 6 1,424 0,804 30 546 316042003 42 x 1,5 39 6 1,744 1,194 30 366 316054003 54 x 1,5 51 6 2,257 2,042 30 366 316076003 76,1 x 2,0 72,1 6 3,875 4,080 12 114 316088003 88,9 x 2,0 84,9 6 4,550 5,660 12 114 316108003 108 x 2,0 104 6 5,545 8,490 6 114 Spessore
Polypropylène
Polipropileno
108

316/002

Mat. Nr.: 1.0031 (E 190 CR2S4) L=6 m

Solo per impianti sprinkler ad umido. Only for wet sprinkler systems.

Nur für Sprinkler Nassleitungen.

Seulement pour système anti-incendie sprinkler humide.

Sólo para instalaciones Sprinkler en humedo.

SISTEMI DI RACCORDI A PRESSARE Press Fitting Systems • Pressfittingsysteme • Systèmes de raccords a sertir • Sistema de accesorios para prensar
ZINCATO INTERNAMENTE ED ESTERNAMENTE • INSIDE AND OUTSIDE GALVANIZED • INNEN UND AUSSEN VERZINKT • GALVANISÉS INTÉRIEUR ET EXTÉRIEUR • GALVANIZADO INTERIOR Y EXTERIOR NORM: EN 10305-3 ≤54  B 40 43  76÷108  B 40 46
CODE Dimensions mm x mm Ø int mm L m kg/m Volume l/m Minimum package m Bundle m 316022002 22 x 1,5 19 6 0,824 0,284 60 1770 316028002 28 x 1,5 25 6 1,052 0,491 60 1380 316035002 35 x 1,5 32 6 1,320 0,804 30 966 316042002 42 x 1,5 39 6 1,620 1,194 30 822 316054002 54 x 1,5 51 6 2,098 2,042 30 510 316076000 76,1 x 2,0 72,1 6 3,652 4,080 12 234 316088000 88,9 x 2,0 84,9 6 4,290 5,660 12 210 316108000 108 x 2,0 104 6 5,230 8,490 6 150
109

351

COLLARE PER TUBO STEELPRES

• CLAMP FOR STEELPRES PIPE

• ROHRSCHELLE FÜR STEELPRES ROHR

• COLLIER POUR TUBE STEELPRES

• ABRAZADERA PARA TUBO STEELPRES

MATERIAL: St. W 24

NOTE: dado saldato con puntatura elettrica spot welded nut

Art. 351150001 Rivestimento in gomma - With rubber gasket - Mit Gummieinlage - Isophonique - Junta de goma (*) unità minima di vendita/minimum selling quantity

DI RACCORDI A PRESSARE
Systems • Pressfittingsysteme • Systèmes
para
SISTEMI
Press Fitting
de raccords a sertir
Sistema de accesorios
prensar
Y 20 21  CODE Øi mm F lg x sp mm V mm g 351150001 15 20 x 2,5 M 6 x 20 60 2 50* 351308000 18 20 x 2,5 M 6 x 20 63 2 100* 351102000 22 20 x 2,5 M 6 x 20 65 2 100* 351304000 28 20 x 2,5 M 6 x 25 69 2 100* 351100000 35 20 x 2,5 M 6 x 25 78 2 100* 351114000 42 20 x 2,5 M 6 x 25 89 2 50* 351054000 54 20 x 2,5 M 6 x 25 100 2 50* 351212000 76,1 30 x 2,5 M 6 x 25 187 2 20* 351300000 88,9 30 x 2,5 M 6 x 25 215 2 20* 351108000 108 30 x 2,5 M 6 x 25 232 2 20*
110

381/450

CURVA 45° FF

• 45° ELBOW FF

• BOGEN 45° II

• COUDE FF 45°

• CURVA 45° HH

MATERIAL: E 195 - 1.0034

O-RING: EPDM nero - black - Schwarz - noirnegro

381/451

CURVA 45° MF

• 45° ELBOW MF

• BOGEN 45° IA

• COUDE MF 45°

• CURVA 45° HM

MATERIAL: E 195 - 1.0034

O-RING: EPDM nero - black - Schwarz - noirnegro

RACCORDI A PRESSARE Press Fitting Systems • Pressfittingsysteme • Systèmes de raccords a sertir • Sistema de accesorios para prensar
SISTEMI DI
≤54  B 20 21  76÷108  B 20 22  CODE De mm L mm Z mm g 381015450 15 27,5 7,5 37 20 400 381018450 18 29,5 9,5 45 20 300 381022450 22 32 11 59 20 200 381028450 28 37 14 87 10 100 381035450 35 43 17 124 10 60 381042450 42 51 21 175 4 40 381054450 54 62 30 282 2 20 381076450 76,1 131,5 76,5 910 2 2 381088450 88,9 144 84 1125 2 2 381108450 108 169 94 1620 2 2
≤54  B 20 21  76÷108  B 20 22  CODE De mm L mm H mm Z mm g 381015451 15 27,5 40 7,5 39 20 400 381018451 18 29,5 36 9,5 46 20 300 381022451 22 32 42 11 60 20 200 381028451 28 37 46 14 88 10 100 381035451 35 43 57 17 135 10 60 381042451 42 51 72 21 196 4 40 381054451 54 62 82 26 300 2 20 381076451 76,1 131,5 149 76,5 870 2 2 381088451 88,9 144 159 84 1365 2 2 381108451 108 169 199 94 1922 2 2 111

SISTEMI DI RACCORDI A PRESSARE

Press Fitting Systems • Pressfittingsysteme • Systèmes de raccords a sertir • Sistema de accesorios para prensar 381/900 CURVA

90° FF
90° ELBOW FF
BOGEN 90° II
COUDE FF 90° • CURVA 90° HH MATERIAL: E 195 - 1.0034 O-RING: EPDM nero - black - Schwarz - noirnegro ≤54  B 20 21  76÷108  B 20 22  CODE De mm L mm Z mm g 381012900 12 42 24 42 20 400 381015900 15 38 18 44 20 400 381018900 18 41,5 21,5 55 20 300 381022900 22 47 26 73 10 150 381028900 28 56 33 109 10 100 381035900 35 68 42 156 5 50 381042900 42 80 50 231 2 30 381054900 54 100 64 369 2 18 381076900 76,1 160 105 1150 2 2 381088900 88,9 182 122 1560 2 2 381108900 108 220 145 2250 2 2 381/901 CURVA 90° MF • 90° ELBOW MF • BOGEN 90° IA • COUDE MF 90° • CURVA 90° HM MATERIAL: E 195 - 1.0034 O-RING: EPDM nero - black - Schwarz - noirnegro ≤54  B 20 21  76÷108  B 20 22  CODE De mm L mm H mm Z mm g 381012901 12 42 48 24 46 20 400 381015901 15 38 48 18 44 20 400 381018901 18 41,5 48,5 21,5 56 20 300 381022901 22 47 57 26 77 10 150 381028901 28 56 64 33 113 10 100 381035901 35 68 82 42 174 5 50 381042901 42 80 101 50 235 2 30 381054901 54 100 120 64 385 2 18 381076901 76,1 160 180 105 1155 2 2 381088901 88,9 182 197 122 1585 2 2 381108901 108 220 236 145 2155 2 2 112

385

GOMITO MISTO 90° FILETTO M

• ELBOW ADAPTER 90° WITH MALE THREAD

• ÜBERGANGSWINKEL 90° AG

• EQUERRE 90° AVEC FILETAGE M

• CODO MACHO

MATERIAL: E 195 - 1.0034

O-RING: EPDM nero - black - Schwarz - noirnegro

THREAD: EN 10226-1 (ex ISO 7/1)

398

GOMITO MISTO 90° FILETTO F

• ELBOW ADAPTER 90° WITH FEMALE THREAD

• ÜBERGANGSWINKEL 90° IG

• EQUERRE 90° AVEC FILETAGE F

• CODO HEMBRA

MATERIAL: E 195 - 1.0034

O-RING: EPDM nero - black - Schwarz - noirnegro

THREAD: EN 10226-1 (ex ISO 7/1)

397

CURVA FILETTATA 90° FILETTO M

• 90° ELBOW MALE BSP

• BOGEN 90° MIT AG

• COUDE 90° AVEC FILETAGE M

• CODO A 90° MH

MATERIAL: E 195 - 1.0034

O-RING: EPDM nero - black - Schwarz - noirnegro

ISO 7/1)

SISTEMI DI RACCORDI A PRESSARE Press Fitting Systems • Pressfittingsysteme • Systèmes de raccords a sertir • Sistema de accesorios para prensar
B 20 21  CODE De x R mm x inch L mm H mm Z mm g 385308015 15 x 3/8” 36 21 16 90 20 200 385102015 15 x 1/2” 37 26 17 94 20 200 385102018 18 x 1/2” 37 26 17 105 20 200 385304022 22 x 3/4” 41 29 20 149 10 100
B 20 21  CODE De x Rp mm x inch L mm H mm Z mm Z1 mm g 398304022 22 x 3/4” 46 44 25 27 270 10 100 398102028 28 x 1/2” 49 42 26 27 300 10 50 398304028 28 x 3/4” 49 47 26 30 330 10 50
B 20 21  CODE De x R mm x inch L mm H mm Z mm Z1 mm g 397308012 12 x 3/8” 42 34 22 24 42 20 300 397308015 15 x 3/8” 50 47,5 21 30 65 20 300 397102015 15 x 1/2” 50 47 21 30 70 20 300 397102018 18 x 1/2” 54 52 24 34 90 20 200 397304022 22 x 3/4” 60 62 30 39 130 10 100 397100028 28 x 1” 73 74 36 50 192 10 50 397114035 35 x 1”1/4 68 80 46 42 262 5 40 397112042 42 x 1”1/2 80 98 60 50 413 2 20 397200054 54 x 2” 100 131,5 65 65 482 2 12 113
THREAD: EN 10226-1 (ex

NOLEAKS!MORE

For equal/reduced “T” up to 54 mm

The

1st

seamless Pressfitting Tee

in carbon steel and copper nickel

(

*):

382

“T”

• EQUAL TEE

• T-STÜCK

• TÉ ÉGAL

• TE IGUAL HHH

MATERIAL: E 195 - 1.0034

O-RING: EPDM nero - black - Schwarz - noirnegro

392/A

SISTEMI DI RACCORDI A PRESSARE
Press Fitting Systems • Pressfittingsysteme • Systèmes de raccords a sertir • Sistema de accesorios para prensar
≤54  B 20 21  76÷108  B 20 22  CODE De mm L1 mm L2 mm Z1 mm Z2 mm g 382012000 12 28 35 10 17 48 20 200 382015000* 15 32 32 10,5 10,5 72 20 200 382018000* 18 34 34 12,5 12,5 85 20 100 382022000* 22 37 37 14,5 14,5 116 20 100 382028000* 28 42 42 17, 5 17,5 173 10 50 382035000* 35 50 50 22, 5 22,5 240 4 32 382042000* 42 57 57 25,5 25,5 337 4 20 382054000* 54 69 69 32,5 32,5 473 2 12 382076000 76,1 108 118 52 63 1275 2 2 382088000 88,9 132 131 72 71 1535 2 2 382108000 108 155 159 74 84 2115 2 2
idroformato
hydroformed
hydrogeformt
hydroformé
hidroformado
-
-
-
-
TEE ALLARGATO • TEE OVERSIZE BRANCH • T-STÜCK MIT ERWEITERTEM ABGANG • TÉ AVEC SORTIE ÉVASÉE • TE CON SALIDA ENSANCHADA MATERIAL: E 195 - 1.0034 O-RING: EPDM nero - black - Schwarz - noirnegro  B 20 21  CODE De mm L1 mm L2 mm Z1 mm Z2 mm g 392012015 12 x 15 x 12 28 38 10 17 52 20 100 392015018 15 x 18 x 15 37 36 16 15 71 20 100 392015022 15 x 22 x 15 37 42 16 19 84 10 100 392018022 18 x 22 x 18 40 45 19 22 97 10 100 392022028 22 x 28 x 22 41 45 18 21 123 10 50 115

SISTEMI DI RACCORDI A PRESSARE

Press Fitting Systems • Pressfittingsysteme • Systèmes de raccords a sertir • Sistema de accesorios para prensar

392

“T” RIDOTTO

• REDUCING TEE

• T-STÜCK MIT REDUZIERTEM ABGANG

• TÉ RÉDUIT

• TE REDUCIDA HHH

E 195 - 1.0034 O-RING: EPDM nero - black - Schwarz -

negro

(*): idroformato - hydroformed - hydrogeformt - hydroformé - hidroformado

noir
≤54  B 20 21  76÷108  B 20 22  CODE De mm L1 mm L2 mm Z1 mm Z2 mm g 392015012 15 x 12 x 15 37 33 16 15 64 20 100 392018012 18 x 12 x 18 40 34 19 16 72 20 100 392018015* 18 x 15 x 18 34 35 12,5 13,5 83 20 100 392022012 22 x 12 x 22 41 36 18 18 94 10 100 392022015* 22 x 15 x 22 37 38 14,5 16,5 110 10 100 392022018* 22 x 18 x 22 37 38 14,5 16 112 10 100 392028015* 28 x 15 x 28 42 40,5 17,5 19 146 10 50 392028018* 28 x 18 x 28 42 40,5 17,5 19 150 10 50 392028022* 28 x 22 x 28 42 41 17,5 20 155 10 50 392035015 35 x 15 x 35 50 44 24 24 205 5 50 392035018* 35 x 18 x 35 50 44 24 24 191 5 50 392035022* 35 x 22 x 35 50 44 22,5 23 207 5 50 392035028* 35 x 28 x 35 50 44 22,5 19,5 213 5 35 392042022* 42 x 22 x 42 57 53 25,5 30,5 285 4 20 392042028* 42 x 28 x 42 57 56 25,5 38 295 4 20 392042035* 42 x 35 x 42 57 61 25,5 33,5 311 4 20 392054022* 54 x 22 x 54 69 59 32,5 36,5 420 2 16 392054028* 54 x 28 x 54 69 64 32,5 39,5 432 2 16 392054035* 54 x 35 x 54 69 67 32,5 39,5 443 2 16 392054042* 54 x 42 x 54 69 70 32,5 38,5 461 2 16 392076022 76,1 x 22 x 76,1 108 74 52 53 995 2 2 392076028 76,1 x 28 x 76,1 108 77 52 54 1015 2 2 392076035 76,1 x 35 x 76,1 108 80 52 54 1025 2 2 392076042 76,1 x 42 x 76,1 108 84 52 54 1045 2 2 392076054 76,1 x 54 x 76,1 108 90 52 55 1065 2 2 392088028 88,9 x 28 x 88,9 132 84 72 61 1365 2 2 392088035 88,9 x 35 x 88,9 132 88 72 62 1395 2 2 392088042 88,9 x 42 x 88,9 132 91 72 61 1425 2 2 392088054 88,9 x 54 x 88,9 132 97 72 62 1455 2 2 392088076 88,9 x 76,1 x 88,9 132 125 72 70 1485 2 2 392108028 108 x 28 x 108 155 94 74 71 1815 2 2 392108035 108 x 35 x 108 155 97 74 71 1845 2 2 392108042 108 x 42 x 108 155 101 74 71 1875 2 2 392108054 108 x 54 x 108 155 107 74 72 1905 2 2 392108076 108 x 76 x 108 155 135 74 80 1935 2 2 392108088 108 x 88,9 x 108 155 141 74 81 1965 2 2
MATERIAL:
116

389

“T” CON DERIVAZIONE FILETTO F

• BRANCH TEE FEMALE BSP OUTLET

• T-STÜCK MIT ABGANG IG

• TÉ MIXTE AVEC FILETAGE F

• TE HEMBRA ROSCADA

MATERIAL: E 195 - 1.0034

O-RING: EPDM nero - black - Schwarz - noirnegro

THREAD: EN 10226-1 (ex ISO 7/1)

PRESSARE
Fitting Systems • Pressfittingsysteme • Systèmes de
• Sistema de
prensar
SISTEMI DI RACCORDI A
Press
raccords a sertir
accesorios para
≤54  B
21  76÷108  B 20 22  CODE De x Rp x De mm x inch x mm L1 mm L2 mm Z1 mm Z2 mm g 389102015 15 x 1/2” x 15 35 36 14 21 72 20 100 389102018 18 x 1/2” x 18 37 38 16 23 91 20 100 389102022 22 x 1/2” x 22 39 39 18 24 128 10 100 389304022 22 x 3/4” x 22 39 44 18 28 133 10 100 389102028 28 x 1/2” x 28 44 42 21 27 158 10 50 389304028 28 x 3/4” x 28 44 47 21 30 161 10 50 389100028 28 x 1” x 28 44 53 21 34 246 5 50 389102035 35 x 1/2” x 35 51 45 25 30 200 5 50 389304035 35 x 3/4” x 35 51 50 25 34 191 5 40 389100035 35 x 1” x 35 51 56 25 37 250 5 40 389102042 42 x 1/2” x 42 59 49 28 34 255 4 32 389304042 42 x 3/4” x 42 59 54 28 37 255 4 32 389102054 54 x 1/2” x 54 70 56 34 41 300 2 14 389304054 54 x 3/4” x 54 70 61 34 45 353 2 14 389102076 76,1 x 1/2” x 76,1 108 68 52 53 1040 2 2 389304076 76,1 x 3/4” x 76,1 108 77 52 60 1040 2 2 389102088 88,9 x 1/2” x 88,9 132 76 72 61 1255 2 2 389304088 88,9 x 3/4” x 88,9 132 84 72 68 1255 2 2 389102108 108 x 1/2” x 108 155 85 74 70 1700 2 2 389304108 108 x 3/4” x 108 155 94 74 77 1700 2 2 117
20

SISTEMI DI RACCORDI A PRESSARE

Press Fitting Systems • Pressfittingsysteme • Systèmes de raccords a sertir • Sistema de accesorios para prensar

383/000 MANICOTTO • COUPLING • MUFFE • MANCHON • MANGUITO HH MATERIAL: E 195 - 1.0034 O-RING: EPDM nero - black - Schwarz - noirnegro ≤54  B 20 21  76÷108  B 20 22  CODE De mm L mm Z mm g 383012000 12 42 6 25 20 500 383015000 15 49 9 33 20 500 383018000 18 50 10 40 20 300 383022000 22 53 11 52 20 200 383028000 28 56 10 69 10 150 383035000 35 63 10 90 10 100 383042000 42 72 12 127 4 60 383054000 54 83 13 189 2 24 383076000 76,1 142 32 635 4 4 383088000 88,9 166 46 765 4 4 383108000 108 203 41 1170 2 2 383/001 MANICOTTO PASSANTE • SLIP COUPLING • SCHIEBEMUFFE • MANCHON LONG • MANGUITO SIN TOPE MATERIAL: E 195 - 1.0034 O-RING: EPDM nero - black - Schwarz - noirnegro ≤54  B 20 21  76÷108  B 20 22  CODE De mm L mm es mm g 383012001 12 56 22 42 20 500 383015001 15 69 25 56 20 200 383018001 18 73 25 65 20 200 383022001 22 79 25 85 20 100 383028001 28 88,5 30 118 10 100 383035001 35 102,5 30 141 10 50 383042001 42 117,5 40 234 4 40 383054001 54 139 40 321 4 20 383076001 76,1 230 60 940 2 2 383088001 88,9 260 70 1240 2 2 383108001 108 310 80 1835 2 2 118

383/002

MANICOTTO CON DADO FOLLE

• VALVE CONNECTOR

• ANSCHLUSSVERSCHRAUBUNG

• RACCORD ÉCROU LIBRE

• RÁCOR DOS PIEZAS

MATERIAL: E 195 - 1.0034

O-RING: EPDM nero - black - Schwarz - noirnegro

GASKET: (*): EPDM nero - black - Schwarznoir - negro

THREAD: ISO 228/1 (ex DIN 259)

SISTEMI DI RACCORDI A PRESSARE Press Fitting Systems • Pressfittingsysteme • Systèmes de raccords a sertir • Sistema de accesorios para prensar
B 20 21  CODE De x G mm x inch L mm Z mm Y mm Gasket mm g 383015002 15 x 3/4” 37 30 10 24x14 thk 2,5 60 10 250 383018002 18 x 3/4” 37 30 10 24x14 thk 2,5 68 10 250 383022012 22 x 3/4” 54 30 25 24x14 thk 2,5 103 10 200 383022002 22 x 1” 40 36 10 30x20 thk 2,5 86 10 200 383022022 22 x 1”1/2 42,5 55 14 44,5x30 thk 2,5 305 10 80 383028012 28 x 1” 58 36 27 30x20 thk 2,5 142 10 150 383028002 28 x 1”1/4 47 46 14 39x27 thk 2,5 136 10 150 383028022 28 x 1”1/2 48 55 14 44,5x30 thk 2,5 300 10 60 383035012 35 x 1”1/4 67 46 32 39x27 thk 2,5 237 4 60 383035002 35 x 1”1/2 52 55 14 44,5x30 thk 2,5 292 4 60 383042022 42 x 1”1/2 77 55 35 44,5x30 thk 2,5 422 2 40 383042002 42 x 1”3/4 55 60 14 50,5x38 thk 2,5 360 2 60 383042012 42 x 2” 56 65 14,5 56x42 thk 2,5 310 2 40 383054012 54 x 2” 83 65 36,5 56x42 thk 2,5 475 2 30 383054002 54 x 2”3/8 60 75 15 65,5x45 thk 3 442 2 40 383054022 54 x 2”1/2 65,5 81 16 71,5x53 thk 3 537 2 24
TAPPO DI CHIUSURA • STOP END • VERSCHLUSSKAPPE • BOUCHON D’OBTURATION • TAPÓN MATERIAL: E 195 - 1.0034 O-RING: EPDM nero - black - Schwarz - noirnegro ≤54  B 20 21  76÷108  B 20 22  CODE De mm L mm L1 mm g 383012003 12 30 13 21 20 500 383015003 15 26 5 28 20 500 383018003 18 26 5 30 10 300 383022003 22 27 5 40 10 200 383028003 28 29 5 57 10 150 383035003 35 32 5 80 5 100 383042003 42 36 5 115 4 80 383054003 54 41 5 177 4 40 383076003 76,1 78 6 540 2 10 383088003 88,9 88 6 730 2 10 383108003 108 102 6 935 2 2 119
383/003

SISTEMI DI RACCORDI A PRESSARE

Press Fitting Systems • Pressfittingsysteme • Systèmes de raccords a sertir • Sistema de accesorios para prensar

384/000

BOCCHETTONE SEDE PIANA FILETTO M

• STRAIGHT MALE UNION CONNECTOR

• DURCHGANGSVERSCHRAUBUNG MIT

AUSSENGEWINDE

• RACCORD UNION FILETÉ

• RÁCOR 3 PIEZAS ROSCADO MACHO

MATERIAL: E 195 - 1.0034

FITTING: (**): ottone - brass - Messing - laiton - latón

O-RING: EPDM nero - black - Schwarz - noirnegro

GASKET: (*): EPDM nero - black - Schwarznoir - negro

THREAD: EN 10226-1 (ex ISO 7/1)

384/001

BOCCHETTONE SEDE PIANA FILETTO F

• STRAIGHT FEMALE UNION CONNECTOR

• DURCHGANGSVERSCHRAUBUNG MIT INNENGEWINDE

• RACCORD UNION TARAUDÉ

• RÁCOR 3 PIEZAS HEMBRA

MATERIAL: E 195 - 1.0034

FITTING: (**): ottone - brass - Messing - laiton - latón

O-RING: EPDM nero - black - Schwarz - noirnegro

GASKET: (*): EPDM nero - black - Schwarznoir - negro

THREAD: EN 10226-1 (ex ISO 7/1)

B 20 21  CODE De x R mm x inch L mm Z mm Gasket mm g 384015000 15 x 1/2” 64 44 24x14 thk 2,5 146 2 120 384018000 18 x 1/2” 64 44 24x14 thk 2,5 176 2 120 384022000 22 x 3/4” 69 46 30x20 thk 2,5 202 2 100 384028000 28 x 1” 80 56 39x27 thk 2,5 468 2 60 384035000 35 x 1”1/4 89 62 44,5x30 thk 2,5 618 2 40 384042000 42 x 1”1/2 93 61 50,5x38 thk 2,5 824 2 30 384054000 54 x 2” 104 66 65,5x45 thk 3 1178 2 20
B 20 21  CODE De x Rp mm x inch L mm Z mm Gasket mm g 384015001 15 x 1/2” 59 38 24x14 thk 2,5 138 2 120 384018001 18 x 1/2” 59 38 24x14 thk 2,5 140 2 120 384022001 22 x 3/4” 64 41 30x20 thk 2,5 209 2 100 384028001 28 x 1” 73 49 39x27 thk 2,5 450 2 60 384035001 35 x 1”1/4 81 54 44,5x30 thk 2,5 600 2 40 384042001 42 x 1”1/2 85 53 50,5x38 thk 2,5 621 2 30 384054001 54 x 2” 102 66 65,5x45 thk 3 1189 2 20 120

387

MANICOTTO MISTO

FILETTO M

• MALE ADAPTER

• ÜBERGANGSSTÜCK MIT AG

• RACCORD AVEC FILETAGE MALE

• UNIÓN MACHO

MATERIAL: E 195 - 1.0034

O-RING: EPDM nero - black - Schwarz - noirnegro

SISTEMI DI RACCORDI A PRESSARE Press Fitting Systems • Pressfittingsysteme • Systèmes de raccords a sertir • Sistema de accesorios para prensar
(ex ISO 7/1) ≤54  B 20 21  76÷108  B 20 22  CODE De x R mm x inch L mm Z mm Y mm g 387308012 12 x 3/8” 38 19 21 41 20 300 387308015 15 x 3/8” 41 24 21 58 20 400 387102015 15 x 1/2” 44 24 24 65 20 300 387304015 15 x 3/4” 44 27 24 78 10 200 387102018 18 x 1/2” 44 27 24 72 20 300 387304018 18 x 3/4” 45 30 25 107 10 200 387102022 22 x 1/2” 42 32 21 60 10 200 387304022 22 x 3/4” 45 32 25 93 10 200 387100022 22 x 1” 46 36 25 154 10 100 387304028 28 x 3/4” 47 38 24 114 10 100 387100028 28 x 1” 48 38 25 116 10 100 387114028 28 x 1”1/4 52 46 29 195 5 50 387100035 35 x 1” 52 46 25 169 5 50 387114035 35 x 1”1/4 56 46 29 205 5 50 387112035 35 x 1”1/2 55 50 28 220 5 50 387112042 42 x 1”1/2 63 55 33 250 4 40 387200054 54 x 2” 72 65 36 356 4 32 387212076 76,1 x 2”1/2 124 80 69 798 2 8 387300088 88,9 x 3” 141 95 81 1196 2 4 387400108 108 x 4” 163 115 88 1750 2 2 121
THREAD: EN 10226-1

DI RACCORDI A

MANICOTTO MISTO FILETTO F

• FEMALE ADAPTER

• ÜBERGANGSSTÜCK MIT IG

• RACCORD AVEC FILETAGE FEMELLE

• UNIÓN HEMBRA MATERIAL: E 195 - 1.0034

O-RING: EPDM nero - black - Schwarz - noirnegro

EN 10226-1 (ex ISO 7/1)

SISTEMI
PRESSARE Press Fitting Systems • Pressfittingsysteme • Systèmes de raccords a sertir • Sistema de accesorios para prensar 390
THREAD:
B 20 21  CODE De x Rp mm x inch L mm Z mm Y mm g 390102012 12 x 1/2” 38 27 3 55 20 300 390308015 15 x 3/8” 35 24 2 48 20 300 390102015 15 x 1/2” 38 27 2 60 20 300 390304015 15 x 3/4” 39 32 2 78 10 200 390102018 18 x 1/2” 38 27 2 60 20 300 390304018 18 x 3/4” 39 32 2 78 10 200 390102022 22 x 1/2” 39 32 2 96 10 200 390304022 22 x 3/4” 40 32 2 81 10 150 390100022 22 x 1” 43 41 2 147 10 100 390102028 28 x 1/2” 41 38 2 155 20 100 390304028 28 x 3/4” 42 38 2 132 10 100 390100028 28 x 1” 45 41 2 147 10 100 390100035 35 x 1” 51 46 2 218 5 50 390114035 35 x 1”1/4 52 46 2 154 5 50 390112042 42 x 1”1/2 56 55 2 245 4 40 390200054 54 x 2” 65 65 2 329 4 32 122

• REDUCER

• REDUZIERSTÜCK

• REDUCTION

• REDUCCIÓN MH

MATERIAL: E 195 - 1.0034

O-RING: EPDM nero - black - Schwarz - noirnegro

PRESSARE
Pressfittingsysteme •
prensar
SISTEMI DI RACCORDI A
Press Fitting Systems •
Systèmes de raccords a sertir
Sistema de accesorios para
391 RIDUZIONE MF
≤54  B 20 21  76÷108  B 20 22  CODE De mm L mm Z mm g 391015012 15 x 12 51 33 29 20 500 391018012 18 x 12 53 35 32 20 500 391018015 18 x 15 57 37 36 20 500 391022012 22 x 12 60 42 41 20 500 391022015 22 x 15 64 44 45 20 400 391022018 22 x 18 60 40 48 20 300 391028015 28 x 15 76,5 56,5 50 20 200 391028018 28 x 18 68 48 62 20 200 391028022 28 x 22 65 42,5 59 20 200 391035022 35 x 22 70 49 89 10 100 391035028 35 x 28 71 48 91 10 100 391042022 42 x 22 97 76 120 4 80 391042028 42 x 28 93 70 127 4 80 391042035 42 x 35 81 55 130 4 40 391054022 54 x 22 95 74 140 4 40 391054028 54 x 28 108,5 85,5 155 4 40 391054035 54 x 35 108 82 189 4 40 391054042 54 x 42 97,5 67,5 205 4 32 391076042 76,1 x 42 143 113 480 4 4 391076054 76,1 x 54 148 112 480 4 4 391088054 88,9 x 54 161 125 585 4 4 391088076 88,9 x 76,1 184 129 792 4 4 391108076 108 x 76,1 203 148 983 2 2 391108088 108 x 88,9 207 147 1079 2 2 379
DI SCAVALCAMENTO MM
PIPE BRIDGE
SPRUNGBOGEN
“S” DE CHEVAUCHEMENT MALE
“S” DE SUPERPOSICIÒN MM MATERIAL: E 195 - 1.0034  B 20 21  CODE De mm L mm A mm B mm g 379012000 12 55 154 35 10 10 150 379015000 15 57 158 30 14 10 150 379018000 18 60 166 31 17 10 100 379022000 22 65 179 33 29 10 100 379028000 28 73 206 36 44 10 50 123
“S”

393/M

MANICOTTO CON INSERIMENTO

FILETTO M

• MALE REDUCTION SOCKET

• ÜBERGANG AUSSENGEWINDE MIT EINSCHUBENDE

• MANCHON DE RÉDUCTION FILETÉ

• ADAPTADOR MACHO

MATERIAL: E 195 - 1.0034

THREAD: EN 10226-1 (ex ISO 7/1)

393/F

MANICOTTO CON INSERIMENTO FILETTO F

• FEMALE REDUCTION SOCKET

• ÜBERGANG INNENGEWINDE MIT EINSCHUBENDE

• MANCHON DE RÉDUCTION AVEC TARAUDAGE

• ADAPTADOR HEMBRA

MATERIAL: E 195 - 1.0034

THREAD: EN 10226-1 (ex ISO 7/1)

394/900

TUBO CURVO 90°

Press Fitting Systems • Pressfittingsysteme • Systèmes de raccords
sertir • Sistema de
SISTEMI DI RACCORDI A PRESSARE
a
accesorios para prensar
B 20 21  NEW CODE De x R mm x inch L mm Z mm Y mm g 393102115 15 x 1/2” 52 31 22 56 20 300 393102118 18 x 1/2” 52 31 22 49 20 300 393304118 18 x 3/4” 55 31 27 93 20 200 393102122 22 x 1/2” 55 32 27 68 10 200 393304122 22 x 3/4” 56 32 27 78 10 200 393100128 28 x 1” 64 37 38 141 10 100
B 20 21  CODE De x Rp mm x inch L mm Z mm Y mm g 393102015 15 x 1/2” 52 37 24 49 20 400 393102018 18 x 1/2” 52 37 24 50 20 400 393304018 18 x 3/4” 51 37 30 62 20 300 393102022 22 x 1/2” 52 37 24 51 20 300 393304022 22 x 3/4” 52 38 30 63 20 300
• 90° ELBOW MM
PASSBOGEN
TUBO RICURVO
MM MATERIAL:
195
B 20 21  CODE De mm H1 mm H min mm H2 mm R mm g 394015900 15 70 48 120 35 87 20 160 394018900 18 70 53 120 38 105 20 120 394022900 22 70 61 120 40 130 10 100 394028900 28 97 80 125 45 197 10 50 394035900 35 120 90 200 42 372 4 20 394042900 42 160 115 250 50 578 2 10 394054900 54 300 140 305 65 1114 2 2 124
90° • COUDE D’AJUSTEMENT 90° •
90°
E
- 1.0034

394/300

TUBO CURVO 30°

• 30° ELBOW MM

• PASSBOGEN 30°

• COUDE D’AJUSTEMENT 30°

• TUBO RICURVO 30° MM

MATERIAL: E 195 - 1.0034

TUBO CURVO 15°

• 15° ELBOW MM

• PASSBOGEN 15°

• COUDE D’AJUSTEMENT 15°

• TUBO RICURVO 15° MM

• Pressfittingsysteme •
SISTEMI DI RACCORDI A PRESSARE Press Fitting Systems
Systèmes de raccords a sertir • Sistema de accesorios para prensar
B 20 21  CODE De mm H1 mm H min mm H2 mm g 394028300 28 54 47 130 179 10 50 394035300 35 80 50 218 366 4 24 394042300 42 98 54 274 553 2 10 394054300 54 137 72 324 888 2 2 394/150
MATERIAL:
B 20 21  CODE De mm H1 mm H min mm H2 mm g 394028150 28 45 38 136 176 10 50 394035150 35 62 32 234 364 4 24 394042150 42 94 50 276 551 2 10 394054150 54 117 52 337 876 2 2 PN 6
FLANGIATO
ADAPTOR FLANGE
ÜBERGANGSFLANSCH
E 195 - 1.0034
393/002 MANICOTTO
BRIDE DE RACCORDEMENT
BRIDA ADAPTADOR MATERIAL: E 195 - 1.0034
EPDM nero - black - Schwarz - noirnegro ≤54  B 20 21  76÷108  B 20 22  CODE De mm DN flg H mm Z mm B mm D mm D2 mm Holes Nr. K mm g 393015002 15 15 39 19 12 80 11 4 55 434 2 20 393018002 18 15 39,5 19,5 12 80 11 4 55 431 2 20 393022002 22 20 42,5 21,5 14 90 11 4 65 636 2 14 393028002 28 25 45,5 22,5 14 100 11 4 75 784 2 10 393035002 35 32 51 25,5 16 120 14 4 90 1259 2 6 393042002 42 40 55 25 16 130 14 4 100 1472 2 6 393054002 54 50 62 26 16 140 14 4 110 1657 2 4 393076002 76,1 65 92,5 37,5 14 160 14 4 130 1775 2 2 393088002 88,9 80 104 44 16 190 18 4 150 2783 2 2 393108002 108 100 120 45 16 210 18 4 170 3373 2 2 125
O-RING:

SISTEMI DI RACCORDI A PRESSARE

Press Fitting Systems • Pressfittingsysteme • Systèmes de raccords a sertir • Sistema de accesorios para prensar

PN 16 393/000 MANICOTTO FLANGIATO • ADAPTOR FLANGE • ÜBERGANGSFLANSCH • BRIDE DE RACCORDEMENT • BRIDA ADAPTADOR MATERIAL: E 195 - 1.0034 O-RING: EPDM nero - black - Schwarz - noirnegro ≤54  B 20 21  76÷108  B 20 22  CODE De mm DN flg H mm Z mm B mm D mm D2 mm Holes Nr. K mm g 393015000 15 15 43 23 16 95 14 4 65 578 2 20 393018000 18 15 44 24 16 95 14 4 65 572 2 20 393022000 22 20 47 26 18 105 14 4 75 754 2 14 393028000 28 25 50 27 18 115 14 4 85 1094 2 10 393035000 35 32 53 27 18 140 18 4 100 1672 2 6 393042000 42 40 57 27 18 150 18 4 110 1988 2 6 393054000 54 50 64 28 18 165 18 4 125 2666 2 4 393076000 76,1 65 97 42 18 185 18 8 145 3450 2 2 393088000 88,9 80 108 48 20 200 18 8 160 4150 2 2 393108000 108 100 124 49 20 220 18 8 180 4905 2 2 PN 6
GUARNIZIONE ECOLOGICA PER FLANGE • GASKET FOR FLANGE • FLANSCHDICHTUNG • JOINT POUR BRIDE • JUNTA ECOLOGICA PARA BRIDA MATERIAL: Sesalit Eco NORM: EN 1092-1  R 30 30  CODE DN De mm Di mm S mm g 434015006 15 - (1/2”) 44 20 2 4 10 434020006 20 - (3/4”) 54 25 2 6 10 434025006 25 - (1”) 64 30 2 9 10 434032006 32 - (1”1/4) 75 38 2 11 10 434040006 40 - (1”1/2) 85 45 2 14 10 434050006 50 - (2”) 95 57 2 15 10 434065006 65 - (2”1/2) 115 76 2 19 10 434080006 80 - (3”) 132 89 2 26 10 434100006 100 - (4”) 152 108 2 29 10 126
434/PN 6

Sesalit ECO: fibre organiche e sintetiche legate con gomma NBR/SBR esente amianto

IMPIEGHI: Acqua calda e fredda, olii vegetali ed animali, aria, alcuni carburanti (no GAS)

LIMITI DI TEMPERATURA ORIENTATIVI

Temperatura massima per brevi esposizioni: 180°-200° C

Temperatura massima di esercizio continuo per fluidi non aggressivi: 140° C

Temperatura massima di esercizio continuo con vapore: 110° C

OMOLOGAZIONI: acqua potabile WRAS n° 1605525

Sesalit ECO: organic and synthetic fibers bonded with NBR/SBR asbestos-free

USES: hot and cold water, vegetable and animal oils, air, some fuels (no GAS)

GUIDELINE TEMPERATURE LIMITS

Maximum temperature for short exposure: 180°-200° C

Maximum operating temperature for continuous non-aggressive fluids: 140° C

Maximum temperature for continuous operation with steam: 110° C

APPROVAL: potable water WRAS n° 1605525

434/PN10-16

322

RACCORDO DI TRANSIZIONE STEELPRES TUBAZIONI SCANALATE A GIUNTI RAPIDI

• TRANSITION PIECE STEELPRES/COUPLINGS

• ÜBERGANG STEELPRES/KUPPLUNG

• RACORD DE PASAGE ENTRE STEELPRES ET TUBE CANNELÉ

• RACOR DE TRANSICIÓN STEELPRES/TUBERIA CANALADA

MATERIAL: E 275+N - 1.0225

SISTEMI DI RACCORDI A PRESSARE Press Fitting Systems • Pressfittingsysteme • Systèmes de raccords a sertir • Sistema de accesorios para prensar PN 10/16
GUARNIZIONE ECOLOGICA PER FLANGE • GASKET FOR FLANGE • FLANSCHDICHTUNG • JOINT POUR BRIDE • JUNTA ECOLOGICA PARA BRIDA MATERIAL: Sesalit Eco NORM: EN 1092-1  R 30 30  CODE DN De mm Di mm S mm g 434015000 15 - (1/2”) 50 20 2 6 10 434020000 20 - (3/4”) 60 25 2 8 10 434025000 25 - (1”) 70 30 2 10 10 434032000 32 - (1”1/4) 82 38 2 14 10 434040000 40 - (1”1/2) 92 45 2 17 10 434050000 50 - (2”) 108 57 2 22 10 434065000 65 - (2”1/2) 127 76 2 27 10 434080000 80 - (3”) 142 89 2 30 10 434100000 100 - (4”) 162 108 2 38 10
B
CODE D mm D1 mm L mm L1 mm g 322060042 60 42 120 69 410 1 25 322060054 60 54 120 80 410 1 20 322076054 76 54 130 76 585 1 15 127
20 22

SISTEMI DI RACCORDI A PRESSARE

Press Fitting Systems • Pressfittingsysteme • Systèmes de raccords a sertir • Sistema de accesorios para prensar

375

GIUNTO A SALDARE

SENZA ZINCATURA

• COMBINATION PIPE WELDING END (NOT GALVANIZED)

• KOMBIROHR MIT ANSCHWEISSENDE (NICHT VERZINKT)

• TUBE RÉDUIT AVEC EXTRÉMITÉ À SOUDER (NON GALVANISÉ)

• UNIÓN A SALDAR SIN ZINCADURA

E 195 - 1.0034

396/RAD

ATTACCO VERNICIATO PER RADIATORE

• PAINTED RADIATOR CONNECTOR

• HEIZUNGSANSCHLUSS LACKIERT

• CONNECTEUR PEINT DE RADIATEUR

• CONECTADOR PINTADO DEL RADIADOR MATERIAL: E 195 - 1.0034

O-RING: EPDM nero - black - Schwarz - noir -

≤54  B 20 21  76÷108  B
CODE D mm D1 mm S mm S1 mm L1 mm L mm g 375308012 17,2 12 4,1 1,5 26 120 124 10 100 375308015 17,2 15 2,6 1,5 30 120 89 10 100 375102018 21,3 18 3,15 1,5 30 120 132 10 100 375304022 26,9 22 3,95 1,5 34 120 216 10 100 375100028 33,7 28 4,35 1,5 34 120 303 5 80 375114035 42,4 35 5,2 1,5 40 120 423 5 50 375112042 48,3 42 4,65 1,5 45 120 438 5 40 375200054 60,3 54 4,65 1,5 50 120 537 2 24 375212076 76,1 76,1 3,7 2 70 120 570 2 24 375300088 88,9 88,9 4,1 2 75 120 692 2 12 375400108 114,3 108 5,2 2 90 120 842 2 10
MATERIAL:
20 22
negro  B 20 21  CODE De mm L mm Z mm Z1 mm Z2 mm g 396102015V 15 x 1/2” 80 16 131 82 224 1 50 396102018V 18 x 1/2” 80 16 131 82 236 1 50 128

COMPENSATORE DI DILATAZIONE

• EXPANSION COMPENSATOR

• WELLENKOMPENSATOR

• COMPENSATEUR D’EXPANSION

• DILATADOR

MATERIAL: AISI 316L – 1.4404

O-RING: EPDM nero - black - Schwarz - noirnegro

NOTE: * ΔL max: 1000 cicli - 1000 cycles 1000 Abläufe -1000 cycles 1000 ciclos

Sono concessi singoli raccordi in acciaio inox inseriti in un impianto in acciaio al carbonio. Single joints in stainless steel are accepted inside a carbon steel installations. Einzelne Fittinge Inox in einer Carbon-Anlage sind zulassig. Sont concedes les raccords simples inox inseres dans l’installation carbone. Se aceptan accesorios independientes de inox / cobre / cuproniquel insertados en una instalación de acero carbono.

399

CROCE A 90°

• CROSSOVER 90°

• KREUZSTÜCH 90°

• CROIX 90°

• CRUZ 90°

MATERIAL: E 195 - 1.0034

O-RING: EPDM nero - black - Schwarz - noirnegro

SISTEMI DI RACCORDI A PRESSARE Press Fitting Systems • Pressfittingsysteme • Systèmes de raccords a sertir • Sistema de accesorios para prensar
199
B 10 11  CODE De mm L mm ΔL* mm Z mm A mm g 199015000 15 139 16 71 23 80 1 100 199018000 18 143 18 74 28 108 1 80 199022000 22 139 20 68 34 130 1 80 199028000 28 150 22 73 41 155 1 40 199035000 35 177 26 90 52 251 1 24 199042000 42 202 32 107 62 440 1 16 199054000 54 221 36 113 72 550 1 12
B 20 21  CODE d1 - d2 L1 mm L2 mm Z1 mm Z2 mm H mm g 399015015 15 x 15 34,5 34,5 14,5 14,5 20 92 10 100 399018015 18 x 15 36,5 34,5 16,5 14,5 21,5 102 10 100 399022015 22 x 15 39,5 34,5 18,5 14,5 24 121 10 80 399022018 22 x 18 39,5 36,5 18,5 16,5 25,5 131 10 80 399028015 28 x 15 44 34,5 21 14,5 26,5 150 10 50 399028018 28 x 18 44 36,5 21 16,5 28 160 10 50
129

MANGUITO C/ CURVA DESVIACIÓN DOBLE MATERIAL: E 195 - 1.0034

Press Fitting Systems • Pressfittingsysteme • Systèmes de raccords a sertir • Sistema de accesorios para prensar
SINGOLO
SINGLE CROSSING
HEIZKÖRPERANSCHLUSS
RACCORDEMENT SINGLE ALLÉE ET RETOUR
MANGUITO C/ CURVA DESVIACIÓN MATERIAL: E 195 - 1.0034 O-RING: EPDM nero - black - Schwarz - noirnegro  B 20 21  CODE d1 - d2 A mm B mm C mm D mm g 395012012 12 x 12 30 40 60 100 205 1 30 395015012 15 x 12 40 40 60 100 244 1 30 395015015 15 x 15 40 40 60 100 266 1 30 395018012 18 x 12 40 40 60 100 276 1 25 395018015 18 x 15 40 40 60 100 298 1 25 395022012 22 x 12 40 40 60 100 322 1 20 395022015 22 x 15 40 40 60 100 340 1 20 395028012 28 x 12 40 40 60 100 374 1 20 395028015 28 x 15 40 40 60 100 394 1 15 396 SCAVALCO DOPPIO • DOUBLE CROSSING • KREUZFITTING • RACCORDEMENT DOUBLE ALLÉE ET RETOUR •
SISTEMI DI RACCORDI A PRESSARE
395 SCAVALCO
B 20 21  CODE d1 - d2 A mm B mm C mm D mm g 396012012 12 x 12 30 40 60 100 280 1 20 396015012 15 x 12 40 40 60 100 318 1 20 396015015 15 x 15 40 40 60 100 376 1 20 396018012 18 x 12 40 40 60 100 355 1 20 396018015 18 x 15 40 40 60 100 410 1 15 396022012 22 x 12 40 40 60 100 380 1 15 396022015 22 x 15 40 40 60 100 436 1 15 396028012 28 x 12 40 40 60 100 452 1 10 396028015 28 x 15 40 40 60 100 494 1 10 396035015 35 x 15 40 40 60 100 556 1 10 130
O-RING: EPDM nero - black - Schwarz - noirnegro

131

Certificazioni / Certifications

Campi di applicazione / Fields of application

Solare termico con O-Ring FKM Solar thermal with FKM O-Ring

Heating Aria compressa Compressed Air

protection systems

SISTEMI DI RACCORDI A PRESSARE Press Fitting Systems • Pressfittingsysteme • Systèmes de raccords a sertir • Sistema de accesorios para prensar PRODUKTE DER WASSERVERSORGUNG DW-8511CL0331Ø 15 – 54 mm AESPRES RANGE OF COMPRESSION FITTINGS 1806312 Ø 15 – 54 mm PRESSFITTINGS, TYPE AESPRES n°1988 Ø 15 – 54 mm PRESS-FITTINGS AESPRES K 83136/02 Ø 15 – 54 mm PRESSFITTINGS TIL KOBBRØR Ø 15–54 MM VA 1.22/20514Ø 15 – 54 mm AESPRES, PRESSKOPPLING Ø 15–54 MM SC0265-16 Ø 15 – 54 mm
Attestato di conformità al D.M. 174/2004 TIFQ-099-AP07/00 Ø 15 – 54 mm
Riscaldamento
Acqua potabile Potable water Raffrescamento Cooling Antincendio Fire
O -ri n g EP D M
Nero | Black | Schwarz | Noir | Negro

SISTEMI DI RACCORDI A PRESSARE

Press Fitting Systems • Pressfittingsysteme • Systèmes de raccords a sertir • Sistema de accesorios para prensar

TUBO RAME PER AESPRES - AESPRES GAS AESPRES - AESPRES GAS COPPER PIPING

Le tubazioni per impianti acqua e gas in rame, devono essere rispondenti alla norma UNI EN 1057:2010. Rame e leghe di rame - Tubi rotondi di rame senza saldatura per acqua e gas nelle applicazioni sanitarie e di riscaldamento. Piping for copper water and gas installation should comply with the standard EN 1057:2010, “Copper and copper alloys - Round tubes in copper without welding for water and gas in health-care and heating applications”.

CARATTERISTICHE MECCANICHE DEI TUBI DI RAME - EN 1057 MECHANICAL FEATUEES FOR COPPER TUBES - EN 1057

Le dimensioni dei tubi utilizzabili con i sistemi a pressare Aespres ed Aespres Gas sono esposte nella tabella sottostante. Tube sizes to be used with Aespres and Aespres Gas press fittings are inluceded in the annexet table.

RIF. EN 1173 STATO - STATE RESISTENZA MINIMA TRAZIONE MINIMUM TRACTION RESISTANCE RM (MPA) R220 Ricotto - Annealed 220 R250 Semiduro - Semi-hard 250 R290 Duro - Hard 290 DILATAZIONE DI ROTTURA “A” BREAKING “A” DILATION Rif. EN 1173 øe (mm) A min. (%) R220 12÷22 40 R250 12÷28 20 R290 12÷54 3 STATO DI FORNITURA DELIVERY CONDITION R220 Ricotto - Annealed Rotolo - Roll R250 Semiduro - Semi-hard Barra - Bar R290 Duro - Hard Barra - Bar
DIMENSIONI DEI TUBI DI RAME - EN 1057 / DVGW GW 392 AESPRES PIPES DIMENSIONS AND CHARACTERISTICS - EN 1057 / DVGW GW 392 ø ESTERNO x SP. EXTERNAL ø x THK. mm DN ø INTERNO INTERNAL ø mm MASSA MASS kg/m CONTENUTO D’ACQUA WATER VOLUME l/m STATO FORNITURA SUPPLIED CONDITION 12x1 10 10 0,309 0,079 Rotolo / Roll 25/50 m (R 220) o / or Barra / Bar 5 m (R 250) 15x1 12 13 0,393 0,133 18x1 15 16 0,477 0,201 22x1 20 20 0,589 0,314 28x1,5 25 25 1,115 0,491 Barra / Bar 5 m (R250) 35x1,5 32 32 1,410 0,804 Barra / Bar 5 m (R290) 42x1,5 40 39 1,704 1,194 54x2 50 50 2,918 1,963 132

681/450

CURVA 45° FF

• 45° ELBOW FF

• BOGEN 45° II

• COUDE FF 45°

• CURVA 45° HH

MATERIAL: Cu-DHP99,9 - CW024A

O-RING: EPDM nero - black - Schwarz - noirnegro

681/451

CURVA 45° MF

• 45° ELBOW MF

• BOGEN 45° IA

• COUDE MF 45°

• CURVA 45° HM

MATERIAL: Cu-DHP99,9 - CW024A

O-RING: EPDM nero - black - Schwarz - noirnegro

DI RACCORDI A PRESSARE Press Fitting Systems • Pressfittingsysteme • Systèmes de raccords a sertir • Sistema de accesorios para prensar
SISTEMI
B 70 71  CODE De mm L mm Z mm g 681012450 12 32 14 38 20 400 681015450 15 27,5 7,5 36 20 400 681018450 18 29,5 9,5 53 20 300 681022450 22 32 11 71 20 100 681028450 28 37 14 101 10 100 681035450 35 43,5 17,5 138 10 60 681042450 42 51 21 200 4 40 681054450 54 62 26,5 306 2 20
B 70 71  CODE De mm L mm H mm Z mm g 681012451 12 32 41 14 36 20 400 681015451 15 27,5 40 7,5 41 20 400 681018451 18 29,5 36 9,5 50 20 300 681022451 22 32 42 11 69 20 200 681028451 28 37 46 14 99 10 100 681035451 35 43,5 57,5 17,5 144 10 60 681042451 42 51 72 21 215 4 40 681054451 54 62 82 26,5 333 2 20 133

SISTEMI DI RACCORDI A PRESSARE

Press Fitting Systems • Pressfittingsysteme • Systèmes de raccords a sertir • Sistema de accesorios para prensar

90° FF
90° ELBOW FF
BOGEN 90° II
COUDE FF 90°
CURVA 90° HH
Cu-DHP99,9 - CW024A
EPDM nero - black - Schwarz - noirnegro  B 70 71  CODE De mm L mm Z mm g 681012900 12 42 24 28 20 400 681015900 15 38 18 51 20 400 681018900 18 41,5 21,5 62 20 300 681022900 22 47 26 88 10 150 681028900 28 56 33 128 10 100 681035900 35 68 42 180 5 50 681042900 42 80 50 265 2 30 681054900 54 100 64,5 419 2 18 681/901 CURVA 90° MF • 90° ELBOW MF • BOGEN 90° IA • COUDE MF 90° • CURVA 90° HM MATERIAL: Cu-DHP99,9 - CW024A O-RING: EPDM nero - black - Schwarz - noirnegro  B 70 71  CODE De mm L mm H mm Z mm g 681012901 12 42 48 24 40 20 400 681015901 15 38 48 18 49 20 400 681018901 18 41,5 48,5 21,5 62 20 300 681022901 22 47 57 26 87 10 150 681028901 28 56 64 33 130 10 100 681035901 35 68 82 42 195 5 50 681042901 42 80 101 50 278 2 30 681054901 54 100 120 64,5 435 2 18 134
681/900 CURVA
MATERIAL:
O-RING:

697

GOMITO MISTO 90° FILETTO M

• ELBOW ADAPTER 90° WITH MALE THREAD

• ÜBERGANGSWINKEL 90° AG

• EQUERRE 90° AVEC FILETAGE M

• CODO MACHO

MATERIAL: CuSn5Zn5Pb2-C - CC499K

O-RING: EPDM nero - black - Schwarz - noirnegro

THREAD: EN 10226-1 (ex ISO 7/1)

MISTO 90° FILETTO F

• ELBOW ADAPTER 90° WITH FEMALE THREAD

• ÜBERGANGSWINKEL 90° IG

• EQUERRE 90° AVEC FILETAGE F

• CODO HEMBRA

MATERIAL: CuSn5Zn5Pb2-C - CC499K

O-RING: EPDM nero - black - Schwarz - noir -

PRESSARE Press Fitting Systems • Pressfittingsysteme • Systèmes de raccords a sertir • Sistema de accesorios para prensar
SISTEMI DI RACCORDI A
B 70 71  CODE De x R mm x inch L1 mm L2 mm Z mm g 697308012 12 x 3/8” 35 34 14 86 10 200 697102012 12 x 1/2” 40 34 14 113 10 150 697308015 15 x 3/8” 35 41,5 21,5 86 10 150 697102015 15 x 1/2” 38,5 41,5 21,5 131 10 120 697102018 18 x 1/2” 40 42 22 136 10 100 697304018 18 x 3/4” 44 42 22 177 10 100 697102022 22 x 1/2” 42 42 21 162 10 100 697304022 22 x 3/4” 47 42 21 193 10 80 697102028 28 x 1/2” 45 47 24 199 10 80 697100028 28 x 1” 53 45 24 318 5 50 697114035 35 x 1”1/4 68 55 29 471 5 40 697112042 42 x 1”1/2 75 65 35 660 2 24 697200054 54 x 2” 88 78 42 1078 2 20 698 GOMITO
negro THREAD: EN 10226-1 (ex ISO 7/1)  B 70 71  CODE De x Rp mm x inch L1 mm L2 mm Z1 mm Z2 mm g 698308012 12 x 3/8” 22,5 34 12 14 72 10 200 698102012 12 x 1/2” 24 34 16 14 87 10 200 698308015 15 x 3/8” 22,5 41,5 12 21,5 87 10 150 698102015 15 x 1/2” 22,5 41,5 16 21,5 102 10 150 698304015 15 x 3/4” 25 41,5 16 21,5 125 10 100 698102018 18 x 1/2” 24 42 16 22 112 10 150 698304018 18 x 3/4” 26 42 16 22 133 10 100 698102022 22 x 1/2” 26 42 15 21 129 10 100 698304022 22 x 3/4” 29 42 16 21 152 10 100 698100022 22 x 1” 32 45 19 24 203 10 80 698102028 28 x 1/2” 29 47 16 24 168 5 50 698100028 28 x 1” 35 48 19 25 240 5 50 698114035 35 x 1”1/4 45 55 23 29 403 5 40 698112042 42 x 1”1/2 52 65 23 35 541 2 30 698200054 54 x 2” 60 78 27 42 1085 2 16 135
Press Fitting Systems • Pressfittingsysteme • Systèmes de raccords a sertir • Sistema de accesorios para prensar 682 “T”
EQUAL TEE
T-STÜCK
TÉ ÉGAL
TE IGUAL HHH MATERIAL: Cu-DHP99,9 - CW024A O-RING: EPDM nero - black - Schwarz - noirnegro  B 70 71  CODE De mm L1 mm L2 mm Z2 mm Z1 mm g 682012000 12 31 31 11 11 54 20 200 682015000 15 32 32 12 13,5 75 20 200 682018000 18 34 34 14 13,5 96 20 100 682022000 22 37 37 16 16 125 10 100 682028000 28 42 42 19 19 174 10 50 682035000 35 50 50 24 24 245 4 32 682042000 42 57 63 33 27 345 4 20 682054000 54 69 78 42 33,5 559 2 12 692 “T” RIDOTTO • REDUCING TEE • T-STÜCK MIT REDUZIERTEM ABGANG • TÉ RÉDUIT • TE REDUCIDA HHH MATERIAL: Cu-DHP99,9 - CW024A O-RING: EPDM nero - black - Schwarz - noirnegro  B 70 71  CODE De mm L1 mm L2 mm Z1 mm Z2 mm g 692015012 15 x 12 x 15 32 32 12 12 69 20 100 692018012 18 x 12 x 18 34 35 14 15 84 20 100 692018015 18 x 15 x 18 34 35 14 15 93 20 100 692022012 22 x 12 x 22 37 35 16 15 106 10 100 692022015 22 x 15 x 22 37 38 16 18 122 10 100 692022018 22 x 18 x 22 37 38 16 18 128 10 100 692028015 28 x 15 x 28 42 40,5 19 20,5 167 10 50 692028018 28 x 18 x 28 42 40,5 19 20,5 168 10 50 692028022 28 x 22 x 28 42 41 19 20 173 10 50 692035015 35 x 15 x 35 50 44 24 24 250 5 50 692035018 35 x 18 x 35 50 44 24 24 241 5 50 692035022 35 x 22 x 35 50 44 24 23 237 5 50 692035028 35 x 28 x 35 50 44 24 21 231 5 35 692042015 42 x 15 x 42 57 47,5 27 27,5 338 4 20 692042018 42 x 18 x 42 57 47,5 27 27,5 338 4 20 692042022 42 x 22 x 42 57 53 27 32 330 4 20 692042028 42 x 28 x 42 57 56 27 33 323 4 20 692042035 42 x 35 x 42 57 61 27 35 338 4 20 692054022 54 x 22 x 54 69 59 33,5 38 469 2 16 692054028 54 x 28 x 54 69 64 33,5 41 465 2 16 692054035 54 x 35 x 54 69 67 33,5 41 502 2 16 692054042 54 x 42 x 54 69 70 33,5 40 489 2 16 136
SISTEMI DI RACCORDI A PRESSARE

689

“T” CON DERIVAZIONE FILETTO F

• BRANCH TEE FEMALE BSP OUTLET

• T-STÜCK MIT ABGANG IG

• TÉ MIXTE AVEC FILETAGE F

• TE HEMBRA ROSCADA

MATERIAL: CuSn5Zn5Pb2-C - CC 499K

O-RING: EPDM nero - black - Schwarz - noirnegro

THREAD: EN 10226-1 (ex ISO 7/1)

Systems • Pressfittingsysteme • Systèmes de raccords
sertir • Sistema de accesorios
prensar
SISTEMI DI RACCORDI A PRESSARE Press Fitting
a
para
B 70 71  CODE De x Rp x De mm x inch x mm L1 mm L2 mm Z1 mm Z2 mm g 689102012 12 x 1/2” x 12 34 24 14 10 104 10 100 689308015 15 x 3/8” x 15 41,5 22,5 21,5 10,5 118 10 100 689102015 15 x 1/2” x 15 41,5 22,5 21,5 8,5 128 10 100 689102018 18 x 1/2” x 18 42 24 22 10 145 10 100 689102022 22 x 1/2” x 22 42 26 21 12 170 10 100 689304022 22 x 3/4” x 22 42 30 21 14 183 10 100 689102028 28 x 1/2” x 28 44 29 21 15 211 5 50 689304028 28 x 3/4” x 28 44 30 21 14 216 5 50 689100028 28 x 1” x 28 44 34 21 16 265 5 50 689102035 35 x 1/2” x 35 50 34 24 19 308 5 50 689304035 35 x 3/4” x 35 50 34 24 18 305 5 40 689100035 35 x 1” x 35 50 35 24 17 329 5 40 689102042 42 x 1/2” x 42 57 38 27 23 419 4 32 689304042 42 x 3/4” x 42 57 38 27 22 415 4 32 689102054 54 x 1/2” x 54 69 44 33 30 638 2 14 689304054 54 x 3/4” x 54 69 44 33 28 639 2 14 683/003 TAPPO DI CHIUSURA • STOP END • VERSCHLUSSKAPPE • BOUCHON D’OBTURATION • TAPÓN MATERIAL: Cu-DHP99,9 - CW024A O-RING: EPDM nero - black - Schwarz - noirnegro  B 70 71  CODE De mm L mm L1 mm g 683012003 12 20 3 14 20 500 683015003 15 22,5 2,5 20 20 500 683018003 18 23 3 25 20 300 683022003 22 24,5 2,5 34 10 200 683028003 28 26,5 3,5 49 10 150 683035003 35 28,5 2,5 65 5 100 683042003 42 32,5 2,5 93 4 80 683054003 54 37,5 2,5 147 4 40 137

SISTEMI DI RACCORDI A PRESSARE

Press Fitting Systems • Pressfittingsysteme • Systèmes de raccords a sertir • Sistema de accesorios para prensar

683/000

MANICOTTO
COUPLING • MUFFE • MANCHON • MANGUITO HH MATERIAL: Cu-DHP99,9 - CW024A
EPDM nero - black - Schwarz - noirnegro  B 70 71  CODE De mm L mm Z mm g 683012000 12 42 6 38 20 400 683015000 15 49 9 39 20 400 683018000 18 50 10 47 20 300 683022000 22 53 11 62 20 200 683028000 28 56 10 84 10 150 683035000 35 63 10 108 10 100 683042000 42 72 12 156 4 60 683054000 54 83 13 225 2 24
PASSANTE
SLIP COUPLING
SCHIEBEMUFFE
MANCHON LONG
MANGUITO SIN TOPE MATERIAL: Cu-DHP99,9 - CW024A O-RING: EPDM nero - black - Schwarz - noirnegro  B 70 71  CODE De mm L mm es mm g 683012001 12 56 22 33 20 500 683015001 15 80 25 58 20 200 683018001 18 80 25 66 20 200 683022001 22 80 25 80 20 100 683028001 28 90 30 110 10 100 683035001 35 102 30 167 10 50 683042001 42 120 40 223 4 40 683054001 54 140 40 333 4 20 138
O-RING:
683/001 MANICOTTO

MANICOTTO MISTO FILETTO M

• MALE ADAPTER

• ÜBERGANGSSTÜCK MIT AG

• RACCORD AVEC FILETAGE MALE

• UNIÓN MACHO

MATERIAL: CuSn5Zn5Pb2-C - CC499K

O-RING: EPDM nero - black - Schwarz - noirnegro

SISTEMI DI RACCORDI A PRESSARE Press Fitting Systems • Pressfittingsysteme • Systèmes de raccords a sertir • Sistema de accesorios para prensar
687
THREAD:
(ex
7/1)  B 70 71  CODE De x R mm x inch L mm Z mm Y mm g 687308012 12 x 3/8” 32 17 12 31 20 400 687102012 12 x 1/2” 36 22 16 48 20 400 687308015 15 x 3/8” 32 21 12 32 20 400 687102015 15 x 1/2” 36 22 16 53 20 300 687304015 15 x 3/4” 37,5 27 17,5 74 20 240 687102018 18 x 1/2” 37 22 17 47 20 300 687304018 18 x 3/4” 38 27 18 65 10 200 687102022 22 x 1/2” 36 27 17 58 10 200 687304022 22 x 3/4” 39 27 18 64 10 200 687100022 22 x 1” 42,5 34 21,5 111 10 100 687304028 28 x 3/4” 42 34 19 93 10 100 687100028 28 x 1” 44,5 34 21,5 105 10 100 687114028 28 x 1”1/4 48 43 25 192 10 100 687100035 35 x 1” 48 40 22 139 5 50 687114035 35 x 1”1/4 50 43 24 182 5 50 687112035 35 x 1”1/2 51 50 25 239 5 50 687114042 42 x 1”1/4 54 50 24 223 4 40 687112042 42 x 1”1/2 54 51 24 215 4 40 687112054 54 x 1”1/2 60 63 24 316 4 32 687200054 54 x 2” 63,5 63 33 341 4 32 139
EN 10226-1
ISO

DI RACCORDI A

690

MANICOTTO MISTO FILETTO F

• FEMALE ADAPTER

• ÜBERGANGSSTÜCK MIT IG

• RACCORD AVEC FILETAGE FEMELLE

• UNIÓN HEMBRA

MATERIAL: CuSn5Zn5Pb2-C - CC499K

O-RING: EPDM nero - black - Schwarz - noirnegro THREAD: EN 10226-1 (ex ISO 7/1)

• Pressfittingsysteme • Systèmes
SISTEMI
PRESSARE Press Fitting Systems
de raccords a sertir • Sistema de accesorios para prensar
B 70 71  CODE De x Rp mm x inch L mm Z mm Y mm g 690308012 12 x 3/8” 33,5 21 2 38 20 400 690102012 12 x 1/2” 36 26 2 58 20 300 690308015 15 x 3/8” 33,5 21 2 38 20 300 690102015 15 x 1/2” 36 26 2 58 20 300 690304015 15 x 3/4” 39 31 2 76 10 200 690102018 18 x 1/2” 37 26 2 61 20 300 690304018 18 x 3/4” 39 31 2 77 10 200 690102022 22 x 1/2” 36 27 1,5 64 20 200 690304022 22 x 3/4” 39 31 2,5 76 10 150 690100022 22 x 1” 42,5 38 2 112 10 100 690102028 28 x 1/2” 39 34 1 98 20 100 690304028 28 x 3/4” 41,5 34 2 98 10 100 690100028 28 x 1” 45 38 2,5 122 10 100 690114028 28 x 1”1/4 48 46 3 162 10 100 690100035 35 x 1” 45 40 2 132 5 100 690114035 35 x 1”1/4 50 46 2 164 5 100 690114042 42 x 1”1/4 54 50 2 198 4 40 690112042 42 x 1”1/2 54 53 2 217 4 40 690200054 54 x 2” 65 65 3 342 4 32 140

• REDUCER

• REDUZIERSTÜCK

• REDUCTION

• REDUCCIÓN MH

MATERIAL: Cu-DHP99,9 - CW024A

O-RING: EPDM nero - black - Schwarz - noirnegro

GOMITO MISTO 90° FF • WALL PLATE ELBOW 90° WITH

SISTEMI DI RACCORDI A PRESSARE Press Fitting Systems • Pressfittingsysteme • Systèmes de raccords a sertir • Sistema de accesorios para prensar
691 RIDUZIONE MF
B 70 71  CODE De mm L mm Z mm g 691015012 15 x 12 51 31 20 20 500 691018012 18 x 12 53 33 36 20 500 691018015 18 x 15 57 37 42 20 500 691022015 22 x 15 64 44 53 20 400 691022018 22 x 18 59,5 39,5 52 20 300 691028015 28 x 15 54 34 48 20 200 691028018 28 x 18 53 33 54 20 200 691028022 28 x 22 65 44 72 20 200 691035022 35 x 22 59 38 68 10 100 691035028 35 x 28 71 48 98 10 100 691042022 42 x 22 66 45 97 4 80 691042028 42 x 28 65 42 99 4 80 691042035 42 x 35 80,5 54,5 137 4 40 691054022 54 x 22 74 53 154 4 40 691054028 54 x 28 70 47 148 4 40 691054035 54 x 35 76 50 159 4 40 691054042 54 x 42 97,5 67,5 204 4 32
685
FEMALE
DECKENWINKEL
FF
O-RING:
negro THREAD: EN 10226-1
ISO 7/1)  B 70 71  CODE De x Rp mm x inch L1 mm L2 mm Z1 mm Z2 mm A mm B mm D mm g 685102012 12 x 1/2” 34 24 14 9 40 12 6,5 155 10 100 685102015 15 x 1/2” 41,5 22,5 21,5 7 40 14 6,5 172 10 100 685102018 18 x 1/2” 42 24 22 9 40 15 6,5 188 10 100 685304022 22 x 3/4” 42 29 21 13 50 21 6,5 249 10 50 685100022 22 x 1” 45 32 24 13 50 30 6,5 315 10 50 685100028 28 x 1” 48 35 25 16 50 30 6,5 366 5 50 141
THREAD •
90° IG • EQUERRE 90°
• CODO PLACA HH MATERIAL: CuSn5Zn5Pb2-C - CC499K
EPDM nero - black - Schwarz - noir -
(ex

SISTEMI DI RACCORDI A PRESSARE

Press Fitting Systems • Pressfittingsysteme • Systèmes de raccords a sertir • Sistema de accesorios para prensar

684/002

BOCCHETTONE SEDE PIANA FILETTO M

• STRAIGHT MALE UNION CONNECTOR

• DURCHGANGSVERSCHRAUBUNG MIT

AUSSENGEWINDE

• RACCORD UNION FILETÉ

• RÁCOR 3 PIEZAS ROSCADO MACHO

MATERIAL: CuSn5Zn5Pb2-C - CC499K

FITTING: (**): ottone - brass - Messing - laiton - latón

O-RING: EPDM nero - black - Schwarz - noirnegro

GASKET: (*): EPDM nero - black - Schwarznoir - negro

THREAD: EN 10226-1 (ex ISO 7/1)

B 70 71  CODE De x R mm x inch L mm Z mm Gasket mm g 684015002 15 x 1/2” 66 46 24x14 thk 2,5 164 2 100 684015012 15 x 3/4” 67 47 24x14 thk 2,5 195 2 80 684018002 18 x 1/2” 65,5 45,5 24x14 thk 2,5 160 2 80 684018012 18 x 3/4” 66,5 46,5 24x14 thk 2,5 191 2 80 684022002 22 x 3/4” 67 46 30x20 thk 2,5 252 2 60 684022012 22 x 1” 68,5 47,5 30x20 thk 2,5 242 2 60 684028002 28 x 1” 80 56 39x27 thk 2,5 432 2 40 684035002 35 x 1”1/4 89 62 44,5x30 thk 2,5 684 2 20 684042002 42 x 1”1/2 92,5 62,5 50,5x38 thk 2,5 716 2 20 684054002 54 x 2” 106 70 65,5x45 thk 3 1344 2 12 142

SISTEMI DI RACCORDI A PRESSARE

Press Fitting Systems • Pressfittingsysteme • Systèmes de raccords a sertir • Sistema de accesorios para prensar

684/003

BOCCHETTONE SEDE PIANA FILETTO F

• STRAIGHT FEMALE UNION CONNECTOR

• DURCHGANGSVERSCHRAUBUNG MIT

INNENGEWINDE

• RACCORD UNION TARAUDÉ

• RÁCOR 3 PIEZAS HEMBRA

MATERIAL: CuSn5Zn5Pb2-C - CC499K

FITTING: (**): ottone - brass - Messing - laiton - latón

O-RING: EPDM nero - black - Schwarz - noirnegro

GASKET: (*): EPDM nero - black - Schwarznoir - negro

THREAD: EN 10226-1 (ex ISO 7/1)

B 70 71  CODE De x Rp mm x inch L mm Z mm Gasket mm g 684012003 12 x 3/8” 59,5 39,5 18x10 thk 2,5 156 2 100 684012013 12 x 1/2” 59,5 39,5 18x10 thk 2,5 142 2 100 684015003 15 x 1/2” 60,5 40,5 24x14 thk 2,5 170 2 100 684015013 15 x 3/4” 62,5 42,5 24x14 thk 2,5 191 2 100 684018003 18 x 1/2” 62 42 24x14 thk 2,5 168 2 100 684018013 18 x 3/4” 62 42 24x14 thk 2,5 185 2 100 684022003 22 x 1/2” 62,5 41,5 30x20 thk 2,5 299 2 60 684022013 22 x 3/4” 63,5 42,5 30x20 thk 2,5 250 2 60 684022023 22 x 1” 67,5 46,5 30x20 thk 2,5 273 2 60 684028003 28 x 1” 73 49 39x27 thk 2,5 481 2 40 684035003 35 x 1”1/4 81 54 44,5x30 thk 2,5 638 2 24 684042003 42 x 1”1/2 84,5 54,5 50,5x38 thk 2,5 682 2 24 684054003 54 x 2” 104 68 65,5x45 thk 3 1355 2 12 143

SISTEMI DI RACCORDI A PRESSARE

Press Fitting Systems • Pressfittingsysteme • Systèmes de raccords a sertir • Sistema de accesorios para prensar

Certificazioni / Certifications

PRODUKTE DER GASVERSORGUNGT

RACCORDI A PRESSARE PER GAS - PLUMBING FITTINGS FOR GASES

AESPRES GAS - WITH O-RING NBR

COPPER AND BRONZE PRESS CONNECTORS

Campi di applicazione / Fields of application

Gas metano / GPL

Natural gas / LPG GAS

DG-8531CL0376Ø 15 –
54 mm
CA06.00293 Ø 15 – 54 mm
Ø 15 – 54 mm Ø 15 – 54 mm C-16-3742-A 13/16
144

SISTEMI DI RACCORDI A PRESSARE

Press Fitting Systems • Pressfittingsysteme • Systèmes de raccords a sertir • Sistema de accesorios para prensar

TUBO RAME PER AESPRES - AESPRES GAS AESPRES - AESPRES GAS COPPER PIPING

Le tubazioni per impianti acqua e gas in rame, devono essere rispondenti alla norma UNI EN 1057:2010. Rame e leghe di rame - Tubi rotondi di rame senza saldatura per acqua e gas nelle applicazioni sanitarie e di riscaldamento. Piping for copper water and gas installation should comply with the standard EN 1057:2010, “Copper and copper alloys - Round tubes in copper without welding for water and gas in health-care and heating applications”.

CARATTERISTICHE MECCANICHE DEI TUBI DI RAME - EN 1057 MECHANICAL FEATUEES FOR COPPER TUBES - EN 1057

Le dimensioni dei tubi utilizzabili con i sistemi a pressare Aespres ed Aespres Gas sono esposte nella tabella sottostante. Tube sizes to be used with Aespres and Aespres Gas press fittings are inluceded in the annexet table.

RIF. EN
STATO - STATE RESISTENZA MINIMA TRAZIONE MINIMUM TRACTION RESISTANCE RM (MPA) R220 Ricotto - Annealed 220 R250 Semiduro - Semi-hard 250 R290 Duro - Hard 290 DILATAZIONE DI ROTTURA “A” BREAKING “A” DILATION Rif. EN 1173 øe (mm) A min. (%) R220 12÷22 40 R250 12÷28 20 R290 12÷54 3 STATO DI FORNITURA DELIVERY CONDITION R220 Ricotto - Annealed Rotolo - Roll R250 Semiduro - Semi-hard Barra - Bar R290 Duro -
Barra - Bar
1173
Hard
DIMENSIONI DEI TUBI DI RAME - EN 1057
DVGW GW 392 AESPRES PIPES DIMENSIONS AND CHARACTERISTICS - EN 1057 / DVGW GW 392 ø ESTERNO x SP. EXTERNAL ø x THK. mm DN ø INTERNO INTERNAL ø mm MASSA MASS kg/m CONTENUTO D’ACQUA WATER VOLUME l/m STATO FORNITURA SUPPLIED CONDITION 12x1 10 10 0,309 0,079 Rotolo / Roll 25/50 m (R 220) o / or Barra / Bar 5 m (R 250) 15x1 12 13 0,393 0,133 18x1 15 16 0,477 0,201 22x1 20 20 0,589 0,314 28x1,5 25 25 1,115 0,491 Barra / Bar 5 m (R250) 35x1,5 32 32 1,410 0,804 Barra / Bar 5 m (R290) 42x1,5 40 39 1,704 1,194 54x2 50 50 2,918 1,963 145
/

681/450 G

CURVA 45° FF

• 45° ELBOW FF

• BOGEN 45° II

• COUDE FF 45°

• CURVA 45° HH

MATERIAL: Cu-DHP99,9 - CW024A

O-RING: NBR giallo - yellow - Gelb - jauneamarillo

681/451 G

CURVA 45° MF • 45° ELBOW MF • BOGEN 45° IA

• COUDE MF 45°

• CURVA 45° HM

MATERIAL: Cu-DHP99,9 - CW024A

O-RING: NBR giallo - yellow - Gelb - jauneamarillo

SISTEMI DI RACCORDI A PRESSARE Press Fitting Systems • Pressfittingsysteme • Systèmes de raccords a sertir • Sistema de accesorios para prensar
B 70 72  CODE De mm L mm Z mm g 681015450G 15 27,5 7,5 36 4 681018450G 18 29,5 9,5 53 4 681022450G 22 32 11 71 4 681028450G 28 37 14 101 4 681035450G 35 43,5 17,5 138 1 681042450G 42 51 21 200 1 681054450G 54 62 26,5 306 1
B 70 72  CODE De mm L mm H mm Z mm g 681015451G 15 27,5 40 7,5 41 4 681018451G 18 29,5 36 9,5 50 4 681022451G 22 32 42 11 69 4 681028451G 28 37 46 14 99 4 681035451G 35 43,5 57,5 17,5 144 1 681042451G 42 51 72 21 215 1 681054451G 54 62 82 26,5 333 1 146

681/900 G

CURVA 90° FF

• 90° ELBOW FF

• BOGEN 90° II

• COUDE FF 90°

• CURVA 90° HH

MATERIAL: Cu-DHP99,9 - CW024A

O-RING: NBR giallo - yellow - Gelb - jauneamarillo

681/901 G

CURVA 90° MF

• 90° ELBOW MF

• BOGEN 90° IA

• COUDE MF 90°

• CURVA 90° HM

MATERIAL: Cu-DHP99,9 - CW024A

O-RING: NBR giallo - yellow - Gelb - jauneamarillo

SISTEMI DI RACCORDI A PRESSARE Press Fitting Systems • Pressfittingsysteme • Systèmes de raccords
• Sistema de
para
a sertir
accesorios
prensar
B 70 72  CODE De mm L mm Z mm g 681015900G 15 38 18 51 4 681018900G 18 41,5 21,5 62 4 681022900G 22 47 26 88 4 681028900G 28 56 33 128 4 681035900G 35 68 42 180 1 681042900G 42 80 50 265 1 681054900G 54 100 64,5 419 1
B 70 72  CODE De mm L mm H mm Z mm g 681015901G 15 38 48 18 49 4 681018901G 18 41,5 48,5 21,5 62 4 681022901G 22 47 57 26 87 4 681028901G 28 56 64 33 130 4 681035901G 35 68 82 42 195 1 681042901G 42 80 101 50 278 1 681054901G 54 100 120 64,5 435 1 147

SISTEMI DI RACCORDI A PRESSARE

697 G

GOMITO MISTO 90° FILETTO M

• ELBOW ADAPTER 90° WITH MALE THREAD

• ÜBERGANGSWINKEL 90° AG

• EQUERRE 90° AVEC FILETAGE M

• CODO MACHO

MATERIAL: CuSn5Zn5Pb2-C - CC499K

O-RING: NBR giallo - yellow - Gelb - jauneamarillo

THREAD: EN 10226-1 (ex ISO 7/1)

698 G

GOMITO MISTO 90° FILETTO F

• ELBOW ADAPTER 90° WITH FEMALE THREAD

• ÜBERGANGSWINKEL 90° IG

• EQUERRE 90° AVEC FILETAGE F

• CODO HEMBRA

MATERIAL: CuSn5Zn5Pb2-C - CC499K

O-RING: NBR giallo - yellow - Gelb - jauneamarillo

THREAD: EN 10226-1 (ex ISO 7/1)

Press Fitting Systems • Pressfittingsysteme • Systèmes de raccords a sertir • Sistema de accesorios para prensar
B 70 72  CODE De x R mm x inch L1 mm L2 mm Z mm g 697308015G 15 x 3/8” 35 41,5 21,5 86 4 697102015G 15 x 1/2” 38,5 41,5 21,5 131 4 697102018G 18 x 1/2” 40 42 22 136 4 697304018G 18 x 3/4” 44 42 22 177 4 697102022G 22 x 1/2” 42 42 21 162 4 697304022G 22 x 3/4” 47 42 21 193 4 697102028G 28 x 1/2” 45 47 24 199 4 697100028G 28 x 1” 53 45 24 318 4 697114035G 35 x 1”1/4 68 55 29 471 1 697112042G 42 x 1”1/2 75 65 35 660 1 697200054G 54 x 2” 88 78 42 1078 1
B 70 72  CODE De x Rp mm x inch L1 mm L2 mm Z1 mm Z2 mm g 698308015G 15 x 3/8” 22,5 41,5 12 21,5 87 4 698102015G 15 x 1/2” 22,5 41,5 16 21,5 102 4 698304015G 15 x 3/4” 25 41,5 16 21,5 125 4 698102018G 18 x 1/2” 24 42 16 22 112 4 698304018G 18 x 3/4” 26 42 16 22 133 4 698102022G 22 x 1/2” 26 42 15 21 129 4 698304022G 22 x 3/4” 29 42 16 21 152 4 698100022G 22 x 1” 32 45 19 24 203 4 698102028G 28 x 1/2” 29 47 16 24 168 4 698100028G 28 x 1” 35 48 19 25 240 4 698114035G 35 x 1”1/4 45 55 23 29 403 1 698112042G 42 x 1”1/2 52 65 23 35 541 1 698200054G 54 x 2” 60 78 27 42 1085 1 148

682 G

“T”

• EQUAL TEE

• T-STÜCK

• TÉ ÉGAL

• TE IGUAL HHH

MATERIAL: Cu-DHP99,9 - CW024A

O-RING: NBR giallo - yellow - Gelb - jauneamarillo

689 G

“T” CON DERIVAZIONE FILETTO F

• BRANCH TEE FEMALE BSP OUTLET

• T-STÜCK MIT ABGANG IG

• TÉ MIXTE AVEC FILETAGE F

• TE HEMBRA ROSCADA

MATERIAL: CuSn5Zn5Pb2-C - CC499K

O-RING: NBR giallo - yellow - Gelb - jauneamarillo

THREAD: EN 10226-1 (ex ISO 7/1)

SISTEMI DI RACCORDI A PRESSARE Press Fitting Systems • Pressfittingsysteme • Systèmes de raccords a sertir • Sistema de accesorios para prensar
B 70 72  CODE De mm L1 mm L2 mm Z1 mm Z2 mm g 682015000G 15 32 32 13,5 12 75 4 682018000G 18 34 34 13,5 14 96 4 682022000G 22 37 37 16 16 125 4 682028000G 28 42 42 19 19 174 4 682035000G 35 50 50 24 24 245 1 682042000G 42 57 63 27 33 345 1 682054000G 54 69 78 33,5 42 559 1
B 70 72  CODE De x Rp x De mm x inch x mm L1 mm L2 mm Z1 mm Z2 mm g 689308015G 15 x 3/8” x 15 41,5 22,5 21,5 10,5 118 4 689102015G 15 x 1/2” x 15 41,5 22,5 21,5 8,5 128 4 689102018G 18 x 1/2” x 18 42 24 22 10 145 4 689102022G 22 x 1/2” x 22 42 26 21 12 170 4 689304022G 22 x 3/4” x 22 42 30 21 14 183 4 689102028G 28 x 1/2” x 28 44 29 21 15 211 4 689304028G 28 x 3/4” x 28 44 30 21 14 216 4 689100028G 28 x 1” x 28 44 34 21 16 265 4 689102035G 35 x 1/2” x 35 50 34 24 19 308 1 689304035G 35 x 3/4” x 35 50 34 24 18 305 1 689100035G 35 x 1” x 35 50 35 24 17 329 1 689102042G 42 x 1/2” x 42 57 38 27 23 419 1 689304042G 42 x 3/4” x 42 57 38 27 22 415 1 689102054G 54 x 1/2” x 54 69 44 33 30 638 1 689304054G 54 x 3/4” x 54 69 44 33 28 639 1 149

692 G

“T” RIDOTTO

• REDUCING TEE

• T-STÜCK MIT REDUZIERTEM ABGANG

• TÉ RÉDUIT

• TE REDUCIDA HHH

MATERIAL: Cu-DHP99,9 - CW024A

O-RING: NBR giallo - yellow - Gelb - jauneamarillo

683/003 G

Fitting Systems • Pressfittingsysteme • Systèmes de
sertir • Sistema de
prensar
SISTEMI DI RACCORDI A PRESSARE Press
raccords a
accesorios para
B 70 72  CODE De mm L1 mm L2 mm Z1 mm Z2 mm g 692018015G 18 x 15 x 18 34 35 14 15 93 4 692022015G 22 x 15 x 22 37 38 16 18 122 4 692022018G 22 x 18 x 22 37 38 16 18 128 4 692028015G 28 x 15 x 28 42 40,5 19 20,5 167 4 692028018G 28 x 18 x 28 42 40,5 19 20,5 168 4 692028022G 28 x 22 x 28 42 41 19 20 173 4 692035015G 35 x 15 x 35 50 44 24 24 250 1 692035018G 35 x 18 x 35 50 44 24 24 241 1 692035022G 35 x 22 x 35 50 44 24 23 237 1 692035028G 35 x 28 x 35 50 44 24 21 231 1 692042015G 42 x 15 x 42 57 47,5 27 27,5 338 1 692042018G 42 x 18 x 42 57 47,5 27 27,5 338 1 692042022G 42 x 22 x 42 57 53 27 32 330 1 692042028G 42 x 28 x 42 57 56 27 33 323 1 692042035G 42 x 35 x 42 57 61 27 35 338 1 692054022G 54 x 22 x 54 69 59 33,5 38 469 1 692054028G 54 x 28 x 54 69 64 33,5 41 465 1 692054035G 54 x 35 x 54 69 67 33,5 41 502 1 692054042G 54 x 42 x 54 69 70 33,5 40 489 1
TAPPO DI CHIUSURA • STOP END • VERSCHLUSSKAPPE • BOUCHON D’OBTURATION • TAPÓN MATERIAL: Cu-DHP99,9 - CW024A O-RING: NBR giallo - yellow - Gelb - jauneamarillo  B 70 72  CODE De mm L mm L1 mm g 683015003G 15 22,5 2,5 20 4 683018003G 18 23 3 25 4 683022003G 22 24,5 2,5 34 4 683028003G 28 26,5 3,5 49 4 683035003G 35 28,5 2,5 65 1 683042003G 42 32,5 2,5 93 1 683054003G 54 37,5 2,5 147 1 150

683/000 G

MATERIAL: Cu-DHP99,9 - CW024A

O-RING: NBR giallo - yellow - Gelb - jauneamarillo

683/001 G

MANICOTTO PASSANTE

• SLIP COUPLING

• SCHIEBEMUFFE

• MANCHON LONG

• MANGUITO SIN TOPE

MATERIAL: Cu-DHP99,9 - CW024A

O-RING: NBR giallo - yellow - Gelb - jauneamarillo

A PRESSARE Press Fitting Systems • Pressfittingsysteme • Systèmes de raccords a sertir • Sistema de accesorios para prensar
SISTEMI DI RACCORDI
COUPLING
MUFFE
MANICOTTO •
• MANCHON
• MANGUITO HH
B 70 72  CODE De mm L mm Z mm g 683015000G 15 49 9 39 4 683018000G 18 50 10 47 4 683022000G 22 53 11 62 4 683028000G 28 56 10 84 4 683035000G 35 63 10 108 1 683042000G 42 72 12 156 1 683054000G 54 83 13 225 1
B 70 72  CODE De mm L mm es mm g 683015001G 15 80 25 58 4 683018001G 18 80 25 66 4 683022001G 22 80 25 80 4 683028001G 28 90 30 110 4 683035001G 35 102 30 167 1 683042001G 42 120 40 223 1 683054001G 54 140 40 333 1 151

687 G

Press Fitting Systems • Pressfittingsysteme • Systèmes de raccords a sertir • Sistema de accesorios para prensar
SISTEMI DI RACCORDI A PRESSARE
MISTO FILETTO M
MALE ADAPTER • ÜBERGANGSSTÜCK MIT AG • RACCORD AVEC FILETAGE MALE • UNIÓN MACHO MATERIAL: CuSn5Zn5Pb2-C - CC499K O-RING: NBR giallo - yellow - Gelb - jauneamarillo THREAD: EN 10226-1 (ex ISO 7/1)  B 70 72  CODE De x R mm x inch L mm Z mm Y mm g 687308015G 15 x 3/8” 32 21 12 32 4 687102015G 15 x 1/2” 36 22 16 53 4 687304015G 15 x 3/4” 37,5 27 17,5 74 4 687102018G 18 x 1/2” 37 22 17 47 4 687304018G 18 x 3/4” 38 27 17 65 4 687102022G 22 x 1/2” 36 27 18 58 4 687304022G 22 x 3/4” 39 27 18 64 4 687100022G 22 x 1” 42,5 34 21,5 111 4 687304028G 28 x 3/4” 42 34 19 93 4 687100028G 28 x 1” 44,5 34 21,5 105 4 687114028G 28 x 1”1/4 48 43 25 192 4 687100035G 35 x 1” 48 40 22 139 1 687114035G 35 x 1”1/4 50 43 24 182 1 687112035G 35 x 1”1/2 51 50 25 239 1 687114042G 42 x 1”1/4 54 50 24 223 1 687112042G 42 x 1”1/2 54 50 24 215 1 687112054G 54 x 1”1/2 60 63 24 316 1 687200054G 54 x 2” 63,5 63 27,5 341 1 152
MANICOTTO

690 G

PRESSARE
Fitting Systems • Pressfittingsysteme • Systèmes de raccords a sertir • Sistema de accesorios para prensar
SISTEMI DI RACCORDI A
Press
MISTO FILETTO F
FEMALE ADAPTER • ÜBERGANGSSTÜCK MIT IG • RACCORD AVEC FILETAGE FEMELLE • UNIÓN HEMBRA
CuSn5Zn5Pb2-C
7/1)  B 70 72  CODE De x Rp mm x inch L mm Z mm Y mm g 690308015G 15 x 3/8” 33,5 21 2 38 4 690102015G 15 x 1/2” 36 26 2 58 4 690304015G 15 x 3/4” 39 31 2 76 4 690102018G 18 x 1/2” 37 26 2 61 4 690304018G 18 x 3/4” 39 31 2 77 4 690102022G 22 x 1/2” 36 27 1,5 64 4 690304022G 22 x 3/4” 39 31 2.5 76 4 690100022G 22 x 1” 42,5 38 2 112 4 690102028G 28 x 1/2” 39 34 1 98 4 690304028G 28 x 3/4” 41,5 34 2 98 4 690100028G 28 x 1” 45 38 2,5 122 4 690114028G 28 x 1”1/4 48 46 3 162 4 690100035G 35 x 1” 45 40 2 132 1 690114035G 35 x 1”1/4 50 46 2 164 1 690114042G 42 x 1”1/4 54 50 2 198 1 690112042G 42 x 1”1/2 54 53 2 217 1 690200054G 54 x 2” 65 65 3 342 1 153
MANICOTTO
MATERIAL:
- CC499K O-RING: NBR giallo - yellow - Gelb - jauneamarillo THREAD: EN 10226-1 (ex ISO

SISTEMI DI RACCORDI A PRESSARE

Press Fitting Systems • Pressfittingsysteme • Systèmes de raccords a sertir • Sistema de accesorios para prensar

691 G

RIDUZIONE MF

• REDUCER

• REDUZIERSTÜCK

• REDUCTION

• REDUCCIÓN MH

MATERIAL: Cu-DHP99,9 - CW024A

B 154

O-RING: NBR giallo - yellow - Gelb - jauneamarillo

685 G

GOMITO MISTO 90° FF

• WALL PLATE ELBOW 90° WITH FEMALE THREAD

• DECKENWINKEL 90° IG

• EQUERRE 90° FF

• CODO PLACA

MATERIAL: CuSn5Zn5Pb2-C - CC499K

O-RING: NBR giallo - yellow - Gelb - jauneamarillo

B 70 72  CODE De mm L mm Z mm g 691018015G 18 x 15 57 37 42 4 691022015G 22 x 15 64 44 53 4 691022018G 22 x 18 59,5 39,5 52 4 691028015G 28 x 15 54 34 48 4 691028018G 28 x 18 53 33 54 4 691028022G 28 x 22 65 44 72 4 691035022G 35 x 22 59 38 68 1 691035028G 35 x 28 71 48 98 1 691042022G 42 x 22 66 45 97 1 691042028G 42 x 28 65 42 99 1 691042035G 42 x 35 80,5 54,5 137 1 691054022G 54 x 22 74 53 154 1 691054028G 54 x 28 70 47 148 1 691054035G 54 x 35 76 50 159 1 691054042G 54 x 42 97,5 67,5 204 1
THREAD: EN 10226-1 (ex ISO 7/1) 70 72  CODE De x Rp mm x inch L1 mm L2 mm Z1 mm Z2 mm A mm B mm D mm g 685102015G 15 x 1/2” 41,5 22,5 21,5 7 40 14 6,5 172 4 685102018G 18 x 1/2” 42 24 22 9 40 15 6,5 188 4 685304022G 22 x 3/4” 42 29 21 13 50 21 6,5 247 4

Certificazioni / Certifications

Campi di applicazione / Fields of application

SISTEMI DI RACCORDI A PRESSARE Press Fitting Systems • Pressfittingsysteme • Systèmes de raccords a sertir • Sistema de accesorios para prensar GIUNTI MECCANICI PER TUBOLATURE - MARINEPRES MAC - 069514CS/001 - 002 Ø 15 – 108 mm TUBE FITTINGS - MARINEPRES TAP000007BØ 15 – 108 mm PRESS FIT SYSTEM OF COMPRESSION TYPE FOR PIPING SYSTEMS 15/20055 (E1) Ø 15 – 108 mm MARINEPRES PIPE PENETRATION (STANDARD FIRE TEST) Ø 15–108 MM MED 1650183 - SASF160205Ø 15 – 108 mm PIPE COUPLING WITH O-RING SEAL MARINEPRES SYSTEM 38059/A0 BVØ 15 – 108 mm MARINEPRES, PIPING SYSTEM AND FITTING 15-GE1308502-PDAØ 15 – 108 mm
Ø 15 – 108 mm ML 16T00012 MARINEPRES, MECHANICAL JOINTS MECHANICAL JOINTS FOR PIPES - MARINEPRES Attestato di conformità al D.M. 174/2004 TIFQ-099-AP06/00 Ø 15 – 54 mm
Riscaldamento Heating Aria compressa Compressed air Scarichi Waste water Raffrescamento Cooling Antincendio Fire protection systems Solare termico Solar thermal Acque di processo Process water O -ri n g EP D M Nero | Black | Schwarz | Noir | Negro O -ring FKM Verde | Green | Grün | Ver t | Verde 155

616/000 CN

ISOFÓNICA PARA TUBO

MATERIAL: AISI 304 / W. 1.4301 VULCANIZED RUBBER: EPDM (-20° C/+120° C)

NOTE: dado saldato con puntatura elettrica spot welded nut

*Gomma staccabile - Detachable rubber - Abnehmbare Gummi - Caoutchouc amovible - Goma desmontable

Press Fitting Systems • Pressfittingsysteme • Systèmes de raccords a sertir • Sistema de accesorios para prensar
SISTEMI DI RACCORDI A PRESSARE
PER IMPIANTI NAVALI
NAVAL
PARA SECTOR NAVAL NORM: DIN 86019 ≤54  B 90 91  76÷108  B 90 92  Mat. Nr.: CuNi10Fe1.6Mn L=6 m CODE Dimensions mm x mm Ø int mm L m kg/m Volume l/m Minimum package m 616015000CN 15 x 1,0 13 6 0,39 0,133 60 616018000CN 18 x 1,0 16 6 0,48 0,201 60 616022000CN 22 x 1,0 20 6 0,59 0,314 60 616028000CN 28 x 1,5 25 6 1,12 0,491 30 616035000CN 35 x 1,5 32 6 1,41 0,804 30 616042000CN 42 x 1,5 39 6 1,71 1,194 30 616054000CN 54 x 1,5 51 6 2,21 2,042 30 616076000CN 76,1 x 2,0 72,1 6 4,16 4,08 6 616088000CN 88,9 x 2,0 84,9 6 4,88 5,66 6 616108000CN 108 x 2,5 103 6 7,41 8,332 6
GOMMA PER TUBO MARINEPRES • CLAMP WITH RUBBER FOR MARINEPRES PIPE • ROHRSCHELLE MIT GUMMIEINLAGE FÜR MARINEPRES ROHR • COLLIER DE FIXATION GARNITURE ISOPHONIQUE POUR TUBE MARINEPRES • ABRAZADERA
MARINEPRES
• FOR SHIPYARD SECTOR • FÜR SCHIFFSBEREICH • POUR SECTEUR
156/G COLLARE
durezza/hardness
55 Shore
A 50 50  Conforme a Conform to Entsprechend Correspondant Conforme a la DIN 4109 CODE Øi mm M V mm B mm L mm S mm g 156150304G 15 M 8 M 6 x 20 20 58 2 72 50** 156308304G 18 M 8 M 6 x 20 20 58 2 76 50** 156102304G 22 M 8 M 6 x 20 20 63,5 2 86 50** 156304304G 28 M 8 M 6 x 20 20 70 2 94 50** 156100304G 35 M 8 M 6 x 20 20 79 2 112 50** 156114304G 42 M 8 M 6 x 20 20 85 2 120 50** 156112304G 54 M 8 M 6 x 25 20 97 2 142 50** 156212304G 76,1 M 10 M 6 x 25 30 128 2 308 10** 156300304G 88,9 M 10 M 6 x 25 30 148 2 346 10** 156108304G* 107 - 110 M 8/10 M 6 x 25 20 168 2 160 10**
156

681/150 CN

CURVA 15° FF

• 15° ELBOW FF

• BOGEN 15° II

• COUDE FF 15°

• CURVA 15° HH

MATERIAL: CuNi10Fe1.6Mn

O-RING: FKM verde - green - Grün - vertverde

681/151 CN

CURVA 15° MF

• 15° ELBOW MF

• BOGEN 15° IA

• COUDE MF 15°

• CURVA 15° HM

MATERIAL: CuNi10Fe1.6Mn

O-RING: FKM verde - green - Grün - vertverde

SISTEMI DI RACCORDI A PRESSARE Press Fitting Systems • Pressfittingsysteme • Systèmes de raccords a sertir • Sistema de accesorios para prensar
≤54  B 80 81  76÷108  B 80 82  CODE De mm L mm Z mm g 681015150CN 15 30 10 43 20 681022150CN 22 33 12 72 20 681028150CN 28 36 13 97 10 681035150CN 35 37 11 140 10 681042150CN 42 42 12 200 4 681054150CN 54 49 13 302 2 681076150CNC 76,1 87,5 32,5 863 2 681088150CNC 88,9 100,5 40,5 1147 2 681108150CNC 108 109,5 34,5 1567 2
≤54  B 80 81  76÷108  B 80 82  CODE De mm L mm H mm Z mm g 681015151CN 15 30 40 10 42 20 681022151CN 22 33 41 12 71 20 681028151CN 28 36 43 13 101 10 681035151CN 35 37 41 11 148 10 681042151CN 42 42 47 12 208 4 681054151CN 54 49 55 13 339 2 681076151CNC 76,1 87,5 95,5 32,5 827 2 681088151CNC 88,9 100,5 108,5 40,5 1100 2 681108151CNC 108 109,5 118 34,5 1482 2 157

681/300 CN

Press Fitting Systems • Pressfittingsysteme • Systèmes de raccords a sertir • Sistema de accesorios para prensar
SISTEMI DI RACCORDI A PRESSARE
30° FF
30° ELBOW FF
BOGEN 30° II
COUDE FF 30°
CURVA 30° HH
CuNi10Fe1.6Mn O-RING: FKM verde - green - Grün - vertverde ≤54  B 80 81  76÷108  B 80 82  CODE De mm L mm Z mm g 681015300CN 15 33 13 43 20 681022300CN 22 37 16 72 20 681028300CN 28 41 18 97 10 681035300CN 35 37 11 140 10 681042300CN 42 44 14 200 4 681054300CN 54 52 17 302 2 681076300CN 76,1 100 55 1004 2 681088300CN 88,9 115 64 1394 2 681108300CN 108 127 68 1896 2 681/301 CN CURVA 30° MF • 30° ELBOW MF • BOGEN 30° IA • COUDE MF 30° • CURVA 30° HM MATERIAL: CuNi10Fe1.6Mn O-RING: FKM verde - green - Grün - vertverde ≤54  B 80 81  76÷108  B 80 82  CODE De mm L mm H mm Z mm g 681015301CN 15 33 43 13 42 20 681022301CN 22 37 46 16 71 20 681028301CN 28 41 48 18 101 10 681035301CN 35 37 46 11 148 10 681042301CN 42 44 54 14 208 4 681054301CN 54 52 63 17 339 2 681076301CN 76,1 100 108 55 1004 2 681088301CN 88,9 115 123 64 1394 2 681108301CN 108 127 136 68 1896 2 158
CURVA
MATERIAL:

681/450 CN

CURVA 45° FF

• 45° ELBOW FF

• BOGEN 45° II

• COUDE FF 45°

• CURVA 45° HH

MATERIAL: CuNi10Fe1.6Mn

O-RING: FKM verde - green - Grün - vertverde

681/451 CN

CURVA 45° MF

• 45° ELBOW MF

• BOGEN 45° IA

• COUDE MF 45°

• CURVA 45° HM

MATERIAL: CuNi10Fe1.6Mn

O-RING: FKM verde - green - Grün - vertverde

SISTEMI DI RACCORDI A PRESSARE Press Fitting Systems • Pressfittingsysteme • Systèmes de raccords a sertir • Sistema de accesorios para prensar
≤54  B 80 81  76÷108  B 80 82  CODE De mm L mm Z mm g 681015450CN 15 27,5 7,5 43 20 681018450CN 18 29,5 9,5 54 20 681022450CN 22 32 11 72 20 681028450CN 28 37 14 97 10 681035450CN 35 43,5 17,5 140 10 681042450CN 42 51 21 200 4 681054450CN 54 62 26,5 302 2 681076450CN 76,1 133 78 1004 2 681088450CN 88,9 144,5 84,5 1394 2 681108450CN 108 169 94 1896 2
≤54  B 80 81  76÷108  B 80 82  CODE De mm L mm H mm Z mm g 681015451CN 15 27,5 39,5 7,5 42 20 681018451CN 18 29,5 36 9,5 54 20 681022451CN 22 32 42 11 71 20 681028451CN 28 37 46 14 101 10 681035451CN 35 43,5 57,5 17,5 148 10 681042451CN 42 51 72 21 208 4 681054451CN 54 62 82 26,5 339 2 681076451CN 76,1 133 149 78 1004 2 681088451CN 88,9 144,5 159,5 84,5 1394 2 681108451CN 108 169 184 94 1896 2 159

681/600 CN

681/601 CN

PRESSARE Press Fitting Systems • Pressfittingsysteme • Systèmes de raccords a sertir • Sistema de accesorios para prensar
SISTEMI DI RACCORDI A
60° FF • 60° ELBOW FF • BOGEN 60° II • COUDE FF 60°
CURVA 60° HH
CuNi10Fe1.6Mn
FKM verde - green - Grün - vertverde ≤54  B 80 81  76÷108  B 80 82  CODE De mm L mm Z mm g 681028600CN 28 42 19 109 10 681035600CN 35 71 44 140 5 681042600CN 42 82 50 200 2 681054600CN 54 82 44 348 2 681076600CN 76,1 146,5 91,5 1311 2 681088600CN 88,9 162 102 1687 2 681108600CN 108 1190 115 2440 2
CURVA
MATERIAL:
O-RING:
CURVA 60° MF • 60° ELBOW MF • BOGEN 60° IA • COUDE MF 60° • CURVA 60° HM MATERIAL: CuNi10Fe1.6Mn O-RING: FKM verde - green - Grün - vertverde ≤54  B 80 81  76÷108  B 80 82  CODE De mm L mm H mm Z mm g 681035601CN 35 71 74 50 148 5 681042601CN 42 82 86 50 208 2 681054601CN 54 82 89 45 339 2 681076601CN 76,1 146,5 164 91,5 1313 2 681088601CN 88,9 162 177 102 1674 2 681108601CN 108 190 205 115 2392 2 160 NEW

681/900 CN

CURVA 90° FF

• 90° ELBOW FF

• BOGEN 90° II

• COUDE FF 90°

• CURVA 90° HH

MATERIAL: CuNi10Fe1.6Mn

O-RING: FKM verde - green - Grün - vertverde

681/901 CN

CURVA 90° MF

• 90° ELBOW MF

• BOGEN 90° IA

• COUDE MF 90°

• CURVA 90° HM

MATERIAL: CuNi10Fe1.6Mn

O-RING: FKM verde - green - Grün - vertverde

PRESSARE Press Fitting Systems • Pressfittingsysteme • Systèmes de raccords a sertir • Sistema de accesorios para prensar
SISTEMI DI RACCORDI A
≤54  B 80 81  76÷108  B 80 82  CODE De mm L mm Z mm g 681015900CN 15 38 18 51 20 681018900CN 18 41,5 21,5 64 20 681022900CN 22 47 26 88 10 681028900CN 28 56 33 124 10 681035900CN 35 68 42 185 5 681042900CN 42 80 50 253 2 681054900CN 54 100 65 427 2 681076900CN 76,1 160 105 1283 2 681088900CN 88,9 182 122 1762 2 681108900CN 108 220 145 2509 2
≤54  B 80 81  76÷108  B 80 82  CODE De mm L mm H mm Z mm g 681015901CN 15 38 48 18 51 20 681018901CN 18 41,5 48,5 21,5 64 20 681022901CN 22 47 57 26 88 10 681028901CN 28 56 64 33 124 10 681035901CN 35 68 82 42 191 5 681042901CN 42 80 101 50 268 2 681054901CN 54 100 120 65 422 2 681076901CN 76,1 160 177 105 1283 2 681088901CN 88,9 182 197 122 1762 2 681108901CN 108 220 233 145 2509 2 161

SISTEMI DI RACCORDI A PRESSARE

Press Fitting Systems • Pressfittingsysteme • Systèmes de raccords a sertir • Sistema de accesorios para prensar

682 CN

“T”

• EQUAL TEE

• T-STÜCK

• TÉ ÉGAL

• TE IGUAL HHH

MATERIAL: CuNi10Fe1.6Mn

O-RING: FKM verde - green - Grün - vertverde

(*): idroformato - hydroformed - hydrogeformt - hydroformé - hidroformado

THREAD: EN 10226-1 (ex ISO 7/1)

≤54  B 80 81  76÷108  B 80 82  CODE De mm L1 mm L2 mm Z1 mm Z2 mm g 682015000CN* 15 32 32 10,5 10,5 77 20 682018000CN* 18 34 34 12,5 12,5 95 20 682022000CN* 22 37 37 14,5 14,5 124 10 682028000CN* 28 42 42 17,5 17,5 175 10 682035000CN* 35 50 50 22,5 22,5 252 4 682042000CN* 42 57 57 25,5 25,5 343 4 682054000CN* 54 69 69 32,5 32,5 520 2 682076000CN 76,1 108 117,5 53 62,5 1422 2 682088000CN 88,9 131,5 134,5 71,5 71,5 1712 2 682108000CN 108 155 160 80 85 2359 2
689 CN “T” CON DERIVAZIONE FILETTO F • BRANCH TEE FEMALE BSP OUTLET • T-STÜCK MIT ABGANG IG • TÉ MIXTE AVEC FILETAGE F • TE HEMBRA ROSCADA MATERIAL: CuNi10Fe1.6Mn O-RING: FKM verde - green - Grün - vertverde
≤54  B 80 81  76÷108  B 80 82  CODE De x Rp x De mm x inch x mm L1 mm L2 mm Z1 mm Z2 mm g 689102015CN 15 x 1/2” x 15 34,5 40 13,5 25 100 20 689102018CN 18 x 1/2” x 18 36,5 41,5 16,5 26,5 121 20 689102022CN 22 x 1/2” x 22 39,5 44 18 29 154 10 689304022CN 22 x 3/4” x 22 39,5 47 18 30,5 159 10 689102028CN 28 x 1/2” x 28 44 46,5 21 31,5 188 10 689304028CN 28 x 3/4” x 28 44 49,5 21 33 206 10 689102035CN 35 x 1/2” x 35 51 50 25,5 35 220 5 689304035CN 35 x 3/4” x 35 51 53 25,5 36,5 229 5 689102042CN 42 x 1/2” x 42 58,5 54 28,5 39 302 4 689304042CN 42 x 3/4” x 42 58,5 56,5 28,5 40 309 4 689102054CN 54 x 1/2” x 54 69,5 61 34 46 420 2 689304054CN 54 x 3/4” x 54 69,5 64 34 47,5 436 2 689304076CN 76,1 x 3/4” x 76,1 108 76 53 59,5 1160 2 689304088CN 88,9 x 3/4” x 88,9 131,5 83,5 71,5 67 1400 2 689304108CN 108 x 3/4” x 108 155 93 80 76,5 1896 2 162

692 CN

“T” RIDOTTO

• REDUCING TEE

• T-STÜCK MIT REDUZIERTEM ABGANG

• TÉ RÉDUIT

• TE REDUCIDA HHH

MATERIAL: CuNi10Fe1.6Mn

O-RING: FKM verde - green - Grün - vertverde

DI RACCORDI A PRESSARE
Fitting Systems • Pressfittingsysteme • Systèmes de raccords a sertir • Sistema de accesorios para prensar
SISTEMI
Press
≤54  B 80 81  76÷108  B 80 82  CODE De mm L1 mm L2 mm Z1 mm Z2 mm g 692018015CN* 18 x 15 x 18 34 35 12,5 13,5 89 20 692022015CN* 22 x 15 x 22 37 38 14,5 16,5 120 10 692028015CN* 28 x 15 x 28 42 40,5 17,5 19 157 10 692028018CN* 28 x 18 x 28 42 40,5 17,5 19 162 10 692028022CN* 28 x 22 x 28 42 41 17,5 20 166 10 692035015CN 35 x 15 x 35 51 49 25 29 176 5 692035022CN 35 x 22 x 35 51 50,5 25 29,5 186 5 692035028CN 35 x 28 x 35 51 53,5 25 30,5 191 5 692042022CN 42 x 22 x 42 58,5 54 28 33 264 4 692042028CN 42 x 28 x 42 58,5 57 28 34 261 4 692042035CN 42 x 35 x 42 58,5 61 28 35 303 4 692054022CN 54 x 22 x 54 69,5 61,5 34 40,5 368 2 692054028CN 54 x 28 x 54 69,5 65,5 34 41,5 385 2 692054035CN 54 x 35 x 54 69,5 68,5 34 42,5 403 2 692054042CN 54 x 42 x 54 69,5 72 34 42 419 2 692076022CN 76,1 x 22 x 76,1 108 72,5 52 52,5 1110 2 692076028CN 76,1 x 28 x 76,1 108 77 52 54 1132 2 692076035CN 76,1 x 35 x 76,1 108 80 52 54 1143 2 692076042CN 76,1 x 42 x 76,1 108 84 52 54 1165 2 692076054CN 76,1 x 54 x 76,1 108 90 52 55 1188 2 692088022CN 88,9 x 22 x 88,9 132 81 72 60 1361 2 692088028CN 88,9 x 28 x 88,9 132 84 72 61 1366 2 692088035CN 88,9 x 35 x 88,9 132 88 72 62 1389 2 692088042CN 88,9 x 42 x 88,9 132 91 72 61 1400 2 692088054CN 88,9 x 54 x88,9 132 97 72 62 1428 2 692088076CN 88,9 x 76 x 88,9 132 125 72 70 1656 2 692108022CN 108 x 22 x 108 155 91 74 70 1857 2 692108028CN 108 x 28 x 108 155 94 74 71 1863 2 692108035CN 108 x 35 x 108 155 97 74 71 1980 2 692108042CN 108 x 42 x 108 155 101 74 71 2080 2 692108054CN 108 x 54 x 108 155 107 74 72 2147 2 692108076CN 108 x 76,1 x 108 155 135 74 80 2153 2 692108088CN 108 x 88,9 x 108 155 141 74 81 2192 2
163
(*): idroformato - hydroformed - hydrogeformt - hydroformé - hidroformado

683/000 CN

683/001 CN

Press Fitting Systems • Pressfittingsysteme • Systèmes de raccords a sertir • Sistema de accesorios para prensar
SISTEMI DI RACCORDI A PRESSARE
MANICOTTO • COUPLING • MUFFE • MANCHON • MANGUITO HH MATERIAL: CuNi10Fe1.6Mn O-RING: FKM verde - green - Grün - vertverde ≤54  B 80 81  76÷108  B 80 82  CODE De mm L mm Z mm g 683015000CN 15 49 9 39 20 683018000CN 18 50 10 47 20 683022000CN 22 52,5 10,5 60 20 683028000CN 28 56 10 79 10 683035000CN 35 62,5 10,5 108 10 683042000CN 42 72 12 152 4 683054000CN 54 83 12 221 2 683076000CN 76,1 142 32 708 4 683088000CN 88,9 165,5 45,5 853 4 683108000CN 108 203 53 1305 2
MANICOTTO PASSANTE • SLIP COUPLING • SCHIEBEMUFFE • MANCHON LONG • MANGUITO SIN TOPE MATERIAL: CuNi10Fe1.6Mn O-RING: FKM verde - green - Grün - vertverde ≤54  B 80 81  76÷108  B 80 82  CODE De mm L mm es mm g 683015001CN 15 69 25 62 20 683018001CN 18 73 25 72 20 683022001CN 22 79 25 95 10 683028001CN 28 88,5 30 132 10 683035001CN 35 102,5 30 157 4 683042001CN 42 117,5 40 261 2 683054001CN 54 139 40 358 2 683076001CN 76,1 230 60 1048 2 683088001CN 88,9 260 70 1383 2 683108001CN 108 310 80 2047 2 164

687 CN

MANICOTTO

O-RING:

690 CN

MANICOTTO MISTO FILETTO F

SISTEMI DI RACCORDI A PRESSARE Press Fitting Systems • Pressfittingsysteme • Systèmes de raccords a sertir • Sistema de accesorios para prensar
MISTO FILETTO M
• MALE ADAPTER
AG
RACCORD AVEC FILETAGE MALE
• ÜBERGANGSSTÜCK MIT
UNIÓN MACHO
MATERIAL: CuNi10Fe1.6Mn
verde THREAD: EN 10226-1 (ex ISO 7/1)  B 80 81  CODE De x R mm x inch L mm Z mm Y mm g 687102015CN 15 x 1/2” 36 24 16 58 20 687102018CN 18 x 1/2” 37 27 17 58 20 687304018CN 18 x 3/4” 38 30 18 73 20 687102022CN 22 x 1/2” 38 32 17 72 10 687304022CN 22 x 3/4” 39 32 18 80 10 687100028CN 28 x 1” 44,5 38 21,5 121 10 687114035CN 35 x 1”1/4 50 46 24 199 5 687112042CN 42 x 1”1/2 54 54 24 244 4 687200054CN 54 x 2” 63,5 70 27,5 406 4
FKM verde - green - Grün - vert -
• FEMALE ADAPTER
RACCORD
FILETAGE FEMELLE
UNIÓN HEMBRA
CuNi10Fe1.6Mn
FKM
THREAD: EN 10226-1 (ex ISO 7/1)  B 80 81  CODE De x Rp mm x inch L mm Z mm Y mm g 690102015CN 15 x 1/2” 36 30 2 70 20 690102018CN 18 x 1/2” 37 30 2 74 20 690304018CN 18 x 3/4” 39 34 2 90 10 690102022CN 22 x 1/2” 36 32 1 80 20 690304022CN 22 x 3/4” 39 34 1,5 87 10 690102028CN 28 x 1/2” 39 38 1 115 10 690100028CN 28 x 1” 45 43 2,5 148 10 690114035CN 35 x 1”1/4 50 50 2 192 5 690112042CN 42 x 1”1/2 54 60 2 272 4 690200054CN 54 x 2” 65 70 3 399 4 165
• ÜBERGANGSSTÜCK MIT IG •
AVEC
MATERIAL:
O-RING:
verde - green - Grün - vertverde

684/001 CN

BOCCHETTONE A SEDE PIANA

• FLAT FACED UNION

• DURCHGANGSVERSCHRAUBUNG MIT PRESSENDEN FLACHDICHTEND

• ÉLÉMENT DE TRANSITION FILTÉ PLAT AVEC MANCHONS DES 2 CÔTES

• RÁCOR 3 PIEZAS PLANO

MATERIAL: CuNi10Fe1.6Mn

O-RING: FKM verde - green - Grün - vertverde

GASKET: (*): FKM verde - green - Grün - vertverde

684/002 CN

BOCCHETTONE SEDE PIANA FILETTO M

• STRAIGHT MALE UNION CONNECTOR

• DURCHGANGSVERSCHRAUBUNG MIT AUSSENGEWINDE

• RACCORD UNION FILETÉ

• RÁCOR 3 PIEZAS ROSCADO MACHO

MATERIAL: CuNi10Fe1.6Mn

O-RING: FKM verde - green - Grün - vertverde

GASKET: (*): FKM verde - green - Grün - vertverde

THREAD: EN 10226-1 (ex ISO 7/1)

Press Fitting Systems • Pressfittingsysteme • Systèmes de raccords a sertir • Sistema de accesorios para prensar
SISTEMI DI RACCORDI A PRESSARE
B 80 81  CODE De mm L mm L1 mm Z mm Gasket mm g 684015001CN 15 96 56 18 24x14 thk 3 146 10 684018001CN 18 97 57 20 30x20 thk 3 187 10 684022001CN 22 100 58 24 30x20 thk 3 194 10 684028001CN 28 117 71 32 47,5x33 thk 3 450 5 684035001CN 35 127 75 41 56x42 thk 3 617 4 684042001CN 42 140 80 46 66x56 thk 3 797 2 684054001CN 54 152 82 60 79,5x69 thk 3 1176 2
B 80 81  CODE De x R mm x inch L mm Z mm Gasket mm g 684015002CN 15 x 1/2” 76 56 24x14 thk 3 142 2 684018002CN 18 x 1/2” 76 56 24x14 thk 3 144 2 684022002CN 22 x 3/4” 80 59 30x20 thk 3 202 2 684028002CN 28 x 1” 90 67 39x27 thk 3 364 2 684035002CN 35 x 1”1/4 100 74 44,5x34 thk 3 540 2 684042002CN 42 x 1”1/2 104 74 50,5x40 thk 3 563 2 684054002CN 54 x 2” 118 83 65,5x53,5 thk 3 823 2 166

684/003 CN

BOCCHETTONE SEDE PIANA FILETTO F

• STRAIGHT FEMALE UNION CONNECTOR

• DURCHGANGSVERSCHRAUBUNG MIT

INNENGEWINDE

• RACCORD UNION TARAUDÉ

• RÁCOR 3 PIEZAS HEMBRA

MATERIAL: CuNi10Fe1.6Mn

O-RING: FKM verde - green - Grün - vertverde

GASKET: (*): FKM verde - green - Grün - vertverde

THREAD: EN 10226-1 (ex ISO 7/1)

691

SISTEMI DI RACCORDI A PRESSARE Press Fitting Systems • Pressfittingsysteme • Systèmes de raccords a sertir • Sistema de accesorios para prensar
B 80 81  CODE De x Rp mm x inch L mm Z mm Gasket mm g 684015003CN 15 x 1/2” 70 50 24x14 thk 3 140 2 684018003CN 18 x 1/2” 71 51 24x14 thk 3 145 2 684022003CN 22 x 3/4” 75 54 30x20 thk 3 213 2 684028003CN 28 x 1” 83 60 39x27 thk 3 404 2 684035003CN 35 x 1”1/4 92 66 44,5x34 thk 3 486 2 684042003CN 42 x 1”1/2 96 66 50,5x40 thk 3 536 2 684054003CN 54 x 2” 116 81 65,5x53,5 thk 3 1091 2
CN RIDUZIONE MF • REDUCER • REDUZIERSTÜCK • REDUCTION • REDUCCIÓN MH MATERIAL: CuNi10Fe1.6Mn O-RING: FKM verde - green - Grün - vertverde ≤54  B 80 81  76÷108  B 80 82  CODE De mm L mm Z mm g 691018015CN 18 x 15 57 37 43 20 691022015CN 22 x 15 64 44 54 20 691022018CN 22 x 18 60 40 54 20 691028015CN 28 x 15 76,5 56,5 73 20 691028022CN 28 x 22 65 44 74 20 691035022CN 35 x 22 70 49 91 10 691035028CN 35 x 28 71 48 101 10 691042022CN 42 x 22 97 76 140 4 691042028CN 42 x 28 93 70 145 4 691042035CN 42 x 35 81 55 139 4 691054028CN 54 x 28 108,5 85,5 204 4 691054035CN 54 x 35 108 82 215 4 691054042CN 54 x 42 97,5 67,5 216 4 691076042CN 76,1 x 42 143 113 492 4 691076054CN 76,1 x 54 147 112 532 4 691088054CN 88,9 x 54 160 125 656 4 691088076CN 88,9 x 76,1 184 129 902 4 691108054CN 108 x 54 178 143 862 2 691108076CN 108 x 76,1 203 148 1119 2 691108088CN 108 x 88,9 207 147 1229 2 167

DI

A

693/002

Pressfittingsysteme
Systèmes
PN 6
SISTEMI
RACCORDI
PRESSARE Press Fitting Systems •
de raccords a sertir • Sistema de accesorios para prensar
MANICOTTO FLANGIATO • ADAPTOR FLANGE • ÜBERGANGSFLANSCH • BRIDE DE RACCORDEMENT • BRIDA ADAPTADOR MATERIAL: CuNi10Fe1.6Mn O-RING: FKM verde - green - Grün - vertverde ≤54  B 80 81  76÷108  B 80 82  CODE De mm DN flg H mm Z mm B mm D mm D2 mm Holes Nr. K mm g 693015002CN 15 15 53 33 12 80 11,5 4 55 452 2 693018002CN 18 15 53,5 33,5 12 80 11,5 4 55 452 2 693022002CN 22 20 56,5 35,5 14 90 11,5 4 65 680 2 693028002CN 28 25 59,5 36,5 14 100 11,5 4 75 843 2 693035002CN 35 32 63 37 14 120 11,5 4 90 1206 2 693042002CN 42 40 67 37 14 130 14 4 100 1324 2 693054002CN 54 50 74 38 14 140 14 4 110 1505 2 693076002CN 76,1 65 101 45,5 14 160 14 4 130 2086 2 693088002CN 88,9 80 112 52 16 190 18 4 150 3253 2 693108002CN 108 100 128 53 16 210 18 4 170 3924 2 PN 16 693/000 CN MANICOTTO FLANGIATO • ADAPTOR FLANGE • ÜBERGANGSFLANSCH • BRIDE DE RACCORDEMENT • BRIDA ADAPTADOR MATERIAL: CuNi10Fe1.6Mn O-RING: FKM verde - green - Grün - vertverde ≤54  B 80 81  76÷108  B 80 82  CODE De mm DN flg H mm Z mm B mm D mm D2 mm Holes Nr. K mm g 693015000CN 15 15 55 35 14 95 14 4 65 735 2 693018000CN 18 15 55,5 35,5 14 95 14 4 65 735 2 693022000CN 22 20 58,5 37,5 16 105 14 4 75 1051 2 693028000CN 28 25 61,5 38,5 16 115 14 4 85 1267 2 693035000CN 35 32 65,5 39,5 16 140 18 4 100 1828 2 693042000CN 42 40 69 39 16 150 18 4 110 2007 2 693054000CN 54 50 78 42 18 165 18 4 125 2734 2 693076000CN 76,1 65 105 50 18 185 18 4 145 3538 2 693088000CN 88,9 80 116 56 20 200 18 8 160 4382 2 693108000CN 108 100 132 57 20 220 18 8 180 5230 2 168
CN

Sesalit ECO: fibre organiche e sintetiche legate con gomma NBR/SBR esente amianto

IMPIEGHI: Acqua calda e fredda, olii vegetali ed animali, aria, alcuni carburanti (no GAS)

LIMITI DI TEMPERATURA ORIENTATIVI

Temperatura massima per brevi esposizioni: 180°-200° C

Temperatura massima di esercizio continuo per fluidi non aggressivi: 140° C

Temperatura massima di esercizio continuo con vapore: 110° C

OMOLOGAZIONI: acqua potabile WRAS n° 1605525

Sesalit ECO: organic and synthetic fibers bonded with NBR/SBR asbestos-free

USES: hot and cold water, vegetable and animal oils, air, some fuels (no GAS)

GUIDELINE TEMPERATURE LIMITS

Maximum temperature for short exposure: 180°-200° C

Maximum operating temperature for continuous non-aggressive fluids: 140° C

Maximum temperature for continuous operation with steam: 110° C

APPROVAL: potable water WRAS n° 1605525

SISTEMI DI RACCORDI A PRESSARE Press Fitting Systems • Pressfittingsysteme • Systèmes de raccords a sertir • Sistema de accesorios para prensar PN 6
GUARNIZIONE ECOLOGICA PER FLANGE • GASKET FOR FLANGE • FLANSCHDICHTUNG • JOINT POUR BRIDE • JUNTA ECOLOGICA PARA BRIDA MATERIAL: Sesalit Eco NORM: EN 1092-1  R 30 30  CODE DN De mm Di mm S mm g 434015006 15 - (1/2”) 44 20 2 4 10 434020006 20 - (3/4”) 54 25 2 6 10 434025006 25 - (1”) 64 30 2 9 10 434032006 32 - (1”1/4) 75 38 2 11 10 434040006 40 - (1”1/2) 85 45 2 14 10 434050006 50 - (2”) 95 57 2 15 10 434065006 65 - (2”1/2) 115 76 2 19 10 434080006 80 - (3”) 132 89 2 26 10 434100006 100 - (4”) 152 108 2 29 10 PN 10/16 434/PN10-16
ECOLOGICA PER FLANGE
GASKET FOR FLANGE • FLANSCHDICHTUNG • JOINT POUR BRIDE • JUNTA ECOLOGICA PARA BRIDA MATERIAL: Sesalit Eco NORM: EN 1092-1  R 30 30  CODE DN De mm Di mm S mm g 434015000 15 - (1/2”) 50 20 2 6 10 434020000 20 - (3/4”) 60 25 2 8 10 434025000 25 - (1”) 70 30 2 10 10 434032000 32 - (1”1/4) 82 38 2 14 10 434040000 40 - (1”1/2) 92 45 2 17 10 434050000 50 - (2”) 108 57 2 22 10 434065000 65 - (2”1/2) 127 76 2 27 10 434080000 80 - (3”) 142 89 2 30 10 434100000 100 - (4”) 162 108 2 38 10
434/PN6
GUARNIZIONE
169

693/004 CN

693/003 CN

• Pressfittingsysteme • Systèmes
PN 6
SISTEMI DI RACCORDI A PRESSARE Press Fitting Systems
de raccords a sertir
Sistema de accesorios para prensar
BOCCHELLO PER FLANGE LIBERE • COLLAR FOR LOOSE FLANGES • AUSSEN FÜR LOSE-FLANSCH • SORTIE A BRIDE POUR BRIDE TOURNANTE • TRONCO EMBRIDADO PARA BRIDA LOCA MATERIAL: CuNi10Fe1.6Mn ≤54  B 80 81  76÷108  B 80 82  CODE De mm L mm D mm D1 mm D2 mm H mm g 693022004CN 22 135 50 27 22 5 160 1 693028004CN 28 135 60 32 28 5 260 1 693035004CN 35 135 70 40 35 5 340 1 693042004CN 42 135 80 46 42 6 450 1 693054004CN 54 135 90 59 54 6 560 1 693076004CN 76,1 135 110 78 76,1 6 850 1 693088004CN 88,9 135 128 91 88,9 7 1200 1 693108004CN 108 135 148 110 108 7 1540 1 PN 16
BOCCHELLO PER FLANGE LIBERE • COLLAR FOR LOOSE FLANGES • AUSSEN FÜR LOSE-FLANSCH • SORTIE A BRIDE POUR BRIDE TOURNANTE • TRONCO EMBRIDADO PARA BRIDA LOCA MATERIAL: CuNi10Fe1.6Mn ≤54  B 80 81  76÷108  B 80 82  CODE De mm L mm D mm D1 mm D2 mm H mm g 693022003CN 22 135 58 27 22 5 190 1 693028003CN 28 135 68 32 28 5 300 1 693035003CN 35 135 78 40 35 5 380 1 693042003CN 42 135 88 46 42 6 510 1 693054003CN 54 135 102 59 54 6 650 1 693076003CN 76,1 135 122 78 76,1 6 970 1 693088003CN 88,9 135 138 91 88,9 7 1240 1 693108003CN 108 135 158 110 108 7 1690 1 170

679/001 CN

PASSAGGIO STAGNO

• DECK / BULKHEAD PENETRATION

• WANDDURCHFÜHRUNG

• PASSAGE ÉTANCHE

• PASAJE ESTAÑO

MATERIAL: CuNi10Fe1.6Mn

NOTE: (*): S235JR (Fe 360)

VALVOLA A

SFERA 3 PZ PASSAGGIO TOTALE

LUCCHETTABILE CON BASE PER ATTUATORE

• 3-PC BALL VALVE WITH FULL PORT

• KUGELHAHN 3-TEILIG MIT VOLLEM DURCHGANG

• BOISSEAU SPHERIQUE 3 PIECÈS PASSAGE

INTÉGRAL

• VALVULA DE BOLA TRES PIEZAS POSO TOTAL

MATERIAL: CuNi10Fe1.6Mn (corpo/body AISI

316L - 1.4404)

O-RING: FKM verde - green - Grün - vertverde

Le condizioni stampigliate sono relative al corpo della valvola. La pressione massima di lavoro delle valvole art. 695/003 CN = 16 bar. Con flangia per attuatore.

The marked pressure’s conditions are related to the body of the valve. Maximum working pressure for pressfitting valve art. 695/003 CN = 16 bar. With flange for actuator.

Die markierte Konditionen der Pressfitting entsprechend den Kugelhahnkoerper. Maximaler Arbeitsbetriebsdruck für Kugelhahn 695/003 CN = 16 bar. Mit Flansch für Stellantrieb.

Les conditions de pressions indiquées sur la presse vannes correspondent au corps de vanne. Pression de service maximale des vannes 695/003 CN = 16 bar. Avec bride pour actuateur.

Condiciones de presión marcadas están relacionadas con el cuerpo de la válvula. La presión máxima de trabajo de las válvulas art. 695/003 CN = 16 bar. Con brida para actuador.

Fitting Systems • Pressfittingsysteme • Systèmes
SISTEMI DI RACCORDI A PRESSARE Press
de raccords a sertir
Sistema de accesorios para prensar
≤54  B 80 81  76÷108  B 80 82  CODE De mm L mm L1 mm Z mm D mm D1 mm g 679015001CN 15 450 120 165 25 15 513 1 679018001CN 18 450 120 165 30 18 693 1 679022001CN 22 450 120 165 33 22 782 1 679028001CN 28 450 120 165 37 28 865 1 679035001CN 35 450 120 165 43,5 35 1044 1 679042001CN 42 450 120 165 53 42 1440 1 679054001CN 54 450 120 165 69 54 2192 1 679076001CN 76,1 450 120 165 88,5 76,1 3167 1 679088001CN 88,9 450 120 165 107 88,9 4551 1 679108001CN 108 450 120 165 131,5 108 6337 1
695/003 CN
≤54  B 80 81  76÷108  B 80 82  CODE DN De mm DN inch L mm Z mm L1 mm L2 mm g 695015003CN 10 15 3/8” 128 44 69 145 726 1 695018003CN 15 18 1/2” 134 47 69 145 750 1 695022003CN 20 22 3/4” 151 54,5 76 145 1024 1 695028003CN 25 28 1” 167 60,5 89 175 1550 1 695035003CN 32 35 1” 1/4 184 66 93,5 175 2395 1 695042003CN 40 42 1” 1/2 207 73,5 103 195 3334 1 695054003CN 50 54 2” 245 87,5 109 195 4694 1 695076003CN 65 76,1 2” 1/2 334 112 147 295 9648 1 695088003CN 80 88,9 3” 384 132 154 295 13242 1 695108003CN 100 108 4” 470 160 205 400 26250 1
171

Press Fitting Systems • Pressfittingsysteme • Systèmes de raccords a sertir • Sistema de accesorios para prensar

695/004 CN

FKM verde - green - Grün - vertverde

Le condizioni stampigliate sono relative al corpo della valvola. La pressione massima di lavoro delle valvole art. 695/004 CN = 16 bar

The marked pressure’s conditions are related to the body of the valve. Maximum working pressure for pressfitting valve art. 695/004 CN = 16 bar

Die markierte Konditionen der Pressfitting entsprechend den Kugelhahnkoerper. Maximaler Arbeitsbetriebsdruck für Kugelhahn 695/004 CN = 16 bar

Les conditions de pressions indiquées sur la presse vannes correspondent au corps de vanne. Pression de service maximale des vannes 695/004 CN = 16 bar.

Condiciones de presión marcadas están relacionadas con el cuerpo de la válvula. La presión máxima de trabajo de las válvulas art. 695/004 CN = 16 bar

Cv = flusso di acqua (a 60°F) in gpm (galloni al minuto) con una pressione differenziale (caduta di pressione) di 1 psi.

Kv = flusso di acqua (tra 5° e 40°) m³/h, con una pressione differenziale (caduta di pressione) di 1 bar.

(1 Kv = 0,86 Cv)

SISTEMI DI RACCORDI A PRESSARE
VALVOLA DI RITEGNO • NON-RETURN VALVE • RÜCKSCHLAGVENTIL • CLAPET ANTI-RETOUR • VÁLVULA DE RETENCIÓN MATERIAL:
AISI
O-RING:
≤54  B 80 81  76÷108  B 80 82  CODE DN De mm L mm Z mm g 695015004CN 15 15 136 48 443 1 695018004CN 15 18 138 49 554 1 695022004CN 20 22 139 48,5 614 1 695028004CN 25 28 148 50 828 1 695035004CN 32 35 154 50 1324 1 695042004CN 40 42 168 52 1832 1 695054004CN 50 54 192 58 2676 1 695076004CN 65 76,1 235 62,5 5442 1 695088004CN 80 88,9 259 65,5 8466 1 695108004CN 100 108 301 72,5 14640 1
CuNi10Fe1.6Mn (corpo/body
316L - 1.4404)
CV / KV PER VALVOLA DI RITEGNO CV / KV FOR NON-RETURN VALVE DIREZIONE DI FLUSSO FLOW DIRECTION DE DN DN inch CV US gallon/min KV m3/h ↑ ↓ → Pressione di apertura Opening pressure (mbar) 15 15 - ½” 21 18,1 25 21 23 18 15 - ½” 21 18,1 25 21 23 22 20 - ¾” 35 30,1 25 21 23 28 25 - 1” 40 34,4 25 21 23 35 32 - 1”1/4 80 68,8 27 21 24 42 40 - 1”1/2” 100 86,0 29 21 25 54 50 - 2” 126 108,4 29 21 25 76,1 65 - 2”1/2 164 141,0 31 21 25 88,9 80 - 3” 200 172,0 32 21 26 108 100 - 4” 249 214,1 33 21 27
NOTE DIAGRAMMA PERDITA DI CARICO PRESSURE LOSS DIAGRAM
m 3 / h 172
DN15-DN100 PRESSURE LOSS - bar WATER FOLRATE

SISTEMI DI RACCORDI A PRESSARE

695/008 CN

VALVOLA A SFERA CON PRESA MANICHETTA

• BALL VALVE WITH HOSE CONNECTION

• KUGELHAHN MIT SCHLAUCHANSCHLUSS

• BOISSEAU SPHERIQUE AVEC RACCORD DETUYAU

• VÁLVULA DE BOLA CON CONEXIÓN DELA MANGUERA

MATERIAL: A: CuNi10Fe1.6Mn

B: AISI 316L – 1.4404

C: ottone - brass - Messing - laiton - latón

O-RING: FKM verde - green - Grün - vertverde

Fitting Systems • Pressfittingsysteme • Systèmes de raccords a sertir • Sistema de accesorios para prensar
Press
B 80 81  CODE De mm L mm L1 mm L2 mm Z mm Z1 mm g 695022008CN 22 x 1” 138 76 145 43 74 1332 1 173

ATTREZZATURE ED ACCESSORI

Klauke MAP2L MINI (ø 12÷22 mm)

PRESSATRICE CON BATTERIA, CARICA BATTERIA E VALIGIA

• PRESSING MACHINE WITH BATTERY, CHARGER AND CASE

• AKKU- PRESSGERÄT MIT SCHNELLLADEGERAT UND KOFFER

• SERTISSEUSE A ACCUMULATEUR AVEC CHARGEUR ET COFFRET •

Klauke UNP2 (ø 12÷54 mm)

PRESSATRICE ELETTROIDRAULICA CON VALIGIA

• ELECTROHYDRAULIC PRESSING MACHINE WITH CASE

• ELEKTROHYDRAULISCHES PRESSGERÄT MIT KOFFER

Klauke UAP3L (ø 12÷54 mm) i-press

PRESSATRICE CON BATTERIA, CARICA BATTERIA E VALIGIA

• PRESSING MACHINE WITH BATTERY, CHARGER AND CASE

• AKKU- PRESSGERÄT MIT SCHNELLLADEGERAT UND KOFFER

• SERTISSEUSE A ACCUMULATEUR AVEC CHARGEUR ET COFFRET

Press tools and accessories • Presswerkzeuge Zubehör • Outils de sertissage et accessories • Herramientas y accessorios
AKKU-MAQUINA CON CARGADOR RAPIDO E CAJA  B 50 51  CODE Voltage Plug kg 196001011 (*) 220-240 V / 50-60 Hz (*) Europe (CEE 7/16 charge battery) 3,8 1
• SERTISSEUSE ELECTROHYDRAULIQUE AVEC COFFRET • MAQUINA ELECTROIDRAULICA CON CAJA  B 50 51  CODE Voltage Plug kg 196000000 220-240 V / 50-60 Hz Europe (CEE 7/17) 11,8 1
E CAJA  B 50 51  CODE Voltage Plug kg 196001008 (*) 220-240 V / 50-60 Hz (*) Europe (CEE 7/16 charge battery) 8,1 1 174
• AKKU-MAQUINA CON CARGADOR RAPIDO

Klauke UAP4L (ø 12÷54 mm PN16 / ø 76÷108 mm PN10) i-press

PRESSATRICE CON BATTERIA, CARICA BATTERIA E VALIGIA

• PRESSING MACHINE WITH BATTERY, CHARGER AND CASE

• AKKU- PRESSGERÄT MIT SCHNELLLADEGERAT UND KOFFER

• SERTISSEUSE A ACCUMULATEUR AVEC CHARGEUR ET COFFRET

• AKKU-MAQUINA CON CARGADOR RAPIDO E CAJA

Klauke UAP100L (ø 76÷108 mm King size) i-press

PRESSATRICE CON BATTERIA, CARICA BATTERIA E VALIGIA

• PRESSING MACHINE WITH BATTERY, CHARGER AND CASE

• AKKU- PRESSGERÄT MIT SCHNELLLADEGERAT UND KOFFER

• SERTISSEUSE A ACCUMULATEUR AVEC CHARGEUR ET COFFRET

• AKKU-MAQUINA CON CARGADOR RAPIDO E CAJA

Klauke EHP2/SANB

(ø 76÷108 mm King size)

GRUPPO POMPA IDRAULICA ELETTRICO

• ELECTRIC HYDRAULIC PUMP

• ELEKTRISCHEBETRIEBENES ANTRIEBSAGGREGAT

• GROUPE HYDRAULIQUE MOBILE POUR SERTIR •

ATTREZZATURE ED ACCESSORI Press tools and accessories • Presswerkzeuge Zubehör • Outils de sertissage et accessories • Herramientas y accessorios
B 50 51  CODE Voltage Plug kg 196001007 (*) 220-240 V / 50-60 Hz (*) Europe (CEE 7/16 charge battery) (CEE 7/17 main adapter) 15 1
B 50 51  CODE Voltage Plug kg 196001009 (*) 220-240 V / 50-60 Hz (*) Europe (CEE 7/16 charge battery) (CEE 7/17 main adapter) 23,6 1 196001009V* - - 10 1
*) Valigia vuota - Empty case - Leer Koffer - Coffret vide - Caja vacía
(
UNIDAD DE ACCIONAMIENTO
Hz  B 50 51  CODE Voltage Plug kg 196000000I 220-240 V / 50-60 Hz CEE industrial 2P+G 69 1 175
ELÉCTRICO NOTE: Tensione/voltage 220-240 V / 50-60

Klauke AHP700LS

PKUAP3 (ø 12÷54 mm) per/for AHP700LS

PKUAP4 (ø 12÷54 mm PN16) (ø 76,1÷108 mm PN10) per/for AHP700LS

Klauke PK100AHP (ø 76÷108 mm King size) per/for AHP700LS

ATTREZZATURE ED ACCESSORI Press tools and accessories • Presswerkzeuge Zubehör • Outils de sertissage et accessories • Herramientas y accessorios
GRUPPO POMPA IDRAULICA A BATTERIA • BATTERY HYDRAULIC PUMP • AKKUBETRIEBENES ANTRIEBSAGGREGAT • GROUPE HYDRAULIQUE MOBILE POUR SERTIR • UNIDAD DE ACCIONAMIENTO A PILAS  B 50 51  CODE Voltage Plug kg 196001012 220-240 V / 50-60 Hz Europe (CEE 7/16 charge battery) 9,8 1 Klauke
TESTA DI PRESSATRICE • PRESSING HEAD • PRESSKÖPFE • TÊTE DE SERTISSEUSE • CABEZA DE AKKU-MAQUINA  B 50 51  CODE kg 196001013 2,5 1
TESTA DI PRESSATRICE • PRESSING HEAD • PRESSKÖPFE • TÊTE DE SERTISSEUSE • CABEZA DE AKKU-MAQUINA  B 50 51  NEW CODE kg 196001017 2,6 1
Klauke
TESTA DI PRESSATRICE • PRESSING HEAD • PRESSKÖPFE • TÊTE DE SERTISSEUSE • CABEZA DE AKKU-MAQUINA  B 50 51  CODE kg 196001014 10,4 1 176

Klauke

(ø 12÷54 mm)

ATTREZZATURE ED ACCESSORI Press tools and accessories • Presswerkzeuge Zubehör • Outils de sertissage et accessories • Herramientas y accessorios
AHP700LS TUBO FLESSIBILE ALTA PRESSIONE L=4 M • HIGH PRESSURE HOSE L=4 M • HOCHDRUCKSCHLAUCH L = 4 M • TUYAU À HAUTE PRESSION L=4 M • MANGUERA DE ALTA PRESIÓN L=4 M  B 50 51  CODE kg 196001015 2,3 1
Klauke
HPU2
PRESSATRICE MANUALE • MANUAL HYDRAULIC PRESSING • MANUELLES HYDRAULISCHES PRESSWERKZEUG • SERTISSEUSE MANUELLE • MAQUINA MANUAL  B 50 51  NEW CODE kg 196001016 3,1 1 Klauke MAP1 - MAP2L MINI GANASCIA PER PRESSATRICE • JAW • PRESSBACKE • MACHOIRE • MORDAZA PINZA  B 50 51  CODE De mm kg 196012001 12 1,28 1 196015001 15 1,28 1 196018001 18 1,28 1 196022001 22 1,34 1
PKUAP3L GANASCIA PER PRESSATRICE • JAW • PRESSBACKE • MACHOIRE • MORDAZA PINZA  B 50 51  CODE De mm kg 196012000 12 1,9 1 196015000 15 1,9 1 196018000 18 1,9 1 196022000 22 2 1 196028000 28 2,1 1 196035000 35 2,1 1 177
Klauke UNP2 - UAP2 - UAP3L - UAP4L

ATTREZZATURE ED ACCESSORI

Klauke UNP2 - UAP2 - UAP3L - UAP4L

VALIGIA PER GANASCE Ø 15÷35

• CASE FOR JAWS Ø 15÷35

• LEER KOFFER FÜR PRESSBACKEN Ø 15÷35

• COFFRET POUR MACHOIRES Ø 15÷35 • CAJA

(*) Valigia vuota - Empty case - Leer Koffer - Coffret vide - Caja vacía

Klauke UNP2 - UAP2 - UAP3L - UAP4L

ø 42÷54 mm

UAP4L (PN10)

Press tools and accessories • Presswerkzeuge Zubehör • Outils de sertissage et accessories • Herramientas y accessorios
MORZADAS Ø 15÷35  B 50 51  CODE De mm kg 196015035K 15 - 35 13,2 1 196015035KV* 15 - 35 6,29 1
PARA
PKUAP3 CATENA PER PRESSATRICE • PRESSING COLLAR • PRESSSCHLINGE • CHAÎNE • MORDAZA CADENA  B 50 51  CODE De mm kg 196042003 42 2,7 1 196054003 54 2,6 1 Klauke
ADATTATORE PER CATENE • ADAPTER FOR COLLARS • ZWISCHENBACKE FÜR PRESSSCHLINGEN • ADAPTEUR POUR MACHOIRES • ADAPTADOR PARA MORDAZAS  B 50 51  CODE De mm kg 196042054 42 - 54 1,7 1 Klauke
CATENA PER PRESSATRICE • PRESSING COLLAR • PRESSSCHLINGE • CHAÎNE • MORDAZA CADENA  B 50 51  CODE De mm kg 196076001 76,1 9,9 1 196088001 88,9 9,7 1 196108001 108 10,4 1 178

Klauke UAP4L ø 76÷108 mm (PN10)

ADATTATORE PER CATENE

• ADAPTER FOR COLLARS

Klauke UAP100 - UAP100L

-

PK100AHP (ø 76÷108 King size)

CATENA PER PRESSATRICE

Klauke UNP2 - UAP3L (ø 42÷54 mm)

VALIGIA PER CATENE Ø 42÷54 + ADATTATORE

• CASE FOR PRESSING COLLARS Ø 42÷54 + ADAPTER

• LEER KOFFER FÜR PRESS SCHLINGEN Ø 42÷54 + ZWISCHENBACKE

• COFFRET POUR CHAÎNES Ø 42÷54 + ADAPTEUR

• CAJA PARA CADENA Ø 42÷54 + ADAPTADOR

NG1 (12V) - Klauke UAP2 - UAP100

CAVO ELETTRICO CON ADATTATORE UNIVERSALE

• MAIN SUPPLY CIRCUIT

• SCHALTNETZTEIL

• BLOC D’ALIMENTATION

• ALIMENTADOR A LA RED

ATTREZZATURE ED ACCESSORI Press tools and accessories • Presswerkzeuge Zubehör • Outils de sertissage et accessories • Herramientas y accessorios
ADAPTEUR
MACHOIRES • ADAPTADOR PARA MORDAZAS  B 50 51  CODE De mm kg 196076108 76,1 - 108 4,4 1
• ZWISCHENBACKE FÜR PRESSSCHLINGEN •
POUR
MORDAZA CADENA  B 50 51  CODE De mm kg 196076000 76,1 13 1 196088000 88,9 13 1 196108000 108 15 1
• PRESSING COLLAR • PRESSSCHLINGE • CHAÎNE •
B 50 51  CODE De mm kg 196042054KF 42 - 54 10,9 1 196042054K* 42 - 54 3,9 1
*) Valigia vuota
Leer
(
- Empty case -
Koffer - Coffret vide - Caja vacía
B 50 51  CODE Voltage Plug kg 196004000 220-240 V / 50-60 Hz Europe (CEE 7/17) 0,8 1 179

RA5

LG4F

RAM3 (9,6 V / 3,0 Ah)

Klauke MAP1 MINI

ATTREZZATURE ED ACCESSORI Press tools and accessories • Presswerkzeuge Zubehör • Outils de sertissage et accessories • Herramientas y accessorios
Klauke UAP2
UAP100 BATTERIA • BATTERY • AKKU • ACCUMULATEUR • ACCUMULADOR  B 50 51  CODE kg 196002000 0,7 1
(12 V / 3,0 Ah) -
-
- Klauke MAP1 - UAP2 - UAP100 CARICABATTERIA • FAST CHARGER • SCHNELLLADEGERÄT • CHARGEUR • CARGADOR RAPIDO NOTE: Tensione/voltage 220-240 V / 50-60 Hz  B 50 51  CODE Voltage Plug kg 196003000 220-240 V / 50-60 Hz Europe (CEE 7/16) 0,684 1
BATTERIA • BATTERY • AKKU • ACCUMULATEUR • ACCUMULADOR  B 50 51  CODE kg 196005000 0,6 1 180
ATTREZZATURE ED ACCESSORI Press tools and accessories • Presswerkzeuge Zubehör • Outils de sertissage et accessories • Herramientas y accessorios
(18V)
UAP3L - UAP4L - UAP100L CAVO ELETTRICO CON ADATTATORE UNIVERSALE • MAIN SUPPLY CIRCUIT • SCHALTNETZTEIL • BLOC D’ALIMENTATION • ALIMENTADOR A LA RED  B 50 51  CODE Voltage Plug kg 196004001 220-240 V / 50-60 Hz Europe (CEE 7/17) 0,9 1 RAL2 (18 V / 3,0 Ah) Klauke MAP2L - UAP3L - UAP4L - UAP100L BATTERIA • BATTERY • AKKU • ACCUMULATEUR • ACCUMULADOR  B 50 51  CODE kg 196002001 0,7 1
Klauke UAP3L - UAP4L - UAP100L CARICABATTERIA • FAST CHARGER • SCHNELLLADEGERÄT • CHARGEUR • CARGADOR RAPIDO  B 50 51  CODE Voltage Plug kg 196003001 220-240 V / 50-60 Hz Europe (CEE 7/16) 1,3 1 181
NG2
Klauke
LGL1

Novopress ECO 203 (ø 12÷54 mm)

PRESSATRICE ELETTROIDRAULICA CON VALIGIA

• ELECTROHYDRAULIC PRESSING MACHINE WITH CASE

• ELEKTROHYDRAULISCHES PRESSGERÄT MIT KOFFER

• SERTISSEUSE ELECTROHYDRAULIQUE AVEC COFFRET

• MAQUINA ELECTROIDRAULICA CON CAJA

Novopress ACO 203 BT (ø 12÷54 mm)

PRESSATRICE CON BATTERIA, CARICA BATTERIA E VALIGIA

• PRESSING MACHINE WITH BATTERY, CHARGER AND CASE

• AKKU- PRESSGERÄT MIT SCHNELLLADEGERAT UND KOFFER

• SERTISSEUSE A ACCUMULATEUR AVEC CHARGEUR ET COFFRET

• AKKU-MAQUINA CON CARGADOR RAPIDO E CAJA

NOTE: New model (wireless technology)

Novopress ACO 203 XL BT (ø 12÷54 mm PN16 / ø 76÷108 mm PN10)

PRESSATRICE CON 2 BATTERIE, CARICA BATTERIA E VALIGIA

• PRESSING MACHINE WITH 2 BATTERIES, CHARGER AND CASE

• AKKU- PRESSGERÄT MIT SCHNELLLADEGERAT UND KOFFER

• SERTISSEUSE A ACCUMULATEUR (2) AVEC CHARGEUR ET COFFRET

• AKKU-MAQUINA CON CARGADOR RAPIDO E CAJA

NOTE: New model (wireless technology)

Novopress ACO 403 BT (ø 76÷168 mm)

PRESSATRICE CON 2 BATTERIE, CARICA BATTERIA E VALIGIA

• PRESSING MACHINE WITH 2 BATTERIES, CHARGER AND CASE

• AKKU- PRESSGERÄT MIT SCHNELLLADEGERAT UND KOFFER

• SERTISSEUSE A ACCUMULATEUR (2) AVEC CHARGEUR ET COFFRET

• AKKU-MAQUINA CON CARGADOR RAPIDO E CAJA

NOTE: New model (wireless technology)

ATTREZZATURE ED ACCESSORI Press tools and accessories • Presswerkzeuge Zubehör • Outils de sertissage et accessories • Herramientas y accessorios
B 50 51  CODE Voltage Plug kg 196000013 220-240 V / 50-60 Hz Europe (CEE 7/17) 7,1 1 196000015 110-120 V / 50-60 Hz Great Britain (BS 1363) 7,2 1
B 50 51  CODE Voltage Plug kg 196000021 (*) 220-240 V / 50-60 Hz (*) Europe (CEE 7/16) 7,4 1 196000025 (*) 110-120 V / 50-60 Hz (*) USA / Canada (NEMA 1-15) 7,4 1
B 50 51  CODE Voltage Plug kg 196000024 (*) 220-240 V / 50-60 Hz (*) Europe (CEE 7/16) 9,2 1
B 50 51  CODE Voltage Plug kg 196000023 (*) 220-240 V / 50-60 Hz (*) Europe (CEE 7/16) 22 1 182

Novopress EFP 2 - EFP/AFP 201 - EFP/AFP 202

ECO/ACO 202 - ECO/ACO 203 - ACO 203XL GANASCIA PER

Novopress EFP 2 - EFP/AFP 201 - EFP/AFP 202

ECO/ACO 202 - ECO/ACO 203 - ACO 203XL

VALIGIA PER GANASCE Ø 15÷35

• CASE FOR JAWS Ø 15÷35

• LEER KOFFER FÜR PRESSBACKEN Ø 15÷35 • COFFRET POUR MACHOIRES Ø 15÷35

(*) Valigia vuota - Empty case - Leer Koffer - Coffret vide - Caja vacía

Novopress EFP 2 - EFP/AFP 201-202

ECO/ACO 202-203 - ACO 203XL - ECO301

CATENA PER PRESSATRICE

• PRESSING COLLAR

Novopress EFP 2 - EFP/AFP 201 - EFP/AFP 202

ECO/ACO 202 - ECO/ACO 203 - ACO 203XL

ADATTATORE PER CATENE ZB203

• ADAPTER FOR COLLARS ZB203

• ZWISCHENBACKE FÜR PRESSSCHLINGEN ZB203

• ADAPTEUR POUR MACHOIRES ZB203 •

ATTREZZATURE ED ACCESSORI Press tools and accessories • Presswerkzeuge Zubehör • Outils de sertissage et accessories • Herramientas y accessorios
PRESSATRICE
JAW • PRESSBACKE • MACHOIRE • MORDAZA PINZA  B 50 51  CODE De mm kg 19601200N 12 1,8 1 19601500N 15 1,8 1 19601800N 18 1,8 1 19602200N 22 1,9 1 19602800N 28 1,9 1 19603500N 35 2 1
• CAJA PARA MORZADAS Ø 15÷35  B 50 51  CODE De mm kg 196015035N 15 - 35 10,10 1 196015035NV* 15 - 35 2 1
PRESSSCHLINGE • CHAÎNE • MORDAZA CADENA  B 50 51  CODE De mm kg 19604200N 42 2,1 1 19605400N 54 2,4 1
ADAPTADOR PARA MORDAZAS ZB203  B 50 51  CODE De mm kg 196042054N 42 - 54 2,4 1 183

Novopress EFP 2 - EFP/AFP 201 - EFP/AFP 202

ECO/ACO 202 - ECO/ACO 203 - ACO 203XL

VALIGIA PER CATENE Ø 42÷54 + ADATTATORE ZB203

• CASE FOR PRESSING COLLARS Ø 42÷54 + ADAPTER ZB203

• LEER KOFFER FÜR PRESS SCHLINGEN Ø 42÷54 + ZWISCHENBACKE ZB203

• COFFRET POUR CHAÎNES Ø 42÷54 + ADAPTEUR ZB203

• CAJA PARA CADENA Ø 42÷54 + ADAPTADOR ZB203

(*) Valigia vuota - Empty case - Leer Koffer - Coffret vide - Caja vacía

Novopress ACO 203 XL - ECO 301 (ø 76÷108 mm PN10)

Adattatore ZB 221 per catene ø 76,1-88,9108/1

ACO 203 XL (PN10)

ADATTATORE PER CATENE

• ADAPTER FOR COLLARS

• ZWISCHENBACKE FÜR PRESSSCHLINGEN

(*): Per pressatura preliminare diametro 108 mm; il giunto DN 108 mm deve essere pressato una seconda volta con adattatore codice 196000108N. Preliminary pressing for diameter 108 mm; DN 108 mm joint must be pressed a second time with adapter item 196000108N.

Adattatore ZB 222 per catena ø 108/2

ACO 203 XL (PN10)

ADATTATORE PER CATENE

• ADAPTER FOR COLLARS

FÜR PRESSSCHLINGEN

Press tools and accessories • Presswerkzeuge Zubehör • Outils de sertissage et accessories • Herramientas y accessorios
ATTREZZATURE ED ACCESSORI
B 50 51  CODE De mm kg 196042054VN 42 - 54 7,5 1 196042054V* 42 - 54 2 1
PRESSING
• PRESSSCHLINGE • CHAÎNE • MORDAZA CADENA  B 50 51  CODE De mm kg 196076003 76,1 4 1 196088003 88,9 4,3 1 196108003 108 5,4 1
CATENA PER PRESSATRICE •
COLLAR
ADAPTEUR
ADAPTADOR
MORDAZAS  B 50 51  CODE De mm kg 196076108N* 76,1 - 88,9 - 108 (1°) 4,3 1
POUR MACHOIRES •
PARA
ZWISCHENBACKE
ADAPTEUR
MACHOIRES
POUR
ADAPTADOR PARA MORDAZAS  B 50 51  CODE De mm kg 196000108N 108 (2°) 4,6 1 184

Novopress ACO 203 XL (PN10)

Novopress ZB 221 / ZB 222 per catene ø 76-108

SET ADATTATORI ZB221/ZB222

(*) Valigia vuota - Empty case - Leer Koffer - Coffret vide - Caja vacía

Novopress ACO 401/403 (ø 76÷108 King size)

Novopress ACO 401/403 (ø 139÷168 Over size)

ATTREZZATURE ED ACCESSORI Press tools and accessories • Presswerkzeuge Zubehör • Outils de sertissage et accessories • Herramientas y accessorios
SET DE ADAPTADORES
B 50 51  CODE kg 196000019 12 1 196000000VN* 2 1
• ADAPTERS SET ZB221/ZB222 • ADAPTER SET ZB221/ZB222 • SET DES ADAPTATEURS ZB221/ZB222 •
ZB221/ZB222
CATENA PER PRESSATRICE • PRESSING COLLAR • PRESSSCHLINGE • CHAÎNE • MORDAZA CADENA  B 50 51  CODE De mm kg 196076002 76,1 6,0 1 196088002 88,9 6,1 1 196108002 108 8,4 1
CATENA PER PRESSATRICE • PRESSING COLLAR • PRESSSCHLINGE • CHAÎNE • MORDAZA CADENA  B 50 51  CODE De mm kg 196139002 139,7 14,4 1 196168002 168,3 19,7 1 185
ATTREZZATURE ED ACCESSORI Press tools and accessories • Presswerkzeuge Zubehör • Outils de sertissage et accessories • Herramientas y accessorios Novopress ACO 202/203 - ACO 401 CARICABATTERIA • FAST CHARGER • SCHNELLLADEGERÄT • CHARGEUR • CARGADOR RAPIDO  B 50 51  CODE Voltage Plug kg 19600300N 220-240 V / 50-60 Hz Europe (CEE 7/16) 0,65 1 Novopress - Akku BATTERIA • BATTERY • AKKU • ACCUMULATEUR • ACCUMULADOR  B 50 51  CODE Version kg 19600204N 18 V / 1,5 Ah Li • ACO 202/203/401 0,4 1 19600203N 18 V / 3,0 Ah Li • ACO 202/203/401 0,7 1 19600205N 18 V / 5,0 Ah Li • ACO 202/203/401/403 0,7 1 19600200N 14,4 V / 2,4 Ah Ni-Cd • AFP 201 0,7 1 19600201N 14,4 V / 2,0 Ah Ni-Cd • AFP 202 0,7 1 19600202N 18 V / 3,0 Ah Li • AFP 202 0,7 1 Novopress
VALIGIA PER CATENE / ADATTATORI • CASE FOR COLLARS / ADAPTERS • KOFFER FÜR PRESSSCHLINGEN / ZWICHHENBACKEN • COFFRET POUR CHAÎNES / ADAPTEURS • CAJA PARA MORDAZAS / ADAPTADORES  B 50 51  CODE Version kg 196076088V De 76,1÷88,9 + ZB - ECO 301 / ACO 203XL 2 1 186
- Koffer

ECO 301

(ø 12÷54 mm PN16 / ø 76÷108 mm PN10)

PRESSATRICE ELETTROMECCANICA CON VALIGIA

• ELECTROMECHANICAL PRESSING MACHINE WITH CASE

• ELEKTROMECHANISCHE PRESSGERÄT MIT KOFFER

• SERTISSEUSE ÉLECTROMÉCANIQUE AVEC COFFRET

• MAQUINA ELECTROMECÁNICA CON CAJA

ECO 301

Novopress EFP 2 - EFP/AFP 201-202

ECO/ACO 202-203 - ACO 203XL - ECO301

CATENA PER PRESSATRICE

• PRESSING COLLAR

• PRESSSCHLINGE

• CHAÎNE

• MORDAZA CADENA

ATTREZZATURE ED ACCESSORI Press tools and accessories • Presswerkzeuge Zubehör • Outils de sertissage et accessories • Herramientas y accessorios
• JAW • PRESSBACKE • MACHOIRE • MORDAZA PINZA  B 50 51  CODE kg De mm 1960150NN 2,1 15 1 1960180NN 2,1 18 1 1960220NN 2,1 22 1 1960280NN 2,1 28 1 1960350NN 2,4 35 1
Novopress
GANASCIA PER PRESSATRICE
B 50 51  CODE De mm kg 19604200N 42 2,1 1 19605400N 54 2,4 1
Novopress
B 50 51  CODE Voltage kg 196000016 230 V / 60 Hz (naval sector) 7,5 1 196000020 230 V / 50 Hz (civil sector) 7,5 1 Fuori produzione Discontinued model Auslaufmodell Hors Production Fuera de producción Fuori produzione Discontinued model Auslaufmodell Hors Production Fuera de producción 187

Novopress ECO 301

ADATTATORE PER CATENE ZB303

• ADAPTER FOR COLLARS ZB303

• ZWISCHENBACKE FÜR PRESSSCHLINGEN ZB303

• ADAPTEUR POUR MACHOIRES ZB303

PARA MORDAZAS ZB303

Novopress ECO 301 (ø 76÷108 mm PN10)

ADATTATORE PER CATENE ZB323

• ADAPTER FOR COLLARS ZB323

• ZWISCHENBACKE FÜR PRESSSCHLINGEN ZB323

• ADAPTEUR POUR MACHOIRES ZB323

ZB323

(*): Per pressatura preliminare diametro 108 mm; il giunto DN 108 mm deve essere pressato una seconda volta con adattatore codice 196000108E. Preliminary pressing for diameter 108 mm; DN 108 mm joint must be pressed a second time with adapter item 196000108E.

Novopress ECO 301 (ø 76÷108 mm PN10)

ADATTATORE PER CATENE ZB324

• ADAPTER FOR COLLARS ZB324

• ZWISCHENBACKE FÜR PRESSSCHLINGEN ZB324

• ADAPTEUR POUR MACHOIRES ZB324

PARA MORDAZAS ZB324

ATTREZZATURE ED ACCESSORI Press tools and accessories • Presswerkzeuge Zubehör • Outils de sertissage et accessories • Herramientas y accessorios
ADAPTADOR
B 50 51  CODE De mm kg 196000108E 108 (2°) 3,8 1 Fuori produzione Discontinued model Auslaufmodell Hors Production Fuera de producción
B 50 51  CODE De mm kg 196042054E 42 - 54 2 1 Fuori produzione Discontinued model Auslaufmodell Hors Production Fuera de producción
ADAPTADOR
ADAPTADOR
MORDAZAS
B 50 51  CODE De mm kg 196076108E* 76,1 - 88,9 - 108 (1°) 3,8 1
PARA
Fuori produzione Discontinued model Auslaufmodell Hors Production Fuera de producción 188

116/0 (ø 12÷54 mm)

116/3 (ø 76÷108 mm)

ATTREZZATURE ED ACCESSORI Press tools and accessories • Presswerkzeuge Zubehör • Outils de sertissage et accessories • Herramientas y accessorios 116/1 TAGLIATUBI MANUALE • PIPE CUTTER • ROHRSCHNEIDER • COUPE-TUBES • CORTATUBO  B 50 51  CODE De mm kg 116000011 6 - 60 0,350 1 116/2 ROTELLA TAGLIATUBI • CUTTING WHEEL • SCHNEIDRAD FÜR ROHRSCHNEIDER • MOLETTE POUR COUPE-TUBES • CUCHILLA  B 50 51  CODE Version De mm g 116000012 For pipe cutter code / Per tagliatubi codice 116000011 6 - 60 38 1
SBAVATORE UNIVERSALE TUBI • PIPE DEBURRER • ENTGRATER • EBAVUREUR DE TUBE • DESBARBADOR  B 50 51  CODE De mm g 116000000 10 - 54 612 1
SBAVATORE UNIVERSALE TUBI • PIPE DEBURRER • ENTGRATER • EBAVUREUR DE TUBE • DESBARBADOR  B 50 51  CODE De mm g 116000003 63 - 110 1942 1 189

116/18

TAGLIATUBI ELETTRICO - CENTO

• ELECTRIC PIPE CUTTER - CENTO

• ELEKTRISCH ROHRSCHNEIDER - CENTO

• ÉLECTRIQUE COUPE-TUBES - CENTO

• CORTATUBO ELÉCTRICO - CENTO

NOTE: Esclusa rotella - wheel excluded - Schneidrad ausgeschlossen molette exclue - cuchilla excluida

116/28

TAGLIATUBI ELETTRICO - DUECENTO

• ELECTRIC PIPE CUTTER - DUECENTO

• ELEKTRISCH ROHRSCHNEIDER - DUECENTO

• ÉLECTRIQUE COUPE-TUBES - DUECENTO

• CORTATUBO ELÉCTRICO - DUECENTO

NOTE: Esclusa rotella - wheel excluded - Schneidrad ausgeschlossen molette exclue - cuchilla excluida

116/38

ROTELLA PER TAGLIATUBO CENTO-DUECENTO

• CUTTING WHEEL PIPE CUTTER CENTO-DUECENTO

• SCHNEIDRAD ROHRSCHNEIDER CENTO-DUECENTO

• MOLETTE POUR COUPE-TUBES CENTO-DUECENTO

• CUCHILLA PARA CORTATUBO CENTO-DUECENTO

• PEDESTAL FOR CENTO PIPE CUTTER

• SOCKEL FÜR CENTO ROHRSCHNEIDER

POUR COUPE-TUBES CENTO

CAVALLETTO PER TUBI Ø 8-108 MM

• EASEL FOR PIPES Ø 8-108 MM

• GESTELL FÜR ROHRS Ø 8-108 MM

• CHEVALET POUR PIPE Ø 8-108 MM

Press tools and accessories • Presswerkzeuge Zubehör • Outils de sertissage et accessories • Herramientas y accessorios
ATTREZZATURE ED ACCESSORI
B 50 51  NEW CODE De mm kg 116000018 12 - 108 19,070 1
B 50 51  NEW CODE De mm kg 116000028 54 - 225 43,800 1
B 50 51  NEW CODE g 116000038 300 1 116/48
PIEDISTALLO TAGLIATUBI CENTO
PIÉDESTAL
PEDESTAL PARA CORTATUBO
B 50 51  NEW CODE kg 116000048 9,550 1 116/58
CENTO
B 50 51  NEW CODE kg 116000058 7,000 1 190
• CABALLETE DE TUBO Ø 8-108 MM

116/6 (ø 15÷54 mm)

ATTREZZATURE ED ACCESSORI Press tools and accessories • Presswerkzeuge Zubehör • Outils de sertissage et accessories • Herramientas y accessorios
SPELATUBI • DISMANTLING TOOL • ABMANTELGERÄT • DÉNUDEUR • PELADOR  B 50 51  CODE De mm g 116000006 15 - 22 236 1 116000016 18 - 28 320 1 116000026 35 - 42 703 1 116000036 54 477 1 116/7
SPELATUBI • DISMANTLING TOOL • ABMANTELGERÄT • DÉNUDEUR • PELADOR  B 50 51  CODE De mm kg 116076007 76,1 1,040 1 116088007 88,9 1,218 1 116108007 108 1,668 1
(ø 76÷108 mm)
MARCATORE • MARKER • MARKIERLEHRE • MARQUEUR • MARCATUBO  B 50 51  CODE De mm g 274000000 15 - 54 26 1 191
274/0 (ø 15÷54 mm)
ATTREZZATURE ED ACCESSORI Press tools and accessories • Presswerkzeuge Zubehör • Outils de sertissage et accessories • Herramientas y accessorios 274/1
76÷108
MARCATORE • MARKER • MARKIERLEHRE • MARQUEUR • MARCATUBO  B 50 51  CODE De mm g 274000001 76,1 - 108 190 1 274/CAP TAPPO DI PROTEZIONE TUBO • PIPE PROTECTION CAP • ROHRSCHUTZKAPPE • BOUCHON DE PROTECTION TUYAU • TAPA DE PROTECCIÓN TUBERÍA  B 50 51  NEW CODE De mm g 274015001 15 1 10 274018001 18 2 10 274022001 22 2 10 274028001 28 3 10 274035001 35 3 10 274042001 42 6 5 274054001 54 13 5 274076001 76,1 16 5 274088001 88,9 20 5 274108001 108 27 5 192
mm)

O-Ring EPDM

NOTE:

O-Ring NBR-HNBR

ATTREZZATURE ED ACCESSORI Press tools and accessories • Presswerkzeuge Zubehör • Outils de sertissage et accessories • Herramientas y accessorios
BLACK • SCHWARZ • NOIR
NEGRO
NERO •
Impieghi
Einsatzgebiete
Champs d’application / Aplicaciones: Idrosanitaria / riscaldamento / raffrescamento Sanitary / Heating / Cooling Sanitär / Heizung / Kühlung Sanitaire / Chauffage /Circuits réfrigérants Agua sanitaria / Calefacción / Circuito refrigeracion  B 50 52  CODE De mm g 11501525N 15 1 20 11501825N 18 1 20 11502230N 22 1 20 11502830N 28 2 20 11503530N 35 2 20 11504240N 42 5 20 11505440N 54 6 20 11507770NM 76,1 14 10 11509070NM 88,9 17 10 11510909NM 108 33 10 115139100N 139,7 43 1 115168100N 168,3 95 1
/ Application field /
/
GIALLO • YELLOW • GELB • JAUNE • AMARILLO
Impieghi
d’application / Aplicaciones: Gas / Gas / Gas / Gaz / Gas  B 50 52  CODE De mm g 11501526G 15 1 20 11501826G 18 1 20 11502231G 22 1 20 11502831G 28 2 20 11503532G 35 2 20 11504241G 42 5 20 11505441G 54 6 20 11507670GM* 76,1 14 10 11508870GM* 88,9 17 10 11510809GM* 108 33 10 (*) HNBR 193
NOTE:
/ Application field / Einsatzgebiete / Champs

ATTREZZATURE ED ACCESSORI

O-Ring FKM

O-Ring MVQ

Applicazioni industriali - chiedere ad RM

Industrial applications - ask RM

Industrieanwendungen - fragen RM

Applications industrielles - demander RM

Aplicaciones industriales - preguntar RM

Press tools and accessories • Presswerkzeuge Zubehör • Outils de sertissage et accessories • Herramientas y accessorios
VERDE • GREEN • GRÜN • VERT • VERDE NOTE: Impieghi / Application field / Einsatzgebiete / Champs d’application / Aplicaciones: Solare / Solar / Solar / Solaire / Solares Olio / Pil / Öl / Huile / Aceite  B 50 52  CODE De mm g 11501525V 15 1 20 11501825V 18 1 20 11502230V 22 1 20 11502830V 28 2 20 11503530V 35 2 20 11504240V 42 5 20 11505440V 54 6 20 11507770VM 76,1 14 10 11509070VM 88,9 17 10 11510909VM 108 33 10 115139100V 139,7 43 1 115168100V 168,3 95 1
ROSSO • RED • ROT • ROUGE • ROJO NOTE: Impieghi /
field
Einsatzgebiete / Champs d’application / Aplicaciones:
Application
/
B 50 52  CODE De mm g 11501525R 15 1 20 11501825R 18 1 20 11502230R 22 1 20 11502830R 28 2 20 11503530R 35 2 20 11504240R 42 5 20 11505440R 54 6 20 11507770R 76,1 14 10 11509070R 88,9 17 10 11510990R 108 33 10 194

NOTE:

115/HNBR

NOTE: Impieghi / Application field / Einsatzgebiete / Champs d’application /

ATTREZZATURE ED ACCESSORI Press tools and accessories • Presswerkzeuge Zubehör • Outils de sertissage et accessories • Herramientas y accessorios
EPDM
EPDM GASKET
DICTUNG AUS EPDM
JOINT EPDM
JUNTA EN EPDM
115/EPDM GUARNIZIONE
Impieghi / Application field / Einsatzgebiete / Champs d’application / Aplicaciones: Idrosanitaria / riscaldamento / raffrescamento Sanitary / Heating / Cooling Sanitär / Heizung / Kühlung Sanitaire / Chauffage /Circuits réfrigérants Agua sanitaria / Calefacción / Circuito refrigeracion  B 50 52  CODE De mm S mm D1 mm D2 mm g 115683304E 15 - 18 - 22 2,5 24 14 1 20 115683100E 18 - 22 - 28 2,5 30 20 1 20 115683114E 28 - 35 2,5 39 27 2 20 115683112E 35 - 42 2,5 44,5 34 3 20 115183134E 42 2,5 50,5 42 3 20 115683134E 42 2,5 50,5 38 4 20 115183200E 42 2,5 56 42 4 20 115183540E 54 3 65,5 53,5 4 20 115183154E 54 3 65,5 45 4 20 115183054E 54 3 71,5 53 5 20
GUARNIZIONE HNBR • HNBR GASKET • DICTUNG AUS HNBR • JOINT HNBR • JUNTA EN HNBR
Aplicaciones: Gas / Gas / Gas / Gaz / Gas  B 50 52  CODE De mm S mm D1 mm D2 mm g 115683102H 15 - 18 2,5 18 10 1 20 115683304H 15 - 18 2,5 24 14 1 20 115683100H 22 - 28 2,5 30 20 1 20 115683114H 28 - 35 2,5 39 27 2 20 115183112H 35 - 42 2,5 44,5 34 3 20 115183200H 42 - 54 2,5 56 42 4 20 195

ATTREZZATURE ED ACCESSORI

Raccomandato per impianti di raffrescamento

Empfehlt fuer Kuehlungsanlagen

Recommandé pour installations de refroidissement Recomendado para instalaciones de refrigeracion

Press tools and accessories • Presswerkzeuge Zubehör • Outils de sertissage et accessories • Herramientas y accessorios
GUARNIZIONE FKM • FKM GASKET • DICTUNG AUS FKM • JOINT FKM
JUNTA EN FKM
Impieghi
Application field
Einsatzgebiete
Champs d’application / Aplicaciones: Solare / Solar / Solar / Solaire / Solares.  B 50 52  CODE De mm S mm D1 mm D2 mm g 115683102F 15 - 18 3 18 10 1 20 115683304F 15 - 18 - 22 3 24 14 1 20 115683100F 18 - 22 - 28 3 30 20 1 20 115683114F 28 - 35 3 39 27 2 20 115183112F 35 - 42 3 44,5 34 3 20 115183051F 28 3 47,5 37 3 20 115183134F 42 3 50,5 40 4 20 115183200F 42 - 54 3 56 42 4 20 115183540F 54 3 65,5 53,5 4 20 115183242F 42 3 66 56 4 20 115183054F 54 3 71,5 53 5 20 115183254F 54 3 79,5 69 5 20
BENDA DI PROTEZIONE BUTILICA RACCORDI STEELPRES • BANDAGE PROTECTION FOR STEELPRES FITTINGS • SCHUTZBAND FÜR STEELPRES FITTINGE • BANDE DE PROTECTION POUR RACCORDS STEELPRES • FUNDA DE PROTECCION PIEZAS STEELPRES  B 60 60  CODE Lg x L cm x m g 850NS000000 5 cm x 9,15 m 734 24
115/FKM
NOTE:
/
/
/
850NS
Recommended for cooling installation
NEW NEW NEW NEW NEW 196

Umidità e condensa: quando si forma, perché?

La condensa è un fenomeno naturale che si manifesta quando l’aria carica di vapore acqueo entra in contatto con superfici fredde.

La differenza di temperatura tra aria calda e superfice fredda provoca la trasformazione del vapore in gocce d’acqua. Effetto della condensa sui tubi in acciaio al carbonio zincati.

Negli impianti di raffrescamento realizzati con tubi zincati non adeguatamente protetti, l’eventuale formazione di condensa sulla superficie esterna del tubo in presenza di ossigeno, provoca la formazione di ossido di zinco. Una volta consumato tutto lo zinco superficiale, sulla sottostante superfice in acciaio al carbonio si innesca una corrosione generalizzata con formazione di ossido di ferro.

Come risolvere il problema?

Per preservare il tubo in acciaio al carbonio è necessario rivestire la sua superficie con un materiale protettivo che non si ossidi e che svolga azione di barriera fisica tra tubazione ed atmosfera.

Quale soluzione offre RM?

Per facilitare la fase di installazione e protezione delle tubazioni e dei raccordi Steelpres, mettiamo a disposizione tubo in acciaio al carbonio zincato rivestito con PP e bende butiliche da nastrare sopra i raccordi. Protezione di tubi e raccordi dalla corrosione esterna.

Il nastro adesivo isobutilico presenta grande allungabilità in entrambi i sensi ed un forte potere adesivo ed auto amalgamante. Lo stesso non necessita di primer aggrappante, impermeabilizza perfettamente le superfici, isolando da agenti atmosferici e chimici blandi. La grande allungabilità conferisce ai nastri un’adattabilità pressochè universale su tutte le superfici, anche le più irregolari quali curve,

Humidity and condensate: when and why it creates.

Condensate is a natural event appearing when the air rich in water vapour comes into contact with cold surfaces. The difference in temperature between hot air and cold surfaces brings about the transformation of vapour in water drops.

Effects of condensate on zincplated carbon steel pipes.

In cooling systems obtained from not suitably protected zinc-plated pipes, possible condensate creation on pipes’ outer surface in presence of oxygen causes the formation of zinc oxide. After superficial zinc consumption, on carbon steel surface under zinc coating a general corrosion starts with the formation of iron oxide.

How to solve the

problem.

In order to protect carbon steel pipes, it is necessary to coat its surface by a protective material that does not oxidise and acts as physical barrier between pipe and atmosphere.

Tee, giunti a bicchiere etc. Per applicarlo e sufficiente che la superficie sia pulita e non umida. Il nastro va spellicolato esercitando la tensione necessaria a seconda delle situazioni. Esso si allunga infatti fino al 700% della sua lunghezza iniziale mentre lo spessore finale e in funzione della trazione esercitata. È consigliabile una sovrapposizione di almeno un 10% della larghezza del nastro. La protezione attraverso il rivestimento con fasce e/o verniciatura, deve comunque avvenire sempre dopo la prova impianto.

RM’s solution.

To ease the phases of installation and protection zinc-plated carbon steel pipe coated with PP and butyl tapes to be applied onto fittings.

Protection of pipelines and connections from external corrosion.

The butanol-adhesive tape has high tensile and high adhesive strength and is selffluxing. It requires no adherent primer, lets surfaces perfectly repel water and insulates against atmospheric influences and free chemicals. The high tensibility provides the tapes with comprehensive applicability for all types of surfaces, even for irregular surfaces such as bends, T-piece, sleeves, etc.

For the application, it is sufficient that the surface is clean but not wet.

The tape must be under pressure and cleaned depending on the situation. It extends over 700% compared to its original length, while the width at the end depends on the extension.

It is recommended to overlap the tape with at least 10% of the tape width. A coating protection with the help of tapes and/or varnish must always occur after a trial run of the system.

ATTREZZATURE ED ACCESSORI Press tools and accessories • Presswerkzeuge Zubehör • Outils de sertissage et accessories • Herramientas y accessorios
197

Raccorderie Metalliche Drain

RM DRAIN è un sistema di scarico composto da elementi tubiformi e raccordi in acciaio inossidabile AISI 316L (1.4404) a parete sottile, particolarmente adatto per convogliare, sia a gravità che sottovuoto, acque reflue frequentemente contaminate da sostanze organiche e chimiche corrosive. Il vasto assortimento dei componenti è disponibile in sette dimensioni, dal DN 40 al DN 150 (DN 200 in fase di realizzazione). Grazie alla loro elevata resistenza al fuoco (Certificati Classe A, non combustibili), consente di soddisfare molteplici installazioni, in particolare quelle in ambito navale (navi da crociera, navi militari, yacht, strutture offshore, ecc.).

RM DRAIN is a draining system consisting of tubes and joints in AISI 316L (1.4404) stainless steel, thin wall, suitable to convey, with gravity or under vacuum, waste waters which are frequently contaminated with organic or chemical corrosive substances. The wide range of products is availablein seven sizes, DN 40 to DN 150 (DN 200 work in progress). As they are consistently fire resistant, (certified class A, not combustible), they allow to comply with many installation requirements as for marine installations (cruise ships, military ships, yacht, offshore structures, etc.).

SISTEMI DI SCARICO Waste systems • Abflusssysteme • Systèmes de evacuation • Sistemas de evacuación
200

Il montaggio del sistema RM DRAIN richiede semplici e rapide operazioni manuali che non obbligano l’utilizzo di particolari e spesso costose attrezzature.

The RM DRAIN assembling procedure asks for simple and rapid manual operations, with no specific or expensive tool.

Verificare pulizia componenti / Verify the components’ cleaning

bordo accostato al raccordo edge close to the fitting

Verificare posizionamento guarnizione / Verify the correct gasket’s position

Lubrificazione zona interna guarnizione / Internal gasket lubrification

1 3 5 7

Pulizia di eventuale grasso residuo / Cleaning of the grease residual

Inserire guarnizione nel bicchiere / Insert the gasket into socket

Marcatura quota d’innesto / Marking the insertion’s depth

Inserimento tubo nel raccordo / Inserting of the pipe into the fitting

2 4 6 8

quota d’innesto insertion’s depth

Controllo completo inserimento del tubo nel bicchiere // Check of complete pipe’s insertion into the fitting

SISTEMI DI SCARICO Waste systems • Abflusssysteme • Systèmes de evacuation • Sistemas de evacuación 171
SISTEMI DI SCARICO Waste systems • Abflusssysteme • Systèmes de evacuation • Sistemas de evacuación
201

SISTEMI

DI SCARICO

Waste systems • Abflusssysteme • Systèmes de evacuation • Sistemas de evacuación

Certificazioni / Certifications

PIPES AND FITTINGS FOR VACUUM AND GRAVITY DRAIN SYSTEM - RM DRAIN 14/20035 PIPES AND FITTINGS FOR VACUUM AND GRAVITY DRAIN SYSTEM - RM DRAIN TAP000017F RM DRAIN TUBAZIONI DI SCARICO A GRAVITÀ E VUOTO MAC - 199115CS / 001 PIPE PENETRATION RM DRAIN M1-M2-M3-M4 MED 1650184 - SASF160206
RM DRAINING SYSTEMS - GRAVITY AND VACUUM DIMENSIONI DEL BICCHIERE / SOCKET SIZE DN D mm S mm D1 mm D2 mm D3 mm P mm DN 40 42 1 45 48 45 30 DN 50 53 1 56 60 56 38 DN 65 73 1,25 76 81 76 55 DN 80 88,9 1,25 92 99 92 60 DN 100 102 1,25 106 114 107 70 DN 125 133 1,5 138 147 140 75 DN 150 159 1,5 164 176 168 80 D S P D3 D2 D1 202

Waste systems • Abflusssysteme • Systèmes de evacuation • Sistemas de evacuación

802

TUBO CON UN BICCHIERE

• PIPE WITH ONE SOCKET

• ROHR MIT EINER MUFFE

• TUYAU AVEC UNE EMBOITURE

• TUBO CON UN MANGUITO

SISTEMI DI SCARICO
MATERIAL: AISI 316L – 1.4404 GASKET: EPDM cod. 826/GV (Ø 40 ÷ 65) EPDM cod. 826/G (Ø 80 ÷ 150) NORM: EN 1124-3  B 100 101  CODE DN D1 mm L mm A mm kg 802040025 40 42 250 30 0,295 1 802040050 42 500 30 0,550 1 802040075 42 750 30 0,810 1 802040100 42 1000 30 1,065 1 802040150 42 1500 30 1,580 1 802040200 42 2000 30 2,100 1 802040250 42 2500 30 2,610 1 802040300 42 3000 30 3,120 1 802050025 50 53 250 38 0,385 1 802050050 53 500 38 0,710 1 802050075 53 750 38 1,040 1 802050100 53 1000 38 1,365 1 802050150 53 1500 38 2,020 1 802050200 53 2000 38 2,670 1 802050250 53 2500 38 3,320 1 802050300 53 3000 38 3,970 1 802065025 65 73 250 55 0,710 1 802065050 73 500 55 1,270 1 802065075 73 750 55 1,850 1 802065100 73 1000 55 2,400 1 802065150 73 1500 55 3,550 1 802065200 73 2000 55 4,650 1 802065250 73 2500 55 5,800 1 802065300 73 3000 55 6,900 1 802080025 80 88,9 250 60 0,875 1 802080050 88,9 500 60 1,600 1 802080075 88,9 750 60 2,250 1 802080100 88,9 1000 60 2,950 1 802080150 88,9 1500 60 4,320 1 802080200 88,9 2000 60 5,700 1 802080250 88,9 2500 60 7,700 1 802080300 88,9 3000 60 8,450 1 802100025 100 102 250 70 1,050 1 802100050 102 500 70 1,850 1 802100075 102 750 70 2,620 1 802100100 102 1000 70 3,400 1 802100150 102 1500 70 4,980 1 802100200 102 2000 70 6,550 1 802100250 102 2500 70 8,130 1 802100300 102 3000 70 9,700 1 802125025 125 133 250 75 1,650 1 802125050 133 500 75 2,885 1 203

SISTEMI DI SCARICO

Waste systems • Abflusssysteme • Systèmes de evacuation • Sistemas de evacuación

802

TUBO CON UN BICCHIERE

• PIPE WITH ONE SOCKET

• ROHR MIT EINER MUFFE

• TUYAU AVEC UNE EMBOITURE

• TUBO CON UN MANGUITO

803

TUBO

MATERIAL: AISI 316L – 1.4404 GASKET: EPDM cod. 826/GV (Ø 40 ÷ 65) EPDM cod. 826/G (Ø 80 ÷ 150) NORM: EN 1124-3  B 100 101  CODE DN D1 mm L mm A mm kg 802125075 125 133 750 75 4,125 1 802125100 133 1000 75 5,360 1 802125150 133 1500 75 7,830 1 802125200 133 2000 75 10,300 1 802125250 133 2500 75 12,775 1 802125300 133 3000 75 15,250 1 802150025 150 159 250 80 2,000 1 802150050 159 500 80 3,500 1 802150075 159 750 80 5,000 1 802150100 159 1000 80 6,450 1 802150150 159 1500 80 9,400 1 802150200 159 2000 80 12,400 1 802150250 159 2500 80 15,350 1 802150300 159 3000 80 18,300 1
CON DUE BICCHIERI • PIPE WITH TWO SOCKETS • ROHR MIT ZWEI MUFFEN • TUYAU AVEC DEUX EMBOITURES • TUBO CON DOS MANGUITOS MATERIAL: AISI 316L – 1.4404 GASKET: EPDM cod. 826/GV (Ø 40 ÷ 65) EPDM cod. 826/G (Ø 80 ÷ 150) NORM: EN 1124-3  B 100 101  CODE DN D1 mm L mm A mm kg 8030400250 40 42 250 30 0,330 1 8030400500 42 500 30 0,580 1 8030400750 42 750 30 0,860 1 8030401000 42 1000 30 1,100 1 8030401500 42 1500 30 1,600 1 8030402000 42 2000 30 2,150 1 8030402500 42 2500 30 2,650 1 8030403000 42 3000 30 3,150 1 8030500250 50 53 250 38 0,420 1 8030500500 53 500 38 0,755 1 8030500750 53 750 38 1,080 1 8030501000 53 1000 38 1,400 1 8030501500 53 1500 38 2,100 1 8030502000 53 2000 38 2,700 1 8030502500 53 2500 38 3,350 1 8030503000 53 3000 38 4,010 1 204

Waste systems • Abflusssysteme • Systèmes de evacuation • Sistemas de evacuación 803

TUBO CON DUE BICCHIERI

• PIPE WITH TWO SOCKETS

• ROHR MIT ZWEI MUFFEN

• TUYAU AVEC DEUX EMBOITURES

• TUBO CON DOS MANGUITOS

SISTEMI DI SCARICO
MATERIAL: AISI 316L – 1.4404 GASKET: EPDM cod. 826/GV (Ø 40 ÷ 65) EPDM cod. 826/G (Ø 80 ÷ 150) NORM: EN 1124-3  B 100 101  CODE DN D1 mm L mm A mm kg 8030650250 65 73 250 55 0,760 1 8030650500 73 500 55 1,330 1 8030650750 73 750 55 1,880 1 8030651000 73 1000 55 2,450 1 8030651500 73 1500 55 3,560 1 8030652000 73 2000 55 4,700 1 8030652500 73 2500 55 5,820 1 8030653000 73 3000 55 6,950 1 8030800750 80 88,9 750 60 2,300 1 8030801000 88,9 1000 60 3,000 1 8030801500 88,9 1500 60 4,360 1 8030802000 88,9 2000 60 5,780 1 8030802500 88,9 2500 60 7,110 1 8030803000 88,9 3000 60 8,480 1 8031000750 100 102 750 70 2,670 1 8031001000 102 1000 70 3,500 1 8031001500 102 1500 70 5,050 1 8031002000 102 2000 70 6,600 1 8031002500 102 2500 70 8,180 1 8031003000 102 3000 70 9,750 1 8031250750 125 133 750 75 4,200 1 8031251000 133 1000 75 5,400 1 8031251500 133 1500 75 7,900 1 8031252000 133 2000 75 10,350 1 8031252500 133 2500 75 12,950 1 8031253000 133 3000 75 15,300 1 8031500750 150 159 750 80 5,000 1 8031501000 159 1000 80 6,500 1 8031501500 159 1500 80 9,500 1 8031502000 159 2000 80 12,450 1 8031502500 159 2500 80 15,400 1 8031503000 159 3000 80 18,350 1 205

SISTEMI DI SCARICO

Waste systems • Abflusssysteme • Systèmes de evacuation • Sistemas de evacuación

804/87

CURVA 87°

• ELBOW 87°

• ROHRBOGEN 87°

• COUDE 87°

• CURVA 87°

MATERIAL: AISI 316L – 1.4404 GASKET: EPDM cod. 826/GV (Ø 40 ÷ 65)

cod. 826/G (Ø 80)

804/45

CURVA 45°

• ELBOW 45°

• ROHRBOGEN 45°

• COUDE 45°

• CURVA 45°

MATERIAL: AISI 316L – 1.4404 GASKET: EPDM cod. 826/GV (Ø 40 ÷ 65)

EPDM
NORM:
B 100 102  CODE DN D1 mm L mm A mm H mm R mm kg 804040087 40 42 102 30 105 63 0,193 1 804050087 50 53 130 38 133 80 0,310 1 804065087 65 73 172 55 176 110 0,700 1 804080087 80 88,9 199 60 204 133 1,180 1
EN 1124-3
EPDM
NORM:
1124-3  B 100 102  CODE DN D1 mm L mm A mm H mm R mm kg 804040045 40 42 68 30 71 63 0,146 1 804050045 50 53 85 38 88 80 0,229 1 804065045 65 73 112 55 117 110 0,521 1 804080045 80 88,9 128 60 133 133 0,864 1 804/30 CURVA 30° • ELBOW 30°
ROHRBOGEN 30°
COUDE 30°
CURVA 30° MATERIAL: AISI 316L – 1.4404 GASKET: EPDM cod. 826/GV (Ø 40 ÷ 65) EPDM cod. 826/G (Ø 80) NORM: EN 1124-3  B 100 102  CODE DN D1 mm L mm A mm H mm R mm kg 804040030 40 42 59 30 62 63 0,129 1 804050030 50 53 73 38 76 80 0,201 1 804065030 65 73 98 55 102 110 0,462 1 804080030 80 88,9 109 60 114 133 0,752 1 206
cod. 826/G (Ø 80)
EN

Waste systems

• Abflusssysteme • Systèmes de evacuation • Sistemas de evacuación

804/15

CURVA 15°

• ELBOW 15°

• ROHRBOGEN 15°

• COUDE 15°

• CURVA 15°

MATERIAL: AISI 316L – 1.4404

GASKET: EPDM cod. 826/GV (Ø 40 ÷ 65)

EPDM cod. 826/G (Ø 80)

NORM: EN 1124-3

805/T

CURVA TECNICA 87°

• TECNICAL ELBOW 87°

• TECHNISCHE ROHRBOGEN 87°

• COUDE TECHNIQUE 87°

• CURVA TÉCNICA 87°

MATERIAL: AISI 316L – 1.4404

GASKET: EPDM cod. 826/G (Ø 40 ÷ 50)

cod. 826/GV (Ø 65)

NORM: EN 1124-3

• ELBOW S.R. 87°

• ROHRBOGEN KURZE RADIUS 87°

• COUDE RAYON COURT 87°

• CURVA RADIO ESTRECHO 87°

AISI 316L – 1.4404

SISTEMI DI SCARICO
B 100 102  CODE DN D1 mm L mm A mm H mm R mm kg 804040015 40 42 51 30 54 63 0,114 1 804050015 50 53 62 38 65 80 0,173 1 804065015 65 73 82 55 86 110 0,393 1 804080015 80 88,9 90 60 95 133 0,632 1
B 100 102  CODE DN D1 mm L mm A mm H mm R mm kg 805040000 40 42 64 20 79 42 0,159 1 805050000 50 53 81,5 26 98,5 53 0,252 1 805065000 65 73 127 55 142 73 0,720 1
CURVA
805/87
RAGGIO STRETTO 87°
GASKET: EPDM
(Ø 40 ÷ 65) EPDM cod. 826/G (Ø 80 ÷ 150) NORM: EN 1124-3  B 100 102  CODE DN D1 mm L mm A mm H mm R mm kg 805040087 40 42 85 30 88 42 0,199 1 805050087 50 53 103 38 106 53 0,302 1 805065087 65 73 138 55 142 73 0,693 1 805080087 80 88,9 157 60 162 88,9 0,955 1 805100087 100 102 180 70 186 102 1,258 1 805125087 125 133 216 75 222 133 1,959 1 805150087 150 159 235 80 240 159 2,510 1 207
MATERIAL:
cod. 826/GV

SISTEMI DI SCARICO

Waste systems • Abflusssysteme • Systèmes de evacuation • Sistemas de evacuación

805/45

CURVA RAGGIO STRETTO 45°

• ELBOW S.R. 45°

• ROHRBOGEN KURZE RADIUS 45°

• COUDE RAYON COURT 45°

CURVA RAGGIO STRETTO 30°

• ELBOW S.R. 30°

• ROHRBOGEN KURZE RADIUS

MATERIAL: AISI 316L – 1.4404 GASKET: EPDM cod. 826/GV (Ø 40 ÷ 65) EPDM cod. 826/G (Ø 80 ÷ 150) NORM: EN 1124-3  B 100 102  CODE DN D1 mm L mm A mm H mm R mm kg 805040045 40 42 60 30 63 42 0,156 1 805050045 50 53 74 38 77 53 0,241 1 805065045 65 73 98 55 102 73 0,549 1 805080045 80 88,9 109 60 114 88,9 0,744 1 805100045 100 102 120 70 126 102 0,958 1 805125045 125 133 147 75 154 133 1,502 1 805150045 150 159 159 80 147 159 1,825 1
• CURVA RADIO ESTRECHO 45°
805/30
30° • COUDE RAYON COURT 30° • CURVA RADIO ESTRECHO 30° MATERIAL: AISI 316L – 1.4404 GASKET: EPDM cod. 826/GV (Ø 40 ÷ 65) EPDM cod. 826/G (Ø 100 ÷ 150) NORM: EN 1124-3  B 100 102  CODE DN D1 mm L mm A mm H mm R mm kg 805100030 100 102 110 70 115 102 0,877 1 805125030 125 133 125 75 131 133 1,298 1 805150030 150 159 136 80 124 159 1,580 1 805/15 CURVA RAGGIO STRETTO 15° • ELBOW S.R. 15° • ROHRBOGEN KURZE RADIUS 15° • COUDE RAYON COURT 15° • CURVA RADIO ESTRECHO 15° MATERIAL: AISI 316L – 1.4404 GASKET: EPDM cod. 826/G (Ø 100 ÷ 150) NORM: EN 1124-3  B 100 102  CODE DN D1 mm L mm A mm H mm R mm kg 805100015 100 102 96 70 101 102 0,877 1 805125015 125 133 107 75 112 133 1,100 1 805150015 150 159 114 80 102 159 1,331 1 208

DISASSAMENTO 75/130/200 MM

• OFFSET 75/130/200 MM

• ETAGENBOGEN 75/130/200 MM

• DÉSAXEMENT 75/130/200 MM

SISTEMI DI SCARICO
systems • Abflusssysteme • Systèmes de evacuation • Sistemas de evacuación
Waste
806
AISI 316L – 1.4404 GASKET: EPDM cod. 826/GV (Ø 65) EPDM cod. 826/G (Ø 80 ÷ 125) NORM: EN 1124-3  B 100 102  CODE DN D1 mm E mm L mm A mm B mm C mm R mm kg 806065075 65 73 75 329 55 101 98 110 0,950 1 806080075 80 88,9 75 352 60 114 109 133 1,000 1 806100075 100 102 75 321 70 126 120 102 1,200 1 806125075 125 133 75 375 75 154 146,5 133 1,996 1 806065130 65 73 130 359 55 117 113 110 0,880 1 806080130 80 88,9 130 391 60 133 128 133 1,350 1 806100130 100 102 130 376 70 126 120 102 1,520 1 806125130 125 133 130 430,5 75 154 146,5 133 2,381 1 806065200 65 73 200 430 55 117 113 110 1,120 1 806080200 80 88,9 200 461 60 133 128 133 1,550 1 806100200 100 102 200 446 70 126 120 102 1,780 1 806125200 125 133 200 500,5 75 154 146,5 133 2,870 1 807 CURVA PROLUNGATA • STREMLINE BEND • LANG ROHRBOGEN • COUDE PROLONGÉE • CURVA EXTENDIDA GASKET: EPDM cod. 826/G (Ø 80 ÷ 125) MATERIAL: AISI 316L – 1.4404 NORM: EN 1124-3  B 100 102  Articolo speciale a richiesta. Special code on demand. CODE DN D1 mm L1 mm L2 mm A mm R mm kg 807080000 80 88,9 388 383 60 133 1,850 1 807100000 100 102 362,5 356,5 70 102 2,100 1 807125000 125 133 414 407 75 133 3,292 1
GOMITO RIDOTTO 87°
REDUCED ELBOW 87°
REDUZIERTE ROHRBOGEN 87°
COUDE RÉDUIT 87°
CURVA REDUCIDA 87° MATERIAL: AISI 316L – 1.4404 GASKET: EPDM cod. 826/GV (Ø 50 ÷ 65) NORM: EN 1124-3  B 100 102  Articolo speciale a richiesta. Special code on demand. CODE DN1 DN2 D1 mm D2 mm A mm L mm H mm F mm R mm kg 807050040 50 40 53 42 30 85 124 62 42 0,290 1 807065050 65 50 73 53 38 103 161 60 53 0,390 1 209
CURVA DESVIACIÓN 75/130/200 MM MATERIAL:
807/R

SISTEMI DI SCARICO

Waste systems • Abflusssysteme • Systèmes de evacuation • Sistemas de evacuación

BRANCH
ABZWEIG
EMBRANCHEMENT 87° • DERIVACIÓN M-H 87° MATERIAL: AISI 316L – 1.4404 GASKET: EPDM cod. 826/GV (Ø 40 ÷ 65) EPDM cod. 826/G (Ø 80 ÷ 150) NORM: EN 1124-3  B 100 102  CODE DN D1 mm A mm L1 mm L2 mm B mm kg 808040087 40 42 30 137 67 70 0,193 1 808050087 50 53 38 165 81 84 0,291 1 808065087 65 73 55 209 109 106 0,639 1 808080087 80 88,9 60 235 122 119 0,863 1 808100087 100 102 70 291 138 148 1,196 1 808125087 125 133 125 360 159 182 2,219 1 808150087 150 159 150 403 178 204 2,932 1 808/45 BRAGA 45° • BRANCH 45° • ABZWEIG 45° • EMBRANCHEMENT 45° • DERIVACIÓN M-H 45° MATERIAL: AISI 316L – 1.4404 GASKET: EPDM cod. 826/GV (Ø 40 ÷ 65) EPDM cod. 826/G (Ø 80 ÷ 150) NORM: EN 1124-3  B 100 102  CODE DN D1 mm A mm L1 mm L2 mm B mm kg 808040045 40 42 30 155 100 55 0,233 1 808050045 50 53 38 198 132,5 65 0,382 1 808065045 65 73 55 255 170 85 0,864 1 808080045 80 88,9 60 295 210 95 1,200 1 808100045 100 102 70 335 225 110 1,517 1 808125045 125 133 125 415 285 130 2,936 1 808150045 150 159 150 460 320 140 3,856 1 210
808/87 BRAGA 87° •
87° •
87° •

809

BRAGA RIDOTTA 87°

• REDUCED BRANCH 87°

• REDUZIERTE ABZWEIG 87°

• EMBRANCHEMENT RÉDUIT 87°

• DERIVACIÓN M-H REDUCIDA 87°

SISTEMI DI SCARICO Waste systems • Abflusssysteme • Systèmes de evacuation • Sistemas de evacuación
316L – 1.4404 GASKET: EPDM cod. 826/GV (Ø 40 ÷ 65) EPDM cod. 826/G (Ø 80 ÷ 150) NORM: EN 1124-3  B 100 102  CODE DN1 DN2 D1 mm D2 mm A1 mm A2 mm L1 mm L2 mm B mm kg 809050040 50 40 53 42 38 30 165 73 84 0,269 1 809065040 65 40 73 42 55 30 209 83 106 0,528 1 809065050 65 50 73 53 55 38 209 91 106 0,547 1 809080050 80 50 88,9 53 60 38 235 99 119 0,726 1 809100040 100 40 102 42 70 30 216 97 110 0,749 1 809100050 100 50 102 53 70 38 226 105 115 0,800 1 809100065 100 65 102 73 70 55 291 123 148 1,092 1 809100080 100 80 102 88,9 70 60 291 128 148 1,136 1 809125050 125 50 133 53 75 38 294 121 149 1,551 1 809125065 125 65 133 73 75 55 294 139 149 1,633 1 809125100 125 100 133 102 75 60 294 153 149 1,723 1 809150065 150 65 159 73 80 55 343 152 174 2,221 1 809150100 150 100 159 102 80 70 343 166 174 2,308 1 809150125 150 125 159 133 80 75 403 172 204 2,832 1 810 BRAGA RIDOTTA 45° • REDUCED BRANCH 45° • REDUZIERTE ABZWEIG 45° • EMBRANCHEMENT RÉDUIT 45° • DERIVACIÓN M-H REDUCIDA 45° MATERIAL: AISI 316L – 1.4404 GASKET: EPDM cod. 826/GV (Ø 40 ÷ 65) EPDM cod. 826/G (Ø 80 ÷ 150) NORM: EN 1124-3  B 100 102  CODE DN1 DN2 D1 mm D2 mm A1 mm A2 mm L1 mm L2 mm B mm kg 810050040 50 40 53 42 38 30 198 147,5 65 0,373 1 810065040 65 40 73 42 55 30 205 145 60 0,563 1 810065050 65 50 73 53 55 38 230 155 75 0,651 1 810080050 80 50 88,9 53 60 38 245 173 72 0,820 1 810080065 80 65 88,9 73 60 55 255 180 85 0,961 1 810100040 100 40 102 42 70 30 250 185 65 0,916 1 810100050 100 50 102 53 70 38 270 195 75 1,019 1 810100065 100 65 102 73 70 55 300 210 90 1,257 1 810100080 100 80 102 88,9 70 60 320 220 100 1,408 1 810125050 125 50 133 53 75 38 300 225 75 1,671 1 810125065 125 65 133 73 75 55 330 240 90 2,236 1 810125100 125 100 133 102 75 70 365 260 105 2,294 1 810150065 150 65 159 73 80 55 335 255 80 2,314 1 810150100 150 100 159 102 80 70 370 281 89 2,695 1 810150125 150 125 159 133 80 75 420 300 120 3,358 1 211
MATERIAL: AISI

SISTEMI DI SCARICO

Waste systems • Abflusssysteme • Systèmes de evacuation • Sistemas de evacuación

811/87

• DOUBLE BRANCH 87°

BRAGA DOPPIA 87°
DOPPELABZWEIG 87°
DERIVACIÓN
M-H
MATERIAL: AISI 316L – 1.4404 GASKET: EPDM cod. 826/GV (Ø 50 ÷ 65) EPDM cod. 826/G (Ø 100 ÷ 150) NORM: EN 1124-3  B 100 102  CODE DN D1 mm A mm L1 mm L2 mm B mm kg 811050087 50 53 38 165 81 84 0,359 1 811065087 65 73 55 209 109 107 0,792 1 811100087 100 102 70 291 138 148 1,451 1 811125087 125 133 75 360 159 182 2,616 1 811150087 150 159 80 403 178 204 3,422 1 811/45 BRAGA DOPPIA
DERIVACIÓN
M-H
AISI 316L
1.4404 GASKET: EPDM cod. 826/GV (Ø 50 ÷ 65) EPDM cod. 826/G (Ø 100 ÷ 150) NORM: EN 1124-3  B 100 102  CODE DN D1 mm A mm L1 mm L2 mm B mm kg 811050045 50 53 38 198 132,5 65 0,497 1 811065045 65 73 55 255 170 85 1,078 1 811100045 100 102 70 335 225 110 1,953 1 811125045 125 133 75 415 285 130 3,780 1 811150045 150 159 80 460 320 140 4,938 1 212
• EMBRANCHEMENT DOUBLE 87° •
DOBLE
87°
45° • DOUBLE BRANCH 45° • DOPPELABZWEIG 45° • EMBRANCHEMENT DOUBLE 45° •
DOBLE
45° MATERIAL:

Waste systems • Abflusssysteme • Systèmes de evacuation • Sistemas de evacuación

812

BRAGA DOPPIA RIDOTTA 87°

• REDUCED DOUBLE BRANCH 87°

• REDUZIERTE DOPPELABZWEIG 87°

• EMBRANCHEMENT DOUBLE RÉDUIT 87°

• DERIVACIÓN DOBLE M-H REDUCIDA 87°

MATERIAL: AISI 316L – 1.4404

GASKET: EPDM cod. 826/GV (Ø 40 ÷ 65)

cod. 826/G (Ø 80 ÷ 150) NORM: EN 1124-3

SISTEMI DI SCARICO
B 100 102  CODE DN1 DN2 D1 mm D2 mm A1 mm A2 mm L1 mm L2 mm B mm kg 812050040 50 40 53 42 38 30 165 73 84 0,315 1 812065050 65 50 73 53 55 38 209 91 106 0,610 1 812080050 80 50 88,9 53 60 38 235 99 120 0,788 1 812100050 100 50 102 53 70 38 226 105 115 0,860 1 812100065 100 65 102 73 70 55 291 123 148 1,242 1 812100080 100 80 102 88,9 70 60 291 128 148 1,330 1 812125100 125 100 133 102 75 70 294 153 149 1,949 1 812150100 150 100 159 102 80 70 343 166 174 2,531 1 812150125 150 125 159 133 80 75 403 172 204 3,223 1 813 BRAGA DOPPIA RIDOTTA 45° • REDUCED DOUBLE BRANCH 45° • REDUZIERTE DOPPELABZWEIG 45° • EMBRANCHEMENT DOUBLE RÉDUIT 45° • DERIVACIÓN DOBLE M-H REDUCIDA 45° MATERIAL: AISI 316L – 1.4404 GASKET: EPDM cod. 826/GV (Ø 40 ÷ 65) EPDM cod. 826/G (Ø 80 ÷ 150) NORM: EN 1124-3  B 100 102  CODE DN1 DN2 D1 mm D2 mm A1 mm A2 mm L1 mm L2 mm B mm kg 813050040 50 40 53 42 38 30 168 118 50 0,383 1 813065050 65 50 73 53 55 38 230 155 75 0,771 1 813080050 80 50 88,9 53 60 38 245 173 72 0,945 1 813100065 100 65 102 73 70 55 300 210 90 1,540 1 813100080 100 80 102 88,9 70 60 320 220 100 1,780 1 813125100 125 100 133 102 75 70 365 260 105 2,741 1 813150100 150 100 159 102 80 70 370 281 89 3,146 1 813150125 150 125 159 133 80 75 420 300 120 4,175 1 213
EPDM

SISTEMI DI SCARICO

Waste systems • Abflusssysteme • Systèmes de evacuation • Sistemas de evacuación

814/87

BRAGA SCAGNO 87°

• CORNER BRANCH 87°

• WINKEL ABZWEIG 87°

• TÉ DOUBLE ÉQUERRE 87°

• T DOBLE ESCUADRA 87°

814/45

BRAGA SCAGNO 45°

• CORNER BRANCH 45°

• WINKEL ABZWEIG 45°

• TÉ DOUBLE ÉQUERRE 45°

• T DOBLE ESCUADRA 45°

AISI 316L – 1.4404 GASKET: EPDM cod. 826/GV (Ø 50 ÷ 65) EPDM cod. 826/G (Ø 80 ÷ 150) NORM: EN 1124-3  B 100 102  CODE DN D1 mm L1 mm L2 mm A mm B mm kg 814050087 50 53 165 81 38 84 0,350 1 814065087 65 73 209 109 55 106 0,930 1 814080087 80 88,9 235 122 60 119 1,230 1 814100087 100 102 291 138 70 148 1,810 1 814125087 125 133 359,5 159 75 182 2,602 1 814150087 150 159 402,5 77,5 80 204 3,394 1
MATERIAL:
MATERIAL:
1.4404 GASKET: EPDM cod. 826/GV (Ø 50 ÷ 65) EPDM cod. 826/G (Ø 80 ÷ 150) NORM: EN 1124-3  B 100 102
CODE DN D1 mm A mm L1 mm L2 mm B mm kg 814050045 50 53 38 188 123 65 0,450 1 814065045 65 73 55 255 170 85 1,000 1 814080045 80 88,9 60 295 210 95 1,450 1 814100045 100 102 70 335 225 110 2,400 1 814125045 125 133 75 415 285 130 3,757 1 814150045 150 159 80 460 320 140 4,902 1 214
AISI 316L –
Articolo speciale a richiesta. Special code on demand.

Waste systems • Abflusssysteme

Systèmes de evacuation

Sistemas de evacuación

815/87

BRAGA SCAGNO RIDOTTA 87°

• REDUCED CORNER BRANCH 87°

• REDUZIERT WINKEL ABZWEIG 87°

• TÉ DOUBLE ÉQUERRE RÉDUIT 87°

• T DOBLE ESCUADRA REDUCIDA 87°

MATERIAL: AISI 316L – 1.4404

GASKET: EPDM cod. 826/GV (Ø

cod. 826/G (Ø

EN 1124-3

SISTEMI DI SCARICO
÷ 65) EPDM
80 ÷ 150) NORM:
B 100 102  CODE DN1 DN2 D1 mm D2 mm A1 mm A2 mm L1 mm L2 mm B mm kg 815050040 50 40 53 42 38 30 165 73 84 0,410 1 815065050 65 50 73 53 55 38 209 91 106 0,720 1 815080050 80 50 88,9 53 60 38 235 99 120 1,160 1 815100065 100 65 102 73 70 55 291 123 148 1,440 1 815100080 100 80 102 88,9 70 60 291 128 148 1,590 1 815125100 125 100 133 102 75 70 293,5 153 149 1,949 1 815150100 150 100 159 102 80 70 342,5 166 174 2,530 1 815150125 150 125 159 133 80 75 402,5 195 204 3,445 1 816/45 BRAGA SCAGNO RIDOTTA 45° • REDUCED CORNER BRANCH 45° • REDUZIERT WINKEL ABZWEIG 45° • TÉ DOUBLE ÉQUERRE RÉDUIT 45° • T DOBLE ESCUADRA REDUCIDA 45° MATERIAL: AISI 316L – 1.4404 GASKET: EPDM cod. 826/GV (Ø 40 ÷ 65) EPDM cod. 826/G (Ø 100 ÷ 150) NORM: EN 1124-3  B 100 102  Articolo speciale a richiesta. Special code on demand. CODE DN1 DN2 D1 mm D2 mm A1 mm A2 mm L1 mm L2 mm B mm kg 816050040 50 40 53 42 38 30 168 118 50 0,350 1 816065050 65 50 73 53 55 38 230 155 75 0,850 1 816100065 100 65 102 73 70 55 300 210 90 1,900 1 816125100 125 100 133 102 75 70 365 260 105 2,742 1 816150100 150 100 159 102 80 70 370 275 95 3,109 1 816150125 150 125 159 133 80 75 420 300 120 4,169 1 215
40
CONCENTRICA
CONCENTRIC REDUCER
REDUZIERSTÜCK KONZENTRISCH
RÉDUCTION CONCENTRIQUE
REDUCCIÓN CONCÉNTRICA MATERIAL: AISI 316L – 1.4404 GASKET: EPDM cod. 826/GV (Ø 40 ÷ 65) EPDM cod. 826/G (Ø 80 ÷ 125) NORM: EN 1124-3  B 100 102  CODE DN1 DN2 D1 mm D2 mm A mm L mm B mm kg 817050040 40 50 42 53 30 120 62 0,150 1 817065040 40 65 42 73 30 121 60 0,234 1 817065050 50 65 53 73 38 140 60 0,230 1 817100050 50 100 53 102 38 162 87 0,500 1 817080065 65 80 73 88,9 55 210 80 0,475 1 817100065 65 100 73 102 55 190 85 0,545 1 817125065 65 125 73 133 55 200 95 0,818 1 817100080 80 100 88,9 102 60 195 85 0,583 1 817125100 100 125 102 133 70 220 85 0,833 1 817150100 100 150 102 159 70 247 101 1,222 1 817150125 125 150 133 159 75 230 95 1,308 1 818 RIDUZIONE ECCENTRICA • ECCENTRIC REDUCER • REDUZIERSTÜCK EXZENTRISCH • RÉDUCTION EXCENTRIQUE • REDUCCIÓN EXCÉNTRICA MATERIAL: AISI 316L – 1.4404 GASKET: EPDM cod. 826/GV (Ø 40 ÷ 65) EPDM cod. 826/G (Ø 80 ÷ 125) NORM: EN 1124-3  B 100 102  CODE DN1 DN2 D1 mm D2 mm A mm L mm B mm kg 818050040 40 50 42 53 30 140 45 0,170 1 818065050 50 65 53 73 38 167 70 0,322 1 818100050 50 100 53 102 38 197 87 0,474 1 818080065 65 80 73 88,9 55 187 77 0,465 1 818100065 65 100 73 102 55 207 87 0,590 1 818100080 80 100 88,9 102 60 207 87 0,635 1 818125100 100 125 102 133 70 239 94 1,037 1 818150125 125 150 133 159 70 243 101 1,382 1 216
SISTEMI DI SCARICO Waste systems
Abflusssysteme
Systèmes de evacuation
Sistemas de evacuación 817 RIDUZIONE
SISTEMI DI SCARICO Waste systems • Abflusssysteme • Systèmes de evacuation • Sistemas de evacuación 819/000 MANICOTTO • COUPLING • MUFFE • MANCHON • MANGUITO MATERIAL: AISI 316L – 1.4404 GASKET: EPDM cod. 826/GV (Ø 40 ÷ 65) EPDM cod. 826/G (Ø 80 ÷ 150) NORM: EN 1124-3  B 100 102  CODE DN D1 mm A mm L mm kg 819040000 40 42 30 84 0,098 1 819050000 50 53 38 94 0,138 1 819065000 65 73 55 135 0,335 1 819080000 80 88,9 60 145 0,438 1 819100000 100 102 70 180 0,622 1 819125000 125 133 75 190 1,000 1 819150000 150 159 80 200 1,290 1 819/001 MANICOTTO PASSANTE • SLIP COUPLING • SCHIEBEMUFFE • MANCHON LONG • MANGUITO SIN TOPE MATERIAL: AISI 316L – 1.4404 GASKET: EPDM cod. 826/G (Ø 40 ÷ 150) NORM: EN 1124-3  B 100 102  CODE DN D1 mm L mm kg 819040001 40 42 142 0,163 1 819050001 50 53 176 0,251 1 819065001 65 73 255 0,654 1 819080001 80 88,9 294 0,865 1 819100001 100 102 334 1,130 1 819125001 125 133 405 2,100 1 819150001 150 159 473 2,960 1 217

SISTEMI DI SCARICO

Waste systems • Abflusssysteme • Systèmes de evacuation • Sistemas de evacuación

819/002

MANICOTTO PROLUNGATO • SLIDE COUPLING • DEHNUNGSMUFFE • MANCHON PROLONGÉE • MANGUITO EXTENDIDO MATERIAL: AISI 316L – 1.4404 GASKET: EPDM cod. 826/G (Ø 40 ÷ 150) NORM: EN 1124-3  B 100 102  CODE DN D1 mm B mm L mm kg 819040002 40 42 70 120 0,132 1 819050002 50 53 95 155 0,214 1 819065002 65 73 140 205 0,486 1 819080002 80 88,9 135 210 0,605 1 819100002 100 102 150 240 0,794 1 819125002 125 133 158 260 1,300 1 819150002 150 159 168 285 1,758 1
TAPPO • STOP END • VERSCHLUSSSTOPFEN • BOUCHON • TAPÓN MATERIAL: AISI 316L – 1.4404  B 100 102  CODE DN D1 mm D2 mm B mm kg 819040003 40 42 50 30 0,068 1 819050003 50 53 60 38 0,106 1 819065003 65 73 80 55 0,230 1 819080003 80 88,9 98 60 0,317 1 819100003 100 102 112 70 0,420 1 819125003 125 133 145 77 0,634 1 819150003 150 159 174 82 0,854 1 218
819/003

DI SCARICO
evacuación
SISTEMI
Waste systems • Abflusssysteme
Systèmes de evacuation
Sistemas de
819/004 ISPEZIONE
CLEANOUT PORT
REVISIONSROHR
OUVERTURE DE NETTOYAGE
INSPECCIÓN MATERIAL: AISI 316L – 1.4404 GASKET: EPDM cod. 826/GV (Ø 40 ÷ 65) EPDM cod. 826/G (Ø 80 ÷ 150) NORM: EN 1124-3  B 100 102  CODE DN D1 mm D2 mm D3 mm A mm L mm M Screw Nr. B mm kg 819040004 40 42 42 70 30 143 M6 4 70 0,286 1 819050004 50 53 53 80 38 165 M6 4 84 0,380 1 819065004 65 73 73 105 55 225 M8 4 115 0,795 1 819080004 80 88,9 88,9 125 60 255 M8 4 130 1,070 1 819100004 100 102 88,9 125 70 291 M8 4 148 1,292 1 819125004 125 133 133 165 75 360 M8 8 182 2,647 1 819150004 150 159 133 165 80 403 M8 8 204 3,257 1
ANTISFILAMENTO
SAFETY COLLAR
SICHERHEITSSCHELLE
COLLIER DE SÉCURITÉ
ABRAZADERA DE SEGURIDAD MATERIAL: AISI 316L – 1.4404  B 100 102  CODE DN D1 mm D2 mm H mm kg 827040000 40 42 56 27 0,120 1 827050000 50 53 68 31 0,150 1 827065000 65 73 92,5 40 0,300 1 827080000 80 88,9 110,5 44 0,380 1 827100000 100 102 124,5 53 0,500 1 827125000 125 133 162 58 0,687 1 827150000 150 159 191 63 0,860 1 219
827 COLLARE

Waste systems • Abflusssysteme • Systèmes de evacuation • Sistemas de evacuación

820/PN6

BOCCHELLO CON FLANGIA GIREVOLE

• SLEEVE / ROTARY FLANGE

• LOSE-FLANSCH / AUSSEN

• BRIDE TOURNANTE / SORTIE A BRIDE

• BRIDA LOCA / TRONCO EMBRIDADO

AISI 316L – 1.4404

NOTE: (*) S235JR (Fe 360) zincatagalvanized - verzinkt - galvanisésgalvanizado

820/PN16 BOCCHELLO

820/I

BRAGA RIDOTTA CON ISPEZIONE

• REDUCED BRANCH WITH CLEANOUT

• REDUZIERTE BRANCH / INSPEKTION

• EMBRANCHEMENT RÉDUIT / INSPECTION

• DERIVACIÓN REDUCIDA / INSPECCIÓN MATERIAL: AISI 316L – 1.4404

SISTEMI DI SCARICO
6
PN
MATERIAL:
B 100 102  CODE DN D1 mm L mm L1 mm D2 mm D3 mm D4 mm D5 mm D6 mm Holes Nr. kg 820040006 40 42 70 12 100 14 130 54,5 80 4 1,304 1 820050006 50 53 80 12 110 14 140 67 90 4 1,544 1 820065006 65 73 100 12 130 14 160 86 110 4 1,975 1 820080006 80 88,9 110 14 150 18 190 99 128 4 3,166 1 820100006 100 102 130 14 170 18 210 118 148 4 3,805 1 820125006 125 133 150 14 200 18 240 140 178 8 4,770 1 820150006 150 159 170 14 225 18 265 166 202 8 5,516 1
PN 16
CON FLANGIA GIREVOLE PN16 • SLEEVE / ROTARY FLANGE PN16 • LOSE-FLANSCH / AUSSEN PN16 • BRIDE TOURNANTE / SORTIE A BRIDE PN16 • BRIDA LOCA / TRONCO EMBRIDADO PN16 MATERIAL: AISI 316L – 1.4404 NOTE: (*) S235JR (Fe 360) zincatagalvanized - verzinkt - galvanisésgalvanizado  B 100 102  CODE DN D1 mm L mm L1 mm D2 mm D3 mm D4 mm D5 mm D6 mm Holes Nr. kg 820040010 40 42 70 16 110 18 150 54,5 88 4 2,181 1 820050010 50 53 80 18 125 18 165 67 102 4 2,978 1 820065010 65 73 100 18 145 18 185 86 122 4 3,659 1 820080010 80 88,9 110 20 160 18 200 99 138 8 4,580 1 820100010 100 102 130 20 180 18 220 118 158 8 5,455 1 820125010 125 133 150 22 210 18 250 140 188 8 7,377 1 820150010 150 159 170 22 240 22 285 166 212 8 9,029 1
B 100 102
CODE DN1 DN2 D1 mm D2 mm B mm C mm E mm kg 820205000 65 50 73 53 165 240 205 2,120 1 820260000 65 50 73 53 220 240 260 2,280 1 220
Articolo speciale a richiesta. Special code on demand.

SISTEMI DI SCARICO

Waste systems • Abflusssysteme • Systèmes de evacuation • Sistemas de evacuación

820/R

RIDUZIONE L=1000 MM

• REDUCER WITHOUT SOCKET L=1000 MM

• REDUZIERSTÜCK A-A L=1000 MM

• RÉDUCTION L=1000 MM

Articolo speciale a richiesta. Special code on demand.

• REDUCCIÓN L=1000 MM MATERIAL: AISI 316L – 1.4404

820/F

RACCORDO FILETTATO FEMMINA

• FEMALE THREADED CONNECTOR

• ÜBERGANGSSTÜCK MIT IG

• RACCORD FILETÉ FEMELLE

SIFONE

• TRAP

• SYPHON

EPDM cod. 826/GV (Ø 40 ÷ 50)

B 100 102
CODE D1 mm D2 mm L mm L1 mm kg 820065040 42 73 1000 70 1,336 1
RACOR
HEMBRA MATERIAL: AISI 316L
1.4404  B 100 102  CODE DN D1 mm DN inch L mm kg 820040100 40 42 1” 140 0,370 1 820040114 40 42 1”1/4 140 0,310 1 820040112 40 42 1”1/2 140 0,350 1 820050114 50 53 1”1/4 140 0,390 1 820050112 50 53 1”1/2 140 0,340 1 820050200 50 53 2” 140 0,560 1
ROSCA
820/S
• SIPHON
MATERIAL:
GASKET:
NORM:
B 100 102  CODE DN D1 mm A mm B mm C mm E mm F mm kg 820040000 40 42 30 128 105 162 172 0,700 1 820050000 50 53 38 161 132,5 198 212 0,990 1 221
• SIFÓN
AISI 316L – 1.4404
EN 1124-3

SISTEMI DI SCARICO

Waste systems • Abflusssysteme • Systèmes de evacuation • Sistemas de evacuación

PN 6
CON RACCORDO MASCHIO • FLANGE WITH SPIGOT • FLANSCHADAPTER / AUSSEN • BRIDE DE RACCORD / MALE • BRIDA ADAPTADOR / MACHO MATERIAL: AISI 316L – 1.4404  B 100 102  CODE DN D1 mm L mm L1 mm D2 mm D3 mm D4 mm Holes Nr. kg 821040006 40 42 70 14 100 14 130 4 1,301 1 821050006 50 53 78,5 14 110 14 140 4 1,475 1 821065006 65 73 97,5 14 130 14 160 4 1,897 1 821080006 80 88,9 105 16 150 18 190 4 2,979 1 821100006 100 102 115 16 170 18 210 4 3,497 1 821125006 125 133 116 10 200 18 240 8 2,792 1 821150006 150 159 122 10 225 18 265 8 3,245 1 PN 16
FLANGIA CON RACCORDO MASCHIO PN16 • FLANGE WITH SPIGOT PN16 • FLANSCHADAPTER / AUSSEN PN16 • BRIDE DE RACCORD / MALE PN16 • BRIDA ADAPTADOR / MACHO PN16 MATERIAL: AISI 316L – 1.4404  B 100 102  CODE DN D1 mm L mm L1 mm D2 mm D3 mm D4 mm Holes Nr. kg 821040010 40 42 72 16 110 18 150 4 1,968 1 821050010 50 53 72,5 18 125 18 165 4 2,650 1 821065010 65 73 101,5 18 145 18 185 4 3,270 1 821080010 80 88,9 109 20 160 18 200 8 3,995 1 821100010 100 102 119 20 180 18 220 8 4,670 1 821125010 125 133 118 12 210 18 250 8 3,625 1 821150010 150 159 125 12 240 22 285 8 4,482 1 222
821/PN6 FLANGIA
821/PN16

PN 16

822/PN6

FLANGIA CON RACCORDO FEMMINA

• FLANGE WITH SOCKET

• FLANSCHADAPTER / INNEN

• BRIDE DE RACCORD / FEMELLE

• BRIDA ADAPTADOR / HEMBRA MATERIAL: AISI 316L – 1.4404

822/PN16

SISTEMI DI SCARICO Waste systems • Abflusssysteme • Systèmes de evacuation • Sistemas de evacuación
PN 6
GASKET:
cod. 826/GV (Ø 40 ÷ 65) EPDM cod. 826/G (Ø 80 ÷ 150) NORM: EN 1124-3  B 100 102  CODE DN D1 mm A mm L mm L1 mm D2 mm D3 mm D4 mm Holes Nr. kg 822040006 40 42 30 67 14 100 14 130 4 1,304 1 822050006 50 53 38 75 14 110 14 140 4 1,477 1 822065006 65 73 55 104 14 130 14 160 4 1,931 1 822080006 80 88,9 60 100 16 150 18 190 4 2,986 1 822100006 100 102 70 125 16 170 18 210 4 3,563 1 822125006 125 133 75 112 10 200 18 240 8 2,815 1 822150006 150 159 80 118 10 225 18 265 8 3,270 1
EPDM
FLANGIA CON RACCORDO FEMMINA PN16 • FLANGE WITH SOCKET PN16 • FLANSCHADAPTER / INNEN PN16 • BRIDE DE RACCORD / FEMELLE PN16 • BRIDA ADAPTADOR / HEMBRA PN16 MATERIAL: AISI 316L – 1.4404 GASKET: EPDM cod. 826/GV (Ø 40 ÷ 65) EPDM cod. 826/G (Ø 80 ÷ 150) NORM: EN 1124-3  B 100 102  CODE DN D1 mm A mm L mm L1 mm D2 mm D3 mm D4 mm Holes Nr. kg 822040010 40 42 30 69 16 110 18 150 4 1,972 1 822050010 50 53 38 79 18 125 18 165 4 2,653 1 822065010 65 73 55 108 18 145 18 185 4 3,301 1 822080010 80 88,9 60 104 20 160 18 200 4 4,000 1 822100010 100 102 70 129 20 180 18 220 8 4,736 1 822125010 125 133 75 114 12 210 18 250 8 3,648 1 822150010 150 159 80 120 12 240 22 285 8 4,504 1 223

Sesalit ECO: fibre organiche e sintetiche legate con gomma NBR/SBR esente amianto

IMPIEGHI: Acqua calda e fredda, olii vegetali ed animali, aria, alcuni carburanti (no GAS)

LIMITI DI TEMPERATURA ORIENTATIVI

Temperatura massima per brevi esposizioni: 180°-200° C

Temperatura massima di esercizio continuo per fluidi non aggressivi: 140° C

Temperatura massima di esercizio continuo con vapore: 110° C

OMOLOGAZIONI: acqua potabile WRAS n° 1605525

Sesalit ECO: organic and synthetic fibers bonded with NBR/SBR asbestos-free

USES: hot and cold water, vegetable and animal oils, air, some fuels (no GAS)

GUIDELINE TEMPERATURE LIMITS

Maximum temperature for short exposure: 180°-200° C

Maximum operating temperature for continuous non-aggressive fluids: 140° C

Maximum temperature for continuous operation with steam: 110° C

APPROVAL: potable water WRAS n° 1605525

6

10-16

Waste systems • Abflusssysteme • Systèmes de evacuation • Sistemas de evacuación PN 6 434/PN
GUARNIZIONE ECOLOGICA PER FLANGE • GASKET FOR FLANGE • FLANSCHDICHTUNG • JOINT POUR BRIDE • JUNTA ECOLOGICA PARA BRIDA MATERIAL: Sesalit Eco NORM: EN 1092-1  R 30 30  CODE DN De mm Di mm S mm g 434040006 40 - (1”1/2) 85 45 2 14 10 434050006 50 - (2”) 95 57 2 15 10 434065006 65 - (2”1/2) 115 76 2 19 10 434080006 80 - (3”) 132 89 2 26 10 434100006 100 - (4”) 152 108 2 29 10 434125006 125 - (5”) 182 133 2 41 10 434150006 150 - (6”) 207 160 2 38 10 PN 10/16 434/PN
GUARNIZIONE ECOLOGICA PER FLANGE • GASKET FOR FLANGE • FLANSCHDICHTUNG • JOINT POUR BRIDE • JUNTA ECOLOGICA PARA BRIDA MATERIAL: Sesalit Eco NORM: EN 1092-1  R 30 30  CODE DN De mm Di mm S mm g 434040000 40 - (1”1/2) 92 45 2 17 10 434050000 50 - (2”) 108 57 2 22 10 434065000 65 - (2”1/2) 127 76 2 27 10 434080000 80 - (3”) 142 89 2 30 10 434100000 100 - (4”) 162 108 2 38 10 434125000 125 - (5”) 192 140 2 44 10 434150000 150 - (6”) 218 169 2 55 10
SISTEMI DI SCARICO
224

SISTEMI DI SCARICO

Waste systems • Abflusssysteme • Systèmes de evacuation • Sistemas de evacuación

823/F1

PASSAGGIO STAGNO F1

• DECK / BULKHEAD PENETRATION F1

• WANDDURCHFÜHRUNG F1

• PASSAGE ÉTANCHE F1

• PASAJE ESTAÑO F1

MATERIAL: AISI 316L – 1.4404

NOTE: (*) S235JR (Fe 360) verniciatopainted - bemalt - peint - pintado

EPDM cod. 826/GV (Ø 40 ÷ 65)

EN 1124-3

823/M1

PASSAGGIO STAGNO M1

• DECK / BULKHEAD PENETRATION M1

• WANDDURCHFÜHRUNG M1

• PASSAGE ÉTANCHE M1

• PASAJE ESTAÑO M1

AISI 316L – 1.4404 NOTE: (*) S235JR (Fe 360) verniciatopainted - bemalt - peint - pintado

EPDM
÷
NORM:
B 100 102  CODE DN D1 mm L mm L1 mm D2 mm A mm kg 823040000 40 42 161 93 200 30 1,345 1 823050000 50 53 202 118 200 38 1,410 1 823065000 65 73 279 165 200 55 1,470 1 823080000 80 88,9 332 194 200 60 1,510 1 823100000 100 102 381 223 200 70 2,130 1 823125000 125 133 479 275 250 75 3,775 1 823150000 150 159 562 319 250 80 4,511 1
GASKET:
cod. 826/G (Ø 80
150)
GASKET:
EPDM cod.
80 ÷ 150) NORM:
B 100 102  CODE DN D1 mm L mm L2 mm D2 mm A mm kg 823040001 40 42 125 40 61 30 0,533 1 823050001 50 53 145 50 70 38 0,612 1 823065001 65 73 175 65 88,9 55 0,926 1 823080001 80 88,9 185 70 110 60 1,394 1 823100001 100 102 205 80 121 70 1,501 1 823125001 125 133 215 85 150 75 1,979 1 823150001 150 159 225 90 178 80 2,613 1 225
MATERIAL:
EPDM cod. 826/GV (Ø 40 ÷ 65)
826/G (Ø
EN 1124-3

SISTEMI DI SCARICO

Waste systems • Abflusssysteme • Systèmes de evacuation • Sistemas de evacuación

823/M2

PASSAGGIO STAGNO M2

• DECK / BULKHEAD PENETRATION M2

• WANDDURCHFÜHRUNG M2

• PASSAGE ÉTANCHE M2

• PASAJE ESTAÑO M2

MATERIAL: AISI 316L – 1.4404

NOTE: (*) S235JR (Fe 360) verniciatopainted - bemalt - peint - pintado

EPDM cod. 826/GV (Ø 40 ÷ 65)

823/M3

PASSAGGIO STAGNO M3

M3

AISI 316L – 1.4404

NOTE: (*) S235JR (Fe 360) verniciatopainted - bemalt - peint - pintado

EPDM cod. 826/GV (Ø 40 ÷ 65)

826/G (Ø 80 ÷ 100)

GASKET:
EPDM
NORM:
B 100 102  CODE DN D1 mm L mm D2 mm A mm kg 823040002 40 42 108 62,5 30 0,485 1 823050002 50 53 125 75 38 0,645 1 823065002 65 73 155 101 55 1,180 1 823080002 80 88,9 178 113,5 60 1,200 1 823100002 100 102 198 133 70 1,760 1 823125002 125 133 245 168 75 2,773 1 823150002 150 159 284 193 80 3,116 1
cod. 826/G (Ø 80 ÷ 150)
EN 1124-3
• DECK / BULKHEAD PENETRATION M3
WANDDURCHFÜHRUNG
PASSAGE ÉTANCHE
M3
PASAJE ESTAÑO M3
MATERIAL:
GASKET:
EPDM
NORM:
1124-3  B 100 102  CODE DN D1 mm L mm D2 mm H mm A mm kg 823040003 40 42 106 62,5 88 30 0,564 1 823050003 50 53 129,5 75 106 38 0,771 1 823065003 65 73 174,5 101 142 55 1,510 1 823080003 80 88,9 201 113,5 162 60 1,485 1 823100003 100 102 231 133 186 70 2,365 1 226
cod.
EN

SISTEMI DI SCARICO

Waste systems • Abflusssysteme • Systèmes de evacuation • Sistemas de evacuación

823/M4

PASSAGGIO STAGNO M4

• DECK / BULKHEAD PENETRATION M4

• WANDDURCHFÜHRUNG M4

• PASSAGE ÉTANCHE M4

• PASAJE ESTAÑO M4

MATERIAL: AISI 316L – 1.4404

NOTE: (*) S235JR (Fe 360) verniciatopainted - bemalt - peint - pintado GASKET: EPDM cod. 826/GV (Ø 40 ÷ 65)

FLESSIBILE PER SCARICHI / GRAVITÀ

EPDM
÷
B 100 102  CODE DN D1 mm L mm L1 mm D2 mm A mm kg 823040004 40 42 180 40 61 30 1,195 1 823050004 50 53 200 50 70 38 1,320 1 823065004 65 73 230 65 88,9 55 1,820 1 823080004 80 88,9 240 70 110 60 2,835 1 823100004 100 102 260 80 121 70 2,895 1 823125004 125 133 270 85 150 75 3,462 1 823150004 150 159 280 90 178 80 4,675 1 824/G
cod. 826/G (Ø 80
150) NORM: EN 1124-3
FLEXIBEL
TUYAU FLEXIBLE / GRAVITÉ
TUBO FLEXIBLE / GRAVITACIÓN MATERIAL: AISI 316L – 1.4404 GASKET: EPDM cod. 826/GV (Ø 50) NORM: EN 1124-3  B 100 102  CODE DN D1 mm A mm L mm B mm kg 8240500600 50 53 38 600 55 0,780 1 8240500750 50 53 38 750 55 0,960 1 8240501000 50 53 38 1000 55 1,260 1 8240501250 50 53 38 1250 55 1,550 1 824/V
FLEXIBILE PIPE FOR DRAINS / GRAVITY •
ROHR / SCHWERKRAFT •
SCARICHI / VUOTO
FLESSIBILE PER
FLEXIBILE PIPE FOR DRAINS / VACUUM
FLEXIBEL ROHR / VAKUUM
TUYAU FLEXIBLE / VIDE
TUBO FLEXIBLE / VACÍO MATERIAL: AISI 316L – 1.4404 GASKET: EPDM cod. 826/GV (Ø 50) NORM: EN 1124-3  B 100 102  CODE DN D1 mm A mm L mm B mm kg 8240501100 50 53 38 1100 62 1,000 1 8240501500 50 53 38 1500 62 1,270 1 8240502000 50 53 38 2000 62 1,630 1 8240502500 50 53 38 2500 62 1,980 1 227

825/01

POZZETTO CON FLANGIA / ATTACCO ORIZZONTALE

• SCUPPER WITH FLANGE / HORIZONTAL OUTLET

• BODENABLAUF MIT FLANSCH / HORIZONTAL ABGANG

• BONDE AVEC BRIDE / LATÉRAL

• DESAGÜE CON BRIDA / LATÉRAL

MATERIAL: AISI 316L – 1.4404

NOTE: Senza sifone - Without siphon - Ohne Syphon - Sans siphon - Sin sifón

825/02

POZZETTO A SALDARE / ATTACCO ORIZZONTALE

• SCUPPER TO WELD / HORIZONTAL OUTLET

• BODENABLAUF ZU SCHWEISSEN / HORIZONTAL ABGANG

• BONDE À SOUDER / LATÉRAL

• DESAGÜE PARA SOLDAR / LATÉRAL

MATERIAL: AISI 316L – 1.4404

NOTE: Senza sifone - Without siphon - Ohne Syphon - Sans siphon - Sin sifón

SISTEMI DI SCARICO Waste systems
Abflusssysteme • Systèmes de evacuation • Sistemas de evacuación
B 100 102  CODE DN D1 mm L mm H mm H1 mm D mm D2 mm kg 825040011 40 42 125,5 124,5 92 138 200 1,800 1 825050011 50 53 125,5 124,5 92 138 200 1,750 1 825065011 65 73 142,5 124,5 88 138 200 1,800 1
B 100 102  CODE DN D1 mm L mm H mm H1 mm H2 mm D mm kg 825040022 40 42 115 124,5 92 45 150 1,750 1 825050022 50 53 115 124,5 92 45 150 1,750 1 825065022 65 73 142,5 124,5 88 45 150 1,800 1 825100022 100 102 157,5 163,5 110,5 45 150 2,400 1 NEW 228

825/03

POZZETTO CON FLANGIA / ATTACCO

VERTICALE

• SCUPPER WITH FLANGE / VERTICAL OUTLET

• BODENABLAUF MIT FLANSCH / VERTIKAL ABGANG

• BONDE AVEC BRIDE / VERTICAL

• DESAGÜE CON BRIDA / VERTICAL

MATERIAL: AISI 316L – 1.4404

NOTE: Senza sifone - Without siphon - Ohne Syphon - Sans siphon - Sin sifón

825/04

POZZETTO A SALDARE / ATTACCO VERTICALE

• SCUPPER TO WELD / VERTICAL OUTLET

• BODENABLAUF ZU SCHWEISSEN / VERTIKAL ABGANG

• BONDE À SOUDER / VERTICAL

• DESAGÜE PARA SOLDAR / VERTICAL

AISI 316L – 1.4404 NOTE:

820/P

SIFONE PER POZZETTO DI SCARICO

• SIPHON FOR SCUPPER DRAIN

• SIPHON FÜR BODENABLAUF

• SIPHON POUR BONDE

• SIFÓN PARA DESAGÜE

per / for / für / pour / para 825/01÷04

SISTEMI DI SCARICO Waste systems
Abflusssysteme
Systèmes de evacuation
Sistemas de evacuación
B 100 102  CODE DN D1 mm L mm H mm D mm D2 mm kg 825040033 40 42 172 124,5 138 200 1,800 1 825050033 50 53 179,5 124,5 138 200 1,750 1 825065033 65 73 198,5 124,5 138 200 1,800 1
MATERIAL:
Senza
Syphon
Sans siphon
Sin sifón  B 100 102  CODE DN D1 mm L mm H mm H2 mm D mm kg 825040044 40 42 179,5 124,5 45 150 1,750 1 825050044 50 53 179,5 124,5 45 150 1,750 1 825065044 65 73 198,5 124,5 45 150 1,800 1 825100044 100 102 208,5 134,5 45 150 2,100 1
sifone - Without siphon - Ohne
-
-
MATERIAL:
NOTE:
B 100 102  CODE D mm H mm kg 820000000 106 96 0,365 1 NEW 229
AISI 316L – 1.4404

SISTEMI DI SCARICO

Waste systems • Abflusssysteme • Systèmes de evacuation • Sistemas de evacuación

826/GV

ANELLO DI TENUTA / GRAVITÀ + VUOTO

• SEAL / GRAVITY + VACUUM

• DICHTUNG / SCHWERKRAFT + VAKUUM

• JOINT / GRAVITÉ + VIDE

• GUARNICIÓN / GRAVITACIÓN + VACÍO

826/G

ANELLO DI TENUTA / GRAVITÀ

• SEAL / GRAVITY

• DICHTUNG / SCHWERKRAFT

• JOINT / GRAVITÉ

/ GRAVITACIÓN

TUBETTO LUBRIFICANTE 150 GR

150 GR

150 GR •

MATERIAL: gomma
EPDM  B 100 102  CODE DN L mm kg 826040000 40 34,5 0,010 1 826050000 50 42,5 0,018 1 826065000 65 59,5 0,035 1
/ rubber
MATERIAL: gomma /
EPDM  B 100 102  CODE DN L mm kg 826040001 40 15 0,007 1 826050001 50 18 0,012 1 826065001 65 21 0,020 1 826080001 80 22,5 0,029 1 826100001 100 27 0,051 1 826125001 125 29 0,080 1 826150001 150 36 0,138 1
GUARNICIÓN
rubber
826/L
LUBRICANT
LUBRIFIANT
GR
LUBRICANTE 150 GR  B 100 102  CODE kg 826000002 0,150 1 230
• SCHMIERSTOFF
150

SISTEMI DI SCARICO

Waste systems • Abflusssysteme • Systèmes de evacuation • Sistemas de evacuación

156/G

COLLARE CON GOMMA

• CLAMP WITH RUBBER

• ROHRSCHELLE MIT GUMMIEINLAGE

• COLLIER DE FIXATION GARNITURE ISOPHONIQUE

• ABRAZADERA ISOFÓNICA

MATERIAL: AISI 304 / W. 1.4301

VULCANIZED RUBBER: EPDM (-20° C/+120° C)

55 Shore

NOTE: dado saldato con puntatura elettrica spot welded nut

DIN 4109

156/G

COLLARE CON GOMMA

• CLAMP WITH RUBBER

• ROHRSCHELLE MIT GUMMIEINLAGE

• COLLIER DE FIXATION GARNITURE ISOPHONIQUE

• ABRAZADERA ISOFÓNICA

MATERIAL: AISI 316 / W. 1.4401

VULCANIZED RUBBER: EPDM (-20° C/+120° C)

55 Shore NOTE: dado saldato con puntatura elettrica spot welded nut

*Gomma staccabile - Detachable rubber - Abnehmbare Gummi - Caoutchouc amovible - Goma desmontable (**) unità minima di vendita/minimum selling quantity

durezza/hardness
A 50 50
Conforme a Conform to Entsprechend Correspondant Conforme a la
CODE Øi mm M V mm B mm L mm S mm g 156114304G 42 M 8 M 6 x 20 20 85 2 120 1 50* 156112304G 53 M 8 M 6 x 20 20 97 2 142 1 50* 156212304G 73 M 10 M 6 x 25 30 128 2 308 1 10* 156300304G 88,9 M 10 M 6 x 25 30 148 2 346 1 10* (*) unità minima di vendita/minimum selling quantity
durezza/hardness
A 50 50  CODE Øi mm M V mm B mm L mm S mm g 156312304G* 100 - 103 M 8/10 M 6 x 20 20 177 2 213 1 10** 156133304G* 132 - 140 M 8/10 M 6 x 25 20 197 2 215 1 10** 156159304G* 158 - 160 M 8/10 M 6 x 25 20 217 2 240 1 10**
231
RACCORDERIE METALLICHE 4

Come ordinare

How to order

+39 0376 96 001

+39 0376 96 422

ordini.info@racmet.com

raccorderiemetalliche.com

Struttura commerciale - Sales Organisation

MKTG & PRODUCT MANAGER

Fabrizio PIZZAMIGLIO

Tel. +39 0376 96 02 09

Mob. +39 348 0171387 fabrizio.pizzamiglio@racmet.com

QUALITY MANAGER

Silvio POZZETTI

Tel. +39 0376 96 02 91

Mob. +39 335 7250642 silvio.pozzetti@racmet.com

PROMOTER

Attilio GUELFI

Tel. +39 0376 96 02 46

Mob. +39 348 39 08 546

Seguici su Facebook, LinkedIN e Instagram

Follow us on Facebook, LinkedIN and Instagram

@raccorderiemetalliche

234 - 235

464 - 465

CUSTOMER SERVICE

Sara BELLADELLI

Tel. +39 0376 96 001

AMMINISTRAZIONE book-keeping

Giovanni MIRONI

Tel. +39 0376 96 02 21

UFFICIO TECNICO Technical office

Giuseppe PESANDO

Tel. +39 0376 96 02 77

233

DIRETTORE COMMERCIALE

Guido CECCARDI

Tel. +39 0376 96001 guido.ceccardi@racmet.com

RESPONSABILE VENDITE ITALIA

Massimiliano GABBI

Tel. 0376 960206

Fax 0376 960244

Cell. 335 7663876 massimiliano.gabbi@racmet.com

FUNZIONARI DIRETTI RM

PIEMONTE-VALLE D’AOSTA-MN-VA-PV

Luca SALVAGNI - Funzionario Vendite

Tel. 0376 96001 - Fax 0376 960244

Cell. 335 325987 luca.salvagni@racmet.com

MI-BG-BS-LC-CO-SO-LO-MB-CR

Carlo PUGNAGHI - Funzionario Vendite

Tel. 0376 96001 - Fax 0376 960244

Cell. 335 7364515 carlo.pugnaghi@racmet.com

TRENTINO ALTO ADIGE

VENETO – FRIULI VENEZIA GIULIA

Paolo MEGARESE - Funzionario Vendite

Tel. 0376 96001 - Fax 0376 960244

Cell. 345 5669878 paolo.megarese@racmet.com

MI-BG-BS-LC-CO-SO-LO-MB-CR

TRENTINO ALTO ADIGE

VENETO – FRIULI VENEZIA GIULIA

Matteo VISSER

Promoter Tecnico - Commerciale

Tel. 0376 96001 - Fax 0376 960244 Cell. 335 6907418 matteo.visser@racmet.com

EMILIA ROMAGNA

Daniele BONACINI - Funzionario Vendite

Tel. 0376 96001 – Fax 0376 960244 Cell. 344 1174021 daniele.bonacini@racmet.com

LIGURIA

Energy Team di Emerigo Francesco

Via Verdi, 20/D

18100 Imperia (IM)

Tel. 0183 279239 – Fax 0183 653445 info@energyteamliguria.it

TOSCANA

Cappelli MASSIMILIANO

Via Roma 312/O

59100 Prato

Tel. 0574 546272 – Fax 0574 545189 info@cecrappresentanze.it

MARCHE

Campi sas di Piccioni Piero

Via Passero Solitario

62019 Recanati (MC)

Tel. 071 7575453

Piero PICCIONI

Cell. 335 7427132 piccioni.piero72@gmail.com

LAZIO RTL snc di Maramao e C. Via Morolense, 27 03013 Ferentino (FR) Tel. 0775 392043 info@rtletis.it

CAMPANIA Corrado Rappresentanze sas

Via D. Fontana, 184 - 80131 Napoli (NA)

Tel. 081 5463752 – Fax 081 5464837

Salvatore CORRADO Cell. 335 6656224 corradosas@fastwebnet.it

Giuseppe CORRADO Cell. 337 843733

ABRUZZO – MOLISE - UMBRIA

SCR sas di Simoncini O. & C.

Via G. Leopardi 26 - 64015 Nereto (TE)

Tel. 0861 851807 – Fax 0861 1856461

Otello SIMONICINI Cell. 348 3859388 agenziasimoncini@gmail.com

PUGLIA - BASILICATA

F.A.R.P. srl

Viale Vittorio Emanuele II, 26 70010 Cellamare (BA)

Tel. 080 4657523 – Fax 080 4657498 agidue@alice.it

CALABRIA

Corrao sas

Via Don Minzoni, 17 - 87036 Rende (CS) Tel. 0984-846072 info@agenziacorrao.com

SICILIA OCCIDENTALE PA – TP – AG –CL Spitaleri Rappresentanze di Spitaleri

Gaetano & C. snc

Via degli Ioni, 7 - 91100 TRAPANI (TP)

Tel. 0923 539149 – Fax 0923 553588

Gaetano SPITALERI Cell. 335 5389203 info@spitalerirappresentanze.it

SICILIA ORIENTALE ME – CT – SR – RG – EN Matteo ARDIZZONE

Via Salvatore Quasimodo, 8 95030 S. Agata Li Battiati (CT)

Tel. 095 213911 – Fax 095 213911 Cell. 337 888806 ardizzone@videobank.it

Nello Fabrizio SCIMONE Cell. 340 8911730 nf.scimone@gmail.com

SARDEGNA Marco SECCI

Via Lepanto, 4/E - 09048 Sinnai (CA) Tel. 070 3320991 – Fax 1782746902 Cell. 348 6027354 agenzia.mgr@gmail.com

MARINE DIVISION

Alessio PAOLESCHI

SALES & BUSINESS DEVELOPMENT

MARINE DIVISION

Cell. +39 335 5251961 alessio.paoleschi@racmet.com

Sardegna
Lazio Campania Molise Puglia Abruzzo Marche Umbria Toscana Liguria Emilia Romagna Veneto Lombardia Piemonte
Valle d’Aosta Trentino Alto Adige Friuli Venezia Giulia Basilicata Calabria Sicilia orientale
234
Sicilia occidentale

RM Sales Team

SALES DIRECTOR

Guido CECCARDI

Tel. +39 0376 96001 guido.ceccardi@racmet.com

AREA SALES MANAGER

France - Poland - Russia

Ukraine - Belarus

Czech Republic

Slovak Republic

Hungary

Roberto PEREZ

Tel. +39 0376 960122 Mob. +39 344 0961187 roberto.perez@racmet.com

Germany - Austria

Switzerland - Luxembourg

Francesco GUANZINI

Tel. +39 0376 960285 Mob. +39 335 7371662 francesco.guanzini@racmet.com

Sales Partners

DEUTSCHLAND

Horst HAGEBOEKE

Linden Str., 41

D-32312 Lübbecke

Tel. +49 (0) 5741 370180

Fax +49 (0) 5741 370182

Mob. +49 (0) 170 204 2100 industrie@hageboeke.com

POLAND

Inox-Robert WRÓBLEWSKI

Warszawa

Tel. +48 603 093 881

Fax +48 22 465 96 06 robert.wroblewskirm@gmail.com

ROMANIA - BULGARIA SLOVENIA - CROATIA

MACEDONIA - ALBANIA MONTENEGRO

BOSNIA ERZEGOVINA SERBIA-MOLDOVA

Dejan UGRINIC

Hrvatska - 10431 Sveta

Nedjelja

Novaki, Rakitska cesta 25

Tel.+385 (0) 1 3386-005

Fax+385 (0) 1 3386-007

Mob. +385 (0) 98 282-405 ugrineks@zg.t-com.hr www.ugrineks.hr

RM Pressfitting GmbH - Technische Beratung Für Pressfittingsysteme

DEUTSCHLAND

Swen MÄHNERT (techn. Leiter)

Auwiesen 8

69254 Malsch

Tel. + 49-(0)7253 9872743

Fax + 49-(0)7253 278462

Mob. + 49-(0)151 52483379

s.maehnert@racmet.de

DEUTSCHLAND

Stephan SCHAPER

Kirchheider St. 28

32108 Bad Salzuflen

Tel. +49-(0)-5222-79 49 531

Fax +49-(0)-5222-79 48 820

Mob. +49-(0)-170 7216127

s.schaper@racmet.de

DEUTSCHLAND

Mike ROCKMANN

Olbrichtstraße 10a

04157 Leipzig

Tel. +49-(0)-341 9095928

Fax +49-(0)-341 9095928

Mob. +49-(0)-151 24069608

m.rockmann@racmet.de

CZECH & SLOVAKIA REPUBLIC

Samuele PEDRIALI Via Profesora Fuky 6 77900 Olomouc CZ Mob. +420 736 540 017 samuele.p@atlas.cz

Technický poradce

Radim OBERHERR

Mob. +420 777 049 805 www.mttrading.cz

GREECE

B. Giannopoulos & Co O.E. Ave Varis-Koropiou, 40-42, 16672 VARI

Tel. +30 210 9654006

Fax +30 210 9654666 info@bgiannopoulos.gr

HUNGARY

Károly KALLAI

2040 Budaois, Liget u.4

Budapest

Mob. +36 30 350 0322

Fax +36 23 423 786 k.kallai@t-online.hu

Denmark - Finland - Norway

Sweden - Estonia - Latvia

Lithuania - Iceland

Great Britain - Ireland

Paolo IMPERIALE

Tel. +39 0376 960259

Mob. +39 344 0958857 paolo.imperiale@racmet.com

Spain - Portugal - Greece

Belgium - Netherlands

Michele SPERI

Tel. +39 0376 96 02 02 Mob. +39 335 6661276 michele.speri@racmet.com

OTHER COUNTRIES

Tel. +39 0376 96001 ordini.info@racmet.com

RACCORDERIE METALLICHE FRANCE

Frédéric DEVAUX

Responsable des ventes France

1 rue des Piverts

69800 SAINT-PRIEST

Tel. +33 4 78 67 54 46 Mob. +33 698565339 frederic.devaux@racmet.com

MARINE DIVISION

Alessio PAOLESCHI

SALES & BUSINESS DEVELOPMENT

MARINE DIVISION

Cell. +39 335 5251961 alessio.paoleschi@racmet.com

235

Condizioni Generali di Vendita

Di seguito sono riportate le Condizioni Generali di Vendita (“CGV”) applicabili a tutti i rapporti di vendita tra Raccorderie Metalliche S.p.A. (“RM” o la “Società”) e i soggetti che effettuano, direttamente o tramite agente, un ordine di merce (gli “Acquirenti” o, singolarmente, l’Acquirente”).

Tutte le CGV, incluse le presenti premesse, si intendono pertanto conosciute ed accettate dagli Acquirenti, senza riserva alcuna, con il conferimento dell’ordine a RM, a nulla rilevando eventuali condizioni generali predisposte dall’Acquirente.

Le CGV trovano applicazione ai rapporti di vendita, in quanto non derogate da specifici accordi contrattuali tra RM e gli Acquirenti. Nell’interpretazione ed esecuzione degli ordini si farà riferimento inoltre alle clausole previste dagli lncoterms edizione 2010.

1. Ordini

1.1 Le nostre offerte sono da considerarsi impegnative solo a fronte di una regolare conferma d’ordine scritta (“CdO”) inviata all’Acquirente da RM.

1.2 Gli ordini richiesti a RM non sono vincolanti fino a CdO scritta.

1.3 E’ facoltà di RM di richiedere ulteriori chiarimenti prima di accettare l’ordine ovvero di rifiutarlo a proprio insindacabile giudizio.

1.4 Gli ordinativi di merce si intendono fatti con riferimento al catalogo vigente. I prodotti ed i prezzi riportati sono da considerarsi comunque indicativi. E’ facoltà di RM di modificare le caratteristiche tecniche dei prodotti indicati e di rivedere i prezzi.

2. Prezzo

2.1 Il prezzo, le modalità e i termini di pagamento sono quelli indicati nella CdO o in fattura e sono vincolanti per l’Acquirente.

2.2 In nessun caso l’Acquirente potrà ritardare, ridurre o sospendere il pagamento. In caso di mancato o parziale pagamento, l’Acquirente sarà considerato in mora senza necessità di formale diffida e saranno applicabili gli interessi legali di mora ai sensi degli articoli 2 lettera e), 4 e 5 del D.Lgs. 9 Ottobre 2002 n. 231.

2.3 È sempre salva la facoltà per RM di sospendere l’esecuzione di ordini, qualora l’Acquirente non abbia regolarmente adempiuto ai pagamenti relativi a precedenti ordinativi ovvero abbia dimostrato di non essere in grado di adempiere al proprio pagamento. In tale caso, l’ordine potrà essere eseguito soltanto a fronte di un pagamento anticipato ovvero a seguito di presentazione di idonea garanzia di gradimento di RM.

2.4 Nel caso di aumenti del prezzo della merce in corso d’opera superiori al 5% del prezzo indicato in catalogo, tali diversi importi saranno comunicati da RM all’Acquirente. Tali diversi importi sono vincolanti per l’Acquirente, fatto salvo, in questo caso, il suo diritto di rinunciare all’acquisto della merce, senza che l’Acquirente possa avanzare pretese di danni nei confronti di RM.

3. Trasporto

3.1 I costi relativi alle spese di spedizione, imballaggio e quant’altro saranno da intendersi anticipati da RM e dovranno essere rimborsati dall’Acquirente dietro presentazione di fattura.

3.2 La merce viaggia sempre a rischio dell’Acquirente (FCA Campitello come previsto dagli lncoterms 2010) indipendentemente dalle condizioni di trasporto pattuite. Eventuali reclami dovranno pertanto essere fatti esclusivamente nei confronti del vettore, o dell’Assicurazione qualora si tratti di merce spedita via mare.

4. Consegna

4.1 I termini di consegna sono da intendersi indicativi e non sono vincolanti per la Società e l’eventuale ritardo non potrà in alcun modo dare diritto all’Acquirente di recedere dal contratto, annullare l’ordine, sospendere, ridurre o ritardare il pagamento del prezzo, o pretendere il pagamento di danni, di qualunque natura, anche in forma di interessi moratori.

4.2 In ogni caso, i termini di consegna decorrono esclusivamente dalla data della CdO. Sono inefficaci eventuali termini riportati nell’ordine.

4.3 Qualora l’Acquirente necessitasse di specifici termini di consegna, questi dovranno preventivamente essere concordati e per essere efficaci dovranno inoltre essere confermati per iscritto nella CdO. In ogni caso, è fatto salvo il caso della forza maggiore, con ciò intendendosi, a titolo puramente esplicativo ma non esaustivo, casi di scioperi anche dei vettori, guerre, epidemie, catastrofi, atti terroristici, incidenti, chiusura delle frontiere o impedimento per ordine dell’Autorità.

4.4 Nel caso in cui la consegna diventi impossibile o particolarmente gravosa, RM si riserva il diritto di annullare l’ordine senza che l’Acquirente possa avanzare richiesta di danni.

5. Riserva di Proprietà

5.1 RM si riserva il diritto di proprietà sulla merce sino a quando saranno interamente pagati tutti gli importi relativi al prezzo della merce ed al trasporto, ivi incluse a titolo esemplificativo ma non esaustivo le spese di imballaggio e di dogana, quest’ultime se applicabili.

5.2 In caso di risoluzione del contratto per inadempimento dell’Acquirente, gli acconti pagati resteranno acquisiti a RM a titolo d’indennità.

6. Reclami

6.1 Eventuali reclami per difetti della merce dovranno essere comunicati entro dieci giorni dal ricevimento della stessa.

6.2 Gli eventuali reclami non danno diritto all’Acquirente di sospendere o ritardare il pagamento nei termini indicati.

6.3 Nel caso in cui l’Acquirente richieda la compatibilità della merce per un uso particolare, tale richiesta dovrà avvenire con l’ordine e avrà valore solo se confermata specificatamente per iscritto nella CdO.

7. Garanzia sistemi a pressare

7.1 Per quanto concerne la garanzia dei sistemi a pressare, fanno fede le condizioni ed i termini esposti sul Manuale Tecnico Sistemi a Pressare di Raccorderie Metalliche S.p.A.

8. Lingua, Controversie, Legge applicabile

8.1 Eventuali altre traduzioni delle CGV sono da intendersi di mera cortesia e non superano quella italiana, la quale è la sola che fa fede.

8.2 In caso di controversie è competente in via esclusiva il Tribunale del luogo dove ha sede la Società.

8.3 Per quanto non previsto dalle presenti CGV, i rapporti di vendita tra RM e gli Acquirenti saranno regolati dalla legge italiana.

236

General Conditions of Sale

Below you can find our General Conditions of Sale (hereinafter, the “GCS”) that shall apply to all sale relationships between Raccorderie Metalliche S.p.A. (hereinafter, “RM” or the “Company”) and subjects who place their orders, either directly or through their agents, with the latter (hereinafter, the “Purchasers” or, individually, the “Purchaser”).

All GCS (including the recitals) are therefore acknowledged and accepted by the Purchasers, without reservation, on the date of the order placement to RM; in case of existing Purchaser’s conditions, the GCS will prevail. The GCS shall apply to all sale relationships, unless otherwise agreed upon between RM and the Purchasers. To interpret and execute the orders, the parties shall moreover refer to the provisions provided for by Incoterms 2010.

1. Orders

1.1 Our offers shall be considered as binding only in case of regular order confirmation in written form (hereinafter, the “OC”) sent by RM to the Purchaser.

1.2 The orders sent to RM shall be considered to be binding only in case a written OC is sent to the Purchaser.

1.3 RM is entitled to require further information before accepting an order, as well as to decline the latter, at its sole discretion.

1.4 The orders shall refer to RM’s catalogue being in force from time to time. Anyway, both the products and the prices are indicative. RM reserves the right to modify the technical features of the products and readjust the prices.

2. Price

2.1 Price, payment method and conditions being indicated in the OC are binding on the Purchaser.

2.2 Under no circumstances, the Purchaser may delay, reduce or cease payments. In case of partial or total non payment, the Purchaser will be considered to be in arrears, with no need to send him formal injunction, and in this case interest of arrears will be applied according to articles 2 letter e), 4 and 5 of the Decree Law N° 231, dated 9th October 2002.

2.3 RM reserves the right to stop the execution of orders, in the event the Purchaser has not fulfilled payment relating to preceding orders, i.e. has proven not to be in a position to fulfil its payment. In such a case, the orders will only be executed against a payment in advance and after RM sends its consent to the Purchaser.

2.4 In case of price increase regarding goods belonging to orders in progress and exceeding 5 % of the price contained in the catalogue, RM will inform the Purchaser about the relevant different amounts. The latter will be binding on the Purchaser, who has anyway the right to refuse to purchase the goods but not the right to put forward claims against RM.

3. Transport

3.1 Costs concerning shipment, packing, etc will be paid in advance by RM and reimbursed to the latter on presentation of the invoice.

3.2 The goods always travel at Purchaser’s risk (FCA Campitello as provided for by Incoterms 2010) regardless of possible different agreements in terms of transport conditions. A possible complaint shall therefore solely be made against the forwarder, or the Insurance Company, in case of sea transport.

4. Delivery

4.1 The delivery time is indicative and not binding on the Company and a possible delay does not entitle the Purchaser to back out of a contract, cancel an order, cease, reduce, delay a payment of the price, nor claim for any damages and/or interest of arrears.

4.2 In any case, the delivery time starts on the date of the OC. Possible different terms contained in the orders will be considered null and void.

4.3 In case the Purchaser requires a specific delivery time, the latter shall preliminarily be agreed and written in the OC to confirm its validity. In any case, the foregoing is without prejudic e to forc e majeure including , but no t limite d to strike (even forwarders’ strike), war, epidemics, disasters, terrorist attacks, accidents, closed borders, authority vetoes.

4.4 In the event it is impossible or very difficult to deliver, RM reserves the right to cancel the order and the Purchaser is not entitled to put forward claims against RM.

5. Retention of Title

5.1 RM reserves its property right concerning the goods, until all amounts relating to the price of the goods and the freight including, but not limited to packing & customs charges (if applicable).

5.2 In case of contract termination due to the Purchaser’s breach, possible down payments shall remain acquired by RM as indemnity.

6. Complaints

6.1 Possible complaints regarding defects of the goods shall be notified within ten days from the receiving of the latter by the Purchaser.

6.2 Possible complaints do no t entitle the Purchaser to stop or delay the payment o f the goods, which has to b e issued within the scheduled time.

6.3 In case the Purchaser requires the goods to be conformed to a special purpose, the relevant request shall be made with the order and it shall be valid only in case it has been specifically confirmed in writing in the OC.

7. Warranty of press systems.

7.1 Concerning the warranty of press systems, the terms and conditions indicated in Press Systems Technical Manual of Raccorderie Metalliche S.p.A. shall apply.

8. Language, Disputes, Applicable Law

8.1 Any possible translation other than the present GCS one shall be intended as mere favour and shall not prevail over the Italian text, which is the only applicable text.

8.2 All possible disputes shall be subject to the exclusive jurisdiction of the court of the place in which the Company has its registered office.

8.3 For any aspect not provided for by the present GCS, the sales relationships between RM and the Purchasers shall be ruled by the Italian law.

237

Allgemeine Geschäftsbedingungen

Nachfolgend werden die Allgemeinen Geschäftsbedingungen aufgeführt, die auf alle Verkaufsbeziehungen zwischen Raccorderie Metalliche

S.p.A. (“RM” oder die “Gesellschaft”) und Personen, die direkt oder durch einen Vertreter eine Bestellung aufgeben (im Folgenden “Käufer”) anwendbar sind. Sämtliche AGB, einschließlich der vorliegenden Vorbemerkungen, verstehen sich vorbehaltlos als von den Käufern verstanden und akzeptiert durch die Bestellerteilung an RM, wobei etwaige verfasste allgemeine Geschäftsbedingungen des Käufers keine Bedeutung haben. Die AGB finden Anwendung in den Verkaufsbeziehungen, weil sie nicht von bestimmten Vertragsvereinbarungen zwischen RM und den Käufern abweichen. In der Beurteilung und Ausführung der Bestellungen wird außerdem auf die von Incoterms Ausgabe 2010 vorgesehenen Klauseln Bezug genommen.

1. Bestellungen

1.1 Unsere Bestellungen sind als bindend zu betrachten nur bei Vorliegen einer regulären schriftlichen Auftragsbestätigung (“AB”), die dem Käufer durch RM zugestellt wird.

1.2 Die an RM angefragten Bestellungen sind bis zur schriftlichen AB nicht bindend.

1.3. RM steht es frei, vor der Bestellannahme weitere Auskünfte einzuholen oder die Bestellung nach eigenem Ermessen abzulehnen.

1.4 Die Warenbestellungen verstehen sich in Bezug auf den gültigen Katalog. Die angegebenen Produkte und Preise sind als maßgebend zu verstehen. RM behält sich das Recht vor, Änderungen an den technischen Eigenschaften der Produkte vorzunehmen und die Preise anzupassen.

2. Preis

2.1 Preis, Zahlungsbedingungen und Zahlungsfristen sind in der Auftragsbestätigung angegeben und sind bindend für den Käufer.

2.2. In keinem Fall darf der Käufer die Zahlung verzögern, mindern oder aufheben. Bei Nichtzahlung oder teilweiser Zahlung befindet sich der Käufer in Verzug, ohne dass es einer formellen Benachrichtigung bedarf, und es werden Verzugszinsen gemäß des italienischen Gesetzesdekrets Nr. 231, Art. 2 Satz 4 und 5 vom 9. Oktober 2002 angerechnet. Weiterhin behält sich RM das Recht vor, die Ausführung von Bestellungen aufzuheben, wenn der Käufer nicht ordnungsgemäß Zahlungen für vorherige Bestellungen vorgenommen hat oder anderweitig bewiesen hat, zahlungsunfähig zu sein. In diesem Fall kann die Bestellung nur bei vorzeitiger Zahlung oder bei Vorliegen entsprechender Vertrauensgarantie durch RM ausgeführt werden.

2.4 Im Falle von Preiserhöhung über 5% im Vergleich zum Katalogpreis bei Waren in Bearbeitung, wird RM die entsprechenden Beträge dem Käufer mitteilen. Diese abweichenden Beträge sind für den Käufer bindend, unberührt seines Rechts, in diesem Fall auf den Kauf der Ware zu verzichten, ohne dass der Käufer Schadensersatz gegenüber RM fordern kann.

3. Transport

3.1 Die Kosten für Versand, Verpackung u. ä. verstehen sich als durch RM vorgestreckt und müssen vom Käufer nach Rechnungsvorlegung erstattet werden.

3.2 Die Ware wird immer auf Risiko des Käufers befördert (FCA Campitello wie durch Incoterms 2010 vorgesehen), unabhängig der vereinbarten Transportbedingungen. Eventuelle Beanstandungen können daher ausschließlich gegenüber dem Beförderungsunternehmen oder der Versicherung bei Warenbeförderung auf dem Seeweg gemacht werden.

4. Lieferung

4.1 Die Lieferzeiten sind nicht verbindlich und nicht bindend für die Gesellschaft. Eine eventuelle Verspätung berechtigt den Käufer in keiner Weise vom Vertrag zurück zu treten, die Bestellung zu annullieren, die Zahlung einzustellen, zu mindern oder zu verzögern, oder Schadensersatz jeglicher Art zu fordern, einschließlich der Verzugszinsen.

4.2 In jedem Fall richten sich die Lieferzeiten ausschließlich nach dem Datum der AB. Eventuelle in der Bestellung angegebene Fristen sind unwirksam.

4.3. Falls der Käufer bestimmte Lieferzeiten benötigt, müssen diese im Voraus vereinbart werden und für ihre Wirksamkeit müssen sie außerdem schriftlich in der AB bestätigt werden. Jedenfalls bleiben die Fälle höherer Gewalt unberührt, darunter, als Erläuterung aber keinesfalls vollständig, Fälle von Streik, einschließlich der Beförderungsunternehmen, Kriege, Epidemien, Katastrophen, Terroranschläge, Grenzschließungen oder Verhinderung durch behördliche Anweisung.

4.4. für den Fall, das s die Lieferung unmöglich oder besonder s belastend wird, behält sich RM das Recht vor, die Bestellung zu annullieren, ohne dass der Käufer Schadensersatz fordern kann.

5. Eigentumsvorbehalt

5.1 RM behält sich das Recht de s Eigentums an der Ware bis zur vollständigen Zahlung aller Beträg e bezüglich de s Warenpreises und des Transports vor, einschließlich - als Erläuterung aber keinesfalls vollständig - Verpackungs- und Zollkosten, falls anwendbar.

5.2 Im Falle der Vertragsauflösung wegen Nichterfüllung durch den Käufer werden b ereits g eleistete A nzahlungen an RM als Entschädigung erworben gelten.

6. Beanstandungen

6.1 Eventuelle Beanstandungen wegen fehlerhafter Ware müssen innerhalb einer Frist von zehn Tagen ab Warenerhalt mitgeteilt werden.

6.2 Eventuelle Beanstandungen berechtigen nicht den Käufer, die Zahlung innerhalb der genannten Frist einzustellen oder zu verzögern.

6.3 Falls der Käufer die Kompatibilität der Ware für eine bestimmte Verwendung verlangt, mus s die s Anfrag e mit der Bestellung erfolgen und sie wird nur durch schriftliche Bestätigung in der AB wirksam.

7. Gewährleistung Drucksysteme.

7.1 Bezüglich der Gewährleistung der Drucksysteme, sind die im Technischen Handbuch Drucksysteme von Metalliche S.p.A. angegebenen Bedingungen und Fristen verbindlich.

8. Sprache, Streitigkeiten, anwendbares Recht

8.1 Eventuelle Übersetzungen der AGB sind als reine Dienstleistung zu sehen und stehen nicht über die italienische Version, die ausschließlich gültig ist.

8.2 Bei Streitigkeiten ist ausschließlich das Gericht zuständig, in dessen Bezirk die Gesellschaft ihren Sitz hat.

8.3 Falls nicht durch die vorliegenden AGB abgedeckt, werden die Kaufbeziehungen zwischen RM und Käufer durch italienisches Recht geregelt.

238

Conditions Générales de Vente

Ci-Après les Conditions Générales de Vente (“CGV”) applicables à tous les rapports de vente entre Raccorderie Metalliche S.p.A. (“RM” ou la “Société”) et les sujets qui effectuent, directement ou par l’intermédiaire d’un agent, un ordre de marchandise (les “Acheteurs” ou, individuellement, l’”Acheteur”). Toutes les CGV, y compris ces prémisses, s’entendent par conséquent, connues et acceptées par les Acheteurs, sans aucune réserve, avec l’attribution de l’ordre à RM, si les éventuelles conditions de vente prédisposées par l’Acheteur ne sont pas en contradiction. Les CGV s’appliquent aux rapports de vente dans la mesure où elles ne dérogent pas d’accords contractuels spécifiques entre RM et les Acheteurs. Pour l’interprétation et l’exécution des commandes, il faudra en outre faire référence aux clauses prévues par les conditions internationales de vente Incoterms édition 2010.

1. Commandes

1.1 Nos offres doivent être considérées liantes uniquement vis-à-vis d’une confirmation régulière d’une commande écrite (“CdC”) envoyée à l’Acheteur par RM.

1.2 Les commandes requises à RM ne sont liantes qu’après la rédaction de la CdC.

1.3 RM est en droit de demander des précisions supplémentaires avant d’accepter la commande ou de la refuser à son jugement sans appel.

1.4 Les commandes de marchandise s’entendent comme passées sur la base du catalogue en vigueur. Les produits et les prix indiqués doivent dans tous les cas être considérés comme indicatifs. RM est en droit de modifier les caractéristiques techniques des produits indiqués et de revoir les prix.

2. Prix

2.1 Le prix, les modalités et les délais de paiement sont ceux indiqués dans la CdC ou dans la facture et sont liants pour l’Acheteur.

2.2 En aucun cas l’Acheteur ne pourra retarder, réduire ou suspendre le paiement. En cas de non-paiement ou de paiement partiel, l’Acheteur sera considéré en demeure sans obligation d’une mise en demeure formelle et des intérêts légaux pour retard de paiement s’appliqueront, conformément aux articles 2 point e), 4 et 5 du décret législatif du 9 octobre 2002 n° 231.

2.3 RM a toujours le droit de suspendre l’exécution de la commande dans le cas où l’acheteur n’a pas effectué les paiements relatifs aux commandes précédentes ou s’il a démontré être incapable d’effectuer le paiement. Dans ce cas, la commande pourra être effectuée uniquement contre un paiement anticipé après la présentation d’une garantie de complaisance de RM.

2.4 En cas d’augmentations du prix de la marchandise en cours de production supérieures à 5 % du prix indiqué dans le catalogue, ces montants différents seront communiqués à l’Acheteur par RM. Ces différents montants liants pour l’Acheteur, sous réserve, dans ce cas d’exercer son droit de renoncer à l’achat de la marchandise sans que l’Acheteur puisse prétendre des dommages et intérêts vis à vis de RM.

3. Transport

3.1 Les coûts relatifs aux frais d’expédition, à l’emballage et autre s’entendront anticipés par RM et devront être remboursés par l’Acheteur sur présentation de la facture.

3.2 La marchandise voyage toujours au risque de l’Acheteur (FCA Campitello comme le prévoient les conditions internationales de vente 2010) indépendamment des conditions de transport établies. Les éventuelles réclamations devront donc être faites au transporteur ou à l’Assurance s’il s’agit de marchandises expédiées par bateau.

4. Livraison

4.1 Les délais de livraison sont indicatifs et non contraignants pour la Société et tout retard éventuel ne peut en aucune façon permettre à l’acheteur de résilier le contrat, annuler la commande, suspendre, réduire ou retarder le paiement du montant, ou exiger le paiement de dommages de toute nature, de quelque nature que ce soit, même sous la forme d’intérêts moratoires.

4.2 Dans tous les cas, les délais de livraison commencent à courir exclusivement à la date de la CdC. Les éventuels délais reportés dans la commande ne sont pas pris en compte.

4.3 Dans le cas où l’Acheteur aurait besoin de délais de livraison spécifiques, ceux-ci devront préalablement être fixés et pour qu’ils deviennent effectifs, ils devront être confirmés par écrit dans la CdC. Dans tous les cas, exception est faite en cas de force majeure, c’est à dire à titre purement explicatif, mais sans s’y limiter, les cas de grève, également des transporteurs, les guerres, les épidémies, les catastrophes, les actes de terrorisme, les accidents, la fermeture des frontières ou tout empêchement sur l’ordre des Autorités.

4.4 Dans le cas où la livraison devien t impossible ou particulièrement excessive, RM s e réserve le droit d’annuler la commande sans que l’Acheteur puisse réclamer des dommages et intérêts.

5. éserve de propriété

Réserve de propriété

5.1 RM s e réserve le droit de propriété sur la marchandis e jusqu’à c e que soient payé s tous le s montants relatif s au pri x de la marchandis e et au transport, y compris, à titre d’exemple mais sans s’ y limiter, le s frais de conditionnent e t de douane, si ce s dernier s son t applicables.

5.2 En cas de résiliation du contrat par non-exécution de l’Acheteur, le s acompte s payé s resteront acquis à RM à titr e d’indemnisation.

6. Réclamations

6.1 Le s éventuelle s réclamations pour défauts de la marchandis e devron t êtr e communiquée s dans le s di x jour s à compter de la réception de celle-ci.

6.2 Les éventuelles réclamations n’autorisent pas l’Acheteur à suspendre ou retarder le paiement dans les délais indiqués.

6.3 Dans le cas où l’Acheteur requier t la compatibilité de la marchandis e pour un usag e particulier, cette demande devra parvenir ave c la commande et sera effective uniquement si spécifiquement confirmée par écrit dans la CdC.

7. Garantie systèmes à sertir.

7.1 En ce qui concerne la garantie des systèmes à sertir, font foi les termes et les conditions exposés dans le Manuel Technique des Systèmes à Presser de Raccorderie Metalliche S.p.A.

8. Langue, Litige, Juridiction

8.1 Les éventuelles traductions des CGV ne sont fournies que pour des raisons de commodité mais l’Italien est la seule langue faisant foi.

8.2 En cas de litige, seul le Tribunal du lieu où la Société à son siège, est compétent.

8.3 Pour tout ce qui n’est pas prévu par les présentes CGV, les rapports de vente entre RM et les Acheteurs seront régis par la loi italienne.

239

Condiciones Generales de Venta

A continuación encontrará las Condiciones Generales de Venta (“CGV”) que se aplican a todas las ventas entre Raccorderie Metalliche S.p.A. (en adelante “RM” o la “Sociedad”) y los sujetos que efectúan, directa o indirectamente a través de un agente, un pedido de productos (los “Compradores” o, de manera individual, el ”Comprador”). Todas las CGV, incluso esta introduccón, se entienden por lo tanto conocidas y aceptadas por los Compradores, sin reserva alguna, al otorgar a RM el pedido, y prevalecen ante posibles condiciones generales redactadas por el Comprador. Las CGV se aplican a las relaciones de venta, siempre que no hayan sido derogadas por acuerdos contractuales específicos entre RM y los Compradores. Para interpretar y ejecutar los pedidos se tomarán además como referencia las clásulas previstas por los Incoterms edición de 2010.

1. Pedidos

1.1 Nuestras ofertas se considerarán vinculantes únicamente en el caso de confirmación escrita del pedido (“CdP”) enviada por RM al Comprador.

1.2 Los pedidos efectuados a RM no son vinculantes si no existe la confirmación del pedido (“CdP”) escrita.

1.3 RM tiene la facultad para solicitar ulteriores aclaraciones antes de aceptar el pedido o incluso para recharzarlo, en cuyo caso, su decisión es inapelable.

1.4 Los pedidos de mercancía se entienden efectuados según el catálogo vigente. Los productos y los precios que allí aparecen deben considerarse indicativos. RM tiene la facultad de modificar las características técnicas de los productos indicados y de rectificar los precios.

2. Precio

2.1 El precio, las formas y los plazos de pago son los que se indican en la CdP o en la factura y son vinculantes para el Comprador.

2.2 En ningún caso el Comprador podrá retrasar, reducir o suspender el pago. En caso de pago parcial o pago no efectuado, el Comprador será considerado moroso sin necesidad de intimación formal y se le aplicarán los intereses por mora de conformidad con los artículos 2 letra e), 4 y 5 del Decreto Legislativo del 9 de octubre de 2002 n. 231.

2.3 RM se reserva siempre la facultad de suspender la ejecución de los pedidos, en caso de que el Comprador no haya cumplido con los pagos de pedidos anteriores o haya demostrado que no puede realizar los mismos. En este caso, se podrá dar curso al pedido solo si se efectúa el pago anticipado o se presenta una garanta adecuada que cuente con el beneplácito de RM.

2.4 Si durante el proceso de venta, se produjeran aumentos de precio de la mercancía superiores al 5% del precio indicado en el catálogo, los nuevos importes serán comunicados por RM al Comprador. Dichos importes serán vinculantes para el Comprador, sin perjuicio, en este caso, de su derecho a renunciar a la compra de la mercancía, sin que por este motivo pueda exigir ninguna indemnizacón por parte de RM.

3. Transporte

3.1 Los costes correspondientes a los gastos de envío, embalaje y demás se entienden anticipados por RM y tendrán que ser reembolsados por el Comprador previa presentación de la factura.

3.2 La mercancía viaja siempre a riesgo del Comprador (FCA Campitello, como previsto por los Incoterms 2010) independientemente de las condiciones de transporte pactadas. Por lo tanto, las eventuales reclamaciones deberán ser efectuadas exclusivamente al transportista o a la compañía de seguros si la mercancía viajara por vía marítima.

4. Entrega

4.1 Los plazos de entrega son indicativos y no son vinculantes para la Sociedad y en ningún caso el eventual retraso podrá dar derecho al Comprador para rescindir el contrato, anular el pedido, suspender, reducir o retrasar el pago del precio, así como tampoco pretender una indemnización por daños de cualquier tipo, incluso bajo forma de intereses moratorios.

4.2 De cualquier forma, los plazos de entrega se cuentan exclusivamente a partir de la fecha de la CdP. No tendrán validez los plazos indicados en el pedido.

4.3 En caso de que el Comprador necesitara determinados plazos de entrega, los mismos tendrán que pactarse previamente y para que tengan validez deberán ser confirmados por escrito en la CdP, sin perjuicio de los casos de fuerza mayor, bajo cuyo nombre se entienden, a modo de ejemplo no exhaustivo, huelgas incluso de los transportistas, guerras, epidemias, catástrofes, actos terroristas, accidentes, cierre de fronteras o impedimento por orden de las autoridades.

4.4 En caso de que la entrega sea imposible o muy difícil y costosa, RM se reserva el derecho de anular el pedido sin que el Comprador pueda exigir ningún tipo de indemnización por daños y perjuicios.

5. Reserva de Propiedad

5.1 RM se reserva el derecho de propiedad de la mercancía hasta cuando no hayan sido pagados totalmente todos los importes correspondientes al precio de la misma y al transporte, incluso a modo de ejemplo no exhaustivo los gastos de embalaje y de aduana, estos últimos siempre que correspondan.

5.2 En cas o de rescisión del contrato por incumplimiento del Comprador, los pagos a cuenta que haya percibido RM serán retenidos por RM a título de indemnización.

6. Reclamaciones

6.1 Las eventuale s reclamacione s por defectos de la mercancía tendrán que ser comunicadas dentro de un plazo de diez días a partir de la fecha de recepción de la misma.

6.2 Las eventuales reclamaciones no dan derecho al Comprador para que suspenda o retrase el pago dentro de los plazos estipulados.

6.3 En el cas o de que el Comprador requiera la compatibilidad de la mercancía para un us o especial, dicha solicitud s e deberá hacer en el pedido y tendrá valor sólo si se confirma por escrito y esplícitamente en la CdP.

7. Garantía de sistemas de prensado.

7.1 Por lo que se refiere a la garantía de los sistemas de prensado, tienen validez las condiciones y los térrminos expuestos en el Manual Técnico de Sistemas de Prensado de Raccorderie Metalliche S.p.A.

8. Lengua, Litigios, Ley aplicable

8.1 Las posibles traducciones de las CDV deben entenderse como traducciones de cortesía, que no prevalecen ante el texto en italiano que es el único que da fe.

8.2 En caso de litigios es competente en vía exclusiva el Tribunal del lugar en el que tiene su sede la Sociedad.

8.3 Todos los aspectos no previstos en estas CGV y relacionados con las relaciones de venta entre RM y los Compradores estarán regulados por la ley italiana.

240

Indice analitico / Index (Codice articolo/item code -> pagina/page)

114015200 26, 97 114015202 26 114018200 26, 97 114018202 26 114022200 26, 97 114022202 26 114028200 26, 97 114028202 26 114035200 26, 97 114035202 26 114042200 26, 97 114042202 26 114054200 26, 97 114054202 26 114076200 26 114076202 26 114088200 26 114088202 26 114108200 26 114108202 26 11501525N 193 11501525R 194 11501525V 194 11501526G 193 11501825N 193 11501825R 194 11501825V 194 11501826G 193 11502230N 193 11502230R 194 11502230V 194 11502231G 193 11502830N 193 11502830R 194 11502830V 194 11502831G 193 11503530N 193 11503530R 194 11503530V 194 11503532G 193 11504240N 193 11504240R 194 11504240V 194 11504241G 193 11505440N 193 11505440R 194 11505440V 194 11505441G 193 11507670GM 193 11507770NM 193 11507770R 194 11507770VM 194 11508870GM 193 11509070NM 193 11509070R 194 11509070VM 194 11510809GM 193 11510909NM 193 11510909VM 194 11510990R 194 115139100N 193 115139100V 194 115168100N 193 115168100V 194 115183051F 196 115183054E 195 115183054F 196 115183112F 196 115183112H 195 115183134E 195 115183134F 196 115183154E 195 115183200E 195 115183200F 196 115183200H 195 115183242F 196 115183254F 196 115183540E 195 115183540F 196 115683100E 195 115683100F 196 115683100H 195 115683102F 196 115683102H 195 115683112E 195 115683114E 195 115683114F 196 115683114H 195 115683134E 195 115683304E 195 115683304F 196 115683304H 195 116000000 189 116000003 189 116000006 191 116000011 189 116000012 189 116000016 191 116000018 190 116000026 191 116000028 190 116000036 191 116000038 190 116000048 190 116000058 190 116015030 25 116015200 23, 68, 96 116015203 24 116015300 24, 88, 68, 97 116018030 25 116018200 23, 68, 96 116018203 24 116018300 24, 88, 68, 97 116022030 25 116022200 23, 68, 96 116022203 24 116022300 24, 88, 68, 97 116028030 25 116028200 23, 68, 96 116028203 24 116028300 24, 88, 68, 97 116035030 25 116035200 23, 68, 96 116035203 24 116035300 24, 88, 68, 97 116042030 25 116042200 23, 68, 96 116042203 24 116042300 24, 88, 68, 97 116054030 25 116054200 23, 68, 96 116054203 24 116054300 24, 88, 68, 97 116076007 191 116076200 23, 68 116076203 24 116076300 24, 68 116088007 191 116088200 23, 68 116088203 24 116088300 24, 68 116108007 191 116108200 23, 68 116108203 24 116108300 24, 68 116139200 23 116139260 23 116168200 23 116168260 23 156015304 27 156054304 27 156100304 27 156100304G 156, 27 156102304 27 156102304G 156, 27 156108304 27 156108304G 156, 27 156112304G 231, 156, 27 156114304 27 156114304G 231, 156, 27 156133304G 231 156150304G 156, 27 156159304G 231 156212304 27 156212304G 231, 156, 27 156300304 27 156300304G 231, 156, 27 156304304 27 156304304G 156, 27 156308304 27 156308304G 156, 27 156312304G 231 171076035 60 171076100 60 171088042 60 171108054 60 178015316 53, 104 178018316 53, 104 178022316 53, 104 178028316 53, 104 179015000 53 179015001 59 179018000 53 179018001 59 179022000 53 179022001 59 179028000 53 179028001 59 179035001 59 179042001 59 179054001 59 179076001 59 179088001 59 179108001 59 181015150 28 181015151 28 181015300 29 181015301 29 181015450 30 181015450G 69 181015450HT 88 181015450ST 98 181015451 30 181015451G 69 181015451HT 89 181015451ST 98 181015600 31 181015601 31 181015900 32 181015900G 70 181015900HT 89 181015900ST 99 181015901 32 181015901G 70 181015901HT 90 181015901ST 99 181018150 28 181018300 29 181018450 30 181018450G 69 181018450HT 88 181018450ST 98 181018451 30 181018451G 69 181018451HT 89 181018451ST 98 181018600 31 181018900 32 181018900G 70 181018900HT 89 181018900ST 99 181018901 32 181018901G 70 181018901HT 90 181018901ST 99 181022150 28 181022151 28 181022300 29 181022301 29 181022450 30 181022450G 69 181022450HT 88 181022450ST 98 181022451 30 181022451G 69 181022451HT 89 181022451ST 98 181022600 31 181022601 31 181022900 32 181022900G 70 181022900HT 89 181022900ST 99 181022901 32 181022901G 70 181022901HT 90 181022901ST 99 181028150 28 181028151 28 181028300 29 181028301 29 181028450 30 181028450G 69 181028450HT 88 181028450ST 98 181028451 30 181028451G 69 181028451HT 89 181028451ST 98 181028600 31 181028601 31 181028900 32 181028900G 70 181028900HT 89 181028900ST 99 181028901 32 181028901G 70 181028901HT 90 181028901ST 99 181035150 28 181035151 28 181035300 29 181035301 29 181035450 30 181035450G 69 181035450HT 88 181035450ST 98 181035451 30 181035451G 69 181035451HT 89 181035451ST 98 181035600 31 181035601 31 181035900 32 181035900G 70 181035900HT 89 181035900ST 99 181035901 32 181035901G 70 181035901HT 90 181035901ST 99 181042150 28 181042151 28 181042300 29 181042301 29 181042450 30 181042450G 69 181042450HT 88 181042450ST 98 181042451 30 181042451G 69 181042451HT 89 181042451ST 98 181042600 31 181042601 31 181042900 32 181042900G 70 181042900HT 89 181042900ST 99 181042901 32 181042901G 70 181042901HT 90 181042901ST 99 181054150 28 181054151 28 181054300 29 181054301 29 181054450 30 181054450G 69 181054450HT 88 181054450ST 98 181054451 30 181054451G 69 181054451HT 89 181054451ST 98 181054600 31 181054601 31 181054900 32 181054900G 70 181054900HT 89 181054900ST 99 181054901 32 181054901G 70 181054901HT 90 181054901ST 99 181076150C 28 181076151C 28 181076300 29 181076301 29 181076450 30 181076450G 69 181076451 30 181076451G 69 181076600 31 181076601 31 181076900 32 181076900G 70 181076901 32 181076901G 70 181088150C 28 181088151C 28 181088300 29 181088301 29 181088450 30 181088450G 69 181088451 30 181088451G 69 181088600 31 181088601 31 181088900 32
241
181088900G 70 181088901 32 181088901G 70 181108150C 28 181108151C 28 181108300 29 181108301 29 181108450 30 181108450G 69 181108451 30 181108451G 69 181108600 31 181108601 31 181108900 32 181108900G 70 181108901 32 181108901G 70 181139450 30 181139451 30 181139900 32 181139901 32 181168450 30 181168451 30 181168900 32 181168901 32 182015000 36 182015000G 72 182015000HT 90 182015000ST 100 182018000 36 182018000G 72 182018000HT 90 182018000ST 100 182022000 36 182022000G 72 182022000HT 90 182022000ST 100 182028000 36 182028000G 72 182028000HT 90 182028000ST 100 182035000 36 182035000G 72 182035000HT 90 182035000ST 100 182042000 36 182042000G 72 182042000HT 90 182042000ST 100 182054000 36 182054000G 72 182054000HT 90 182054000ST 100 182076000 36 182076000G 72 182088000 36 182088000G 72 182108000 36 182108000G 72 182139000 36 182168000 36 183015000 40 183015000G 75 183015000HT 92 183015000ST 101 183015001 40 183015001G 75 183015002 41 183015002G 76 183015003 42 183015003G 76 183015003HT 92 183015003ST 102 183015012 41 183015012G 76 183015020GD 84 183015102GD 84 183015304GP 84 183015708GP 84 183018000 40 183018000G 75 183018000HT 92 183018000ST 101 183018001 40 183018001G 75 183018002 41 183018002G 76 183018003 42 183018003G 76 183018003HT 92 183018003ST 102 183018012 41 183018012G 76 183018102GD 84 183018304GD 84 183018304GP 84 183018708GC 85 183018708GCP 85 183018708GD 84 183018708GP 84 183022000 40 183022000G 75 183022000HT 92 183022000ST 101 183022001 40 183022001G 75 183022002 41 183022002G 76 183022003 42 183022003G 76 183022003HT 92 183022003ST 102 183022012 41 183022012G 76 183022304GD 84 183022304GP 84 183022708GC 85 183022708GCP 85 183022708GDA 84 183022708GP 84 183028000 40 183028000G 75 183028000HT 92 183028000ST 101 183028001 40 183028001G 75 183028002 41 183028002G 76 183028003 42 183028003G 76 183028003HT 92 183028003ST 102 183028012 41 183028012G 76 183028022 41 183028100GD 84 183028708GDA 84 183035000 40 183035000G 75 183035000HT 92 183035000ST 101 183035001 40 183035001G 75 183035002 41 183035002G 76 183035003 42 183035003G 76 183035003HT 92 183035003ST 102 183035012 41 183035012G 76 183035114GD 84 183042000 40 183042000G 75 183042000HT 92 183042000ST 101 183042001 40 183042001G 75 183042002 41 183042002G 76 183042003 42 183042003G 76 183042003HT 92 183042003ST 102 183042012 41 183042012G 76 183042022 41 183042022G 76 183042112GD 84 183054000 40 183054000G 75 183054000HT 92 183054000ST 101 183054001 40 183054001G 75 183054002 41 183054002G 76 183054003 42 183054003G 76 183054003HT 92 183054003ST 102 183054012 41 183054012G 76 183054022 41 183054022G 76 183054200GD 84 183076000 40 183076000G 75 183076001 40 183076001G 75 183076003 42 183076003G 76 183088000 40 183088000G 75 183088001 40 183088001G 75 183088003 42 183088003G 76 183108000 40 183108000G 75 183108001 40 183108001G 75 183108003 42 183108003G 76 183139000 40 183139003 42 183168000 40 183168003 42 184015000 49 184015001 49 184015002 50 184015002G 81 184015002I 51 184015002IG 82 184015003 50 184015003G 81 184015003I 51 184015003IG 82 184015012I 51 184015013I 51 184018000 49 184018001 49 184018002 50 184018002G 81 184018002I 51 184018002IG 82 184018003 50 184018003G 81 184018003I 51 184018003IG 82 184018012I 51 184018013I 51 184022000 49 184022001 49 184022002 50 184022002G 81 184022002I 51 184022002IG 82 184022003 50 184022003G 81 184022003I 51 184022003IG 82 184022012I 51 184022013I 51 184022022I 51 184022122 50 184022122G 81 184022123 50 184022123G 81 184028000 49 184028001 49 184028002 50 184028002G 81 184028002I 51 184028002IG 82 184028003 50 184028003G 81 184028003I 51 184028003IG 82 184028342 50 184028342G 81 184028343 50 184028343G 81 184035000 49 184035001 49 184035002 50 184035002G 81 184035002I 51 184035002IG 82 184035003 50 184035003G 81 184035003I 51 184035003IG 82 184042000 49 184042001 49 184042002 50 184042002G 81 184042002I 51 184042003 50 184042003G 81 184042003I 51 184054000 49 184054001 49 184054002 50 184054002G 81 184054002I 51 184054003 50 184054003G 81 184054003I 51 185000CONG 83 185100122G 77 185100128G 77 185102015 42 185102015G 77 185102015M 43 185102018 42 185102018G 77 185102018M 43 185102115 43 185102115M 44 185102118 43 185102118M 44 185102315 44 185102318 44 185102322 44 185304022 42 185304022G 77 185304022M 43 185304122 43 185304122M 44 185304218 43 186042134R 35 186054238R 35 186100028 35 186100035 35 186102015 35 186102018 35 186112042 35 186114035 35 186114042 35 186200054 35 186304022 35 187015000R 44 187018000R 44 187022000R 44 187028000R 44 187035000R 44 187042000R 44 187054000R 44 187076000R 44 187088000R 44 187100022 45 187100022G 78 187100022HT 93 187100022ST 102 187100028 45 187100028G 78 187100028HT 93 187100028ST 102 187100035 45 187100035G 78 18710028NPT 47 187102015 45 187102015G 78 187102015HT 93 187102015ST 102 187102018 45 187102018G 78 187102018HT 93 187102018ST 102 187102022 45 187102022G 78 187102022HT 93 187102022ST 102 187102028 45 18710215NPT 47 18710218NPT 47 187108000R 44 187112035 45 187112035G 78 187112042 45 187112042G 78 187112042HT 93 187112042ST 102 187112054 45 187112054G 78 18711242NPT 47 187114028 45 187114028G 78 187114035 45 242
187114035G 78 187114035HT 93 187114035ST 102 187114042 45 187114042G 78 18711435NPT 47 187200054 45 187200054G 78 187200054HT 93 187200054ST 102 18720054NPT 47 187212076 45 187212076G 78 187300088 45 187300088G 78 187304015 45 187304015G 78 187304018 45 187304018G 78 187304022 45 187304022G 78 187304022HT 93 187304022ST 102 187304028 45 187304028G 78 187304028HT 93 187304028ST 102 18730422NPT 47 187308015 45 187308015G 78 187400108 45 187400108G 78 188028022 39 188028022G 72 188035022 39 188035022G 72 188035028 39 188035028G 72 188042028 39 188042028G 72 188054028 39 188054028G 72 189100028 37 189100035 37 189100035HT 91 189100035ST 100 189100042 37 189100042HT 91 189100042ST 100 189100076 37 189102015 37 189102015G 73 189102015HT 91 189102015M 37 189102015ST 100 189102018 37 189102018G 73 189102018HT 91 189102018ST 100 189102022 37 189102022G 73 189102022HT 91 189102022ST 100 189102028 37 189102028G 73 189102028HT 91 189102028ST 100 189102035 37 189102035G 73 189102042 37 189102042G 73 189102054 37 189102054G 73 189200054 37 189200054G 73 189200054HT 91 189200054ST 100 189200076 37 189200076G 73 189200088 37 189200088G 73 189200108 37 189200108G 73 189304018 37 189304018G 73 189304022 37 189304022G 73 189304022HT 91 189304022ST 100 189304028 37 189304028G 73 189304028HT 91 189304028ST 100 189304035 37 189304035G 73 189304042 37 189304042G 73 189304054 37 189304054G 73 189304076 37 189304076G 73 189304088 37 189304088G 73 189304108 37 189304108G 73 190100022 46 190100022G 79 190100028 46 190100028G 79 190100028HT 93 190100028ST 103 190100035 46 190100035G 79 19010028NPT 47 190102015 46 190102015G 79 190102015HT 93 190102015ST 103 190102018 46 190102018G 79 190102018HT 93 190102018ST 103 190102022 46 190102022G 79 190102028 46 19010215NPT 47 19010218NPT 47 190112035 46 190112035G 79 190112042 46 190112042G 79 190112042HT 93 190112042ST 103 190112054 46 190112054G 79 19011242NPT 47 190114028 46 190114028G 79 190114035 46 190114035G 79 190114035HT 93 190114035ST 103 190114042 46 190114042G 79 19011435NPT 47 190200054 46 190200054G 79 190200054HT 93 190200054ST 103 19020054NPT 47 190304015 46 190304015G 79 190304018 46 190304018G 79 190304022 46 190304022G 79 190304022HT 93 190304022ST 103 190304028 46 190304028G 79 190304028HT 93 190304028ST 103 19030422NPT 47 191018015 52 191018015G 83 191018015HT 94 191018015ST 103 191022015 52 191022015G 83 191022018 52 191022018G 83 191022018HT 94 191022018ST 103 191028015 52 191028015G 83 191028015HT 94 191028018 52 191028018G 83 191028022 52 191028022G 83 191028022HT 94 191028022ST 103 191035015 52 191035015G 83 191035018 52 191035018G 83 191035022 52 191035022G 83 191035028 52 191035028G 83 191035028HT 94 191035028ST 103 191042015 52 191042015G 83 191042018 52 191042018G 83 191042022 52 191042022G 83 191042028 52 191042028EST 104 191042028G 83 191042035 52 191042035G 83 191042035HT 94 191042035ST 103 191054015 52 191054015G 83 191054018 52 191054018G 83 191054022 52 191054022G 83 191054028 52 191054028EST 104 191054028G 83 191054035 52 191054035EST 104 191054035G 83 191054042 52 191054042G 83 191054042HT 94 191054042ST 103 191076042 52 191076054 52 191076054G 83 191088054 52 191088054G 83 191088076 52 191088076G 83 191108054 52 191108054G 83 191108076 52 191108076G 83 191108088 52 191108088G 83 191139088 52 191139108 52 191168088 52 191168108 52 191168139 52 192018015 38 192018015G 74 192018015HT 91 192018015ST 101 192022015 38 192022015G 74 192022018 38 192022018G 74 192022018HT 91 192022018ST 101 192028015 38 192028015G 74 192028018 38 192028018G 74 192028022 38 192028022G 74 192028022HT 91 192028022ST 101 192035015 38 192035015G 74 192035018 38 192035018G 74 192035022 38 192035022G 74 192035022HT 91 192035022ST 101 192035028 38 192035028G 74 192035028HT 91 192035028ST 101 192042018 38 192042022 38 192042022G 74 192042028 38 192042028G 74 192042028HT 91 192042028ST 101 192042035 38 192042035G 74 192042035HT 91 192042035ST 101 192054018 38 192054022 38 192054022G 74 192054028 38 192054028G 74 192054035 38 192054035G 74 192054035HT 91 192054035ST 101 192054042 38 192054042G 74 192054042HT 91 192054042ST 101 192076022 38 192076028 38 192076035 38 192076042 38 192076054 38 192076054G 74 192088022 38 192088028 38 192088028G 74 192088035 38 192088042 38 192088054 38 192088054G 74 192088076 38 192088076G 74 192108022 38 192108028 38 192108028G 74 192108035 38 192108042 38 192108054 38 192108076 38 192108076G 74 192108088 38 192108088G 74 192139076 38 192139088 39 192139108 39 192168076 39 192168088 39 192168108 39 192168139 39 193015000 55 193015000G 79 193015000HT 94 193015000ST 104 193015002 55 193015006 56 193018000 55 193018000G 79 193018000HT 94 193018000ST 104 193018002 55 193018006 56 193022000 55 193022000G 79 193022000HT 94 193022000ST 104 193022002 55 193022003 57 193022004 57 193022006 56 193028000 55 193028000G 79 193028000HT 94 193028000ST 104 193028002 55 193028003 57 193028004 57 193028006 56 193035000 55 193035000G 79 193035000HT 94 193035000ST 104 193035002 55 193035003 57 193035004 57 193035006 56 193042000 55 193042000G 79 193042000HT 94 193042000ST 104 193042002 55 193042003 57 193042004 57 193042006 56 193054000 55 243
193054000G 79 193054000HT 94 193054000ST 104 193054001 56 193054002 55 193054003 57 193054004 57 193054006 56 193076000 55 193076000G 79 193076001 56 193076002 55 193076003 57 193076004 57 193076006 56 193088000 55 193088000G 79 193088001 56 193088002 55 193088003 57 193088004 57 193088006 56 193108000 55 193108000G 79 193108001 56 193108002 55 193108003 57 193108004 57 193108006 56 193139001 56 193168001 56 194015900 53 194018150 54 194018300 54 194018900 53 194022300 54 194022900 53 194028150 54 194028300 54 194028600 54 194028900 53 194035150 54 194035300 54 194035600 54 194035900 53 194042150 54 194042300 54 194042600 54 194042900 53 194054150 54 194054300 54 194054600 54 194054900 53 194076150 54 194076300 54 194088150 54 194088300 54 194108150 54 194108300 54 195000015 65 195000020 65 195000030 65 195000040 65 195000050 65 195015000 59 195015003 61 195015004 62 195015005 61 195015008 63 195015017 65 195015027 65 195018003 61 195018004 62 195018005 61 195022003 61 195022004 62 195022005 61 195022008 63 195028003 61 195028004 62 195028005 61 195035003 61 195035004 62 195035007 66 195042003 61 195042004 62 195042007 66 195054003 61 195054004 62 195054007 66 195076003 61 195076004 62 195076007 66 195088003 61 195088004 62 195088007 66 195108003 61 195108004 62 195108007 66 196000000 174 196000000I 175 196000000VN 185 196000013 182 196000015 182 196000016 187 196000019 185 196000020 187 196000021 182 196000023 182 196000024 182 196000025 182 196000108E 188 196000108N 184 196001007 175 196001008 174 196001009 175 196001009V 175 196001011 174 196001012 176 196001013 176 196001014 176 196001015 177 196001016 177 196001017 176 196002000 180 196002001 181 19600200N 186 19600201N 186 19600202N 186 19600203N 186 19600204N 186 19600205N 186 196003000 180 196003001 181 19600300N 186 196004000 179 196004001 181 196005000 180 196012000 177 196012001 177 19601200N 183 196015000 177 196015001 177 19601500N 183 196015035K 178 196015035KV 178 196015035N 183 196015035NV 183 1960150NN 187 196018000 177 196018001 177 19601800N 183 1960180NN 187 196022000 177 196022001 177 19602200N 183 1960220NN 187 196028000 177 19602800N 183 1960280NN 187 196035000 177 19603500N 183 1960350NN 187 196042003 178 19604200N 183, 187 196042054 178 196042054E 188 196042054K 179 196042054KF 179 196042054N 183 196042054V 184 196042054VN 184 196054003 178 19605400N 183, 187 196076000 179 196076001 178 196076002 185 196076003 184 196076088V 186 196076108 179 196076108E 188 196076108N 184 196088000 179 196088001 178 196088002 185 196088003 184 196108000 179 196108001 178 196108002 185 196108003 184 196139002 185 196168002 185 197100028 34 197100028G 71 197102015 34 197102015G 71 197102018 34 197102018G 71 197102022 34 197112042 34 197112042G 71 197114035 34 197114035G 71 197200054 34 197200054G 71 197304022 34 197304022G 71 197304028 34 197304028G 71 198100028 34 198100028G 71 198102015 34 198102015G 71 198102018 34 198102018G 71 198102022 34 198102028 34 198102028G 71 198112042 34 198112042G 71 198114035 34 198114035G 71 198200054 34 198200054G 71 198304015 34 198304022 34 198304022G 71 199015000 129, 63 199015000HT 95 199015001 64 199015002 64 199018000 129, 63 199018000HT 95 199018001 64 199018002 64 199022000 129, 63 199022000HT 95 199022001 64 199022002 64 199028000 129, 63 199028000HT 95 199028001 64 199028002 64 199035000 129, 63 199035000HT 95 199035001 64 199035002 64 199042000 129, 63 199042000HT 95 199042001 64 199042002 64 199054000 129, 63 199054000HT 95 199054001 64 199054002 64 269100028 48 269100128 48 269102015 48 269102018 48 269102022 48 269102115 48 269102118 48 269102122 48 269112042 48 269112142 48 269114035 48 269114135 48 269200054 48 269200154 48 269304018 48 269304022 48 269304028 48 269304118 48 269304122 48 269304128 48 269308015 48 274000000 191 274000001 192 274015001 192 274018001 192 274022001 192 274028001 192 274035001 192 274042001 192 274054001 192 274076001 192 274088001 192 274108001 192 316012003 108 316012005 107 316015003 108 316015005 107 316018003 108 316018005 107 316022002 109 316022003 108 316022005 107 316028002 109 316028003 108 316028005 107 316035002 109 316035003 108 316035005 107 316042002 109 316042003 108 316042005 107 316054002 109 316054003 108 316054005 107 316076000 109 316076003 108 316076005 107 316088000 109 316088003 108 316088005 107 316108000 109 316108003 108 316108005 107 322060042 127 322060054 127 322076054 127 351054000 110 351100000 110 351102000 110 351108000 110 351114000 110 351150001 110 351212000 110 351300000 110 351304000 110 351308000 110 375100028 128 375102018 128 375112042 128 375114035 128 375200054 128 375212076 128 375300088 128 375304022 128 375308012 128 375308015 128 375400108 128 379012000 123 379015000 123 379018000 123 379022000 123 379028000 123 381012900 112 381012901 112 381015450 111 381015451 111 381015900 112 381015901 112 381018450 111 381018451 111 381018900 112 381018901 112 381022450 111 381022451 111 381022900 112 381022901 112 381028450 111 381028451 111 381028900 112 381028901 112 381035450 111 381035451 111 381035900 112 381035901 112 381042450 111 244
381042451 111 381042900 112 381042901 112 381054450 111 381054451 111 381054900 112 381054901 112 381076450 111 381076451 111 381076900 112 381076901 112 381088450 111 381088451 111 381088900 112 381088901 112 381108450 111 381108451 111 381108900 112 381108901 112 382012000 115 382015000 115 382018000 115 382022000 115 382028000 115 382035000 115 382042000 115 382054000 115 382076000 115 382088000 115 382108000 115 383012000 118 383012001 118 383012003 119 383015000 118 383015001 118 383015002 119 383015003 119 383018000 118 383018001 118 383018002 119 383018003 119 383022000 118 383022001 118 383022002 119 383022003 119 383022012 119 383022022 119 383028000 118 383028001 118 383028002 119 383028003 119 383028012 119 383028022 119 383035000 118 383035001 118 383035002 119 383035003 119 383035012 119 383042000 118 383042001 118 383042002 119 383042003 119 383042012 119 383042022 119 383054000 118 383054001 118 383054002 119 383054003 119 383054012 119 383054022 119 383076000 118 383076001 118 383076003 119 383088000 118 383088001 118 383088003 119 383108000 118 383108001 118 383108003 119 384015000 120 384015001 120 384018000 120 384018001 120 384022000 120 384022001 120 384028000 120 384028001 120 384035000 120 384035001 120 384042000 120 384042001 120 384054000 120 384054001 120 385102015 113 385102018 113 385304022 113 385308015 113 387100022 121 387100028 121 387100035 121 387102015 121 387102018 121 387102022 121 387112035 121 387112042 121 387114028 121 387114035 121 387200054 121 387212076 121 387300088 121 387304015 121 387304018 121 387304022 121 387304028 121 387308012 121 387308015 121 387400108 121 389100028 117 389100035 117 389102015 117 389102018 117 389102022 117 389102028 117 389102035 117 389102042 117 389102054 117 389102076 117 389102088 117 389102108 117 389304022 117 389304028 117 389304035 117 389304042 117 389304054 117 389304076 117 389304088 117 389304108 117 390100022 122 390100028 122 390100035 122 390102012 122 390102015 122 390102018 122 390102022 122 390102028 122 390112042 122 390114035 122 390200054 122 390304015 122 390304018 122 390304022 122 390304028 122 390308015 122 391015012 123 391018012 123 391018015 123 391022012 123 391022015 123 391022018 123 391028015 123 391028018 123 391028022 123 391035022 123 391035028 123 391042022 123 391042028 123 391042035 123 391054022 123 391054028 123 391054035 123 391054042 123 391076042 123 391076054 123 391088054 123 391088076 123 391108076 123 391108088 123 392012015 115 392015012 116 392015018 115 392015022 115 392018012 116 392018015 116 392018022 115 392022012 116 392022015 116 392022018 116 392022028 115 392028015 116 392028018 116 392028022 116 392035015 116 392035018 116 392035022 116 392035028 116 392042022 116 392042028 116 392042035 116 392054022 116 392054028 116 392054035 116 392054042 116 392076022 116 392076028 116 392076035 116 392076042 116 392076054 116 392088028 116 392088035 116 392088042 116 392088054 116 392088076 116 392108028 116 392108035 116 392108042 116 392108054 116 392108076 116 392108088 116 393015000 126 393015002 125 393018000 126 393018002 125 393022000 126 393022002 125 393028000 126 393028002 125 393035000 126 393035002 125 393042000 126 393042002 125 393054000 126 393054002 125 393076000 126 393076002 125 393088000 126 393088002 125 393100128 124 393102015 124 393102018 124 393102022 124 393102115 124 393102118 124 393102122 124 393108000 126 393108002 125 393304018 124 393304022 124 393304118 124 393304122 124 394015900 124 394018900 124 394022900 124 394028150 125 394028300 125 394028900 124 394035150 125 394035300 125 394035900 124 394042150 125 394042300 125 394042900 124 394054150 125 394054300 125 394054900 124 395012012 130 395015012 130 395015015 130 395018012 130 395018015 130 395022012 130 395022015 130 395028012 130 395028015 130 396012012 130 396015012 130 396015015 130 396018012 130 396018015 130 396022012 130 396022015 130 396028012 130 396028015 130 396035015 130 396102015V 128 396102018V 128 397100028 113 397102015 113 397102018 113 397112042 113 397114035 113 397200054 113 397304022 113 397308012 113 397308015 113 398102028 113 398304022 113 398304028 113 399015015 129 399018015 129 399022015 129 399022018 129 399028015 129 399028018 129 434015000 169, 127, 58 434015000G 80 434015006 169, 126, 58 434020000 169, 127, 58 434020000G 80 434020006 169, 126, 58 434025000 169, 127, 58 434025000G 80 434025006 169, 126, 58 434032000 169, 127, 58 434032000G 80 434032006 169, 126, 58 434040000 224, 169, 127, 58 434040000G 80 434040006 224, 169, 126, 58 434050000 224, 169, 127, 58 434050000G 80 434050006 224, 169, 126, 58 434065000 224, 169, 127, 58 434065000G 80 434065006 224, 169, 126, 58 434080000 224, 169, 127, 58 434080000G 80 434080006 224, 169, 126, 58 434100000 224, 169, 127, 58 434100000G 80 434100006 224, 169, 126, 58 434125000 224 434125006 224 434150000 224 434150006 224 530100070I 41 530112070I 41 530114070I 41 530134070I 41 530238070I 41 600100035I 42 600112035I 42 600114035I 42 600134035I 42 600238035I 42 616015000CN 156 616018000CN 156 616022000CN 156 616028000CN 156 616035000CN 156 616042000CN 156 616054000CN 156 616076000CN 156 616088000CN 156 616108000CN 156 679015001CN 171 679018001CN 171 679022001CN 171 679028001CN 171 679035001CN 171 679042001CN 171 679054001CN 171 679076001CN 171 679088001CN 171 679108001CN 171 681012450 133 681012451 133 681012900 134 681012901 134 681015150CN 157 681015151CN 157 245
681015300CN 158 681015301CN 158 681015450 133 681015450CN 159 681015450G 146 681015451 133 681015451CN 159 681015451G 146 681015900 134 681015900CN 161 681015900G 147 681015901 134 681015901CN 161 681015901G 147 681018450 133 681018450CN 159 681018450G 146 681018451 133 681018451CN 159 681018451G 146 681018900 134 681018900CN 161 681018900G 147 681018901 134 681018901CN 161 681018901G 147 681022150CN 157 681022151CN 157 681022300CN 158 681022301CN 158 681022450 133 681022450CN 159 681022450G 146 681022451 133 681022451CN 159 681022451G 146 681022900 134 681022900CN 161 681022900G 147 681022901 134 681022901CN 161 681022901G 147 681028150CN 157 681028151CN 157 681028300CN 158 681028301CN 158 681028450 133 681028450CN 159 681028450G 146 681028451 133 681028451CN 159 681028451G 146 681028600CN 160 681028900 134 681028900CN 161 681028900G 147 681028901 134 681028901CN 161 681028901G 147 681035150CN 157 681035151CN 157 681035300CN 158 681035301CN 158 681035450 133 681035450CN 159 681035450G 146 681035451 133 681035451CN 159 681035451G 146 681035600CN 160 681035601CN 160 681035900 134 681035900CN 161 681035900G 147 681035901 134 681035901CN 161 681035901G 147 681042150CN 157 681042151CN 157 681042300CN 158 681042301CN 158 681042450 133 681042450CN 159 681042450G 146 681042451 133 681042451CN 159 681042451G 146 681042600CN 160 681042601CN 160 681042900 134 681042900CN 161 681042900G 147 681042901 134 681042901CN 161 681042901G 147 681054150CN 157 681054151CN 157 681054300CN 158 681054301CN 158 681054450 133 681054450CN 159 681054450G 146 681054451 133 681054451CN 159 681054451G 146 681054600CN 160 681054601CN 160 681054900 134 681054900CN 161 681054900G 147 681054901 134 681054901CN 161 681054901G 147 681076150CNC 157 681076151CNC 157 681076300CN 158 681076301CN 158 681076450CN 159 681076451CN 159 681076600CN 160 681076601CN 160 681076900CN 161 681076901CN 161 681088150CNC 157 681088151CNC 157 681088300CN 158 681088301CN 158 681088450CN 159 681088451CN 159 681088600CN 160 681088601CN 160 681088900CN 161 681088901CN 161 681108150CNC 157 681108151CNC 157 681108300CN 158 681108301CN 158 681108450CN 159 681108451CN 159 681108600CN 160 681108601CN 160 681108900CN 161 681108901CN 161 682012000 136 682015000 136 682015000CN 162 682015000G 149 682018000 136 682018000CN 162 682018000G 149 682022000 136 682022000CN 162 682022000G 149 682028000 136 682028000CN 162 682028000G 149 682035000 136 682035000CN 162 682035000G 149 682042000 136 682042000CN 162 682042000G 149 682054000 136 682054000CN 162 682054000G 149 682076000CN 162 682088000CN 162 682108000CN 162 683012000 138 683012001 138 683012003 137 683015000 138 683015000CN 164 683015000G 151 683015001 138 683015001CN 164 683015001G 151 683015003 137 683015003G 150 683018000 138 683018000CN 164 683018000G 151 683018001 138 683018001CN 164 683018001G 151 683018003 137 683018003G 150 683022000 138 683022000CN 164 683022000G 151 683022001 138 683022001CN 164 683022001G 151 683022003 137 683022003G 150 683028000 138 683028000CN 164 683028000G 151 683028001 138 683028001CN 164 683028001G 151 683028003 137 683028003G 150 683035000 138 683035000CN 164 683035000G 151 683035001 138 683035001CN 164 683035001G 151 683035003 137 683035003G 150 683042000 138 683042000CN 164 683042000G 151 683042001 138 683042001CN 164 683042001G 151 683042003 137 683042003G 150 683054000 138 683054000CN 164 683054000G 151 683054001 138 683054001CN 164 683054001G 151 683054003 137 683054003G 150 683076000CN 164 683076001CN 164 683088000CN 164 683088001CN 164 683108000CN 164 683108001CN 164 684012003 143 684012013 143 684015001CN 166 684015002 142 684015002CN 166 684015003 143 684015003CN 167 684015012 142 684015013 143 684018001CN 166 684018002 142 684018002CN 166 684018003 143 684018003CN 167 684018012 142 684018013 143 684022001CN 166 684022002 142 684022002CN 166 684022003 143 684022003CN 167 684022012 142 684022013 143 684022023 143 684028001CN 166 684028002 142 684028002CN 166 684028003 143 684028003CN 167 684035001CN 166 684035002 142 684035002CN 166 684035003 143 684035003CN 167 684042001CN 166 684042002 142 684042002CN 166 684042003 143 684042003CN 167 684054001CN 166 684054002 142 684054002CN 166 684054003 143 684054003CN 167 685100022 141 685100028 141 685102012 141 685102015 141 685102015G 154 685102018 141 685102018G 154 685304022 141 685304022G 154 687100022 139 687100022G 152 687100028 139 687100028CN 165 687100028G 152 687100035 139 687100035G 152 687102012 139 687102015 139 687102015CN 165 687102015G 152 687102018 139 687102018CN 165 687102018G 152 687102022 139 687102022CN 165 687102022G 152 687112035 139 687112035G 152 687112042 139 687112042CN 165 687112042G 152 687112054 139 687112054G 152 687114028 139 687114028G 152 687114035 139 687114035CN 165 687114035G 152 687114042 139 687114042G 152 687200054 139 687200054CN 165 687200054G 152 687304015 139 687304015G 152 687304018 139 687304018CN 165 687304018G 152 687304022 139 687304022CN 165 687304022G 152 687304028 139 687304028G 152 687308012 139 687308015 139 687308015G 152 689100028 137 689100028G 149 689100035 137 689100035G 149 689102012 137 689102015 137 689102015CN 162 689102015G 149 689102018 137 689102018CN 162 689102018G 149 689102022 137 689102022CN 162 689102022G 149 689102028 137 689102028CN 162 689102028G 149 689102035 137 689102035CN 162 689102035G 149 689102042 137 689102042CN 162 689102042G 149 689102054 137 689102054CN 162 689102054G 149 689304022 137 689304022CN 162 689304022G 149 689304028 137 689304028CN 162 689304028G 149 689304035 137 689304035CN 162 689304035G 149 689304042 137 689304042CN 162 246
689304042G 149 689304054 137 689304054CN 162 689304054G 149 689304076CN 162 689304088CN 162 689304108CN 162 689308015 137 689308015G 149 690100022 140 690100022G 153 690100028 140 690100028CN 165 690100028G 153 690100035 140 690100035G 153 690102012 140 690102015 140 690102015CN 165 690102015G 153 690102018 140 690102018CN 165 690102018G 153 690102022 140 690102022CN 165 690102022G 153 690102028 140 690102028CN 165 690102028G 153 690112042 140 690112042CN 165 690112042G 153 690114028 140 690114028G 153 690114035 140 690114035CN 165 690114035G 153 690114042 140 690114042G 153 690200054 140 690200054CN 165 690200054G 153 690304015 140 690304015G 153 690304018 140 690304018CN 165 690304018G 153 690304022 140 690304022CN 165 690304022G 153 690304028 140 690304028G 153 690308012 140 690308015 140 690308015G 153 691015012 141 691018012 141 691018015 141 691018015CN 167 691018015G 154 691022015 141 691022015CN 167 691022015G 154 691022018 141 691022018CN 167 691022018G 154 691028015 141 691028015CN 167 691028015G 154 691028018 141 691028018G 154 691028022 141 691028022CN 167 691028022G 154 691035022 141 691035022CN 167 691035022G 154 691035028 141 691035028CN 167 691035028G 154 691042022 141 691042022CN 167 691042022G 154 691042028 141 691042028CN 167 691042028G 154 691042035 141 691042035CN 167 691042035G 154 691054022 141 691054022G 154 691054028 141 691054028CN 167 691054028G 154 691054035 141 691054035CN 167 691054035G 154 691054042 141 691054042CN 167 691054042G 154 691076042CN 167 691076054CN 167 691088054CN 167 691088076CN 167 691108054CN 167 691108076CN 167 691108088CN 167 692015012 136 692018012 136 692018015 136 692018015CN 163 692018015G 150 692022012 136 692022015 136 692022015CN 163 692022015G 150 692022018 136 692022018G 150 692028015 136 692028015CN 163 692028015G 150 692028018 136 692028018CN 163 692028018G 150 692028022 136 692028022CN 163 692028022G 150 692035015 136 692035015CN 163 692035015G 150 692035018 136 692035018G 150 692035022 136 692035022CN 163 692035022G 150 692035028 136 692035028CN 163 692035028G 150 692042015 136 692042015G 150 692042018 136 692042018G 150 692042022 136 692042022CN 163 692042022G 150 692042028 136 692042028CN 163 692042028G 150 692042035 136 692042035CN 163 692042035G 150 692054022 136 692054022CN 163 692054022G 150 692054028 136 692054028CN 163 692054028G 150 692054035 136 692054035CN 163 692054035G 150 692054042 136 692054042CN 163 692054042G 150 692076022CN 163 692076028CN 163 692076035CN 163 692076042CN 163 692076054CN 163 692088022CN 163 692088028CN 163 692088035CN 163 692088042CN 163 692088054CN 163 692088076CN 163 692108022CN 163 692108028CN 163 692108035CN 163 692108042CN 163 692108054CN 163 692108076CN 163 692108088CN 163 693015000CN 168 693015002CN 168 693018000CN 168 693018002CN 168 693022000CN 168 693022002CN 168 693022003CN 170 693022004CN 170 693028000CN 168 693028002CN 168 693028003CN 170 693028004CN 170 693035000CN 168 693035002CN 168 693035003CN 170 693035004CN 170 693042000CN 168 693042002CN 168 693042003CN 170 693042004CN 170 693054000CN 168 693054002CN 168 693054003CN 170 693054004CN 170 693076000CN 168 693076002CN 168 693076003CN 170 693076004CN 170 693088000CN 168 693088002CN 168 693088003CN 170 693088004CN 170 693108000CN 168 693108002CN 168 693108003CN 170 693108004CN 170 695015003CN 171 695015004CN 172 695018003CN 171 695018004CN 172 695022003CN 171 695022004CN 172 695022008CN 173 695028003CN 171 695028004CN 172 695035003CN 171 695035004CN 172 695042003CN 171 695042004CN 172 695054003CN 171 695054004CN 172 695076003CN 171 695076004CN 172 695088003CN 171 695088004CN 172 695108003CN 171 695108004CN 172 697100028 135 697100028G 148 697102012 135 697102015 135 697102015G 148 697102018 135 697102018G 148 697102022 135 697102022G 148 697102028 135 697102028G 148 697112042 135 697112042G 148 697114035 135 697114035G 148 697200054 135 697200054G 148 697304018 135 697304018G 148 697304022 135 697304022G 148 697308012 135 697308015 135 697308015G 148 698100022 135 698100022G 148 698100028 135 698100028G 148 698102012 135 698102015 135 698102015G 148 698102018 135 698102018G 148 698102022 135 698102022G 148 698102028 135 698102028G 148 698112042 135 698112042G 148 698114035 135 698114035G 148 698200054 135 698200054G 148 698304015 135 698304015G 148 698304018 135 698304018G 148 698304022 135 698304022G 148 698308012 135 698308015 135 698308015G 148 802040025 203 802040050 203 802040075 203 802040100 203 802040150 203 802040200 203 802040250 203 802040300 203 802050025 203 802050050 203 802050075 203 802050100 203 802050150 203 802050200 203 802050250 203 802050300 203 802065025 203 802065050 203 802065075 203 802065100 203 802065150 203 802065200 203 802065250 203 802065300 203 802080025 203 802080050 203 802080075 203 802080100 203 802080150 203 802080200 203 802080250 203 802080300 203 802100025 203 802100050 203 802100075 203 802100100 203 802100150 203 802100200 203 802100250 203 802100300 203 802125025 203 802125050 203 802125075 204 802125100 204 802125150 204 802125200 204 802125250 204 802125300 204 802150025 204 802150050 204 802150075 204 802150100 204 802150150 204 802150200 204 802150250 204 802150300 204 8030400250 204 8030400500 204 8030400750 204 8030401000 204 8030401500 204 8030402000 204 8030402500 204 8030403000 204 8030500250 204 8030500500 204 8030500750 204 8030501000 204 8030501500 204 8030502000 204 8030502500 204 8030503000 204 8030650250 205 8030650500 205 8030650750 205 8030651000 205 8030651500 205 8030652000 205 8030652500 205 8030653000 205 247
8030800750 205 8030801000 205 8030801500 205 8030802000 205 8030802500 205 8030803000 205 8031000750 205 8031001000 205 8031001500 205 8031002000 205 8031002500 205 8031003000 205 8031250750 205 8031251000 205 8031251500 205 8031252000 205 8031252500 205 8031253000 205 8031500750 205 8031501000 205 8031501500 205 8031502000 205 8031502500 205 8031503000 205 804040015 207 804040030 206 804040045 206 804040087 206 804050015 207 804050030 206 804050045 206 804050087 206 804065015 207 804065030 206 804065045 206 804065087 206 804080015 207 804080030 206 804080045 206 804080087 206 805040000 207 805040045 208 805040087 207 805050000 207 805050045 208 805050087 207 805065000 207 805065045 208 805065087 207 805080045 208 805080087 207 805100015 208 805100030 208 805100045 208 805100087 207 805125015 208 805125030 208 805125045 208 805125087 207 805150015 208 805150030 208 805150045 208 805150087 207 806065075 209 806065130 209 806065200 209 806080075 209 806080130 209 806080200 209 806100075 209 806100130 209 806100200 209 806125075 209 806125130 209 806125200 209 807050040 209 807065050 209 807080000 209 807100000 209 807125000 209 808040045 210 808040087 210 808050045 210 808050087 210 808065045 210 808065087 210 808080045 210 808080087 210 808100045 210 808100087 210 808125045 210 808125087 210 808150045 210 808150087 210 809050040 211 809065040 211 809065050 211 809080050 211 809100040 211 809100050 211 809100065 211 809100080 211 809125050 211 809125065 211 809125100 211 809150065 211 809150100 211 809150125 211 810050040 211 810065040 211 810065050 211 810080050 211 810080065 211 810100040 211 810100050 211 810100065 211 810100080 211 810125050 211 810125065 211 810125100 211 810150065 211 810150100 211 810150125 211 811050045 212 811050087 212 811065045 212 811065087 212 811100045 212 811100087 212 811125045 212 811125087 212 811150045 212 811150087 212 812050040 213 812065050 213 812080050 213 812100050 213 812100065 213 812100080 213 812125100 213 812150100 213 812150125 213 813050040 213 813065050 213 813080050 213 813100065 213 813100080 213 813125100 213 813150100 213 813150125 213 814050045 214 814050087 214 814065045 214 814065087 214 814080045 214 814080087 214 814100045 214 814100087 214 814125045 214 814125087 214 814150045 214 814150087 214 815050040 215 815065050 215 815080050 215 815100065 215 815100080 215 815125100 215 815150100 215 815150125 215 816050040 215 816065050 215 816100065 215 816125100 215 816150100 215 816150125 215 817050040 216 817065040 216 817065050 216 817080065 216 817100050 216 817100065 216 817100080 216 817125065 216 817125100 216 817150100 216 817150125 216 818050040 216 818065050 216 818080065 216 818100050 216 818100065 216 818100080 216 818125100 216 818150125 216 819040000 217 819040001 217 819040002 218 819040003 218 819040004 219 819050000 217 819050001 217 819050002 218 819050003 218 819050004 219 819065000 217 819065001 217 819065002 218 819065003 218 819065004 219 819080000 217 819080001 217 819080002 218 819080003 218 819080004 219 819100000 217 819100001 217 819100002 218 819100003 218 819100004 219 819125000 217 819125001 217 819125002 218 819125003 218 819125004 219 819150000 217 819150001 217 819150002 218 819150003 218 819150004 219 820000000 229 820040000 221 820040006 220 820040010 220 820040100 221 820040112 221 820040114 221 820050000 221 820050006 220 820050010 220 820050112 221 820050114 221 820050200 221 820065006 220 820065010 220 820065040 221 820080006 220 820080010 220 820100006 220 820100010 220 820125006 220 820125010 220 820150006 220 820150010 220 820205000 220 820260000 220 821040006 222 821040010 222 821050006 222 821050010 222 821065006 222 821065010 222 821080006 222 821080010 222 821100006 222 821100010 222 821125006 222 821125010 222 821150006 222 821150010 222 822040006 223 822040010 223 822050006 223 822050010 223 822065006 223 822065010 223 822080006 223 822080010 223 822100006 223 822100010 223 822125006 223 822125010 223 822150006 223 822150010 223 823040000 225 823040001 225 823040002 226 823040003 226 823040004 227 823050000 225 823050001 225 823050002 226 823050003 226 823050004 227 823065000 225 823065001 225 823065002 226 823065003 226 823065004 227 823080000 225 823080001 225 823080002 226 823080003 226 823080004 227 823100000 225 823100001 225 823100002 226 823100003 226 823100004 227 823125000 225 823125001 225 823125002 226 823125004 227 823150000 225 823150001 225 823150002 226 823150004 227 8240500600 227 8240500750 227 8240501000 227 8240501100 227 8240501250 227 8240501500 227 8240502000 227 8240502500 227 825040011 228 825040022 228 825040033 229 825040044 229 825050011 228 825050022 228 825050033 229 825050044 229 825065011 228 825065022 228 825065033 229 825065044 229 825100022 228 825100044 229 826000002 230 826040000 230 826040001 230 826050000 230 826050001 230 826065000 230 826065001 230 826080001 230 826100001 230 826125001 230 826150001 230 827040000 219 827050000 219 827065000 219 827080000 219 827100000 219 827125000 219 827150000 219 850NS000000 196 248
CODE 009 R16 0119 PLU RACCORDERIE METALLICHE S.P.A. Strada Sabbionetana, 59 46010 Campitello di Marcaria (MN) ITALY Tel. +39 0376 96001 Fax. +39 0376 96422 info@racmet.com raccorderiemetalliche.com follow us on Since 1999 Pressfittings Anniversary

Turn static files into dynamic content formats.

Create a flipbook
Issuu converts static files into: digital portfolios, online yearbooks, online catalogs, digital photo albums and more. Sign up and create your flipbook.