Cerraduras
Fecha de elaboración
Fecha de revisión


08 07 18
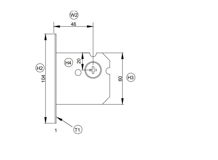
Chapa 001 puerta corrediza closet zamak
Material Zamak
Acabado Satin niquel - Negro
Llave de seguridad Puntos x 3
Especificación llaves 3 llaves computarizadas
Suministro: 1 Cerradura
Para puerta corrediza de closet, con manijas Zamak de incrustar y llave de seguridad
Cuerpo de la cerradura
Nota: las siguientes medidas son de la caja recibidora

ra puer tas mínimo de 35mm de espesor
(Medidas de referencia para su instalación. Se puede generar cambios a la información publicada en este documento sin previo aviso)