


![]()



Fecha de elaboración
06 07 18
Fecha de revisión
Bisagra 35mm, cierre lento
Material
Acabado superficial Acero
Niquelado
Ángulo de apertura 110º
Espesores de tablero recomendados 15mm - 18mm
Profundidad cazoleta (B) 11.8mm
Diámetro cazoleta (Ø) 35mm
Dist. tablero cazoleta (A) 3mm - 7mm
Capacidad de carga 3,0 Kg por par
Tornillo para aglomerado
Material:Acero
Cabeza avellanada
Rosca:4mm O
Cabeza:8mm
Longitud:17mm O
Suministro: 1 Par 12 Tornillos

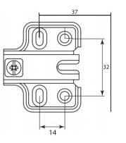
(Medidas de referencia para su instalación. Se puede generar cambios a la información publicada en este documento sin previo aviso)




Fecha de elaboración
06 07 18 REF HBM554-01-02-03
Fecha de revisión
05 06 25



(Medidas de referencia para su instalación. Se puede generar cambios a la información publicada en este documento sin previo aviso)