REF
HEC060-04 / HEC080-04
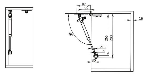
HEC100-04 / HEC120-04
HEC150-04

ENGANCHES
Enganche de costado

Enganche de Puerta de Madera
Fecha de elaboración
Fecha de revisión 16 01 23
Material Acero / Latón / Plástico
Capacidad de carga Según altura y peso de la puerta
Acabado superficial Montaje Pintura electrostática negra Para atornillar Brazo neumático Cierre lento
Suministro: 1 brazo
2 platinas
5 tornillos




Referencia
HEC060-04
N
N
HEC100-04
HEC080-04 100 N
HEC120-04
HEC150-04
N
N
(Medidas de referencia para su instalación. Se puede generar cambios a la información publicada en este documento sin previo aviso)
HEC060-04 / HEC080-04
HEC100-04 / HEC120-04
HEC150-04
Tabla especificaciones
Máximo peso de la puerta (Kg) en aplicación de 90°
Fecha de elaboración
Fecha de revisión 16 01 23
*Este brazo solo se puede montar en aplicaciones de 90°
Fuerza del brazo (N) 330 400 500 600
*Las tablas de pesos aplican para un brazo, si se montan dos brazos se duplican los valores.
*Desde un ancho de puerta de 600 mm usar dos brazos.

Instrucciones de instalación


(Medidas de referencia para su instalación. Se puede generar cambios a la información publicada en este documento sin previo aviso)
REF
HEC060-03 / HEC080-03
HEC100-03 / HEC120-03
HEC150-03

ENGANCHES
Enganche de costado

Enganche de Puerta de Madera
Fecha de elaboración
Fecha de revisión 16 01 23
Material Acero galvanizado / Plástico
Capacidad de carga Según altura y peso de la puerta
Acabado superficial Montaje Pintura electrostática Para atornillar Brazo neumático Cierre lento
Suministro: 1 brazo
2 platinas
5 tornillos




Referencia Presión
HEC060-03 60 N 80 N
HEC100-03
HEC080-03 100 N
HEC120-03
HEC150-03
N
N
(Medidas de referencia para su instalación. Se puede generar cambios a la información publicada en este documento sin previo aviso)
HEC060-03 / HEC080-03
HEC100-03 / HEC120-03
HEC150-03
Tabla especificaciones
Máximo peso de la puerta (Kg) en aplicación de 90°
Fecha de elaboración
Fecha de revisión 16 01 23
*Este brazo solo se puede montar en aplicaciones de 90°
Fuerza del brazo (N) 330 400 500 600
*Las tablas de pesos aplican para un brazo, si se montan dos brazos se duplican los valores.
*Desde un ancho de puerta de 600 mm usar dos brazos.

Instrucciones de instalación


(Medidas de referencia para su instalación. Se puede generar cambios a la información publicada en este documento sin previo aviso)