








超速暖科技
享受溫暖好空氣
Panasonic 浴室暖風機,讓浴室常保溫暖舒適,1分鐘快速暖房, 不論四季變化,隨時沐浴都舒適。







適用場所:別墅/衛浴空間
24H換 氣 超 速暖 浴室換氣暖風機
不論四季變化, 隨時沐浴都舒適。
一分鐘快速暖房>>>升溫至30°C/搭載nanoe™X4.8兆淨化技術 全機採難燃材及符合IPX2防水/全新面板設計
浴室換氣暖風機 多款規格一應俱全




FV-40BU1R 110V
風量:200m3/h





FV-30BU3R 110V
風量:160m3/h


FV-40BU1W 220V 風量:200m3/h


FV-40BUY1R 110V


FV-40BUY1W 220V
風量:200m3/h


FV-30BU3W 220V


110V


FV-30BUY3W 220V
浴室 內外溫差 太大?
浴室換氣暖風機 隨時沐浴都舒適
1分鐘升溫至30 ℃*1
新型2650瓦大功率陶瓷加熱器高效能輸出, 可在短時間將您的浴室溫度上升,搭配集 中式溫暖氣流垂直送出及熱擴散效應,暖 房速度業界最高,溫度不易流失。

FV-40BE1W
( ) 在溫差極少的狀況 溫暖從頭到腳 浴室升溫30℃ 只要1分鐘
運轉時間 (分)

安全高規格 品質有保障
創新 重安全裝置5
耐高溫機身
外殼採用耐高溫金屬,防止過熱。
抑制升溫材質
自我溫度抑制PTC材質加熱器溫度 保持在237℃以下。
離地距離
■ 離地150 cm
■ 離地100 cm
■ 離地50cm
■ 離地20cm
*1測 試條 件:測試開始時溫度 為5℃/ 浴室大小為W×D×H
=1.6×1.6×2.2m/ 離地1.5m PESGD Panasonic 順德工 廠實測數據。
█ 自動送風模 式速暖時間縮短 30% *2
搭載創新溫度感應器,可自動調節送 出的風量、角度,將溫暖氣流均勻擴 散有效降低浴室溫差快速提昇浴室整 體溫度,免去設定的麻煩。


溫度保險絲
加熱器保險絲感知到加熱器組合的溫度 超過110℃時,即自動斷電。
溫度感應器
保持舒適恆溫,防止持續高溫加熱。
加熱器保護罩
採用難燃的玻纖塑料,使用更安全。
24H空氣舒適暢通
換氣馬達
專業扇葉可24小時連續換氣不間斷, 確保空氣暢通。
循環馬達
吸進浴室空氣,
透過加熱器排出
溫暖氣流,
維持舒適溫度。


流線時尚外 觀+ 防濺水設計
不僅安全,質感更提升

FV-40BEN4W
濾網指示燈
應急按鈕




當運轉時間約連續3個月,累計達2200小時,清潔指示燈即會閃爍。

當遙控器丟失或無法正常使用時,可透過此按鈕進行操作。< 限無線遙控機種 >


























FV-40BEN4W




無線遙控
暖風機外殼全系列採用安全材質 ( UL V0等級)

細菌/黴菌 抑菌示意圖


為全球 TOP10 生技製藥企業服務的 權威檢測機構




nanoe ™有效抑制 主動除臭 消除生活6大異味達10倍
過敏原
病毒、黴菌
達99.9%

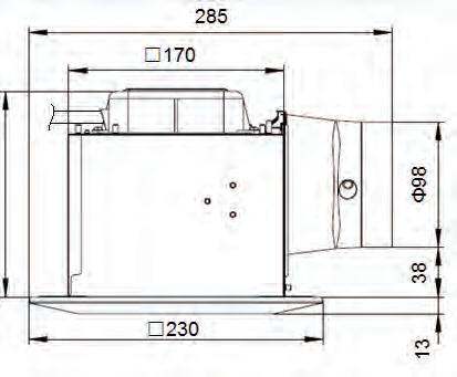
本體尺寸
394 x 270 x 180 (mm)
FV-40BEN4W 設計 施工用圖 安裝尺寸:400x280x180
單位:mm (毫米)
達99.0 % 新型流感病毒
99.9% 禽流感病毒
H5N1亞型、H9N2亞型




2 (附著型)達 99.99%。詳細資訊請參閱官網 http://pmst.panasonic.com.tw/active/nanoe/nanoex_covid-19.html*2以日本Panasonic2016年9月推出之搭載nanoe™X的加濕型空氣清淨機,依據ESR測定法得(OH氫氧離子)。*3 nanoe™測試條件:在3坪大空間距離地面 1.2m,距離nanoe™產生器1.5m位置設置塗了烷烴(十六烷)的65µg的培養皿,並暴露nanoe™空間中24小時,確認有99%分解效果。測試單位:Panasonic 株式會社解析中心驗 證日期:2013年10月~ 2014年1月。*4 (病毒)【試驗單位】國立大學法人「帶廣畜產大學」大動物特殊疾病研究中心【試驗條件】帶電微粒子水暴露於45L的盒子內4小時,新型流感病毒(swine-origin influenza/Narita/2009(H1N1)pdm 抑制力達99%、禽流感病毒(H5N1亞型、H9N2亞型)抑制力達99.9%;(一財)日本食品分析中心、(一財)
度降低1.1等級(4AA33- 151221-N01、Y16HM016)。*6【測試單位】Panasonic株式會社解析中心【測試方法】在250L密閉空間中釋放nanoe™【測試結果】經過15分鐘後可消除附著在織品上的生鮮垃圾異味。


無線遙控

FV-40BE4W
適用管道直徑 Ø100 220V
★ 暖風機外殼全系列採用安全材質 ( UL V0等級)


無線遙控
FV-40BE4W 設計 施工用圖 安裝尺寸:400x280x180
單位:mm 毫米)
394 x 270 x 180 (mm)

FV-40BE3W

FV-40BE3W 設計 施工用圖 安裝尺寸:400x280x180
適用管道直徑 220V 單位:mm (毫米)


無線遙控

FV-40BE2 W
適用管道直徑 220V
★ 暖風機外殼全系列採用安全材質 (
鍍亞鉛

FV-40BE2W 設計 施工用圖 安裝尺寸:400x280x180 394 x 270 x 180 (mm)
< 控制器尺寸規格 > 單位:mm 毫米)


無線遙控
FV-40BD2 W
適用管道直徑 220V

FV-40BD2W 設計 施工用圖 安裝尺寸:400x280x180


無線遙控

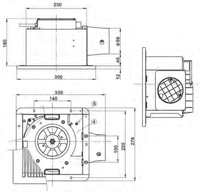
FV-40BU1R
適用管道直徑 Ø100 110V
★ 暖風機外殼全系列採用安全材質 (
內含電動逆止閥
)
FV-40BU1W
適用管道直徑 Ø100 220V


FV-40BU1R (110V)
電源全極開關(另購)

FV-40BU1W (220V) ● 電源全極開關(另購)
適用管道直徑 Ø100 110V
FV-40BUY1R
FV-40BUY1W
適用管道直徑 Ø100 220V

FV-40BUY1R/FV-40BUY1W 設計 施工用圖 安裝尺寸:400x280x180
單位:mm 毫米)

(110V)









FV-30BU3R (110V)
電源全極開關 (另購) “電源全極開關” 規格必須不低於 125V ~ 20A 步進電動機 M M 加熱器 熱熔斷體 (110℃ ) 主控制電路板
FV-30BU3W (220V)


乾燥烘衣 單位:mm 毫米)
FV-30BUY3R/ FV-30BUY3W 設計 施工用圖 安裝尺寸:300x300x180





額定電壓






〓陶瓷加熱系列〓









































浴室換氣扇 發出惱人的 噪音?


















































