Arc Fault and Flash Signal Analysis and Detection in DC Distribution Systems Using Wavelet Transform

Page 1

International Research Journal of Engineering and Technology (IRJET) e-ISSN:2395-0056

Volume: 09 Issue: 09 | Sep 2022 www.irjet.net p-ISSN:2395-0072

Arc Fault and Flash Signal Analysis and Detection in DC Distribution Systems Using Wavelet Transform

Abstract An arc fault may be a discharge of electrical energy through the air. Under normal operation two conductors are connected and therefore the flow of electrons passes through the essentially zero resistance path. If theconnection is corrodedor impure, it'll have resistance and heat is generated. Over time the warmth will wear down the contact and result in small arcs between connections. These arcs begin as low current faults, but given enough time they need the potential to breakdown to another phase or ground conductor resulting in a dangerous high current fault. the most focus of this paper is on detection of arc fault and flash in DC distribution systems and DC grid which may causes fire hazard, personnel shock hazard and damage other system elements or appliances. A notable complication to their detection is that arc in dc system isn't periodic, and thus might not have easily perceptible amplitude or frequency signature for pattern recognition based detection technique. during this paper, a replacement approach using Wavelet transform(WT) base spectral energy calibration for arc fault analysis and classification with Fuzzy Logic Controller in dc systems is projected. WT provides a time and frequency approach to research target signals with multiple resolutions. during this approach we were design a cassie arc model for representation of practical arc condition. The arc voltage was analyzed using wavelet analysis which feature of wavelet then utilized for design fuzzy rule base data. the tactic of detection associate arc fault involves solar PV output voltage analysis and so feature identification. this whole system was implemented and tested in MATLAB simulink 2017 atmosphere.

Keywords Arc fault analysis, discrete wavelet transform, detection, Fuzzy logic, Fault location, DC distributionsystem.

I. INTRODUCTION

Since the different DC microgrid installations are increasing currently so study on precise safety feature is improvingmoresignificance.Besidestheexecutionofskill development of mechanism & fixing , moreover thorough inspectionofsafety&stabilityofcontrolmethodologyhas

received selected performed not just for bulky scale, except for little microgrids. Mainly because of immense value of worldwide photovoltaic installations & hence, rising use of battery systems within previous year numerous examinations are administered about explanations of statement fire incidents [1] & begins researchcourse&standardprovision[2].

Fig.1:DamagetoaPVsystemattributedtoanarc

Arc fault are significant downside in electrical mechanism[1-3].Theenergysinceassociatearcfaultwill achieve to 1000 W in the main in style of light-weight &warmth[4]. In cablesinstallations,sameheatwill ignite hearth [5]. Many plane incidences are often clarified througharcingfaults[6].

The arc’s explosion is every so often due to: isolation faultcableaging,pollutionofoilordangerousmechanical contact together via vibration [7]. UL1699b normal outlinemanyexaminationstourgethisfault.

Very less research is devoted to recognition of DC arcs [8] as compared to AC arcs. The present progress of DC distribution within automotive, region or natural phenomenon plants provoked us to possess an interest notably in DC arcs with aim of increasing a depend able discovery methodology for safety of installations. Consistentwithdefinition,aDCarcisn'tasperiodicwithin ACcondition.So, itbecomes complicatedtodetectmainly in sequential configurations thanks to such isolated & sheath characteristic. Parallel arc square measures appreciate a fast circuit of the foremost power supply.

© 2022, IRJET | Impact Factor value: 7.529 | ISO 9001:2008 Certified Journal | Page598
1PG Scholer, Government College of Engineering, Amravati, Maharashtra, India 2Professor, Dept. of Electrical Engineering, Government College of Engineering, Amravati, Maharashtra, India ***

International Research Journal of Engineering and Technology (IRJET) e-ISSN:2395-0056

Volume: 09 Issue: 09 | Sep 2022 www.irjet.net p-ISSN:2395-0072

This reaches high worth & typical grid protection procedure area unit sufficient to shield installation. This condition of serial arcs, this cannot top face importance whilenotarc.Electricaldefensedeviceslikefuseorcircuit wave square measure incompetent during case results of thisdoesnotincrease.

Some researchers have based their technique of detectiveworkDCfaultsonvaryinappliedmathnatureof this.Anotherresearch squaremeasure supportedtherise of this occurrence spectrum at the beginning of arc or techniquevictimizationmultiplehigherfrequencybands.

The aim of study is meant conclusion algorithm of discrete wavelet transform& fuzzy logic, this engaged to an arc forecast fault position in DC delivery system. The wavelet transform approach is effective for analysing arc faultindcsystemswhichsupplyamorereadilydetectable signal & best presentation. Additionally, with wavelet transform, a signal data is used for arc zone classification usingFuzzylogiccontroller.

This study is planned follows: Section II showing brief summary of various techniques of arc fault detection and location. Section III presents a proposed methodology of work. A MATLAB simulation model existing in section IV, & its simulation results are showed in section V. ConclusionispresentedinfinalsectionVI.

II. LITERATURE SURVEY

Classification of arc fault detection methods used for arcfaultdetection.Fortheaimoflowimpedancearcfault detection (i.e. parallel arcing) conventional protection devices like fuses, relays and CBs are utilised to apply sufficient protection coverage. High impedance, low fault current arc fault detection (AFD) methods are typically characterised as either nonelectrical or electrical. The subsequent sections describe these methods in more detail.

Non-Electrical AFD Methods -Non-electrical AFD methods utilise special sensors which identify a measurement (pressure/thermal) [9] rise or a specific emission of light (infrared) [10] for detection. The acoustic signature [11] present within the arc, also makes a special case for detection in high powered arcs. There are several limitationsofmechanicaldetectionmethods,includingthe very fact that the specialised sensors have high installation and maintenance costs. These limitations mean that non-electrical based AFD methods are unsuitableforseriesDCarcfaultdetection.

Electrical AFD Methods -Electrical AFD methods are defined as approaches supported algorithms that use feature extraction to analyse specific components to determinethepresenceofafault.Observationsmadewith variation in current, voltage and their electrical derivatives forms the idea for fault detection. Supported the domain of the feature extraction technique used, electrical FDI methods are often further categorised into the time domain, frequency domain and time-frequency domain[16].

Time Domain -This AFD methods involves the analysis of differentialcurrent/voltage[12],imbalanceofthreephase current[13],voltageimbalancealongafeeder[14]andarc faultenergy[15].Methodsthatemployvoltagemonitoring across a feeder for the aim of detection and location of series faults, require voltage sensors installed across multiple measurement sites on one conductor. The supplementary weight increase attests that these approachesnotparticularlyfittedtoaircraftapplications. Time domain arc FDI limitations mainly arise from the method of determining thresholds and defining features that actively distinguish between true arcing and events that produce similar load characteristic profiles such as loadinrushandswitchingtransients.

Fig.2:ClassificationOfAFDmethods

Frequency Domain -Numerous AFD methods have been proposedintheliteraturebasedonanalysisofvoltageand current frequency spectra. The Fast Fourier Transform (FFT) efficiently translates the time domain signals to the frequencydomain. TheDiscreteFourierTransform(DFT) possess the capability to decompose signals into spectral components. The harmonic voltage and or current data are often analysed to supply discrimination between normal transient and fault conditions for the purpose of arc fault detection. Kojori et al. [17] propose a real-time analysis method of load current through the implementation of a moving/sliding DFT window that performs steady state component monitoring. An amplitude variation profile within the DC component is deemedtobeconclusiveofanarcfaultbeingpresent.The variation within the information is extracted by counting thenumberofmaximaoveraperiodincomparisonwitha set threshold. The technique combined with the

© 2022, IRJET | Impact Factor value: 7.529 | ISO 9001:2008 Certified Journal | Page599

International Research Journal of Engineering and Technology (IRJET) e-ISSN:2395-0056

Volume: 09 Issue: 09 | Sep 2022 www.irjet.net p-ISSN:2395-0072

measurement variations observed on load current distortion was found to extend the accuracy of the fault detection.

AlthoughmanyfrequencydomainbasedAFDmethodsare proposed within the literature, their main disadvantages dwellthefactthattheFFTdoesnothavethecapabilityto associate the time at which the harmonic frequencies are present.FFTprovestobeaperfectplatformforstationary and continuous fault conditions. However, for highly transient signals like series DC arc faults the absence of time information may limit the accuracy of the purely frequencydomainbasedmethods.

Time-Frequency Domain -Time-Frequency Domain arc FDI methods determine how the frequency behaviour changes with time. These often employ the Short Time Fourier Transform (STFT), through the utilisation of a gliding window that provides the determination of the sinusoidal frequency and the phase contents of a local sectionofasignal,withvariationintime.

Chen and Xiong [18], utilise STFT to detect the varying characteristic frequency bands produced by arc noises. The disadvantage related to STFT is the compromise that has to be undergone when the prioritisation of time resolution vs. frequency resolution may be a factor. A shorterwindowlengthlendsitselftofasttransientsignals, providing a better resolution in locating time domain behaviour whereas a longer window length provides a higher frequency resolution but the information is averaged across a longer time frame and potentially smearingoutnon-stationarybehaviour.

The Wavelet Transform (WT) can provide the frequency of a signal as well as the time associated with each frequency. For cases related to highly transient and non-stationary signals, WT proves to be ideal. The WT features a leverage over the STFT as the analysing ‘window’ is variable in size. The overall challenge associated within WT based detection methods is the evaluation of generated wavelet coefficients for the purpose of determining the presence of a fault. Advanced detection systems utilise intelligent techniques applied with WT features to figure out the probability of fault presence.

III. PROPOSED METHODOLOGY

A.DiscreteWaveletTransform

Wavelet transform may be a linear transformation which permits precise time and localization of dissimilar frequency components of known signal. Fault identification strategy is achieved through by employing discretewavelettransform.TheWavelettransformutilize

little windows at high frequencies &long at low frequencies. Wavelets are mainly efficient in almost like functionswithirregularchangeslikefaultsignalsinpower system. Wavelet transformation is effective tool for fault detection &feature distraction with correct alternative of mother wavelet which uses the dilation and translation property. during this study dyadic-orthonormal wavelet transformwithDaubechies3(db3)hasutilizestotakeout arcfaultdetails.duringthisproposedmethodologyCassie arc model utilized from MATLAB tool box for arc generation.TheCassiearcmodelisconnectedatdifferent locationsandwhichistakenintoaccountasslanderedarc model for dc grid system for different locations. Then voltageofthedcgridaregoingtobemeasuredattheend of line and then measured voltage will be transfer to discrete wavelet transform using Daubechies mother waveletforsignal energycalibration.Themotherwavelet Daubechies is engaged to decompose input into a lowfrequency &high-frequency components. With dyadic wavelet filters, only lower frequency fraction is then decomposed.Andthesedecomposedsignalsofenergy are goingtobeutilizedfordecisionmaking.

Fig.3:Blockdiagramofproposedmethodology

B.FuzzyLogic

The process executed in fuzzy-set advance is showed in block illustration. Without use of Boolean logic, the method can use a fuzzy membership function &rules, to causeregardingdata.Crispvaluesarefirstconvertedinto fuzzy values to be ready to use them to apply rules formulated by linguistic expressions. Then, the fuzzy system again converts the linguistic conclusion back to a crispvalue.Thesestepsaredescribedasbelow.

a. Fuzzification: The method of converting crisp input valuesinto(linguisticvariables)fuzzysetsabletoutilized them for computing the truth-values of basis of each regulationinrulebase

© 2022, IRJET | Impact Factor value: 7.529 | ISO 9001:2008 Certified Journal | Page600

International Research Journal of Engineering and Technology (IRJET) e-ISSN:2395-0056

Volume: 09 Issue: 09 | Sep 2022 www.irjet.net p-ISSN:2395-0072

b. Inference: truth-value for idea of every logic rule computed & practical to conclusion measurement of each rule.Thisdirecttoatleastonefuzzysettobeallocatedto eachoutputinconsistentforeachrule.

c. Composition: All of fuzzy sets assigned to each output variable are collective together to form single fuzzy sets foreachoutputvariable.

d. Defuzzification: It converts fuzzy values into crisp values getting from fuzzy interference engine. The fuzzy processor block characterized heart of all fuzzy logic process. It estimates total truth position of set of rules whichillustratedsystemduringafuzzydirection.

Thefaultlocationdecisionalgorithmcanbeassembled supported on fuzzy logic toolbox in MATLAB. Before the choice algorithm process, a structure of fuzzy logic contains of 4 inputs &1 output. For next stage, triangle shaped membership function is employed to create a functionforinputvariable.Additionally,atermofnumber offuzzysetshas5terms&linguisticvariableshas3levels like medium, low, & high designed for triangular membership purpose. The output variables of fuzzy are designed as particular range of values which corresponds tolocationoffault.Thefuzzyinterferencerulesarebased on principles of fuzzy logic in the form of IF-THEN rules. TheIFruleisnamedcondition,whichisfuzzyinputwhile THEN is understood consequent, which is fuzzy output. Process in fuzzy logic controller which will be act as classifier for arc flash location on dc grid. This complete system will be design in MATLAB Simulink software. So we have planned to design such system in future in MATLABSimulinksoftware.

IV. MATLAB SIMULATION MODEL

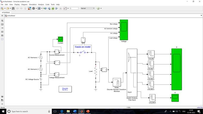
Fig.4:MATLABsimulationmodelofproposedapproach

The arcing condition is simulated through black box modelling which is utilized to illustrate arc communication with electrical network. The black box modelsusevoltage&currenttracesfromacircuitbreaker test, simultaneously with select disparity equation, to form a mathematical model for preferred arc under research.Majoritypublishedworkusingblackboxmodels isbasedonwell-knownCassie&Mayrmodels.

TABLEI.MATLABSIMULATIONMODELPARAMETER SPECIFICATION

SR. NO. Name Of Simulink Block Parameter Specifications

1. DCsourcevoltage DCvoltage=100V

2. ACHarmonics1 Peakvoltage=10V; Phase=00; Frequency=2KHz; Sampletime=0

3. ACHarmonics2 Peakvoltage=10V; Phase=00; Frequency=120Hz; Sampletime=0

4. Cassiearcmodel tau=1.2µsec; Uc=500V; g(0)=1000Sec; Timeconstant=1nsec

5. Load NominalvoltageVn= 1000V; Activepower=10KW

6. Buffer Outputbuffersize=64 Channel

7. DWT(Dyadic analysisfilterbank)

Filter(motherwavelet) =Daubechies; Waveletorder=3; Numberoflevel=4

© 2022, IRJET | Impact Factor value: 7.529 | ISO 9001:2008 Certified Journal | Page601

International Research Journal of Engineering and Technology (IRJET) e-ISSN:2395-0056

Volume: 09 Issue: 09 | Sep 2022 www.irjet.net p-ISSN:2395-0072

The mathematical model is tune to line of measured data by resources of a correct collection of arc parameters including time constant &cooling power, that normally taken as a function of arc current &voltage. An example circuitwithseriesarcingismadeinSimulink,asshownin figure4,whichispredicatedonCassiearcmodelblockset developed.TheCassiearcmodeliswrittenasadifferential equation.

( ) Where g conductanceofthearc; u voltageacrossthearc; i currentthroughthearc; Uc constantarcvoltage; τ arctimeconstant.

The source voltage of bus system contains of a dominant 1000Vdccomponentwithsmall-amplitudeacmechanism at 120 &2000 Hz, which characterize single-phase double frequency power ripple &power electronic switching noise, correspondingly. The constant series arc starts at 0.5s.

Fig.6.FuzzylogicdesignerinMATLABsimulink

Coordinator D2, D3, D4 AND Approximation A4 coordinators input values are define and design. The values for triangular membership function are define in table II, III, IV, V and VI for detail D1, D2, D3, D4 and ApproximationA4signalrespectively. Figure 7 illustrate triangular membership purpose view forsetvaluesfordetailD1signal.

Fig.5.Waveletmulti-resolutionanalysissubsystem MATLABSimulinkmodel

Figure 5 illustrate wavelet multi-resolution analysis MATLAB Simulink subsystem blocks which give wavelet multi-resolutionanalysisofloadvoltage.

A.Fuzzylogiccontroller

Figure 6 shows the fuzzy logic controller toolbox window in which wavelet multi-resolution output Detail D1 coordinator input was designed for fuzzy logic controller input as triangular membership function. SimilarlyforDetail

Fig.7.FuzzymembershippurposeforDetailD1input

B.Fuzzyrulebase

Figure8showsfuzzyruleeditorduringwhichrulebase designforfuzzy logiccontroller.Based on fuzzy rule base fuzzylogiccontrollerisworkandprovidesdecisionforarc flashzoneclassification.

© 2022, IRJET | Impact Factor value: 7.529 | ISO 9001:2008 Certified Journal | Page602
09 Issue: 09
Sep
© 2022, IRJET | Impact Factor value: 7.529 | ISO 9001:2008 Certified Journal | Page603
ruleeditorinMATLAB Fig.9.Fuzzyrulebaseforfuzzycontroller V. MATLAB SIMULATION RESULTS A.Expectedresultsfromfuzzylogiccontroller Table II shows the particular output will be provided by fuzzy logic controller. The particular output is in range of targetmembershipfunction whichisdesigninfuzzy logic controllertoolbox. TABLEII EXPECTEDFUZZYLOGICCONTROLLER RESULTSFORDIFFERENTARCFLASHZONE Sr. No. Fault Type Range of fuzzy decision Actual decision by fuzzy controller 1. Normal Condition 0to1 0.51 2. Zone1arc 1.1to2 1.5 3. Zone2arc 2.1to3 2.5 B.ResultfromVoltagescope Fig.12.DuringNormalCondition Fig.13.DuringAbnormalCondition C.ResultfromWaveletmultiresolutionanalysis Fig.14.DuringNormalCondition
International Research Journal of Engineering and Technology (IRJET) e-ISSN:2395-0056 Volume:
|
2022 www.irjet.net p-ISSN:2395-0072
Fig.8.Fuzzy

International Research Journal of Engineering and Technology (IRJET) e-ISSN:2395-0056

Volume: 09 Issue: 09 | Sep 2022 www.irjet.net p-ISSN:2395-0072

Figure 14. shows wavelet multi-resolution analysis windowwhichshowsdetail andapproximatecoordinator data during normal operation of dc cable. In this case arc is not strict or not consider for operation. So that in this case detail coordinator data that is D1, D2, D3, D4 &Approximation A4 is constant data throughout operation. Daubechies mother wavelet is used for multiresolutionanalysisofwavelettransform.

energy of wavelet multiresolution signal like detailed and approximate signal. That signal data is then useful for arc zoneclassificationusingfuzzylogiccontroller.Fuzzylogic controller is design in MATLAB fuzzy logic toolbox and associationfunctionalsodesigninMATLABfuzzytoolbox. ThencontrollerdataisfedinMATLABSimulinkmodelfor dcarczoneclassification.

REFERENCES

1] Johnny Simms and Gerald Johnson, "Protective Relaying Methods for Reducing Arc Flash Energy,"in63rdAnnualConferenceforProtective Relay Engineers, 2010, 10.1109/CPRE.2010.5469495,2010,pp.1-15.

2] Jim Buff and Karl Zimmerman, "Application of Existing Technologies to Reduce Arc-Flash Hazards," in 60th Annual Conference for Protective Relay Engineers, 2007. 10.1109/CPRE.2007.359902,2007,pp.218-225.

3] D.Brechtken,"PreventiveArcFaultProtection,"in Transmission and Distribution Conference and Exposition,2001IEEE/PES,2001,pp.311-316.

4] Timothy B. Dugan, "Reducing the Flash Hazard," IEEE Industry Applications Magazine, 10.1109/MIA.2007.353665,vol.13,no.3,pp.5158,2007.

Fig.15.DuringAbnormalCondition

Figure 15. shows the wavelet multi-resolution analysis window which shows the detail and approximate coordinator data during arc flash occurs operation of dc cable.Inthiscasearcisinitiatedinzone1of DCcable.So thatinthiscasedetailcoordinatordatathatisD1,D2,D3, D4&estimateA4isconstantbeforearcinitiatedwhilearc is initiated at time 0.5 sec time then coordinator data changes. Daubechies mother wavelet is used for multiresolutionanalysisofwavelettransform.

VI. CONCLUSION

This study showed novel approach on arc analysis to identify and locate fault on dc distribution system based on grouping of discrete wavelet transform & fuzzy logic. The basic possibility of applying WT has been accessible. The presence of switching harmonics& ambient electrical noisecanhidearcsignal,creatingdiscoveryofanarchard. Perhaps, WT is extremely efficient with detecting proper immediatesignalchanges.TheoutcomesproposethatWT approach is not just able of analyzing arc fault in dc systemsbutthatitprovidesmoresimplydetectablesignal & good presentation. In addition with wavelet transform, this technique extends and calibrates wavelet spectral

5] EdwardW.KalksteinandAlfredE.Paullin,"Safety Benefits of ArcResistant Metalclad MediumVoltage Switchgear," IEEE Transactions on Industry Applications, 10.1109/28.475733 , vol. 31,no.6,pp.1402-1411,1995.

6]

EasyPowerESA Inc., "10 Stepsof anEffectiveArc FlashHazardSafetyProgram,"inElectricalSafety and Arc Flash Handbook. Pickering, Ontario: The ElectricityForum,2010.

7] John A. Kay,Juha Arvola,andLauri Kumpulainen, "Protecting at the speed of light: Combining arc flash sensing and arc-resistant technologies," in Conference Record of 2010 Annual Pulp and Paper Industry Technical Conference (PPIC), 10.1109/PAPCON.2010.5556507,2010,pp.1-7.

8]

9]

H.B.Land,“SensingSwitchboardArcFaults,”IEEE PowerEng.Rev.,vol.22,no.4,pp.18–27,2002.

L.Kumpulainen,G.A.Hussain,M.Lehtonen,andJ. A.Kay,“Preemptivearcfaultdetectiontechniques in switchgear and controlgear,” IEEE Trans. Ind. Appl.,vol.49,no.4,pp.1911–1919,2013.

© 2022, IRJET | Impact Factor value: 7.529 | ISO 9001:2008 Certified Journal | Page604

International Research Journal of Engineering and Technology (IRJET) e-ISSN:2395-0056

Volume: 09 Issue: 09 | Sep 2022 www.irjet.net p-ISSN:2395-0072

10] K. Yang, R. Zhang, J. Yang, C. Liu, S. Chen, and F. Zhang, “A novel arc fault detector for early detection of electrical fires,” Sensors (Switzerland),vol.16,no.4,pp.1–24,2016.

11] Pellon, Christian V., Christopher A. Nicolls, and Michael T. Parker. "Low cost arc fault detection technique." U.S. Patent 7,400,481, issued July 15, 2008.

12] C. W. Hull, “Apparatus for production of threedimensional objects by stereolithography,” US Pat.4,575,330,vol.1,no.12,pp.1–16,1986.

13] E. C. Senger, W. Kaiser, J. C. Santos, and P. M. S. Burt, “Communication,” Power, vol. 15, no. 2, pp. 525–530,2000.

14] Zuercher, Joseph C., and David L. McClanahan. "Apparatus and method for real time determination of arc fault energy, location and type."U.S.Patent7,068,045,issuedJune27,2006.

15] J. Andrea, O. Zirn, and M. Bournat, “Principle of Arc Fault Detection for Solid State Power Controller,”2012IEEE

16] H. Kojori, C. Li, and F. Dawson, “Method and apparatus forgeneralizedarc faultdetection,” no. US20060203401A1.Sep-2006.

17] S. Chen, X. Li, and J. Xiong, “Series Arc Fault Identification for Photovoltaic System Based on Time-Domain and Time Frequency-Domain Analysis,” IEEE J. Photovoltaics, vol. 7, no. 4, pp. 1105–1114,2017.

18] R. D. Telford, S. Galloway, B. Stephen, and I. Elders, “Diagnosis of Series DC Arc Faults A Machine Learning Approach,” IEEE Trans. Ind. Informatics,vol.13,no.4,pp.1598–1609,2017.

19] ZhanWang,RobertS.Balog,―ArcFaultandFlash Signal Analysis in DC Distribution Systems Using Wavelet Transformation‖, IEEE Trans. Power Del.,vol.20,no.1,pp.0885-8977,Jan.2005.

20] Ms.MonaliA.Darokar,Dr.V.N.Ghate–‘ArcFault and Flash Signal Analysis In DC Distribution Systems Using Wavelet Transformation: A review’,IJIREEICE,vol.10,Issue8,Aug.2022.

© 2022, IRJET | Impact
7.529 | ISO 9001:2008 Certified Journal | Page605
Factor value:

Turn static files into dynamic content formats.

Create a flipbook