AUTOMATIC ACCELERATION CONTROL IN TRAFFIC SIGNAL/SCHOOL ZONE

Page 1

International Research Journal of Engineering and Technology (IRJET) e-ISSN:2395-0056

Volume: 09 Issue: 08 | Aug 2022 www.irjet.net p-ISSN:2395-0072

AUTOMATIC ACCELERATION CONTROL IN TRAFFIC SIGNAL/SCHOOL ZONE

***

ABSTRACT - A vehicle Speed Control System is designed to control the speed of the vehicle in specific zones to avoid accidentsinlow-speedareas.Inthissystem,thelow-speedzoneisconsidered tobewithanRFrange.implementationis basedonthelightvehiclespeedcontrol,whenthevehicleisrunningatfullspeedandgetsenteredintothelow-speedzone itsspeedwillbeautomaticallyreducedtotheallowedspeedinthelow-speedzone.Themicrocontrollerwillinterfacewith thesensorstodetectthevehicle'sspeed,andbasedonthisinput,thecontrollerwilltakeappropriateactionandgeneratea controlsignalforthevehiclecontrolsystem,whichwillthenactivatetheSpeedcontrolmechanisminthevehicle,reducing the vehicle's speed to the required speed in that zone. The zone will be fixed using the RF range. RF receiver will be connected with every low-speed zone entrance. And each vehicle carries an RF transmitter with it. So when the vehicle enters the low-speed zone then it will be predicted with the RF receiver and the information will send to the micro controller Arduino Uno connected here. The speed of the vehicle will automatically be reduced with the help of a motor driverconnectedwiththeenginemotor

INTRODUCTION:

Nowadayslotsofaccidentshappenonthesignalduetoincreasetrafficandalsoduetorashdrivingofthedrivers. As we know, as we accelerate the car, the engine begins to run faster, and as the throttle is opened further, the engine suctions sucks more quantity of load (air + fuel), which burns and creates more energy in the form of radiations. In this system,wehave implementedthespeedlimiting mechanism whichwill be effective for the reduction of fuel towardsthe engine.TheIndianLawCommissionhasanadvisorytolimitthespeedatcriticalzones,reduceroadaccidents,andmakea peaceful environment for the people. Hence speed control is in needs to be implemented in all vehicles. Here's a new proposalofours:installanautomatedspeedcontrolsysteminautomobiles,primarilyincongestedregions.Here,adevice is set up as a transmitter, and multiple devices are combined to monitor the speed of the vehicle when it exceeds the prescribedspeedandcontrolitbyplacingareceiveratthevehicle,andthespeedofthevehicleisreducedbyinterfacing a microcontrollerbasedonthesignalstransmitted.

EXISTING METHOD:

Intheexistingsystem,wehaveusedIRsensorsasIRTransmitterunitsandIRReceiverunits.TheTransmitterunit is to be placed some meters earlier than the traffic signal. The IR Receiver module is been implemented inside the car mechanism.TheTransmittersectionincludesanIRsensor,whichTransmitscontinuousIRraysthatareinvisibletohuman eyes, and that battery regulator micro controller IR sensor motor driver motor LCD display can be detected by an IR receivermodule.Themotorspeedwillthereafterbelowered.

PROPOSED METHOD:

Inthisprojectthewhole systemisbeingcontrolledbyanArduinoUNOasamicrocontroller.Thekeyrationalefor selecting this as a controller is the advantage of faster processing rates and the capacity to handle several inputs and outputs at the same time without compromising output accuracy and precision. Here chassis are used , considered as vehiclesinvehiclewheelsconnectedwiththemotor.RFreceiversareconnectedtothisvehicle.RF transmittersarefixed onthespeedcontrolareasinrealtime.Whenavehicleentersthespeedcontrolzoneareas,microcontrollersreducetheir vehicle acceleration .If a person has drunk and drove , automatically the vehicle will slowly stop it. Ultrasonic sensors detectthecloservehicle,ifadetectedbuzzerwillalarmit.IRsensorhereareusedtoensurethewearingofseatbelts.LCD isinterfacedwithmicrocontroller.AlltheupdatesareviewedontheLCD

© 2022, IRJET | Impact Factor value: 7.529 | ISO 9001:2008 Certified Journal | Page1855

International Research Journal of Engineering and Technology (IRJET) e-ISSN:2395-0056 Volume: 09 Issue: 08 | Aug 2022 www.irjet.net p-ISSN:2395-0072

HARDWARE DESCRIPTION: 1.MOTOR DRIVER: The L298 Dual H- Bridge Motor Driver Integrated Circuit serves as the foundation for this dual bidirectional motor driver.Thecircuitwillallowyoutocontroltwomotorsofupto2Aeachinbothdirectionseffortlesslyandindependently.It isperfectforroboticapplicationsandmaybeconnectedtoamicrocontrollerwithonlyafewcontrollinespermotor.Itcan alsobelinkedtosimplemanualswitches,TTLlogicgates,relays,andotherdevices.ThisboardhaspowerLEDindicators,a +5Vregulator,andprotectivediodes.

©
HARDWARE USED: 1 Motordriver 2 Motor 3 RFtransmitter 4 RFreceiver 5 Battery(9v,12v) 6 Ultrasonicsensor 7 Irsensor SOFTWARE USED: 1 Arduinoide 2 Embedded
3 Proteus7 BLOCK DIAGRAM:
2022, IRJET | Impact Factor value: 7.529 | ISO 9001:2008 Certified Journal | Page1856
c

International Research Journal of Engineering and Technology (IRJET) e-ISSN:2395-0056

Volume: 09 Issue: 08 | Aug 2022 www.irjet.net p-ISSN:2395-0072

MOTOR DRIVER

2.GEAR MOTOR:

In layman's terms, a direct current (DC) motor is a device that converts direct current (electrical energy) into mechanical energy. It is critical for the industry today, and it is also critical for engineers to investigate the operating principleofa DCmotorin detail,asdetailedinthisarticle.Tounderstand theoperatingprincipleofa dcmotor, wemust first examine its structure. A dc motor's fundamental structure consists of a current carrying armature connected to the supplyendbycommutatorsegmentsandbrushesandplacedwithinthenorthandsouthpolesofapermanentorelectromagnet, as shown in the picture below. Before delving into the specifics of DC motor operation, it is critical that we understandFleming'slefthandrulefordeterminingforcedirection.AccordingtoFleming'slefthandrule,ifweextendour lefthand'sindexfinger,middlefinger,andthumbinsuchawaythatthecurrentcarryingconductorisplacedinamagnetic field(representedbytheindexfinger)thatisperpendiculartothedirectionofcurrent(representedbythemiddlefinger), theconductor experiencesaforce inthedirection(representedbythethumb)that ismutuallyperpendiculartoboththe direction of field and the current in the conductor. To fully comprehend the DC motor theory, we must first identify the magnitudeofbyconsideringthediagrambelow.

MOTOR CONSTRUCTION

WeknowthattheLorentzForcedFexperiencedbyaninfinitelysmallchargedqwhenitisdriven toflowata velocity'v' undertheinfluenceofanelectricfieldEandamagneticfieldBisprovidedby:

Where is the angle between the plane of the armature rotation and the plane of reference or the armature's beginning position, which is here along the magnetic field direction. The existence of the word cos in the torque equation clearly indicatesthat,unlikeforce,torqueisnotthesameatallpositions.Itdoes,infact,varywithanglevariation.Letusexplain inastepwise, thefluctuationoftorqueandtheconceptunderlyingmotorrotation.

© 2022, IRJET | Impact Factor value: 7.529 | ISO 9001:2008 Certified Journal | Page1857

International Research Journal of Engineering and Technology (IRJET) e-ISSN:2395-0056

Volume: 09 Issue: 08 | Aug 2022 www.irjet.net p-ISSN:2395-0072

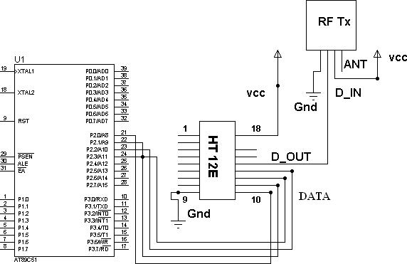
3.RF TRANSMITTER:

TheTWS-434transmitteracceptsbothlinearanddigital inputs,operatesfrom 1.5to12 Volts-DC,andsimplifiesthe construction of a compact hand-held RF transmitter. The controller's P2 0, P2 1, P2 2, and P2 3 pins are presumed to be data send pins. The encoder's DATA OUT pin is linked to the RF Transmitter's DATA IN pin, and the RF Transmitter subsequentlytransmitsthedatatothereceiver.

3.1.ENCODER: The HT-640 IC encodes 12-bits of information and serially transmits this data on receipt of a Transmit EnableandaLOWsignalon pin-14/TE.Pin-17theD_OUTpinoftheHT-640seriallytransmitswhateverdataisavailable onpins10,11,12and13,orD0,D1,D2andD3toD7.

3.2.DECODER: The212seriesofdecodersarecapableofdecodinginformation’sthatconsistofNbitsofaddressand12_N bitsofdata.TheHT12Dinthisseriesprovides8addressbitsand4databits,whiletheHT12Fdecodes12bitsofaddress information.TheHT-12D'sVT,orvalidtransmissionpin,couldinstructthemicrocontrollertoreadthe4-bitdatafromthe dataoutputpins.

4.RF RECEIVER:

The receiver, like the transmitter, works at 433.92MHz and has a sensitivity of 3uV. The TWS-434 receiver offers both linearanddigitaloutputsandrunsfrom4.5to5.5volts-DC.Thecontroller'sP20,P21,P22,andP23pinsarepresumed to be data send pins. The RF Transmitter's DATA OUT pin is linked to the DECODER's DATA IN pin, and the data is processedbythedecoder.

5.BATTERY:

CIRCUIT DIAGRAM

Inelectricity,abatteryisadeviceconsisting of one or moreelectrochemical cellsthatconvertstoredchemical energy into electrical energy. Alessandro Volta invented the first battery (or "voltaic pile") in 1800, and the technically enhanced Daniel cell in 1836, batteries have become a widespread power source for many domestic and industrial applications. According to a 2005 estimate, the global battery sector generates US$48 billion in yearly sales, with a 6% annual growth rate. Primary batteries (disposable batteries) are intended to be used once and then discarded, whereas secondary batteries(rechargeable batteries)areintendedtobe rechargedandusedseveral times.Batteriesrange insize fromtinycellsusedtopowerhearingaidsandwristwatchestoroom-sizedbatterybanksthatprovidestandbypowerfor phoneexchangesandcomputerdata centres.The electrolyteandtheelectrodeto whichanions(negativelychargedions) migrate,i.e.,theanodeornegativeelectrode,areinonehalfofthecell;theelectrolyteandtheelectrodetowhichcations (positivelychargedions)migrate,i.e.,thecathodeorpositiveelectrode,areintheotherhalfofthecell.Cationsarereduced (electronsareadded)atthecathodeintheredoxreactionthatdrivesthebattery,whileanionsareoxidised(electronsare withdrawn) at the anode. The electrodes do not come into contact with one another, but are electrically coupled by the electrolyte.Somecellsemploytwohalf-cellscontainingdistinctelectrolytes.Aseparatorbetweenhalf-cellsallowsionsto

© 2022, IRJET | Impact Factor value: 7.529 | ISO 9001:2008 Certified Journal | Page1858

International Research Journal of Engineering and Technology (IRJET) e-ISSN:2395-0056

Volume: 09 Issue: 08 | Aug 2022 www.irjet.net p-ISSN:2395-0072

passwhilepreventingelectrolytesfromcombining.Batteriesaredividedintotwobasictypes,each withitsownsetofpros andlimitations.

5.1.Primary batteries: convertchemical energy to electrical energyirreversibly (within practical limitations). When the originalsupplyofreactantsisdepleted,electricalenergycannotbeeasilysuppliedtothebattery.

5.2.Secondary batteries: may be recharged, which means their chemical reactions can be reversed by delivering electrical energy to the cell, restoring its original composition. Some types of primary batteries, such as those used in telegraph circuits, were returned to use by replacing the battery components consumed by the chemical reaction. Secondary batteries cannot be recharged indefinitely due to active material dissipation, electrolyte loss, and internal corrosion.

6.ULTRASONIC SENSOR:

ULTRASONIC SENSOR

Anultrasonicsensorisanelectronicdevicethatmeasuresthedistancebetweentwoobjectsusingultrasonicsoundwaves andconvertsthereflectedsoundintoanelectricalsignal.Ultrasonicwavestravelfasterthanaudiblesoundwaves(i.e.the soundthathumanscanhear).

7. IR MODULE :

Infrared sensors are the most popular among amateur roboteers. Understanding how they behave may assist in meetingmanyofyourcriteriaandwouldsufficienttosolvethemajorityoftheproblemstatementsfornumerousrobotics events in India. If you have a good operational understanding of Infrared sensors, you can easily address all of these problemstatementsandexercisegranularcontrol over yourrobot's performance,whetheritisatypicalwhite/blackline follower,awallfollower,obstacleavoidance,micromouse,anadvancedflavouroflinefollowerlikeredlinefollower,etc. IR Module TRANSMITTER CIRCUIT

© 2022, IRJET | Impact Factor value: 7.529 | ISO 9001:2008 Certified Journal | Page1859

International Research Journal of Engineering and Technology (IRJET) e-ISSN:2395-0056

Volume: 09 Issue: 08 | Aug 2022 www.irjet.net p-ISSN:2395-0072

SOFTWARE DESCRIPTION:

1.ARDUINO IDE:

The Arduino Integrated Development Environment (IDE) includes a text editor for writing code, a message area, a text console, a toolbar with buttons for common operations, and a series of menus. It communicates with and uploads programmestotheArduinoandGenuinohardware.

2.EMBEDDED

C:EmbeddedCisasetoflanguageextensionsfortheCProgramminglanguagebytheCStandardscommitteetoaddress commonality issues that exist between C extensions for different embedded systems. Historically, embedded C programming requires nonstandard extensions to the C language in order to support exotic features such as fixed- point arithmetic,multipledistinctmemorybanks,andbasicI/Ooperations.In2008,theCStandardsCommitteeextendedtheC language to address these issues by providing a common standard for all implementations to adhere to. It includes a number of features not available in normal C, such as, fixed-point arithmetic, named address spaces, and basic I/O hardware addressing.The majority of conventional C syntax and semantics are used in embedded C, such as the main() function, variable definition, datatype declaration, conditional statements (if, switch, case), loops (while, for), functions, arraysandstrings,structuresandunions,

3.PROTEOUS SOFTWARE:

Simone Zanella invented Proteus (PROcessor for Text Easy to Use) in 1998 as a fully functioning procedural programminglanguage.Proteusintegratesmanyfeaturesinheritedfromvariouslanguages,includingC,BASIC,Assembly, andClipper/dBase;itisextremelyversatilewhendealingwithstrings,withhundredsofdedicatedfunctions,makingitone of the richest languages for text manipulation. Proteus gets its name from a Greek sea god (Proteus), who looked after Neptune's audience and gave responses; he was known for his ability to alter himself into many shapes. This language's mainapplicationistotransformdatafromoneformattoanother.

CONCLUSION:

Itisbasedonamodelpredictivecontrol,combininglong-termoptimizationandshort-termadaptation.Thismodel takes into account regenerative braking by reframing the analytical solution for long-term optimization. An analytical solutionwasdevelopedwithlowcomputationaldemand.Pontryagin’sMaximumPrinciple(PMP)wasusedtosolveforthe energy optimal velocity profile for EVs under control constraints. The acceleration was used as the control, and it was bounded in the safe range by augmenting the running cost with the equality constraints. The deceleration problem was then divided into two possible situations: one where only regenerative braking is used or a combination of regenerative brakingandhydraulicbrakingisrequired.TheproposedMPCapproachforEVswasalsoevaluated.Thesimulationresults for a sample scenario shows that with the proposed EcoSafe-MPC, very little hydraulic braking was used, and the decelerationoccurredprimarilyusingregenerativebraking,andresultedina5%energysavingswhilethetraveltimedid notincreasesignificantly.TheperformanceofEVswithICEVswasalsocomparedforthesamedrivingscenario.Theresults highlightedthateco-drivingwithEVsis10%moreefficientatlowerspeedscomparedtoICEVs.

REFERENCES

:

4 L. Pérez-Lombard, J. Ortiz, and C. Pout, ``A review on buildings energy consumption information,'' Energy Buildings, vol.40,no.3,pp.394_398,Jan.2008.

© 2022, IRJET | Impact Factor value: 7.529 | ISO 9001:2008 Certified Journal | Page1860
1 “INTELLIGENT VEHICLE SPEED CONTROLLER”, Amulya1 , Karuna C, International Research Journal of Engineering andTechnology(IRJET)2018.
2 “AUTOMATED SPEED CONTROL OF AUTOMOTIVES” Pranav M1, Prasath Kumar R2, Swathiga S3, Suresh Kumar V, InternationalResearchJournalofEngineeringandTechnology(IRJET)-2018.
3 “Model-based Speed Control of a DC Motor Using a Combined Control Scheme,” Ihechiluru Okoro and Clinton Enwerem,IEEE-2019

International Research Journal of Engineering and Technology (IRJET) e-ISSN:2395-0056

Volume: 09 Issue: 08 | Aug 2022 www.irjet.net p-ISSN:2395-0072

5 P.Hertzke,N.Müller,S.Schenk,andT.Wu,``Theglobalelectric-vehiclemarketisampedupandontherise,''McKinsey CenterFutureMobility,pp.1_8,Nov.2018.

6 M.A.A.Abdelkareem,L.Xu,M.K.A.Ali,A.Elagouz,J.Mi,S.Guo,Y.Liu,andL.Zuo,``Vibrationenergyharvestinginautomotivesuspensionsystem:Adetailedreview,''Appl.Energy,vol.229,pp.672_699,Nov.2018.

7 A. Vahidi and A. Sciarretta, ``Energy saving potentials of connected and automated vehicles,'' Transp. Res. C, Emerg. Technol.,vol.95,pp.822_843,Oct.2018.

8 G.S.Larue,A.Rakotonirainy,S.Demmel,andH.Malik,``Fuelconsumptionandgasemissionsofanautomatictransmission vehicle following simple eco-driving instructions on urban roads,'' IET Intell. Transp. Syst., vol. 8, no. 7, pp. 590_597,Nov.2014.

©
|
Certified Journal | Page1861
2022, IRJET
Impact Factor value: 7.529 | ISO 9001:2008

Turn static files into dynamic content formats.

Create a flipbook