Robotic Virtual Telepresence with Raspberry pi

Page 1

International Research Journal of Engineering and Technology (IRJET) e-ISSN: 2395-0056

Volume: 09 Issue: 08 | Aug 2022 www.irjet.net p-ISSN: 2395-0072

Robotic Virtual Telepresence with Raspberry pi

Safa K. Jalal1, Nice Menachery2

1 PG Student, Industrial Automation and Robotics, Jyothi Engineering College Thrissur, Kerala, India.

2 Assistant Professor, Mechanical Engineering, Jyothi Engineering College Thrissur, Kerala, India. ***

Abstract - Robots are machines or automated task doers that assist humans with a variety of jobs, from simple to complex, that can be completed automatically withor without the presence of humans. Robots that protect people from threats that put their lives in danger include patient monitoring robots, firefighting robots, and others. These robots operate primarily on the telepresence principle, which was made possible by virtual reality, certain networking protocols, etc. The term "telepresence" refers to theabilityofa human to observe a robot's surroundings while not physically present there. In this project, we created a robot that enables people to keep an eye on the robot's surroundings. A VR headset, two smartphones, a few particular apps (from the Google Play store), a four-wheeled robotic car, and a Raspberry Pi serve as the project's primary building blocks. The robot's movements are managed via a remote controller. The operation of the robot is controlled by the magnetometer and accelerometer data that are analyzed by Arduino and Raspberry Pi. Raspberry Pi receives the IP address needed to monitor video on a smartphone. With the aid of a VR headset, we can also move the robot's head left or right to control its movement. The dual-split browser app on the smartphone is used to activate dual-screen mode. Withthis,theuseroftheVR headset can experience virtual reality.

Keywords - Smartphone, Telepresence, Magnetometer, Accelerometer,VRheadset,ArduinoUno,RaspberryPi.

1.INTRODUCTION

A group of technologies known as tele-presence allow a persontoappeartobepresent,tofeelasthoughtheywere present,ortomakeanimpactviatele-roboticsatasiteother thantheiractuallocation. Inorderfortelepresencetowork, users’sensesmustbeexposedtostimulithatwillmakethem feelasthoughtheyareinanotherplace. Userscouldalsobe giventheoptiontoinfluencetheremotelocation.Thiseffect canbeachievedbysensing,transmitting,andduplicatingthe user’sposition,movements,actions,voice,etc. totheremote site. Asaresult,communicationbetweentheuserandthe remote location may occur in both directions. The most advanced kind of video telephony, telepresence video conferencing, has a lot of uses. Compared to regular videoconferencing, telepresence via video uses more advancedtechnicalinfrastructureandincreasesthefidelity ofbothsightandsound.Withthehelpofhandheldmobile devices,technologicalimprovementsinmobilecollaboration have also expanded the potential of videoconferencing

outsidetheboardroom,enablingcollaborationregardlessof location. A telepresence robot is a wheeled, remotecontrolledgadgetwithadisplayforvideoconferencingand otherusethatallowparticipantstoviewandcommunicate withdistantlocationsasiftheywerephysicallypresent.

They also make interactive video conferences much more possiblethanbefore. Atelepresencerobot,forinstance,may roam around a classroom and engage in face-to-face interactionswithspecificpupils,exactlylikeaninstructor who is physically present. In addition to many other possibilities,telepresencerobotscanprovideremoteoffice assistants, home visitors, night watchmen, and manufacturing inspectors. Telepresence solutions use a combinationoftechnologicalcomponentslikehighquality audio, HD video, telemetry system, and remote control to provide the same-room illusion. The demand for communication tools that enable these activities while efficiently addressing the rising expenses of domestic and international travel is continuously expanding as firms continuetobecomemoreglobalintheirbusinesspractices.

1.1 Objectives

The project deals with design, simulation and hardware setupofamanipulatorworkinginimagesensing.

Themainobjectivesofthisprojectare:

Todesignamobilerobotforvisualcapturing.

TouseOpenCVtodetectthevideo.

TouseRaspberryPiastheprimemicrocontroller.

To use Arduino UNO as the motor driving microcontroller.

Toimplementamanipulatorprototypesetup.

2. LITERATURE REVIEW

Harikrishnan etal.,2021[1]Thevirtualinteractivereality telepresence robot is an integration of two main technologies,thevirtualrealityandtelepresence.Boththe robot and the user are in different environments. The VR headsetwornbytheuserisfedwiththelivevideofootageof therobotenvironmentusingthePicamera.

Thepresentavailabletelepresencesystemslackthenatural waysofinteractionandexplorationofenvironmentsthatare remote.Ourtelepresenceroboticsystemexcelsamongthe

©
Page1266
2022, IRJET | Impact Factor value: 7.529 | ISO 9001:2008 Certified Journal |

International Research Journal of Engineering and Technology (IRJET) e-ISSN: 2395-0056

Volume: 09 Issue: 08 | Aug 2022 www.irjet.net p-ISSN: 2395-0072

existing systems. It enhances the user-friendly aspect by mappingtheusermotiontotherobot.Hence,theuseofany conventional controllers which is a drawback of the currentlyexistingtelepresencerobotscanbeavoided.Our telepresencerobotcanbeextendedindifferentaspects.

Alexandra Q etal.,2020[2]Thispaperhasintroducedthe notion of virtual reality for robots (VRR), by drawing parallelsbetweenVRforhumans(andotherorganisms)and spoofinga robot’ssensors. Thishasledtoa mathematical frameworkthatcontainsgeneralandformalizednotionsof displays, rendering, and VWG. Our definitions are directly interleavedwithstandardnotionsfromrobotics,including statespaces,actions,sensormappings,statetransitions,and informationstates.Usingthisframework,weidentifyseveral interestingopenproblemsforfurtherresearch,andguiding principlesforsystematictestingandexperimentation.The engineeringchallengesinvolvedareworthpursuingbecause of the enormous potential for applications in reliability testing,reverseengineering,security,andmachinelearning.

Hossain etal.,2017[3]Thispaperprovidesaninexpensive solution for mobile surveillance in any necessary environment.Rovercanbeindeedcontrolledfullytomove inalldirections.Byusingthecameramodulevideofootage inreal-timecanbeaccessedevenwhiletheroverisonthe move.Roverisfullycontrolledthroughinternetconnection, whether it is through local network, Wi-Fi, 3G or a cloud server, which makes our rover best option for integrating IoT application into issue of security and surveillance services.Theuseofthesmartphoneinsteadofthecomputer andlaptopmakesthesystemmorereliableandeasytouse. Most of the existing surveillance system are costly and common people cannot afford it. This system is designed withanaimthatitcanbeusedbyall kindofpeoplesince securityofeveryonehomeshouldnotbeleftbehind.

2.1 Conclusion Based on Literature Review

Basedontheabovearticles,Itriedtodesignanddevelopeda robotwhichcouldbringustheexperienceandsatisfactionof being in a desired location without actually being present there.Thefollowinginformationhasledmetoconcludethat adding automation to the current model is necessary for improvedperformance.I'veseenafewproblemsthatneed toberesolvedforabettersystem.Therobotiscontrolledby hand gestures and it has range of 15m to 20m, it works underBluetoothmodule.Inordertoenhancethedistance coverage,wewillhavetoestablishthecommunicationofthe transmitterandthereceiverforthemovementoftherobot overcloud,sincethisisonlyaprototypeweconsideredtogo with Wi-Fi. Camera is controlled by the head movements with the wireless imu app and is placed in VR box to experience virtual reality. This is beneficial in various streamsasinsurveillance,hospitals,defense,educationand work.

3. DESIGN OF MODEL

3.1 Selection of Mobile Robot

Fig 1: DesignModel

Roboticvehicleswithwheelsarethosewhosemovementis caused by the interaction of the wheels with both the ground.Theslipphenomenonisasignificantissuerelatedto how wheels interact with the ground. In contrast to automotivewheels,thegeometryandqualitiesofwheelson wheeled robots are often different. Robotic wheels frequentlyusepneumaticallyinerttyres,necessitatingthe executionofspecializedinvestigations.Tothefirstcategory belongrobotswithsteeringorcasterwheels.Typically,they areintendedforusageinsideofbuildings(indoorrobots). The well-known Pioneer 2-DX robot is one illustration of suchadesign.Amobilerobotwithfourwheelsiscreatedin thisproject.Therobot’stwowheelsarepropelledbygeared motors.

A mobile robot’s core capabilities include the capacity to movearoundandinvestigate,transportpayloadsorgoods that generate income, and carry out sophisticated tasks utilizing an onboard system, such as robotic arms. Mobile robots are widely used in industry, particularly in warehousesand distributioncenters, buttheycanalsobe usedinotherfieldssuchassecurity,medical,andsurgery. Oneofthemostwidespreadapplicationsformobilerobotsis the exploration and navigation of the oceans and space. Mobile robots can correctly identify their surroundings in realtimebecausetothesophisticatedarrayofsensorsthey use.Thisishelpfulinparticularforindustrialenvironments that are dynamic and ever-changing. Another benefit is provided by the AI and onboard intelligence system employedbyAMRs.Theautonomyofferedbymobilerobots allowsforswiftadaptationtonovelsituationsandsupports theongoingquestofindustrialproductivity.Mobilerobots can learn their surroundings either through an uploaded designorbydrivingaboutandgeneratingamap.

©
Page1267
2022, IRJET | Impact Factor value: 7.529 | ISO 9001:2008 Certified Journal |

International Research Journal of Engineering and Technology (IRJET) e-ISSN: 2395-0056

Volume: 09 Issue: 08 | Aug 2022 www.irjet.net p-ISSN: 2395-0072

3.2 Selection of motor

3.2.1 DC Geared Motor

A geared motor is a part whose mechanism regulates the motor’sspeed,causingthemtorunataspecificspeed.Asthe gearhead acts as a torque multiplier and enables small motors to reach higher speeds, geared motors have the capacitytodeliversignificanttorqueatlowspeeds.

motorsonandoff,ordrive2DCmotorswithdirectionaland speedcontrol.Thedrivergreatlysimplifiesandincreasesthe easewithwhichyoumaycontrol motors,relays,etc.from micro-controllers.Itcandrivemotorsupto12Vwithatotal DCcurrentofupto600mA.

Fig 4: L293DMotorDriver

3.3 Selection of Camera

Fig 2: GearMotor

Sinceagearedmotorsimplycombinesaspeedreducerwith a motor that generally functions as a gearbox to reduce speedandincreaseavailabletorque,itmayalsobethought of as a gear reducer. Based on the motor they are paired with, geared motors can be categorized as bevel, helical, hypoid,spur,orwormgears.

3.2.2 Servo Motor

A type of motor with incredibly accurate rotational capabilitiesisaservomotor.Acontrolcircuitthatprovides feedback on the motor shaft’s current location is often presentinthissortofmotor.Theservomotorscanrotate quite precisely thanks to this feedback. An object can be rotated at predetermined angles or lengths using a servo motor.Itismadeupofasimplemotorthatpowersaservo mechanism.WhenamotorisdrivenbyanACpowersupply, itisreferredtoasanACservomotorratherthanaDCservo motor.Inthissession,wewillonlydiscusshowtheDCservo motorworks.

A USB external webcam gives you greater versatility and otherenhancementsthatwillmakeyouappearandsound yourfinestontelevision.Inthisbuyingguideforwebcams, we’ll go over the crucial hardware requirements, unique capabilities,andadvantagesofwebcams.Thequalityofthe videothatawebcamrecordsisitsmostcrucialcomponent. Thisisunderstoodintermsofresolutionandframeratefor digitalvideo

Fig 3: MG90SServomotor

3.2.3 L293D Motor Driver

L293D Motor Driver Module is a medium power motor driverperfectfordrivingDCMotorsandStepperMotors.It uses the popular L293 motor driver IC. It can drive 4 DC

Fig 5: WebCamera

3.4 Selection of Micro controller

3.4.1 Raspberry Pi

AneffectiveandpotentminicomputercalledtheRaspberry Pi is about the size of a credit or debit card. The United KingdomRaspberryPifoundationcreateditinaneffortto educateandempowerthenextgenerationoflearnerstobe more inventive and effective. Numerous open-source communities have made contributions since the launch of the Raspberry Pi to open-source operating systems (OS), applications, and numerous other types of computers. Additionally,anumberofembeddedsystemacademicsand researchersfromallovertheworldareconsistentlyworking tocreatecutting-edgeprojectsthatusethismodule,whichis knowntohaveimmediateapplications.

© 2022, IRJET | Impact Factor value: 7.529 | ISO 9001:2008 Certified Journal | Page1268

International Research Journal of Engineering and Technology (IRJET) e-ISSN: 2395-0056

Volume: 09 Issue: 08 | Aug 2022 www.irjet.net p-ISSN: 2395-0072

3.4.2 Arduino Uno

AmicrocontrollerboardcalledArduinoUnoisbasedonthe ATmega328P. It has a 16 MHz quartz crystal, 6 analogue inputs, 14 digital input and output pins (of that which 6 couldbeusedasPWMoutputs),aUSBport,apowerjack,an ICSP header, and a reset button. It comes with everything requiredtosupportthemicrocontroller;togetstarted,just useaUSBcabletoconnectittoacomputer,oranAC-to-DC adapterorbatterytopowerit.

3.4.3 Arduino Nano

Fig 6: ArduinoNano

The Arduino Nano is a small, complete, and breadboardfriendlyboardbasedontheATmega328Preleasedin2008. ItoffersthesameconnectivityandspecsoftheArduinoUno board in a smaller form factor. The Arduino Nano is equipped with 30 male I/O headers, in a DIP-30-like configuration,whichcanbeprogrammedusingtheArduino Softwareintegrateddevelopmentenvironment(IDE),which iscommontoall Arduino boardsand runningbothonline and offline. The board can be powered through a Type-B mini-USBcableorfroma9Vbattery.

3.5 Selection of Battery

Thelithium-ionbatterywithinalithium-polymer(LiPo,LIP, orLi-Poly)batterysitsinasoftexterior”pouch”thanksto thesoftpolymerusedtocreatethebattery’scase.Itmight alsorefertoalithium-ionbatterywithanelectrolytemadeof agelledpolymer. However,thephrasefrequentlydesignates a kind of pouch-style lithium-ion battery. par Lithium-ion polymerbatteryisamoreappropriatemonikerforthiskind ofbattery.

3.6 HC-05 Bluetooth module

A Bluetooth module called HC-05 is created for wireless communication. This module could be set up as either a master or a slave. used for a variety of consumer applications,includingwirelessheadsets,gamecontrollers, wirelessmice,andwirelesskeyboards.TheredLEDonthe HC-05 shows the connection state, whether Bluetooth is activeornot.ThisredLEDcontinuallyandirregularlyblinks before being connected to the HC-05 module. It blinks for two seconds when it is in Bluetooth range of any other device.

Fig 7: HC-05Bluetoothmodule

3.7 RF Transmitter and Receiver

Fig 8: RFTransmitterandReceiverModule

ThishybridRFTransceiverModuleprovidesacompleteRF transmitterandreceivermodulesolutionwhichcanbeused totransmitdataatupto3KHzfromanystandardCMOS/TTL source.Thetransmittermoduleisverysimpletooperateand offerslowcurrentconsumption(typical.11mA).Datacanbe supplieddirectlyfromamicroprocessororencodingdevice, thuskeepingthecomponentcountdownandensuringalow hardware cost. The RX – ASK is an ASK Hybrid receiver module.

3.8 Power Bank

Keepourdeviceswell-chargedatalltimewiththisMipower bank.WhileitsdualUSBinputhelpsyouchargetwodevices together,itssmartpowermanagementletsyouswitchitto 2-hourlowchargingmodetochargelow-powerdeviceswith ease. In this project power bank is used to power up the wholedevicesandit’seasytocarryoutthroughthesystem. Itconsistsof10000mAhbattery.

3.9 VR Headset

VirtualrealityVRBoxheadsetisahead-mountedgadgetthat you wear over your eyes like a couple of goggles. This VR gadgetgivescomputergeneratedrealitytothewearer.The objective of the VR headset is too give vivid computer generated simulation experience. The VR BOX is a smartphone VRheadset made by VRBOX. Thismobile VR headset is averypopular product,butusers don’t like the design. Indeed, users comment thatthe device can hurttheirnoseand thatprolonged use may irritate the forehead.Also, the smartphone VR headset doesn’t come withacontroller,whichlimitsthegamingexperience.

2022, IRJET | Impact Factor value: 7.529 | ISO 9001:2008 Certified Journal |

©
Page1269

International Research Journal of Engineering and Technology (IRJET) e-ISSN: 2395-0056

Volume: 09 Issue: 08 | Aug 2022 www.irjet.net p-ISSN: 2395-0072

compatible with the following sensors: accelerometer, gyroscope,andmagnetometer.

4.4 Dual Quad Browser

Fig 9: VRBoxHeadset

4. SIMULATION OF MODEL

4.1 Computer vision

TheprojectalsousedPythonOpenCVprogrammingtofind theenvironment’svideo.Artificialintelligenceofcomputer vision enables machines and systems to extract useful information from digital photos, videos, and other visual inputsandtoconductactionsorofferrecommendationsin response to that information. If AI gives computers the abilitytothink,computervisiongivesthemtheabilitytosee, observe,andcomprehend.Sincehumaneyesighthasbeen aroundlongerthancomputervision,ithasanedgeoverthe latter.Humanvisionhastheadvantageoflearninghowto differentiatebetweenitems,gaugetheirdistancefromthe viewer,assesswhethertheyaremoving,andassesswhether an image is accurate throughout the course of a lifetime. Instead of using retinas, optic nerves, and a visual brain, computers can now learn to perform identical tasks considerablyfasterthankstocomputervision,whichuses cameras,data,andalgorithms.

4.2 Mobile Connection

In order to watch the visuals and move the camera using smartphone,twomobileapplicationsmustbeinstalled.

4.3 Wireless IMU

Fig 10: WirelessIMUApp

The wirelessIMUappislinkedto theRaspberryvia an IP address,afterwhichitwillfunctioninaccordancewiththe smartphone’ssensorstodeterminethecamerasmovement. Figure5.2depictstheIMUapp’smainpanel,wherewehad toincludethetargetIPportaswellasthetargetIPaddress. ThissoftwareusesUDPtotransferCSV(Comma-Separated Values) data from your phone’s inertial sensors to a computeronyournetwork.Yourphonebecomesamobile inertial measurement unit as a result (IMU). The app is

Fig 11: DualQuadBrowser

The Private Browser programme teaches you how to multitask or use two browsers simultaneously. You can conducttwothingsonthesamebrowserwhileusingadual browser for private surfing without opening and closing additional tabs. Fastest browser that allows you to use numerouswindowsatoncetowatchmovies,listentomusic, read articles, or use social media. a browser that protects your privacy by not tracking you and keeping no history. Download the user-friendly simple-to-use Dual Browser multitasking browser. This is a split-screen, quick surfing programmeformobiledevicesthatenablesquickinternet browsing.

5. WORKING

5.1 Block Diagram

Fig 12: BlockDiagram

AsmartphoneinsertedintoaVirtualRealityheadsetcanbe used to see the video that the camera shot. Through a VR headset, the initiative enables users to experience virtual reality.Thesmartphonehasdual-screenmodeturnedonfor this. The smartphone receives the magnetometer and accelerometerdataoftheuser’sheadmovement,suchasa rightorleftturn.ThisinformationistransmittedviaWi-Fito the modem and the RPi board, which then use these numbersasinputstotheservo.Thecameraismovedbytwo servo motors, one for vertical motion and the other for horizontalmovement.Therefore,theRPicamwillalsoturn rightwhenusersturnyourheadtotherightwhenwearinga

©
Page1270
2022, IRJET | Impact Factor value: 7.529 | ISO 9001:2008 Certified Journal |

International Research Journal of Engineering and Technology (IRJET) e-ISSN: 2395-0056

Volume: 09 Issue: 08 | Aug 2022 www.irjet.net p-ISSN: 2395-0072

VRheadset.Webcamsareusedinavarietyofsettingsand can transmit real-time images to computers using USB, Ethernet,and Wi-Fi.Webcamsareused for videochatting andprivatebroadcastingeventhoughtheycannotproduce imagesinhighqualitylikebroadcastingcamerasdo.Instead, theyoperate similarlyto inexpensivecamcordersand can send images over large distances over the internet. Additionally,webcamsareemployedasmonitoringtoolsfor securitysystemsandchildsafety.

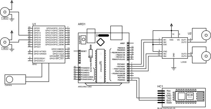
5.2 Circuit Diagram

The circuit’s 12V charger, which is used to charge rechargeable batteries,isthefirststage. Toprovide an8V power source, four lead-acid rechargeable battery packs, each with a 4V and 1Ah capacity, are placed in series and parallel.Theultimatevoltageincreasesandthecurrentstays thesameifthebatteriesareplacedinparallel.Thevoltage stays the same while the current increases if the cells are connected inparallel.Byconnecting two ofeachinseries, followedbytwosetsinparallel,youmayobtainan8V,2Ah power source. The Arduino, a motor driver IC, and other modulesarepoweredbyan8Vpowersource.TheRaspberry Piispoweredbya5Vpowerbank.

05Bluetoothmoduletransmitsdirectional information or commands from the smartphoneto the navigation circuit. Thegearedmotorisdriveninthedesireddirectionbythe motordriverICafterbeingprocessedbytheArduino.The Wireless IMU app that is installed on the smartphone receivescommands.Therobotismovedbymovingtheglove inawaythatthewirelesstransmittertransmitssignalsto thegadget.ThearduinoNanothatisattachedtotheglove controlseverything.

6. RESULT AND DISCUSSION

6.1 Prototype

Fig 13: CircuitofMobileRobot

Fig 14: CircuitofGlove

The robot’s mobility is managed by the navigation circuit. TheL293Dmotordriver,HC-05Bluetoothmodule,Arduino, withcoupleofDCgearmotorsmakeupthesystem.TheHC-

Fig 15: MobileRobot

On a smartphone inserted into a virtual reality headset, users may watch the video that the Raspberry Pi camera recorded.ThroughaVRheadset,theinitiativeenablesusers to experience virtual reality. The smartphone has dualscreen mode turned on for this. The device reads the magnetometer and accelerometer data of the user’s head movement,suchasarightorleftturn.Thisinformationis transmitted via Wi-Fi to the modem and the Raspberry pi board,whichthenusethesevaluesforinputtotheservos. Thecameraismovedbytwoservomotors,oneforvertical motionandtheotherforhorizontalmovement.Asaresult, theRaspberrypiboardcamerawillturntotherightwhen youmoveyourheadtotherightwhenwearingaVRheadset.

6.2 Result

IntheVirtualinteractiverealitytelepresenceroboticsystem, therearetwoparts,theroboticpartandtheuserpartboth ofwhichareatdifferentlocations.Theroboticpartconsists of a basic robot with four wheels. The camera module is placedonthetopoftherobot.

TheuserpartconsistsoftheuserwhowillbewearingaVR headsetandAglovethatperformshandgesturetocontrol theroboticvehicle.

© 2022, IRJET | Impact Factor value: 7.529 | ISO 9001:2008 Certified Journal | Page1271

International Research Journal of Engineering and Technology (IRJET) e-ISSN: 2395-0056

1. Display Live Footage in VR Headset: Thelivefootageof thesurroundingswheretherobotisplacediscapturedby thePicameraandisfedtothesmartphoneintheVRheadset wornbytheuser.Thevideofootageisstreamedinthedual screenfacilityofthesmartphoneinordertohaveafeelingof avirtualenvironment.

2. Map The User’s Motion: Therobotisabletomoveinall directionsaccordingtothemovementoftheuser.Robotic vehicleiscontrolledbytheglovewithhandgestures.

3. Map the User’s Head Movement: Thecameramounton therobotmovesexactlyaccordingtothemovementofthe VR headset which is worn by the user. The data from the wirelessIMUappisusedforthispurpose.

7. CONCLUSION

Inthisproject,aprototypeofafour-wheeledmobilerobot with a Raspberry Pi and camera to capture images from dangerous locations and transmit them to the analyzer throughvirtualrealityisbuilt.TheRaspberryPiservesasa server, and the smartphone connects to that localhost to accessthegraphics.FlaskframeworkandPythonareusedto help create and host videos. The recommended model is capable of moving via gas wells and other inaccessible locations for humans. Future research should develop methods for autonomously navigating mobile robots by gathering environmental data directly from the environment.

REFERENCE

[1] Harikrishnan, Nandagopal, Sneha Ann Soni, Ann MaryAlex,VishnupriyaMenon,andVishnuCNair. "Virtual Interactive Reality Telepresence Robot." InAnnandMenon,VishnupriyaandCNair,Vishnu, Virtual Interactive Reality Telepresence Robot (December 24, 2020). Proceedings of the International Conference on Systems, Energy & Environment(ICSEE).2021.

[2] Suomalainen,Markku&Nilles,Alexandra&Lavalle, Steven. “Virtual Reality for Robots”. 10.1109/IROS45743.2020.9341344,2020.

[3] Hossain, Nazmul, Mohammad Tanzir Kabir, Tarif RiyadRahman,MohamedSajjadHossen,andFahim Salauddin. "A real-time surveillance mini-rover basedonOpenCV-Python-JAVAusingRaspberryPi 2." In2017 IEEE International Conference on Control System, Computing and Engineering (ICCSCE),pp.476-481.IEEE,2017.

[4] Hirota,Koichi,“ProvidingForceFeedbackinVirtual Environments,” IEEE Computer Graphics Application,pp.22-30,September2017.

[5] Pimentel,KenandTeixeira,Kevin,Virtual Reality, SecondEdition,McGraw-Hill,Inc.,2016.

[6] Zheng, J. M., K. W. Chan, and Ian Gibson. "Virtual reality."IeeePotentials17,no.2(2015):20-23.

[7] Ali, Numan, Sehat Ullah, Aftab Alam, and Jamal Rafique. "3D interactive virtual chemistry laboratory or simulation of high school experiments."Proceedings of Eurasia Graphics(2014):1-6.

[8] Green, J., Wyllie, A., Jackson, D. (2013). Virtual worlds:Anewfrontierfornurseeducation.Collegia. Kleven,N.F.(2014).VirtualUniversityhospitalas anarenaformedicaltrainingandhealtheducation.

[9] He,Y.,Zhang,Z.,Nan,X.,Zhang,N.,Guo,F.,Rosales, E.,Guan,L.(2014,May).vConnect:Connectthereal world to the virtual world. In Computational Intelligence and Virtual Environments for MeasurementSystemsandApplications(CIVEMSA), 2014IEEEInternationalConferenceon(pp.30-35). IEEE.

[10] Basu, A., Johnsen, K. (2014, March). Ubiquitous virtualreality‘To-Go’.InVirtualReality(VR),2014 iEEE(pp.161-162).IEEE.

Volume: 09 Issue: 08 | Aug 2022 www.irjet.net p-ISSN: 2395-0072 © 2022, IRJET | Impact Factor value: 7.529 | ISO 9001:2008 Certified Journal | Page1272

Turn static files into dynamic content formats.

Create a flipbook