Analysis of a novel seven phase uncontrolled rectifier system

Page 1

International Research Journal of Engineering and Technology (IRJET) e-ISSN: 2395-0056

Volume: 09 Issue: 08 | Aug 2022 www.irjet.net p-ISSN: 2395-0072

Analysis of a novel seven phase uncontrolled rectifier system

***

Abstract

Nowadays Multiphase systems involving multiphase machines expressly more than three phase, introduced good enhancementrelatedtoconventionalsystems.Multi-phasegeneratorsgeneratepowerinapplicationssuchas,“butnotlimited to, wind power generation, electric vehicles, aerospace, and oil and gas “ . These types of generators output are connected to AC-DC converters, to feed DC load or inverter stage. In this paper mat lab R2017a modeled and simulated a seven phase uncontrolled rectifier. Different wave forms have been taken and analyzed in modern DC power systems, where multiphase converters are widely used more than three phase converters. A seven phase uncontrolled rectifier is designed to overcome supreme power supreme current. This research introduced completely analysis of an input/output voltage and current waveforms.TheTHDofaninputcurrentisalsoobtained

Keywords:multiphase-uncontrolledrectifier-THD-modernpowersystem-sevenphase

1. Introduction:

Recentlythreephasesystemsarewidelyusedinmanyapplicationsuchasthreephaseinductionmotor–variablespeeddrive (VSD)–industrialapplication...Etc.

Nowadaysrenewableenergypowersystemlike“windenergyconversionsystem(WECS).”Marineenergysystems(MES)take a largeremarkablebymany investigators,thesimpleideas formodernsystemsdependsupona multi-phasemachine These benefitoverthethreemachines:decreasetorquepulsation,lesseningcurrentsharmonicsinrotor,lesseningcurrentperphase compared with other three phase motor having similar voltage, low dc link current harmonics, high power density, high efficiency,risinginfaulttoleranceandhighdependability).[1]

W i n d tu r b i n

Gearbox Generator

load

filter

Figure (1) multi-phase wind energy system

Athreephasepowersupplyiscommonlyusedinmanycommercialutilization.Inapplicationwhichneededtousemulti-phase supply,thereistwomethodstoobtainfive,seven,nine,elevenphase etc.: a- Multi phase generator which is predominating (permanent magnet synchronous generators) the application of this machinesgivesanideaaboutthenumberofrequiredphasesareneeded b-Conversionmethodsusedtransformerswithanappropriatearrangementofwindingtogetthenumberofrequiredphase

© 2022, IRJET | Impact Factor value: 7.529 | ISO 9001:2008 Certified Journal | Page888

International Research Journal of Engineering and Technology (IRJET) e-ISSN: 2395-0056

Volume: 09 Issue: 08 | Aug 2022 www.irjet.net p-ISSN: 2395-0072

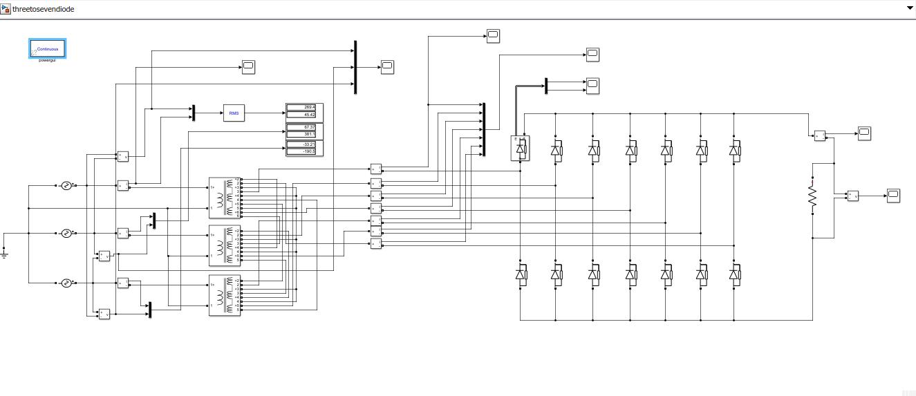
2. The suggested model

Fig (2) explains the block diagram for the suggested model in this paper. A three phase Y-connection is supplying a three multi-windingstransformers.Theoutputofthesetransformersrepresenttheinputofthesevenphaserectifier.TheDCmotor representstheloadoftherectifier.

Figure (2) the block diagram of the suggested model

3. Novel three to seven phase transformer winding

Any transformer having more than three phase (i.e.) multiphase have been focused by researchers due their importance. Where some applications needed multi-phase supply like: multiphase power transmission, five or higher phases rectifier systems,andvariablespeedmultiphasedrivesystem

Conventional generation units used three phase systems to supply customers, for obtaining multi-phase it needed to use transformerswithspecialstypeofconnection.

Therearethreecoresofirondesignedeachonerepresentsoneprimaryandfoursecondaryexceptonehavingfivesecondary windingsinsteadoffour.Therearesixterminalsinprimarysideconnectedinanaptwaytogetstarordeltaconnection.Atthe otherside(secondary)therearetwentysixterminalsconnectedinadifferentmannertogetastarorheptagonstyle Fig(3-a) showsthewayofconnectionoftransformerandfig(3-b)showsthearrangementofconnectionoftransformerwindingsinmat labSimulink.

Figure (3-a) proposed transformer winding ( star-star connection )

© 2022, IRJET | Impact
Certified Journal | Page889
Factor value: 7.529 | ISO 9001:2008

International Research Journal of Engineering and Technology (IRJET) e-ISSN: 2395-0056

Volume: 09 Issue: 08 | Aug 2022 www.irjet.net p-ISSN: 2395-0072

Figure (3-b) proposed transformer winding (star-delta connection)

The phase angle between the input waveform voltage is (2π/3) and output waveform has angle (2π/7). The choice of turn ratiodecidestherequisitephasedisplacementintheoutputphases.[1,2]

4. Seven phase uncontrolled rectifier

Thesevenphaseuncontrolledrectifierillustratesinfig.4

Figure (4) seven phase rectifier circuit

This rectifier consists of fourteen power diodes, where power electronics convertors fed by seven phase supply (three to sevenphasetransformer).Powerelectronicsdevises(D1–D7)operateatthepositivepartofthewaveandthedevises(D8–D14)operateattheotherpartofthewave.Thevoltageequationsofthesecondarytransformercanbewrittenas

Vpha1 = Vp sin (wt) (1)

Vpha2 = Vp sin (wt-2π/7) (2)

Vpha3 = Vp sin (wt-4π/7) (3)

© 2022, IRJET | Impact Factor value: 7.529 | ISO 9001:2008 Certified Journal | Page890

International Research Journal of Engineering and Technology (IRJET) e-ISSN: 2395-0056

Volume: 09 Issue: 08 | Aug 2022 www.irjet.net p-ISSN: 2395-0072

Vpha4 = Vp sin (wt-6π/7) (4)

Vpha5 = Vp sin (wt-8π/7) (5)

Vpha6 = Vp sin (wt-10π/7) (6)

Vpha7 = Vp sin (wt-12π/7) (7)

Where Vp isthepeakvalueoftheinputphasevoltagetoneutralwithrespecttoneutral.

(1,2,3,4,5,6,and7)refereedtophasenumber [3,4]

Fig(5)illustratesthewaveformsofthethreephaseinputvoltageswithrespecttoneutralpointtofedthreetransformer

Figure(5) three phase voltage waveforms supplied to transformer

The aim of the special connection in fig (4) is to rise the number of the voltage phases from three to seven. These voltages represent the input of the seven phase rectifier. The waveforms of these voltages are distorted due to high reactance of the transformers.Fig(6)introducesthisphenomena

figure(6)

output voltage of transformer suppling converter

© 2022, IRJET | Impact Factor value: 7.529 | ISO 9001:2008 Certified Journal | Page891

International Research Journal of Engineering and Technology (IRJET) e-ISSN: 2395-0056

Volume: 09 Issue: 08 | Aug 2022 www.irjet.net p-ISSN: 2395-0072

5- load of converter

There are many types of load can be connected to rectifier circuit depending on their application. In this state a dc motor is connectedtoconverterasaloadwithspecificcharacteristictoobtaintheeffectonmulti-phaserectifierandnovelmethodfor convertingconventionalphasestomorethanitonitsperformance.Fig(7)showsthecompletecircuitofdriver .

Fig(7) complete circuit of drivers

6-Simlation results

Theproposedmodelwastestedwhentheloadofthemulti-phaserectifierwasDCmotor. Itcanbenoticethatthesimulation results representing all wave forms deals with driver witch show its performance under loaded circuit. it can be classify resultsintothreeparts:threephasepower supply,threetosevenphasemodifiedtransformer,anddcmotorasaload

6-1-Partone:supplyside

Figure(8)showsthewaveformofthecurrentinphaseA(oneofthethreesupplyphases).Fig(9)representsthewaveformsof outputcurrentsforthemulti-windings transformerwhichprovidethemulti-phaserectifier

© 2022, IRJET | Impact Factor value: 7.529 | ISO 9001:2008 Certified Journal | Page892

International Research Journal of Engineering and Technology (IRJET) e-ISSN: 2395-0056

Volume: 09 Issue: 08 | Aug 2022 www.irjet.net p-ISSN: 2395-0072

Fig (8) represent current of source phase (A) on of three phase supply

Fig (9) waveforms of transformer output current

Voltagewaveformofpowersupplyandtransformerareintroducedabove???

6-2-Parttwo:converterandpowerelectronicsdevice

Figure (9) illustrates the waveforms of the current and peak inverse voltage for the diode, while figure (10) represents the waveformof outputvoltage forthe rectifierwhichrepresentstheloadvoltage.Figure(11)explains theoutput currentwave formoftherectifier(theloadcurrent).

© 2022, IRJET |
ISO 9001:2008 Certified Journal | Page893
Impact Factor value: 7.529 |

International Research Journal of Engineering and Technology (IRJET) e-ISSN: 2395-0056

Volume: 09 Issue: 08 | Aug 2022 www.irjet.net p-ISSN: 2395-0072

fig(10)currentandpeakinversevoltagewaveformofdiode

fig(11)outputvoltagewaveformoftherectifier

©
| Page894
2022, IRJET | Impact Factor value: 7.529 | ISO 9001:2008 Certified Journal

International Research Journal of Engineering and Technology (IRJET) e-ISSN: 2395-0056

Volume: 09 Issue: 08 | Aug 2022 www.irjet.net p-ISSN: 2395-0072

fig(12)outputcurrentwaveformofrectifiersupplyingload 6-3-partthreeloadside

Figure(13)showsthewaveformsforthe(speed,armaturecurrent,fieldcurrentandelectricaltorque)whichrepresentthe characteristicsfortheDCmotor.

Fig (13) Waveforms of (speed, armature current, field current and torque ) for the dc motor

(a) (b) (c) (d)

Page895
© 2022, IRJET | Impact Factor value: 7.529 | ISO 9001:2008 Certified Journal |

International Research Journal of Engineering and Technology (IRJET) e-ISSN: 2395-0056

Volume: 09 Issue: 08 | Aug 2022 www.irjet.net p-ISSN: 2395-0072

Theadjacentlinevoltagecanbewrittenasfollow

Vdc=(7/π)∫ (8)

Vdc :dcvoltageofonephase

Idc=(7/π)∫ (9)

Idc(7):dccurrentofonephase

(7)

Theequationofthetotalharmonicsdistortion(THD)is:

THD%=√∑ / *100%

4-CONCLUSION

This paper introduced a novel seven phase rectifier with its analysis where a multi-phase system gets wide range of interesting in many application like wind energy system and sea marine, the results of circuit show the voltage and load current of resistive load where it can be notice good wave form for both voltage and currents for load and source sides also good total harmonics distortion compared with others circuits have phases less than proposed circuit. This circuit can be developedtowithotherapplicationtomakethemodernpowersystemmoreReliable.

5- REFERENCE:

1-ANovelThreePhasetoSevenPhaseConversionTechniqueUsingTransformerWindingConnections ,M.TabrezElectrical EngineeringDept.IndianInstituteofTechnologyChabad,India mdtabrez2008@gmail.comP.K.SadhuElectrical Engineering Dept. Indian Institute of Technology Dhanbad, India pradip_sadhu@yahoo.co.in A. Iqbal Electrical Engineering Dept. Qatar University Doha, Qatar atif.iqbal@qu.edu.qa , Engineering, Technology & Applied Science Research Vol. 7, No. 5, 2017, 19531961

2-GridSynchronizationofaSeven-PhaseWindElectricGeneratorUsingd-qPLL,KalaivaniChandramohan1,Sanjeevikumar Padmanaban 2,* , Rajambal Kalyanasundaram 1 , Mahajan Sagar Bhaskar 2 and Lucian Mihet-Popa 3 www.mdpi.com/journal/energies

3- Contribution à l’étude d’une chaîne de conversion d’énergie AC-DC / DC-DC ,tolérante aux défauts MSAP pentaphasée –redresseuràdiodes–Boostsentrelacés

4-ChapterFive-PhaseLineCommutatedRectifiers.MahmoudI.Masoud

© 2022, IRJET | Impact Factor value: 7.529 | ISO 9001:2008 Certified Journal | Page896

Turn static files into dynamic content formats.

Create a flipbook