Agriculture Power Station Circuit Breaker using LTE Communication

Page 1

International Research Journal of Engineering and Technology (IRJET) e ISSN: 2395 0056

Volume: 09 Issue: 07 | July 2022 www.irjet.net p ISSN: 2395 0072

Agriculture Power Station Circuit Breaker using LTE Communication

1Professor, 2,3,4,5Student

Department of Electronics and Communication Engineering, Sahyadri College of Engineering and Management, Mangalore, India ***

Abstract - The time has changed and now technology has seeped into the agricultural sector. Where smartphones have become a useful tool in agriculture because of their computing power allows a variety of practical applications to be created. Using which the farmer can handle his agriculture’s power station with the help of mobile app. whenever the farmer is in need of turning off/on the power station due to some uncertain condition or stuck with some work, where the motor, pump or other appliances is kept running on the other end which is unnecessary and in those situations one can make use of mobile app. Where he need not run from one field to another field to switch off the power supply/station risking his life. While turning off the power station circuit breaker plays a major role which are implemented as switches where an open circuit breaker has infinite load. So it is necessary for the farmers to protect themselves from electrical accidents that are happening when farmers come in contact with electricity and lose their life. The automation in agriculture is the main concern using which one can make his work faster along with the things getting faster farmers gain knowledge to operate the mobile phone and acquire them to the new technology.

Key Words: Mobile Application, Database API, Raspberry pi, Circuit Breaker, LTE Module.

1. INTRODUCTION

AsperastorythatappearedinTHETIMESOFINDIAonMay 23, 2021, India loses 11,000 agricultural laborers to electrocution each year. Averages of 30 people pass away each day. The causes are cited as not adhering to wiring regulations,frayedandbrokentransmissionlinesbrought onbyageing,corrosion,andthedevelopmentofconductive paths on motor casing and control boxes in wet environments.Whatevermaybethereasonitisourfarmer whoprovidefoodforthenationaredyingbecauseofthese electricalhazards.Unexpectedly,thegovernmenthadtaken aninitiativetostartanewschemecalledKUSUMYojana's componentBwhichisdesignedtosafeguardfarmersfrom electrical shocks. Distribution transformers are typically situatedonornearagriculturalgrounds.High voltage11/33 kV cables are installed from the substation to the distribution transformers. On the 440 V side of the transformer, agricultural pump sets are positioned anywherefrom10to300metersaway.Powerlinesbreak andfall tothegroundasa resultofcorrosion,ageing,and improperstandardsnotbeingfollowedduringbuilding.One

oftheleadingcausesofelectrocutionfatalitiesisacutlive wire that falls to the ground. Earth typically provides less resistance,althoughnotalwaysaperfectshort.Thecurrent's strengthissufficienttodeliveralethalshockbutnotenough totripthecircuitbreaker.Mostofthetime,theseveredwire thatisburiedinthegroundblendsintothemoistclayeysoil andisnotapparent.Unknowinglytreadingonthislinecan electrocute people and animals. Due to the loose dirt, wet weather, and flimsy foundations in agricultural fields, cut electricalcablesfallingtothegroundoccurmorefrequently.

Onafarm,electricalpowerisbothanecessaryresourceand, if improperly handled, a potential cause of issues. Electric currentalwayscompletesacircuitasitmovesfromapower sourcetotheequipmentitispoweringandbacktoitssource alonganelectricalsupplychain.Tosendthecurrentbackto thesupplysource,everyelectricalsupplysystemrequiresa neutralconductor.Thisneutralconductorisalsogrounded. Becauseelectricityisbyitsverynaturefarmoreadaptable thantheolderpowersources,itsinfluenceoncontemporary agriculturehasbeenatleastasimportantasthatofeither steam or gasoline. The development of the electric motor, however, really sparked the curiosity of the farming community, even though there had long been a scholarly interestinhowelectricityaffectedplantgrowth,especially aftertheadventofelectriclighting.

By using this strategy, the current is given a "path of low resistance" to travel on as it returns to its source. Under typical circumstances, a small fraction of the electrical currentthattravelsdownthegroundedneutralconductor also travels through the earth. This produces a small but quantifiable amount of neutral to earth voltage (NEV) at each location where the electrical system is grounded. Electriccurrentfindsadifferentroutetothesupplysource throughtheearthwhenneutralconductordamageoccurs, whether through a storm, corrosion, or a bad connection. Becauseofthis,NEVlevelswillriseandstrayvoltagemaybe generated. Usually, a farm's electrical lines have two conductors, or wires. One illustration is the power supply (hot)conductor,whichsendsprimaryelectricalcurrentto thefarmtransformer.Thesecondconductor,oftenknownas thepowerlineneutral,carriestheprimarycurrentbackto thepowersupplysubstation.

©
Journal | Page2113
2022, IRJET | Impact Factor value: 7.529 | ISO 9001:2008 Certified
Mrs. Smitha A B1, Meghana D Shetty2, Neeharika U Devadiga3 , Sannidhi4, Abhilash5

International Research Journal of Engineering and Technology (IRJET) e ISSN: 2395 0056

Volume: 09 Issue: 07 | July 2022 www.irjet.net p ISSN: 2395 0072

1.1 Problem Statement

Accordingtothedatasetsoffarmer’selectrocutions,we see that people working on the farm are dying because of electric shock or some electric hazards. From the article timesofIndia,fivefarmerswerediedduetoelectrocution wheretheycameincontactwith11kvliveoverheadwire. Their bodies bore sever burn marks due to high voltage. Aftertheincident,acomplaintwasfiledsometimesthegiven complaintmaybeinvestigated.Butmostofthetimesitwill gounseen.

We often tend to see that whenever there is heavy thunderstorm or lighting the farmer runs to their farm to turnoffthepowerstation riskingtheirlives.Andinother casetheelectrical accidents tothefarmersareincreasing, while operating power stations due to the fault in the electricallineswherecurrentmaycontactwithhumanbody which risks their lives as shown in Figure1.1 below, this projectgivesa solutionto this problem to ensure farmers safety.Inthisproposedsystemthecontrol(ON/OFF)ofthe power station currentlies withthe farmer. This projectis arrangedinsuchawaythattheusercansitatoneparticular placeandoperateusingmobileapplication.

1.2 Objective

This proposed system provides a solution, which canensurethesafetyforthepowerstationinthe agriculture field which provides the power to the irrigation system or smart farming system or any other AC appliances from the thunderstorm and heavyrain.

[2]AgrajAher,JanhaviKasar,PalaashAahuj,VarshaJadhav:

Theprimarygoalofthispaperistogatherinformationabout agriculture locations. Farmers will access through cloud services, where smartphone app is used. The remote monitoring system for agriculture sector will be the main topicsofthisstudy.Themajorgoalistogatherinformation and support farmers in various action which results in a smartcropland.

[3]Shukla,A.andJain,A:ByutilizingthenodeMCUWi Fi module, this hardware offers a practical and efficient solutiontotheidentifiedissuesinIndianfarmingsystems. This system uses an IoT based Wi Fi module that automaticallyalertstheupkeepofwaterrequirements,fire alerts,andadequateelectricaldeliverybyshowingreal time data globally. Both manually and automatically controlled relayoperationsarepossibleviatheinternet.

[4]Aliev,K.,Jawaid,M.M.,Narejo,S.,Pasero,E.andPulatov, A:Ourresearch'smainobjectivewastodevelopanInternet ofThings(IoT) basedsystemwithaprototypedeviceandan Androidappfunctioningasahotspottogatherphysicaldata fromremoteitemsandsendittothecloud.Weresearched IoTstandards,protocols,andnetwork architecturebefore decidingwhichoneswouldworkbestforourIoTsolutions. Given the demand for long distance communication and energy efficientsolutionsintheagriculturalsector,we presentedtheWSNtechnology,whichisidealforfieldsmart agricultureapplications.

Thisinitiativehasthepotentialtoautomatefarming practises, reduce risk and waste, and make wise decisionstoincreasequalityandquantity.

Agriculture requires a lot of energy to be productive.Energyisdirectlyusedinagricultureas fuel or electricity to power tools and machinery, heatorcoolbuildings,andlightupfarms.Indirectly, energy is used in agriculture in the form of fertilizersandchemicalsmadeofffarms.

2. LITERTURE REVIEW

[1]Mrs.B.Mounika:Inthispaper,itismainlydesignedto control a circuit breaker with the aid of a password. Here line works with the help of lineman, where password is required tooperatethecircuitbreaker.Ifthe password is correctthenhecanturn(ON/OFF)thelineandcanrepair comfortably.AfterthishecanturnONthelinebyentering thesamepassword.It’scontrolledbyusingAT89S52.

[5]Khoa,T.A.,Man,M.M.,Nguyen,T.Y.,Nguyen,V.andNam, N.H: In order to control environmental conditions in agriculture,thispaperprovidesamethodleveragingLoRa module transmission for smart agriculture system. Improvements in IoT gives more assist to water management and smart agriculture. A novel sensor node topology is used as a low cost. User can control the farms using the mobile application while the complete sensor networkisconstructedandtestedintheresearchlab.

[6]Zhang,Y.,Kabir,M.M.A.,Xiao,Y.,Yao,D.D.andMeng,N: Ourapproachaimedtoidentifygapsbetweencurrentwork and developer needs by evaluating current tools from various angles. We looked into the issue of whether the currenttoolsareadequatetoassistdevelopersinremoving abusedcryptographicAPIs.Ourquantitativeandqualitative examination of the available tools produced a number of intriguing results. The most cutting edge technologies availabletodayuseinterproceduralprogrammeranalysisto findAPIabuses.

©
Journal | Page2114
2022, IRJET | Impact Factor value: 7.529 | ISO 9001:2008 Certified

International Research Journal of Engineering and Technology (IRJET) e ISSN: 2395 0056

Volume: 09 Issue: 07 | July 2022 www.irjet.net p ISSN: 2395 0072

3. SOLUTION OUTLINE

FIGURE 1: SolutionOutline

Thisproposedsystemprovidesasolution,whichcanensure thesafetyforthepowerstationintheagriculturefield,where the farmers need not go to the power station to OFF\ON powersupplyhecanturnOFForONpowersupplyusingthe mobileapp.Whenthefarmergivesthecertaincommandto themobileappitchecksfortheparticularAPIstoredinthe database as shown in Figure 4.1 above. After finding the correctAPIgivenbytheuserfromthedatabasethatAPIis linked to the Raspberry pi’sAPI through internet with the helpofLTEmodulewhichaccesstheinternetovertheLTE where Raspberry pi should be connected to the circuit breaker.Andthecircuitbreakerbreaksaccordinglybasedon the command. Agriculture field provides the power to the irrigationsystemorsmartfarmingsystemoranyotherAC appliancesfromthethunderstormandheavyrain.

4. FLOW CHART

4.1 Transmitter

Theproposedapplicationforthefarmerwhichhasa good graphicalinterfacesothatthefarmercaneasilycontrolthe agriculture field power station. During heavy rainfall or thunderstorm, it is not necessary for the farmer to run towardshisagriculturelandpowerstationtoturnitOFF.By sittingatoneplace,hecanturnoffthemainpowersupply andalsocanprotectthepowersource,irrigationsystemand smart farming by using this mobile application. This application will also display the current state of the line (ON/OFF)asshowninFigure2.Whenthefarmertriggersthe lineusingamobileapp,thedatafromthemobilephonewill besenttothedatabaseAPI.

FIGURE 2: Transmitter 4.2 Receiver

FIGURE 3: Receiver

Thereceiverstationisplacedintheagriculturefieldstation whichinitializesLTEmodule.Wheneverthedataisreceived fromthedatabaseAPI,itreadsthedatafromtheAPI.Ifatall thedatareadbythesystemis1then,raspberrypiinitiates thecircuitbreakertoclose.Ifdatareadis0then,raspberrypi initiatesthecircuitbreakertoopenasshowninFigure3.

5. METHODOLOGY

We often see that during heavy rainfall or thunderstorm farmersneedtoruntotheirfarms.Inothercasewecansay thatifatallthefarmer’shouseisfarawayfromthefarm,it willbedifficultforhimtoturnoffthepowerstation.Wehave

© 2022, IRJET |
|
Certified Journal | Page2115
Impact Factor value: 7.529
ISO 9001:2008

International Research Journal of Engineering and Technology (IRJET) e ISSN: 2395 0056

builtanappsothathecanoperatethepowerstationsitting inoneparticularplacewithoutanyriskordifficulty.

5.5 Circuit Breaker

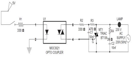
Figure5illustratestheworkingofcircuitbreaker,which regulatestheflowofcurrentthroughboththepositiveand negativehalfcyclesofanalternatingwaveform,theTRIAC (triode for alternating current) is an excellent power electronics switch to employ for switching applications. It alsohastheadvantageofbeinglessexpensivethanaback to backthyristorcircuit.

One advantage using a triac to manage current up to 4A, voltageupto600V,andlittleinrush;anythingabovethat,a back to backthyristorcanfunctionjustwell

FIGURE 4: Methodology

ThedetailedworkingofaboveFigure4isillustratedbelow, AndroidStudiowasusedtocreatethemobileapplication. Android Studio is the name of the authorized integrated development environment (IDE) for building Android applications.Linuxoperatingsystemsin2020.

5.1 phpMyAdmin

MySQL management on the web is handled by phpMyAdmin.NumerousoperationsonMySQLandInnoDB aresupportedbyphpMyAdmin.Whileyoucanstilldirectly execute any SQL command, you may perform frequently usedactionsviatheuserinterface.

5.2 Database API

WithinthephpMyAdmindatabase,theMySQLPHPAPIis established. Three APIs were established by us using PHP code. First API to get data from database. Second API to updatethedataONtothedatabase.ThirdAPItoupdatethe dataOFFtothedatabase.

5.3 LTE Module

Here in our project, we are using LTE module to get internetalsoweareinsertingSIMcard totheLTEmodule whichcanaccessthenetworkfromISP.Whentheinternetis connected to the SIM card LTE module will provide the necessaryinternettotheraspberrypi.Thisinternetcanbe used to access raspberry pi which will connect to the databaseAPI.Also,alwayskeepsonmonitorthestateofAPI. So,theadvantageofourprojectisthat,weneednotprovide theexternalinternetfacilitytotheRaspberrypi

5.4 Raspberry pi

RaspberrypiinitiallyconnectedtoLTEmoduletoaccess internetthroughthisRaspberrypiconnectstophpMyAdmin databasewhichinturnconnectstotheAPI.Also,italways monitors the state of API by calling GET API. When the raspberrypireceivesONdataitclosesthecircuitbreaker. WhentheraspberrypireceivesOFFdataitopensthecircuit breaker.

FIGURE 5: CircuitDiagram

DuringONcondition:

Pins 1 and 2 of the MOC3021 devices contain gallium arsenideinfraredemittingdiodeswhenthemicro controller supplies 5v/3.3v to the Opto coupler. This diode emits infraredlight,whichactivatesthesiliconbilateralswitchat pins6and4thatisopticallyconnectedtolightandpermits

currenttoflowbetweenthem.Pin3oftheTRIACreceives GATEcurrentfromthissource,whilepinsMT1andMT2of theTRIACcarrythemaincurrent

During OFF condition;

Since here is no Gate current flowing through the Optocoupler’spins1and2,pins6and4operateasclosed switches and stop conducting when 0 volts are applied betweenthem.

6. RESULTS

On the successful implementation of the system, where farmercaneasilyoperatetheloadduringheavyrainfallor thunderstorminsteadrunningtowardsthelandtoOFFthe systemriskinghislife.Firstly,wearecreatingaDatabasein phpMyAdminandinsidephpMyAdminwearecreatingAPI. AftercreatingtheAPI,wearebuildingMobileapplication, where the Raspberry pi receives message from mobile applicationwiththehelpofAPI.TheRaspberryPishutsoff the circuit breaker if it receives data indicating ON. In responsetoreceivingOFFdata,theraspberrypiopensthe circuitbreaker.Also,thissystemmightbeusefulintermsof smart farming, irrigation system or the farm which

Volume: 09 Issue: 07 | July 2022 www.irjet.net p ISSN: 2395 0072 © 2022, IRJET | Impact Factor value: 7.529 | ISO 9001:2008 Certified Journal |

Page2116

International Research Journal of Engineering and Technology (IRJET) e ISSN: 2395 0056

Volume: 09 Issue: 07 | July 2022 www.irjet.net p ISSN: 2395 0072

consumes large area where we can turn OFF the load of wholefieldatonestretch.Thefinalprototypeofourproject isshownbelowinFigure6.

7. CONCLUSIONS

In concluding the words of our project, our project offers farmerswhooperateintheagricultureindustryasolution. Wheneverthefarmerisinneedtoturnoffthepowerstation, hecanturnitOFForONusingtheMobileApplication.The app which is done using Android Studio and Database is createdtostorethedatainthecloud.Storedinformationhas an API for each action. Then that API is linked to the Raspberry pi where it triggers the Circuit Breaker .It safeguards every device against damage and is a crucial componentofelectricalnetworks.Itaidsintheidentification ofthedefectandtheafflictedarea.

REFERENCES

[1] 1G. Chandana, 2L. Sandhya, 3K. Revanth, 4Aaqib Ur Rahman, 1Mrs. B. Mounika, PASSWORD BASED CIRCUIT BREAKERUSING8051,2021.

[2]AgrajAher,JanhaviKasar,PalaashAahuj,VarshaJadhav, ‘SmartAgricultureusingClusteringandIOT’International ResearchJournalofEngineeringandTechnology(IRJET)e ISSN: 2395 0056 Volume 05 Issue: 03| Mar 2018 p ISSN: 2395 0072.

[3]Shukla,A.andJain,A.,2019.SmartAutomatedFarming SystemusingIOTandSolarPanel.ScienceandTechnology Journal,7(2),pp.22 32.

[4]Aliev,K.,Jawaid,M.M.,Narejo,S.,Pasero,E.andPulatov, A., 2018. Internet of plants application for smart agriculture.International Journal of Advanced Computer ScienceandApplications,9(4).

[5]Khoa,T.A.,Man,M.M.,Nguyen,T.Y.,Nguyen,V.andNam, N.H., 2019. Smart agriculture using IoT multi sensors: a novelwateringmanagementsystem.JournalofSensorand ActuatorNetworks,8(3),p.45.

[6]Zhang,Y.,Kabir,M.M.A.,Xiao,Y.,Yao,D.D.andMeng,N., 2022. Automatic Detection of Java Cryptographic API Misuses:AreWeThereYet.IEEETransactionsonSoftware Engineering

© 2022,
|
Certified Journal | Page2117
IRJET
Impact Factor value: 7.529 | ISO 9001:2008
FIGURE 6: Prototype FIGURE 7: CreatingaDatabase FIGURE 8: CreatingaAPI FIGURE 9: MobileApplication FIGURE 10: TolinkAPIandinterfacingRaspberrypi

Turn static files into dynamic content formats.

Create a flipbook