Internet of Things (Iot) Kit for Human Head Safety in Construction Project

Page 1

International Research Journal of Engineering and Technology (IRJET) e ISSN: 2395 0056

Volume: 09 Issue: 07 | July 2022 www.irjet.net p ISSN: 2395 0072

Internet of Things (Iot) Kit for Human Head Safety in Construction Project

1P.G Student (Construction Management), Department of Civil Engineering, Pimpri Chinchwad College of Engineering, Pune, India.

2 Assistant Professor, Department of Civil Engineering, Pimpri Chinchwad College of Engineering, Pune, India. ***

Abstract We know that India is in the list of developing countries. As in developing phasethenationismovingtowards infrastructural and urbanization development. The both directly lead to increase in construction activities. Approximately 150+ employee caughtinaccidentsoutof1000 in India. The mass employee at site is difficult to manage with regards to safety norms and regulations. So WearableSensing Devices (WSD) and the Internet of Things (IoT) have been identified as emerging technologies with great potential to managing and coordinating the mass. On construction sites. Wearable sensors and systems can be used for physiological monitoring, environmental sensing, proximity sensing, and location tracking of a wide range to restrict the construction hazards. Based on the results of the completed review, recommendations are made on how WSD and IoT can be effectively implemented to improve safety performance on construction sites. There are not much products designed at present to reduce the number of deaths on the construction site, so our work will be one in a kind. In this work an attempt has been made to design IoT based head safety kit for the construction workers. Kit is equipped with the GPS (Global Positioning System) Sensortotrackthelocationofemployeeof job and Infrared (IR) Sensor to determine the status ofworker wearing the head safety cap.

Keywords: Wearable Sensing Devices (WSD), Internet of Things (IoT), GPS (Global Positioning System) Sensor, Infrared (IR) Sensor

1. INTRODUCTION

The Internet of Things or IoT is the placement of related personal computers, electronic and computing devices, objects, creatures, or people. Equipped with a unique identifier (UID), you can send information about your organization without the need for personal or PC intervention.

Innovative progress has recently evolved dramatically. Findingtherightdataanytime,anywheretodayisveryeasy. Customersofsmartdevicescanusethesegadgetstoaccess largeamountsofdatafromanywhereontheInternet.The InternetofThingsallowsordinaryobjectstocommunicate with the PC gadgets embedded in them. The long term benefits of sophisticated gadgets and stages that control machines may include energy reserves. The most well

knownscratchesintheworkenvironmentareslips,power outages and accidents. To solve these problems, IoT is currently used in the development business. Gadgets and sensorsembeddedinthedevelopmentmaterialsallowthe chieftotrackandverifyshipstatusviaGPS,identifywork examples,inactivitytimes,andothermeasurements,misuse, robbery,orfuelrobbery.Inaworkenvironmentthathelps youavoidtheproblemandmakepreparationsandmappings successful,takingintoaccounttheever changingfactors.Aid workersareprotectedbytheIoTthroughwearabledevices thatchecktheirbodyandhealthandprovidepersistentdata. Send alerts when dangerous / dangerous areas are approachingtonotifysiteadministratorsofunexpectedsite changessothatyoucanbettermonitoryourworkefficiency.

Thenewworldviewofinnovation,oftenreferredtoasthe InternetofThings(IoT),isnormalforsomebusinessesand affectsbothmodernpracticeandnormalhumanexistence. TheIoTwillsupporttheevolutionfromaPCorganizationto an object organization. Here, coolers, machines, clothing, everything in everyday life and work has its own computerized personality and can communicate with external frameworks. Disassemble. .. Customers also criticize.Thegoalofthisinnovationistoprovidepeoplewith programmeddatainconjunctionwiththeobjectbyadding "highlights" to the object. These are often referred to as smartobjects(SOs).SOcanadapttodataandclimatebased oncertainpotentialadvances.Developmentcanbeachieved by making SO based connections in advanced areas. This framework(SO basedcomputationallevel)canbeavaluable tooltohelpmanageandcontrolword basedsecurity.Over the past few years, IoT innovation has been adopted to enableboardstorunincomplexframeworksthataretests forbothscientistsandorganizations.Youcantakeadvantage ofvariousIoTadvancestocontrolpowersecurity.B.Radio frequencyidentification(RFID)andBluetoothLowEnergy (BLE),wearable,sensororganization,etc.

1.1 Aim

TomakeanIoTBasedKitforhumanheadSafety.

1.2 Objectives

1. To collect and study IoT in various sectors of construction.

©
| Page1468
2022, IRJET | Impact Factor value: 7.529 | ISO 9001:2008 Certified Journal

International Research Journal of Engineering and Technology (IRJET) e ISSN: 2395 0056

Volume: 09 Issue: 07 | July 2022 www.irjet.net p ISSN: 2395 0072

2. To construct IoT based Kit for head safety in constructionindustry.

3. TosuggestIoTbasedsafetysensorsforheadsafety tool.

2. Literature Survey

1. A successful structure that adheres to the board frameworkisexpectedtolimitthedamagecaused byuncertainstructuralrisks.

2. India'sdevelopmentworkforceaccountsfor7.5%of the world's total workforce and 16.4% of the world'sfatallanguage relatedaccidents.

3. In the development business, the risk of serious physical problems is more than doubled, but the chancesofanaccidentaremanytimeshigherthan intheassemblyindustry.

4. India has the highest failure rate in the world among development workers, according to a new report from the International Labor Organization (ILO). This is done by 165 out of 1,000 professionals.

5. Accidentvictimsarenotonlydevelopmentworkers, butsocietyasawhole,includingyoungpeople.

6. Forthesecondconsecutiveyear(2013and2014), thedevelopmentoftheMumbaiAirportTerminal haskilledatotalofnineworkers.

7. Last December, when the foundation of the structure was being dug up, mud rushed in and threeworkersweredead.

8. EightworkersinOrissawereinjuredafteraslight collapseofanundevelopedthree storybuildingin TechPark.

9. InOctober2016,afive storybuildingcollapsedona veranda, killing six workers and injuring many. Investigationrevealedthattheownerignoredthe approvedplanrequiringtwofloorsandadditional floors.Thepropertyis1,900sq.ft.andthebuilding area is 4,300 sq. ft. They have not fully tested the carryingcapacityofthesoil.

10. According to OSHA, one fifth of US workers' passportsareengagedin developmentprojects

11. Around42 crane relatedmigrationsperyear,about 60%arerelatedtofallingobjectsasperBLS

12. In2020,atotalof1,008developmentworkersgave uptheirjobs.

13. Each year, 10.2 out of 100,000 development workers experience fatal physical problems, the thirdhighestinanyindustry.

14. Falls account for 16.9 % of all developmental assaults eradicating developing falls will save morethan300livesonaregularbasis.[BLS]

15. As per study by Ramesh Kumar BeheraaMd and Izhar Hassanb in their work titled “Regulatory interventionsandindustrialaccidents:Acasefrom India for ‘Vision Zero’ goals” states the following statisticaldata:

Fig 1:TypeofFatalAccident(2001 2016) [29]

16. Fromabovestaticshitbyobjectranks2ndintotal accidentshappenedsoIhavechosentheseasarea ofwork

3. METHODOLOGY

Page
© 2022, IRJET | Impact Factor value: 7.529 | ISO 9001:2008 Certified Journal |
1469

International Research Journal of Engineering and Technology (IRJET) e ISSN: 2395 0056

Volume: 09 Issue: 07 | July 2022 www.irjet.net p ISSN: 2395 0072

Following are the questions in Section 1

Experience(Years)

Do you think IoT team management is a good option?

Theinterdisciplinaryteamsarehardtomanage.

IoTbasedprojectsaremoreconflictprone 7)Team workskillsetisanassetonaloTproject

Following are the questions in Section 2 Inthesesectionthefollowingparametersforeach Initiation,Planning,Executionandclosing:

RelativeImportanceIndex=∑w/(A*N)= 5n5+4n4+3n3+2n2+1n1/(A*N)

Table 1: RIIRanking

of Head Safety IoT

©
| Page1470
2022, IRJET | Impact Factor value: 7.529 | ISO 9001:2008 Certified Journal
3.1 Questioner Survey
2)
3)
1)Name
Designation
4)
5)
6)
1.
2.
3.
4.
5.
6.
Cost
Schedule
ScopeCreep
Conflicts
VendorManagement
Risk 3.2 Relative Importance Index and Ranking
4. CONSTRUCTION 4.1 Construction
Kit 4.1.1 Equipment
1.
2.
3.
4.
5.
Wherewistheweightoftherespondentforeachelement.In thiscase,therankingisfrom1to5.Wheren5isthenumber of "insignificant" respondents, n4 is the number of "less important"respondents,andn3isthenumberof"medium importance" respondents. n2 represents the number of "important"respondentsandn1representsthenumberof "veryimportant"respondents.Inthiscase,5isA,whichis thetotalnumberofpeoplemarkedN. G P S
and Sensors
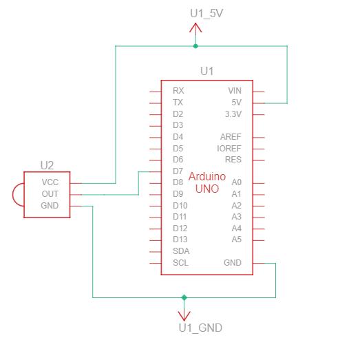
ArduinoUNO(Microcontroller)
IRSensor
GPSModule(Neo6M)
BreadBoard
ConnectionWiresandcables
Wehaveconductedasurveytocollectthedatarelated toIoTandroleofIotinVariousphasesofconstruction project (i.e. Initiation, Planning, Execution and closing). ThequestionsandRIIrankingofeachareas followed.

International Research Journal of Engineering and Technology (IRJET) e ISSN: 2395 0056

Volume: 09 Issue: 07 | July 2022 www.irjet.net p ISSN: 2395 0072

© 2022, IRJET | Impact Factor value: 7.529 | ISO 9001:2008 Certified Journal | Page1471
Fig 3:ArduinowithGPS
4.1.2 Code and Execution GPS Code
withIR
IR Sensor Code Fig 4:Arduino

International Research Journal of Engineering and Technology (IRJET) e ISSN: 2395 0056

Volume: 09 Issue: 07 | July 2022 www.irjet.net p ISSN: 2395 0072

4.1.3 Cost of Construction of Kit

Table 2:ConstructionCost

4.2 Sensors and Tools

ThestudyisofvarioussensorsthatcanbeusedinIoTbased modelsandaredividedinto3categoriesonthebasisoftheir useinconstructionindustry.The3groupsareasfollows:

1.PhysiologicalSensor

2.EnvironmentalSensor

3.DetectionandLocationTrackingSensor

Table 3:VariousTypeofsensors Group Type Sensing Tool and Sensors

2. Fromquestionersurveyvariousparameterswhich areimportantforvariousphaseofconstructionare rankedasperRIIRanking.

3 3 6

6 3

4 5 1

3. IoT to continuously monitor safety indicators for employees in the construction industry to reduce healthandsafetyissues.

4. Physiological monitoring, environmental sensing, proximitydetection,andpositiontrackingcanallbe doneusingwearablesensorsanddevices.

5. According to a recent study, it is important to coordinate the maintenance, monitoring, and inspection of workplace safety. Designing a head safetydeviceisthegoal.

Sensorto detectingFalls fromheight

Physiological Sensors

Gyroscope, Accelerometer, Magnetometer Sensor detecting Stress ECG Heatorcoldand Moisture Thermistor, Tensiometric Environmental Sensor Smokeandfire detection Infrared

Noiselevel Noisesensor

Detection and Location Tracking

Proximity detection Radar Locationtracking GPS,RFID

5. CONCLUSION

1. Fromthestudyconducteditcanbementionedthat the IoT Based Sensors are the way to reduce the errorandaccidentonconstructionindustry.That canreduceandIncreasetheproductivity.

6. Accordingtotheresultsofthequestionnairesurvey, theexecutionphase'smostimportantvariableswill becost,schedule,scopecreep,andrisks.Similarto what the Planning Phase will see more schedule conflicts and conflicts with other projects, the InitiationPhasewillwitnessmoredifficultieswith vendormanagement.

7. The design of IoT kit has advantages as well as limitationsonthesitearementionedherewith:

a) IR are affected by hard surface and does not function.

b) IRradiationsareharmfulandcandamageeyes. c) IR sensor can be affected by environmental conditions such as rain, fog, dust, pollution, sunlight,smokeetc. d) GPS does not works in confined spaces due to lowGPSsignals.

8. HerebyitisconcludedthatInfraredcanbereplace byTemperaturesensorsoranyothersensorswhile GPScanbereplacebyBluetoothorRadar.

ACKNOWLEDGEMENT

6 4 2 Everyworkhasanimprintofmanypeopleanditbecomes thedutyofauthortoexpressdeepgratitudeforthesame.I

© 2022, IRJET | Impact Factor value: 7.529 | ISO 9001:2008 Certified Journal | Page1472
ItemName Cost(in
2 IR
3 GPS
4 Bread
50 5 Connection
Execution Closing Cost
Schedule
Scope
Sr.No
Rs) 1 ArduinoUNO 550
Sensor 60
Module(Neo6M) 275
Board
Wiresandcables 100 Total 1035 Phase Initiation Planning
5 5 1 5
6 1 2 4
Creep 2
Conflicts 4 2
Vendor Management 1
Risk 3

International Research Journal of Engineering and Technology (IRJET) e ISSN: 2395 0056

Volume: 09 Issue: 07 | July 2022 www.irjet.net p ISSN: 2395 0072

thank Dr. Sandip .T.Mali (HOD Civil Engineering PCCOE, Pune), Dr. Ajay.K.Gaikward (Associate Professor Civil EngineeringPCCOE,Pune),Miss.SamikshaSudhakarShelar. (SanjivaniCollegeofEngineering,Kopergaon)

REFERENCES

1. Abruzzese,D.,Micheletti,A.,Tiero,A.,Cosentino,M., Forconi,D.,Grizzi,G.,Scarano,G.,Vuth,S.,&Abiuso, P.(2020).IoTsensorsformodernstructuralhealth monitoring. A new frontier. Procardia Structural Integrity,25,378 385.

2. Awolusi, I., Nnaji, C., Marks, E., & Hallowell, M. (2019).EnhancingConstructionSafetyMonitoring through the Application of Internet of Things and WearableSensingDevices:AReview.Computingin CivilEngineering2019:Data,Sensing,andAnalytics Selected Papers from the ASCE International ConferenceonComputinginCivilEngineering2019, June,530 538.

3. Chacón, R., Posada, H., Toledo, Á. & Gouveia, M. (2018). Development of IoT applications in civil engineering classrooms using mobile devices. Computer Applications in Engineering Education, 26(5),1769 1781.

4. Chandanshive,V.B.,&Kazi,A.M.(2017).Computing for Sustainable Global Development. https://www.researchgate.net/publication/319316 785

5. Chen, J. H., Ha, N. T. T., Tai, H. W., & Chang, C. A. (2020). The willingness to adopt the internet of things (IoT) conception in Taiwan’s construction industry. Journal of Civil Engineering and Management,26(6),534 550.

6. Chung,W.W.S.,Tariq,S.,Mohandes,S.R.,&Zayed, T. (2020). IoT based application for construction site safety monitoring. International Journal of ConstructionManagement,0(0),1 5.

7. Costin,A.,Wehle,A.,&Adibfar,A.(2019).Leading indicators aconceptualIoT basedframeworkto produceactiveleadingindicatorsforconstruction safety.Safety,5(4).

8. Ghosh,A.,Edwards,D.J.,&Hosseini,M.R.(2021). Patterns and trends in Internet of Things (IoT) research: future applications in the construction industry. Engineering, Construction and ArchitecturalManagement,28(2),457 481.

9. Gnoni,M.G.,Bragatto,P.A.,Milazzo,M.F.,&Setola, R. (2020). Integrating IoT technologies for an “intelligent” safety management in the process industry.ProcediaManufacturing,42,511 515.

10. Häikiö, J., Kallio, J., Mäkelä, S. M., & Keränen, J. (2020). IoT based safety monitoring from the perspective of construction site workers. International Journal of Occupational and EnvironmentalSafety,4(1),1 14.

11. Ibrahim,F.S.,Esa,M.,&Rahman,R.A.(2021).The adoption of iot in the Malaysian construction industry: Towards construction 4.0. International JournalofSustainableConstructionEngineeringand Technology,12(1),56 67.

12. Jeong,S.,&Law,K.H.(n.d.).AnIoTplatformforcivil infrastructuremonitoring.

13. Jerald,V.,Rabara,A.,&Premila,D.(2015).Internet of Things (IoT) based Smart Environment integrating various Business Applications. International Journal of Computer Applications, 128(8),32 37

14. Kanan,R.,Elhassan,O.,&Bensalem,R.(2018).An IoT basedautonomoussystemforworkers’safety in construction sites with real time alarming, monitoring,andpositioningstrategies.Automation inConstruction,88(April),73 86.

15. Kethareswaran,V.(2017).AnIndianPerspectiveon the adverse impact of Internet of Things (IoT). ADCAIJ: Advances in Distributed Computing and ArtificialIntelligenceJournal,6(4),35 40.

16. Kim, S. H., Ryu, H. G., & Kang, C. S. (2019). Development of an iot based construction site safety management system. Lecture Notes in ElectricalEngineering,514,617 624.

17. Mahmud, S. H., Assan, L., & Islam, R. (2018). Potentialsof internet of things(IoT) in Malaysian construction industry. Annals of Emerging TechnologiesinComputing,2(4),44 52.

18. Nagy,A.,Abd,N.,&Nagy,E. M.A.(2021).IoTand Civil Engineering based Solutions for Global and Environmental Risks of 2019. https://www.researchgate.net/publication/353165 463

19. Paul,S.,Naik,B.,&KumarBagal,D.(2020).Enabling TechnologiesofIoTandChallengesinVariousField ofConstructionIndustryin the5G Era:A Review. IOP Conference Series: Materials Science and Engineering,970(1).

20. Reja, V. K., & Varghese, K. (2019). Impact of 5G technology on IoT applications in construction project management. Proceedings of the 36th International Symposium on Automation and RoboticsinConstruction,ISARC2019,209 217.

© 2022, IRJET | Impact Factor value: 7.529 | ISO 9001:2008 Certified Journal | Page1473

International Research Journal of Engineering and Technology (IRJET) e ISSN: 2395 0056

Volume: 09 Issue: 07 | July 2022 www.irjet.net p ISSN: 2395 0072

21. Scuro,C.,Sciammarella,P.F.,Lamonaca,F.,Olivito, R.S.,&Carni,D.L.(2018).IoTforstructuralhealth monitoring. IEEE Instrumentation and MeasurementMagazine,21.

22. Singh, P. (2020). Blockchain based Security Solutions with IoT Application in Construction Industry. IOP Conference Series: Earth and EnvironmentalScience,614.

23. Vijai, P., & Sivakumar, P. B. (2016). Design of IoT SystemsandAnalyticsintheContextofSmartCity InitiativesinIndia.ProcediaComputerScience,92, 583 588.

24. Yang,X.,Yu,Y.,Shirowzhan,S.,Sepasgozer,S.,&Li, H.(2020).AutomatedPPE Toolpairchecksystem forconstructionsafetyusingsmartIoT.Journalof BuildingEngineering,32.

25. Riad Kanan, Obaidallah Elhassan, Rofaida Bensalem,"An IoT based autonomous system for workers'safetyinconstructionsiteswithreal time alarming, monitoring, and positioning strategies, AutomationinConstruction",Volume88,2018,Pages 73 86,ISSN0926 5805

26. A.Costin,A.Wehle,andA.Adibfar,“Leading indicators aconceptualIoT basedframeworkto produceactiveleadingindicatorsforconstruction safety,”Safety,vol.5,no.4,2019,doi: 10.3390/safety5040086.

27. Muhammad Khan, Rabia Khalid, Sharjeel Anjum, NumanKhan,SeungwonCho,ChansikPark,Tagand IoTbasedsafetyhookmonitoringforpreventionof falls from height, Automation in Construction, Volume136,2022,104153,ISSN0926 5805,

28. Gamil,Yaser&Majid,Abdullah&Rahman,Ismail& Malaysia, Hussein & Pahat, Batu & Malaysia, Muhammad & Asad, Engr & Tun, Universiti & Malaysia, Hussein. (2020). Internet of things in constructionindustryrevolution4.0Recenttrends andchallengesintheMalaysiancontextInternetof things(IOT).

29. Behera,Ramesh&Hassan,Md.(2019).Regulatory interventionsandindustrialaccidents:Acasefrom India for ‘Vision Zero’ goals. Safety Science. 113. 415 424.10.1016/j.ssci.2018.12.013.

2022, IRJET | Impact Factor value: 7.529 | ISO 9001:2008 Certified Journal |

©
Page1474

Turn static files into dynamic content formats.

Create a flipbook