Review on Different Time Domain Controlling Technique for UPQC

Page 1

International Research Journal of Engineering and Technology (IRJET) e ISSN: 2395 0056

Volume: 09 Issue: 07 | July 2022 www.irjet.net p ISSN: 2395 0072

Review on Different Time Domain Controlling Technique for UPQC

2

1Student, Electrical Engineering Department, Govt. College of Engineering, Amravati, India 2professor, Electrical Engineering Department, Govt. College of Engineering, Amravati, India ***

Abstract - Supply experts have gained more worried in recent years about the quality of the electrical power. A variety of electrical, electronic, and power electronic devices are used in industrial application in today's power systems. Due to the nonlinear nature of the majority of electronic equipment, harmonics will be done concurrently and will have an impression on the sensitive loads that will be carried by the system. Unified Power Quality Conditioner (UPQC), one of the many compensating devices, aims to integrate series active and voltage differential power filters into a power distribution network to lessen any type of voltage and current perturbations and power factor correction so that better power quality is made publicly available at the point of connection. This study presents a comprehensive overview of the control methods for the unified power quality conditioner (UPQC) in order to make sure optimal UPQC operation.

Key Words: Voltage Sag, power quality, harmonics, UPQC, control strategies.

1. INTRODUCTION

Keeping the quality of electric electricity within reasonable bounds has always been difficult. Poor power quality has negative repercussions, which are discussed[1]. Generally speaking, low power quality can lead to increased power losses, unusual and unwelcome device behaviour, interference with surrounding communication lines, and other problems. As a result of thegrowingusageofpowerelectronic basedtechnologies, which produce harmonic voltages and currents as well as more reactive current, the power system is now under additional stress. The term active power filter (APF) is frequently used when discussing how to improve the quality of electric power. This article concentrates on a singlepowerqualitycondition(UPQC).

The effectiveness of the power conditioner as a whole is significantly influenced by the control method. The three main conditions for achieving the appropriate compensation are quick and accurate disturbance signal detection, quick processing of the reference signal, and strong dynamic response of the controller. creation of sensible switching. The control strategy of the UPQC is determined by the pattern or gating signal in relation to the command compensating signal. Numerous theories and methods have been presented or put into operation

overtheyearssincethemainfunctionisthederivation of the reference signal from the observed distorted signal. Eitherthefrequencydomainorthetimedomainappliesto these. For the purpose of determining the reference variables, adjustments of the powers hypotheses have been made. Controlling UPQC's power filters is necessary to ensure optimal operation. Different topologies have beendevelopedtoregulatethem.

2 Basic Structure of UPQC

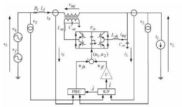
The distribution system uses the Unified Power Quality Conditioner, a bespoke power device, to reduce disturbances that impair the performance of sensitive and/or important loads. It is a hybrid APF type and the only versatile device that can mitigate multiple power quality issues related to voltage and current at the same time. As a result, it performs multiple functions by compensating for different power supply voltage disturbances, reducing voltage fluctuations, and preventing harmonic load current from entering the power system. A single phase UPQC's system configurationisshowninFig.1.AsharedDCbusconnects two IGBT based Voltage Source Converters (VSC), one in series and one in shunt, to create the Unified Power Quality Conditioner (UPQC). The load is linked in parallel with the shunt converter. It supports the load and supply harmonic currents with VAR. Voltage compensation is provided by the series converter linked in series with the load.Byeliminatingloadcurrentharmonicsandadjusting theinputpowerfactor,UPQCenhancespowerquality.

Figure 1UPQCgeneralblockdiagram

Series and shunt power converters, DC capacitors, low pass and high pass passive filters, and series and shunt transformersaretheprimaryelementsofaUPQC.

© 2022, IRJET | Impact Factor value: 7.529 | ISO 9001:2008 Certified Journal | Page1136

International Research Journal of Engineering and Technology (IRJET) e ISSN: 2395 0056

Volume: 09 Issue: 07 | July 2022 www.irjet.net p ISSN: 2395 0072

3 Controlling technique

The most important role in any power electronics basedsystemisplayedbycontrollingapproaches.Agiven system'sbehaviouranddesiredoperationaredetermined by the control technique. A UPQC system's performance exclusively depends on its control algorithm. In order to achieve the desired performance, the UPQC control strategy decides the switching instants of the inverter switches by determining the reference signals (current and voltage). In this study, a number of control mechanismsarethoroughlyreviewed.

The following list of time domain control methods is utilisedforUPQC: 3.1 Instantaneous active & reactive power or 3phase pq theory 3.2 Synchronous reference frame or 3phase dq theory (SRF) 3.3UnitVectorTemplateGeneration(UVTG) 3.4OneCycleControl(OCC) 3.5H∞ basedmodelmatchingcontrol 3.6ModelPredictiveControl(MPC) 3.7deadbeatControl 3.8ArtificialNeuralNetwork(ANN)technique 3.9Feedforward&feedbacktheory 3.10MultiOutputADAptiveLINearApproach(MO ADAL) 4. Instantaneous active & reactive power or 3phase pq theory

exclusively depends on its control algorithm. In order to achieve the desired performance, the UPQC control strategy decides the switching instants of the inverter switches by determining the reference signals (current and voltage). In this study, a number of control mechanismsarethoroughlyreviewed.

5. Synchronous reference frame or 3phase dq theory (SRF)

Thesynchronousreferenceframemethod,oftenknownas thethreephasedqtheory,isoneofthemostpopulartime domain control techniques for UPQC among the theories discussed. With this technique, the fundamental and harmonicvaluesareseparatedbymovingthevoltageand current signals from the ABC frame to a synchronously rotating frame (dq theory). The current independent of the source voltage is the focus of the d q theory. The intriguingaspectofthistheoryisthatdistortedvoltageor current (dq theory) fundamentally consists of dc quantities.TAn LPF or a high pass filter can be used to retrievetheseamountswithease(HPF).Signalfilteringin thereferenceframeisinsensitivetoanyphaseshiftfaults caused by LPF because of the dc signal extraction. However, the dynamic performance of the controller might be impacted by the cutoff frequency of this LPF or HPF[1,2].

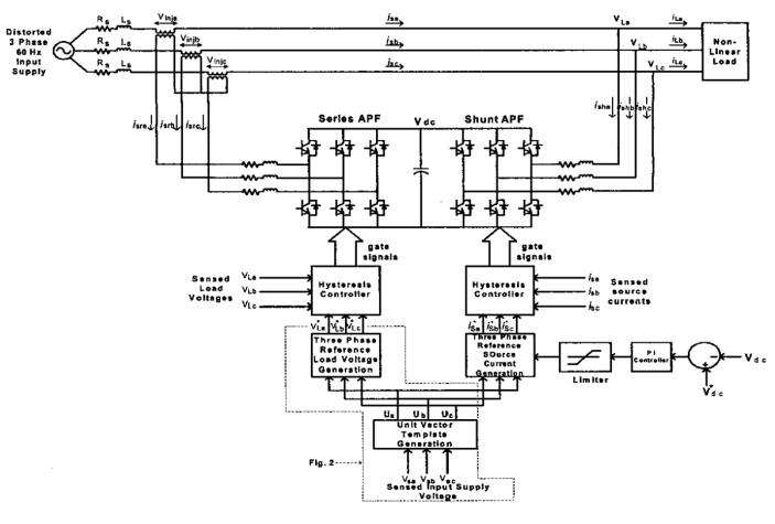
6. Unit Vector Template Generation (UVTG)

A phaselocked loop (PLL) is used in the unit vector template generation (UVTG) approach, a straightforward controller scheme for UPQC, to produce unit vector templatesforsingle andthree phasesystems.

Figure 2CircuitconfigurationoftheproposedUPQC

The most important role in any power electronics based system is played by controlling approaches. A given system'sbehaviouranddesiredoperationaredetermined by the control technique. A UPQC system's performance

Figure 3OverallControlCircuitConfigurationofUPQC

On the other hand, an analogous technique for detecting current and voltage perturbations has been provided by Khoor and Machmoum .A frequency synchronizer is not required for this technique, unlike the pole shift control

© 2022,
|
| ISO
Certified Journal | Page1137
IRJET
Impact Factor value: 7.529
9001:2008

International Research Journal of Engineering and Technology (IRJET) e ISSN: 2395 0056

Volume: 09 Issue: 07 | July 2022 www.irjet.net p ISSN: 2395 0072

technique for UPQC. In this discrete time control method, the open loop poles are drastically shifted toward the origintoselecttheclosed looppoles.

7. One Cycle Control (OCC)

A controller based on the one cycle control (OCC) of switchingconverterscanlikewisebecreatedfortheUPQC. To force the controlled variables to satisfy the control target in each switching cycle, the OCC controller often employsanintegratorwitharesetcapability.

pollution sources will qualify as distribution system customers.[7]

9. Model Predictive Control (MPC)

Thistacticisusedinconjunctionwithawaveformtracking controltechniquebasedonpowerqualitymodelmatching technology called h8 to execute the coordinated control between UPQC series units and shunt units. According to the experimental findings, the method is capable of removing the steady state phase shift and amplitude attenuation of the voltage tracking compensation of the series unit and the current tracking compensation of the shuntunitforUPQC.Finally,UPQCachievesunifiedpower quality multi function control. By implementing a UPQC, the distribution network will transform into a perfect source of pure energy with high dependability and premium quality for power consumers, and those with pollution sources will qualify as distribution system customers.[7]

Figure 4PrincipleblockdiagramofOneCycleControl

High precision and quick responsiveness are benefits of the OCC. According to authors, the series inverter of the UPQC is not used to its full potential during regular workingconditions.

8. Control method based on h8

This approach is based on the h8 optimal power quality controller,whichisdesignedusingtheh8standardcontrol ofmatchingsystem.Byexaminingthefundamentalcauses of the coupling effect between the UPQC series unit and shunt unit, a simple and effective coordinated control strategy for theUPQC series unitand shunt unit hasbeen developed. The coupling effect between the UPQC series unitandshuntunitiscompletelyeliminatedbyaddingthe appropriate voltage corrective link directly to the UPQC seriesunitandshuntunit,respectively.[7]

Thistacticisusedinconjunctionwithawaveformtracking controltechniquebasedonpowerqualitymodelmatching technology called h8 to execute the coordinated control between UPQC series units and shunt units. According to the experimental findings, the method is capable of removing the steady state phase shift and amplitude attenuation of the voltage tracking compensation of the series unit and the current tracking compensation of the shuntunitforUPQC.Finally,UPQCachievesunifiedpower quality multi function control. By implementing a UPQC, the distribution network will transform into a perfect source of pure energy with high dependability and premium quality for power consumers, and those with

Figure 5SystemblockdiagramofMPC controlledUPQC withKalmanfilters

By reducing the tracking error, the MPC controller will regulate the load voltage and source current to the appropriate references. Power factor correction on the supplysideisalsopossibleiftheprojectionofontoisused asthereferenceforthetrack.Throughsimulationtests, it has been demonstrated that all voltage sags, swells, and load fluctuations may be rejected by the MPC controller, demonstratingtheeffectivenessoftheUPQCwiththeMPC andKalmanfilters.

10. Deadbeat Control

A approach based on deadbeat control that treats the UPQC inverter combination as a single unit has been proposed by Kamran and Habetler [8]. One single multi input,multi outputsystemcanbeusedtomodeltheentire system. As a result, the individually operated converters' control performance is enhanced, and/or the energy storage between converters is decreased. The system is capable of quick dynamic response and great accuracy in steadystate.

©
2022, IRJET | Impact Factor value: 7.529 | ISO 9001:2008 Certified Journal | Page1138

International Research Journal of Engineering and Technology (IRJET) e ISSN: 2395 0056

Volume: 09 Issue: 07 | July 2022 www.irjet.net p ISSN: 2395 0072

11. Artificial Neural Network (ANN) technique

Another model that employs the ANN technique is likewise capable of successfully managing a multi input multi outputcontrolsystem[9],[10],and[11].Inorderto create the controller for the UPQC and correct various voltage and/or current related issues, the ANN technique can be used. Banaei and Hosseini proposed using a feed forward ANN approach to separate the harmonics contents in the nonlinear load. The time domain and frequency domain methods have some limits and shortcomings.Awaveletanalysistechnique,atoolforfault detection,localization, and classificationof various power system transients, is suggested by some researchers as a solution to these issues. The wavelet transform can represent a time varying signal in terms of frequency componentbyemployingmultiresolutionanalysis.

12. Feed forward & feedback theory

A model based coordinated control is proposed for the UPQC by R. Rajasree and S. Premalatha. It is an FF/FB controlthattriestodirectlyadjustthesupplycurrentand load voltage to the required waveforms to prevent distortion. Additionally taken into account is the coupling impact between series and shunt filters. In theory, the FF controlcanproducezerosteady stateerrorintheabsence ofanymodellingmistake.

voltage as well as effectively compensate for source reactive power. Before compensation, the total harmonic distortionoftheloadvoltagewas0.17,anditwasvirtually zeroaftercompensation.Additionally,thesourcecurrent's total harmonic distortion before compensation was 0.12, anditdecreasedtovirtuallyzeroaftercompensation.

Figure 5OverallconfigurationofUnifiedPowerQuality Conditioner(UPQC)

13. Multi Output AD Aptive LINear Approach (MO-ADALINE)

Control algorithms based on the MO ADALINE technique havebeen proposedbyH.A.ShayanfarS.M.T.Bathaeeand have been assembled in MATLAB programme using M File. SAF of the UPQC has adjusted for voltage harmonics, and PAF of the UPQC has compensated for current harmonics.Basedonthefindings,thesuggestedtechnique isabletoproducepuresinusoidalsourcecurrentandload

14. CONCLUSION

Inordertoimprovethequalityoftheelectricpoweratthe distribution level, a thorough evaluation of the control mechanisms for UPQC based on time domain is done in thiswork.

REFERENCES

[1] V. Khadkikar, A.Chandra and B.N.Singh, “Generalized single phase p q theory for active power filtering: Simulation and DSP based experimental investigation,” IET Power Electron., vol. 2, no. 1, pp. 67 78,Jan.2009.

[2] J.Correa, F.Farret and M.Simoes, “Application of a modified single phase P Q Theory in the control of shuntandseriesactivefiltersina400Hzmicrogrid,” in Proc. Power Electron. Spec. Conf., pp. 2585 2591 Jun.16,2005.

[3] T.Zhili, L.Xun, C.Jian, K.Yong and Z.Yang, “A new control strategy of UPQC in three phase four wire system,”inProc.IEEEPowerElectron.Spec.Conf.,pp. 1060 1065,Jun.17 21,2007.

[4] V.Khadkikar, P.Agarwal, A.Chandra, A. Barry, and T. Nguyen, “A simple new control technique for unified power quality conditioner (UPQC),” in Proc. 11th Int. Conf.HarmonicsQuality Power,pp.289 293,Sep. 12 15,2004.

© 2022, IRJET | Impact Factor value: 7.529 | ISO 9001:2008 Certified Journal | Page1139
Figure 3.BlockdiagramoftheproposedMO ADALINE approach

International Research Journal of Engineering and Technology (IRJET) e ISSN: 2395 0056

Volume: 09 Issue: 07 | July 2022 www.irjet.net p ISSN: 2395 0072

[5] M.Khoor and M.Machmoum, “Simplified analogical control of a unified power quality conditioner,” in Proc. Power Electronics. Spec. Conf., pp. 2565 2570, Jun.16,2005.

[6] A.Ghosh,A.K.JindalandA.Joshi,“Invertercontrolusing output feedback for power compensating devices,” in Proc. Convergent Technol. Conf., pp. 48 52 , Oct. 15 17,2003.

[7] G.G.Zhou, Jun, “Integrated Guidance Control System Design Based On H8 Control”, International ConferenceOnElectrical AndControl Engg.,2010.(H8 based)

[8] J.Le,Y.Xie,Z.ZhiandC.Lin,“Anonlinearcontrolstrategy for UPQC,” in Proc. Int. Conf. Electr. Mach. Syst., pp. 2067 2070,Oct.17 20,2008.

[9] [35] J.Le, Y.Xie, Z.Zhi and C.Lin, “A nonlinear control strategy for UPQC,” in Proc. Int. Conf. Electr. Mach. Syst.,pp.2067 2070,Oct.17 20,2008.

[10] G.S.Kumar,P.H.Vardhana,B.K.KumarandM.K.Mishra, “Minimization of VA loading of unified power quality conditioner (UPQC),” in Proc. Power Eng., Energy Electr. Drives, pp. 552 557, Mar. 18 20, 2009. INTERNATIONAL JOURNAL of RENEWABLE ENERGY RESEARCH Payal Deshpande et al., Vol.3, No.2, 2013 402

[11] M.R.Banaei and S.H.Hosseini, “Mitigation of current harmonic using adaptive neural network with active power line conditioner,” in Proc. IEEE 5th Int. Conf. PowerElectron.MotionControlConf.,pp.1 5,Aug.14 16,2006.

[12] R. K. Agarwal, I. Hussain, and B. Singh, “Three phase single stage grid tied solar pv ecs using PLL less fast CTFcontroltechnique,”IETPowerElectronics,vol.10, no.2,pp.178 188,2017.

[13] Y. Singh, I. Hussain, B. Singh, and S. Mishra, “Single phasesolargridinterfacedsystemwithactivefiltering using adaptive linear combiner filter based control scheme,” IET Generation, Transmission Distribution,vol.11,no.8,pp.1976 1984,2017.

[14] T. F. Wu, H. S. Nien, C. L. Shen, and T. M. Chen, “A single phase inverter system for pv power injection and active power filtering with nonlinear inductor consideration,” IEEE Trans. Ind. Appl., vol. 41, no. 4, pp.1075 1083,July2005.

[15] A.Javadi, A.Hamadi,L. Woodward, and K. Al Haddad, “Experimental investigation on a hybrid series active power compensator to improve power quality of

typicalhouseholds,”IEEETrans.Ind.Electron.,vol.63, no.8,pp.4849 4859,Aug2016.

[16] A. Javadi, L. Woodward, and K. Al Haddad, “Real time implementation of a three phase thseaf based on vsc and p+r controller to improve power quality of weak distribution systems,” IEEE Transactions on Power Electronics,vol.PP,no.99,pp.1 1,2017.

[17] A. M. Rauf and V. Khadkikar, “Integrated photovoltaic and dynamic voltage restorer system configuration,” IEEETransactionsonSustainableEnergy,vol.6,no.2, pp.400 410,April2015.

[18] S. Devassy and B. Singh, “Design and performance analysis of threephase solar pv integrated upqc,” in 2016 IEEE 6th International Conference on Power Systems(ICPS),March2016,pp.1 6.

[19] K. Palanisamy, D. Kothari, M. K. Mishra, S. Meikandashivam, and I. J. Raglend, “Effective utilization of unified power quality conditioner for interconnecting PV modules with grid using power angle control method,” International Journal of Electrical Powerand EnergySystems,vol. 48, pp. 131 138,2013.

[20] S. Devassy and B. Singh, “Modified p q theory based controlofsolarpvintegratedupqc s,”IEEETrans.Ind. Appl.,vol.PP,no.99,pp.1 1,2017.

[21] S. K. Khadem, M. Basu, and M. F. Conlon, “Intelligent islanding and seamless reconnection technique for microgrid with upqc,” IEEE Journal of Emerging and Selected Topics in Power Electronics,vol.3, no. 2, pp. 483 492,June2015.

[22] J.M.Guerrero,P.C.Loh,T.L.Lee,andM.Chandorkar, “Advanced control architectures for intelligent microgrids;part ii: Power quality,energy storage, and ac/dc microgrids,” IEEE Transactions on Industrial Electronics,vol.60,no.4,pp.1263 1270,April2013.

[23] B. Singh and J. Solanki, “A comparison of control algorithms for dstatcom,” IEEE Transactions on Industrial Electronics, vol. 56,no. 7, pp. 2738 2745, July2009.

[24] B.Singh,C.Jain,S.Goel,A.Chandra,andK.Al Haddad, “A multifunctional grid tied solar energy conversion system with anf based control approach,” IEEE Transactions on Industry Applications, vol. 52, no. 5,pp.3663 3672,Sept2016.

© 2022, IRJET | Impact
value: 7.529 | ISO 9001:2008 Certified Journal | Page1140
Factor

Turn static files into dynamic content formats.

Create a flipbook