Hybrid Renewable Energy System

Page 1

International Research Journal of Engineering and Technology (IRJET) e-ISSN: 2395-0056

Volume: 09 Issue: 07 | July 2022 www.irjet.net p-ISSN: 2395-0072

Hybrid Renewable Energy System

***

ABSTRACT: Power demand is on the rise for some time now and with climate change, depleting fossil fuels and increasing global warming the use of renewable energy sources, like solar, wind, geothermal, ocean etc., to meet the escalating power demand in a sustainable, cost effective, and environment friendly way is inevitable. However, the stability and availability of a single renewable source is not guaranteed.

Combination of different sources making a hybrid renewable system are now being explored to overcome this problem. Wind turbine system combined with solar photovoltaic (PV), as a hybrid system, can play a significant role to overcome our future energy demands with a cost effective energy system. This paper presents a hybrid system that uses both solar as well as wind energy to give a stable power supply all roundthe year.

Key Words: Solar, Wind energy, Hybrid Power, Renewable, Cooling, Vertical Axis windturbine etc.

I. INTRODUCTION:

Better Health care, enhanced education, better transportation, superior communications systems, higher standard of living and economic stability are some of the major benefits of having usable electric power. However, many parts of the world still do not haveastablesourceofusableelectricitywithmostnon electrifiedareasbeinginthedevelopingnations.

Acknowledging this, many governments have undertaken huge electrification campaigns for rural regions. Renewable sources are being explored to overcome this demand. Wind turbine system combined with solar photovoltaic systems are becoming popular for standalone power generation applications. This is being seen as a good opportunity to reduce the dependence on fossil fuels and move towards a sustainable power supply. This system can be deployed inresidential aswellascommercialcomplexesasstand alone power generation systems with great benefits even though, research and development are required to increasetheefficiencyofthesolarpanelandtherebythe entirehybridsystem.

In this paper a hybrid solar wind power generation system is proposed for a residential complex with 60 apartments.ThemainobjectiveoftheHybridRenewable PowerGenerationSystem(HRPGS)istheproductionand utilization of the electrical energy coming from multiple

sources, given that at least one of them is renewable (Gupta, 2008). Residential generating systems harnessing wind and solar energies are seen as a potential answer to individual energy concerns. The integrationofrenewablesourcessuchassolarandwind aretheisviewedasananswerforfeedingthemini grids andisolatedloads

II. DESIGN OF SOLAR ENERGY SYSTEM

The planet Earth has copious supply of sunlight. The amount of solar energy that the earth receives in one hour is over and above the planet’s total energy requirements for a whole year. But the amount of solar energy that can used depends upon varies factors like, thetimeofdayandtheseasonoftheyearaswell as the geographical location. Solar power systems, such as Photovoltaic (PV) systems, that convert the incident solar energy to electricity by using semiconductor devices like solar electric cells, are now being used to generateelectricalpowerforhouseholdstocountertheir everyday energy necessity. Individual PV cells are arranged into panels of varying electricity producing capacities. PV systems range from single PV cells for powering calculators to large power plants with hundreds of modules to generate large amount of electricity.

A. Determining Power Consumption Demands

Monthly power requirement for one house was recorded. Average units consumed were observed to be 137.66 and daily unit consumed were on an average 4.588.

Table 1

:Monthly Power Requirements of one house

Month UnitsConsumed

Jan 105 Feb 98 Mar 102 Apr 110 May 200 Jun 135 Jul 130 Aug 175 Sep 160 Oct 164 Nov 143 Dec 130 Avg 137.6666667 Daily 4.588888889

© 2022, IRJET | Impact Factor value: 7.529 | ISO 9001:2008 Certified Journal | Page64

Soham Joshi1, Atharva Joshi2, Jayendra Patil3, Suyog Jare4, Rojince Thomas5 Student, Dept. of Mechanical engineering, Vishwakarma institute of Technology, Pune.

International Research Journal of Engineering and Technology (IRJET) e ISSN: 2395 0056

Powerrequirementfor60houseswasthencalculated.

B. CALCULATING PANEL GENERATION FACTOR

Panel Generation Factor is required for calculating the size of the solar PV cells. It depends on various factors like heclimateof the site location (depending upon globalgeographiclocation)etc.

Table 2: Panel GenerationFactor

AvgSolRad 5.41 Losscalfortemp 0.85 Daylightloss 0.95

MPP 0.9 Dustloss 0.95 Ageing 0.9 Totalpower 0.62137125 PGF 3.36161846

The month wise Solar Radiation is shown in table given below:

Table3Monthwisesolarradiation

Month SolarRadiation (MJ/day/m2) SolarRadiation (kWh/day/m2)

January 17.29 4.802778162

February 20.58 5.716667124

March 23.11 6.419444958

April 24.49 6.802778322

May 25.18 6.994445004

June 19.32 5.366667096

July 16.1 4.47222258

August 15.68 4.355555904

September 18.73 5.202778194

October 19.25 5.34722265

November 17.64 4.900000392 December 16.45 4.56944481

Total 233.82 64.9500052

Average 19.485 5.412500433

Average solar radiation (kWh/day/m2) is found to be 5.41.Supposethelowestmonthsolarhasadailyaverage of5.412.Thatisequivalentto5.41hoursof1000W/m2 sunlighteveryday.Losscalculationfortemperaturewill be 15%, daylight not arresting the panel will be nearly 5%,MPPlosswillbenearlyabout10%,anddustwilladd up loss of 5%, ageing effect will have loss of 10% (J.Barad,2017). Hence total overall power was 0.621 of originalpanelrating.Panelgenerationfactorcameoutto be3.361.

C. CALCULATION OF PANEL REQUIREMENT

The total number of PV panels is obtained by dividing thetotalwattpeakratingbyratedoutputofwattpeakof thePVmodulesavailable.

P

Table 4:Number ofpanels required.

Watt Number ofpanels Price Aream2 106476.5 40 2662 3825294 775.8399 106476.5 50 2130 3544320 725.8795 106476.5 60 1775 3216300 755.1738 106476.5 75 1420 3453440 746.849 106476.5 100 1065 3067200 738.5243 106476.5 160 666 4330332 660.4056 106476.5 320 333 2813850 556.1017 106476.5 330 323 2882775 632.5038 106476.5 340 314 3120218 526.22

D. CALCULATION FOR FIX TILT ANGLE

Tocalculatefixtilt angle, usebelowgiven methodstofind thefinestanglefromtheplaneatwhichthemoduleshould betilted:

Table 5: Latitude andfix tilt angle relation

Latitude

FixTiltAngle

Latitude<25 Latitude*0.87 25<Latitude<50 (Latitudex0.76)+3.1°

E. Battery Selection

Averagedailyuseis4.60kWofallappliances.

Butwewouldnotconsider4.6kWaswewillnotrunall appliancesduringa powercut,wewill consider310kW whichincludes:

Table 6: Power Requirement

Totalrequiredpower kWh/day

For60houses 275.3333333 WithF.S 357.9333333

`Total Wp of PV panel Cap needed 106.4764896

Table 7: Modeling of householdapplications

F. PERFORMANCE ENHANCING OF PHOTOVOLTAIC PANELS BY WATER COOLING.

Sunlight incident on a solar panelgeneratesheatand electricity. For a typical commercial PV module operating at its maximum power point, only 15 to 20%

Volume: 09 Issue: 07 | July 2022 www.irjet.net p ISSN: 2395 0072 © 2022, IRJET | Impact Factor value: 7.529 | ISO 9001:2008 Certified Journal | Page65

Quantity Rating Load
Fan 2
LED 3
Wi
Router
L.E.D
Appliances
(W)
100 200
15 45
Fi
1 25 25
T.V 1 50 50 310
req

International Research Journal of Engineering and Technology (IRJET) e ISSN: 2395 0056

Volume: 09 Issue: 07 | July 2022 www.irjet.net p ISSN: 2395 0072

of the incident sunlight is converted into electricity, while most of the rest is converted into heat. One of the main obstacles that face the operation of photovoltaic panels (PV) is overheating due to excessive solar radiation and high ambient temperatures. Overheating reduces the efficiency of the panels dramatically. The idealP Vcharacteristicsofasolarcellforatemperature variationbetween0oCand75oCareshowninFig.TheP V characteristic is the relation between the electrical power output P of the solar cell and the output voltage, V,whilethesolarirradiance,E,andmoduletemperature, Tm,arekeptconstant.Ifanyofthosetwofactors,namely Tm and E, are changed the whole characteristics change. The maximum power output from the solar cells decreases as the cell temperature increases, as can be seeninFig.ThetemperaturecoefficientofthePVpanels used is 0.5%/oC, which indicates that every 1oC of temperature risecorrespondstoa drop inthe efficiency by0.5%.ThisindicatesthatheatingofthePVpanelscan affecttheoutputofthepanelssignificantly.

combined system as cooling agents. The water based cooling system was found to increase the solar cells performance higher than the air based cooling system. Withwaterascoolingagent,itwasfoundthatcoolingthe solar photovoltaic panel it increases the solar cells outputpowerbyalmost50%.

Another study shows, a design of novel micro heat pipe array for solar panels cooling. The cooling system consists of an evaporator section and a condenser section.Theinputheatfromthesunvaporizestheliquid inside the evaporator section and then the vapor passes through the condenser section, and finally, the condenser section is cooled down using either air or water. Hence, the heat pipe can transfer the heat from solar panel to air or water depending on the system. Using air as a coolant was found to decrease the solar cellstemperatureby4.7 oCandincreasesthesolarpanel efficiency by 2.6%, while using water as a coolant was foundtodecreasethesolarcellstemperatureby8 oCand thepanelefficiencyby3%.

From the above study wecan conclude that using water asacoolantisfoundtobemoreeffectivethanusingair.

Thecoolingratemodelisdevelopedto:

1. Minimizetheenergyinput.

2. Minimizetheamountofwater.

3. Optimizetimeofcooling.

G. MATHEMATICAL MODELING

i. Heating Rate Model

Fig 1: P Vcharacteristicsasafunctionofthemodule temperatureTm

In order to avoid this overheating, cooling technique is the solution for it. Hybrid Photovoltaic/Thermal (PV/T) solar system is one of the most popular methods for cooling the photovoltaic panels nowadays. The hybrid system consists of a solar photovoltaic panel combined with a cooling system. The cooling agent, i.e., water or air, is circulated around the PV panels for cooling the solar cells, such that the warm water or air leaving the panels may be used for domestic applications such as domesticheating.Itwasalsofoundthatcoolingthesolar photovoltaic panel does not allow the solar cells surface temperature to rise above 46oC when exposed to solar radiationforaperiodof4hours.

A study shows, hybrid PV/T solar system was designed where water and air were both investigated in the

Cooling frequency is function of heating rate of panels.

 Objective was to find the module temperature as a functionoftime.

The module temperature is calculated using the followingequation:

Tm = Tamb +

Where Tm = Module Temperature, Tamb = Ambient Temperature, NOCT = Nominal Operating Cell Temperature, E=SolarIrradiance

TheNOCTisafunctionoftheambientairtemperatureat thesunrisetimeTrise asfollows:

NOCT=20o+Trise

TherateofheatingofthePVpanel, ,isdependenton the following: (i) the ambient temperature, (ii) the irradiance, and (iii) the NOCT. The NOCT has a constant value,whiletheirradianceandtheambienttemperature arefunctionsoftime.Therefore,themoduletemperature willbefunctionoftimebetweensunriseandsunset.

©
Page66
2022, IRJET | Impact Factor value: 7.529 | ISO 9001:2008 Certified Journal |

International Research Journal of Engineering and Technology (IRJET) e ISSN: 2395 0056

In general, this heating rate comes out to be 6oC/hr. or 0.1oC/min. (These are the values observed experimentallyandsouseddirectly)

ii. Cooling Rate Model

Coolingrateisfoundbyenergybalance.  Criticalfromthepointofenergyconsumption

The cooling time t is determined from the following energybalance: Qgainedbycoolingwater =QdissipatedfromPVpanels w ×t×cw ×ΔTw =mg ×cg ×ΔTg t=

Where w=massflowrateofwater, mg=massofglass, cw=specificheatcapacityofwater, cg=heatcapacityofglass, ΔTw=watertemperaturerise , ΔTg=glasstemperaturechangesduetowatercooling

The mass flow rate of water w is calculated from the equation: w = ,where isthewaterdensityand is the volume flow rate. The mass of glass mg is calculated from the equation: mg = Ag xg, where is the density of tempered glass, Ag is the surface area of the PV panel, and the xg is the thickness of the glass coveringthePVpanel.Theheatcapacityofwater,cw,and theheatcapacityofglass,cg,areassumedtobeconstant since the variation in the water and the PV panel temperatureisnotlarge.

III. ANALYSIS AND OPTIMIZATION OF VAWT

Wind is plentiful source of clean energy. To harness electricityfromwindenergy,windturbinesusebladesto collect the wind’s kinetic energy. Wind flows over the bladescreatinglift,whichcausesthebladestoturn. The blades are connected to a drive shaft that turns an electric generator, which produces electricity. Wind turbines can be classified in a first approximation according to its rotor axis orientation and the type of aerodynamic forces used to take energy from wind. There are several other features like power rating, dimensions, number of blades, power control, etc. that are discussed further along the design process and can also be used to classify the turbines in more specific categories.

A. ROTOR AXIS ORIENTATION

Themajorclassificationofwindturbinesisrelatedtothe rotatingaxispositioninrespecttothewind;careshould betakentoavoidconfusionwiththeplaneofrotation:

i. Horizontal Axis Wind Turbines (HAWT):

The rotational axis of this turbine must be oriented parallel to the wind in order to produce power. Numeroussourcesclaimamajorefficiencypersame swept area and the majority of wind turbines are of thistype.

ii. Vertical Axis Wind Turbines (VAWT):

The rotational axis is perpendicular to the wind direction or the mounting surface. The main advantageisthatthegeneratorisongroundlevel,so theyaremoreaccessible,andtheydonotneedayaw system. Because of its proximity to ground, wind speedsavailablearelower

B. DESIGN OF 600W HELICAL BLADE VERTICAL AXIS WIND TURBINE

Fig 2: Coolingtimetversusvolumeflowrate

Temperatureofsolarpanelbeforecooling=45oC

Temperatureofsolarpanelaftercooling=35oC

Temperatureofwateratinlet=25oC

Temperature of water at outlet = 35o C (assumed that waterleavesatsometemperature) ΔTg=ΔTw =10oC

In the case of a horizontal axis wind turbine, a large numberofdevicesarerequired,suchasayawingdevice and a pitching device. While the generation efficiency is relatively high, the blade shape is complicated. There is alsoa disadvantageinthatthewinddirection islimited. In the case of a vertical axis wind turbine, the structure issimple,anditis advantageous forinstallationina city center because there is no restriction of the wind direction.

Typical blade types of vertical axis wind turbines are Darrieus, gyro mill, Savonius, and helical blades. The helicaltypeisadvantageousinthatthefluctuationrange

Volume: 09 Issue: 07 | July 2022 www.irjet.net p ISSN: 2395 0072 © 2022, IRJET | Impact Factor value: 7.529 | ISO 9001:2008 Certified Journal | Page67

International Research Journal of Engineering and Technology (IRJET) e ISSN: 2395 0056

Volume: 09 Issue: 07 | July 2022 www.irjet.net p ISSN: 2395 0072

of the output is smaller than that of the conventional Darrieus or gyro mill blades, and the self starting performance is better. It also has less mechanical load andlessnoisethanaSavoniusrotor,whichisadrag type rotor.

P= ρAωV3 (1)

Fig 3: Basic designparameters ofthe vertical wind turbine

Equation (2) is the mechanical power output generated bytherotationofthewindturbinerotor.

P=Tω (2)

The ratio of the power converted from the rotor power tothewindpowerflowingiscalledthepowercoefficient, which is a concept of aerodynamic energy conversion efficiency. Theoretically, the maximum value of the power coefficient is 0.593 in a horizontal axis wind turbine,whichisknownastheBetzlimit.TheBetzlimit is derived from actuator disk momentum theory and is the theoretical maximum assuming that the flow is steady state, inviscid, and irrotational. The Darrieus turbine is a typical lift type vertical axis wind turbine and has a maximum power coefficient of about 0.4 at a tipspeedratioof5.

Equation (3) shows the power output (P) of the wind turbine considering the power coefficient (CP) and power transmission efficiency (η) A ω is the rotor sweptarea(seeEquation(5))

P= ρAωV3ηCp (3)

The tip speed ratio (λ) is closely related to the power coefficient. The tip speed ratio is defined as the ratio of the blade tip speed and the wind speed at which the bladetipmoveswithrotation,asshowninEquation(4).

λ= (4)

Allwindturbinerotorshaveanoptimumtipspeedratio withmaximumpower.Theoptimalratioisrelatedtothe changeoftheincomingwindspeed.Therotorsweptarea (Aω)isdeterminedbytheradiusandheightofthewind turbine.

Aω=2RH (5)

The wind swept area should consider the height of the rotor(H)andtheaspectratiowithrespecttotheradius (R).Thelongertherotorradius,thehigherthegenerated torque, but the longer the strut length, the lower the structural stability. However, when the rotor height is greater,thegeneratedtorqueislower,andtherotational speed of the rotor should be increased to obtain the same power output. The aspect ratio (AR) can be expressedas

AR= H=AR×2R (6)

Solidity(ς)isanimportantvariablethatdeterminesthe performance of wind turbines. Solidity is defined as the ratioofthetotalprojectedarea(NC)oftherotorbladeto the rotational area of the wind turbine rotor. The projectedarea istheprojectioninthevertical section of therotatingshaftandcanbeexpressedas

Σ= (7)

The blade chord length (C) can be calculated using the solidity. The chord length is the length of the airfoil and is an important design variable because the generated torquechangesaccordingtothechordlength.

Urban wind power generators should operate at low speedwithlownoise.ASavoniuswindturbinecanrotate withatipspeedratiooflessthan1,butthevibrationand noisearesevereduetothecharacteristicsofadrag type rotor. Among the lift type vertical axis wind turbines, helical blade wind turbines have a narrower range of output fluctuation compared to Darrieus and gyro mill wind turbines, and their efficiency is higher due to the largerwind sweptarea.

The purpose of this study is to design a low speed vertical axiswindturbinebladewithatipspeedratioof 1.1ata ratedwindspeedof 10m/s.Thedesign of wind turbinewiththedesigner definedClassSaftermodifying Class1identifiedinIEC61400 2;Figureshowsapicture ofthebasicparametersofthesmallwindturbinesystem. The selected rated wind speed was 10 m/s, which is lowerthanthe rated windspeedcorresponding toClass 1. The height of the rotor hub is 8 m. Wind shear is

© 2022, IRJET | Impact Factor value: 7.529 | ISO 9001:2008 Certified Journal | Page68

International Research Journal of Engineering and Technology (IRJET) e ISSN: 2395 0056

considered, and the velocity profile (V(Z)) is shown in Equation(8).

V(Z)=Vref (Z/Zref)a (8)

Fig 4:Force andvelocities acting onthe vertical wind turbine for various azimuth angles.

Thewindshearpowerindex(a)canbevariedaccording tothesurfaceroughnessoftheterrain.Inthisstudy,0.23 was selected for the condition of a forest or a small number of buildings. Table summarizes the design parameters applied in this study. The maximum wind speed,turbulenceintensity,anddimensionlessslopeare thesameasClass1.Thetargetoutput is600W,andthe air density is 1.225 kg/m3, as specified in IEC 61400 2. The power transmission efficiency was assumed to be 95%, and the average power coefficient turbine was set as 0.15. The design output, air density, design wind speed,andefficiencyaredefinedinEquation(3).

Equation (9) is used for calculating the radius of the windturbinerotorthroughtherelationshipbetweenthe wind sweptareaandtheaspectratio.Aradiusof0.55m andheightof1.43mwerethuschosen.

R=√ (9)

A tip speed ratio of 1.1 was chosen. In the case of a Darrieus type wind turbine, the maximum power coefficientcanbeachievedattipspeedratiosbetween4 and6.Atthedesignedwindspeedof10m/switharotor radius of 0.45 m, the rotational speed is between 230 and500rpm,whichisinadequateforuseinacitycenter. A rotational speed of 230 rpm was derived by applying the radius, design wind speed, and tip speed ratio in Equation(4).Thenumberofbladeswaschosenas3,and the solidity was set as 0.3, which was substituted into Equation(7)todeterminethechordlengthof0.25m.

Inthisstudy,theaerodynamicpowerofthewindturbine rotor was investigated by applying a NACA 0018 airfoil

and a mathematical model using the lift and drag forces of the airfoil according to the angle of attack. Unlike the bladeofahorizontal axiswindturbine,whichhasafixed angle of attack, the angle of attack varies for a vertical axiswindturbinedependingontherotationangleofthe rotor.

Table 8: Bladespecifications

Item Description

Rotortype Helical

Ratedpoweroutput 600W

Ratedwindspeed 10m/s

Transmissionefficiency 0.95 Sweptarea 1.37m2

Aspectratio 1.64 Rotorradius 0.45m Rotorheight 1.5m

Rotationalspeed 230rpm Solidity 0.3 Chordlength 0.25m Numberofblades 3 Airfoil NACA0018

Figure presents the tip velocity vector and the lift, and thedragvectorsgeneratedbytherotationoftheturbine blade. The angle of attack changes with the blade tip velocity vector and the influx wind velocity vector. The vector sum (W) of the tip velocity vector and incoming wind velocity vector (V) is calculated by Equation (10). The maximum value occurs at θ = 0o, and the minimum valueoccursatθ=180

W=√ [ ] = √ (10)

The angle of attack (α) is the angle between the vector sum and the direction of the chord length. As the vector sum changes, the angle of attack has a positive value in theupstreamregionofthe rotoranda negativevaluein the downstream region. The angle of attack can be expressedasEquation(11)

α= ( ) (11)

As shown in the equation, the dominant variable that affects the angle of attack is the tip speed ratio. Figure shows the angle of attack as the blade rotates according to the tip speed ratio. The larger the tip speed ratio, the smaller the range of the angle of attack the airfoil receivesduringrotation.Thelargerthebladetipvelocity vector is, the larger the tip speed ratio is. This occurs because the vector sum direction approaches the direction of the blade’s forward velocity vector, and the angle of attack becomes smaller. The range of the angle

Volume: 09 Issue: 07 | July 2022 www.irjet.net p ISSN: 2395 0072 © 2022, IRJET | Impact Factor value: 7.529 | ISO 9001:2008 Certified Journal | Page69

International Research Journal of Engineering and Technology (IRJET) e ISSN: 2395 0056

of attack of the airfoil is about 66.5o in one rotation of therotor.

-100

AOA Vs Azimuthal

angel

Fig 5: Angle of attack variation in a blade revolution for different tip speedratios.

Table shows the angle of attack at rotor rotation angles of0o to180o whenthetipspeedratiois1.1.

Table 9: Angleofattackinbladerevolution(λ=1.1) Azimuth Angle [o] AOA [o] 0 0.000 10 4.789 20 9.575 30 14.354 40 19.122 50 23.875 60 28.607 70 33.311 80 37.976 90 42.589 100 47.127 110 51.558 120 55.929 130 59.840 140 63.400 150 66.069 160 66.568 170 59.298 180 0.000

Table summarizes the boundary conditions applied to 2DCFDanalysis.Theinletwassetto9m/s,whichisthe design wind speed, and the outlet conditions were pressureboundaryconditions.Theareaaroundtherotor isdividedintoseparateareas,andtherotorareaisgiven a rotation condition and the rest area is given a stop condition. The rotation speed was 170 rpm and the surface of the blade was subjected to the adhesive condition. The analysis was carried out by transient analysis and the time interval was given a time corresponding to the rotor rotation angle of 1o. For the inletfluid,airwithadensityof1.225kg/m3 at1atmand 25 oC specified in IEC 61400 2 was applied and the turbulence intensity was 18%. The URANS analysis was carriedoutasatransientanalysis.Thetimeintervalwas about 9.8 10 4s corresponding to 1o of rotor rotation. The turbulence model adoptedthe same SST turbulence model.

Table 10: Boundaryconditionsfor2DCFDanalysis

Item Description

Inlet 10m/s Outlet Atmosphericpressure(Opening condition)

Side Free slipcondition Bladesurface No slipcondition Rotationalspeed 230rpm Rotationaldirection Counter clockwise

angel ʎ = 4 ʎ = 2 ʎ = 1 ʎ = 1.1 -0.1 0 0.1 0.2 0.3 0.4 0.5 0.6 0.7 0.8 0.9 1 0 1 2 3 4

Figureshowstheliftanddragcoefficientsoftheairfoilat each angle of attack obtained from the two dimensional steady stateCFDanalysis.

Cl & Cd Vs Azimuthal angel Cd Cl

Thelift anddragcoefficients(CL, CD)oftheNACA0018 in Table are defined in Equations (12) and (13), respectively. CL = (12) CD = (13)

Fig 6: GraphofLiftanddragcoefficientvariationina bladeazimuthanglefrom0oto180(NACA0018) calculatedby2DCFDsimulation

Volume: 09 Issue: 07 | July 2022 www.irjet.net p ISSN: 2395 0072 © 2022, IRJET | Impact Factor value: 7.529 | ISO 9001:2008 Certified Journal | Page

70
-50 0 50 100 0 100 200 300 400 AOA Azimuthal

5

Torque Vs Azimuthal angel

Turbulencemodel k ωSST Inlet Velocityinlet Outlet Pressureoutlet Shaft No slipwall Blades No slipwall

A. MESH

0

Azimuthal Angel

Fig 7: GraphofTorqueversusAzimuthalangle (Angleofrotation)

Thenormalcoefficient(CN)andthetangentialcoefficient (C) are generated from the blade by using the lift coefficient and the drag coefficient and calculated using Equations(14)and(15).

CN =CL cosα+CD sinα (14)

CT=CL sinα CD cosα (15)

The normal force (FN) and tangential force (FT) of the blade can be calculated through the normal and tangentialcoefficientsusingEquations(16)and(17).

FN(θ)= CN (16)

FT(θ)= CT (17)

The power output can finally be calculated using the blade torque (Equation (18)) and the angular velocity usingthetangentialforce: T(θ)= CTR (18)

The instantaneous and average power output of the designedrotoraregivenbyEquations(19)and(20) P(θ)=T(θ)×ω (19)

P(θ)= π∫ (20)

IV. CFD

TheCFDsimulationwascarriedoutinOpenFoam.Itwas transientsimulation

Table 11: SystemParameters

Themeshing wasdoneusingsnappyhexMeshandalsoa rotatingMeshwasdefinedfortherotatingblades.

Fig 8: Mesh

B. DIVISION OF DOMAIN

The Domain was divided into 3 parts using decomposePar command so that the solution can be run parallelly.

Fig 9: DivisionofDomain

C. RESULTS:

Theresultsofthesimulationareshownbelow. Paraview wasusedfordoingthepostprocessingpart.Thevelocity andpressurecontourswerevisualized

International Research Journal of Engineering and Technology (IRJET) e ISSN: 2395 0056
©
Certified Journal | Page71
Volume: 09 Issue: 07 | July 2022 www.irjet.net p ISSN: 2395 0072
2022, IRJET | Impact Factor value: 7.529 | ISO 9001:2008
Parameter Description Flowdomain Rectangle(4mx2m) Interface Sliding Grid/type Structured/quad Elements 251,723 Fluid Air
10 15 20 0 1 2 3 4 Torque
International Research Journal of Engineering and Technology (IRJET) e ISSN: 2395 0056 Volume: 09 Issue: 07 | July 2022 www.irjet.net p ISSN: 2395 0072 © 2022, IRJET | Impact Factor value: 7.529 | ISO 9001:2008 Certified Journal | Page72 Fig 10: PressureContour Fig 11: VelocityContour CAD MODELLING Fig 12:ExplodedView Fig 1:RenderedModel Fig 2:Alternator Fig 3

V. INTEGRATION OF THE SYSTEMS

Thesolarwindpowergenerationsystemisdesignedas shownbelow:

generation takes place and supply is taken from grid whenrequirementsexceedthegeneration.

Fig 4 :FlowChart

Thecontrolunitplaystworoles. 

It controls the operation of the inverter. That is if it sensessolarenergy,itautomaticallyswitchesoffthe inverter and allows only charging of battery. This also means that the control unit switches OFF the inverterduringthedayandswitchesONatnight. 

It controls the modulation of the inverter through the feedback loop by adjusting the modulation current.

When solar radiation falls on the solar panel, DC electricity flows. This electricity flows through the charge controller which regulates the DC energy for efficient charging. Similarly, when wind blows over the blades of the turbine, it turns the DC generator. The electricity generated is used for battery charging. The powersfromthesolarpanelandthewindturbineaddup whenthetwosourcesareatreasonablepotentials.When thewindspeedisbelowthe cut inpoint,andina sunny day,solarenergytakesoverthecharging.Ifontheother hand the wind speed is reasonably high and no solar radiation, especially at night, the wind turbine takes over.

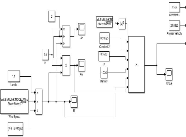
VI. SIMULINK MODEL

We modelled the solar and wind turbine generation together with energy consumption model to understand the renewability of the hybrid system employed. We havetaken200solarpanelsand20windturbinesinthe below model. Which can be varied easily as it used as constantblock.Wehaveusedthe24hrsofhourlydatain the model to understand the net generation to consumption as well. As the system is going to work on net billing i.e., supply is provided to grid when excess

Fig 5: CompleteIntegrationsofwind&solar

Fig 6: SolarEnergygenerationmodel.

Solar model consists of spreadsheet with varying the generation as with time (at night 7pm to 7 am) generation is considered zero. Also, the factors like ageing,temploss,anddustlossarecalculated.

Fig 7: DailyGenerationforsinglepanel

International Research Journal of Engineering and Technology (IRJET) e ISSN: 2395 0056
©
Certified Journal | Page73
Volume: 09 Issue: 07 | July 2022 www.irjet.net p ISSN: 2395 0072
2022, IRJET | Impact Factor value: 7.529 | ISO 9001:2008

Volume: 09 Issue: 07 | July 2022 www.irjet.net p ISSN: 2395 0072

shapeoptimization,numberofbladesandCFDwasdone foranalysis.

As there can be space constraint so 100% renewable maybe difficult for some regions, a percentage of renewable source can be used. A cost model was also developedkeepinginmindthecostandspaceandmake the system affordable on the basis of percentage of renewablesourceused.

Figure 8: Windenergymodel

The SIMULINK model considers number of solar panel and wind turbines so wecan change them based on our space and cost constraint and Complete Integrations of wind & solar model (Fig. 17) will give us renewability percentage and thus help us understand Overall CO2 emission reduction. This is calculated in table below as well. This table showcases tree equivalent for one day consumption and if expanded shows huge role in explainingworthofourwork.

CO2 emission &

Number of Trees Equivalent

% Renewable KWH Kg of CO2 Trees Equivalent 100 1 0.429 0.05753 100 357.93 153.55 2,669.10 70 250.55 107.49 1,868.37 50 178.97 76.78 1,334.55

Fig 9: WindenergymodelII

Fig 11: PercentageRenewableandTreesequivalent.

VIII. REFERENCES

1) Jayesh S. Barad; Mahesh S. Chauhan; Dharmesh S. Barad,Prof.HiteshParmar.Calculationmethodology and development of solar power generating system forhouseholdappliances.2017,4,2456 4184.

2) K.A. Moharram; M.S. Abd Elhady; H.A. Kandil; H. El Sherif. Enhancing the performance of photovoltaic panelsbywatercooling.2013,4,869 877.

3) RoshanBhagatandDr.SamirDeshmukh,“THERMAL MANAGEMENT OF SOLAR PHOTOVOLTAIC PANEL (PV) FOR PERFORMANCE ENHANCEMENT: A REVIEW”, IEJRD International Multidisciplinary Journal,vol.5,no.1,p.9,Jan.2020.

Similar wind turbine model gives us the energy generation in a day with varying wind speed and this is taken from meteorology department website for a day onhourlybasis.

VII. CONCLUSION.

The paper presents a design of a hybrid renewable energy setup with the help of solar and wind energy. In design aspect the focus was on improving the efficiency ofsolarpanelasitliesinrangeof15%.33%increasein efficiency was observed when the solar panels were providedcooling.Theyoperateat20%now.Inthewind turbine focus was on enhancing the performance by

4) Yogesh S Bijjargi, Kale S.S and Shaikh K.A. Cooling Techniques for Photovoltaic Module For Improving Its Conversion Efficiency: A Review. 2016 0976 6340

5) Dr. E.D. Francis, B. Raghu, D.Vera Narayana. Cooling Techniques For Photovoltaic Module For Improving Its Conversion efficiency: A Review. 2016, 2278 7461

6) Oumaima Bendra. Optimizing Solar Cells Efficiency byCoolingTechniques.CapstoneDesign.2017

International Research Journal of Engineering and Technology (IRJET) e ISSN: 2395 0056
©
|
Certified Journal | Page74
2022, IRJET | Impact Factor value: 7.529
ISO 9001:2008
Fig 10: Dailywindturbinegenerationmodel

International Research Journal of Engineering and Technology (IRJET) e ISSN: 2395 0056

Volume: 09 Issue: 07 | July 2022 www.irjet.net p ISSN: 2395 0072

7) J Castillo, Small Scale Vertical Axis Wind Turbine Design, Bachelor’s Thesis, Tampere University of AppliedSciences,December2011.

8) Han,Dowon&Heo, Young &Choi,Nak &Nam,Sang & Choi, Kyoung & Kim, Kyung. (2018). Design, Fabrication, and Performance Test of a 100 W Helical Blade Vertical Axis Wind Turbine at Low Tip Speed Ratio. Energies. 11. 1517. 10.3390/en11061517.

9) Magdi Ragheb and Adam M. Ragheb, Wind Turbines theory The Betz Equation and Optimal Rotor Tip SpeedRatio.2011,10.5772/21398

10) Pellegri,Adriano.TheComplementaryBetz'sTheory. 2019

11) Tao Wei, WenXuan Gou, Chao Fu, YongFeng Yang,Transient Analysis of Speed Varying Rotor with Uncertainty Based on Interval Approaches, Discrete Dynamics in Nature and Society,vol.2018,ArticleID5904724.

12) Chandragupta Mauryan.K.S, Nivethitha.T, Yazhini.B, Preethi.B. Study on Integration of Wind and Solar EnergytoPowerGrid.2014,2248 9622.

13) Eriksson, S.; Bernhoff, H.; Leijon, M. Evaluation of different turbine concepts for wind power. Renew. Sus.EnergyRev.2008, 12,1419 1434.

14) Medugu,D.W.&Michael,E.IntegratedSolar Wind Hybrid Power Generating System for Residential Application.2014,2249 4596.

IX.BIOGRAPHIES

Soham Joshi has completed bachelor's in Mechanical Engineering from the Vishwakarma Institute of Technology, Pune. He is interested in Renewable Energy, Quality Assurance and Lean Methodology.

Atharva Joshi has completed bachelor's in Mechanical Engineering from the Vishwakarma Institute of Technology, Pune. He has worked in Formula Studentcompetitionsandholdsinterest in Research and Sustainable development,operationsandsixSigma.

Jayendra Patil has completed bachelor's in Mechanical Engineering student from the Vishwakarma Institute of Technology, Pune. He has workedinSAEBajacompetitionsandis interested in Automobile, automation andadditivemanufacturing

Suyog Jare has completed bachelor's in Mechanical Engineering student from the Vishwakarma Institute of Technology, Pune. He has worked in SAEBajacompetitionsandisinterested in Automobiles, Supply chain analytics andOperationalresearch.

Rojince Thomas has completed his B.Tech. degree in Mechanical Engineering from Vishwakarma Institute of Technology, Pune, India. He has a keen interest in Supply Chain Management, Quality Control, and Lean Methodology. Rojince is also curious aboutpaintingandmusic.

© 2022, IRJET | Impact Factor value: 7.529 | ISO 9001:2008 Certified Journal | Page75

Turn static files into dynamic content formats.

Create a flipbook