REDUCTION OF CHARGING TIME OF PLUG-IN ELECTRIC VEHICLE USING SMART CHARGING ALGORITHM

Page 1

International Research Journal of Engineering and Technology (IRJET) e ISSN: 2395 0056

Volume: 09 Issue: 06 | Jun 2022 www.irjet.net p ISSN: 2395 0072

REDUCTION OF CHARGING TIME OF PLUG-IN ELECTRIC VEHICLE USING SMART CHARGING ALGORITHM

1

2

1M. E. Power Systems Engineering, K. S. Rangasamy College of Technology, Tamil Nadu 637 215, India. 2Professor, EEE, K. S. Rangasamy College of Technology, Tamil Nadu 637 215, India. ***

Abstract In order to improve the air quality and to reduce the usage of fuel, the preference for Electric Vehicle (EV) is increased. The Direct Current Fast Charging Station (DCFCS) with renewable energy source which has Energy Storage System (ESS) and converters will relieve the stress on grid and mitigate the emission of carbon. DCFCS placed on Photovoltaic system and without ESS method were proposed for the purpose of reducing the cost. To get high output power from PV and under usage of Grid Interlinked Converter (GIC) in non ESS system is done by using Smart Charging Algorithm (SCA) which completely correlate the properties of source and load on the grid and electric vehicle. The SCA was processed by using two algorithms: self regulated algorithm (SRA) and grid regulated algorithm (GRA). SRA operation depends upon the load requirement (i.e., electric vehicle) and it triggers the switch when there is low power fluctuation. GRA triggers the switch to GIC when there is high power fluctuation. The charging time of electric vehicle is reduced by triggering the switching process quickly which is done by smart charging algorithm. The simulation result shows that this proposed system reduced the charging time of electric vehicle.

Key Words: Electricvehicle,non energystoragesystem, Grid interlinked converter, fast charging station, smart chargingalgorithm

1. INTRODUCTION

Electric vehicles are being pushed around the world intendingtomitigatethecarbonemissionsandutilizationof fossilresources.Thefastchargingstation(FCS)usesdirect current(DC)toboostthechargingrateandrangeofelectric vehicles.Asaresult,theDCFCSbasedonaphotovoltaic(PV) system is used to relieve grid stress while also lowering carbonemissions.[1 4].Ingeneral,theenergystoragesystem (ESS),suchasthebattery,supercapacitor,flywheel,andso on,isusedinthehybridpowersupplysystem(HPSS)orDC FCSbasedonrenewablesystemstoremovedynamicpower fluctuation.[5 7] To achieve multi mode operation and consumption minimization for the HPSS, the literature [8] offeredapowermanagementtechniquebasedonadaptive droop control. The literature [9] looked at how to get the mostoutofESSinDCFCS.DCFCSarchitectureandoperation modehavealsobeenextensivelyresearched.SeveralDCFCS architecturesweredevelopedandexploredintheliteratures

[12] [13]. PV, grid, ESS, and EVs were proposed in the literatures[14] [15].However,theenormouscostoflarge scaleESSuseinFCSismostlyignoredintheseresearch.The costoptimizationofFCSwasstudiedintheliteratures[16] [19].Intheliterature[16],theappropriatesizeoftheESSfor FCSisinvestigatedinordertolowerthecostofESS.TheESS costdegradationmodelisused,aswellasthelevelizedcostof aPVsystem[17].Literature[18]proposedanidealreal time coordinatedcharginganddischargingtechniqueforESSin FCS to attain maximum economic benefits. A new energy management system for the optimum operation of power sourcesinFCSwasreportedinliterature[19].Todecrease thehighcostofESS,theDCFCSarchitecturebasedonESS freeisfirstusedandresearchedinthisstudy.

Meanwhile,intheabsenceofESS,thesmartcharging algorithm(SCA)isproposedtofullycoordinatethegridand EV source/load attributes, which can balance the power fluctuations of FCS. Constant current (CC) and constant voltage (CV) charging modes are extensively employed in battery[20] [21]toensuremaximumchargingefficiency.The literature[23]proposescomprehensiveDCpowerbalance controlinconjunctionwithahigh powerthree levelDC DC converter based on the fast charger, which may minimise fluctuating neutral point currents and provide balanced operationforDCFCS.Literature[24]developedanintegrated rapid charging navigation method that considered both trafficinformationandgridstatusfullytoaddresstheimpact ofquickchargingonpowersystems.Literature[25]provides an optimal charging rate control of EVs based on a multi agentsystem framework toallocate theavailablecharging power.ThechargingpowerofEVsismodifiedbasedonthe DCbusvoltagetoensureoptimalDCFCSpowermanagement.

According to the preceding discussion, while removingtheESScanconsiderablyreducethecostofFCS, balancingthepowerfluctuationinFCSisdifficult,andpower management strategies have not been researched for this conditioninpriorliteratures.Furthermore,maximizingthe dynamicloadcharacteristicofEVshastheaddedbenefitof enhancing FCS power stability. Furthermore, the underutilizationofGICsduetofrequentpowerexchangeis not well addressed. The following are the contributions of thisstudytosolvingtheseproblems:

The DC FCS based on PV system and ESS free is developedandimplementedfirst,whicheffectively

©
| Page3412
2022, IRJET | Impact Factor value: 7 529 | ISO 9001:2008 Certified Journal

International Research Journal of Engineering and Technology (IRJET) e ISSN: 2395 0056

Volume: 09 Issue: 06 | Jun 2022 www.irjet.net p ISSN: 2395 0072

reducestheESSdesignandmaintenanceexpenses ascomparedtostandardFCS.

Whenthereisn'tanyofESSassistance,theproposed SCAfullycoordinatesthegridandEVsource/load properties to provide optimum PV power output, highGICutilizationrate,andoptimalchargingofall EVsinFCS.

SRAredistributesthechargingpowerofeachEVto ensure grid and FCS power transfer is stable. The SRAwithmodifieddroopcontrolforEVscanachieve proportionatechargingpowerregulationamongthe EVsbasedonSOCfeedback.

GRA is proposed to prevent bigger power fluctuations based on DC side adaptive droop control for GICs. When compared to a single GIC, employingnumerousGICscansignificantlyimprove converterutilization.

The following is a breakdown of the paper's structure.ThestructureofFCSisdefinedinpartII,andthe majorcomponentsareexamined.TheSCAandcontrolplan are the emphasis of Section III. In Sections IV and V, the proposedcontroltechniqueisvalidatedthroughaseriesof simulationandexperimentalresult.SectionVIconcludeswith apredictionandaconclusion.

2. OBJECTIVE

Themainobjectiveofthisproposedsystemistominimize theamountoftimeittakestocharge,toalleviategridstress, to lower the price, to compensate for power fluctuations duringEVrapidchargingandtoextendthebattery'slifespan.

3. STRUCTURE OF FAST CHARGING STATION

3.1 Architecture of the proposed system

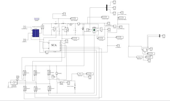
ThesolarenergyisabsorbedbythePVpanelandthen transmittedtothebatteryviaadc dcconverter.Thecharging stationusesadc/dcconvertertochargetheelectricvehicle. Thegridcanalsobeusedtoprovidepower.InatypicalFCS, ESSisemployedtomitigatepowerfluctuationsproducedby EV access that is irregular and frequent, as well as the PV system'sintermittency.Inthisstudy,theSCA,whichismade upofSRAandGRA,triestoachieveESSsubstitutioninFCSby coordinatingthepowerdistributionofEVsandGICs.TheDC bus voltage is a good representation of the FCS power fluctuationrange.Duetotheuniquetemporalanddynamic loadcharacteristicsofEVs,frequentpowerfluctuationswill resultinreducedGICuse.BecausethechargingperiodofEVs isatthehourlevel,thisworkusesSRAtocontrolthecharging powerofEVsinordertopreventtinypoweroscillationsin FCS.

Fig 1:Blockdiagramofproposedsystem

Theproportionaldynamicpowerregulationamong EVscanbeachievedusingtheSRAforEVsbasedonmodified droopchargingwithSOCfeedback.Ifthepowerfluctuationis large,continuingtoemploySRAtominimizethefluctuation willslowdownEVchargingorshortenbatterylife,bothof whichareunacceptabletousers.GRAisusedtoensurethat EVs retain appropriate charging power and increase the utilization rate of GICs in the event of higher power fluctuations.

3.2 Solar panel

InFCS,thePVsystemisthemostimportantpartofthe HPSS.TheDCbusisconnectedtoa PVsystemmadeupof numerous sets of parallel arrays. PV systems will be prioritized forchargingEVsintheproposedFCS,decreasing utility grid stress, especially during peak hours. The boost converterisselectedforusageinthePVsysteminorderto achieve maximum power point tracking (MPPT). The PV system's intermittency, on the other hand, needs to be handled.

3.3 Grid

Gridsareusuallyinvariablysynchronous,whichmeans that all distribution zones use synchronized three phase alternatingcurrent(AC)frequencies(sothatvoltageswings occuratalmostthesametime).InFCS,theACmodule,which consistsofaseriesofparallelGICs,isflexible.TheGICswillbe engaged if the EVs are unable to balance the power fluctuationtothepointwheretheDCbusvoltageexceedsthe defined threshold range. GICs can absorb large power fluctuations,ensuringthatEVsreceivethepropercharging power.UsingnumerousGICscanhelpyougetthemostoutof yourconverter.

3.4 Converter

AconverterisanelectricalcircuitthatacceptsaDCinput and provides a DC output of a different voltage, which is commonlyaccomplishedusinghighfrequencyswitchingand inductive and capacitive filter elements. A converter can perform one ormore functions while producingan output thatisdifferentfromtheinput.Thedc dcconverter,whichis bothaboostconverterandabuckconverter,isusedinthis

© 2022,
|
7
Certified Journal | Page3413
IRJET
Impact Factor value:
529 | ISO 9001:2008

International Research Journal of Engineering and Technology (IRJET) e ISSN: 2395 0056

Volume: 09 Issue: 06 | Jun 2022 www.irjet.net p ISSN: 2395 0072

suggestedsystem.Thedc dcconverter,whichisbothaboost converter and a buck converter, is used in this suggested system.TheboostconverterisselectedforusageinthePV systeminordertoachievemaximumpowerpointtracking (MPPT). Each boost converter is assessed based on its capacity to operate efficiently, as well as its size and implementationcost.

4. SMART CHARGING ALGORITHM

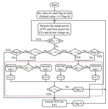
The ESSisutilizedto decrease power fluctuations producedbyEVaccessthatisirregularandfrequent,aswell asthePVsystem'sintermittency.Inthisstudy,theSCA,which ismadeupofSRAandGRA,triestoachieveESSsubstitution in FCS by coordinating the power distribution of EVs and GICs.TheSCAflowchartisgiveninFig.2.TheDCbusvoltage isagoodrepresentationoftheFCSpowerfluctuationrange. Duetotheuniquetemporalanddynamicloadcharacteristics ofEVs,frequentpowerfluctuationswillresultinreducedGIC use.BecauseEVchargingtimesaremeasuredinhours,this studyusesaSelfRegulatedAlgorithmtocontrolEVcharging power and prevent tiny power oscillations intheFCS.The flowchartofsmartchargingalgorithmwasreferredinthe literature[10].

multipleGICscaneffectivelyenhancetheusagerate,given thepoorutilizationrateofsingleGICs.

The droopcoefficient mustbe changed adaptively basedontheworkingstatesofGICsandtheDCbusvoltageto ensure HPSS stability. GIC maintains the initial droop coefficientandtheDCbusvoltageisproportionatetooutput powerevenwhen itdoesnotachieveitsmaximumoutput power.WhentheGICachievesitsmaximumoutputcapacity andthenextGICisengaged,thedroopcoefficientoftheGIC varieswiththeDCbusvoltage.Thedroopcoefficientcanbe dynamically adjusted to ensure that the output voltage of eachGICmatchestheDCbusvoltage.

5. EXPERIMENTAL RESULT

5.1 Simulation

TheSCA,whichismadeupofSRAandGRA,intends toachieveESSsubstitutioninFCSbycoordinatingthepower distributionofEVsandGICs. TheDC bus voltageisa good representationoftheFCSpowerfluctuationrange.Duetothe unique temporal and dynamic load characteristics of EVs, frequentpowerfluctuationswillresultinreducedGICuse. BecauseEVchargingtimesaremeasuredinhours,thisstudy usesaSelfRegulatedAlgorithmtocontrolEVchargingpower and prevent tiny power oscillations in the FCS. The proportionaldynamic powerregulationamongEVscanbe achieved using the SRA for EVs based on modified droop charging with SOC feedback. If the power fluctuation is considerable, continuing to utilize SRA to minimize the fluctuationwillslowdownEVcharging(lowchargingpower) orshortenbatterylife(highchargingpower),bothofwhich areunsatisfactorytousers.

Fig 2:FlowchartofSCA

ThepowerexchangebetweenFCSandtheelectrical gridisconstantduringtheSRAregulatingprocess.SRAwill begin power regulation among the EVs if the voltage shift induced by the power fluctuation is not greater than the voltagethresholdrange.Amodifieddroopcontrolbasedon the SOC value is presented to accomplish FCS power balancingviaSRAofnumerousEVs.Then,intheCCandCV stages,afullstudyofthedroopfeatureswillbepresented. GICsmustbeinvolvedinmoderatingbigpowerfluctuations inFCStokeepEVsataproperchargingpower.GRAbasedon

Fig -3:Simulationoftheproposedsystem

GRA is used to ensure that EVs retain appropriate chargingpowerandincreasetheutilizationrateofGICsinthe event of higher power fluctuations. The power exchange between FCS and the electrical grid is constant during the SRA regulating process. SRA will begin power regulation among the EVs if the voltage shift induced by the power fluctuationisnotgreaterthanthevoltagethresholdrange.A modifieddroopcontrolbasedontheSOCvalueispresented toaccomplishFCSpowerbalancingviaSRAofnumerousEVs. Then, in the CC and CV stages, a full study of the droop features will be presented. GICs must be involved in

2022, IRJET | Impact Factor value: 7 529 | ISO 9001:2008 Certified Journal

Page3414
©
|

International Research Journal of Engineering and Technology (IRJET) e ISSN: 2395 0056

Volume: 09 Issue: 06 | Jun 2022 www.irjet.net p ISSN: 2395 0072

moderatingbigpowerfluctuationsinFCStokeepEVsata properchargingpower.

GRAbasedonmultipleGICscaneffectivelyenhancethe usagerate,giventhepoorutilizationrateofsingleGICs.The droopcoefficientmustbechangedadaptivelybasedonthe workingstatesofGICsandtheDCbusvoltagetoensureHPSS stability.GICmaintainstheinitialdroopcoefficientandthe DCbusvoltageisproportionatetooutputpowerevenwhenit doesnotachieveitsmaximumoutputpower.WhentheGIC achieves its maximum output capacity and the next GIC is engaged,thedroopcoefficientoftheGICvarieswiththeDC bus voltage. The droop coefficient can be dynamically adjusted to ensure that the output voltage of each GIC is compatiblewiththeDCbusvoltage.

5.2 Result

The simulationoutputandanalysisofsolar panel, converter,battery,inverter,gridandchargingtimewithSCA wereshowninfollowingfigures.Theoutput ofsolarpanel afterusingdc dcboostconverterisshowninFig.4.

Fig 4:SolarVoltage

Thepowertakenfromthegridtochargethebattery ofelectricvehiclebyusingsmartchargingalgorithmisshown intheFig.5.Thepowerisdrawnfromthegridonlywhen thereishighpowerfluctuationisobserved.

Fig 6:Gatepulse

Thebatterygetschargedbyusingthesourcesuchas solar power and grid. The charging source of battery is decided by using the controller such as smart charging controller. The current, voltage and state of charge of a batteryisshownintheFig.7.

Fig 7:SoCofBattery

Themainobjectiveofusingthismethodisreducethe chargingtimeofelectricvehicle.Thisisobtainedbyusing the newly proposed algorithm called smart charging algorithm.Thisalgorithmisbasicallyaswitchingtechnique whichcontrolstheswitchingoperationofthesystem.The comparisonofchargingtimeofanelectricvehiclewithSCA and without SCA is shown in the Fig.7 proves that the chargingtimeelectricvehicleisreducedby200secwhile usingSCA.

Fig -5:GridVoltage

The gate pulse shown in the Fig 6 is given to the switch by using the smart charging algorithm. This gate pulseisusedtotriggerthegateoftheswitchtofastenthe processofopenandcloseoftheswitch.Thisprocesscan speed the flow of charge through the circuit. So, that chargingspeedcanbeincreased.

Fig 8:TimeComparisonofChargingEV

©
Certified Journal | Page3415
2022, IRJET | Impact Factor value: 7 529 | ISO 9001:2008

International Research Journal of Engineering and Technology (IRJET) e ISSN: 2395 0056

Volume: 09 Issue: 06 | Jun 2022 www.irjet.net p ISSN: 2395 0072

6. CONCLUSION

Reduced ESS costs and improved GIC usage are criticalinDCFCSbasedonHPSS.ForDCFCS,aSCAbasedon ESS freeisproposed.Simulationisusedtodemonstratethe usefulnessofthesuggestedapproach.IntheabsenceofESS, SCAcanfullydeploythepowertransferofGICsandEVsin FCS to balance power fluctuations caused by EV irregular access and PV system intermittency, ensuring FCS power balance. The suggested SRA, which is a dynamic droop regulation of EV charging power based on SOC data, can effectivelyusethedynamicloadcharacteristicsofEVsand improve FCS power supply. GRA with the adaptive droop controlapproachcanobtainahigherusageofseveralGICs thanasingleGIC.TheefficiencyofSCAismeasuredbythe amountoftimeittakestochargethebatteryofanelectric vehicle.

7 FUTURE SCOPE

Inafuturestudy,theload(motor)willbechargedby the battery, which will transmit feedback to the SCA for batterylifeprotection,andtheVehicletoGridmode(V2G) willbestudiedtoimprovegridpowersupport.Thisstrategy isproposedtokeeptheelectricalgrid'svoltagestable.

REFRENCES

[1]. H. Tu, H. Feng, S. Srdic and S. Lukic, "Extreme Fast ChargingofElectricVehicles:ATechnologyOverview," IEEETransactionsonTransportationElectrification,vol. 5, no. 4, pp. 861 878, Dec. 2019, DOI:10.1109/TTE.2019.2958709

[2]. SanghunKim;HonnyongCha;Heung GeunKim,“High Efficiency Voltage Balancer Having DC DC Converter Function for EVChargingStation”, IEEE Journal of EmergingandSelectedTopicsinPowerElectronics,Vol: 9, Issue: 1, pp 812 821, Feb. 2021, DOI:10.1109/JESTPE.2019.2963124

[3]. XiaoouLiu,“Dynamic ResponseCharacteristicsofFast Charging Station EVs on Interaction of Multiple Vehicles”, IEEE Access, vol. 8, pp. 42404 42421, Mar. 2020,DOI:10.1109/ACCESS.2020.2977460

[4]. Y.Zhang,P.YouandL.Cai,"OptimalChargingScheduling byPricingforEVChargingStationWithDualCharging Modes,"IEEETransactionsonIntelligentTransportation Systems, vol. 20, no. 9, pp. 3386 3396, Sep. 2019, DOI:10.1109/TITS.2018.2876287

[5]. Hossein Parastvand; Octavian Bass; Mohammad A. S. Masoum;AirlieChapman,StefanW.Lachowicz,“Robust PlacementandSizingofChargingStationsFromaNovel Graph Theoretic Perspective”, IEEE Access, Vol: 8, pp 118593 118602 Jun 2020, DOI:10.1109/ACCESS.2020.3005677

[6]. Md Ahsanul Hoque Rafi; Jennifer Bauman, “A Comprehensive Review of DC Fast ChargingStationsWith Energy Storage: Architectures,

PowerConverters,andAnalysis”,IEEETransactionson TransportationElectrification,Vol:7,Issue:2,pp 345 368,Jun2021,DOI:10.1109/TTE.2020.3015743

[7]. Mohammad Ekramul Kabir; Chadi Assi; Hyame Alameddine; JosephAntoun;Jun Yan, “Demand Aware Provisioning of ElectricVehicles FastCharging Infrastructure”, IEEE Transactions on Vehicular Technology, Vol: 69, pp 74853 74863, Apr 2020, DOI:10.1109/TVT.2020.2993509 [8]. Akhtar Hussain; Van Hai Bui; Hak Man Kim, “Optimal Sizing Of Battery Energy Storage System In A Fast Ev Charging Station Considering Power Outages”, IEEE TranscationonTransportationElectrification,Volume:6, Issue:2,June2020,DOI:10.1109/TTE.2020.2980744 [9]. HossamA.Gabbar;AhmedM.Othman;FrancescoPino; MaurizioRepetto, "ImprovedPerformanceOfFlywheel Fast Charging System (Ffcs) Using Enhanced Artificial Immune System (EAIS)“, IEEE Systems Journal, Volume:14, Issue:1, 2020, DOI:10.1109/JSYST.2019.2892002 [10]. QifuCheng;LeiChen;QiuyeSun;RuiWang;Dazhong Ma;DehaoQin,"ASmartChargingAlgorithm basedFast ChargingStationWithoutEnergyStorageSystem",CSEE JournalofPowerandEnergySystems,vol.7,no.4,pp 850 861 Jul. 2021, DOI:10.17775/CSEEJPES.2020.00350 [11]. Mostafa M. Mahfouz; M. Reza Iravani, “Grid IntegrationofBattery EnabledDCFastChargingStation for Electric Vehicles”, IEEE Transaction on Energy Conversion, Vol: 35, Issue: 1, March 2020, DOI:10.1109/TEC.2019.2945293

[12]. XinanWang;JianhuiWang;JianzheLiu,“Vehicleto GridFrequencyRegulationCapacityOptimalScheduling for Battery SwappingStationUsing Deep Q Network”, IEEE Transactions on Industrial Informatics, Vol: 17, issue: 2, pp 1342 1351, Feb 2021, DOI:10.1109/TII.2020.2993858

[13]. Q. Yan, B. Zhang and M. Kezunovic, "Optimized OperationalCostReductionforanEVChargingStation Integrated With Battery Energy Storage and PV Generation,"IEEETransactionsonSmartGrid,vol.10, no. 2, pp. 2096 2106, Mar. 2019, DOI:10.1109/TSG.2017.2788440

[14]. GauthamRamChandraMouli;MahdiKefayati;Ross Baldick;PavolBauer,"IntegratedPVChargingofEVFleet Based on Energy Prices, V2G, and Offer of Reserves”, IEEE Transactions on Smart Grid, vol. 10, no. 2, Mar. 2019,DOI:10.1109/TSG.2017.2763683

[15]. PreethamGoliandWajihaShireen,“PVIntegrated Smart Charging of PHEVs Based on DC Link Voltage Sensing“,IEEETransactionsOnSmartGrid,Vol.5,no 3, May2014,DOI:10.1109/TSG.2013.2286745 [16]. K.Chaudhari, A.Ukil, K.N.Kumar,U.Manandhar andS.K.Kollimalla,"HybridOptimizationforEconomic Deployment of ESS in PV Integrated EV Charging Stations,"IEEETransactionsonIndustrialInformatics, vol. 14, no. 1, pp. 106 116, Jan. 2018,

©
Page3416
2022, IRJET | Impact Factor value: 7 529 | ISO 9001:2008 Certified Journal |

International Research Journal of Engineering and Technology (IRJET) e ISSN: 2395 0056

Volume: 09 Issue: 06 | Jun 2022 www.irjet.net p ISSN: 2395 0072

DOI:10.1109/TII.2017.2713481

[17]. L. Zhang, X. Hu, Z. Wang, F. Sun, J. Deng and D. G. Dorrell, "MultiobjectiveOptimalSizingofHybridEnergy StorageSystemforElectricVehicles,"IEEETransactions onVehicularTechnology,vol.67,no.2,pp.1027 1035, Feb.2018,DOI:10.1109/TVT.2017.2762368

[18]. Mostafa M. Mahfouz; Reza Iravani, “A Supervisory Control for Resilient Operation of the Battery Enabled DCFastChargingStationand the Grid”, IEEE Transactions on Power Delivery, Vol: 34, issue: 6, pp 2532 2541, Aug 2021, DOI:10.1109/TPWRD.2020.3031859

[19]. Q. Wu, R. Guan, X. Sun, Y. Wang and X. Li, "SoC Balancing Strategy for Multiple Energy Storage Units WithDifferentCapacitiesinIslandedMicrogridsBased on Droop Control," IEEE Journal of Emerging and Selected Topics in Power Electronics, vol. 6, no. 4, pp. 1932 1941, Dec. 2018, DOI:10.1109/JESTPE.2018.2789481

[20]. F. Gao, R. Kang, J. Cao and T. Yang, "Primary and secondarycontrolinDCmicrogrids:areview,"Journalof ModernPowerSystemsandCleanEnergy,vol.7,no.2, pp. 227 242, Mar. 2019, DOI:10.1007/s40565 018 0466 5

[21]. J.Zhou,Y.Xu,H.Sun,Y.LiandM.Chow,"Distributed Power Management for Networked AC DC Microgrids With Unbalanced Microgrids," IEEE Transactions on Industrial Informatics, vol. 16, no. 3, pp. 1655 1667, March2020,DOI:10.1109/TII.2019.2925133

[22]. Mondeep Mazumder;Sanjoy Debbarma, “EV ChargingStationsWithaProvisionofV2GandVoltage Support in a Distribution Network”, IEEE Systems Journal, Vol: 15,Issue: 1, pp 662 671, Mar. 2021, DOI:10.1109/TII.2019.2925133

[23]. T.Tran,M.R.Islam,K.M.MuttaqiandD.Sutanto,"An Efficient Energy Management Approach for a Solar Powered EV Battery Charging Facility to Support Distribution Grids," IEEE Transactions on Industry Applications, vol. 55, no. 6, pp. 6517 6526, Sep. 2019, DOI:10.1109/TIA.2019.2940923

[24]. S. Negarestani, M. Fotuhi Firuzabad, M. Rastegar and A. Rajabi Ghahnavieh, "Optimal Sizing of Storage System in a Fast Charging Station for Plug in Hybrid ElectricVehicles,"IEEETransactionsonTransportation Electrification, vol. 2, no. 4, pp. 443 453, Dec. 2016, DOI:10.1109/TTE.2016.2559165

[25]. S. Rivera and B. Wu, "Electric Vehicle Charging StationWithanEnergyStorageStageforSplit DCBus Voltage Balancing," IEEE Transactions on Power Electronics, vol. 32, no. 3, pp. 2376 2386, Mar. 2017, DOI:10.1109/TPEL.2016.2568039

©
| Page3417
2022, IRJET | Impact Factor value: 7 529 | ISO 9001:2008 Certified Journal

Turn static files into dynamic content formats.

Create a flipbook