IOT based Fully Automated Speed Bumps and Road Blockers for Smart Cities

Page 1

International Research Journal of Engineering and Technology (IRJET) e-ISSN: 2395-0056

Volume: 09 Issue: 06 | Jun 2022 www.irjet.net p-ISSN: 2395-0072

IOT based Fully Automated Speed Bumps and Road Blockers for Smart Cities

1PG Scholar, K. S. Rangasamy College of Technology, Tiruchengode, Namakkal (Dt.), Tamil Nadu 637215, India.

2 Professor/EEE, K. S. R. College of Engineering,Tiruchengode, Namakkal (Dt.), Tamil Nadu 637 215, India. ***

Abstract – The population of city and number of vehicles is increasing day by day. An increasing population growth leads to create traffic congestions and choosing wrong way to travel. This paper presents the automatic speed controlled of the vehicles through road blockers, speed bumps and tyre killers and it synchronizes the concept of IoT with roads to make them smart and an ability to make things more coherent and effective. Now a days, vehicles are IoT enables and connected to the internet, we have an effective technique to guide emergency vehicles like ambulance and fire trucks need to reach their destinations earlier with shortest path. This system is very important to design an intelligent traffic system intelligent to avoid accidents, collisions and traffic jams. This IoT system is a combination of Radio Frequency Identification (RFID) technology and internet platforms which works with complete automation.

Key Words: IoT, RFID, Road Blocker, Speed Bumps, Tyre Killer, Emergency Vehicles.

1. INTRODUCTION

Technologyhasbroughtfinechangesintoeveryportionof our life by making it reliable and smart. There are many situations in which technologies can be used to avoid accidents in roads which open a wide window for the requirementofsmartroadsystem.Thedesigninvolvesthe road side units as part of intelligent transport system involvinginternetofthings(IOT).Theroadblockersarethe controlledtrafficsettings itisavailabletoprotectthelives and properties. These proposed systems is specially designedforthetrafficflowcommunity,commercialareas, inparkingslots,residentialareas,bylimitingaccesstoonly authorized vehicular traffic and high level traffic control commercialentrancesandexit.Speedbumpsareplacedon residentialplaces,crammedplaces,andschoolzones[1].It placesontheground(road)tocontrolthespeedofvehicles atthedaytime.Thereisnoneedofthespeedbumpsatnight time,itrotatesdownwardsandgetsflattenedontheroad. Tyre killers are spike barriers. This system is fixed at the roadandcomposedofheavydutyspikesthatrisesfromthe grounditoperateslikeanaccesscontrolbarrier,itprevents thepassageofunauthorizedvehiclesoritallowsexitfroma supervisedarea.

2. OBJECTIVES

• The main purpose of the tyre killer and traffic barrieris forinstance,controllingtheflowofTraffic orpreventingunauthorizedvehiclesfromentering secureareas.

• Themainpurposeofthespeedbumpsistocontrol theoverspeedinparticularregionRoad.

• To avoid the unnecessary accidents and save our peoples.

• Workzonebarriersareusedtoprotecttrafficfrom Hazards.

• Toreducethehumanwork.

• Toreducethetimeconsumptions.

3. EXISTING SYSTEM

In this method is fully focused tomakethe traffic light fully adaptive using the wireless sensor network [2]. According to the concept of this method, traffic light changetheirstatesfromRedtoGreenorviceversaasperthe loadoftrafficandstatictimelimithastheleast importance asload of trafficoverrulethetrafficsignalautomaticallyis showninfigure1.

Fig 1:Trafficloadedintersection

This method does not focus upon the prioritization of vehicle onintersectionsbecause at some point of times it happens thatemergencyvehicleskeeponwaitingfortheir intersection sideto getgreenandcleartopass.Andit'sbeen seenthatitslowthanks tothis,rescueteamgetsdelay to reach their destinations which results in more damage. Hence, these want bit refinements to create some changes thattakestakecareoftheemergencyvehiclesto urgepass withpriority[3].

© 2022, IRJET | Impact Factor value: 7.529 | ISO 9001:2008 Certified Journal | Page3029

International Research Journal of Engineering and Technology (IRJET) e ISSN: 2395 0056

Volume: 09 Issue: 06 | Jun 2022 www.irjet.net p ISSN: 2395 0072

3.1 WSITMN

WSITMN is a traffic monitoring system that uses radio frequency identification (RFID) tags and wireless sensor network (WSN) is shown in figure 2. Here each vehicle is givenaRFIDtagandonceavehiclewithaRFIDtagentersthe observancezone,theRFIDreaderreadstheinformationon theRFIDtagandgathers informationaboutthetrafficflow. All the data collected is processed and sent to the base station. The base station then compiles the data, and transmits it to the monitoring center, where all the data gathered are analyzed and decisions are made. Here the disadvantageisthatthemostobservancecentercouldbea centralized system and if it fails then the total system becomesuseless.Thisprocessisalsoabittimetakingandit isalsonotpossibletosetRFIDtagsonallthepassingvehicles [4].

4. PROPOSED SYSTEM

The microcontroller is the major part of the controlling systemisshowninfigure4.Theconsequenceblockcanbe designedontherequirementconverterblocksgetssupply directlyfromthesourcethroughafiltercircuit.

Fig 2:WSNusingRFID

TheGovernmenthasapprovedaNationalRoadSafetyPolicy isshowninfigure3.

Fig 3:RoadfacilitiesinIndia

This Policy outlines various policy measures such as promotingawareness,establishing roadsafetyinformation database,encouragingsaferroadinfrastructureincluding applicationintelligenttransportenforcementofsafetylaws etc.,[5].Thedeathsurveyisshownintable1.

Table -1: DeathSurveyontheRoad

Fig 4:Blockdiagramfortheproposedsystem

The converter block converts the AC source supply into controlledDCsupplyandalsotheconverterblockprovides theconstantvoltagewiththehelpofvoltageregulatortothe microcontrollerisshowninfigure5.

Fig -5:Powersupply

Thisisprovidedwithacrystaloscillatortogetastableclock signal which also converts the mechanical signal into the electricalsignalwithaverypreciousfrequency.Resetbutton isusedtostopthecurrentprocessandrestarttheprocess. The input signalforthemicrocontrollerwasreceivedfrom thesensor.RFsensorwillmeasureRadioFrequencywaves fromtheobjectsinitsfield ofviews.Accordingtothesignal received the microcontroller will execute the system [6]. Then the output from the transceiver is sent to thetraffic signal and display board. Depending on the signal the informationonthedisplayboardisupdated.The 230V AC supplyisstepdownto12VandthisACvoltage is rectified to the DC voltage by the bridge Rectifier andthen this voltage is send to the capacitance for removing the harmonics gift within the voltage. This filtered voltage is then regulated by the voltage regulated to 5V and then passed intoanothercapacitortofilterthenoisesignals.The input from thepowersupplyisgiventotheradiofrequency sensorandtothemicrocontrollerunit.

©
Certified Journal | Page3030
2022, IRJET | Impact Factor value: 7.529 | ISO 9001:2008
Over
Dangerous
RedLight
Drunken
Fatal
AccidentsType 2019 2020
Speeding 1,39,985 63,940
Driving 2,34,422 1,11,483
Jump 1,67,911 1,02,180
andDrive 33,343 16,000
Accidents 1,565 629 SimpleAccidents 5,017 2,064

International Research Journal of Engineering and Technology (IRJET) e ISSN: 2395 0056

Volume: 09 Issue: 06 | Jun 2022 www.irjet.net p ISSN: 2395 0072

ThecomputeddatafromMicrocontrolleristhentransmitted tothe smart mobile throughIoT(InternetofThings).The controller makes use of the discussed and planned algorithm to perform the intelligent routing. In this system, the primary purpose aim is to gather the informationof moving emergency vehiclesbasedonWSN to provide them a clear path till their destination should switch automaticallyto presenta transparentmethodfor theseemergencyvehicles[7].Thesystemsare also capable of makingwayforambulancewhichissensedwiththehelp of RF modules. The speed breakers are laid down flat when an ambulancereachesthearea and the tyre killers and the barriers are setdown. The system can also be operated manually by the touch of a button. The system can also be viewed and controlled via IoT (Internet of Things).Thisis done with the use of ESP8266module.

4.1 Relay

Relayisanelectricallyoperatedswitch.Manyrelaysusea magnet to operate the automatic change mechanism, although alternative operating principles are used. Relay field unit to regulate circuits wherever necessary, by low power signals (with complete electrical isolation between control and controlled circuits), or wherever multiple circuits must be controlled by a single signal. Necessary management is done [8]. The first relay was employed in long distancetelegraphcircuits,continuingasignalcoming backfromonecircuitandre transmittingittoadifferentone asshowninfigure6.

Fig 7:InterfacingaDCMotorusingL293D

This high current signal is used to drive the motor. The L293DhasaninbuiltH bridgedrivercircuit.Intheirnormal modeofoperation,DCmotorscanbedrivenbothforward andbackwardsimultaneouslyasshownintable2.

Table -2: Motordrivencircuittruthtable

Enable A B

Description

1 0 0 MotorStopsorBrakes

1 0 1 MotorRunsAnticlockwiseDirection

1 1 0 MotorRunsClockwiseDirection

1 1 1 MotorStopsorBrakes

4.3 RF Sensor

AnRF module(radio frequency) can be a small electronic deviceaccustomedtotransmitand/orreceiveradiosignals between2devices,showninfigure8.

Fig 6:SPDTSwitch

4.2 Driver Circuit

L293DisabinaryH groundmotoristintegratedcircuit(IC). Motordrivesactascurrentamplifiersbecausetheytakea lowcurrentcontrolsignalandprovideahighcurrentsignal whichisshowninfigure7.

Fig -8:RFTransmitterandReceiver

The transmitter itself generates a frequency AC, which is appliedtotheantenna.WhenexcitedbythisAC,theantenna transmits radio waves. In addition to their use in broadcasting, transmitter area units are essential part elementsofmanyelectronic devicesthatcommunicate by radio,two wayradiosinaircraftandthespacecraft,suchas cell phones, Wi Fi and Bluetooth enabled devices, ships, garagedooropeners,radarsetandnavigationalbeaconsare

©
Journal | Page3031
2022, IRJET | Impact Factor value: 7.529 | ISO 9001:2008 Certified

International Research Journal of Engineering and Technology (IRJET) e ISSN: 2395 0056

Volume: 09 Issue: 06 | Jun 2022 www.irjet.net p ISSN: 2395 0072

showninfigure8.Thetermisusedmorespecificallytorefer totransmittingequipmentusedforbroadcasting,asshown intable3inradiotransmittersortelevisiontransmitters.

Table 3: SpecificationofRFModule

PowerRequirements +9VDCto+16VDC

RFCarrierFrequency 433.92MHz

OutputDrive 200mA(Maximum)

OperatingTemperature +32 oFto+122 oF(0oCto50 oC)

OperatingHumanity 5%to95%Non Condensing

ModuleDimension 89mmx86mmx25mm (3.5”x3.4”x1.0”)

AntennaLength 330mm(13inch”)

Weight 125g

4.4 Wi Fi Module

It is a Wi Fi serial transceiver module based on ESP8266 SoC.TheSoChasanintegratedIP/TCPprotocolstack.The ESP8266 is a designed for the needs of a new connected worldanditishighlyintegratedchipdesign[9].Itprovidesa complete and self contained Wi Fi networking solution, allowing it to either host applications or offload all Wi Fi networkingfunctionsfromanotherapplicationprocessor.

TheESP8266haspowerfulon boardprocessingandstorage capabilitiesthatallowittobeintegratedwithsensorsand otherapplicationspecificdevicesviaitsGPIOs,withminimal developmentup frontandminimalloadingduringruntime. Its high level of on chip integration allows for minimal external circuitry,andtheentiresolution,includingfront endmodules,isdesignedtooccupyminimalPCBarea[10].

4.5 Tyre Killer

Theblockingsegmentwillconsistofspikesatanangleof60o andwillbemadeoftemperedsteel.Thespacingbetweenthe spikes,asmeasuredfromthecenterofthespikes,shouldbe between100mmand200mm,showninfigure9.

4.6 Road Blocker

Theheightoftheroadblockerattheguardpositionshould bemm(siteandhazardspecific),asmeasuredfromthetop of the foundation frame to the top of the barrier. In the raisedposition,theblockingsegmentishydraulicallylocked with an anti leak device and hydraulically rotating mechanicalsupportandinthefinallowerpositionbyrigid support.(Blockingheightsavailablefrom650to800mm) areshowninfigure10.

Fig 10:Roadblockers

4.7 Speed Bumps

Whilespeedbumpsareeffectiveatkeepingvehiclespeeds low,theiruseissometimescontroversialbecausetheycan increasetrafficnoise,damagevehicleswhendrivingatvery high speeds, and slow down emergency vehicles. Poorly designed speed bumps that stand too high or with a very steep angle (often found in private car parks [citation needed]canbedisruptivetodrivers,anddifficulttonavigate forvehicleswithlowgroundclearanceMaybe,evenatvery low.Themotionisshowninfigure11.

Fig 11:SpeedBumps

5. EXPERIMENTAL SETUP

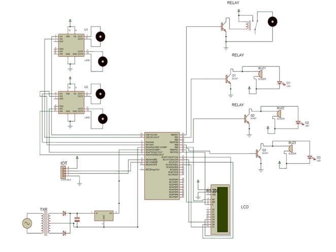
Proteusisthebestsimulationtoolforvariousdesignswith microcontrollers. It is popular mainly because of the availability of almost all microcontrollers. Proteus is a simulationenginethatcombineswitharchitecturespecific modules and user applications to form a simulator. The resultingexecutableprovidesahigh performancesimulation ofauser'sapplicationonthetargetarchitecture.Required for the conduction of work is provided PROTEUS 7.7Sp2 figure12showsthecircuitdiagramoftheproposedsystem.

© 2022, IRJET | Impact Factor value: 7.529 | ISO 9001:2008 Certified Journal | Page3032
Fig 9:Tyrekiller

International Research Journal of Engineering and Technology (IRJET) e ISSN: 2395 0056

Volume: 09 Issue: 06 | Jun 2022 www.irjet.net p ISSN: 2395 0072

Figure14showsthatthepositionoftheroadblockerandthe outputisdisplayontheLCDdisplay.Thiscanbeoperated through themanualswitchorIoT.

Fig 12:Circuitdiagramforproposedsystem

Thehardwareoutputsoftheproposedsystemaredisplayed withthehelpofLCDdisplay.Figure13showsthehardware module of the proposed system. The hardware module consistsofvariouscomponentslikepowersupply,AtMega16 microcontroller, RF sensor, motor, speed bumps, road blocker, tire killer, alarm and LCD display. The working functionoftheproposedsystemismainlycontrolledbythe microcontroller. RF sensor is used to sense emergency vehicles based on RFID technology. The outputs are displayedbyusingLCDDisplay.

Fig 14:Outputofroadblockercloseandopenposition

Figure15showsthatthepositionofthespeedbumpsand theoutputisdisplayontheLCDdisplay.Thiscanbeoperated throughthemanualswitchorIoT.

Fig 15:OutputofSpeedBumpscloseandopenposition

TyreKillerisfortheonewaypath.Itworkswhenthereis vehicle movement in opposite direction of one way path. Tyre killer Open when thereis a vehicle in an opposite direction.Itcloseswhenthevehicleisincorrectdirectionis showninfigure16.

Fig 13:Hardwaremoduleoftheproposedsystem

6. OUTPUT ANALYSIS

Inthissectionproposedsystem,simulationcircuitdiagram is carried out using proteus simulation software tool and variousoutputsofhardwareareanalyzedanddisplayed.The implementationofthehardwaremoduleisdonebyusingthe electroniccomponents.

Fig 16:Outputoftyrekiller

Figure17representedtheRouteMapfortheProposedWork andplacing the Road Blockers, Speed Bumps, Tyre Killers, LCDDisplayandAlarm.

© 2022, IRJET | Impact Factor value: 7.529 | ISO 9001:2008 Certified Journal | Page3033

International Research Journal of Engineering and Technology (IRJET) e ISSN: 2395 0056

congestionandpriorityoperation,whichfurthercomplicates security.Theproposedmethodmakestheprocesssafeand reliable.Therefore,theseadvancedtechnologiescanreduce theseverity of road disasterstoa great extent. Theabove proposedsystemforIoTbasedfullyautomaticroadblocker and speed bump for smart city. The Internet has found solutions to many problems. This technology needs to implement minimum speed of the vehicles which helps in reducingthetrafficproblems.

9. FUTURE SCOPE

Fig 17:Roadmapoftheproposedwork(Tiruchengode)

Figure18explainstheRoadblocker,SpeedBumpsandTyre Killer position are ON or OFF. This monitoring is done by connectingtheIoTWi FiwithIPaddress.

In future this project can be extended this system can be usedtoinformpeopleaboutbreakersorblockersthrough LCD display, signal and alarm. There is traffic congestion whichcanoperatetheblockerorbreakercanbecontrolled via IoT via telephone network and mobile data or manual switch.Thistechnologyallowstheoperatortocollectdata remotely on a home computer without having to go anywhere. Although the results are encouraging, several improvementsshouldbeincorporatedintothesystem.This technologycanbeappliedtoroadsinthefuture.

ACKNOWLEDGEMENT

The author is very great thankful to Dr. M. Ramasamy Professor/EEE and guide & Dr. S. Ramesh HoD/EEE & sincerethankstoallfacultymembersofourEEEDepartment for their valuable suggestions, kind co operations and constant encouragement for successful completion of the paper.Dr.M.Ramasamyforherguidanceandgivingvaluable suggestions,advicetoimprovethepaper.

REFERENCES

Fig 18:IoTenabledmonitoringandcontrollingthe proposedwork

7. ADVANTAGES

• Increasedsafetyontheroads

• Lessmaintenancerequired

• Reducedtrafficjamsandcongestion

8. CONCLUSION

Astheworldgrows,itemergeswithcomplexproblems.The Internet has found solutions to many problems; It is the methodwhichneedstobeappliedintherightwaytofind equitable solution. Therefore, we have synchronized the complexitiesoftheroadplatformwiththeInternetofThings toreducetheproblems.Thispaperintroducedthetechnical ideabyusingRFIDwhichisconfiguredwiththeinternetvia acloudplatform.TheRFsensorhelpsvehiclestoidentifythe edgeandreducetheriskfactor.RFIDtechnologycontributes totheguidanceoflesscongestedemergencyvehicles.These proposedsystemshaveovercometheproblemsofincreased

[1] Adem F.Idriz, Arya S.Abdul Rachman, Simone Badri, “Integration of Autosteering with Adaptive Cruise Control for Improved Cornering behavior”, in IET, IntelligentTransportsystem,2017,volume11,Issue10, pp667 675.

[2] Dasari Vishal, H. Saliq Afaque, Harsh Bhardawaj, T. K. Ramesh, “IoT Driven Road Safety System”, in ICEECCOT 2017.

[3] ShwetaS. Malekar, Yokesh Bhute, “A review: Implementation of Advance Adaptive Traffic Light Controlsystem using DIP and Embedded”, in IJRITCC, volume 5, Issue 2,ISSN:23218169,February 2017.

[4] Harshini Vijinetha H, Dr. K R Nataraj, “IoT Based IntelligentTrafficControlsystem”,inIJRASET,VDasari vishal,H.Volume5,issue5,May2017,ISSN:2321 9653.

[5] Adem F. Idriz, Arya S. Abdul Rachman, Simone Badri, ”Integration of Autosteering with Adaptive Cruise

Volume: 09 Issue: 06 | Jun 2022 www.irjet.net p ISSN: 2395 0072 © 2022, IRJET | Impact Factor value: 7.529 | ISO 9001:2008 Certified Journal |

Page3034

International Research Journal of Engineering and Technology (IRJET) e ISSN: 2395 0056

Controlfor Improved Cornering behavior”, in IET, IntelligentTransportsystem,2017,volume11,Issue10,pp 667 675.

[6] Kavya P Walad, Jyothi Shetty, “Traffic Light Control SystemUsingImageProcessing”,inIJIRCCE, volume2,specialIssue5,andOctober2014.

[7] Majeti V N Hemanth kumar, vasanth B, “Vehicle Detection, Tracking and counting objects for traffic Surveillance System using Raspberry Pi”, in IJMTER 2015,ISSN:2396 8161.

[8] Vishal Chandrasekaran, Keshav Narayan, Romil kumarnvasani, Vidhya Balasubramanion, “IN PLACE RFID: Indoor path Loss Translation for object localizationinclutteredEnvironmental”,in2015IEEE, 10thInternationalconferenceonISSNIP,Singapore,7 9 April2015.

[9] Veeravenkatesh,Nazneehsyed,“SmartTrafficControl System for emergency vehicle Clearance”, in IJIRCCE, Volume3,Issue8,Augest2015.

[10] Amnesh GoelSukanya Ray, Nidhichandra, “Intelligent TrafficLightSystemtoPrioritizedEmergencyPurpose Vehicles based on WSN”, in IJCA, volume 40 NO.12, February2012.

BIOGRAPHIES

RPrabhu PGScholar@KSRCT, Tiruchengode AreaofSpecialization:Power Systems Website: https://Scholar.google.com/citati ons?user=6ATiqxkAAAAJ&hl=en Facebook: https://www.facebook.com/prab huravi.prabhuravi.3

GmailID: prabhuravi78875@gmail.com

Dr.M.Ramasamy, AssociateProfessor/EEE, AreaofSpecialization:Power Systems,DC DCConverters,PV andWindSystems GoogleScholar: https://scholar.google.co.in/citati ons?user=Az0oMtsAAAAJ&hl=en ORCID:https://orcid.org/0000 0001 9292 2528 ResearcherID:

https://publons.com/researcher/ 1229782/ramasamy m/ ScopusID: https;//www.scopus.com/authid /detail.uri?authorId=571939586 40

Volume: 09 Issue: 06 | Jun 2022 www.irjet.net p ISSN: 2395 0072 © 2022, IRJET | Impact Factor value: 7.529 | ISO 9001:2008 Certified Journal

Page3035
|

Turn static files into dynamic content formats.

Create a flipbook