Skip to main content

MBBR Treatment For Purification Of Grey Water in Venkateswara Greens Society

Page 1

MBBR Treatment For Purification Of Grey Water in Venkateswara Greens Society

Shri Tuljabhavani Engineering College, Tuljapur Tuljapur, Osmanabad, Mahrashtra,

Tuljabhavani

Tuljapur, Osmanabad, Mahrashtra,

Abstract

Septic tank, built wetland and intermittent sand clear out out are recognizedbecause the maximumappropriate approaches for decentralized remedy because of the easy operation and preservation centers in addition to price effectiveness of those systems. The use of grey water is turning into increasingly more common, specially in regions wherein water assets are scarce. The use of gray water is, therefore, the closing choice for the water conservation. Grey water use is essential as it restricts sparkling water call for and decreases pressure on remedy system. These opportunity assets consist of rainwater and bulk of water utilized in family will turn out to be gray water and incorporate a few minerals, natural waste substances dissolved and suspended in it. When that is allowed to waft out this may be a part of the sewage and bacteriologically contaminated, ensuing in a sewage stream. It is viable to intercept this gray water, on the family level, deal with it in order that it is able to be recycled for lawn washing and flushing purposes.

Key Words: Grey Water, Sources, Impact of Grey Water on Environment, Biological & Advanced Treatment, Recycle & Reuse, Moving Bed Bio-Film Reactor(MBBR).

1. INTRODUCTION

Waste water usually is made from black water and gray water.Greywateradditionallyreferredtoassullage,isanon business waste water generated from home procedures consistingofwashingdishes,laundryandbathing.Greywater incorporatesof50 80%residentialwastewater.Greywater is wonderful from black water in the quantity and compositionofitschemicalandorganiccontaminants(from facesorpoisonouschemicals).

Greywaterreceivesitscallfromitscloudylookandfromits fame as being neither sparkling nor closely polluted. Essentially,anywater,asidefromrestroomwastes,draining fromafamilyisgraywater.Althoughthisusedwatermight alsoadditionallyincludegrease,mealsparticles,hairandany variety of different impurities, it could nevertheless be appropriateforreuse.Reusinggraywaterserves purposes:it reduces the quantity of sparkling water had to deliver a family,anddecreasesthequantityofwastewatergettinginto sewerorsepticsystems.

Grey water is a home waste water this is accrued from residingunits,businessconstructingandestablishmentsof thecommunity.Itmightalsoadditionallyconsistofmanner wastewaterofindustry(meals,laundriesetc.)inadditionto floorinfiltrationandmiscellaneouswasteliquids.Itismore oftenthannotspentwaterfromconstructingwaterdeliverto thathavebeendeliveredtothewasteeffluentofdealtwith graywaters,untreatedgraywatersandlaundry.Domestic wastewateristhespentwaterfromtheuntreatedgraywater ,dealtwithgraywatersandlaundry.Manyoftheminerals and natural count number withinside the water function mealsforsaprophyticmicro organismandsubsequentlythe waste water is bio degradable. Recycling of gray water is turningintoavitalsideofsuitablewatermanagement.Many neworchangedremedyproceduresarebeinginvestigatedas antrytoresolvetheextremewaterdeliverandwastewater disposaltroublesofthedevelopingpopulaceandindustries. Evenwiththesoftwareofthewaterdecreasingschemes,abig amount

of water remains required and eventually, reuse of water might also additionally ought to be practiced. Therefore, numerous viable re use of water schemes consisting of distillation and membrane strategies for entire reuse and organic oxidation, filtration and disinfection schemes for partialreusewereconsidered.

1.2 DEFINITION AND TERMINOLOGY OF GREY WATER:

1. Wastewater from baths, showers, hand basins, washing machines and dishwashers, laundries and untreated gray water sinks.

2.Wastewaterwithnoneenterfromtoilets,becauseofthis that it corresponds to wastewater produced in bathtubs, showers,handbasins,laundrymachinesanduntreatedgray water sinks,inhouseholds,workplacebuildings,schools...

3.Greywaterarisesfromhomewashingoperations.Sources consist of waste from hand basins, untreated gray water sinksandwashingmachines,howeverparticularlyexclude blackwaterfromtoilets,bidetsandurinals

4. Graywater is described as all wastewaters generated withinsidethehousehold,asidefromrestroomwastes.Itcan

International Research Journal of Engineering and Technology (IRJET) e ISSN: 2395 0056 Volume: 09 Issue: 04 | Apr 2022 www.irjet.net p ISSN: 2395 0072 © 2022, IRJET | Impact Factor value: 7.529 | ISO 9001:2008 Certified Journal | Page3234
Mr.Kazi Faraz Ahmed Abdullah1 , Prof. D.C. Poul 2 , Prof. S.C.Vadane3 , Prof. P.A.Hangargekar4 1 Student
India 2,3,4 Professor Shri
Engineering College,
India ***
-

2. Generation Of Grey Water:

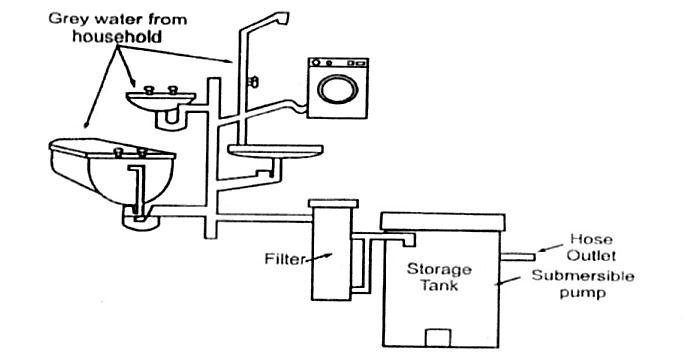
Grey water comprises 50 80% of residential waste water (Amoahetal)Fig.l.1.Showsthevarioussourcesfromwhich greywaterisgenerated.

Technology

ISSN: 2395 0056

ISSN: 2395 0072

that the greater may contain slowly biodegradable organics.Fecalcoliformsandheterotrophicreductions were very high (100% and 99.99oh, respectively) producing effluent that also met drinking water standards.

3. Dr. Mark Pidou et.at. (2007) , reported a review of existing technologies and application collating a disparateinformationbasandcomparingstrengthand weaknesses of different approaches. The best overall performanceisobservedwithintheschemecombining differenttypeoftreatmenttoensureeffectivetreatment ofallthefractions.

4. BhausahebL.Pangarkar,et.al.(2010),investigatedthe economical performance of the plant for treatment of treated grey water s, basins and laundries grey water showed in terms of deduction competency of water pollutantssuchasCOD(83%),TDS(70%),TSS*83%), total hardness (50%), oil and grease (97%), anions (46%)andcaptions@9%).Theauthorssuggestedthat thistechnologycouldbeagoodalternativetotreatgrey waterinresidentialruralarea.

5. A. Khatun et.al. (2011), reported characterization of greywatercollectedfromdifferentsourcesanddifferent locationsofDhakacity.Theauthorsuggestedanefficient, cheapandsustainablegreywatertreatmentsystemfor householdandmosque.Thetreatedgreywatercanbe used for non potable use such as irrigation, toilet flushing,carwashingandaquiferrecharging.

3. LITERATURE

A general overview of previous research work on quantification, & treatment of grey water and reuse for sustainabledevelopment.

1. B. Jefferson, et.al. (2004), reportedCharacterizationof greywaterthatrevealsasourcewatersimilarinorganic strength to a low medium strength municipal sewage influent but with physical and biodegradability characteristicssimilartoatertiarytreatedeffluent.

2. E. Friedler, et.al. (2005),presented a study ofa pilot planttreatinglightgreywaterforsevenflats.Thepilot plant combines biological treatment (RBC) with physicochemical treatment (sand filtration and disinfection). The pilot plant produced effluent of excellent quality, meeting the urban reuse quality regulations,andwasveryefficientinTSSturbidityand BODremoval:82Yo,98o/oand960/o,respectively.The CODremovalwassomewhatlower(70 75%)indicating

6. Saroj B. Parjane et.al (2011), presented the finest design of laboratory scale grey water treatment plant, whichisacombinationofnaturalandphysicaloperation such as primary settling with cascaded water flow, aeration,agitationandfiltration,hencecalledashybrid treatmentprocess.Theeconomicalperformanceofthe plant were investigated for treatment of treated grey water , basins and laundry grey water. The author worked out cost benefit analysis of the system on the largescaleandfoundmoreeffectiveprocessintherural region.

7. Ruchi Mehta, et.al. (2012) ,showsthecalculationsfor estimating the required Area of land treat grey water generatedfrom20housecommunitybyusingvertical flowreedbed(VFRB)

8. Aman Chhoriya1, Rohan Chhoriya2, Himanshu Kumar3, Yatindra Prakash4,Dr.B.S.Balapgol (2019), thereuseoftreatedgreywatercanhelpuswithsaving thefreshwaterresources.Solid wastemanagementisa majorchallengeinurbanareas.Withoutaneffectiveand efficient solid waste management program, the waste

International Research Journal of Engineering and
(IRJET) e
Volume: 09 Issue: 04 | Apr 2022 www.irjet.net p
© 2022, IRJET | Impact Factor value: 7.529 | ISO 9001:2008 Certified Journal | Page3235 comefromthesinks,showers,tubs,orwashingdeviceofa home.
Fig.1 Diagrammatic representation of household grey water generation
REVIEW

International Research Journal of Engineering and Technology (IRJET) e ISSN: 2395 0056

Volume: 09 Issue: 04

Apr 2022 www.irjet.net

generatedfromvarioushumanactivities,bothindustrial and domestic, can result in health hazards and have negativeimpactontheenvironment.Theobjectivesof thestudyaretodeterminedifferenttypesofsolidwaste generatedbythehouseholds,toassesshandlingmethods at household level, to ascertain common challenges associatedwithwastemanagementsystems.

9. Musfique Ahmed, Meenakshi Arora,(2012), Septic tank, constructed wetland and intermittent sand filter are identified as the most suitable processes for decentralizedtreatmentduetothesimpleoperationand maintenance facilities as well as cost effectiveness of thesesystems.Somecasestudieshavebeenpresentedto demonstrate the successful execution and impressive performanceofthesesystemsonclusterlevel.Though thesystemscontainsomedisadvantages,effectiveusesof these systems can be made with proper management, executionofawarenessprogramandstrictmonitoring practicesamongusers.

10. Farhan Mohammad Khan1 Prof. Dr. Ashit Kumar Saxena2 Prof. Anamika Kushwah,(2017) Theuseof gray water is becoming more and more common, especiallyinareaswherewaterresourcesarescarce.The use of grey water is, therefore, the last option for the waterconservation.Greywateruseisimportantbecause it restricts fresh water demand and reduces stress on treatmentsystem.

3.2 Objectives of the study:

Treatmentandreuseofgraywaterisasustainabletechnique andmaybevaluepowerfulwithinsidethelengthyterm.With the above backdrop, the have a look at has pursued the subsequentkeyobjectives.

ToincreaseandlayouteasyandcoffeevalueIntegrated Greywaterremedymachine.

Tocomparethetraitsofinfluentgraywater.

Tocomparethetraitsofeffluentgraywateratdiverse levelsofremedy

Tohavealookattheoverallperformanceofdesigned laboratory scale incorporated gray water remedy machinein3seasons.

ï‚·

To examine gift machine with different present day remedymethod.

ISSN: 2395 0072

3.3 Methodology For An Integrated Approach For Treatment Of Grey Water In Venkateshwara Green's Society :

In this gray water remedy procedure we will acquire the waterfromtheuntreatedgraywater +handledgraywater handiestfrombungalows,fourBHKRowhomes,threeBHK RowhomesanddealwithitwiththeaidofusingtheSTPand switchinthedirectionof2BHKapartmentsforflushingand gardeningmotivehandiestthat'sgiftwithinsidethecampus.

Campus Area : 12 Acres.

Bunglows : 62

4 BHK Row Houses: 60

3 BHK Row Houses: 25

2 BHK Flats : 112

SamplehavebeenamassedwithresourceofSixteen(16)five liters plastic bins from every area to make sure sufficient extent that have been with ease transported to and successfullytreatedwithinsidethelaboratoryforpreliminary analysis. As gray water varies in each value of waft and electricityduringtheday,sampleshavebeenamassedwithin sidethemorning(among08.00amto10.00am)andlabored upon inside 24 hours of series to make sure a stability composition.Allsampleshavebeencategorizedasquicklyas series became carried out displaying call of area, owner, source, date and time of series, personal transport (Auto) became utilized in conveying the samples to the environmentallaboratoryforanalysis

4. Moving Bed Bio Film Reactor (MBBR)

Thesimplepreceptofthetransferringmattressmanneristhe increaseofthebiomassonplastichelpsthatcirculatewithin sidetheorganicreactorthruagitationgeneratedviawayof meansofaerationstructures(cardioreactors)orviawayof means of mechanical structures (in anoxic or anaerobic reactors).

|
p
© 2022, IRJET | Impact Factor value: 7.529 | ISO 9001:2008 Certified Journal | Page3236
ï‚·
ï‚·
ï‚·
ï‚·

Research Journal of Engineering and Technology (IRJET)

09 Issue:

Thehelpsarecraftedfromplasticwithadensitynear1g/cm3 permitting them to circulate effortlessly within side the reactorevenifthecapabilityreaches70%.Thetransferring mattress strategies come from the cutting edge fashion in wastewaterremedy,fromtheusageofstructuresthatprovide anacceleratedparticularfloorwithinsidethereactorforthe increaseofthebiomass,attaininggoodsizeddiscountswithin sidetheorganicreactorquantity.Someelementsweresaidto haveaneffectontheoverallperformanceofMBBR.

Theexcessiveparticularlocationoftheservicemediacontrols thedeviceoverallperformancethatisduetoveryexcessive biofilmconcentrationspresenceinasmallreactorquantity.It changedintosaidthatstandardbiofilmconcentrationsvariety from 3000 to 4000 g TSS /m3, that is much like values acquiredinactivatedsludgestrategieswithexcessivesludge ages. The percent of reactor quantity made from media is confined to 70%, with 67% being standard. However, wastewater traits and particular remedy dreams are the principleelementsfiguringouttheshareofmediarequired withinsidethereactor.

4.1 Experimental set up

The Moving Bed Biofilm Reactor (MBBR) technology is an attached growth biological treatment process based on acontinuouslyoperating,non cloggingbiofilmreactorwith low head loss, a high specific Biofilm surface area, and norequirementforbackwashing.MBBRisoftendesignedas aerobic system. Samples will be collected from low income and high income society and its parameters will be evaluated prior to treatment. The proposed experimental set upforMovingBedBiofilmReactorcanbemadeasshown inFig.4.

Figure 4.1: MBBRreactorwithcomponents

TheMovingBedBio moviereactor(MBBR)systemmakesuse of floating plastic carriers (media) in the aeration tank to growththequantityofmicroorganismstobehadtodealwith the wastewater in comparison to traditional secondary treatment.

ISSN: 2395 0056

ISSN: 2395

Themicroorganismsdevournaturalmaterial.Themediagives extended floor vicinity for the organic microorganisms to connect to and develop withinside the aeration tanks. The extended floor vicinity reduces the footprint of the tanks requiredtodealwiththewastewater.

The media may be constantly agitated via way of means of bubblesfromtheaerationmachinethatprovidesoxygenat the lowest of the compartment of the aeration tank. The microorganismdevournaturalmaterial.Aftertreatment,very lastdealtwitheffluentmaybetakenoutdoorviaoutlet.

5. Expected Outcome:

TheMovingBedBio moviereactor(MBBR)methodmakesuse of floating plastic carriers (media) in the aeration tank to growththequantityofmicroorganismstobehadtodealwith the wastewater in comparison to traditional secondary remedy. Themicroorganismsdevournatural material.The media offers accelerated floor place for the organic microorganisms to connect to and develop withinside the aerationtanks.Theproductionquarterrepresentsoneofthe maximum dynamic and complicated commercial environments.Intheexistingstudy,paintingsisundertaken through facts series to decide the maximum The overall performanceofthegraywaterremedyplantbecamedecided for03daysalongwithspring,icinessandsummer.Thegray watersamplesfromuntreatedgraywater andhandledgray water thinkingaboutsupplyofdeliverasafaucetwaterand borewelll water from every family of the Venkteshwara GreensSociatyregionhavebeenaccumulatedinextraordinary seasonandthegeneralpercenteliminationofpollutionfrom gray water had been graphically provided in fig. 4.14 4.17.

Fromtheprovidedfactsitbecamedeterminedthattheoverall performance of the plant is higher withinside the Second Dayandlaggingwithinsidethespringseason,duetothefact withinsidethespringseason,thepollutantareextradissolved withinsidethefloorandfloorwater.Theoverallperformance oftheplantforremedyofuntreatedgraywater &handled graywater stronglysuggestsdiscountofwaterpollutionare summarizedbelow

International
e
Volume:
04 | Apr 2022 www.irjet.net p
0072 © 2022, IRJET | Impact Factor value: 7.529 | ISO 9001:2008 Certified Journal | Page3237

of the

performanceoftheplantfortreatmentof

water

treated grey water

competency of water

(63%)removalwaslowerthanBOD(71%)

implyrng that the grey water may contain more biodegradable pollutants than non biodegradable.

leveloftreatedgreywater (8.2to7.2)wasThe

COD and Suspended Solids were foundathigherlevelinuntreatedgreywater thanthe treatedgreywater

filtrationstagefoundmajorroleinthesystemfor removalofpollutantsfromuntreatedgreywater and treatedgreywater

performance of the plant isbetter inthe Second Dayandlagsinthespringseason,becauseinthespring season,thepollutantaremoredissolvedinthesurface andgroundwater.

International Research Journal of Engineering and Technology (IRJET) e ISSN: 2395 0056 Volume: 09 Issue: 04 | Apr 2022 www.irjet.net p ISSN: 2395 0072 © 2022, IRJET | Impact Factor value: 7.529 | ISO 9001:2008 Certified Journal | Page3238 Table5.2:Overallperformanceoftheintegratedgreywater treatment plant for treatment of Untreated grey water in 3 seasonforVenkteshwaraGreensSociaty Parameters Total Removal FirstDay Second Day ThirdDay pH 8.2 8.1 6.8 BOD 250 270 180 COD 670 620 570 TDS 158 120 190 Suspende d Solids 210 190 125 Table5.3:Overallperformanceoftheintegratedgreywater treatmentplantfortreatmentoftreatedGreywaterin3days forVenkateshwaragreensSociety Parameters Total Removal FirstDay Second Day ThirdDay pH 7.2 7.5 6.5 BOD 158.7 120 90 COD 475 450 370 TDS 145 130 125 Suspended Solids 153 137 109 0 50 100 150 200 250 300 350 400 450 500 First Day Second Day Third Day Treated Grey Water PArameters pH BOD COD TDS Suspended Solids OverallPercentageremovalatdifferentstagesin3 daysfor treatment of treated grey water source tap water for VenkteshwaraGreensSociaty CONCLUSION  The overall performance
laboratory scale integrated treatment plant was excellent, producing veryhighqualityeffluents. ï‚· Theoverall
untreated grey
&
demonstrate deduction
pollutants. ï‚· TheCOD
removal,
ï‚· ThepH
parameters BOD
ï‚· The
ï‚· The

International Research Journal of Engineering and Technology (IRJET)

REFERENCES

[1]AHMFaisalAnwar(2012),"Reuseoflaundrygrey water in irrigation and its effect on soil hydrologic parameters", International conference on future environmentandenergy,(IpcBEEvol2),IACSITpress, Singapore.

[2l A.Khatun&M.R.Amin,(201I),Greywater reuse:a sustainable solution for water crisis in Dhaka, Bangladesh,,,4tt' Annual paper Meet and lt civil Engineering congress, Dhaka, Bangladesh ISBN: 97g gg4 33 4363_54pp427 434.

[3]AmrM.Abdel Kader,"studyingtheefficiencyofgrey water treatment by using rotating biological contractors system," Joumal of King Saud University Engineeringscience,}lay(20l2),ppl 7

[4lB.JeffersoqA.Palmer,p.Jeffrey,R.StuetzandS.Judd, ,,Grey water charecterisation and its impact on the selectionandoperationoftechnologiesforurbanreuse", JoumalofwaterscienceandTechnology,vol.50,pp157 164,(2004).

[5]BhausahebLPangarkar,SarojparjaneandM.G.sane, ,,Design and Economical performance of Grey water treatmentplantinRuralregion,"IntemationalJoumalof civilandEnvironmentalEngineering2:1,2010.

[6] Dr. Mark Pidou, Dr. Fayyaz Ali Memon, prof. Tom stepenson, Dr. Bruce Jefferson and Dr. Paul Jefferey, " Greywaterrecycling:AreviwofTreatmentoptionsand applications",InstitutionofCivilEngineers,proceedings inthejournalengineeringSustainability,Vol.160,pp1 19 l31.

[7l E. Friedler, R. Kovalio and N.I. Galil, "on site grey water treatment and reuse in multi storey buildings," Journalofwaterscience&Technologyvol.15i,No.1,pp 187 194.OI&APublishing(2005).

[8] Ruchi Mehta, et.al.(2012), "Disinfection of grey water", ph.D. thesis of school of Applied sciences, cranfieldUniversity,2008.

[9] Glenda Emmerson, "Grey\,vater as an altemative watersource,,,ResearchbulletinNo4/98,Queensland parliamentarylibrary,Brisbane,July1999

[10] J.s. Lambe, R.S. chougule, (2013), "Greywater TreatmentandReuse,,,IOSRJournalofmechanicaland civilEngineering(IOSR JMCE),ISSN2278 16g44,pp20 26.\

ISSN: 2395

2395

[11]JavedAlamandMohammadMuzzammil(2012)," GREYWATERUSE: NEEDOFHOUR,IndiaWaterWeek 2011 Water, Energy and Food Security : Call for Solutions,10 14Apil2012,NewDelhi.

[12]JonathanGlassman,BeccaKan,DianeLee,Andrew Martinez, "Grey water systems", Technical note of Engineersforasustainableworld,StanfordUniversity, June8th,2009.

[13]KamalRana,MitaliShah,AmitaUpadhyay,(2014), "lntegrated Approach towards Grey water management", Intemational Journal of Engineering scienceandResearchTechnology,ISSN:2277 9655,Vol. 3,No.l,pp239 242.

[14] Krishna Kumar O, K.Adithya, Abhilash R. and AravindT,(2013),"HouseholdGreyWaterTreatment UtilizationforFlushingofToilets",InternationalJournal ofAppliedEngineeringResearch,ISSN0973 4562,Vol. 8,No.15,pp.1801 1808.

[15] Mohammed Hasan Al Mughalles, Rakmi AbdulRahman, Fatihah Suja, Astura Mahmud,Sharifa MasturasyedAbdullah,(2012),Greywatewrtreatment using GAC biofilm reactor and sand filter system", AustralianJoumalofBasicandAppliedSciences,6(3), pp283 292,2012ISSN1991 8178.

[16] Musfique Ahmed, Meenakshi Arora, (2012), "Suitability of gray water decentralized alternative water supply option for Integrated urban water managementIOSRjournalofEngineeringe ISSN:2250 3021,Vol.2,Issue9,pp31 35.

e
0056 Volume: 09 Issue: 04 | Apr 2022 www.irjet.net p ISSN:
0072 © 2022, IRJET | Impact Factor value: 7.529 | ISO 9001:2008 Certified Journal | Page3239

Turn static files into dynamic content formats.

Create a flipbook