Fair Model for Electricity Billing and Sharing in Shared Apartment in Ghana

Page 1

International Research Journal of Engineering and Technology (IRJET) e-ISSN: 2395-0056

Volume: 09 Issue: 12 | Dec 2022 www.irjet.net p-ISSN: 2395-0072

Fair Model for Electricity Billing and Sharing in Shared Apartment in Ghana

1 Department of Computer and Electrical Engineering 2 University of Energy and Natural Resources-Sunyani, Ghana ***

Abstract - This paper proposes a smart monitoring system for determining individual energy consumption in a shared apartment with a single energy meter. The smart energy monitor was designed using Arduino Uno, SIM800L GSM Module, PZEM004T energy metering device, I2C LCD, RTC and Current Transformer. The purpose of the proposed system is to help resolve the problem of bill sharing in a shared apartment that shares a common energy meter. The system was built on a meter board consisting of the monitoring section and the load section. The program for the system was carried out with Arduino IDE in C language with Arduino syntax. The proposed method of determining energy consumed for individual rooms in a shared apartment using the smart energy monitor was put to test. The smart energy monitor was able to display energy consumed and the amount to be paid by two tenants on an LCD display while sending an SMS notification to the consumers.

KEY WORDS: Arduino, Energy Metering device (PZEM004T), Global System for Mobile communication (GSM), Real time, Short Message Services (SMS).

1. INTRODUCTION

Asharedapartmentismainlyaclusterofbuildingsinan enclosurehavingasharedorassociatedpurpose.Itisoneof thefamoushousingsettlementsinGhanamostlycommonin ruralareas.Theyareoccupiedbyexternalfamilymembers orindividualswithdifferentbackgrounds.Theyusuallytake theshapeofU,Lorcompletelyenclosed.Theroomsarefor themostpartasingleroomortworooms(otherwisecalled chamberandhall).Tenantsshareanoverallwashroom,and theyalternateincleaningit[1].Thelatrinesarenotbyany means the only place the tenants share; they additionally shareapublicwatersourceandnowandagainanelectrical meter. Shared apartments are utilized now for business purposes.Theroomsareleasedtopeoplewholookforcover inruralandmetropolitanareas.Thesepeoplearereferredto as tenants and the owner of the structure as the Landlord/Landlady.Asharedmeterinsharedapartmentsis acommonsituationinGhana.Nonetheless,thisaccompanies itsissues.Theunpaiddebtsofelectricalbillsarecollected andsharedamongtenants.ResearchonPovertyandSocial Impact evaluation (PSIA) for Ghana’s energy expressed a challengefortenantsinsharedapartments.Thechallengeis monitoringwhichextentofoverduedebtsofelectricalbill belongs to a tenant in a shared apartment [1]. The issue

achievessuchcountlessvulnerabilitiesandcorrespondingly causedistressbetweenthetenantsandtheirLandlords.

Tenants find it difficult to go to an agreement on the standing of electrical bill-sharing. The monthly electricity bills are shared among the tenants by the mostly used technique known as the agreed point system. Often the lighting points and sockets are counted as the bases for determiningthenumberofpointsthatatenantconsumes, andthebillissharedaccordingtotheratioofpointsofall tenants.Lookingatthispracticefromamoretechnicalview, youwouldrealizethatthereareflawswiththispractice.For instance,theappliancesthatonetenantusesmayvaryfrom one another. A tenant using a fluorescent bulb with 40W ratingmaybeassignedthesamepointasatenantusingan incandescentbulbwithorover100Wrating.Theconclusion that can be drawn here is, there are two different tenants bothusingabulbbutclearly,theratingofoneofthebulbsis higher than the other. This type of situation leads to unfairnessinthesharingofbillswhichcanprobablyresultin alotofdisputesamongtenants[1].Thiskindofissuewill continuetopersistsincealltenantsarehookedtothesame energy meter. To help deal with such issues that emerge withregardstoenergybillsharinginsharedapartments,a smart monitoring system have been proposed. The smart monitoringsystemwouldhelptofairlysharetheamassed overduedebtswitheasedependingonthemeasureofpower consumed by each tenant. A number of research work on smartenergyconsumptionmonitoringhavebeencarriedout inrecentyears.Asmartenergymonitoringsystem,designed to replace the conventional meter reading method was proposedin[2].TheymadeuseofanenergymeteringIC,a liquidcrystaldisplay,GSMmodemandamicrocontroller.

The goal was to read electricity consumed, calculate electricityconsumptionatabillingpointseveronthesideof the energy provider and send an SMS to the consumer on amount they are required to pay. Another similar system wasdesignedbyD.V.NAnanthandhisteamtoresolveissues relatedtomonitoringenergyconsumption[3].Theirsystem wasbasedonIOTbasedsmartelectricitymeterwhichmakes use of Node-Microcontroller unit (Node- MCU), Energy meter,currentsensorandvoltageregulator.TheNode-MCU isconnectedtoablynkappinterfacewhichisanIOTbased platform used to control Node-MCU. This allows the consumertomonitortheirenergyconsumptionthroughthe blynk app. Another approach related to electricity billing

© 2022,
|
|
Certified Journal | Page187
IRJET
Impact Factor value: 7.529
ISO 9001:2008
Anyam Justice1 , Frimpong Theophilus2, Isaac Kofi Otchere3 , Bernard Arhin
4

International Research Journal of Engineering and Technology (IRJET) e-ISSN: 2395-0056

Volume: 09 Issue: 12 | Dec 2022 www.irjet.net p-ISSN: 2395-0072

usingusingGSMbasedautomaticelectricitybillingsystem was introduced in [4]. This system was designed using a microcontroller,GSMmodule,buzzer,LCDdisplayandrelay switch.TwoGSMmodulewereused,oneconnectedtothe energy meterand the other attachtoPClocatedattheEC office.Thesystemaccumulatesthepowerconsumption at the end of every month after which a GSM receiver sends informationwirelesslytoGSMconnectedtotheofficeand theuser.Inthecasewhereaconsumerfailstopaytheirbills ontimethepowersupplytotheconsumerisdisconnected.

This paper utilizes the smart energy monitoring implementationmethodsdiscussedinthevariousliteratures to propose a fair energy bill sharing system for shared apartmentresidentswithasingleenergymeter.Thepaperis organized as follows: Section 2 highlights briefly the composition of the hardware and software section of the project. A detail description of the hardware components used for the project are introduced in Section 3. Software implementationisdiscussedinSection4withperformance analysis of the smart energy monitoring system and summarygiveninSection5and6respectively.

2. COMPOSITION OF THE SMART ENERGY MONITORING AND BILLING SYSTEM

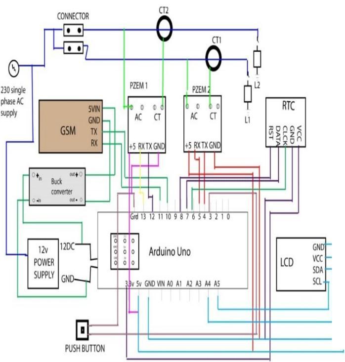
The hardware components for implementation of the smartenergymonitoringandbillingsystemincludesArduino UNO(Fig.1&Table1),Pzem-004Tenergymeteringdevice (Fig.2,3andTable2),currenttransformer,LCDdisplay,etc.

The selection of the hardware components for the project waslargelybasedonlowcost,availabilityanditsdurability. The different connections for the hardware was made depending on some key sections which include the power system, the micro-controller and the communication interface.Connectionswasobtainedfromthedatasheetsof theselectedcomponents.Forthepowersystem,theperfect measureofvoltagesuppliedtothemicrocontrollerwas12V andwhiletheGSMmoduletook4V.Asforthesoftwarepart, all the program was carried out using Arduino UNO supported by C language. Arduino UNO act as the main controllerwhichconnecttheenergymeter,GSMmodule,and other sensors or peripherals to establish communication amongthem

Fig -1:ArduinoUnotoATmega328PinMapping

Table -1: ARDUINOUNOPINOUTCONFIGURATION

PinCategory PinName Details

Power Vin,3.3V,5V, GND Vin:Inputvoltageto Arduinowhenusing anexternalpower source.

5V:Regulatedpower supplyusedtopower microcontrollerand othercomponentson theboard.

3.3V:3.3Vsupply generatedbyon-board voltageregulator. Maximumcurrent drawis50mA.

GND:groundpins.

Reset Reset Resetsthe microcontroller.

AnalogPins A0–A5 Usedtoprovideanalog inputintherangeof05V

Input/OutputPins DigitalPins013 Canbeusedasinput oroutputpins.

Serial 0(Rx),1(Tx) Usedtoreceiveand transmitTTLserial data.

ExternalInterrupts 2,3 Totriggeraninterrupt. PWM 3,5,6,9,11 Provides8-bitPWM output

SPI 10 (SS), 11 (MOSI), 12 (MISO) and 13 (SCK

UsedforSPI communication.

InbuiltLED 13 Toturnontheinbuilt LED

AREF

AREF Toprovidereference voltageforinput voltage.

© 2022,
|
| ISO
Certified Journal | Page188
IRJET
Impact Factor value: 7.529
9001:2008

International Research Journal of Engineering and Technology (IRJET) e-ISSN: 2395-0056

Volume: 09 Issue: 12 | Dec 2022 www.irjet.net p-ISSN: 2395-0072

3. HARDWARE DESIGN

The hardware section of the project is depicted in Fig. 4 which details the structure of the proposed energy monitoring system used for collecting data about energy consumption.Theroleofthevarioushardwarecomponents usedisdetailedasfollows.

3.1 Hardware Components

One of the key components used for the project is the current transformer. The current transformer scales an enormouscurrenttosmallercurrentlevelthatcaneasilybe measured safely. The current transformer used for the projectis capable of measuringupto100Aof current [5], which is the most extreme current level allowed in residentialhomes.ThemicrocontrollerusedistheArduino UNO. It is an integrated circuit (IC) device used for controlling or running a predefined task in an electronic circuit [6]. It is responsible for processing data from the metering device. The Pzem-004T module is an energy meteringdeviceformeasuringvoltage,current,powerand energy consumption of a load using Arduino. An I2C LCD 16x2 display was selected because of its ease of use and availability. Its main function was to display tenants’ electricityconsumption.AnSIM800LGSMmodulewasused to perform communication task. It is a miniature cellular module which allows for GPRS transmission, sending and receivingSMS.Itcanalsobeusedforreceivingvoicecalls [7]. The GSM with some programming sends alert in the formoftextmessagestothetenanttoinformthemaboutthe amount of energy consumed and how much they are requiredtopay.TheDS1302isaclockdeviceprogrammed to keep track of time and date. Another important componentusedwasthepushbutton.Thepushbuttonwas incorporatedinthehardwaresetuptoresetenergyreadings tozeroafterithasbeenpressed.Theobjectivewastoallow themonitoringsystemtoinitiateanewcomputationaltask fortheupcomingmonth.Abuckconverterwasalsousedin theprojecttolowertheinputvoltageofanunregulatedDC supply to a stabilized lower output voltage [9]. In this project,thebuckconverterwasusedtostepdown12VDC input to a 4V DC output to power the GSM. Since the componentsdependsonbothACandDCsupply,a12VDC powersupplywhichtakesACinputwasusedtopowerthe microcontroller which in turn power the other DC componentsonthesystem.

Fig -3:PZEM-004Tmodulefunctionalblockdiagram

Table -2: PZEM-004TMODULESPECIFICATION

Function Measuring range Resolution Accuracy

Voltage 80~260V 0.5% 0.5%

Current 0~10A 0~100A 0.01A 0.02A 0.5%

Activepower 0~2.3kW 0~23kW 0.1W 0.5%

Activeenergy 0~9999.99kWh 1Wh 0.5%

Frequency 45~65Hz 0.1Hz 0.5%

Powerfactor 0.00~1.00 0.01 1%

3.2 Operation of the Hardware Setup

AsshowninFig.4,thesystemissuppliedwithasingle phase 230V AC which flows through a connector to the various loads (L1 and L2). On the load lines is a current transformer (CT1 and CT2) which measures the current being consumed by the various loads and output it to the energymeteringdevices(PZEM1,PZEM2).The230VACis alsosuppliedtothe12VdcpowersupplywhichtakesACas itsinputwhichisthenusedtopowerthemicrocontroller.A DC-DCbuck converterisplacedbetweentheGSMandthe 12VDCpowersupplycircuitwhichtakesthe12VDCasits inputandstepitdownto5VDCtopowertheGSM.TheRTC on the system is used to track time and date. The LCD displays the data processed from the microcontroller. All thesedevicesareconnectedtotheirrespectivepinsonthe microcontroller. The communication between the energy meteringdevices(PZEM1,PZEM2)isestablishedthrough pin12,13,4and5ontheArduinoUnowheredatasuchas measured currents and voltages are sent to the microcontrollerforenergycomputation.

The microcontroller also sends back its computed parameters to the metering devices to store the energy value.ThemicrocontrolleralsocommunicateswiththeGSM through pin 10 and 11 for the GSM to send the energy consumptionoftheindividualtenantthroughtextmessage attheendofeachmonth.Themicrocontrolleralsoensures theenergybeingaccumulatedaredisplayedbytheLCDin realtime.

Fig -2:PZEM-004Tmodule

© 2022, IRJET | Impact Factor value: 7.529 | ISO 9001:2008 Certified Journal | Page189

International Research Journal of Engineering and Technology (IRJET) e-ISSN: 2395-0056

Volume: 09 Issue: 12 | Dec 2022 www.irjet.net p-ISSN: 2395-0072

Fig -4:Schematicdiagramofthesmartenergymonitor

The push button is for manual reset in case there is networkissueandtheGSM failtosendthemessageatthe endofthemonth,onecancheckontheLCDscreenitsenergy consumptionforthatmonthandpushthebuttontoresetthe energyreadingtozeroforittorestartthecomputationfor the next month. The hardware design was completed by assemblingthevariouscomponentsonmeterboardwiththe meteringononesideandtheloadontheoppositeside.

Fig -6:Flowchartforprogrammingthesystem

The GSM sends SMS to the end user as an alert. The programwaswrittentoachievetheproject’smainobjectives whichweretocarryouttheenergycomputationandrelaying of SMS notification through the SIM800L GSM module. Observing the flow chart in Fig. 6, the components to be programmedwereinitialized.ComponentssuchastheGSM, RTC,LCD,pushbuttonandenergymeteringdevicewereall initialized. The library used for this project were the LiquidCrystal I2C.h, SoftwareSerial.h. Sim800L.h, virtuabotixRTC.h for the RTC and PZEM004Tv30.h for the energymeteringdevice.TheLCDwasprogrammedtodisplay the room number, time and date, power and energy being consumed at the end of the month. The Fig. 7 shows the snapshotoftheArduinoLCDcodefordisplayingtherequired parameters.

Fig -5:Connectionofmeteringandloadend

4. SOFTWARE DESIGN

Theflowchartfortheprogramminglogicoftheprojectis depictedinFig6.Aftercompletingthevarioustasksinthe hardwaresetupwhichincludethesupplyofelectricpower toenergymeterandconnectionofcurrenttransformerto the appropriate room wire the measured values by the metering device is relayed to the micro-controller. The microcontrollercomputestheenergy,sendsthecomputed energyvaluetotheGSMmoduleandtheLCD.

Fig -7:ExtractofLCDdisplaycodefor

time,power andEnergy

Date,

Also,thecodeforsendingSMSinformingthetenantstheir energyconsumptionandbillforthemonthisshowninFig.8. Thecodeforresettingenergycomputationtozeroattheend ofamonthuponactivationofthepushbuttonisshowninFig. 9.

© 2022, IRJET | Impact Factor value: 7.529 | ISO 9001:2008 Certified Journal | Page190

International Research Journal of Engineering and Technology (IRJET) e-ISSN: 2395-0056

Volume: 09 Issue: 12 | Dec 2022 www.irjet.net p-ISSN: 2395-0072

Fig -8: CodeextractforsendingSMStotenants

Fig -10:DateandTimebeingdisplayedontheLCD

Theresultsshowtrackinganddisplayingoftimeanddateon the LCD. Messages were sent and individual energy consumptionwerealldisplayedbasebasedonthetimer.

Fig -9:Codeextractforpushbutton

TheReal-timeclock(DS1302)wasusedtokeeptrackof realtimemeasurements.Forevery720hrs(30days)anSMS isautomaticallysenttothetenants.Theaveragenumberof days in a month is about 30 days, and when 30 days is multipliedby24hours,theoutputis720hrs.Forthisproject, theRTCwasprogrammedsothatafterevery1hranSMSwas senttotheuser.

5. RESULTS AND DISCUSSION

Theinterfaceforthemonitoringsystemwascategorized into two major sections which were the energy meter interface and the GSM module interface. Circuit operation wasingoodconditionwiththerightsequenceofoperation afteritwasuploadedontothemicrocontroller.Thesystem wasfurthertestedtoassessitsperformance.However,some parameterscouldnotbedisplayedontheLCDbecausethe LCDcoulddisplayonlytwoparametersonitstworows.The parameters that were shown were date, time, the room number,thepowerandtheenergyconsumptionattheendof the month. The SMS was also sent to two different people informing them about their electricity bill. The bill was calculatedbasedontheElectricitycompanyofGhanarateof chargeperkilowatt-hourenergyusedandanSMSwassentat the same time to the two different people acting as the tenants.

Fig -11: ResultsbeingdisplayedonLCDforRoom1

AsshowninFig.11thetenantinroomonewasusingenergy upto6.31kWh.Fig12alsoshowstheSMSthatwassentto thetenantinroomone.

Fig -12:SMSsenttotenantinroom1

TheSMSsenttotenantonecontainsinformationaboutthe amountofenergythathasbeenconsumedandthepayment to be made in Ghana cedi. Fig 13 and 14 shows the LCD displayfortenanttwoandtheSMSreceivedrespectively.

© 2022, IRJET | Impact Factor value: 7.529 | ISO 9001:2008 Certified Journal | Page191

International Research Journal of Engineering and Technology (IRJET) e-ISSN: 2395-0056

Volume: 09 Issue: 12 | Dec 2022 www.irjet.net p-ISSN: 2395-0072

Fig -13:Room2LCDdisplay

Fromthecomputedenergyvaluesthetenantinroomtwois using energy up to 15.254kWh which is sent as SMS notificationtothetenantinroomtwo.

everymonth.Thesmartenergymonitorwasdesignedusing components such as Arduino Uno, SIM800L, Current transformerandPZEM004T,16x2I2CLCD,aDS1302(RTC) etc.ProgrammingwascarriedoutinClanguageinArduino syntax. The proposed system setup was able to carry out tasks as expected, which is displaying calculated energy consumption on an LCD and sending SMS notification to tenants or consumer. The smart energy monitor was designedwiththeassumptionthatthewiringoftherooms wasseparated.Meaningeachroom’swireconnectionswas independentoftheotherroom.Simplehousewiringisnot usuallythecase;someplacesarenotseparatelywired.Asa result,futureworkrelatedtosmartenergymonitoringwill focusonhouseswithdifferentwiring,especiallythosewith singlewiringconnections.

REFERENCES

[1]M.o.E.P.S.C.GovernmentofGhana,"GhanaPovertyand Social Impact Analysis, Electricity Tariffs: Phase I,” 2004.H.Simpson, Dumb Robots,3rd ed.,Springfield:UOS Press,2004,pp.6-9.

[2]A.KandS.George,“GSMBasedAutomaticEnergyMeter Reading System with Instant Billing”, ResearchGate, 2013.J.-G. Lu, “Title of paper with only the first word capitalized,” J. Name Stand. Abbrev.,inpress.

Fig -14:SMSsenttotenantinroom2

In the same case as the first tenant, the SMS is sent to tenanttwotonotifyhimontheamountofenergyconsumed andtheamounttobepaidforinGhanacedi.Thetestresults give an insight about the energy consumption variation between the tow consumers. From the recorded energy values,tenantinroomtwohadamoreloadthaninroomone. Theenergyusedinroomonewasonly6.310kWhattheend of the month while room two used 15.254 kWh in after a month.Forthisreason,itsfairthattenantinroomtwopays morethanthetenantinroomone.Thedisplayofconsumer’s energyconsumptiononanLCDandthroughSMSnotification can help prevent unfair bill sharing among tenants in a sharedapartmentwithasingleenergymeter.

6. CONCLUSION

An effective approach for eliminating an unfair bill sharingamongtenantslivinginasharedapartmentwitha single energy meter in Ghana have been discussed in this paper. To help resolve bill related problems, this paper proposeda methodofobtainingenergyconsumedbyeach tenantinasharedapartmentusingasmartenergymonitor. Thesmartenergymonitoracquirestheenergyconsumedby eachtenantanddisplayitonanLCDwhileanSMSissentto eachtenantinformingthemabouttheirenergyconsumption andtheamounttheyhadtopayinGhanacediattheendof

[3]D. V. N. Ananth, G. Joga Rao Ch. Satish3, J. Shyam4, K.Santosh,U.V.V.S.S.V.Prasad,K.Ramya“SmartElectricity BillingUsingNode-MCU”,ResearchGate,2019.

[4]Ananth, Christo & Kanthimathi, & Krishnammal, & Jeyabala, & Monika, Jothi & Veni, Muthu. (2015). GSM BasedAutomaticElectricityBillingSystem.International journalofadvancedresearchtrendsinengineeringand technology.2.16-21.10.2139/ssrn.3026891.

[5]Introduction to Current Transformers. Elkor Technologies,Jul.05,2006.

[6]Microcontroller unit, Available at: https://www.allaboutcircuits.com/technicalarticles/what-is-a- microcontroller-introductioncomponent-characteristics-component/

[7]Mini GSM/GPRS module, Available at: https://nettigo.eu/products/sim800l-gsm-grps-module.

[8]Arduino Uno, Pushbutton Tutorial Available at: https://docs.arduino.cc/built-inexamples/digital/Button

[9]An Introduction to Buck, Boost, and Buck/Boost Converters, Available at: https://recompower.com/en/rec-n-an-introduction-to-buck,-boost,and-buck!sboost-converters-131.html?0

©
Certified Journal | Page192
2022, IRJET | Impact Factor value: 7.529 | ISO 9001:2008

Turn static files into dynamic content formats.

Create a flipbook