ENERGY METER READING SYSTEM WITH AUTOMATIC BILLING USING CLOUD

Page 1

International Research Journal of Engineering and Technology (IRJET) e-ISSN: 2395-0056

Volume: 09 Issue: 12 | Dec 2022 www.irjet.net p-ISSN: 2395-0072

ENERGY METER READING SYSTEM WITH AUTOMATIC BILLING USING CLOUD

1Associate Professor Department of Electrical Engineering, Stanley College of Engineering and Technology, Abids, Hyderabad, Telangana, India

2Assistant Professor Department of Electrical Engineering, Stanley College of Engineering and Technology, Abids, Hyderabad Telangana, India ***

Abstract - The paper presents a method that permits readings of both the amount of electricity consumed and the amount charged to the customer. Our device displays the electricity readings on an LCD screen and can send the user an SMS with the reading and cost in rupees. In recent years, e-meter (electronic meter) has played a pivotal role in the development of energy- and cost-efficient systems. In the distant future, it will have a highly dependable and productive programmable meter-reading architecture (AMRS). This study intends to outline a simple easiness. An Internet of Things-based energy meter reading system with defect indication. This eliminates the possibility of manipulating with a user's electric bill by allowing the user to view his exact electricity consumption and cost directly from his meter. The project allows a dual interpretation. One for the LCD display and the other for SMS. Our paper consists of a GSM modem coupled to an 8051-family microcontroller. Continuously monitoring electrical pulses and calculating consumption per unit, the system. The system then utilizes the price per unit to determine the cost of electricity. It then transmits this information to the user and electric company via SMS and shows it on an LCD screen. The system is capable of receiving user messages and controlling load activities. The suggested technology disregards the standard digital meter reading system and permits remote electronic meter access. With appropriate authentication, users can access the developed website's features from any location on the earth. The benefits of this project include cost savings, increased energy efficiency, and reduced manpower and time requirements. This project is built using both hardware and software.

1.INTRODUCTION

Traditional meterreadingbya humanoperatorisinefficienttomeetthedemandsoffutureresidential construction.The application of Automatic Meter Reading (AMR) systems, which electronically collect meter readings, is expanding across industrial, commercial, and utility environments. Electronic utility meters are crucial to automating the utility metering procedure.Automatedutilitymetershavenumerousnewfeaturesthatreducethecostofutilitiesforcustomersandthecostof utilitydeliveryfortheutilityprovider.Theadventofruralelectrificationpresentsopportunitiesfortheimplementationofnew, moreefficientmeteringtechnologies.

Traditionalelectromechanicalmeters,whicharestillwidelyusedtoday,aresusceptibletodriftovertimeandtemperaturedue totheanalogueandmechanicalnatureoftheircomponents.Alsoinefficientisthecollectionofmeterreadings,asameter readermustbephysicallypresenttoobtainthereadings.Thismethodofcollectingmeterreadingsbecomesmoredifficultand expensivewhenreadingsmustbecollectedfromvast,dispersedruralareas.Thereluctanceofmeterreaderstomaketheeffort totraveltotheseareasresultsinfrequentlyinaccurateestimatesoftheamountofelectricityconsumed.Traditionalmeter readingisinefficientforhouseholdslocatedonthetopfloorsofhigh-risebuildingsandonestates.Thereisapossibilityfor unpaidbills,consumerabsence,etc.Despitethefactthattheseconventionalmetershavebeenreplacedwithmoreefficient electronicenergymeters,theproblemspersist.Consequently,asystemthatdeliversthebilltotheuser'smobiledeviceis preferableinthecurrentcontext.

Thispaperintroducesanewmethodofpostpaidelectronicenergymeteringthatautomaticallysensestheconsumedenergy, records these readings continuously, and transmits them to the billing point via the existing GSM network. Lastly, after processingthecollecteddata,anSMSbillisgeneratedusingweb-basedsystemsoftwareandsenttothecustomer(Short MessagingSystem).Asitisweb-based,oncethedatahasbeenupdated,theregisteredusersandauthoritycanmonitorand analysesthegeneratedmonthlybillfromanylocation.

Inresidentialproperties,traditionalmeterreadingisinefficient.Thereisapossibilityforunpaidbills,consumerabsence,etc. Despitethefactthattheseconventionalmetershavebeenreplacedwithmoreefficientelectronicenergymeters,theproblems persist.Consequently,asystemthatdeliversthebilltotheuser'smobiledeviceispreferableinthecurrentcontext.

© 2022, IRJET | Impact Factor value: 7.529 | ISO 9001:2008 Certified Journal | Page849
Key Words: EnergyMeters,GSMModule,CloudComputing,Automaticmeterreading.

International Research Journal of Engineering and Technology (IRJET) e-ISSN: 2395-0056

Volume: 09 Issue: 12 | Dec 2022 www.irjet.net p-ISSN: 2395-0072

Usingacurrentsensor,wedevelopedaGSM-basedenergymeterforourproposedsystem.Thismetercomputesthebillbased onthenumberofelectricityunitsconsumedandsendsanSMStoboththeelectricitydepartmentandtheuser.Theuserand suppliercancheckthebillamountfromanywhereremotely.Theproposedprojectprovidesapracticalandefficientmethodfor readingenergymeters.Theprimaryobjectiveistoreducemanuallaborbyautomaticallygeneratingtheelectricitybillbased onthehouse'selectricityconsumption.TheArduino-installedprogrammerwillperformthecalculations,andthebillwillbe generated.TheusercanchecktheirbillamountviaanSMSsenttotheirregisteredmobilenumber.

2. METHODOLOGY

2.1 Arduino UNO

TheArduinoUNOisthestandardArduinoboard.Inthiscontext,UNOsignifies"one"inItalian.ItwasdesignatedasUNO astheinitial releaseofArduinoSoftware.ItwasalsothefirstUSBboardthatArduinoreleased.Itisregardedasthemost effective board for numerous projects. Arduino.cc designed and manufactured the Arduino UNO board. ATmega328 microcontrolleristhefoundationofArduinoUNO.Comparedtootherboards,suchastheArduinoMegaboard,etc.,itissimpleto use.TheboardincludesofdigitalandanalogueInput/Output(I/O)pins,shields,andothercircuits.

Fig1. ArduinoUNO

2.2 Current Sensor

Thedeviceiscomprisedofaprecise,low-offset,linearHallcircuitwithacopperconductionrouteplacedclosetothedie surface.Throughthiscopperconductionchannel,anappliedcurrentgeneratesamagneticfield,whichtheHallICtransforms intoaproportionalvoltage.TheproximitybetweenthemagneticsignalandtheHalltransduceroptimizestheprecisionofthe device.Thelow-offset,chopper-stabilized,BiCMOSHallIC,whichis programmed for precisionafter packaging,provides a precise,proportionalvoltage.

Fig2.CurrentSensor

2.3 GSM Module

A computer and a GSM-GPRS system can communicate via a GSM/GPRS module. Global System for Mobile communication(GSM)isanarchitectureutilisedinthemajorityofcountriesformobilecommunication.GlobalPacketRadio

© 2022, IRJET | Impact Factor value: 7.529 | ISO 9001:2008 Certified Journal | Page850

International Research Journal of Engineering and Technology (IRJET) e-ISSN: 2395-0056

Volume: 09 Issue: 12 | Dec 2022 www.irjet.net p-ISSN: 2395-0072

Service(GPRS)isaGSMexpansionthatfacilitatesfasterdatatransmission.GSM/GPRSmodulecomprisesaGSM/GPRSmodem assembledwithapowersupplycircuitandcomputerconnectioninterfaces(suchasRS-232,USB,etc.).TheMODEMisthelife forceofthesemodules

Fig3 GSMSensor

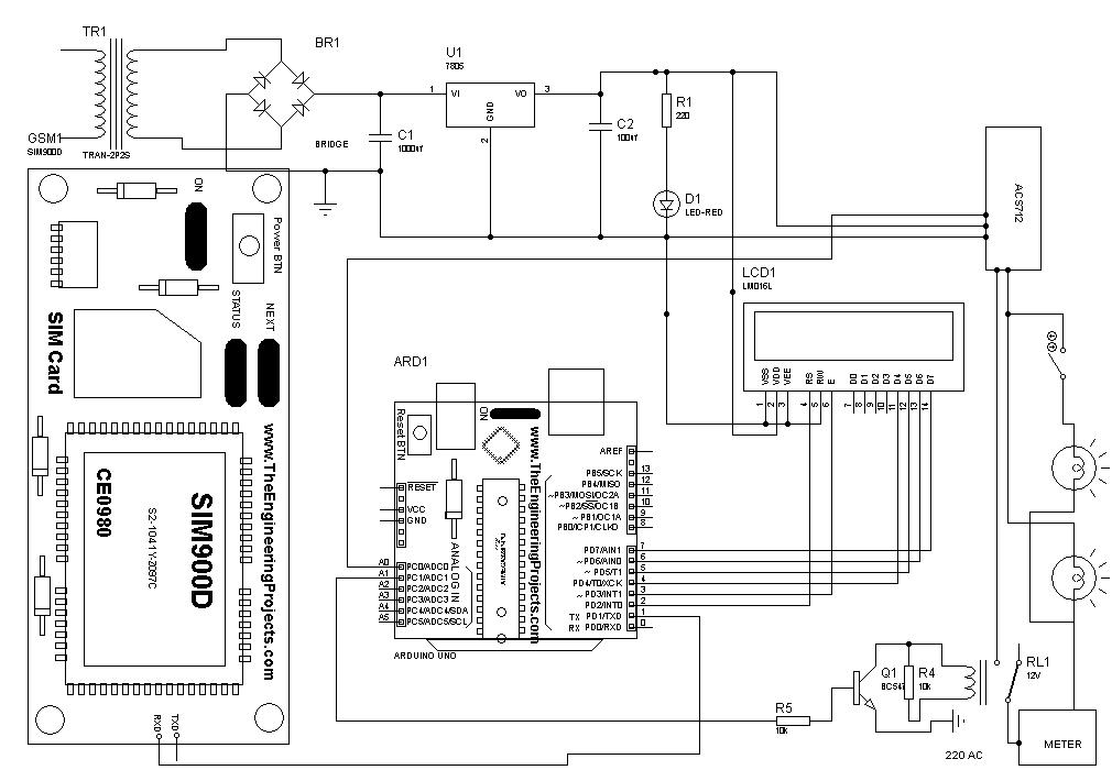
2.4 Circuit Diagram

Fig4.CircuitDiagram

2022, IRJET | Impact Factor value: 7.529 | ISO 9001:2008 Certified Journal

Page851
©
|

International Research Journal of Engineering and Technology (IRJET) e-ISSN: 2395-0056

Volume: 09 Issue: 12 | Dec 2022 www.irjet.net p-ISSN: 2395-0072

Fig5.Flowchart

2.6 Procedure

Usingthecurrentsensor,weconstructedanenergymeterinthisstudy.IntheGSMModule,aSIMcardwillbeinserted. First,weshallfeedtheloadwithfuel(bulb).TheadapterwillprovidetheArduinowithitspowersupply.Thecurrentsensor measures the current flowing through the load and transmits the data to the Arduino. Installed on the Arduino UNO, the applicationwatcheselectricalpulsesandcalculatesunitconsumption.Here,thenumberofelectricalpulsesisindicatedbythe numberofflashesoftheLEDlight.OntheArduino'sLCD,thenumberofconsumedunitsandthepriceperconsumedunitwillbe displayed.ThroughtheGSMModule,anSMScontainingthenumberofunitsconsumedandtheirpriceissenttotheuser'smobile device.

For interaction with the processor or controller, the MODEM requires AT commands, which are transmitted via serial connection.Theseinstructionsaretransmittedbythecontroller/processor.TheMODEMreturnsaresponseafterreceivinga command.Theprocessor/controller/computercansendvariousATcommandsprovidedbytheMODEMtointerfacewiththe GSMandGPRScellularnetworks.AGSM/GPRSMODEMiscapableofthefollowingtasks:Receive,transmit,anddeleteSMS messagesusingaSIM.Read,add,andsearchSIMphonebookentries.Make,accept,ordeclineavoicecall.

©
Certified Journal | Page852
2022, IRJET | Impact Factor value: 7.529 | ISO 9001:2008
2.5 Flow Chart

International Research Journal of Engineering and Technology (IRJET) e-ISSN: 2395-0056

Volume: 09 Issue: 12 | Dec 2022 www.irjet.net p-ISSN: 2395-0072

Fig6.BlockDiagram

3. RESULTS AND DISCUSSIONS

OurproposedsystemdisplaystheelectricityusagedataonanLCDpanelandsendstheuseranSMSwiththisreading andthecostinrupees.Thesystemcontinuallyanalyseselectricalpulsesandcomputeselectricityusageunits.NotonlyisanSMS senttotheuser,buttheserviceproviderisalsonotified.Theremustbetherightsignalsfortheusertoreceivethebillforthe spentelectricity.

Fig6. LCDdisplayingunitsandrupeesofelectricityconsumed

© 2022,
|
Certified Journal | Page853
IRJET
Impact Factor value: 7.529 | ISO 9001:2008

International Research Journal of Engineering and Technology (IRJET) e-ISSN: 2395-0056

Volume: 09 Issue: 12 | Dec 2022 www.irjet.net p-ISSN: 2395-0072

Fig7. Messageofunitsandrupeesofelectricityconsumedtotheuser’smobile

4. CONCLUSIONS AND FUTURE SCOPE

Electricutilitiesuseelectricmetersinstalledatcustomer’spremisesforbillingpurposesattheendofthemonth.Apersonfrom theelectricitydepartmenthastovisittheconsumerpremisesandnotedownthereading.Thissystemmakestrouble-freefor electricitydepartmenttoaccesstheenergyconsumedbytheconsumerfromthecustomerIDalsotheconsumercanmonitor theenergyconsumedbythem.Thesystemreadsthedatafromtheenergymeterwithouttamperingit,theproposedmodelis usedtocalculatetheenergyconsumptionofthehousehold.Thissystemwillbringtransparencybetweenprovider&consumer.

In addition to this proposed system, the system could be made more smart by allowing the user to check for the power consumptionandalerthimonhispowerconsumption.Andalsotoincludeaweb/mobileinterfacethatgivestheamountof energyconsumedbyeverydeviceineveryroomandalsogivetheenergyconservationtipstoo,basedonthedataobtained.The realtimedataobtainedcanalsobeusedtobuiltapredictionmodeloverit,forpredictingtheenergydemandstrendsofthe future,overanygiventimeperiod.

REFERENCES

[1] Sasanenikita N, “IOT based energy meter billing and monitoring system”, International research journal of advanced engineeringandscience.

[2] Anitha.k,prathik,SmartEnergyMetersurveillanceUsingIoT,InstituteofElectricalandElectronicsEngineers(IEEE),2019.

[3] MohammadHosseinYaghmaeeDesignandImplementationofanInternetofThingsBasedSmartEnergyMetering6thIEEE InternationalConferenceonSmartEnergyGridEngineering2018.

[4] AshnaK&GeorgeSN,“GSMbasedautomaticenergymeterreadingsystemwithinstantbilling”,Proceedingofinternational multiconferenceonautomation,computing,communication,controlandcompressedsensing(Imac4S),Vol.65,No.72, (2013).

2022, IRJET | Impact Factor value: 7.529 | ISO 9001:2008 Certified Journal |

©
Page854

International Research Journal of Engineering and Technology (IRJET) e-ISSN: 2395-0056

Volume: 09 Issue: 12 | Dec 2022 www.irjet.net p-ISSN: 2395-0072

BIOGRAPHIES

Dr.A.SubramanyamSreelathaisan Asscoaite Professor in Stanley College of Engineering and Technology for Women at Abids, Hyderabad,Telangana,India

Ms.B.Pallavai is an Assiatnat Professor at Department of Electrical Engineering, Stanley College of Engineering and Technology, Abids, Hyderabad, Telangana,India

2022, IRJET | Impact Factor value: 7.529 | ISO 9001:2008 Certified Journal

©
| Page855

Turn static files into dynamic content formats.

Create a flipbook