Design of Arduino Based Solar Tracker for Renewable Energy

Page 1

International Research Journal of Engineering and Technology (IRJET) e-ISSN: 2395-0056

Volume: 09 Issue: 12 | Dec 2022 www.irjet.net p-ISSN: 2395-0072

Design of Arduino Based Solar Tracker for Renewable Energy

1Batchlor Scholar, Department of Electronics and Telecommunication Engineering, Vishwakarma Institute of Technology, Pune, Maharashtra, India

2Professor, Department of Electronics and Telecommunication Engineering, Vishwakarma Institute of Technology, Pune, Maharashtra, India ***

Abstract - A solar tracker is a mechanized solar panel thatactually moves with the sun to collect its full power. A tracking system’s primary advantage is its ability to collect solar energy throughout most of the day and with the most accurate alignment as the Sun’s position changes with the seasons.Therearetwo differentdegrees that theArduinoAxis Tracker uses as its rotational axis The best technique to increase a PV system’s ability to produce power is solar tracking. Solar energy is an endless supply of power that, if correctly handled, will allow mankind to replace the traditional energy sources he has long relied upon. This was taken into consideration when designing the project to increase the effectiveness of solar energy harvesting.Anopen hardware test bench for solar trackers is presented in this project. The suggested prototype is built on a dual-axis solar tracker that is controlled by an Arduino Uno, an open-source prototyping platform with user-friendly hardware and software. Using the use of Light Dependent Resistor (LDR) sensors, the solar tracker can be operated automatically, or manually witha potentiometer. The hardware used has been selected to be inexpensive, small, and adaptable.

Key Words: Arduino Uno, Solar Tracker, Servo Motor, Temperature, Solar panel, IOT, tracking, Arduino IDE.

1. INTRODUCTION

This article was created for the Arduino Based Solar Trackerproject.Here,we’vecreatedamodelthatcanfollow thesun’spath.Weusedaservomotor,anArduinoUno,and othercomponentsinthis.Becausefossilfuelsarenow used more frequently to generate electricity, especiallyinrural regions,thecostoflivinghassignificantlyincreased,due to the use of fossil fuels that are ex-pensive nowadays.In addition, the use of fossil fuels has contaminated the environment, endangering human health. It releases CO2, whichhelpstocausethegreenhouseeffect.Deforestationof the land and pollution of the air and water are the results ofthisSincesolarenergyonlycomesfromthesunanddoesn’t produce any carbon dioxide, it prevents the greenhouse effect.The occupational risks associated with work in the renewable energy sector are fewer than those associated with coal mining and coal extraction. Solar energy is gradually becoming one of the most reliable sources of electricity due to its abundance and environmental friendliness. The location of the sun can be determined

nonlinearlybyasystemthatfollowsthesun.Itisimportant tocontrolthesystem’soperationseparately.WhenasolarPV panelisangleddirectlytowardthesun,itgeneratesthemost electricity.MakinganArduino-basedsolartrackingsystem forsolarpanelenergyoptimizationistheaimofthisproject.

2. LITERATURE SURVEY

In the previous study and the research, there are many articlespublished.ThepaperbyPrachiRani,OmveerSingh, andShivamPandeygaveananalysisoftheArduino-based Single-axis Solar Tracker. In this article, they have implementedanautomaticsingle-axissolartrackingsystem. Theuseofthissystemtrackingofmaximumintensityoflight. Whenevertheintensityoflightdecreases,thealignmentof thesystemchangesautomaticallytocatchmaximumlight.As today there are many systems available, this paper shows how to implement and analyze single-axis solar trackers. After the implementation of this project, they mentioned some improvements that any investigator can apply extra capablesensorsbutduetothis,itwillincreasethepriceand alsotakealowamountofenergy[1].

Thenextapproachmadewasbyonlinemodei.e.,simulator based. the authors implemented their idea on the proteus softwareenvironment.Thismodeldependsontheangleof the sun’s rays of the active energy given here. The power system of the Proteus software is being modeled on the system.Asthiswasdoneonlinemode,ittookalotoftime andefforttotestthetwo-axissolarsysteminrealobjectsand alsogetthedesiredresults.Theyhavefacedmanyerrorsin theinterpretingsystemandthenwritingitintothesoftware. Butasthissystemwasimplementedvirtuallyitwaseasyto correcttheerror[2].

Due to the enormous environmental and economic potential it offers, the renewable energy sector is quickly becominganewareaofgrowthformanynations.Solarasa primary source of energy, energy plays a significant role, particularly in rural areas. The design and construction creationofahighlyeffectivedual-axissolartrackingsystem withtheArduinoplatform.Inaddition,thelong-termgoalof this research aims to identify the largest source of solar energytopowerthesolarcell.Fivelight-dependentresistors (LDR) were employed in the hardware development to

©
2022, IRJET | Impact Factor value: 7.529 | ISO 9001:2008 Certified Journal | Page795
Arjun Lande1 , Rushikesh Gholap1 , Shubham Ghadge1 , Faizaan Khan1 , Prof. Ajay Talele2

International Research Journal of Engineering and Technology (IRJET) e-ISSN: 2395-0056

Volume: 09 Issue: 12 | Dec 2022 www.irjet.net p-ISSN: 2395-0072

captureasmuchlightaspossible.Thesolarpanelwasmoved using two servo motors when the light source location detectedbyLDRwasatitshighestlevel[3].

This is a dual axis monitoring system, and during this process, the system’s measurement of the sun’s course is made. The purpose of optimization is to maximize the quantityofenergygeneratedbyphotovoltaicsystemswhile taking the tracking system’s usage into account. The determinationofthetiltangleandazimuthangletrajectories is described as a nonlinear and bounded optimization problem.Sincenon-renewableenergysourceswillsoonbe severelydepleted,wemustfindalternatives.Toincreasethe efficiency of solar energy collecting, we employed sensors (LDR)tofollowthesun’scourseandensurethatthepanel shouldbeputinMPPT-(maximumpowerpointtracking)to observe higher efficiency panel should be placed in MPPT point[4].

3. CIRCUIT DIAGRAM OF THE PROPOSED MODEL

4. PROCEDURE FOLLOWED WHILE DESIGNING

• The main light sensors were used are LDRs. For holdingthe solar panel two servo motors are fixed to thatstructure.

• Uploading of program for Arduino is done to microcontroller.

• LDRscandetecthowmuchlightisshiningonthem. Splittingintothefourdirectionsup,down,left,and right arethe four LDRs that detect the light.

• For the purpose of East West tracking the comparisonoftwotopLDRsandothertwobottom LDRs of analogue valuesis done, and the vertical servowillmoveinthatdirectioniftheresultcomes that top set of LDRs receives more light,

• For the servo motor to travels down, the result shouldcomeasthebottomLDRsarereceivingmore light.

• Forthepurposeofangular deflection of the solar panelthecomparisonbetweentheanaloguevalues fromtwoleftLDRs and two right LDRs is done.

• If the left set of LDRs detects more light than therightset,thenhorizontalservowillmovetothe leftdirection.

5. WORKING

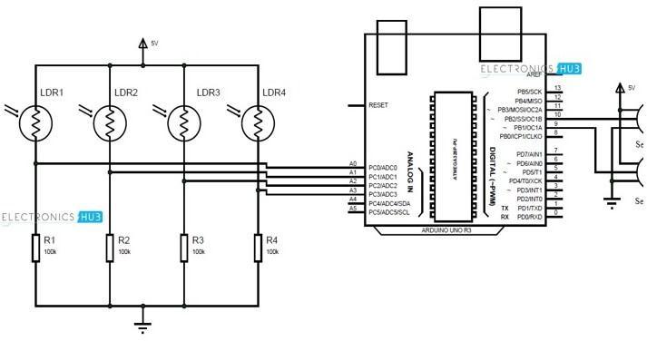
Fig.1. CircuitdiagramofArduinoSolarTracker

3.1 Description of Circuit diagram

ThemainlightsensorswereusedareLDRs.Forholdingthe solarpaneltwoservomotorsarefixedtothatstructure.The ArduinoUNOR3isusedasmaincontrollerforthesystem. The amount of sunlight hitting them is detected by LDRs. There are four LDRs: top, bottom, left, and right. In series with LDRs are four 100-ohm resistors.

Photovoltaic cells are used in solar panels (PV cells). FollowingthemeasurementofthelightintensitybythePV cells, the solar panel tracker modifies the direction of the solarpaneltotracktheSun’spositioninthesky.Thetracker adjusts the solar panel every time so that more sunlight shinesonitandlesslightisreflected.Asaresult,ittakesin moreenergythatcanbeturnedintopower.

Inthisprototype,weusedservomotorstoautomatically rotatethepanelwhilealsousingtheArduinomicrocontroller tomonitorthelight(sun)intensityusinganLDRsensor.The motoriscontrolledbyanArduinoUnoboardusingtheLDR sensor’soutput.

Here, we have created the tiny components that are essential to the movement. To create this fixture for your project,youcanuseanymaterial,includingcardboard,wood, and plastic. This was the last part we put together for the rotating solar panel framework. To move in both the horizontalandverticaldirections,weusedtwoservomotors. To measure the intensity of the sun (or light), we have installedfourLDR(light-dependentresistors)ontheupper side

©
2022, IRJET | Impact Factor value: 7.529 | ISO 9001:2008 Certified Journal | Page796
1)
2)
3)
4) LDR’sX4(LightDependentResistor)100K 5) Resistor’sX4 6) 6.Battery(4.5vto6v)
3.2 Component requirement of the project
ServoMotor(sg90)
Panel
ArduinoUnoR3

International Research Journal of Engineering and Technology (IRJET) e-ISSN: 2395-0056

Volume: 09 Issue: 12 | Dec 2022 www.irjet.net p-ISSN: 2395-0072

6. OUTPUT OF THE PROJECT

In situations when the grid connection’s limited powercapacityisanissue,thesesolartrackersoffera workablesolution.

Thesetrackersrequirelessareatobefittedandoffer youthechancetoutilizetheextraspacenearbyfor domestic household purposes activities like car parking,gardening,etc.

8.2 Con’s of the designed System

• Due to the higher technical complexity of the solar tracker, this makes it a potential reason for the glitches.

• Thesystemwhichwedesignedhasashorterlifespan andsometimescanbelessreliable.

• Poor performance when it’s cloudy or overcast outside.

CONCLUSION

Fig.2. Output Images

7. RESULT AND APPLICATIONS

Thetworotationaxesthatmakeupdual-axistrackers,the” main axis” and the” secondary axis,” are each spaced two degreesapart.Therotationalaxismaymovedownwardor upward throughout the day to compensate for the Sun’s angularvariations.

Dual-axistrackingenablesthemostpreciseorientationof thesolardeviceandisthoughttodelivera40%increasein output through energy absorption. Although these solar trackersaremoreexpensiveandcomplex.Dual-axistrackers cantravel intwodirections,ensuringthattheyarealways facing the Sun. Tip-tilt and as-imuth-altitude are the two differentcategoriesofaltitudebaseddual-axistrackers.

Vertical and horizontal pivots are needed by the solar tracker that can work as a control system similar to solar telescopes.Thepersonwhosellssolarenergysystemscan utilizethemnormallybecausetheyarequitepricey.nfocused solar applications exact tracking of solar trackers is being utilized,anexamplecanbegivenasmirrorsthatconcentrate sunlightandconvertittoheat.

8. PRO’S AND CON’S

8.1 Pro’s of the designed system

 Theproposedsystem’strackerscontinuouslydetect the Sun’s direction and offer constant power productionthroughouttheday.

The microcontroller and stepper motor used in the proposedsolartrackersystemallowedittofollowthesun’s path. No matter the location or weather, this system can function well. According to our needs, we can modify the trackersthresh-oldvoltage.Oncethesunhasset,itcanalso resetthestartingposition.Additionally,thesolarpanelfaces thegroundatnight,whichshieldsitfromdustandlengthens itslifespan.Thesolartracker’sdesignedprototypehassome drawbacksbecauseitisaminiatureofthelargersystem.For thepracticalcase,thenumberofLDRsshouldbeincreased. Additionally,wehavetakenintoaccountthetrackerrotating in one dimension. Therefore, in our ongoing research, we plantoexpandthistracker’sdegreesoffreedom.

REFERENCES

[1] PrachiRani,Omveer Singh, SMIEEE, ShivamPandey, “AnAnalysisonArduinobasedSingleAxisSolarTracker “2018 5th IEEE Uttar Pradesh Section International Conference on Electrical, Electronics and Computer Engineering.

[2] Kh.E. Khujamatov, D.T. Khasanov, E.N. Reypnazarov,” Modeling and Research of Automatic Sun Tracking Systemon the bases of IoT and Arduino UNO” 2019 IEEE.

[3] Zolkapli,M.,AI-JunidS.A.M.,OthmanZ.,Manut,A.,Mohd ZulkifliM.A.”High-EfficiencyDual-AxisSolarTracking Development using Arduino” 2013 International Conference on Technology, Informatics, Management, Engineering&Environment.

© 2022,
|
|
Certified Journal | Page797
IRJET
Impact Factor value: 7.529
ISO 9001:2008

International Research Journal of Engineering and Technology (IRJET) e-ISSN: 2395-0056

Volume: 09 Issue: 12 | Dec 2022 www.irjet.net p-ISSN: 2395-0072

[4] BonamsettiMadhu,KarriVinaySudheer,S.Ra-jasekhar “A Fully Automated Solar Tracking System” 2019 International Journal of Engineering and Advanced Technology

[5] AnshulAwasthi,AkashKumarShukla,MuraliManohar S.R., Chandrakant Dondariya, K.N. Shukla, Deepak Porwal, Geetam Richhariya “Review on sun tracking technologyinsolarPVsystem”2020.

[6] Jeng-NanJuangandR.Radharamanan“DesignofaSolar Tracking System for Renewable Energy” 2014 Conference of the American Society for Engineering Education

2022, IRJET | Impact Factor value: 7.529 | ISO 9001:2008 Certified Journal |

Page798
©

Turn static files into dynamic content formats.

Create a flipbook