ENERGY GENERATION VIA FOOTSTEPS USING PIEZOELECTRIC SENSOR

Page 1

International Research Journal Of Engineering And Technology (IRJET) E-ISSN: 2395-0056

Volume: 09 Issue: 12 | Dec 2022 Www.Irjet.Net

P-ISSN: 2395-0072

ENERGY GENERATION VIA FOOTSTEPS USING PIEZOELECTRIC SENSOR

Priyanka Bhatele,Shubham Mali, Atharv Mali, Mahi Chrungoo, Adwait Mali, Rishikesh Makode

Department of Engineering, Sciences and Humanities (DESH) Vishwakarma Institute of Technology, Pune, 411037, Maharashtra, India ***

Abstract —

Electricity is becoming a vital part of our life and that's why power generation has also become important. As we know generation of electricity can be done in numerous ways.

One of the ways is to convert mechanical energy from vibration in human motion into electrical energy, which is a non-fossil fuel driven sustainable form of energy. A system has been devised in which numerous piezoelectric sensors convert mechanical energy from pressure applied on them intoenergywhichisstoredinabatteryinsidethesoulofthe shoe. outside of the shoe consists of an USB port through which we can connect our mobile phones after returning home ,our shoe thus acts as a power bank. This is thus a renewable form of energy and a sustainable future use solution.

Keywords Green Energy, piezoelectric energy generation, renewable energy, mechanical to electrical conversion

I. INTRODUCTION

Considering the expected endangerment of non renewable resources in near future , it is important to sustain to renewableforms,alotofhumanenergyiswastedinhuman locomotion in form of vibration , or heat and other forms .When human walk some force exerts on surface of shoe which can be used to generation of electricity. This can be donebyusingpiezoelectricsensors.

A)PIEZOELECTRICEFFECT

When pressure or stress is applied on the piezoelectric materials a small amount of voltage or electric potential is generated this is nothing but piezoelectric effect So we can generate the electricity by this piezoelectric effect..Common piezoelectric materials include lead zirconate titanate (PZT), barium titanate, and lead titanate

In other materials like metals , we can see the symmetrical structureofaunitcellbutinthiscase itisnottrue.Normally, we can see electrically neutral behavior of the piezoelectric crystals l:no symmetry in the arrangement of the atoms can be seen but this is not the case about the electrical charges. Cancelation of positive charge to the negative can be seen insidethesecrystals.

But by applying the pressure on the crystal structure of the respective get disturbed ,so net movement of positive and negativechargewillbehappenedduetodeformationandnet electric charge will be produced. This effect when happens across the whole structure ,causes net positive and negative chargestoappear.

Electrical polarization corresponds to the change in positive and negative charges creating a peripheral electric field. The applied force in the material creates the development of potential differences in the materials. This concept is even termedasthe direct piezoelectric effect

The other scenario that has to be noted is that this effect is reversible which means that the result will be electrical deformations in the material by applying the electric field is calleda reverse piezoelectric effect

B)LITERATUREREVIEW

There have been previous methods of generation of electricity via piezo sensors.In the research done by FernandesM. etal[1],involvedtransferofvoltage generated by the piezo sensors to a bridge rectifier circuit to a ProtectioncircuitwhichcomprisedofReedRelayasthemain component, along with 2 LEDs (Red and Green) for

© 2022, IRJET | Impact Factor value: 7.529 | ISO 9001:2008 Certified Journal | Page647

International Research Journal Of Engineering And Technology (IRJET)

Volume: 09 Issue: 12 | Dec 2022 Www.Irjet.Net

indication, and current limiting resistors and then to a 5V voltageregulatoralong with a capacitorandcurrentlimiting resistor that helps in providing a 5v constant DC Supply by whichwecanchargeourmobiles.

In the research done by Anis Maisarah Mohd Asry et al[2] ,there were Two sets of three piezoelectric sensors which were series-parallel connection. The piezoelectric tile was usedtoplacethe 6cellsofpiezoelectricsensors.Thedesign ofthetilewassquareshapedandwasofwoodennatureThis tile can be fit on the floor by the screws and as the persons steps on it the upper tile will apply the pressure on the piezoelectricmaterial .As piezoelectricsensorwas placed between the two tiles and spring was fitted between upper and lower tile .It was observed that when sensors are in seriestherewasahighoutputbutlowcurrent.Butincaseof parallel combination it was opposite . So the solution of this was a combination of two sets of three piezoelectric materialsinseriescombinationandare attachedtogetherin parallel so that series and parallel connection and combinationcanbeachieved.

In the research done by M. Nitashree et al[3] , have used piezoelectric-sensor, voltage regulator, PIC ,microcontroller, battery, voltage booster, LCD display, LDR ,and mobile charging socket . They had used two voltage boosters to amplify thevoltage.Batterywasusedtostorethegenerated power or voltage and the percent charged was shown on theLCDscreen.

Inthe researchdoneby D. Marshiana,etal[4],have worked ontheidea ofusingpiezoelectricsensorsunderstreettiles, sowhenpeople walkonthempowerisgenerated.Herethey used a PZT piezoelectric transducer to harvest the kinetic energyfromfootsteps.Heretheyhavefittedthissetupunder atilewith2capacitors;oneofthemworksasafilterandthe otherforstoringthegeneratedenergy. Afterthecapacitoris chargedit isready totransferthepowertothedesiredlow powerdevice.

II. METHODOLOGY/EXPERIMENTAL

MaterialsandComponents:

Piezoelectricsensors(27mmdiameter),Capacitor(35volts, 100microfarad),1N4007Diode,LightEmittingDiode(LED)

,Full wavebridgerectifier, jumper wires,gluegun, solder gun,shoes,sponge,Rechargeablebattery.

E-ISSN: 2395-0056

P-ISSN: 2395-0072

Note: The energy used in charging appliances like mobile phones make use of AC voltages that are supplied to our homes,butthemobilechargesactasAC-DCConverters

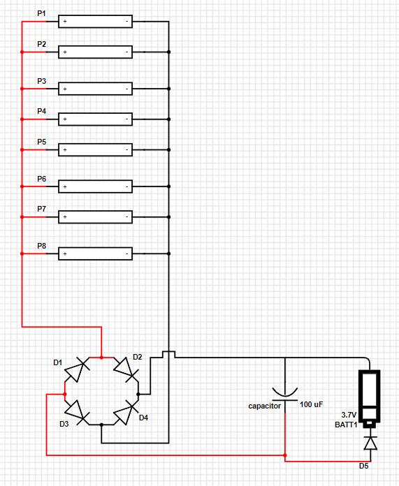
Circuitdiagram:

B.METHODOLOGY

1)This circuit involves the use of 8 piezoelectric sensors(P1P8) that are connected in a parallel manner which are installed on the sole of the shoes .This sensors are also connected to two ends out of the 4 ends of the bridge wave rectifier.

2)Capacitor is connected to the DC Output of the bridge rectifierinparallel.

3)The anode of a diode is connected to the positive end of thecapacitoranditscathodeisconnectedtothepositiveend of a load(for eg a battery)so that the capacitor is in forward biasandthebatteryisinreversebiasedwiththediode,thus capacitor shall always conduct while battery should not get discharged.

4) Due to walking pressure piezoelectric sensors convert it intotheACVoltage.

© 2022, IRJET | Impact Factor value: 7.529 | ISO 9001:2008 Certified Journal | Page648

International Research Journal Of Engineering And Technology (IRJET)

Volume: 09 Issue: 12 | Dec 2022 Www.Irjet.Net

5)WiththehelpofafullwavebridgerectifierACVoltagewill convertintoDCvoltage.

6)ThenDCVoltagewillbestoredintothecapacitorandthis capacitorwillgetcharged.

7)Thecapacitorthuscanthenbeusedtochargealoadlikea battery.

8)As the piezo sensor has property to generate the small electric potential across its terminals by applying the stress, calculatedvoltagebyonestepisapproximately0.3to

0.5 volts on average this voltage is in the ‘AC’ form so for converting this into dc from the bridge rectifier will be connected,thisusedrectifieralreadyhasfourpinstwoaredc pinsandtwoareacpins.

9)The more is the force on the piezo sensor ,the more is the voltagegeneratedacrossitsterminals.Thusmoretheweight ofthepersonmorewillbetheforce.

10)The usage of sponge foams helps in the application of more pressure on the piezo sensor as force is more evenly distributed in comparison when piezo sensors are pressed withoutthem,thisleadstogenerationofmorevoltageacross theirterminals.

III. RESULTS AND DISCUSSIONS

E-ISSN: 2395-0056

P-ISSN: 2395-0072

Observations

Voltageacrosscapacitoratt=0: 0V

Voltageacrosscapacitorafterbeingsubjectedto65kgweight continuouspressingfor 2minutes=0.50V

The voltage generated by piezoelectric sensor will be stored in the capacitor this voltage will be in the form of ‘DC’ as voltage generated by piezo is passed through the bridge rectifier ,AC voltage will be converted into DC form this voltagewillbepassedtothebatteryandthroughthebattery voltageispassedtotheUSBportsothroughportmobilecan be charged .Voltage generated by the one step is 0.3 to 0.5 volt so according to that voltage energy will be get stored in thecapacitorandsimultaneouslyinthebattery.

IV. FUTURE SCOPE

While working on this project the authors observed that it was not that comfortable to wear,so,the shoes can be made more comfortable and handy so it is easy to use. In this project , some new features like wireless charging for charging phones while walking can also be added. light weight batteries so the overall weight becomes less and it's moreconvenienttouse.Inthefutureitcouldaddsomenew featureslikeLEDlightsforvisibilityindarkplaces.

V. LIMITATIONS

The energy produced by the piezoelectric sensors is less in amount compared to other means of conversion of energies, it makes the shoes non-washable due to the presence of electrical components, excessive weight on the piezo sensor maybreakthesensor.

© 2022, IRJET | Impact Factor value: 7.529 | ISO 9001:2008 Certified Journal | Page649

International Research Journal Of Engineering And Technology (IRJET)

Volume: 09 Issue: 12 | Dec 2022 Www.Irjet.Net

VI. CONCLUSION

After the completion of the project , the power generated is getting stored in the capacitor , which could be used further tochargedevices. Thisisa steptowardsasustainableform of energy , it would be very helpful in the near future for power generation with the help of footsteps for while walking charging as well as establishment of piezoelectric tilesonstreetsforchargingofstreetlights.

VII. ACKNOWLEDGMENT

Wewouldliketothankprof.priyankabhateleforcontinuous support and proper guidance throughout the project . We would also like to thank our friends Gitesh mane and aditya suryawanshi for providing us with required material at the right time and helping us when we experienced complications

VII. REFERENCES

[1] Implementation of Piezoelectric Sensors for Generation of Power :Mervyn Fernandes, Minal Patil, Vedant Desai, Asawari Dudwadkar ,U.G. Student, Department of Electronics Engineering, V.E.S.I.T, Mumbai, India,ISSN(Online):2319-8753,ISSN(Print):2347-6710

[2] Study on footstep power generation using piezoelectric tile Anis Maisarah Mohd Asry, Farahiyah Mustafa, Sy Yi Sim, Maizul Ishak, Aznizam Mohamad ,Faculty of Engineering Technology, Universiti Tun Hussein Onn Malaysia, Malaysia,Indonesian Journal of Electrical EngineeringandComputerScienceVol.15,No.2,August 2019, pp. 593~599 ISSN: 2502-4752, DOI: 10.11591/ijeecs.v15.i2.pp593-599

[3] M. Nithyashree, et.al., “Foot Step Power Generation Using Piezoelectric Material,” International Journal of Advanced Research in Electronics and Communication Engineering,vol.4,pp.2503-2506,Oct2015.

[4] D. Marshiana, et al., “Footstep Power production using Piezoelectric Sensors,” Research Journal of Pharmacy andTechnology,vol9,pp.831-834,Jul2016.

[5] V. Panneerselvam, et al., “Portable DC Regulated Power Supply from Footsteps,” International Journal for Scientific Research & Development, vol 5, pp. 916-918, April2017.

[6] R.Prabaharan,et.al.,“PowerHarvestingByUsingHuman Foot Step,” International Journal of Innovative Research in Science, Engineering and Technology, vol 2, pp 30013009,Jul2013.

E-ISSN: 2395-0056

P-ISSN: 2395-0072

[7] StevenR Anton and Henry ASodano 2007 Smart Mater. Struct. 16 R1, “A review of power harvesting using piezoelectricmaterials(2003–2006)”

[8] N. S. Shenck and J. A. Paradiso, "Energy scavenging with shoe-mounted piezoelectrics," in IEEE Micro, vol. 21, no. 3,pp.30-42,May-June2001,doi:10.1109/40.928763.

[9] Woo-SukJung,Min-JaeLee,Min-GyuKang,HiGyuMoon, Seok-Jin Yoon, Seung-Hyub Baek, Chong-Yun Kang, Powerful curved piezoelectric generator for wearable applications, Nano Energy, Volume 13,2015,Pages 174181,ISSN2211-2855

[10] Funk, Sullivan, "Using Piezoelectric Plates in Shoes" (2022). SouthCarolinaJuniorAcademyofScience.132.

[11] Cook-Chennault, K. A., Thambi, N., Bitetto, M. A., & Hameyie,E.B.(2008).PiezoelectricEnergyHarvesting:A Green and Clean Alternative for Sustained Power Production. Bulletin of Science, Technology & Society, 28(6),496–509.

[12] Anil Can Turkmen, Cenk Celik,”Energy harvesting with the piezoelectric material integrated shoe”, Energy, Volume150,2018,Pages556-564,ISSN0360-5442.

[13] J. A. Paradiso and T. Starner, "Energy scavenging for mobile and wireless electronics," in IEEE Pervasive Computing, vol. 4, no. 1, pp. 18-27, Jan.-March 2005, doi: 10.1109/MPRV.2005.9.

[14] Gupta V, Sharma M, Thakur N. Optimization Criteria for Optimal Placement of Piezoelectric Sensors and Actuators on a Smart Structure: A Technical Review. Journal of Intelligent Material Systems and Structures. 2010;21(12):12271243.doi:10.1177/1045389X10381659

© 2022, IRJET | Impact Factor value: 7.529 | ISO 9001:2008 Certified Journal | Page650

Turn static files into dynamic content formats.

Create a flipbook