DESIGN AND DEVELOPMENT OF RANGE CONTROL FIRE EXTINGUISHING SYSTEM

Page 1

International Research Journal of Engineering and Technology (IRJET) e-ISSN: 2395-0056

Volume: 09 Issue: 09 | Sep 2022 www.irjet.net p-ISSN: 2395-0072

DESIGN AND DEVELOPMENT OF RANGE CONTROL FIRE EXTINGUISHING SYSTEM

1,2Final Year Student , Department of Mechanical Engineering, 3Assistant Professor of Mechanical Engineering, 1,2,3Sathyabama Institute of Science and Technology, Chennai, Tamilnadu, India -600119 ***

Abstract - In this paper, Robotic firefighting system with acute heat detectors and an avoidance function is designed and developed. Circuit design combines a microcontroller needs various parts to complete the task it was programmed to do. The chassis' structural layout accommodates all components for maximum performance. To determine the most effective manner to do the assignment, the codes were modified. The smart fire extinguisher system advanced, per the experimental results. The best response time for the move stop is found to be 400ms , which indicates that the gripper will start putting out the fire and will shut off the water pump after the fire is instantly put out Similarly, upon the detection of fire and smoke, the SMS messaging capability as well as the fire as well as smoke alarm detection was effectively activated.This efficiently produced robotic firefighting system will be a reasonable precaution against fire calamity.

Key Words: Embedded c software, Warning system, sensors, Arduino, Rescue robot

1. INTRODUCTION

Background of the Study

Oneofthemostimportantconcernwasthatnoorganization noranygoverningbodyornopersonwillbeavailableallthe timewhentherewasafireaccidents.Duetohighexplosives ,high smoke and high intensity of fire intensity of fire its impossible for humans to enter the fire place. A Quicker response was needed to avoid huge damage. Any kind of objectswhichhavetendencytogeneratefirecanleadstofire accidents.Theyareconcernsfornotonlyindustrialfirebut to domestic household due to poor fire management techniques Inpresentalotof Firesafetysystemsandnew technologies emerged in market like chemical fire extinguishers,butalongwiththatadvancementsinthefield ofroboticsandembeddedsystemsthingsarebecomingeasy day-by-day.Thesesmartrobotsystemsforextinguishingfire wasbuiltinsuchawaythatmakesthehumansnottoloose their life for simple accidents. The compact automated machine (Smart fire extinguisher robot) was designed to achieveworkinthreestageprocess Firststageofthiswasto detecttheobstacle(fire)usinggivenhardware.Secondstage wastoreachthetargetedareawiththehelpofhightorque motors without getting damaged. Third stage was to

extinguishfirewiththesuitablemediumsforsuitablegrades withpumpsystem

Problem statements.

Afire-fightingrobotmodelwasdesignedbyTawfiqurRakib and M. A. Rashid Sarkar. It includes of a core region consisting of "Kerosene wood," an LM35 temperature sensor,flamesensorthatrecognizefireTwowheelsareused by the robot to move around. [1] A firefighting robot operatedbyanandroidandpoweredbyanArduinoUNOR3 was proposed by S. JakthiPriyanka and R. Sangeetha.The robotismadeupofagassensortodetectfires,agearmotor and motor drive to move it, a communication module to connectittoanAndroiddevice,andasmartphonecontrol module.Sprinklersandawaterpumparealsoemployedin this. An open to all software named Arduino package is requiredtoprogrammeandimplementtheguidelinesforthe ArduinoUNO.[2]Anotificationsystemforanautomatedfire controllerrobotwasproposedbyJ.Jalani1,D.Misman1,A.S. Sadun1,andL.C.Hong1.Threeflamesensorsareusedbythis robottodetectfiresintheleft,right,andcenterdirections .Threeultrasonicsensorsarealsoincludedfordetectingand avoiding obstacles. The robot uses a bluetooth module to sendtheuserawarningnotificationwhenitsensesafire.[3]

2. Methodology

AnArduinoMega 2560 microcontroller,to whichvarious sensorsarelinked,isusedtomanagetheproject.TwoSLB16747.4Vbatteriesareusedinthisprojecttodissipatethe necessary and sufficient power to all of the system's components.Theprojectalsomakesuseoffourdecelerated 280 Revolutions per minute DC motors that, when necessary,canbeprolongedtodriveuptoninewheelsand are managed by an L298 H-Bridge Motor Driver. For the purposeofavoidingobstructions,anultrasonicsensorwas necessary. All of the aforementioned components were linkedtotheirrespectivebodiesandmoduleswhere5to12 voltsandallofthelineswerelinkedinacommon.

3 Hardware implementation

Oneofthemostimportantcomponentsinthecreationof a firefighting robot is the hardware. Required sensors, a waterpump,amotordriver,atinybreadboard, motors,and

©
Page553
2022, IRJET | Impact Factor value: 7.529 | ISO 9001:2008 Certified Journal |

International Research Journal of Engineering and Technology (IRJET) e-ISSN: 2395-0056

Volume: 09 Issue: 09 | Sep 2022 www.irjet.net p-ISSN: 2395-0072

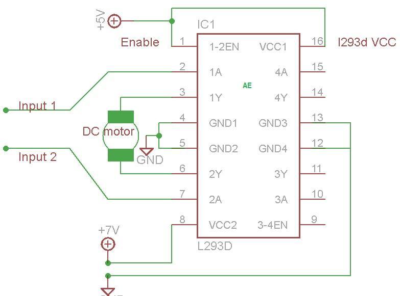
wheelsareallincluded.thefirefightingrobot'sblockdiagram, whichshowsoneIRflamesensorasthesystem'sinput.Asa micro-controller for connecting additional components, ArduinoUNOisused.TheL293DMotorDriverisutilizedto rotatemotorsandhastheabilitytosimultaneouslyruntwo DCmotors

Throughthe16-pinICL293D,wemaysimultaneouslydrive twoDCmotorsineitherdirection.

Features:

1.Itispossibletoutilisethesameintegratedcircuitto drivetwodirectcurrentmotors.

2.Itispossibletoalteracceleration,velocityanddistance

3.4.5to36voltsformotorvoltageVcc2(Vs)

4.1.2Aistheoptimummotorcurrentpeak

5.600microAmphereisthetheoreticaloptimummotor current

6.4.5to7 asthesupplyenergytoVcc1

7.changinginperiod:300ns(at5Vand24V)

Fig -1:AurdinoUno

3.a.Flame Sensor

The flame sensor monitors theambientand findsanyfire present.Themodule,whichwasbasedonanIRtransmitter, seekforcombustibleandhazardousgasesincludesnitrogen, hydrogen, and carbon monoxide. The potential for signal detection is customizable. Three flame sensors are on the robot.

3.b Module for a flame sensor

Thepinarrangementofthesensorisshownbelow.Thefour pinsbelowareamongitsfourtotalpins.Whenthismoduleis pairedwithamicrocontrollerunit,thepinsarelinked.

Voltagesupplyrangesfrom 3.3to5.3voltsfor pin 1(VCC pin), pin2isagroundpin,andpin3isananalogueoutputslotpin Pin4wasapinfordigitaloutput

8.Therewasanalternativeforthermalshutdown

L293D Integrated circuits usage:

TheL293Disawell-liked16-PinDriverIntegratedCircuit Frequently used in motordrives of chips, as the names suggest. Two Direct Current motors can be driven synchronouslybyasingleL293DIntegratedcircuit,andeach motor'sdirectioncanbeindependentlyevolved.Therefore, thisIntegratedcircuitwillbethebestchoise foryouifyou havemotorsthatrunsatminimumof36Venergyandlower than600milliAmpheres,andthataretobeusedbydigital circuits like Op-Amp, other circuits, digital gates, or even MicrorollerslikePIC,ARM,etc

Fig -3: Flame sensor

3.c.Motor Driver L293D

The DC motor's ability to move in either direction is controlled by the L293D motor driver or motor driver IC.

value:

Fig -5: L298D Pin Configuration connections

©
Page554
2022, IRJET | Impact Factor
7.529 | ISO 9001:2008 Certified Journal |

International Research Journal of Engineering and Technology (IRJET) e-ISSN: 2395-0056

Volume: 09 Issue: 09 | Sep 2022 www.irjet.net p-ISSN: 2395-0072

3.d. Submersible Water Pump

PumpforSubmersibleWater.ForcreatinganArduino-based autonomouswateringsystem,submersiblewaterpumpsare perfect.Therobot'swaterpumpisacrucialcomponentsince itwillpump withwatertodousethefire.Apumpthatcan besubstantiallysubmergedinwaterisasubmersiblepump, oftenknownasanelectricsubmersiblepump.Thepump's body and motor are closely interwoven and hermetically sealed.Asubmersiblepump,whichtranslatesrotaryenergy intokineticenergyandpressurizedenergy,propelswaterto thesurface.Thisisexecutedbydrawingwaterintothepump twice: first, at the intake, where the impeller's rotation propels the liquid through the diaphragm. From there, it climbstothesurface.

Fig -5: Submersible pump

Ultrasonic Sensors

Ultrasonic sensors are tools for measuring the distance betweenaobjectandthesensorbyusingultrasonicwavesto convertelectricalenergyintomechanicalenergy Theseries oflongitudinalmechanicalwavesknownasultrasonicwaves travelsacrossamaterial.ofrarefactionsandcompressions occur along the wave's path. Ultrasound refers to any longitudinalsoundwavethatisabovethehumanauralrange of 20,000 Hz The frequency range has been mainly categorized based on the type of use, as indicated in the figurebelow

Fig-6 Ultrasonic sensor working

Fig-7 Frequency Band

Ultrasonic Wave Production

The movement of a surface, such as a diaphragm, is necessary for the formation of these mechanical waves because it can cause compression and rarefaction in the mediuminfrontofit.Ultrasonicwavescanbeproducedat frequenciesbetween1and20MHzand20and40kHzusing magnetostrictiveandpiezoelectricmaterialsactinginthe motormode,respectively

4. Impression of Hardware and Software

Cross-platform - • Cross-platform – The Arduino Software is useful with kali Linux, Mac OS, and Windows operating system. The majority of microcontrollersystemsareWindows-only. 

Easy-to-use coding environment - TheArduino Softwareiseasyenoughforintricateuserstoapply while still being simple and straightforward for newcomers. It's built on the Progressed programmingenvironment,whichishelpfulforboth pupilsandmentorslearnhowtooperate.

Open source customizable software -TheArduino software is available as open source tools that occational programmers can modify. C++ libraries areusedtoeloboratethelanguage,andanyonecan swith to avr programme for more tech details Similartothatanyindividualcanwritetheavrcode directlyintheaurdinodirectly 

Open source adaptable hardware - Since the blueprintsfortheboardsaremadepubliclyavailable underaCreativeCommonslicence,qualifiedcircuit designersmaychangeandexpandthemtoconstruct theirownversionsofthemodule.

5. Problems & Concerns

However,notallissuesarepresentwithultrasonicsensors. Asamedium'stemperaturerises,sodoesthespeedofsound withinit.Asaresult,eventhoughtheobjecthasremainedin

© 2022,
|
|
Certified Journal | Page555
IRJET
Impact Factor value: 7.529
ISO 9001:2008

International Research Journal of Engineering and Technology (IRJET) e-ISSN: 2395-0056

Volume: 09 Issue: 09 | Sep 2022 www.irjet.net p-ISSN: 2395-0072

thesamelocation,itcannowappeartohavemovedcloserto thesensor.Aircurrentsmaydisruptthewave'spassagefora varietyofreasons,whichcouldresultin"MissedDetection" or incorrect measurement. Acoustic noise, such as highpitched noisesproducedby valvesandpneumaticdevices whistling or hissing at frequencies near to the working frequency, may interfere with the sensor's output. The performanceofthesensorisalsoaffectedbyelectricalnoise. Thesecouldproduceartefactsthatdon'taccuratelydepict thephotographedobject.Ultrasonicdevicesfeaturea"dead zone" where the sensor cannot accurately take measurements,muchashoweyesightbeginstoblurwhen an item is too close to the eye for the eyes to see it. This occursasaresultofaphenomenonknownasringing,which is the transducer's continued oscillation after emitted the pulse. Because of this, when the distance is too close, the transducer is unable to distinguish between vibration broughtonbyincidentradiationandoscillationbroughton byelectricalexcitation.Therisksposedbyultrasonicwaves arelikewisewellestablished Toomuchintensitycanheatup humantissuesandpossibly trigger rupturesin those who areexposedtoit.

6. Applications

Theissueswithultrasoundsensorshavebeenthesubjectof research, especially in the field of medical imaging where ultrasoundisused.Itispossibletodistinguishbetweensolid and cystic tissues by categorizing tissues using ultrasonic sensor distortions like Acoustic Shadowing and Acoustic Enhancement..Ultrasonicrangefindersarefrequentlyused in robotics for mapping and distance ranging. Ultrasonic sensors are used in hair styling, such as hair extension implants,eveninthefashionbusiness.

Domain Parameter Applications

Timetaken Tile-of-Flight, Velocity Density, Thickness, Flaw Detection, Anisotropy,Robotics, RemoteSensingetc.

thereduction oftheforce fluctuations in the signals that are reflectedandsent

Frequency cycle Ultrasonic and electromagnetic spectroscopy

photograph Time-of-accent, velocity, force reductionmapping inRasterC-Scanor SARs

Microstructures, defect characterisation,and interfaceanalysis

Phaseanalysis,grain size, porosity, and microstructure.

Density,velocity, 2D and 3D imaging, as well as surface and interior defect imaging.

Table-1 Applicationofhardware

Theissueswithultrasoundsensorshavebeenthesubjectof research, especially in the field of medical imaging where ultrasoundisused.Itispossibletodistinguishbetweensolid and cystic tissues by categorizing tissues using ultrasonic sensor distortions like Acoustic Shadowing and Acoustic Enhancement.Theindustryhasalsobenefitedfromtheuse ofultrasonicsensorsinsystemsforassistedparking,remote sensingandtelemetry,cleaningjewellery,plasticwelding, and other applications. Ultrasonic rangefinders are frequently used in robotics for mapping and distance ranging.

Support for Third-Party Hardware

: You can add support for third-party hardware to your sketchbook directory's hardware directory. Board definitions, core libraries,representsacomplex,andprogrammerdefinitions areexamplesofplatformsthatmightbeinstalledthereand displayinthe board menu. Createthehardwaredirectory before installing, and then unzip the third-party platform intoaseparatesub-directory.(Ifyounamethesub-directory "uno," theArduinoplatformthatisalreadybuilt-inwillbe overridden.) Simply deleting its directory will uninstall it. See the Arduino Platform specification for information on howtocreatepackagesforthird-partyhardware.

3. CONCLUSIONS

ThisSmartFireExtinguishingRobotiscapableofsettingof smallindustrialfires Theprojectaimstobuildacompact firefightingroboting systemwithsomesmartfeaturesWith pumpingmechanismandNozzlesystemtosetoff hustlefree extinguishing Usageofmorehardwaremakesthesystem complexandrequiresmorepowertorunsuchasystemso, thissystemwasmadeofbasichardwareandinawaymore compactmanner.Firstly,thebasicjobofthissystemwasto detectboththefireandobstaclesimultaneously.Secondly, the system can be navigated with the help of programme writtenonitormanuallythroughcontroller.Finally,when fireisdetectedthenitissetsitoffwiththehelpofpumpand nozzlesystemmechanism

REFERENCES

[1] TawfiqurandM.A.RashidSarkarDesignandfabrication ofanautonomousfirefightingrobotwithmultisensor firedetectionusingPIDcontroller,2016

[2] S. Jakthi Priyanka,R. Sangeetha, “Android controlled firefightingrobot”,Ineternationaljournalofinnovative scienceEngg.andTechnology,Volumn3,2017

[3] H.K. Anandakumar and A bio-inspired swarm intelligencemethodforsociallyawarecognitive radio handovers, Umamaheswari, Computers & Electrical Engineering, vol.71, pp. 925-937, Oct.2018.doi:10.1016/j.compeleceng.2017.09.016

©
| Page556
2022, IRJET | Impact Factor value: 7.529 | ISO 9001:2008 Certified Journal

International Research Journal of Engineering and Technology (IRJET) e-ISSN: 2395-0056

Volume: 09 Issue: 09 | Sep 2022 www.irjet.net p-ISSN: 2395-0072

[4] EarlyDetectionofLungCancerUsingWaveletFeature DescriptorandFeedForwardBackPropagationNeural Networks Classifier, Lecture Notes in Computational Vision and Biomechanics, 103–110, 2018, doi:10.1007/978-3-319-717678_9.

[5] "Fire Extinguishing Robot," International Journal of Advanced Research in Computer and Communication Engineering, 5(12), December 2016. Nagesh M. S., DeepikaT.V.,StaffordMichahial,andDr.M.Shivakumar.

[6] Autonomous Fire Detecting and Extinguishing, by Chhaya Khandelwal, Saurabh Hisvankar, and Mukul Diwanji Robot,ManipalUniversityJaipur,September 28-29,2019

[7] Control of an Autonomous Industrial Fire Fighting MobileRobotbyHPSINGH,DepartmentofMathematics, SriVenkateswaraCollege,UniversityofDelhi

[8] An Autonomous Firefighting Robot Real Time ManRobotControlofaGroupofSpecializedMobileRobots VassilSgurev,StanislavDrangajov,LyubkaDoukovska Institute of Information and Communication Technologies,1113Sofia.

[9] ASystemArchitectureofWirelessCommunicationfor Fire- Fighting Robot by Korea Advanced Institute of Science and Technology (KAIST), 335 Gwahangno, Yuseong-gu,Daejeon305-701,RepublicofKorea

[10] DevelopaMultipleInterfaceBasedFireFightingRobot by 1Department of Electronic Engineering WuFeng InstituteofTechnologyMing-Hsiung

[11] FIREFIGHTINGROBOTSahilS.Shah1,VaibhavK.Shah2, Prithvish Mamtora3 and Mohit Hapani4 1,2,3,4D.J.Sanghvi College of Engineering, Vile Parle –West,Mumbai,India.

[12] Accordingto2001,theJentschandWhiteFiregenerates changes that are natural, unavoidable, and impact all levelsofanecosystem

[13] S.Boopalan, R. Kumar Narayanan, C. SwarajPaul, G. NarendraPrasad,

[14] Firefightingrobotwithgassensorsandavisioncamera, Anandan, G. Narendra Prasad International Journal of EngineeringandTechnology,2018.

[15] D.J. Pack, A.M. Mankowski, and G.J. Freeman, A FireFighting Robot and Its Impact on Educational Outcomes.

[16] T.AlHaza,A.Alsadoon,Z.Alhusinan,M.Jarwali,K.Alsaif. New Concept for Indoor Fire Fighting Robot[J]. ElsevierLtd,2015,195.

[17] JiangpingFang.Researchprogressoffirefightingrobot [J].FireFightingtoday.2020.

[18] K.Altaf,A.AkbarandB.Ijaz,"DesignandConstructionof anAutonomousFireFightingRobot,"2007International ConferenceonInformationandEmergingTechnologies, Karachi,2007.

[19] J. Suresh, "Fire-fighting robot," 2017 International Conference on Computational Intelligence in Data Science(ICCIDS),Chennai,2017.

[20] J. S. C. Bose, M. Mehrez, A. S. Badawy, W. Ghribi, H. Bangali and A. Basha, "Development and designing of fire fighter robotics using cyber security," 2017 2nd InternationalConferenceonAnti-CyberCrimes(ICACC), Abha,2017.

[21] S.Dearie,K.Fisher,B.RajalaandS.Wasson,"Designand constructionofafullyautonomousfirefightingrobot," Proceedings: Electrical Insulation Conference and ElectricalManufacturingandCoilWindingConference (Cat.No.01CH37264),Cincinnati,OH,USA,2001.

[22] Tushar Nandkishor Satbhai, R.M.K., Anant Vijay Patil, ManishPatil,FireFightingRobot.InternationalJournal on Recent and Innovation Trends in Computing and Communication(IJRITCC),2016.

[23] J.Raju,S. S.Mohammed,J. V.Paul,G.A.JohnandD. S. Nair, Development and implementation of arduino microcontroller based dual mode fire extinguishing robot, IEEE International Conference on Intelligent Techniques in Control, Optimization and Signal Processing(INCOS),2017.

[24] Kim,J.-H.,S.Jo,andB.Y.Lattimer,FeatureSelectionfor Intelligent Firefighting Robot Classification of Fire, Smoke,andThermalReflectionsUsingThermalInfrared Images.JournalofSensors,2016.2016.

[25] Harik, E.H. and A. Korsaeth, Combining Hector SLAM andArtificialPotentialFieldforAutonomousNavigation InsideaGreenhouse.Robotics,2018.

2022, IRJET | Impact Factor value: 7.529 | ISO 9001:2008 Certified Journal |

©
Page557

Turn static files into dynamic content formats.

Create a flipbook