
International Research Journal of Engineering and Technology (IRJET) e-ISSN: 2395-0056
Volume: 11 Issue: 05 | May 2024 www.irjet.net p-ISSN: 2395-0072
![]()

International Research Journal of Engineering and Technology (IRJET) e-ISSN: 2395-0056
Volume: 11 Issue: 05 | May 2024 www.irjet.net p-ISSN: 2395-0072
Vishnu Prasad1 , Nikhil Jaiswal2, Tuleshwar Anchal3 & Mrs. Mohini Moitra Bhaduri4
123 UG student, Department of Electrical and Electronics Engineering, Chouksey Engineering College, Bilaspur, Chhattisgarh, India
4Assistant Professor , Department of Electrical and Electronics Engineering, Chouksey Engineering College, Bilaspur, Chhattisgarh, India
Abstract–The Wind Turbine MATLAB Simulink model, together with its functional components and simulation modes,arepresentedinthiswork.Almosttheonlyidealoption for a stand-alone, consumer-owned, uninterrupted power supplyisthewindturbine. Theserenewableenergyconverters lower the environmental impact of industry while also lowering fuel prices for locations that rely on gas or diesel Whenusedintheproductionofenergyinsimultaneously. The detailed research of wind power plant flexibility in the interplay between various power system components completesthecreationofthesimulationmodel.Themodelhas demonstrated a sufficient energy conversion efficiency, high component accuracy, and consistent simulation modes' dependability.
Key Words-wind turbine, MATLAB, renewable energy sources,decentralizedenergysupply
1. INTRODUCTION
Research into maximizing the efficiency of solar energy systemsandwindturbineshasbeenspurredbythegrowing needforrenewableenergysources.ByincludingaSimulink model for an AC to DC converter designed especially for wind turbine applications, this study presents a novel methodology.
Thefinitenatureoffossilfuelsandthehazardsfacedwith climate-changing are two further elements leading to the development of renewable energy sources[5]. Since wind energyisregardedasoneofthemostpromisingalternative energysourceswithenormouspotential,itisthesubjectof thisstudy.
Because of the sun's heat and localized variations in air pressure, air masses are heated and wind is produced. Together with the earth's rotation and topography, solar radiationalsocontributestotheongoingmovementofthese airmasses,whichareunabletoattainthermalequilibrium.
Windenergyisthetransferofthewindkineticpowerinto mechanicalpowerusingaturbine.Thegeneratortransforms themechanicalpowerintoelectricity,whichisthenfedinto thesharedgrid.
A more thorough method has been suggestedactual converterrepresentationwiththePWM-averagedmodel.In
thismethod,theaveragecircuitmodeltakestheplaceofthe switchnetwork,separatingtheswitchingelementsfromthe rest of the network and combining them into a switch networkthathasalloftheswitchingelements.
Nevertheless,thehigh-frequencyeffectsofthePWMfiring method are ignored by the suggested model, making it impossibletocalculateDC-linkvoltagepreciselyincaseofa breakdown.
Forbothrotorandstatorsideconverters,aswitch-by-switch representationoftheback-to-backPWMconvertersandthe corresponding modulators has also been suggested. Triangularcarrier-basedSinusoidalPWM(SPWM)isutilized in a switch-by-switch paradigm of voltage-fed, currentcontrolled PWM converters in order to maintain the switchingfrequencyconstant.
It is decided to calculate the necessary rotor voltage that needstobedeliveredtothe generatorinordertoachieve constantswitchingfrequency.Variousmethodssuchasthe hysteresis controller, stationary PI controller, and synchronous PI controller have been adopted in order to controlthecurrent-regulatedinductionmachine.
ThesynchronousPIcontrolleriswidelyregardedasthebest ofthese.TheRSCcancelstheharmonicsfedintothegridand measures the current flowing through a non-linear load attachedtothenetwork.
The rotor-side converter feeds the generator with the reactive power needed to sustain the grid and balance harmoniccurrents.Thelong-termeffectsofcompensating forreactiveandharmonicpowerusingtheDFIGareunclear.
Thetwoprimarycategoriesofwindturbinesareverticalaxis andhorizontalaxis:
1.1.1 Horizontal-Axis Wind Turbines (HAWTs):
a) Thebladesofaverticalaxiswindturbinerotateonanaxis perpendiculartotheground,
b) HAWTsfunctionsimilarlytoanairplanepropellerinthat their blades revolve around a horizontal axis.

International Research Journal of Engineering and Technology (IRJET) e-ISSN: 2395-0056
Volume: 11 Issue: 05 | May 2024 www.irjet.net p-ISSN: 2395-0072
Thesearethemostoftenutilizedkindofwindturbineinuse today.
c) In order to better capture the wind, the blades are typically positioned upwind of the tower.
d) HAWTs are divided into two primary categories:
e) Onshore turbines: Usually greater in size, these are locatedonland
f) Offshoreturbines:Designedtocapitalizeonstrongerand morereliablewinds,thesearesituatedinbodiesofwater, typicallyoceans.

2. Vertical-Axis Wind Turbines (VAWTs):
Ahorizontalaxiswindturbinerevolveonanaxisparallelto theground.
a) VAWTsresemblelargepinwheelsoreggbeatersbecause their blades revolve around a vertical axis. They are appropriateforurbanandother restrictedlocationssince theycanwithstandwindcomingfromanydirectionwithout shiftingtheirposition[18]
b) WhencomparedtoHAWTs,VAWTsarefrequentlyquieter andmayrequirelessmaintenance.
c) Comparatively speaking to HAWTs, VAWTs are less frequentinlarge-scaleapplicationsandtypicallyhavelower efficiency

Everyvarietyhasitsbenefitsanddrawbacks.
Modernwindturbineshaveahorizontalaxislayoutwithtwo orthreeblades.Multi-bladepropellersthatrevolvearounda horizontal axis parallel to the ground are a feature of the horizontalaxiswindturbinedesign.Thegroundandwind flowareparalleltothebladerotationaxis.Certainmachines areengineeredtofunctioninanupwindmodebypositioning theirbladesupwindofthetower.
Typically,atailvaneisemployedinthissituationtomaintain the blades face the wind. Some designs function in a downwind mode, allowing the wind to travel through the tower and strike the blades first. A wind direction sensor installed on the tower triggers the rotation of some extremelylargewindturbinesbytheuseofamotor-driven mechanism.
Wind turbines with a vertical axis are less prevalent than those with a horizontal axis. This is primarily because, in comparisontohorizontalaxisturbines,theyarelessableto benefitfromtheincreasedwindspeedsathigheraltitudes abovetheearth.
Because the shaft is vertical, it is possible to install the generator and transmission at ground level, which makes maintenance simpler and the tower less expensive and heavier. Despite these benefits, the energy efficiency of vertical axis wind turbine designs is inferior to that of horizontalmachinedesigns.
Eventhoughthesestudiesofferinsightfulinformation,there isstillasignificantvacuumintheliteraturewhenitcomesto the precise design and modeling of AC to DC converters

International Research Journal of Engineering and Technology (IRJET) e-ISSN: 2395-0056
Volume: 11 Issue: 05 | May 2024 www.irjet.net p-ISSN: 2395-0072
intended for wind turbine applications. Research that has alreadybeendonefrequentlylooksatsolarorwindsystems separately, ignoring the combined advantages of a wellintegrated converter. Furthermore, a thorough Simulink modelingtechniqueismissingfrommostresearch,whichis essential for a thorough comprehension of the dynamic interactionsinsidethehybridsystem.
BygivingacomprehensiveSimulinkmodelforanACtoDC converter based on wind turbines, this work attempts to close this knowledge gap and offer a more sophisticated understanding of the relationships between solar energy generation and wind turbines. Our research adds to the expanding body of knowledge in the field of renewable energy systems integration by filling in these gaps in the literature.
3.1. Problem Formulation:
Themainissuethisstudyattemptstosolveistheabsenceof acompleteSimulinkmodeldesignedspecificallyforACtoDC converters based on wind turbines. There is a gap in the precise modeling and simulation of the power conversion processwithinthewindturbinesystem,despitethefactthat previousresearchexaminestheintegrationofwindturbines withdifferentenergysystems.
3.2. Component Selection:
Theprincipalobstacletackledinthisstudyistheabsenceof anall-inclusiveSimulinkmodelspecificallydesignedforAC toDCconvertersbasedonwindturbines.Althoughresearch has been done on the integration of wind turbines with different energy systems, there is still a lack of precise modelingandsimulationofthepowerconversionprocess insidethewindturbinesystem.
TheselectedpartshelptheSimulinkmodelaccuratelydepict thebehavior oftheconverter,guaranteeinga trustworthy and useful simulation of the energy conversion process includingwindturbines.
3.3. Simulink Model Development:
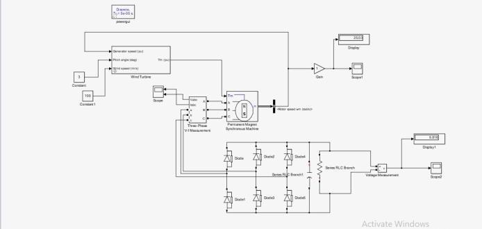
Thesuggestedwindturbine-basedACtoDCconvertermodel wascreatedwithMATLABSimulink.Thechosenelements andtheassociatedmathematicalformulaswereintegrated intothemodel.Theconverter'sperformancewasoptimized through the implementation of control algorithms under various wind situations. Figure 1 depicts a thorough simulationofanACtoDCconverterbasedonawindturbine.

TheMATLABSimulationalsoentailsexaminingtheelectrical propertiesoftheconverteritselfaswellasthewindturbine. This entails modeling the behavior of the converter in convertingthefluctuatingACoutputtostableDCpowerand comprehendingthewindturbine'spoweroutputatdifferent windspeeds[17].Tofullycapturethesystem'sperformance and optimize its design for efficiency and reliability, the simulation must also take into account variables like converterefficiency,controlalgorithms,andgridintegration.
4.1
Toinvestigatehowchangesininputparametersaffectthe Simulinkmodel,wehavecarriedoutmethodicalsensitivity analyses. Determine the important variables that affect system performance, such as component qualities, load levels,andwindspeed.Analyzetherobustnessofthemodel anddeterminehowchangesinparametersaffectimportant metrics.
4.2 Optimization:
Iteratively optimize the wind turbine-based AC to DC converter'sdesignparametersbasedonsimulationfindings and sensitivity analysis. Optimize the overall system performance by fine-tuning operational methods, control algorithms,andcomponentconfigurations.Thegoalofthe optimizationprocedureistodeterminetheconverter'smost reliableandefficientdesign,guaranteeingtopperformance underarangeofoperatingcircumstances.
Fromthescope”s“wehaveanACoutputobtainedfromthe windturbineterminals,thefig.2basicallyshowsthedetailed interpretationofthesinusoidalwavedescribingthenature ofanACwave.

International Research Journal of Engineering and Technology (IRJET) e-ISSN: 2395-0056
Volume: 11 Issue: 05 | May 2024 www.irjet.net p-ISSN: 2395-0072

2.OutputfromscopeS1
Similarlyfromthescope“S1”weobtainedtheunrectifiedDC power

3.OutputfromScope“S1”
AndfinallytherectifiedDCoutputisobtainedfromthescope “S2” which uses the filter the filter the undesired or extra componentsontheDCcomponents

6. CONCLUSIONS
Filling the void in the literature, this study provides a thoroughSimulinkmodelforanACtoDCconverterbasedon awindturbine.Inadditiontooptimizingpowerconversion efficiency and ensuring stability under fluctuating wind speeds and loads, the created model accurately captures dynamic interactions. The model's trustworthiness is increasedbyvalidationagainstexperimentalevidenceand theoreticalstandards.
Sensitiveanalysis insights add to a more complex comprehensionofsystembehavior.Theenhancedconverter designhighlightsitsusefulnessinimprovingtheefficiencyof
wind turbine-based energy systems by showcasing its potentialforeffectiveenergyconversion.
[1].M.NaliniDevi,S.Sudharani,“SimulationofWindTurbine Driven DFIG Using AC-DC-AC Converter”, International Journal of Advances in Engineering and Management (IJAEM)Vol.2,2020.
[2].Evgeny Gordievsky, Alexey Miroshnichenko, Evgeny Solomin,” Wind Turbine Matlab Simulation Model”, International Conference on Industrial Engineering, ApplicationsandManufacturing(ICIEAM),2020.
[3].KapilParikh,AshishAdholiya,“ModellingandSimulation of AC/DC/AC Converter Based Wind Energy Conversion System”, Pacific University Journal of Science and Technology Vol.1,Issue1,2016.
[4].Olive Ray, Anil Prasad Josyula, Santanu Mishra and Avinash Joshi, "Integrated Dual Output Converter", IEEE transactionsonindustrialelectronics,vol.62,no.1,pp.371382,Jan.2015.
[5].Kim Jong-Gyeum, "Analysis for voltage fluctuation and power flow at the grid-connected time of squirrel-cage inductiongenerator", KIIEE,vol.28,no.6,pp.45-51,2014.
[6].M.GodoySimoesandFelixA.Farret,RenewableEnergy Systems-DesignandAnalysiswithInductionGenerators,CRC Press,2004.
[7].S.C.KuoandL.Wang,"Analysisofisolatedself-excited induction generator feeding a rectifier load", Proc. Inst. Electr.Eng.GenerationTransmiss.Distrib.,vol.149,no.1,pp. 9097,Jan.2002.
[8].DynamicModellingofGe1.5And3.6MwWindTurbine generatorsForStabilitySimulationsNicholasW.Miller,Juan J.Sanchez-Gasca,WilliamW.PriceRobertW.Delmerico.
[9].A.Kumar,P.Karandikar,andD.Chavan,“Generatingand savingenergybyinstallingwindturbinesalongtherailway tracks,”IEEE,pp.25–27,2015.
[10].S.V.Mikhalap,“Onthecalculationofthewindgenerator parametersforweakwindareas,”Actualquestionsofenergy maisky,pp.184–189,2018.
[11].K. Anoune, M. Bouya, M. Ghazouani, and A. Astito, “Hybridrenewableenergysystemtomaximizetheelectrical powerproduction,”IEEE,pp.533–539,2016
[12].D.I.ZimnukhovaandA.A.Gibadullin,“Problemsarising whenusingwindpowerengineering,”Modernproblemsof electricpowerandwaysoftheirsolution,no.3,pp.120–123, 2018.

International Research Journal of Engineering and Technology (IRJET) e-ISSN: 2395-0056
Volume: 11 Issue: 05 | May 2024 www.irjet.net p-ISSN: 2395-0072
[13].A.A.Miroshnichenko,E.M.Gordievsky,A.Z.Kulganatov, and E. A.Sirotkin, “A review of the idea of developing a scalablemobileenergycomplexbasedonrenewableenergy sources,”JournalofWesternSiberia,vol.14,no.4(75),pp. 61–66,2018.
[14].I. M. Kirpichnikova and E. V. Solomin, Wind power plants. Calculation of the parameters of the components: textbook.Chelyabinsk:PublishingCenterSUSU,2013.
[15].X. Jin, Y. Zhang, X. Dai, and W. Wang, “Study on renewableenergyintegrationwithelectricthermalstorage indemand-side–PartI:Analysisforoutputcharacteristicsof wind farms and photovoltaic plants,” IEEE, pp. 895–899, 2017.
[17].A. O. Troitsky, D. V. Korobatov, S. V. Kozlov, and E. A. Sirotkin,“Classificationofcontrolsystemsforwindpower plants,” Int. Scientific Journal Alternative Energy and Ecology,no.13–14(201–202),pp.38-45,2016.