
International Research Journal of Engineering and Technology (IRJET) e-ISSN: 2395-0056
Volume: 11 Issue: 05 | May 2024 www.irjet.net p-ISSN: 2395-0072
![]()

International Research Journal of Engineering and Technology (IRJET) e-ISSN: 2395-0056
Volume: 11 Issue: 05 | May 2024 www.irjet.net p-ISSN: 2395-0072
Mallikarjuna G D1, Dr. Sheshadri G.S2 ,
1Research Scholar, Sri Siddhartha Academy of Higher Education (SSAHE)
2Professor, Dept of Electrical & Electronics Engineering, Sri Siddhartha Institute of Technology, Tumakuru, Karnataka, India.
Abstract β SolarPhotovoltaic(SPV)isconnectedtogrid through converters. Unified Power Quality Conditioners (UPQCs) are essential devices used in power distribution systems to improve power quality by mitigating the steady state and transient state of system. This paper presents a comparative study of intelligent control techniques such as Fuzzy Logic Controller (FLC) and Artificial Neural Network (ANN), as applied to UPQC for enhanced performance in mitigating power quality issues with PI conventional method The FLC and ANN are both employed as control strategies for the UPQC to regulate its compensation actions based on the detected disturbances in the grid. The proposed system is simulated in MATLAB/Simulink software 2018b.
Key Words: SPV, UPQC, FLC. ANN.
1. INTRODUCTION
Unified Power Quality Conditioners (UPQCs) play a vital roleinenhancingtheperformanceofgrid-connectedsolar photovoltaic (PV) systems by mitigating power quality issues and ensuring stable operation under varying grid conditions [1-2]. In this introduction, an overview of the application of Proportional-Integral (PI), Fuzzy Logic Controller (FLC), and Artificial Neural Network (ANN) controllers [4] in UPQCs to analyze both steady-state and transient state behaviour of grid-connected solar PV systemsispresented.Grid-connectedsolarPVsystemsare an increasingly popular renewable energy solution, providing clean and sustainable electricity generation. However, the integration of solar PV into the grid introduces challenges related to power quality, including voltage fluctuations, harmonic distortions, and frequency variations [5]. UPQCs are advanced power electronic devices designed to mitigate power quality issues in electrical distribution systems. They typically consist of seriesandshuntactivepowerfiltersthatworktogetherto compensateforvoltagesags,swells,harmonics,andother disturbances, ensuring stable and high-quality power supply to connected loads. Proportional-Integral (PI), Fuzzy Logic Controller (FLC), and Artificial Neural Network (ANN) controllers are commonly employed in UPQCs to regulate their compensation actions based on detected grid disturbances [6-7]. These controllers analyze input signals, such as voltage and current
waveforms, and determine the appropriate compensation signals to maintain power quality within specified limits. Steady-stateanalysisfocusesonthelong-termequilibrium of the system under normal operating conditions. PI controllers are commonly used in UPQCs to regulate voltage and current levels, ensuring steady-state stability and optimal power flow in grid-connected solar PV systems [8-9]. FLC controllers offer flexibility and adaptability in handling non-linear and uncertain system dynamics, while ANN controllers provide the ability to learn from historical data and optimize compensation responses for improved steady-state performance [9-10] Transient state analysis deals with the system's response to sudden disturbances or changes in operating conditions. FLC and ANN controllers in UPQCs can effectivelymitigatetransientdisturbancessuchasvoltage sags, swells, and harmonics by adjusting compensation actions[11-13].Theseintelligentcontrolstrategiesenable UPQCs to rapidly restore system stability and ensure uninterrupted operation of grid-connected solar PV systems during transient events. The objective of this researchistoanalyzetheperformanceofPI,FLC,andANN controllers in UPQCs for both steady-state and transient state operation of grid-connected solar PV systems. The study aims to evaluate the effectiveness [14-16], efficiency, and robustness of each control strategy in mitigating power quality issues and enhancing system reliability under various operating conditions. The applicationofPI,FLC,andANNcontrollersinUPQCsoffers promising solutions for analyzing and improving both steady-state and transient state behaviour of gridconnected solar PV systems[17-19]. By leveraging intelligentcontrolstrategies,UPQCscanensurestableand high-qualitypowersupply, contributingto theintegration of renewable energy sources and the advancement of sustainablepowergenerationtechnologies[20]
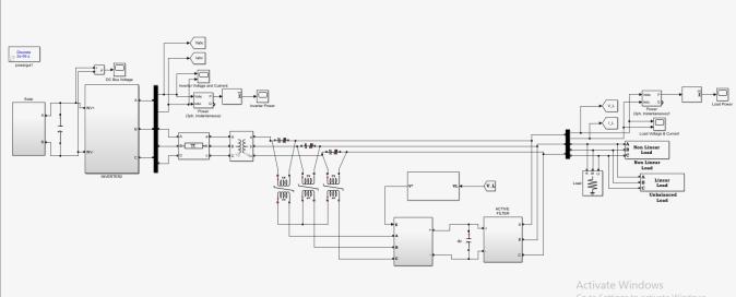
TheConfigurationofSolarSystemIntegratedwithUPQCis showninfigure1 TheMaximumpowerpointalgorithmis used to extract the maximum power from using boost converter connected with the multilevel voltage source inverter. The inverter is connected through UPQC to grid.

International Research Journal of Engineering and Technology (IRJET) e-ISSN: 2395-0056
Volume: 11 Issue: 05 | May 2024 www.irjet.net p-ISSN: 2395-0072
Control strategies are applied to DC link Voltage of UPQC tomaintainthecontrolledsignal.

UPQCs with DC voltage control capabilities integrate additionalcontrolalgorithmstoregulateDCvoltagelevels. These UPQCs typically include DC-DC converters and control strategies to manage the flow of power between the DC source/load and the grid, ensuring stable DC voltage levels and enhancing overall power quality. Control strategies employed in UPQCs with DC voltage controlcapabilities.
PIcontrollersshowninfigure2arewidelyusedinUPQCs to regulate compensation actions based on the difference between the desired reference and measured signals. In thecontextofUPQCs,PIcontrollersaretypicallyemployed to regulate voltage and current levels to maintain stable and high-quality power supply to connected loads. In UPQCs, PI controllers regulate voltage levels by adjusting the compensation voltage injected into the grid. The PI controller continuously compares the measured grid voltage with the reference voltage and calculates the appropriate compensation signal to minimize the error andmaintainthedesiredvoltagelevel.

The measured grid voltage with the reference voltage is compared and error voltage is given as input to FLC. The Mamdani method for fuzzification and centroid method for defuzzification used in FLC . FLC controllers in UPQCs regulate both voltage and current levels to maintain power quality within specified limits. They continuously monitor grid conditions, analyze input signals such as
voltage and current waveforms, and determine the appropriate compensation signals to mitigate disturbancesandstabilizethesystem.Thefuzzyrulebase inUPQCbasedFLCcontrollersconsistsofasetoflinguistic rules that describe the relationship between input and output variables. These rules are derived based on expert knowledge, empirical observations, or simulation studies, and they define the behavior of the controller under different operating conditions. Membership functions are usedtoquantifythedegreeofmembershipofinputsignals to different linguistic variables (e.g., "low," "medium," "high").Thesemembershipfunctionsdefinetheshapeand characteristics of the fuzzy sets that represent input and output variables in the FLC controller. FLC controllers showninfigure3areintegratedintothecontrolsystemof UPQCs, along with other components. The control system continuously monitors grid conditions, analyzes input signalsusingtheFLCcontroller,andadjusts the output of theUPQCtomitigatepowerqualityissues.

Artificial Neural Network (ANN) controllers offer a datadriven approach to control, making them suitable for handling complex and non-linear system dynamics. ANN controllersinUPQCsanalyzeinputsignals,suchasvoltage and current waveforms, and determine the appropriate compensation actions based on learned patterns and historicaldata.
ANN controllers are trained using given input data and targetdatatolearntherelationshipbetweeninputsignals anddesiredoutputactionsusingtheformula
Yn=βWnIn
WhereYniscontrolledvoltageoutput,WnisweightandIn is inputvoltage. Trainingalgorithmssuchasfeedforward propagation algorithms adjust the parameters of the neural network to minimize prediction errors and optimize control performance. The single layer feedforwardnetworkisshowninfigure4.ANNcontrollers in UPQCs consist of interconnected neurons organized in layers,includinginput,hidden,andoutputlayers.
The Levenberg-Marquardt algorithm used gives a better solution.IntheproposedmodeltheANNusesthreelayers namely: two input layer (voltage error and change in

International Research Journal of Engineering and Technology (IRJET) e-ISSN: 2395-0056
Volume: 11 Issue: 05 | May 2024 www.irjet.net p-ISSN: 2395-0072
voltage error), 100 neurons in hidden layer and one output layer (Power loss) showed in figure 5. The hidden layer computes the assigned input value based on weight matrix and biasvalue and givestheassigned target value. The output of the hidden layer is compared with the threshold value to generate output. The number of neurons in the hidden layer is selected based on trial and errormethod.


Fig.5.NeuralNetworkModelofController

Fig.6.RegressionanalysisofController
The figure 6 shows regression plots display the network outputswithrespecttotargetsfortraining,validation,and test sets. For a perfect fit, the data should fall along a 45 degree line, where the network outputs are equal to the targets. Figure 6 show the fit is reasonably good for all datasets,withRvaluesineachcaseisnearly1.TheMean Squared Error (MSE) is nearer to zero. Moreover the resultsofRshowANNcontrollertrainingismorestable.
The figure 7 shows the solar PV system connected to grid through converters and inverters along with UPQC to improvevoltageperformanceatgrid.

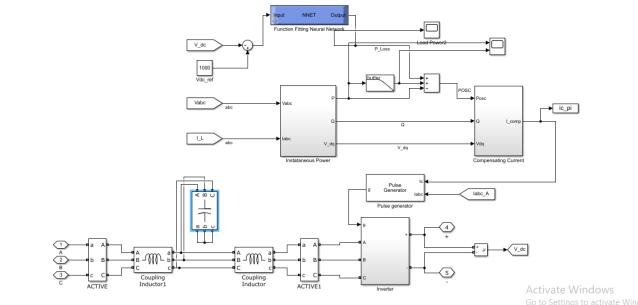
ThecontrollerssuchasPI,FLCandANNshowninfigure8 areconnectedinshuntAPC (activepowerinverter)toget controlled voltage signal. The reference voltage is compared with fixed voltage, which is applied to PI controller to get controlled signal. The output signal is given to current compensating block to get compensated current which is compared with load current to generate error signal passed to hysteresis controller to generate pulsetoinverter.

a)UPQCbasedonPIcontroller

b)UPQCbasedonFuzzycontroller

International Research Journal of Engineering and Technology (IRJET) e-ISSN: 2395-0056

c)UPQCbasedonANNcontroller
Fig.8.ResponseofControllersinUPQC a)UPQCbasedon PI controller, b) UPQC based on Fuzzy controller and c) UPQCbasedonANNcontroller

(a)

(b)

(c)
Fig 9 ResponseofUPQCbasedloadvoltagefor conventional(a)PIcontroller(b)FuzzyControllerand(c) ANNController
The results of figure 9 are provided in table 1. The rise time and settling time of conventional inverter for PI controller is 0.43s and 1.01s along with load voltage is 392VassuchsteadystateerrorismoreshowninFig9(a)
Therisetimeandsettlingtimeofconventionalinverterfor FLCcontrolleris0.12sand0.26salongwithloadvoltageis 395V as such steady state error is slightly reduced comparedtoPIshowninFig9(b).
Therisetimeandsettlingtimeofconventionalinverterfor ANN controller is 0.06s and 0.25s along with load voltage is 399V as such steady state error is nearly stable shown inFig9(c).

(a) (b)


(c)
Fig 10 ResponseofUPQCbasedloadvoltageperformance forMultilevelinverter(five)(a)PIcontroller(b)Fuzzy Controllerand(c)ANNController
Volume: 11 Issue: 05 | May 2024 www.irjet.net p-ISSN: 2395-0072 Β© 2024, IRJET | Impact Factor value: 8.226 | ISO 9001:2008 Certified Journal | Page1032

International Research Journal of Engineering and Technology (IRJET) e-ISSN: 2395-0056
Volume: 11 Issue: 05 | May 2024 www.irjet.net p-ISSN: 2395-0072
The rise time and settling time of load voltage using PI controller is 0.18s and 0.442s along with load voltage is 408V as such steady state error is more shown in Fig 10(a).
The rise time and settling time of for FLC controller is 0.09s and 0.23s along with load voltage is 398V as such steady state error is slightly reduced compared to PI showninFig10(b).
TherisetimeandsettlingtimeforANNcontrolleris0.06s and 0.21s along with load voltage is 401V as such steady stateerrorisstableshowninfigure10(c).
Table1:PerformanceanalysisofcontrollertypewithVSI
Controlle r
The Performance analysis of controller type with VSI on steadyandtransientstateisprovidedinTable1.
ThePIcontrollerprovidesvoltagemagnitudeof392Vwith steadystateerrorof8VwhileANNoffers399Vwith1Vas errorandfuzzyprovides395V.
Table2: PerformanceanalysisofcontrollertypewithMLI
Controller
The Performance analysis of controller type with MLI on steadyandtransientstateisgiveninTable2.
ThePIcontrollerprovidesvoltagemagnitudeof408Vwith steadystateerrorof8VwhereasANNoffers401Vwith1V as error and fuzzy provides 398V. The result of MLI with ANN and fuzzy give the better performance compared to PI controller in term of steady state and transient state performance.
The settling time and rise time reduces with fuzzy and ANN control compared to PI control. The application of Fuzzy Logic Controller (FLC), and Artificial Neural Network (ANN) controllers in Unified Power Quality Conditioners (UPQCs) offers versatile solutions for analyzing both steady-state and transient state behaviour of grid-connected solar PV systems. Proposed ANN and Fuzzy controller type has its unique advantages and characteristics, contributing to the overall effectiveness and efficiency of power quality mitigation in solar PV systems.
1. Devi, S.C, Chandrakala, S. Shah, P. Devassy, S. Singh, B. Solar PV array integrated UPQC for powerqualityimprovementbasedonmodifiedGI. In Proceedings of the 2020 IEEE 9th Power India International Conference (PIICON), Sonepat, India,2020,pp.1β6.
2. Mallikarjuna G D, G.S.Sheshadri, Comparison of Solar Energy System Tools: A Case Study, InternationalResearchJournalofEngineeringand Technology (IRJET) - (ISSN 2395-0056), Vol. 6, Issue.12,Dec.2019.
3. Rao, Pragaspathy, S. Enhancement of electric power quality using UPQC with adaptive neural network model predictivecontrol.InProceedings of the 2022 International Conference on Electronics and Renewable Systems (ICEARS), Tuticorin,India,16β18March2022,pp.233β238.
4. Mallikarjuna G D, G.S.Sheshadri, Validation of Performance evaluation using Matlab/Simulink Model of a PV Array, International Journal of Advance Science and Engineering (IJASE) β (EISSN23495359;P-ISSN24549967),Vol.6,no.3, Feb.2020.
5. Kumar, A.S, Rajasekar, S. Raj, Power Quality Profile Enhancement of Utility Connected Microgrid System Using ANFIS-UPQC. Procedia Technol.2015,21,pp.112β119.
6. Mallikarjuna G D, G.S.Sheshadri, Power Quality Improvement Using unified power quality conditioner in PV sourced stand alone micro grid system,InternationalJournalofCreativeResearch Thoughts (IJCRT), Vol.11, Issue-3, ISSN: 23202882,2023.UGCApproved.
7. Kinhal, V.G, Agarwal, P. Gupta, H.O. Member, Performance Investigation of Neural-Network-

International Research Journal of Engineering and Technology (IRJET) e-ISSN: 2395-0056
Volume: 11 Issue: 05 | May 2024 www.irjet.net p-ISSN: 2395-0072
Based Unified Power-Quality Conditioner. IEEE TransonPowerDelivery.2011,26,431β437.
8. Mallikarjuna G D, G.S.Sheshadri, βPower Quality Analysis Using Active NPC Multilevel inverter in PV sourced stand alone micro grid systemβ paper published in International Research Journal of Engineering and Technology (IRJET), Vol 10, Issue.10,Oct.2023,ISSN:2395-0056.
9. Kaushal, J, Basak, P, Power quality control based on voltage sag/swell, unbalancing, frequency, THD and power factor using artificial neural network in PV integrated AC microgrid. Sustain. EnergyGridsNetw.2020.
10. Mallikarjuna G D, G.S.Sheshadri, Evaluation of 5 Level Multilevel inverters connected to solar sourced stand alone micro grid system, paper published in International Research Journal of Engineering and Technology (IRJET), Vol 02, Issue.02,Feb.2024,ISSN:2395-0056.
11. Khadkikar. V, Enhancing electric power quality using UPQC: A comprehensive overview. IEEE Trans.PowerElectron.2012,27,2284β2297.
12. Han, B. Bae, B. Kim, H. Baek, S. Combined operation of unified power-quality conditioner withdistributedgeneration.IEEETransonPower Delivery.2006,21,330β338.
13. Vinnakoti, S. Kota, V.R. Implementation of artificial neural network based controller for a five-level converter based UPQC. Alex. Eng. J. 2018,57,1475β1488.
14. Kesler, M. Ozdemir, E. Synchronous-referenceframe-based control method for UPQC under unbalanced and distorted load conditions. IEEE TransonInd.Electron.2011,58,3967β3975.
15. Lu,Y.Xiao,G.Wang,X.Blaabjerg,F. Lu,D.Control strategy for single-phase transformerless threeleg unified power quality conditioner based on space vector modulation. IEEE Trans. Power Electron.2016,31,2840β2849.
16. Rahmani, B, Li,W. Liu, G. A wavelet-based unified power quality conditioner to eliminate wind turbine non-ideality consequences on gridconnectedphotovoltaicsystems.Energies2016,9, 390.
17. Sindhu, S. Sindhu, M.R. Nambiar, T.N.P. An Exponential Composition Algorithm Based UPQC for Power Quality Enhancement. Procedia Technol.2015,21,415β422.
18. Dheeban, S.S, Selvan, N.B.M. ANFIS-based Power Quality Improvement by Photovoltaic Integrated UPQCatDistributionSystem.IETEJ.Res.2021,1β19.
19. Shukla, S, Mishra, S, Kumar, S. Implementation of empirical mode decomposition based algorithm forshuntactivefilter.IEEETrans.Ind.Appl.2017, 53,2392β2400.
20. Aryanezhad, M, Ostadaghaee, E. Robustness of unified power quality conditioner by neural network based on admittance estimation. Appl. SoftComput.2021.



Mallikarjuna G D is working as AssistantProfessorintheDeptof Electrical & Electronics Engineering, Tontadarya College ofEngineering,Gadag,Karnataka, India His area of interest is PowerElectronics,PowerSystem.
Dr G.S.Sheshadri is working as a ProfessorintheDeptofElectrical & Electronics Engineering, Sri Siddhartha Institute of Technology, Tumakuru, Karnataka,India.