
International Research Journal of Engineering and Technology (IRJET) e-ISSN: 2395-0056
Volume: 11 Issue: 04 | Apr 2024 www.irjet.net p-ISSN: 2395-0072
![]()

International Research Journal of Engineering and Technology (IRJET) e-ISSN: 2395-0056
Volume: 11 Issue: 04 | Apr 2024 www.irjet.net p-ISSN: 2395-0072
Abhinav R 1 , Dharaneesh M 1, Ayyappan P R 2
1 Under Graduate Student, Department of Mechanical Engineering, Kumaraguru College of Technology, Tamil Nadu, India.
2 Assistant Professor, Department of Mechanical Engineering, Kumaraguru College of Technology, Tamil Nadu, India. ***
Abstract - IC engine is the innovation that revolutionized self-propelling machines. Due to the inflating price of petroleumanditsderivatives, newwaysofenhancingfueland the system are currently the eyes of the market. The main agenda of this work is using Pongomia Pinnata oil as a substitute of diesel and evaluating the variations in engine characteristics. A 4-stroke single cylinder diesel typeKIRLOSKARAV1enginewitheddycurrentdynamometersetup is installed for the performance study. Biodiesel blends of D100, B10, B20, B30, B50 are the scope of study, involving the conversion of Pungai oil using esterification process. A DAQ systemisinstalledforcontrollingtheloadactingontheengine and for speed, temperature, combustion calculations. Valve timingdiagramoftheengine isillustrated.Fuelpropertieslike calorific value, absolute viscosity, flash and fire point are calculated from digital bomb calorimeter, Redwood viscometer and flash point apparatus. Power, speed and efficiency of engine using biodiesel blends are computed for various load conditions. Heat losses are calculated. Using CombustionAnalyzersoftware,valuesofpressure,volumeand heat release rate are calculated for corresponding crank angles. Smoke opacity values are computed using AVL SMOKEMETER and CO, HC, CO2, NO emissions are computed usingAVLDIGAS444Nanalyzer.Enginecharacteristiccurves are plotted and explicated for results.
Key Words: Pongomia Pinnata, KIRLOSKAR AV1, Biodiesel, transesterification, DAQ, bomb calorimeter, Redwood viscometer, Combustion Analyzer, AVL SMOKEMETER, AVL DIGAS 444N analyzer.
Innovationsprevailtobethesole-reasonsofcomforting humanlivesfromages.Someinnovationsstandouttobethe key for rapid evolution and new scope of research. IC engines are one of the kind. However, there are some drawbacks like rise in oil price, future of oil and its unsustainability.Between1970and2002,globalemissionof CO2increasedover70%.TheanthropogenicemissionofCO2 has been the major source of CO2 emission to the atmosphere with fossil fuel combustion engines and coalfired power plants as the major contributor. The global
temperature rose at an average rate of about 0.13°C per decade, almost twice as fast as the increase of 0.07°C per decadeobservedoverthepast50years.Theglobalaverage temperature will increase byabout 0.2°C per decadeover the next two decades. The warming imbalance caused by greenhouse gases will gradually overcome the thermal inertiaoftheoceans,andtheprojectedtemperaturepaths will start to diverge with unchecked carbon emissions, leadingtoseveraladditionaldegreesofwarmingbytheend ofthecentury[4].Thereisa50%riseinthepriceofdiesel over the past 8 years in India. India’s energy demand is projected to be 1,464 million tonnes of oil equivalent by 2035.TheParisAgreement(concludedinDecember2015by 196countries)aimstokeeptheglobaltemperaturerisein the twenty-first century below 2 °C above pre-industrial levelsandtopursueeffortstolimitthetemperatureincrease preferably to 1.5 °C. India has committed to reduce its emission intensity till 2030 by 30–35% below the 2005 levels.PAT(Perform,AchieveandTrade)scheme,upscaling of renewable energy target to 40% by 2030, targeting a changeoverto100%electricvehicles(EVs)by2030andthe recent announcement to replace all government vehicles with EVs [2]. Finding alternative sources for the existing system is a key to achieve sustainable goals in advance. EthanolandhydrogenpoweredvehiclesstandnexttoEVsin future mobility. Biodiesel is also viable and cost effective sourcethatcanmatchtheprevalentoutcome.
Pongamia Pinnata also known as Derris Indica is a mediumsizedmedicinalplantwidelydistributedthroughout tropical Asia, Seychelles Islands, South Eastern Asia, Australia, India and locally distributed throughout Maharashtra (India). The seeds contain about 28–34% oil with high percentage of polyunsaturated fatty acids [10]. Croppingofpodsandsinglealmondsizedseedscanoccurby 4-6yearsandyields9-90kg’sofseed.Theyieldpotentialper hectareis900to9000Kg/Hectare.Asperstaticsavailable, Pongamiaoilhasapotentialof135000milliontonnesper annum and only 6% is being utilized. Methyl esters (biodiesel)arecleanburningfuel withnosulfuremission. Theyarenon-corrosiveand areproducedatlowpressure andtemperatureconditionsgivingmethylester(80%)and glycerin (20%) as a byproduct. Although its heat of

International Research Journal of Engineering and Technology (IRJET) e-ISSN: 2395-0056
Volume: 11 Issue: 04 | Apr 2024 www.irjet.net p-ISSN: 2395-0072
combustionisslightlylowerthanthatofthepetro-diesel, thereisnoneedtomodifytheengineandthereisnolossin efficiency [1]. Conversion of pongomia oil using esterification process and the yield can be blend directly withdiesel.
i. S.R Arote and P.G Yeole in the paper “ Pongomia Pinnata L : A Comprehensive Review” studied the biological,pharmacological,phytochemistryandrole of pongmia pinnata in bio-fuel industry. The paper interpretsesterificationprocess,FAMEandfattyacids presentintheseedsofP.pinnata[10].
ii. In the paper ” Investigation on performance and emission characteristics of EGR coupled semi adiabaticdieselenginefuelledbyDEEblendedrubber seedbiodiesel”theauthors carriedaninvestigation on the performance, in-cylinder pressure and emissionparametersofSADEandODEwithbothtest fuelsatdifferentSOItimings[9].
iii. The authors had put forward in the paper “Performanceandemissionanalysisondieselengine fuelledwithneatpongamiabiodiesel”thattheoutput power of pongamia biodiesel was comparable with diesel fuel. The brake specific fuel consumption (BSFC)washigherforpongamiabiodieselbecauseof itslowerheatcontent.TheexhaustemissionsofHC, CO, NOx, and smoke are diminished by 26%, 25%, 6%,and46%respectively[8].
Inthisstudy,thefuelispreparedfromP.pinnataoilby esterification method. The fuel properties like kinematic viscosity,calorificvalue,flashandfirepointarecalculated. Engine setup is installed and the blends of diesel and fuel preparedfromtheoilaremixedintheratioofD100(diesel 100), B10, B20, B30, B50 depicting 0, 10, 20, 30, 50 percentageofbiofuelandremainingwithdieselinthemix. Theengineisfueledwiththeabovebiodieselblendsandthe performance, emission, heat losses and combustion characteristicsarenoted.

3.1. Engine Setup and Fuel Preparation
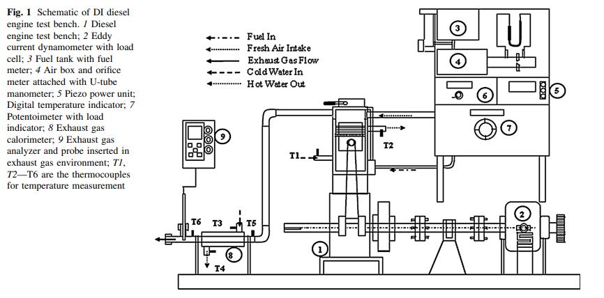
Thecomputerizedsinglecylinderdieselenginetestrigis installedandthelayoutisreferredinFigure-2.AKirloskar AV1-singlecylinder4-strokedieselenginewitheddycurrent dynamometer is used. The engine specifications are mentioned in Table-1. Data Acquisition system is used to interpret temperature and speed of the engine. Dynamometer Control Unit is used to control torque precisely. AVL Smokemeter and AVL Digas 444N Analyzer areusedforcalculatingemissionviaexhaustgascalorimeter. Combustion Analyzer software is used for determining combustiondata.

Figure-2: Schematicrepresentationofprocess[6]

Volume: 11 Issue: 04 | Apr 2024 www.irjet.net p-ISSN: 2395-0072

Figure-3: Experimentalsetupoftheprocess
Table-1: EngineSpecifications
S
1 MAKE Kirloskar
2 POWER 5Hp
3 NoofCylinders One
5 Bore 80mm
6 Stroke 110mm
7 TypeofIgnition CompressionIgnition
8 Speed 1500Rpm
9 MethodofIgnition Eddy Current Dynamometer
10 Methodofstarting ManualCrankStart
13 Diameter of Brake Drum 300mm 14 OrificeDiameter 20mm
Thenextmotiveistopreparethefuel.Conicalflaskwith 100 ml oil is kept in water bath at 90 C for 30 minutes. Another flask of 50 ml methanol and 0.87g of potassium hydroxide is boiled at 60 C for 5 minutes. Adding this mixtureslowlyinoilflaskandkeptinwaterbathat60 Cfor 30 minutes under constant stirring. The mixture is transferred to separating funnel and after 24 hours two separatedlayersofbiodieselandglycerinearecollected.The initial and final stages of pongomia oil and esterification processaredepictedinFigure-4.Biodieselisproducedfrom blendsofpongomiaoilanddieselinspecificratios.

Figure-4: EsterificationofPongomiaoil
Table-2: Blendcompositionofbiodiesel
Flashandfirepointofpuredieselandpongomiaoilare calculatedusingflashandfirepointapparatus.Thereadings are shown in Table-3. Kinematic and absolute viscosity values of each biodiesel blends are calculated using Redwoodviscometer.Thetimetakenfor50mloffuelflow forspecifictemperatures.Thevaluesofdensity,kinematic viscosity and absolute viscosity are calculated and graphically examined. Plots of Kinematic viscosity Vs Temperature and Absolute Viscosity Vs Temperature are showninChart-1.
Table-3: Flashandfirepointcalculation
S.NO BLEND


International Research Journal of
Volume: 11 Issue: 04 | Apr 2024 www.irjet.net


Chart-1: Viscositygraphs
Calorificvalueofthefueliscalculatedusingdigitalbomb calorimeter. The samples of diesel, pongomia oil and biodiesel blend B50 are considered and the initial temperatureisnoted.Afterfiring,thetemperatureforevery 30 seconds is calculated until the temperature attains a stablepoint.Thecalorificvalueofthesamplesaretabulated.

WhereWeistheWaterequivalentofcalorimeter(inJ/ C)
Table-4: CalorificValuecalculations S.NO

3.3. Characteristics of Engine Fuelled by Biodiesel:
The engine is fuelled with the biodiesel blends of B10, B20,B30,B50,D100andoperatedunderloadconditionsof 0,2,4,6,8,10N-mtorqueusingDynamometerControlUnit. Maximumtorquefortheengineiscalculatedas23.74N-m. The valve timing diagram is shown in Figure-7. The variationsinspeed,temperature,manometerreadings,time takenfor10ccoffuelsupplyarerecorded.Temperatureof waterinletandoutletofenginejacketandcalorimeteralong with exhaustgastemperatureare recordedfor examining theheatlosses.Performancecharacteristicssuchaspower, specificfuelconsumption,meaneffectivepressure,thermal andmechanicalefficienciesarecalculated.Air-fuelratiois alsodeterminedandtheperformancecurvesareplottedfor result analysis. The combustion attributes like pressure, volume,heatreleaseratestotherespectivecrankanglesare recorded using Data Acquisition System and Combustion AnalyzerSoftware.
Emissioncharacteristicssuchassmokeopacity,CO,HC, CO2, O2, NO and λ emissions are computed using AVL SmokemeterandAVLDigas444Nanalyzer.Alsoanexternal pumpisusedtopump waterinandoutof the engineand calorimeter. A plot of variations in speed, power and fuel consumptionforthecorrespondingtorquevalueofeachfuel blendisinterpretedinChart-2.
Table-5: ValvetimingCalculations
S No POSITION Before the Nearest Dead Centre After the Nearest Dead Centre

International Research Journal of Engineering and Technology (IRJET) e-ISSN: 2395-0056
Volume: 11 Issue: 04 | Apr 2024 www.irjet.net p-ISSN: 2395-0072
TFCofblendsB10,B20,B30increasesby8-11%fromthat of the diesel whereas for B50 the percentage increase is between12 to20%. Fuel powerof blendsB30andB50 is 1.5-3%morethandiesel.
Table-6: Engineperformancecalculations
S NO DESCRIPTION FORMULA

Figure-7: Valvetimingdiagram

Chart-2: Performanceplot
InChart-2,thegraph(above)representsSpeedVsTorque (Primaryaxis)andPowerVsTorque(Secondaryaxis)and the graph (below) represents Total Fuel Consumption Vs Torque(Primaryaxis)andFuelpowerVsTorque(Secondary axis) for D100, B10, B20, B30, B50 biodiesel blends respectively. It is observed that the speed decreases 5% fromnoloadconditionto10N-mfordieseland2%forall the other blends. The speed and power attributes of biodiesel is nearly 1% less than that of the diesel. As the blendratioincreases,theTotalFuelConsumption(TFC)also increases.

1 Max. load condition where N max=1500rpm
2 BrakePower
3 Indicatedpower
4 Brake thermal efficiency


5 Brake mean effective pressure (

4. RESULTS AND CONCLUSION
4.1. Performance Characteristics

Chart-3: Efficiencyandperformancecurves
In Chart-3, the graph (above) represents Efficiency Vs Brake power (Primary axis) and Air-fuel ratio Vs Brake power(Secondaryaxis)andthegraph(below)represents Brake Specific Fuel Consumption Vs Brake mean effective pressure (Bar chart) and Indicated Specific Fuel Consumption Vs Indicated mean effective pressure (Line chart) for D100, B10, B20, B30, B50 biodiesel blends respectively.FromD100toB50,asthebiodieselblendvalue increases,theBrakeThermalEfficiencydecreaseby3-4%. No significant changes in Mean Effective Pressure,

International Research Journal of Engineering and Technology (IRJET) e-ISSN: 2395-0056
Volume: 11 Issue: 04 | Apr 2024 www.irjet.net p-ISSN: 2395-0072
Volumetric and Mechanical Efficiency. Indicated Thermal Efficiency decreases by 9% for all the biodiesel blends comparedtodiesel.Foreverybiodieselblendratioincrease from diesel to B50, air –fuel ratio decreases by 5%. and specificfuelconsumptiondecreasesby8-10%. FromD100 toB50,a3%increaseinkinematicandabsoluteviscosityis notedandisshowninChart-1.Nearly35%increaseinthe unaccounted heat losses of engine fuelled by biodiesel blendswhencomparedtodiesel-runengineheatloss.Asthe biodiesel blend ratio increases, heat unaccounted losses increaseby2%.Theheatlossesinengineduringthecycleis showninChart-4.

4.2. Emission Characteristics
TheemissioncharacteristicslikeSmokeopacity,NO,HC,CO2, COemissionsareplottedagainstload(torqueinN-m)andis showninChart-5.NoO2 andλemissionsarenoticed.B20, B30,B50showsNOemissionsof1-2ppm.IncreaseinCO(in % vol.) of 0.01% is detected in B30 and B50 compared to others. HC emissions in B20 is 20% lower than other biodieselblendswhichare9%lowerthandieselemissions. CO2emissionsofB20andB50are0.2(in%vol.)lesserthan dieselandotherbiodieselblends.Smokeopacity(in%)of B30 and diesel are almost equal whereas 20% increase is seenforotherbiodieselblends,astheblendratioincreases





Chart-5: EmissionCharacteristics
4.3. Combustion Characteristics
InChart-6, theRateofPressureRise(RoPR)VsCrank angle, Pressure Vs Volume, Pressure Vs Crank angle, logPVslogV,HeatReleaseRate(HRR)VsCrankangle and Cumulative Heat Release Rate (CHRR) Vs Crank anglegraphsaresequentiallyplottedandinterpreted. The readings noted are similar for different load conditions.Themaximumloadconditionoftorque10Nm is graphically represented for diesel and biodiesel blends.Thepeakin-cylinderpressureismaximumfor B10. Higher in-cylinder pressure provides improved resistancetoknockingandhighercompressionratios. HRRofdieselismaximumthanthatofbiodieselblends. In the ROPR vs Crank angle curve B10 and diesel are better than other biodiesel blends. Higher in-cylinder pressureprovidesimprovedresistancetoknockingand highercompressionratios

International Research Journal of Engineering and Technology (IRJET) e-ISSN: 2395-0056
Volume: 11 Issue: 04 | Apr 2024 www.irjet.net p-ISSN: 2395-0072






Chart-6: Combustioncharacteristics
Massproductionofbiodieselfrompongomiapinnataoil helpstoreduce40%offuelcost.Alsoitalsoholdstherising demandforcrudeoiltoanextent.Thecrudeglycerinefrom the biodiesel production can be used for commercial purposes after several stages of refining the impure glycerineortheycanbeusedinboilersforpowergeneration and can be used for fermentation process. From the combustioncharasteristicsB10blendofbiodieselisbetter than other biodiesel blends. From the emission characteristics,B10hasnoNOemissionandB20produces lesser CO2 and HC emissions. From the deviations in the biodieselaspectscomparedtodiesel.Soitisclearthatthe characteristicsofbiodieselareon-parwithdiesel.
[1] V. Bobade and S. Khyade, "Detail study on the Properties of Pongamia Pinnata (Karanja) for the Production of Biofuel," Research Journal of Chemical Sciences, Vols.Vol.2(7),16-20,July(2012).
[2] A Gupta and N N Dalei, "Energy, Environment and Globalization Recent Trends, Opportunities and ChallengesinIndia," SpringerNatureSingaporePteLtd, 2020.
[3] S. Kalligeros, F. Zannikos, S. Stournas, E. Lois, G. Anastopoulos, C. Teas and F. Sakellaropoulos, "An investigation of using biodiesel/marine diesel blends on the performance of a stationary diesel engine," Elsevier Inc, July2002.
[4] K. Yoro and M Daramola, "CO2 emission sources, greenhouse gases, and the global warming effect," Elsevier Inc, 2020.
[5] S. Hoseini, G Najafi, B Ghobadian, R Mamat, N A C Sidik and W H. Azmi, "The effect of combustion management on diesel engine emissions fueled with biodiesel-dieselblends," Elsevier Inc, January2017.
[6] Kulkarni,V.B.Borugadda,A.K.Paul,A.JagannathandC. Vinayak,"InfluenceofWasteCookingOilMethylEster BiodieselBlendsonthePerformanceandEmissionsofa DieselEngine," Springer Science, October2016.
[7] P.T.Kale,"CombustionofbiodieselinCIengine," IJAR 2017, Vols.3(3):145-149,2017.
[8] T. A Nicholas, A Venkatakrishna, N Joy and A Mariadhas, "Performance and emission analysis on diesel engine fuelled with neat pongamia biodiesel," International Journal of Ambient Energy, 19Jun2019.
[9] K.V.Krishna,G Sastry,M M KrishnaandJ D.Barma, "Investigation on performance and emission

International Research Journal of Engineering and Technology (IRJET) e-ISSN: 2395-0056
Volume: 11 Issue: 04 | Apr 2024 www.irjet.net p-ISSN: 2395-0072
characteristics of EGR coupled semi adiabatic diesel engine fuelled by DEE blended rubber seed," Elsevier Inc, 2018.
[10] S. Arote and P. Yeole, "Pongamia pinnata L: A Comprehensive Review," International Journal of PharmTech Research, Vols. Vol.2,, no. No.4, pp 22832290,Oct-Dec2010.
© 2024, IRJET | Impact Factor value: 8.226 | ISO 9001:2008 Certified Journal |