
International Research Journal of Engineering and Technology (IRJET) e-ISSN:2395-0056
Volume: 11 Issue: 04 | Apr 2024 www.irjet.net p-ISSN:2395-0072
![]()

International Research Journal of Engineering and Technology (IRJET) e-ISSN:2395-0056
Volume: 11 Issue: 04 | Apr 2024 www.irjet.net p-ISSN:2395-0072
K.SRIHARI RAO
1 ,
M.M.JUNITHA
2,V.ANVITHA
CHANDRIKA
3
, P.SIVA PARVATHI4 , K.KARUNAKAR REDDY5 , P.MALLIKARJUNA REDDY6 , UG Students
1 Associate professor, Department of Electronics and Communication Engineering, Nri institute of technology, Perechala, Andhra Pradesh,India
2 Associate professor, Department of Electronics and Communication Engineering, Nri institute of technology, Perechala, Andhra Pradesh,India
3 UGStudents,Department of Electronics and Communication Engineering, Nri institute of technology, Perechala, Andhra Pradesh,India ***
Abstract - The utilization of Internet of Things (IoT) sensors in sea water environments presents a novel and promising avenue for monitoring and managing marine ecosystems and activities. This paper explores the potential applications, challenges, and future prospects of deploying IoT sensors in sea water environments. Through the integration of advanced sensor technologies and wireless communication networks, IoT sensors offer real-time data collection and analysis capabilities, facilitating better understanding and stewardship of marine resources. This paper examines various use cases, including environmental monitoring, marine conservation, maritime navigation, and aquaculture management, highlighting the benefits and limitations of IoT sensor deployment in sea water environments. Furthermore, it discusses emerging trends and opportunities for further research and development in thisrapidlyevolvingfield.
The oceans are essential ecosystems that are essential to maintaining biodiversity, controlling the planet's temperature, and providing for human needs. These maritime ecosystems are threatened by a number of factors, such as pollution, overfishing, habitat destruction, andtheeffectsofclimatechange.Toreducetheserisksand maintainthelong-termsustainabilityandhealthofmarine ecosystems, effective monitoring and management of seawater habitats are crucial.The utilization of Internet of Things (IoT) technology presents unparalleled prospects for augmenting our capacity to oversee and regulate surroundings including seawater. Researchers, decisionmakers, and interested parties may get up-to-date information on a variety of environmental factors, including dissolved oxygen, temperature, salinity, pH levels,andtheactivityofmarinelife,byputtingInternetof Things(IoT)sensorsinmaritimeenvironments.Inorderto sustainbiodiversity,regulatetheplanet'sclimate,andmeet human needs, the seas are vital ecosystems. Numerous problems, including pollution, overfishing, habitat degradation,andtheconsequencesofclimatechange,pose a dangertothesemarineecosystems.Effectivemonitoring and management of saltwater habitats are essential to
lowering these hazards and preserving the long-term viability and health of marine ecosystems. The application of Internet of Things (IoT) technology offers unmatched opportunitiestoenhanceourabilitytomonitorandcontrol environments,includingseawater.BydeployingInternetof Things (IoT) sensors in maritime environments, researchers, decision-makers, and interested parties may obtain current data on a range of environmental parameters, including dissolved oxygen, temperature, salinity,pHlevels,andtheactivityofmarinelife.
Pollutants and ecosystem impacts are two common ways that the quality of the marine environment is evaluated. These measurements are taken in the water. This method is referred to as "monitoring" if it is based on a solid experimental design and continues for several years.A monitoring program's data collection serves several purposes.When designing programs for monitoring the quality of marine water, it is important to establish clear objectives.Thepersonwhousesthemonitoringresultsisa decision-maker who requires the data to safeguard public health, ensure that no unacceptably negative effects are being felt on marine resources or ecosystems, and ultimatelymakechoicesontheremovalofpollutantsfrom the maritime environment. .When the data from monitoring can be immediately applied to make wise management decisions, it is considered successful. This presupposes two-way communication between scientists and decision-makers: scientists should be aware of the kinds of questions that policy makers find useful, and policy makers should be aware of the limitations of monitoring with regard to the data required for decisionmaking.Sometimesusingstatisticalprocessesisbetterthan using numerical models for monitoring the quality of the seawater.Thisisbecausestatisticalprocessesareeasierto understand than modeling, and they may be directly applied using inexpensive specialist software to get dependable results. Additionally, statistics may be used to discriminate across sites based on certain factors, scale variables that represent water quality, and determine

International Research Journal of Engineering and Technology (IRJET)
Volume: 11 Issue: 04 | Apr 2024 www.irjet.net p-ISSN:2395-0072
threshold values for dangerous occurrences in the marine environment.
3. EXISTING SYSTEM

Fig -1:ExistingMethod
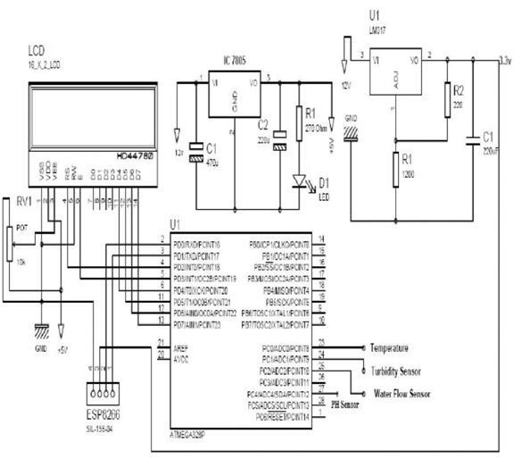
4. PROPOSED SYSTEM

Fig -2:ProposedMethod
5. HARDWARE DESCRIPTION
5.1 Arduino Uno
A microcontroller board called the Arduino Uno is based on the ATmega328 (datasheet). There are fourteen digital input/output pins (six of which may be utilized as PWM
outputs),sixanaloginputs,acrystaloscillatoroperatingat 16 MHz, a USB port, a power connector, an ICSP header, andaresetbuttononit.Itcomeswitheverythingrequired tosupportthemicrocontroller;allyouneedtodoispower it with an AC-to-DC converter or battery to get going, or connect it to a computer using a USB cable. Unlike all previous boards, the Uno does not make use of the FTDI USB-to-serial driver chip. Rather, the Atmega8U2 is equippedwithaUSB-to-serialconverterapplication."Uno" is an Italian word for one, and it was chosen to commemorate the impending introduction of Arduino 1.0. Going forward, the Uno and version 1.0 of Arduno will serveasthereferenceversions.TheUnoisthemostrecent of a line of USB Arduino boards and serves as the platform'sstandarddesign.

These days, we never use anything that doesn't have an LCDonit likelaptops,digitalwatches,CDplayers,orDVD players.Inthescreenindustry,theyarefrequentlyutilized in place of CRTs. When compared to LCDs and CRTs, cathode ray tubes use a significant amount of electricity andarelargerandheavier.Thesegadgetsusearemarkably littleamountof electricityand areslimmer.TheLCD 16x2 operatesontheideaofblockinglightinsteadofdissipating it. An overview of LCD 16X2 pin configuration and operationisincludedinthisarticle.


International Research Journal of Engineering and Technology (IRJET) e-ISSN:2395-0056
Volume: 11 Issue: 04 | Apr 2024 www.irjet.net p-ISSN:2395-0072
TheAbuzzerisacompactandeffectivepartthatenhances our project or system with audio characteristics. This component is commonly used in most electrical applications because to its tiny and compact 2-pin structure, which allows for easy usage on PCBs, Perf Boards,andbreadboards.

A gas sensor is a tool used to measure the amount or presence of gases in the environment. By altering the material's resistance inside the sensor, the sensor generatesacorrespondingpotentialdifferencethatmaybe detectedasoutputvoltagebasedonthegasconcentration. Itispossibletoestimatethekindandconcentrationofthe gas using this voltage value. The detecting material that is within the sensor determines the kind of gas that it can detect.Thesesensorsaretypicallyofferedasmoduleswith comparators,astheexampleaboveillustrates.Itispossible to configure these comparators to a certain gas concentration threshold value. The digital pin swings high whenthegasconcentrationabovethislimit.

Maxim Integrated offers a 1-wire programmable temperature sensor called the DS18B20. It is frequently utilized to gauge temperature in abrasive settings, suchas chemicalsolutions,dirt,andmines.Thesensor'senclosure is sturdy and comes with a waterproof option, which simplifies the mounting procedure. It has a good accuracy of ±5°C and can measure a broad range of temperatures, from -55°C to +125°. It's a great option for detecting temperature at several locations without using up a lot of digitalpinsonthemicrocontrollerbecauseeachsensorhas auniqueaddressandonlyneedsonepintorelaydata.

Turbiditysensorsareatypeofinstrumentusedtoquantify the amount of total dissolved/suspended solids in a solutionaswellasitscloudinessorhaziness.Ananalytical sensor that gauges turbidity is called a turbidity sensor. They are very practical and efficient tools for determining theparticleconcentrationandpurityofasolution,suchas water.Inmanydifferentsectors,turbiditysensorsareused toassesswaterquality,cutwaste,andincreaseyields.
ThepHscaleinchemistryisusedtodeterminetheacidity or basicity of a solution that is based on water. The pH of basicsolutionsisgreaterthanthatofacidicsolutions.Asa result,the Phsensorcan ascertain thepHofany solution, i.e., whether the material is basic, acidic, or neutral. We can keep an eye on the water quality in both fish farms and agricultural farms by knowing the Ph. In a similar vein, Ph Sensor finds extensive use in chemicals, petrochemicals, medicines, wastewater treatment, and otherfields.
We will learn how to link the Gravity Ph Sensor with Arduino in this rudimentary tutorial. We'll create a straightforwardPhMeteranduseanOLEDorLCDdisplay to show the Ph value. We will also get knowledge

International Research Journal of Engineering and Technology (IRJET) e-ISSN:2395-0056
Volume: 11 Issue: 04 | Apr 2024 www.irjet.net p-ISSN:2395-0072
regarding the design and operation of the Ph Sensor. Lastly, we shall study the calibration procedure that establishes the sensor's precision and correctness. Other higher-level microcontrollers, such as the NodeMCU, ESP8266,andSTM32,whichIwill coverlater,canalsobe interfacedwiththePhSensor.


To sum up, the use of Internet of Things (IoT) sensors in marineenvironmentshasgreatpotentialtotransformour understanding of and capacity for managing marine ecosystems. IoT sensors can help with more effective decision-making and interventions to solve urgent environmental concerns including pollution, overfishing, and habitat destruction by delivering real-time data on critical environmental factors. However, there are a numberoflogistical,financial,andtechnological obstacles that must be overcome for IoT sensor networks to be successfullyimplementedinmaritimeenvironments.
[1] Instant quality check of rivers, https://www.downtoearth.org.in/news/instantquality-check-of-rivers-33502
[2] Myriver, https://www.hackster.io/LightPro/myriver352bfa?ref=topnav.
[3] Smart water monitoring using iot, https://www.skyfilabs.com/online-courses/smartwater-monitoring-using-iot?v2.





K.SriHari Rao
Designation:Professor Qualification:pH.D Experience:34yrs.
M.M.Junitha
Designation:Professor Qualification:M.Tech,MS
Vanja Anvitha Chandrika
PursingB.TechinECEDept.atNRI InstituteOfTechnology,Guntur.
Penugonda Siva Parvathi
PursingB.TechinECEDept.atNRI InstituteOfTechnology,Guntur.
Kurapati Karunakar Reddy
PursingB.TechinECEDept.atNRI InstituteOfTechnology,Guntur.

International Research Journal of Engineering and Technology (IRJET) e-ISSN:2395-0056
Volume: 11 Issue: 04 | Apr 2024 www.irjet.net p-ISSN:2395-0072

Pagadala Mallikarjuna Reddy
PursingB.TechinECEDept.atNRI InstituteOfTechnology,Guntur.