
International Research Journal of Engineering and Technology (IRJET) e-ISSN:2395-0056
Volume: 11 Issue: 03 | Mar 2024 www.irjet.net p-ISSN:2395-0072
![]()

International Research Journal of Engineering and Technology (IRJET) e-ISSN:2395-0056
Volume: 11 Issue: 03 | Mar 2024 www.irjet.net p-ISSN:2395-0072
1A. Vishnu Kumar
1Research Scholar
ABSTRACT:
2
Dr. V. Jayalakshmi
2Associate Professor Department of EEE, BIHER Department of EEE, BIHER
This idea uses a cascaded bootstrap converter with an SVM inverter for induction motor drive. The goal of this project is to use a PI controller to improve the speed control of a boot- strapped converter-inverter supplied induction motordrive(BSC-SVMIIM).ThischaptercoordinatestheexaminationofBSC-SVMIIMsystemsthatarebothopen-loopand PI regulated. To improve the voltage, gain, the BSC is recommended in between the rectifier and the SVMI. The BSCdynamic SVMIIM's reaction could be improved by using PI. The goal of this work is to improve the performance of the BSC-SVMIIM schemebyemployingaclosed-loopcontroller.TherearetwotypesofBSC-SVMIIM systems:openloopwith perturbation and closed loop PI-driven BSC-SVIM systems. The Simulink-model was used to display and recreate the results,whichwerethenpresented.Thesettlingtimeandsteadystateerrorareusedtoassessthesystem.The testsshow that the controlled BSC-SVMIIM device executes at an unmatched level. Thesuggested approach priorities low harmonic contentandquickreaction.
Key words: SVM-Space vector Modulation, PI-Propotional Integral, BSC-Boot Strap Converter.
Introduction:
Intherealmofmotordrivetechnology,constantinnovationcontinuestoenhanceefficiency,reliability,andperformance. Onesuchadvancementlies intheintegration ofa Proportional-Integral (PI)controlledbootstrap converter witha Space Vector Modulation (SVM) inverter for Induction Motor (IM) drives. This article explores the features, benefits, and applications of this sophisticated system. Understanding Bootstrap Converter and SVM Inverter: Before delving into the integration,it'scrucialtounderstandthecomponentsinvolved.Thebootstrapconverterisacircuitusedtodrivehigh-side MOSFETsinapplicationswherethegatevoltageneedstobehigherthantheavailablesupplyvoltage.It'scommonlyused inmotordrivesystemstoensurepropergatedrivingforMOSFETs. Ontheotherhand,SVMisasophisticatedmodulation technique used in inverters to synthesize high-quality output voltage waveforms with reduced harmonic content. By controlling the switching states of the inverter switches, SVM achieves precise control of the output voltage, resulting in improvedmotorperformanceandefficiency.
Fig.1 shows a schematic diagram of a PI-controlled BSC-SVMI setup. The IM'sspeed is measured and compared to a reference speed to determine the speederror(SE).API-controlleristhetargetofthisSE.Togetthereferencecurrent, the"yield of PI" is employed.Thecurrent-erroris applied toa PI-controlleraftercomparingthereferencecurrenttothe actualcurrent.TheBSC'sPulseWidth(PW)isadjustedusingtheoutputofcurrent-PI.


International Research Journal of Engineering and Technology (IRJET) e-ISSN:2395-0056
Volume: 11 Issue: 03 | Mar 2024 www.irjet.net p-ISSN:2395-0072
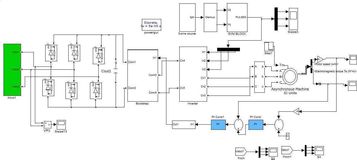
TheconverterwasfirstsimulatedinMatlabtoensurethattheanalysis,design,and performanceoftheconverterwereall correct. Fig.2 shows a Bootstrap converter with an SVM inverter with PI controller for load disturbance. Fig.3 shows the inputvoltagewiththeSVMinverterforloaddisturbance.Theinputvoltageis170volts.Fig.4showsacircuitillustrationof abootstrapconverter.



International Research Journal of Engineering and Technology (IRJET) e-ISSN:2395-0056
Volume: 11 Issue: 03 | Mar 2024 www.irjet.net p-ISSN:2395-0072

Fig.4BSC-SVMIsystemwithPIcontrollervoltageacrossbootstrapconverter
Fig.5 depicts the voltage across the motor load in the BSC-SVMI system with the PIcontroller. The voltage at which the motor is loaded is 450 volts. Fig.6 shows the motor speed of the BSC-SVMI system with the PI controller, which is 1250 RPM

Fig.5BSC-SVMIsystemwithPIcontrollervoltageovermotorload
Fig7 shows the zoomed motor speed of the BSC-SVMI system with the PI controller. The motor speed is zoomed out to 1290RPM.Fig.8showsthemotortorqueoftheBSC-SVMIsystemwiththePIcontroller.1N-misthemotortorquevalue.

International Research Journal of Engineering and Technology (IRJET) e-ISSN:2395-0056
Volume: 11 Issue: 03 | Mar 2024 www.irjet.net p-ISSN:2395-0072




International Research Journal of Engineering and Technology (IRJET) e-ISSN:2395-0056
Volume: 11 Issue: 03 | Mar 2024 www.irjet.net p-ISSN:2395-0072
3 Conclusion:
TheintegrationofaPIcontrolledbootstrapconverterwithanSVMinverterinanIMdrivesystemrepresentsasignificant advancementinmotordrivetechnology.Bycombiningefficientgatedriving,precisecontrol,andreducedharmonics,the integrated system offers superior performance, reliability, and energy efficiency across a wide range of applications. Continued research and development in this area will further enhance the capabilities and applicability of such systems, drivinginnovationinthefieldofmotordrivetechnology.
REFERENCES:
[1].LeeEmpringham,johannW.Kolar,JoseRodriguez,PatW.WheelerandJonC.Clare,“Techno;ogicalissuesandIndustrial ApplicationofMatrixconveretrs:AReview”,IEEETransactiononIE,Vol.60,No.10,October2013:4260-4271.
[2].Ashwinkumarsahoo,J.Meenakshe,S.SDashandT.Thyagarajan.“AnalysisandsimulationofMatrixConverterusing PSIM”,The 7th InternationalconferenceonPower
Electronics,October22-26,2008IEEE,pgs:414-419.
[3]. Sharon D.Ronald, A.Sheela, S. Josephin mary, “Three phase to three phase Direct Matrix converter using SPWM Technique”,InternationaljournalofSoftComputingandEngineering(IJSCE)ISSN:2231-2307,Vol.3,Issue2,May2013.
[4].Mllaanovic ,M.Dobaj.B,“Anovel unity powerfactorcorrectionprincipleindirectAC toAC matrix converters”, 29th AnnualIEEEPowerElectronicsSpecialistsconference,1998.PESC98Record,Vol.1,17may1998-22may1998:746-752.
[5]. Lara, Guzman.V, Restrepo.J, Gimnez. M.I, Cabello.A, “Matrix converter induction motorDrive with DTC based Fuzzy control”,42nd InternationalUniversitiesPowerEngineeringConference,UPEC2007
[6] Johann W. Kolar, Frank Schafmeister, Simon D.Round, and Hans Ertl,, “Novel three Phase AC-AC Sparse Matrix converters”,IEEEtransactiononPowerElectronics,vol.22,no.5,September2007.
[7].K.I.Hwu,C.F.ChuangandW.C.Tu,”Highvoltageboostingconvertersbasedonbootstrapcapacitorsandboostinductors”, IEEEtrans.OnIE,Vol.60,No.6,June2013.
[8]. W.Li & X.He, “Review of no isolated high step up dc/dc converters in Photovoltai grid connected applications”, IEEE Trans,onIE,Vol.58,no.4:1239-1250,2011.

[9].H.Tao,J.L.Duarte,andM.A.M.Hendrix,“Line-interactiveUPSusingafuelcellastheprimary IEEETrans.I.E., vol.55,no.8, pp.30123021, Aug2008.
[10].D.Nicolae,C.Richards,andJ.vanRensburg,“BoostConverterwithimprovedTransferratio”,inProc IEEEIPEC,2010, pp.7681.
[11]. B.Axelrod, Y.Berkovich, and A.Ioinovici, “Switched capacitor/ switched inductor structures for getting transformer lesshybriddc-dcPWMconverters”,IEEE-Trans.CircuitsSyst.I,Reg.Papers,vol.55,no.2,pp687696,Mar2008.
[12].K.J.Hwu,andY.T.Yau,“Voltageboostingconverterbasedonchargepumpandcouplinginductorwithpassivevoltage clamping”,IEEETrans.I.E,vol.57,no.5:1719-1727,May2010.
[13].W.LiandX.He,“Afamilyofisolatedinterleavedboost and buck converters withwindingcrosscoupledinductors”, IEEETrans,PE.,vol.23,no.6:3164-3173,Nov2008.

[14]. Dr.T.GovindarajandM.Gunasegaran,,“ -micro inverter system based electric dr InternationalJournalOfAdvancedandInnovativeResearch.2012.Dec-2012,pp458-467.


[15]. Dr.T.Govindaraj, and V.Purushothaman, modeling of invertercontrolled BLDC drive using four International Journal of Advanced and Innovative Research. ISSN: 2278-7844, Dec- 2012, pp 554-559.


International Research Journal of Engineering and Technology (IRJET) e-ISSN:2395-0056
Volume: 11 Issue: 03 | Mar 2024 www.irjet.net
BIOGRAPHIES:

A.VISHNUKUMAR workinginBharathInstituteof HigherEducationandResearch.Chennai.