
International Research Journal of Engineering and Technology (IRJET) e-ISSN: 2395-0056
Volume: 11 Issue: 03 | Mar 2024 www.irjet.net p-ISSN: 2395-0072
![]()

International Research Journal of Engineering and Technology (IRJET) e-ISSN: 2395-0056
Volume: 11 Issue: 03 | Mar 2024 www.irjet.net p-ISSN: 2395-0072
1Industrial Safety Engineering
2Assistant Professor, Mechanical Department
3Bannari Amman Institute of Technology, Sathyamangalam
Abstract - Road accidents pose a global public health concern, leading to significant loss of life, primarily due to delayed emergency response. In response to this critical issue, we have developed an innovative safety solution that leverages the Arduino Nano, MPU6050 sensor, and A9G GPS module. This system enhances road safety by autonomously detecting accidents and promptly alerting emergency services. The MPU6050 continuously monitors the device's motion, identifying abrupt changes that may indicate accidents, while the A9G GPS module provides real-time location data. In the event of an accident, the system triggers an SMS notification to the nearest police station, including precise GPS coordinates, date, and time, enabling faster emergency response. Extensive real-world testing has validated the system's effectiveness. With the potential to save countless lives, our solution holds promise for improving road safety and reducing fatalities.
Key Words: MPU6050, A9G, Emergency Services, Helmet, SMS,Detection, Location
1.INTRODUCTION
Road traffic accidents represent a global epidemic, claimingthousandsoflivesdailyandinflictingimmeasurable suffering. It's a sobering reality that, on average, a person loses their life in a road accident every five minutes. The severityofthisproblemisamplifiedbythedishearteningfact manyoftheseaccidentsoccurwithinproximitytohospitals andemergencyservices,yetvictimsareoftenleftunaided,as everysecondcountsintheraceagainsttime.
The human brain can endure a mere 3 to 6 minutes withoutoxygen,emphasizingthecriticalimportanceofswift emergencymedicalattention.Addressingthisdireneedfor expedited accident response, we present an innovative solution:anA9G-EnabledAccidentDetectionandResponse System. Building upon existing protective headgear, our deviceseamlesslyintegratesadvancedtechnologiessuchas the Arduino Nano, MPU6050 sensor, and the A9G GPS module to detect accidents in real time and connect with emergencyserviceswithinmoments.
Thecoreconceptrevolvesaroundtheswiftdetectionof accidentsandtheimmediaterelayofcriticalinformationto nearby law enforcement agencies. Once an accident is
identified, the system automatically transmits an SMS, encompassingtheaccident'spreciselocation,date,andtime, to the nearest police station. This swift communication empowers emergency services to respond promptly, potentiallysavingcountlesslivesintheprocess.
Inthispaper,wedelveintothearchitecture,functionality, and real-world testing of our device, showcasing its effectiveness in detecting accidents and expediting emergencyresponse.Ouraimistoreducefatalitiesresulting fromroadaccidentsandenhanceoverallroadsafety.With thepotentialtorevolutionizeaccident responseprotocols, webelievethatoursystemholdsthepromiseofmakingour roadssaferandpreservinglivesonaglobalscale.
A. Vision-based approach
Oneapproachtofalldetectionistousecamerastomonitor the activity of the person. If a fall is detected, the camera can be used to capture images of the event. These images can then be used to assess the severity of the fall and to determineifmedical assistanceisrequired[16].However, vision-basedapproachescanbeexpensiveanddifficulttouse inlow-lightconditions.
B. Machine learning-based approach
Anotherapproachtofalldetectionistouse machinelearning algorithms to classify falls from other dailyactivities [17]. Thisapproachrequiresalargedatasetoflabeleddata,which canbedifficulttoobtain.However,machinelearning-based approachescanbevery accurateandcanbeusedinavariety ofsettings.
C. Vibrations and sound-based approach
A third approach to fall detection is to use vibrations and soundtodetectfalls.Thisapproachisbasedontheprinciple thatafallwillgenerateacharacteristicpatternofvibrations andsound.Thesevibrationsandsoundscanbecapturedby sensorsandthenanalyzedtodetermineifafallhasoccurred [18].However,thisapproachcanbesensitivetonoiseand canbedifficulttouseinnoisyenvironments.

International Research Journal of Engineering and Technology (IRJET) e-ISSN: 2395-0056
Volume: 11 Issue: 03 | Mar 2024 www.irjet.net p-ISSN: 2395-0072
Thekinematic-basedapproachisarelativelynewapproach tofalldetection.Thisapproachusessensorstomeasurethe kinematics of the person, such as their acceleration and angularvelocity.Thesemeasurementscanthenbeusedto identify falls [19][20]. The kinematic-based approach is relativelyinexpensiveandeasytouse.However,itcanbeless accurate than other approaches, such as the machine learning-basedapproach.
The Arduino microcontroller is an open-source microcontroller board that can be used to implement fall detectionsystems.TheArduinoisrelatively inexpensiveand easy to use. It can be programmed using the Arduino programminglanguage,whichisasimpleandeasy-to-learn language.
Existingsystemsintherealmofaccidentdetectionand response primarily center around vehicle-centric technologiesandservices.Modernvehiclesareequippedwith airbag systems that can detect collisions, deployingsafety mechanisms for the protection of vehicle occupants. Telematics services, such as OnStar, have emerged to automaticallydetectaccidentsandpromptlyalertemergency services by using built-in communication hardware and subscription-based services. Some regions have adopted automatic emergency call systems, like Call, which are requiredinvehiclestoinitiateemergencycallstopredefined numbersuponaccidents.Smartphoneappsalsoplayarole, leveraging the sensors within smartphones to detect accidentsandsendalertstospecifiedcontactsoremergency services.Roadsideemergencycallboxesareinstalledalong highways in certain areas, allowing drivers to make emergencycalls.Furthermore,trafficsurveillancecameras monitor roadways and record accidents for traffic managementpurposes.Lastly,therearethird-partyaccident detection devices that can be added to vehicles, using sensors to identify impacts and alert emergency services. These existing solutions primarily focus on accidents involving motor vehicles and may not cater to a broader range of scenarios or provide the mobility and direct connection with local authorities that your proposed wearablesystemoffers,potentiallyrevolutionizingaccident detectionandresponseinamorecomprehensivemanner.
ThissystemconsistsofaMEMSaccelerometer, GPSdevice, and GSM module to detect road accidents and notify emergency services. The accelerometer is used to detect suddenchangesinacceleration,whichcanbeindicativeofan accident.TheGPSdeviceisusedtodeterminethelocationof
the accident, and the GSM module is used to send a notificationtoemergencyservices.

Fig -1: Proposedsystemdesign
A. Accelerometer (MPU-6050)
TheMPU-6050isa6-axisMEMSmotiontrackingdevicethat integratesa3-axisgyroscope,a3-axisaccelerometer,anda DigitalMotionProcessor(DMP)onasinglechip.The
DMP can handle sophisticated 9-axis motion fusion algorithms, which allow the MPU-6050 to track the orientation and motion of a device in three-dimensional space. To detect falls, thresholds are set on the net acceleration. If the value obtained from the accelerometer exceedsthethreshold,afallisdetected[21][22].Thismethod is effective in detecting falls because it can distinguish betweenfallsandotheractivities,suchaswalkingorrunning.
B. A9G (GSM & GPS MODULE)
Intheeventofa fall,itisimportanttobeabletotrack the locationofthepersonwhohasfallen.Thisinformationcanbe usedtosendhelptothepersonandtoassesstheseverityof the fall. One way to track the location of a person whohas fallen is to use a GPS device [23]. The GPS device can be integratedwiththefalldetectionsystemtotrackthelocation ofthepersoninreal-time.Oncethelocationofthepersonis known,itcanbesentthroughanSMStotheSOSnumber.The SMSwillincludealinkwiththecoordinatesofthepersonwho hasexperiencedthefall.
C. Arduino mini microcontroller
Arduino Mini is a small, inexpensive, and easy-to-use microcontroller board based on the ATmega328P chip [24].It has 14 digital input/output pins(of which 6can be used as PWM outputs), 6 analog inputs, a 16MHz crystal oscillator,aUSBconnection,apowerjack,andaresetbutton. It is compatible with the Arduino IDE, which is a free and open-sourcesoftwaredevelopmentenvironmentforArduino boards.ithasanOperatingvoltage:5V,Inputvoltage:7-12V, Flash memory: 32 KB (of which 0.5 KB is used by the

International Research Journal of Engineering and Technology (IRJET) e-ISSN: 2395-0056
Volume: 11 Issue: 03 | Mar 2024 www.irjet.net p-ISSN: 2395-0072
bootloader),SRAM:2KBEEPROM:1KBandClockspeed:16 MHz
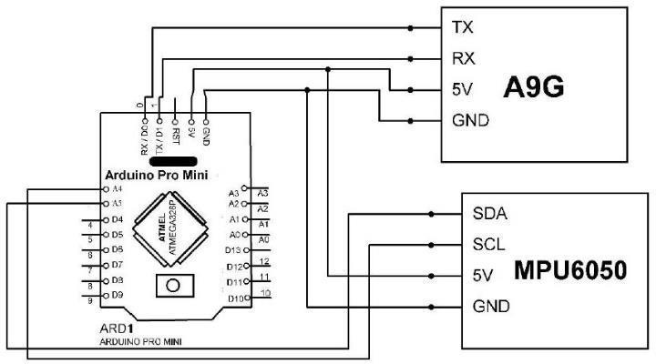
TheoriginalsetupofthesystemisshownbelowFig2

-2: ComponentandItsPinConfigurationSetup
Thissystemconsistsof1)Accelerometer(MPU-6050),2)A9G (GSM&GPSMODULEand3)Arduinominimicrocontroller, allintegratedtoworkasonesystem.Thisdeviceistobefixed on the rider’s helmet as how we will weara normal crash helmet.TheMPU-6050accelerometeristhecomponentthat isusedtodetectfalls.TheMPU6050'saccelerometervalues (x,y,z)areobtainedbycheckingthevaluesobtainedfrom MPU6050andsetsitasinitialvaluefor values (x, y, z) The system described utilizes the MPU6050accelerometer tomeasure accelerationalongits threeaxes(x,y,andz)andgeneratescorrespondingvoltage outputs.Thesevoltageoutputsfromtheaccelerometerare read by the microcontroller through an analog-to-digital converter(ADC).ThemeasuredADCvaluesaresubsequently transformed into their equivalent 'g' values, where 1g correspondsto9.80665m/s².
When an accident or any untoward incident occurs while driving the vehicle, the MPU6050 measures the vehicle's acceleration, displacement, temperature, and angular velocity.TheMPU6050communicateswiththeArduinomini via the I2C protocol. To power up, the VCC pin MPU6050 shouldbeconnectedtothe3.3VpinofArduinomini.Both the grounds are connected commonly. The MPU6050 SCL pinshouldbeconnectedtothe ArduinoSCLpin.TheSDApin of MPU6050 should be connected tothe SDA pin of the Arduino.ThedatawasobtainedfromanMPU6050sensor thathas3axisaccelerometerand3axisgyroscopes.

WorkingofSensorMPU6050
MPU 6050 sensor uses a scale of 2g, 4g, 8g and 16g for Accelerometer and scale of 250, 500, 1000, and 2000.The valueobtainedin(X,Y,Z)arenormalizedsimilarlyto[2].In thisstudy,theaccelerometerusedasensorof2gscale.And 250forgyroscopesensors(Table1).Thempu6050sensoris connectedtoArduinoNanoandissetatafrequency.of20 Hz.Whenthesensor-measuredvaluesurpassesthethreshold data, it causes an accident. Otherwise, it would be a false indication.Whentheaccidentoccurs,thecontrollerandA9G GPRS/GSMgetinitiated.ItisacompactSMD(surfacemount device)thatcombinesGSMandGPRSmodules.Thelocation wouldbefetchedintheNMEA(NationalMarineElectronics Association)formatbytheGPSofA9Gthroughsatellite.
Table1:OperatingrangeofMPU6050[2]
The microcontroller processes this data and transmits the data totheGSMoftheA9Gmodule.Thenthereliabledata would be sent to the ambulance and police for emergenciesviaGSMoftheA9Gmodule.

International Research Journal of Engineering and Technology (IRJET) e-ISSN: 2395-0056
Volume: 11 Issue: 03 | Mar 2024 www.irjet.net p-ISSN: 2395-0072

The hardware components are implemented as per pin configuration and attached inside the crash helmet. When thedeviceissettoonconditionthesystemupdatesitsinitial values (x, y, z) as an initial value and hence the current positionwill beconsideredasaninitial value,thisprocess takes some time to establish connection and set its initial values.WhenAccidentoccurs,therewillbea suddenchange in Acceleration along with sudden changes in Gyroscope angle.ThosevaluesareacquiredfromMpu6050sensorand transmitted to microprocessor (Arduino mini), Which containslogicalconditionsandthresholdvalues,Whenthe acquiredvaluesfromMpu6050exceedsthethreshold,itis consideredasaccident.


Fig.6 HelmetDuringCrashCondition
Table2:ValueofAccelerometerforDifferentMovements[3]
Walking (normal)
Walking (fast)
Sitting(slow)
Sitting(fast)Jogging
TheMpu6050sensorsareconnectedandthevaluesfrom theSensorsaredisplayed[Fig:7]

Screenshot of Acceleration and Gyroscopic values

International Research Journal of Engineering and Technology (IRJET) e-ISSN: 2395-0056
Volume: 11 Issue: 03 | Mar 2024 www.irjet.net p-ISSN: 2395-0072

Fig.8 ConditionstatementforAccidentdetection
ReadingsobtainedfromanMPU6050sensor andtransmitted to a microprocessor (Arduino Mini), which incorporates logical conditions and predefined thresholds [Fig:8]. If the receivedsensorvaluessurpassthesepredefinedthresholds, theyareclassifiedasindicativeofanaccident.

Fig.9 ExecutionofA9Gafteraccidentdetection
Thesystemhasdemonstrateditsabilitytoaccuratelydetect fallsduringtesting.Additionally,iteffectivelydeterminesthe current location and successfully sends an SMS containing locationcoordinates[Fig:9].

Fig.10 SMS Alert Message with Coordinates
ThesecoordinatescanbeenteredintoGoogle Maps[Fig:10], withthereceivedlocationservingas thedestinationandthe mobile'scurrentlocationasthestartingpoint.GoogleMaps willthenassistinfindingtheoptimalandquickestrouteto reach the destination, providing step- by-step directions alongtheway.
ScreenshotofGoogleMapswiththelocationofCoordinates

Fig.11 Screenshot of Coordinates indicating Fall location on Google map.
Discussion
Thesystemtakesmoretimetostartandcalibrateduring initialization of values to gyroscope may easily cause calibration error. This system is highly sensitive hence causesmanyfalsedetections.
A9G module doesn’t support some high spectrum band operatingSubscriberIdentificationModuleandit’sdifficult tosendorcommunicateatsomeareawherethespectrum rangeislow.
In conclusion, our innovative system, incorporating the Arduino Nano, MPU6050 sensor, and A9G GPS module, represents a significant step forward in addressing the pressing global issue of road accidents. The delayed response to accidents has long been a major factor contributingtothelossoflives.Oursolutionaimstobridge thiscrucialgapinemergencyservices.Throughcontinuous monitoringofmotionwiththeMPU6050sensor,oursystem can swiftly detect abrupt changes, a key indicator of accidents. The A9G GPS module supplements this by providing real-time location data, allowing for precise accident pinpointing. When an accident is detected, our systemactivatesanSMSnotificationtothenearestpolice station, delivering vital information, including GPS coordinates,dates,andtimes.Theresultisa reductionin emergencyresponsetimeand,potentially,countlesslives saved. Rigorous real-world testing has confirmed the

International Research Journal of Engineering and Technology (IRJET) e-ISSN: 2395-0056
Volume: 11 Issue: 03 | Mar 2024 www.irjet.net p-ISSN: 2395-0072
effectiveness of our solution, and we are committed to ensuringthatitmeetssafetyandregulatorystandardsfor real-worlddeployment.Withthepotentialtosignificantly improveroadsafetyandreducefatalities,oursolutionnot onlyrepresentsatechnologicalachievementbutalsoastep toward a safer and more secure road environment for everyone.
Looking ahead, our project's future scope is filled with excitingopportunitiesforfurtherinnovationand impact. One promising avenue involves integrating our accident detectionsystemwiththeevolvinglandscapeofsmartand connectedvehicles.Thisintegrationcouldenablereal-time communicationbetweenvehiclesandemergencyservices, leading to even faster response times and immediate medicalassistance.Additionally,theimplementationof data analytics and machine learning algorithms presents an opportunity to enhance accident detection accuracy, differentiating between true accidents and false alarms, therebyincreasingtheoverallreliabilityofthesystem.
Extendingthereachofourtechnologytowearabledevices, such as smart helmets, offers the potential for enhanced safety for motorcyclists and bicyclists. These wearables couldnotonlydetectaccidentsbutalsomonitorvitalsigns andfacilitatevoice-activatedemergencycalls.Collaboration withemergencyserviceproviderstoestablishstandardized protocolsforreceivingalertsandresponding toaccidents canstreamlinetheemergencyresponseprocess.
Furthermore,weseethepotentialforglobaldeployment, addressing road safety challenges on a worldwide scale. Tailoringthesystemtoaccommodateregionalroadsafety concerns can have a profound impact in diverse environments. Public awareness campaigns will complementtechnicaldevelopment,educatingindividuals about the benefits of safety systems and promoting responsibleroadbehavior
Advocatingforregulatorysupportandindustry adoption willbecrucialinensuringwidespreaddeploymentofsuch systems in vehicles and helmets, making road safety a collective priority. The future of this project not only involves technological advancement but also fosters a cultureofsafetyontheroad.Throughongoinginnovation and the pursuit of these opportunities, we can work towardsafuturewithsignificantlyreducedroadaccidents andimprovedemergencyresponse,ultimatelysavinglives andenhancingroadsafetyforall.
[1] R.P,M.S,G.J,J.E,S.KandP.P,"IntimationofAccident Zone Location," 2022 International Conference on Power, Energy, Control and Transmission Systems
(ICPECTS),Chennai,India,2022, pp. 1-4, doi:10.1109/ICPECTS56089.2022.10046715.
[2] A.Jefiza,E.Pramunanto,H.BoedinoegrohoandM.H. Purnomo,"Falldetectionbasedonaccelerometerand gyroscope using back propagation," 2017 4th International Conference on Electrical Engineering, Computer Science and Informatics (EECSI), Yogyakarta, Indonesia, 2017, pp. 1-6, doi: 10.1109/EECSI.2017.8239149.
[3] A. Hariharan, S. S, V. S. Varshini, I. Rajpal and S. M. George,"RemoteFallDetectionSystemfortheElderly," 2019 2nd International Conference on Intelligent Computing,InstrumentationandControlTechnologies (ICICICT), Kannur, India, 2019, pp. 870- 874, doi: 10.1109/ICICICT46008.2019.8993382.
[4] C. Seregara, A. Duddgi, P. Pawar, S. Padasalgi, and B. Hugar, "Vehicle Accident Alert System Using GSM, GPSandMEMS,"IRJET,August2021
[5] Dr. B.N Bansal and V. Garg, "Vehicle Accident Detection,TrackingandNotificationSystems,"IRJET, February2021.
[6] T. Kalyani, S. Monika, B. Naresh, and M. Vucha, "AccidentDetectionandAlert,"IJITEE,March2019.
[7] V. Radhakrishnan, "Smart Vehicle accident detection system,"IJSER,March2018.
[8] S. Karthikeyan and S. Ramachandran, "Smart summoning of ambulance during vehicle accidents," ICGIOT,August2018.
[9] Prof. D. Ahir, S. Bharade, P. Botre, S. Nagane, and M. Shah, "Intelligent Traffic Control System for Smart Ambulance,"IRJET,June2018.
[10] N. Kattukkaran, A. George, M.H. T.P, "Intelligent Accident Detection and alert system for Emergency MedicalAssistance,"(ICCCI-2017),January5,2017.
[11] R.Ganiga,R.Maurya,A.Nanade,"AccidentDetection SystemusingPiezoDiskSensor,"InternationalJournal of Science Engineering and Technology Research (IJSETR),Volume6,Issue3,March2017.
[12] U. Khalil, T. Javid, A. Nasir, "Accident Road accident detectionTechniques,"ISWSN,November2017.
[13] Dr.A.Sajjad,A.Shaikh,S.Khan,N.Sheikh,"GPS GSM Based Vehicle Tracking and Locking System," IRJET, March2017.
[14] A.Kurniawan,A.R.Hermawan,andI.K.E.Purnama, "A wearable device for fall detection elderly people

International Research Journal of Engineering and Technology (IRJET) e-ISSN: 2395-0056
Volume: 11 Issue: 03 | Mar 2024 www.irjet.net p-ISSN: 2395-0072
using tri-dimensional accelerometer," in Intelligent Technology and Its Applications (ISITIA), 2016 InternationalSeminaron,2016,pp.671–674.
[15] F. Vora, S. Kanojia, M. Sayad, and F. Sayyad, "GESTURECONTROLLEDPOWERPOINT."
[16] F.Harrou,N.Zerrouki,Y.Sun,andA.Houacine,"Visionbased fall detection system for improving safety of elderly people," IEEE Instrumentation & MeasurementMagazine,vol.20,pp.49-55,2017,DOI: 10.1109/MIM.2017.8121952.
[17] P. Vallabh, R. Malekian, N. Ye, and D. Capeska Bogatinoska,"FallDetectionUsingMachineLearning Algorithms," 2016 24th International Conference on Software, Telecommunications and Computer Networks(SoftCOM).
[18] [3]D.Litvak,Y.Zigel,andI.Gannot,"Falldetectionof elderly through floor vibrations and sound," 30th Annual International Conference of the IEEE EngineeringinMedicine andBiology Society(2008), pp.4632-4635.
[19] [4] Y.-H. Nho, J. G. Lim, D.-E. Kim, and D.-S. Kwon, "User-adaptive Fall Detection for Patients Using Wristband," IEEE/RSJ International Conference on IntelligentRobotsandSystems(IROS),2016.
[20] [5]S.RihanaandJ.Mondalak,"WearableFallDetection System," 3rd Middle East Conference on Biomedical Engineering(MECBME),2017.
[21] EkachaiThammasatandJarreeChaicharn, "Asimple fall-detection algorithm using accelerometers on a smartphone," The 5th Biomedical Engineering InternationalConference,2012.
[22] QuocT.Huynh,UyenD.Nguyen,KieuTrungLiem,and Binh Q. Tran, "Detection of Activities of Daily Living and Falls Using Combination Accelerometer and Gyroscope," 5th International Conference on Biomedical Engineering in Vietnam, Springer InternationalPublishingSwitzerland,2015.
[23] WonNamgoongandT.Meng,"GPSreceiverdesignfor portableapplications,"IEEEInternationalConference on Acoustics, Speech, and Signal Processing. Proceedings(Cat.No.00CH37100),2000.
[24] YuchunMa,YinghongHuang,KunZhang,andZhuang Li, "General Application Research on GSM Module," InternationalConferenceonInternetComputingand InformationServices,2011.
[25] YusufAbdullahiBadamasi,"Theworkingprincipleof an Arduino," 11th International Conference on
Electronics, Computer, and Computation (ICECCO), 2014.
2024, IRJET | Impact Factor value: 8.226 | ISO 9001:2008