
International Research Journal of Engineering and Technology (IRJET) e-ISSN: 2395-0056
Volume: 11 Issue: 02 | Feb 2024 www.irjet.net p-ISSN: 2395-0072
![]()

International Research Journal of Engineering and Technology (IRJET) e-ISSN: 2395-0056
Volume: 11 Issue: 02 | Feb 2024 www.irjet.net p-ISSN: 2395-0072
Adityakumar Jaykishor Sing1 , Indrajit Rajendra Jagdale2 , Vishwajeet Prakash Ghotane3 , Viraj Vilas Jadhav4
1Diploma, Dept. of Electrical Engineering, DKTE’s YCP Ichalkaranji, Maharashtra, India
2Diploma, Dept. of Electrical Engineering, DKTE’s YCP Ichalkaranji, Maharashtra, India
3Diploma, Dept. of Electrical Engineering, DKTE’s YCP Ichalkaranji, Maharashtra, India
4Diploma, Dept. of Electrical Engineering, DKTE’s YCP Ichalkaranji, Maharashtra, India ***
Abstract - “Energy Can Neither Be Created nor Destroyed” as per the thermodynamics law. Trying to obtained the maximum energy from secondary power sources (solar) is a challenging task. In conventional electric vehicles there is batteries are used which charges through electricity on wall and also used for the car operation.
This results in low range and need to search for charging station. The charging time for charged the batteries is too longer. In some electric vehicle they add solar to charge batteries while vehicle is moving, it causes inefficient charging and heating of batteries. Thus, switching circuit model is been developed. The common problems with e-vehicles, one of which is charging time. i.e., the charging hours of an e-vehicle is 6–8 hours approx., and in this time, they should carry a specific distance. Our project is based on this we are giving the basics concept as to create a type of vehicle that can be autocharging with unlimited distance.
Due to this, the charging hours should be decreases or eliminated. In this, we want to make a controller that may control the charging and discharging of the batteries at the same time by switching method. The switching may hard or soft switching. The supply of batteries for charging should be provided by the gear coupling of the generator / Alternator on the vehicle shaft. By developing this type of E-vehicle we can controlled the global pollution as well as energy demands for charging station.
Key Words: Auto-Charging EVs, New Concept of EVs, Unlimited distance, Energy Efficient, E-Vehicle New Idea.
1.INTRODUCTION
IntheprojectweareworkingonthesolutionfortheEvehicle,theproblemhasnoticedisthatthechargingtimeof electric cars or vehicles is much longer, and they should carryaspecificdistanceinthatspecifictime.Thesolutionfor thisisthat,withourknowledge,wedecidedtomaketheEvehicle, auto-charging, and due to this, it should carry an unlimited distance. While working on this project, to be consider the different ratings of motors according to the vehicleandthebatteriesthatcouldsustaintheloadofthe motor. The concept of our project is that, we are using a generator, and the generator should be AC or DC. We
coupledthegeneratortothevehiclewheelshaftbyagear mechanism, understanding that due to this coupling, it shouldn’taffectthespeedandefficiencyofthevehicle.
Inthebatterypart,thebatteriesaredividedintotwo sections, i.e., A and B. One of these batteries is the main battery,andtheotherisanauxiliarybattery.Themotorload should be carried by the main battery, and the charging shouldbedoneontheauxiliarybattery.Afterfulldischarge ofthemainbattery,themotorloadissharedbytheauxiliary battery,andatthistimethemainbatteryisswitchedtoin chargingconditionbyusingcontroller.
TheSwitchingcanbeoftwomethodshardswitching andsoftswitching.Thesoftswitchingisdonebyusingthe advance level programming controller and other is hard switching.Weareusinghardswitching,itisdonebyrackpinionmechanismandcontrollingtheirmovementbyany microcontrollers.


Volume: 11 Issue: 02 | Feb 2024 www.irjet.net p-ISSN: 2395-0072
TheprojectisbasedontheElectricVehicle,wehadjust modified the working of our conventional EVs (BEVs) and implementsourideainit.DuetothiswefindanewE-vehicle whichdoesn’trequiredchargingonthechargingstation,so charging time is reduces or eliminated & due to this the distance covered by the vehicle should be unlimited /it shouldbeincreasedthecurrentEVs
We implemented this idea in to the small working prototype.Theworkingisinawaythatfirstbyconsidering theTwoBattery(Main&Auxiliary).TheMainBatterysupply power to Vehicle. The auxiliary is in the charging or full chargedcondition.Thecontrollersupervisingthecondition ofbothbatterieswhentheMainbatterycometoitsthreshold state(i.e.,20%charged)thenthecontrollerswitchingaction took place and the auxiliary battery will now be a Main battery and the Main battery will Auxiliary battery i.e., Auxiliarybattery=MainBattery&Mainbattery=Auxiliary battery.
Tochargethecomponentsinvehicleandauxiliarybattery thepowerisgeneratedbythealternatorwhichiscoupledon theshaftofthevehicle.Duetothis,thevehiclenotrequireto chargeonthechargingstationsandsothecharginghoursof vehicle is or reduces completely /eliminated and vehicle shouldcovermoreorunlimiteddistances. We have made prototype of this while considering all the factors and specifications according to our projects. The specification, calculation and observation should change according to the project. The controller we are using in ArduinoUNOboard,forindustrialapplicationsthecontroller shouldbechanged.
WhiledesigningtheE-vehicleifweshouldconsiderthe losses as low as possible the vehicle should maximum efficiency.Theswitchingshouldbetwotypesishardandsoft switching.Weareusinghardswitchingintheproject.Wehad done all the possible method to eliminate the maximum lossesandprovideaccurateresultfromtheproject.


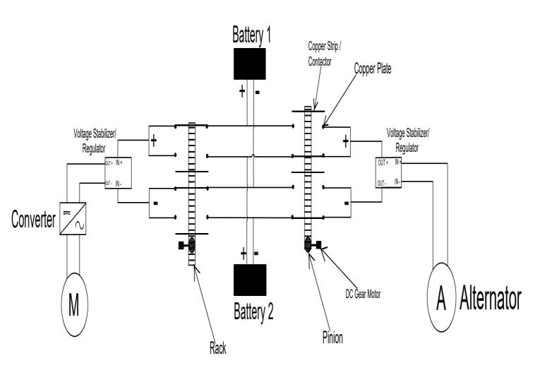
TheaboveFig-1&Fig-2SowstheConstructionaldiagram. TheFig-1showsthevirtualconstructionideaofprojecti.e., where the project idea should be implemented in actual vehicle.TheFig-2showsbasicimplementationideaandthe connection diagram actually we used in the project accordingly.
Table -1: Result/observationofproject.
In the above observation table, it shows the data while performing and testing of the project. The table shows the data in a form of truth table i.e , by the battery condition the switching action is took place As shown in above Table -1.

International Research Journal of Engineering and Technology (IRJET) e-ISSN: 2395-0056
Volume: 11 Issue: 02 | Feb 2024 www.irjet.net p-ISSN: 2395-0072

Fig
IntheabovefigtheAlternatorisshownwhichiscoupledto the electric motor. Here the Electric motor act as a front shaftofthevehicle.Astheconcept,theAlternatoriscoupled tothefrontshaftoftheEVsandtheDrivingMotorisonRear wheel. When the vehicle is running the alternator start to generationandthegeneratedvoltageshouldweutilizedto batteries and other components as per required. And the hard switching in the above fig -3, done by rack & pinion mechanism.ThetwoArduinoboardisusedoneofthemis forgenerationsideparametermeasurement(alternator)and otherisforswitchingcontrol.
For Voltage Divider: Vout = Vin * R2 / R1+R2. By this formula we can calculate the source voltage/ battery voltages.
1. ProvidingaNewConceptofvehiclestothesociety.
2. Presenting a new concept of E-Vehicles for Manufacturing.
3. TrytoovercometheCharginghoursofE-Vehicles.
4. TrytoovercometheLimitedDistanceforTravels.
5. MakeaPureElectricVehicleswhichisEfficientwith lesscost.
2.4 Advantages
1. No/lessChargingatchargingstation
2. Unlimiteddistance.
3. Reduceusesofchargingstation.
4. Lowmaintenance&runningcost.
5. Nofuel,noemissions&otherascurrentEVs.
In conclusion, it is evident that global warming is a real phenomenon, and it is happening right now. There are severalfactorsthatcontributetothisissue,andtheimpacts canbeseenbothsociallyandenvironmentally.Ifwedonot takethenecessaryprecautionsandactnow,thesituationis onlygoingtoworseninthefuture.Oneshouldbewell-aware of the consequences and ensure that they are not doing anythingtocontributetoit.
For the solution of global warming the EVs are widely manufacturingbutnotsaleasthegovernmentisexpected. DuetosomethelimitationsofEVsthesealoftheE-Vehicleis lessascomparedtoconventionalpetrolanddieselvehicles. Byovercomingthislimitation,thesaleoftheEVsshouldbe increasedorshouldbebetterinthefuture.
Some off the problem are overcoming by help of our projects.Wemadeaprototypewhichshouldgivethebasic ideatomanufactureaE-vehicleswhichshouldovercomethe problemsofchargingofEVs,findingthechargingstationand a limited distance of travelling.
We hereby would like to express our heartiest gratitudetoourheadofdepartmentProf.V.M.Heralge.and ourprojectguideMr.S.N.Gavadeforgivingasanopportunity tomakethisproject.Wewouldliketothankshimconstant assistanceandencouragementthroughoutourproject.
[1].
https://pubsonline.informs.org/doi/10.1287/trsc.2017. 0781
[2]. AIP Publishing-Switchingofbatteryandchargingthe subsequent one in vehicle. V. Ra. Nitharshan, School of Mechanical Engineering, Vellore Institute of Technology, Chennai,India.
[3]. INFORMS- Optimization of Battery Charging and PurchasingatElectricVehicleBatterySwapStations.Frank Schneider,UlrichW.Thonemann,DiegoKlabjan
[4]. MDPI -Dual Battery Control System of Lead Acid and LithiumFerroPhosphatewithSwitching Technique, Muhammad Nizam, Hari Maghfiroh, Fuad Nur KuncoroandFeriAdriyanto.
[5]. IEEE - Batteryoperationcyclemanagementforelectric vehicleswithbatteryswitchingtechnology GeorgiosDoukas;PavolBauer;JosvanderBurgt