Multipurpose Warfield Surveillance Robot Using IoT

Page 1

Volume: 10 Issue: 05 | May 2023

Multipurpose Warfield Surveillance Robot Using IoT

1Asst. Professor, Dept. of Mechanical Engineering, KNS Institute of Technology, Karnataka, India

2UG student, Dept. of Mechanical Engineering, KNS Institute of Technology, Karnataka, India

3UG student, Dept. of Mechanical Engineering, KNS Institute of Technology, Karnataka, India

student, Dept. of Mechanical Engineering, KNS Institute of Technology , Karnataka, India

Abstract – The field of robotization and robotics is a extensively used discipline in the manufacturing assiduity. It's substantially used to meet the requirements of colorful diligence similar as food and libation, healthcare, and home entertainment. This design proposes developing a robotic vehicle that can be operated ever using an Android app. The proposed robot can be equipped with a camera and wireless connectivity to transmit real- time videotape and images. It can be used for surveillance in war zones. Wi- Fi is a fairly new technology, and its practical and growth eventuality are immense. The app for Android can be used to connect with the security system and give a GUI that the stoner can use. The system will also respond to the stoner's commands. The device is equipped with a stir sensor and a camera.

Key Words: Surveillance, IoT, Wi-Fi, Raspberry Pi 4, RoboticArm,GUI.

1. INTRODUCTION

Thearrivalofnewhigh-speedtechnologyandthegrowing computer Capacity handed realis- tic occasion for new robotcontrolsandconsummationofnewstylesofcontrol proposition. This specialized enhancement together with the need for high performance robots created briskly, more accurate and more intelligent robots using new robots control bias, new motorists and advanced control algorithms. This design describes a new provident result of robot control systems. The programming of the robot takes time if there’s any change in the design the reprogramming has to be done. Therefore they aren’t stoner friendly and worked along with the stoner preferences. To make a robot stoner-friendly and to get the multimedia tone in the control of the robot, they’re designed to make stoner commanded work. The ultramoderntechnologyhastobeenforcedtodothis.For enforcingtheultramoderntechnology,itshouldbeknown by all the druggies to make use of it. To reach and to fullfilleralltheserequirementswe’reusingandroidmobileas a multimedia, stoner-friendly device to control the robot. This idea is the provocation for this design and the main theme of the design. In this ultramodern terrain everybody uses smart phones which are a part of their day-to-daylife.Theyusealltheirdiurnaluseslikereview

reading, diurnal updates, social networking, and all the apps like home robotization control, vehicle security, mortalbodydeconstruction,healthconservation hasbeen designed in the form of operations which can be fluently installed in their handheld smart phones. This design approached a robotic movementcontrol trough thesmart phones.Henceadevotedoperationiscreatedtocontrolan bedded robotic tackle. The operation controls the movementoftherobot.Thebeddedtackleisdevelopedon jeer pi 4 regulator and to be controlled by a Smart phone on the base of Android platform. Jeer pi 4 regulator is to admitthecommandsfromtheSmartphoneandtakesthe data and controls the motors of the robot by the motor motorist L293D. The robot can suitable to move forward, rear, left and right movements. The Smart phone is been connived to the device by using Bluetooth. It has inbuilt Bluetooth device HC-05 module to admit commands from smart phone. A wireless camera is fixed on the body of a robotforsurveillancepurposeindeedithasanightvision camera which can be seen in complete darkness by using infraredlighting.

2. PROBLEM STATEMENT

Stir control is abecedarian to numerous robotics operations, and is known to be a delicate problem. Prosecution in real world surroundingsisconfounded by noisy detectors, approximate world models and action prosecution query. There are numerous contributing factors to geste prosecution that are implicit targets for enhancement, for illustration bettered tackle to give more precise detector readings or more accurate action prosecutions.My explorationtargetsthe enhancementof action selection paradigms; specifically, the development of further robust control programs, or mappings from world compliances to robot conduct. The service and police development remains a vital challenge within automation and specifically requires a high position of trouble and moxie. These conditions circumscribe both the volume and variety of developed robot actions, and I believe thereforealsothegrowthofthefieldofroboticsas a whole. From the viewpoint of the robotics- expert, the trouble neededlimitsthenumberofdevelopedactions,as importanttimeisdevotedtodetails similarasparameter tuning. From the viewpoint of those who aren’t robotics-

© 2023, IRJET | Impact Factor value: 8.226 | ISO 9001:2008 Certified Journal | Page1133
⁴UG
***
e-ISSN:2395-0056
International Research Journal of Engineering and Technology (IRJET)
www.irjet.net p-ISSN:
2395-0072

experts, geste development is entirely inapproachable. By limiting the development of robot actions to experts, I believethatwelimitthegrowthofthefieldwithrespectto both volume( smaller people developing actions) and direction( development from the shoes of masterminds only). The presence of robots outside of laboratory is getting ever the more common, from recreational robots in the home to disquisition rovers in space, and the number of implicit operation disciplines for robots is unbounded. As familiarity with robots outside of the lab becomes more current, it’s anticipated that their drivers will include those who aren’t robotics experts, therefore presenting a demand for more accessible policy development ways. Likewise, outside of laboratory or artificial settings, generally the complexity of the functional terrain increases, making policy development frequently intractable using classical ways like handmodeling world dynamics, since numerous of the difficulties associated with policy development scale with robot and sphere complexity. A primary thing of my exploration is to develop ways for learning robot stir control programs, that reduce the conditions placed on robotics experts,in order to increasethe extravagancyof robot actions and promote robot autonomy. A secondary thing is that these ways be accessible to non-experts as well. The work of my discussion and postdoc concentrated on perfecting policy development with mortal feedback, in particular corrective feedback, that dyads with schoolteacher demonstration and machine literacy ways to develop robot stir control programs. This approach takes alleviation from enabling humans to educate robots as they educate other humans, to more grease knowledge transfer from mortal to robot and therefore also the exploitation of mortal knowledge and task moxie.

3. OBJECTIVES OF THE PROJECT

• Themainendistomaketherobottoactasa defense soldier, bomb detector, also make the robot for the purpose surveillance in borderareas.

• To minimize mortal losses in terrorist attack. For this we design a robot that can cover adversaryeverwhen demanded.

• This design focuses on erecting a RF predicated spying robot attached with wireless camera that can reduce the mortal victim.

• This robot is it helps to keep the place under controlbyfurnishingalltimesurveillanceand also overcomes the disbenefit of limited

frequency range by using the generality of Internet of goods for entering the data from the bot and also to control the movement of thebot.

• Thismakes soldier’slifemoresecureonwar field.

• The asset robot can easily move, capture images and wirelessly transmit them, thus giving the legionnaires an suggestion about thetroublesandsituationsinthewarfield.

• Theassetrobotwhichwehaveproposedisto covertheadversaryterrain thusourmilitary people can stay in safer place to plan untowardattack.

4. METHODOLOGY

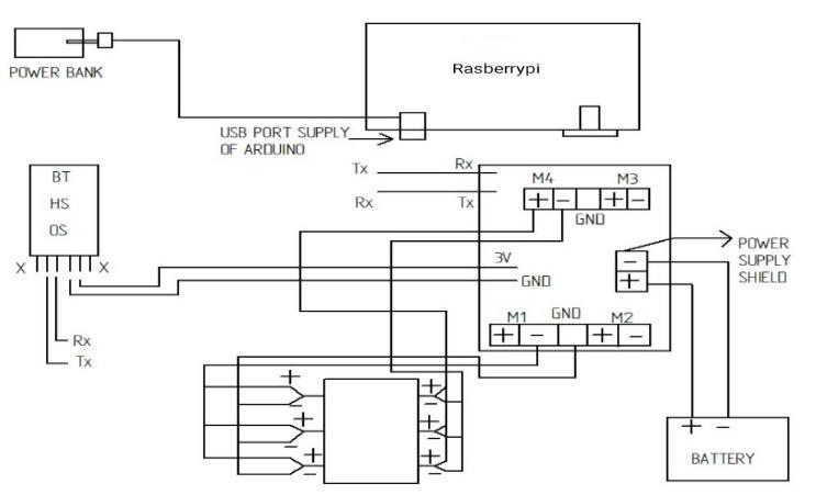
This is the internet of things (IOT) predicated design, where we are particularly uses the boo Pi, USB web cameraandtwoDCmotorwithRobotchassistomakethis Robotic bus setup. It has a web camera mounted over it, through which we will get live video feed and the interestingpart alsoisthatwecancontrolandmovethis robotfromawebcyber surferovertheinternet.Asitcan be controlled using webpage, means it can also be controlled by using the other smart bias where we can control through the webpage. We developed a webpage through which we can control the stir of the robot in asked directions. The webcam will capture live data with felicitationstoitssurroundingsandalsoshootittoaasked device through internet. The user will be observing this data on the monitor at the user end. According to the asked movement, the user will control the robotic vehicle throughthewebpageavailableatthe userend.

© 2023, IRJET | Impact Factor value: 8.226 | ISO 9001:2008 Certified Journal | Page1134
International Research Journal of Engineering and Technology (IRJET) e-ISSN:2395-0056 Volume: 10 Issue: 05 | May 2023 www.irjet.net p-ISSN:2395-0072
Fig:RaspberryPiwithmotorshield

Volume: 10 Issue: 05 | May 2023 www.irjet.net

4.1 Flow Graph:

4.1.1DFDLevel0:

Fig:DFDLevel0

4.1.2DFDLevel1:

Fig:DFDLevel1

4.2 Parts Specifications:

4.2.1RaspberryPi4:

Raspberry Pi is used for making robot wireless and web andalsothevidsaretransmittedwirelesslyfromtherobot to the stoner’s examiner, from where the stoner can accessiblycontroltheroboticvehicle’smovementandalso theroboticarmmovement.Raspberrypiisconnectedwith thedonglewhichenablesboopitotransmitovertheweb network. Raspberry- Pi Module Raspberry Pi uses an SD card for booting and for memory as it has an inbuilt hard scrapforstorehouse.IthasQuad-coreCortex-A72(ARM v8) 64-bitSoC@1.8 GHz processor, 1 GB, 2 GB, 4 GB or 8 GB LPDDR4- 3200 SDRAM( depending on model).2.4 GHz and5.0 GHz IEEE802.11 ac wireless, Bluetooth5.0, BLE. Gigabit Ethernet; 2 USB3.0 harbors; 2 USB2.0 harbors. Raspberry Pi standard 40 leg GPIO title( completely backwards with former boards). 2 ×micro-HDMI harbors( over to 4kp60 supported). 2-lane MIPI DSI display harborage; 2- lane MIPI CSI camera harborage. 4-pole stereo audio and conflationvideoharborage.H.265( 4kp60 decode), H264( 1080p60 decode, 1080p30 render). OpenGL ES3.1, Vulkan1.0. Micro-SD card niche for lading operating system and data storehouse. 5V DC via USB- C connector, 5V DC via GPIO title. Power over Ethernet(

© 2023, IRJET | Impact Factor value: 8.226 | ISO 9001:2008 Certified Journal | Page1135
Fig:Flowchart Fig:BlockDiagram
e-ISSN:
International Research Journal of Engineering and Technology (IRJET)
2395-0056
p-ISSN:2395-0072

PoE) enabled( requires separate PoE headpiece). Operatingtemperature0–50degreesCmedium.

4.2.3L293DMotorDriver:

Amotordriverisanintertwinedcircuitchipwhichis generally used to control motors in independent robots. Motor motorist act as an interface between Arduino and the motors. The most generally used motor motoristIC’sarefromtheL293series similar as L293D, L293NE,etc. contemporaneously 2 DC motors can be controlled by this L293D correspond of two H-ground. A low current rated motor can be controlled by this motor motorist. A H- ground which is a simplest circuit in a motor automobilist. We’ll be pertaining the motor motorist IC as L293D only.L293Dhas16legs.

Aroboticarmisa mortallikeofmechanicalarm,generally programmable, with analogue functions to a mortal arm; thearmmaybepartofamorecomplexrobot.Thelinksof aroboticmanipulatorareconnectedwithjointsallowingit in either rotational stir deportation.( 1)( 2) The links of the robotic manipulator can be considered as a kinematic chain. The boundary of the kinematic chain of the manipulator is called the end effector and it’s analogous to the mortal hand. still, the term “ robotic hand ” as a reverse of the robotic arm is constantly interdicted. Forward kinematics is the process of determining the position and exposure of the end effector in Cartesian space with the help of the common angles”( 10). Inverse kinematicsistheprocessofcalculatingthecommonangles with the help of the position and exposure of the endeffector.

5. DESIGN PARAMETERS

5.1 Specifications:

5.1.190Degree&45DegreePVCElbow:

Diameter:4.2cm

Material:UPVCmaterial

5.1.2HoseClipClamp:

Diameter: 40mm

Material: stainless steel=W4 (304 Grade Stainless steel)

5.1.3Metal:

Length:153mm

Width:25mm

Thickness:3to5mm

5.1.412DCGearMotor:

Speed:30rpm

Gearused:Helicalgear

© 2023, IRJET | Impact Factor value: 8.226 | ISO 9001:2008 Certified Journal | Page1136
Fig;RaspberryPi4IsoView 4.2.2 Robotic Arm: Fig:RoboticArm Fig:L293DMotorDriver
e-ISSN:2395-0056
| May
www.irjet.net p-ISSN:
International Research Journal of Engineering and Technology (IRJET)
Volume: 10 Issue: 05
2023
2395-0072

Shaftlength:20mm

Casing:Plastic&sheetmetal

5.1.5PowerSupply:

a) Powerbankandb)12volt5Ampbattery

a) Powerbank:

Capacity:10,000ma

Weight:250g

b) 12.4volt5ampbattery:

Capacity:62watt

Weight:1950gm

5.1.6Wheel:

Wheeldiameterwithgrip=95mm

Wheeldiameterwithoutgrip=85mm

Wheelwidth=20mm

5.1.6TopPlatform:

Lengthofthetopplatform=110mm

Widthofthetopplatform=100mm

5.2 Calculations:

5.2.1WheelDesign:

For the wheel design, using the formula of velocity. Find out the wheel diameter on the basis of velocity & speed whichisconsiderable.

V = (π.D.N)/60

We have to choose 30 rpm motor, from the above the table,for12cm/sec,thewheeldiameteris76.38mm,but weused 85 mm diameter wheel for the model because of theavailability.

5.2.2CalculationofTiltAngleandWheelBase:

Fig:CalculationofTiltAngleandWheelBase

Consider,stepheight&length

Height-20cm

Length–67cm

5.2.2.1ToFindOuttheTiltAngle:

Tilt angle(θ): 〖tan〗^(-1)⁡〖(y/x)〗 = 〖tan〗^(-1)(20/67) =16.62

5.2.2.2ToFindOuttheWheelBase:

Wheel Base. =Total length (radius of front + radius ofrearwheel) =67–(8.5+8.5) =50cm

5.2.3CalculationoftheLink:

© 2023, IRJET | Impact Factor value: 8.226 | ISO 9001:2008 Certified Journal | Page1137
Table:WheelDesign
Velocity 8 cm/sec Velocity 10 cm/sec Velocity 12cm /sec RPM (N) DIAMETER RPM (N) DIAMETER RPM (N) DIAMETER 10 15.277 10 19.096 10 22.915 20 7.638 20 9.548 20 11.458 30 5.092 30 6.345 30 7.638 40 3.819 40 4.774 40 5.729 50 3.055 50 3.819 50 4.583
e-ISSN:2395-0056 Volume: 10 Issue: 05 | May 2023 www.irjet.net p-ISSN:2395-0072
Fig:CalculationoftheLink
International Research Journal of Engineering and Technology (IRJET)

International Research Journal of Engineering and Technology (IRJET) e-ISSN:2395-0056

Volume: 10 Issue: 05 | May 2023 www.irjet.net

5.2.3.1LengthoftheLinkAC:

In∆BAC,ByPythagorastheorem

〖BC〗^2=〖AB〗^2+ 〖AC〗^2

〖BC〗^2=〖AB〗^2+〖AB〗^2 …….(AB=AC)

∴50^2=2〖AB〗^2

∴2500=2〖AB〗^2

∴AB=AC=35.35

5.2.3.2LengthoftheLinkDB:

In∆BDE,ByPythagorastheorem

〖BE〗^2=〖BD〗^2+ 〖DE〗^2

〖BE〗^2=〖BD〗^2+〖BD〗^2 ……(BD=DE)

∴26^2=2〖BD〗^2

∴676=2〖BD〗^2

∴BD=DE=35.35

6. RESULT

ThePassiveInfrareddetectorsensesthe stirforarangeof 3 to 7 meters around the robot’s air. After the robot’s algorithmisexecutedthedetectedsignalisfedasaninput to the jeer pi3 which notifies the camera to turn on. Once the camera is turned on it starts recording the videotape of the meddler. The videotape is transmitted through Internet Of effects to the web runner created by the stoner.Oncethe videotapeisuploaded,hecanlogintothe jeerPibyknowingitsIPaddressandusingVNCbystander software. For this purpose, the Pi’s IP address should be made static, that is, it shouldn’t change whenever it rebootsandconnectstothenetworkagain.

6.1Applications:

• Mobile robots can be used in several application dangerousareaoperationssuchashightemperature zone.

• Robot will become part of life to solve our problem like handicap person to go over the slide without anyhelpoftheotherhumanbeing.

• It is used to survive on surface irregularity without anyshock&vibration.

• Italsousedforbombdiffusingsquadsuchthatitcan beabletocutthewirefordiffusingthebomb.

7. CONCLUSION

The Surveillance Robot has been designed in such a way that it can feed to the conditions of the bomb disposal platoon,theservice,thepoliceandalsoforthelaborforce who handle radioactive paraphernalia. It has innumerable operations and can be used in different surroundings and scripts. For case, at one place it can be usedbythebombdisposal platoon,whileatanothercase itcanbeusedforhandlingmines.Whileanotheroperation can be to give up to date information in a hostage situation. This is wide field of study and is truly less explored.Sothisconclusiongaveustheincitementforthe development of dread suspension system in a cost effective manner. Our concern during the development of theroverwillbetooptimizethespeed analogousthatthe rover do not flip and may travel a little hastily too and makeitbringeffectivewithmaximumpossibleinflexibility and ruggedness. With certain development the dread systemcanbeusedfordefense relatedoperationandalso inwheelchairsforclimbingstairs.

8. FUTURE SCOPE

Thesystemthatwe’veerectedisaworkingprototypeofa robot, which should be compact, fast and accurate. This prototypemaynothavethefeaturesandtrustabilityofthe originaldesign.It’sonlybeingdevelopedtoinsurethatthe designisdoable,notimpracticableandcanbeenforcedon a much larger scale in a more it can still perform some position of object manipulation. Hence the unborn advancementsmayincludeaimportanteffectiveway.

Someoftheseadvancementsaredescribedbelow.

• COMPACTDESIGN.

• QUICKMOVEMENT.

• Advancedtrustability.

• REMOVABLE GRIPPER and MULTI-GRIPPER ROBOTICARM.

• ARTIFICIALINTELLIGENCE.

© 2023, IRJET | Impact Factor value: 8.226 | ISO 9001:2008 Certified Journal | Page1138
Fig:MultipurposeWarfieldSurveillancerobotusingIoT
p-ISSN:2395-0072

REFERENCES

[1] Wireless Surveillance Robot with Motion Detection and Live Video Transmission and Gas Detection D. Priyanka, V. Karthik ISSN 2319-8885 Vol.04, Issue.17, June-2015.

[2] Bluetooth Technology Based Wireless War Field Robot with Night Vision Camera Harish Harsurkar Somashekhar Malipatil, Sharanagouda Hadimani, Shravankumar2017IJEDRVolume5,Issue4.

[3] Intelligent Surveillance robot for Military using Camera and ZigBee Module Sarika A. Irpate, Pratiksha R. Lakde, Priyanka D. Balapure, Darshana N. Wagh, B. S. RakhondeMarch2018IJSDRVolume3,Issue3.

[4] ZigBee controlled Multi-Functional Surveillance Spy Robot for Military Applications R. Vedhapriyavadhana, E. FrancyIrudayaRani,AllwinGiftson,S.AjithKumarand M. David Boon Peer Reviewed Quarterly International Journal, Volume 2, Issue 2, Pages 121-127, April-June 2018.

[5] Multipurpose defense robot G. Jayandhi Asst Professor, ECE, E.P. Shobana Devi International Journal of Applied Engineering Research ISSN 0973-4562 Volume 14,Number6,2019.

BIOGRAPHIES

Mr.IrfanPasha

Asst.Professor

Dept.ofMechanicalEngineering

KNSInstituteofTechnology

Bangalore,Karnataka

Mr.KhalidPasha

UGStudent(B.E)

Dept.ofMechanicalEngineering

KNSInstituteofTechnology

Bangalore,Karnataka

Mr.MohammedFahad

UGStudent(B.E)

Dept.ofMechanicalEngineering

KNSInstituteofTechnology

Bangalore,Karnataka

Mr MohammedRahilIbrahim

UGStudent(B.E)

Dept.ofMechanicalEngineering

KNSInstituteofTechnology

Bangalore,Karnataka

© 2023, IRJET | Impact Factor value: 8.226 | ISO 9001:2008 Certified Journal | Page1139
International Research Journal of Engineering and Technology (IRJET) e-ISSN:2395-0056
www.irjet.net p-ISSN:2395-0072
Volume: 10 Issue: 05 | May 2023

Turn static files into dynamic content formats.

Create a flipbook