"Integration of Planning, Analysis, Design, Estimation and Scheduling of a Multispeciality Hospital

Page 1

"Integration of Planning, Analysis, Design, Estimation and Scheduling of a Multispeciality Hospital By Building Information Modelling (BIM) "

1,2,3Final year B.Tech Civil Engineering, Department of Civil Engineering, Periyar Maniammai Institute of Science and Technology, (Deemed to be University), Vallam, Thanjavur, Tamilnadu, India

4Associate Professor and 5Assistant Professor(SG), Department of Civil Engineering, Periyar Maniammai Institute of Science and Technology, (Deemed to be University), Vallam, Thanjavur, Tamilnadu, India. ***

Abstract - This study aims to assess the application of Building Information Modeling (BIM) in the design and construction of a multispeciality hospital project. The project was executed using a combination of software technologies including AutoCAD, Revit, STAAD.Pro, RCDC, and MS Project. The study demonstrates the integration of various design and construction processes into a unified digital model, leading to improved collaboration among project stakeholders and more accurate project planning and analysis phases. Utilization of Revit and other BIM tools enabled creation of an interactive and immersive 3D model of the hospital, resulting in enhanced communication and decision-making. Implementation of RCDC and MS Project facilitated accurate estimation of quantities and scheduling of construction activities, reducing time and cost overrun risk. This project highlights the benefits of BIM technology implementation in the design and construction of multispeciality hospitals, contributing to overall project efficiency and productivity. The findings of this study serve as a valuable reference for building professionals considering BIM technology integration in their projects.

Key Words: AutoCAD, Revit, STAAD.Pro, RCDC, and MS Project.

1. INTRODUCTION

BuildingInformationModeling(BIM)isa powerful digital toolthathasrevolutionizedtheconstructionindustry.BIM enables the integration of planning, analysis, design, estimation,andschedulingprocessesintoa unifieddigital model, resulting in improved collaboration and communication among stakeholders. In this study, we exploretheapplicationofBIMtechnologyinthedesignand construction of a multispeciality hospital project. This project utilized a combination of software technologies, includingAutoCAD,Revit,STAAD.Pro,RCDC,andMSProject, toenableaccurateprojectplanningandanalysis.

1.1 Problem Statement:

Healthcare facilities are critical for providing medical servicestothecommunity,butthedesignandconstructionof such facilities often face challenges related to accuracy, collaboration,andefficiency.

Thesechallengescanleadtodelays,errors,andincreased costs,whichcanultimatelyaffectthequalityofcareprovided topatients

1.2 Solution:

TheuseofBuildingInformationModeling(BIM)and other software technologies such as AutoCAD, Revit, STAAD.Pro,RCDC,andMSProject,enabledus tointegrate theplanning,analysis,design,estimation,andschedulingof the project into a unified digital model. This approach resulted in improved collaboration among project stakeholders,moreaccurateprojectplanningandanalysis phases, and ultimately, the timely delivery of the project withinbudget.

The adoption of BIM and other software technologiescanimprovetheconstructionprocessinmany ways,includingreducingerrors,increasingefficiency,and savingtimeandcosts.Byshowcasingthisproject,wehopeto inspire other professionals in the field to adopt similar approaches and contribute to the advancement of the constructionindustry

1.3 Objectives

The primary objective of this study is to assess the applicationofBIMtechnologyinthedesignandconstruction ofamultispecialityhospital.Weaimtodemonstratehowthe useofBIMtoolscanenableaccurateplanning,analysis,and estimation of quantities and scheduling of construction activities.

2. LITERATURE REVIEW

V.J.SaranandS.S.PimplikarexaminedBIMtechnologyhas thepotentialtorevolutionizethehealthcareinfrastructure planningprocess,includingdesign,construction,andfacilities management.TheauthorshypothesizethatBIMcanfacilitate accurateplanning,analysis,andestimationofquantitiesand scheduling of construction activities, leading to improved collaborationamongprojectstakeholdersandmoreefficient projectmanagement,aswellasreducingtheriskoftimeand

International Research Journal of Engineering and Technology (IRJET) e-ISSN: 2395-0056 Volume: 10 Issue: 04 | Apr 2023 www.irjet.net p-ISSN: 2395-0072 © 2023, IRJET | Impact Factor value: 7.529 | ISO 9001:2008 Certified Journal | Page1126
, Dr.V.A. Shanmugavelu4, Dr.A.Tamilmani5
3

costoverrunsthroughaccurateestimationofquantitiesand schedulingofconstructionactivities.

S. Alomari and M. Al-Qawasmi., in his study, observed the implementation of BIM technology in hospital design and construction can bring significant benefits, including improved project efficiency and productivity, better collaboration among project stakeholders, and enhanced decision-making. The authors also aim to explore the challengesandlimitationsofBIMtechnologyinthiscontext, andprovideinsightsonhowtoovercomethem

SankarF.Alarconetal.,dealswithBIMadoptioninhealthcare construction can result in improved project management, design quality,and costandtime performance. Thearticle also suggests that there are several challenges to BIM implementation in healthcare, such as stakeholder engagement,datamanagement,andstandardization,which needtobeaddressedtoachievesuccessfulBIMadoption

A.Srikanthetalinhisstudies,mainpurposeofourdesignis satisfyingthemedicalrequirementsofpeople.Inthisdesign we concerned about the plan, analysis and design of Multispeciality institutional structure. The plan of the institutionalstructureisdonebyusingAUTOCADDsoftware. TheanalysisofstructureswasdonebyusingE-tabsaswellas IS 456 (2000). The design of RCC element is grounded on limitstatesystemasperIS456(2000).

3. DATA COLLECTION

1) Compendium of Norms for Designing of Hospitals & MedicalInstitutions–CPWD

a)LandArea

MinimumLandarearequirementareasfollows:

Upto100beds=0.25to0.5hectare

Upto101to200beds=0.5hectaresto1hectare

500bedsandabove=6.5hectare(4.5hectareforhospital and2hectaresforresidential)

b)SizeofhospitalaspernumberofBeds

GeneralHospital–80to85sq.Mperbedtocalculatetotal plintharea

TeachingHospital-100to110sq.Mperbedtocalculate totalplinth

c)ICUbeds=5to10%oftotalbeds

d) Floor space for each ICU bed = 25 to 30 sq. m (this includessupport4services)

e)FloorspaceforPediatricICUbeds=10to12sq.mper bed

f)FloorspaceforHighDependencyUnit(HDU)=20to24 sq.mperbed

g)FloorspaceHospitalbeds(General)=15to18sq.m perbed

h)Bedsspace=7sq.mperbed

i)Minimumdistancebetweencentersoftwobeds=2.5m (minimum)

j)Clearanceatfootendofeachbed=1.2m(minimum)

2)TamilNaduCombinedDevelopmentandBuildingRules

a)Theheightofroominastructureotherthandomestic residencyshouldnotbelowerthan3.00mhanded,inthecase ofair-conditionedapartmentsitshallnotbelowerthan2.5 m.

b) The height of restroom or potty shall be not lower than2.20m.

c) Any structure having further than four bottoms including basement or sunken bottoms, shall have at least twostaircases,oneofwhichmaybeanexternalstairway

d)Theminimalrangeofstairshallbenotlowerthan1.20 m

e)Theminimalrangeoftreadshallbe30cm.

f)Theheightofplatformshallnotexceed15cm.

g)Theheightofrailshallbenotlowerthan90cm

h) Therangeoffireescapestaircaseshall benotlower than75cm.

i)Therangeoffireescapestairtreadshallbenotlower than15cm.

j) The height of the fire escape stair platform shall not exceed19cm.

k)Theheightofrailofafireescapestaircaseshallnotbe lowerthan100cms

l)MinimumCarpetAreainm2

Nursingarea19–25m2

Intensivetherapy30–50m2

Surgicalarea130–160m2

X-ray60–70m2

Recoveryarea25–30m2

Patientroomminimum10m2forsinglebedand16m2 fordoublebed

Doctor’sstation16–20m2

Eyetreatmentminimum25m2

EarNoseandThroat(ENT)25–30m2

International Research Journal of Engineering and Technology (IRJET) e-ISSN: 2395-0056 Volume: 10 Issue: 04 | Apr 2023 www.irjet.net p-ISSN: 2395-0072 © 2023, IRJET | Impact Factor value: 7.529 | ISO 9001:2008 Certified Journal | Page1127

4. METHODLOGY

Themethodologyusedinthisstudyinvolvedtheintegration ofvarioussoftwaretechnologies,includingAutoCAD,Revit, STAAD.Pro, RCDC, and MS Project, in the design and constructionofamultispecialityhospitalproject.Thestudy employed a unified digital model, allowing for improved collaborationamongprojectstakeholdersandmoreaccurate projectplanningandanalysisphases.TheutilizationofRevit andotherBIMtoolsfacilitatedthecreationofaninteractive and immersive 3D model of the hospital, resulting in enhanced communication and decision-making. ImplementationofRCDCandMSProjectenabledtheaccurate estimation of quantities and scheduling of construction activities,reducingtimeandcostoverrunrisk.Overall,the study highlights the benefits of BIM technology implementation in the design and construction of multispeciality hospitals, contributing to overall project efficiency and productivity. The findings of this study can serve as a valuable reference for building professionals consideringBIMtechnologyintegrationintheirprojects.

4.1 Software techniques

AutoCAD:AutoCADisasoftwareusedforcreating2Dand 3Ddesignsanddrafting.Inthisproject,AutoCADwasused forcreatinginitialdesigndrawings.

Revit: Revit is a software used for creating Building Information Models (BIM). It was used in this project to createaninteractiveandimmersive3Dmodelofthehospital, allowingforenhancedcommunicationanddecision-making., itwasusedtofacilitateaccurateestimationofquantitiesof constructionmaterials.

STAAD.Pro:STAAD.Proisasoftwareusedforstructural analysis and design. It was utilized in this project for analyzing and designing the structural components of the hospital.

RCDC: RCDC is a software used for the design and detailingofreinforcedconcretestructures.Inthisproject,it was used to facilitate accurate estimation of quantities of constructionmaterialsforthereinforcedconcretestructures.

MS Project: MS Project is a software used for project management.Itwasusedinthisprojectforschedulingand tracking construction activities, reducing time and cost overrunrisk.

4.2 PLANNING

International Research Journal of Engineering and Technology (IRJET) e-ISSN: 2395-0056 Volume: 10 Issue: 03 | Mar 2023 www.irjet.net p-ISSN: 2395-0072 © 2023, IRJET | Impact Factor value: 8.226 | ISO 9001:2008 Certified Journal | Page 1128
Fig -1:Groundfloor Fig -2:Firstfloor Fig -3:Typicalfloor

5.1 Load case details Dead load

Deadloadconsistsoftheself-weightofthecolumn,beam, slabandwall Slab

Buildingdimensionacrosswinddirection(b)=65.00m

Heightofthebuildingaboveground(h)=16.5m

a/b=1.78

h/b=0.25

Wind Load in X-Direction

Cf=1.15

WindSpeed,Vz=Vbxk1xk2xk3xk4=45.7639m/s

WindPressure,Pz=0.6Vz2=1.257(KN/m2)

Wind Load in Z-Direction

Cf=1.30

WindSpeed,Vz=Vbxk1xk2xk3xk4=45.7639m/s

WindPressure,Pz=0.6Vz2=1.257(KN/m2)

Combination Load Cases

1*(deadload)+0.8*(liveload)+0.8*(windloadindirection)

+0.8*(windloadinzdirection)

Analysis beam no. 1921

TheBendingMoment,ShearForceandDeflectioninthe BeamNo.1921ofsubstituteframemaybecomputedby STAAD.Pro

Bending Moment Along Z-Axis

Liveloadwasdeterminedbyusingcodefordesignloads(IS 875:2000Part2)forvarioustypesandpurposesofroom

Wind Load

Windloadwasdeterminedbyusingcodefordesign loads(IS875:2000Part2)forvariousheightofthe building

Vb=47m/s,K1=1.07,K3=1,K4=1,Kd=0.9,Ka=0.9, Kc=0.9 and TerrainCategory=3

Buildingdimensionalongwinddirection(a)=116.00m

Shear Force Along Y-Axis

International Research Journal of Engineering and Technology (IRJET) e-ISSN: 2395-0056 Volume: 10 Issue: 03 | Mar 2023 www.irjet.net p-ISSN: 2395-0072 © 2023, IRJET | Impact Factor value: 8.226 | ISO 9001:2008 Certified Journal | Page 1129 Table -1: SiteandBuildingSpecification Totalsitearea 11,400m2 Totalplintharea 5,600m2 Totalbuilduparea 11,303m2 No.ofstoryes G+3 No.oftypicalfloor 2 Floorheight 3.6meter Maincorridorspacing 3.5meter Secondarycorridorspacing 2.5meter
5. STRUCTURAL ANALYSIS
Load
����/�� BeamLoad = 0.30x0.60x 25 = 4.50 ����/�� TotalLoad =36.00 ����/�� Live
= 25x0.175x 7.20 = 31.50
Load
Bedroom = 2.0 kN/m2 Wards = 2.0 kN/m2 Dressingroom = 2.0 kN/m2 Lounge = 2.0 kN/m2 Labrarites = 3.0 kN/m2 X-rayroom = 3.0 kN/m2 Operatingroom
3.0 kN/m2 Corridor
4.0 kN/m2 Passage
4.0 kN/m2 OPDroom
2.5 kN/m2
=
=
=
=
Fig -4:BendingMomentAlongZ-Axis (BeamNo.1921) Fig -5:ShearForceAlongY-Axis (BeamNo.1921)

Deflection Along Y-Axis

Fig -6

6. STRUCTURAL DESIGN

Table -2: Specification

Element Specification

Gradeofconcrete M15andM25 Gradeofsteel Fe500DandFe550D

175mm(thick)

300mmx300mm

mmx600mm

mmx750mm

ImposedLoad=1.000KN/sqm

LiveLoad=3.000KN/sqm

SlabThickness=175.000mm

EffectiveDepthAlongLX,Deffx=150.000mm

EffectiveDepthAlongLY,Deffy=140.000mm

Self-Weight=4.375KN/sqm

TotalLoad,TL=8.375KN/sqm

Span=2-Way

PanelType=InteriorPanel

6.1 Design of Slab

Generaldata

SlabNo.:S48

Level=3.3m

DesignCode=IS456

GradeofConcrete=M25

GradeofSteel=Fe500

ClearCover=20.000mm

LongSpan,Ly=7.300m

ShortSpan,Lx=7.150m

Designdata

Bottom@lx 8@125

Bottom@ly 8@125

Top@lx(Cont) 8@130

Top@lx(End)

Top@ly(Cont) 8@125

Top@ly(End)

Dist.Steel 8@275

6.2 Design of Beam

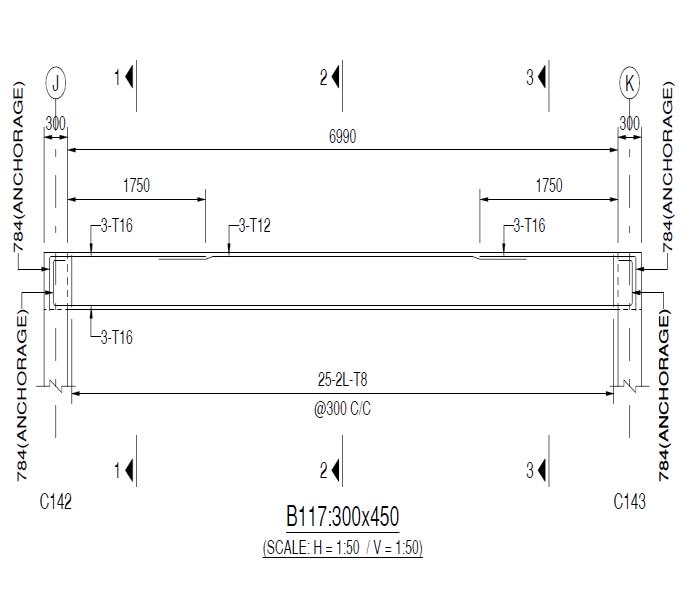
BeamNo:B117

BeamLength:7290mm

Breadth(B):300mm

Depth(D):450mm

EffectiveDepth(d):395mm

GradeofConcrete(Fck):M25

GradeofSteel:Fe500

ClearCover(Cmin):25mm

Es:2x10^5N/sqmm

MaximumSpacingCriteria

Basic

Spc1=0.75d=296mm

International Research Journal of Engineering and Technology (IRJET) e-ISSN: 2395-0056 Volume: 10 Issue: 03 | Mar 2023 www.irjet.net p-ISSN: 2395-0072 © 2023, IRJET | Impact Factor value: 8.226 | ISO 9001:2008 Certified Journal | Page 1130
:DeflectionalongY-Axis (BeamNo.1921)
Slab
Column
300
No.
Shear
400
Beam
230
No.beam 262 Substructure 1.5m No.footing 154 SBC 900KN/sqm
300
column 154
wall 200mm(thick)
mm(thick)
300mmx450mm
mmx230mm
Fig -7:Slabcrosssection

Spc2=300mm

SFRDesign

BeamWidth=300mm

BeamDepth=450mm

WebDepth=450<=750mm

SideFaceReinforcementNotRequired.

NoofFloors=1

NoofColumnsinGroup=1

ColumnType:Unbraced

Minimumeccentricitycheck:OneAxisataTime

CodedefinedD/Bratio:4

D/BRatio:2<=4Hence,DesignasColumn

6.3 Design of Column

GeneralData

ColumnNo.:C58

Level:0mto3.3m

DesignCode=IS456

GradeofConcrete=M25

GradeofSteel=Fe550

ColumnB=300mm

ColumnD=600mm

LiveLoadReduction=30%

ClearFloorHeight@B=2850mm

ClearFloorHeight@D=2850mm

International Research Journal of Engineering and Technology (IRJET) e-ISSN: 2395-0056 Volume: 10 Issue: 03 | Mar 2023 www.irjet.net p-ISSN: 2395-0072 © 2023, IRJET | Impact Factor value: 8.226 | ISO 9001:2008 Certified Journal | Page 1131
Fig -8:BeamElevationview (B117:300X450mm) Fig -9:BeamCross-Section (B117:300X450mm)
Data Colno. level MainReinf. Links C58 -1.5mto0m 4-T32+8-T25 T8@200 C58 0mto3.6m 4-T32+8-T25 T8@200 C58 3.6mto6.9m 4-T32+8-T25 T8@200 C58 6.9mto10.2m 4-T32+8-T25 T8@200 C58 10.2mto13.4m 12-T16 T8@200
Fig -10:ColumnElevationview (C58:300X600mm)
Design

6.4 Design of Shear wall

GeneralData

WallNo.:C83

Level:0mto3.3m

GradeofConcrete=M25

GradeofSteel=Fe550

WallB=200mm

WallD=3600mm

ClearCover=40mm

ClearFloorHeight@B=3000mm

ClearFloorHeight@D=3000mm

NoOfFloors=1

NoOfWallsInGroup=1

WallType:Unbraced

Minimumeccentricitycheck:OneAxisataTime

CodedefinedD/Bratio:4

D/BRatio:18>=4

Hence,DesignasWall

LoadData

AnalysisReferenceNo.=2645

CriticalAnalysisLoadCombination:5

LoadCombination=[1]:(load1:deadload)+0.8(load2:live load) +0.8 (load 3: wind load in x direction) +0.8 (load 4: windloadinzdirection)

CriticalLocation=BottomJoint

Pu=254.57kN

NormalLinks

Diameterofmainhorizontalsteel=8mm

Thus,Spacing=200mm

Spacingofhorizontalreinforcementisminimumoffollowing

D/5=720mm

3xB=600mm

Maximum=450mm

Spacingconsidered=200mm

6.5 Design of Footing

GeneralData

DesignCodes:IS456

FootingNo:FC128

ColumnNo:C128(600mmx300mm)

ConcreteGrade:M25 SteelGrade:Fe550

ClearCover:50mm

Df:1.5m Dw:3m

DensityofSoil=18kN/cum

SoilBearingCapacity=900kN/sqm

PermissibleSBCIncreaseforEQ=25%

PermissibleSBCIncreaseforWind=25%

Designcrosssectionby:Averagepressure

FootingType:Pad

FootingSize(LxBxD):1850mmX1550mmX550mm

EffectiveSelfWeight=39.43KN

OffsetAlongL(Loff)=625mm

OffsetAlongB(Boff)=625mm

International Research Journal of Engineering and Technology (IRJET) e-ISSN: 2395-0056 Volume: 10 Issue: 03 | Mar 2023 www.irjet.net p-ISSN: 2395-0072 © 2023, IRJET | Impact Factor value: 8.226 | ISO 9001:2008 Certified Journal | Page 1132
Fig -11:ShearWallCrossSection(C83) Fig -12:FootingPlan(FC128)

DesignData

FootingNo:FC128

ConcreteGrade:M25

SteelGrade:Fe550

ClearCover:50mm

ColumnNo:C128(600mmx300mm)

Footingsize(LxBxD):1850X1550X550(mm)

Bottom@L:T12@145

Bottom@B:T10@100

7. ESTIMATION

Estimation is an importantaspect ofconstruction,as it involves the process of determining the cost and time required to complete a construction project. Accurate estimation helps in budgeting, scheduling, and resource allocation,whicharecrucialforthesuccessfulcompletionofa project.Civilengineersuseavarietyoftechniquesandtools toestimatethecostofmaterials,labor,equipment,andother resourcesrequiredfora project.Thisinvolvesconsidering variousfactorssuchasdesignspecifications,siteconditions, and local market rates. The goal of estimation in civil engineeringistoprovidearealisticestimateofthecostand durationofaproject,whileensuringthatallnecessaryfactors areconsidered.

7.1 Quantity Estimation

Construction projects require accurate and efficient quantity takeoff in order to ensure that the project stays within budget and is completed on time. With the advancementoftechnology,theuseofspecializedsoftware has become an indispensable tool for construction professionals. In this report, we present the results of a quantitytakeoffperformedusingRevitandRCDCsoftware, two of the most widely used tools in the construction industry.

International Research Journal of Engineering and Technology (IRJET) e-ISSN: 2395-0056 Volume: 10 Issue: 03 | Mar 2023 www.irjet.net p-ISSN: 2395-0072 © 2023, IRJET | Impact Factor value: 8.226 | ISO 9001:2008 Certified Journal | Page 1133
Fig -13:FootingCross–Section(FC128) Fig -14:footingQty.takeoff Fig -16:columnQty.takeoff Fig -16:slabQty.takeoff

Table -3 SiteSummaryofEstimation

NameofWork:CivilworksforProposedDevelopmentof MultispecialityHospitalatThanjavur

results of a scheduling performed using Microsoft (MS) Project,oneofthemostwidelyusedtoolsintheconstruction industry.

Table -4 Schedulingofwork

8. SCHEDULING

Scheduling is an essential aspect of construction projectmanagement,andplaysacriticalroleinensuringthe successfulcompletionofconstructionprojects.Byproviding a clear and concise overview of the project timeline, scheduling helps to coordinate and control the various activitiesandtasksinvolvedinaconstructionproject,and providesaframeworkforriskmanagement,costcontrol,and quality control and resources allocation. we present the

9. IDENTIFICATION AND RECTIFICATION OF ERRORS

Duringtheplanningstage,wediscoveredthatthe initiallayoutofthehospitalhadinadequatespaceforcertain departments, which would have resulted in operational issuesinthefuture.UsingBIMsoftwarelikeRevit,wewere abletomodifythelayoutandadjustthespacestomeetthe required specifications. We also found errors in the structural design during the analysis phase, which we rectifiedusingsoftwarelikeSTAADProandRCDC.Theuse of these software tools allowed us to detect errors in the structural design, such as weak points in the building structure,andmakenecessarycorrectionstoensurethatthe building was structurally sound. Overall, the use of BIM technology helped us detect and rectify errors at various stagesoftheproject,whichcontributedtothesuccessofthe projectandreducedthelikelihoodoffutureissues

10. RESULT AND DISCUSSION

TheintegrationofvarioussoftwaresuchasAutoCAD,Revit, STAAD Pro, RCDC, and MS Project in the design of a

International Research Journal of Engineering and Technology (IRJET) e-ISSN: 2395-0056 Volume: 10 Issue: 03 | Mar 2023 www.irjet.net p-ISSN: 2395-0072 © 2023, IRJET | Impact Factor value: 8.226 | ISO 9001:2008 Certified Journal | Page 1134
SUMMARY S.No. Description Cost in Rs. A SOR ITEMS 1 CivilWorks 104658235 2 Plumbing a) Water supply system+ Sewer system(10%) 10465823.50 b) Medicalgaspipeline(20%) 20931647.00 SubtotalforPlumbingsystem 31397470.50 3 Electricalwork(10%) 10465823.50 Sub total for SOR Items 177918999.50 B Non -SOR ITEMS 4 HVACSystem(15%) 15698735.25 5 FireFightingSystem(5%) 5232911.75 6 Escalators(6xRs.1804000) 10824000.00 7 Architectural Facade work (6%) 62794941.00 Sub total for Non SOR Items 94550588.00 Total Cost (A +B) 272469587.50 ProvisionforGST@12% 32696350.5 TOTAL 305165938.00 Provision for Labour welfare fundTNMWF@1% 3051659.38 ProvisionforCentage@2% 6103318.76 Provision for Contingencies (2%) 6103318.76 GRAND TOTAL 320424234.90 GRAND TOTAL (Rs in Lakhs) 3204.24 GRAND TOTAL (Rs in Cr) 32.04 COST per sq.ft 2308
S.No Task Name Duration 01 GeneralConditions 17days 02 LongLeadProcurement 70days 03 MobilizeonSite 10days 04 SiteGradingandUtilities 35days 05 Foundations 33days 06 SteelErection 45days 07 FormandPourConcrete-Floorsand Roof 85days 08 CarpentryWork 15days 09 MasonryWork 110days 10 Roofing 31days 11 Windowwallandstorefrontclosures 60days 12 BuildingFinishes 80days 13 Elevators 40days 14 Plumbing 90days 15 Electrical 139days 16 HeatingandVentilating-AC 180days 17 FinalClean-upandOccupancy 60days 18 CompleteFinalInspections 6days 19 Completepunchlistitemsfromall inspections 2wks. 20 Obtaincertificateofoccupancy 2days 21 Issuefinalcompletiondocuments includingwarranties 1day 22 Issuefinalrequestforpayment 1day 23 Multispecialtyhospital 17days TotalDuration 344days

multispecialityhospitalusingBIMtechnologyhasprovento behighlybeneficialforcivilengineers.Thismethodallows for accurate planning, analysis, design, estimation, and scheduling of construction activities, resulting in a more efficient and cost-effective project. The collaboration of differentsoftwareensuresthattheprojectisdesignedand executed seamlessly, with no room for errors or discrepancies.BIMtechnologyenablesreal-timeupdatesand changestobemade,whichiscrucialinconstructionprojects wheretimeandaccuracyareofutmostimportance.Overall, theintegrationofvarioussoftwareusingBIMtechnologyhas provedtobeanindispensabletoolforcivilengineersinthe design and construction of large-scale projects such as multispeciality hospitals The integration of planning, analysis, design, estimation, and scheduling through BIM technology can save a lot of time and effort. The use of software like AutoCAD, Revit, STAAD Pro, RCDC, and MS Project can simplify the design process and provide a platform for collaboration and communication between differentteamsinvolvedintheproject.WiththehelpofBIM technology,itiseasiertodetecterrorsandinconsistenciesin the design, which can be rectified before the construction process begins, saving time and money. The ability to visualize the project in 3D models allows for better communicationwithclients,stakeholders,andcontractors, reducingthelikelihoodofmisunderstandingsandmistakes.

budget,andtotherequiredqualitystandards.Theyalsohelp to reduce the risk of human error, improve the overall qualityofthedesign,andfacilitatetheintegrationofvarious design aspects such as cost estimating, scheduling, and resourceallocation.

It is therefore advisable for civil engineers to continually updatetheirknowledgeandskillsinthisareatostayatthe forefrontoftheirfield

ACKNOWLEDGEMENT

Werenderoursincerethanksandrespectfulgratitudetoour Supervisor Dr.V.A.Shanmugavelu, M.E., Ph.D., Associate Professor, Department of Civil Engineering for providing valuableguidance.

We wouldlike toextend ourspecial thankstoall thestaff members of the Department of Civil Engineering and Technicians who are always available when we need technicalassistance

wedeeplythank ourparentsandfamilymemberfortheir unconditionaltrustandtimelyencouragementthroughout ourstudy.

REFERENCES

[1] CompendiumofNormsforDesigningofGovernmentof India Ministry of Housing & Urban Affairs - Central Public Works Department - Hospitals & Medical Institutions-2015

[2] CodeofPracticeisanIndianStandardcodeofpractice for general structural use of plain and reinforced concrete.IS-456-2000.

[3] The structural practice handbook SP:16-1980 Design AidsforReinforcedConcretetoIS:456-1978

11. CONCLUSIONS

In conclusion, the use of software techniques in civil engineering design projects is increasingly becoming essentialintoday'srapidlyevolvingtechnologicallandscape. Software such as STAAD Pro, RCDC, and Revit offer numerous benefits to civil engineers, including improved accuracy,efficiency,andconsistencyindesignandanalysis. These tools also allow engineers to perform complex calculations and simulations, visualize the behavior of structures under different loading conditions, and collaboratemoreeffectivelywithotherstakeholders.

Furthermore, software techniques provide a more streamlinedandeffectiveapproachtoprojectmanagement, helpingtoensurethatprojectsarecompletedontime,within

[4] Code of Practice for Design Loads (Other Than Earthquake)ForBuildingsandStructuresIS-875-1987.

[5] NationalBuildingCode2005–2015

[6] NeufertArchitects'DataFourthEdition-2014

[7] Dr.Ramachandra,LimitStateDesignofReinforced

[8] Concrete'.

[9] B.C.Punmia,AshokKumarJain,ArunKumar

[10] Jain,R.C.C.Design',LakshmiPublisher,NewDelhi.

[11] N.Krishna raju, Ramaamurtham & N.N.Narayanan, DesignofR.C.Cstructures.

International Research Journal of Engineering and Technology (IRJET) e-ISSN: 2395-0056 Volume: 10 Issue: 03 | Mar 2023 www.irjet.net p-ISSN: 2395-0072 © 2023, IRJET | Impact Factor value: 8.226 | ISO 9001:2008 Certified Journal | Page 1135
Fig -17:RevitRenderingModel

[12] P.C.Varghese,LimitStateDesignofReinforcedConcrete.

[13] F. Alarcon, et al. “BIM in healthcare construction”, journalAutomationinConstructionin2018,volume85, pages96-109

[14] S.AlomariandM.Al-Qawasmi,“BIMinHospitalDesign andConstruction”,JournalofHealthcareEngineering.

[15] V. J. Saran and S. S. Pimplikar “BIM for Healthcare Infrastructure Planning”, International Journal of Engineering&ResearchTechnology,Volume10,Issue 10,Oct2021.

[16] MVK Satish and K. Bhavana, “Production base design and analysis of a new Hospital building subjected to impactloadusingStaadPro”,AIJREAS.

International Research Journal of Engineering and Technology (IRJET) e-ISSN: 2395-0056 Volume: 10 Issue: 03 | Mar 2023 www.irjet.net p-ISSN: 2395-0072 © 2023, IRJET | Impact Factor value: 8.226 | ISO 9001:2008 Certified Journal | Page 1136

Turn static files into dynamic content formats.

Create a flipbook